Расчетно-аналитический метод определения припусков на механическую обработку заготовок
КВАЛІФІКАЦІЙНА
РОБОТА МАГІСТРА
зі
спеціальності «Технології машинобудування»
Тема
‘‘Розрахунково-аналітичний метод визначення припусків на механічну обробку
заготовок’’
СОДЕРЖАНИЕ
ВВЕДЕНИЕ
РАЗДЕЛ
1. СОСТОЯНИЕ ВОПРОСА И ПОСТАНОВКА ЗАДАЧИ ИССЛЕДОВАНИЯ
1.1 Определение припуска на обработку заготовок
.2 Опытно-статистический метод определения
припусков
.3 Расчетно-аналитический
метод определения припусков
1.4 Интегрально-аналитический метод определения
припусков
1.5 Сравнительная характеристика методов расчета
припусков
.6 Выводы и постановка задачи исследования
РАЗДЕЛ 2. ОПРЕДЕЛЕНИЕ ПРИПУСКОВ НА МЕХАНИЧЕСКУЮ
ОБРАБОТКУ ЗАГОТОВОК РАСЧЕТНО-АНАЛИТИЧЕСКИМ И ОПЫТНО-СТАТИСТИЧСКИМ МЕТОДАМИ
2.1
Определение припусков на механическую обработку расчетно-аналитическим методом
2.2
Определение припусков на механическую обработку опытно-статистическим методом
определения припусков на механическую обработку заготовок
2.3
Определение зависимости распределения припуска по этапам обработки
2.5 Выводы
РАЗДЕЛ
3. МЕТОДИКА
ПРОВЕДЕНИЯ ЭКСПЕРИМЕНТАЛЬНЫХ ИССЛЕДОВАНИЙ И ОБРАБОТКИ ПОЛУЧЕННЫХ ДАННЫХ
3.1 Метод наименьших
квадратов
.2 Определение коэффициентов уравнения с помощью
метода наименьших квадратов
3.3
Разработка программы для автоматизации расчета припусков
3.4 Выводы
РАЗДЕЛ 4. ОХРАНА ТРУДА И БЕЗОПАСНОСТЬ В
ЧЕРЕЗВЫЧАЙНЫХ СИТУАЦИЯХ
.1 Характеристика
помещения
4.2
Анализ состояния охраны труда
.3
Мероприятия по улучшению условий труда
ВЫВОДЫ
СПИСОК ИСПОЛЬЗОВАННЫХ ИСТОЧНИКОВ
ПРИЛОЖЕНИЯ
ВВЕДЕНИЕ
В современном машиностроении большинство
заготовок подвергается механической обработке. Суть механической обработки
состоит в удалении поверхностных слоев материала заготовки для обеспечения
необходимых размеров, формы деталей и качества поверхностного слоя детали.
Слишком завышенные или заниженные припуски на обработку снижают качество
обрабатываемой детали, недостаточная их величина может привести к браку
деталей.
При обработке заготовок для деталей машин на
металлорежущих станках в среднем от 20% до 50% их веса отходит в стружку. Также
величина припуска наряду со скоростью резания и подачей определяет условия
обработки элементарных поверхностей детали, качество поверхностного слоя детали
после обработки, технико-экономические показатели процесса обработки. Поэтому
необходимость назначения технически обоснованных величин припусков очевидна.
При массовом выпуске изделий, даже самое
незначительное уменьшение припусков на обработку деталей дает весьма ощутимую
экономию качественного металла за год. Наряду с уменьшением отхода металла в
стружку достигается также экономия металла за счет сокращения брака деталей по
качеству поверхности. Уменьшение объема стружки и сокращения брака деталей
повышает эффективность использования металлообрабатывающего оборудования.
Значительное уменьшение припусков на обработку деталей сокращает расход
режущего инструмента, снижает время, затрачиваемое на обработку деталей,
способствует применению новых прогрессивных технологий производства деталей
машин. Экономия металла, режущих инструментов и применение новых технологий
значительно уменьшают себестоимость деталей, что является весьма весомым
аргументом в вопросе разработки новых, более эффективных методов назначения
припусков на обработку деталей.
Актуальность проблемы.
На сегодняшний день существующие методы расчета припусков представлены
опытно-статистическим, расчетно-аналитическим и интегрально-аналитическим
методами. Каждый из этих методов имеет как преимущества, так и недостатки. При
определении припусков на обработку необходимо стремиться к их уменьшению, но в
разумных пределах, что бы его было достаточно для устранения погрешностей и
дефектов предыдущей обработки. В связи с широким распространением в современном
производстве компьютерных технологий и систем автоматизированной подготовки
производства, использование таблиц и справочников для определения припусков
снижает эффективность работы технолога, поэтому возникает необходимость в
методе определения припусков, ориентированном на САПР ТП.
Цель и задачи исследования. Целью
исследования является автоматизация расчета припусков на обработку
заготовок деталей машин.
Для достижения цели работы, необходимо решить
следующие задачи:
- опытно-статистическим и расчетно-аналитическим
методом определить величины припусков на обработку для различных интервалов размеров
заготовок цилиндрической формы, получаемых следующими методами: литье,
штамповка, ковка;
- по полученным данным построить графики
распределения припуска в зависимости от количества стадий обработки детали;
- выполнить анализ полученных результатов, выявить
зависимость распределения припусков по этапам обработки;
- определить факторы, влияющие на характер
распределения припусков по этапам обработки;
Объект исследования
- припуски на механическую обработку заготовок.
Предмет исследования
- зависимость распределения величины припуска на механическую обработку
заготовок по этапам обработки.
Методы исследования.
Результаты работы получены на основе теоретических и практических исследований,
расчетов припусков на обработку. Графики распределения припусков были построены
с помощью ЭВМ с использованием программы Microsoft Excel. С помощью метода
наименьших квадратов были получены значения коэффициентов, входящих в уравнение
распределения припусков по этапам обработки.
Научная новизна.
Выявлена экспонентная зависимость распределения припусков по этапам обработки.
Определены факторы, от которых зависят коэффициенты, входящие в уравнение
данной экспонентной зависимости. В частности: квалитет точности заготовки после
каждого этапа обработки и интервал размеров заготовки.
Практическое значение
полученных результатов состоит в том, что на основе теоретических и
экспериментальных исследований разработана программа для определения припусков
на механическую обработку заготовок. Программа позволяет автоматизировать процесс
определения припусков на каждый из этапов обработки, лишает необходимости в
использовании большого количества справочников, таблиц, не требуется
специальных формул для расчета припуска.
РАЗДЕЛ 1. СОСТОЯНИЕ ВОПРОСА И
ПОСТАНОВКА ЗАДАЧИ ИССЛЕДОВАНИЯ
1.1 Определение
припуска на обработку заготовок
Одной из важнейших
задач, решаемых в рамках технологического проектирования, является обеспечение
требуемого качества деталей и машин при минимальных затратах ресурсов. В
условиях высокой стоимости материалов проблема снижения материалоемкости
производства особенно актуальна. Одним из путей снижения материалоемкости
является уменьшение припусков на обработку. Помимо роста материальных затрат,
«закладываемых» в заготовку вместе со стоимостью материала, завышенные значения
припусков ведут к росту трудоемкости и энергозатрат при изготовлении изделий,
снижению эффективности использования оборудования, в первую очередь с ЧПУ, и в
конечном итоге к росту себестоимости изготовления изделия. Проблема припусков
может быть снята в условиях, когда заготовительное производство будет выдавать
готовые детали, что в ближайшем будущем недостижимо. Поэтому проблема
назначения припусков - это старая и до сих пор актуальная проблема, решаемая в
рамках технологии машиностроения.
На этапе изготовления деталей машин особое
внимание обращают на их качество и его важнейший показатель - точность. В
прошлом столетии точность деталей машин выросла почти в 2000 раз. Такого
увеличения не наблюдается ни по одному из показателей служебных характеристик.
Понятие «точность» относится не только к размеру, но и к форме, взаимному
расположению поверхностей, физико-механическим характеристикам деталей и среды,
в которой их изготавливают. Важнейшим показателем качества является точность
всех параметров изготовления детали. Сложность решения проблемы точности
состоит в необходимости учета одновременного действия многих факторов, каждый
из которых вызывает определенную первичную погрешность изготовления детали.
Например, свою долю в погрешности детали вносят
неточности оборудования, но одновременно с этим на точность детали влияют
погрешность настройки режущего инструмента, его износ. Процесс формирования
погрешностей сопровождается температурными деформациями технологической системы
и зависит от ее динамических качеств. Изменение сил, действующих на систему в
ходе обработки заготовок, неизменно приводит к возникновению упругих
деформаций, значения которых постоянно изменяются. Задача технолога состоит в
определении числового значения с доведением до числа каждой первичной
погрешности и в умении правильного учета - суммирования значений этих
погрешностей. Опираясь на закономерности основ технологии машиностроения, можно
определить ожидаемую точность обработки и сравнить ее с допуском на размер,
форму, расположение уже в ходе его разработки.
Исследование путей улучшения качества
поверхности с целью повышения эксплуатационных свойств долгое время
ограничивалось рссмотрением методов и условий осуществления последней операции,
завершающей технологический процесс обработки детали. Таким образом исключалась
возможность влияния результатов предшествующих операций технологического цикла
на износостойкость, контактную жесткость, усталостную прочность и другие
эксплутационные свойсва готовых деталей.
Позже в результате проведенных исследований была
доказана несостоятельность подобного положения и установлено существование
технологической наследственности при образовании качества рабочих поверхностей
деталей машин. Причем технологическая наследственность проявляется не только
после чистовых операций, но и может оказывать влияние на изменение свойств или
потерю точности формы готовой детали при ее эксплуатации в результате
воздействия тех или иных элементов качества поверхности, созданных в
поверхностном слое детали при ее черновой обработке.
Самым простым и наглядным примером,
подтверждающим проявление технологической наследственности, может служить
явление геометрического копирования исходных погрешностей формы детали. Если,
например, на предыдущей операции деталь имела овальность, то и на последующей
операции получится овальность, только меньшей величины. При выполнении ряда
операций форма и размеры детали все больше и больше уточняются, но исходные
погрешности в какой-то степени копируются на всех операциях.
Еще в 30-е годы А. П. Соколовский в своих
работах говорил, что точность размеров, погрешности формы заготовок после
каждого этапа обработки переносятся на готовую деталь, постепенно уменьшаясь,
копируясь. В связи с этим очевидно, что достичь высокой точности детали за один
этап обработки достаточно сложно и возникает необходимость в обработке деталей
за несколько этапов.
С точки зрения
достижения необходимой точности детали задача сводится к выбору необходимого
объема полуфабриката и приданию ему формы и размеров, которые приближаются к
будущей детали, то есть к отклонениям, лимитированным допусками на готовую
деталь. Поэтому было введено понятие “уточнение”.
Под фактическим
уточнением eф понимают отношение полей
рассеивания ωз заготовок партии
полуфабрикатов к полям рассеивания ωд партии готовых деталей
по рассматриваемой характеристике точности:
(1.1)
Расчетное уточнение -
это отношение допусков на рассматриваемую характеристику точности партии
заготовок и готовых деталей:
(1.2)
Готовые детали будут
годными, если
,
отсюда и для достижения необходимой точности партии деталей необходимо найти
такую технологическую систему, пройдя которую партия деталей стала бы
пригодной. Однако на практике в машиностроении еще практически нет таких
систем. В большинстве случаев для достижения необходимой точности приходится
использовать ряд технологических систем, каждая из которых дает свою величину
уточнения ei.
Таким образом, партия заготовок, пройдя последовательно несколько
технологических систем, получает необходимые уточнения и превращается в готовые
детали.
(1.3)
где n -
количество технологических систем или этапов обработки поверхности. Для
получения пригодных деталей по характеристике точности необходимо:
(1.4)
В связи с невозможностью
достижения требуемой точности и качества поверхности деталей за один этап
обработки, возникает необходимость в использовании многооперационной обработки
заготовок деталей машин. В целях достижения высокого качества конечной
обработки заготовки необходимо при каждом выполняемом переходе механической
обработки предусматривать припуск, компенсирующий погрешности предшествующей
обработки [1, 2].
Механической обработкой
черных заготовок последовательно, за ряд переходов, достигают соответствия
форм, размеров и качества поверхностей детали чертежу в пределах установленных
им отклонений.
При этом на каждом
переходе с обрабатываемой поверхности снимается в виде стружки слой металла, в
результате чего изменяется размер заготовки. Удаляемый в процессе обработки
слой металла называют припуском на обработку.
Преувеличенные припуски
на обработку ведут в некоторых случаях к удалению наиболее износоустойчивых
поверхностных слоев обрабатываемой детали. Вместе с тем преувеличенные
припуски, вызывают необходимость введения дополнительных технологических
переходов, увеличивают трудоемкость процессов обработки, затраты металла,
силовой электроэнергии, рабочего инструмента и тем самым приводят к повышению
себестоимости деталей.
Уменьшение припусков на
обработку является одним из средств экономии металла и снижения трудоемкости
процессов механический обработки. Однако недостаточные припуски на обработку не
обеспечивают возможности удаления дефектных поверхностных слоев металла и
получения требуемой точности и чистоты обработанных поверхностей, а в ряде
случаев создают неприемлемые технологические условия для работы режущего
инструмента, так как может быть оставлена зона с твердой литейной коркой или
окалиной. В результате недостаточных припусков возрастает брак, что,
естественно, повышает себестоимость выпускаемой продукции. В результате
назначения недостаточной величины припусков возрастает вероятность получения
брака, что повышает себестоимость выпускаемой продукции.
Слишком широкие допуски на размеры заготовок
осложняют выполнение технологических операций механической обработки на
предварительно настроенных станках, вынуждая прибегать к сортировке
обрабатываемых заготовок по размерам, и снижают точность обработки в
приспособлениях [4,20].
Установление оптимальных величин припусков на
обработку и технологических допусков на размеры заготовок по всем переходам
является одной из основных задач, правильное решение которой имеет весьма
существенное технико-экономическое значение.
Различают промежуточные и общие припуски.
Промежуточным припуском называют слой материала,
необходимый для осуществления технологического перехода. Промежуточный припуск
определяется как разность размеров, получаемых на смежных предшествующем и
выполняемом переходах технологического процесса обработки данной элементарной
поверхности.
Общим припуском называют слой материала,
необходимый для выполнения всей совокупности технологических переходов, т.е.
всего процесса обработки данной элементарной поверхности от черной заготовки до
готовой детали. Общий припуск определяется разностью размеров черной заготовки
и готовой детали. Общий припуск на обработку равен сумме промежуточных
припусков по всем технологическим переходам процесса обработки от черной
заготовки до готовой детали [4]:
(1.5)
.2 Опытно-статистический метод
определения припусков
В машиностроении
широко применяется опытно-статистический метод определения припусков на
обработку. При этом методе припуск устанавливается суммарно на весь
технологический процесс механической обработки, без расчета величины припуска
по составляющим его элементам, а на основании опытных данных о фактических
припусках, при которых производилась обработка заготовок аналогичных деталей
машин. В частности, припуски на отливки назначаются независимо от
технологического процесса обработки элементарных поверхностей.
Опытно-статистические значения припусков на чистовую и отделочную обработку не
учитывают схем базирования и других условий выполнения операций.
Опытно-статистические
величины припусков обычно завышены, так как они не учитывают особенностей
выполнения технологических процессов и соответствуют условиям обработки, при
которых припуск должен быть наибольшим.
Методика построения
нормативных таблиц, дающих готовую величину припуска, заставляет технолога
назначать припуск догматически, отвлекая его от анализа условий выполнения
операций и изыскания путей уменьшения величины припусков.
При использовании табличного метода
назначения припусков необходимо учитывать следующие обстоятельства:
общие табличные припуски - это
припуски на обработку соответствующей поверхности заготовки. Если обработка
поверхности выполняется за два перехода, то на первый переход дается около 70%
общего припуска, на второй около 30%. В случае трех переходов общий припуск
распределяется в соотношении 60% - 30% - 10%;
промежуточные табличные припуски -
это минимальные припуски на выполнение соответствующего перехода;
расчетная длина заготовки,
учитываемая при назначении промежуточных припусков, зависит от характера
крепления детали в процессе обработки;
расчетная длина, по которой
определяется промежуточный припуск, не распространяется на детали сложной
формы, а также на сильно деформируемые в результате термической обработки
детали. Для этих операций припуски устанавливают больше табличных;
промежуточные припуски даются с
учетом правки заготовок перед механической обработкой, а также рихтовки после
каждого вида обработки нежестких и деформируемых деталей [21].
При
опытно-статистическом методе припуски определяются по стандартам и таблицам,
которые составлены на основе обобщения и систематизации производственных данных
передовых предприятий. Припуски на механическую обработку поковок,
изготовленных различными методами, отливок из металлов и сплавов приведены,
например, в ГОСТ 7505-89, ГОСТ 7062-90, ГОСТ 7829-70, ГОСТ 26645-85. В этих
стандартах припуски даны в зависимости от массы и габаритных размеров деталей,
их конструктивных форм, заданной точности и шероховатости обрабатываемой
поверхности.
С помощью
опытно-статистического метода можно решить две задачи:
определить общий
табличный припуск на обработку поверхности заготовки. В случае известного
общего припуска на обработку поверхности промежуточные припуски назначают,
распределяя в определенной пропорции общий припуск между переходами.
определить
промежуточные табличные припуски по отдельным переходам.
Для определения
припусков опытно-статистическим методом на сегодняшний день существует большое
количество справочной литературы, различные таблицы, справочники, ГОСТы.
Выбирая необходимый нормативный документ, с помощью которого будут определяться
необходимые величины припусков на обработку, нужно учитывать не только размеры
заготовок, но и их форму, материал и метод получения заготовки.
Некоторые из
существующих государственных стандартов для определения припусков приведены в
таблице 1.1.
Таблица 1.1 -
Справочная литература для определения припусков на обработку
|
Литература
|
Материал
заготовки
|
Способ
получения заготовки
|
|
ГОСТ
7062-90 Поковки из углеродистой и легированной стали, изготовляемые ковкой на
прессах. Припуски и допуски
|
Углеродистая
и легированная сталь
|
Ковка
на прессах
|
|
ГОСТ
7829-70Поковки из углеродистой и легированной стали, изготовляемые ковкой на
молотах. Припуски и допуски
|
Углеродистая
и легированная сталь
|
Ковка
не молотах
|
|
ГОСТ
26645-85 Отливки из металлов и сплавов. Допуски размеров массы и припуски на
механическую обработку
|
Черные
и цветные металлы
|
Литье
|
|
ГОСТ
7505-89 Поковки стальные штампованные. Допуски, припуски и кузнечные напуски
|
Сталь
|
Штамповка
|
Преимуществами
опытно-статистического метода являются:
- простота расчетов;
- возможность
систематизации и стандартизации.
В то же время данный метод имеет и свои
недостатки:
- припуск назначается без
учета конкретных производственных условий;
- при расчете припуска не
учитываются элементарные погрешности обработки;
- для избегания брака
величина припуска завышается, что приводит к снижению коэффициента использования
материала;
- использование таблиц
лишает технолога необходимости анализировать и совершенствовать процесс
производства;
- данный метод невозможно
использовать в режиме САПР ТП.
В связи с этим
возникла задача научно-обоснованного определения припусков па обработку, и с
1935 г. в советской литературе по технологии машиностроения появляются работы,
в которых дается анализ факторов,, влияющих на величину припуска в дальнейшем
разрабатываются методы расчета припусков на обработку.
1.3
Расчетно-аналитический метод определения припусков
Метод расчета припусков, лишенный
недостатков опытно-статистического метода, был разработан проф. В. М. Кованом.
Этот метод известен как расчетно-аналитический метод определения припусков. В
соответствии с этим методом промежуточный припуск должен быть таким, чтобы при
его снятии устранялись погрешности обработки и дефекты поверхностного слоя,
полученные на предшествующем технологическом переходе, а также погрешность
установки обрабатываемой заготовки, возникающая на выполняемом переходе. Этот
метод базируется на учете выполнения конкретных условий принимаемого
технологического процесса, анализе погрешностей, присущих
каждому методу обработки, закономерностях уменьшения погрешностей
предшествующей обработки и законе суммирования погрешностей.
Он позволяет выявить возможности
экономии материала и снижения трудоемкости механической обработки. В сравнении
с опытно-статическими величинами припусков по расчетно-аналитическому методу
обеспечивает экономию металла от 6 до 15% чистого веса деталей, снижение
трудоемкости обработки и, следовательно, снижение себестоимости обработки в
целом.
Переходя к анализу
факторов, определяющих величину минимальных припусков следует напомнить, что
каждой заготовке, и зависимости от метода ее выполнения, присущи определенные
точность и качество шероховатости, так же как и в результате выполнения каждого
технологического перехода механической обработки получаем соответствующую
точность и определенное качество поверхности.
Припуски на
обработку определяют таким образом, чтобы на выполняемом технологическом
переходе были устранены погрешности заготовки, имевшиеся после выполнения
предшествующего перехода.
Качество
поверхности заготовок на любой стадиях обработки характеризуется
микронеровностями или шероховатостью, состоянием и глубиной поверхностного
слоя. Во избежание последовательного наращивания в поверхностном слое
отклонений от нормального :состояния основного металла микронеровности и
дефекты поверхностного слоя, получившиеся на предшествующем технологическом
переходе, подлежат удалению при выполняемом переходе.
Однако при расчете припусков на
обработку надо учитывать не полную глубину поверхностного слоя, а лишь верхнюю
дефектную часть его, оставляя нетронутым наклепанный слой, более износостойкий,
чем нижележащие слои, и обуславливающий более высокую чистоту поверхности при
обработке резанием в его зоне.
Геометрические
погрешности формы поверхностей - овальность, конусность, бочкообразность,
седлообразность, вогнутость, выпуклость и т. п. могут быть допущены только в
пределах поля допуска на размер, составляя обычно некоторую часть его, и
поэтому при расчете припусков не учитываются.
Пространственные
отклонения - кривизна осей, коробление поверхностей, увод и непараллельность
осей, неперпендикулярность осей и поверхностей, отклонения от соосности
ступеней валов и отверстий, эксцентричность внешних поверхностей относительно
отверстий и т. п. - не связаны с допуском на размер элементарной поверхности и
имеют самостоятельное значение. Они учитываются в минимальном припуске в виде
слагаемого ρа. При выполняемом
переходе могут возникнуть погрешности установки, вызывающие смещение заготовки
и требующие соответствующего увеличения припуска на обработку. Таким образом
наименьший ассиметричный припуск на обработку zmin должен включать
погрешности поверхностного слоя (высоту микронеровностей Н и глубину
дефектного поверхностного слоя Т), суммарное значение пространственных
отклонений ρ, оставшихся
от предшествующей обработки, и погрешность установки заготовок при выполняемой
операции eб [4]. Некоторые формулы для определения zmin для
конкретных условий обработки приведены ниже.
Последовательная
обработка противоположных или расположенных отдельно поверхностей:
.(1.6)
Параллельная обработка
противоположных плоскостей:
.(1.7)
Обработка наружных и внутренних
поверхностей вращения:
.(1.8)
Обтачивание цилиндрической
поверхности заготовки, установленной в центрах:
.(1.9)
Развертывание, протягивание
отверстий:
(1.10)
Суперфиниширование, полирование:
.(1.11)
Шлифование после термообработки, при
наличии eб:
,(1.12)
. (1.13)
Шлифование после термообработки, при
отсутствии eб:
,(1.14)
.(1.15)
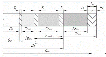
Схемы расположения припусков для наружной
поверхности вращения и для круглого отверстия даны на рисунке 1.1.
Рисунок 1.1 - Схема расположения припусков для
наружной поверхности вращения, обрабатываемой за три перехода
Преимущества данного метода в следующем:
- учитывает погрешности, присущие каждому методу
обработки и законы суммирования погрешностей;
- сокрщает отход металла в стружку по сравнению с
табличными значениями припусков;
- создает единую систему определения припусков на
обработку, размеров заготовки и детали по технологическим переходам;
- способствует повышению технологической культуры
производства.
1.4
Интегрально-аналитический метод определения припусков
Помимо широко
используемых опытно-статистического и расчетно-аналитического методов,
существует также интегрально-аналитический метод, разработанный Д. К.
Липатовым.
Суть интегрально-аналитического метода состоит в
том, что величина припуска определяется по эмпирическим формулам, которые
связывают его с параметрами обрабатываемой поверхности. Например, для
определения припусков на четвертом этапе обработки штампованной заготовки
рекомендуется использовать формулу:
Z4=0,2+0,0002d+0,0004l,(1.16)
где l, d - длина и диаметр обрабатываемой
поверхности.
Преимущество данного метода в том, что он в
основном ориентирован на САПР ТП, не требует использования дополнительных
таблиц и справочников.
Недостатки метода:
- результаты расчетов являются достаточно
приблизительными;
- эмпирические формулы для расчета припусков на
обработку разработаны не для всех этапов и способов обработки заготовок.
В связи с этим данный метод не получил широкого
распространения и требует широкомасштабных исследований для установления более
точных зависимостей припусков поверхностей.
1.5 Сравнительная характеристика
методов расчета припусков
В таблице 1.2 приведены преимущества и
недостатки существующих на сегодня методов расчета припусков на обработку.
Таблица 1.2 - Преимущества и недостатки методов
расчета припусков
|
Метод
|
Преимущества
|
Недостатки
|
|
Опытно-статистический
|
- простота расчетов; - дает возможность систематизации и
стандартизации данных.
|
- припуск назначается без учета конкретных производственных
условий; - при расчете припуска не учитываются элементарные погрешности
обработки; - для избежания брака величина припуска завышается, что приводит к
снижению коэффициента использования материала; - использование таблиц лишает
технолога необходимости анализировать и совершенствовать процесс
производства; - не
учитывает схем базирования и других условий
выполнения операций; - данный метод невозможно использовать в режиме САПР ТП.
|
|
Расчетно-аналитический
|
-
учитывает погрешности, присущие каждому методу обработки и законы
суммирования погрешностей; - сокрщает отход металла в стружку по сравнению с
табличными значениями припусков; - создает единую систему определения
припусков на обработку, размеров заготовки и детали по технологическим
переходам; -
способствует повышению технологической культуры производства.
|
-
предполагает использование множества справочных таблиц для выбора данных
|
|
Интегрально-аналитический
|
-
ориентирован на САПР ТП, - не требует использования дополнительных таблиц и
справочников.
|
-
требует использования большого количества формул, в зависимости от параметров
обрабатываемой поверхности; - результаты расчетов являются достаточно
приблизительными; - эмпирические формулы для расчета припусков на обработку
разработаны не для всех этапов и способов обработки заготовок.
|
1.6 Выводы и постановка задачи
исследования
В соответствии с проведенным обзором
литературных источников по вопросу исследования можно сделать следующие выводы:
На сегодняшний день существующие методы расчета
припусков представлены тремя методами: опытно-статистическим,
расчетно-аналитическим и интегрально-аналитическим. Каждый из представленных
методов имеет как свои преимущества, так и свои недостатки. Расчетно-аналитический
метод является наиболее точным, так как учитывает некоторые конкретные условия
обработки, схему базирования заготовки, погрешности предшествующих этапов
обработки. В свою очередь, опытно-статистический метод белее удобен, поскольку
не требует дополнительных расчетов, все значения припусков на обработку
представлены в справочных таблицах. Интегрально-аналитический метод
представляет собой попытку автоматизировать процесс расчета припусков. Но не
совсем удачную, так как результаты расчетов достаточно приблизительные и
требующиеся эмпирические формулы определены не для всех этапов и способов
обработки поверхностей заготовок.
В связи с этим, в условиях широкого
распространения в современном производстве компьютерных технологий возникает
необходимость в разработке метода расчета припусков, который был бы
ориентирован на САПР ТП и не требовал от технолога больших затрат времени и
использования большого количества справочной литературы.
Таким образом, в результате анализа литературы
можно сформулировать цель работы: автоматизация процесса расчета припусков на
механическую обработку заготовок.
Для достижения цели работы, необходимо решить
следующие задачи:
опытно-статистическим и расчетно-аналитическим
методом определить величины припусков на обработку для различных интервалов
размеров деталей цилиндрической формы; методы получения заготовок: литье,
штамповка, ковка;
по полученным данным построить графики
распределения припуска в зависимости от количества стадий обработки детали;
выполнить анализ полученных результатов, выявить
зависимость распределения припусков по этапам обработки определить уравнение
данной зависимости;
определить факторы, влияющие на характер
распределения припусков по этапам обработки;
на основе выявленной зависимости распределения
припуска и влияющих на нее факторов создать компьютерную программу, которая
позволила бы автоматизировать процесс расчета припусков в режиме САПР ТП.
РАЗДЕЛ 2. ОПРЕДЕЛЕНИЕ ПРИПУСКОВ НА
МЕХАНИЧЕСКУЮ ОБРАБОТКУ ЗАГОТОВОК РАСЧЕТНО-АНАЛИТИЧЕСКИМ И ОПЫТНО-СТАТИСТИЧСКИМ
МЕТОДАМИ
.1 Определение припусков на
механическую обработку расчетно-аналитическим методом
Расчету припусков на механическую обработку
предшествуют два определяющих этапа разрботки технологического процесса,
результаты которых непосредственно влияют на расчет припусков и межоперацинных
размеров. Это выбор метода получения заготовки и определение необходимых
операций (переходов), обеспечивающих достижение требуемой точности при
обработке рассматриваемой поверхности.
Проведем рсчет припусков на обработку расчетно-аналитическим
методом для наружной цилиндрической поверхности при обработке за 3 и за 4
перехода. В качестве методов потучения заготовки расмотрим литье, штамповку и
ковку на молотах. При обработке заготовок за три перехода в качестве
необходимых операций примем черновое, получистовое и чистовое точение. При
обработке за 4 перехода - черновое и получистовое точение, предворительное и
чистовое шлифование.
Расчетная формула для наружных циллиндрических
поверхностей:
. (2.1)
Значение составляющей припуска ρ определяется
как векторная сумма пространственных отклонений; для диаметральных размеров
погрешность пространственного отклонения формы и взаимного расположения
поверхностей заготовки:
,(2.2)
где ρсм - результат
смещения половинок штампа по разъему или половинок литейной формы,
ρкор - величина
коробления заготовки, проявляется в виде отклонения оси заготовки, для заготовок
типа валов:
ρкор=∆·l.(2.3)
Для последующих технологических
переходов:
ρi=ki·ρзаг , (2.4)
где ki -
коэффициент уточнения: k1=0,06; k2=0,05; k3=0,04;
k4=0,0.
Погрешность установки eу также
определяется как векторная сумма погрешности базирования eб и погрешности
закрепления eз. Так как
предвидеть направления векторов затруднительно, суммируют по правилу
квадратного корня:
.(2.5)
В случае установки заготовок в самоцентрирующем
трехкулачковом патроне погрешность базирования не
имеет места (eб=0); погрешность закрепления eз возникает в результате
смещения обрабатываемых поверхностей от действия зажимной силы, она зависит от
размеров заготовки и от параметров качества базовой поверхности [17, 19].
Расчет припусков на обработку литой
заготовки
Рассмотрим обработку заготовок из интервалов
рзмеров 18-30 мм и 120-180 мм за три и за четыре этапа обработки. Предположим,
что при обработке за три этапа выполняют токарную чистовую, токарную получистовую
операции и чистовое шлифование. А при обработке за четыре этапа - токарную
чистовую, токарную получистовую операции и получистовое и чистовое шлифование
Значения составляющих элементов припуска Rzi,
hi, ρi,
ei
для заготовок получаемых литьем определяем по
ГОСТ 26645-85 или по справочникам [14, 15, 17,20, 26], полученные значения
заносим в таблицу 2.1.
Таблица 2.1 - Данные для расчета припусков на
обработку заготовок
|
Интервал
размеров
|
Квалитет
готовой детали
|
Операция
|
Элементы
припуска, мкм
|
2Zmin,
мкм
|
|
|
|
Rz
|
h
|
p
|
|
|
|
18-30мм
|
8
|
Литье
|
200
|
300
|
100
|
|
|
|
|
черновая
|
50
|
50
|
6
|
200
|
1600
|
|
|
п/ч
точен.
|
40
|
40
|
5
|
60
|
332
|
|
|
чист.шлиф.
|
30
|
30
|
4
|
35
|
240
|
|
6
|
Литье
|
200
|
300
|
100
|
|
|
|
|
черновая
|
100
|
100
|
6
|
260
|
1720
|
|
|
п/ч
точен.
|
50
|
50
|
5
|
60
|
532
|
|
|
п/ч
шлиф.
|
10
|
20
|
4
|
30
|
270
|
|
|
чист.шлиф.
|
5
|
15
|
2
|
30
|
128
|
Составим аналогичню таблицу исходных данных для
заготовок из интервала рзмеров 120-180 мм.
Таблица 2.2 - Данные для расчета припусков на
обработку заготовок
|
Интервал
размеров
|
Квалитет
готовой детали
|
Операция
|
Элементы
припуска, мкм
|
2Zmin,
мкм
|
|
|
|
Rz
|
h
|
p
|
|
|
|
120-180
мм
|
8
|
Литье
|
200
|
300
|
350
|
|
|
|
|
черновая
|
50
|
50
|
21
|
500
|
2700
|
|
|
п/ч
точен.
|
40
|
40
|
17,5
|
100
|
442
|
|
|
чист.шлиф.
|
30
|
30
|
14
|
50
|
295
|
|
6
|
Литье
|
320
|
380
|
350
|
|
|
|
|
черновая
|
100
|
100
|
21
|
500
|
3100
|
|
|
п/ч
точен.
|
50
|
50
|
17,5
|
100
|
642
|
|
|
п/ч
шлиф.
|
10
|
20
|
14
|
100
|
435
|
|
|
чист.шлиф.
|
5
|
15
|
7
|
50
|
188
|
По полученным результатам построим графики
распределения припусков по этапам обработки. Вдоль оси абсцис через равные
интервалы откладываем номера переходов механической обработки заготовок, вдоль
оси ординат - значения припусков, соответствующие каждому из этих переходов.
Рисунок 2.1 - График распределения припусков при
обработке за 3 перехода для заготовок из интервала размеров 18-30 мм
Рисунок 2.2 - График распределения припусков при
обработке за 3 перехода для заготовок из интервала размеров 120-180 мм
Рисунок 2.3 - График распределения припусков при
обработке за 4 перехода для заготовок из интервала размеров 18-30 мм
Рисунок 2.4 - График распределения припусков при
обработке за 4 перехода для заготовок из интервала размеров 120-180 мм
Графики распределения припусков на обработку для
литых заготовок из остальных интервалов размеров приведены в приложении А.
Данные для определения припусков расчетно-аналитическим методом приведены в
приложении Г в таблице Г.1.
Расчет припусков на обработку
штмпованной заготовки
Рассмотрим заготовки из тех же интервалов
размеров 18-30 мм и
-180 мм, что и для литых заготовок. Значения
составляющих элементов припуска Rzi,
hi, ρi,
ei
для заготовок получаемых штамповкой определяем
по ГОСТ 7505-89 или по справочникам [14, 15, 17,20, 26], полученные значения
заносим в таблицу.
Таблица 2.3 - Данные для расчета припусков для
штампованных заготовок
|
Интервал
размеров
|
Квалитет
поверхности
|
Элементы
припуска, мкм
|
2Zmin,
мкм
|
|
|
|
Rz
|
h
|
p
|
|
|
|
18-30мм
|
8
|
Заготовка
|
160
|
200
|
80
|
|
|
|
|
черновая
|
50
|
50
|
4,8
|
260
|
1400
|
|
|
п/ч
точен.
|
40
|
40
|
4
|
70
|
349,6
|
|
|
чистовая
|
30
|
30
|
3,2
|
35
|
238
|
|
6
|
Заготовка
|
160
|
200
|
80
|
|
|
|
|
черновая
|
50
|
50
|
4,8
|
260
|
1400
|
|
|
п/ч
точен.
|
25
|
25
|
4
|
60
|
329,6
|
|
|
п/ч
шлиф.
|
10
|
20
|
3,2
|
60
|
228
|
|
|
чист.шлиф.
|
5
|
15
|
1,6
|
30
|
126,4
|
Составим таблицу для заготовок из интервала
размеров 120-180 мм.
Таблица 2.4 - Данные для расчета припусков для
штампованных заготовок
|
Интервал
размеров
|
Квалитет
поверхности
|
Операция
|
Элементы
припуска, мкм
|
2Zmin,
мкм
|
|
|
|
Rz
|
h
|
p
|
|
|
|
120-180
мм
|
8
|
Заготовка
|
200
|
300
|
70
|
|
|
|
|
черновая
|
100
|
100
|
4,2
|
500
|
2140
|
|
|
п/ч
точен.
|
40
|
40
|
3,5
|
100
|
608,4
|
|
|
чистовая
|
30
|
30
|
2,8
|
50
|
267
|
|
6
|
Заготовка
|
200
|
300
|
70
|
|
|
|
|
черновая
|
50
|
50
|
4,2
|
500
|
2140
|
|
|
п/ч
точен.
|
30
|
30
|
3,5
|
100
|
408,4
|
|
|
п/ч
шлиф.
|
10
|
20
|
2,8
|
100
|
327
|
|
|
чист.шлиф.
|
5
|
15
|
1,4
|
50
|
165,6
|
По полученным результатам также построим графики
распределения припусков по этапам обработки. Вдоль оси абсцис через равные
интервалы откладываем номера переходом механической обработки заготовок, вдоль
оси ординат - значения припусков, соответствующие каждому из этих переходов.
Рисунок 2.5 - График распределения припусков при
обработке за 3 перехода для заготовок из интервала размеров 18-30 мм
Рисунок 2.6 - График распределения припусков при
обработке за 3 перехода для заготовок из интервала размеров 120-180 мм
Рисунок 2.7 - График распределения припусков при
обработке за 4 перехода для заготовок из интервала размеров 18-30 мм
Рисунок 2.8 - График распределения припусков при
обработке за 4 перехода для заготовок из интервала размеров 120-180 мм
Графики распределения припусков на обработку для
штампованных заготовок из остальных интервалов размеров приведены в приложении
Б. Данные для определения припусков расчетно-аналитическим методом приведены в
приложении Г в таблице Г.2.
Расчет припусков на обработку
кованой заготовки
Значения составляющих элементов припуска Rzi,
hi, ρi,
ei
для заготовок получаемых штамповкой определяем
по ГОСТ 7062-90 или по справочникам [14, 15, 17,20, 26], полученные значения
заносим в таблицу.
Таблица 2.5 - Данные для расчета припусков для
кованых заготовок
|
Интервал
размеров
|
Квалитет
поверхности
|
Операция
|
Элементы
припуска, мкм
|
2Zmin,
мкм
|
|
|
|
Rz
|
h
|
p
|
|
|
|
18-30мм
|
8
|
Заготовка
|
300
|
300
|
200
|
|
|
|
|
черновая
|
100
|
100
|
12
|
320
|
2240
|
|
|
п/ч
|
40
|
40
|
10
|
60
|
544
|
|
|
чистовая
|
30
|
30
|
8
|
35
|
250
|
|
6
|
Заготовка
|
300
|
300
|
200
|
|
|
|
|
черновая
|
100
|
100
|
12
|
320
|
2240
|
|
|
п/ч
|
50
|
50
|
10
|
60
|
544
|
|
|
шлифов
|
10
|
20
|
8
|
35
|
290
|
|
|
шлифов
|
5
|
15
|
4
|
35
|
146
|
Составим таблицу для заготовок из интервала
размеров 120-180 мм.
Таблица 2.6 - Данные для расчета припусков для
кованых заготовок
|
Интервал
размеров
|
Квалитет
поверхности
|
Операция
|
Элементы
припуска, мкм
|
2Zmin,
мкм
|
|
|
|
Rz
|
h
|
p
|
|
|
|
120-180
мм
|
8
|
Заготовка
|
1000
|
350
|
350
|
|
|
|
черновая
|
125
|
120
|
21
|
600
|
3900
|
|
|
п/ч
|
40
|
40
|
17,5
|
140
|
812
|
|
|
чистовая
|
30
|
30
|
14
|
70
|
335
|
|
6
|
Заготовка
|
500
|
500
|
350
|
|
|
|
|
черновая
|
250
|
240
|
21
|
600
|
3900
|
|
|
п/ч
|
125
|
120
|
17,5
|
140
|
1302
|
|
|
шлифов
|
10
|
20
|
14
|
70
|
665
|
|
|
шлифов
|
5
|
15
|
7
|
70
|
228
|
|
|
|
|
|
|
|
|
|
|
|
По полученным результатам построим графики
распределения припусков по этапам обработки.
Рисунок 2.9 - График распределения припусков при
обработке за 3 перехода для заготовок из интервала размеров 18-30 мм
Рисунок 2.10 - График распределения припусков
при обработке за 3 перехода для заготовок из интервала размеров 120-180 мм
Рисунок 2.11 - График распределения припусков
при обработке за 4 перехода для заготовок из интервала размеров 18-30 мм
Рисунок 2.12 - График распределения припусков
при обработке за 4 перехода для заготовок из интервала размеров 120-180 мм
Графики распределения припусков на обработку для
штампованных заготовок из остальных интервалов размеров приведены в приложении
В. Данные для определения припусков расчетно-аналитическим методом приведены в
приложении Г в таблице Г.3.
2.2 Определение припусков на
механическую обработку опытно-статистический методом
Определим припуски на обработку по
опытно-статистическому методу, согласно данному методу по таблицам определяется
общий припуск, который потом распределяется по переходам. Существуют следующие рекомендации распределения припуска
на механическую обработку:
- 70% суммарного
припуска отводится на черновую обработку;
30% - на чистовую.
Если же маршрут
механической обработки состоит из черновой, получистовой и чистовой обработки,
то:
60% припуска
отводится на черновую обработку;
30% - на
получистовую;
10% - на чистовую.
Определение
припусков для литых заготовок
По ГОСТ 26645-85 определяем общие припуски на
обработку литых заготовок и распределяем их по переходам. Результаты приведены
в таблице.
Таблица 2.7 - Значения припусков, определенные
по ГОСТ 26645-85
|
Интервал
размеров
|
Величины
припусков по переходам
|
Интервал
размеров
|
Величины
припусков по переходам
|
|
IT8
|
IT6
|
|
IT8
|
IT6
|
|
18-30
мм
|
2640
|
2880
|
120-180
мм
|
2880
|
3120
|
|
1320
|
1200
|
|
1440
|
1300
|
|
440
|
480
|
|
480
|
520
|
|
|
240
|
|
|
260
|
По этим данным также строим графики
распределения припусков на обработку.
Рисунок 2.13 - График распределения припусков
при обработке за 3 перехода для заготовок из интервала размеров 18-30 мм
Рисунок 2.14 - График распределения припусков
при обработке за 3 перехода для заготовок из интервала размеров 120-180 мм
Рисунок 2.15 - График распределения припусков
при обработке за 4 перехода для заготовок из интервала размеров 18-30 мм
Рисунок 2.16 - График распределения припусков
при обработке за 4 перехода для заготовок из интервала размеров 120-180 мм
Графики распределения припусков по этапам
обработки для остальных интервалов размеров приведены в приложении А. Результаты
расчетов припусков на обработку опытно-статистическим методом дл литых
заготовок приведены в приложении Г в таблице Г.4.
Определение припусков для
штампованных заготовок
По ГОСТ 7505-89 определяем общие припуски на
обработку штампованных заготовок и распределяем их по переходам. Результаты
приведены в таблице.
Таблица 2.8 - Значения припусков, определенные
по ГОСТ 7505-89
|
Интервал
размеров
|
Величины
припусков по переходам
|
Интервал
размеров
|
Величины
припусков по переходам
|
|
IT8
|
IT6
|
|
IT8
|
IT6
|
|
18-30
мм
|
996
|
1116
|
120-180
мм
|
2304
|
2616
|
|
498
|
465
|
|
1152
|
1090
|
|
166
|
186
|
|
384
|
436
|
|
|
93
|
|
|
218
|
По этим данным также строим графики
распределения припусков на обработку.
Рисунок 2.17 - График распределения припусков
при обработке за 3 перехода для заготовок из интервала размеров 18-30 мм
Рисунок 2.18 - График распределения припусков
при обработке за 3 перехода для заготовок из интервала размеров 120-180 мм

Рисунок 2.20 - График распределения припусков
при обработке за 4 перехода для заготовок из интервала размеров 120-180 мм
Графики распределения припусков по этапам
обработки для остальных интервалов размеров приведены в приложении Б.
Результаты расчетов припусков на обработку опытно-статистическим методом дл
штампованных заготовок приведены в приложении Г в таблице Г.5.
Определение припусков для
штампованных заготовок
По ГОСТ 7062-90 определяем общие припуски на
обработку кованных заготовок и распределяем их по переходам. Результаты
приведены в таблице.
Таблица 2.9 - Значения припусков, определенные
по ГОСТ 7062-90
|
Интервал
размеров
|
Величины
припусков по переходам
|
Интервал
размеров
|
Величины
припусков по переходам
|
|
IT8
|
IT6
|
|
IT8
|
IT6
|
|
18-30
мм
|
3000
|
3600
|
120-180
мм
|
5400
|
6000
|
|
1500
|
1500
|
|
2700
|
2500
|
|
500
|
600
|
|
900
|
1000
|
|
|
300
|
|
|
500
|
По этим данным также строим графики
распределения припусков на обработку.
Рисунок 2.21 - График распределения припусков
при обработке за 3 перехода для заготовок из интервала размеров 18-30 мм
Рисунок 2.22 - График распределения припусков
при обработке за 3 перехода для заготовок из интервала размеров 120-180 мм
Рисунок 2.23 - График распределения припусков
при обработке за 4 перехода для заготовок из интервала размеров 18-30 мм
Рисунок 2.24 - График распределения припусков
при обработке за 4 перехода для заготовок из интервала размеров 120-180 мм
Графики распределения припусков по этапам
обработки для остальных интервалов размеров приведены в приложении А.
Результаты расчетов припусков на обработку опытно-статистическим методом дл
литых заготовок приведены в приложении Г в таблице Г.6.
Сравнив все построенные графики распределения
припусков на обработку по стадиям обработки, видим что они похожи между собой.
Несмотря на то, что они имеют определенные различия в зависимости от способа
получения заготовки и ее размеров, эти различия незначительны и вызваны
погрешностями расчетов и довольно обобщенными значениями составляющих элементов
припуска. Графики, построенные по значениям припусков из ГОСТов более плавные,
чем графики построенные по расчетным значениям. Это связано с тем, что
распределение припусков по операциям приблизительное, в процентах от общего
припуска. С увеличение интервала размеров заготовок увеличивается кривизна
графика распределения припусков.
В связи с этим можно сделать вывод, что величина
припуска на механическую обработку распределяется по экспонентной зависимости,
и данная зависимость имеет место для всех интервалов размеров заготовок,
независимо от способов получения заготовки и методов ее обработки.
2.3 Определение зависимости
распределения припуска по этапам обработки
В результате выполненных ранее расчетов были
определены значения припусков на механическую обработку заготовок и построены
графики зависимости величины припуска от этапа обработки заготовки. Сравнив все
построенные графики распределения припусков на обработку по стадиям обработки,
видим, что они похожи между собой. Несмотря на то, что они имеют определенные различия
в зависимости от способа получения заготовки и ее размеров, эти различия
незначительны и вызваны погрешностями расчетов и довольно обобщенными
значениями составляющих элементов припуска.
Рассмотрим полученные зависимости более подробно
и определим в какой зависимости от этапа обработки находится припуск. В
качестве примера на рисунках 2.25 - 2.27 приведены графики распределения
припусков для заготовок из интервала размеров 50-80 мм, полученных тремя
разными способами.
Рисунок 2.25 - График распределения припусков по
этапам обработки для штампованных заготовок
Рисунок 2.26 - График распределения припусков по
этапам обработки для литых заготовок
Рисунок 2.27 - График распределения припусков по
этапам обработки для кованых заготовок
По виду данных экспериментальных кривых можно
сделать вывод, что величина припуска на механическую обработку заготовок
находиться в экспонентной зависимости от этапа обработки. Ориентировочно данную
зависимость можно описать с помощью уравнения экспоненты:
у=еСХ.(2.6)
Коэффициент с учитывает то, что
рассматриваемая нами зависимость является убывающей, а не возрастающей, в
отличии от стандартной экспонентной зависимости у=еХ. Для
удобства дальнейших расчетов значение еС можно заменить
коэффициентом b. Тогда рассматриваемое нами уравнение примет вид
у=bХ.(2.7)
Проанализировав приведенные на рисунках 2.28 -
2.33 графики распределения припусков для штампованных заготовок разных
размеров, видим, что с увеличением интервала размеров обрабатываемой заготовки
значения припусков увеличиваются, это также необходимо учесть в формуле
распределения. Поэтому введем коэффициент а, который будет учитывать
интервал размеров.
Рисунок 2.28 - График распределения припусков по
этапам обработки для штампованных заготовок из интервала 3-6мм
Рисунок 2.29 - График распределения припусков по
этапам обработки для штампованных заготовок из интервала 6-10мм
Рисунок 2.30 - График распределения припусков по
этапам обработки для штампованных заготовок из интервала 10-18мм
Рисунок 2.31 - График распределения припусков по
этапам обработки для штампованных заготовок из интервала 50-80мм
Рисунок 2.32 - График распределения припусков по
этапам обработки для штампованных заготовок из интервала 180-250мм
Рисунок 2.33 - График распределения припусков по
этапам обработки для штампованных заготовок из интервала 400-500мм
Для заготовок, получаемых способами литья и
ковки значения припусков также увеличиваются с увеличением размеров заготовок.
С учетом всех изменений формула распределения
величины припуска в зависимости от этапа обработки будет выглядеть так:
у=a·bX .
(2.8)
Значение у в данной формуле соответствует
значению припуска на текущем этапе обработки, а значение х учитывает квалитет
точности на данном этапе обработки. Остальные параметры приведенной формулы
можно определить с помощью метода наименьших квадратов.
.4 Выводы
припуск заготовка деталь машина
1 Значения припусков, полученные
расчетно-аналитическим методом и опытно-статистическим (табличным), показывают,
что табличный метод менее точный, значения припусков завышены он является
экономически менее эффективным.
2 В ходе выполнения работы были построены
графики распределения припусков на обработку в зависимости от стадии обработки
для различных методов получения заготовок. Анализ данных графиков показал, что
припуски на обработку распределяются по экспонентной зависимости, не зависимо
от размеров заготовки и от способа ее получения. Определены факторы, которые
влияют на характер этого распределения, а именно интервал размеров заготовки и
количество этапов обработки. Определено уравнение, описывающее данную
зависимость, имеет вид у=a·bX. Значение у в данной
формуле соответствует значению припуска на текущем этапе обработки, а значение
х учитывает квалитет точности на данном этапе обработки. Остальные параметры
приведенной формулы можно определить с помощью метода наименьших квадратов.
РАЗДЕЛ 3. МЕТОДИКА ПРОВЕДЕНИЯ
ЭКСПЕРИМЕНТАЛЬНЫХ ИССЛЕДОВАНИЙ И ОБРАБОТКИ ПОЛУЧЕННЫХ ДАННЫХ
.1 Метод наименьших квадратов
При выполнении научно-исследовательских работ на
этапе экспериментальных исследований используются различные методы обработки
результатов экспериментов. В частности, при обработке результатов измерений и
наблюдений широко применяют методы графического изображения. Последние, в
отличие от табличной формы представления результатов, дают наиболее наглядное
представление о результатах экспериментов, позволяют лучше понять физическую
сущность исследуемого процесса, выявить общий характер функциональной
зависимости изучаемых переменных величин, установить наличие максимума и
минимума функции.
При решении большого количества разнообразных
технологических задач, установлении зависимостей, в процессе экспериментальных
исследований получают статистические ряды измерений двух (или нескольких)
значений, объединяемых функцией y=f(x).
Каждому значению функции y1, y2,…,
yn соответствует определенное значение аргумента х1, х2,…,
хn. На основе экспериментальных данных можно подобрать алгебраические
выражения, которые называют эмпирическими формулами. Такие формулы подбирают
только в пределах измеренных значений аргумента х1 - хn.
Эмпирические формулы имеют тем большую ценность, чем больше они соответствуют
результатам эксперимента, и они незаменимы для анализа измеренных величин.
К эмпирическим формулам предъявляют два основных
требования: по возможности они должны быть наиболее простыми и точно
соответствовать экспериментальным данным.
Процесс подбора эмпирических формул состоит из
двух этапов. Вначале данные измерений наносят на сетку координат, соединяют
экспериментальные точки плавной кривой и выбирают ориентировочно вид формулы.
На втором этапе вычисляют параметры формул, которые наилучшим образом
соответствовали бы принятой формуле.
Одним из наиболее распространенных методов
определения параметров эмпирических формул является метод наименьших квадратов,
дающий наилучшие по точности результаты.
Пусть по экспериментальным данным построена
эмпирическая кривая, по виду которой подобрана теоретическая кривая с известным
уравнением. Например, переменные x, y и z связаны между собой уравнением вида
ax+by+cz=N.
(3.1)
Это уравнение принимается в качестве
эмпирической формулы, для которой мы и определяем ее параметры - неизвестные
значения коэффициентов.
Для определения значения коэффициентов a, b и c
необходимо найти опытным путем значения их величин при трех различных
комбинациях переменных:
(3.2)
Решив систему трех уравнений, можно
найти искомые коэффициенты. Однако, если переменным придать некоторые
четвертные значения x4, y4 и z4 и определить
опытным путем N4, то окажется, что равенство (3.1) при
коэффициентах, вычисленных по (3.2), будет не выполнено:
ax4+by4+cz4≠N4.
Объясняется это тем, что
коэффициенты определены из уравнений (3.2) по опытным данным, имеющим некоторую
ошибку экспериментов (ошибки опытов и измерений и т.д.). поэтому значения
неизвестных a, b и c следует находить не из трех уравнений, а значительно
большего числа опытов, что бы получать более надежные значения этих
коэффициентов:
(3.3)
Таким образом, получаем “избыточную” систему
уравнений, которые называют “условными”, так как они не вполне совместимы. То
есть значения неизвестных, определенные, например из первых трех уравнений, не
будут равны значениям этих же неизвестных, определенных из других трех
уравнений этой системы. Нужно определить, каковы должны быть значения
коэффициентов a, b и c, чтобы избыточная система уравнений
удовлетворялась наилучшим образом, т.е. ошибки Ei=N - Ni,
где N - расчетные, а Ni - опытные данные, или
(3.4)
должны быть наименьшими.
Для решения этой задачи пользуются
принципом, предложенным Лежандром и развитым Лапласом и Гауссом. Согласно ему
из возможных величин a, b и c наиболее удовлетворительными
будут те, при которых сумма квадратов ошибок будет наименьшая:
.
Возведение в квадрат уравнений
системы (3.4) и их сложение дает:
(3.5)
Для наблюдения условия
необходимо,
чтобы сумма частных производных по a, b и c уравнения
(3.6) обращалась в ноль, а следовательно, и каждая из этих частных производных
должна обратится в ноль:
;
Дифференцируя уравнение (3.6)
последовательно по a, b и c получим:
(3.7)
Эти уравнения являются
“нормальными”. Решая их относительно a, b и c, получим наилучшие
значения коэффициентов, удовлетворяющих принципу наименьших квадратов [23].
3.2 Определение коэффициентов
уравнения с помощью метода наименьших квадратов
Необходимо установить зависимость между
квалитетом точности детали и величиной припуска на механическую обработку. Для
этого с помощью расчетно-аналитического метода ранее в работе были рассчитаны
величины припусков в зависимости от стадии обработки для деталей разных
интервалов размеров. Рассмотрим заготовку из интервала размеров 50-80мм,
полученную методом штамповки. Результаты расчета величин припусков на обработку
приведены в таблице 3.1.
Таблица 3.1 - Значения припусков на обработку
штампованной заготовки
|
Наименование
операции
|
Величина
припуска, мм
|
|
Токарная
черновая
|
2,581
|
|
Токарная
получистовая
|
0,781
|
|
Предварительное
шлифование
|
0,413
|
|
Чистовое
шлифование
|
0,146
|
Предположим, что точность обработки на токарной
чистовой операции соответствует 12 квалитету точности, токарной получистовой -
10 квалитету, точность предварительного шлифования -8 квалитет, чистового - 6 квалитет,
а точность заготовки, получаемой способом штамповки - 16 квалитет. На рисунке
3.1 графически показана связь между величиной припуска и квалитетом заготовки.
Рисунок 3.1 - График распределения
величины припуска в зависимости от квалитета точности заготовки (1 -
практическая кривая, 2- теоретическая кривая )
По виду данной эмпирической кривой
необходимо подобрать плавную теоретическую кривую, уравнение которой известно.
По характеру расположения точек на вышеприведенном графике можно предположить,
что эмпирическая зависимость выражается экспонентной кривой 2, как показано на
рисунке 3.1. Таким образом уравнение теоретической кривой может иметь вид:
у=a·bX .(3.8)
В данном уравнении x соответствует
текущему значению координаты квалитета точности контура заготовки. Определим
значения этих координат. Пускай интервал изменения координат квалитетов
точности от 0 до 10, т. е. 0≤ х ≤10, что соответствует
IT18 - IT5. Предположим, что данные квалитеты расположены на вещественной части
оси х на отрезке от 0 до 10. Определим значения координат разделив отрезок на
14 равных частей, по количеству квалитетов. Значения координат квалитетов
приведены в таблице 3.2.
Таблица 3.2 - Значения координат
квалитетов точности
|
IT
|
18
|
17
|
16
|
15
|
14
|
13
|
12
|
11
|
10
|
9
|
8
|
7
|
6
|
5
|
|
х
|
х1
|
х2
|
х3
|
х4
|
х5
|
х6
|
х7
|
х8
|
х9
|
х10
|
х11
|
х12
|
х13
|
х14
|
|
0,714
|
1,43
|
2,14
|
2,86
|
3,57
|
4,28
|
5
|
5,71
|
6,43
|
7,14
|
7,85
|
8,57
|
9,28
|
10
|
Используя вид эмпирической формулы, определим ее
параметры по способу наименьших квадратов, как это было изложено выше.
Так как предложенная формула является
показательной, т.е. переменная находится в показателе степени, то для удобства
использования метода наименьших квадратов необходимо сначала прологарифмировать
данное выражение.
у=a·bX ,=ln(a·bX),=ln+xlnb.
Выполним замену: lny=φ,
lna=c, lnb=d. Тогда рассматриваемое уравнение
будет иметь вид:
φ = c+ dх
.
(3.9)
Согласно методу наименьших квадратов
, где
(3.10)
После возведения уравнений (3.10) в
квадрат и их суммирования получим:
. (3.11)
Теперь возьмем сумму частных производных
по с и d уравнения (3.11), которая должна обращаться в нуль:

В итоге получим систему нормальных
уравнений:
(3.12)
В целях удобства расчетов представим
таблицу исходных данных, которую дополним ещё тремя расчетными столбцами: х2, φ, φх.
Таблица 3.3 - Исходные данные для
расчета
|
у
|
х
|
х2
|
φ=lnу
|
φх
|
|
2,581
|
2,14
|
4,58
|
0,948
|
2,029
|
|
0,781
|
5
|
25
|
-0,247
|
-1,23
|
|
0,4126
|
6,43
|
41,34
|
-0,885
|
-5,69
|
|
0,1456
|
7,85
|
61,62
|
-1,93
|
-15,12
|
|
Сумма
|
21,42
|
132,55
|
-2,11
|
-20,02
|
Подставив значения Σх,
Σх2,
Σφ, Σφх
в уравнение (3.12), получим:
(3.13)
Решая систему (3.13) методом
последовательного исключения неизвестных, определим: c= 2,089, d=-0,489.
Для того, что бы вернуться к
показательной функции найдем значения a и b:
,
.
Таким образом, искомое уравнение
теоретической кривой имеет вид:
у=8,08·0,61х . (3.14)
Подставив в уравнение (3.14)
значения координат х квалитетов точности заготовки, получим значения у, по
которым и построим кривую 2 на графике. Теоретическая кривая ясно показывает,
что, несмотря на отдельные отклонения в ходе эмпирической линии регрессии,
четко вырисовывается экспонентная зависимость величины припуска на механическую
обработку от квалитета точности заготовки. Отклонения отдельных эмпирических
точек от этого закона является отражением влияния на величину припуска многих
других неучтенных факторов.
Аналогично приведенному выше примеру
расчета коэффициентов a и b для интервала размеров 50-80мм определим
коэффициенты, которые соответствуют остальным 12 интервалам размеров заготовок.
Значения коэффициентов приведены в таблице 3.4.
Таблица 3.4 - Значения коэффициентов
a и b для заготовок, получаемых методом штамповки
|
Интервал
|
1-3мм
|
3-6мм
|
6-10мм
|
10-18мм
|
18-30мм
|
30-50мм
|
50-80мм
|
|
a
|
4,53
|
4,75
|
4,90
|
5,56
|
6,45
|
7,22
|
8,08
|
|
b
|
0,636
|
0,633
|
0,632
|
0,626
|
0,621
|
0,621
|
0,613
|
|
Интервал
|
80-120мм
|
120-180мм
|
180-250мм
|
250-315мм
|
315-400мм
|
400-500мм
|
|
|
a
|
8,66
|
9,61
|
10,79
|
11,04
|
11,40
|
12,52
|
|
|
b
|
0,614
|
0,611
|
0,602
|
0,607
|
0,605
|
0,603
|
|
Значения коэффициентов a и b, соответствующих
литым заготовкам им поковкам, также рассчитываются с помощью метода наименьших
квадратов. Но, в отличии от штампованных заготовок, принимаем, что точность
литой заготовки соответствует 17 квалитету точности, точность обработки на
токарной черновой операции - 13, на токарной получистовой - 11, точность
предварительного шлифования - 9, чистового -6. Точность заготовки поковки - 18
квалитет, точность обработки на токарной черновой операции - 15, на токарной
получистовой - 12, точность предварительного шлифования - 9, чистового - 6.
Результаты расчетов коэффициентов уравнения для литых и кованых заготовок
приведены в таблицах 3.5 и 3.6 соответственно.
Таблица 3.5 - Значения коэффициентов a и b для
заготовок, получаемых методом литья
|
Интервал
|
1-3мм
|
3-6мм
|
6-10мм
|
10-18мм
|
18-30мм
|
30-50мм
|
50-80мм
|
|
a
|
6,04
|
6,09
|
6,14
|
6,44
|
6,56
|
9,06
|
9,66
|
|
b
|
0,592
|
0,5922
|
0,592
|
0,595
|
0,596
|
0,583
|
0,584
|
|
Интервал
|
80-120мм
|
120-180мм
|
180-250мм
|
250-315мм
|
315-400мм
|
400-500мм
|
|
a
|
10,01
|
10,61
|
11,36
|
11,62
|
11,87
|
12,73
|
|
b
|
0,586
|
0,587
|
0,591
|
0,596
|
0,595
|
0,597
|
Таблица 3.6 - Значения коэффициентов a и b для
заготовок, получаемых методом ковки
|
Интервал
|
1-3мм
|
3-6мм
|
6-10мм
|
10-18мм
|
18-30мм
|
30-50мм
|
50-80мм
|
|
a
|
3,43
|
3,43
|
3,55
|
3,70
|
4,04
|
7,70
|
8,63
|
|
b
|
0,622
|
0,622
|
0,6256
|
0,6286
|
0,63
|
0,595
|
0,599
|
|
Интервал
|
80-120мм
|
120-180мм
|
180-250мм
|
250-315мм
|
315-400мм
|
400-500мм
|
8,78
|
9,232
|
9,979
|
10,82
|
10,96
|
11,57
|
|
b
|
0,603
|
0,605
|
0,604
|
0,6
|
0,608
|
0,603
|
|
|
|
|
|
|
|
|
|
|
|
|
|
3.3 Разработка компьютерной
программы для автоматизации расчета припусков
В ходе проведения теоретических исследований
была определена зависимость распределения припусков на механическую обработку в
зависимости от этапа обработки заготовки, определены числовые значения
коэффициентов, влияющих на данную зависимость. На основе этих данных может быть
создана программа, которая позволит автоматизировать процесс определения
припусков на обработку.
Так как известно, что припуски на этапах
обработки распределяются по экспонентной зависимости и известна показательная
функция этой зависимости Zобщ=a·bX , то для
определения значений припусков по вышеуказанной зависимости необходимо
определить коэффициенты a и b и построить кривую распределения.
Далее на этой кривой в зависимости от точности
исходной заготовки и готовой детали устанавливаются точки О и ОN
соответственно. После этого необходимо установить количество этапов обработки и
определить цену деления с по оси абсцисс, то есть разбить отрезок оси х
между точками О и ОN на равные части, количество которых
соответствует количеству этапов обработки заготовки.
Значения коэффициентов a и b
определяются в зависимости от размеров заготовки и способа ее получения.
Числовые значения этих коэффициентов приведены для штампованных заготовок в
таблице 3.4, для литых заготовок в таблице 3.5, для кованных заготовок в
таблице 3.6.
Рисунок 3.2 - Схема распределения припусков
Например, рассмотрим обработку заготовки за 4
этапа. Предположим, что точность заготовки соответствует 16 квалитету, а
точность готовой детали - 6. На графике распределения припусков это показано
точками О и ОN соответственно. Так как обработка происходит за 4
этапа, то отрезок оси абсцисс между точками О и ОN разбивается на 4
равных участка, как показано на рисунке 3.2. Разница значений по оси ординат
между полученными точками будет соответствовать значениям припусков zi
на отдельные переходы.
Каждому квалитету точности соответствует своя
координата по оси х. Интервал изменения координаты квалитета точности 0≤х≤10,
что соответствует квалитетам IT18-IT5. Предположим, что данные квалитеты
расположены на вещественной части оси х на отрезке от 0 до 10. Определим
значения координат разделив отрезок на 14 равных частей, по количеству
квалитетов. Числовые значения координат квалитетов точности, которые используются
при расчетах, приведены в таблице 3.7
Таблица 3.7 - Значения координат квалитетов
точности
|
IT
|
18
|
17
|
16
|
15
|
14
|
13
|
12
|
|
х
|
х1
|
х2
|
х3
|
х4
|
х5
|
х6
|
х7
|
|
0,714
|
1,43
|
2,14
|
2,86
|
3,57
|
4,28
|
5
|
|
IT
|
11
|
10
|
9
|
8
|
7
|
6
|
5
|
|
х
|
х8
|
х9
|
х10
|
х11
|
х12
|
х13
|
х14
|
|
5,71
|
6,43
|
7,14
|
7,85
|
8,57
|
9,28
|
10
|
Используя описанный выше алгоритм расчета
значений припусков с помощью показательной функции можно создать программу,
которая будет автоматически определять значения припусков на механическую
обработку заготовок.
Необходимые для расчета исходные данные - это
тип заготовки, ее размер, квалитет точности заготовки и готовой детали и число
этапов обработки заготовки. Все эти данные должны быть известны пользователю
программы до начала расчета, и вводятся им самостоятельно. Все остальные
действия и расчеты, а именно определение координат квалитетов точности
заготовки и детали, построение графика распределения припусков, определение
цены деления с по оси абсцисс и вычисление значений припусков по этапам
производится автоматически с помощью программы.
Программа разработана с помощью языка
программирования Pascal. Алгоритм создания программы приведен в виде блок схемы
на рисунке 3.2.
Рисунок 3.3 - Блок-схема программы расчета
припуска на обработку
Алгоритм работы программы:
Пользователь выбирает тип заготовки из
предложенных вариантов (1 - штамповка, 2 -отливка, 3 - поковка) и вводит
выбранный вариант; программа считывает это значение и выводит на экран
результат.
Пользователь вводит диаметр детали, после
нажатия клавиши «Ввод» программа считывает это значение и определяет
принадлежность этого значения к одному из интервалов размеров заготовки. На
рисунке 3.2 приведен фрагмент интерфейса программы.
Рисунок 3.4 - Ввод начальных данных для расчета
припуска
К выбранному интервалу размеров заготовки
ставиться в соответствие значения коэффициентов а и b.
Пользователь вводит квалитет заготовки до начала
обработки и квалитет готовой детали, в соответствии с этим программа выводит
соответствующие координаты этих квалитетов Х.
Рисунок 3.5 - Выбор квалитета точности заготовки
и детали
Пользователь вводит количество этапов обработки
заготовки. Программа считывает это значение.
Определенный ранее диапазон значений координат Х
(аргументов показательной функции) разбивается на равные отрезки, количество
которых зависит от количества этапов обработки.
На рисунке 3.4 в первой колонке приведены
координаты узлов графика по оси абсцисс, во второй колонке - координаты по оси
ординат.
Рисунок 3.6 - Координаты узлов графика
распределения припуска
Происходит табуляция функции y=a·bx,
по которой и происходит расчет значений припусков на обработку.
Строится график функции y=a·bx
и дискретные точки (узлы), которые соответствуют граничным точкам каждого из
этапов обработки. Координаты этих точек приведены в таблице, которая показана
на рисунке 3.4.
На рисунке 3.5 показан пример графика
распределения припуска на обработку заготовки за 3 этапа.
Рисунок 3.7 - График распределения припуска
- Определяется разница значений по оси ординат
между всеми дискретными точками графика, то есть значения припусков на каждый
из этапов обработки.
В рассмотренном примере значению припуска z1
на первый этап обработки будет соответствовать разница ординат первой и второй
точек, на второй этап обработки z2 - разница ординат второй и
третьей точек, на третий z3 - третьей и четвертой точек.
Значение общего припуска на обработку zобщ - разница ординат
первой и четвертой точек на графике распределения припуска.
Строится матрица разностей ординат между узлами
(значений припусков).
Рисунок 3.8 - Матрица разностей
ординат между узлами графика
Сравним значения припусков на
механическую обработку полученные с помощью разработанной программы и с помощью
расчетно-аналитического метода определения припусков. Для этого рассмотрим в
качестве примера обработку кованой, штампованной и литой заготовок из интервала
размеров 50-80мм за 4 этапа.
Определим погрешность значений
координаты у в узлах графиков, числовые значения которой приведены в таблице
3.8.
Рисунок 3.9 -Сравнение теоретических
и экспериментальных графиков распределения припусков для поковки
Таблица 3.8 - Значения координаты у
в узлах графиков
|
Расчетно-аналитический
метод
|
Припуски,
определенные с помощью программы
|
|
1
|
5,33
|
5,059
|
|
2
|
2,09
|
2,162
|
|
3
|
0,886
|
0,928
|
|
4
|
0,176
|
0,192
|
Определим погрешность в каждой точке по формуле:
(3.15)
Выполним аналогичные расчеты для
штампованной заготовки. Значения координаты у в узлах графика приведены в
таблице 3.9.
Рисунок 3.10 -Сравнение теоретических
и экспериментальных графиков распределения припусков для штамповки
Таблица 3.9 - Значения координаты у
в узлах графиков
|
Расчетно-аналитический
метод
|
Припуски,
определенные с помощью программы
|
|
1
|
2,581
|
2,355
|
|
2
|
0,781
|
0,934
|
|
3
|
0,413
|
0,368
|
|
4
|
0,146
|
0,145
|
Согласно формуле (3.15) погрешность значений
координаты у:
Выполним аналогичные расчеты для
литой заготовки. Значения координаты у в узлах графика приведены в таблице
3.10.
Рисунок 3.11 -Сравнение
теоретических и экспериментальных графиков распределения припусков для отливки
Таблица 3.10 - Значения координаты у
в узлах графиков
|
Расчетно-аналитический
метод
|
Определение
припусков с помощью программы
|
|
1
|
3,45
|
3,072
|
|
2
|
1,09
|
1,269
|
|
3
|
0,518
|
0,527
|
|
4
|
0,148
|
0,14
|
Согласно формуле (3.15) погрешность значений
координаты у:
Как видим, погрешности в узлах
теоретического и экспериментального графиков не превышают 10-15%. Расхождения
между экспериментальными и теоретическими графиками распределения припусков для
остальных интервалов размеров также не превышает 15%. В связи с этим, можем
сделать вывод, что значения припусков, определенные с помощью показательной
функции y=a·bx вполне справедливы, так как попадают в
доверительный интервал.
3.4 Выводы
1 С помощью метода наименьших
квадратов определены значения коэффициентов уравнения a и b,
влияющих на характер распределения припуска, для каждого из интервалов размеров
заготовок, для методов получения заготовок штамповкой, литьем и ковкой. По
полученным значениям коэффициентов можно построить график распределения
припусков для любой заготовки из каждого интервала размеров и по данному
графику определить необходимую величину припуска на механическую обработку.
Разработана программа для
определения значений припусков на механическую обработку в зависимости от
количества этапов обработки. В качестве исходных данных для такого расчета
требуются только тип и размер заготовки, квалитет точности до начала обработки
и после ее завершения, количество этапов, за которое производится обработка.
Такой способ определения припусков на обработку ориентирован на САПР ТП, лишает
необходимости использования большого количества справочников и таблиц, также не
требует никаких расчетов.
Такой способ определения припусков
может быть использовании, например, в единичном производстве, когда возникает
необходимость быстро определить припуски на обработку заготовки, зная только ее
размеры и параметры точности до и после обработки.
РАЗДЕЛ 4. ОХРАНА ТРУДА И БЕЗОПСНОСТЬ
В ЧЕРЕЗВЫЧАЙНЫХ СИТУАЦИЯХ
.1 Характеристика помещения
В соответствии с темой дипломной работы в
качестве объекта исследования в разделе “Охрана труда” взята аудитория кафедры
«Технология машиностроения, металлорежущих станков и режущих инструментов»
технологического корпуса сумского государственного университета, которая
использовалась для выполнения дипломной работы..
Помещение находится на втором этаже здания.
Общая площадь помещения составляет 30 м2, высота - 2,5 м, в помещении
два окна. Количество работающих - 5 человек. Значит, на одного работающего в
помещении приходится 30/5 = 6 (м2/чел.) рабочей площади. В
соответствии с [29] на каждого работающего в помещении должно приходиться не
менее 4 (м2/чел.) рабочей площади. Высота помещения - не менее 2,5
м. Значит, нормативы размеров и обеспечение работающих рабочей площадью в
аудитории соблюдены.
В помещении расположен 1 компьютер. Напряжение
источника питания компьютера в помещении - 220 В. В помещении расположено 7
письменных столов, один шкаф для хранения документов.
По опасности поражения электрическим током
аудитория принадлежит к помещениям без повышенной опасности поражения
электрическим током работающих.
План помещения приведен на рисунке 4.1.
Рисунок 4.1 - План помещения
На рисунке 4.1 обозначено: 1 - письменный
стол; 2 - компьютер; 3 - шкаф для хранения документов; 4 - окно; 5
- дверной проем.
4.2 Анализ состояния охраны труда
Проанализируем основные опасные факторы
помещения. Согласно [27], для офисных помещений такими факторами являются:
опасность поражения электрическим током. В
данном помещении используется стандартная электрическая сеть с напряжением 220
В, поэтому такая опасность существует. Для ее предотвращения используют
заземление приборов; все розетки прикрыты крышками для предотвращения контакта
с электросетью. Вся электропроводка надежно изолирована. Поэтому опасность
данного фактора сведена к минимуму.
опасность получения термических ожогов. Работа в
помещении не предусматривает работу с повышенными температурами, поэтому
опасность получения термических ожогов отсутствует.
опасность возникновения пожара. В данном
помещении используется много электроприборов, которые могут при поломке стать
источником возгорания. Кроме того, всегда есть вероятность короткого замыкания
электропроводки. Для устранения этих опасностей используют зануление
электросети. Все приборы проходят периодический и плановый технические осмотры
и эксплуатируются по всем правилам, предписанным техническими паспортами.
опасность падения с высоты при расположении
помещения относительно земли на значительной высоте. Данный опасный фактор
отсутствует, так как помещение не имеет балконов, и других открытых участков.
повышенный уровень шума. Данный опасный фактор
отсутствует, так как все использующиеся приборы не создают повышенного уровня
шума. В целом, уровень шума в рабочей обстановке в помещении минимальный, что
создает благоприятные условия труда.
отклонение санитарно-гигиенических условий от
нормативных условий. Для анализа данного фактора проведем следующие
исследования:
а) достаточность природного освещения;
б) достаточность искусственного освещения;
в) достаточность вентиляции;
г) при наличии - источника повышенного уровня
шума, избыточного тепла, электромагнитного и ионизирующего излучения. Указанные
источники отсутствуют, поэтому расчеты по этому пункту не проводятся.
Исследование достаточности
естественного освещения
Для анализа достаточности естественного
освещения приведем схему помещения для расчета (рисунок 4.2).

а) б)
Рисунок 4.2 - Схема расчета естественного
освещения (а- вид спереди, б - вид сверху)
Рассчитаем естественное освещение в расчетной
точке О (рисунок 4.2), расположенной на расстоянии 4 м от окна
(расчетная точка выбирается на рабочем месте, наиболее удаленном от окна).
Нормированное значение коэффициента
естественного освещения (КЕО) для четвертого светового пояса, в котором
расположена Украина (
),
определяется в процентах по формуле:
,
(4.1)
где
- нормированное значение КЕО для III
светового пояса (
= 1,5 % согласно [30]);
m- коэффициент светового
климата (для Украины m = 0,9);
c
- коэффициент солнечности (для
географической широты города Сумы c = 1).
Тогда:
Для определения достаточности
естественного освещения необходимо рассчитать фактическое значение КЕО по
формуле:
, (4.2)
где
- площадь всех окон в помещении, м2;
- площадь пола помещения, м2;
- общий коэффициент
светопроницаемости оконного проема, принимаем 
= 0,4;
- коэффициент, учитывающий
отражение света от внутренних поверхностей помещения;

- световые характеристики окна;

- коэффициент запаса (
= 1,4);

- коэффициент, учитывающий
затемнение окон другими домами (дома отсутствуют, поэтому 
= 1).
.
Для расчета коэффициента 
необходимо рассчитать следующие
параметры:
отношение глубины помещения к высоте
от уровня условной рабочей поверхности до верха окна: 5/1,4 = 3,6;
отношение расстояния к расчетной
точке от внешней стены к глубине помещения: 4/5 = 0,8;
средневзвешенный коэффициент
отражения ρ потолка,
стен, пола:
ρсз = 0,4;
отношение длины помещения к его
глубине: 6/5 = 1,2.
Исходя из рассчитанных показателей,
из таблицы значений коэффициентов
при боковом одностороннем освещении
определяем его значение с помощью формулы экстраполяции:
,(4.3)
где
- значение функции при і-м
аргументе;
yi+1 - значение
функции при (і+1)-м аргументе;
y(x) - значение
функции при заданном аргументе, находящемся между значениями аргументов
xi и xi+1;
xi - і-е
значение аргумента;
xi+1 - (і+1)-е
значение аргумента.
Отсюда
равняется:
Для определения коэффициента 
, необходимо воспользоваться
таблицей значений световой характеристики 
световых прорезов при боковом
освещении и формулой (4.3):
По формуле (4.2) рассчитаем
фактическое значение КЕО:
Поскольку фактическое значение
естественного освещение меньше нормированного (0,777 < 1,35), то
естественное освещение в помещении недостаточное и необходимо принимать меры по
его улучшению.
Расчет достаточности искусственного
освещения в помещении
Для освещения помещения используются
люминесцентные лампы мощностью 80 Вт. Система освещения - общая. Значит,
нормированное значение освещенности должно составлять не менее 300 люкс
согласно [30].
Схема размещения светильников в
помещении приведена на рисунке 4.3.
Рисунок 4.3 - Схема размещения
светильников
Рассчитаем фактическое значение
освещения (Еф), учитывая, что мощность ламп - 80 Вт,
количество ламп в светильнике - 2 шт.
Фактическое значение искусственного
освещения (Еф) рассчитывается по формуле:
(4.4)
где
- световой поток лампы, лм (для
люминесцентных ламп мощностью 80 Вт - 3440-4320 лм);
принимаем
,
- коэффициент использования
светового потока (
= 0,4 ÷
0,6);
N - количество светильников, шт (N =
6);
n - количество ламп в
светильнике, шт (n= 2);
S - площадь помещения, м2 (S=
15 м2);коэффициент запаса (K = 1,5 ÷ 2);
Z- коэффициент неравномерности
освещения (Z = 1,1).
Рассчитаем фактическое значение
освещения (Еф) по формуле (4.4):
Таким образом, фактическое значение
искусственного освещения превышает нормированное (403 > 300). Значит,
искусственное освещение в помещении достаточно.
Расчет эффективности естественной
вентиляции
Схема расчета естественной
вентиляции приведена на рисунке 4.4.
Рисунок 4.4 - Схема расчета
естественной вентиляции
Рассчитаем объем помещения:
V = 2,5·5·6 = 75 (м3)
Рассчитаем объем административного
помещения, приходящийся на одного рабочего:
V1 = 75/5 = 15 (м3/чел)
Поскольку согласно [29] объем
помещения, приходящийся на одного рабочего, должен составлять 40 (м3),
что больше чем фактическое значение данного показателя - 15 (м3/чел),
в помещении необходимо обеспечить воздухообмен не менее L1 =
30 (м3/час) на каждого работника. Необходимый воздухообмен Lн
рассчитывается по формуле:
(4.5)
где
n - наибольшее возможное
количество работников в помещении.
(м3/час)
Определим фактическое значение
воздухообмена, используя схему, приведенную на рисунке 4.4, по формуле:
, (4.6)
где μ
-
коэффициент расхода воздуха (
μ = 0,55);
F - площадь форточки (F =
0,6·1,2 = 0,72 м2);
V - скорость выхода воздуха через
форточку или вентиляционный канал, м/с, рассчитывается по формуле:
, (4.7)
где
g - ускорение свободного падения (
g = 9,8 м/с2);2
- тепловое давление, рассчитывается по формуле:
,(4.8)
где
γC и γB -
соответственно объемный вес воздуха снаружи помещения и внутри, кг/м3.
Объемный вес воздуха рассчитывается
по формуле:
, (4.9)
где Pб -
барометрическое давление, мм рт. ст. (Pб = 750 мм рт. ст.);
Т - температура воздуха, Кº (для теплого
периода года в помещении t = 28 ºC либо Т= 310 ºК, для
холодного периода года t
= 17 ºC либо
Т
= 290 ºК;
снаружи помещения для лета t = 24ºC либо
Т = 297 ºК, для зимы
t = -11ºC
либо
Т
= 262 ºК)
[31].
Определим h2 из
соотношений:
(м)

(м2)
(м2)
Решим систему:



Отсюда:


(м/c)
(м/c)
(м3/час)
(м3/час).
Поскольку фактическое значение
воздухообмена значительно превышает нормативное значение как зимой, так и
летом, то естественная вентиляция (аэрация) неэффективна. Поэтому для повышения
эффективности вентиляции в помещении необходимы дополнительные мероприятия.
Оценка метеорологических условий
При оценке метеорологических условий
в помещении необходимо сравнить фактические значения параметров микроклимата:
температуры воздуха, относительной влажности, скорости перемещения воздуха,
интенсивности теплового излучения с нормированными значениями, устанавливаемыми
[28].
Фактические значения получаем с помощью
непосредственно собственноручных измерений. Скорость перемещения воздуха в
помещении определим по формуле:
(4.10)
(м/c)
Значения параметров, характеризующие
санитарно-гигиенические условия труда в исследуемом помещении, представлены в
таблице 4.1.
Таблица 4.1 - Итоговая таблица
значений параметров, характеризующие санитарно-гигиеничные условия труда
|
Параметр
|
Значение
параметра
|
Нормативный
документ
|
|
фактическое
|
нормированное
|
|
|
1
Освещенность искусственная (лк)
|
403
|
300
|
СНиП
II-4-79
|
|
2
Значение коэффициента естественного освещения (%)
|
0,777
|
1,35
|
СНиП
II-4-79
|
|
3
Температура воздуха (ºС):
|
|
|
|
|
зимой
|
20
|
21-25
|
ДСН
3.3.6.042-99
|
|
летом
|
24
|
22-28
|
ДСН
3.3.6.042-99
|
|
4
Относительная влажность воздуха (%):
|
|
|
|
|
зимой
|
75
|
<75
|
ДСН
3.3.6.042-99
|
|
летом
|
50
|
<60
|
ДСН
3.3.6.042-99
|
|
5
Воздухообмен (м3/час):
|
|
|
|
|
зимой
|
1783,4
|
СНиП
2.09.04-87
|
|
летом
|
1144,8
|
150
|
СНиП
2.09.04-87
|
|
6
Скорость перемещения воздуха, м/с
|
0,071
|
<0,2
|
ДСН
3.3.6.042-99
|
Противопожарные мероприятия
Данное помещение относится по опасности
возникновения пожара к категории В - «пожароопасное» согласно [33]. Определение
к данной категории обосновывается работой с легковоспламеняемыми материалами
(бумага), наличие компьютера.
Возможными причинами пожара могут быть:
короткое замыкание в электросети;
возгорание бумаги из-за халатного обращения;
распространение огня с соседних помещений;
нарушение техники безопасности при работе с
оборудованием.
Предупредить возникновение пожара можно с
помощью следующих мероприятий:
разработка и соблюдение правил пожарной
безопасности;
разработка плана эвакуации;
использование качественной изоляции для
электропроводки.
4.3 Мероприятия по улучшению условий
труда
Для улучшения условий труда в исследуемом
помещении необходимо улучшить естественное освещение путем использования
материалов, которые повышают коэффициент отражения света от внутренних
поверхностей помещения. Можно увеличить коэффициент запаса путем использования
стекла, которое лучше пропускает естественное освещение. При этом изменятся
следующие показатели:
) общий коэффициент светопропускания:
τ3
=0,8·0,85·1·1·0,9= 0,6
) коэффициент, учитывающий отражения
света от внутренних поверхностей помещения при ρсз = 0,5 (за
счет использования для внутренних поверхностей более светлых тонов), отсюда r1
= 4,92;
) коэффициент запаса: К3
= 1,3 (путем улучшения качества материала, сквозь который проходят солнечные
лучи).
Тогда фактическое значение КЕО
будет:
Поскольку фактическое значение
естественного освещение больше нормированного (2,47 > 1,35), то естественное
освещение в помещении достаточное.
Для уменьшения избыточного
воздухообмена в холодное время года (1783,4вместо необходимых 150 м3/час)
можно сократить время проветривания помещения:
,4- 60 мин
- Х мин
.
Также для улучшения условий труда
можно предложить следующие мероприятия:
проведения вводных, первичных,
последующих инструктажей;
ознакомление персонала с правилами
пожарной безопасности;
проведение лекций по применению и
использованию новых методик работы;
использование новых систем
вентиляции и освещения;
создание комнаты для отдыха и места
для курения, что пока не предусмотрено для данного помещения;
использование современных
противопожарных сигнализаций и средств тушения пожаров;
применение специальных приборов для
улучшения микроклимата.
ВЫВОДЫ
1 На сегодняшний день существующие методы
расчета припусков представлены тремя методами: опытно-статистическим,
расчетно-аналитическим и интегрально-аналитическим. Каждый из представленных
методов имеет как свои преимущества, так и свои недостатки.
Расчетно-аналитический метод является наиболее точным, так как учитывает некоторые
конкретные условия обработки, схему базирования заготовки, погрешности
предшествующих этапов обработки. В свою очередь, опытно-статистический метод
белее удобен, поскольку не требует дополнительных расчетов, все значения
припусков на обработку представлены в справочных таблицах.
Интегрально-аналитический метод представляет собой попытку автоматизировать
процесс расчета припусков. Но не совсем удачную, так как результаты расчетов
достаточно приблизительные и требующиеся эмпирические формулы определены не для
всех этапов и способов обработки поверхностей заготовок.
В связи с этим, в условиях широкого
распространения в современном производстве компьютерных технологий возникает
необходимость в разработке метода расчета припусков, который был бы ориентирован
на САПР ТП и не требовал от технолога больших затрат времени и использования
большого количества справочной литературы.
Значения припусков, полученные
расчетно-аналитическим методом и опытно-статистическим (табличным), показывают,
что табличный метод менее точный, значения припусков завышены он является
экономически менее эффективным.
3 В ходе выполнения работы были построены
графики распределения припусков на обработку в зависимости от стадии обработки
для различных методов получения заготовок. Анализ данных графиков показал, что
припуски на обработку распределяются по экспонентной зависимости, не зависимо
от размеров заготовки и от способа ее получения. Определены факторы, которые
влияют на характер этого распределения, а именно интервал размеров заготовки и
количество этапов обработки. Уравнение, описывающее данную зависимость, имеет
вид Zобщ=a·bXi.
С помощью метода наименьших квадратов определены
значения коэффициентов уравнения a и b, влияющих на характер
распределения припуска, для каждого из интервалов размеров заготовок для
методов получения заготовок штамповкой, литьем и ковкой. По полученным
значениям коэффициентов можно построить график распределения припусков для
любой заготовки из каждого интервала размеров и по данному графику определить
необходимую величину припуска на механическую обработку.
Разработана программа для определения значений
припусков на механическую обработку в зависимости от количества этапов
обработки. В качестве исходных данных для такого расчета требуются только тип и
размер заготовки, квалитет точности до начала обработки и после ее завершения,
количество этапов, за которое производится обработка. Такой способ определения
припусков на обработку ориентирован на САПР ТП, лишает необходимости
использования большого количества справочников и таблиц, также не требует
никаких расчетов.
Такой способ определения припусков может быть
использовании, например, в единичном производстве, когда возникает
необходимость быстро определить припуски на обработку заготовки, зная только ее
размеры и параметры точности до и после обработки.
В разделе «Охрана труда и безопасность в
чрезвычайных ситуациях» была рассмотрена аудитория кафедры «Технология
машиностроения, металлорежущих станков и режущих инструментов» технологического
корпуса сумского государственного университета, которая использовалась для
выполнения дипломной работы. Были проанализированы основные опасные факторы, в
частности - отклонение санитарно-гигиенических условий от нормативных условий.
В результате выполнения данного раздела были предложены меры по улучшению
условий труда в данном помещении:
проведения вводных, первичных, последующих
инструктажей;
ознакомление персонала с правилами пожарной
безопасности;
проведение лекций по применению и использованию
новых методик работы;
использование новых систем вентиляции и
освещения;
создание комнаты для отдыха и места для курения,
что пока не предусмотрено для данного помещения;
использование современных противопожарных
сигнализаций и средств тушения пожаров;
применение специальных приборов для улучшения
микроклимата.
СПИСОК ИСПОЛЬЗОВАННЫХ ИСТОЧНИКОВ
1
Соколовский, А. П. Научные основы технологии машиностроения [Текст]/ А. П.
Соколовский. - М.: Машгиз, 1955. -516 с.
Ящерицын,
П. И. Технологическая наследственность в
машиностроении [Текст] / П.И. Ящерицын, Э.В. Рыжов, В.И. Аверченков. - Минск:
Высш. школа, 1977.- 254с.
3
Кован, В.М. Основы технологии машиностроения [Текст] / В.М. Кован. М.:
Машиностроение, 1972,- 259 с.
Кован,
В.М.
Расчет припусков на обработку в машиностроении: справочное пособие [Текст] /
В.М. Кован. - М.: Машгиз, 1953, - 202с.
ГОСТ
26645-85 Отливки из металлов и сплавов. Допуски размеров, массы и припуски на
механическую обработку. М.: Издательство стандартов, 1989.
ГОСТ
7505-89 Поковки стальные штампованные. Допуски, припуски и кузнечные напуски.
М.: Издательство стандартов, 1990.
ГОСТ
7829-70 Поковки из углеродистой и легированной стали, изготавливаемые ковкой на
молотах. Припуски и допуски. М.: Издательство стандартов, 1989.
ГОСТ
7062-90 Поковки из углеродистой стали изготовляемые ковкой на прессах. Припуски
и допуски. М.: Издательство стандартов, 1991.
9
Балакшин Б. С. Основы технологии машиностроения [Текст] / Б. С.
Балакшин. М., «Машиностроение», 1969. 559 с.
Кувалдин
Ю.И.
Расчет припусков и промежуточных размеров при обработке резанием: учебное
пособие для практических занятий, курсового и дипломного проектирования [Текст]
/ Ю. И. Кувалдин, В.Д.Перевощиков. . Киров: Изд-во ВятГУ, 2005. . 163 с.
Маталин,
А. А. Технология машиностроения [Текст]: учеб. / А.
А. Маталин. - Л.: Машиностроение, 1985. - 512c.: ил.
Технология
машиностроения [Текст] : учеб. пособие: В 2 т. Т. 1: Основы технологии
машиностроения / Под общ. ред. А. М. Дальского. - М.: Изд-во МГТУ, 2001. -
564c.: ил.
Колесов,
И. М. Основы технологии машиностроения [Текст]: учеб.
/ И. М. Колесов. - М.: Высш. шк., 1999. - 592c.: ил.
Справочник
технолога-машиностроителя [Текст]: В 2 т. /Под ред. В.М.Кована. . М.: Машгиз,
1963. . Т.1, 888 с.; Т.2, 912 с.
Справочник
технолога-машиностроителя [Текст]: В 2 т. /Под ред. А.Г. Косиловой и Р.К.
Мещерякова. . М.: Машиностроение, 1985. . 2 т.
Балабанов,
А. Н. Краткий справочник технолога машиностроителя
[Текст] / А. Н. Балабанов. - М.: Изд-во стандартов, 1992. - 464c.
Косилова,
А. Г. Точность обработки, заготовки и припуски в машиностроении
[Текст]: справочник технолога / А. Г. Косилова, Р. К. Мещеряков, М. А. Калинин.
- М.: Машиностроение, 1976. - 288c.: ил.
Обработка
металлов резанием [Текст]: справ. технолога / Под общ. ред. А. А. Панова. - М.:
Машиностроение, 2004. - 784c.: ил.
Горбацевич,
А. Ф. Курсовое проектирование по технологии
машиностроения [Текст]: учеб. пособие / А. Ф. Горбацевич, В. А. Шкред. - Минск:
Вышэйшая шк., 1983. - 256c.: ил.
Радкевич,
Я. М. Расчет припусков и межпереходных размеров в
технологии машиностроения [Текст] : учеб. пособие / Я. М. Радкевич, В. А.
Тимирязев, А. Г. Схиртладзе, М. С. Островский. - М.: Высш. шк., 2004. - 272c.:
ил.
Харламов,
Г.А.
Припуски на механическую обработку [Текст]: Справочник / Г.А. Харламов, А.С.
Тарапанов. - М.: Машиностроение, 2006. - 256 с.: ил.
Виноградов,
В.М.
технология машиностроения: введение в специальность [Текст]: учеб. пособие для
студ. высш. учеб. заведений / В.М. Виноградов. - М.: Издательский центр
«Академия», 2006. - 176с.
23
Методические указания к практическим занятиям «Использование метода наименьших
квадратов при решении технологических задач» по курсу «Основы научных
исследований» [Текст]/ сост. В.Г. Евтухов, Харьков ХПИ, 1988. - 12с.
Методичні
вказівки до написання розділу «Охорона праці» в дипломних роботах для студентів
економічних спеціальностей усіх форм навчання [Текст]/ Укладач А.Ф. Денисенко.
- Суми: Вид-во СумДУ, 2008. - 39с.
25
Галдин, Н. М. Цветное литье [Текст]: справочник / Н. М. Галдин, Д.Ф
Чернега, Д.Ф. Иванчук и др. - М.: Машиностроение, 1989.
Топоров,
Ю.А.
Припуски, допуски и посадки гладких
цилиндрических
соединений. Припуски и допуски отливок и поковок: [Текст] справочник / Ю.А.
Топоров. - СПб.: Изд-во «Профессия», 2004 - 598с.
ГОСТ
12.0.003-74. Опасные и вредные производственные факторы. Классификация [Текст].
ДСН
3.3.6.042-99. Санітарні норми мікроклімату виробничих приміщень [Текст].
СНиП
2.09.04-87. Административные и бытовые здания [Текст].
СНиП
II-4-79. Естественное и искусственное освещение [Текст].
СНиП
2.04.05-91. Отопление, вентиляция и кондиционирование воздуха [Текст].
СНиП
2.01.02-85. Противопожарные нормы проектирования зданий и сооружений [Текст].
ОНТП
24-86. Определение категорий помещений по взрывной и пожарной опасности
[Текст].
Васин,
А. Н.
Формирование припусков на механическую обработку заготовок на основе
стохастических моделей [Текст]: 05.02.08: защищена/ Васин Алексей Николаевич. -
Саратов: Сарат. гос. техн. ун-т, 2006.- 464 с.
Leondes,
C.T.
Computer-Aided Design, Engineering, and Manufacturing; Systems Techniques and
Applications, Volume IV, Optimization Methods for Manufacturing [Текст] / С. T.
Leondes. CRC, 2000. - 312 pp.
Amirouche,
F.M.
Principles of Computer Aided Design and Manufacturing, Second Edition [Текст] /
F.M. Amirouche. Prentice Hall, 2003. - 359 pp.
Wolak,
В.
Нормативы технологических припусков на обработку резанием чугунных отливок
[Текст] / B.Wolak, S. Swigon, P. Nocun. Pr. Inst. obr. Skraw. Ser. mater,
instr. - 1987. - № 142, p. 1-48.
Wakeford,
L.
How Your Design Can Affect The Cost, Quality And Time Required To Manufacture
Parts [Текст] / L. Wakeford // MCADVision Magazine. -2001.
Оробинский,
В.М.
Системный подход и оптимизация припусков под суперфиниширование [Текст] / В.М.
Оробинский, А.А. Емельянов. -Волгогр. гос. техн. ун-т Волгоград. 1999.- 12 с.
Протодьяконов
А.В.
Анализ точности методов расчета припусков / Протодьяконов А.В., Алехин Н.А. /
Вестник Кузбасс, гос. техн. ун-та. 1999. -№2.-С. 13-16.
ПРИЛОЖЕНИЯ
Приложение А
Графики распределения припусков при обработке
заготовок, изготавливаемых литьем
Определение припусков расчетно-аналитическим
методом при обработке заготовки за четыре этапа
Рисунок А.1 - График распределения припусков для
заготовок из интервала размеров 6-10 мм
Рисунок А.2 - График распределения припусков для
заготовок из интервала размеров 10-18 мм
Рисунок А.3 - График распределения припусков для
заготовок из интервала размеров 30-50 мм
Рисунок А.4 - График распределения припусков для
заготовок из интервала размеров 50-80 мм
Рисунок А.5 - График распределения припусков для
заготовок из интервала размеров 80-120 мм
Рисунок А.6 - График распределения припусков для
заготовок из интервала размеров 180-250 мм
Рисунок А.7 - График распределения припусков для
заготовок из интервала размеров 250-315 мм
Рисунок.8 - График распределения припусков для
заготовок из интервала размеров 315-400 мм
Рисунок А.9 - График распределения припусков для
заготовок из интервала размеров 400-500 мм
Определение припусков опытно-статистическим
методом при обработке заготовки за четыре этапа
Рисунок А.10 - График распределения припусков
для заготовок из интервала размеров 6-10 мм
Рисунок А.11 - График распределения припусков
для заготовок из интервала размеров 10-18 мм
Рисунок А.12 - График распределения припусков
для заготовок из интервала размеров 30-50 мм
Рисунок А.13 - График распределения припусков
для заготовок из интервала размеров 50-80 мм
Рисунок А.14 - График распределения припусков
для заготовок из интервала размеров 80-120 мм
Рисунок А.15 - График распределения припусков
для заготовок из интервала размеров 180-250 мм
Рисунок А.16 - График распределения припусков
для заготовок из интервала размеров 250-315 мм
Рисунок А.17 - График распределения припусков
для заготовок из интервала размеров 315-400 мм
Рисунок А.18 - График распределения припусков
для заготовок из интервала размеров 400-500 мм
Приложение Б
Графики распределения припусков при обработке
заготовок, изготавливаемых штамповкой
Определение припусков расчетно-аналитическим
методом при обработке заготовки за четыре этапа
Рисунок Б.1 - График распределения припусков для
заготовок из интервала размеров 6-10 мм
Рисунок Б.2 - График распределения припусков для
заготовок из интервала размеров 10-18 мм
Рисунок Б.3 - График распределения припусков для
заготовок из интервала размеров 30-50 мм
Рисунок Б.4 - График распределения припусков для
заготовок из интервала размеров 50-80 мм
Рисунок Б.5 - График распределения припусков для
заготовок из интервала размеров 80-120 мм
Рисунок Б.6 - График распределения припусков для
заготовок из интервала размеров 180-250 мм
Рисунок Б.7 - График распределения припусков для
заготовок из интервала размеров 250-315 мм
Рисунок Б.8 - График распределения припусков для
заготовок из интервала размеров 315-400 мм
Рисунок Б.9 - График распределения припусков для
заготовок из интервала размеров 400-500 мм
Определение припусков опытно-статистическим
методом при обработке заготовки за четыре этапа
Рисунок Б.10 - График распределения припусков
для заготовок из интервала размеров 6-10 мм
Рисунок Б.11 - График распределения припусков
для заготовок из интервала размеров 10-18 мм
Рисунок Б.12 - График распределения припусков
для заготовок из интервала размеров 30-50 мм
Рисунок Б.13 - График распределения припусков
для заготовок из интервала размеров 50-80 мм
Рисунок Б.14 - График распределения припусков
для заготовок из интервала размеров 80-120 мм
Рисунок Б.15 - График распределения припусков
для заготовок из интервала размеров 180-250 мм
Рисунок Б.16 - График распределения припусков
для заготовок из интервала размеров 250-315 мм
Рисунок Б.17 - График распределения припусков
для заготовок из интервала размеров 315-400 мм
Рисунок Б.18 - График распределения припусков
для заготовок из интервала размеров 400-500 мм
Приложение В
Графики распределения припусков при обработке
заготовок, изготавливаемых ковкой
Определение припусков расчетно-аналитическим
методом при обработке заготовки за четыре этапа
Рисунок В.1 - График распределения припусков для
заготовок из интервала размеров 6-10 мм
Рисунок В.2 - График распределения припусков для
заготовок из интервала размеров 10-18 мм
Рисунок В.3 - График распределения припусков для
заготовок из интервала размеров 30-50 мм
Рисунок В.4 - График распределения припусков для
заготовок из интервала размеров 50-80 мм
Рисунок В.5 - График распределения припусков для
заготовок из интервала размеров 80-120 мм
Рисунок В.6 - График распределения припусков для
заготовок из интервала размеров 180-250 мм
Рисунок В.7 - График распределения припусков для
заготовок из интервала размеров 250-315 мм
Рисунок В.8 - График распределения припусков для
заготовок из интервала размеров 315-400 мм
Рисунок В.9 - График распределения припусков для
заготовок из интервала размеров 400-500 мм
Определение припусков опытно-статистическим
методом при обработке заготовки за четыре этапа
Рисунок В.10 - График распределения припусков
для заготовок из интервала размеров 6-10 мм
Рисунок В.11 - График распределения припусков
для заготовок из интервала размеров 10-18 мм
Рисунок В.12 - График распределения припусков
для заготовок из интервала размеров 30-50 мм
Рисунок В.13 - График распределения припусков
для заготовок из интервала размеров 50-80 мм
Рисунок В.14 - График распределения припусков
для заготовок из интервала размеров 80-120 мм
Рисунок В.15 - График распределения припусков
для заготовок из интервала размеров 180-250 мм
Рисунок В.16 - График распределения припусков
для заготовок из интервала размеров 250-315 мм
Рисунок В.17 - График распределения припусков
для заготовок из интервала размеров 315-400 мм
Рисунок В.18 - График распределения припусков
для заготовок из интервала размеров 400-500 мм
Приложение Г
Исходные данные для расчета припусков на
обработку
Таблица Г.1 - Исходные данные для расчета припусков
на обработку заготовок, изготавливаемых литьем
|
Интервал
размеров
|
Квалитет
поверхности детали
|
Операция
|
Элементы
припуска, мкм
|
2Zmin,
мкм
|
|
|
|
Rz
|
h
|
p
|
|
|
|
6
|
Заготовка
|
200
|
300
|
60
|
-
|
-
|
|
6-10
мм
|
|
черновая
|
100
|
100
|
3,6
|
180
|
1480
|
|
|
п/ч
точен.
|
50
|
50
|
3
|
40
|
487,2
|
|
|
п/ч
шлиф.
|
10
|
20
|
2,4
|
40
|
286
|
|
|
чист.шлиф.
|
5
|
15
|
1,2
|
20
|
104,8
|
|
10-18
мм
|
6
|
Заготовка
|
200
|
300
|
70
|
-
|
-
|
|
|
черновая
|
100
|
100
|
4,2
|
220
|
1580
|
|
|
п/ч
точен.
|
50
|
50
|
3,5
|
50
|
508,4
|
|
|
п/ч
шлиф.
|
10
|
20
|
2,8
|
50
|
307
|
|
|
чист.шлиф.
|
5
|
15
|
1,4
|
25
|
115,6
|
|
30-50
мм
|
6
|
Заготовка
|
250
|
300
|
250
|
-
|
-
|
|
|
черновая
|
100
|
100
|
15
|
320
|
2240
|
|
|
п/ч
точен.
|
50
|
50
|
12,5
|
70
|
570
|
|
|
п/ч
шлиф.
|
10
|
20
|
10
|
70
|
365
|
|
|
чист.шлиф.
|
5
|
15
|
5
|
35
|
150
|
|
50-80
мм
|
6
|
Заготовка
|
300
|
300
|
300
|
-
|
-
|
|
|
черновая
|
100
|
100
|
18
|
380
|
2560
|
|
|
п/ч
точен.
|
50
|
50
|
15
|
80
|
596
|
|
|
п/ч
шлиф.
|
10
|
12
|
80
|
390
|
|
|
чист.шлиф.
|
5
|
15
|
6
|
40
|
164
|
|
80-120
мм
|
6
|
Заготовка
|
320
|
380
|
300
|
-
|
-
|
|
|
черновая
|
100
|
100
|
18
|
440
|
2880
|
|
|
п/ч
точен.
|
50
|
50
|
15
|
90
|
616
|
|
|
п/ч
шлиф.
|
10
|
20
|
12
|
90
|
410
|
|
|
чист.шлиф.
|
5
|
15
|
6
|
45
|
174
|
|
180-250
мм
|
6
|
Заготовка
|
320
|
380
|
400
|
-
|
-
|
|
|
черновая
|
100
|
100
|
24
|
580
|
3360
|
|
|
п/ч
точен.
|
50
|
50
|
20
|
120
|
688
|
|
|
п/ч
шлиф.
|
10
|
20
|
16
|
120
|
480
|
|
|
чист.шлиф.
|
5
|
15
|
8
|
60
|
212
|
|
Интервал
размеров
|
Квалитет
поверхности детали
|
Операция
|
Элементы
припуска, мкм
|
2Zmin,
мкм
|
|
|
|
Rz
|
h
|
p
|
|
|
|
250-315
мм
|
6
|
Заготовка
|
320
|
380
|
350
|
-
|
-
|
|
|
черновая
|
100
|
100
|
21
|
660
|
3420
|
|
|
п/ч
точен.
|
50
|
50
|
17,5
|
140
|
722
|
|
|
п/ч
шлиф.
|
10
|
20
|
14
|
140
|
515
|
|
|
чист.шлиф.
|
5
|
15
|
7
|
70
|
228
|
|
315-400
мм
|
6
|
Заготовка
|
320
|
380
|
400
|
-
|
-
|
|
|
черновая
|
100
|
100
|
24
|
660
|
3520
|
|
|
п/ч
точен.
|
50
|
50
|
20
|
140
|
728
|
|
|
п/ч
шлиф.
|
10
|
20
|
16
|
140
|
520
|
|
|
чист.шлиф.
|
5
|
15
|
8
|
70
|
232
|
|
400-500
мм
|
6
|
Зготовка
|
320
|
380
|
450
|
-
|
-
|
|
|
черновая
|
100
|
100
|
27
|
760
|
3820
|
|
|
п/ч
точен.
|
50
|
50
|
22,5
|
160
|
774
|
|
|
п/ч
шлиф.
|
10
|
20
|
18
|
160
|
565
|
|
|
чист.шлиф.
|
5
|
15
|
9
|
80
|
256
|
|
|
|
|
|
|
|
|
|
|
|
Таблица Г.2 - Исходные данные для расчета
припусков на обработку заготовок, изготавливаемых штамповкой
|
Интервал
размеров
|
Квалитет
поверхности детали
|
Операция
|
Элементы
припуска, мкм
|
2Zmin,
мкм
|
|
|
|
Rz
|
h
|
p
|
|
|
|
6-10
мм
|
6
|
Заготовка
|
80
|
150
|
100
|
-
|
-
|
|
|
черновая
|
50
|
50
|
6
|
180
|
1020
|
|
|
п/ч
точен.
|
25
|
25
|
5
|
40
|
292
|
|
|
п/ч
шлиф.
|
10
|
20
|
4
|
40
|
190
|
|
|
чист.шлиф.
|
5
|
15
|
2
|
20
|
108
|
|
10-18
мм
|
6
|
Заготовка
|
150
|
150
|
70
|
-
|
-
|
|
|
черновая
|
50
|
50
|
4,2
|
220
|
1180
|
|
|
п/ч
точен.
|
25
|
25
|
3,5
|
50
|
308,4
|
|
|
п/ч
шлиф.
|
10
|
20
|
2,8
|
50
|
207
|
|
|
чист.шлиф.
|
5
|
15
|
1,4
|
25
|
115,6
|
|
30-50
мм
|
6
|
Заготовка
|
160
|
200
|
100
|
-
|
-
|
|
|
черновая
|
50
|
50
|
6
|
320
|
1560
|
|
|
п/ч
точен.
|
30
|
30
|
5
|
70
|
352
|
|
|
п/ч
шлиф.
|
10
|
20
|
4
|
70
|
270
|
|
|
чист.шлиф.
|
5
|
15
|
2
|
35
|
138
|
|
Интервал
размеров
|
Квалитет
поверхности детали
|
Операция
|
Элементы
припуска, мкм
|
2Zmin,
мкм
|
|
|
|
Rz
|
h
|
p
|
|
|
|
50-80
мм
|
6
|
Заготовка
|
200
|
250
|
70
|
-
|
-
|
|
|
черновая
|
50
|
50
|
4,2
|
380
|
1800
|
|
|
п/ч
точен.
|
25
|
25
|
3,5
|
80
|
368,4
|
|
|
п/ч
шлиф.
|
10
|
20
|
2,8
|
80
|
267
|
|
|
чист.шлиф.
|
5
|
15
|
1,4
|
40
|
145,6
|
|
80-120
мм
|
6
|
Заготовка
|
200
|
250
|
80
|
-
|
-
|
|
|
черновая
|
50
|
50
|
4,8
|
440
|
1940
|
|
|
п/ч
точен.
|
25
|
25
|
4
|
90
|
389,6
|
|
|
п/ч
шлиф.
|
10
|
20
|
3,2
|
90
|
|
|
чист.шлиф.
|
5
|
15
|
1,6
|
45
|
156,4
|
|
180-250
мм
|
6
|
Заготовка
|
300
|
300
|
150
|
-
|
-
|
|
|
черновая
|
50
|
50
|
9
|
580
|
2660
|
|
|
п/ч
точен.
|
25
|
25
|
7,5
|
120
|
458
|
|
|
п/ч
шлиф.
|
10
|
20
|
6
|
60
|
235
|
|
|
чист.шлиф.
|
5
|
15
|
3
|
60
|
192
|
|
250-315
мм
|
6
|
Заготовка
|
300
|
300
|
100
|
-
|
-
|
|
|
черновая
|
50
|
50
|
6
|
660
|
2720
|
|
|
п/ч
точен.
|
25
|
25
|
5
|
140
|
492
|
|
|
п/ч
шлиф.
|
10
|
20
|
4
|
70
|
250
|
|
|
чист.шлиф.
|
5
|
15
|
2
|
70
|
208
|
|
315-400
мм
|
6
|
Заготовка
|
300
|
300
|
150
|
-
|
-
|
|
|
черновая
|
50
|
50
|
9
|
660
|
2820
|
|
|
п/ч
точен.
|
25
|
25
|
7,5
|
140
|
498
|
|
|
п/ч
шлиф.
|
10
|
20
|
6
|
70
|
255
|
|
|
чист.шлиф.
|
5
|
15
|
3
|
70
|
212
|
|
400-500
мм
|
6
|
Заготовка
|
350
|
350
|
100
|
-
|
-
|
|
|
черновая
|
50
|
50
|
6
|
760
|
3120
|
|
|
п/ч
точен.
|
25
|
25
|
5
|
160
|
532
|
|
|
п/ч
шлиф.
|
10
|
20
|
4
|
80
|
270
|
|
|
чист.шлиф.
|
5
|
15
|
2
|
80
|
228
|
Таблица Г.3 - Исходные данные для расчета
припусков на обработку заготовок, изготавливаемых ковкой
|
Интервал
размеров
|
Квалитет
поверхности детали
|
Операция
|
Элементы
припуска, мкм
|
2Zmin,
мкм
|
|
|
|
Rz
|
h
|
p
|
|
|
|
6-10
мм
|
6
|
Заготовка
|
300
|
300
|
100
|
-
|
-
|
|
|
черновая
|
100
|
100
|
6
|
220
|
1840
|
|
|
п/ч
точен.
|
50
|
50
|
5
|
50
|
512
|
|
|
п/ч
шлиф.
|
10
|
20
|
4
|
25
|
260
|
|
|
чист.шлиф.
|
5
|
15
|
2
|
25
|
118
|
|
10-18
мм
|
6
|
Заготовка
|
300
|
300
|
100
|
-
|
-
|
|
|
черновая
|
100
|
100
|
6
|
270
|
1940
|
|
|
п/ч
точен.
|
50
|
50
|
5
|
60
|
532
|
|
|
п/ч
шлиф.
|
10
|
20
|
4
|
30
|
270
|
|
|
чист.шлиф.
|
5
|
15
|
2
|
30
|
128
|
|
30-50
мм
|
6
|
Заготовка
|
300
|
500
|
180
|
-
|
-
|
|
|
черновая
|
250
|
240
|
10,8
|
370
|
2700
|
|
|
п/ч
точен.
|
125
|
120
|
9
|
80
|
1161,6
|
|
|
п/ч
шлиф.
|
10
|
20
|
7,2
|
40
|
588
|
|
|
чист.шлиф.
|
5
|
15
|
3,6
|
40
|
154,4
|
|
50-80
мм
|
6
|
Заготовка
|
400
|
500
|
250
|
-
|
-
|
|
|
черновая
|
250
|
240
|
15
|
420
|
3140
|
|
|
п/ч
точен.
|
125
|
120
|
12,5
|
100
|
1210
|
|
|
п/ч
шлиф.
|
15
|
15
|
10
|
100
|
715
|
|
|
чист.шлиф.
|
5
|
15
|
5
|
50
|
180
|
|
80-120
мм
|
6
|
Заготовка
|
500
|
500
|
350
|
-
|
-
|
|
|
черновая
|
250
|
240
|
21
|
500
|
3700
|
|
|
п/ч
точен.
|
125
|
120
|
17,5
|
90
|
1202
|
|
|
п/ч
шлиф.
|
10
|
20
|
14
|
60
|
645
|
|
|
чист.шлиф.
|
5
|
15
|
7
|
60
|
208
|
|
180-250
мм
|
6
|
Заготовка
|
1200
|
|
350
|
-
|
-
|
|
|
черновая
|
250
|
240
|
21
|
700
|
4500
|
|
|
п/ч
точен.
|
125
|
120
|
17,5
|
160
|
1342
|
|
|
п/ч
шлиф.
|
10
|
20
|
14
|
80
|
685
|
|
|
чист.шлиф.
|
5
|
15
|
7
|
80
|
248
|
|
250-315
мм
|
6
|
Заготовка
|
1500
|
300
|
-
|
-
|
|
|
черновая
|
250
|
240
|
18
|
800
|
5200
|
|
|
п/ч
точен.
|
125
|
15
|
180
|
1376
|
|
|
п/ч
шлиф.
|
10
|
20
|
12
|
90
|
700
|
|
|
чист.шлиф.
|
5
|
15
|
6
|
90
|
264
|
|
Интервал
размеров
|
Квалитет
поверхности детали
|
Операция
|
Элементы
припуска, мкм
|
2Zmin,
мкм
|
|
|
|
Rz
|
h
|
p
|
|
|
|
315-400
мм
|
6
|
Заготовка
|
1500
|
500
|
-
|
-
|
|
|
черновая
|
250
|
240
|
30
|
850
|
5700
|
|
|
п/ч
точен.
|
125
|
120
|
25
|
120
|
1280
|
|
|
п/ч
шлиф.
|
10
|
20
|
20
|
100
|
740
|
|
|
чист.шлиф.
|
5
|
15
|
10
|
100
|
300
|
|
400-500
мм
|
6
|
Заготовка
|
1500
|
500
|
-
|
-
|
|
|
черновая
|
250
|
240
|
30
|
900
|
5800
|
|
|
п/ч
точен.
|
125
|
120
|
25
|
200
|
1440
|
|
|
п/ч
шлиф.
|
10
|
20
|
20
|
100
|
740
|
|
|
чист.шлиф.
|
5
|
15
|
10
|
100
|
300
|
Таблица Г.4 - Значения припусков на обработку,
определенные по таблицам для заготовок, изготавливаемых литьем
|
Интервал
размеров
|
Величины
припуска на каждый этап обработки, мкм
|
Интервал
размеров
|
Величины
припуска на каждый этап обработки, мкм
|
|
IT8
|
IT6
|
|
IT8
|
IT6
|
|
6-10
мм
|
2280
|
2520
|
80-120
мм
|
2880
|
3120
|
|
1140
|
1050
|
|
1440
|
1300
|
|
380
|
420
|
|
480
|
520
|
|
|
210
|
|
|
260
|
|
10-18
мм
|
2640
|
2880
|
180-250
мм
|
3360
|
3720
|
|
1320
|
1200
|
|
1680
|
1550
|
|
440
|
480
|
|
560
|
620
|
|
|
240
|
|
|
310
|
|
30-50
мм
|
2640
|
2880
|
250-315
мм
|
3360
|
3720
|
|
1320
|
1200
|
|
1680
|
1550
|
|
440
|
480
|
|
560
|
620
|
|
|
240
|
|
|
310
|
|
50-80
мм
|
2880
|
3120
|
315-400
мм
|
3480
|
3960
|
|
1440
|
1300
|
|
1740
|
1650
|
|
480
|
520
|
|
580
|
660
|
|
|
260
|
|
|
330
|
|
Интервал
размеров
|
Величины
припуска на каждый этап обработки, мм
|
|
IT8
|
IT6
|
|
400-500
мм
|
3840
|
4080
|
|
1920
|
1700
|
|
640
|
680
|
|
|
340
|
|
|
|
|
|
|
|
|
Таблица Г.5 - Значения припусков на обработку,
определенные по таблицам для заготовок, изготавливаемых штамповкой
|
Интервал
размеров
|
Величины
припуска на каждый этап обработки, мм
|
Интервал
размеров
|
Величины
припуска на каждый этап обработки, мм
|
|
IT8
|
IT6
|
|
IT8
|
IT6
|
|
6-10
мм
|
972
|
1092
|
180-250
мм
|
2976
|
3456
|
|
486
|
455
|
|
1488
|
1440
|
|
162
|
182
|
|
496
|
576
|
|
|
91
|
|
|
288
|
|
10-18
мм
|
978
|
1098
|
250-315
мм
|
3480
|
3840
|
|
489
|
457,5
|
|
1740
|
1600
|
|
163
|
183
|
|
580
|
640
|
|
|
91,5
|
|
|
320
|
|
30-50
мм
|
1257,6
|
1377,6
|
315-400
мм
|
3960
|
4320
|
|
628,8
|
574
|
|
1980
|
1800
|
|
209,6
|
229,6
|
|
660
|
720
|
|
|
114,8
|
|
|
360
|
|
50-80
мм
|
1644
|
2004
|
400-500
мм
|
3960
|
4320
|
|
822
|
835
|
|
1980
|
1800
|
|
274
|
334
|
|
660
|
720
|
|
|
167
|
|
|
360
|
|
80-120
мм
|
2046
|
2286
|
|
|
1023
|
952,5
|
|
|
341
|
381
|
|
|
|
190,5
|
|
Таблица Г.6 - Значения припусков на обработку,
определенные по таблицам для заготовок, изготавливаемых ковкой
|
Интервал
размеров
|
Величины
припуска на каждый этап обработки, мм
|
Интервал
размеров
|
Величины
припуска на каждый этап обработки, мм
|
|
IT8
|
IT6
|
|
IT8
|
IT6
|
|
6-10
мм
|
3000
|
3000
|
80-120
мм
|
6600
|
7200
|
|
1500
|
1250
|
|
3300
|
3000
|
|
500
|
500
|
|
1100
|
1200
|
|
|
250
|
|
|
600
|
|
10-18
мм
|
3000
|
3600
|
180-250
мм
|
7800
|
8400
|
|
1500
|
1500
|
|
3900
|
3500
|
|
500
|
600
|
|
1300
|
1400
|
|
|
300
|
|
|
700
|
|
30-50
мм
|
3000
|
3600
|
250-315
мм
|
8400
|
9000
|
|
1500
|
1500
|
|
4200
|
3750
|
|
500
|
600
|
|
1400
|
1500
|
|
|
300
|
|
|
750
|
|
50-80
мм
|
3600
|
4200
|
315-400
мм
|
9000
|
9600
|
|
1800
|
1750
|
|
4500
|
4000
|
|
600
|
700
|
|
1500
|
1600
|
|
|
350
|
|
|
800
|
|
400-500
мм
|
4800
|
5400
|
|
|
2400
|
2250
|
|
|
800
|
900
|
|
|
|
450
|
|