Расчёт энергетических характеристик твердотельного лазера, работающего в режиме модулированной добротности
КУРСОВАЯ
РАБОТА
по курсу:
Квантовая электроника
на тему
Расчёт
энергетических характеристик
твердотельного
лазера, работающего в режиме
модулированной
добротности
Введение
В настоящее время области применения лазеров расширяются с каждым днем.
После первого промышленного использования лазеров для получения отверстий в
рубинах для часов эти устройства успешно применяются в самых различных
областях.
Мечтатели и фантасты неоднократно предсказывали появления необыкновенных
вещей, в частности луча, отличающегося необыкновенными свойствами. И вот, в
1960г. первый лазерный луч был получен при накачке маленького кубического
кристалла рубина вспышками света. Несколько лет спустя некоторые физики
проводили испытания по сварке, бурению, гравированию, скрайбированию,
сверлению, синтезу, закаливанию, маркированию, плавлению и формированию
структур с помощью лазерного луча без контакта с материалом.
Лазерные системы делятся на три основные группы: твердотельные лазеры,
газовые, среди которых особое место занимает CO2 - лазер; и
полупроводниковые лазеры. Некоторое время назад появились такие системы, как
перестраиваемые лазеры на красителях, твердотельные лазеры на активированных
стеклах.
РУБИН. В лазерах этот кристалл имеет высокий порог генерации и следовательно
низкий КПД, обычно 0.5%. Его выходная мощность также сильно зависит от рабочей
температуры, что ограничивает частоту повторения импульсов величиной 10 Гц или
менее. В то же время этот материал термически стоек и не боится перегрева.
Однако его широкое применение ограничивает достаточно высокая стоимость
специально выращенного кристалла, особенно если требуется стержень больших
размеров. Поэтому рубиновые лазеры применяются, когда необходимо излучение
длиной волны 694 нм или не требуется высокая энергия на выходе и КПД не играет
существенной роли. Например, такие лазеры стали широко использоваться для
специальной фотографии - голографии, после того, как удалось добиться
достаточной чувствительности пленки на частоте 694 нм. Эти лазеры более удобны
и для пробивки очень точных отверстий, так как с уменьшением длины волны
размеры точки фокуса, ограничивающийся дифракцией, уменьшаются. Не так давно
некоторые ученые предсказывали, что рубиновый лазер скоро отслужит свой срок.
Однако в настоящее время полупроводниковые приборы на арсениде галлия (GaAs)
могут свариваться с тугоплавкими металлическими проводниками с помощью
импульсного рубинового лазера. Процесс длится 100 нс вместо 5-30 мин, которые
требуются при обычной сварке с последующим отжигом. Это важное достижение
применяется в электронных системах, используемых в спутниковой связи,
реактивных двигателях, геотермальных скважинах, атомных реакторах, приемниках
радиолокационных станций и ракет, интегральных микроволновых цепях.
ТВЕРДОТЕЛЬНЫЕ ЛАЗЕРЫ на люминесцирующих средах. Это лазеры на стеклах,
активированных неодимом (Nd: YAG), лазеры на кристалле иттрий-литиевого
флюорита, легированного эрбием (ИЛФ, Er : YAG) или их аналоги. Это лазеры с
оптической накачкой. КПД не выше 5%, однако мощность практически не зависит от
рабочей температуры. Так как это сравнительно дешевый материал, повышение
мощности можно производить простым увеличением размера рабочего элемента. Эти
типы лазеров применяются в лазерной спектроскопии, нелинейной оптике, лазерной
технологии: сварка, закалка, упрочнение поверхности. Лазерные стекла
применяются в мощных установках для лазерного термоядерного синтеза.
ГАЗОВЫЕ ЛАЗЕРЫ. Существует несколько смесей газов, которые могут
испускать вынужденное излучение. Один из газов - двуокись углерода -
применяется в N2 - СО2- и СО - лазерах мощностью >15 кВт. с
поперечной накачкой электрическим разрядом. А также газодинамические лазеры с
тепловой накачкой, у которых основная рабочая смесь: N2+CO2+He или N2+CO2+H2O.
Рассмотрим некоторые возможности применения таких лазеров промышленных
установках.
Известна термическая обработка материалов и деталей обычными средствами.
Предварительный подогрев с использованием газовых лазеров позволяет
обрабатывать материалы более высокой твердости. Прямолинейные участки
многокомпонентных деталей легко свариваются газовыми лазерами, в то время как
непрямолинейные участки свариваются с использованием специальных поворотных
зеркальных систем. Производится лазерная закалка и заточка деталей. Применяются
подобные лазеры в спектроскопии, лазерной химии, медицине.
Установки на основе СО2 - лазеров мощностью 500 Вт успешно
применяются для лазерного резания по шаблонам и раскройки сталей или пластмасс,
пробивки отверстий, если их диаметр не слишком мал. В общем случае толщина разрезаемого
материала зависит от мощности излучения. В настоящее время стоимость СО2 -
лазеров не особенно высока. Стоимость газов, применяемых в СО2 - лазерах
сопоставима со стоимостью энергии, потребляемой станками, предназначенными для
пробивания отверстий. Характеристики СО2 - лазеров стабильны. Лазеры легки в
управлении и безопасны при соблюдении правил эксплуатации.
ПРОЧИЕ ГАЗОВЫЕ ЛАЗЕРЫ. Электроразрядные лазеры низкого давления на
благородных газах : He-Ne, He-Xe и др. Это маломощные системы отличаются
высокой монохроматичностью и направленностью. Применяются в спектроскопии,
стандартизации частоты и длины излучения, в настройке оптических систем.
Ионный аргоновый лазер - лазер непрерывного действия, генерирующий
зеленый луч. Накачка осуществляется электрическим разрядом. Мощность достигает
нескольких десятков Вт. Применяется в медицине, спектроскопии, нелинейной
оптике.
Эксимерные лазеры. Рабочая среда - смесь благородных газов с F2, Cl2,
фторидами. Возбуждаются сильноточным электронным пучком или поперечным
разрядом. Работают в импульсном режиме в УФ - диапазоне длин волн. Применяются
для лазерного термоядерного синтеза.
Химические лазеры. Рабочая среда - смесь газов. Основной источник энергии
- химическая реакция между компонентами рабочей смеси. Возможны варианты
лазеров импульсного и непрерывного действия. Они имеют широкий спектр генерации
в ближней ИК - области спектра. Обладают большой мощностью непрерывного
излучения и большой энергией в импульсе. Такие лазеры применяются в
спектроскопии, лазерной химии, системах контроля состава атмосферы.
ПОЛУПРОВОДНИКОВЫЕ ЛАЗЕРЫ составляют самую многочисленную группу. Накачка
осуществляется инжекцией через гетеропереход, а также электронным пучком.
Гетеролазеры миниатюрны, имеют высокий КПД. Могут работать как в импульсном,
так и в непрерывном режимах. Несмотря на низкую мощность они нашли свое
применение в промышленности. Они применяются для спектроскопии, оптической
стандартизации частоты, оптико-волоконных линий связи, для контроля формы,
интерференционных полос деформации, в оптико-электронике, в робототехнике, в
системах пожаробезопасности. В быту применяются в системах оптической обработки
информации (в сканерах) в паре с несложной системой многогранных зеркал,
применяемых для отклонения луча, в звуко- и видеосистемах, в охранных системах.
В последнее время полупроводниковые лазеры, благодаря своим малым размерам,
применяются и в медицине. Лазеры с электронной накачкой перспективны в системах
проекционного лазерного телевидения.
С каждым годом лазеры все прочнее входят в промышленность и быт человека.
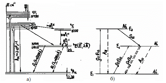
Анализ механизма создания инверсии населенностей в
трехуровневых схемах
Для того чтобы понять механизм создания инверсии населенностей в
трехуровневой схеме достаточно взглянуть на схематический рисунок (рис1). В
зависимости от того, между какими уровнями достигается инверсия, различают
трехуровневые схемы двух видов. Первого - когда рабочий переход заканчивается в
основном состоянии (рис 1.а).). Второго - когда накачка осуществляется по
возможности селективно на уровень E3 (рис
1.б).). По первой схеме строиться лазеры на рубине, а по второй гелий-неоновые
лазеры.
Рис 1 - Трехуровневая схема работы квантовых усилителей и генераторов
первого а) и второго б) типов.
Во всех трехуровневых семах канал накачки и канал усиления частично
разделены, что позволяет использовать универсальный метод оптической накачки, а
также накачку с помощью газового разряда. Возможность получения инверсии
населенностей с помощью оптической накачки в трехуровневой системе довольно
очевидна. Например, если в схеме второго типа осуществить селективные переход E1->E3, то уровень E3 окажется инверсно заселенным относительно уровня E2 (при kT<<E2-E1). Из рисунка можно заключить, что
накопление частиц на верхнем лазерном уровне (E2 в схеме первого типа и E3 - в схеме второго типа) будет в том числе, если
релаксационные процессы E1->E3 в схеме а) и E2->E1 в схеме б) идут достаточно быстро, а верхний рабочий уровень
является метастабильным.
Определяется
зависимость населенностей уровней от плотности возбуждающего излучения накачки
. Рассмотрим трехуровневую схему первого типа.
Предполагается, что возбуждение системы (накачка) осуществляется чисто
оптическим путем в канале 1->3, а внешнее возбуждение в каналах 2->3 и
1-2 отсутствует (или мало). Скорость релаксации 3-2 обозначим
. Она может осуществляться за счет излучательных и
безизлучательных переходов, так что
.
Рассматривается сначала режим усиления, когда активное вещество не находится в
резонаторе. Соответствующие переходы изображены на рис 2.
Кинетические
уравнения в этом случае для стационарного режима будут иметь вид:
;
Приняв
для простоты кратности вырождения уровней g1=g2=g3=1 и решая систему уравнений, находятся населенности
уровней:
Далее
подставляем уравнение (3) системы в (2):
Из
уравнения (2) системы выразим населенность N2 и подставим в уравнение (*):
тогда
населенность третьего уровня определяется выражением:
, а т.к. B31=B13
Зная
выражение для населенностей уровней N2 и N3 из
уравнения (3) находится из соотношения для населенности уровня N1:
Зависимость
относительной населенности уровней Ni/N от
плотности накачки согласно полученных выражений представлена на рис. 2(б). При
больших плотностях накачки населенности основного и верхнего состояний в
пределе
стремятся к

,
а
населенность уровня E2 при
стремится к
.
При
, как видно из рис 2 (б), начиная с некоторого
значения плотности накачки
между
уровнями E2 и E1будет наблюдаться инверсия населенностей (N2>N1),
Величина
называется пороговой плотностью накачки по инверсии.
С
увеличением
>
инверсия
увеличивается.
Пороговая
накачка для генерации будет превышать пороговую накачку по инверсии, поскольку
для возникновения генерации необходимо выполнить еще условия самовозбуждения.
Приравнивая выражения для N1 и N2, находиться
:
Из
проведенного рассмотрения вытекает, что для накопления частиц на уровне E2 и создания максимальной инверсии населенностей
наиболее выгодны системы с большим значением
(переход
3->2 должен быть метастабильным) и большим коэффициентом Энштейна B13 (оптический переход 1->3 должен быть разрешен)
В
кинетических уравнениях вероятность переходи
считалась
постоянной, не зависящей от скорости накачки. Это справедливо в отсутствие
генерации, когда опустошение уровня E2 за счет вынужденных переходов можно пренебречь. Если
же активное вещество помещается в резонатор, то после превышения инверсии над
некоторым пороговым значением начинает развиваться процесс генерации. Наличие
интенсивного излучения на частоте
и
связанных с этим вынужденных переходов 2->1 и 1->2 вызывает изменение
населенностей уровней. Возрастание интенсивности накачки
приводит к увеличению инверсии DN=N2-N1 и
увеличению усиления. Это увеличивает
, что в
свою очередь обуславливает выравнивает населенностей N2 и N1, т.е.
происходит процесс насыщения инверсии населенностей и коэффициент усиления.
Увеличение поступления частиц на уровень E2, вызываемое постом накачки, компенсируется
возрастанием числа активных переходов 2->1. Поэтому в режиме генерации
инверсия DN=N2-N1 остается
приблизительно постоянной, как изображено пунктирными линиями на рис 2.(б). Ее
значение примерно равно пороговой перенаселенности, при которой усиление
превышает потери в генераторе и каждая достигается при пороговой накачке,
равной
.
Принцип
работы лазера на рубине. Схема энергетических уровней рубинового лазера
Рубиновый
лазер преимущественно работает в импульсном режиме и генерирует излучение на
длине волны l=0,6943 мкм. Из-за возможностей получения больших
импульсных мощностей, а также наличия рубиновых кристаллов высокого оптического
качества рубиновый лазер и в настоящее время один из наиболее известных
твердотельных лазеров.
Рубин
- драгоценный материал, в чистом виде редко встречающийся в природе. Это
диамагнитный кристалл окиси алюминия Al2O3 (a-корунда) c
парамагнитными примесными ионами хрома Cr3+. В зависимости от концентрации хрома кристалл a-корунда принимает различные цвета: 0,5% Cr - ярко
красная, более 8% Cr- зеленый цвет кристалла.
Рубиновые
кристаллы имеют стрежневую форму диаметром 0,3-2 см и длину до 30 см. Рубиновые
кристаллы оптически хорошего качества относительно легко изготавливать, они
имеют большую механическую прочность и высокую теплопроводность, облегчает
охлаждение кристалла.
Кристаллы
рубина преимущественно выращивают пламенным методом, при котором в специальной
водородно-кислородной печи располагают порошкообразные Al2O3 и Cr2O3 при
температуре свыше 2000 К, реже используют метод вытягивания кристаллического
стержня из расплава, содержащегося в тигле.
Ионы
Cr3+
изоморфно замешают в кристаллической решетке a-корунда ионы
алюминия Al3+, каждый
из которых находится в окружении шести ионов кислорода О2-,
образующих правильный октаэдр.
Ионный
радиус Al3+
составляет 0,51 А; он меньше ионного радиуса Cr3+
(0,63
A) и поэтому ион Cr3+ оказывается несколько смещенным от центра октаэдра
вдоль тригональной оси кристалла. Искажение симметрии кристалла приводит к
внутренним напряжениям и дефектам структуры кристалла. Показатель преломления
рубина для разных полярязаций и для обыкновенного луча составляет ~ 1,76.
Прочность кристалла 3800 кг/см2.
Рис
3. - Структуктура ячейки кристалла рубина
Диаграмма
уровней энергии ионов Cr3+ в
рубине состоит из двух наборов уровней (рис 2): а) характерен для состояния
иона Cr3+ со
спином S=3/2, нижний уровень набора 4А2
- основное состояние Cr3+ - имеет
два подуровня с расстояниями между ними 0,3 см-1.
Два
верхних уровня представляют собой уровни резонансного поглощения. Они состоят
из шести дублетов и вследствие неоднородности поля сильно размыты. Второй набор
уровней рис 4(б) соответствует состояниям ионов Cr3+ со спином S=1/2.
Рис 4. (а) - схема энергетических уровней и вероятностей переходов для
ионов Cr3+ в рубине при температуре Т=4,2 К и
(б) - расчетная схема энергетических уровней активного вещества трехуровневого
лазера.
Уровень
2Е - метастабильный, дважды вырожденный, расщеплен на два подуровня
с промежутком 29см-1, уровни A являются
орбитальными синглетами. Положение уровней 3F, 2Е
мало зависит от неоднородностей кристалла, и они практически не имеют уширения.
В результате спин - орбитального взаимодействия ионов Cr3+ c полем кристалла электронные состояния,
соответствующие энергетическим уровням кристалла, сказываются смешанными
состояниями. Это приводит к тому, что излучательные переходы с уровней 4F, 4F2 на 2F1 и 2Е запрещены правилами отбора
для спина. Однако между этими уровнями осуществляются интенсивные
безизлучательные переходы S32~(2…5)*107c-1 c огромным выделением тепла. При возбуждении оптической
накачкой в полосах 4F1,4F2 изменение населенностей уровней связано со
спонтанными переходами на нижние уровни, индуцированным поглощением и
излучением и безизлучательными переходами. Возбужденные квантовые частицы (ионы
хрома) с основного увовня 4А2 переходят на резонансно
поглощающиеся уровни 4F1, 4F2. Время жизни частиц в возбужденном состоянии мало.
Уровни 4F1, 4F2 вследствие спонтанного перехода частиц на основой 4А2
уровень с вероятностью А31=3*105с-1 и
безизлучательного перехода с вероятностью S32=(2…5)107c-1 на метастабильное состояние 2Е быстро
обедняются. Так как вероятность спонтанного переходя с уровня Е мала А21~3*102с-1,
то на уровнях
и
возможно
образование инверсии населенности частиц. При достижении порогового значения
инверсии DN=0,5N0 происходит спонтанное и индуцированное излучение.
Если
инверсия населенностей не достигает порогового значения, то наблюдается только
спонтанное излучение в виде люминесценции рубина на одной из двух узких линий R1(l1=6943А), либо R2 (l2=6929А) c уровней
и
соответственно. Квантовая эффективность в R-линиях
составляет ~ 0,52. Практически рубиновый лазер излучает на R1 - линии, т.к. вероятность перехода в ней выше и
скорее достижимы пороговые условия. Как видно, не все энергетические состояния
участвуют в процессе генерации индуцированного излучения. Поэтому с некоторой
долей погрешности удобно этапы поглощения и возбуждения, создания инверсии и
излучения представить в виде трехуровневой модели (рис 1 ) с соответствующими квантовыми
переходами и населенностями. Однако при этом не учитываются наличие в рубине
дуплетных состояний и второстепенных уровней, уширение уровней, т.к. принято g1=g2=g3=1. В уровень Е3 обычно включают зеленую (4F2) и синюю (4F1) полосы поглощения, играющие основную роль в
возбуждении уровней
и
. Эти
уровни характеризуются большой скоростью релаксации колебаний кристаллической
решетки. Основное состояние Е1 при температуре Т=300 К можно
рассматривать как один уровень вырождением g1=4. В кристалле рубина с массовой концентрацией хрома,
равной 0,05%, при температуре Т=300 К вероятность безизлучательного перехода
составляет около 2*107с-1, а время жизни квантовых частиц
в метастабильном состоянии равно приблизительно 3*10-3с. Если
проводить накачку световым потоком, параллельным оси Z рубина, то
показатель поглощения для генерации R1 - линии составляет 0,4 см-1, а поперечное
сечение поглощения равно 2,5*10-20 . Обычно при практических
расчетах рубинового лазера применяется приближенная трехуровневая модель
состояний.
Рубиновые
лазера, в настоящее время применяются менее широко как когда то, поскольку они
были вытеснены лазерами на основе Nd:YAG или лазеры
на стекле с неодимом. Поскольку рубиновый лазер на самом деле работает по
трехуровневой схеме, необходимая пороговая энергия накачки приблизительно на
порядок превышает соответствующую величину для Nd:YAG
лазера таких размеров. Однако рубиновые лазеры все еще широко применяются в
некоторых научных и технических исследованиях, для которых более короткая длина
волны генерации рубина дает существенное преимущество перед Nd:YAG.
Создание
лазера стало возможным после того, как были найдены способы осуществления
инверсной населенности уровней. В построенном Мейманом первом лазере рабочим
телом был цилиндр из рубина. Диаметр стержня был порядка 1 см, длина - около 5
см. Торцы стержня были отполированы и представляли собой строго параллельные
друг другу зеркала. Один торец покрывался плотным непрозрачным слоем серебра,
другой торец покрывался таким слоем серебра, который пропускал около 8% у
павшей на него энергии. В лазере рубин освещается импульсной ксеноновой лампой,
которая дает свет с широкой полосой частот.
Работа лазера в режиме модулированной добротности
Метод модуляции добротности позволяет получать лазерную генерацию в виде
коротких импульсов (длительностью от нескольких наносекунд до нескольких
десятков наносекунд) с высокой пиковой мощностью (от нескольких мегаватт до
нескольких десятков мегаватт). Принцип работы лазера в режиме модуляции
добротности состоит в следующем. Предположим, что в резонатор лазера помещен
затвор. Если затвор закрыт, то генерация не может возникнуть и, следовательно,
инверсия населенностей может стать очень большой. Если теперь быстро открыть
затвор, то усиление в лазере будет существенно превышать потери и накопленная
энергия выделится в виде короткого и интенсивного импульса света. Поскольку при
этом происходит изменение добротности резонатора от низких до высоких значений,
такой метод называют модуляцией добротности. При условии, что затвор
открывается за время, которое является коротким по сравнению со временем
линейного развития лазерного импульса (быстрая модуляция добротности), выходное
излучение состоит из одиночного гигантского импульса. В случае же медленного
открывания затвора в генерации может возникнуть несколько импульсов. В самом
деле, энергия, накопленная в активной среде до момента полного открывания
затвора, высвечивается в виде последовательных порций, каждая из которых
соответствует излучению импульса. Каждый импульс приводит к тому, что усиление
становится ниже мгновенного порогового значения и подавляет тем самым генерацию
до тех пор, пока продолжающееся открывание затвора не приведет к уменьшению
потерь в резонаторе лазера и, следовательно, не понизит порог генерации.
Электрооптические затворы
Эти затворы основаны на электрооптическом эффекте, таком, как эффект
Поккельса. Электрооптическая ячейка, основанная на эффекте Поккельса (ячейка
Поккельса), представляет собой устройство, в котором при приложении к нему
постоянного электрического напряжения возникает двойное лучепреломление.
Величина наведенного двойного лучепреломления пропорциональна приложенному
напряжению. На рис. 6 показана схема лазера, в котором модуляция добротности
осуществляется затвором, состоящим из поляризатора и ячейки Поккельса.
Рисунок 6 - Взаимное расположение поляризатора и ячейки Поккельса в
резонаторе, используемых для модуляции добротности.
В правой части рисунка (за штриховой линией) показано взаимное
расположение вектора поляризации выходного излучения, оси поляризатора и осей,
между которыми возникает двулучепреломление в ячейке Поккельса (X, Y).
К ячейке Поккельса прикладывается смещающее напряжение таким образом, что
оси Х и Y наведенного двойного лучепреломления
лежат в плоскости, перпендикулярной оси резонатора лазера. Ось поляризатора
составляет угол 45° с осями двойного лучепреломления. Рассмотрим теперь
световую волну, которая после активной среды попадает в систему поляризатор -
ячейка Поккельса. При соответствующем значении приложенного к ячейке Поккельса
напряжения (порядка 1-5 кВ) двойное лучепреломление может привести к тому, что
прошедший через поляризатор линейно-поляризованный свет после того, как он
пройдет затем через ячейку Поккельса, станет циркулярно-поляризованным. После
отражения от зеркала этот циркулярно-поляризованный свет еще раз проходит через
ячейку Поккельса и снова преобразуется, но уже в линейно-поляризованный свет,
поляризация которого теперь перпендикулярна его исходной поляризации.
Следовательно, это излучение уже не пропускается поляризатором. Таким образом,
такое состояние соответствует закрытому затвору. Затвор открывается при снятии
напряжения с ячейки, поскольку при этом двойное лучепреломление исчезает и
падающий свет проходит без изменения поляризации.
Механические затворы
Слово "механический" означает, что модуляция добротности
осуществляется механически, т. е. вращением одного из зеркал лазера вокруг оси,
перпендикулярной оси резонатора (рис.7). Чтобы избежать генерации нескольких
импульсов, скорость вращения зеркала должна быть очень большой. Для резонатора
длиной L == 50 см требуются скорости вращения
порядка 30 000 об/мин.
Рисунок 7 - Схема модуляции добротности вращающимся зеркалом.
Затворы на основе насыщающихся поглотителей
Такие затворы дают наиболее простой метод модуляции добротности. В этом
случае затвор представляет собой кювету, наполненную некоторым насыщающимся
поглотителем, который поглощает свет, длина волны которого совпадает с длиной
волны лазерного излучения.
Обычно в качестве такого поглотителя используется раствор органического
красителя (например, в случае Nd: YAG-лазера применяют краситель,
известный под названием BDN).
Поглотитель можно представить себе как двухуровневую систему с очень большим
пиковым сечением перехода (в случае насыщающихся поглощающих красителей эта
величина обычно составляет 10~16 см2). При этом из Is=hw/ следует, что соответствующая интенсивность насыщения Is сравнительно мала и при сравнительно
низкой интенсивности падающего света поглотитель становится почти прозрачным
(благодаря насыщению). Предположим теперь, что мы поместили кювету с красителем
в резонатор лазера и длина волны, при которой поглощение раствора красителя
максимально, совпадает с длиной волны генерации лазера. Для определенности
допустим также, что начальное (т. е. ненасыщенное) поглощение в кювете с
красителем составляет 50%. В рассматриваемом лазере генерация может начаться
только при условии, что усиление активной среды скомпенсирует потери в кювете, а
также потери, обусловленные поглощением в резонаторе при отсутствии насыщения.
Вследствие большого поглощения в кювете с красителем критическая инверсия
населенностей оказывается очень высокой. С момента генерации интенсивность
лазерного излучения начнет нарастать от уровня спонтанных шумов (рис. 8). Когда
интенсивность становится сравнимой с Is (при t=ts, как показано на рис. 8), краситель
начнет просветляться благодаря насыщению поглощения. Вследствие этого
возрастает скорость нарастания интенсивности лазерного излучения, что в свою
очередь приводит к увеличению скорости просветления красителя, и т. д.
Поскольку величина Is
относительно мала, в активной среде инверсия населенностей после
просветления по существу остается той же самой, что и до просветления
красителя (т. е. очень высокой). Следовательно, усиление лазера после
просветления красителя значительно превышает потери, и как следствие этого на
выходе лазера появится гигантский импульс (рис. 8).
Рисунок 8 - Типичная временная зависимость интенсивности I лазерного пучка в резонаторе длиной
60 см с пассивной модуляцией добротности, осуществляемой насыщающимся
поглотителем. Величина In - это интенсивность шума в данной моде, обусловленного спонтанным
излучением. Приведена также длительность импульса (~30 нс), измеренная на
полувысоте.
Акустооптическая модуляция добротности
Акустооптический модулятор представляет собой оптически прозрачное
вещество (например, кварцевое стекло для видимого диапазона и германий для ИК-диапазона),
в котором с помощью пьезоэлектрического преобразователя возбуждается
ультразвуковая волна. Наличие ультразвуковой волны приводит к тому, что это
вещество работает как фазовая решетка. Действительно, вызываемые ультразвуковой
волной деформации приводят к локальным изменениям показателя преломления
вещества (фотоупругий эффект). Период такой решетки равен длине волны
акустических колебаний, а ее амплитуда пропорциональна амплитуде ультразвука.
Если акустооптическую ячейку поместить в резонатор лазера (рис. 9), то при
приложении напряжения к преобразователю в резонаторе возникнут дополнительные
потери. Действительно, часть лазерного пучка будет дифрагировать на
индуцированной фазовой решетке и выходить из резонатора. Если прикладываемое
напряжение сделать достаточно высоким, то эти дополнительные потери могут
привести к срыву генерации. Затем, снимая напряжение с преобразователя, мы
можем снова восстановить в лазере высокую добротность резонатора.
Рисунок 9 - Схема устройства лазера, в котором модуляция добротности
осуществляется акустооптическим модулятором.
Рис. 10 - Развитие импульса в лазере с модуляцией добротности, работающем
в импульсном режиме. На рисунке показаны временные зависимости скорости накачки
Wp, потерь резонатора у, инверсии
населенностей N и числа фотонов q.
Наиболее эффективные методы модуляции добротности лазера
1. Одно из двух зеркал резонатора вращается вокруг оси. Потери в
резонаторе будут очень высокими на протяжении всего цикла, за исключением
короткого интервала времени, соответствующего параллельному расположению
зеркал. Этот момент времени соответствует включению добротности.
. Внутри резонатора имеется специальный элемент - оптический модулятор, оптические
свойства которого можно изменять с помощью внешних воздействий. Наиболее часто
для этих целей используют электрооптические модуляторы, работающие на основе
электрооптических эффектов в кристаллах.
. Внутри резонатора имеется насыщающийся поглотитель, т. е. вещество,
показатель поглощения которого уменьшается (насыщается) с ростом интенсивности
излучения. Наиболее часто здесь применяют просветляющиеся красители. Эффект
просветления определяется переходом поглощающих молекул красителя в возбужденное
состояние и связанным с этим уменьшением показателя поглощения.
Первый и второй методы модуляции добротности являются активными, а третий
- пассивным. В последнем случае потери в резонаторе регулируются автоматически.
Расчет пороговой энергии накачки, выходной энергии и средней
за время импульса мощности излучения твердотельного лазера на рубине,
работающего в режиме модулированной добротности с пассивным затвором при
использовании водяного охлаждения
Рассчитаем
выходную и пороговую энергии твердотельного лазера, работающего в режиме
модулированной добротности с пассивным затвором [5]. Лазер имеет следующие
параметры: lЭ=7,5см; d Э=0.48см; l
A=7.1см; L=21см; ZP=0.033;21=2.410
см
; R31=0.32;
0=0.24; =0.83; b=0.395; qСВ=0.569. Коэффициенты и постоянные, используемые при
расчете, имеют следующие значения: m=4; g1=4; g2=2;
R1=4.3202910
Гц; R2=4.329610
Гц;Э=1.76;
КВ=1.5; СР=1.35; k=1.3810
эргград
; kc=7.85; В=0.6943
см; Т=300К. Используется водяное охлаждение.
Определение
потерь на излучение при закрытом затворе. Коэффициент отражения торца активного
элемента определяется по следующей формуле:
R
=(
)
=(
)
=0.076
Коэффициент
отражения от передней грани переключателя добротности:
R
=(
)
=(
)
=0.04
Коэффициент
отражения выходного зеркала с учетом интерференционных явлений:
R
=
=
= 0,529
Коэффициент
отражения:
R
=
=
=0.203
Потери
на излучение определяются следующим образом:
K
=
ln
=
ln
= 0,10545
см
Потери
на излучение при открытом затворе определяются следующим выражением:
K
=
ln
=
ln
=0.0518
см
Расчет
пассивных потерь в резонаторе
Пассивные
потери, обусловленные линзовым эффектом в активном элементе, определяются
следующей формулой:
p
=
=
=0.0387 см
Потери,
обусловленные поглощением в активном элементе:
=7.85
0.033
=0.00854
см
.
Пассивные
потери в резонаторе находятся по формуле:
0.0387+0.00854=0.0472
см
4 Полные потери в резонаторе при закрытом затворе определяются
согласно следующей формуле:
K
=
+K
=0.0472+0.10545=0.15265 см
5 Полные потери в резонаторе при закрытом затворе:
K
=
+K
=0.072+0.0518=0.1238 см
Определение
отношения максимальной относительной инверсной населенности к минимальной.
Отношение между полными потерями в резонаторе:
K
=K
/K
= 1,233
По
графику ___ находим ln z = 0.80, откуда
z =
=
2.225 __
6 Определение предельного коэффициента усиления. Концентрация активатора:
n
= 4.55
10
Z
=4.55
10
0.033 =
1.501
10
см
Искомое
значение равно:
=
= 2.4
10
1.501
10
=0.36 см
.
7 Максимальная относительная инверсная населенность определяется
следующей формулой:
=0.15265/0.36=0.424.
8 Минимальная относительная инверсная населенность:
0.424/2.225=0.19.
9 Определение коэффициента H:
H=
=
=0.935
10 Определение максимальной относительной инверсной населенности уровней
периферийной части активного элемента:
=
=(K
- 0.5A)/(A+2HK
).
Коэффициент
K
при жидкостном охлаждении (
=1.3 - 1.4) может быть определен следующим образом:
K
=k
-k
d
+k
d
+k
d
Z
=
=
=
=0.03
Тогда
=(0.56-0.5
0.03)/(0.03+2
0.935
0.56)=0.505
11 Эффективная площадь генерирования активного элемента:
S
=
=
=
=0.247
см
.
12 Энергетический коэффициент связи между выходной энергией импульса
излучения и полной энергией, выделяемой в резонаторе, определяются следующим
выражением:
B=
=
=
=2.68
13 Выходная энергия определяется следующим образом:
E
=65.2Z
S
I

/B=
=65.2
0.033
0.247
7.1(0.424-0.19)/2.68=0.329 Дж.
14 Определение пороговой энергии накачки. Функция накачки активного
элемента определяется следующим образом:
=exp
=0.0345.
Тогда
фактор связи:

Дж
.
Полученные
данные позволяют определить пороговую энергию:
E
=
ln
209,9 Дж.
15 Длительность импульса равна:
.
Здесь
- коэффициент заполнения резонатора;
V = 1.7
10
см/c -
скорость распространения света в рубине; L - длина
резонатора.
K
=1.76
7,5/(21-7,5+1.76
7,5)=0.494
Тогда
=2.21
10
с.
16 Средняя за импульс мощность излучения:
W=E
/
= 0.329/2.21
10
=14,8
10
Вт.
Расчет
выходной энергии излучения и пороговой энергии накачки твердотельного лазера на
рубине, работающего в режиме свободной генерации
Лазер
имеет следующие параметры: lЭ=7,5см; dЭ=0.48см; lA=7.1см;
L=21см; ZP=0.033; 21=2.410
см
; R31=0.32;
0=0.24; =0.83; b=0.395; qСВ=0.569. Коэффициенты и постоянные, используемые при
расчете, имеют следующие значения: m=4; g1=4; g2=2;
R1=4.3202910
Гц; R2=4.329610
Гц;Э=1.76;
КВ=1; СР=1.35;k=1.3810
эргград
; kc=7.85; В=0.6943
см; Т=300К. Энергию накачки выбрать из условия E
=(1.5-3.5)E
.
Для
проведения инженерных оценочных расчетов определения выходной энергии лазера в
режиме свободной генерации могут быть использованы те же соотношения, что и при
расчете лазера в режиме модулированной добротности .
Энергия
излучения рубинового лазера в режиме свободной генерации оценивается следующим
выражением:
E
=
, где
=65.2Z
S
l
f
Пороговая
энергия накачки определяется так:
E
Коэффициент
K
находится из соотношения:
K
Производим
необходимые расчеты:
K
=
=0.76
Находим
пороговую энергию накачки:
E
=
=65,3Дж.
Коэффициент
равен:
=65.2Z
S
l
f
=65.2
0.033
0.247
7.1
5.55
10

=14,37
10
.
Выходная
энергия излучения лазера будет равна:
E
=
=
=1.5
14,37
10
65,3=1,475
Дж.
Выводы
твердотельный лазер модулированная добротность
В данной курсовой работе мы рассмотрели и изучили работу твердотельного
лазера в режиме модулированной добротности с пассивным затвором при
использовании водяного охлаждения и свободной генерации.
В режиме модулированной добротности получили выходную энергию
Евых = 0,329 Дж, среднюю за время импульса мощность излучения W=14,8*106Вт.
В режиме свободной генерации получили выходную энергию излучения Евых=1,475Дж,
пороговую энергию накачки Еп=65,3Дж.
Список использованной литературы
1. Пихтин.,
Физические основы квантовой электроники и оптоэлектроники. - Москва: Высшая
школа, 1981
. Звелто О.,
Принципы лазеров. - Москва: Мир, 1984 - 400с.
.
Методические указания к выполнению курсовой работы. - Сумы: изд-во СумГУ, 2000
- 29с.