дизель автомобиля
План
1.Теоретическая
часть
1.1 Назначение
системы питания дизеля
1.2 Приборы системы питания дизеля
1.2.1
Фильтр грубой очистки топлива
1.2.2 Фильтр
тонкой очистки топлива
1.2.3 Топливоподкачивающий
насос
1.2.4 ТНВД
1.2.5
Форсунки
1.2.6
Регулятор вращения коленчатого вала
1.2.7 Система
подачи и очистки воздуха
1.3 Работа системы
питания дизеля
2
Технологическая часть
2.1 Регулировка
топливного насоса высокого давления
2.2
Приспособление и инструмент при ремонте
2.3 Техника
безопасности
Заключение
Список
литературы
Графическая
часть
Схема работы
секции насоса высокого давления
Содержание
Введение. . . . . . . .
. . . . . . . . . . . . . . . . . . . . . . .6
1 Теоретическая
часть. . . . . . . . . . . . . . . . . . . 7
2 Технологическая
часть. . . . . . . . . . . . . . . . 24
Заключение. . . . . . .
. . . . . . . . . . . . . . . . . . . . .26
Список используемой
литературы. . . . . . . . .27
Графическая
часть
Схема работы
секции насоса высокого давления
Введение
Основной задачей автотранспорта является полное и своевременное
удовлетворение потребностей в перевозке и доставке народнохозяйственных грузов
на основе повышения качества и мощности работы всей транспортной системы.
Организационно-техническая перестройка АРП в последние годы
ускорилась в связи с изменением социально – экономических условий
хозяйствования в нашей стране. Наряду с развитием традиционных ведомственных и
самостоятельных АРП производственные объединения автомобильной промышленности
создали и развивают фирменные системы обслуживания и ремонта автомобилей новых
моделей. Наиболее развитой в нашей стране является фирменная система
акционерного общества КамАЗ. Она имеет в своем составе около 200 автоцентров и
4 завода по ремонту агрегатов КамАЗ. В период наибольшего развития годовая
производственная программа завода по ремонту двигателей в г. Набережные
Челны достигла 50 тыс. двигателей, что не уступает лучшим зарубежным ремонтным
заводам. Такая программа позволяет применить высокопроизводительное
технологическое оборудование и достигать высокого качества ремонта.
В данном курсовом проекте мы исследуем топливную систему
автомобиля КамАЗ-5320, определяем возможные неисправности топливной аппаратуры
и в частности подробно рассматриваем ТНВД. Составляем схему технологического
процесса, для более быстрого определения последовательности ремонтных работ,
проводим анализ работ по ТБ и охране труда при ремонте топливной аппаратуры в
условиях АТП.
1
Теоретическая часть
1.1 Назначение
системы питания дизеля
Система питания дизельного
двигателя предназначена для обеспечения запаса топлива на автомобиле, очистке
топлива и равномерного распределения его по цилиндрам двигателя строго
дозированными порциями в соответствии с порядком работы, скоростным и
нагрузочным режимом работы двигателя. Основные отличия дизельного двигателя от
карбюраторного состоят в следующем: в дизельном двигателе чистый воздух
засасывается в цилиндры и в них подвергается очень высокой степени сжатия.
Вследствие этого в цилиндрах создается температура, превышающая температуру
воспламенения дизельного топлива.
1.2 Устройство
системы питания дизеля
Топливо заливается в бак. Уровень топлива, находящегося в баке,
можно контролировать по указателю. Топливо из бака по трубке направляется в
фильтр-отстойник, где очищается от грубых механических примесей и воды, и
поступает к подкачивающему насосу. Подкачивающий насос захватывает топливо и
под небольшим давлением проталкивает через фильтр гонкой очистки,
а затем подает уже полностью очищенное — в топливный насос высокого давления. Из
насоса топливо в нужный момент и в необходимом количестве под высоким давлением
направляется к форсунке, которая впрыскивает его в мелкораспыленном виде в
камеру сгорания дизеля. Топливо, просочившееся через зазоры между деталями
форсунок, от одной из них направляется по трубке в турбокомпрессор для смазки
клапанов механизма газораспределения, а от остальных — по трубке сливается в
топливный бак.
Воздух, подаваемый в цилиндры двигателя, очищается
от механических примесей в воздухоочистителе, а затем прямо или через
турбокомпрессор (в зависимости от конструкции дизеля) направляется в цилиндры,
и происходит смесеобразование.
Состояние воздухоочистителя у некоторых тракторов
можно контролировать при помощи встроенного индикатора засоренности.
Необходимая частота вращения коленчатого вала при
меняющейся нагрузке на двигатель автоматически поддерживается регулятором.
Для быстрой остановки двигателя при аварийной
ситуации служит заслонка, а для облегчения пуска дизеля и холодную погоду на
некоторых из них ставят элекрофакельный подогреватель, получающий топливо из
бачка. Отработавшие газы из цилиндров выходят в атмосферу через глушитель.
1.2.1 Фильтр
грубой очистки топлива Фильтр грубой очистки топлива предназначен для очистки
топлива от грубых механических примесей и воды и работает как отстойник.
Фильтр грубой
очистки топлива двигателя ЯМЗ - 236М состоит из корпуса с крышкой и сменного
фильтрующего элемента из хлопковой нити, намотанной на металлический трубчатый
перфорированный каркас. Плотное соединение фильтрующего элемента с корпусом и
крышкой достигается тем, что трехгранные кольцевые рёбра крышки и днища корпуса
вдавливаются в мягкие торцевые поверхности фильтра.
Топливо по
трубопроводу поступает в полость между стенками корпуса и фильтрующим
элементом. Пройдя через фильтр очищенное топливо поступает внутрь каркасной
трубки и далее к топливоподкачивающему насосу. На внешней поверхности
фильтрующего элемента и на днище корпуса осаждаются механические примеси. Для
удаления воздуха при замене фильтра в верхней части крышки иметься резьбовое
отверстие, закрытое пробкой.
На двигателях
КамАЗ – 740.10 и ЗИЛ – 645 фильтр грубой очистки состоит из корпуса, крышки, распылителя,
отражателя, фильтрующей сетки и успокоителя. Топливо подаётся к распылителю и
стекает по отражателю в корпус. Крупные механические примеси и вода осаждаются
на дне корпуса, а топливо, прошедшее фильтрующую сетку, поступает по
трубопроводу низкого давления к топливоподкачивающему насосу.
Рисунок 1 - Фильтры грубой очистки топлива двигателей:
а — ЯМЗ-236М; б — КамАЗ-740.10 и ЗИЛ-645;1 — сливная пробка; 2 — фильтрующий
элемент; 3 — корпус; 4 и 7 и 13 — отврстия; 5 — крышка; 6 — пробка; 8 —
прокладка; 9 — распылитель; 10 — отражатель; 11 — фильтрующая сетка; 12 —
успокоитель.
На двигателях КамАЗ-740.10 и ЗИЛ-645 фильтр грубой
очистки состоит из корпуса, крышки, распылителя, отражателя, фильтрующей сетки
и успокоителя. Топливо подается к распылителю и стекает по отражателю в корпус.
Крупные механические примеси и вода осаждаются на дне корпуса, а топливо,
прошедшее фильтрующую сетку, поступает по трубопроводу низкого давления к
топливо подкачивающему насосу.
1.2.2 Фильтр тонкой очистки топлива топлива
предназначен для очистки топлива от более мелких примесей. Фильтр двигателей
ЯМЗ-236М состоит из корпуса, крышки и фильтрующего элемента,
представляющего собой перфорированный металлический трубчатый каркас,
обмотанный тканью, на котором сформирована фильтрующая масса из древесной муки,
пропитанной пульвербакелитом. Фильтрующий элемент прижат к крышке пружиной.
Топливо, подаваемое топливо подкачивающим насосом, заполняет полость корпуса и
проходит через фильтрующий элемент, далее поднимается вдоль стержня крепления и
поступает к насосу высокого давления. В крышке ввернут штуцер с калиброванным
отверстием, через которое топливо сливается в бак.
На двигателях КамАЗ-740.10 и ЗИЛ-645 фильтр тонкой очистки топлива
состоит из крышки, двух корпусов со стержнями и фильтрующих элементов, прижатых
к крышке пружинами. Фильтрующие элементы, изготовленные из специальной бумаги,
работают параллельно.

Рисунок 2 - Фильтры тонкой очистки топлива двигателей:
а — ЯМЗ-236М; б — КамАЗ-740.10 и ЗИЛ-645; 1 — сливная пробка; 2 — пружина
фильтрующего элемента; 3- 11 ,13 и 14 — прокладки; 4 — фильтрующий элемент; 5—
корпус; 6— стержень; 7— крышка; 8 и12— пробки;9— штуцер с калиброванным
отверстием; 10— болт.
1.2.3 Топливоподкачивающий насос (рис. 1) поршневого
типа, предназначен для подачи топлива из бака к насосу высокого давления. Насос
работает следующим образом. Роликовый толкатель 3, прижимаемый пружиной 4
(рис. 2) к эксцентрику 1 вращающегося кулачкового валика насоса высокого
давления, получает возвратно-поступательное движение вдоль расточки в корпусе
насоса. Когда поршень под действием пружины 12 опускается вниз, в надпоршневой
камере 13 создается разрежение, всасывающий клапан 7 открывается, и топливо
засасывается в надпоршневую камеру (рис. 2,а). К концу хода поршня давление в
топливном баке и надпоршневой камере выравнивается и всасывающий клапан
закрывается.

При
движении поршня вверх (рис. 2 ,б)
под действием толкателя, на который давит эксцентрик, сжимается пружина 72,
всасывающий клапан остается закрытым, топливо выталкивается из надпоршневой
камеры 13 через открывающийся под действием избыточного давления
нагнетательный клапан 9 в нагнетательный канал и направляется к фильтру тонкой
очистки. Одновременно под действием разрежения, образующегося под поршнем,
топливо заполняет подпоршневую камеру 6. При последующем движении поршня вниз
при заполнении топливом надпоршневой камеры нижней частью поршня топливо выталкивается
из подпоршневой камеры в нагнетательный канал и направляется к
фильтру тонкой очистки.
Количество подаваемого насосом топлива зависит от
расхода его топливным насосом высокого давления и регулируется автоматически.
Регулировка
осуществляется в результате изменения хода поршня, который зависит от давления
в системе нагнетания. При возрастании давления в нагнетательном канале
(вследствие избыточного количества топлива в насосе высокого давления и в
трубопроводе при высокой частоте вращения коленчатого вала двигателя или при
засорении фильтра тонкой очистки) повышается давление и в подпоршневой камере
6. Поэтому при последующем ходе вниз поршень преодолевает повышенное
сопротивление топлива, находящегося в поршневой камере.
Так
как поршень не соединен с толкателем жестко, то наступает момент, когда усилие
пружины 12 уравновешивается давлением топлива в подпоршневой камере, поршень
останавливается, занимая среднее положение (как бы «зависает»). Таким образом,
между поршнем и толкателем, опустившимся вниз под действием пружины 4, в дальнейшем
при Сдвижении толкателя вверх шток перемещает поршень в исходное положение.
Следовательно, перемещение поршня вниз зависит от расхода топлива (чем меньше
расход топлива, тем значительнее противодавление, и, наоборот, чем
значительней расход топлива, тем больше ход поршня), что позволяет поддерживать
в нагнетательном канале насоса необходимое постоянное давление, не зависящее
от режима работы двигателя.
На
топливоподкачивающем насосе установлен насос ручной подкачки топлива для
опрессовки нагнетающей части топливной магистрали для удаления воздуха при
неработающем двигателе и заполнения ее топливом при обслуживании.
При вытягивании рукоятки вверх поршень поднимается, и
в цилиндре создается разрежение. В разреженное пространство цилиндра из
топливного бака через фильтр предварительной очистки и открывшийся всасывающий
клапан 25 (см. рис. 1) засасывается топливо.
1.2.4 ТНВД подает через форсунки в камеру сгорания
необходимые порции топлива в строго определенные моменты. По принципу действия
топливные насосы, применяемые на дизелях, относятся к золотниковому типу с
постоянным ходом плунжера и регулированием конца подачи топлива. Число секций
топливного насоса соответствует числу цилиндров двигателя. Каждая секция
обслуживает один цилиндр. Топливный насос дизеля ЯМЗ-236 имеет 'шесть секций, а
топливный насос дизеля КамАЗ-740 - восемь секций, объединенных в общем корпусе.
Топливные
насосы высокого давления дизелей ЯМЗ-236 и КамАЗ-740 расположены между рядами
цилиндров и приводятся в действие от зубчатых колес распределительного вала. На
одном конце вала привода топливного насоса установлено зубчатое колесо, а
другой конец вала соединен.
Рисунок
5 - Топливный насос высокого давления дизеля ЯМЗ-236:
1 -
автоматическая муфта опережения впрыскивания топлива; 2 - гайка; 3 ~ шпонка; 4
- втулка; 5 - винт-ограничитель; 6 - рейка; 7 - перепускной клапан; 8 - корпус
насоса; 9 - втулка плунжера; 10 - плунжер; 11 - ниппель; 12 и 29 - пробки; 13 -
сапун; 14 - корпус регулятора; 15 - кулачковый вал; 16 - самоподжимной сальник;
17 - конический роликоподшипник; 18 - топливоподкачивающий насос; 19 - кулачок;
20 - регулировочная прокладка; 21 - крышка подшипника; 22 - указатель уровня
масла; 23 - крышка; 24 - винт крепления крышки; 25 - верхняя
тарелка пружины; 26 - зубчатый венец;
27, 37 и 45-винты: 28 ~,)(аналотвода топлива; 30 - штуцер; 31 - упор клапана;
32 - колпачковая гайка; 33 - пружина нагнетательного клапана; 34
-нагнетательный клапан; 35 - седло нагнетательного клапана; 36 - канал подвода
топлива; 38 - поворотная втулка; 39 - пружина; 40 - нижняя опорная тарелка
пружины; 41 - регулировочный болт; 42 - контргайка; 43 - толкатель; 44 - ролик
толкателя; 46 - промежуточная опора кулачкового вала.
За
два оборота коленчатого вала кулачковый вал насоса делает один оборот, и
топливо подается во все цилиндры.
На
корпусе 8 топливного насоса высокого давления дизеля ЯМЗ-236 укреплен
топливоподкачивающий насос 18. Автоматическая муфта 1 опережения впрыскивания
топлива и регулятор частоты вращения коленчатого валобъединены с насосом в один
агрегат. Кулачковый вал 15 насоса вращается на конических роликоподшипниках 17,
выходные концы вала уплотнены самоподжимными сальниками 16. Горизонтальная
перегородка делит корпус на две части: верхнюю и нижнюю. В нижней части
расположены кулачковый вал 15 и толкатели 43, а в верхней - плунжерные пары. В
горизонтальной перегородке есть шесть отверстий и пазы для установки и
направления движения толкателей. Кулачковый вал приводит в движение плунжеры 10
через ролики 44 толкателей 43 с регулировочными болтами 41. В нижнюю часть
корпуса насоса наливают масло через отверстие, закрытое сапуном 13, уровень
которого контролируют указателем 22.
Плунжер
10 и втулка 9 являются основными деталями отдельной секции насоса. Соединенные
вместе, они' образуют плунжерную пару. Плунжер имеет диаметр 9 мм и ход 10 мм.
Для создания высокого давления зазор между плунжером и втулкой не должен
превышать 0,0015-0,0020 мм. Положение втулки в насосе фиксируется стопорным
винтом 27. В верхней части втулки 2 (рис. 94) имеются впускное 1 и перепускное
13 отверстия. Плунжер может перемещаться внутри втулки в вертикальном
направлении и повертываться при помощи двух направляющих выступов, входящих в
пазы поворотной втулки 38. Последняя, в свою очередь, поворачивается
закрепленным на ней зубчатым венцом 26, находящимся в зацеплении с рейкой 6. В
продольный паз рейки входит стопорный винт 37, определяющий ее положение.
На
головке плунжера 3 профрезерованы две спиральные канавки 11. При наличии
спиральных канавок давление топлива с обеих сторон плунжера одинаковое (во
время подачи топлива), и долговечность секций насоса увеличивается.
На нижнем конце
плунжера сделана кольцевая проточка для опорной тарелки 40 пружины 39. Другой
конец пружины упирается в верхнюю тарелку 25, установленную в кольцевой выточке
корпуса. В верхней части каждой секции насоса 1шернут. штуцер 30 с седлом 35
нагнетательного клапана 34, пружиной 33 и упором 31 клапана. От штуцера 30
через ниппель 11 топливо поступает в топливопровод, ведущий к форсунке.
Плунжер, втулка, нагнетательный клапан и его седло из гот 00вленыс высокой
точностью из высококачественной стали, т. е.
являются прецизионными
парами, и раскомплектовывать их нельзя. Для выпуска воздуха из насоса служит
отверстие, закрываемое пробкой 29.
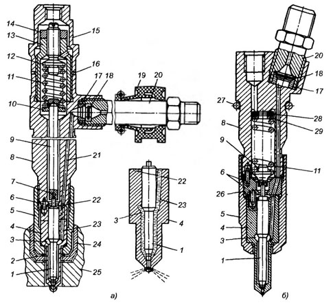
1.2.5 Форсунка служит
для подачи топлива в камеру сгорания под большим давлением в мелко распыленном
виде и обеспечивает четкую отсечку подачи топлива в конце впрыска. На дизелях
применяют форсунки нескольких типов: открытые или закрытые, с распылителем,
имеющим одно отверстие (сопло) или несколько. Закрытые форсунки могут быть
штифтовые или бесштифтовые. На дизелях марок «ЯМЗ» , «КамАЗ», «ЗИЛ»
применяют закрытые бесштифтовые форсунки. Форсунка называется закрытой, так как
сопла в распылителе закрыты иглой и только в момент впрыска топлива сообщаются
с камерой сгорания. Для выхода топлива распылитель имеет четыре сопла диаметром
0,34 мм.
Форсунка дизелей марки «ЯМЗ» состоит из корпуса, в котором имеется центральное
отверстие под штангу и наклонный топливный канал; распылителя с тщательно
обработанным осевым отверстием под иглу и топливных каналов. В нижней части
распылителя имеются четыре сопла, кольцевая проточка и два глухих отверстия под
штифты. Игла распылителя имеет цилиндрическую направляющую часть, конусные
пояски в средней и нижней частях. Распылитель с иглой крепится к корпусу
накидной гайкой. В верхней боковой части находится прилив с резьбовым
отверстием под топливный штуцер с фильтрующей сеткой. В центральной верхней
части имеется резьба под резьбовую втулку, в центральной части которой
находится резьбовое отверстие под регулировочный винт с контргайкой. Нижняя
часть винта является верхней опорной тарелкой под возвратную пружину иглы
распылителя. На штанге в верхней части крепится нижняя опорная тарелка пружины,
в нижней части запрессован шарик для плотной посадки иглы на седло. Резьбовая
втулка в верхней части закрыта колпач-ковой гайкой с резьбовым отверстием под
дренажный трубопровод.
Топливо подводится к форсунке через штуцер с сетчатым фильтром и поступает по
наклонному каналу корпуса в кольцевую проточку распылителя. Затем топливо по
трем каналам проходит в кольцевую полость (средней части распылителя),
расположенную под утолщенной (с конусным пояском) частью иглы. Под действием
топлива, поступающего в полость, игла поднимается, сжимая возвратную пружину.
Сопла распылителя открываются, и топливо впрыскивается в камеру сгорания. После
окончания впрыска давление топлива падает и под действием возвратной пружины
игла плотно садится на седло в распылителе. Давление впрыска топлива
регулируется регулировочным винтом с контргайкой в резьбовой втулке затяжкой
возвратной пружины иглы распылителя. Топливо, просочившееся между иглой и
распылителем, отводится дренажным трубопроводом в бак.

Рисунок 6 - Форсунки
дизелей: а — ЯМЗ-236; б — КамАЗ-740; 1 — игла распылителя; 2 — медная шайба; 3
— кольцевая полость; 4— распылитель; 5— накидная гайка; 6— штифт; 7— шарик; 8 —
корпус; 9 — штанга; 10 — тарелка пружины; 11 — пружина; 12 — регулировочный
винт, 13 — стакан пружины; 14 — контргайка; 15 — колпак; 16 — прокладка; 17 —
втулка; 18 — сетчатый фильтр; 19 — уплотнитель штуцера; 20 — штуцер; 21 и 23 —
каналы; 22 — кольцевая проточка; 24 — латунный стакан; 25 — головка блока
цилиндров; 26 — проставка; 27 — уплотнительное кольцо; 28 — регулировочные шайбы;
29 — опорная шайба.

Рисунок
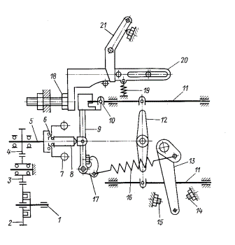
7 - Всережимный регулятор частоты вращения дизеля ЯМЗ-236:
а
- конструкция; б - схема работы; 1 и 33зубчатые колеса; 2 - кулачковый вал
топливного насоса; 4 - вал регулятора; 5 - стакан; 6 - ОСЬ грузов; 7 -
державка; 8 - вал рычагов; 9 - рычаг пружины; 10 - рейка топливного насоса; 11
- тяга; 12 - стартовая пружина рычага рейки; 13 - болт ограничителя
максимальной частоты вращения; 14 - рычаг управления регулятором; 15 - болт
ограничения минимальной частоты вращения холостого хода; 16 - крышка смотрового
люка; 17 - ось двуплечего рычага; 18 - двуплечий рычаг; 19 - пружина
регулятора; 20, 22 и 299регулировочные винты; 21 - регулировочный болт; 23 -
упорная пружина; 24 - серьга; 25 - корректор; 26 - силовой рычаг; 27 - рычаг
управления рейкой; 28 - скоба; 30 - палец; 31 - кулиса; 32 - пята; 33 - пробка
отверстия для слива масла из регулятора; 34 - подвижная муфта; 35 - груз; 36 -
резиновые сухари; I - скоба кулисы в положении «Работа»; II - скоба кулисы.
Привод
вала 4 регулятора осуществлен от кулачкового вала 2 топливного насоса через
повышающую зубчатую (зубчатые колеса 1 и 3) передачу, поэтому вал регулятора
вращается с большей частотой, чем вал топливного насоса. Это позволяет
уменьшить массу грузов и повысить чувствительность регулятора к изменению
нагрузки. Вращение от вала топливного насоса к зубчатому колесу 1 регулятора
передается не непосредственно, а через втулку, посаженную на валу на шпонке, и
резиновые сухари 36. Последние, являясь упругими элементами, гасят колебания,
возникающие при неравномерном вращении кулачкового вала топливного насоса.
Ведомое колесо 3
изготовлено как одно целое с валом регулятора. Вал вместе с напрессованной на
него державкой 7 грузов 35 вращается в шарикоподшипниках, установленных в
стакане 5. Ролики грузов упираются в подвижную муфту 34, которая во время
работы регулятора может перемещаться по державке. Передний хвостовик пяты 32
запрессован во внутреннее кольцо шарикоподшипника, расположенного в подвижной
муфте. Пята и серьга 24 находятся на одной оси, на
которой установлен и рычаг 27 управления
рейкой топливного насоса. Этот рычаг тягой 11 соединен одним концом с рейкой
10, а другим концом (пальцем 30) с кулисой 31. Палец 30 входит в вырез кулисы.
Скоба 28 управления кулисой может занимать два положения: «Работа» (положение
1) и «Стоп» (положение III).
На
оси 17 установлены силовой 26 и двуплечий 18 рычаги. Рычаг 18 пружиной 19
соединен с рычагом 9, закрепленным на валу 8 вместе с рычагом 14 управления
регулятором. Последний, в свою очередь, связан тягой с педалью, находящейся в
кабине водителя. Силовой рычаг 26 соединен с нижними отверстиями серьги 24
отдельным пальцем.
При
вращении вала 4 регулятора грузы 35 стремятся разойтись. При этом они роликами
нажимают на подвижную муфту 34, которая перемещается в правую сторону, и
поворачивают рычаг 26 относительно оси 17 против часовой стрелки. Пружина 19
препятствует повороту рычага 26, так как она действует на него через рычаг 18 и
регулировочный винт 20. Следовательно, пружина 19 препятствует расхождению
грузов. Если рычаг 14 управления регулятором повернуть против часовой стрелки,
то вместе с ним повернется рычаг 9, растягивая пружину 19. При повороте рычага
14 по часовой стрелке уменьшается натяжение пружины 19. В крайних положениях
рычаг 14 соприкасается с болтами 13 и 15 ограничения соответственно
максимальной и минимальной частоты вращения. Зубчатые колеса и шарикоподшипники
регулятора смазываются дизельным маслом, заливаемым в корпус до определенного
уровня.
Регулятор
работает следующим образом. Когда двигатель не работает, скоба 28, управляющая
кулисой 31, находится в положении 1. Рычаг 14 соприкасается с болтом 15. В этом
случае пружина 19, действуя на рычаги 18, 26 и на упорную пяту 32, смещает
подвижную муфту 34 в крайнее левое положение. При этом рычаг 27 проворачивается
относительно пальца 30 против часовой стрелки и через тягу 11 устанавливает
рейку 10 топливного насоса в положение, соответствующее максимальной подаче
топлива. Этому способствует и стартовая пружина 12, постоянно стремящаяся
передвинуть рейку в положение пуска двигателя.
Когда
двигатель пущен, вал 4 с державкой 7 и грузами 35 начинает вращаться. Грузы под
действием центробежных сил расходятся и перемещают подвижную муфту 34 и упорную
пяту 32 в правую сторону. Рычаги 26 и 18 повертываются против часовой стрелки,
преодолевая усилие пружины 19. Одновременно, с перемещением упорной пяты рычаг
27 поворачивается относительно пальца 30 кулисы 31 по часовой стрелке, что
приводит к передвижению" рейки 10 тягой 11 в сторону уменьшения подачи
топлива. Перемещение рычажной системы продолжается до тех пор, пока центробежные
«илы грузов не уравновесятся силой пружины 19. При этом рейка топливного насоса
займет определенное положение.
Необходимую
частоту вращения коленчатого вала устанавливает водитель, нажимая на педаль
управления подачей топлива. В этом случае рычаги 14 и 9 повертываются против
часовой стрелки, вследствие чего возрастает натяжение пружины 19, действующей
на рычаг 26, упорную пяту 32 и рычаг 27. Последний поворачивается относительно
пальца 30 кулисы 31 против часовой стрелки. Рейка топливного насоса
перемещается в сторону увеличения подачи топлива, и частота вращения
коленчатого вала повышается до тех пор, пока центробежные силы грузов не
уравновесятся силой пружины 19. Установившаяся частота вращения коленчатого
вала автоматически поддерживается регулятором следующим образом. При уменьшении
нагрузки на двигатель частота вращения коленчатого вала возрастает, так как в
цилиндры поступает то же количество топлива.
Грузы
регулятора расходятся на больший угол, перемещают рычажную систему в сторону,
соответствующую уменьшению подачи топлива, и восстанавливают нарушенный режим
частоты вращения с точностью до ± 30 об/мин.
При
увеличении нагрузки на двигатель (и неизменной подаче топлива насосом) частота
вращения коленчатого вала снижается. Центробежные силы грузов уменьшаются,
грузы сходятся, рычажная система под действием пружины 19 перемещает рейку 10
топливного насоса в сторону увеличения подачи топлива до восстановления
нарушенного равновесия (режима).
Двигатель
останавливают прекращением подачи топлива в цилиндры, для чего скобу 28
управления кулисой 31 перемещают вниз в положение II (<<Стоп») рычагом,
находящимся в кабине. Этот рычаг соединен тросом со скобой. При перемещении
скобы управления кулисой вниз рычаг 27 поворачивают относительно оси,
проходящей через упорную пяту 32, по часовой стрелке и тягой 11 передвигают
рейку 10 в положение «Подача выключена».
После
остановки двигателя скобу управления вместе с кулисой возвращают в пусковое
положение, чему способствует возвратная пружина, установленная на втулке
кулисы. Силовой рычаг 26 под действием пружины 19 перемещается в крайнее левое
положение, регулировочный болт 21 упирается в вал 8, а рейка 10 передвигается
пружиной 12 в положение, соответствующее пуску двигателя.
Максимальную
частоту вращения коленчатого вала двигателя изменяют при помощи болта 13, а
минимальную частоту вращения холостого хода - болта 15 и винта 20. Часовую
подачу топлива насосом при его регулировке на стенде можно изменять болтом 21.

Рисунок
8 - Схема регулятора частоты вращения дизеля КамАЗ-740:
1
- кулачковый вал; 2 - ведущее зубчатое колесо; 3 - промежуточное зубчатое
колесо; 4 - зубчатое колесо регулятора; 5 - державка грузов; 6 - упорный
шарикоподшипник; 7 - груз; 8 - муфта; 9 - рычаг регулятора; 10 - палец; 11 -
рейки; 12 ~ рычаг реек; 13 - рычаг управления регулятором; 14 - болт
ограничения максимальной частоты вращения; 15 - болт ограничения минимальной
частоты вращения; 16 - пружина рычага управления регулятором; 17 -
промежуточный рычаг; 18 - регулировочный болт подачи топлива; 19 - пружина; 20
- рычаг выключения подачи топлива; 21 - рычаг остановки двигателя.
1.2.7 Система подачи и очистки воздуха На дизеле
применен воздухоочиститель без масла, двухступенчатый, с автоматическим отсосом
пыли и сменным фильтрующим элементом. Колпак 1 для забора воздуха установлен
сзади кабины 1О, а воздухоочиститель 6 прикреплен к левому лонжерону рамы.
Воздухоочиститель состоит из корпуса 11, фильтрующего элемента 12, крышки 18,
соединенной с корпусом защелками 15. В качестве фильтрующего элемента
используется гофрированный картон.
При
работе двигателя воздух через сетку в колпаке 1 проходит по трубам в
воздухоочиститель б. По входному патрубку 13 воздух попадает в первую ступень
очистки с инерционной решеткой и резко изменяет направление. Крупные
механические частицы отделяются от воздуха и под влиянием разрежения, которое
передается через патрубок 7, отсасываются отработавшими газами в атмосферу. Для
этой цели в выпускном трубопроводе двигателя установлен эжектор, соединенный
трубопроводом с патрубком 7. Далее воздух проходит через микропоры картона
(вторая ступень) и уже очищенный по трубе 8 поступает во впускной трубопровод 4
двигателя. Ориентировочный срок службы фильтрующего элемента составляет около
1000 ч.

Рисунок
9 - Система подачи и очистки воздуха дизеля КамАЗ-740:
а
- система подачи воздуха; воздухоочиститель; 1 - колпак; 2 -.труба воздухозаборника;
3 - индикатор; 4 - левый впускной трубопровод; 5 - входная труба; 6 -
воздухоочиститель; 7 - патрубок отсоса пыли; 8 - выходная труба; 9 - борт
кузова; 10 - кабина; 11 - корпус воздухоочистителя; 12 - фильтрующий элемент;
13 - входной патрубок; 14 - уплотнительное кольцо; 15 - защелка крепления
крышки; 16 - держатель фильтрующего элемента; 17 - гайка крепления фильтрующего
элемента; 18 - крышка; 19 - выходной патрубок индикатор 3.
При
засорении фильтрующего картона во впускном трубопроводе возрастает разрежение
(более 70 кПа), индикатор срабатывает, и его красный флажок фиксирует напротив
окна, указывая на необходимость замены или промывки фильтрующего элемента.
Разгерметизация
системы впуска воздуха и подсос неочищенного воздуха сокращают срок службы
двигателя в десятки раз. Поэтому в процессе эксплуатации автомобиля КамАЗ-5320
нужно периодически снимать фильтрующий элемент воздухоочистителя для осмотра.
Налет пыли на внутренней стороне элемента - браковочный признак.
Рисунок 10 - Система выпуска отработавших газов
двигателя автомобиля КамАЗ-5320:
1 - двигатель; 2 – выпускной трубопровод; 3 и 4 -
левая и правая приемные трубы; 5 - пневматические цилиндры тормозной системы; 6
- вспомогательные тормозные механизмы; 7 - тройник; 8 - гибкий металлический
рукав; 9 - глушитель; 10 - рама; 11 - перфорированная труба; 12 - фланец
приемного патрубка; 13 и 16 - передняя и задняя стенки корпуса глушителя; 14 -
корпус глушителя; 15 - выпускной патрубок; 17 - расширительная или резонаторная
камера.
В этом случае фильтрующий элемент необходимо заменить,
что система выпуска отработавших газов двигателя автомобиля КамАЗ-5320.
отработавшие газы по выпускным 2 трубопроводам поступают в приемные трубы 3 и
4, которые соединены в тройнике 7. К глушителю 9 газы подходят по гибкому
металлическому рукаву 8. В корпусе 14 глушителя есть три камеры 17, где газы
расширяются, их давление и скорость уменьшаются, и по патрубку 15 газы выходят
в атмосферу.
1.3 Работа системы
питания дизеля
Система
питания дизеля служит для подачи в цилиндры двигателя воздуха и топлива.
Топливо подается под большим давлением в определенные моменты (характеризуемые
углом опережения подачи топлива) и в определенном количестве в зависимости от
нагрузки двигателя. Система питания дизель состоит из системы подачи воздуха и
топливной системы.

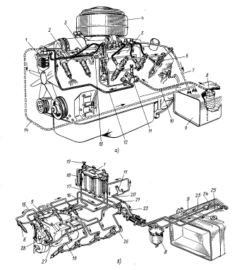
Рисунок
11 - Схемы топливной системы четырехтактных дизелей:
а - ЯМЗ-236; б - КамАЗ-740; 1 - фильтр тонкой очистки
топлива; 2, 3, 7, 10, 12, 14, 15-18, 2а и 23-27 - топливопроводы; 4 -
воздухоочиститель; 5 - насос высокого давления; 6 - форсунка; 8 - фильтр грубой
очистки топлива; 9 - топливный бак; 11 и 28 – топливоподкачивающие насосы; 13 -
перепускной клапан; 19 - кран отбора топлива к подогревателю; 21 и 22 –
тройники.
В систему питания четырехтактного дизеля ЯМЗ-236
входят топливный бак 9 (рис. 89, а), фильтры грубой 8 и тонкой 1 очистки
топлива, топливоподкачивающий насос 11, топливопроводы, топливный насос 5
высокого давления с всережимным регулятором, форсунки 6, воздухоочиститель 4 и
другие приборы и детали.
Рассмотрим путь топлива в топливной системе. Из бака 9
через фильтр 8 грубой очистки по топливопроводу 10 топливо поступает к
топливоподкачивающему насосу 11, от которого подается по топливопроводу 12 к
фильтру 1 тонкой очистки, а по топливопроводу 2 к насосу 5 высокого давления.
Насос по топливопроводами 3 высокого давления подает топливо в форсунки 6 в соответствии
с порядком работы цилиндров двигателя (l - 4 - 2 - 5 - 3 - 6). Независимо от
частоты вращения коленчатого вала двигателя в топливопроводах насоса
поддерживается постоянное давление топлива 130 - 150 кПа вследствие работы
перепускного клапана 13 и жиклера фильтра тонкой очистки. Топливо, не
использованное в насосе высокого давления, по топливопроводу 14 сливается в
бак. Топливопроводы 7 служат для отвода в бак топлива, просочившегося между
распылителем форсунки и иглой. Топливо, постоянно циркулирующее в топливной
системе, охлаждает головку насоса, отводит в бак воздух, попавший в систему.
Особенностью топливной системы дизеля КамАЗ-740
автомобиля КамАЗ-5320 является наличие в ней двух топливоподкачивающих насосов
11 и 28 (рис. 89,6). Насос 11, установленный на кронштейне коробки передач,
имеет только ручной привод, а насос 28, укрепленный на корпусе насоса 5
высокого давления, имеет два привода : ручной и механический.
При работе двигателя топливо из бака 9 по
топливопроводу 24 поступает в фильтр 8 грубой очистки, затем подходит к
тройнику 21 и по топливопроводу 27 к топливоподкачивающему насосу 28. Насос 28
нагнетает топливо по топливопроводу 16 к фильтру 1 тонкой очистки, а из него по
топливопроводу 20 к впускной полости насоса 5 высокого давления. От насоса 5 по
топливопроводам 15 топливо подается в форсунки 6 в соответствии с порядком
работы цилиндров двигателя (l - 5 - 4 - 2 ,- 6 - 3 - 7 - 8).
Топливо, не использованное в насосе высокого давления,
и воздух, попавший в систему, отводятся через перепускной клапан насоса и
сливной клапан фильтра тонкой очистки по топливопроводам 17, 18 и 25 в
топливный бак. Топливопроводы 23 и 26 с тройником 22 служат для отвода в бак
топлива, просочившегося между распушителем и иглой.
2
Технологическая
часть
2.1 Регулировка
топливного насоса высокого давления (на стенде)
В процессе испытания насоса на стенде проверяют и регулируют начало подачи,
величину и равномерность подачи топлива отдельными секциями.
Начало подачи
топлива проверяют и регулируют без автоматической муфты. опережения впрыска по
началу движения топлива в моментоскопе, установленным на штуцере первой секции
насоса. Начало подачи топлива секциями определяют по углу поворота кулачкового
вала насоса относительно оси симметрии при его вращении по часовой стрелке,
если наблюдать со стороны привода.
Первую секцию ТНВД регулируют на начало подачи топлива за 36,5-37,5* для
ЯМЗ-236 и ЯМЗ-238, за 42-43* восьмую секцию у двигателя ЯМЗ-740 и десятую
секцию ЯМЗ-741. Ось симметрии кулачка определяют по середине между двумя
зафиксированными точками кулачка, соответствующими началу движения топлива в
моментоскопе при провороте кулачка по часовой стрелке и против часовой стрелки.
Начало подачи топлива у двигателей ЯМЗ-236, -238 регулируется винтом толкателя,
у двигателей ЯМЗ-740, - 741 – постановкой под плунжерные пяты толкателя большей
или меньшей толщины.
Приняв это положение кулачкового вала за нулевое, регулируются остальные
секции. Отклонение интервала между началом подачи топлива любой секцией насоса
относительно первой не более 20’. Величину и равномерность подачи топлива ТНВД
проверяют совместно с комплектом форсунок и топливопроводов высокого давления.
Нагнетательные клапаны каждой секции ТНВД не должны пропускать топливо под
давлением 0,17-0,25 МПа (0,17-0,25 кгс/см2) в течении 2 минут.
Величина цикловой подачи при упоре рычага управления в болт ограничителя
максимальной частоты вращения коленчатого вала для ТНВД двигателей ЯМЗ-236,
-238 должна составлять при 1050 об/мин кулачкового вала – 75,0-77,5 мм3/цикл.
Величину подачи регулируют поворотом корпуса секции относительно зубчатого
сектора.
2.2
Приспособление и инструмент при ремонте
- стенд
для испытания и регулировки ТНВД ДД10-04
- стенд
для разборки сборки ТНВД
-
Комплект инструмента ОР-15727М (ДД-3400)
2.3
Техника безопасности
Участок,
где находится рабочее место, должен иметь прочные несгораемые стены. Полы на
участке должны иметь ровную (без порогов) гладкую, но не скользкую
удароустойчивую, не впитывающую нефтепродукты поверхность. Их необходимо
систематически очищать от смазки и грязи. В помещениях с холодными полами,
например, цементными на рабочих местах под ноги укладывают деревянные решетки
или настилы. Потолки и стены следует закрашивать краской светлых тонов.
Освещенность рабочих мест
искусственным светом должна соответствовать для работ средней точности при
малом контрасте различения объекта с фоном (фон светлый). Все стационарные
светильники должны быть прочно укреплены, чтобы они не давали качающихся теней.
Оборудование должно быть
расставлено с соблюдением необходимых разрывов. Не допускается скопления на
участке большого количества узлов и деталей. Запрещается загромождать проходы,
проезды и подходы к доскам с пожарным инструментом и огнетушителями.
Для обеспечения
электробезопасности производственное помещение окольцовывают шиной заземления,
расположенной на 0,5 м от пола и снабженной надежными контактами. Все
корпусы электродвигателей, а также металлические части оборудования находящиеся
на рабочем месте, которые могут оказаться под напряжением, должны быть занулены
или заземлены. Переносной электроинструмент можно применять при условии его
исправности при напряжении не более 36 В. Если переносной
электроинструмент работает от напряжения большего, чем 36 В, то он должен
выдаваться вместе с защитными приспособлениями (диэлектрические перчатки,
обувь, коврики и др.). При перерыве в подачи электроэнергии немедленно
отключить инструмент и приспособления.
При работе пневматическим
инструментом его во время работы держат двумя руками – за рукоятку и корпус;
при неисправности пневмоинструмента отключают от воздухопровода; вставляют и
вынимают рабочий инструмент только после выключения пневмоинструмента. Шланг не
должен иметь изломов, разрывов, потертостей, порезов. Следует избегать
натяжения, петления и перекручивания шланга. Попадание на шланг масла и других
нефтепродуктов тоже не желательно. Отсоединять шланг от воздухопровода или
инструмента следует только после закрытия крана, подающего сжатый воздух в
шланг, так как сжатый воздух может вырвать шланг из рук и травмировать.
Разбирать узлы, имеющие
пружины, разрешается только на специальных стендах или при помощи
приспособлений, обеспечивающих безопасную работу.
Все инструменты и
приспособления, используемые в работе должны находиться в исправном состоянии,
содержаться в чистоте и порядке.
Мусор необходимо
своевременно убирать с рабочего места в урны для отходов или в контейнеры для
мусора.
Заключение
В процессе выполнения дипломной работы я
изучил принцип работы системы питания дизельного двигателя, из чего она состоит
и как она работает. А также рассмотрел принцип регулировки ТНВД. Где надо
обратить особое внимание на порядок действий выполняемых при ремонте и технику
безопасности при ремонте.
Список используемой литературы
1.
Передий В.П. «Устройство автомобиля».
2. Третьяков А.М., Петров А.Д. «Справочник молодого слесаря по
Т.О. и ремонту автомобилей».
3. Плеханов И.П. «Автомобиль».
4.
www.77truck.net