Конструкции автомобильных двигателей
Министерство
образования Российской Федерации
Санкт-Петербургский
государственный университет
сервиса
и экономики
Автотранспортные
средства
Реферат
Тема:
«Конструкции
автомобильных двигателей»
Выполнил
студент 3-ого курса
Специальность
100.101
Иванов В.И.
Санкт-Петербург
2010
Содержание
Введение
1. Схемы
различных автомобильных двигателей
2. Двигатели
легковых автомобилей малого класса повышенной проходимости
3. Двигатель
легкового автомобиля особо малого класса
4. Двигатель
легкового автомобиля среднего класса
5. Двигатель
легкового автомобиля большого класса
6. Дизель
грузового автомобиля
Список
использованной литературы
Введение
Применение на автомобилях различных типов двигателей по смесеобразованию
и воспламенению горючей смеси, по числу и расположению цилиндров, по числу и
расположению клапанов и распределительных валов и по охлаждению зависит от типа
и назначения автомобиля. При этом используемый на автомобиле двигатель должен
обеспечивать наибольшие среднюю скорость движения и производительность, а также
наилучшие тягово-скоростные свойства, топливную экономичность, проходимость и
экологичность автомобиля.
1. Схемы различных автомобильных двигателей
В данном разделе реферата представлены двигатели легковых автомобилей
малого класса поршневые, внутреннего сгорания, рядные, четырехтактные,
четырехцилиндровые, с верхним расположением клапанов и распределительного вала,
бензиновые, с жидкостным охлаждением.
Рис. 1. Двигатель легкового автомобиля малого класса:
1 — коленчатый вал; 2 — вентилятор; 3 — блок цилиндров; 4
— зубчатый ремень; 5 — головка цилиндров; 6 — клапан; 7 — распределительный
вал; 8 — крышка газораспределительного механизма; 9 — маховик; 10
— подушка передней опоры; 11 — поршень; 12 — шатун; 13 —
масляный поддон
На рис. 1–11 показаны схемы различных двигателей. Двигателям дана краткая
техническая характеристика, отмечены их конструктивные особенности и указано,
на каких типах автомобилей они применяются.
Двигатель, представленный на рис. 1, имеет рабочий объем цилиндров 1,3 л
и степень сжатия 8,5. Он развивает максимальную мощность 50,7 кВт при частоте
вращения коленчатого вала 5600 мин-1 и максимальный крутящий момент
94 Н-м при частоте вращения 3400 мин-1.
Четыре цилиндра двигателя выполнены в одном блоке 3 и расположены
вертикально в один ряд. Блок цилиндров закрыт го ловкой 5цилиндров. В цилиндрах
находятся поршни 11, которые через шатуны 12 соединены с
пятиопорным валом 1, установленным в блоке цилиндров. На переднем конце
коленчатого вала закреплены шкив привода генератора и жидкостного насоса с
вентилятором 2, а также зубчатый шкив привода распределительного вала 7
на заднем конце коленчатого вала прикреплен маховик 9.
Распределительный вал установлен в головке цилиндров вместе с впускными и
выпускными клапанами 6. Сверху двигатель закрыт клапанной крышкой 8, а
снизу — масляным поддоном 13.
2. Двигатели легковых автомобилей малого класса повышенной
проходимости
12 13 14 12 13 14
Рис. 2. Двигатели легковых автомобилей малого класса повышенной
проходимости (а) и переднеприводного (б):
1 — коленчатый вал; 2 — маховик; 3 — блок цилиндров;
4 — генератор; 5 — стартер; 6 — шатун; 7 — поршень; 8, 10 – выпускной
и впускной трубопроводы; 9 – клапан; 11 — карбюратор; 12 — воздушный
фильтр; 13 — распределительный вал; 14 — крышка
газораспределительного механизма; 15 — головка цилиндров; 16— распределитель
зажигания; 17— свеча зажигания; 18 – топливный насос; 19 — масляный
фильтр; 20 — вал привода масляного насоса; 21 — масляный насос; 22
— масляный поддон; 23 — маслоприемник; 24 — жидкостный насос
Двигатель, приведенный на рис. 2., а, имеет рабочий объем
цилиндров 1,57 л и степень сжатия 8,5. Максимальную мощность 58,8 кВт двигатель
развивает при частоте вращения 5400 мин-1, максимальный крутящий
момент 121,6 Н-м при частоте вращения 3000 мин-1.
Двигатель, представленный на рис. 2., б, имеет рабочий объем
цилиндров 1,3 л и степень сжатия 9,9. Он развивает максимальную мощность 47 кВт
при частоте вращения 5600 мин-1 и максимальный крутящий момент 94
Н-м при частоте вращения 3500 мин-1.
Рабочий цикл двигателей протекает за четыре такта (впуск – сжатие –
рабочий ход – выпуск) с порядком работы цилиндров (чередованием рабочих ходов в
цилиндрах) 1-3-4-2. Горючая смесь приготавливается из автомобильного бензина и
воздуха в карбюраторе 11 (см. рис. 2.). Бензин подается в карбюратор
топливным насосом 18, а воздух поступает из окружающей среды через
воздушный фильтр 12 под действием вакуума, возникающего в цилиндрах при
движении поршней 7 из верхнего крайнего положения в нижнее крайнее положение.
Приготовленная в карбюраторе горючая смесь поступает в цилиндры через
впускной трубопровод 10, впускные клапаны 9 и сжимается в них
поршнями. Сжатая смесь воспламеняется электрической свечой зажигания 17, ток
к которой подается от распределителя зажигания 16 и вырабатывается
генератором 4. Расширяющиеся при сгорании горючей смеси газы перемещают
в цилиндрах поршни, которые через шатуны 6 вращают коленчатый вал 1 с
маховиком 2. Мощность и крутящий момент двигателей с коленчатого вала и
маховика передаются на ведущие колеса автомобиля.
Отработавшие газы через выпускные клапаны и выпускной трубопровод
направляются в глушители и из них выбрасываются в окружающую среду.
Открытие и закрытие впускных и выпускных клапанов производится
распределительным валом 13.
Смазывание деталей двигателей осуществляется маслом, которое находится в
масляном поддоне 22, забирается из него через маслоприемник 23 масляным
насосом 21 и подается на трущиеся поверхности деталей, пройдя очистку в
масляном фильтре 19.
Охлаждение двигателей производится низкозамерзающими жидкостями
(антифризами), принудительная подача которых к сильно нагретым деталям
осуществляется жидкостным насосом 24.
Пуск двигателей производится стартером 5, который проворачивает
коленчатый вал с частотой не менее 40...50 мин-1, необходимой для
пуска, и питается током от аккумуляторной батареи.
3. Двигатель легкового автомобиля особо малого класса
На рис. 3 показан двигатель легкового автомобиля особо малого класса.
Двигатель бензиновый, рядный, четырехтактный, двухцилиндровый, верхнеклапанный,
с жидкостным охлаждением. Рабочий объем цилиндров двигателя — 0,65 л, степень
сжатия — 9,9. Максимальную мощность 21,5 кВт двигатель развивает при частоте
вращения коленчатого вала 5600 мин-1, максимальный крутящий момент
44 Н-м — при частоте 3500 мин-1.
Два цилиндра двигателя расположены вертикально в одном блоке 10, закрытом
головкой 3 цилиндров, в которой размещены распределительный вал 5 и
клапаны 20. В цилиндрах находятся поршни 8, соединенные шатунами 9
с коленчатым валом 12. Коленчатый вал — трехопорный. На заднем его
конце закреплены маховик 11 и шестерня привода уравновешивающего
механизма, который компенсирует инерционные силы от поршней, шатунов и других
деталей двигателя. Уравновешивающий механизм состоит из двух уравновешивающих
валов 14 и 24 с приводными шестернями, находящимися в зацеплении
с шестерней коленчатого вала. Оба уравновешивающих вала установлены в блоке
цилиндров на двух шариковых подшипниках каждый. Горючая смесь готовится в
карбюраторе 18 и воспламеняется свечами зажигания 21.
Масло для смазывания трущихся поверхностей деталей двигателя подается
масляным насосом 2. Охлаждение наиболее нагретых деталей двигателя
производится жидкостью с помощью жидкостного насоса 16. Двигатель сверху
закрыт крышкой 4, а снизу масляным поддоном 13.
На рис. 4 представлен двигатель легкового автомобиля особо малого класса.
Двигатель бензиновый, V-образный, четырехтактный, четырехцилиндровый,
верхнеклапанный, с нижним расположением распределительного вала, с воздушным
охлаждением. Рабочий объем цилиндров двигателя — 1,2 л, степень сжатия — 8,4.
Максимальную мощность 33 кВт двигатель развивает при частоте вращения
коленчатого вала 4500 мин-1, максимальный крутящий момент 82 Н-м —
при частоте вращения 3100 мин-1.
В картере 2 двигателя установлены четыре цилиндра б попарно под углом
90°. Наружная поверхность цилиндров выполнена с ребрами охлаждения. Внутри
цилиндров находятся поршни 7, связанные шатунами 5 с коленчатым валом 4.






Рис. 3. Двигатель легкового
автомобиля особо малого класса:
1 – маслоприемник; 2 – масляный насос; 3 — головка
цилиндров; 4 — крышка 13 головки цилиндров; 5 —
распределительный вал; 6 — топливный насос; 7 — датчик—распределитель
зажигания; 8 — поршень; 9 — шатун; 10— блок цилиндров; 11 — маховик;
12 — коленчатый вал; 13 — масляный поддон; 14, 24 — уравновешивающие
валы; 15— масляный фильтр; 16— жидкостный насос; 17 — впускной
трубопровод; 18— карбюратор; 19— воздушный фильтр; 20— клапан;
21 — свеча зажигания; 22 — генератор; 23— стартер
Каждая пара цилиндров закрыта головкой 9 цилиндров, которая также
имеет ребра охлаждения. В головке цилиндров размещены клапаны 10, которые
приводятся в действие от распределительного вала 11, имеющего нижнее
расположение. Внутри распределительного вала установлен вал балансировочного
механизма, компенсирующего инерционные силы от деталей двигателя.
Балансировочный вал имеет противовес и шестеренный привод от коленчатого вала.
Горючая смесь приготавливается в карбюраторе 12 и воспламеняется в
цилиндрах свечами зажигания 8.
Рис. 4. Двигатель легкового автомобиля особо малого класса:
1 — масляный поддон; 2 — картер двигателя; 3 — регулятор
температуры двигателя; 4 — коленчатый вал; 5 – шатун; 6 — цилиндр;
7 — поршень; 8 — свеча зажигания; 9 — головка цилиндров; 10 —
клапан; 11 — распределительный вал; 12 — карбюратор; 13 — вентялятор;
14 — топливный насос; 15 — воздухоотводящий кожух.
Охлаждение двигателя осуществляется воздухом с помощью нагнетающего
вентилятора 13. Регулирование температуры двигателя производится
регуляторами 3, которые размещены в воздухоотводящих кожухах 15.
Масляный поддон 7, закрывающий картер двигателя снизу, для лучшего охлаждения
масла имеет охлаждающие ребра.
4. Двигатель легкового автомобиля среднего класса
Двигатель легкового автомобиля среднего класса показан на рис. 5.
Двигатель бензиновый, четырехтактный, рядный, четырехцилиндровый, верхнеклапанный,
с нижним расположением распределительного вала, с жидкостным охлаждением.
Рабочий объем цилиндров двигателя — 2,45 л, степень сжатия — 8,2. Максимальную
мощность 70 кВт двигатель развивает при частоте вращения коленчатого вала 4500
мин-1, максимальный крутящий момент 190 Н-м — при частоте вращения
2300 мин-1.
Рис. 5. Двигатель легкового автомобиля среднего класса:
1 — коленчатый вал; 2 — шатун; 3 — блок цилиндров; 4
– поршень; 5 — гильза цилиндра; 6, 7 — выпускной и впускной
трубопроводы; 8 — карбюратор; 9 — клапан; 10 — коромысло; 11
— штанга; 12 — головка цилиндров; 13 — свеча зажигания; 14
— толкатель; 15 — стартер; 16 — распределительный вал; 17
— масляный насос; 18 — масляный поддон; 19 — маслоприемник.
Четыре съемные гильзы 5 цилиндров установлены вертикально в один ряд в
блоке 3 цилиндров и закрыты головкой 12, в которой размещены
клапаны 9 и коромысла 10 клапанов с осью. Коленчатый вал 1 шатунами
2 соединен с поршнями 4. Распределительный вал 16 имеет
нижнее расположение, а впускные и выпускные клапаны — верхнее расположение.
Клапаны приводятся в действие от распределительного вала с помощью толкателей 14,
штанг 11 и коромысел 10. Горючая смесь готовится в
карбюраторе 8, подается в цилиндры через впускной трубопровод 7 и
воспламеняется свечами зажигания 13. Отработавшие газы из цилиндров
удаляются через выпускной трубопровод 6 в приемную трубу глушителя.
Масло из поддона 18 забирается насосом 17 с помощью маслоприемника и,
пройдя очистку в фильтре, подается для смазывания трущихся поверхностей деталей
двигателя. Охлаждение двигателя — жидкостное.
5. Двигатель легкового автомобиля большого класса
На рис. 6 представлен двигатель легкового автомобиля большого класса.
Двигатель бензиновый, четырехтактный, V-образный, восьмицилиндровый,
верхнеклапанный, с нижним расположением распределительного вала, с жидкостным
охлаждением. Рабочий объем цилиндров двигателя — 5,5 л, степень сжатия — 8,5.
Максимальную мощность 162 кВт двигатель развивает при частоте вращения
коленчатого вала 4200 мин™1, максимальный крутящий момент 450 Н-м —
при частоте вращения 2700 мин -1.
Коленчатый вал 19 с помощью шатунов 16 связан с поршнями 4,
размещенными в цилиндрах.
Клапаны расположены в верхней части двигателя, а распределительный вал
имеет нижнее расположение. Привод клапанов от распределительного вала
осуществляется через толкатели 14, штанги 11 и коромысла 7.
Приготовленная в карбюраторе 10 горючая смесь поступает в цилиндры
двигателя по впускному трубопроводу 8 и воспламеняется в цилиндрах от
свечей зажигания 5. Отработавшие газы удаляйся из цилиндров по
выпускному трубопроводу 13 и далее через глушитель в окружающую среду.
Смазывание трущихся поверхностей осуществляется моторным маслом из
поддона 18 с помощью масляного насоса 17.
Рис. 6. Двигатель легкового автомобиля большого класса:
1 — стартер; 2 — блок цилиндров; 3 — гильза
цилиндра; 4 – поршень; 5 — свеча зажигания; 6 — клапан; 7 —
коромысло; 8, 13 — впускной и выпускной трубопроводы; 9 — распределитель
зажигания; 10 – карбюратор; 11 — штанга; 12 — головка
цилиндров; 14 — толкатель; 15 — распределительный вал; 16 — шатун;
77 — масляный насос; 18 — масляный поддон; 19 — коленчатый вал; 20
— маслоприемник
Бензиновый двигатель с впрыском топлива легкового автомобиля среднего
класса представлен на рис. 7. Двигатель четырехтактный, рядный,
четырехцилиндровый, верхнеклапанный, с верхним расположением распределительных
валов, с жидкостным охлаждением. Рабочий объем цилиндров двигателя — 2,3 л, степень
сжатия — 9,5. Максимальную мощность 110 кВт двигатель развивает при частоте
вращения коленчатого вала 6500 мин-1, максимальный крутящий момент
206 Н-м — при частоте вращения 2500 мин-1.
Цилиндры двигателя расположены вертикально в одном блоке 5, закрытом
головкой 3 цилиндров, в которой установлены два распределительных вала и
клапаны. Распределительный вал 1 приводит в действие впускные клапаны, а
распределительный вал 2 — выпускные. Все цилиндры двигателя имеют по
четыре клапана — два впускных и два выпускных. Привод распределительных валов —
цепной, осуществляется от коленчатого вала 8.
Рис. 7. Бензиновый двигатель с впрыском топлива легкового автомобиля
среднего класса:
1 — распределительный вал впускных клапанов; 2 — распределительный
вал; выпускных клапанов; 3 — головка цилиндров; 4, 11 — выпускной
и впускной; трубопроводы; 5— блок цилиндров; 6— масляный поддон; 7—
масляный насос; 8 — коленчатый вал; 9 — шатун; 10 — поршень
Горючая смесь готовится во впускном трубопроводе 11, в который
поочередно в соответствии с порядком работы цилиндров двигателя впрыскивается
бензин электромагнитными форсунками. Пары бензина конденсируются в ресивере.
Применение системы впрыска бензина существенно повышает максимальную
мощность двигателя и максимальный крутящий момент, уменьшает расход топлива и
снижает токсичность отработавших газов.
На рис. 8 показан дизель легкового автомобиля. Двигатель четырехтактный,
рядный, четырехцилиндровый, с разделенной камерой сгорания, с верхним
расположением клапанов и распределительного вала, с жидкостным охлаждением.
Рабочий объем цилиндров — 2,2 л. Максимальную мощность 62,5 кВт двигатель
развивает при частоте вращения коленчатого вала 4500 мин-1,
максимальный крутящий момент 142 Н-м — при частоте вращения 2250 мин-1.
Рис. 8. Дизель с разделенной камерой сгорания:
1 — коленчатый вал; 2— шатун; 3— поршень; 4— блок
цилиндров; 5 — головка цилиндров; 6 — свеча накаливания; 7 — форсунка; 8
– дополнительная камера сгорания; 9— распределительный вал; 10— впускные
клапаны; 11 — выпускной клапан
Цилиндры двигателя расположены вертикально в одном блоке 4 и
закрыты головкой 5. В головке размещены распределительный вал 9, клапаны,
камеры сгорания, форсунки и свечи накаливания. Каждый цилиндр имеет два
впускных клапана 10, один выпускной 11 и разделенную
(двухполостную) камеру сгорания. При работе двигателя чистый сжатый воздух с
большой скоростью поступает через соединительный канал в дополнительную камеру
сгорания 8, куда из форсунки под большим давлением впрыскивается
мелкораспыленное дизельное топливо. В дополнительной камере сгорания воздух
движется с завихрением, что обеспечивает его интенсивное перемешивание с
впрыскиваемым топливом. Полученная смесь воспламеняется от сжатия. Давление в
дополнительной камере резко возрастает и вытесняет из нее еще не сгоревшую
смесь в основную камеру сгорания, где и завершается сгорание смеси. При пуске
двигателя воздух в дополнительной камере сгорания предварительно подогревается
с помощью специальной свечи накаливания 6, которая выключается после
пуска.
Применение в двигателе разделенной (двухполостной) камеры сгорания
обеспечивает более бесшумную его работу, более низкие уровни вибрации, снижение
дымности и токсичности отработавших газов.
Дизель легкового автомобиля с вихревой камерой сгорания представлен на
рис. 9. Двигатель с турбонаддувом, четырехтактный, рядный, четырехцилиндровый,
верхнеклапанный, с верхним расположением распределительного вала, с жидкостным
охлаждением. Рабочий объем цилиндров — 2,4 л. Максимальную мощность 99 кВт
двигатель развивает при частоте вращения коленчатого вала 4300 мин-1,
максимальный крутящий момент 285 Н-м — при частоте вращения 2000 мин-1.
Рис. 9. Дизель с вихревой камерой сгорания:
1 – блок цилиндров; 2 — шатун; 3 — поршень; 4, 12
— уравновешивающие валы; 5 — головка цилиндров; 6 — выпускной
клапан; 7 — распределительный вал; 8— впускные клапаны; 9— форсунка;
10— свеча накаливания; 11 — вихревая камера; 13 — коленчатый
вал.
Четыре цилиндра двигателя расположены вертикально в одном блоке 1, закрытом
головкой 5 цилиндров, в которой находятся распределительный вал, клапаны,
камеры сгорания, форсунки и свечи накаливания. Распределительный вал 7 имеет
зубчато-ременный привод от коленчатого вала 13. Все цилиндры двигателя
имеют по два впускных клапана 8, по одному выпускному клапану б и по
вихревой камере сгорания 11.
Вихревая камера сгорания состоит из двух камер — основной и
дополнительной. Дополнительная камера размещена перед основной камерой, и в ней
установлены форсунка 9 и свеча накаливания 10. В процессе работы
двигателя воздух вследствие турбонаддува с большой скоростью поступает в
дополнительную камеру, куда также под большим давлением впрыскивается
мелкораспыленное дизельное топливо. Благодаря специальной форме дополнительной
камеры сгорания воздух движется в камере с большим завихрением и интенсивно
перемешивается с впрыскиваемым топливом. Образованная смесь воздуха и
дизельного топлива воспламеняется от сжатия. Под действием резко возросшего
давления из дополнительной камеры несгоревшая полностью смесь выталкивается в
основную камеру, в которой заканчивается ее сгорание. Свеча накаливания 10 служит
для подогрева воздуха в дополнительной камере сгорания при пуске холодного
двигателя. После пуска двигателя свеча выключается.
Двигатель оборудован уравновешивающим механизмом, компенсирующим
инерционные силы от поршней, шатунов и других деталей двигателя. Механизм
состоит из двух уравновешивающих валов 4 и 12, установленных с
обеих сторон блока цилиндров и имеющих зубчато-ременный привод от коленчатого
вала двигателя. Применение вихревых камер и уравновешивающего механизма
обеспечивает более мягкую и бесшумную работу двигателя, меньшую дымность и
токсичность отработавших газов.
На рис. 10 показан дизель грузового автомобиля. Двигатель четырехтактный,
V-образный, восьмицилиндровый, верхнеклапанный, с верхним расположением
распределительного вала, с жидкостным охлаждением. Рабочий объем цилиндров
двигателя — 10,85 л, степень сжатия — 17. Максимальную мощность 154 кВт
двигатель развивает при частоте вращения коленчатого вала 2600 мин-1,
максимальный крутящий момент 637 Н-м — при частоте вращения 1600... 1800 мин-1.
В блоке цилиндров установлены в два ряда под углом 90° съемные гильзы
цилиндров. Каждый цилиндр закрыт отдельной головкой. Клапаны расположены в
верхней части двигателя, а распределительный вал имеет нижнее расположение.
Клапаны приводятся в действие от распределительного вала через толкатели,
штанги и коромысла. Горючая смесь готовится внутри цилиндров двигателя и
воспламеняется от сжатия. Масло к трущимся поверхностям деталей двигателя
подается масляным насосом, который забирает его из масляного поддона.
Охлаждение деталей двигателя — жидкостное. Принудительная подача охлаждающей
жидкости к сильно нагретым деталям осуществляется жидкостным насосом.
6. Дизель грузового автомобиля
Рис. 10. Дизель грузового автомобиля:
1 — масляный фильтр; 2 — маслозаливная горловина; 3 — указатель
уровня масла; 4 — центробежный масляный фильтр; 5 — коробка термостатов;
6, 9 — передний и задний рым-болты; 7 — компрессор; 8 — насос
гидроусилителя; 10 — Водосборная труба; 11 — факельная свеча; 12
— впускной воздухопровод; 13 — форсунка; 14 — скоба крепления
форсунки; 15 — патрубок выпускного трубопровода; 16 — выпускной
трубопровод; 17 — масляный насос.
Дизель с турбонаддувом грузового автомобиля представлен на рис. 2.72.
Двигатель четырехтактный, V-образный, восьмицилиндровый, верхнеклапанный, с
нижним расположением распределительного вала, с жидкостным охлаждением. Рабочий
объем цилиндров — 10,85 л, степень сжатия — 16. Максимальную мощность 191 кВт
двигатель развивает при частоте вращения коленчатого вала 2600 мин-1,
максимальный крутящий момент 785 Н-м — при частоте вращения 1600... 1800 мин-1.
Двигатель оборудован двумя турбокомпрессорами, которые установлены на впускных
трубопроводах двигателя, по одному на каждый ряд цилиндров. Применение
непосредственного впрыска топлива в цилиндры двигателя с турбонаддувом
обеспечивает более высокие мощность, крутящий момент, топливную экономичность и
экологичность двигателя.
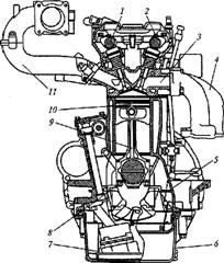
Рис. 11. Дизель с турбонаддувом грузового автомобиля:
1, 17 — выпускной и впускной трубопроводы; 2 — стартер; 3
— головка цилиндров; 4 — масляный поддон; 5, 11 — кронштейны;
6 — жидкостный насос; 7 — вентилятор; 8 — приводвые ремни; 9 —
центробежный масляный фильтр; 10 — генератор; 12 — рычаг
переключения передач; 13 — объединительный патрубок; 14— крышка
регулятора топливного насоса высокого давления; 15— факельные свечи; 16—
электромагнитный клапан; 18— топливный фильтр; 19— компрессор;
20 — турбокомпрессоры; 21 — бачок насоса гидроусилителя.
Список использованной литературы
1. Сарбаев В.И.
Техническое обслуживание и ремонт автомобилей. − Ростов н/Д: «Феникс»,
2004.
2. Вахламов В.К.
Техника автомобильного транспорта. − М.: «Академия», 2004.
3. Барашков И.В.
Бригадная организация технического обслуживания и ремонта автомобилей. – М.:
Транспорт, 1988г.