Исследование трехфазного двухобмоточного трансформатора

  • Вид работы:
    Практическое задание
  • Предмет:
    Физика
  • Язык:
    Русский
    ,
    Формат файла:
    MS Word
    70,17 kb
  • Опубликовано:
    2010-11-21
Вы можете узнать стоимость помощи в написании студенческой работы.
Помощь в написании работы, которую точно примут!

Исследование трехфазного двухобмоточного трансформатора

Министерство образования Российской Федерации

Пермский Государственный Технический Университет

Кафедра электротехники и электромеханики







Лабораторная работа № 5

«Исследование трехфазного двухобмоточного трансформатора»





Выполнил: студент гр.

Проверил: ст. преподаватель






Пермь, 2005

Цель работы: изучение устройства трехфазного трансформатора и исследование его свойств путем проведения опытов холостого хода и короткого замыкания.

Рабочее задание.

1. Ознакомимся с устройством исследуемого трехфазного трансформатора и запишем его паспортные данные в табл. 1.

Фабричн. номер

Тип

Номин. мощность, кВА

При соединении

U1Н, В

U, В

I, А

I, А

18625

ТС-2,5/0,5

2,5

380

230

3,8

6,3

табл. 1

При соединении в звезду номинальные значения тока в первичной и вторичной обмотках трансформатора определяются по формулам:

,

где – номинальная мощность трансформатора;

– номинальные значения линейных напряжений первичной и вторичной цепи.

2. Записываем паспортные данные электроизмерительных приборов в табл. 2.

п/п

Наименованное

прибора

Заводской

номер

Тип

Система

измерения

Класс

точности

Предел

измерений

Цена деления

1

Вольтметр


Э30

ЭМ

1.5

500 В

20 В

2

Вольтметр


Э34

ЭМ

1.0

300 В

10 В

3

Вольтметр


Э30

ЭМ

1.5

30 В

1 В

4

Амперметр


Э30

1.5

5 А

0.2 А

5

Амперметр


Э30

ЭМ

1.5

5 А

0.2 А

6

Амперметр


Э30

ЭМ

1.5

5 А

0.2 А

7

Ваттметр


Д539

ЭД

0.5

3000 Вт

20 Вт

7

Ваттметр


Д539

ЭД

0.5

3000 Вт

20 Вт

табл. 2.

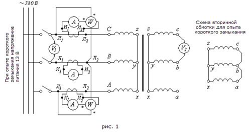
3. Для испытания трансформатора собирается электрическая цепь по схеме, приведенной на рис. 1. К зажимам А, В, С обмотки высшего напряжения подводят напряжение 380 В. Амперметры и токовые обмотки ваттметров включаются через трансформаторы токов.


4. Проводим опыт холостого хода. Показания приборов записываем в табл. 3.

 

U1, В

U2, В

IА, А

IВ, А

IС, А

W1, дел.

W2, дел.

CW, Вт/дел.

KI

K

375

230

2,21

1,7

2,3

32

-21

20

0,2

1,63

табл. 3

По данным табл. 2 рассчитываем коэффициент трансформации:

мощность холостого хода:


ток холостого хода:


коэффициент мощности в режиме холостого хода:


Активная мощность, потребляемая трансформатором при холостом ходе, расходуется на потери в стали трансформатора, так как потери в меди первичной обмотки от тока холостого хода ничтожны, т.е. .

5. Проводим опыт короткого замыкания. Включив трансформатор на пониженное напряжение , записываем показания приборов в табл. 4.

IА, А

IВ, А

IС, А

W1, дел.

W2, дел.

CW, Вт/дел.

KI

2,3

2,2

2,35

10,8

10

4

2,5

1

табл. 4.

На основании опытных данных определяются ток и мощность короткого замыкания:

коэффициент при коротком замыкании:


Если опыт проводится при , то мощность короткого замыкания пересчитывается на номинальный ток:


6. Зависимость к.п.д. трансформатора от нагрузки определяется расчетным путем. При этом величину нагрузки трансформатора удобно характеризовать коэффициентом загрузки:


При значениях коэффициента загрузки трансформатора, равных 0,25; 0,5; 0,75; 1,0; 1,5 рассчи-тываются:

полезная мощность


потери в обмотках


потребляемая мощность


коэффициент полезного действия трансформатора


Расчеты выполняются при . Результаты расчета записываем в табл. 5

β

P2, Вт

PM, Вт

P1, Вт

η

Исходные данные

0

0,0

0,0

44,0

0,0000

44 Вт

97,2 Вт

0,8

0,25

500,0

6,1

550,1

0,9090

0,5

1000,0

24,3

1068,3

0,9361

0,75

1500,0

54,7

1598,7

0,9383

1,0

2000,0

97,2

2141,2

0,9341

1,5

3000,0

218,7

3262,7

βопт=0,67

1345,6

44,0

1433,6

0,9386

табл. 5

Определяем оптимальный коэффициент загрузки, при котором к.п.д. будет максимальным. Это имеет место при равенстве потерь в обмотках и стали трансформатора. То есть при

откуда .

Полученное значение  заносится в табл. 5 ,и по нему определяем .

Вывод: при увеличении мощности потребителя во вторичной обмотке трансформатора от 0 до примерно 1430 Вт КПД трансформатора возрастает и достигает наибольшего значения в 0.9386 при P2 = 1433.6 Вт. На этом участке потери в обмотках трансформатора меньше потерь в стали, в точке максимума КПД потери в меди и стали выравниваются.

При дальнейшем увеличении мощности потребителя КПД начинает падать, потери в меди об-моток трансформатора становятся больше потерь в стали.


Не нашли материал для своей работы?
Поможем написать уникальную работу
Без плагиата!
Без нейросетей!