Насосные установки
Насосные установки
Насосные
установки предназначены для транспортировки жидкости, заполнения и осушения
резервуаров, для обслуживания механизмов (например, система водяного
охлаждения).
Наибольшее
распространение получили центробежные насосы.
Для
централизованного обеспечения водой промышленных и сельскохозяйственных
объектов сооружаются насосные станции, состоящие из крупных насосных агрегатов,
и с обслуживающим персоналом.
Характеристики
центробежных насосов (ЦН).
Эксплуатационные
свойства ЦН определяются зависимостью напора (давление жидкости) на выходе от
производительности при различных скоростях
H=F(Q),
где Н—
напор на выходе, м. ст. жидкости; Q— производительность, м3/с.
Эти
зависимости, обычно, приводятся в виде графиков в каталогах для каждого
конкретного агрегата.
Представление
о характеристиках центробежного насоса и магистралей дает рис. 1.
Для
определения рабочей точки, которая определяется пересечением двух
характеристик: насоса и магистрали, нужно знать зависимости Нн = F(Q) и Hм = F(Q).
Полный
напор (Н) в системе состоит из двух составляющих:
H=HС + HДИН = HС + СQ2,
где Нс
— статический напор, м; Ндин — динамический напор, м; Q — производительность, м3/с; С — постоянная
величина.
В
зависимости от преобладающей составляющей, характеристика магистрали может быть
статической (А) или динамической (Б), которая представляет собой параболу по
форме.
Из рис. 1
видно, что при снижении оборотов приводного ЭД характеристика насоса
перемещается вниз параллельно номинальной (ωном).
Таким
образом, при приводе от АД и работе:
•при
статической характеристике магистрали
- производительность изменяется (от Qном до Q1) значительно;
- чрезмерное снижение скорости, когда
характеристики не пересекаются, насос перестает качать («срыв струи»).
Примечание
— Такой вариант возможен
при снижении напряжения в сети.
•при
динамической характеристике магистрали:
- производительность изменяется (от
ном. до 1) незначительно;
- чрезмерное снижение скорости (до 2)
не приводит к прекращению подачи жидкости, но производительность уменьшается.
При
приводе от СД скорость не изменяется, но угол отставания ротора от статора
увеличивается, что уменьшает момент на валу двигателя.
При
чрезмерном снижении напряжения сети СД выпадают из синхронизма и
останавливаются.
Производительность
центробежных насосов
можно регулировать следующими способами:
• дросселированием трубопровода
(например, закрывать задвижки на напорной магистрали);
• изменением угловой скорости (ω) приводного
ЭД (например, изменением напряжения в цепи статора АД);
• изменением числа работающих на
магистраль агрегатов;
• изменением положения рабочего органа
механизма (например, поворотом лопаток рабочего колеса).
Дросселирование
осуществляется
прикрытием задвижки на напоре, при этом (рис. 1, Б) характеристика магистрали
перемещается влево (до точки РТ') при неизменной угловой скорости насоса (ωном).
При новом положении рабочей точки (РТ') производительность (Q') уменьшится, а напор (Н') увеличится (теоретически).
Реально часть напора (∆Н') теряется на регулирующем устройстве, а
следовательно, фактический напор (Нф') тоже уменьшится. Расчеты
показывают, что уменьшение производительности (Q) в
два раза приводит к снижению КПД насоса в 4 раза и увеличивает потери мощности
до 38 % от номинальной мощности ЭД.
Следовательно,
данный способ целесообразно применять в установках небольшой мощности
(несколько кВт) при преобладании статического напора в магистрали.
Изменение
угловой скорости осуществляется
изменением подводимого к статору электродвигателя напряжения (дроссель
насыщения) или включением в цепь ротора добавочного сопротивления. При этом
характеристика насоса перемещается вниз параллельно номинальной (ωном).
Из рис.1 видно, что при статической характеристике производительность (Q1) снижается значительно больше, чем при динамической
для одной и той же скорости (ω1).
Расчеты
показывают, что электрический способ регулирования более экономичен, чем дросселирование,
так потери мощности меньше (до 16%). Следовательно, данный способ целесообразно
применять в установках средней мощности (десятки кВт).
Примечание
— Для установок большой
мощности (сотни и тысячи кВт) этот способ неэкономичен; в этом случае применяются
каскадные схемы электроприводов, в которых «потери скольжения» возвращаются в
сеть или преобразуются в механическую мощность и поступают на вал механизма;
преобразование «энергии скольжения» возможно с помощью вентильных схем или
вспомогательных машин на одном валу с главным двигателем.
Изменение
числа работающих агрегатов, подключенных на магистраль параллельно, целесообразно применять при
статическом напоре, так как общая производительность совместно работающих
агрегатов — это сумма производительностей всех работающих агрегатов, что
обеспечивает их экономичную работу.
Примечание.
При динамическом напоре
общая производительность увеличивается незначительно, а агрегаты работают с
пониженным КПД.
Устройства
автоматизации насосных установок.
Наряду с
аппаратурой общего назначения для пуска, переключения и управления, в системах
автоматизации применяется специальная аппаратура.
Поплавковое
реле уровня предназначено
для контроля уровня в резервуарах с неагрессивной жидкостью и выдачи сигнала в
схему управления.
Представление
о конструкции и принципе действия поплавкового реле дает рис.2.
В
резервуар (1) погружается поплавок (2), который подвешен на гибком канате (5),
перекинутом через блок (4). Уравновешивание осуществляется с помощью груза (8).
На канате
укреплены две переключающие шайбы (7), положение которых можно изменить в
соответствии с условиями регулирования. Переключающие шайбы (7) при достижении
предельных уровней жидкости поворачивают коромысло (6), связанное с контактным
устройством (3), которое замыкает четную (2 и 4) или нечетную (1 и 3) пару
контактов цепей управления.
Электродное
реле уровня предназначено
для контроля уровня электропроводных жидкостей и выдачи сигнала в схему
управления.

Рис. 3. Электродное реле уровня
Представление
о конструкции и принципе действия электродного реле дает рис. 3.
Основным
контролирующим элементом являются два электрода (2), помещенные в резервуар (1)
с электроприводной жидкостью (4). Электроды заключены в кожух (3), открытый
снизу и включены в цепь катушки реле промежуточного (РП) малогабаритного
исполнения (телефонного типа).
Слаботочное
реле (РП) получает питание от понижающего трансформатора (по условиям
электробезопасности).
При
подъеме уровня жидкости в резервуаре до короткого электрода собирается цепь РП,
которая срабатывает, дает команду в цепь управления (РП: 1) и становится на
самопитание (РП: 2) через длинный электрод.
Насосный
агрегат включается на откачивание жидкости из резервуара. Отключение агрегата
произойдет при снижении уровня ниже длинного электрода.
Струйное
реле предназначено для
контроля наличия потока (струи) жидкости в трубопроводе. Представление о
конструкции и принципе действия струйного реле дает рис. 4.
Чувствительным
элементом является диафрагма (1) с дроссельным устройством (отверстие в
центре), установленная в трубопроводе (4) и воспринимающая перепад давления
жидкости при протоке. Обе полости диафрагмы трубками (3) соединены с сильфонами
(2), у которых имеются цилиндрические мембраны (5), механически связанные
тягами с электроконтактной частью реле (6).
При
наличии протока жидкости давление в левой полости диафрагмы (1) будет больше,
чем в правой, поэтому контактная группа (1 и 3) замкнута и в цепь управления 1
дается сигнал о наличии протока жидкости.
Примечание
— Струйное реле, обычно,
применяется в системах охлаждения, поэтому этот сигнал является разрешающим пуск
механизма.
При
уменьшении количества протекающей жидкости (например, остановка насоса) перепад
давления изменяется на диафрагме, контактная группа левая (1 и 3) размыкается,
а правая (2 и 4) замыкается. При этом выдается сигнал на остановку двигателя,
который обслуживается этой СВО, через цепь управления 2 и он останавливается.
Реле
контроля заливки предназначено
для контроля заливки гидравлической полости центробежных насосов.
Они
могут работать на принципе поплавка, но в настоящее время наибольшее распространение
получили реле мембранного типа.
Такие
реле устанавливаются выше уровня насоса от 0,3 до 0,5 м. При заливке полости
насоса жидкостью мембрана прогибается, перемещая прикрепленный к ней шток, что
переключает контактную систему реле, разрешая пуск насоса.
После
снижения давления в полости мембрана пружиной возвращается в исходное
положение.
Достоинством
мембранных реле является большая чувствительность и способность выдерживать
высокие давления. Такие реле применяют при заливке насосных агрегатов с помощью
вакуум-насоса.
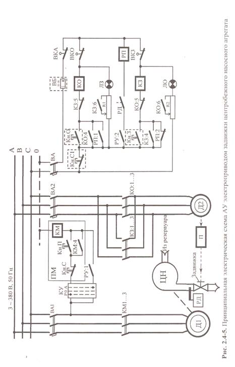
Принципиальная
электрическая схема АУ задвижкой центробежного насосного агрегата (рис. 5)
Назначение.
Для управления задвижкой
ЦНА, сигнализации ее состояния и защиты цепей управления.
Основные
элементы схемы.
Д1, Д2 —
приводные двигатели ЦНА и задвижки на напоре агрегата.
КМ, КО,
КЗ — контакторы пускателя магнитного (ПМ) Д1, открытия и закрытия задвижки
агрегата.
РП —
реле промежуточное.
РД —
реле давления, для контроля давления в полости насоса и выдачи сигнала на
управление задвижкой.
П — передача
понижающая, механическая.
ВКА, ВКО
и ВКЗ — выключатели конечные «аварийный» (при неисправности механизма),
состояния задвижки «открыто» и «закрыто».
ВБ —
выключатель безопасности, для отключения электрических цепей при ручном
управлении задвижкой.
Rl, R2:— ограничительные
резисторы в цепях сигнальных ламп.
Органы
управления.
КУ —
ключ управления, для выбора режима управления насосом («Р» — ручное, «О» —
отключено, «А» — автоматическое).
Кн.П и
Кн.С — кнопки «пуск» и «стоп» Д1 (на местном посту).
КН.О,
Кн.З, Кн.С1 — кнопки ДУ открытием, закрытием и остановкой задвижки (на пульте
оператора).
Нн
> Н > Нн — сигнал от датчика уровня в резервуаре, отклонение
от нормального.
«P↑» — сигнал от датчика давления
в полости насоса о повышении давления.
Режимы
управления:
КУ — «А»
— «автоматическое управление» ЦНА и задвижкой, основной режим;
КУ — «Р»
— «ручное управление» ЦНА и задвижкой (местное или ДУ).
Работа
схемы.
Исходное
состояние.
Поданы
все виды питания (включены ВА, ВА1, ВА2), КУ — «А», ВБ -«В», резервуар осушен
до «Нн», задвижка на напоре закрыта, полость насоса заполнена,
система осушения приготовлена.
При
этом: — засвечена вполнакала ЛЗ «задвижка закрыта»,
—
погашена ЛО «задвижка открыта».
ЦНА в
«ждущем режиме».
Автоматическое
управление.
При
поступлении жидкости в резервуар (Н > Нн) собирается цепь РУ
РУ↑ — собирается цепь КМ
(РУ: 1),
—готовится
цепь РП (РУ:2).
КМ ↑ — подключается к сети (Д1) (КМ: 1...3),
—становится
на самопитание (КМ:4).
При
работе насоса на закрытую задвижку давление в полости повысится «(Р↑)»,
при этом собирается цепь РП (РД).
РП ↑
— собирается цепь КО (РП: 1),
—размыкается
цепь КЗ (РП:2) повторно.
КО↑ — подключается к сети (Д2)
(КО:1...3) и пускается на открытие задвижки,
—становится на
самопитание (КО:4),
—блокируется цепь КЗ
(КО:5),
—шунтируется часть
резистора R2 (КО:6).
Задвижка
начинает открываться, при этом собирается цепь ЛО (ВКЗ), она загорается полным
накалом (ярко) на все время открывания.
При
полном открытии задвижки контакт ВКО разомкнётся, при этом разомкнётся цепь КО,
погаснет ЛЗ, горевшая вполнакала.
КО ↓ — отключается от сети (Д2)(КО:1...3)
и останавливается,
—размыкается цепь
самопитания (КО:4),
—готовится цепь КЗ
(КО:5),
—включается
полностью R2 в цепь ЛО, она переходит на горение
вполнакала.
ЦНА
работает на откачку жидкости из резервуара, ЛО «задвижка открыта» горит
вполнакала, ЛЗ «задвижка закрыта» погашена, уровень в резервуаре снижается.
При
полной откачке жидкости (Н < Нн) размыкается цепь РУ,
РУ ↓ — размыкается цепь КМ
(РУ: 1),
—размыкается
цепь РП (РУ:2).
КМ ↓ — отключается от сети (Д1) (KM: 1...3) и останавливается,
—размыкается
цепь самопитания (КМ:4).
РП ↓ — размыкается цепь КО
(РП:1), параллельная цепи самопитания,
—собирается
цепь КЗ (РП:2).
При
отключенном ЦНА давление в полости снижается (Р↓), при этом повторно
размыкается цепь РП (РД).
КЗ↑ — подключается к сети(Д2)
(К3:2...3) и пускается на закрытие задвижки,
—становится
на самопитание (К3:4),
—блокируется цепь КО
(КЗ:5),
—шунтируется часть
резистора R1 (КЗ:6).
Задвижка
начинает закрываться, при этом собирается цепь ЛЗ (ВКО), она зажигается полным
накалом (ярко) на все время закрывания.
При
полном закрытии задвижки контакт ВКЗ разомкнётся, при этом разомкнётся цепь КЗ,
погаснет ЛО, горевшая вполнакала.
КЗ ↓ — отключается от сети
(Д2)(КЗ: 1...3) и останавливается,
—размыкается цепь
самопитания (К3:4),
—готовится цепь КО
(КЗ:5),
—включается
полностью R1 в цепь ЛО, она переходит на горение
вполнакала.
ЦНА
отключен от сети и остановлен, ЛО «задвижка открыта» погашена, ЛЗ «задвижка
закрыта» горит вполнакала. ЦНА в «ждущем режиме».
Ручное
управление.
При
неисправности РУ или РД, установить КУ — «Р».
«Пуск»
насоса от Кн.П., открытие задвижки от Кн.О. Элементы срабатывают по цепям
«ручное управление», цепи «автоматическое управление» отключены. Контроль
уровня по стеклянному уровнемеру визуально, на местном посту.
Остановка
насоса от Кн.С, закрытие задвижки от Кн.З.
Примечание
— При наличии связи с
пультом оператора открытие и закрытие задвижки производится дистанционно
оператором.
При
действиях с местного поста вручную, в целях безопасности, отключить ВА2 или ВБ,
что исключит ошибочное включение Д2 с пульта оператора. При «неисправности»
механизма задвижки схема управления отключается аварийным конечным выключателем
ВКА, гаснут ЛО и ЛЗ.
Зашита,
блокировка, сигнализация:
—силовая цепь и
цепи Д1, Д2, от токов КЗ и перегрузки (ВА, ВА1 с комбинированными
расцепителями);
—цепи управления
Д2, от токов КЗ (ВА2 с максимальным расцепителем);
—ограничение хода
задвижки (ВКО и ВКЗ);
—-
взаимная эл. блокировка цепей КО (К3:5) и КЗ (КО:5);
—ЛЗ
«задвижка закрыта» горит вполнакала, сигнализация состояния. Примечание —
Переходный процесс открывания (закрывания) задвижки
сопровождается
горением ЛО (ЛЗ) полным накалом (ярко).
Питание
цепей.
3 ~ 380
В, 50 Гц — силовая сеть.
1 ~ 220
В, 50 Гц — цепи управления, автоматики, сигнализации.