Электроснабжение населенного пункта Cвиридовичи
Министерство сельского
хозяйства и продовольствия
Республики Беларусь
Белорусский
Государственный Аграрный Технический Университет
Кафедра Электроснабжения
с/х
Расчетно-пояснительная
записка к
КУРСОВОМУ
ПРОЕКТУ
по дисциплине «Электроснабжение
сельского хозяйства»
на тему
«Электроснабжение
населенного пункта Cвиридовичи»
Выполнил:
студент 4 курса АЭФ
20эпт группы Сазановец
А.В.
Руководитель: Кожарнович
Г. И.
Минск 2009г.
Аннотация
Курсовой
проект состоит из пояснительной записки на листах машинописного текста формата
А4, и графической части, выполненной на двух листах формата А1. Пояснительная
записка содержит 3 рисунка и 20 таблиц.
Графическая
часть работы включает в себя план электрической сети 0,38 кВ, расчетную схему
линии 0,38 и конструкцию предохранителей, используемых в МТП.
В данном курсовом проекте осуществлено проектирование
электроснабжения населенного пункта Свиридовичи.
Произведен
выбор проводов линии 10 кВ, определено число и место расположения КТП 10/0,4
кВ, рассчитано сечение проводов линии 0,38 кВ по методу экономических
интервалов мощностей, произведен расчет токов короткого замыкания, выбрано
оборудование и аппараты защиты. Разработаны мероприятия по защите линий от
перенапряжений, а также рассчитано заземление сети 0,38 кВ.
Электрификация,
то есть производство, распределение и применение электроэнергии во всех
отраслях народного хозяйства и быта населения – один из важнейших факторов
технического процесса.
Весь опыт
развития электрификации показал, что надежное, высококачественное и дешевое
электроснабжение можно получить только от крупных районных электростанций,
объединенных между собой в мощные электрические системы. На крупных
электростанциях районного масштаба с линиями передачи большого радиуса действия
вырабатывается наиболее дешевая электроэнергия, прежде всего из-за высокой
концентрации ее производства, а также благодаря возможности размещать
электростанции непосредственно у дешевых источников энергии – угля, сланцев, на
больших реках.
Самый высокий
показатель системы электроснабжения – надежность подачи электроэнергии. В связи
с ростом электрификации с/х производства, особенно с созданием в сельском
хозяйстве животноводческих комплексов промышленного типа всякое отключение –
плановое, и особенно неожиданное, аварийное, наносит огромный ущерб потребителю
и самой энергетической системе.
Электроснабжение
производственных предприятий и населенных пунктов в сельской местности имеет
свои особенности по сравнению с электроснабжением городов. Основные
особенности: необходимость подводить электроэнергию к огромному числу
сравнительно маломощных потребителей, рассредоточенных по всей территории;
низкое качество электроэнергии; требования повышенной надежности и т.д.
Таким
образом, можно сделать вывод о большом значении проблем электроснабжения в
сельском хозяйстве. От рационального решения этих проблем в значительной
степени зависит экономическая эффективность применения электроэнергии в
сельскохозяйственном производстве.
Таблица 1.1
Исходные данные для расчета линии высокого напряжения.
|
Отклонение напряжения
на шинах, %
|
Sк.з. на
шинах ИП, МВА
|
Соотношение мощностей
|
|
dU100
|
dU25
|
Pп / Pо
|
|
+7
|
-2
|
900
|
0,5
|
Таблица
1.2 Исходные данные по производственным потребителям.
|
№
п/п
|
Наименование
|
Номер
шифра
|
Дневной
максимум, кВт
|
Вечерний
максимум, кВт
|
|
Pд
|
Qд
|
Pв
|
Qв
|
|
1
|
Плотницкая
|
340
|
10
|
8
|
1
|
0
|
|
2
|
Хлебопекарня
производительностью 3т/сутки
|
356
|
5
|
4
|
5
|
4
|
|
3
|
Пожарное депо на 1…2
автомашины
|
382
|
4
|
3
|
4
|
2
|
|
4
|
Административное
здание на 15-25 рабочих мест
|
518
|
15
|
10
|
8
|
0
|
|
5
|
Дом
культуры со зрительным на 150-200 мест
|
527
|
5
|
3
|
14
|
8
|
|
6
|
Фельдшерско-окушерский
пункт
|
536
|
4
|
0
|
4
|
0
|
|
7
|
Магазин
со смешанным ассортиментом 6-10 мест
|
553
|
4
|
0
|
4
|
2
|
|
8
|
Баня
на 5 мест
|
559
|
3
|
2
|
3
|
2
|
2. Расчёт
электрических нагрузок в сетях
2.1 Расчёт электрических
нагрузок в сетях напряжением 380/220 В
Электрические
нагрузки в сетях напряжением 380/220 В складываются из нагрузок жилых домов,
общественных и коммунальных учреждений производственных потребителей, а также
нагрузки наружного освещения.
Подсчёт
нагрузок по участкам линий проводят после выбора количества трансформаторных
подстанций (ТП), места их установки и нанесения трассы линии на план объекта.
Затем отходящие от ТП линии разбивают на участки длиной не более 100 м. Все
однородные потребители, присоединённые к данному участку линии, объединяют в
группы и определяют их суммарную нагрузку отдельно по дневному Рд и
отдельно по вечернему Рв максимумам. При смешанной нагрузке
создаются отдельные группы из потребителей жилых домов, производственных,
общественных, коммунальных предприятий.
Для расчета
электрических нагрузок вычерчиваем план населенного пункта в масштабе,
располагаем на плане производственные нагрузки, группируем все
коммунально-бытовые потребители, присваиваем номера группам.
Нагрузку на
вводе в жилой дом определим по номограмме ([1], рис. 3.1.) исходя из
существующего годового потребления электроэнергии (согласно заданию 850 кВт·ч)
на седьмой расчётный год. При годовом потреблении 1050 кВт·ч/дом расчётная
нагрузка на вводе составляет Рр.i.=2,3кВт·ч/дом.
Для
определения суммарной расчётной активной нагрузки всего населённого пункта
делим все потребители по соизмеримой мощности на группы и определим расчётную
нагрузку каждой группы по формулам:
, (2.1)
, (2.2)
где Рд,
Рв – соответственно расчетная дневная и вечерняя нагрузка потребителей
и их групп, кВт;
n –
количество потребителей в группе, шт.;
Pр – расчетная нагрузка на вводе к потребителю, кВт;
kд,
kв – соответственно коэффициент участия нагрузки в дневном и
вечернем максимуме, для коммунальных потребителей (дома без электроплит) kд = 0,3, kв = 1 ([1], стр. 39);
kо – коэффициент одновременности, принимается в зависимости от
количества потребителей в группе и нагрузки на вводе (для жилых домов) (таблица
5.1 [1]).
Первая
группа: жилые дома (107 домов):
Рд.1. =
0.258·2.3·107·0.3 = 19.1 кВт,
Рв.1.
= 0.258·2.3·107·1 = 63.5 кВт.
Вторая
группа: административное здание, плотницкая, магазин,пожарное депо
кВт, (2.3)
кВт. (2.4)
Коэффициент
одновремённости k0 = 0.775
Третья
группа:дом культуры, хлебопекарня, баня, фельдшерско-акушерский пункт
Рд.3.
= 0.775· (5+5+3+4) =13,18 кВт,
Рв.3.
= 0.775· (3+4+2+0) =6,98 кВт.
Коэффициент
одновремённости k0 = 0.775
Расчётная
нагрузка уличного освещения определяется по формуле:
Вт =11.8 кВт (2.5)
где Руд.ул.
= 5.5 Вт/м – удельная нагрузка на один погонный метр улицы, для поселковых улиц
с асфальтобетонными и переходными типами покрытий с шириной проезжей части 5…7
м;
ℓул.
– общая длина улиц м;
Суммируя
расчётные нагрузки всех трёх групп
Данное
действие производится согласно формуле:
кВт, (2.6)
кВт. (2.7)
где РБ
– большая из нагрузок, кВт;
∆РД.i,
∆РВ.i – соответственно надбавка соответствующая меньшей
дневной и вечерней нагрузке, кВт.
Расчётная
мощность ТП определяется по вечернему максимуму нагрузки, т.к. он больший. С
учётом уличного освещения расчётная мощность ТП определяется по формуле:
РТП
= РТП.В. + РР.УЛ. = 77+ 11.8 = 88,8 кВт. (2.8)
Определяем
средневзвешенный коэффициент мощности по формуле:
, (2.9)
где cosφi
– коэффициент мощности i-го потребителя;
Рi
– мощность i-го потребителя, кВт.
Таблица 2.1
коэффициенты мощности производственных потребителей.
|
№
|
Потребитель
|
Pд,
кВт
|
Qд,
кВт
|
Pв,
кВт
|
Qв,
кВт
|
cosjД
|
cosjв
|
|
1
|
Плотницкая
|
10
|
8
|
1
|
0
|
0,78
|
1
|
|
2
|
Хлебопекарня производительностью
3т/сутки
|
5
|
4
|
5
|
4
|
0,78
|
0,78
|
|
3
|
Пожарное депо на 1…2
автомашины
|
4
|
3
|
4
|
2
|
0,8
|
0,89
|
|
4
|
Административное
здание на 15-25 рабочих мест
|
15
|
10
|
8
|
0
|
0,83
|
1
|
|
5
|
Дом
культуры со зрительным на 150-200 мест
|
5
|
3
|
14
|
8
|
0,86
|
0,87
|
|
6
|
Фельдшерско-окушерский
пункт
|
4
|
0
|
4
|
0
|
1
|
1
|
|
7
|
Магазин
со смешанным ассортиментом 6-10 мест
|
4
|
0
|
4
|
2
|
1
|
0,89
|
|
8
|
Баня
на 5 мест
|
3
|
2
|
3
|
2
|
0,83
|
0,83
|
Полная
расчётная нагрузка на шинах ТП дневного максимума определяется по следующей
формуле:
кВ·А. (2.10)
Полная
расчётная нагрузка на шинах ТП вечернего максимума определяется по следующей
формуле:
кВ·А.
Для
определения числа ТП первоначально необходимо определить допустимые потери
напряжения. Исходными данными для расчета электрических сетей являются
допустимые нормы отклонения напряжения. Для сельскохозяйственных потребителей
при нагрузке 100% оно не должно выходить за пределы +5%, а при нагрузке 25% за
пределы 0% от номинального.
Допустимые
потери напряжения в линиях 10кВ и 0,38кВ определяются путем составления таблиц
отклонения напряжения. Как правило, при составлении таблиц рассматривают
ближайшую и удаленную трансформаторные подстанции в режиме максимальной (100%)
и минимально (25%) нагрузки. В нашем случае следует определить потери
напряжения и надбавку для проектируемой ТП.
Определяем
допустимые потери напряжения и надбавку трансформатора результаты сводим в
таблицу 2.2.
Таблица №2.2.
Определение допустимых потерь напряжения и оптимальных надбавок трансформатора
|
N
п/п
|
Элементы схемы
|
Нагрузка
|
|
100%
|
25%
|
|
1
|
Шины питающей
подстанции
|
+7
|
-2
|
|
2
|
ВЛ – 10кВ
|
-8
|
0,5
|
|
3
|
Трансформатор 10/0,38
кВ:
надбавка
потери напряжения
|
+7,5
-4.0
|
+7,5
-1.0
|
|
4
|
Линия 0,38 кВ
потери во внутренних
сетях
потери во внешних сетях
|
-1,5
-6
|
0
0
|
|
5
|
Отклонение напряжения у
потребителя
|
-5.0
|
5
|
Число ТП для
населённого пункта определим по формуле:
шт, (2.11)
Принимаем NТП=2
где F = 0.37
км2 – площадь населённого пункта;
∆U%=6%
– допустимая потеря напряжения, которая определена согласно табл. 2.2 (потери
во внешних сетях).
Т.к. число ТП
равно двум, то делим населённый пункт на две примерно равные зоны и дальнейший
расчёт производим для каждой зоны отдельно. В каждой зоне сгруппируем
однородные потребители в группы и присвоим им
номера 1, 2,
3 и т.д. На плане населённого пункта наметим трассы ВЛ 380/220В и разобьём их
на участки не более 100 м.
На плане
населённого пункта нанесём оси координат и определим координаты нагрузок групп
жилых домов и отдельных потребителей для каждой из зон отдельно.
Определим
нагрузки групп жилых домов отдельно для дневного и вечернего максимумов.
Расчётная
нагрузка группы из 4 жилых домов:
• дневная
кВт;
• вечерняя
кВт.
Расчётная
нагрузка группы из 5 жилых домов:
• дневная
кВт;
• вечерняя
кВт.
Расчётная
нагрузка группы из 6 жилых домов:
• дневная
кВт;
• вечерняя
кВт.
Расчётная
нагрузка группы из 7 жилых домов:
• дневная
кВт;
• вечерняя
кВт.
Полученные
значения координат нагрузок, дневные и вечерние расчётные нагрузки, а также
значения коэффициентов мощности (см. табл. 2.1) сведём в таблицу 2.3.
Таблица №2.3.
Результат расчёта нагрузок отдельных потребителей и групп однородных
потребителей и их координат
|
Номер потре-бителей и
групп
|
Наименование
потребителей
|
Расчётная мощность, кВт
|
Координаты нагрузок
|
Коэффициент мощности
|
|
|
|
Рд
|
Рв
|
х
|
у
|
cosφд
|
cosφв
|
|
|
1-я зона
|
|
|
1
|
7 домов
|
2,27
|
7,57
|
358
|
205
|
0.9
|
0,93
|
|
|
3
|
4 дома
|
1,6
|
5,38
|
290
|
142
|
0.9
|
0,93
|
|
|
4
|
6 домов
|
2,1
|
6,9
|
210
|
185
|
0.9
|
0,93
|
|
|
5
|
4 дома
|
1,6
|
5,38
|
143
|
202
|
0.9
|
0,93
|
|
|
6
|
Баня
на 5 мест
|
3
|
3
|
92
|
215
|
0.83
|
0.83
|
|
|
7
|
5 домов
|
1,83
|
6.1
|
410
|
125
|
0.9
|
0,93
|
|
|
8
|
Фельдшерско-окушерский
пункт
|
4
|
460
|
125
|
1
|
1
|
|
|
9
|
5 домов
|
1,83
|
6.1
|
501
|
128
|
0.9
|
0,93
|
|
|
10
|
6 домов
|
2,1
|
6,9
|
560
|
132
|
0.9
|
0,93
|
|
|
11
|
4 дома
|
1,6
|
5,38
|
345
|
62
|
0.9
|
0,93
|
|
|
12
|
Дом
культуры со зрительным на 150-200 мест
|
5
|
14
|
295
|
52
|
0.86
|
0,87
|
|
|
13
|
Хлебопекарня
производительностью 3т/сутки
|
5
|
5
|
286
|
54
|
0,78
|
0,78
|
|
|
14
|
5 домов
|
1,83
|
6.1
|
220
|
62
|
0.9
|
0,93
|
|
|
15
|
6 домов
|
2,1
|
6,9
|
142
|
96
|
0.9
|
0,93
|
|
|
16
|
5 домов
|
1,83
|
6.1
|
52
|
102
|
0.9
|
0,93
|
|
|
Итого
|
|
|
|
|
|
|
|
|
|
2-я зона
|
|
|
17
|
7 домов
|
2,27
|
7,57
|
350
|
382
|
0.9
|
0,93
|
|
|
18
|
6 домов
|
2,1
|
6,9
|
350
|
450
|
0.9
|
0,93
|
|
|
19
|
4 дома
|
1,6
|
5,38
|
350
|
542
|
0.9
|
0,93
|
|
|
21
|
4 дома
|
1,6
|
5,38
|
302
|
294
|
0.9
|
0,93
|
|
|
22
|
Магазин
со смешанным ассортиментом 6-10 мест
|
4
|
4
|
273
|
295
|
1
|
0,89
|
|
|
23
|
7 домов
|
2,27
|
7,57
|
200
|
297
|
0.9
|
0,93
|
|
|
24
|
5 домов
|
1,83
|
6.1
|
120
|
298
|
0.9
|
0,93
|
|
|
25
|
Пожарное депо на 1…2
автомашины
|
4
|
4
|
412
|
300
|
0,8
|
0,89
|
|
|
26
|
6 домов
|
2,1
|
6,9
|
490
|
302
|
0.9
|
0,93
|
|
|
27
|
Административное
здание на 15-25 рабочих мест
|
15
|
8
|
556
|
303
|
0.83
|
1
|
|
|
28
|
Плотницкая
|
10
|
1
|
590
|
304
|
0,78
|
1
|
|
|
29
|
5 домов
|
1,83
|
6.1
|
596
|
314
|
0.9
|
0,93
|
|
|
30
|
6 домов
|
2,1
|
6,9
|
600
|
392
|
0.9
|
0,93
|
|
|
Итого
|
|
|
|
|
|
|
|
|
|
|
|
|
|
|
|
|
|
|
|
|
|
|
|
|
Определим
центр нагрузок для каждой зоны по формуле:
(2.12)
Аналогичным
образом производим расчёт центра нагрузки для второй зоны и получаем, что Х2
= 393м и Y2 = 348м
3.
Определение
допустимых потерь напряжения и оптимальных надбавок трансформатора
Cоставим
расчетную схему низковольтной сети. Привяжем ее к плану населенного пункта и
намеченным трассам низковольтных линий. Нанесем потребители, укажем их
мощность, обозначим номера расчетных участков и их длину.
Определим
нагрузки на участках низковольтной линии. Результаты расчета сводим в таблицу 3.1.
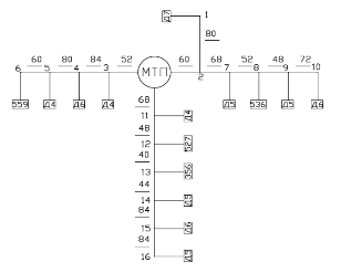
Рис. 1.
Расчётная схема ВЛ 0,38 кВ для ТП1
Рис.2.
Расчётная схема ВЛ 0,38 кВ для ТП2
ТП-1
Участок 9-10
Активная
нагрузка для:
• дневного
максимума
кВт,
• вечернего
максимума
кВт.
Коэффициент
мощности на участке для:
• дневного
максимума
• вечернего
максимума
Полная
нагрузка для:
• дневного
максимума
кВ·А,
• вечернего
максимума
кВ·А.
Участок 8-9
Активная
нагрузка для:
• дневного
максимума
кВт,
• вечернего
максимума
кВт.
Коэффициент
мощности на участке для:
• дневного
максимума
,
• вечернего
максимума
.
Полная
нагрузка для:
• дневного
максимума
кВ·А,
• вечернего
максимума
кВ·А.
Участок 7-8.
Активная
нагрузка для:
• дневного
максимума
кВт,
• вечернего
максимума
кВт.
Коэффициент
мощности на участке для:
• дневного
максимума
,
• вечернего
максимума
.
Полная
нагрузка для:
• дневного
максимума
кВ·А,
• вечернего
максимума
кВ·А.
Участок 2-7.
Активная
нагрузка для:
• дневного
максимума
кВт,
• вечернего
максимума
кВт.
Коэффициент
мощности на участке для:
• дневного
максимума
,
• вечернего
максимума
.
Полная
нагрузка для:
• дневного
максимума
кВ·А,
• вечернего
максимума
кВ·А.
Участок 2-1.
Активная
нагрузка для:
• дневного
максимума
кВт,
• вечернего
максимума
кВт.
Коэффициент
мощности на участке для:
• дневного
максимума
,
• вечернего
максимума
Полная
нагрузка для:
• дневного
максимума
кВ·А,
• вечернего
максимума
кВ·А.
Участок ТП-2.
Активная
нагрузка для:
• дневного
максимума
кВт,
• вечернего
максимума
кВт.
Коэффициент
мощности на участке для:
• дневного
максимума
,
• вечернего
максимума
.
Полная
нагрузка для:
• дневного
максимума
кВ·А,
• вечернего
максимума
кВ·А.
Участок 5-6
Активная
нагрузка для:
• дневного
максимума
кВт,
• вечернего
максимума
кВт.
Коэффициент
мощности на участке для:
• дневного
максимума
,
• вечернего
максимума
Полная
нагрузка для:
• дневного
максимума
кВ·А,
• вечернего
максимума
кВ·А.
Участок 4-5.
Активная
нагрузка для:
• дневного
максимума
кВт,
• вечернего
максимума
кВт.
Коэффициент
мощности на участке для: дневного максимума
,
• вечернего
максимума
.
Полная
нагрузка для:
• дневного
максимума
кВ·А,
• вечернего
максимума
кВ·А.
Участок 3-4.
Активная
нагрузка для:
• дневного
максимума
кВт,
• вечернего
максимума
кВт.
Коэффициент
мощности на участке для:
• дневного
максимума
,
• вечернего
максимума
Полная
нагрузка для:
• дневного
максимума
кВ·А,
• вечернего
максимума
кВ·А.
Участок ТП-3
Активная
нагрузка для:
• дневного
максимума
кВт,
• вечернего
максимума
кВт.
Коэффициент
мощности на участке для:
• дневного
максимума
,
• вечернего
максимума
.
Полная
нагрузка для:
• дневного
максимума
кВ·А,
• вечернего
максимума
кВ·А.
Участок 15-16
Активная
нагрузка для:
кВт,
• вечернего
максимума
кВт.
Коэффициент
мощности на участке для:
• дневного
максимума
,
• вечернего
максимума
Полная
нагрузка для:
• дневного
максимума
кВ·А,
• вечернего
максимума
кВ·А.
Участок 14-15
Активная
нагрузка для:
• дневного
максимума
кВт,
• вечернего
максимума
кВт.
Коэффициент
мощности на участке для:
• дневного
максимума
• вечернего
максимума
.
Полная
нагрузка для:
• дневного
максимума
кВ·А,
• вечернего
максимума
кВ·А.
Участок 13-14
Активная
нагрузка для:
• дневного
максимума
кВт,
• вечернего
максимума
кВт.
Коэффициент
мощности на участке для:
• дневного
максимума
• вечернего
максимума
.
Полная
нагрузка для:
• дневного
максимума
кВ·А,
• вечернего
максимума
кВ·А.
Участок 12-13
Активная
нагрузка для:
• дневного
максимума
кВт,
• вечернего
максимума
кВт.
Коэффициент
мощности на участке для:
• дневного
максимума
• вечернего
максимума
.
Полная
нагрузка для:
• дневного
максимума
кВ·А,
• вечернего
максимума
кВ·А.
Участок 11-12
Активная
нагрузка для:
• дневного
максимума
кВт,
• вечернего
максимума
кВт.
Коэффициент
мощности на участке для:
• дневного
максимума
• вечернего
максимума
.
Полная
нагрузка для:
• дневного
максимума
кВ·А,
• вечернего
максимума
кВ·А.
Участок ТП-11
Активная
нагрузка для:
• дневного
максимума
кВт,
• вечернего
максимума
кВт.
Коэффициент
мощности на участке для:
• дневного
максимума
• вечернего
максимума
.
Полная
нагрузка для:
• дневного
максимума
кВ·А,
• вечернего
максимума
кВ·А.
Аналогичным
образом рассчитываем оставшийся участки для ТП-2, полученные результаты занесем
в таблицу 3.1
Таблица 3.1.
Расчетная нагрузка на участках ВЛ 380/220 В. ТП1
Номер участка
|
Расчётная мощность Рр.д., кВт
|
Расчётная мощность Рр.в., кВт
|
Коэффициент мощности
cosφд
|
Коэффициент мощности
cosφв
|
Максимальная полная
мощность Sуч.д., кВ*А
|
Максимальная полная
мощность Sуч.в., кВ*А
|
К-o одновременн
|
Надбавка ∆Pд
кВт
|
Надбавка ∆Pв
кВт
|
Наружное освещение
кВТ
|
|
9-10
|
2,1
|
6,9
|
0,9
|
0,93
|
2,333333
|
7,419355
|
-
|
-
|
-
|
0,4
|
|
8-9
|
2,9475
|
9,75
|
0,9
|
0,93
|
3,275
|
10,48387
|
0.75
|
-
|
-
|
0,3
|
|
7-8
|
5,8
|
12,15
|
0,957575
|
0,950364
|
6,056969
|
12,78458
|
-
|
1.8
|
2.4
|
0,3
|
|
2-7
|
6,9
|
15,8
|
0,943766
|
0,943557
|
7,311136
|
16,74514
|
-
|
1.1
|
3.65
|
0,4
|
|
2-1
|
2,27
|
6,1
|
0,9
|
0,93
|
2,522222
|
6,55914
|
-
|
-
|
-
|
0,4
|
|
ТП-2
|
8,2
|
19,4
|
0,932932
|
0,939781
|
8,789496
|
20,64311
|
-
|
1.3
|
3.6
|
0,43
|
|
5-6
|
3
|
3
|
0,83
|
0,83
|
3,614458
|
3,614458
|
-
|
-
|
-
|
0,43
|
|
4-5
|
3,95
|
7,18
|
0,854348
|
0,8942
|
4,62341
|
8,029519
|
-
|
0.95
|
1.8
|
0,5
|
|
3-4
|
5,2
|
11,28
|
0,870194
|
0,911744
|
5,975679
|
12,37189
|
-
|
1.25
|
4.1
|
0,5
|
|
ТП-3
|
6,15
|
14,38
|
0,877207
|
0,91764
|
7,010886
|
15,67064
|
-
|
0.95
|
3.1
|
0,3
|
|
15-16
|
1,83
|
6,1
|
0,9
|
0,93
|
2,033333
|
6,55914
|
-
|
-
|
-
|
0,4
|
|
14-15
|
2,9475
|
9,75
|
0,9
|
0,93
|
3,275
|
10,48387
|
0.75
|
-
|
-
|
0,5
|
|
13-14
|
3,583125
|
11,8875
|
0,9
|
0,93
|
3,98125
|
12,78226
|
0.75
|
-
|
-
|
0,3
|
|
12-13
|
7,15
|
14,8875
|
0,830095
|
0,885588
|
8,613468
|
16,81086
|
-
|
2.15
|
3
|
0,2
|
|
11-12
|
10,15
|
23,3875
|
0,842402
|
0,878034
|
12,04888
|
26,63622
|
-
|
3
|
8.5
|
0,2
|
|
ТП-11
|
11,1
|
26,5375
|
0,850245
|
0,887752
|
13,05506
|
29,89291
|
-
|
0.95
|
3.15
|
0,4
|
Таблица 3.1.
Расчетная нагрузка на участках ВЛ 380/220 В. ТП2
Номер участка
|
Расчётная мощность Рр.д., кВт
|
Расчётная мощность Рр.в., кВт
|
Коэффициент мощности
cosφд
|
Коэффициент мощности
cosφв
|
Максимальная полная
мощность Sуч.д., кВ*А
|
Максимальная полная
мощность Sуч.в., кВ*А
|
К-т одновременн
|
Надбавка ∆Pд
кВт
|
Надбавка ∆Pв
кВт
|
Наружное освещение
кВТ
|
|
18-19
|
1,6
|
5,38
|
0,9
|
0,93
|
1,777778
|
5,784946
|
-
|
-
|
-
|
0,5
|
|
17-18
|
2,775
|
9,21
|
0,9
|
0,93
|
3,083333
|
9,903226
|
0.75
|
-
|
-
|
0,5
|
|
ТП-17
|
3,78375
|
12,585
|
0,9
|
0,93
|
4,204167
|
13,53226
|
0.75
|
-
|
-
|
0,4
|
|
23-24
|
1,83
|
6,1
|
0,9
|
0,93
|
2,033333
|
6,55914
|
-
|
-
|
-
|
0,3
|
|
22-23
|
3,075
|
10,2525
|
0,9
|
0,93
|
3,416667
|
11,02419
|
0.75
|
-
|
-
|
|
21-22
|
5,8
|
12,6525
|
0,956537
|
0,918774
|
6,063539
|
13,77107
|
-
|
1.8
|
2.4
|
0,53
|
|
20-21
|
6,75
|
15,8025
|
0,944313
|
0,922123
|
7,148055
|
17,13708
|
-
|
0.95
|
3.15
|
0,2
|
|
ТП-20
|
6,75
|
15,8025
|
0,944313
|
0,922123
|
7,148055
|
17,13708
|
-
|
-
|
-
|
0,72
|
|
29-30
|
2,1
|
6,9
|
0,9
|
0,93
|
2,333333
|
7,419355
|
-
|
-
|
-
|
0,41
|
|
28-29
|
2,9475
|
9,75
|
0,9
|
0,93
|
3,275
|
10,48387
|
0.75
|
-
|
-
|
0,37
|
|
27-28
|
11,8
|
10,35
|
0,807318
|
0,936512
|
14,6163
|
11,05165
|
-
|
1.8
|
0.6
|
0,2
|
|
26-27
|
22,3
|
15,15
|
0,820013
|
0,96419
|
27,19469
|
15,71266
|
-
|
7.3
|
4.8
|
0,4
|
|
25-26
|
23,55
|
19,25
|
0,826897
|
0,953491
|
28,47996
|
20,18896
|
-
|
1.25
|
4.1
|
0,5
|
|
ТП-25
|
25,95
|
21,65
|
0,822992
|
0,942568
|
31,53129
|
22,96916
|
-
|
2.4
|
2.4
|
0,4
|
|
5.84
|
Зная
расчётную нагрузку на участках линии, уточним суммарную нагрузку на шинах ТП.
Она получается путём суммирования расчётных нагрузок отходящих от ТП линий (для
ТП1 участки ТП1-2, ТП1-3, ТП1-11; для ТП2 участки ТП2-17, ТП2-20, ТП2-25).
ТП1:
кВт,
кВт.
ТП2:
кВт,
кВт.
Т.к.
расчётная нагрузка в вечерний максимум выше, то расчёт мощностей ТП ведём по
вечернему максимуму.
Активная
нагрузка ТП1 и ТП2 с учетом уличного освещения определим по формуле:
кВт,
кВт
Определим
более точные значения коэффициента мощности для ТП1 и ТП2 по формуле:
Для ТП1:
.
Для ТП2:
Определим
полные расчётные мощности ТП по формуле:
Для ТП1:
кВ·А.
Для ТП2:
кВ·А.
По полной
расчётной мощности выбираем мощность и тип трансформатора. Согласно ([2],
приложение 19) выбираем для ТП1 и ТП2 трансформатор ТМ63-10/0,4 со следующими
техническими данными:
Номинальная
мощность SТР, кВ·А ………………………………… 63
Схема
соединения обмоток ……………………………………..Y/Yн-0
Потери
холостого хода ∆РХХ, Вт ………………………………….. 240
Потери
короткого замыкания ∆РКЗ, Вт ………………………….. 1280
Напряжение
короткого замыкания UКЗ, % от UН …………………. 4,5
Находим
экономические нагрузки на участках по формуле:
,
где SУЧ
– полная мощность участка, кВ·А;
КД
= 0,7 – коэффициент динамики роста нагрузок ([3], стр. 28).
Произведём
расчёт для ТП1:
Дневной
максимум: Вечерний максимум:
кВ·А;
кВ·А;
кВ·А;
кВ·А;
кВ·А;
кВ·А;
кВ·А;
кВ·А;
кВ·А;
кВ·А;
кВ·А;
кВ·А;
кВ·А.
кВ·А.
кВ·А;
кВ·А;
кВ·А;
кВ·А;
кВ·А;
кВ·А;
кВ·А.
кВ·А.
кВ·А;
кВ·А;
кВ·А;
кВ·А;
кВ·А;
кВ·А;
кВ·А;
кВ·А;
кВ·А;
кВ·А;
Проводим
аналогичный расчёт для ТП2 и результат расчёта сводим в табл. 2.5.
По
экономическим интервалам нагрузок ([2] приложение 32) выберем марку и сечение
проводов. Минимальное допустимое сечение по механической прочности 25 мм2
для проводов марки «А» ([4], таблица 3.2). В целях удобства монтажа и
эксплуатации ВЛ рекомендуется применять не более 3…4 сечений. Первоначально на
всей линии используем провод А25.
Район по
гололеду 1-й. Для 1-ой группы по скоростному напору ветра V = 16 м/с и
наибольшей стреле провеса среднегеометрическое расстояние между проводами D не
менее 400 мм.
Определяем
фактические потери напряжения на участках и сравним их с допустимыми (согласно
табл. 2.2 допустимая потеря напряжения не должна превышать для ВЛ 0,38 кВ
(внешние сети) 6%).
,
где SУЧ
– полная мощность участка, кВ·А;
ℓУЧ
– длина участка, км;
UН
– номинальное линейное напряжение, кВ;
r0
– удельное активное электрическое сопротивление провода постоянному току при 20
0С, Ом/км (принимаем согласно [2] приложение 1);
х0
– индуктивное сопротивление для ВЛ, Ом/км (принимаем согласно [2] приложение
15) при среднем геометрическом расстоянии между проводами 400 мм;
Для линии 1:
Для дневного
максимума:
В;
В;
В;
В;
В;
В;
Для вечернего
максимума:
В;
В;
В;
В;
В;
В;
Определим
потерю напряжения на участках в % по следующей формуле:
,
где UН
– номинальное линейное напряжение, В.
Для линии 1:
Для дневного
максимума:
Для вечернего
максимума:
Проводим
аналогичный расчёт для остальных участков и результат сводим в табл. 2.5. Затем
следует произвести проверку на соответствии потери напряжения в конце линий.
Если сумма потерь напряжения участков будет большей, чем 3.5%, то необходимо на
первом участке от ТП увеличить сечение провода на одну ступень (например,
вместо А25 взять А35), что приведёт к изменению r0 и х0,
а следовательно и к уменьшению потерь напряжения. Замену проводов на участках
производить до тех пор, пока потери напряжения не войдут в допустимые пределы.
Максимально возможное сечение проводов для ВЛ 0,38 кВ (в крайних случаях)
составляет 70 мм2, т.е. провод А70.
Таблица №2.5.
Результат расчёта ВЛ 0,38 кВ
|
Номер участка
|
Экономическая нагрузка
Sэ.д., кВА
|
Экономическая нагрузка
Sэ.в., кВА
|
Марка и сечение проводов
|
Сопротивление проводов
|
∆Uд, В
|
∆Uв, В
|
∆Uд, %
|
∆Uв, %
|
|
Актив-ное rо, Ом/км
|
Реактив-ное хо, Ом/км
|
|
ТП1
|
|
9-10
|
1,6333
|
5,1948
|
4А25+А25
|
1.14
|
0.319
|
0,54
|
1,65
|
0,136
|
0,43
|
|
8-9
|
2,2925
|
7,34
|
4А25+А25
|
1.14
|
0.319
|
0,48
|
1,55
|
0,127
|
0,41
|
|
7-8
|
4,2478
|
8,9496
|
4А25+А25
|
1.14
|
0.319
|
0,98
|
2,07
|
0,258
|
0,54
|
|
2-7
|
5,1175
|
11,726
|
4А25+А25
|
1.14
|
0.319
|
1,55
|
3,54
|
0,407
|
0,93
|
|
2-1
|
1,7656
|
4,5918
|
4А25+А25
|
1.14
|
0.319
|
0,62
|
1,63
|
0,163
|
0,42
|
|
ТП-2
|
6,1527
|
14,458
|
4А25+А25
|
1.14
|
0.319
|
1,64
|
3,85
|
0,430
|
1,01
|
|
5-6
|
2,5302
|
2,5302
|
4А25+А25
|
1.14
|
0.319
|
0,64
|
0,64
|
0,169
|
0,16
|
|
4-5
|
3,2367
|
5,6204
|
4А25+А25
|
1.14
|
0.319
|
1,11
|
1,96
|
0,292
|
0,51
|
|
3-4
|
4,1825
|
8,6603
|
4А25+А25
|
1.14
|
0.319
|
1,52
|
3,20
|
0,399
|
0,84
|
|
ТП-3
|
4,907
|
10,965
|
4А25+А25
|
1.14
|
0.319
|
1,11
|
2,52
|
0,291
|
0,66
|
|
15-16
|
1,4233
|
4,5918
|
4А25+А25
|
1.14
|
0.319
|
0,45
|
0,97
|
0,118
|
0,25
|
|
14-15
|
2,2925
|
7,338
|
4А25+А25
|
1.14
|
0.319
|
0,80
|
2,46
|
0,211
|
0,64
|
|
13-14
|
2,7865
|
8,9471
|
4А25+А25
|
1.14
|
0.319
|
0,59
|
1,90
|
0,154
|
0,50
|
|
12-13
|
6,0228
|
11,776
|
4А25+А25
|
1.14
|
0.319
|
0,92
|
1,84
|
0,241
|
0,48
|
|
11-12
|
8,4317
|
18,646
|
4А25+А25
|
0.319
|
1,44
|
3,23
|
0,378
|
0,85
|
|
ТП-11
|
9,1343
|
20,924
|
4А25+А25
|
1.14
|
0.319
|
2,50
|
5,83
|
0,658
|
1,53
|
|
ТП2
|
|
18-19
|
1,2444
|
4,0495
|
4А25+А25
|
1.14
|
0.319
|
0,45
|
1,50
|
0,120
|
0,39
|
|
17-18
|
2,1583
|
6,9323
|
4А25+А25
|
1.14
|
0.319
|
0,79
|
2,57
|
0,209
|
0,67
|
|
ТП-17
|
2,9429
|
9,4726
|
4А25+А25
|
1.14
|
0.319
|
0,82
|
2,68
|
0,217
|
0,70
|
|
23-24
|
1,4233
|
4,5914
|
4А25+А25
|
1.14
|
0.319
|
0,36
|
1,17
|
0,095
|
0,31
|
|
22-23
|
2,3917
|
7,7169
|
4А25+А25
|
1.14
|
0.319
|
0,58
|
1,91
|
0,154
|
0,50
|
|
21-22
|
4,2445
|
9,6397
|
4А25+А25
|
1.14
|
0.319
|
1,13
|
2,55
|
0,298
|
0,67
|
|
20-21
|
5,0036
|
11,996
|
4А25+А25
|
1.14
|
0.319
|
0,71
|
1,69
|
0,187
|
0,44
|
|
ТП-20
|
5,0036
|
11,996
|
4А25+А25
|
1.14
|
0.319
|
0,71
|
1,69
|
0,187
|
0,44
|
|
29-30
|
1,6333
|
5,1935
|
4А25+А25
|
1.14
|
0.319
|
0,30
|
0,96
|
0,080
|
0,25
|
|
28-29
|
2,2925
|
7,3387
|
4А25+А25
|
1.14
|
0.319
|
0,42
|
1,36
|
0,112
|
0,36
|
|
27-28
|
10,231
|
7,7362
|
4А25+А25
|
1.14
|
0.319
|
1,04
|
0,82
|
0,276
|
0,21
|
|
26-27
|
19,036
|
10,998
|
4А25+А25
|
1.14
|
0.319
|
4,17
|
2,48
|
1,097
|
0,65
|
|
25-26
|
19,936
|
14,132
|
4А25+А25
|
1.14
|
0.319
|
5,66
|
4,13
|
1,492
|
1,08
|
|
ТП-25
|
22,071
|
16,078
|
4А25+А25
|
1.14
|
0.319
|
5,12
|
3,85
|
1,349
|
1,01
|
Проведём
проверку на соответствие потери напряжения в линиях.
ТП1
Линия ТП1-2:
• дневной
максимум:
∆UД%
=0.136+0.127+0.258+0.407+0.163+0.43=1.5% < 6%;
• вечерний
максимум:
∆UВ%
=0.43+0.41+0.54+0.93+0.42+1.01=3.74% < 3.5%.
Линия ТП1-3:
• дневной
максимум:
∆UД%
=0.169+0.292+0.399+0.291=1.15% < 6%;
• вечерний
максимум:
∆UВ%
=0.16+0.51+0.84+0.66=2.17% < 6%.
Линия ТП1-11:
• дневной
максимум:
∆UД%
=0.118+0.211+0.154+0.241+0.378+0.658=1.76% < 6%;
• вечерний
максимум:
∆UВ%
=0.25+0.64+0.5+0.48+0.85+1.53=4.25% < 6%.
Остальные
потери рассчитываем по аналогии и сводим в таблицу № 3.2
Таблица № 3.2
потери напряжения в линии.
|
Участки ТП
|
∆UД%
|
∆UВ%
|
|
ТП1
|
|
ТП-2
|
1.5
|
3.74
|
|
ТП-3
|
1.15
|
2.17
|
|
ТП-11
|
1.76
|
4.25
|
|
ТП2
|
|
ТП-17
|
0.55
|
1.78
|
|
ТП-20
|
0.92
|
2.38
|
|
ТП-25
|
1.35
|
1.01
|
Потери в
конце линий не превышает допустимых значений, о чём свидетельствует вышеприведенная
проверка.
4.
Электрический расчет сети 10кВ
Электрический
расчет сети 10кВ производится с целью выбора сечения и марки проводов линии,
питающей ТП, а также проверки качества напряжения у потребителя. При расчете
пользуемся методом расчета электрических сетей по экономическим интервалам
нагрузок.
Рис. 3. Расчётная схема линии 10 кВ
4.1 Определение расчетных нагрузок
Расчетные
максимальные нагрузки (отдельно – дневные и вечерние) участков сети определяются
по сумме расчетных мощностей населенных пунктов, расположенных за этим
участком, по следующей формуле:
Pр = Pнаиб. + SDР, (4.1)
где Рр – расчетное значение максимальной мощность, кВт;
Рнаиб. – наибольшее значение мощности, кВт;
SDР – сумма надбавок (таблица 3.10 [3]), кВт.
Пользуясь
расчетной схемой высоковольтной сети определяем максимальные нагрузки. Расчеты
сводим в таблицу 4.1.
Таблица 4.1
Расчет максимальных нагрузок сети 10кВ.
|
Участок сети
|
Расчет максимальной
нагрузки
|
|
7-8
|
Р7-8д
= Р8д =70 кВт,
Р7-8в
= Р8в =100 кВт
|
|
7-9
|
Р7-9д
= Р 9д =160 кВт,
Р7-9в
= Р 9в =200 кВт,
|
|
6-7
|
Р6-7д
= Р7-9д + DР7-8Д
+DР7Д =160+52+115=327 кВт,
Р6-7в=
Р 7в + DР7-8в
+DР7-9в =250+74.5+155=479.5 кВт,
|
|
6-10
|
Р6-10д = Р 10д =200 кВт,
Р6-10в
= Р10в =75кВт,
|
|
1-6
|
Р1-6д
= Р 6-7д + DР6-10д
+DР6д =327+155+15.1=497.1 кВт,
Р1-6в
= Р6-7в+DР6-10в +DР6в
=479.5+56+74.5=610 кВт
|
|
3-5
|
Р3-5д
= Р5д =51.85 кВт,
Р3-5в
= Р5в =86.19 кВт
|
|
3-4
|
Р3-4д
= Р4д = 120 кВт,
Р3-4в
= Р4в = 150 кВт
|
|
2-3
|
Р2-3д
= Р3-4д +DР3-5д
+DР3д =120+37+36.5=193.5 кВт,
Р2-3в
= Р3-4в +DР3-5в
+DР3в =150+65+67=282 кВт
|
|
1-2
|
Р1-2д
= Р2-3д +DР 2д
=193.5+115=308.5 кВт,
Р1-2в
= Р 2-3в +DР2в
=282+59.5=341.5 кВт,
|
|
ИП-1
|
РИП-1д
=Р1-6д + DР1-2д +DР1д =497.1+243+32.4
=772.5 кВт,
РИП-1в
= Р1-6в + DР1-2в +DР1в =610+267+63=940
кВт
|
4.2 Определение средневзвешенного
коэффициента мощности
Далее рассчитываем средневзвешенный
коэффициент мощности по следующей формуле:
(4.2)
где Pi –
расчетная мощность i – го потребителя, кВт;
Таблица 4.2
Значения cosj для всех участков линии.
|
Номер НП
|
Рд/Рв
|
cosjд
|
cosjв
|
|
1
|
0.53
|
0.88
|
0.93
|
|
2
|
1,88
|
0.73
|
0.73
|
|
3
|
0.56
|
0.88
|
0.93
|
|
4
|
0.8
|
0.83
|
0.91
|
|
5
|
0.6
|
0.81
|
0.84
|
|
6
|
2.3
|
0.73
|
0.73
|
|
7
|
0.6
|
0.88
|
0.93
|
|
8
|
0.7
|
0.83
|
0.91
|
|
9
|
0.8
|
0.83
|
0.91
|
|
10
|
2.67
|
0.73
|
0.73
|
Пользуясь расчетной
схемой, определяем средневзвешенный коэффициент мощности:
Участок сети 7-8:
Участок сети 7-9
Участок сети 6-7
Участок сети 6-10
Участок сети 1-6
Участок сети 3-5
Участок сети 3-4
Участок сети 2-3
Участок сети 1-2
Участок сети ИП-1
4.3 Определение полных мощностей на
участках сети.
Определяем полную
расчетную мощность на всех участках сети, кВА по следующей формуле:
(4.3)
где Рр – расчетная мощность на участке, кВт;
cosj - коэффициент мощности.
4.4 Определение эквивалентной мощности
Определяем эквивалентную
нагрузку по следующей формуле
Получаем:
Участок сети 7-8
Участок сети
7-9
Участок сети
6-7
Участок сети
6-10
Участок сети
1-6
Аналогичным
образом определяем эквивалентную мощность на других участках сети. Полученные
значения сводим в таблицу 4.3.
Таблица 4.3
Результаты расчетов полной и эквивалентной мощностей.
|
Участок сети
|
Pд,
|
Pв,
|
сosд
|
сosв
|
Sд,
|
Sв,
|
Sэд,
|
Sэв,
|
|
кВт
|
кВт
|
КВА
|
КВА
|
КВА
|
КВА
|
|
7-8
|
70
|
100
|
0,83
|
0,91
|
84,33735
|
109,8901
|
59,03614
|
|
7-9
|
160
|
200
|
0,83
|
0,91
|
192,7711
|
219,7802
|
134,9398
|
153,8462
|
|
6-7
|
327
|
479,5
|
0,849737
|
0,919091
|
384,825
|
521,7112
|
269,3775
|
365,1978
|
|
6-10
|
200
|
75
|
0,73
|
0,73
|
273,9726
|
102,7397
|
191,7808
|
71,91781
|
|
1-6
|
497,1
|
610
|
0,801189
|
0,868532
|
620,4529
|
702,3346
|
434,317
|
491,6342
|
|
3-5
|
51,85
|
86,19
|
0,81
|
0,84
|
64,01235
|
102,6071
|
44,80864
|
71,825
|
|
3-4
|
120
|
150
|
0,83
|
0,91
|
144,5783
|
164,8352
|
101,2048
|
115,3846
|
|
2-3
|
193,5
|
282
|
0,836595
|
0,897022
|
231,2948
|
314,3736
|
161,9064
|
220,0615
|
|
1-2
|
308,5
|
341,5
|
0,790047
|
0,860111
|
390,4832
|
397,0418
|
273,3383
|
277,9292
|
|
ИП-1
|
772,5
|
940
|
0,801317
|
0,870798
|
964,0376
|
1079,469
|
674,8263
|
755,6286
|
4.5 Определение сечения проводов на
участках линии
В целях
удобства монтажа и эксплуатации ВЛ рекомендуется применять не более 3 – 4 сечений.
Толщина слоя
гололеда b = 5 мм. Район по гололеду – I.
Подбираем:
Участок 8-7:
Интервал
экономических нагрузок до 400кВА. Выбираем провод
АС-25 (по
минимально допустимой прочности сечение для ВЛ 10кВ–АС-35).
Аналогичным
образом предварительно подбираем сечения проводов для других участков.
Результаты сводим в таблицу 4.4.
4.6 Определение потерь напряжения на
участках линии
Потеря
напряжения на участке сети определяется по следующей формуле:
(4.5)
(4.6)
где Sуч – расчетная мощность участка сети, кВА;
l – длина
участка, км;
r0 х0
– активное и инлуктивное сопротивление проводов:
для провода АС-35:
r0=0.973 a x0=0.352, для провода АС-50: r0=0.592
a x0=0.341; для провода АС-70: r0=0.42 a x0=0.327
Участок 7-8
Участок 7-9
Участок 6-7
Участок 6-10
Участок 1-6
Аналогичным
образом рассчитываем потери напряжения на остальных участках линии. Результаты
расчетов сводим в таблицу 4.5.
Таблица 4.4
Результаты расчетов линии 10кВ (по большей нагрузке).
|
Участок
|
Мощность
|
Длина участка, км
|
Марка
|
Потери напряжения на
участках,%
|
|
Актив-ная, кВт
|
Полная, кВА
|
Эквива-лентная, кВА
|
провода
|
|
7-8
|
100
|
84,34
|
76,92
|
3,3
|
АС-35
|
0,308
|
|
7-9
|
200
|
192,77
|
153,85
|
1,7
|
АС-50
|
0,256
|
|
6-7
|
479,5
|
384,83
|
365,20
|
3
|
АС-70
|
1,322
|
|
6-10
|
75
|
273,97
|
71,92
|
3,3
|
АС-35
|
0,273
|
|
1-6
|
610
|
620,45
|
491,63
|
2,3
|
АС-50
|
0,851
|
|
3-5
|
86,19
|
64,01
|
71,83
|
2,4
|
АС-35
|
0,207
|
|
3-4
|
150
|
144,58
|
115,38
|
3,2
|
АС-50
|
0,359
|
|
2-3
|
282
|
231,29
|
220,06
|
4
|
АС-70
|
0,656
|
|
1-2
|
341,5
|
390,48
|
277,93
|
4,4
|
АС-70
|
0,922
|
|
ИП-1
|
940
|
964,04
|
755,63
|
4,6
|
АС-70
|
2,614
|
Падение
напряжение для участков, связывающих эти точки линии с ИП, будет определяется
следующим образом:
Линия Л1:
DUИП-4=DUИП-1+DU1-2+DU2-3+DU3-4 =2,614+0,922+0,656+0,359=4.56%
Линия Л2:
DUИП-8=DUИП-1+DU1-6+DU6-7 +DU 7-8 =2,614+0,851+1,322+0,308=5.1%
Линия Л3:
DUИП-10=DUИП-1+DU1-6+DU6-10=2,614+0,851+0,273=3.74%
Если падение
напряжения не будет входить в допустимые пределы, то увеличиваем сечение,
начиная с первого участка, до тех пор, пока падение напряжения не будет
удовлетворять норме(8.0% в данном случае)
Наибольшее
значение падения напряжения DUнаиб. = DUИП-5
= 5.1%,
Проверяем условие
DUдоп ≥ DUнаиб, DUдоп
– потеря напряжения в сети 10 кВ (таблица 3.2), DUдоп =8
%.
Так как
условие 8 >5.1 выполняется, делаем вывод, что сечения и марки проводов
выбраны верно.
5.
Определение потерь электрической энергии
5.1 Определение потерь электрической
энергии в сетях 0.38кВ
Потери
электрической энергии определяются по следующей формуле:
(5.1)
где S0-полная
мощность на участке;
r0 – удельное электрическое сопротивление проводов, Ом/км;
l – длина
участка, км;
t - время максимальных
потерь, ч.
Аналогичным
образом рассчитываем потери электрической энергии на других участках линии.
Полученные данные сводим в таблицу 5.1
Таблица 5.1 Потери
электрической энергии в линии 0.38кВ
|
Номер участка
|
Длина участка ℓуч,
км
|
Расчётная мощность Рр.,
кВт
|
Коэффициент мощности
cosφ
|
Максимальная полная
мощность Sуч, кВА
|
Марка и сечение
проводов
|
Активное сопротивление
проводов ro, Ом/км
|
Время использования
максимальной нагрузки Тmax, ч
|
Время потерь τ, ч
|
Потеря энергии на
участке ∆Wв, кВт·ч
|
|
|
|
|
|
|
|
ТП1
|
|
|
9-10
|
0,072
|
6,9
|
0,93
|
7,419355
|
4А25+А25
|
1.14
|
900
|
400
|
28,16
|
|
|
8-9
|
0,048
|
9,75
|
0,93
|
10,48387
|
4А25+А25
|
1.14
|
900
|
400
|
37,49
|
|
|
7-8
|
0,052
|
12,15
|
0,950364
|
12,78458
|
4А25+А25
|
1.14
|
1200
|
450
|
80,52
|
|
|
2-7
|
0,068
|
15,8
|
0,943557
|
16,74514
|
4А25+А25
|
1.14
|
1200
|
450
|
180,64
|
|
|
2-1
|
0,08
|
6,1
|
0,93
|
6,55914
|
4А25+А25
|
1.14
|
900
|
400
|
24,45
|
|
|
ТП-2
|
0,06
|
19,4
|
0,939781
|
20,64311
|
4А25+А25
|
1.14
|
1200
|
450
|
242,23
|
|
|
5-6
|
0,06
|
3
|
0,83
|
3,614458
|
4А25+А25
|
1.14
|
900
|
400
|
5,57
|
|
|
4-5
|
0,08
|
7,18
|
0,8942
|
8,029519
|
4А25+А25
|
1.14
|
900
|
400
|
36,65
|
|
|
3-4
|
0,084
|
11,28
|
0,911744
|
12,37189
|
4А25+А25
|
1.14
|
1200
|
450
|
121,81
|
|
|
ТП-3
|
0,052
|
14,38
|
0,91764
|
15,67064
|
4А25+А25
|
1.14
|
1200
|
450
|
120,98
|
|
|
15-16
|
0,072
|
6,1
|
0,93
|
6,55914
|
4А25+А25
|
1.14
|
900
|
400
|
22,01
|
|
|
14-15
|
0,08
|
9,75
|
0,93
|
10,48387
|
4А25+А25
|
1.14
|
900
|
400
|
62,48
|
|
|
13-14
|
0,048
|
11,8875
|
0,93
|
12,78226
|
4А25+А25
|
1.14
|
1200
|
450
|
74,30
|
|
|
12-13
|
0,036
|
14,8875
|
16,81086
|
4А25+А25
|
1.14
|
1700
|
750
|
136,54
|
|
|
11-12
|
0,04
|
23,3875
|
0,878034
|
26,63622
|
4А25+А25
|
1.14
|
2200
|
1000
|
492,91
|
|
|
ТП-11
|
0,064
|
26,5375
|
0,887752
|
29,89291
|
4А25+А25
|
1.14
|
2200
|
1000
|
993,29
|
|
|
ТП2
|
|
|
18-19
|
0,084
|
5,38
|
0,93
|
5,784946
|
4А25+А25
|
1.14
|
900
|
400
|
8,88
|
|
|
17-18
|
0,084
|
9,21
|
0,93
|
9,903226
|
4А25+А25
|
1.14
|
900
|
400
|
26,02
|
|
|
ТП-17
|
0,064
|
12,585
|
0,93
|
13,53226
|
4А25+А25
|
1.14
|
1200
|
450
|
41,64
|
|
|
23-24
|
0,058
|
6,1
|
0,93
|
6,55914
|
4А25+А25
|
1.14
|
900
|
400
|
7,88
|
|
|
22-23
|
0,056
|
10,2525
|
0,93
|
11,02419
|
4А25+А25
|
1.14
|
1200
|
450
|
24,18
|
|
|
21-22
|
0,06
|
12,6525
|
0,918774
|
13,77107
|
4А25+А25
|
1.14
|
1200
|
450
|
40,42
|
|
|
20-21
|
0,032
|
15,8025
|
0,922123
|
17,13708
|
4А25+А25
|
1.14
|
1200
|
450
|
33,39
|
|
|
ТП-20
|
0,092
|
15,8025
|
0,922123
|
17,13708
|
4А25+А25
|
1.14
|
1200
|
450
|
95,99
|
|
|
29-30
|
0,056
|
6,9
|
0,93
|
7,419355
|
4А25+А25
|
1.14
|
900
|
400
|
9,73
|
|
|
28-29
|
0,056
|
9,75
|
0,93
|
10,48387
|
4А25+А25
|
1.14
|
900
|
400
|
19,44
|
|
|
27-28
|
0,032
|
10,35
|
0,936512
|
11,05165
|
4А25+А25
|
1.14
|
1700
|
750
|
23,14
|
|
|
26-27
|
0,068
|
15,15
|
0,96419
|
15,71266
|
4А25+А25
|
1.14
|
1700
|
750
|
99,40
|
|
|
25-26
|
0,088
|
19,25
|
0,953491
|
20,18896
|
4А25+А25
|
1.14
|
1700
|
750
|
212,38
|
|
|
ТП-25
|
0,072
|
21,65
|
0,942568
|
22,96916
|
4А25+А25
|
1.14
|
2200
|
1000
|
299,89
|
|
|
|
|
|
|
|
|
|
|
|
|
|
|
|
|
|
|
|
|
|
5.2 Определение потерь электрической
энергии в линии 10кВ
Расчет ведем
так же как и для линии 0.38кВ.
Аналогичным
образом рассчитываем потери энергии на остальных участках. Результаты расчетов
сводим в таблицу 5.2.
Таблица 5.2 Потери
электрической энергии в линии 10кВ.
|
Номер участка
|
Длина участка
ℓуч, км
|
Расчётная мощность
Рр. кВт
|
Коэффициент
мощности cosφ
|
Максимальная полная
мощность Sуч, кВА
|
Марка и сечение
проводов
|
Активное сопротивление
проводов ro, Ом/км
|
Время использования
максимальной нагрузки
Тmax, ч
|
Время потерь τ, ч
|
Потеря энергии на
участке
∆Wв, кВт·ч
|
|
|
|
|
|
|
|
7-8
|
3,3
|
100
|
0,91
|
84,34
|
АС-35
|
0.773
|
2500
|
1500
|
462,0637604
|
|
|
7-9
|
1,7
|
200
|
0,91
|
192,77
|
АС-50
|
0.592
|
3200
|
1800
|
875,0247555
|
|
|
6-7
|
3
|
479,5
|
0,919091
|
384,83
|
АС-35
|
0.773
|
3400
|
2000
|
12623,82677
|
|
|
6-10
|
3,3
|
75
|
0,73
|
273,97
|
АС-35
|
0.592
|
2500
|
1500
|
309,316945
|
|
|
1-6
|
2,3
|
610
|
0,868532
|
620,45
|
АС-35
|
0.42
|
3400
|
2000
|
9530,052681
|
|
|
3-5
|
2,4
|
86,19
|
0,84
|
64,01
|
АС-35
|
0.773
|
2500
|
1500
|
292,9794666
|
|
|
3-4
|
3,2
|
150
|
0,91
|
144,58
|
АС-35
|
0.592
|
3200
|
1800
|
926,4967999
|
|
|
2-3
|
4
|
282
|
0,897022
|
231,29
|
АС-35
|
0.42
|
3400
|
2000
|
3320,712855
|
|
|
1-2
|
4,4
|
341,5
|
0,860111
|
390,48
|
АС-35
|
0.42
|
3400
|
2000
|
5826,454084
|
|
|
ИП-1
|
4,6
|
940
|
0,870798
|
964,04
|
АС-50
|
0.42
|
3400
|
2000
|
45025,41955
|
|
|
|
|
|
|
|
|
|
|
|
|
|
|
Определим
потери электрической энергии до нашего расчетного пункта т.е.:
DW0-5= DWИП-1 + DW1-2 +DW2-3 +DW3-5 = 45025+5826+3320+292,97=54464 кВт
ч
5.3
Определение годовых потерь электрической энергии в трансформаторе
Потери энергии за год ∆W
в трансформаторе складываются из потерь в обмотках трансформатора (∆РОБ)
и потери в стали (РХ.Х). Потери в обмотках при номинальной нагрузке
принимаются равными потерям короткого замыкания (РК), тогда
(5.2)
где DPм.н
– потери в обмотках трансформатора при номинальном токе нагрузки, кВт;
Smax – максимальная полная нагрузка трансформатора, кВА;
t
- время максимальных потерь трансформатора, ч;
DPх.х. – потери холостого хода трансформатора, кВт;
8760 – число
часов в году.
5.4 Определение общих потерь
Общие потери
определяются по следующей формуле:
(5.3)
где DWтр
– потери в трансформаторе, кВт.ч;
SDW – суммарные потери, кВт.ч;
Получаем:
6.
Конструктивное выполнение линий 10 И 0,38 кВ, трансформаторных подстанций 10/0,4
кВ
Воздушные
линии 10 кВ выполняются проводами марки «АС». Их крепят на железобетонных
одностоечных, свободно стоящих, а анкерные и угловые с подкосами. Провода
крепим к изоляторам типа ШФ – 10Г.
Низковольтные
линии для питания сельских потребителей выполняют на напряжение 380/220 В с
глухозаземленной нейтралью. Магистральные линии для питания потребителей
выполняют пятипроводными: три фазных провода, один нулевой и один фонарный.
Опоры ВЛ
поддерживают провода на необходимом расстоянии от поверхности земли, проводов,
других линий и т.п. Опоры должны быть достаточно механически прочными. На ВЛ
применяются железобетонные, деревянные опоры. Принимаем установку
железобетонных опор высотой 10 м над поверхностью земли. Расстояние между
проводами на опоре и в пролете при наибольшей стреле провеса (1,2 м) должно быть не менее 40 см.
Основное
назначение изоляторов – изолировать провода от опор и других несущих
конструкций. Материал изоляторов должен удовлетворять следующим требованиям:
выдерживать значительные механические нагрузки, быть приспособленным к работе
на открытом воздухе под действием температур, осадков, солнца и т.д.
Выбираем для
ВЛ – 0,38 кВ изоляторы типа НС – 16. Провода крепим за головку изолятора, на
поворотах к шейке изолятора.
Для
электроснабжения населенных пунктов широко применяются закрытые
трансформаторные подстанции (ЗТП) 10/0,38 кВ. Как правило, сельские ЗТП
сооружаются в отдельно стоящих одно- или двухэтажных кирпичных или блочных
зданиях. Вне зависимости от конструкции здания они разделяются на три отсека:
отсек трансформатора, отсек РУ 10 кВ и отсек РУ 0,38 кВ. Распределительное
устройство 10 кВ комплектуется из камер заводского изготовления КСО.
Распределительное устройство 0,38 кВ может состоять из шкафов серии ЩО-70,
ЩО-94 и др. шкафы ЩО-70-3 отличаются от шкафов ЩО-70-1 и ЩО-70-2 сеткой схем
электрических соединений, габаритами, которые уменьшены по высоте на 200 мм.
ЩО-70-3 имеет
следующие типы панелей:
·
панели линейные;
·
панели вводные;
·
панели секционные.
Подстанция
имеет защиты:
1. от
грозовых перенапряжений (10 и 0,38 кВ);
2.от
многофазных (10 и 0,38) и однофазных (0,38) токов короткого замыкания;
3.защита от
перегрузок линии и трансформатора;
4.блокировки.
7. Расчет
токов короткого замыкания
Расчет токов
короткого замыкания производится для решения следующих основных задач:
-
выбор
и оценка схемы электрических соединений;
-
выбор
аппаратов и проверка проводников по условиям их работы при коротком замыкании;
-
проектировании
защитных заземлений;
-
подбор
характеристик разрядников для защиты от перенапряжений;
-
проектирование
и настройка релейных защит.
1.Составляем
расчетную схему

К1
К2 К3


АС35 АC50 4А50 4А35 4А25







~
11км 4км
0.108км 0.084км 0.164км
ST =
63 кВ·А; ΔUК%=4.5%; ΔPХХ=0.33кВт;
∆PК=1.970кВт;
ZТ(1)=0.779 Ом.
Расчет ведем
в относительных единицах.
2.Задаемся базисными
значениями
SБ=100 МВА; UБВ=1,05UН=10,5
кВ; UБН=0,4 кВ.
3.Составляем схему замещения


К1 К2
К3








ХС
ZT
Рис. 8.2. Схема замещения.
4.Определяем сопротивления
элементов схемы замещения в относительных единицах:
– системы:
Определяем сопротивление
ВЛ-10кВ:
– трансформатора:
Так как его величина очень
мала;
– ВЛ 0,4 кВ:
5.Определяем результирующее
сопротивление до точки К1
К1


Z*К1

6.Определяем базисный ток в
точке К1
7.Определяем токи и мощность к.з. в точке
К1.
где КУ–ударный
коэффициент, при к.з. на шинах 10 кВ КУ=1.2.
8.Определяем
результирующее сопротивление до точки К2:
К2


Z*К2
9.Определяем базисный ток в
точке К2:
10.Определяем токи и мощность
к.з. в точке К2:
Ку=1при
к.з. на шинах 0,4 кВ ТП 10/0,4 кВ.
11.Определяем результирующее
сопротивление до точки К3:
К3


Z*К3
12.Определяем токи и мощность
к.з. в точке К3:
Ку=1 для ВЛ – 0.38
кВ.
Однофазный ток к.з. определяем
в именованных единицах:
где
- фазное напряжение, кВ;
- полное сопротивление трансформатора при
однофазном коротком замыкании на корпус трансформатора, Ом;
- сопротивление петли «фаза – ноль», Ом.
Результаты расчетов сводим в
таблицу 8.1.
Таблица 8.1 Результаты расчета
токов к.з.
|
№
п/п
|
Место к.з.
|
IК(3),
кА
|
IК(2),
кА
|
IК(1),
кА
|
iУК,
кА
|
SК(3),
МВА
|
|
1
|
К1
|
0.5
|
0.44
|
-
|
0.85
|
9.09
|
|
2
|
К2
|
1.88
|
1.64
|
-
|
2.66
|
1.3
|
|
3
|
К3
|
0.57
|
0.5
|
0.279
|
0.8
|
0.39
|
8.
Выбор аппаратов защиты
После выбора
типа и мощности ТП, расчета токов короткого замыкания производим выбор
оборудования ТП.
Для
обеспечения надежной работы электрические аппараты должны быть выбраны по
условиям максимального рабочего режима и проверены по режиму токов короткого
замыкания.
Составляем
схему электрических соединений подстанции (Рисунок 6), на которой показываем
все основные электрические аппараты. Расчет сводится к сравнению каталожных
величин аппаратов с расчетными.
QS






FV1
FU











T



FV2
SQ




QF


Рисунок 6 Схема электрических
соединений подстанции
В
соответствии с ПУЭ электрические аппараты выбирают по следующим параметрам:
1.
Выбор разъединителя
|
Расчетные значения
|
Условие выбора
|
РЛНД – 10/400
|
|
|
|
|
где
– номинальное напряжение аппарата, кВ;
– номинальное напряжение установки, кВ;
– номинальный ток разъединителя, А;
– номинальный расчетный ток, А;
– амплитудное значение предельного сквозного
тока к.з., кА;
– ток термической стойкости, кА;
– предельное время протекания тока, с;
– действующее значение установившегося тока
к.з., кА,
;
– условное время действия тока к.з., с.
2.
Выбор предохранителя
|
Расчетные значения
|
Условие выбора
|
ПК – 10/30
|
|
|
|
|
где
– номинальное напряжение
предохранителя, кВ;
– номинальный ток
предохранителя, А.
Выбор рубильника
|
Расчетные значения
|
Условие выбора
|
РПЦ – 32
|
|
|
|
|
3.
Выбор автоматического выключателя
|
Расчетные значения
|
Условие выбора
|
А3726ФУЗ
|
|
|
|
|
где Uн.авт.
– номинальное напряжение автоматического выключателя, В;
Uн.уст.
– номинальное напряжение сети, В;
Iавт
– номинальный ток автоматического выключателя, А;
Iр.макс.
– максимальный рабочий ток цепи, защищаемой автоматом, А;
Iн.т.расц.
– номинальный ток теплового расцепителя автомата, А;
Kз. –
коэффициент надежности, учитывающий разброс по току срабатывания теплового
расцепителя, принимается в пределах от 1,1 до 1,3;
Iн.э.расц.
– ток отсечки электромагнитного расцепителя, А;
kн. –
коэффициент надежности, учитывающий разброс по току электроагнитного
расцепителя и пускового тока электродвигателя
(для
автоматов АП-50, АЕ-2000 и А3700 kн.э=1,25, для А3100 kн.э=1,5);
Iпред.откл
– предельный отключаемый автоматом ток, А.
9. Защита
отходящих линий 0,38кВ.
Основные
аппараты защиты сетей 0.38кВ от коротких замыканий – плавкие предохранители и
автоматические выключатели. Учитывая, что сеть 0,38кВ работает с глухозаземленной
нейтралью, защиту от коротких замыканий следует выполнять в трехфазном
исполнении, предохранители или расцепители автоматов устанавливают в каждой
фазе. При наличии максимального расцепителя автомата в нулевом проводе он
должен действовать на отключение всех трех фаз, и в этом случае допускается
устанавливать два расцепителя для защиты от междуфазных коротких замыканий. В
качестве устройств защиты от перегрузок используют те же аппараты, однако
тепловой расцепитель автоматического выключателя действует более надежно и
четко, чем предохранитель.
На вводах в
трансформаторов 0,38кВ и отходящих от КТП 10/0,38кВ линиях наибольшее
применение получили автоматические выключатели типов АП50 (на КТП мощностью 25
… 40кВА), А3100 (сняты с производства) и А3700,. В ряде случаев используются
блоки “предохранитель –выключатель” типа БПВ-31…34 с предохранителями типа ПР2.
Применяемые на КТП автоматы АП50 2МТ30 имеют два электромагнитных и три
тепловых расцепителя, а также расцепитель в нулевом проводе на ток, равный
номинальному току теплового расчепителя. Автоматы А3124 … А3144 и А3700ФУЗ
имеют по три электромагнитных и тепловых расцепителя, а также независимый
расцепитель с обмоткой напряжения. Для защиты от однофазных замыканий в нулевом
проводе устанавливают реле тока РЭ571Т, действующее на независимый расцепитель.
Для КТП
10/0,38кВ, оснащенных автоматическими выключателями типа А3100, А3700 и АЕ20,
имеющих независимый расцепитель, разработана и выпускается промышленностью
полупроводниковая защита типа ЗТИ-0,4,обеспечивающае повышенную
чувствительность действие при коротких замыканий. Защита представляет собой
приставку к автомату, размещаемую под ним в низковольтном шкафу КТП.
Конструктивно она выполнена в фенопластовом корпусе.
ЗТИ
предназначено для защиты трехфазных четырехпроводных воздушных линий 0,38кВ с
глухозаземленной нейтралью и повторными заземлениями нулевого провода от
междуфазных и однофазных коротких замыканий, а также замыканий фаз на землю.
Для подключения к линии ЗТИ имеет четыре токовых входа, через которые
пропускают три фазных и нулевой провода линии.
Защита
действует на независимый расцепитель автоматического выключателя. Защиты от
междуфазных и фазных на нулевой провод коротких замыканий имеют
обратнозависимые от тока характеристики время срабатывания и ступенчатую
регулировку по току и времени срабатывания. Уставку защиты от замыканий на
землю не регулируют.
Защита ЗТИ –
0,4У2 позволяет повысить надежность и уровень электробезопасности ВЛ 0,38 кВ.
10. Защита от
перенапряжений и заземление
10.1 Защита от перенапряжений
Большая
протяженность сельских линий повышает вероятность атмосферных перенапряжений в
них в грозовой сезон и служит основной причиной аварийных отключений.
Трансформаторные
подстанции 10/0.38кВ не защищаются молниеотводами. Для защиты ТП от
перенапряжений применяют вентильные и трубчатые разрядники на 10кВ.Для
тупиковых ТП на вводе устанавливают вентильные разрядники FU.
На ВЛ в
соответствии с ПУЭ, в зависимости от грозовой активности устанавливается
защитное заземление (в условиях РБ через 2 на третей опоре или через 120м),
cопротивление заземления – не более 30 Ом.
На линях с
железобетонными опорами крюки, штыри фазных проводов и арматуру соединяют с
заземлением.
10.2 Заземление
Согласно ПУЭ, расстояние
между грозозащитным заземлением на
ВЛ – 0.38кВ должно быть
не более 120м. Заземление устанавливается на опорах ответвлений в здания, где
может находиться большое количество людей, и на расстоянии не менее 50м от
конечных опор.
Диаметр
заземляющего провода не менее 6мм, а сопротивление одиночного заземлителя – не
более 30 Ом.
Повторное
заземление рабочего проводника должно быть на концах ВЛ или ответвлениях от них
длиной более 200м, на вводах в здание, оборудование которых подлежит занулению.
Сопротивление
заземления ТП не должно превышать 4 Ом, с учетом всех повторных, грозозащитных
и естественных заземлений.
10.3 Расчет заземления ВЛ 0.38кВ.
Определение расчетного
сопротивления грунта для стержневых электродов.
Расчетное
сопротивление грунта для стержневых электродов определяюется по следующей
формуле:
(10.1)
где Kc – коэффициент сезонности, принимаем Kc =
1.15;
K1 – коэффициент учитывающий состояние земли во время исзмерения,
принимаем Kc = 1;
rизм. – удельное сопротивление грунта, Ом/м;
Cопротивление
вертикального заземлителя из круглой стали определяется по следующей формуле:
(10.2)
где l –
длина заземлителя, принимаем, l = 5м;
d – диаметр
заземлителя, принимаем d = 12мм;
hср – глубина заложения стержня, т.е. расстояние от поверхности земли
до середины стержная: hср = l/2 + h’ = 2,5 + 0,8 = 3,3м;
h’ – глубина
заглубления электрода, принимаем h’ = 0,8м;
Получаем:
Сопротивление повторного
заземлителя
При r ≥100 Ом.м сопротивление повторного заземлителя определяется по
следующей формуле:
(10.3)
Для повторного заземления
принимаем 1 стержень длиной 5 м и диаметром 12 мм, сопротивление которого 27.34 Ом<30 Ом.
Определяем число стержней
(10.6)
Принимаем 3 стержня и
располагаем их через 5 м друг от друга.
Длина полосы связи:
l=3 шт ∙ 5м =15м
Сопротивление полосы связи
(10.7)
где d – ширина полосы
прямоугольного сечения, м;
h – глубина заложения
горизонтального заземлителя,
Определение
действительное число стержней:
(10.8)
Принимаем 3
стержня.
(10.9)
В
соответствии с ПУЭ сопротивление заземляющего устройства при присоединении к
нему электрооборудования напряжением до и выше 1000 В не должно быть более 10
Ом. В нашем случае rИСК=9.5 Ом ≤ 10 Ом.
Сопротивление заземляющих
устройств с учетом повторных заземлений нулевого провода
(10.10)
Заземление
выполнено правильно.
Если расчет выполнять без
учета полосы связи, то действительное число стержней
(10.11)
и для выполнения заземления
нужно было бы принять 5 стержня.
Литература
1)
Янукович Г.И. Расчет электрических
нагрузок в сетях сельскохозяйственного назначения. Мн.: БГАТУ, 2003
2)
Будзко И.А., Зуль Н.М. «Электроснабжение
сельского хозяйства» М.:Агропромиздат, 1990.
3)
Янукович Г.И. Расчёт линий
электропередачи сельскохозяйственного назначения. Мн.:БГАТУ,2002
4)
Поворотный В.Ф. Методические
указания по расчету электрических нагрузок в сетях 0,38...110 кВ
сельскохозяйственного назначения. Мн.: БИМСХ, 1984.
5)
Нормы проектирования сетей, 1994.
6)
Каганов И.Л. Курсовое и дипломное
проектирование. М.: Агропромиздат, 1990.
7)
ПУЭ
8)
Янукович Г.И. Расчёт линий
электропередачи сельскохозяйственного назначения. Мн.:БГАТУ,2002.
9)
Янукович Г.И., Поворотный В.Ф.,
Кожарнович Г.И. Электроснабжение сельскохозяйственных предприятий и населенных
пунктов. Методические указания к курсовому проекту для студентов специальности
С.03.02.00. Мн.: БАТУ, 1998.
10) Янукович Г.И. Расчет линий электропередач
сельскохозяйственного назначения. Учебное пособие. Мн.: БГАТУ, 2004.
11) Елистратов П.С. Электрооборудование
сельскохозяйственных предприятий. Справочник. Мн.: Ураджай, 1986.
12) Нормы проектирования сетей, 1994.