Устройства противоаварийной автоматики
Содержание
1 Назначение, виды и
технические характеристики устройств противоаварийной автоматики РАЭС
1.1 Назначение устройств ПАА
РАЭС
1.2 Виды и технические
характеристики устройств ПАА РАЭС
2 Устройство и работа
устройств ПАА РАЭС
2.1 Принципы выполнения ПАА
2.2 Основные технические
требования к устройствам ПАА
2.3 Автоматическая
разгрузка станции при отключении линий
2.3.1 Пусковые устройства
2.3.2 Дозирующие
устройства
2.3.3 Исполнительные
органы
2.4.1 Устройства фиксации
активной мощности
3 Устройство и работа
АЛАР ВЛ 330 кВ, 750 кВ и АЛАР блоков №1,2,3,4 РАЭС
1. Назначение,
виды и технические характеристики устройств противоаварийной автоматики РАЭС
1.1
Назначение
устройств ПАА РАЭС
Основная особенность
энергетики, отличающая ее от других отраслей промышленности, состоит в том, что
в каждый момент времени выработка мощности должна строго соответствовать ее потреблению.
Поэтому при увеличении или уменьшении потребления электроэнергии должна немедленно
увеличиваться или уменьшаться ее выработка на электростанциях. Нарушение нормального
режима работы одного из элементов может отразиться на работе многих или даже всех
элементов энергосистемы и привести к нарушению всего производственного
процесса. Все устройства автоматики можно разделить на две большие группы:
устройства технологической и системной автоматики. Технологическая автоматика является
местной автоматикой, выполняющей функции управления локальными процессами на электростанции
и поддержания на заданном уровне или регулирования местных параметров.
Системная автоматика осуществляет функции управления, оказывающие существенное влияние
на режим работы всей энергосистемы или значительной ее части. Системная автоматика
по назначению разделяется на автоматику управления в нормальных режимах и автоматику
управления в аварийных режимах (противоаварийную автоматику). Устройства
противоаварийной автоматики предназначены для:
- автоматической
разгрузки линий электропередачи и сохранения устойчивости параллельной работы
электростанции с системой;
- прекращения
асинхронного режима;
- отключения
для предотвращения развития аварии части потребителей при снижении/повышении
частоты и напряжения.
1.2 Виды и
технические характеристики устройств ПАА РАЭС
При всем
многообразии конкретных исполнений устройства противоаварийной автоматики могут
быть сведены к следующим основным видам.
ПАА для
предотвращения нарушения устойчивости (АПНУ) Устройства АПНУ выявляют
возникновение опасных перегрузок или набросов мощности, внезапные отключения участков
электропередач или их полные разрывы, возникновение неполнофазных режимов и другие
аналогичные нарушения нормального режима работы. Во всех случаях, когда возникшее
нарушение нормального режима угрожает нарушением устойчивости, устройства АПНУ производят
быструю дозированную разгрузку электропередачи и межсистемных связей. Для разгрузки
используются три основных вида воздействий:
- отключение
генераторов (ОГ) или быстрая разгрузка паровых турбин (РТ) с последующим
ограничением мощности (ОМ) по условиям послеаварийного режима;
- деление энергосистем
(ДС) по сечениям, обеспечивающим выделение в нужный район ограниченной
мощности; отключение части нагрузки (ОН). Эти воздействия могут применяться в отдельности
или в различных сочетаниях. Кроме рассмотренных основных видов воздействий применяются
дополнительные воздействия, способствующие повышению пределов передаваемой мощности;
к ним относятся: принудительная форсировка возбуждения генераторов и отключение
шунтирующих реакторов. В системах управления мощностью мощных энергоблоков 200,
300 МВт и более, кроме воздействия на регулирующие клапана через механизм
управления турбиной (МУТ), предусмотрено воздействие на эти же клапаны через
специальный электромеханический преобразователь (ЭМП), который вместе с
гидроусилителем образует электрогидравлический преобразователь (ЭГП). Таким
образом, ЭГП является вторым электрическим входом в систему управления
турбиной, который, в отличие от МУТ обладает большим быстродействием и
используется для быстрого аварийного снижения мощности турбины и соответственно
генератора при срабатывании устройств защиты турбины, например при сбросе
нагрузки, и при действии устройств ПАА. Глубина и время разгрузки зависят от длительности
и интенсивности импульсов, подаваемых на ЭГП. Минимальное время полной разгрузки
составляет примерно 0,6 ÷ 0,7 с. Через ЭГП может также производиться форсировка
турбины при работе соответствующих устройств ПАА. 4.3.2 ПАА для ликвидации
асинхронного режима (АЛАР) Устройства АЛАР выявляют моменты приближения к пределу
устойчивости или момент возникновения асинхронного режима и воздействуют на его
прекращение путем деления энергосистем в заранее намеченных сечениях либо путем
ресинхронизации энергосистем. В этих случаях они производят отключение
генераторов или разгрузку турбин в избыточной части энергосистемы для
выравнивания частот, что ускоряет процесс ресинхронизации.
ПАА для
ограничения повышения напряжения (АОПН) Устройства АОПН выявляют повышение напряжения
до определенных установленных значений и производят включение шунтирующих реакторов
и отключение линий, являющихся источником повышенного напряжения ввиду их
большой электрической емкости.
2. Устройство
и работа устройств ПАА РАЭС
2.1 Принципы
выполнения ПАА
Находящиеся в
эксплуатации и проектируемые устройства ПАА выполняются для действия по постоянной
программе, которая закладывается в схему, а настройка уставок осуществляется на
основании предварительных расчетов нормальных и аварийных режимов. Устройства ПАА
постоянно контролируют необходимые параметры и фиксируют моменты опасного отклонения
или внезапного нарушения нормального режима, определяют их тяжесть и
вырабатывают соответствующие воздействия на объекты управления. В этом случае, чем
больше факторов контролирует ПАА, тем ближе к оптимальным будут ее воздействия.
В каждом конкретном случае структура устройства ПАА определяется его
назначением и условиями работы. В общем случае устройства ПАА состоят из трех
частей: выявительной части (ВЧ), логической (ЛЧ) и исполнительной (ИЧ).
Выявительная часть включает в себя пусковые органы (ПО), ораны контроля
электрического режима (КЭР), и органы автоматической дозировки воздействий
(АДВ). Сигналы, вырабатываемые в выявительной части, поступают в логическую
часть, включающую в себя логические элементы, которые, сопоставляя
последовательность, продолжительность и интенсивность сигналов, поступающих от
ВЧ, выбирают виды воздействий и подготавливают соответствующие цепи. Наконец, исполнительная
часть включает в себя органы или аппараты управления, с помощью которых
производятся рассмотренные выше воздействия отключение генераторов (ОГ), разгрузка
турбин (РТ), деление энергосистем (ДС), отключение нагрузки (ОН) и др.
2.2 Основные
технические требования к устройствам ПАА
Устройства ПАА
должны удовлетворять следующим техническим требованиям:
- Быстродействию;
- Селективности;
- Чувствительности;
- Надежности.
2.3 Автоматическая
разгрузка станции при отключении линий
Устройства автоматической
разгрузки станции при отключении линий (АРС ОЛ) РАЭС относятся к АПНУ.
Комплекс
устройств ПАА подразделяется на следующие составные части:
- пусковые
устройства
- дозирующие
устройства
- исполнительные
устройства
2.3.1 Пусковые
устройства
Выявляют
аварийные возмущения в энергосистеме или переходные процессы по ВЛ 330к В и ВЛ
750 кВ опасные для устойчивости, фиксируют аварийные отключения ВЛ 330кВ и ВЛ
750кВ до БАПВ и с НБАПВ и ремонтные режимы, аварийные отключения и ремонтный
режим автотрансформатора 750/330 кВ 9АТ. К пусковым устройствам ПАА относятся ФОЛ
ВЛ 330 кВ "Ровно", "Грабов", "Ковель",
"Луцк", ВЛ 750 кВ "Западноукраинская", ФО 9АТ на стороне
330 кВ, ФО 9АТ на стороне 750 кВ, выходные цепи приемников команд по ВЛ 330 и
750 кВ.
2.3.2 Дозирующие
устройства
Определяют
величину избыточной мощности РАЭС в аварийном режиме, под действием которой происходит
ускорение турбогенераторов и при действии исполнительных устройств ПАА,
позволяют снижать мощность станции только на ту величину, которой достаточно для
сохранения устойчивости. К дозирующим устройствам относятся панели ФАМ №1 ÷
4.
2.3.3 Исполнительные
органы
Действуют на
снижение мощности станции различными способами:
- отключение
генераторных выключателей ТГ-1 ÷ ТГ-4;
- отключение
и пуск УРОВ воздушных выключателей 330 кВ В-70, В-71 бл.№3
через
выходные реле резервных и основных защит блока;
- отключение
и пуск УРОВ воздушных выключателей 750 кВ В-1, В-4 бл.№4 через выходные реле
резервных и основных защит блока;
К исполнительным
устройствам относятся непосредственно сами устройства АРС ОЛ объединяющие в
себе выходные цепи ранее перечисленных устройств, а также выходные реле
воздействий на разгрузку РАЭС (два комплекта).
2.4.1 Устройства
фиксации активной мощности
Устройства
фиксации активной мощности (УФАМ) предназначены для измерения и суммирования
активной мощности энергоблоков для определения дозировки воздействия на разгрузку
станции в аварийных режимах. В общем случае, чем больше фиксируемая мощность и
тяжелее авария, тем больше должно быть воздействие на разгрузку. Суммирование
мощности производится отдельно для блоков 1 ÷ 3 – 3 ступени и для блоков
1 ÷ 4 – 7 ступеней. При этом ФАМ №1 (п. 216Р РЩ ОРУ-330) и ФАМ №2 (п.
201Р РЩ ОРУ-330) фиксируют мощность блоков №1 ÷ 3, а ФАМ №3 (п. 213Р РЩ
ОРУ-330) и ФАМ №4 (п. 201Р РЩ ОРУ-330) – мощность блоков №1 ÷ 4 за вычетом
мощности, потребляемой блоками на собственные нужды. Устройства ФАМ №2 и ФАМ №4
выполнены на базе микропроцессорного устройства "Диамант" и
конструктивно расположены в одном корпусе. ФАМ №1 и ФАМ №2 имеют три ступени
срабатывания:
- I ступень
РΣ = 1200 МВт
- II ступень
РΣ = 1400 МВт
- III ступень
РΣ = 1600 МВт
ФАМ №3 и ФАМ
№4 имеют семь ступеней срабатывания:
- I ступень
РΣ = 1100 МВт
- II ступень
РΣ = 1300 МВт
- III ступень
РΣ = 1500 МВт
- IV ступень
РΣ = 1700 МВт
- V ступень
РΣ = 1900 МВт
- VI ступень
РΣ = 2100 МВт
- VII ступень
РΣ = 2500 МВт
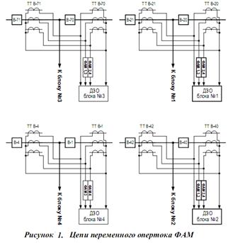
Устройства
ФАМ по цепям тока подключены к схемам ДЗО на суммы токов высоковольтных выключателей,
посредством которых блоки 1 ÷ 4 подключены к шинам ОРУ 330 и 750 кВ
(рисунок 1.).
По цепям
напряжения ФАМ-1, 2 подключены к ТН I или II систем шин 330 кВ. ФАМ-3, 4 подключены
к ТН 750 кВ 9АТ или к ТН I или II систем шин 330 кВ. Измерение мощности блока
№4 производится с помощью напряжения ТН 750 кВ.
В первом комплекте
АРС ОЛ установлены два устройства ФАМ-1 и ФАМ-3 типа ШП 2701. ФАМ-1 суммирует мощность
блоков 1 ÷ 3, ФАМ-3 суммирует мощность блоков 1 ÷ 4. По цепям
напряжения оба эти устройства ФАМ могут быть подключены к ТН I или II СШ через
переключатели SN1, SN2 расположенные на панели 215Р РЩ ОРУ-330. Перед выводом
из работы ТН I либо II СШ 330 кВ либо самих систем шин с помощью этого переключателя
ФАМ 1, ФАМ 3 должны переводится на оставшийся в работе ТН. После ввода в работу
ТН С.Ш., переключатель должен быть возвращен в исходное (заданное картой ППУ)
положение. Контроль текущего значения мощности в устройствах ШП 2701 не
предусмотрен, о состоянии ФАМ-1, 3 в части фиксируемой мощности можно судить только
по свечению светодиодов сработавших ступеней на модулях устройства. Во втором комплекте
АРС ОЛ установлено одно микропроцессорное устройство, изготовленное НПО
"ХАРТРОН-ИНКОР" на базе программного модуля "Диамант". Данное
устройство объединяет в себе функции двух ФАМ. ФАМ-2 суммирует мощность блоков
1 ÷ 3, ФАМ-4 суммирует мощность блоков 1 ÷ 4. По цепям напряжения
оба эти устройства подключены непосредственно к шинкам ТН I СШ и ТН II СШ 330
кВ и ТН 750 кВ помимо переключателя. При этом энергоблоки 1 ÷ 3 программно
закреплены за ТН I СШ 330 кВ, а блок №4 за ТН 750 кВ. При исчезновении напряжения
одной из систем шин (ТН 750 кВ), обсчет мощностей производится относительно напряжения
оставшейся системы шин. Переключение производится автоматически. При восстановлении
питания фиксация присоединений за системами шин автоматически
восстанавливается. Устройства ФАМ действуют контактами своих выходных реле на катушки
промежуточных реле повторителей ФАМ (KL). Повторители же своими контактами действуют
непосредственно в схемы логики АРС ОЛ. Соответственно имеются две независимых
схемы реле повторителей ФАМ 1 и ФАМ 3 в 1-ом комплекте АРС ОЛ и две схемы
повторителей ФАМ 2, и ФАМ 4 во 2-ом комплекте АРС ОЛ. При этом схемы повторителей
ФАМ 1 управляются как контактами ФАМ 1 так и контактами ФАМ 2, а схема повторителей
ФАМ 2 управляется как контактами ФАМ 2 так и контактами ФАМ 1 (см. схему на
рисунке 3.).

Аналогично вышерассмотренной
схеме цепи повторителей ФАМ 3 управляются как контактами ФАМ 3 так и контактами
ФАМ 4, а цепь повторителей ФАМ 4 управляется как контактами ФАМ 4 так и
контактами ФАМ 3. Таким образом, если, например ФАМ 1 выходит из строя и размыкает
контакты, то схема повторителей ФАМ 1 продолжает нормально работать от
контактов ФАМ 2 и наоборот. Схемы повторителей выполнены так, что при разных
положениях ФАМ 1 или ФАМ 2, а также ФАМ 3 или ФАМ 4 их повторители находятся в положении,
соответствующем положению ФАМ, фиксирующего бóльшую мощность. Это обычно
бывает на границе переключения ступеней. Например, если ФАМ 1 находится в
положении "1600 МВт", а ФАМ 2 еще не переключился и находится в
положении "1400 МВт", то повторители как ФАМ 1 так и ФАМ 2 находятся в
положении "1600 МВт" по положению ФАМ 1. Предусмотрена сигнализация нахождения
ФАМ 1 и ФАМ 2 а также ФАМ 3 и ФАМ 4 на разных ступенях. Это сделано для выявления
неисправности одного из ФАМ, приводящей к неправильным замерам мощности. Для
этого постоянно сравниваются положения выходных реле попарно ФАМ 1 и ФАМ 2, а
также, ФАМ 3 и ФАМ 4.
Появление сигнала
несоответствия ступеней не обязательно говорит о неисправности ФАМ. При работе ФАМ
в зоне смены уставки это нормальное явление, поскольку ввиду погрешностей измерительных
цепей и неизбежной разницы в настройках, абсолютно одинаковой мощности срабатывания
либо возврата устройств ФАМ добиться невозможно. Однако если текущее значение
мощности больше или меньше значения уставки на 10 и более МВт, а сигнал
несоответствия не снимается, то это признак неисправности одного из ФАМ. Какой именно
ФАМ неисправен, может определить персонал участка ПА. Причиной срабатывания
может, также, быть не только неисправность устройств, но и отсутствие оперативного
тока на одном из ФАМ, не вставленные испытательные блоков цепей тока от какого либо
из блоков (что отражается на величине фиксируемой мощности) или отсутствие напряжения
(при этом ФАМ фиксирует "нулевую" мощность). При фиксации отключенного
состояния 9АТ автоматически снимается оперативный ток с реле-повторителей ФАМ №3,
4. При этом происходит загорание табло 59ТС на п.1 ГЩУ. Блинкеры о срабатывании
ступеней ФАМ должны выпадать только при действии устройств ПАА на разгрузку
станции. Функции устройств ФАМ 1,2 и ФАМ 3,4 одинаковы и дублируют друг друга.
Реле-повторители ступеней ФАМ расположены на панелях 202Р, 203Р, 214Р, 215Р РЩ
ОРУ-330.Питание повторителей ФАМ 1,3,(2,4) осуществляется от автоматов питания
логики АРС ОЛ 1-го (2-го) комплекта. Так, при выводе из работы 9АТ в первом и втором
комплектах АРС ОЛ автоматически выводятся из работы повторители ФАМ 3 и ФАМ 4. Для
этого в схемах имеются реле повторители ремонта 9АТ 1KL2 (2KL2), которые своими
нормально замкнутыми контактами снимают "плюс" с повторителей ФАМ
3(4). Это необходимо для обеспечения правильного действия автоматики при
раздельной работе ОРУ-330 и ОРУ-750 кВ.
3. Устройство
и работа АЛАР ВЛ 330 кВ, 750 кВ и АЛАР блоков №1,2,3,4 РАЭС
Устройства
автоматики ликвидации асинхронного режима ВЛ 330 кВ "Ровно",
"Грабов", "Ковель", "Луцк" и ВЛ 750 кВ
"Западноукраинская" и блоков 1, 2, 3, 4 РАЭС предназначены для
прекращения асинхронного хода на указанных линиях или блоках при нарушении динамической
устойчивости путем снижения избыточной мощности, выдаваемой с шин станции.
Принцип действия АЛАР основан на фиксации следующих характерных признаков,
сопутствующих асинхронному режиму:
- периодическое
изменение угла между напряжением системы и напряжением систем шин 330 и 750 кВ РАЭС
от 0 до 360° в сторону опережения или замедления с частотой скольжения:
- периодическое
изменение (качание) напряжения от максимума до минимума;
- периодическое
изменение (качание) тока от нуля до максимума;
- периодическое
изменение с двойной частотой знака скольжения активной мощности генератора;
Изменение знака
скольжения и изменение знака активной мощности фиксируется с помощью
направленного реле мощности. Изменение величины тока и напряжения определяется
комплексно с помощью реле минимального сопротивления. За один цикл качаний реле
мощности должно зафиксировать сначала выдачу, а затем прием активной мощности
(или, наоборот, в зависимости от знака скольжения) и, одновременно, должно
иметь место однократное срабатывание и возврат реле минимального сопротивления.
АЛАР ВЛ 330 кВ и АЛАР блоков выполнены на типовых панелях и имеют по выходным
цепям две ступени срабатывания:
- 1-я ступень
срабатывает на первом цикле качаний или после второго цикла качаний:
- 2-я ступень
срабатывает после просчета двух циклов качаний или после просчета четырех
циклов качаний и дополнительной выдержки времени. Выходные цепи АЛАР ВЛ 330 кВ и
блоков №1, 2 формируются на панелях коммутаторов АРС от АЛАР и состоят из двух одинаковых
комплектов, дублирующих друг друга.
Комплекс
устройств ПАА АЛАР
Комплекс устройств
ПАА АЛАР состоит из: пусковых и исполнительных органов. 6.6.1.1 Пусковые
устройства Пусковые устройства выявляют аварийные возмущения в энергосистеме
или переходные процессы по ВЛ 330/750 кВ опасные для устойчивости.
К пусковым устройствам
ПАА относятся АЛАР ВЛ 330 кВ "Ровно", "Грабов",
"Ковель", "Луцк", ВЛ 750 кВ "Западноукраинская" и
АЛАР блоков № 1, 2, 3, 4 РАЭС, а также НАЛАР блоков №3, 4.
Исполнительные
устройства
Исполнительные
устройства действуют на снижение мощности станции
следующими
способами:
- отключение
генераторных выключателей ТГ-1 ÷ ТГ-4;
- отключение
и пуск УРОВ воздушных выключателей ВВ-330 кВ бл.№3 через выходные реле основных
и резервных защит блока №3;
- отключение
и пуск УРОВ воздушных выключателей ВВ-750 кВ бл.№4 через выходные реле основных
и резервных защит блока №4.
К
исполнительным устройствам относятся выходные комплекты коммутаторов АРС от
АЛАР, выходные реле АЛАР бл. №3, 4 и выходные реле НАЛАР бл. №3, 4. АЛАР блоков
№3, 4 воздействуют непосредственно на выходные реле резервных и основных защит
блока. Для исключения избыточного воздействия АРС АЛАР предусмотрены следующие
блокировки действия отдельных устройств АЛАР:
- при
одновременном отключении выключателей 330 кВ В-22, В-21 АЛАР ВЛ 330 кВ
"РАЭС-Луцк" воздействует только на блок №1;
- при
одновременном отключении выключателей 330 кВ В-42, В-41 АЛАР ВЛ 330 кВ
"РАЭС-Ровно" воздействует только на блок №2;
- при
фиксации отключения 9АТ АЛАР ВЛ "ЗУ" воздействует только на блок №4;
- при
фиксации отключения 9АТ АЛАР ВЛ 330 кВ не воздействуют на блок №4;
При выводе в
ремонт или аварийной остановке одного из двух работающих ТГ блока №1(2)
необходимо вывести действие 1-й ступени АРС АЛАР на отключение ТГ блока с
неполным составом генераторов. Выходные цепи 1го комплекта АРС АЛАР
располагаются на панели 209, 210Р РЩ ОРУ 330 кВ, выходные цепи 2-го комплекта АРС
АЛАР располагаются на панели 207Р, 208Р РЩ ОРУ 330 кВ.
При введенных
в работу обоих комплектах АРС АЛАР одноименные переключающие устройства на панелях
208Р, 209Р и 207Р, 210Р должны находится в одинаковых положениях. НАЛАР блока
№3 при неполнофазном режиме одного из выключателей 330 кВ блока (В-70, В-71)
при отключенном состоянии другого выключателя воздействует на выходные реле ДЗШ
(ДДЗШ) 1СШ 330 кВ и выходные реле резервных защит ошиновки В-70, В-72. НАЛАР
блока №4 при неполнофазном режиме одного из выключателей 750 кВ блока (В-1, В-4)
при отключенном состоянии другого выключателя воздействует на выходные реле ошиновки
выключателей 750 кВ В-1, В-2 и выходные цепи резервных защит ВЛ "ЗУ".
Первый комплект коммутаторов выходных цепей АРС от АЛАР расположен на панелях
209Р, 210Р; второй – на панели 207Р, 208Р РЩ ОРУ-330.