Реле часу
Лабораторна робота №1
Дослідження напівпровідникових
реле часу
Стислі теоретичні відомості
Електричне реле з нормованим часом вмикання або
вимикання називають реле часу. Подібне реле забезпечує витримку часу від мілісекунд
до декількох годин. Для отримання невеликих витримок часу (декілька секунд) використовують
реле в поєднанні із схемами, сповільнюючими зміну струму в котушці реле. Такі
реле часу не відзначаються стабільністю, але вони знаходять достатньо широке
застосування завдяки своїй простоті і невисокій вартості.
В схемі на рис. 1.1, а, для сповільнення спрацювання
паралельно котушці реле КТ ввімкнено конденсатор С. При
замиканні керуючого контакту К конденсатор шунтує обмотку, і струм в
обмотці починає протікати тільки після того, як конденсатор зарядиться (другий
закон комутації) і його опір зросте.
|
|
|
Рис. 1.1 – Схеми витримок часу
|
Додатковий резистор R обмежує початкове значення
струму в колі.
Всі схеми сповільнення відпускання реле основані на
використанні енергії, накопиченої в магнітному полі котушки для підтримування
струму після розриву кола живлення реле. В схемах на рис. 1.1, б, в після
розмикання контакту К, магнітний потік, що зменшується, наводить ЕРС в
обмотці реле, під дією якої в колі проходить струм спрацювання іk,
що стримує якір в притягнутому стані. Схеми характеризуються додатковими
втратами потужності, що виникають в резисторі. Цього не відбувається в схемі,
показаній на рис. 1.1, г, в якій послідовно з резистором ввімкнено
діод D. Тому в стаціонарному режимі струм через резистор не
проходить. Для отримання значної витримки часу реле повинно бути достатньо
масивним, щоб забезпечити необхідний запас магнітної енергії.
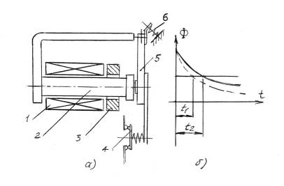
Аналогічний принцип використовують в реле часу постійного
струму з електромагнітним сповільненням і демпфуючою короткозамкненою
обмоткою (рис. 1.2). При вмиканні обмотки реле 1 до
мережі магнітний потік в осерді 2 зменшується. Це приводить до
виникнення ЕРС в масивній шайбі 3, що знаходиться на осерді. Опір шайби
дуже малий, тому в ній виникають великі вихрові струми, що підмагнічують
осердя. В результаті магнітний потік в осерді реле зменшується значно
повільніше, якір 5 залишається в притягненому стані і контакти реле
4 розмикаються з витримкою часу до 10 с.
|
|
|
Рис. 1.2
|
Існують конструкції реле часу, в яких роль короткозамкненої
обмотки виконує мідна гільза, надіта на осердя. Витримку часу регулюють зміною
зазору між якорем і осердям або натягом пружини 6. Це змінює значення
магнітного потоку відпускання Фвід (рис. 1.2., б), при якому
починається рух якоря. При сильному послабленні пружини відпускання якоря
відбувається на пологій ділянці кривої Ф (t), величина витримки часу
стане невизначеною, що обмежує діапазон регулювання реле. Витримку часу можна
також регулювати на основі використання котушки, що вмикається зустрічно і
створює розмагнічуючий магнітний потік. В результаті магнітний потік в осерді
зменшується швидше (штрихова крива на рис. 1.2, б) і витримка часу
змінюється від t2 до t1. Для одержання
великої витримки збільшують об’єм магнітної системи реле і застосовують матеріали
з високою магнітною проникністю. Магнітопровід реле працює в режимі насичення,
тому зміна напруги живлення практично не впливає на початковий потік, і,
відповідно, на стабільність витримки часу. Однак витримка часу сильно залежить
від зміни температури шайби 3, що впливає на електричний опір і величину
підмагнічуючого струму. Це збільшує похибку реле до 5–19%.
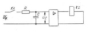
В даний час в промисловості використовують конденсаторні
реле часу, що базуються на інерційних властивостях RC – ланки.
Принципова схема реле з зарядом конденсатора показана на рис. 1.3, а. При
замиканні керуючого контакту К1 в колі проходить струм і напруга на
затискачах конденсатора зростає за законом.
Uc = Uж
(1
– exp [-t/
]),
де Uж – напруга живлення;
=R
C
– постійна часу кола.
Ця напруга подається на високоомний вхід напівпровідникового
підсилювача, що містить пороговий елемент, який спрацює при заданій напрузі Uспр.1.
Через час
t=
ln [Uж/(Uж-Uспр1)]
напруга на конденсаторі досягає величини Uспр.1,
вихідне електромагнітне реле К2 виконує необхідні перемикання в
зовнішньому колі. В схемі (рис. 1.3, б) конденсатор попередньо
заряджається до Uж; при перемиканні керуючого контакту К1 він
починає розряджатись на резистор R.
|
|
|
|
а)
|
б)
|
|
Рис. 1.3 – Конденсаторні реле часу
а) – з зарядом конденсатора; б) – з
розрядом конденсатора
|
Напруга на конденсаторі зменшується:
Uc=Uж ∙exp (-t/
)
і через час
t=
·(Uж/Uспр2)
понижується до величини Uспр.2, при якій
напівпровідникова схема переходить з одного стану в інший.
Величину витримки часу регулюють зміною постійної часу
. Ступінчате регулювання
здійснюють зміною ємності конденсатора С, а більш плавне – зміною опору
резистора R. Стабільність витримки часу в значній мірі залежить від
коливання напруги в мережі. Тому в подібних схемах необхідні стабілізовані
джерела живлення. Конденсаторні реле часу достатньо прості, надійні і дозволяють
отримувати максимальну витримку часу 50 с з похибкою 5–15%.
Подальше збільшення витримки часу досягається живленням
конденсатора імпульсною напругою з великою щільністю імпульсів (рис. 1.4.).
|
|
|
Рис. 1.4.
Конденсаторні реле часу з імпульсним
живленням
|
При цьому короткочасні періоди t1 зміни
напруги конденсатора чергуються тривалими періодами часу T-t, коли ця
напруга залишається незмінною. В результаті витримка часу збільшується в
декілька раз. Подібний принцип використовується в багатьох сучасних реле часу,
при цьому виникає можливість отримання витримки часу 10–20 хв. В
схемі реле (рис. 1.4, б) конденсатор С1 заряджається
імпульсами, які генеруються блокінг – генератором Г1 з частотою 50 –
100 Гц. Тривалість імпульсів 3–5 мкс. Конденсатор ввімкнений за
мостовою схемою, в діагоналі якої ввімкнено пороговий елемент – діод VD,
який відкривається при перевищенні напруги спрацювання, що знімається з подільника
R1-R2.
Після заряду конденсатора діод VD відкривається, і
через розподільний конденсатор С2 видає керуючий імпульс на
вихідний тригер Т, що комутує коло електромагнітного реле К. Приведена
похибка подібних реле може бути знижена до 1,5%.
Великі витримки при високій точності
відрахунку можуть забезпечити лічильно-імпульсні реле. Прикладом такого реле
часу може служити трьох – ланкове реле типу ВЛ – 34, принципова схема
якого приведена на рис. 1.5. При подачі напруги живлення на схему реле
починає працювати стабілізований імпульсний генератор 1.
Рис. 1.5. – Лічильно-імпульсне трьох
ланкове реле типу ВЛ-34
Опорні імпульси сталої тривалості, що
виробляє генератор, поступають на лічильник імпульсів 2, з яким
зв’язаний дешифратор 3, що встановлює незалежні витримки часу в трьох
вихідних колах.
Коли кількість імпульсів, що поступають на
лічильник, досягає необхідноі величини, сигнал з виходу дешифратора через
потужний підсилювач 4 поступає на виконавче реле 5. При
повторному вмиканні реле лічильник обнульовується. Час підготовки реле
0,3 с.
Реле виконано на базі інтегральних
мікросхем серіі К176, має невеликі габаритні розміри і масу. Основна похибка
витримки часу реле може бути визначена за формулою:
d=
(2,2+0,1
(Tmax/T)) %,
де Т, Тмах –
витримка часу реле і її максимальне значення.
Приведена похибка (при Т=Тмах)
відповідає класу точності 2.5. Реле часу ВЛ-34 забезпечує витримку часу до
100 хв. Існують аналогічні конструкції лічильно-імпульсних реле,
розрахованих на витримку до 10 год.
3. Опис дослідної установки
Лабораторна робота виконується з
використанням учбової програми на базі ПЕОМ.
4. Завдання
4.1. Виконується при самостійній
підготовці перед виконанням лабораторної роботи.
4.1.1. Для заданих в табл. 1 параметрів дослідної схеми
рис. 1.6 визначити для вказаного викладачем варіанту часову затримку.
|
|
|
Рис. 1.6
|
Таблиця 1
|
№ варіанту
|
Значення параметру
|
tзатр.розр
ms
|
tзатр.вим
ms
|
|
V0, B
|
R, Om
|
C, Мкф
|
Vk, B
|
|
1
|
100
|
200
|
6
|
|
|
|
2
|
15
|
200
|
300
|
6
|
|
|
|
3
|
12
|
150
|
300
|
6
|
|
|
|
4
|
15
|
200
|
250
|
6
|
|
|
|
5
|
10
|
250
|
300
|
6
|
|
|
де U0 – напруга джерела
живлення, В;
Uк – напруга спрацювання реле,
В.
tзатр.розр. – час затримки за
результатами розрахунку, мс;
tзатр.вим. – час затримки за
результатами вимірювань, мс.
4.1.2. Для заданих в табл. 2 параметрів
дослідної схеми рис. 1.7 визначити для вказаного викладачем варіанту
часову затримку. Індуктивність обмотки котушки реле часу К дорівнює
L=1250 мГн.
|
|
|
Рис. 1.7
|
Таблиця 2
|
№ варіанту
|
Значення параметру
|
tзатр.вим
ms
|
t зат.вим ms
|
|
UO, B
|
R, Om
|
Uk, B
|
|
|
|
1
|
12
|
100
|
6
|
|
|
|
2
|
15
|
200
|
6
|
|
|
|
3
|
12
|
250
|
6
|
|
|
|
4
|
10
|
300
|
6
|
|
|
|
5
|
15
|
250
|
6
|
|
|
4.1.3. Для параметрів дослідної схеми
рис. 1.8, що задаються табл. 3, визначити для вказаного викладачем
варіанту часову затримку спрацювання реле, якщо періодичність імпульсів складає
10 мс.
|
|
|
Рис. 1.8
|
Табл. 3
|
№ варіанту
|
Значення параметру
|
tзатр.розр ms
|
tзатр.вим ms
|
|
UO, B
|
R, Om
|
C, Мкф
|
tімп, ms
|
|
1
|
12
|
100
|
200
|
5
|
2
|
|
|
|
2
|
15
|
200
|
200
|
10
|
4
|
|
|
|
3
|
10
|
300
|
400
|
20
|
10
|
|
|
|
4
|
12
|
200
|
200
|
20
|
10
|
|
|
|
5
|
15
|
100
|
200
|
15
|
5
|
|
|
4.2 Виконується в лабораторії
4.2.1. Ввімкнути в мережу ПЕОМ, натиснути
Ctrl-Alt-Delete, в стрічках користувача і пароль набрати Zagal.
4.2.2. Зайти у Wіndows Commander на диск
С: у папку Programs /Ea/ Lw1.
5. Опрацювання дослідних даних
5.1. Визначити розрахункові дані таблиць
табл. 1… табл. 3. Результати вимірювань tзатр. вим. занести в
таблиці.
5.2. Зробити висновок по роботі.
Література
1. Михайлов О.П., Стоколов В.Е. Электрические
аппараты и средства автоматизации. – М.: Машиностроение, 1982 г.
2. Таев И.С. Электрические аппараты автоматики и
управления. – М.:» Высшая школа», 1975 г.
3. Чунихин А.А. Электрические аппараты (общий курс). –
М.:» Энергия», 1975 г.