C; (37)
Согласно выражению (37)
будем иметь:
<1400 C;
В нормальных условиях
заданные размеры движения должны быть обеспечены при работе одного
трансформатора
95 0С; (38)
140 0 С; (39)
где I1нт – ток, соответствующий мощности,
которая может быть использована для тяги при работе одного трансформатора,
который определяется по формуле (21),
где Sнт 40 МВА.
А.
Согласно выражению (38)
получим:
0С £ 950 С ;
Используя выражение (39)
получим:

0 С £ 1400 С;
Вывод:
Трансформаторы по
максимальному току, максимально допустимому току и максимально допустимым
температурам обмотки и масла проходят.
2. ОПРЕДЕЛЕНИЕ ЭКОНОМИЧЕСКОГО СЕЧЕНИЯ ПРОВОДОВ КОНТАКТНОЙ
СЕТИ ОДНОЙ МЕЖПОДСТАНЦИОННОЙ ЗОНЫ ДЛЯ РАЗДЕЛЬНОЙ И УЗЛОВОЙ СХЕМ ПИТАНИЯ
Для раздельной схемы
питания:
Общее сечение проводов
контактной сети в медном эквиваленте:
мм2, (40)
где В0 –
годовые удельные потери в проводах контактной сети рассматриваемой фидерной
зоны, кВт×ч/Ом×год
Энергию потерь по четному
и нечетному пути определим по формуле:
Wт = Iср
× Uш × t × Np; (41)
где Np = N / kнд = 100 / 1,15 = 87 пар/сутки;
Uш= 25 кВ;
t – время хода поезда в
режиме тяги; tт.чет = 47.15/60 = 0.79 часа;
tт.нечет =
45.3/60 = 0.76 часа;
Iср – средний
ток поезда, А.
Согласно выражению (41)
получим:
для чётного пути:
Wт.ч = Iср
× Uш × t × Np =215.8×25×0.79×87=370798.35 кВт×ч;
для нечётного пути:
Wт.неч = Iср
× Uш × t × Np = 204.4×25×0.76×87=337873.2 кВт×ч.
Годовые удельные потери в
проводах контактной сети определим по формуле:
, кВт×ч/Ом×год. (42)
где
- напряжение контактной сети, кВ (
=25 кВ);
Tпер = 8 мин = 8/60 = 0.13 часа.
t – полное время хода поезда по
фидерной зоне, час. tт.чет = 48.65/60 = 0.811 часа; tт.нечет =
45.3/60 = 0.76 часа;
Используя выражение (42)
получим:
для чётного пути:
451664.59 кВт×ч/Ом×год.
Используя выражение (40)
получим:
мм2.
для нечётного пути:
382042.92 кВт×ч/Ом×год.
Используя выражение (40)
получим:
284.32 мм2.
Для узловой схемы
питания:
Общее сечение проводов
контактной сети в медном эквиваленте:
мм2, (43)
Общий расход энергии
определим по формуле:
Wт = Wтч
+ Wтнч; (44)
Согласно выражению (44)
получим:
Wт = Wтч
+ Wтнч =370798.35 + 337873.2 = 708671.55 кВт×ч.
Годовые удельные потери в
проводах контактной сети определим по формуле:
(45)
Используя выражение (45)
получим:
Экономическое сечение
проводов контактной сети по (43):
мм2.
По результатам расчетов
выбираем подвеску М120 + МФ100 + А185; для этой подвески сечение:
F = 120+100+
=328.82 мм²;
3. ПРОВЕРКА КОНТАКТНОЙ СЕТИ ПО НАГРЕВУ
Для подвески М120 + МФ100
+ А185 допустимый ток 1230 А, его нужно сравнить с эффективными токами фидеров
контактной сети при режиме максимальной пропускной способности
Iфэ1 = 263,0
А< 1230 А; Iфэ2 = 612,3 А< 1230 A;
Iфэ5 = 424,5
А< 1230 А; Iфэ4 = 320,0 А < 1230 A;
Вывод: подвеска М120 + МФ100
+ А185 по нагреву проходит.
4. ГОДОВЫЕ ПОТЕРИ ЭЛЕКТРОЭНЕРГИИ В КОНТАКТНОЙ СЕТИ ДЛЯ РАЗДЕЛЬНОЙ
И УЗЛОВОЙ СХЕМЫ ПИТАНИЯ
Значение потерь энергии
определим по формуле:
DWгод = Вo × l × ra; (45)
где l - длина зоны,км; l
=40км;
ra - активное
сопротивление подвески; для подвески М120 + МФ100 + А185;
ra =0,055
Ом/км;
Согласно выражению (45)
получим:
DWг.неч = 382042.92 × 40 × 0,055 = 840494.42 кВт×ч/год;
DWг.узл = 1443932.86 × 40 × 0,094 / 2 = 1588326.15 кВт×ч/год;
DWг.разд = 993662.1 +840494.42
= 1834156.52 кВт×ч/год;
5. ТЕХНИКО-ЭКОНОМИЧЕСКИЙ РАСЧЕТ ПО СРАВНЕНИЮ С РАЗДЕЛЬНОЙ И
УЗЛОВОЙ СХЕМ ПИТАНИЯ
Приведённые ежегодные
расходы определим по формуле:
Спр = Е × K + DА; (46)
Е = Ен + Еa
+ Еo;
где Ен = 0,12
- нормативный коэффициент эффективности;
Еак.с. = 0,046
- амортизационные отчисления на контактную сеть;
Еo = 0,03 -
затраты на обслуживание;
Еап.с. = 0,055
- амортизационные отчисления на пост секционирования;
DА - стоимость потерь электроэнергии в
год;
DА = DWгод× Kэ, руб; (47)
где Кэ = 0,09
руб/кВт×ч - стоимость электроэнергии;
для раздельной схемы
питания:
Спр.разд = ( Ен
+ Еак.с. + Еo ) × Kкс + DА, руб;
Kкс = 13000 × 40 = 520000 руб;
ΔAразд =
1834156.52 × 0,09 =
165074,09 руб;
Cпр.разд =
(0,12 + 0,046 + 0,03) × 520000 + 165074.09 = 266994.09 руб;
для узловой схемы питания
Спр.узл = ( Ен
+ Еак.с. + Еo ) × Kк.с. + ( Ен + Еап.с.+ Е0
) × Kп.с. + DА, руб;
Kп.с. = 22000
руб;
ΔAузл =
1588326.15 × 0,09
=142949.35 руб;
Cпр.узл=(0,12+0,046+0,03)×520000+(0,12+0,055+0,03)×22000+142949.35 =249379.35 руб; Спр.узл
= 249379.35 руб < Спр.разд = 266994.09 руб;
Кузл =22000
руб > Кразд =0 руб;
Срок окупаемости:
8 лет; (48)
Используя выражение (48)
получим:
8 лет;
Вывод: вариант с узловой
схемой наиболее выгоден, так как капиталовложения больше чем у раздельной, но
ежегодные приведённые затраты меньше.
Срок окупаемости 1.25 < 8 лет;
6. РАСЧЕТ СРЕДНЕГО УРОВНЯ НАПРЯЖЕНИЯ В КОНТАКТНОЙ СЕТИ ДО
РАСЧЕТНОГО ПОЕЗДА НА УСЛОВНОМ ЛИМИТИРУЮЩЕМ ПЕРЕГОНЕ И БЛОК - УЧАСТКЕ ПРИ ПОЛНОМ
ИСПОЛЬЗОВАНИИ ПРОПУСКНОЙ СПОСОБНОСТИ
6.1 Расчет среднего уровня напряжения в контактной сети до
расчетного поезда на условном лимитирующем перегоне
Условный перегон
находится в середине межподстанционной зоны, если в середине токи маленькие, то
условный перегон перемещают в зону с большими токами. В пределах условного
перегона выделяется блок участок, равный 1/3 длинны условного перегона.
Скорость поезда зависит от выпрямленного напряжения, которое пропорционально
среднему за полупериод напряжению переменного тока. Поэтому в первую очередь
интересуют именно эти значения напряжения и потерь напряжения.
Расчет потерь напряжения
тяговой сети и выпрямленных токов, приведённых к напряжению контактной сети:
Потери напряжения в
тяговой сети:
DUc = DUk + DUp; (49)
где D Uk - потери напряжения в
контактной сети до расчетного поезда;
D Uр - то же в рельсах;
Расчет
ведется аналогично как и при постоянном токе, поэтому надо привести сопротивление
контактной сети и рельсов к постоянному току.
Zкс=0,136
Ом/км - приведённое сопротивление контактной сети для подвески М120 + МФ100 +
А185.
, В (50)
где U = 25000 В;
Wkgд = I × t × U - расход энергии на движение
расчетного поезда типа g, на к-ом перегоне в двигательном режиме;
tkgд - время
потребления тока поезда типа g, на к-ом перегоне в двигательном режиме;
Wg = I × t × U - расход энергии поездами по всей
зоне;
m = t / qo -
количество поездов в зоне;
(51)
где WgI и WgII -расход энергии на движение поездов
типа g по фидерной зоне, по путям I и II;
WgI(II) =
II(II) × tI(II) × U кВт×ч;
Потери напряжения на
тяговой подстанции определим по формуле:
DUn = 0,9 × kэф × хвт ×
,В (52)
где кэф = 0,97
- коэффициент эффективности, вводимый для перехода от вы прямленных токов к
действующим.
хвт
-сопротивление трансформатора и внешней сети, равное:
, Ом. (53)
где Sн – номинальная мощность подстанции, кВ×А;
uк =10.5 % -напряжение короткого
замыкания трансформатора;
Sкз – мощность короткого замыкания на
вводах тяговой подстанции, кВ×А;
j - угол сдвига
первой гармоники тока относительно напряжения, равен 370.
Iпмax -
средний выпрямленный ток подстанции при максимальных размерах движения, равный:
, А (54)
где Iamax, Ibmax - нагрузки плеч определяемые при N =
No.
Средний уровень
напряжения у ЭПС определим, используя выражение:
U = 0,9×27500 - DUc - DUni , кВ; (55)
1. Средний уровень напряжения у поезда
на условном перегоне:
Определим по формуле
(49):
tI = 0,76 часа ; tkg = 0,13
часа ;
tII = 0,79 часа ; m = 6 поездов ;
WkgД = 230 × 0,13 × 25 = 747.5 кВт×ч;
WgI = 204.4 × 0,76 × 25 = 3883.6 кВт×ч;
WgII = 215.8 × 0,79 × 25 = 4262.05 кВт×ч;
l1= 25.5 км; l2 = 7.5 км; l0к = 29 км; lк = 2.33 км.
Используя выражение (50)
получим:
=737.72 В.
Согласно выражению (51)
получим:
Потери напряжения в
тяговой сети согласно (49):
DUc = DUk + DUp = 737.72 + 1546.88=
2284.6 В;
Сопротивление трансформатора и
внешней сети определим из выражения (53)
, Ом.
Средний выпрямленный ток подстанции
при максимальных размерах движения определим по формуле (54):
, А;
Потери напряжения на
тяговой подстанции определим по формуле (52):
DUn = 0,9 × 0.97 × 1.18 ×
=971.12, В
Средний уровень
напряжения у поезда на условном перегоне определим, используя выражение (55):
U = 0,9×27500 - DUc - DUni , кВ = 0,9×27500 – 2284.6 – 971.12 = 21494.28 В.
Кроме того, необходимо
найти среднее значение напряжения за время хода поезда по блок-участку, что при
разграничении поездов блок - участками Тпер/3
Потери напряжения на
блок-участке определим по формуле:
DUбу = DUk + DUp; (56)
Средний уровень напряжения
на блок-участке определим по формуле:
Uбу = 27500 -
1,11 × (DUбу + DUni); (57)
где 1,11 -
коэффициент для перехода к потери действующего напряжения;
Напряжение на
блок - участке должно быть не менее 21 кВ; Uбу ³21 кВ;
2. Средний
уровень напряжения на блок-участке:
tI = 0,76 часа ; tkg = 0,043
часа ;
tII = 0,79 часа ; m = 6 поездов ;
WkgД
= 230 × 0,04 × 25 = 230 кВт×ч;
WgI = 204.4 × 0,76 × 25 = 3883.6 кВт×ч;
WgII = 215.8 × 0,79 × 25 = 4262.05 кВт×ч;
Используя
выражение (50) получим:
=800.91 В.
Согласно выражению (51)
получим:
Потери
напряжения в тяговой сети согласно (56):
DUбу = DUk + DUp = 800.91+1762 = 2562.91
В;
Потери напряжения на
тяговой подстанции определим по формуле (52):
DUn = 0,9 × 0.97 × 1.18 ×
=971.12, В
Средний уровень
напряжения на блок-участке согласно (57):
Uбу = 27500 -
1,11 × (DUбу + DUni) = 27500 – 1.11×(2562.91+971.12) = 23577.23 В;
Вывод: напряжение на
блок-участке удовлетворяет условию по минимальному уровню напряжения в тяговой
сети, то есть Uбу > 21кВ
7. РАСЧЁТ ПЕРЕГОННОЙ ПРОПУСКНОЙ
СПОСОБНОСТИ С УЧЕТОМ УРОВНЯ НАПРЯЖЕНИЯ
По найденному значению
напряжения можно откорректировать минимальный межпоездной интервал и перегонную
пропускную способность:
, мин (58)
где Zэ=12 Ом -
приведённое сопротивление ЭПС;
I - средний ток
электровоза за tэ, приведённый к выпрямленному напряжению
Пропускная способность
определится как
, (59)
Пересчитаем межпоездной
интервал и пропускную способность участка по формуле (58):
Iср = 230 A; tэ = 8 мин;
Тпер = 8 мин; Zэ
= 12 мин;
мин.
Пропускную способность
определим по формуле (59):
пара поездов;
пар поездов.
8.
РАСЧЁТ МИНИМАЛЬНЫХ ТОКОВ КОРОТКИХ ЗАМЫКАНИЙ И МАКСИМАЛЬНЫХ РАБОЧИХ ТОКОВ ДВУХ
СХЕМ ПИТАНИЯ, ВЫБОР СХЕМЫ ЗАЩИТ КОНТАКТНОЙ СЕТИ ОТ КОРОТКИХ ЗАМЫКАНИЙ
8.1 Ток короткого замыкания
может быть определён:
, А (60)
где Uнк = 25
кВ – номинальное напряжение контактной сети;
lкз -
расстояние от тяговой подстанции до места короткого замыкания, км; x и ra - индуктивное и
активное сопротивления одного километра тяговой сети, Ом/км;
Максимальный ток фидера
определим в предположении что ток фидера составляет сумму тока трогания одного
ЭПС и отнесённого к этому фидеру средних токов других ЭПС.
При раздельном питании
Iф max = Iтр + (nф1 - 1) × I1 , А; (61)
где Iтр - ток трогания по тяговым расчётам,
А;
При узловой схеме
питания:
Iфmax = Iтр
+ (nф1 - 1)×
+ nф2
×
, А; (62)
где nф1, nф2
- максимальное число ЭПС, которое может находится в фидерной зоне четного
и нечетного путей.
I1, I2 -
средние значения разложенных поездных токов.
Установки защиты должны
удовлетворять условиям для ВЛ 80н;
Iтр= 340 А; кз
=1,2;
кв = 0,85; кч
=1,5;
(63)
1. Расчет для раздельной
схемы питания:
Zтс = 0,094 +
j×0,287 Oм/км;
Согласно выражению (60)
определим минимальный ток короткого замыкания:
1473.29 А;
Максимальный ток фидера
определим по формуле (61)
Iф max ч = 340
+ (6 - 1) × 215.8 =
1419 А;
Iф max неч =
340 + (6 - 1) × 204.4 =
1362 А;
Ток уставки защиты определим
по формуле:
, А (64)
Согласно выражению (64)
получим:
А;
Iкmin =1473.29 А< кч × Iуст = 3004.94 А условие не выполняется
Максимальной
токовой защиты не достаточно, необходимо снабдить схему электронной защитой
фидера.
2. Расчет для узловой
схемы питания
Zтс=(0,094+j×0,287) Ом/км;
Согласно выражению (60)
определим минимальный ток короткого замыкания:
2279.1 А;
Максимальный ток фидера
определим по формуле (62):
Iф max ч = 340
+ (6 - 1) ×
+ 6 ×
= 1491.7 А;
Iф max неч =
340 + (6 - 1) ×
+ 6 ×
= 1497.2 А;
Ток установки защиты определим
по формуле (64):
А;
Iкmin =2279.1 А< кч × Iуст = 3170.54 А; условие не выполняется
Максимальной токовой
защиты не достаточно, необходимо снабдить схему электронной защитой фидера.
8.2 Расчет уставок
электронной защиты фидера ТП
Первая ступень защиты -
ненаправленная дистанционная защита является основной и отключает без выдержек
времени в пределах 80-85% зоны. При коротком замыкании рядом с шинами
подстанции предусмотрен автоматический перевод первой ступени защиты в режим
токовой отсечки. Этот перевод обусловлен понижением напряжения на шинах тяговой
подстанции до определённого уровня. Вторая ступень защиты - направленная защита
с выдержкой времени 0,5 сек. Она резервирует первую ступень защиты. Во второй
ступени используется фазовый орган, который ограничивает характеристику
срабатывания реле в заданном диапазоне.
Расчет установок
электронной защиты
Определение сопротивления
тяговой подстанции
, Ом (65)
Сопротивление срабатывания
первой ступени защиты
Zcpi = kотс
× Zвхi , Ом; (66)
где kотс = 0,8
- коэффициент отстройки
Zвхi - входные
сопротивления в конце защищаемой зоны, Ом;
Zвх = Z1 × l ,Ом; (67)
Z1 -
сопротивление одного пути двухпутного участка.
Выбранное сопротивление Zсрi
проверяется на селективность по отношению к токам нагрузки:
(68)
где Zнmin -
минимальное сопротивление нагрузки, Ом;
Ом; (69)
где кв = 0,9; кн
= 1,2; Upmin = 25 кВ;
При понижении напряжения
на шинах тяговой подстанции ненаправленная дистанционная защита переводится в
режим токовой отсечки.
Напряжение перевода:
, В; (70)
где Ukmin-
минимальное напряжение при коротком замыкании в конце линии;
, В ; (71)
Umin = 0,9 × 27500 = 24750 В;
где Z2 -
сопротивление двухпутного участка при соединении контактных подвесок, Ом;
Ток срабатывания отсечки:
Iсзуто= кн
× Iкзmax; (72)
где Iкзmax -
максимальный ток короткого замыкания, протекающий через фидер;
, А; (73)
Umax = 1,05 × 27500 = 28875 В;
Выбранное значение Iсзуто
проверяется:
; (74)
Сопротивление
срабатывания направленной дистанционной защиты(вторая ступень)
Zсз|| = kч
× Zкзmax; (75)
где Zкзmax -
максимальное сопротивление при коротком замыкании на шинах смежной подстанции;
Zкзmax = 2 × (Z2 × lca + Z1 × lсв), Ом; (76)
Расчет:
Определяем сопротивление
тяговой подстанции и внешней сети по формуле (65) :
5.07 Ом;
Z1 =Z2 =
= 0.302 Ом;
Согласно выражению (67):
Zвх = 0,302 × 20 = 6,04 Ом;
Сопротивление
срабатывания первой ступени защиты определим по формуле (66)
Zсзi = 0,8 × 6,04 = 4,832 Ом;
Выбранное сопротивление
проверяем на селективность по отношению к токам нагрузки фидера, используя
выражение (68)
Минимальное сопротивление
определим по формуле (69):
Zнmin = 25000
/ 1497.2 = 16,7 Ом;
5,10
12,525 Ом;
Минимальное напряжение
при коротком замыкании в конце линии по формуле(71):
В;
Напряжение перевода в
токовую отсечку по формуле (70):
Uсзто =
6727.72 / 1,2 = 5606.43 В;
Максимальный ток
короткого замыкания в конце линии по формуле (73):
А;
Ток срабатывания токовой
отсечки по формуле (72):
Iсзуто= кн
× Iкзmax = 1.2 × 2599 = 3118.8 А ;
Проверяем ток
срабатывания защиты на селективность по отношению к токам нагрузки по формуле
(74):
Условие выполняется
Сопротивление
срабатывания второй ступени защиты. Максимальное сопротивление короткого
замыкания на шинах смежной подстанции определим по формуле (76):
Zкзmax = 2 × (0,302 × 20 + 0,302 × 20) = 24.16 Ом;
Сопротивление
срабатывания второй ступени защиты по формуле (75):
Zсз|| = 24,16 × 1,5 = 36,24 Ом;
Вывод: электронная защита
фидера контактной сети полностью удовлетворяет условиям нормальной работы, так
как она надёжно отстроена от минимального сопротивления нагрузки и максимальных
токов нагрузки фидеров для узловой схемы.
9. РАСЧЕТ РЕАКТИВНОГО
ЭЛЕКТРОПОТРЕБЛЕНИЯ РАСЧЕТНОЙ ТЯГОВОЙ ПОДСТАНЦИИ, МОЩНОСТЬ УСТАНОВКИ ПАРАЛЛЕЛЬНОЙ
КОМПЕНСАЦИИ И ЕЁ ПАРАМЕТРЫ
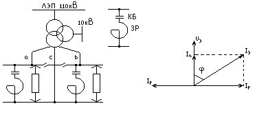
Рис.2. Схема включения
компенсирующей установки на тяговой подстанции.
Q = U×I×sin(37º)
P = U×I× cos(37º)
9.1 Определение реактивной
мощности плеч питания:
Q| = 27,5 × 412 × sin(37º) = 6818.56 кВ×Ар;
Q|| = 27,5 × 465.8 × sin (37º) = 7708.95 кВ×Ар;
9.2 Определение активной
мощности плеч питания
P| = 27,5 × 412 × cos(37º) = 9048.54 кВт;
P|| = 27,5 × 465.8 × cos(37º) = 10230.12 кВт;
9.3. Определение
экономического значения реактивной мощности
tg(φэ) =
0,25
Qэ = tg(φэ)×P кВ×Ар
Qэ| = 0,25 × 9048.54 = 2262.135 кВ×Ар;
Qэ|| = 0,25 × 10230.12 = 2557.53 кВ×Ар;
9.4 Мощность, подлежащая
компенсации
Qку = Q - Qэ
Qку| = 6818.56
– 2262.135 = 4556.425 кВ×Ар
Qку|| =
7708.95 – 2557.53 = 5151.42 кВ×Ар;
9.5 Ориентировочное
значение установленной мощности КБ
Qуст = Qку
/ kg;
kg = 0,5;
Qуст| = 2 × 4556.425 = 9112.85 кВ×Ар;
Qуст|| = 2 × 5151.42 = 10302.84 кВ×Ар;
9.6 Количество
последовательно включенных конденсаторов:
M = [ Uтс / Uкн
] × 1,1 × 1,05 × 1,15 × 1,15
где 1,1 - коэффициент,
учитывающий номинальный разброс;
Uкн -
номинальное напряжение 1-го конденсатора = 1,05 кВ;
1,15 – коэффициент,
учитывающий увеличение напряжения на КБ от индуктивности защитного реактора;
1,15 - коэффициент,
учитывающий дополнительный нагрев конденсаторов токами внешних гармоник и
солнечной радиации;
М = 27500 / 1050 × 1,53 = 40 шт;
9.7 Мощность одной последовательной
цепи
Q1уст = 40 × (50 , 60 , 75 , 125) = 2000 , 2400 ,
3000 , 5000 кВ×Ар;
Количество параллельных
ветвей в КБ:
N = Qуст / ( Qкн
× M )
|
I плечо
|
II плечо
|
|
50
60
75
125
|
N = 9112.85 / 2000 = 4,556 = 5 шт;
N = 9112.85 / 2400 =3.797 = 4 шт;
N = 9112.85 / 3000 =3.038 = 3 шт;
N = 9112.85 / 5000 = 1.823 = 2 шт;
|
N = 10302,84 / 2000 = 5.151 = 6 шт;
N = 10302,84 / 2400 = 4.293 = 5 шт;
N = 10302,84 / 3000 = 3.434 = 4 шт;
N = 10302,84 / 5000 = 2.061 = 3 шт;
|
|
125 N = 2 шт.
|
50 N = 5 шт.
|
Для 1-ого плеча питания: КЭК
- 1,05 -125
Для 2-ого плеча питания: КЭК
- 1,05 -125
9.8 Параметры КБ:
Iкн = Qкн
/ Uкн;
Xкн = Uкн²
/ Qкн;
;
Хкб = Хкн
× М / N;
Cкб = Скн × N / M;
|
I плечо
|
II плечо
|
|
Iкн = 125000
/ 1050 = 119,0 A;
Xкн=1050²
/ 125000 = 8,82 Oм;
мкФ;
Xкб = 8,82 ×
40 / 2 = 176,40 Ом;
Cкб = 360,9 ×
2 / 40 = 18,0 мкФ;
|
Ikн= 75000 / 1050
= 71.43 A;
Xкн=1050² / 75000 = 14.7 Oм;
мкФ;
Xкб = 14.7 ×
40 / 4 = 147 Ом;
Скб = 147 ×
4 / 40 = 14.7 мкФ;
|
9.9 Индуктивность
реактора:
|
I плечо
|
II плечо
|
|
;
LPср = (LP1
+ LP2) / 2 ;
;
мГн;
LРср = (83,3+ 77.2) / 2 = 80,25 мГн;
|
;
;
LРср = (101.962+ 94.549) / 2 = 98.255 мГн;
|
|
Lзр - 1 - 107 2 - 99 3 - 91 4 - 83 5 -
75
|
|
Выбираем один реактор с L = 83мГн и положением ПБВ в 4 ступени:
Гц;
|
Выбираем один реактор c L =99 мГн и
положением ПБВ в 2 ступени:
Гц;
|
9.10 Параметры КУ:
Xзр = 2×p×f × Lзр
Хку = Хкб
- Хзр;
;
;
Qуст = Qкб
× М × N;
|
I плечо
|
II плечо
|
|
Хзр = 2×π
× 50 × 83 / 1000 = 26.08 Ом;
Хку = 176,40 - 26,08 = 150,32 Ом;
Iку = 27500 / 150,32 = 182.94 А;
Qп = 27,5² / 150,32 = 5.03 МВ×Ар;
Qуст = 125 ×
40 × 2 / 1000=10 МВ×Ар;
|
Хзр = 2×π
× 50 × 99 / 1000 = 31.1 Ом;
Хку = 147 – 31.1 = 115.9 Ом;
Iку = 27500 / 115.9 = 237.27 А;
Qп = 27,5² / 115,9 = 6.53 МВ×Ар;
Qуст = 50 ×
40 × 5 / 1000 =10 МВ×Ар;
|
9.11 коэффициент
использования КБ
kq = Qп
/ Qуст
Iикб = Iкб
× N
kи = Iикб
/ Iку
Uакб = M × Uкн
Uкб = Iикб
× Хкб
|
I плечо
|
II плечо
|
|
kq = 5.03 / 10 = 0.503;
Iикб = 119.0 ×
2 = 238 А;
kи = 238 / 182.94 = 1.3;
Uакб = 40 ×
1050 = 42000 В;
Uкб = 238 ×
176.40 = 41983.2 В;
|
kq = 6.53 / 10 = 0.653;
Iикб = 71,43 ×
5 = 357.15 А;
kи = 357.15 / 237.27 = 1.5;
Uакб = 40 ×
1050 = 42000 В;
Uкб = 357.15 ×
147 = 52501.05 В;
|
9.12 Увеличение
напряжения в точках включения
, Ом;
Ом;
DU = Iикб ×Хсум
ΔU|| =
357.15 × 1.15 = 410.72 В;
Определение стоимости
активной и реактивной энергии за год
Wp =(9048.5 +
10230.12) × 8760 =
168 880 711.2 кВт×ч;
cp = 0.09 руб/кВт×ч;
Cp = 168 880
711.2 × 0.95 × 0.09 = 14 439 300.81 руб;
Wq = (6818.56
+ 7708.95) × 8760 =
127 260 900.0 кВАр;
cq = 0.09 × 0.1 = 0.009 руб/кВт×ч
Cq = 127 260
900.0 × 0.95 × 0.009 = 1 571 382.5 руб
Стоимость реактивной
энергии скомпенсированной с помощью установок компенсации:
Сqк =
(4556.425 + 5151.42 ) × 0,95 × 8760 × 0,009 = 727 098.17 руб
СПИСОК ЛИТЕРАТУРЫ
1. Марквардт К.Г.
"Электроснабжение электрифицированных ж.д." М.: "Транспорт"
2. Справочник по электроснабжению
железных дорог. М.: " Транспорт" 1980 г.
3. Справочник по электроснабжению
железных дорог под редакцией Марквардта К.Г.
4. Задание на курсовой проект с методическими
указаниями "Электроснабжение электрических железных дорог", Москва –
1990.