|
См
|
Се
|
J
|
Кос
|
Кт
|
Lэ
|
Кi
|
Tω
|
Т1
|
Rэ
|
МКS
|
МКС
|
|
Нм/А
|
Вс/рад
|
Кг*м2
|
Вс/рад
|
Ом
|
Гн
|
|
сек
|
сек
|
Ом
|
Нм
|
Нм
|
|
0, 205
|
0, 205
|
8,00E-05
|
2,30E-02
|
0,27
|
6,50E-04
|
1,3
|
1,52E-03
|
2,80E-03
|
0,52
|
5,40E-03
|
2, 20E-03
|
При протекании тока в рамке (см.
рис.2) возникает вращающий момент:
Рис.1 Формирование вращающего
момента.
(1)
где: В - магнитная индукция, Тл;
S-площадь рамки, см2; W-число витков рамки; i-ток, А; a-угол между намагничивающей силой и рамкой с
током.
Этот момент повернет ротор (постоянный
магнит) на 90°. В вентильном электродвигателе в статоре расположено 3 обмотки и
в зависимости от положения ротора относительно статора подключаются 2 обмотки,
скорость и момент определяются питающим напряжением. При постоянном питающем
напряжении скорость вращения постоянна. Управление подключением обмоток
осуществляется транзисторной схемой переключения (рис.3), сигналы на которую
поступают с датчика положения ротора. Если условно принять за положительное
напряжение вращения вала направление вращения против часовой стрелки, то момент
на валу двигателя будет определяться по формуле:

Наибольшее значение момента
двигателя достигается при = 90°+30°
Рис 2. Формирование
результирующей намагничивающей силы.
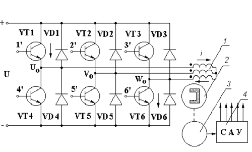
Система автоматического
управления (САУ) (рис.3), управляемая датчиком положения ротора, обеспечивает
одновременное открытие транзисторных ключей, одного из группы VT1-VT3 и другого
из группы TV4-VT6, что обеспечивает в свою очередь одновременное включение двух
статорных обмоток двигателя.
Рис 3. ВЭП. Схема электрическая
функциональная.
На рис.4 приведена типовая
электрическая схема переключения полюсов вентильного электропривода, где:
1-статорные обмотки ВЭП; 2-ротор двигателя; 3 - ДПД; 4 - САУ.
Рассмотрим работу ВЭП, когда
например, открыты транзисторы VT1 и VT6 (рис 4). Тогда ток от источника U будет
протекать через эти транзисторы и обмотки двигателя U и W. При этом создается
результирующая намагничивающая сила F, которая при взаимодействии с магнитным
потоком постоянных магнитов ротора Ф0 создает вращающий момент,
величина которого определяется углом рассогласования между векторами Ф0
и F.
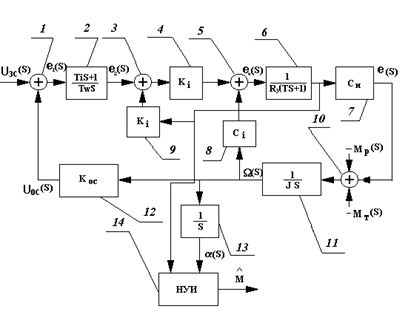
На рис.4 изображена структурная
схема ВЭП, где приняты следующие обозначения: 1-сумматор напряжений (устройство
суммирования построено на ОУ); 2-передаточная функция регулятора скорости,
которая является суммой форсирующего 1-го порядка и интегрирующего элементов (е1
и е2 - напряжения на входе и выходе регулятора); 3-сумматор напряжений;
4-усилитель мощности на транзисторах и тиристорах; 5-сумматор напряжений (обмотка
статора); 6-передаточная функция обмотки статора (Rэ -
активное сопротивление обмотки, Т - постоянная времени обмотки, Lэ
- индуктивность обмотки); 7-усилитель тока; 8-передаточная функция
электромагнитной части электродвигателя, в которой реализуется закон Ампера, т.е.
ток преобразуется в силу (Сm - постоянная по моменту, Се
- постоянная по ЭДС); 9-передаточная функция по ЭДС электродвигателя;
10-сумматор моментов - ротор электродвигателя (Мт - момент
трения; Мр - реактивный момент); 11-передаточная функция
механической части электропривода (J - приведенный момент инерции
электропривода); 12 - обратная связь по угловой скорости ( (в качестве
измерителя угловой скорости выступает тахогенератор, закрепленный на валу
электродвигателя, который позволяет стабилизировать заданное значение угловой
скорости на выходе электропривода); 13 - интегрирующее звено; 14-наблюдающее
устройство идентификации (НУИ).
Рис 5. Структурная схема ВЭП.
На основе данной схемы можно
получить уравнения описывающие поведение ВЭП:
(2)
Записывая характеристическое
уравнение системы (2) можно получить уравнения, которые характеризуют динамику
тока в обмотках ВЭП и динамику скорости вращения его вала. Эти уравнения
соответственно имеют вид:
(3)
(4)
где приняты следующие обозначения:
,
,
,
,
,
,
,
Таким образом динамика ВЭП
описывается двумя линейными дифференциальными уравнениями третьего порядка (3),
(4). В качестве переменных состояния выступают частота вращения w вала двигателя и ток в обмотках i.
В качестве управляющего воздействия выступает напряжение питания Uз,
а в качестве возмущающего воздействия - момент трения и реактивный момент.
Для заданных параметров ВЭП
коэффициенты уравнений (3), (4) будут иметь следующие значения:
|
a1
|
a2
|
a3
|
|
|
1
|
|
1,32E-02
|
1,73E-05
|
1,29E-08
|
7,46E-04
|
2,16E-01
|
1,32E-02
|
Для исследования устойчивости
ВЭП по соответствующей математической модели воспользуемся алгебраическим
критерием устойчивости в форме определителей составляемых из коэффициентов
характеристического уравнения (критерий устойчивости Гурвица). Критерий
устойчивости формулируется следующим образом: для того чтобы система была устойчива,
необходимо и достаточно, чтобы все определители Гурвица имели знаки, одинаковые
со знаком первого коэффициента характеристического уравнения.
Для характеристического
уравнения третьего порядка условия устойчивости будут иметь вид:
D1=а2>0;
D2=а2·а1-а3>0;
D3=а2·а1-а3>0;
В нашем случае условия
устойчивости выполняются, следовательно, система характеризующая динамику ВЭП,
описываемая уравнениями (3-4) является асимптотически устойчивой.
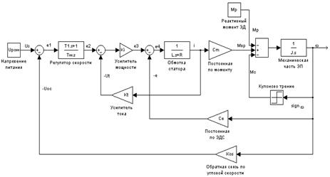
Математическое моделирование
производилось при помощи математического редактора MatLab 6.12 с использованием
приложения для построения и моделирования динамических систем Simulink по
структурной схеме.
Рис.6 Структурная схема ВЭП для
моделирования в среде MatLab 6.12
Результаты моделирования
приведены на рис.7-8.
а)
б)
с)
Рис.7 Результаты моделирования
переходных процессов по угловой скорости и по току для различных напряжений
питания ВЭП: а) 0.1В (tпп 0,05 сек);
б) 1В (tпп 0,05 сек); с) 10В (tпп 0,05 сек).
Выражения (3) и (4) можно
записать в изображениях Лапласа в виде:
(5)
(6)
где W1 (s), W2
(s), W3 (s), W4 (s) - передаточные функции ВЭП по w для управления и возмущения, и
соответственно по i для управления и возмущения, которые имеют вид:
(7)
(8)
(9)
(10)
Для получения аналитических
зависимостей для АЧХ и ФЧХ ВЭП по w
для управления произведем замену в (7):
W
,
W
, W
,
Для построения АЧХ и ФЧХ ВЭП
использовались стандартные процедуры пакета MatLab 6.12
Рис 8. АЧХ и ФЧХ по току для
управления.
Рис 9. АЧХ и ФЧХ по току для
возмущения.

Рис 11. АЧХ и ФЧХ по угловой
скорости для возмущения.
Мв определяется по формуле:
(26)
Полагаем
Реактивный момент представляется
в виде ряда Фурье:
(27)
где
и
- амплитуды синусной и косинусной
составляющих в ряду Фурье.
ki - номер гармоник
разложения.
Суммарный момент выглядит
следующим образом:
Рис 10. Суммарный момент
возмущения.
Время динамического запаздывания
(сек) из ФЧХ по току и угловой скорости для управления:
|
Частота (Гц)
|
0,1592
|
1,1273
|
2,0955
|
3,0637
|
4,0318
|
5,0000
|
|
Время запаздывания по току
|
3,1312
|
0,4331
|
0,2283
|
0,1530
|
0,1139
|
0,0901
|
|
Время запаздывания по скорости
|
0,0104
|
0,0104
|
0,0103
|
0,0102
|
0,0101
|
0,0099
|
В курсовой работе была
проанализирована математическая модель вентильного электропривода, построены
частотные графики модели (по току и по W),
а так же графики переходных процессов при различных программных напряжениях. На
основании вида этих графиков, а также проведенного расчета устойчивости можно
сделать вывод о устойчивости вентильного электропривода (его математической
модели).