Проект электротехнической части газовой котельной ОАО "Приозерное" Ялуторовского района Тюменской области с разработкой схемы автоматического управления осветительной установки

  • Вид работы:
    Дипломная (ВКР)
  • Предмет:
    Физика
  • Язык:
    Русский
    ,
    Формат файла:
    MS Word
    3,95 Mb
  • Опубликовано:
    2010-06-16
Вы можете узнать стоимость помощи в написании студенческой работы.
Помощь в написании работы, которую точно примут!

Проект электротехнической части газовой котельной ОАО "Приозерное" Ялуторовского района Тюменской области с разработкой схемы автоматического управления осветительной установки

МИНИСТЕРСТВО СЕЛЬСКОГО ХОЗЯЙСТВА РОССИЙСКОЙ ФЕДЕРАЦИИ ФГОУ ВПО

ТЮМЕНСКАЯ ГОСУДАРСТВЕННАЯ СЕЛЬСКОХОЗЯЙСТВЕННАЯ

АКАДЕМИЯ Механико-технологический институт

Специальность: Электрификация и автоматизация сельского хозяйства

ВЫПУСКНАЯ КВАЛИФИКАЦИОННАЯ РАБОТА

Тема: «Проект электротехнической части газовой котельной ОАО «Приозерное» Ялуторовского района Тюменской области с разработкой схемы автоматического управления осветительной установки»

Дипломник С.В. МОРОЗОВ

Руководитель:

главный энергетик МУП

«Департамент жизнеобеспечения

администрации г. Тюмени»

С.Д. МАТВЕЕВ

Консультанты

по экономической части

В.В. ШИЛОВА

по безопасности жизнедеятельности

О.А. МЕЛЯКОВА

Рецензент: к.т.н. профессор ТГСХА

П.М. МИХАЙЛОВ

Тюмень 2004

Задание по дипломному проектированию студенту Морозову Сергею Владимировичу

Тема проекта: Проект электротехнической части газовой котельной ОАО «Приозерное» Ялуторовского района Тюменской области с разработкой схемы автоматического управления осветительной установки

Сроки сдачи студентом законченного проекта 01.06.04.

Исходные данные к проекту:

Материалы преддипломной практики, справочная и учебная литература, нормативно-техническая документация, ПУЭ, СНиПы, ГОСТы, интернет - сообщения и руководящие материалы.

Содержание расчетно-пояснительной записки (перечень подлежащих разработке вопросов):

Введение;

1. Анализ хозяйственной деятельности ОАО «Приозерное» Ялуторовского района Тюменской области в части темы проекта;

2. Электрификация технологических процессов в котельной

2.1 Описание технологического процесса;

2.2 Описание работы и технические характеристики технологического оборудования;

2.3 Расчет вентиляционно-отопительного режима котельного цеха;

2.4 Расчет электроприводов;

2.5 Расчет осветительной установки;

2.5.1 Светотехнический расчет;

2.5.2 Электротехнический расчет;

2.5.3 Разработка устройства управления осветительной установкой;

3. Составление графика нагрузок и выбор ТП;

4. Безопасность жизнедеятельности;

5. Расчет экономической эффективности управления осветительной установкой

Список литературы

Перечень графического материала (с точным указанием обязательных чертежей):

1. план подсобного хозяйства с нанесением котельной и ТП (1 лист)

2. план котельной с нанесением силовых и осветительных сетей (3 листа)

3. принципиальная схема автоматического управления технологическими установками и осветительной установкой (2 листа)

4. безопасность жизнедеятельности (1 лист)

5. технико-экономические расчеты (1 лист)

Консультанты по проекту (с указанием относящихся к ним разделов проекта).

Безопасность жизнедеятельности

Технико-экономические расчеты

Дата выдачи задания

Руководитель С.Д. Матвеев

Задание принял к исполнению:

Примечание: задание прилагается к законченному проекту и вместе с проектом представляется в ГЭК

РЕФЕРАТ

Пояснительная записка 82 листа

Графическая часть - 8 листов формата А1

В рассматриваемом дипломном проекте произведен анализ производственно - хозяйственной деятельности предприятия, результаты которого оформлены в графическом виде. Описание технологического процесса котельного цеха с описанием работы и техническими характеристиками отдельных его узлов. Произведены светотехнические расчеты с дальнейшим их применением в системе автоматического регулирования осветительной установки, расчет вентиляции котельного цеха с выбором электроприводов к рабочим машинам и выбора оборудования к ним. Технико-экономическое обоснование внедрения автоматического регулирования освещения в котельном цехе. Разработка мероприятий обеспечивающих безопасную работу обслуживающего персонала.

В результате внедрения автоматического регулирования освещения мы сокращаем количество часов, когда светотехническое оборудование находится в работе. Тем самым годовая экономия электроэнергии в денежном эквиваленте составляет Эг=13465 рублей, при незначительных вложениях на реконструкцию 5650 рублей срок окупаемости составляет пять месяцев. Также происходит увеличение срока эксплуатации, как световых приборов, так и увеличение срока эксплуатации ламп.

СОДЕРЖАНИЕ

Задание на дипломное проектирование

Ведомость дипломного проекта

Введение

1. Анализ хозяйственной деятельности предприятия

2. Электрификация технологических процессов в котельной

2.1 Описание технологического процесса

2.2 Описание работы и технические характеристики технологического оборудования

2.3 Расчет вентиляционно-отопительного режима котельного цеха

2.4 Расчет электроприводов

2.5 Расчет осветительной установки

2.5.1 Светотехнический расчет

2.5.2 Электротехнический расчет

2.5.3 Разработка устройства управления осветительной установкой

3. Составление графика нагрузок и выбор ТП

4. Безопасность жизнедеятельности

5. Расчет экономической эффективности автоматики управления осветительной установки

Используемая литература

ВВЕДЕНИЕ

Развитие сельскохозяйственного производства базируется на современных технологиях широко использующих электроэнергию. В связи с этим возросли требования к надежности электроснабжения, качества электроэнергии и ее экономическое использование.

Эффективное использование света с помощью достижений современной светотехники - важнейший резерв повышения производительности труда и качества продукции, снижения травматизма и сохранения здоровья людей.

Главной задачей современной светотехники является обеспечение комфортной световой среды для труда и отдыха человека, а также повышение эффективности и масштаба применения света в технологических процессах на основе рационального использования электрической энергии, расходуемой в светотехнических установках, и снижения затрат на их создание и эксплуатацию.

Одним из важных факторов развития современного производства является комплексная автоматизация, которая в корне позволяет преобразовать труд людей.

Одним из потребителей электроэнергии в производственно-бытовых помещениях являются осветительные приборы. Исследованиями установлено, что при современном интенсивном производстве правильно спроектированное освещение позволяет повысить производительность труда на 10 - 20%. Оно включает в себя не только соблюдение норм освещенности, но и соблюдение качественных характеристик освещения с учетом технологического процесса.

Своевременное включение и выключение освещения с учетом технологии производства, согласование работы искусственного освещения с динамикой естественного освещения в целях максимального использования последнего, а также обеспечения возможностей регулирования искусственного освещения в течение рабочей смены (динамическое освещение) позволяет получить значительную экономию электроэнергии.

С внедрением автоматической системы управления освещением мы уменьшаем количество времени, когда световые установки находится в работе, тем самым мы продлеваем и срок эксплуатации светового прибора, и срок эксплуатации лампы установленной в ней.

1. Анализ хозяйственной деятельности предприятия

ОАО «Приозерное» расположен в центральной части сельскохозяйственной зоны Тюменской области, организован был в 1963г. Центральная усадьба - село Старый Кавдык находится в 15 км от районного центра города и железнодорожной станции Ялуторовска. До областного центра города Тюмени 85 км. ОАО «Приозерное» состоит из двух отделений с населенными пунктами: Старый Кавдык, Новый Кавдык. Транспортная связь с пунктами сдачи продукции осуществляется по двум дорогам - асфальтной (от центральной усадьбы до районного центра) и по асфальтной дороге от второго отделения.

Основное направление ОАО "Приозерное" молочно-мясное с развитым производством зерна. Пункт сдачи продукции в г. Ялуторовске. Территория ОАО "Приозерное" расположена в теплом умеренно-увлажненном агротехническом районе Тюменской области. Хозяйство полностью обеспечено рабочей силой и основными производственными фондами (за 2003-й год прибыль составила 3273 тысячи рублей).

Климат резко-континентальный с холодной продолжительной зимой и ранними осенними заморозками. В течение года на территории хозяйства преобладают западные и юго-западные ветра со средней скоростью 6 м/с. Осадков выпадает с избытком, хотя в отдельные годы бывают засухи и суховеи. На территории хозяйства растут березы, осина, сосна, из кустарников шиповник, боярышник и другие. Почвы на территории ОАО "Приозерное" разнообразны, в основном состоят из выщелоченных черноземов, слабо-подзолистых и засаленных. Темно-серые и серые почвы заняты под пашней. Под пастбищами преобладают лугово-черноземные солонцы. В пониженных местах формируются болотные и торфяно-болотные почвы. Гидрологическая сеть развита слабо.

ОАО «Приозерное» хозяйство крупное, а крупные предприятия имеют преимущество перед мелкими. Преимущества проявляются в повышении производительности труда и снижении издержек на единицу продукции.

Таблица 1.1 Показатели размера предприятия

Показатели

Ед. измер.

2001 г.

2002 г.

2003 г.

2003 г.

2001 г , %

Стоимость товарной продукции

Тыс. руб.

23386

24960

27408

117,2

Стоимость валовой продукции по себестоимости

Тыс. руб.

32128

37186

41215

128,2

Прибыль от реализации

Тыс. руб.

4241

2678

3569

84,2

Площадь с/х угодий

га

8026

8026

8026

100

В том числе

пашни

га

2668

2671

2671

100,1

Среднегодовая численность работников, занятых в с/х производстве

чел

222

220

214

96,4

Среднегодовая стоимость ОПФ

Тыс. руб.

29863

30777

34603

115,9

В том числе

с/х назначения

Тыс. руб.

24955

26100

29963

120,1

Энергетическая мощность

Л.с

14186

13814

13844

97,6

Поголовье животных

Усл. голов

2523

2253

2218

87,9


Из данных таблицы 1.1 видно, что размер ОАО «Приозерное» из года в год возрастает, об этом свидетельствуют основные показатели, характеризующие размер предприятия. Объем валовой продукции в 2003 г. по сравнению с 2001 г. увеличился на 28,2 %, товарной продукции на 17,2 %, среднегодовая стоимость ОПФ увеличилась на 15,9 %.

Земля в сельском хозяйстве является незаменимым и важным средством производства. Земельное законодательство обязывает сельскохозяйственные предприятия сохранять, восстанавливать и повышать плодородие почв, бороться с эрозией, сорняками и т.д. Все это способствует получению высоких и устойчивых урожаев растениеводческой продукции высокого качества. Земля это не только общее материальное условие и территориальная база производства, но и главное средство производства в сельском хозяйстве.

Таблица 1.2 Состав и структура земельных угодий

Виды угодий

2001 г.

2002 г.

2003 г.

га

%

га

%

га

%

1

2

3

4

5

6

7

Земельная площадь, всего

13032

100

13022

100

13022

100

В том числе Сельхозугодий, всего Из них

8026

61,6

8026

61,6

8026

61,6

Пашня

2668

20,5

2671

20,5

2671

20,5

Сенокосы

2785

21,4

2785

21,4

2785

21,4

Пастбища

2472

18,9

2472

18,9

2472

18,9

Залежи

101

0,8

98

0,7

98

0,7

Лесные массивы

1095

8,4

1095

8,4

1095

8,4

 Древесно-кустарниковые растения

223

1,7

223

1,7

223

1,7

Пруды и водоемы

1260

9,8

1260

9,8

1260

9,8

Приусадебные участки

35

0,3

-

-

-

-

Дороги

99

0,8

99

0,8

99

0,8

Болота

2118

16,2

2118

16,2

2118

16,2

Прочая земля

166

1,2

201

1,5

201

1,5


Общая земельная площадь ОАО "Приозерное" в 2003 г. составляет 13022 га, из них 8026 га - сельскохозяйственных угодий или 61,6 %, в том числе пашни 2671 га или 20,5 % по сравнению с 2001 г. увеличение составило 3 га, сенокосов 2785 га, пастбища 2472 га. Пруды и водоемы занимают 1260 га или 9,8 %, лесные массивы - 1095 га (8,4 %). Болота занимают 2118 га или 16,2 %; прочие земли составляют 201 га или 1,5 %.

Сельхозугодия расположены вокруг населенных пунктов, летних лагерей, используются как пастбища. Все сенокосы размещены внутри пахотных массивов или вокруг озер, где возможен выпас скота. Основное направление хозяйства - животноводческое. Главная отрасль животноводства молочное скотоводство. Удельный вес молока в товарной продукции за анализируемые три года составил 68,3 %. В качестве дополнительной отрасли в животноводстве остается производство мяса КРС. Урожайность кормовых культур и наличие больших площадей, отведенных под сенокосы и пастбища дают возможность создать прочную кормовую базу для животноводства. Условия зимовки кормов разные: сено хранится в скрытой сенобазе, зерно - в зерноскладах, сенаж и силос - в траншеях. Товарная продукция - это часть валовой продукции, проданная государственным предприятиям и организациям, а также населению. Высокая товарность продукции имеет огромное значение. Объем производства товарной продукции определяется обеспеченностью сырьем легкой и пищевой промышленности, а население продуктами питания. Структура товарной продукции - это процентное отношение стоимости отдельных видов товарной продукции к общей стоимости.

Таблица 1.3  Состав и структура товарной продукции

Виды продукции

2001 г.

2002 г.

2003 г.

Тыс. руб.

%

Тыс. руб.

%

Тыс. руб.

%

Зерновые и зернобобовые

1010

4,3

1262

5,1

249

0,95

Прочая продукция

530

2,4

7

-

16

0,05

Итого по растениеводству

1540

6,7

1269

5,1

265

1

Молоко

15787

67,5

15568

62,4

20525

74,9

Привес КРС

1977

8,5

4741

18,9

3563

12,9

Свиньи

632

3,8

598

2,6

563

2,

Прочая продукция животноводства

897

4,8

746

2,9

99

0,5

Итого по животноводству

19293

82,5

21653

86,8

24756

90,3

Продукция подсобных производств

2553

10,8

2038

8,1

23,87

8,7

Всего по хозяйству

23386

100

100

27408

100

В 2003 г. по сравнению с 2001 г. возрастает производство и реализация основных видов сельскохозяйственной продукции, кроме зерна. Из таблицы видно, что больший удельный вес в структуре товарной продукции занимает продукция животноводства. Так, в 2001 г. 82,5 %, в 2002 г. - 86,8 %, в 2003 г. 90,3 %, что выше к 2001 г. на 7,8 %.

Среди продукции животноводства молоко занимает в 2001 г. 67,5 %, в 2002 г. - 62,4 % и в 2003 г. - 74,9 %. Увеличение составляет 7,4 % к 2001 г. Продукция растениеводства в 2003 г. составляет 1 %, что ниже 2001 г. на 5,7 %. Таким образом хозяйство специализируется на производстве молока.

Производительность труда - это важнейшая экономическая категория. Она измеряется количеством продукции, произведенной в единицу времени или величиной времени, затрачиваемого на единицу продукции.

Таблица 1.4 Уровень производительности труда

Показатели

Ед. измер .

2001 г.

2002 г.

2003 г.

2003 г.

2001 г , %

1

2

3

4

5

6

Среднегодовая численность работников

Чел.

222

220

214

96,4

Отработано в хоз-ве, всего

Тыс. ч/часов

464

433

453

97,6

В т.ч. в:

Растениеводстве

Тыс. ч/часов

46

47

51

110,8

Животноводстве

Тыс. ч/часов

231

203

216

93,5

Произведено с/х продукции, всего

Тыс. руб.

32138

37186

41215

128,2

В т.ч. в:

Растениеводстве

Тыс. руб.

10562

12462

13591

128,7

Животноводстве

Тыс. руб.

21576

24724

27624

128

 Произведено с/х продукции на одного работника

Руб.

144765

169040

192593

133

В т.ч. в :

Растениеводстве

Руб.

47576

55645

63509

133,5

Животноводстве

Руб.

97189

112381

129084

132,8

Затраты труда на 1 ц. продукции:

Зерно

Ч/час

0,5

0,9

1

200

Молоко

Ч/час

4,4

4,3

4,3

97,7

КРС

Ч/час

25,8

16,1

25,2

97,7


Производительность труда в данном хозяйстве с каждым годом растет. В 2003 г. по сравнению с 2001 г. она увеличилась на 33 %. Так, производство сельскохозяйственной продукции на одного работника в 2003 г. составило 192593 руб., а в 2001 г. - 144765 руб., увеличение 47828 руб. На увеличение повлияло сокращение численности работников в 2003 г. на восемь человек, и увеличение валовой продукции на 9077 тыс. руб. или на 28,2 %. Затраты труда на один центнер продукции в животноводстве в 2003 г. снизились к 2001 г. по молоку на 0,1 ч/час, по привесу КРС на 0,6 ч/час, а затраты на зерно увеличились в два раза.

Основные фонды в сельском хозяйстве имеют большое значение. Анализ уровня обеспеченности основными производственными фондами (ОПФ) производится с помощью показателей: фондообеспеченность труда, фондовооруженность, фондоотдача, фондоемкость.

Таблица 1.5 Обеспеченность и эффективность ОПФ

Показатели

Ед. измер.

 2001 г.

 2002 г.

 2003 г.

Отклонение, ± 2003 г. к 2001 г

Среднегодовая стоимость ОПФ

Тыс.руб.

24955

29222

34603

+9648

Стоимость валовой продукции

Тыс.руб.

37333

39686

41215

+3882

Площадь с/х угодий

Га

8026

8026

8026

0

Среднегодовая численность работников

 Чел.

222

220

214

-8

Фондообеспеченность

Тыс.руб.

311,9

364,1

431,14

+119,24

Фондовооруженность

Тыс.руб.

112,4

132,8

161,69

+49,29

Фондоотдача

 Руб.

1,49

1,36

1,19

-0,3

Фондоемкость

 Руб.

0,66

0,74

0,84

+0,18

Энергообеспеченность

 Л.с/S

176,75

172,12

172,49

+4,26

Энерговооруженность

Л.с./чел.

63,90

62,79

64,69

+0,79

Электрообеспеченность

 кВт/S

130,33

126,50

126,80

-3,53

Электровооруженность

кВт/чел.

46,96

46,15

47,54

+0,58

 


Среднегодовая стоимость ОПФ в данном хозяйстве в 2003 г. увеличилась по сравнению с 2001 г. на 9648 тыс. руб. за счет поступления: комбайнов - 3 шт., тракторного прицепа - 1 шт. Наблюдается увеличение производства валовой продукции на 3882 тыс. руб. к 2001 г. Среднегодовая численность работников сократилась на восемь человек. Хозяйство основными фондами обеспечено полностью. Показатель фондообеспеченности выше в 2003 г. (к 2001 г.) на 119,24 тыс. руб. Рост фондовооруженности составил 49,29 тыс. руб. Фондоотдача в 2003 г. ниже по сравнению с 2001 г. на 0,3 руб., а фондоемкость выше на 0,18 руб. В 2003 г. ОПФ использовались в хозяйстве недостаточно.

Основным источником повышения прибыльности предприятия является снижение себестоимости (Сб.) продукции. Себестоимость продукции является важнейшим показателем, отражающим качество работы трудового коллектива. Чем лучше организованы производство и труд, разумней и эффективней используется земля, машины, скот, материальные ценности, выше урожайность культур, продуктивность животных, тем дешевле обходится предприятию производство продукции.

Себестоимость - это обобщающий показатель, отражающий в хозяйстве уровень организации и технологии производства, производительности труда, руководство производством.

Таблица 1.6 Себестоимость одного центнера основных видов продукции (руб.)

Виды продукции

2001 г.

2002 г.

2003 г.

Отклонение, ± 2003 г. к 2001 г

План

Факт

Зерно

116,35

178,71

198

203,43

+87,08

Молоко

337,17

362,03

395

419,94

+82,77

Привес КРС

2757,97

3941,30

4150

4487,12

+1729,15


Себестоимость основных видов продукции в ОАО "Приозерное" в 2003 г. значительно выше по сравнению с предыдущими годами. Так, себестоимость одного центнера зерна в 2003 г. выше чем в 2001 г. на 87,08 руб., молока - на 82,77 руб., привеса КРС - на 1729,15 руб. Это связано с тем, что возросли затраты на корма, электроэнергию, ГСМ.

Рентабельность характеризует доходность, прибыльность производства. Анализ показателей рентабельности позволяет руководителям и специалистам предприятий определять, какие виды продукции наиболее выгодны производить в хозяйстве, где заложены наибольшие возможности повышения доходности производства.

Таблица 1.7 Уровень рентабельности производства и реализации сельхозпродукции

Отрасль, вид продукции

Ед. измер.

2001 г.

2002 г.

2003 г.

1

2

3

4

5

Зерно:





- полная себестоимость

Тыс. руб.

575

988

558

- выручка

Тыс. руб.

1010

1262

249

- уровень рентабельности

%

75,6

27,7

-

Итого по продукции растениеводства:





- полная себестоимость

Тыс. руб.

730

996

594

- выручка

Тыс. руб.

1540

1269

265

- уровень рентабельности

%

110,9

27,4

-

Молоко:





- полная себестоимость

Тыс. руб.

10521

11914

13851

- выручка

Тыс. руб.

15787

15568

20525

- уровень рентабельности

%

50

30,7

48,2

КРС на забой:





- полная себестоимость

Тыс. руб.

3000

4870

4964

- выручка

Тыс. руб.

1977

4741

2926

- уровень окупаемости

Руб.

0,66

0,97

0,59

Итого по продукции животноводства:





- полная себестоимость

Тыс. руб.

15740

19138

20457

- выручка

Тыс. руб.

19293

21653

24756

- уровень рентабельности

%

22,6

13,1

21,0

Продукция прочих производств:





- полная себестоимость

Тыс. руб.

2675

2148

2788

- выручка

Тыс. руб.

2553

2038

2387

- уровень окупаемости

Руб.

0,95

0,95

0,86

Всего по хозяйству:





- полная себестоимость

Тыс. руб.

19145

22282

23839

- выручка

Тыс. руб.

23386

24960

27408

- уровень рентабельности

%

22,1

12,0

14,9


Из таблицы видно, что хозяйство в течение трех лет работает с прибылью. Но в 2003 г. прибыли получено меньше по сравнению с 2001г. на 672 тыс. руб., потому рентабельность в целом по хозяйству снизилась на 7,2 % и составила в 2003 г. - 14,9 %. В основном для хозяйства рентабельна реализация молока. По годам она составляет: 2001 г. - 50 %, 2002 г. - 30,7 %, 2003 г. - 48,2 %.

Объем производства продукции животноводства определяется двумя показателями: численностью животных и их продуктивностью. Численность скота определяется в физических единицах (головах), дифференцированно по видам. Средний годовой удой на фуражную дойную корову может быть исчислен двояко:

1. Делением общего надоя на среднегодовое число дойных коров данного стада;

2. Делением общего надоя на среднегрупповое число дойных коров.

Таблица 1.8 Поголовье, продуктивность, валовая продукция

Показатели

Ед. измер.

2001 г.

2002 г.

2003 г.

Отклонение, ± 2003 г. к 2001 г

1

2

4

5

6

Поголовье коров

голов

950

950

889

- 51

Надой на одну корову

кг

3699

4033

4248

+ 549

Валовый надой

ц

35139

38314

37772

+ 2633

 Поголовье КРС (на откорм)

голов

917

906

982

+ 65

Привес

ц

1975

1857

1825

- 150

 Среднесуточный привес

грамм

590

561

509

- 81


Анализ таблицы показывает, что в 2003 г. надой на фуражную корову увеличился по сравнению с 2001 г. на 549 кг и достиг 4248 кг. Поголовье коров сократилось в 2003 г. на 51 голову, но валовый надой за счет увеличения продуктивности возрос на 2633 ц. Среднесуточный привес КРС в 2003 г. по сравнению с предыдущими годами снижается: к 2001 г. он ниже на 81 грамм, к 2002 г. - на 52 грамма, поэтому и уменьшается привес в 2003 г. на 150 ц. к 2001 г. и к 2002 г. - на 32 ц.

Таблица 1.9 Себестоимость одного центнера молока по элементам затрат

Статьи затрат

Ед. измер.

2001г.

2002г.

2003г.

Отклонение, ± 2003 г. к 2001 г

Оплата труда с отчислениями

Руб.

15,8

30,2

30,1

+14,3

Корма

Руб.

45,4

73,7

99,1

+53,7

Содержание основных средств

Руб.

45,7

52,9

54,9

+9,2

Прочие затраты

Руб.

9,45

21,91

19,33

+9,88

Всего затрат

Руб.

116,35

178,71

203,43

+87,08

Рассматривая себестоимость одного центнера молока по элементам затрат видно, что в 2003 г. по всем статьям затрат идет увеличение: по оплате труда к 2001 г. на 14,3 руб., по кормам на 53,7 руб., содержание основных средств увеличилось на 9,2 руб., также возросли прочие затраты на 9,88 руб. В целом по хозяйству себестоимость одного центнера молока возросла на 87,08 руб.

Таблица 1.10 Уровень механизации и электрификации основных производственных процессов на ферме КРС

Вид технологического процесса

Уровень механизации, %

Уровень электрификации, %

Поение

100

100

Доение

100

100

Уборка навоза

87

70

Раздача кормов

50

0


Из таблицы 1.10 видно, что уровень механизации и электрификации производства в данном хозяйстве недостаточен. Так как помещения для крупного рогатого скота на сегодняшний день не отапливаются, уровень механизации системы кормораздачи – 50%, а электрификации – 0. это ведет к потерям выхода продукции до 15% и снижению доходов.

Таблица 1.11 Потребление электроэнергии предприятием

Показатели

Ед. измер.

2001 г.

2002 г.

2003 г.

Общее потребление электроэнергии хозяйством

кВт*ч/год

10426

10153

10175

- в т. ч на производственные нужды

кВт*ч/год

 2003

 2120

 2159

- прочие потребления

кВт*ч/год

 8424

 8033

 8016

Электровооруженность

кВт*ч/чел

 46,96

 46,15

 47,54

Электрообеспеченность

кВт/S

130,33

126,50

126,80


Объем электрооборудования хозяйства за последние годы не пополняется. Длительное время не проводилось никакой модернизации технологических процессов. Эти причины в совокупности повлияли на эффективность и надежность работы всех электрических машин и оборудования.

2. ЭЛЕКТРИФИКАЦИЯ ТЕХНОЛОГИЧЕСКИХ ПРОЦЕССОВ В КОТЕЛЬНОЙ

2.1 Описание технологического процесса

Паровые котельные оборудуются только паровыми котлами и применяются в основном для выработки пара на технологические нужды, а в отдельных случаях при отсутствии водогрейных котлов требуемых типоразмеров и небольших жилищно-коммунальных нагрузках - для выработки горячей воды для систем теплоснабжения.

Принципиальная схема котельной с паровыми котлами, отпускающей пар на технологические нужды и горячую воду на теплоснабжение, показана на рис. 2.1.

Вырабатываемый в котлах 1 пар по паропроводам направляется к технологическим потребителям и в пароводяной теплообменник 4 для подогрева воды, циркулирующей в системе теплоснабжения. Конденсат от технологических потребителей и после пароводяного теплообменника поступает в деаэратор 9, для работы которого используется редуцированный пар от котлов. Для восполнения потерь конденсата в деаэратор с помощью подпиточного насоса 12 подается также подпиточная вода после химводоочистки 11. Из деаэратора вода подается питательным насосом 10 в котлы.

Циркуляция воды в системе теплоснабжения осуществляется с помощью сетевых насосов 6. Отпуск тепла на теплоснабжение регулируется путем изменения расхода пара с помощью регуляторов 3 в соответствии с требуемым температурным графиком. Подпитка воды в тепловую сеть производится подпиточным насосом 12 установленным после химводоочистки 11 на всасывание сетевого насоса.

Топливо, сгорая в топке, т.е. вступая в химическую реакцию с кислородом воздуха, образует горячие газы, которые с помощью тяговых устройств движутся по газоходам котельного агрегата, отдавая тепло поверхностям нагрева, охлаждаются и выбрасываются в окружающую среду.

Мощность и число паровых котлов определяется значением нагрузок по горячей воде и паровой нагрузки с учетом собственных нужд котельной.

Мощность котельных выбирается по расчетной максимальной тепловой нагрузке потребителей. При этом типоразмеры установленных котлоагрегатов должны быть такими, чтобы при выходе из строя наибольшего по производительности котла оставшиеся котлы обеспечивали максимальный отпуск тепла технологическим потребителям и требуемое для наиболее холодного месяца среднее количество тепла для нагрузок ЖКС.

Принципиальная схема котельной с паровыми котлами, отпускающей пар и горячую воду.

1-котлы; 2-распределительное устройство; 3-регулирующий клапан; 4 пароводяной теплообменник; 5-конденсатоотводчик; 6-сетевой насос; 7 фильтр; 8-регулятор подпитки; 9-деаэратор; 10-питательный насос; 11 аппарат химводоочистки; 12-подпиточный насос; 13-расширительный бак.

Рис. 2.1

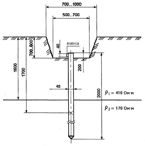
На рисунке 2.2 показано оснащение устройствами безопасности парового котла, для режима 24- или 72-часовой эксплуатации без постоянного операторского надзора с двух позиционным регулированием уровня воды.

Рис 2.2 Оснащение устройствами безопасности

ABV - Вентиль продувки по солесодержанию (с ручной установкой).

ASV - Быстрозапорный продувочный вентиль с мембранным приводом.

D - Быстрозапорный продувочный вентиль с мембранным приводом.

DB - Ограничитель максимального давления.

DR - Регулятор давления.

ELV - Деаэрационный клапан.

HWB - Ограничитель наивысшего уровня воды.

LFE - Электрод для измерения электропроводности.

МА - Манометр.

MV - Управляющий клапан (трехходовой электромагнитный клапан).

Р - Насос питательной воды.

RV - Обратный клапан.

SF1 - Грязеловушка.

SF2 - Грязевой фильтр.

SIV - Предохранительный клапан.

SW - Вентиль питательной воды.

WB - Ограничитель уровня воды.

WR - Регулятор уровня воды.

WSA - Указатель уровня водя.

Х - Охладитель пробоотборника.

А - Шкаф автоматики фирмы Viessmann со схемой блокировки по превышению давления для эксплуатации без постоянного надзора.

2.2 Описание работы и технические характеристики технологического оборудования

Основные элементы современной котельной установки - топка, котел, пароперегреватель, водяной экономайзер, воздухоподогреватель (в совокупности называемые котельным агрегатом), а также тягодутьевые и питательные устройства, оборудование топливоподачи.

Котел «Турбомат» представляет собой горизонтально расположенный цилиндрический барабан, внутри которого расположен внутренний цилиндр, передняя часть цилиндра является топкой. Перед топкой установлена горелка фирмы «VIESSMANN» оборудованная вентилятором с двигателем Р=5,5 КВт. В процессе регулирования нагрузки котла приходится изменять объем подаваемого воздуха, для этого вентилятор оборудован заборными жалюзями с шаговым электродвигателем типа SQM 10.

Дымовые газы из топки направляются к задней поворотной камере, затем по жаровым трубам второго хода поступают в переднюю поворотную камеру и через жаровые трубы третьего хода - в сборный газоход. Проходя внутри труб горячие дымовые газы, отдают тепло металлическим стенкам, которые снаружи омываются водой. За счет испарения вода превращается в пар.

Для поддержания постоянного уровня питательной воды в котле установлены два подпиточных насоса фирмы «GRINFOSE», типа CR4-160/14F, мощностью Р=3 кВт.

Непрерывно поступающие в котел с питательной водой соли и образующийся в котловой воде шлам скапливаются в водяном объеме котла. Чтобы соли не накапливались в котловой воде, часть воды из котла непрерывно отводят (для этого в нижней части котла установлен электроклапан), одновременно добавляют питательную воду с меньшим солесодержанием. Этот процесс называют непрерывной продувкой.

Котел оснащен автоматическим устройством продувки по солесодержанию. Клапан удаления соли служит в комбинации с регулятором удаления соли и токопроводящим электродом для непрерывного отвода солей из котла.

На регуляторе обессоливания установлено заданное значение электропроводности. При изменении электропроводности котловой воды от заданного значения сервопривод LGR 16-5 клапана получает управляющий импульс от регулятора обессоливания на закрытие - открытие.

Полученные в топке газы, пройдя газоходы пароперегревателя и котла, обычно имеют высокую температуру (около 300-450°С), поэтому их невыгодно выбрасывать в дымовую трубу. Для повышения экономичности установки за котлом устанавливают дополнительные поверхности нагрева: экономайзер, подогревающий воду, идущую на питание котла.

Водяной пар, направляемый из котельной для использования в системах отопления, вентиляции, горячего водоснабжения, а также и в производственных аппаратах превращается в конденсат, который в своей большей части возвращается в котельную. Конденсат по существу представляет собой дистиллированную воду, почти без примесей. Однако в ней могут быть растворены кислород воздуха и углекислота, вызывающие коррозию (ржавление) отдельных элементов котельной установки, поэтому конденсат перед питательным баком предварительно пропускают через деаэратор. При эксплуатации систем теплоснабжения, чтобы снизить тепловые потери, необходимо возвращать, возможно, больше конденсата.

Принципиальная схема деаэрационно-питательной установки.

В конденсатный бак. Умягченная вода от химводоочистки

Рис 2.3

Питательная вода для котельного агрегата берется из различных источников водоснабжения. Вода содержит соли, которые при нагревании и испарении отлагаются на стенках котла в виде накипи. Накипь затрудняет теплоотдачу, а в трубах, расположенных в топочном пространстве, вызывает перегрев стенки. Чтобы это не происходило, вода обрабатывается в специальных фильтрах, пропускается через деаэратор рис.2.3, а затем сливается в совмещенный с деаэратором питательный бак. Из питательного бака вода при помощи насоса нагнетается через экономайзер в котел. Подача воды регулируется автоматически так, чтобы уровень питательной воды находился в пределах водоуказательного стекла.

Таблица2.1.Экспликация оборудования деаэрационно-питательной установки

Наименование

Ед. изм.

Кол-во

Примечание



шт.



1






Колонка деаэратора

1

Производительность


(дегазатор)



20м.куб/ч

2

Емкость питательной





воды.

__

1

Объем 10м.куб/ч.

3

Дозирующий насос

__

2

Тип GP-6/30S 1-5,5л/час





с аварийным реле





Тип Grinfosе

4

Конденсатный насос

2

CR4-160/14F





ЗкВт.


Вода, подлежащая дегазации, подводится на распределительную тарелку дегазатора. В дегазаторе происходит подогрев воды до температуры, близкой к температуре насыщения, удаление основной массы газов и конденсация большей части пара. Процесс дегазации завершается в емкости питательной воды, где осуществляется подогрев воды до температуры насыщения с незначительной конденсацией пара и удаления микроколичеств газа.

Для защиты установки от избыточного внутреннего давления предусмотрен предохранительный контур, который срабатывает при 0,7 бар избыточного давления. Для защиты от вакуума на питательной емкости установлен обратный клапан - вакуумная дробилка.

Питательный бак оборудован встроенным термометром, с помощью которого возможно контролировать правильную температуру воды. Для контроля избыточного давления на деаэрационной колонке установлен манометр.

2.3 Расчет вентиляционно-отопительного режима котельного цеха

Цех имеет четыре паровых котла «Турбомат», работающих на газообразном топливе. Такие паровые котлы требуют огромного количества воздуха, неорганизованный подвод которого невозможен, а компоновка современных газо-воздушных трактов, приспособленная к нуждам парового котла настолько сложна, что для транспортировки по ним агента применяются высоконапорные вентиляторы. В результате сложности подачи воздуха по трактам котлов, необходимо, для снижения сопротивления, подводить воздух к горелкам не принудительно, используя канальные системы, а естественным путем из помещения. Вот почему так важно забирать свежий воздух в большом количестве из помещения котельного цеха (15600 м3/ч) и подавать его к горелкам по своим газо-воздушным трактам. А также в зависимости от климатических условий вентиляторы должны быть защищены от атмосферных осадков, поэтому они должны находится в закрытом помещении на высоте не более 5-6 метров, для обеспечения возможности ремонта, замены оборудования и отдельных его элементов.

Выбор способа поддержания необходимых параметров воздушной среды в помещении определяется многими факторами: режимом работы, характером выделяющихся вредностей, количеством и расположением рабочих мест, оборудованием и др. Для таких условий наиболее приемлемым способом является приточно-вытяжная система вентиляции с механическим побуждением,

Количество тепла необходимое для нагревания 15600 м3/ч — требуемый объем воздуха для вентиляторов четырех горелок котлов, вдуваемого с улицы в помещение котельной можно определить по формуле:

Q=VС'р(t0-tn);                                                                                (2.1.)

Q=15600l,3(-3+34)=174,6 кВт.

где V-объем воздуха, м3 -15600;

С'р -теплоемкость воздуха-1.3 кДж/м3.гр.;

t0-температура нагрева наружного воздуха,(-34 до -3°С);

tn- температура наружного воздуха, (-32°С).

Количество тепла выделяемое котлами в помещение определяется по формуле:

Qк=nkF(tст-tв)                                                                               (2.2.)

Qк=40,6990(40-12)=6955BT ≈ 7 кВт.

где tст-температура стенки котла, (-40°С);

n-количество котлов, 4шт;

k- коэффициент теплопередачи от поверхности котла в воздух-0,69 Вт/м2гр.;

F- площадь поверхности котла, 90 м2;

tв-температура воздуха в помещении, 12°С.

Из расчета видно, что основной показатель - тепло необходимое для подогрева воздуха идущего в помещение, определяется по формуле:

Qот=Q - Qк                                                                                        (2.3.)

Qот=174.6 - 7=167,6 кВт.

На все здание котельного цеха требуется подавать тепло равное:

Q=Vg0(tв - tп)a                                                                            (2.4.)

Q=(31,513,57)0,7(12+34)0,9=86,3Bт

где V-объем здания м3;

g0 - удельная относительная характеристика здания, табличные данные 0.7;

а- поправочный коэффициент, табличные данные - 09;

Избыточное тепло в здании котельной составляет:

Qизб=167,6 – 86,3 = 81,3 кВт.

Это избыточное тепло требуется, так как к каждой горелке котла необходимо подавать воздух со скоростью 1,1 м3/с и температурой 12°С, а это дополнительные затраты.

Требуемое количество воздуха в помещении котельной, можно поддерживать путем нагнетания в помещениях чистого вентилируемого воздуха с необходимыми температурно-влажностными параметрами. Схема приточной вентиляционной системы показана на рис.2.4.

Схема механической приточной вентиляции.

1-воздухоприемное устройство; 2-фильтр; 3-оборудование для тепловлажностной обработки приточного воздуха (калорифер, кондиционер);

4-вентилятор; 5-шумоглушитель; 6-воздухоотвод;

Рис 2.4

Находим диаметры воздуховодов

Dприточ=((4δ)/(υπ)) (2.5)

Dприточ=((41,08)/(3,1410))=0,37 м

Dвытяжки=Dприточ⅔ (2.6)

Dвытяжки =0,372/3=0,25 м

где υ - скорость движения воздуха 10-20 м/с.

Для выбора вентилятора необходимо провести расчет сопротивлений по схемам, показанным на рис 2.4.

Потери на трении местных сопротивлений приточной системы.

RL= (λυ2ρL)/ (2d) (2.7)

RL= (0,021021,35)/ (0,372) =17,56 Па

Z=ξ (υ2ρ)/2 (2.8)

Z= (14,71021,3)/2=955,5 Па

H=RL+Z (2.9)

Н=17,56+955.5=973 Па

где λ - коэффициент шероховатости труб;

d - диаметр трубопровода;

ρ - плотность воздуха при 12,5°С.

Разделим участки движения воздуха прописными буквами (получилось 6-участков). И результаты расчета снесем в таблицу 2.2.

Таблица 2.2 Результаты расчета приточной вентиляции

№ участка

Расход воздуха V,м3/c

Длина участка L,м

Скорость воздуха

υ,м/с

Диаметр воздуховода D,м

Удельные потери давлен. RL,м

Коэф места сопр.ξ

Потери давления в местн. сопр. Z,Пa

Н сопротивл. Па

А

1,08

5

10

0,37

17,56

3,5

955,5

973

Б

1,08

5

10

0,37

3,5

В

1,08

5

10

0,37

2,2

Г

1,08

5

10

0,37

0,5

Д

1,08

5

10

0,37

1.5

Е

1,08

5

10

0,37

3,5


Выбор вентиляторов производим по номограммам из литературы;

- с расходом воздуха на один вентилятор 15600/4==3 900 м3/ч.

- с потерями 973 Па.

Из номограммы выбираем вентилятор Е5.105-2 с двигателем Nу=2,2 кВт, n=1435 об/мин., υ=39 м/с.

Выбираем двигатель 4A90L4У3 из справочной литературы. Nу=2,2 кВт, n=1500 об/мин.

Таким образом, в результате расчетов получили: активное вентилирование в котельном цехе осуществляется четырьмя вентиляторами.

Расчет и выбор отопительных установок

Температура выходящего из калорифера воздуха, определяется по формуле :

tпв=(Qизб/ С'рVв103)+tн                                                               (2.10)

где С'р - теплоемкость воздуха -1.3 кДж/м3.гр;

Qизб - мощность отопительных приборов 20,3 кВт;

Vв - объем воздуха проходящего через вентилятор 3900 м3/ч.

tпв=(20300/1,33900)-34=-30°С.

Получается отрицательной, для этого необходимо определить количество воздуха, проходящего через калорифер, при известной отопительных приборов и принимаемой температуре воздуха, выходящего из калорифера.

Количество воздуха, пропускаемого через калорифер:

Vк=Qопр(tк-tн), м3/с,                                                                        (2.11)

где tк - температура воздуха после калорифера,

Vк=20,3/1,3(10+34)=0,356 м3/с.

Живое сечение калорифера для прохода воздуха:

Fк= Vкρ/Vρ, м2,                                                                               (2.12)

Где ρ - плотность воздуха - 1,3 кг/м3;

Vρ - для оребренных калориферов принимается - 3... 5 кг/м2 c;

Fк=0,3561,3/3=0,154м2.

По живому сечению подбирается калорифер [10] марки: КП46-СК-01АУЗ у которого:

- площадь поверхности теплообмена со стороны воздуха f=17,42 м2;

- длина теплопередающей трубки L=0,53 м.

2.4 Расчет электроприводов

Расчет подъемного механизма тельфера в повторно-кратковременном режиме

Нагрузочная диаграмма

Расчет произведем для подъемного механизма тельфера. Нагрузочная диаграмма показывает зависимости момента сопротивления, мощности сопротивлений и угловой скорости рабочей машины от времени и отражает характер и режим работы электропривода.

Для определения режима работы механизма подъема необходимо установить продолжительность действия соответствующих усилий и мощностей.

Для данного цикла нагрузочная диаграмма будет выглядеть следующим образом (см. рис. 2.5.).

Полная нагрузочная диаграмма механизма подъема.

tl - время опускания лебедки в режиме сверх синхронного торможения;

t2 - время в течение которого происходит захват груза;

t3 - время натягивания лебедки;

t4 - время подъема груза;

t5 - время передвижения груза в заданную точку;

t6 - время опускания груза;

t7 - время возвращения балки в исходное положение;

Рис.2.5

Для данного расчета берем упрощенную нагрузочную диаграмму.

Время подъема и опускания груза с постоянной нагрузкой:

tp=H\υг                                                                                                                                                             (2.13)

где Н - высота подъема груза, м;

 υг - скорость подъема груза, м/с.

tp =8/0,17=47 с

Определяем время паузы:

tп=tц-tp, (2.14)

где tц- время продолжительности цикла 258 секунд;

tп =258-(247)=164 с.

По расчетным данным строим нагрузочную диаграмму подъемного механизма (рис. 2.6.)

Определяем продолжительность включения:

E=tp/ tц

Е=94/258=0,36 с.

Вывод: Из нагрузочной диаграммы следует, что привод механизма подъема, работает в повторно - кратковременном режиме. Механизм подъема и передвижения снабжены конечными выключателями. Подъемные механизмы должны быть снабжены автоматическими тормозами закрытого типа, действующими при отключении питания.

Выбор двигателя

Двигатель выбирается из условий:

1. Климатическое исполнение и категория размещения;

2. По способу защиты от окружающей среды;

3. По частоте вращения;

4. По роду тока и напряжения;

5. Для какого режима;

6. По мощности Рдв≥Рпотр ;

7. По конструктивному исполнению и способу монтажа.

Исходя из вышеперечисленных условий выбираем асинхронный электродвигатель с коротко - замкнутым ротором. Двигатель выбирается для повторно - кратковременного режима. Рдв ≥ Рпотр

Зададимся Рпотр= 1,58 кВт.

Выбираем двигатель: АИРС 90L6.

Р=1,7кВт; n0=1000 об/мин.; η=71%; Sн=10; cosφ=0.72; m=19 кг; Iп/Iн=6,0; M0н=2,0; Ммахн=2,2; Мminн=1,6;

1,7кВт > 1,58кВт условие выполняется.

Данный выбранный двигатель необходимо проверить по нагреву. По условиям трогания и по перегрузке проверять двигатель не целесообразно, т.к. момент трогания незначительный по сравнению с моментом при номинальной частоте вращения. Чтобы проверить выбранный двигатель по нагреву необходимо определить время пуска при подъеме и опускании груза. Для этого строим пусковую диаграмму графоаналитическим способом.


Пусковая диаграмма для двигателя подъемного механизм

Механическую характеристику строим по 5 характерным точкам:

1. ω=ωо М=0

ωо =π×no/30=3,14×1000/30=104,7 рад/с

2. ω = ωн= ω0(1-Sн)=104,7(1-0,1)=94,2рад/с

M=Mн=Pн×103н=l,7×103/94,2=18 Нм

3. ωК= ω0(l-SK)=104,7(l-0,41)=61,8 рад/с

Sк=Sн(mmax+m2max-l)=0,l×(2,2+2,22-l)=0,41

Мmax= mmax ×Мн=2,2×18=39,6 (Нм)

4. ωmin0(1-Smin)=104,7(1-6/7)=14,96рад/с

Mmin=mmin×Mн=l,6×l8=28,8 Нм

5. ωп=0 Мп=mп×Мн=2×18=36 Нм

ωп = ω0(1+Sн)=104,7(1+0,1)=115,2 рад/с

Электромеханическая характеристика строится по 4 точкам:

1. ω0=104,7 рад/с

Iн=Pн×103/(3)×Uн×ηн×cosφ=l700/(3)×380×0,71×0,72=5,1A

I0=Iн(sinφн-соsφн/2mmax)=5.1×(0.69-0.72/2×2.2)=2.7 A

2. ωн=94,2 рад/с Iн=5,1 А

3. ω= ωк=61,8 рад/с

Iк=(0,7...0,8)Iп Iпi×Iн=6,0×5,1=30,6 А

Iк=0,75×30,6=23 А

4. ω=0 Iп=30,6А

По расчетным данным строим пусковую диаграмму двигателя механизма подъема для подъема и опускания.

Определим приведенный момент инерции подъемного механизма:

Jп.п.=Jдв+Jpeд+Jгp                                                                                 (2.15)

Jдв=0,073 кг×м2 - момент инерции двигателя.

Jpeд=0,2×Jдв кг×м2 - момент инерции редуктора.

Jгр=0,0263 кг×м2 - момент инерции груза.

Jп.п=0,073+0,2×0,073+0,0263=0,09023 кг×м2

Задаемся масштабами:

Мм=5 Нм/см mω=10 рад/с/см mj=0,01 кгм2

mt=mj×mυ/mн=0,01×10/5=0,02с/см

Рассчитываем время разгона графоаналитическим способом при подъеме груза:

На 1 участке: Δtl=Jп.п.×Δωl/Mдин.cp.1=0,09023×15/14=0,097 с

На 2 участке: Δt2=Jп.п.×Δω2/Мдин.ср.2=0,09023×15/13,6=0,1 с

На 3 участке: Δt3=Jп.п.×Δω3/Мдин.ср.3=0,09023×15/17,5=0,077 с

На 4 участке: Δt4=Jп.п.×Δω4/Мдин.ср.4=0,09023×15/20,8=0,065 с

На 5 участке: Δt5=Jп.п.×Δω5/Мдин.ср.5=0,09023×15/20=0,068 с

Ha 6 yчacткe: Δt6=Jп.п.×Δω6/Мдин.ср.6=0.09023×15/10,7:=0,126c

На 7 участке: Δt7=Jп.п.×Δω7/Мдин.ср.7=0,09023×15/2,5=0,127 с

Общее время пуска при подъеме груза:

tп=Δt=0,096+0,1+0,077+0,065+0,068+0,126+0,127=0,75 с

Рассчитываем время разгона графоаналитическим способом при опускании груза:

На 1 участке: Δtl=Jо.п.×Δω1/Мдин.ср.1=0,09023×15/47,5=0,028 с

На 2 участке : Δt2=Jо.п.×Δω2/Мдин.ср.2 =0,09023×15/45,5=0,03 с

На 3 участке : Δt3=Jо.п.×Δω3/Мдин.ср.3 =0,09023×15/49,2=0,028 с

На 4 участке : Δt4=Jо.п.×Δω4/Мдин.ср.4 =0,09023×15/56,1=0,024 с

На 5 участке : Δt5=Jо.п.×Δω5/Мдин.ср.5 =0,09023×15/52=0,026 с

На 6 участке : Δt6=Jо.п.×Δω6/Мдин.ср.6 =0,09023×15/42=0,032 с

На 7 участке : Δt7=Jо.п.×Δω7/Мдин.ср.7 =0,09023×15/28,5=0,047 с

На 8 участке : Δt8=Jо.п.×Δω8/Мдин.ср.8 =0,09023×15/7,5=0,096 с

Общее время пуска при опускании груза:

tп=Δt =0,028+0,03+0,028+0,024+0,026+0,032+0,047+0,096=0.311с

Определяем эквивалентный ток во время пуска, по пусковой диаграмме, для двигателя подъемного механизма при подъеме.

Iэ.п.п=((Il2×Δtl+I22×Δt2+I32×Δt3+I42×Δt4)/tпycк) (2.16)

I э.п.п.=((29,22×0,097+272×0,242+202×0,068+10,72×0,126+5,52×0,217)/0,75=20,2А

Определяем эквивалентный ток во время пуска, по пусковой диаграмме, для двигателя подъемного механизма при опускании:

Iэ.п.о.= ((Il2×Δtl+I22×Δt2+I32×Δt3+I42×Δt4)/tпycк) (2.17)

Iэ.п.о.=((28,52*0,058+25,662*0,052+20,662*0,026+10,332*0,032+4,662*0,047+ +42*0,096)/0,311=17,8А

По расчетным данным строим нагрузочную диаграмму подъемного механизма, учитывая пусковые токи за время пуска (рис 2.7).

Из нагрузочной диаграммы определяем эквивалентный рабочий ток:

Iэ.p=((Iэ.п.п2*tп.п+Ip2*Δtp.п+Iэ.п.о2*tп.o+Ip2*tp.п)/tp) (2.18)

Iэ.p=((20,22*0,075+4,52*46,25+17,82*0,311+4,12*46,689)/94) =4,76А

Условие выбора электродвигателя по нагреву:

Iд.ест.=> Iэ.p расчст.) (2.19)

Iэ.p расчст.)=4,76(0,36/0.4)=4,ЗА

5,1 А>4,3 А условие выполняется.

Данный двигатель проходит по нагреву. Окончательно выбираем двигатель АИРС90L6.

Расчет электропривода в длительном режиме

Из расчета вентиляции нами выбран двигатель 4A90L4У3:

Р=2,2кВт; n0=1500 об/мин.; η=80%; Sн=5,1; соsφ=0,83; m=29 кг; Iп/Iн=6,0;

М0н=2,0; Mmax/Mн=2,4; Мminн=1,6; Sк=33.

Данный выбранный двигатель необходимо проверить по нагреву.

Механическая характеристика вентилятора представляет такой вид:

Мс0+(Мс.ном.о)*(ω/ωном)2                                                                    (2.20)

где Мо=0,15М с.ном. - момент сопротивления вентилятора, не зависящий от скорости Нм;


Мс.номвн                                                                                      (2.21)

Мс.ном - номинальный момент вентилятора приведенный к валу электродвигателя, Вт;

Рв=0,8*Рн.дв.                                                                                      (2.22)

ωн - номинальная угловая скорость двигателя, рад/с;

ωн=2πnп/60 (                                                                                     2.23)

ωн=2*3,14* 1500/60=157 рад/с.

где nп - номинальная частота вращения, об/мин.

ω - текущее значение угловой скорости электродвигателя, рад/с.

Мс.ном.=0,8*2,2/157=11,21 Нм

М0=0,2*М с.ном. (2.24)

М0=0,2*11,21=2.24 Нм

Таблица 2.3

Мс,Нм

2,24

2,42

3,55

4,28

7,38

7,65

11,21

ω, рад/с

0

22,4

60

75

90

122

157


Выбранный двигатель проверяем по перегрузочной способности.

Рн≥(Мс.maх.н)/mкр*α                                                                        (2.25)

где mкр- кратность критического момента электродвигателя;

α - коэффициент, учитывающий возможное снижение напряжения на 10%.

α=(1-ΔU)2=(1-0,1)2=0,8

2,2≥11,21*157/2,6*0,8=846 Bт

2,2кВт>0.846кВт

Условие выбора по проверке выполняется, выбранный ранее нами двигатель нас устраивает.

Механическую характеристику строим по 5 характерным точкам:

1. ω=ω0 М=0

ω0=π*n0/30=3,14*1500/30=157 рад/с

ω=ωн0(l-Sн)=157(l-0,051)=148,9 рад/с

M=Mн=Pн*103н=2,2*103/148,9=14,7Hм

3. ωк0(1-Sк)=157(1-0,22)=122,4 рад/с

Sк=Sн(mmаx+m2mаx-l)=0,051 *(2,4+2,42-1)=0.22

Мmax=mmaxн=2,4*14,7=35.3 Нм

4. ωmin0(l-Smin)=157(l-6/7)=22,4 рад/с

Мmin=mminн=1,6*14,7=23,52 Нм

5. ωп=0 Мп=mпн=2*14,7=29,4Нм

ωп0(1+Sн)=157(1+0,051)=165 рад/с

Электромеханическая характеристика строится по 4 точкам:

1. ω0=157рад/с

Iн=Pн*103/(3)*Uнн*cosφ=2200/(3)*380*0,8*0,83=5,03A

I0=Iн(sinφн-соsφн/ 2mmах)=5,03*(0,69-0,83/2*2,4)=2,6 А

2. ωн=148,9 рад/с Iн=5,03А

3. ω=ωк =105,19 рад/с

Iк=(0,7... 0,8)Iп Iпi*Iн=6,0*5,03=30,18 А

Iк=0,75*30,18=22,6 А

4. ω=0 Iп=30,18 А

Определим суммарный момент инерции вентиляционной установки:

JΣ=(0,1...0,3)Jдв+ Jдв +Jр.м=0,2*0,0056+0,0056+0,09=0.0967кг*м2

 

 где J р.м. — момент инерции рабочей машины, кг*м2.

Далее строим нагрузочную диаграмму и по ней определяем время пуска электродвигателя и установившийся рабочий ток (см. рис. 2.8.)

Задаемся масштабами:

Мм=2,5 Нм/см mω=10 рад/с/см mj=0.01 кгм2

 mt=mJ*mυ/mн=0,01*10/5=0,02c/см

На 1 участке: Δtl=Jпр*Δω1/Мдин.ср.1=0,0967*20/24=0,08 с

На 2 участке: Δt2=Jпр*Δω2/Мдин.ср.2= 0,0967*20/21=0,092с

На 3 участке: Δt3=Jпр*Δω3/Мдин.ср.3=0,0967*20/22,2=0,087 с

На 4 участке: Δt4=Jпр*Δω4/Мдин.ср.4 =0,0967*20/24=0,08 с

На 5 участке: Δt5=Jпр*Δω5/Мдин.ср.5=0,0967*20/25,7=0,075 с

На 6 участке: Δt6=Jпр*Δω6/Мдин.ср.6 =0,0967*20/27=0,071 с

На 7 участке: Δt7=Jпр*Δω7/Мдин.ср.7=0,0967*20/22,5=0,085 с

На 8 участке: Δt8=Jпр*Δω8/Мдин.ср.8=0,0967*20/8,7=0,22 с

Общее время пуска:

tп=ΣΔt=0,08+0,092+0,087+0,08+0,075+0,071+0,085+0,22=0,79 с

Определяем эквивалентный ток во время пуска, по пусковой диаграмме, для двигателя вентилятора.

Iэ=((Iп2+Iп*Iр+Iр2)/3)*Iп+Iр*tп)/tп+tр) (2.26)

Iэ=((30,182+30,18*10,7+10.72)/3+10,7*3600)/0,79+3600=3,8 А

Условие выбора электродвигателя по нагреву:

I ycт.p.=>I э.pрасчст)                                                                     (2.27)

Iэ.ррасчст)=4,76(0,36/0,4)=4,3 А

10,7А>3,8А условие выполняется.

Данный двигатель проходит по нагреву. Окончательно выбираем двигатель. Проверим по перегрузочной способности:

Мс.max<mкр(1-ΔU)2 (2.28)

Мc.мax<35,3(l-0,l)2=28,5 Нм

11,21 Нм<28,5Нм

По перегрузочной способности проходит.


2.5 Расчет осветительной установки

2.5.1 Светотехнический расчет

Комната отдыха оператора.

Принимаем вид освещения - рабочее, система освещения - общая, равномерная.

Размеры участка: А=12 м2, а=4м, в=3м, Н0=2.4м.

Среда помещения сухая, нормальная.

Выбираем нормированную освещенность Ен=300 лк, (стр. 89 [1]) для люминесцентных ламп.

Коэффициент запаса принимаем: Кз=1,5 (стр. 93 [2]).

Световой прибор выбирается по:

 - условиям среды: IP 20,IP 50, IP 60, 2"0,5"0 (стр127 [2]);

- по виду кривой силы света КСС - Д1, Д2, Г1;

- по наивысшему КПД .

Из справочной литературы (стр. 240 [2]), отбираем световые приборы с указанной защитой: ЛПО 03, ЛПО 16, ЛПО 30, ЛПО 02, ЛПО 21, ЛПО 13, ЛСО 02, ЛСО 06, ЛСО 05.

Из выбранных световых приборов выбираем с требуемой кривой силой света: ЛПО 03, ЛПО 30, ЛПО 02, ЛПО 21, ЛПО 13, ЛСО 06, ЛСО 05.

Из них выбираем световой прибор ЛСО 05 с максимальным КПД-85%.

Рекомендуемое значение при косинусной КСС: λc=1.4, λp=1.6

Находим расстояние 'L' между световыми приборами [1]:

λc*Hp≤L≤λрр

где Нр0-hсв-hр;

Н0- высота помещения, м;

hсв- высота свеса светового прибора, м;

hp- высота рабочей поверхности ,м;

Нр=2.4-0.3-0.5=1.6м

1,4*1,6≤L≤1,6*1,6

2,24≤L≤2,56 L принимаем 2.4

Найдем количество световых приборов по длине помещения: na=a/L:

где а - длина помещения

nа=4/2,4=1,66 nа принимаем 2шт.

Найдем количество световых приборов по ширине помещения: nв=в/L

где в - ширина помещения

nв=3/2,4=1,25 nв принимаем 1шт.

Общее количество световых приборов Nобщ=а*

Nобщ =1*2=2 шт

Рассчитаем мощность осветительной установки методом коэффициента использования светового потока. Нет высоких затеняющих предметов и равномерное освещение горизонтальных поверхностей, поэтому этот метод подойдет.

Находим

Фл=(Ен*А*Кз*z)/N*g                                                                        (2,27)

где А - площадь помещения м2;

z - коэффициент неравномерности; z=1,1...1,2

g - коэффициент использования светового потока. Чтобы его найти в справочных таблицах, необходимо рассчитать i-индекс помещения.

i=(а*в)/Нр(а+в) (2,28)

i=(3*4)/1.6*(3+4)=12/19,2=0,625

Теперь по коэффициенту использования и по коэффициентам отражения для выбранного светового прибора по стр. 17 [3], получаем КПД=30%.

Тогда световой поток лампы определяется:

Ф=(300*12*1,3*1,1)/2*0,3=5148/0,6=8580лм

Из справочной литературы (стр. 212 [4]) выбираем тип лампы ЛД-80 (Вт) со световым потоком: Фк= 4290 лм.

Так как выбранный световой прибор двухламповый,  то световой поток двух ламп равен 8580 лм

Определяем отклонение светового потока табличного от рассчитанного по соотношению:

-0,1≤(Фк-Ф)/Ф≤+0,2 [3]

-0,1≤(8580-8580)/8580≤+0,2

-0,1 ≤ 0 ≤ +0,2 выбранная лампа по условию проходит.

Определяем условную мощность

Руд=(Рл*N)/А (2.29) Руд=(80*2*2)/12=26,66 Вт/м2

Лаборатория

Принимаем вид освещения - рабочее, система освещения - общая, равномерная.

Размеры участка: А=16,8 м2, а=4,2м, в=4м, Н0=2,4м.

Среда помещения нормальная.

Выбираем нормированную освещенность Ен=300 лк, (стр. 101 [1]) для газоразрядных ламп.

Коэффициент запаса принимаем: Кз=1,5 (стр.93 [2]).

Световой прибор выбирается:

- по условиям среды: IP 20,IP 50, IP 60,2"0, 5"0 (стр127 [2]);

-по виду кривой силы света КСС-Д1,Д2,Г1;

- по наивысшему КПД.

Из справочной литературы отбираем световые приборы с указанной защитой: ЛПО 03, ЛПО 16, ЛПО 30, ЛПО 02, ЛПО 21,

ЛПО 13, ЛСО 02, ЛСО 06, ЛСО 05.

Из выбранных световых приборов выбираем с требуемой кривой силы света: ЛПО 03, ЛПО 30, ЛПО 02, ЛПО 21, ЛПО 13, ЛСО 06, ЛСО 05.

Из двухламповых световых приборов выбираем световой прибор с максимальным КПД 52% -ЛПО 02.

Рекомендуемое значение при косинусной КСС: λc=l,4, λp=l,6

Находим расстояние L между световыми приборами:

λc*Hp ≤ L ≤ λp*Hp

где Hp=H0-hсв-hp; [3]

Н0- высота помещения, м;

hсв - высота свеса светового прибора, м;

hp- высота рабочей поверхности, м.

Нр=2,4-0,3-0,5=1.6м

1,4*1,6 ≤ L ≤ 1,6*1,6

2,24 ≤ L ≤ 2,56 принимаем 2.4.

Найдем количество световых приборов по длине помещения: na=a/L

где а - длина помещения, м.

nа=4,2/2,4=1,75 nа принимаем 2шт.

Найдем количество световых приборов по ширине помещения: nв=в/L.

где в- ширина помещения, м.

nв=4/2,4=1,66 nв принимаем 2шт.

Общее количество световых приборов Noбщ=a*

Noбщ=2*2=4 шт.

Рассчитаем мощность осветительной установки методом коэффициента использования светового потока. Нет высоких затеняющих предметов и равномерное освещение горизонтальных поверхностей, поэтому этот метод подойдет.

Находим

Фл=(Ен*А*Кз*z)/N*g                                                                        (2.27)

где    а - площадь помещения м2;

z- коэффициент неравномерности; z=l,1...1,2

g- коэффициент использования светового потока. Чтобы его найти в справочных таблицах, необходимо рассчитать i-индекс помещения.

i=(а*в)/Нр(а+в) (2.28)

i=(4,2*4)/1.6*(4,2+4)=16,8/13,12=l,28

Теперь по коэффициенту использования и по коэффициентам отражения для выбранного светового прибора по стр. 138 [1], получаем КПД=45%.

Тогда световой поток лампы определяется:

Ф=(300*16,8*1,3*1,1)/4*0,45=7207,2/1,8=4004 лм.

Из справочной литературы (стр. 212 [4]) выбираем тип лампы ЛВ-40 Вт со световым потоком: Фк= 2100 лм.

Так как выбранный световой прибор двухламповый, то световой поток двух ламп равен 4200 лм.

Определяем отклонение светового потока табличного от рассчитанного по соотношению:

-0,l ≤ (Фк-Ф)/Ф ≤ +0,2 [3]

-0,1 ≤ (4200-4004)/4004 ≤ +0,2

-0,1 ≤ 0,048 ≤ +0,2 выбранная лампа по условию проходит.

Определяем удельную мощность

Руд=(Рл*N)/А (2.29)

Pyд=(40*2*4)/16,8=19,05 Вт/м2

Коридор.

Принимаем вид освещения - рабочее, система освещения - общая, равномерная.

Размеры участка:

А=12 м2, а=5м, в=2,4м, Н0=2,4м.

Среда помещения нормальная.

Выбираем нормированную освещенность Ен=100 лк для ламп накаливания.

Коэффициент запаса принимаем: Кз=1,3

Световой прибор выбирается:

- по условиям среды: IР 20, IР 50, IP 60, 2"0, 5"0

- по виду кривой силы света КСС - Д1, Д2, Г1;

- по наивысшему КПД.

Из справочной литературы (стр. 240 [2]), отбираем световые приборы с указанной защитой: НСП 17, НСП 21, НПП 04, НСП 20, НСП 11, НСП 09.

Из выбранных световых приборов выбираем с требуемой кривой силой света: НСП 11, НСП 21.

Из них выбираем световой прибор с максимальным КПД 77% -НСП 11.

Рекомендуемое значение при косинусной КСС: λc=1,4, λp=1,6.

Находим расстояние 'L' между световыми приборами:

λc*Hp ≤ L ≤ λp*Hp

где Hp=H0-hcв-hp, [З]

Н0-высота помещения, м;

hсв- высота свеса светового прибора, м;

hp- высота рабочей поверхности ,м;

Нр=2,4-0,3-0=2,1 м

1,4*2,1 ≤ L ≤ 1,6*2,1

2,94 ≤ L ≤ 3,36 L принимаем 3.

Найдем количество световых приборов по длине помещения: na=a/L

где а -длина помещения, м;

nа=5/3=1,66 nа принимаем 2шт.

Найдем количество световых приборов по ширине помещения: nв=в/L

где в - ширина помещения, м;

nв=2,4/3=0,8 nв принимаем 1шт.

Общее количество световых приборов Noбщ=а*в

Nобщ=1*2=2(шт).

Рассчитаем мощность осветительной установки методом коэффициента использования светового потока. Нет высоких затеняющих предметов и равномерное освещение горизонтальных поверхностей, поэтому этот метод подойдет. Находим:

Фл=(Ен*А*Кз*z)/N*g                                                                        (2.27)

где    а - площадь помещения м2;

g - коэффициент использования светового потока. Чтобы его найти в справочных таблицах, необходимо рассчитать i-индекс помещения.

i=(а*в)/Нр(а+в)                                                                                 (2.28)

i=(3*4)/1,6*(3+4)=12/19,2=0,625

Теперь по коэффициенту использования и по коэффициентам отражения для выбранного светового прибора по стр. 17 [3], получаем КПД=28%.


Ф=(100*12*1,3*1,1)/2*0,28=1794/0,5=3203 лм.

Из справочной литературы (стр. 62 [2]) выбираем тип лампы Г 215-225-200, со световым потоком Фк=2920 лм.

Определяем отклонение светового потока табличного от рассчитанного по соотношению:

-0,1 ≤ (Фк-Ф)/Ф ≤ +0,2 [3]

-0,1 ≤ (2920-3203)/3203 ≤ +0,2

-0,1 ≤ -0,088 ≤ +2 выбранная лампа по условию проходит.

Определяем условную мощность

Руд=(Рл*N)/А (2.29) Руд=(200*2)/12=33,33 Вт/м2.

Светотехнический расчет сан. узла.

Принимаем вид освещения - рабочее, система освещения - общая, равномерная.

Размеры участка:

А=2,4 м2, а=2м, в=1,2м, Н0=2,4м.

Среда помещения особо сырая.

Выбираем нормированную освещенность Ен=60 лк, для ламп накаливания.

Коэффициент запаса принимаем: Кз=1,3

Световой прибор выбирается:

- по условиям среды: IP 54, IP 64, IP 55, IP 65, 5"4, 6"4,5"5, 6"5 (стр127[2]);

- по виду кривой силы света КСС - Д1, Д2, Г1;

- по наивысшему КПД.

Из справочной литературы отбираем световые приборы с указанной защитой: НСП 02, НСП 03, ПСХ 60М, НПП 02, НПП 03, НСР 01, НПП 05, НСП 23.

Из выбранных световых приборов выбираем с требуемой кривой силы света: ПСХ 60М, НПП 02, НПП 03, НСП 23.

Из них выбираем световой прибор с максимальным КПД 70% -НПП 02.

Рекомендуемое значение при косинусной

КСС: λc= 1,4, λp= 1,6

Находим расстояние 'L' между световыми приборами:

λc*Hp ≤ L ≤ λp*Hp

где Hp=H0-hcв-hp; [3]

Н0 - высота помещения, м;

hсв- высота свеса светового прибора, м;

hp- высота рабочей поверхности, м.

Нр=2,4-0,3-0,5=1,6м

1,4*1,6 ≤ L ≤ 1,6*1,6

2.24 ≤ L ≤ 2.56 L принимаем 2.4

Найдем количество световых приборов по длине этого помещения: na=a/L

где а - длина помещения, м;

na=2/2,4=0,83 nа принимаем 1шт.

Найдем количество световых приборов по ширине помещения: nв=в/L

где в - ширина помещения, м;

nв=1,2/2,4=0,5 nв принимаем 0шт.

Общее количество световых приборов Noбщ=a*

Nобщ=1=1 шт.

Рассчитаем мощность осветительной установки методом коэффициента использования светового потока. Нет высоких затеняющих предметов и равномерное освещение горизонтальных поверхностей, поэтому этот метод подойдет.

Находим:

Фл=(Eн*A*Kз*z)/N*g                                                                        (2.27)

где А - площадь помещения м2;

z- коэффициент неравномерности; z=1,1...1,2

g- коэффициент использования светового потока. Чтобы его найти в справочных таблицах, необходимо рассчитать i-индекс помещения.

i=(а*в)/Нр(а+в)

i=(2*1,2)/1,6*(2+1,2)=2,4/5,12=0,468

Теперь по коэффициенту использования и по коэффициентам отражения для выбранного светового прибора по стр132. [1], получаем КПД=14%.

Тогда световой поток лампы определяется:

Ф=(60*2,4*1,3*1,1)/1*0,14=205,9/0,14=1470 лм.

Из справочной литературы (стр. 62 [2]) выбираем тип лампы БК 215-225-100, со световым потоком: Фк=1450 лм.

Определяем отклонение светового потока табличного от рассчитанного по соотношению :

-0,1 ≤ (Фк-Ф)/Ф ≤ +0,2

-0,1 ≤ (1450-1470)/1470 ≤ +0,2

-0,1 ≤ -0,01 ≤ +0,2 выбранная лампа по условию проходит.

Определяем условную мощность

Руд=(Рл*N)/А                                                                                     (2.28)

Pyд=(100*l)/2,4=41,6 Вт/м2.

Расчет душевой комнаты и туалета производится аналогично предыдущему, т.к. все условия среды, площади помещения и нормирование помещения аналогичны.

Светотехнический расчет комнаты приема пищи.

Принимаем вид освещения - рабочее, система освещения - общая, равномерная.

Размеры участка:

А= 12,75 м2, а=5,5м, в=3м, Н0=2,4м.

Среда помещения нормальная.

Выбираем нормированную освещенность Ен=200 лк, для газоразрядных ламп.

Коэффициент запаса принимаем:

Кз=1,5

Световой прибор выбирается:

- по условиям среды: IР 20, IР 50, IP 60, 2"0, 5"0 (стр127 [2]);

- по виду кривой силы света КСС - Д1, Д2, Г1;

- по наивысшему КПД.

Из справочной литературы отбираем световые приборы с указанной защитой: ЛПО 03, ЛПО 16, ЛПО 30, ЛПО 02, ЛПО 21, ЛПО 13, ЛСО 02, ЛСО 06, ЛСО 05.

Из выбранных световых приборов выбираем с требуемой кривой силы света: ЛПО 03, ЛПО 30, ЛПО 02, ЛПО 21, ЛПО 13, ЛСО 06, ЛСО 05.

Из двухламповых световых приборов выбираем световой прибор с максимальным КПД 85% - ЛСО 05.

Рекомендуемое значение при косинусной

КСС: λc=1,4, λp=1,6.

Находим расстояние 'L' между световыми приборами:

λc*Hp ≤ L ≤ λp*Hp

где Hp=H0-hcв-hp;

Н0- высота помещения, м;

hсв- высота свеса светового прибора, м ;

hp- высота рабочей поверхности, м ;

Нр=2,4-0,3-0,5=1,6м

1,4*1,6 ≤ L ≤ 1,6*1,6

2,24 ≤ L ≤ 2,56 L принимаем 2,4.

Найдем количество световых приборов по длине помещения: na=a/L

где а - длина помещения,

nа=5,5/2,4=2,2 nа принимаем 2шт.

Найдем количество световых приборов по ширине помещения: nв=в/L

где в- ширина помещения, м;

nв=3/2,4=1,25 nв принимаем 1шт.

Общее количество световых приборов Noбщ=a*

Нобщ=2*1=2шт.

Рассчитаем мощность осветительной установки методом коэффициента использования светового потока. Нет высоких затеняющих предметов и равномерное освещение горизонтальных поверхностей, поэтому этот метод подойдет.

Находим Фл=(Eн*A*K3*z)/N*g                                                        (2.27)

где а - площадь помещения м2;

z- коэффициент неравномерности; z=1,1...1,2

g- коэффициент использования светового потока. Чтобы его найти в справочных таблицах, необходимо рассчитать i-индекс помещения.

i=(а*в)/Нр(а+в) (2.28)

i=(5,5*3)/1,6*(5,5+3)=16,5/13,6=1,21

Теперь по коэффициенту использования и по коэффициентам отражения для выбранного светового прибора, получаем КПД=48%.

Тогда световой поток лампы определяется:

Ф=(200*12,75*1.3*1,1)/2*0,48=3646,5/0,96=3798 лм.

Из справочной литературы (стр. 212 [4]) выбираем тип лампы ЛЕ-40 Вт со световым потоком:

Фк= 2100 лм.

Так как выбранный световой прибор двухламповый, то световой поток двух ламп равен 4200 лм.

Определяем отклонение светового потока табличного от рассчитанного по соотношению:

-0,1 ≤ (Фк-Ф)/Ф ≤ +0,2

-0,1 ≤ (4200-3798)/3798 ≤ +0,2

-0,1 ≤ 0,1 ≤ +0,2 выбранная лампа по условию проходит.

Определяем удельную мощность

Руд=(Рл*N)/А (2.29) Руд=(40*2*2)/12,75=12,55 Вт/м2.

Светотехнический расчет тамбура.

Так как тамбур разделен пополам, и установлена дверь, то производим расчет получившихся двух помещений.

Принимаем вид освещения - рабочее, система освещения - общая, равномерная.

Размеры участка:

А=3,75 м2, а=1,25м, в=1,5м, Н0=2,4м.

Среда помещения влажная.

Выбираем нормированную освещенность Ен=10 лк, для ламп накаливания.

Коэффициент запаса принимаем: Кз=1,3 (стр. 93 [2]).

Световой прибор выбирается:

- по условиям среда: IP 54, IP 64, IP 55, IP 65, 5"4, 6"4, 5"5, 6"5;

- по виду кривой силы света КСС - Д1, Д2, Г1;

- по наивысшему КПД.

Из справочной литературы (стр. 240 [2]), отбираем световые приборы с указанной защитой: НСП 02, НСП 03, ПСХ 60М, НПП 02, НПП 03, НСР 01, НПП 05, НСП 23.

Из выбранных световых приборов выбираем с требуемой кривой силы света: ПСХ 60М, НПП 02, НПП 03, НСП 23.

Из них выбираем световой прибор с максимальным КПД 70% -НПП 02.

Рекомендуемое значение при косинусной

КСС: λc=1,4, λр=1,6

Находим расстояние 'L' между световыми приборами

λc*Hp ≤ L ≤ λp*Hp

где Hp=H0-hcв-hp;

Н0 - высота помещения, м;

hcв- высота свеса светового прибора, м;

hp- высота рабочей поверхности, м.

Нр=2,4-0,3-0,5=1,6м

1,4*1,6 ≤ L ≤ 1,6*1,6

2,24 ≤ L ≤ 2,56 L принимаем 2,4.

Найдем количество световых приборов по длине этого помещения:

na=a/L

где а - длина помещения;

nа=1,25/2,4=0,5 nа принимаем 0 шт.

Найдем количество световых приборов по ширине помещения: nв=в/L

где в - ширина помещения;

nв=1,5/2,4=0,62 nв принимаем 1шт.

Общее количество световых приборов Noбщ=a*

Noбщ=l шт.

Рассчитаем мощность осветительной установки методом коэффициента использования светового потока. Нет высоких затеняющих предметов и равномерное освещение горизонтальных поверхностей, поэтому этот метод подойдет. Находим:

Фл=(Eн*A*Kз*z)/N*g

где А - площадь помещения м2;

z- коэффициент неравномерности; z=1,1...1,2

g- коэффициент использования светового потока. Чтобы его найти в справочных таблицах, необходимо рассчитать i-индекс помещения.

i=(a*в)/Hp(a+в)                                                                                 (2.28)

i=(l,25*l,5)/1,6*(1,25+1,5)=1,875/4,4=0,42

Теперь по коэффициенту использования и по коэффициентам отражения для выбранного светового прибора, получаем КПД=14 %.

Тогда световой поток лампы определяется:

Ф=(10*3,75*1,3*1,1)/1*0,14=53,6/0,14=383 лм.

Из справочной литературы выбираем тип лампы Б 215-225-40 со световым потоком: Фк=415 лм.

Определяем отклонение светового потока табличного от рассчитанного по соотношению:

-0,1 ≤ (Фк-Ф)/Ф ≤ +0,2

-0,1 ≤ (415-383)/383 ≤ +0,2

-0,1 ≤ 0,08 ≤ +0,2 выбранная лампа по условию проходит.

Определяем условную мощность

Руд=(Рл*N)/А (2.29) Руд=(40*1)/1,875=21,ЗВт/м2.

Светотехнический расчет котельного зала

а) Проходы за котлами первого этажа

Принимаем вид освещения - рабочее, система освещения - общая, равномерная.

Размеры участка:

А=31,5 м2, а=21м, в=5м, Н0=4м.

Среда помещения сухая.

Выбираем нормированную освещенность Ен=10 лк,(стр. 97 [1]) для ламп накаливания.

Коэффициент запаса принимаем: Кз=1,5

Световой прибор выбирается:

- по условиям среды: IP 60, IР 62, IP 63

- по виду кривой силы света КСС - Д1, Д2, Г1;

- по наивысшему КПД.

Из справочной литературы (стр. 240 [2]), отбираем световые приборы с указанной защитой: НСП 11, НСП20, НСП22.

Из выбранных световых приборов выбираем с требуемой кривой силы света: НСП 11, НСП 22.

Из них выбираем световой прибор с максимальным КПД 67% -НСП 11.

Рекомендуемое значение при косинусной

КСС: λc=1,4, λp=1,6

Находим расстояние 'L' между световыми приборами:

λc*Hp ≤ L ≤ λp*Hp

где Hp=H0-hcв-hp,

Н0- высота помещения, м;

hсв- высота свеса светового прибора, м;

hp- высота рабочей поверхности, м.

Нр=4-0.5-0=3,5 м

1,4*3,5 ≤ L ≤ 1,6*3,5

4,9 ≤ L ≤ 5,6 L принимаем 5,2

Найдем количество световых приборов по длине помещения: na=a/L

где а- длина помещения, м;

nа=21/5,2=4 nа принимаем 4шт.

Найдем количество световых приборов по ширине помещения: nв=в/L

где в- ширина помещения, м;

nв=1,5/5,2=0,2 nв принимаем 0 шт.

Общее количество световых приборов Noбщ=a*

Nобщ=4 шт.

Рассчитаем мощность осветительной установки методом коэффициента использования светового потока. Нет высоких затеняющих предметов и равномерное освещение горизонтальных поверхностей, поэтому этот метод подойдет.

Находим

Фл=(Eн*A*Kз*z)/N*g                                                                        (2.27)

где а- площадь помещения м2;

g- коэффициент использования светового потока. Чтобы его найти в справочных таблицах, необходимо рассчитать i-индекс помещения.

i=(a*в)/Hp(a+в) (2.28)

i=(21*1,5)/3,5*(21+1,5)=31,5/78,75=0,4.

Теперь по коэффициенту использования и по коэффициентам отражения для выбранного светового прибора, получаем КПД=13%.

Тогда световой поток лампы определяется:

Ф=(10*31,5*1,5*1,1)/4*0,13=512,75/0,52=986 лм.

Из справочной литературы выбираем тип лампы БК 215-225-75, go световым потоком:

Фк=1020 лм.

Определяем отклонение светового потока табличного от рассчитанного по формуле:

-0,1 ≤ (Фк-Ф)/Ф ≤ +0,2

-0,1 ≤ (1020-986)/986 ≤ +0,2

-0,1 ≤ 0,00003 ≤ +0,2 выбранная лампа по условию проходит.

Определяем условную мощность

Руд=(Рл*N)/А                                                                                     (2.29)

Руд=(75*4)/31,5=2,38 (Вт/м2).

б) Химводоочистка

Принимаем вид освещения - рабочее, система освещения - общая, равномерная.

Размеры участка:

А=84 м2, а=12м, в=7м, Н0=4м.

Среда помещения сухая.

Выбираем нормированную освещенность Ен=30 лк, (стр. 97 [1]) для ламп накаливания.

Коэффициент запаса принимаем:

Кз=1,3

Световой прибор выбирается:

- по условиям среды: IР 60, IР 62, IP 63 (стр. 127 [2]);

- по виду кривой силы света КСС – Д1, Д2, Г1;

- по наивысшему КПД;

Из справочной литературы (стр. 240 [2]), отбираем световые приборы с указанной защитой: НСП 11, НСП 20, НСП 22.

Из выбранных световых приборов выбираем с требуемой кривой силы света: НСП 11, НСП 22.

Из них выбираем световой прибор с максимальным КПД 67% -НСП 11.

Рекомендуемое значение при косинусной КСС: λc=1,4, λp=1,6.

Находим расстояние 'L' между световыми приборами:

λc*Hp≤L≤λp*Hp

где Hp=H0-hcв-hp,

Н0- высота помещения, м;

hсв- высота свеса светового прибора, м;

hp- высота рабочей поверхности, м.

Нр=4-1=3 м

1,4*3 ≤ L ≤ 1,6*3

4,2 ≤ L ≤ 4,8 L принимаем 4,5.

Найдем количество световых приборов по длине помещения: na=a/L

где а- длина помещения, м;

nа=12/4,5=2,66 nа принимаем 3 шт.

Найдем количество световых приборов по ширине помещения:

nв=в/L

где в- ширина помещения, м;

nв=7/4,5=1,55 nв принимаем 1шт.

Общее количество световых приборов Nобщ

Nобщ=3 шт.

Рассчитаем мощность осветительной установки методом коэффициента использования светового потока. Нет высоких затеняющих предметов и равномерное освещение горизонтальных поверхностей, поэтому этот метод подойдет.

Находим

Фл=(Ен*A*Кз*z)/N*g                                                                        (2.27)

где A- площадь помещения, м2;

g- коэффициент использования светового потока. Чтобы его найти в справочных таблицах, необходимо рассчитать i-индекс помещения.

i=(а*в)/Нр(а+в) (2.28)

i=(12*7)/3*(12+7)=84/57=1,47.

Теперь по коэффициенту использования и по коэффициентам отражения для выбранного светового прибора по стр. 16 [ 3 ], получаем КПД=27%.

Тогда световой поток лампы определяется:

Ф=(30*84*1,3*1,1)/3*0,27=3603,6/0,81=4448 лм.

Из справочной литературы (стр. 62 [2]) выбираем тип лампы Г 215-225-300 со световым потоком: Фк=4610 лм.

Определяем отклонение светового потока табличного от рассчитанного по соотношению :

-0,1 ≤ (Фк-Ф)/Ф ≤ +0,2 [3]

-0,1 ≤ (4610-4448)/4448 ≤ +0,2

-0,1 ≤ -0,036 ≤ +0,2 выбранная лампа по условию проходит.

Определяем условную мощность

Pyд=(Pл*N)/A                                                                                     (2.29)

Pyд=(30*3)/84=1,07 Bт/м2.

Светотехнический расчет площадки обслуживания котлов

Принимаем вид освещения - рабочее, система освещения - общая, равномерная.

Размеры участка:

А=96 м2, а=24м, в=4м, Н0=7м.

Среда помещения сухая.

Выбираем нормированную освещенность Ен=30 лк, (стр. 97 [1]) для ламп накаливания.

Коэффициент запаса принимаем: Кз=1,5

Световой прибор выбирается:

- по условиям среды: IP 60, IP 62, IP 63 (стр127 [2]);

- по виду кривой силы света КСС - Д1, Д2, Г1;

- по наивысшему КПД.

Из справочной литературы (стр. 240 [2]), отбираем световые приборы с указанной защитой: НСП 11, НСП 20, НСП 22.

Из выбранных световых приборов выбираем с требуемой кривой силы света: НСП 11, НСП 22.

Из них выбираем световой прибор с максимальным КПД 67% -НСП 11.  

Рекомендуемое значение при косинусной КСС: λc=1,4, λp=1,6.

Находим расстояние 'L' между световыми приборами:

λc*Hp≤L≤λp*Hp

где Hp=H0-hcв-hp, [ 3 ]

Н0- высота помещения, м;

hсв- высота свеса светового прибора, м;

hp- высота рабочей поверхности, м.

Нр=7-4=3 м

1,4*3 ≤ L ≤ 1,6*3

4,2 ≤ L ≤ 4,8 L принимаем 4,5.

Найдем количество световых приборов по длине помещения:

na=a/L

где а- длина помещения, м;

nа=24/4,5=5,3 nа принимаем 5шт.

Найдем количество световых приборов по ширине помещения:

nв=в/L

где в- ширина помещения, м;

nв=4/5,2=0,7 nв принимаем 1шт.

Общее количество световых приборов Noбщ=

Nобщ=5*1=5 шт.

Рассчитаем мощность осветительной установки методом коэффициента использования светового потока. Нет высоких затеняющих предметов и равномерное освещение горизонтальных поверхностей, поэтому этот метод подойдет.

Находим:

Фл=(Ен*А*Кз*z)N*g                                                                         (2.27)

где A- площадь помещения м2;

g-коэффициент использования светового потока. Чтобы его найти в справочных таблицах, необходимо рассчитать i-индекс помещения.

i=(а*в)/Нр(а+в)                                                                                 (2.28)

i=(24*4)/3*(24+4)=96/84=1,14.

Теперь по коэффициенту использования и по коэффициентам отражения для выбранного светового прибора получаем

КПД=24%.

Тогда световой поток лампы определяется:

Ф=(30*96*1,5*1,1)/5*0,24=4752/1,2=3960 лм.

Из справочной литературы (стр. 62 [2]) выбираем тип лампы Г 215-225-300, со световым потоком: Фк=4610 лм.

Определяем отклонение светового потока табличного от рассчитанного по соотношению:

-0,1 ≤ (Фк-Ф)/Ф ≤ +0,2 [3]

-0,1 ≤ (4610-3960)/3960 ≤ +0,2

-0,1 ≤ 0,16 ≤ +0,2 выбранная лампа по условию проходит.

Определяем условную мощность

Руд=(Рл*N)/А (2.29)

P=(30*5)/55=2,7 (Вт/м2)

Проходы за котлами 2-ой этаж

Расчет - проходы за котлами 2-ой этаж идентичен расчету - проходы за котлами 1-ый этаж, т.к. все условия среды и размеров совпадают.

Деаэраторная площадка

Принимаем вид освещения - рабочее, система освещения - общая, равномерная.

Размеры участка:

А=67,5 м2, а=13,5м, в=5м, Н0=7м.

Среда помещения сухая.

Выбираем нормированную освещенность Ен=30 лк, (стр. 97 [1]) для ламп накаливания.

Коэффициент запаса принимаем: Кз=1,3

Световой прибор выбирается:

- по условиям среды: IP 60, IР 62, IP 63

- по виду кривой силы света КСС - Д1, Д2, Г1;

- по наивысшему КПД.

Из справочной литературы отбираем световые приборы с указанной защитой: НСП 11, НСП 20, НСП 22.

Из выбранных световых приборов выбираем с требуемой кривой силы света: НСП11, НСП22.

Из них выбираем световой прибор с максимальным КПД 67% -НСП 11.

Рекомендуемое значение при косинусной

КСС: λс=1,4, λp=1,6

Находим расстояние 'L' между световыми приборами:

λc*Hp≤L≤λp*Hp

где    Hp=H0-hcв-hp,

Н0- высота помещения, м;

hсв- высота свеса светового прибора, м;

hp- высота рабочей поверхности, м.

Нр=7-4=3м

1,4*3 ≤ L ≤ 1,6*3


Найдем количество световых приборов по длине помещения: na=a/L

где а - длина помещения, м;

nа=13,5/4,5=3 nа принимаем 3 шт.

Найдем количество световых приборов по ширине помещения: nв=в/L

где в - ширина помещения, м;

nв=5/5,2=0,96 nв принимаем 1 шт.

Общее количество световых приборов Noбщ=a

Noбщ=3*l=3 шт.

Рассчитаем мощность осветительной установки методом коэффициента использования светового потока. Нет высоких затеняющих предметов и равномерное освещение горизонтальных поверхностей, поэтому этот метод подойдет.

Находим:

Фл=(Eн*A*Kз*z)/N*g                                                                        (2.27)

где А - площадь помещения м2;

g - коэффициент использования светового потока. Чтобы его найти в справочных таблицах, необходимо рассчитать i-индекс помещения.

i=(а*в)/Нр(а+в)                                                                                 (2.28)

i=(13,5*5)/3*(13,5+5)=67,5/55,5=1,22

Теперь по коэффициенту использования и по коэффициентам отражения для выбранного светового прибора, получаем

КПД=24%.

Тогда световой поток лампы определяется:

Ф=(30*67,5*1,3*1,1)/3*0,24=2895,7/0,72=4021 лм.

Из справочной литературы (стр. 62 [2]) выбираем тип лампы Г 215-225-300, со световым потоком: Фк=4610 лм.

Определяем отклонение светового потока табличного от рассчитанного по соотношению:

-0,1 ≤ (Фк-Ф)/Ф ≤ +0,2 [3]

-0,1 ≤ (4610-4021)/4021 ≤ +0,2

-0,1 ≤ 0,14 ≤ +0,2 выбранная лампа по условию проходит.

Определяем удельную мощность

Руд=(Рл*N)/А (2.29)

Руд=(30*3)/67,5=1,33 Вт/м2.

Освещение перед входом

Принимаем вид освещения - дежурное, система освещения - общая, равномерная.

Наружное освещение в сырой среде, коэффициент отражения равен нулю.

Выбираем нормированную освещенность Ен=2 лк, (стр. 38 [3]) для ламп накаливания.

Коэффициент запаса принимаем: Кз=1,15

В нашем случае нормируется вертикальная освещенность, поэтому производим расчет точечным методом. Этот метод позволяет рассчитать освещенность на горизонтальной, наклонной и вертикальной плоскости.

Размеры участка:

А=6 м2, а=3м, в=2м, Н0=3,3м.

Световой прибор выбирается:

- по условиям среды: IP53, IP 54.

- по виду кривой силы света КСС – М;

- по наивысшему КПД.

Из справочной литературы (стр. 240 [2]), отбираем световые приборы с указанной защитой: НСП 02, НСП 03, НПП 02, ПСХ, НПП 03.

Из выбранных световых приборов выбираем с требуемой кривой силы света: НСП 02, НСП 03.

Из них выбираем световой прибор с максимальным КПД 75% -НСП 03.

Находим расстояние 'L' между световыми приборами:

λc*Hp ≤ L ≤ λp*Hp

где Hp=H0-hcв-hp; [3]

Н0- высота помещения, м;

hсв- высота свеса светового прибора, м;

hp- высота рабочей поверхности , м;

Нр=3,3-0,3-0=3 м

Светильник расположен на высоте Hp по центру над дверью. Зададим контрольную точку А (рис 2.10.). Для нее рассчитаем da - расстояние от вертикальной контрольной точки, также угол α - угол между вертикалью и направлением силы света светильника (рис 2.11).

 

Рис 2.10. Рис 2.11.

da=(АВ*АВ+СВ*СВ)-0,5 (2.31)

da=(4+2,25)-0,5 =2,5;

Определим угол α для точки А (рис 2.10).

tg α=da/Hp=2,5/3==0,83 α=39град.;

Определим силу света Jα по группе кривой силы света и угла между вертикалью и направлением силы света:

Jα1000=150 кд; по графикам литературы.

Определим условную освещенность для точки А.

Ea=Jα1000*cos3 α/Hp2 (2.32)

Еа=150*0,45/9=7,5 лм.

Рассчитаем поток:

Фс=(1000*Енз)/(μ*Еа*η) (2.33)

где μ - коэффициент учитывающий влияние удаленных светильников μ=1;

η - КПД светильника;

Фc=(1000*2*1,15)/(1*7,5*0,75)=409,7лм.

Из справочной литературы (стр. 62 [2]) выбираем тип лампы Б 220-235-40, со световым потоком: Фк=400 лм.

Определяем отклонение светового потока табличного от рассчитанного по соотношению:

-0,1 ≤ (Фк-Ф)/Ф ≤ +0,2 [3]

-0,1 ≤ (400-409)/409 ≤ +0,2

-0,1 ≤ -0,022 ≤ +0,2 выбранная лампа по условию проходит.

Определяем условную мощность

Руд=(Рл*N)/А (2.29)

Руд=(40*1)/6=6,6 Вт/м2

2.5.2 Электротехнический расчет

Щит освещения установлен в коридоре запитанный от силового щита 1ЩС. Нагрузку делим на три группы, чтобы по мощности разделялись незначительно. По правилам эксплуатации электрооборудования и правилам техники безопасности необходимо заложить дежурное освещение. В нашем случае это все входы и выходы, а также проходы за котлами и лестниц идущих на второй этаж. Так как протяженность линий не более 40 метров, группы освещения однофазные.

Составляем расчетную схему (см. рис. 2.12.)

Расчетная схема осветительной сети


Расчет сечения проводов

Расчет сечения проводов проводим по потере напряжения и проверяем сечение по нагреву и механической прочности.

Расчет сечения по формуле:

S=SMi/C*DU (2.34)

где С=7,4 для однофазной сети с алюминиевым проводником

С=44 для трехфазной сети с алюминиевым проводником ;

DU=0,5% для алюминиевых проводников на напряжение 380В;

DU=2,3% для алюминиевых проводников на напряжение 220В;

Mi-электрический момент.

Mi=Pi*Li -произведение мощности светильника на расстояние до осветительного щита.

Расчет сечения проводов группы №1

åMi=(0,1+0,1)*1+(0,16+0,l6)*2+(0,08*4)*4+(0,1+0,1)*6+0,1*7+(0,08+0,08)*8,5=

=5,38 кВт*м

S=5,38/7,4*2,3=0,32 мм2

Округляем до ближайшего стандартного значения S=2,5 mm . Выбираем кабель марки АВВГ(Зх2,5) с алюминиевой жилой, прокладка под штукатурку.

Находим ток группы по формуле:

Ipacчф/Uф*cosj,                                                                              (2.35)

I=1260/220*0,92=5,7A.

Находим Iдоп из справочной литературы

Iдоп.=20А.

Проверяем кабель по нагреву:

Iдоп.>Iрасч. => 20А>5,7А, кабель по нагреву проходит.

Определяем действительное значение потери напряжения в группе:

DU=åMi/C*S                                                                                    (2.36)

DU=5,38/7,4*2,5=1,81%

Расчет группы №2

Розеточная группа №2 выполняется кабелем с сечением жил равным 2,5(мм2) согласно ПУЭ, маркой АВВГ (Зх2,5) скрыто под штукатурку.

Iдоп=20А, Рном. группы = 3000 Вт.

Расчет сечения проводов группы №3

åMi=0,3*15+0,3*25+0,3*35=22,5 кВт*м

S=22,5/7,4*2,3=1,32 мм2

Округляем до ближайшего стандартного значения S=2,5 мм2. Выбираем кабель марки АВВГ (Зх2,5) с алюминиевой жилой, прокладка в трубах.

Находим ток группы:

I=900/220*1=4,09 А.

Находим Iдоп. из справочной литературы:

Iдоп.=19А

Проверяем кабель по нагреву:

Iдоп.>Iрасч. => 19А>4,09А, кабель по нагреву проходит.

Определяем действительное значение потери напряжения в группе:

DU=22,5/7,4*2,5=1,21%

DU < DUдоп 1,21< 2,0 - условие выполняется.

Расчет сечения проводов группы №4

åMi=0,3*17+0,3*23+0,075*31+0,075*39+0,075*47=20,77 кВт*м

S=20,77/7,4*2,3=1,22 мм2

Округляем до ближайшего стандартного значения S=2,5 мм2. Выбираем кабель марки АВВГ (Зх2,5) с алюминиевой жилой, прокладка в трубах.

Находим ток группы:

I=825/220*1=3,75 А.

Находим Iдоп. из справочной литературы [1, стр.340]:

Iдоп.=19А.

Проверяем кабель по нагреву:

Iдоп.>Iрасч. Þ 19A>3,75A, кабель по нагреву проходит.

Определяем действительное значение потери напряжения в группе:

Uпот.=20,77/7,4*2,5=l,12%

DU < DUдоп 1,1% < 2,0% - условие выполняется.

Расчет сечения проводов группы №5

åMi=0,3*18+0,3*28+0,075*40+0,075*46+0,075*52=24,15 кВт*м

S=24,15/7,4*2,3= 1,41мм2

Округляем до ближайшего стандартного значения 8=2,5 мм2. Выбираем кабель марки АВВГ(Зх2,5) с алюминиевой жилой, прокладка в трубах.

Находим ток группы:

I=1725/220*1=7,8А.

Находим Iдоп. из справочной литературы [1, стр.340]:

Iдоп.=19А.

Проверяем кабель по нагреву

Iдоп.>Iрасч. => 19А>7,8А, кабель по нагреву проходит.

Определяем действительное значение потери напряжения в группе:

DU=24,15/7,4*2,5=1,3%

DU<DUдоп 1,3%<2,0% - условие выполняется.

Расчет сечения проводов дежурной группы

åMi=(0,3+0,3+0,04)*1l+(0,04*3)*18+0,3*19+0,3*24+0,075*36=24,8 кВт*м

S=24,8/7,4*2,3=1,45 мм2

Округляем до ближайшего стандартного значения S=2,5 мм2. Выбираем кабель марки АВВГ (Зх2,5) с алюминиевой жилой, прокладка в трубах.

Находим ток группы:

I=1435/220*0,92=7,28 А.

Находим Iдоп. из справочной литературы:

Iдоп.=19A.

Проверяем кабель по нагреву:

Iдоп.>Iрасч. => 19A>7,28A, кабель по нагреву проходит.

Определяем действительное значение потери напряжения в группе:

DU=24,8/7,4*2,5=1,34%

Uном ³ Uceти => 400B>220B

Iном.авт > Iгруппы => 32>6,4

Iуст. авт ³ К*Iгруппы => 16А >1,0*6,4

где К- учитывает пусковые токи, для люминесцентных ламп К=1,0;

Выбираем для групп №3 по приложению №6 ВА1426-14 с тепловым и

электромагнитным расцепителем.

Uном.авт.=400В; Iном.авт=32А; Iуст.авт=16А (наименьшее значение в этой серии).

Условия выбора:

Uном ³ Uceти => 400B>220B

Iном.авт > Iгруппы => 32>4,09

Iуст. авт ³ К*Iгруппы => 16А >1,0*4,09

где К- учитывает пусковые токи, для ламп накаливания К=1;

Выбираем для групп №4 по приложению №6 ВА1426-14 с тепловым и электромагнитным расцепителем.

Uном.авт.=400В; Iном.авт=32А; Iуст.авт=16А (наименьшее значение в этой серии).

Условия выбора:

Uном ³ Uceти => 400B>220B

Iном.авт > Iгруппы => 32>3,75

Iуст. авт ³ К*Iгруппы => 16А >1*3,75

где К- учитывает пусковые токи, для ламп накаливания К=1;

Выбираем для групп №5 по приложению №6 ВА1426-14 с тепловым и электромагнитным расцепителем.

Uном.авт.=400В; Iном.авт=32А; Iуст.авт=16А (наименьшее значение в этой серии).

Условия выбора:

Uном ³ Uceти => 400B>220B

Iном.авт > Iгруппы => 32>7,8

Iуст. авт ³ К*Iгруппы => 16А >1*7,8

где К- учитывает пусковые токи, для ламп накаливания К=1;

Выбираем для дежурного освещения по приложению №6 [3] ВА 1426-14 с тепловым и электромагнитным расцепителем.

Uном.авт.=400В; Iном.авт=32А; Iуст.авт=16А (наименьшее значение в этой серии).

Условия выбора:

Uном ³ Uceти => 400B>220B

Iном.авт > Iгруппы => 32>7,28

Iуст. авт ³ К*Iгруппы => 16А >1*7,28

где К- учитывает пусковые токи, для люминесцентных ламп К=1.

Результаты заносим в таблицу 2.5.

Таблица 2.5

Установл.

Расчетный

Марка,

Тип автомат.

Ток расцепителя

группы

мощность,

ток, А

сечение

выключателя

автоматического


 кВт


провода


выключателя, А

 1

 1260

5,7

 АВВГ

 ВА1426-14

 16




 (3х2,5)



 2

 3000

 13,6

 АВВГ

 ВА1426-14

 16




 (3х2,5)



 3

 900

 4

 АВВГ

 ВА1426-14

 16




 (3х2,5)



 4

 825

3,7

 АВВГ

 ВА1426-14

 16




 (3х2,5)



 5

 1725

7,8

 АВВГ

 ВА1426-14

 16




 (3х2,5)



 Дежурное

 1435

7,3

 АВВГ

 ВА1426-14

 16

освещение



 (3х2,5)




Расчет сечения провода от силового щита до щита освещения

S=P*L/C*ΔU                                                                                     (2.37)

где С=44 для трехфазной сети с алюминиевой жилой;

ΔU- принимается в расчетах для трехфазной сети с алюминиевой жилой 0,5%;

L - расстояние от ЩО до ЩС1;

S= (1,3+0,9+0,825+1,725+1,435+3,0)*20/44*0,5=8,35 мм2

Округляем до ближайшего стандартного значения S=10мм2. Выбираем кабель марки АВВГ (5х10) с алюминиевой жилой, прокладка в трубах. Находим ток группы:

I=9200/3*220*0,9=15,5 А.

Находим Iдоп. из справочной литературы.

Iдоп.=38А.

Проверяем кабель по нагреву:

Iдоп.>Iрасч. => 38А>15,5А, кабель по нагреву проходит.

Определяем действительное значение потери напряжения в группе:

Uпот=24,8/44*10=0,14%

Выбор аппаратуры защиты

Выбираем автоматические выключатели для зашиты осветительных сетей от токов короткого замыкания и перегрузки.

Выбираем для групп №1 по приложению №6 [3] ВА 1426-14 с тепловым и электромагнитным расцепителем.

Uном.авт.=400В; Iном.авт=32А; Iуст.авт=16А (наименьшее значение в этой серии).

Условия выбора:

Выбираем щит освещения для 6 групп - ЯОУ 8501

Для защиты вводного провода предусматриваем трехфазный автомат типа-BA 51-31-3 с тепловым и электромагнитным расцепителем, который установлен в силовом щите ЩС-1.

Uном. авт.=400В; Iном.авт=32А; Iуст.авт=25А.

Условия выбора:

Uном ³ Uceти => 400B>220B

Iном.авт > Iгруппы => 32>15,5

Iуст. авт ³ К*Iгруппы => 25А >1*15,5

Проверим токи уставки относительно допустимых токов вводного кабеля.

Iдоп.пр ≥ 1,25*Iуст

38А ≥ 31,25А

Проверим токи установки относительно допустимых токов групп.

Iдоп.пр ≥ 1,25*Iуст

20А = 19,4А

Согласование обеспечено

2.5.3 Разработка устройства управления осветительной установки

Большой резерв экономии электроэнергии, расходуемый на искусственное освещение, заложен в максимальной рационализации управления и регулирования режима работы осветительных установок. Своевременное включение и выключение освещения с учетом технологии производства, согласование работы искусственного освещения с динамикой естественного освещения в целях максимального использования последнего, а также обеспечения возможностей регулирования искусственного освещения в течение рабочей смены (динамическое освещение) позволяет получить значительную экономию электроэнергии. Учет изменения режима естественного освещения особенно важен при освещении рабочих мест, удаленных от окон, помещений вспомогательного характера (лестничные клетки, рекреации и т.п.), а также в системах совмещенного освещения.

Особенности технологического процесса к которому будет применятся автоматизированная система управления следующая.

Котельный цех работает круглосуточно, так как это требует технологический процесс. Операторы производят технологический осмотр с периодичностью один раз в два часа, с записью текущих параметров технологического процесса в дежурный журнал. Для этого требуется включать рабочее освещение. В среднем технологический осмотр длится пятнадцать минут.

Для управления рабочего освещения в цехе, используем ту часть схемы, в которой выполняется два условия:

- освещение включается по датчику освещенности, когда в помещении естественный уровень освещенности ниже минимального требуемого;

- по программе установленной на реле времени 2РВМ.

Дежурное освещение в ночное время суток выключать не надо, но включается оно по датчику освещенности.

Полупроводниковый регулируемый двухпрограммный выключатель освещения ПРО-68-II

Наиболее надежным и перспективным способом контроля за состоянием освещения внутри помещений является применение различного рода устройств контроля освещенности, в том числе полупроводниковый регулируемый двухпрограммный выключатель освещения ПРО-68-II.

Прибор предназначен для двухпрограммного управления искусственным освещением в зависимости от освещения и времени. Прибор представляет собой полупроводниковый выключатель освещенности, регулируемый в зависимости от освещенности, и дополненный программным временным переключателем для перевода освещения на ночной режим. Двухпрограммный выключатель предназначен для работы при температуре окружающего воздуха от -30 до +50°С и относительной влажности окружающего воздуха при 20°С до 90%.

Выключатель ПРО-68-II состоит из датчика и усилителя. Датчик представляет собой часть моста на входе усилителя прибора, состоящего из двух плеч с фоторезистором. К корпусу датчика присоединяется трубка с проводами, оканчивающаяся разъемом для соединения с усилителем.

Усилитель (см. рис. 2.13) собран в металлическом корпусе с крышкой и резиновым уплотнением. В нижней части корпуса имеются два разъема. Внутри корпуса размещены: плата прибора, щиток ввода, реле типа ПЭ-21, блок питания. Программный временной переключатель размещен на крышке прибора. Переменный резистор с переменным сопротивлением вынесен на монтажную плату усилителя. Он имеет шкалу настройки.

Полупроводниковый регулируемый двухпрограммный выключатель освещения ПРО-68-II

1 - блок усилителя; 2 –датчик освещенности. Рис. 2.13

Чувствительным элементом прибора является фоторезистор типа ФСК-Г1 (R19), включенный в плечо неравновесного моста переменного токa. При освещенности, соответствующей уставке прибора, мост сбалансирован и сигнал в измерительной диагонали равен нулю (рис. 2.14).

Принципиальная схема двухпрограммного выключателя освещения ПРО-68-II.

I — датчик освещенности. Рис 2.14

При отклонении освещенности от заданной в измерительной диагонали моста появляется напряжение, пропорциональное отклонению освещенности. Сигнал разбаланса моста поступает на вход усилителя переменного тока на транзисторах VT1 и VT2, собранного по схеме с общим эмиттером. Далее через переходной конденсатор С5 усиленный сигнал поступает на базу транзистора VT3 фазочувствительного каскада. Если при наличии коллекторного напряжения на базе будет также отрицательная полуволна, т.е. фазы напряжения на коллекторе и сигнала на базе совпадают, через триод VT3 будет заперт и напряжение на СЗ будет равно нулю.

Фазочувствительный каскад управляет работой порогового устройства на триодах VT4 и VT5, собранного по схеме триггера Шмидта. При отсутствии напряжения на конденсаторе СЗ первый триод триггера VT5 закрыт, и триод VT4 открыт отрицательным напряжением, подаваемым на базу через R7.

Благодаря коллекторному току реле Р включено и его замыкающие контакты замкнуты.

При изменении знака разбаланса моста конденсатор СЗ заряжен и отрицательное напряжение с резистора R10 отпирает триод VT5 и реле Р обесточивается. Скачкообразный переход триггера из одного режима в другой делает работу реле четкой. Для отключения части осветительной нагрузки в ночные часы прибор ПРО-68-II снабжен программным временным переключателем. Последний представляет собой электромеханический прибор, состоящий из синхронного электродвигателя и программного устройства на основе реле 2РВМ.

Работа электрической схемы происходит следующем образом: контакт микровыключателя Q1 программного устройства находится в цепи управления контактором системы вечернего освещения, поэтому на указанный промежуток времени цепь питания катушки контактора оказывается разомкнутой.

Прибор может устанавливаться как внутри неотапливаемого помещения, так и вне его. К прибору подводится переменное напряжение 220 В (схемой также предусмотрена возможность включения прибора в сеть 127 В). Контакты реле ПЭ- 21 используются для включения контакторов системы наружного освещения.

Программное реле времени 2РВМ

Программное реле времени 2РВМ предназначено для автоматического управления двумя нeзaвиcимыми электрическими цепями, путем замыкания и размыкания этих цепей по суточным программам. Заданные программы осуществляются ввертыванием штифтов в соответствующие резьбовые отверстия программного диска.

Реле типа 2РВМ изготавливают в пластмассовом корпусе, габаритные и установочные размеры его приведены на рис. 2.16. Электрические цепи схемы автоматики подключаются к прибору через клеммную колодку, встроенную в нижнюю часть корпуса. Принципиальная электрическая схема реле показана на рис. 2.15. В комплект поставки входят программное реле времени и 50 штифтов для программирования.

 Положение прибора в пространстве - вертикальное. Допустимое отклонение от вертикали ±10 %, атмосферное давление (600-800)х105 Па, температура окружающего воздуха при хранении - от -20 до +50°С. Относительная влажность воздуха при температуре (20±5)°С - до 80 %.

Принципиальная электрическая схема реле 2РВМ.

А,Б - первая и вторая программа; В - электродвигатель подзавода пружины.

Рис. 2.15

Технические данные программного реле времени 2РВМ

Часовой механизм:

тип двигателя..............................          Пружинный с автоматическим

подзаводом пружины

от электродвигателя

регулятор угловой скорости колес.............................Свободный анкерный,

балансовый, с периодом

колебания 0,4 с

суточный ход при температуре

окружающего воздуха(20±10)°С, мин................................................ ..± 2

температурный коэффициент изменения

суточного хода, с/(сут. ° С)................................................................. ....±2

резерв хода при перерывах электропитания, ч......................................48

Электродвигатель подзавода пружины ДСМ-211-220:

напряжение переменного тока частотой

50 Гц, В............................................................................................220 ±22

максимальная потребляемая мощность, Вт………………………….. 4

Время подзавода пружинного двигателя в

течение суток, мин................................................................................. 15

Количество независимых программ...................................................... 2

Продолжительность цикла программ, ч............................................. .24

Показатели первой программы:

число отверстий на внешней окружности

программного диска............................................................................. .96

цена деления, мин…………………………………...............................15

минимальная продолжительность пауз

между командами, мин......................................................................... 30

Показатели второй программы:

число отверстий на внутренней

окружности программного диска.........................................................72

цена деления, мин..................................................................................20

минимальная продолжительность пауз

точность переключения в обеих программах, мин ………………...±5

Выход в каждой программе ..................................одна пара контактов

допустимый максимальный переменный ток

частотой 50 Гц через одну контактную пару, А:

безиндуктивная нагрузка при напряжении:

380 В.......................................................................................................7,5

220 В.......................................................................................................1,5

индуктивная нагрузка при напряжении:

380 В.......................................................................................................2,5

220В ..........................................................................................................5

допустимый максимальный постоянный ток при коммутации

цепи с t = 0,01 с и при напряжении до 220 В, А. …..……………….1,5

Гарантийный срок службы........................... ……………………...2 года

Габаритные размеры прибора, мм..........................................227×173×30

Масса прибора, кг.....................................................................................2

Габаритные и установочные размеры программного реле времени 2РВМ.

Рис. 2.15

Принцип работы реле заключается в следующем. На суточной оси часового механизма вращается программный диск, управляющий работой двух кулачков, приводящих в действие выходные контакты. Пружинный двигатель 10 (рис. 2.16) часового механизма приводит во вращение минутную ось 4 и суточную ось 8.

Угловая скорость осей регулируется приставным часовым механизмом 1 через зубчатый редуктор 2 и 9. На ось 4 фрикционно насажен минутный диск 5, устанавливаемый по указателю 3. На ось 8 фрикционно насажен программный диск 6 с двумя временными шкалами, который устанавливается по указателю 7.

Кинематическая схема реле 2РВМ

Рис. 2.16

Автоматический подзавод пружины часового механизма осуществляется от электродвигателя 18 через зубчатую передачу 17, 16. Управление электродвигателем осуществляется винтовым дифференциальным механизмом 11-14, который периодически включает и выключает микровыключатель 15 в цепи электродвигателя.

Каждая из программ задается посредством шрифтов 25, расположенных на соответствующей окружности программного диска. Считывание программы осуществляется звездочкой 26 кулачкового механизма 21-24, который управляет контактными пружинами 19, 20. Штифт 25 при вращении программного диска поворачивает кулачковый механизм, который производит скачкообразное замыкание или размыкание контактов, независящее от скорости кулачкового барабана. Присоединение потребителей электрического тока к реле времени типа 2РВМ показано на рис. 2.17.

Более мощные потребители могут быть подключены через магнитные пускатели или контакторы, катушки которых включаются и отключаются реле 2РВМ. При этом всегда необходимо предусматривать защиту электрических цепей реле от коротких замыканий, например, с помощью предохранителей.

Схема подключения питания и потребителей энергии к реле 2РВМ

Рис. 2.16

При эксплуатации реле необходимо не реже одного раза в год производить осмотр узлов, удаление пыли, проверку и чистку электрических контактов, смазку трущихся деталей.

Для смазки рекомендуется применять масло МН - 45 и масло ОКБ-122-4. Реле должно эксплуатироваться в чистом вентилируемом помещении при температуре от +5 до +35°С. В окружающем воздухе не должно быть газов и паров, вызывающих коррозию деталей и узлов прибора.

3. СОСТАВЛЕНИЕ ГРАФИКА НАГРУЗОК И ВЫБОР ТП

Результаты расчета нагрузки ТП до и после компенсации реактивной мощности представлены в табл. 3.1.

Таблица 3.1. Расчет нагрузки подстанции котельного цеха.

Потребители

Р, кВт

Q,квap

cos φ

Ipa6, A

 

Потребители задействованные круглосуточно





 

Эл. двигатель водоподготовки 1

 1,5

 1,04701

 0,82

 2,76659

 

Эл. двигатель водоподготовки 2

 1,5

 1,04701

 0,82

 2,76659

 

Эл. двигатель насоса 1 котла 1

 7,5

 5,82063

 0,79

 14,3582

 

Эл. двигатель насоса 2 котла 1

 7,5

 5,82063

 0,79

 14,3582

 

Эл. двигатель вентилятора горелки котла 1

 14

 7,17241

 0,89

 23,7906

 

Эл. двигатель насоса 1 котла 2

 7,5

 5,82063

 0,79

 14,3582

 

Эл. двигатель насоса 2 котла 2

 7,5

 5,82063

 0,79

 14,3582

 

Эл. двигатель вентилятора горелки котла 2

 14

 7,17241

 0,89

 23,7906

 

Эл. двигатель насоса 1 котла 3

 3

 2,25

 0,8

 5,67151

 

Эл. двигатель насоса 2 котла 3

 3

 2,25

 0,8

 5,67151

 

Эл. двигатель вентилятора горелки котла 3

 9

 5,10054

 0,87

 15,6455

 

Кран - балка

3,23

 2,84859

 0,75

 6,51341

 

Сварочный трансформатор

 15

 15,3031

 0,7

 32,4086

 

Установка дозирования

0,07

 0,04338

 0,85

 0,12455

 

Трансформатор 380/36 -1

0,25

 0,12808

 0,89

 0,42483

 

Трансформатор 380/36 -2

0,25

 0,12808

 0,89

 0,42483

 

Привод вентиляции 1

 2,2

 1,47841

 0,83

 4,00878

 

Привод вентиляции 2

 2,2

 1,47841

 0,83

 4,00878

 

Привод вентиляции 3

 2,2

 1,47841

 0,83

 4,00878

 

Привод вентиляции 4

 2,2

 1,47841

 0,83

 4,00878

 

Потребители задействованные в ночное время





 

Освещение котельной

 6,2

 3,0028

 0,9

 10,4188

 

Светоограждение дымовой трубы 1

0,39

 0

 1

 0,58984

 

Светоограждение дымовой трубы 2

0,39

 01

 1

 0,58984

 

Дневная нагрузка подстанции

68,37

 50,2021

 0,80604

 128,284

 

Вечерняя нагрузка подстанции

 72,47

 52,0021

0,81247

134,902

 0,81247

 134,902

 

После компенсации реактивной мощности. Дневная нагрузка подстанции

 68,37

 10,2021

 0,98905

 104,548

Вечерняя нагрузка подстанции

 72,47

 12,0021

 0,98656

 111,097


Пример расчета: Потребляемые ток и реактивная мощность двигателем водоподготовки.

Р=1,5 кВт cos ф = 0,82

Q=(P2/cos φ) – P2 (3.1)

Q=√(152/0,82)-152 = 1,047 квар

Iраб=√(P2+Q2)/√(3*Uном) (3.2)

Пример расчета: Дневная потребляемая мощность котельного цеха.

Рд= Рмакс +∆Pi                                                                                                                                  (3.3)

Рд=15+0,9+0,9+4,5+4,5+8,5+4,5+4,5+8,5+1,8+1,8+5,4+1,9+0,07+0,2+0,2+1,3*4 =68,37 кВт

Qд=Qмакс+∆Qi                                                                                                                                 (3.4)

Qд=0,18+0,6*2+3,5*2+4,3+3,5*2+4,3+1,3+1,3+3+1,6+0,043+0,128+0,128+0,9*4 =50,202 квар

cos φ = P2/√(P2+Q2) (3.5.)

cos φ = 68,372/√(68,372+50,2022) = 0,806

Пример расчета: Компенсация реактивной мощности и расчет потребляемой дневной мощности после компенсации.

Реактивная мощность подлежащая компенсации:

Qк = Qд - 0,33*Рд                                                                                                                   ( 3.6.)

Qк = 50,202- 0,33*68,37 = 27,63 квар

Мощность конденсаторной батареи выбираем из условия:

Qк ≤ Qбк ≤ Qд                                                                            (3.7.)

27,63 < Qбк < 50,202

Qбк=40 квар

Потребляемая реактивная мощность после компенсации:

Qд комп = Qд-Qбк                                                                                 (3.8.)

Qд комп = 50,202 - 40 = 10,202 квар

График суточных нагрузок изображен на рис. 3.1.

Выбор установленной мощности трансформатора подстанций производится по условиям их работы в нормальном режиме по экономическим интервалам нагрузки , исходя из условия:

Sэк мин ≤ Sр мах / n ≤ Sэк макс                                                                  (3.9.)

где Sрмах - максимальная расчетная нагрузка подстанции, кВА;

Sэк мин, Sэк макс - максимальная и минимальная границы экономического интервала нагрузки принятого трансформатора (определяют по [12] в зависимости от зоны сооружения подстанции и вида нагрузки);

n - количество трансформаторов проектируемой подстанции.

Принятые трансформаторы проверяются по условиям их работы в нормальном режиме эксплуатации - по допустимым систематическим нагрузкам исходя из условия:

Sрмах/(n*Sн) ≤ Кс                                                                       (3.10.)

Sн- номинальная мощность выбранного трансформатора , кВА;

Кс - коэффициент допустимой систематической нагрузки трансформатора.

Kc=Kcт-а*(Vв-Vвт)                                                                    (3.11.)

где Кст - табличное значение коэффициента допустимой систематической нагрузки трансформатора (соответствующее среднесуточной температуре расчетного сезона);

Vв = -100С - среднесуточная температура воздуха расчетного сезона;

Vвт - табличное значение среднесуточной температуры воздуха расчетного сезона , 0С; а - температурный градиент , 1/ 0С .

Шифр нагрузки 3.1 -группа промышленных потребителей.

Sрмах = 73,45 кВА; n = 1 шт.

Выбираем трансформатор с Sн= 40 кВА, для этого трансформатора:

Sэк мин = 46 кВА , Sэк макс = 85 кВА (в соответствии с шифром нагрузки).

46 ≤ 73,45 /1≤ 85 - условие работы трансформатора в экономическом интервале нагрузки выполняется.

К =1,65, а =0,0092 (в соответствии с шифром нагрузки и Sн);

Vв =-14,30С; Vвт =-100С.

Кс= 1,65-0,0092* (-14,3-(-10))=1,689

73,45/(1*40) = 1,84 ≤ Кс - условие работы трансформатора в нормальном режиме работы не выполняется.

Выбираем трансформатор с Sн = 63 кВА, для этого трансформатора:

Кст =1,65, а =0,0092 (в соответствии с шифром нагрузки и Sн);

Vв = -14,30С; Vвт = -100С.

Кс= 1,65-0,0092*(-14,3-(-10)) =1,689

73,45/(1*63) = 1,16 ≤ Кс - условие работы трансформатора в нормальном режиме работы выполняется.

На этом для однотрансформаторной подстанции выбор закончен.

4. БЕЗОПАСНОСТЬ ЖИЗНЕДЕЯТЕЛЬНОСТИ

4.1 Общая характеристика проектируемого объекта

Проектируемый котельный цех находится на территории хозяйства 0А0 «Приозерное». Котельный цех запитан от двух трансформаторных подстанций, расположенных на территории хозяйства, с целью возможности перехода на резервную линию. Трансформаторные подстанции с глухо заземленной нейтралью, мощностью трансформатора S=100 кВА.

Сеть выполнена четырехпроводной. Нулевой провод повторно заземляется в конце линии при вводе в цех. Вводной кабель от ТП до котельного цеха проложен в кабельных лотках.

Электрическая характеристика объекта:

Iр=140А; Рр=81 кВт; cos φ=0,88

Среднегодовая численность работников предприятия составляет 214 человек. Последние четыре года на предприятии идет реконструкция зданий и сооружений, что в свою очередь повысило производственный травматизм (смотри таблицу 4.1.).

Kч=N/P*1000

 -коэффициент частоты травматизма. Это число несчастных случаев, приходящихся на 1000 работников за отчетный период.

где N-число несчастных случаев;

Р- среднегодовая численность работников.

Кт=Т/N

- коэффициент тяжести травматизма. Это среднее число дней нетрудоспособности, приходящееся на один несчастный случай в отчетном периоде.

где Т -суммарное число дней нетрудоспособности по закрытым больничным листам.

Таблица 4.1

Год

Среднегодовая численность работников

Количество пострадавших

Потеряно рабочих дней

Коэффициент частоты

травматизма,

 Кч

Коэффициент

тяжести

травматизма,

 Кт

 Похозяйству

 По хозяйству

2001

222

5

69

22,5

13,8

2002

220

7

100

31,8

14,2

2003—-ж——-—

214

6

90

28

15,0


4.2 Мероприятия по производственной санитарии

Все подъездные пути к цеху имеют асфальтовое покрытие.

Все помещения котельного цеха удовлетворяют требованиям СНиП и санитарным нормам проектирования промышленных предприятий СН-245 71.

В цехе созданы условия для отдыха и личной гигиены: комната отдыха, душевая, туалет, умывальник.

Уборка производственных и бытовых помещений производится обслуживающим персоналом.

Производственная санитария обеспечивает санитарно–гигиенические условия труда, сохраняет условие частичной безопасности работ, сохраняет здоровье трудящихся на производстве, способствует повышению производительности труда.

Для обеспечения благоприятных условий работы нормированная освещенность принята согласно СНиП-11-4-79 и отраслевым нормам.

Таблица 4.2

Наименование помещения

Освещенность, Лк при газоразрядных  лампах.

Освещенность, Лк при лампах  накаливания.

Комната отдыха оператора

300

150

Комната приема пищи

200

100

Дополнительное местное освещение приборов КИП

400

400

Сан. узел

150

60

Площадка обслуживания котлов

60

30

Проходы за котлами

30

10


Помещение для обслуживающего персонала оборудуют отоплением и водопроводом.

Гигиенические нормативы и параметры микроклимата определены в ГОСТ 12.1.005-76. В бытовых помещениях предусмотрена естественная вентиляция, а в цехе принудительная вытяжка. Также в котельном зале предусмотрена принудительная вентиляция с подогревом для поддержания температуры воздуха в зимнее время не ниже 12°С. Приточная вентиляция оборудована электрокалориферами.

Из индивидуальных средств защиты электромонтера - предусмотрены:

диэлектрические перчатки, диэлектрические калоши, диэлектрические коврики, а также инструмент с изолирующими ручками (смотри табл. 4.3.).

Таблица 4.3

Средства защиты

Количество

Слесарно-монтажный инструмент с изолированной рукояткой.

Комплект.

Электроизмерительные клещи

1

Переносное заземление

1

Диэлектрический коврик

1

Диэлектрические перчатки

1

Плакаты и знаки безопасности

Комплект.

Изолированная лестница

1


4.3 Защитные меры в электроустановках

Проектом предусмотрено, что все щиты силовые, щиты управления и осветительные щиты размещены в специально отведенном месте.

Для защиты людей от случайных прикосновений в момент включения электроустановок вся пускозащитная аппаратура применяется закрытого типа. Силовые шкафы запираются на замок. Вся проводка выполняется в специальных винипластовых и стальных трубах.

Электрическая изоляция токоведущих частей электроустановок является важным фактором безопасности людей, поэтому периодически проводится контроль состояния изоляции.

В котельной применяется переносной электроинструмент и переносной источник освещения - светильник.

При использовании переносного электрического инструмента предусмотрено пользование изолирующими защитными средствами (диэлектрический коврик, калоши, перчатки), а в цепи питания электроинструмента установки УЗО.

В котельном цехе установлены два понижающих трансформатора, пониженное напряжение которых (36В) предназначено для ремонтного освещения. Ремонтное освещение - переносной светильник, который используют в местах, где требуется дополнительное освещение, как правило во время ремонтно-профилактических работ.

Питание переносного электроинструмента осуществляется через гибкий кабель.

Инструменты и переносной светильник подключаются к сети через штепсельную розетку с заземляющим контактом. Устройство розетки имеет конструкцию исключающую ошибочное включение заземляющего контакта (штырька) в гнездо имеющее напряжение.

Предусмотрено не реже одного раза в месяц проверять мегомметром изоляцию ручного электроинструмента, а также отсутствие обрыва заземляющей жилы. Испытание изоляции стационарных трансформаторов 12-42В - раз в год, переносных трансформаторов и светильников 12-42В - 2 раза в год.

В трехфазных четырехпроводных сетях до 1000 В с глухозаземленной нейтралью применяется зануление на вводе с повторным заземлением. Повторное заземление нулевого провода значительно снижает напряжение на всех зануленных корпусах электрооборудования сети в момент пробоя изоляции фазы на корпус одного из них.

Требование к персоналу, обслуживающему электроустановки и его ответственность

Эксплуатацию электроустановок должен осуществлять специально подготовленный электротехнический персонал, который подразделяется на следующие группы (согласно ПОТР М-016-2001):

- административно-технический: руководители и специалисты, на которых возложены обязанности по организации технического и оперативного обслуживания, проведения ремонтных работ в электроустановках;

- оперативный: осуществляющий оперативное управление и обслуживание электроустановок (осмотр, оперативные переключения, подготовку рабочего места, допуск и надзор за работающими, выполнение работ в порядке текущей эксплуатации);

- оперативно-ремонтный: ремонтный персонал, специально обученный и подготовленный для оперативного обслуживания в утвержденном объеме закрепленных за ним электроустановок;

- ремонтный: обеспечивающий техническое обслуживание и ремонт, монтаж наладку и испытание электрооборудования;

К работам в электроустановках допускаются лица, достигшие 18-летнего возраста, имеющие профессиональную подготовку, соответствующую характеру работы и прошедшие медицинское освидетельствование до приема на работу, а также периодически, в порядке, предусмотренном Минздравом России. При этом:

- электротехнический персонал до допуска к самостоятельной работе должен быть обучен приемам освобождения пострадавшего от действия электрического тока, оказания первой помощи при несчастных случаях;

- персонал, обслуживающий электроустановки, должен пройти проверку знаний ПОТР М и другие НТД (правила и инструкции по технической эксплуатации, пожарной безопасности, пользованию защитными средствами, устройства электроустановок) в пределах требований, предъявляемых к соответствующей должности или профессии, и иметь соответствующую группу по электробезопасности в соответствии с приложением №1 ПОТР М. Работнику прошедшему проверку знаний по охране труда при эксплуатации электроустановок, выдается удостоверение установленной формы, в которое вносятся результаты проверки знаний и запись о праве проведения специальных работ;

- работник, проходящий стажировку, дублирование, должен быть закреплен за опытным работником (из оперативного персонала). Допуск к самостоятельной работе должен быть оформлен соответствующим распоряжением руководителя организации.

Проверка знаний правил, должностных и производственных инструкций должна проводится:

- первичная - перед допуском на самостоятельную работу;

- очередная - в установленном порядке (ПЭЭП);

Ответственными за безопасное ведение работ являются:

- выдающий наряд, отдающий распоряжение: определяет необходимость и возможность безопасного выполнения работы. Он отвечает за достаточность и правильность указанных в наряде (распоряжении) мер безопасности, за качественный и количественный состав бригады и назначение ответственного за безопасность, а также за соответствие выполняемой работе групп, перечисленных в наряде работников. Право предоставляется из числа работников ИТП, имеющим группу 5 - в электроустановках U > 1000B и группу 4 - в электроустановках до 1000В;

- ответственный руководитель работ: работник из числа ИТП, имеющий группу 5. Отвечает за выполнение всех, указанных в наряде, мер безопасности и их достаточность, за принимаемые или дополнительные меры безопасности, за полноту и качество целевого инструктажа бригады, в т.ч. проводимого допускающим и производителем работ, а также за организацию безопасного ведения работ;

- допускающий: из числа оперативного персонала, за исключением допуска на ВЛ, имеющего 5 группу - в электроустановках выше 1000В, группу III - в установках до 1000B. Отвечает за правильность и достаточность принятых мер безопасности и соответствия их мерам, указанным в наряде, характеру и месту работы, за правильный допуск к работе, а также за полноту и качество проводимого им инструктажа членов бригады;

- производитель работ: отвечает за соответствие подготовленного рабочего места указаниям наряда, дополнительные меры безопасности, необходимые по условиям выполнения работ; за четкость и полноту инструктажа членов бригады; за наличие, исправность и правильность применения необходимых средств защиты, инструмента, инвентаря и приспособлений; за сохранность на рабочем месте ограждений, плакатов, за осуществление постоянного контроля за членами бригады. Имеет группу 5 в электроустановках до 1000В (за некоторыми исключениями).

- наблюдающий: должен назначаться для надзора за бригадами, не имеющими права самостоятельно работать в электроустановках и имеющий группу III. Отвечает: за соответствие подготовленного места указаниям, предусмотренным в порядке; за наличие и сохранность установленных на рабочем месте заземления, ограждений, плакатов и знаков безопасности, запирающих устройств приводов; за безопасность членов бригады в отношении поражения электрическим током электроустановки.

- член бригады: должен выполнять ПОТР М-016 и инструктивные указания, полученные при допуске к работе и во время работы, а также требования инструкций по охране труда соответствующих организаций.

4.4 Расчет заземляющего устройства

4.4.1 Исходные данные

1.1. Удельное сопротивление верхнего слоя грунта, ρ1 = 410,00 Ом*м;

1.2. Удельное сопротивление нижнего слоя грунта, ρ2 = 170,00 Ом*м;

1.3. Толщина верхнего слоя грунта, Н = 1,60 м;

1.4. Длина вертикального заземлителя, L = 2,00 м;

1.5. Заглубление вертикального заземлителя, t = 1,70 м;

1.б. Сезонный климатический коэффициент, ψ = 1,64;

1.7. Наружный диаметр вертикального заземлителя, d = 48,00 мм;

1.8. Нормируемое ПУЭ сопротивление заземляющего устройства

растеканию тока при базовом удельном сопротивлении земли, Rнopм = 10,00 Ом;

1.9. Заглубление соединительной полосы, t полосы = 0,70 м;

1.10. Ширина соединительной полосы, b =40,00 мм;

1.11. Расстояние между электродами, Р = 1,00 м;

1.12. Коэффициент использования электрода, ηс = 0,83.

4.4.2 Вычисление удельного расчетного сопротивления грунта с учетом коэффициента сезонности

Эквивалентное удельное сопротивление грунта с учетом коэффициента сезонности определяется по алгоритму:

ρ экв= (ρ1*ψ*ρ2*L) / (ρ1*ψ*(L-H+t полосы) + ρ2* (H-t полосы))

где ρ1 - удельное сопротивление верхнего слоя грунта, Ом*м;

ρ2 - удельное сопротивление нижнего слоя грунта, Ом*м;

L - длина вертикального заземлителя, м;

Н - толщина верхнего слоя грунта, м;

t полосы - заглубление соединительной полосы, м;

ψ - сезонный климатический коэффициент.

ρ экв = (410,00*1,64*170,00*2,00)/(410,00*1,64*(2,00-1,

60+0,70)+170,00* (1,60-0,70)) =256,11 Ом*м.

4.4.3 Сопротивление одного вертикального заземлителя

Сопротивление одного вертикального заземлителя определяется по алгоритму:

Rос = ρ экв/(2*π*L)*(Ln(2*L/d)+1/2*Ln((4*t+L)/(5*t-L))),

где t - заглубление вертикального заземлителя, м;

d- наружный диаметр вертикального заземлителя, м;

ρ экв - эквивалентное удельное сопротивление грунта с учетом коэффициента сезонности, Ом*м;

L - длина вертикального заземлителя, м.

Rос = ,11/(2*3,14*2,00)*(Ln(2*2,00/0,05)+1/2*Ln((4*1,70+2,00)/(5*1,70 2,00)))=93,28 Ом

4.4.4 Определение ориентировочного числа стержней

Вычисляем сопротивление контура по алгоритму:

Rн=Rнорм*(ρ экв / ρбаз),

где Rнорм - нормируемое ПУЭ сопротивление заземляющего устройства растеканию тока при базовом удельном сопротивлении земли, Ом;

ρ экв - эквивалентное удельное сопротивление грунта, с учетом коэффициента сезонности, Ом*м;

ρбаз - базовое удельное сопротивление грунта

баз = 100 Ом*м) .

Rн=10,00*(256,11/100)=25,61 Ом

Определяем ориентировочное число стержней по алгоритму:

nпредв=Rос/Rн

где Rос - сопротивление одного вертикального заземлителя, Ом;

Rн - сопротивление дополнительного контура, Ом.

nпредв = 93,28/25,61 = 3,64

Вычисленное приблизительное количество вертикальных электродов округляется в сторону увеличения до целого числа:

nпредв = 4,00

4.4.5 Вычисление сопротивления соединительной полосы

Вычисляем длину соединительной полосы по алгоритму:

Если заземлители расположены в ряд

Lп = L/2*(nпредв-1)

Если заземлители расположены по контуру

Lп = L/2*nпредв,

где L - длина вертикального заземлителя, м;

nпредв - приблизительное число стержней.

Lп =2,00/2 *(4-1) = 3,00 м

Определяем сопротивление соединительной полосы по алгоритму:

Rполосы = (ρ1*ψ)/(2*π*Lп)*Ln((2*Lп2)/(b*t полосы)),

где b - ширина соединительной полосы, м;

t полосы - заглубление соединительной полосы, м;

ψ - сезонный (климатический) коэффициент;

ρ1- удельное сопротивление верхнего слоя грунта, Ом*м;

Lп - длина соединительной полосы, м.

Rполосы = (410,00*1, 64)/(2*3,14*3,00) *Ln((2*3,00*3,00)/(0,040*0,70)) =

= 230,77 Ом

4.4.6 Сопротивление вертикальных заземлителей вместе с соединительной полосой

Суммарное сопротивление вертикальных заземлителей и соединительной полосы определяется по алгоритму:

Rверт = (Rполосы * Rн)/(Rполосы – Rн),

где Rполосы - сопротивление соединительной полосы, Ом;

rн - сопротивление контура, Ом.

Rверт = (230,77*25,61)/(230,77*25,61) = 28,81 Ом

4.4.7 Уточненное количество вертикальных заземлителей с учетом соединительной полосы

Уточненное количество вертикальных заземлителей определяется по алгоритму:

n = Rос / (Rверт * ηс) ,

где ηс - коэффициент использования заземлителей;

Rвepт - суммарное сопротивление вертикальных заземлителей и соединительной полосы, Ом;

Roc - сопротивление одного вертикального заземлителя, Ом.

n = 93,28/(28,81*0,83) = 3,90

Вычисленное количество вертикальных электродов округляется в сторону увеличения до целого числа:

n = 4

План размещения заземляющего устройства с нанесением всех размеров (масштаб 1:100) приведен в пояснительной записке на рис. 4.1.

Рис. 4.1

4.5 Мероприятия по пожарной безопасности

Противопожарные мероприятия общего характера для всего хозяйства и по каждому производственному участку и видам работ должны соответствовать СНиП-2-А-70.

По группе возгораемости и характеристике строительных материалов котельный цех относится к помещению несгораемому - категория "В", степень огнестойкости 2.

Для тушения пожара в цехе установлен пожарный щит и огнетушители (смотри таблицу 4.4). В бытовых помещениях установлена противопожарная система безопасности. Для предотвращения подачи свежего воздуха в помещение схемой управления вентиляторами предусмотрено автоматическое их отключение.

В котельном цехе разработаны инструкции о мерах пожарной безопасности. Каждый работник инструктируется по противопожарным мероприятиям, одновременно с инструкцией по охране труда. Лица не прошедшие противопожарный инструктаж, к работе не допускаются.

В случае пожара в котельной оператор обязан:

- сообщить диспетчеру и пожарной службе «01»;

- закрыть газовую задвижку на вводе в котельную снаружи;

- если возможно, приступить к самостоятельному пожаротушению, если нет, то дождаться пожарной бригады.

Таблица 4.4

Противопожарный инвентарь

 №

Наименование

Количество штук

 1

Огнетушитель ОУ-8

2

 2

Лопата

2

 3

Багор

1

 4

Топор

1

 5

Ведра пожарные

2

 6

Ящик с песком

1

 7

Пожарный кран с рукавом

1


4.6 Охрана окружающей среды

Охрана окружающей среды подразумевает систему мер по поддержанию рациональной взаимосвязи между деятельностью человека и окружающей средой, обеспечивающую сохранность и восстановление богатств природы, рациональное использование природных ресурсов, предупреждающую прямое или косвенное вредное влияние результатов деятельности общества на природу и здоровье человека. В котельном цехе вся приточно-вытяжная вентиляция оборудована фильтрами с целью предотвращения попадания пыли в цех и выброса загрязненного воздуха в окружающую среду. Возле цеха установлена емкость для мусора.

5. РАСЧЕТ ЭКОНОМИЧЕСКОЙ ЭФЕКТИВНОСТИ АВТОМАТИКИ УПРАВЛЕНИЯ ОСВЕТИТЕЛЬНОЙ УСТАНОВКОЙ

В данном дипломном проекте предлагается за счет внедрения схемы автоматического управления осветительной установкой, снизить затраты электроэнергии на освещение.

За счет широких возможностей прибора экономия электроэнергии достигается двумя путями:

- включение рабочего освещения когда необходимо производить технологические осмотры;

- включение дежурного освещения по достижению минимального уровня освещенности.

Данные о потреблении электрической энергии возьмем из электротехнического расчета. Потребляемая мощность групп осветительных установок, которые непосредственно будут входить в схему автоматического управления освещением составляет:

- рабочее освещение Рраб=3,9 кВт;

- дежурное освещение Рд= 1,4 кВт.

Смета затрат на приобретение системы автоматического управления освещением, снесена в таблицу 5.1.

Таблица 5.1

Наименование

Цена за единицу, руб.

Количество

Стоимость, руб.



1

2

3

4

Модуль управления ПРО-68-II

2800

1 шт.

2800

Автоматический выключатель АЕ-31-11

120

1 шт.

120

Кабель ШВВП 3×1,5 мм2

10

3 м

30

Кабель ВВГ 3×2,5 мм2

17

10 м

170

Магнитный пускатель ПМЛ

700

2 шт.

1400

Всего материалов

4520

Монтаж и наладка 25% от стоимости материалов

1130

Всего по смете

5650


Рассчитаем годовую экономию энергии для группы рабочего освещения.

Рг.раб=(А-В)*Руст.                                                                               (5.1.)

где А - количество часов в темное время суток за год;

В - необходимое количество часов в темное время суток, для технологического осмотра.

Оператор производит технологический осмотр с частотой один раз в два часа в течение всей смены.

В таблице 5.2. указано среднемесячное количество часов темного времени суток, когда уже необходимо включать освещение.

Таблица 5.2

 №

Наименование месяца

Кол-во часов темного времени суток за день

Количество дней в месяце

Количество часов темного времени суток за месяц

1

2

3

4

5

 1

Январь

14

31

434

 2

Февраль

12,5

28

350

 3

Март

11

31

341

 4

Апрель

10

30

300

 5

Май

8

31

248

 6

Нюнь

7

30

210

 7

Июль

8

31

248

 8

Август

10

31

310

 9

Сентябрь

11

30

330

 10

Октябрь

12,5

31

387,5

 11

Ноябрь

14

30

420

 12

Декабрь

16

31

496


Всего за год:

4074,5

В=А*С/Д                                                                                          (5.2.)

где С - количество времени необходимого для технологического осмотра в течении одного цикла-1/6 часа (10 минут);

Д - количество часов в одном цикле -2часа.

Время технологических осмотров за год составляет:

B=4074,5*l/(6*2)=340ч

Годовая экономия энергии для рабочей группы освещения составит:

Pг.paб=(4074,5-340)*3,9=14565 кВт.

Рассчитаем годовую экономию энергии для дежурного освещения.

Рг.д=С*Руст.                                                                                        (5.3.)

Рг.д=4625,5*1,4=6475 кВт.

где С - количество часов в светлое время суток за год, когда дежурное освещение автоматически отключено.

Рассчитаем суммарную годовую экономию энергии:

Ргг.рабг.д                                                                                      (5.4)

Рг=14565+6475=21040 кВт.

Годовая экономия в денежном эквиваленте составит:

Эггэл                                                                                          (5.5.)

где Сэл. - стоимость одного киловатта электроэнергии, Сэл=0,64 рублей за 1 кВт*ч.

Эг=21040*0,64=13465,6 руб.

Срок окупаемости системы автоматизации освещения:

Т=К/Эг (5.6.)

где К- капиталовложения.

T=5650/13465,6=0,42 года

Проверим эффективность окупаемости из соотношения:

Е > Ен                                                                                               (5.7)

где Е - коэффициент экономической эффективности;

Ен - нормируемый коэффициент экономической эффективности.

Е=1/Т                                                                                                (5.8)

Е=1/0,42=2,38

2,38 > 0,15 проверка соответствует условию.

Вывод: При внедрении автоматизированной системы управления освещением, годовая экономия электроэнергии составляет Эг=13465 руб. При незначительных капиталовложений К=5650 рублей, срок окупаемости системы автоматического управления составит Т=0,42 года или пять месяцев. Следовательно выбранная мною автоматизированная система управления освещением экономически эффективна.

Используемая литература

1. Г. М. Кнорринг. Справочная книга для проектирования электрического освещения. Л., Энергоиздат, 1976. -384с.

2. Справочная книга по светотехнике. Под редакцией Ю. Б. Айзенберга. -М.: Энергоатомиздат, 1983. -382с.

3. Методические указания к курсовой работе по проектированию электрических осветительных установок. Составили Быков В.Г., Грибанов Н.И., Захаров В.А.- Челябинск, 1991г. -57с.

4. Козинский В.А. Электрическое освещение и облучение. - М.: Агропромиздат, 1991.-239с.

5. Хазанская Л.С., Звонарева Л.М. Стандарт предприятия. -Челябинский государственный агроинженерный университет, 1996 г.

6. ИонинА.А. Теплоснабжение. -М.: Агропромиздат, 1987. -287с.

7. Киселев Н.А. Котельные установки. -М.: Агропромиздат, 1987. -315с

8. Правила устройства электроустановок (ПУЭ). Седьмое издание, выпуск 2.-Челябинск «Дизайн бюро» 2002г. -485с.

9. Методические указания по курсовому проектированию «Теплоснабжение сельскохозяйственных потребителей». Составили Апанасенко A.M., Горяев К.А.-Челябинск 1990г.

10. Методические указаниям к выполнению курсового и дипломного проекта «Расчет отопительно-вентиляционной системы животноводческих помещений». Составил Горяев К.А., Басарыгина Е.М.; -Челябинск 1999г.

11. Кравчик А.Э. Справочник Асинхронные двигатели серии 4А. -М.:Энергоиздат, 1985., 501с.

12. Руководящие материалы по проектированию электроснабжения сельского хозяйства . Методические указания по выбору установленной мощности силовых трансформаторов на одно- и двухтрансформаторных подстанциях в электрических сетях сельскохозяйственного назначения . -М. : Сельэнергопроект, 1987. -84с.

Похожие работы на - Проект электротехнической части газовой котельной ОАО "Приозерное" Ялуторовского района Тюменской области с разработкой схемы автоматического управления осветительной установки

 

Не нашли материал для своей работы?
Поможем написать уникальную работу
Без плагиата!
Без нейросетей!