Параметры цепи, определение напряжения

  • Вид работы:
    Контрольная работа
  • Предмет:
    Физика
  • Язык:
    Русский
    ,
    Формат файла:
    MS Word
    314,79 kb
  • Опубликовано:
    2010-04-12
Вы можете узнать стоимость помощи в написании студенческой работы.
Помощь в написании работы, которую точно примут!

Параметры цепи, определение напряжения

Задача 1. Ток в цепи равен i. Параметры цепи r1, r2, L, и 1/С заданы в таблице вариантов. Определить показания приборов. Написать мгновенное значение напряжения u1 (t).

Дано

i, А

R1, Ом

L, Ом

R2, Ом

1/С, Ом

3*2 (1/2) *sin (wt - 45)

4

3

6

8


Решение.

Определим действующую силу тока, зная ее амплитудное значение

I=Imax/2^0.5=3 (A);

Найдем общее сопротивление цепи, как корень квадратный из суммы квадратов активных и реактивных составляющих (что следует из треугольника сопротивлений):


Z= ( (R1+ R2) ^2+ (XL - XC) ^2) ^0.5=8.60 (Ом);

Найдем общее действующее напряжение цепи (показания 1-го вольтметра), как произведение действующей силы тока на общее сопротивление цепи:

U=I*Z=25,81 (В);

Найдем амплитудное значение общего напряжения цепи:

Umax=U*2^0,5=36,50 (В);

Найдем угол сдвига фаз напряжения относительно тока

=arcsin ( (XL - RC) /Z) = - 410;

Запишем мгновенное значение напряжения u1 (t):

u1 (t) = Umax*sin (t+ +) = 36.50*sin (t - 45 - 41) = 36.50*sin (t - 86);

Поскольку активная мощность участка цепи (мощность, показываемая ваттметром) определяется как произведение квадрата действующей силы тока на активное сопротивление этого участка, то:

P=I^2*R1=36 (Вт);

Определим показания 2-го вольтметра. Для этого найдем значение полного сопротивления, создаваемого активным сопротивлением R2 и емкостным ХС:

Z2= (R2^2+ ХL^2) ^0.5=30 (B);

U=I* Z2=3*30=90 (B);

Задача 2. В сеть переменного тока с напряжением u включены параллельно три приемника энергии, активные мощности и коэффициенты мощности, которых известны (смотреть таблицу вариантов). Определить токи приемников и ток в неразветвленной части цепи, а также коэффициент мощности всей установки.

Дано

U, В

Р1, кВт

cos1

Р2, кВт

cos2

Р3, кВт

cos3

380

8

1

18

0,7

9

0,7

Решение.

Поскольку активная мощность равна произведению активной силы тока на напряжение то, учитывая коэффициенты мощности, которые равны отношению активного тока к полному, найдем полные, активные и реактивные токи каждой ветви (причем знак “ - ” соответствует емкостному характеру тока).

Для первой ветви:

Ia1 = P1/U =21.05 (A);

I1 = Ia1/cos1 =21.05 (A);

Iр1 = (I1^2 + Ia1^2) ^0.5 =0 (A);

т.е. характер нагрузки первой ветви активный.


Для второй ветви:

Ia2 = P2/U =47.37 (A);

I2 = Ia2/cos2 =67.67 (A);

Iр2 = (I2^2 + Ia2^2) ^0.5 = - 48.32 (A);

т.е. характер нагрузки второй ветви активно-емкостный.


Для третьей ветви:

Ia3 = P3/U =23.68 (A);

I3 = Ia3/cos3 =33.83 (A);

Iр3 = (I3^2 + Ia3^2) ^0.5 = 72.48 (A);

т.е. характер нагрузки третей ветви активно-индуктивный.

Найдем активный ток неразветвленной ветви, как сумму активных токов параллельных участков:

Ia = Ia1 + Ia2 + Ia3 = 92.11 (A);



Iр = Iр1 + Iр2 + Iр3 = - 24.16 (A);

Найдем общий ток неразветвленной части цепи, как корень из суммы квадратов его составляющих:

I = (Iр^2 + Iр^2) ^0.5 =95.22 (A);

Найдем коэффициент мощности цепи, как отношение активной составляющей тока к полному току цепи:

 = Ia / I = 0.967;

Задача 3. В схеме заданы напряжение u23 и все параметры цепи. Необходимо: Определить действующие значения токов во всех ветвях и входного напряжения u;

Определить активную, реактивную и полную мощность цепи и проверить баланс мощностей;

Определить коэффициент мощности цепи;

Построить топографическую диаграмму, совмещенную с векторной диаграммой токов.

Дано

U23, В

R1, Ом

ХL1, Ом

ХC1, Ом

R2, Ом

ХL2, Ом

ХC2, Ом

R3, Ом

ХL3, Ом

ХC3, Ом

200

6

2

10

6

8

0

0

2

10


Решение.

Найдем общее сопротивление ветвей 2 и 3, как корень квадратный из суммы квадратов активных и реактивных сопротивлений (причем знак “-” соответствует емкостному характеру нагрузки):

Z2= (R2^2 + XL2 ^2) ^0.5=10 (Ом); Z3= (XL3 - XC3) = - 8 (Ом);

Найдем полные токи ветвей 1 и 2, как отношение напряжения участка 2-3 к общему сопротивлению каждой ветви:

I2= U23/Z2 =20 (A); I3= U23/Z3 =25 (A);

Найдем коэффициент полезной мощности ветвей 1 и 2, как отношение активного сопротивления ветви к полному сопротивлению ветви:

cos (2) = R2/Z2= 0.6;

cos (3) = R3/Z3= 0;

Найдем активные составляющие токов ветвей 1 и 2, как произведение полного тока ветви на коэффициент полезной мощности ветви:

Ia2= I2 * cos (2) =12 (A);

Ia3= I3 * cos (3) =0 (A);

Найдем реактивные составляющие токов ветвей 1 и 2, как корень квадратный из разности квадратов полного и активного токов (причем знак “ - ” соответствует емкостному характеру тока, т.е. XC > XL):

Iр2= (I2^2 - Ia2^2) ^0.5=16 (A);

Iр3= (I3^2 - Ia3^2) ^0.5= - 25 (A);

Найдем активную и реактивную составляющую тока участка 2-3 как сумму активных составляющих ветвей 2, 3 и реактивных составляющих ветвей 2, 3 соответственно (причем знак “ - ” соответствует емкостному характеру тока):

Ia23= Ia2+ Ia3=12 (A);

Iр23= Iр2+ Iр3= - 9 (A);

Найдем полный ток цепи, как корень квадратный из суммы квадратов активного и реактивного токов участка 2-3:

I= (Iа23^2 + Iр23^2) ^0.5=15 (A);

Найдем напряжение участка 1-4 (активное), как произведение полного тока цепи на активное сопротивление R1:

U14=I * R1 =90 (B);

Найдем напряжение участка 4-5 (индуктивное), как произведение полного тока цепи на индуктивное сопротивление XL1:

U45=I * XL1 =30 (B);

Найдем напряжение участка 5-2 (емкостное), как произведение полного тока цепи на емкостное сопротивление XС1:

U52=I * XС1= - 150 (B);

Найдем активное напряжение участка 2-3, как произведение напряжение участка 2-3 на коэффициент полезной мощности участка 2-3 (с учетом того, что коэффициент полезной мощности участка 2-3 равен отношению активного тока к полному):

Ua23 = U23 * (Ia23/I) =160 (B)

Найдем реактивное напряжение участка 2-3, как корень квадратный из разности квадратов полного и активного напряжений (причем знак “ - ” соответствует емкостному характеру напряжения, т.е. Iр23 < 0):

Uр23 = (U23 ^2 - Ua23^2) ^0.5 =-120 (B);

Найдем активное напряжение цепи, как сумму напряжения участка 1-4 и активной составляющей участка 2-3

Uа = U14 + Uа23 =150 (B);

Найдем реактивное напряжение цепи, как сумму напряжения участка 4-5, 5-2 и реактивной составляющей участка 2-3

Uр = Uр45 + Uр52 + Uр23 = - 240 (B);

Найдем полное напряжение цепи, как корень квадратный из суммы квадратов активного и реактивного напряжений:

U = (Uа ^2+ Uр ^2) ^0.5=346.6 (B);

Найдем коэффициент полезной мощности цепи, как отношение активного напряжения цепи к полному напряжению цепи:

cos () =Uа / U =0.721;

Найдем полную мощность цепи Q, как произведение полного тока цепи на напряжение:


Найдем активную мощность цепи P, как произведение полной мощности цепи на коэффициент полезной мощности:

P = Q * cos () = 105386 (Bт);

Найдем реактивную мощность цепи S, как корень квадратный из разности квадратов полной и активной мощностей:

S= (Q^2 -P^2) ^0.5=101170 (Bт);

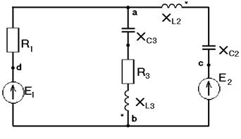
Задача 4. В схеме заданы параметры цепи и ЭДС источников. Известно также, что ЭДС Е1 опережает Е2 на угол . Необходимо:

На основании законов Кирхгофа составить в общем виде систему уравнений для расчета токов во всех ветвях цепи, записав ее в двух формах: а) дифференциальной и б) символической.

Определить комплексы действующих значений токов во всех ветвях, воспользовавшись одним из методов расчета линейных цепей

По результатам, полученным в пункте 2, определить показания ваттметра двумя способами:

а) с помощью выражений для комплексов тока и напряжения;

б) по формуле UIcos (UI)

Построить топографическую диаграмму, совмещенную с векторной диаграммой токов.

Построить круговую диаграмму для тока в одном из сопротивлений при изменении модуля этого сопротивления от 0 до .

Пользуясь круговой диаграммой построить график изменения этого тока в зависимости от модуля сопротивления.

Используя данные расчета, полученные в пункте 2, записать выражения для мгновенных значений тока и напряжения. Построить график зависимости одной из этих величин.

Полагая, что между двумя индуктивностями, расположенными в разных ветвях заданной системы, имеется магнитная связь при коэффициенте магнитной индукции М составить в общем виде систему уравнений для расчета токов во всех ветвях цепи, записав ее в двух формах:

а) дифференциальной;

б) символической

Примечание 1. При отсутствии в данной схеме второй индуктивности, вторую нагрузку ввести дополнительно в одну из ветвей.

Примечание 2. Ориентируясь на ранее принятые направления токов в ветвях одноименные зажимы индуктивных катушек выбрать произвольно так, чтобы их встречное включение и обозначить эти зажимы звездочками.

Дано

E1, B

E2, B

R1, Ом

L1, мГ

C1, мкФ

R2, Ом

L2, мГ

C2, мкФ

R3, Ом

L3, мГ

C3, мкФ

f, Гц

240

240

п/4

12

2

20

14

8

100

4

5

50

500

Решение.

1) На основании законов Кирхгофа составим в общем виде систему уравнений для расчета токов во всех ветвях цепи, записав ее в двух формах:

а) дифференциальной

Исходя из первого закона Кирхгофа для узла а:

i1+ i2+ i3 = 0;

Исходя из второго закона Кирхгофа для контура bdab:

e1 = i1*R1+ 1/C3* i3dt +i3 *R3;

Исходя из второго закона Кирхгофа для контура bcab:

e2 = 1/C2*i2dt + L2*di2/dt + 1/C3* i3dt +i3 *R3;

Получили систему из 3 уравнений:

i1+ i2+ i3 = 0;

e1 = i1*R1+ 1/C3* i3dt +i3 *R3;

e2 = 1/C2* i2dt + L2*di2/dt + 1/C3* i3dt +i3 *R3;

б) символической.

Исходя из первого закона Кирхгофа для узла а:

I1+ I2+ I3 = 0;

Исходя из второго закона Кирхгофа для контура bdab:

20.5 * E1 + 20.5 *j* E1 = I1*R1 - I3*j*1/wC3+ I3 *R3;

Исходя из второго закона Кирхгофа для контура bcab:

E2 = - I2*j*1/wC2+ I2*j*wL2 - I3*j*1/wC3 + I3 *R3;

Получили систему из 3 уравнений:

 I1+ I2+ I3 = 0;

20.5 * E1 + 20.5 *j* E1 = I1*R1 - I3*j*1/wC3+ I3 *R3;


Определить комплексы действующих значений токов во всех ветвях, воспользовавшись методом двух узлов.

E1 =240*e j45 = 170+170j (B);

E2 =240*e j0 =240 (B);

R1 =12*e j0 =12 (Ом);

R3 =4*e j0 = 4 (Ом);

XL2 =wL2*e j90= 3.14*2*500*8=25.12*e j90 (Ом);

Xc2 = - 1/w C2*e j90= - 1/ (3.14*2*500*100) = - 3.18*e j90 (Ом);

Xc3 = - 1/w C2*e j90= - 1/ (3.14*2*500*50) = - 6.37*e j90 (Ом);

Запишем сопротивления ветвей в комплексной форме:

Z1 = R1 =12*e j0;

Z2 = XL2 +XC2 =21.94*e j90;

Z3 = XL3 +R3 =5.92*e -j47.53;

Найдем проводимости ветвей:

y1=1/Z1=1/12*e j0 =1/12;

y2=1/Z2=1/21.94*e - j90 =-j*1/21.94;

y3=1/Z3=1/5.92*e j47.53 =0.11405+0.12460j;

Найдем напряжение между узлами а и b:

Uab= (240*e j45 *1/12*e j0 - 240*e j0 *1/21.94*e j90) / (1/12-j*1/21.94 + +0.11405+0.12460*j) = (20*e j45 -10.97*e j90) / (0.19738+0.07902*j) = (14.14213-3.17213*j) / (0.21261 *e j21.8) =68.17*e -j9;

Uab =67.33+ j* 0.93;

Найдем токи цепи:

I1= (E1 - Uab) *y1= (170+j*170 - (67.33+j*0.93)) /12=16.48*e j59;

I2= (E2 - Uab) *y2= (240- (67.33+j*0.93)) /21.94*e j90 =7.87*e - j91;

I3= Uab*y1=68.17*e -j9 / (5.92*e -j47.53) =11.51*e j36.53

По результатам, полученным в пункте 2, определим показания ваттметра двумя способами:

а) с помощью выражений для комплексов тока и напряжения;

б) по формуле UIcos (UI):

P= UIcos (UI) =197.76*16.48cos (59 - 45) = 3162.3 (Вт);

Построим топографическую диаграмму, совмещенную с векторной диаграммой токов.


Построим круговую диаграмму для тока во второй ветви при изменении модуля сопротивления этой ветви от 0 до . Для этого найдем максимальный ток Ik при сопротивлении третей ветви, равном 0:

Ik = E1*y1 + E2*y2 = (170+170j) /12 - 240*j*1/21.94 = 14.17+ 3.22j = =14.53*e12.8;

Найдем сопротивление цепи относительно зажимов a и b:

Zab=1/ (y1+y2) +Z3=-1/ (j*1/21.94+1/12) + 0.11405+0.12460j = 0.05+0.08j+ +0.11405+0.12460j=0.164+0.205j=0.26*e51;

В окружности

хорда равна Ik = 14.53*e12.8;

коэффициент равен k=0.36;

вписанный угол = - 7


Пользуясь круговой диаграммой построим график изменения этого тока в зависимости от модуля сопротивления.

Используя данные расчета, полученные в пункте 2, запишем выражения для мгновенных значений тока и напряжения. Построим график зависимости одной из этих величин.

Uab=68.17* sin (wt-9);

I2=11.51* sin (wt + 36.53)

График - синусоиды, смещенные относительно оу на 90 и - 36,530 соответственно.

Полагая, что между двумя индуктивностями, расположенными в разных ветвях заданной системы, имеется магнитная связь при коэффициенте магнитной индукции М (добавим вторую индуктивность в 3 ветвь) составим в общем виде систему уравнений для расчета токов во всех ветвях цепи, записав ее в двух формах:

а) дифференциальной;

б) символической


1) На основании законов Кирхгофа составим в общем виде систему уравнений для расчета токов во всех ветвях цепи, записав ее в двух формах:

а) дифференциальной. Исходя из первого закона Кирхгофа для узла а:

i1+ i2+ i3 = 0;

Исходя из второго закона Кирхгофа для контура bdab:

e1 = i1*R1+ 1/C3* i3dt + L3*di3/dt - M23*di2/dt + i3 *R3;

Исходя из второго закона Кирхгофа для контура bcab:

e2 = 1/C2*i2dt + L2*di2/dt - M23*di3/dt+ 1/C3* i3dt+ L3*di3/dt - M32*di3/dt+i3 *R3;

Получили систему из 3 уравнений:

i1+ i2+ i3 = 0;

 e1 = i1*R1+ 1/C3* i3dt + L3*di3/dt - M23*di2/dt + i3 *R3;

 e2 = 1/C2*i2dt + L2*di2/dt - M23*di3/dt+ 1/C3* i3dt+ L3*di3/dt - M32*di3/dt+i3 *R3;

б) символической.

Исходя из первого закона Кирхгофа для узла а:

I1+ I2+ I3 = 0;

Исходя из второго закона Кирхгофа для контура bdab:

20.5 * E1 + 20.5 *j* E1 = I1*R1 - I3*j*1/wC3+ I3 *R3 +I3*j*wL3 - I2*j*wM32;

Исходя из второго закона Кирхгофа для контура bcab:

E2 = - I2*j*1/wC2+I2*j*wL2-I2*j*wM32 - I3*j*1/wC3 + I3 *R3 - I3*j*wM23;

Получили систему из 3 уравнений:

 I1+ I2+ I3 = 0;

20.5 * E1 + 20.5 *j* E1 = I1*R1 - I3*j*1/wC3+ I3 *R3 +I3*j*wL3 -I2*j*wM32;

E2 = - I2*j*1/wC2+I2*j*wL2-I2*j*wM32 - I3*j*1/wC3 + I3 *R3 - I3*j*wM23;

Задача 5. Два электродвигателя переменного тока подключены параллельно к цепи с напряжением u2и работают с низким коэффициентом мощности cos1. Измерительные приборы в цепи каждого электродвигателя показывают токи I1 и I1 и мощности Р1 и Р2. Провода линии электропередачи имеют активное сопротивление r0 и индуктивное x0. Численные значения всех величин, необходимых для расчета, приведены в таблице вариантов. Необходимо:

Ток в линии

Напряжение в начале линии

Потерю и падение напряжения в линии

Активную, реактивную и полную мощности в конце линии и мощность потерь в проводах

Коэффициент мощности установки

КПД линии

Б. Рассчитать компенсационную установку для получения cos2=0,95 и определить для указанного значения коэффициента мощности емкость и мощность батареи конденсаторов.

В. Выполнить расчет цепи при условии работы компенсационной установки и найти величины, указанные в пункте А. Полученные результаты свести в таблицу и сравнить для различных режимов работы электродвигателя (до компенсации и при cos2=0,95). Отметить, какие выводы дает улучшение коэффициента мощности установки.

Дано.

R0, Ом

Х0, Ом

I1, А

I2, А

Р1, кВт

Р2, кВт

U2, В

0,06

0,05

90

70

15

12

220

Решение.

А. Найдем активное сопротивление каждого электродвигателя, исходя из того, что активная мощность равна произведению активного сопротивления на квадрат тока ветви. Значит:

R1=P1/I12 =1.852 (Ом);

R2=P2/I22 =2.449 (Ом);

Найдем реактивную мощность каждого электродвигателя, как произведение тока на напряжение:

Q1=U1 * I1 =19800 (Bт);

Q2=U2 * I2 =15400 (Bт);

Найдем полную мощность каждого электродвигателя, как корень квадратный из разности полной и активной мощностей:

S1= (Q12 +! P12) 0.5 =12924 (Bт);

S2= (Q22 +! P22) 0.5 =9651 (Bт);

Найдем реактивное сопротивление каждого электродвигателя, исходя из того, что реактивная мощность равна произведению реактивного сопротивления на квадрат тока ветви (реактивное сопротивление является индуктивным):

XL1=S1/I12 =1.596 (Ом);

XL2=S2/I22 =1,970 (Ом);

Найдем полное сопротивление каждого электродвигателя, исходя из того, что полное сопротивление равно корню квадратному из суммы квадратов его активной и реактивной составляющих:

Z1= (XL12 + R12) 0.5=2,444

Z2= (XL22 + R22) 0.5=3,143

Найдем активную проводимость параллельного участка:

g = g1 + g2; где

g1 =R1/ Z12;

g2 =R2/ Z22;

Значит

g = g1 + g2 = R1/ Z12 + R2/ Z22 = 0.558

Найдем реактивную проводимость параллельного участка:

b=b1+ b1; где

b1 = XL1/ Z12;

b2 = XL2/ Z22;

Значит

b=b1+ b1 = XL1/ Z12 + XL2/ Z22 =0.467;

Найдем проводимость параллельного участка, исходя из того, что полная проводимость равна корню квадратному из суммы квадратов ее активной и реактивной составляющих:

y= (g12 + b22) 0.5=0.727;

Найдем полный ток цепи, как произведение напряжения параллельного участка на проводимость параллельного участка:

I=U2 * y=160 (A);

Составим эквивалентную схему, заменив параллельный участок на эквивалентные активные и реактивные сопротивления:


Найдем эквивалентные активные и реактивные сопротивления параллельного участка:

R12 =g12/y122 =1.055 (Ом);

XL12 =b12/y122 =0.882 (Ом);

Найдем полное сопротивление параллельного участка:

Z12= (R122 + XL122) 0.5=1.375 (Ом);

Найдем полное активное сопротивление цепи (сумма всех активных сопротивлений):

R= 2*R0 + R12 =1,175 (Ом);

Найдем полное реактивное сопротивление цепи (сумма всех реактивных сопротивлений):

XL = 2*XL0 + XL12 = 0,982 (Ом);

Найдем полное сопротивление цепи, как корень квадратный из суммы квадратов активного и реактивного сопротивлений:

Z = (XL2 + R2) 0.5= 1.531 (Ом);

Найдем полное напряжение цепи, как произведение полного тока цепи на полное сопротивление цепи:


Зная полный ток цепи, найдем падение напряжения в проводах линии на активном сопротивлении:

Uа0 = I * 2*R0 = 19,20 (B);

Зная полный ток цепи, найдем падение напряжения в проводах линии на реактивном сопротивлении:

Uр0 = I * 2*XL0 = 15,00 (B);

Найдем полное падение напряжения цепи в проводах линии, как корень квадратный из суммы квадратов падения напряжения в проводах линии на активном и реактивном сопротивлениях:

U0 = (Uа02 + Uр02) 0,5 =25 (В);

Найдем активную, реактивную и полную мощности в конце линии и мощность потерь в проводах, исходя из того, что полная мощность в конце линии равна произведению полного тока линии на напряжение в конце линии:

P= I2 *R12 =27008 (Вт); Q= I2 *XL12 =22579 (Вт);

S= (P2 + Q2) 0.5=35202 (Вт);

Найдем коэффициент мощности установки:

cos= R12/Z12= R12/ (R122 + XL122) 0.5=0.558;

Найдем коэффициент полезной мощности ЛЭП:

 = (U - Ua0) / U=0.90;

Б. Рассчитаем компенсационную установку для получения cos2=0,95 и определим для указанного значения коэффициента мощности емкость и мощность батареи конденсаторов.

Заменим данную схему на эквивалентную с учетом результатов, полученных в п.А.


Пусть емкостное сопротивление батареи конденсаторов составляет XС Ом. Найдем проводимость параллельного участка.

g = g1 + g2; где

g1 =Rэкв/ Z12;

g2 =0;

Значит

g = g1 + g2 = Rэкв/ Z12 + 0= 0,558;

Найдем реактивную проводимость параллельного участка:

b=b1 - b1; где

b1 = XLэкв/ Z12;

b2 = XС/ Z22;

Значит

b=b1+ b1 = XL1/ Z12 - 1/ XC2 =0.467 - 1/ XC2;

Найдем проводимость параллельного участка, исходя из того, что полная проводимость равна корню квадратному из суммы квадратов ее активной и реактивной составляющих:

y= (g12 + b22) 0.5= (0,311364 + (0.467 - 1/ XC2) 2) 0.5;

Заменим данную схему на эквивалентную, заменив участок с параллельным соединением на сопротивление Zпар активно-индуктивного характера:


где

Rпар= g/y2=0.558/ (0,311364 + (0.467 - 1/ XC2) 2);

XLпар= b/y2= (0.467 - 1/ XC2) / (0,311364 + (0.467 - 1/ XC2) 2);

Найдем полное активное сопротивление цепи (сумма всех активных сопротивлений):

R= 2*R0 + Rпар =0,1 + 0.558/ (0,311364 + (0.467 - 1/ XC2) 2) (Ом);

Найдем полное реактивное сопротивление цепи (сумма всех реактивных сопротивлений):

XL=2*XL0+XL12 = 0,12+ (0.467-1/ XC2) / (0,311364 + (0.467 - 1/ XC2) 2) (Ом); Поскольку cos2=0,95 то tg2=0.33, значит

XL/R=0.33,0,1 + 0.558/ (0,311364 + (0.467 - 1/XC2) 2) = 3* (0,12+ (0.467-1/ XC2) / / (0,311364+ (0.467-1/ XC2) 2));

Решим уравнение относительно XC2

1/ (0,311364 + (0.467 - 1/XC2) 2) =0.654+1.8* (0.467-1/ XC2) / (0,311364+ (0.467-1/ XC2) 2));

1 = 0,654* (0,311364+ (0.467-1/ XC2) 2) + 1.8* (0.467-1/ XC2)

(0.467-1/ XC2) 2 +2.752* (0.467-1/ XC2) - 1.529=0

(0.467-1/ XC2) =1.376+1.850=3.226

(0.467-1/ XC2) =1.376 - 1.850= - 0.474, 1/ XC2 =-2.859, 1/ XC2 =0.941

Значит

XC =1.031 (Ом);

Значит, емкость батареи конденсаторов составляет:

C= 1/wXC =308 (мкФ)

В. Найдем полное активное сопротивление цепи (сумма всех активных сопротивлений):

R= 2*R0 + Rпар =0,1 + 0.558/ (0,314 + (0.467 - 1/ XC2) 2) = 1,03 (Ом);

Найдем полное реактивное сопротивление цепи (сумма всех реактивных сопротивлений):

XL=2*XL0+XL12 = 0,12+ (0.467-1/ XC2) / (0,311364 + (0.467 - 1/ XC2) 2) =

= 0,34 (Ом);

Найдем полное сопротивление цепи, как корень квадратный из суммы квадратов активного и реактивного сопротивлений:

Z = (XL2 + R2) 0.5= 1,09 (Ом);

Найдем ток цепи, как отношение полного напряжения цепи к полное сопротивление цепи:

I=U / Z = 225.7 (A);

Зная полный ток цепи, найдем падение напряжения в проводах линии на активном сопротивлении:

Uа0 = I * 2*R0 = 22.58 (B);

Зная полный ток цепи, найдем падение напряжения в проводах линии на реактивном сопротивлении:

Uр0 = I * 2*XL0 = 27.09 (B);

Найдем полное падение напряжения цепи в проводах линии, как корень квадратный из суммы квадратов падения напряжения в проводах линии на активном и реактивном сопротивлениях:

Uа0 = (Uа02 + Uр02) 0,5 = 38.31 (В);

Найдем активную, реактивную и полную мощности в конце линии и мощность потерь в проводах, исходя из того, что полная мощность в конце линии равна произведению полного тока линии на напряжение в конце линии:

P= I2 *R12 =50459 (Вт);

Q= I2 *XL12 =11213 (Вт);

S= (P2 + Q2) 0.5=51690 (Вт);

Найдем коэффициент мощности установки:


Найдем коэффициент полезной мощности ЛЭП:

 = (U - Ua0) / U=0.85;

Составим сводную таблицу:

Характеристика

Без конденсаторов

С батареей конденсат.

I, A

160

225.7

 Напряжение в начале линии, U, В

245

245

Падение напряжения цепи в проводах линии, U0, В

25

38,31

Потеря напряжения цепи в проводах линии, Uа0, В

19, 20

22,58

Активная мощность Р, Вт

27008

50459

Реактивная мощность Q, Вт

22579

11213

Полная мощность S, Вт

35202

51690

Коэффициент мощности установки

0,56

0,95

Выводы:

При повышении коэффициента мощности установки ток линии повышается;

Повышается активная мощность установки, и понижается реактивная мощность;

Повышаются токи электродвигателей, что приводит к необходимости увеличивать сечение обмоток.

Похожие работы на - Параметры цепи, определение напряжения

 

Не нашли материал для своей работы?
Поможем написать уникальную работу
Без плагиата!
Без нейросетей!