Источники электропитания электронных устройств
КОНТРОЛЬНАЯ РАБОТА
по дисциплине:
«Электротехника и
электроника»
Москва 2009
Расчет
выпрямителя источников электропитания электронных устройств
Заданы
основные параметры выпрямителя:
Uн.ср=15 [B]
Iн.ср=0,2 [A]
Pвых=0,03
Uн.ср – среднее значение выпрямленного
напряжения на нагрузке
Iн.ср – среднее значение выпрямленного
тока
Pвых – допустимый коэффициент пульсаций
напряжения нагрузки
Требуется:
1.
Начертить принципиальную электрическую схему однофазного мостового
выпрямителя и описать его работу.
Рассчитываемый
выпрямитель состоит из трансформатора, четырех диодов и сглаживающего фильтра
2.
Выбрать тип диодов выпрямителя.
Для выбора
типа диодного выпрямителя рассчитаем максимальное обратное напряжение на диоде
– U обр. макс. и среднее значение прямого
тока диода I пр. ср.
Максимальное
обратное напряжение на диодах
[В]
Средний
прямой ток каждого диода
[А]
С учетом
требуемого запаса в 30% по прямому току и максимальному обратному напряжению рассчитываем
необходимые параметры диода
Uобр.макс. д ≥ 1,3 Uобр.макс
[А] Uобр.макс. д ≥ 74 [B]
На
основании выполненных расчетов по справочной литературе выбираем
соответствующий тип диода Д312
3.
Рассчитать действующие значения напряжения вторичной обмотки
трансформатора U2, токов обмоток
трансформатора I1 и I2.
Действующее
значение напряжения вторичной обмотки трансформатора U2
определяется из соотношения
Следовательно,
[B]
Сопротивление
нагрузки
[Ом]
Максимальный
ток вторичной обмотки трансформатора
[A]
Действующее
значение тока вторичной обмотки трансформатора
[A]
4.
Определение габаритной мощности трансформатора.
[Вт]
где S1 и S2 – расчетные
мощности первичной и вторичной обмоток трансформатора.
5.
Рассчитать параметры элементов Г – образного сглаживающего фильтра
RC.
Для двух
полупериодных однофазных выпрямителей коэффициент пульсаций равен
. Коэффициент сглаживания RC фильтра
Величину
сопротивления фильтра Rф определяют исходя из
оптимальной величины КПД фильтра (обычно 0,6÷0,8) и тогда Rф=0,25Rн=0,25∙288=72
[Ом]
Значение
емкости сглаживающего фильтра
[мкФ]
где m – число фаз выпрямителя (для рассчитываемого
выпрямителя m=2).
Рабочее
напряжение выбранного конденсатора
[В]
6) Рассчитать и построить временные диаграммы:
а) напряжения и тока во вторичной обмотке трансформатора
б) напряжения
и тока в активной нагрузке при отсутствии сглаживающего фильтра
Работу
выпрямителя рассмотрим с помощью временных диаграмм напряжений и тока на входе
на выходе
.
Напряжение
на выходе
Ток на
входе
Ток на
выходе
Мультиплексоры
Мультиплексоры
осуществляют подключение одного из сходных каналов к выходному под управлением
управляющего (адресующего) слова. Разрядности каналов могут быть различными,
мультиплексоры для коммутации многоразрядных слов составляются из одноразрядных
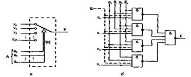
Рис. 2.9.
Упрощенное представление мультиплексора многопозиционным ключом (а) и
реализация мультиплексора на элементах И-НЕ (б)
Входы
мультиплексора делятся на две группы: информационные и адресующие. Работу
мультиплексора можно упрощенно представить с помощью многопозиционного ключа.
Для одноразрядного мультиплексора ого представлено на рис. 2.9, а.
Адресующий код А задает переключателю определенное положение, соединяя с
выходом F один из информационных входов X;.
При нулевом
адресующем коде переключатель занимает верхнее положение хо, с увеличением кода
на единицу переходит в соседнее положение х, и т.д.
Работа мультиплексора описывается соотношением
F = x0an_ian‑2»^i2oVxia [1_1an «2…a, a0V-X2n_1an_] an_2‑a1a0,
В
стандартных сериях размерность мультиплексоров не более 16x1.
Наращивание
размерности мультиплексоров возможно с помощью пирамидальной структуры из
нескольких мультиплексоров. При этом первый ярус схемы представляет собою
столбец, содержащий столько мультиплексоров сколько необходимо для получения
нужного числа информационных входов. Все мультиплексоры столбца адресуются
одним и тем же кодом, составленным из соответствующего числа младших разрядов
общего адресного кода (если число информационных входов схемы равно 2П, то
общее число адресных разрядов равно п. младшее поле ni адресного кода
используется для адресации мультиплексоров первого яруса). Старшие разряды
адресного кода, число которых равно п – п^ используются во втором ярусе,
мультиплексор которого обеспечивает поочередную работу мультиплексоров первого
яруса на общий выходной канал.
Пирамидальная
схема, выполняющая функции мультиплексора «32–1» и построенная на
мультиплексорах меньшей размерности, показана на рис. 2 10 (сокращение MUX
от английского MUltipleXer).
Демультиплексоры
выполняют операцию, обратную операции мультиплексоров – | передают донные из
одного входного канала в один из нескольких каналов-приемников.
Многоразрядные
демультиплексоры составляются из нескольких одноразрядных. Условное обозначение
демультиплексоров па примере I размерности м 1–4» показано на рис. 2.11.
Нетрудно
заметить, что дешифратор со входом разрешения работы будет работать в режиме
демультиплексора, если на вход разрешения подавать информационный сигнал.
Действительно, при единичном значении этого сигнала адресация дешифратора
(подача адресного кода на его входы) приведет к возбуждению соответствующего
выхода, при нулевом – нет. А это и соответствует перс-I даче информационного
сигнала в адресованный выходной канал.
В связи с
указанным, в сериях элементов отдельные демультиплексоры могут отсутствовать, а
дешифратор со входом разрешения часто называется
дешифратором-демулътиплексором.
Универсальные
логические модули на основе мультиплексоров
Универсальные
логические модули (УЛМ) на основе мультиплексоров относятся к устройствам,
настраиваемым на решение той или иной задачи Универсальность их состоит в том,
что для заданного числа аргументов можно настроить УЛМ на любую функцию.
Известно, что общее число функций п аргументов выражается как 22» С ростом п
число функций растет чрезвычайно быстро. Хотя практический интерес представляют
не все существующие функции, возможность получить любую из огромного числа
функций свидетельствует о больших перспективах применения УЛМ.
Первым
способом настройки, используемым в УЛМ, является фиксация некоторых входов. Для
этого способа справедливо следующее соотношение между числом аргументов и
числом настроечных входов. Пусть число аргументов п и требуется настройка на
любую из функций. Тогда число комбинаций для кода настройки, равное числу
функций, есть 22. Для двоичного кода число комбинаций связано с разрядностью
кода выражением 21П, где т – разрядность кода. Приравнивая число
воспроизводимых функций к числу комбинаций кода настройки, имеем для числа
настроечных входов соотношение m = 2П.
Полученному
выражению отвечает соотношение между числом входов разного типа для
мультиплексора. При этом на адресные входы следует подавать аргументы функции,
а на информационные входы – сигналы настройки (рис. 2.12, я). Таким
образом, для использования мультиплексора в качестве УЛМ следует изменить
назначение его входов.
Рис. 2.12,
а – иллюстрирует возможность воспроизведения с помощью мультиплексора любой
функции п аргументов. Действительно, каждому набору аргументов соответствует
передача на выход одного из сигналов настройки. Если этот сигнал есть значение
функции на данном наборе аргументов, то задача решена. Разным функциям будут
соответствовать разные коды настройки. Алфавитом настройки будет {0,0 – настройка
осуществляется константами 0 и 1. На рис. 2.12, 6 показан пример
воспроизведения функции неравнозначности xj и хг с помощью мультиплексора «4–1».
Большое
число настроечных входов затрудняет реализацию УЛМ. Для УЛМ, расположенных
внутри кристалла, можно вводить код настройки последовательно в сдвигающий
регистр, к разрядам которого подключены входы настройки. Тогда внешним входом
настройки будет всего один, но настройка будет занимать не один такт, а 2» тактов.
Возможны и промежуточные последовательно-параллельные варианты ввода кода
настройки.
Большое
число входов настройки наталкивает па поиск возможностей их уменьшения. Такие
возможности существуют и заключаются в расширении алфавита настроечных
сигналов. Если от алфавита {0,1} перейти к алфавиту {0,1, Xj}, где X; – литерал
одного из аргументов, то число входов аргументов сократится на единицу, а число
настроечных входов – вдвое. Напомним, что под литералом переменной понимается
либо сама переменная, либо ее инверсия. Перенос одного из аргументов в число
сигналов настройки не влечет за собою каких-либо схемных изменений. На гом же
оборудовании будут реализованы функции с числом аргументов на единицу больше,
чем при настройке константами.
Для нового
алфавита код настройки находится следующим образом. Аргументы за исключением
x:L полаются на адресующие входы, что соответствует их фиксации в выражении для
искомой функции, которая становится функцией единственного аргумента Xj. Эту
функцию, которую назовем остаточной, и нужно подавать на настроечные входы.
Если
искомая функция зависит от л аргументов и в число сигналов настройки будет
перенесен один из аргументов, то возникает п вариантов решения задачи, т. к.
в сигналы настройки может быть перенесен любой аргумент Спрашивается, какой
именно аргумент целесообразно переносить в сигналы настройки? Здесь можно
опираться на рекомендацию: и настроечные сиi налы следует переводить аргумент,
который имеет минимальное число вхождений в термы функции. В этом случае буду г
максимально использованы как бы внутренние логические ресурсы мультиплексора, а
среди сигналов настройки увеличится число констант, что и считается
благоприятным для схемной реализации УЛМ.
Проиллюстрируем
сказанное примером воспроизведения функции трех аргументов F= х, Х2Х3\/х^з – Минимальное
число вхождений в выражение функции имеет переменная xj, которую и перенесем в
число сигналов настройки. Остаточная функция определится табл. 2.3, а.
Схема УЛМ
приведена на рис. 2.12, е.
По пути
расширения алфавита сигналов настройки можно идти и дальше, но при этом
понадобятся дополнительные логические схемы, воспроизводят ие остаточные
функции, которые будут уже зависеть более чем от одного аргумента.
Рис. 2.13.
Логический блок выработки сигналов настройки УЛМ с переносом, двух аргументов в
сигналы настройки (а) и пример схемы воспроизведения функции четырех аргументов
на мультиплексоре «4–1» (б)
[Если в
сигналы настройки перевести два аргумента, то дополнительные логические схемы
будут двухвходовыми вентилями, что мало усложняет УЛМ и может оказаться
приемлемым решением. В этом случае для сохранения универсальности УЛМ
мультиплексору нужно предпослать блок выработки остаточных функций, в котором
формируются все функции 2‑х переменных |(за исключением констант 0 и 1 и
литералов самих переменных, которые не требуется вырабатывать). Такой блок
показан на рис. 2.13, я. Пример реализации функции F = х, х2\/Хз^4 ПРИ
алфавите настройки {0,1, зц, х» 2} показан на рис. 2.13, б. Таблица
остаточной функции для этого примера приведена в табл. 2.3, б.
Пирамидальные
структуры УЛМ
Дальнейшее
расширение алфавита настройки за счет переноса трех и более переменных в
сигналы настройки требует вычислений остаточных функций трех или более
переменных. Вычисление таких остаточных функций с помощью мультиплексоров
приводит к пирамидальной структуре (рис. 2.14), в которой мультиплексоры
первого яруса реализуют остаточные функции, а мультиплексор второго яруса
вырабатывает искомую функцию.
Показанная
пирамидальная структура – каноническое решение, которое приводит к нужному
результату, но не претендует на оптимальность. Дело в том, что варианты
построения схем из нескольких мультиплексоров для воспроизведения функций
многих переменных разнообразны, но алгоритм поиска оптимальной по затратам
оборудования или какому-либо другому критерию отсутствует. Имеются работы, в
которых найдены решения более высокого качества, но это результаты изобретений,
касающиеся частных случаев и не относятся к регулярному методу поиска структур.
При чисто
электронной настройке константами 0 и I схема воспроизводит функцию п
аргументов, где п = к + р, причем к – число аргументов, подаваемых на
мультиплексор второго яруса, р – число аргументов, от которых зависят
остаточные функции, воспроизводимые мультиплексорами 0…2к – 1 первого яруса.
Для
уменьшения аппаратных затрат в схеме следует стремиться к минимизации числа
мультиплексоров в столбце, т.е. минимизации к и соответственно, максимальным р,
поскольку их сумма к + р постоянна и равна п.
Сигналы
настройки для мультиплексоров первого яруса можно искать разными способами:
L
Подстановкой (фиксацией) наборов аргументов, подаваемых на адресные входы
мультиплексоров для получения остаточных функций и, далее, сигналов настройки.
Этот способ уже рассмотрен (см. табл. 2.3).
2, С
помощью разложения функции по Шеннону. Это разложение можно произвести по
разному числу переменных. По одному из аргументов разложение имеет вид
F=(*0. x «»., xnM)=x0F (0, Xl – .x^A/XoFO, х,…,)^).
Справедливость
такого разложения видна из подстановки в него значений хд = 0 и хо = 1, что
дает непосредственно функции F (О, Х (,…, х» j) и F (1, X,…, Хп – !).
Разложение
функции по двум аргументам
F=(x0, x1,…, xn_I) = 3^x^(0, 0, x2,…, xn_I) Vxox1F (0, 1, x2,…, xn_l)\/
V*^, F (1, 0, x2>…, xI1_1) WiF (l» 1. Х2*->*п-д
и, наконец, разложение по к аргументам F=(x0, x^».Jxnrl) = x{) SI…xk_2xk «1F
(0> 0,…, 0, х^.^х^Л/ X/XoXj. – .x^Xj^jFiO, 0,…, 0, 1, xk,…, xn,) V… _ – ..\AoXi…Xk-^-lF
(l, I,-, I, 4>~*Xn-i) = = x^1…xk_2xk_1F0Vx0xI…xk_2xk «1F,\/ – ..\/xoXi…xk_2xk_1F2L1,
где
F0 = F (0,
0,…, 0, xk,…, xn_,), F, = F (0, 0,…, 0, l, xk,…, xn_,),
F2* –
i = F (l, l,-, l. Xk,…,)^,).
Структура
формул разложения полностью соответствует реализации двухъярусным УЛМ. В первом
ярусе реализуются функции F» (i = 0,…, 2k – 1), зависящие от и – к аргументов,
которые используются как настроечные для второго яруса, мультиплексор которого
воспроизводит функцию к аргументов. 3. Сигналы настройки можно получить
непосредственно из таблицы истинности функции. Для удобства просмотра таблицы
ее следует записать гак. чтобы аргументы, переносимые в сигналы настройки,
играли роль младших разрядов в словах-наборах аргументов. Пусть имеется функция
4‑х переменных \^х2Х\Щ), и переменная х-* считается старшим разрядом
вектора аргументов. Пусть, далее, функция задана перечислением наборов
аргументов, на которых она принимает единичные значения, причем заданы
десятичные значения этих наборов: 3, 4, 5, 6, 7, 11, 15. Заметим, что
аналитическое значение этой функции имеет вид F – х^хД / Хг^з Значения
функции сведены в табл. 2.4.
При
электронной настройке УЛМ константами 0 и 1 требуется мультиплексор размерности
«16–1», на настроечные входы УЛМ подаются значения самой функции из таблицы.
При
переносе *о в сигналы настройки (алфавит настройки {О, I, *о}) требуется найти
остаточную функцию, аргументами которой является вектор переменных x3x2Xi.
Каждая комбинация этих переменных встречается в двух смежных строках таблицы.
Просматривая таблицу по смежным парам строк, можно видеть, что остаточная функция
соответствует другой таблице (табл. 2.5).
Таблица 2.5
Для реализации этого варианта УЛМ достаточен

При
переносе в сигналы настройки двух переменных (Хд и «Xj) для поиска остаточных
функций следует просмотреть четверки смежных строк таблицы с неизменными
наборами Х2Х3 – аргументами, подаваемыми на адресные входы УЛМ. Этот просмотр
приводит к следующей таблице (табл. 2.6).
Из таблицы
видно, что для воспроизведения функции достаточно использовать мультиплексор «4–1»
с дополнительным конъюнктором для получения произведения xlxO. Но при
перестройке на другую функцию потребуются и другие функции двух переменных, т.е.
универсальный логический модуль должен включать в свой состав дополнительный
логический блок (см рис. 2.13, я).
Логические
блоки на мультиплексорах используются в современных СБИС программируемой
логики, выпускаемых ведущими мировыми фирмами. Э [и блоки работают по
изложенным выше принципам, однако, зачастую универсальность в смысле
воспроизводимости всех без исключения функций данною числа аргументов не
преследуется, что упрощает схемы блоков, и в то же время достаточно широкие
логические возможности.
В данном
случае модули относятся к настраиваемым и характеризуются порождающей функцией,
реализуемой модулем, когда все его входы используются как информационные (т.е.
для подачи на них аргументов). Эта функция при введении настройки, когда часть
входов занята под настроечные сигналы, порождает некоторый список подфункций,
зависящих от I меньшего числа аргументов в сравнении с порождающей функцией.
Создается перечень практически важных подфункций для того или иного настраиваемого
модуля.
|На рис. 2.15,
а показан логический блок, используемый в СБИС программируемой логики фирмы
Actel (США). Изображены обозначения фирмы для мультиплексоров «2‑Г'
(адресующие входы расположены сбоку). При S = 0 на выход передается сигнал верхнего
входа, при S = 1 – нижнего. Функциональная характеристика (порождающая функция)
для этого блока имеет вид
F = S^ «1
(SAA0VSAA1) V(S0VSi) (S» BB0VSBBl).
Варьируя
подачу на входы блока констант и входных переменных, можно реализовать 702
практически полезные переключательные функции.
На рис. 2.15,
tf показан логический блок (вернее его комбинационная часть) фирмы Quicklogic
(США) с более широкими логическими возможностями.
Рис. 2.15.
Мультиплексорные логические блоки, используемые в микросхемах фирм Actel (а) и
Qujcklogic (б)
Триггеры
Триггерами называют устройства, обладающие двумя состояниями
устойчивого равновесия и способные под воздействием внешнего управляющего
сигнала скачком переходить из одного устойчивого состояния в другое.
Триггеры выполняют как на отдельных (дискретных) элементах, так и
методами интегральной технологии. Их широко используют в различных устройствах,
в которых они выполняют функции переключающих, счетных, пороговых и
запоминающих элементов. Они составляют 20–40% оборудования ЭВМ. Триггеры в
интегральном исполнении будут рассмотрены в следующей главе.
Несмотря на то что в настоящее время триггеры на дискретных схемах
выполняют редко, физические процессы удобнее рассмотреть на таких схемах. На
практике наиболее часто встречаются схемы с коллекторно-базовыми связями
(симметричные) и с эмиттерной связью.
В качестве активного элемента используют биполярные и полевые
транзисторы, туннельные диоды.
Рассмотрим схему триггера с коллекторно-базовыми связями на
биполярных транзисторах с независимым смещением (рис 20.4). Она структурно
близка к рассмотренной ранее схеме мультивибратора и представляет собой
двухкаскадный усилитель постоянного тока с положительной обратной связью (100%),
осуществляемой через цепи R1C1 и R2C2, которые соединяют коллектор одного
транзистора с базой другого. Схема полностью симметрична. Поэтому параметры RBl
= ЯБ2, RK1 = RKb Rt = R2, Сi = C2, транзисторы Tt и Т2 одного типа. Отличие от
симметричного мультивибратора состоит в том, что в схеме триггера имеется
источник смещения (Ев > 0), запирающий транзисторы (благодаря чему триггеры
имеют два устойчивых состояния равновесия) и резисторы Я1 и Я 2 в цепях связи
между усилительными каскадами.
Для обеспечения устойчивой работы триггера его параметры подбирают
так, чтобы открытый транзистор находился в режиме насыщения, а закрытый – в
режиме отсечки. Отметим, что открытый транзистор имеет потенциал коллектора,
близкий к нулю, его можно считать низким и приписать ему уровень 0. Закрытый
транзистор имеет потенциал коллектора, близкий к напряжению источника смещения.
Для транзистора с р-и-р-структурой фк» – Ек, а для и-р-и-структуры фк х + Ек.
Этот потенциал можно считать высоким и ему приписать уровень 1. Несмотря на го
что триггер симметричен, при подаче на него напряжения питания один транзистор
обязательно окажется закрытым, а другой – открытым, так как абсолютную
симметрию в реальных схемах обеспечить невозможно и в схеме при включении ее
сразу же начнется лавинообразный процесс, который происходит почти мгновенно и
заканчивается переходом одного транзистора в режим отсечки, другого – в режим
насыщения. Это состояние триггера устойчивое (в отличие от мультивибратора) и
длится до тех пор, пока на вход триггера не будет подан запускающий импульс.
Запускающий импульс осуществляет переход (переброс) триггера в
другое устойчивое состояние, при котором открытый ранее транзистор закрывается,
а закрытый – открывается. Так с подачей запускающего импульса триггер переходит
из одного устойчивого состояния в другое. На выходах триггера при этом
формируется перепад напряжений. Рассмотрим происходящие при этом процессы.
Пусть триггер (рис. 20.4, й) находится в таком устойчивом
состоянии, когда транзистор Tt открыт, а транзистор Т2 закрыт. Если на базу
открытого транзистора подать запускающий импульс положительной полярности, то
за некоторый очень малый промежуток времени транзистор Tt выйдет из режима
насыщения и перейдет в активный режим. При этом ток базы, а следовательно, и
коллектора транзистора Tt (iKl) уменьшится, что вызовет изменение потенциала
коллектора фК1 = uKi = – Ек + ^к1гкь он станет более отрицательным.
Отрицательный скачок напряжения на коллекторе вызовет примерно такой же скачок
напряжения на базе закрытого транзистора Т2 и под действием изменившегося на
его базе напряжения Т2 из режима отсечки перейдет в активный режим. Таким
образом, за очень малый промежуток оба транзистора оказываются в активном режиме,
в котором они обладают усилительными свойствами.
За счет положительной обратной связи в схеме начнется
регенеративный процесс. Ток коллектора iK закрывающегося транзистора Tt будет
уменьшаться. За счет этого будет более отрицательным потенциал коллектора Ti.
Небольшой отрицательный скачок напряжения на коллекторе транзистора Tt через
резистор обратной связи Rt приложится к базе транзистора Т2 и приоткроет его.
Это вызовет значительное увеличение тока коллектора iK2 транзистора Т2 за счет
большого коэффициента усиления по току в схеме с ОЭ (H2i3 ~ P) – Потенциал
коллектора транзистора Т2, равный ц>К2=ик2=–Ек +RKiK2, станет положительнее,
и положительный скачок напряжения на коллекторе Т2 будет значительно больше
вызвавшего его отрицательного скачка напряжения на коллекторе транзистора Ti.
Усиленный положительный скачок напряжения через резистор обратной связи R2
приложится к базе транзистора Ti и еще более призакроет его и т.д. Процесс
будет развиваться лавинообразно и закончится закрыванием открытого транзистора
Ti и открыванием закрытого транзистора Т2. Чтобы вывести схему из этого
устойчивого состояния, нужно подать запускающий импульс на базу открытого
теперь транзистора Т2.
Имеющиеся в схеме конденсаторы Сл и С2 шунтируют резисторы P-iи
R2. Их обычно называют ускоряющими. Это объясняется следующим. В устойчивом
состоянии, когда, например, транзистор Tt открыт, а транзистор Т2 закрыт,
конденсаторы заряжены соответственно до напряжений uCi х 0 и ис2х – Ек. Во
время лавинообразного процесса их состояние практически не изменяется (в
соответствии со вторым законом коммутации). Но как только открытый транзистор
Tt закроется и напряжение на его коллекторе станет равно – Ек, разряженный
конденсатор Ct начнет заряжаться и в цепи базы открывающегося транзистора Т2
потечет большой зарядный ток, который добавится к току, втекающему в базу. Это
значительно ускорит процесс открывания транзистора Т2.
Схемы запуска триггера. Триггер переводят из одного устойчивого
состояния в другое путем подачи на его входы (или выходы) запускающих
импульсов. Существует два способа запуска: раздельный и общий.
Раздельный запуск осуществляется подачей импульсов одной
полярности поочередно на базы транзисторов (входы триггеров). Импульс, поданный
на один из входов, устанавливает триггер в одно из устойчивых состояний.
Импульс, подаваемый на другой вход, устанавливает триггер в противоположное
устойчивое состояние. Схема триггера с раздельным запуском с подачей
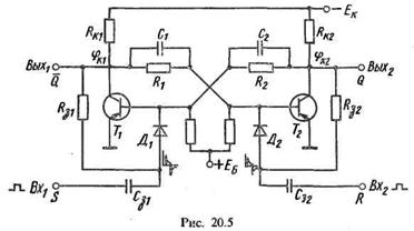
запускающих импульсов на базы через диоды показана на рис. 20.5.
К элементам цепи запуска относятся диоды Дх и Д2, конденсаторы Сз1
и С32, резисторы R3l и R32. Пусть триггер находится в таком устойчивом
состоянии, когда транзистор Tt открыт и насыщен, а транзистор Т2 закрыт. На Bxt
подается прямоугольный импульс. Он продифференцируется цепочкой Яз1С31и из него
сформируются два коротких импульса остроконечной формы противоположной
полярности. Поскольку транзистор Tt открыт, потенциал его коллектора фК1 низкий
(0). Так как потенциал анода диода Д, примерно равен потенциалу коллектора (он
меньше на небольшое значение падения напряжения на резисторе Яз1), диод Дх
будет находиться в проводящем состоянии и пропустит положительный импульс на
базу. С приходом этого импульса в базу транзистор Г, начнет выходить из
насыщения, а транзистор Т2 – из области отсечки. Когда оба они окажутся в
активном режиме, петля положительной обратной связи замкнется и в схеме
начнется лавинообразный процесс, в результате которого транзистор 7~i
закроется, а транзистор Т2 откроется (этот процесс переброса триггера был
подробно рассмотрен ранее).
Такое состояние триггера будет сохраняться до тех пор, пока не
поступит новый запускающий импульс на второй вход (Вх2). Так как после перехода
обоих транзисторов в активный режим процесс развивается за счет внутренних
процессов, без участия запускающего импульса, цепь запуска после опрокидывания
должна отключить триггер от генератора. Это обеспечивается следующим образом.
На коллекторе закрывающегося транзистора Тх устанавливается высокий потенциал
Фк1 * (– Ек)> поэтому и на аноде диода Дл имеется примерно такой же
потенциал. Диод Ду находится в непроводящем состоянии и отключает Bxt от базы
транзистора Т^ (поэтому диоды Дх и Д2 называют отсекающими). До подачи
следующего импульса конденсатор Сз1 разряжается через резистор Кз1.
Триггер с раздельным запуском называют RS‑триггером..RS‑триггер
имеет два входа и два выхода. Входы, на которые подают запускающие импульсы,
называют установочными и обозначают R и S. Буква S означает раздельный вход
установки в состояние 1, буква R – раздельный вход установки в состояние 0.
Выходы обозначают Q и Q.
Счетный запуск. При счетном запуске импульсы одной полярности
подаются на общий вход С триггера и каждый из импульсов приводит к
опрокидыванию триггера. Возможны два варианта подачи запускающего импульса: на
базы (рис. 20.6) и на коллекторы. В отличие от схемы, показанной на рис. 20.5,
здесь конденсаторы С3| и Сз2 соединены вместе, образуя общий вход. Конденсаторы
связи Ct и С2 включены для ускорения процесса переключения триггера. Входной
импульс положительной полярности, подаваемый на вход триггера,
продифференцируется цепочкой ЯлСъ2 и из образованных двух остроконечных
импульсов положительный через диод Д2, находящийся в проводящем состоянии,
поступит в базу насыщенного транзистора.
Управление цепями запуска производится следующим образом. С
помощью резисторов R3l и Кз2 задают отрицательный потенциал соответственно
аноду диода Д, или Д2 с коллектора закрытого транзистора. При этом. диод
закрывается и отключает цепь базы транзистора от цепи запуска.
Открытый транзистор имеет низкий потенциал коллектора (ф «0), по этому
соответствующий диод через резистор R32 находится в проводящем состоянии. Пусть
триггер находится в одном из устойчивых положений: транзистор Tt открыт и
находится в режиме насыщения (фк, = иК1 к 0, фБ1 = иы < 0), транзистор Т2
закрыт и находится в режиме отсечки (фк2 = и^ «– Ек, фБ2 = иБ2 > 0).
Потенциал анода диода Дг (через R3l) равен примерно нулю. Потенциал катода
диода Дг равен примерно фБ2 < 0, и, таким образом, диод Дх открыт.
Потенциал анода диода Д2 (через R32) примерно равен фК2 = икг ~ – Ек.
Потенциал катода диода Д2 несколько больше нуля. Диод Д2 надежно заперт
отрицательным потенциалом на аноде, равным Ек. Конденсаторы С3] и С32
заряжены соответственно до напряжений иСз1 х 0 и исз2 ~ – Ек (через резисторы
R3l и R32 и выходное сопротивление генератора запуска). Положительный
запускающий импульс, продифференцированный цепочкой R3iC3i, проходит через
открытый диод Дх на базу транзистора Tv В результате транзистор Ti выходит из
области насыщения (плюс на базе), ток iK1 уменьшается, а так как фК1 = – £к
+ Як1'кь то потенциал фк, = мК1 становится более отрицательным. Отрицательный
перепад напряжения передается на базу транзистора Т2, и он открывается. С этого
момента транзисторы Ti и Т2 открыты, замыкается петля положительной обратной
связи и возникает лавинообразный процесс уменьшения коллекторного тока одного
транзистора и увеличения тока другого транзистора. В результате транзистор Tt
закрывается, – а Г2 переходит в режим насыщения.
После переключения триггера конденсаторы С3, и Сз2 начнут
перезаряжаться через резисторы R3l и R32 и напряжения на конденсаторах станут
соответственно равными С/Сз1» – Ек, С/Сз2 х 0. Перед окончанием перезарядки
конденсаторов закончится запускающий импульс, поэтому он успеет пройти только
через диод Д2 на базу открытого транзистора Т2. Таким образом, диоды Дг и Д2
пропускают каждый запускающий импульс только на базу открытого транзистора, а
конденсаторы C3i и Сз2, «запоминая» состояние схемы до очередного переключения,
препятствуют обратному опрокидыванию ее под действием еще не закончившегося
импульса запуска.
На процесс опрокидывания триггера существенно влияет длительность
запускающих импульсов. Если импульс, например, очень короткий, то за время его
действия транзистор не успевает выйти из насыщения и триггер не опрокинется.
Максимальная частота переключения триггера со счетным запуском примерно вдвое
меньше, чем при раздельном запуске, поэтому раздельный запуск предпочтительнее.
Триггер со счетным запуском называют Т-триггером (буквой Т обозначают счетный
вход).
Были рассмотрены триггеры, имеющие один или два входа. Выпускают
триггеры, имеющие три входа и более. Рассмотрим универсальный триггер, который
называют JK‑триггером, одна из схем которого показана на рис. 20.7.
Он имеет пять входов: J, К, R, S и С. JK‑триггер может работать как RS‑триггер
(если на входы подавать поочередно положительные импульсы) и как Т-триггер
(если вход J подсоединить к коллектору, транзистора Т» а вход К – к коллектору
транзистора Т2). Таким образом, наличие входов J и К значительно расширяет
возможности JK‑триггера.
Разрешающее время и быстродействие триггера. Наименьший интервал
времени между запускающими импульсами, вызывающими бесперебойное переключение
импульса, называют разрешающим временем Траз. Величина, обратная разрешающему
времени, называется быстродействием триггера (Гц):
Быстродействие триггера определяет наибольшее возможное число
бесперебойных переключений триггера в 1 с при неизменном интервале Траз между
запускающими импульсами и достигает значений порядка 100 МГц. Эффективность
многих электронных устройств зависит от быстродействия триггеров. На
быстродействие триггера влияет скорость переключения транзисторов, работающих в
схеме в ключевом режиме. Для повышения быстродействия используют
высокочастотные транзисторы, ключи в ненасыщенном режиме (для устранения
задержки выключения, которая связана с процессом рассасывания не основных
носителей в базе насыщенного транзистора). Кроме того, применяют специальные
меры, уменьшающие время установления напряжения на коллекторах транзисторов и
ускоряющих конденсаторах.