Гравитационный бетоносмеситель

  • Вид работы:
    Курсовая работа (т)
  • Предмет:
    Транспорт, грузоперевозки
  • Язык:
    Русский
    ,
    Формат файла:
    MS Word
    369,56 kb
  • Опубликовано:
    2011-01-08
Вы можете узнать стоимость помощи в написании студенческой работы.
Помощь в написании работы, которую точно примут!

Гравитационный бетоносмеситель

Министерство образования и науки Российской Федерации

Новосибирский Государственный Архитектурно-строительный

Университет.

Кафедра строительных машин




Курсовая работа

По дисциплине «транспортное оборудование»

Тема:

«Гравитационный бетоносмеситель»



Выполнил: студент гр 461-з

Гончаров И.М.

Проверил: Дедов А.С.






Новосибирск 2010

1. Описание проектируемого оборудования

Бетоносмеситель – машина для приготовления однородной бетонной смеси механическим смешением ее составляющих (цемент, песок, щебень или гравий, вода). По характеру работы различают бетоносмесители цикличные и непрерывного действия. При приготовлении смеси в цикличном бетоносмесителе материалы загружаются порциями, причем каждая очередная порция поступает после того, как готовая смесь выгружена из корпуса бетоносмесителя.

В бетоносмесителе непрерывного действия загрузка материалов, их смешение и выгрузка готовой смеси происходят непрерывно, вследствие чего, их производительность превышает производительность смесителей циклического действия.

Основным параметром смесителей непрерывного действия является производительность. Перемешивание компонентов в гравитационных смесителях происходит в барабанах и внутренних стенках, к которым прикреплены лопасти. При вращении барабана смесь поднимается на некоторую высоту лопастями, а также силами трения, а затем сбрасывается вниз. Для обеспечения однородности смеси необходимо произвести 30-40 циклов подъема и сброса смеси в барабан.

Для обеспечения свободного перемешивания смеси в барабане, его объем в 2,5-3 раза должен превышать объем смеси. Скорость вращения барабана должна быть невысокая, так как в противном случае центробежные силы инерции будут препятствовать свободному перемещению смеси. Бетоносмесители изготавливают с наклоняющимися и стационарными барабанами. Эти барабаны выполняют грушевидной, конусной и циклической формы.

На заводах большой производительности (свыше 100 м/ч) применяют смесители непрерывного действия. Компоненты перемешиваются в циклическом барабане 1, Внутри которого по винтовой линии устанавливаются лопасти 3 при вращении барабана компоненты смеси, поступающие непрерывным потоком по загрузочной воронке 9, перемешиваются лопастями в окружном и осевом направлении. В результате чего они перемешиваются и непрерывно продвигаются к разгрузочному торцу барабана.

Бода подается в барабан по трубе 6, через распылитель 4. Барабан вращается двигателем 10. Через муфту 11, редуктор 12, зубчатое колесо 13, зубчатый венец 5, прикрепленный к барабану. Барабан свободно опирается бандажами 2 на ролики 7, установленные на раме 14. Осевым перемещениям барабана препятствуют опорные ролики.

Определение конструктивно-кинематических параметров.

Объем смеси, одновременно находящейся в барабане, м3

Vз = (Псм * t) / 3600

Vз = (100 * 120) / 3600 = 3,3

Где П – производительность смесителя (заданная), м3/ч; t – время перемешивания смеси, t = 120 сек. (Vз – более 500 л.).

Рабочий объем смеси в барабане, м3

VP = VЗ / KB

VP =3,3 / 0,67 = 4,925

Где KB – коэффициент выхода смеси (KB = 0,67)

Основные размеры барабана

Внутренний диаметр (м):

D0 = (0,78…0,83)*VP0,33

D0 = 0,83*4,9250,33 = 1,4

Толщина стенки барабана (м):

δ = (0,015…0,020)*D0

δ = 0,020*1,4 = 0,028

наружный диаметр (м):

DH = D0 + 2δ

DH = 1,4 + 2*0,028 = 1,456

LБ = (2,5…2,6)*D0 = 2,6*1,4 = 3,64

А = (1,75…1,78)*D0 = 1,78*1,4 = 2,492

С = (0,12…0,13)*D0 = 0,13*1,4 = 0,182

В = LБ – А – С = 3,64 – 2,492 – 0,182 = 0,966

Фактический геометрический объем барабана, м3

VГ = (π/4)* D02 * LБ

VГ =(3,14/4)* 1,42 * 3,64 = 5,6

Фактический коэффициент заполнения:

Ψфакт = VP / VГ = 4,925/5,6 = 0,88

(Ψ = 0,33…0,40)

При расхождении значений Ψфакт и Ψ рекомендуется изменить размеры барабана.

Изменяем внутренний диаметр барабана D0

D0 = 1,13 * VP0,33 = 1,13 * 4,9250,33 =1,9124

Толщина стенки барабана (м):

δ = (0,015…0,020)*D0

δ = 0,020*1,9124= 0,0384

наружный диаметр (м):

DH = D0 + 2δ

DH = 1,9124 + 2*0,0383= 1,989

LБ = (2,5…2,6)*D0 = 2,6*1,9124= 4,97

А = (1,75…1,78)*D0 = 1,78*1,9124= 3,41

С = (0,12…0,13)*D0 = 0,13*1,9124= 0,249

В = LБ – А – С = 4,97– 3,41– 0,249= 1,311

С= (0,18…0,19)*D0 = 0,18*1,9124= 0,349

А = (1,75…1,78)*D0 = 1,78*1,9124= 3,31

В = LБ – А – С = 4,97– 3,31– 0,349= 1,311

Фактический геометрический объем барабана, м3

VГ = (π/4)* D02 * LБ

VГ =(3,14/4)* 1,91242 * 4,97= 14,27

Ψфакт = VP / VГ = 4,925 = 0,345

Размеры опорного бандажа и опорных роликов (каждый размер после его определения округляется до нормального линейного значения), м:

· Диаметр опорного ролика


· Ширина опорного ролика

bp = (0,32…0,36)*dp =0,36*0,421 = 0,151 м

· Диаметр оси опорного ролика

d0 = (0,20…0,25)* dp = 0,25*0,421 = 0,105 м

· Угол установки опорных роликов

β = 32…360 = 360

· Толщина опорного бандажа

hБ = (0,024…0,026)*D0 = 0,026*1,9124 = 0,0497 м

Величина зазора между бандажом и барабаном

∆ = (0,005…0,01) = 0,01 м

· Ширина опорного бандажа

bБ = bp + (0,04…0,05) = 0,151 + 0,05 = 0,2 м

· диаметр опорного бандажа

DБ = D0 + 2*(δ + ∆ + hБ)

DБ =1,9124 + 2*(0,384 + 0,01 + 0,0497) = 2,1086 м

2. Дополнительные размеры узлов и деталей

После определения каждый размер округляется до нормального линейного значения. Бетоносмесители с периферийным приводом.

· Диаметр зубчатого венца

Dзв = DБ + (0,005…0,015)

Dзв = 2,109 + 0,015 = 2,124 (2,0) м

· Ширина зубчатого венца

bзв = (0,085…0,095)* Dзв

bзв =2,124*0,095 = 0,2 м

Основные кинематические параметры бетоносмесителей

Критическая угловая скорость (с-1) и частота вращения барабана (мин-1)

ωкр = √g*(sinγ0 – f*cosγ0) /R0

nкр = 30ωкр

где g – 9,81(м/с2); f – коэффициент трения бетонной смеси о лопасть; f = 0,4…0,5 (большие значения f рекомендуется принимать для малоподвижных и жёстких смесей); γ0 – угол внутреннего трения бетонной смеси; γ0 = 43…450; R0 – наибольший внутренний радиус барабана, м; R0 = D0/2

R0 =1,9124/2 = 0,9562

ωкр =√9,81*(0,7 – 0,5*0,7) / 0,9562 = √3,6266 = 1,9043с-1

nкр = 30*1,9043/3,14 = 18,19 мин-1

Номинальная угловая скорость вращения, с-1

ωном = (0,9…0,95)*ωкр =

ωном =0,95*1,9043 = 1,809с-1

номинальная частота вращения, мин-1

nном = 30ωном

nном =(30*1,809)/3,14 = 17,28 об/мин

3. расчёт потребляемой мощности

3.1. определение рабочих нагрузок

Сила тяжести бетонной смеси Н:

Полная:

Gсм = Vзсм*g

Gсм =3,3*9,81*2500 = 80932,5 Н

Поднимаемая за счёт сил трения:

G1 = 0,85 Gсм

G1 = 0,85*80932,5 = 68792,6 Н

Поднимаемая в лопастях:

G2 = 0,15 Gсм = Gсм – G1

G2 = 80932,5 - 68792,6 = 12139,9 Н

Где Vз – объём готового замеса, м3; ρсм – плотность смеси кг/м3;

g = 9,81 м/с2

сила тяжести барабана, Н; для смесителей непрерывного действия:

GБ = KБ* ρст*L*g*(DН2 – D02)*(π/4)

GБ =1,23*7850*4,9722*9,81*(1,98882 – 1,91242)*3,14*4 = =110192,895 Н

Где KБ – коэффициент, учитывающий массу бандажа лопастей, фланцев и т.п.; KБ = 1,15…1,23; g = 9,81 м/с2; ρст – плотность стали, 7850 кг/м3

3.2 расчёт мощности, затрачиваемой на перемешивание

 

Средняя высота подъема перемешиваемых компонентов за счет сил трения (h1) и в лопастях (h2) м:

h1 ≈R0

h1 ≈ 0,9562 м

h2 = (I + sinγ0)* R0

h2 =1 + 0,7)*0,9562 = 1,6323

время одного оборота барабана, с:

tоб = 60/nном

tоб = 60/17,28 = 3,47 с

время подъема смеси в лопастях t1 и падения компонентов смеси с высоты h2(t2), с:

t1 = (90 + γ0)/(60*nном)

t1 =(90 + 45)/(60*17,28) = 0,130 с

t2 =(2* h2/g)0,5

t2 =(2* 1,6323/9,81)0,5 = 0,58 с

g = 9,81 м/с2;

число циркуляций смеси за 1 оборот барабана за счет сил трения (Z1) и в лопастях (Z2), об-1

Z1 = 360/2*γ1

Z1 = 360/2*90 = 2 об-1

Z2 = t/( t1 + t2)

Z2 = 3,47/(0,130 + 0,58) =4,887 об-1

Где γ1 – угол перемещения смеси, γ1 = 2* γ0

Мощность, затрачиваемая на перемешивания, Вт:

N1 = (G1 h1 Z1 + G2 h2 Z2)* nном / 60

N1 = (68792,6*0,9562*2 + 12139,9*1,6323*4,887)*(17,28/60) = =65779,07 Вт

 

3.3 Расчет мощности, затрачиваемой на преодоления сил трения в опорах бетоносмесителей

Мощность, затрачиваемая на преодоление сил трения в опорах, определяется в зависимости от конструкции бетоносмесителя, Вт:

· Для смесителей цикличного и непрерывного действия с периферийным приводом.

N2 = (Gсм + Gб)/cosβ * (Dб + dр)/dр * (μ1 + μ2 d0/2)*ωном

где ωном – номинальная угловая скоость вращения барабана, с-1;

μ1 – коэффициент трения качения, приведенный к валу или оси подшипника опорного устройства; μ1 = 0,01…0,015; μ2 – коэффициент (плечо) трения качения бандажа по опорным роликам; μ2 = 0,0008…0,001 м; d0 – диаметр оси опорного ролика, м; Dб – диаметр опорного бандажа, м; dр – диаметр опорного ролика, м; β – угол установки опорных роликов, град.

N2 = ((80932,5 + 110192,89)/0,809)*((2,1086 + 0,4207)/0,4207)*

*(0,001 + ((0,015*0,1052)/2))*1,809 = 4596,7 Вт

Полная потребляемая мощность, Вт

Nпол = N1 + N2

Nпол = 65779,07 + 4596,7 = 70375,77 Вт

4. Кинематический расчет привода

4.1. определение общего КПД привода

 

Общий КПД привода смесителя будет зависеть от выбранной (или приведенной в задании) кинематической схемы смесителя и особенностей его привода: того или иного типа редуктора, наличия открытой зубчатой или клиноременной передачи, наличия зубчатого синхронизатора и соединительных муфт

ηпр = ηред * ηпер * ηмх

где ηред – к.п.д. редуктора; ηпер – к.п.д. открытой передачи; ηм – к.п.д. муфты; х – число муфт

ηпр = 0,97*0,95*0,99 = 0,912285

4.2 выбор электродвигателя

Для смесителей непрерывного действия с гравитационным перемешиванием и периферийным приводом рекомендуется использовать асинхронные электродвигатели переменного тока (4А, АО и т.д.) с синхронной частотой вращения nс = 1000…1500 мин-1

Требуемая мощность на валу электродвигателя, кВт:

Nтр = Nпол / 103пр

Nтр = 70375,77/912,285 = 73,1423 кВт

Где Nпол – полная потребляемая мощность, Вт;

Условие выбора электродвигателя NДВ ≥ Nтр

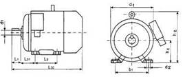
Техническая характеристика электродвигателя.

Марка 4А280S6УЗ

Мощность (NДВ кВт) = 75 кВт (101,97 л.с.)

Частота вращения (nДВ, мин-1) = 985 мин-1

Описание: Описание: asinhron-dvigately-02_0013

Типо-

размер

двига-

теля

Число

Полю-

сов

Габаритные размеры,мм

Установочные и присоединительные размеры, мм

Масса в кг

L3

h2

d1

b2

l1

L3

l2

d3

d2

b1

h1

4F280

S6УЗ

6

1170

700

660

535

170

190

80

24

457

280

785


4.3 выбор передаточного механизма (редуктора)

Выбор типа передаточного механизма и его исполнение обусловлен кинематической схемой проектируемого смесителя.

Общее передаточное отношение привода

Uпр = nДВ / nном

Uпр =985/17,28 = 57,00

где nДВ и nном соответственно, частоты вращения вала двигателя и рабочего органа (вала или барабана), мин-1

для смесителей с отдельно установленным электродвигателем расчетное передаточное число редуктора:

Uрасч. = Uпр / Uпер

Где Uпер – передаточное отношение открытой передачи (при её наличии): для зубчатых венцовых гравитационных бетоносмесителей с периферийным приводом Uпер = 7…8

Uрасч = 57/8 = 7,12

Условие выбора редуктора:

Uред ≈ Uрасч

Nподв ≥ Nдв

Где Uред – фактическое передаточное число редуктора; Nподв – подводимая мощность к редуктору (при соответствующей синхронной частоте вращения вала и режиме работы редуктора), кВт.

Техническая характеристика редуктора.

Марка Ц2У – 315. Режим работы непрерывный

Описание: Описание: редуктор Ц2У – 315

типоразмер

Aw т

Aw б

B

B 1

B 2

H

H 1

h

L

L 1

L 2

L 3

L 4

L 5

d

Ц2У-315

315

200

395

260

318

685

335

35

1030

370

215

360

300

420

28


Описание: Описание: 1192300_5

ПРИСОЕДИНИТЕЛЬНЫЕ РАЗМЕРЫ ЦИЛИНДРИЧЕСКИХ ВАЛОВ РЕДУКТОРОВ 1Ц2У, 1Ц2Н

Редуктор

быстроходный вал

тихоходный вал

d

l

b

t

d

l

b

t

1Ц2У-315

50k6

14

53,5

110m6

210

28

116


Описание: Описание: 1192304_5 

ПРИСОЕДИНИТЕЛЬНЫЕ РАЗМЕРЫ ТИХОХОДНОГО ВАЛА В ВИДЕ ЗУБЧАТОЙ ПОЛУМУФТЫ

Редуктор

b

d

d 1

d 2

d 3

L

l

l 1

Зацепление

m

z

1Ц2У-315

30

252

130

110F8

140

275

10

60

6

40


Передаточное число (Uред) – 8,0

Nподв кВт подводимая мощность 75 кВт

Максимальная частота вращения nδ мин-1 для u = 8,0 – 1500

На быстроходном валу Рδ для передаточного числа u = 8,0 – 400

Коэффициент полезного действия n = 0,97

Габаритные размеры 1030*720*685

Масса 520 кг

4.4 Выбор соединительной муфты

Для соединения валов между собой используются втулочно-пальцевые (МУВП), зубчатые(МЗ) и другие аналогичные муфты.

Выбор муфт осуществляется по расчетному вращающему моменту (Мрасч), передаваемому муфтой, с учетом диаметров соединительных валов

Мрасч i = к3 * Мi

где к3 – коэффициент запаса, к3 = 1,2…1,3; Мi вращающий момент на соединяемых валах, кН*м

Мi = Nдв * ni / ωi

Где ωi – угловая скорость вращения соединительных валов, с-1; ni – общий КПД деталей и узлов, расположенных между двигателем и устанавливаемой муфтой

ω = π*n/30 = 3,14*985/30 = 103,0967 рад/сек

Мi = 75*1/103,0967 = 0,7274 кН*м

Мрасч i = 1,3*0,7274 = 0,9457 кН*м

Условие выбора муфт

Мн i ≥ Мрасч i

d расточки = (di ; dу)

где Мн i – номинальный передаваемый вращающий момент выбираемой муфты, кН*м; di и dу – диаметр соединительных валов, мм; d расточки – интервал диаметров расточки под вал у выбираемого типоразмера муфты, мм.

Принимаем втулочно-пальцевую муфту (МУВП).

Техническая характеристика муфты

Марка МУВП

Количество 1

Описание: Описание: Муфты упругие втулочно-пальцевые типа МУВП (МУВП-1, МУВП-2, МУВП-3, МУВП-4, МУВП-5, МУВП-6, МУВП-7, МУВП-8, МУВП-9, МУВП-10, МУВП-11, МУВП-12, МУВП-13)

1 - полумуфта; 2 - палец; 3 - втулка распорная; 4 - втулка упругая.

5. Расчет деталей и узлов

Производится по следующей схеме.

Составление расчетной схемы, нагружение с указанием необходимых конструктивных размеров и действующих нагрузок;

Определение действующих нагрузок с построением требуемых по расчету эпюр и диаграмм;

Проверочный расчет.

5.1 расчет бандажей и опорных роликов бетоносмесителей с гравитационным перемешиванием и периферийным приводом

Проверочный расчет бандажей и опорных роликов производится по контактным напряжениям (Па) из условия:

σн = 0,418 √Fk E /bi p ≤ [σн]

где [σн] – допускаемое контактное напряжение, Па; для стали - [σн] = 800*106Па; Fk усилие по линии контакта бандажа барабана и опорного ролика, Н; E – модуль упругости; Па; для стали - E = 2*1011Па; bi ширина бандажа барабана (опорного ролика), м; принимается меньшее из двух значений; р – приведенный радиус кривизны, м усилие по линии контакта бандажа барабана и опорного ролика Н

6. Техника безопасности при эксплуатации и обслуживании

Рассматриваемое смесительное оборудование отличается большими габаритными размерами и тяжелыми условиями работы.

При его проектировании и монтаже следует особое внимание обратить на выполнение рабочих постов ремонтных площадок трапов, чтобы полностью исключалась возможность падения персонала с высоты и в движущиеся шламовые бассейны и контакта с движущимися частями машин.

Состояние электрооборудования и линий заземления должно проверяться перед началом каждой смены.

При неудовлетворительном уходе за машиной, в частности, при плохой очистке ее барабана в ощутимых пределах уменьшается полезный объем барабана, что снижает производительность, а также повышает расход энергии, так как приходится вращать дополнительные массы. Поэтому в процессе работы через каждые 2 ч и в конце смены нужно промывать барабаны смесителей водой, а гравитационные бетоносмесители водой со щебнем. В конце смены необходимо промывать машины в целом водой из шланга. При мойке машин их электродвигатели должны быть отключены от сети.

Список литературы

1.   Бауман В.А. механическое оборудование предприятий строительных материалов, изделий и конструкций (В.А. Бауман, Б.В. Клушанцев, В.Д. Мартынов . – М: Машиностроение, 1981).

2.   Борщевский А.А. Механическое оборудование для производства строительных материалов (А.А. Борщевский, А.С. Ильин . – М: Высшая школа, 1987).

3.   Вайсон А.А. транспортирующие машины: Атлас конструкций (А.А. Вайсон – М: Машиностроение 1986.)

4.   М.У. «Расчет бетоносмесителей» Надеин А.А. Богаченков А.Г. Абраменков Э.А.

Похожие работы на - Гравитационный бетоносмеситель

 

Не нашли материал для своей работы?
Поможем написать уникальную работу
Без плагиата!
Без нейросетей!