Расчёт моста автомобиля КамАЗ-4310
Содержание
1.
Устройство.
Описание конструкции
2.
Выбор расчётной
схемы
3.
Определение
нагрузок
4.
Расчёт деталей
моста
4.1.
Расчёт зубчатой
передачи
4.2.
Расчёт валов
4.3.
Подбор
подшипников
5.
Проверочный
расчёт
5.1.
Проверочный
расчёт зубчатой передачи
5.2.
Проверочный
расчёт валов
5.3.
Проверочный
расчёт подшипников
Литература
1. Устройство.
Описание конструкции
Крутящий момент к
главным передачам ведущих мостов передаётся через межосевой дифференциал,
установленный в среднем мосту. Картеры мостов сварены из стальных штампованных
балок, к которым приварены крышки картеров, фланцы для крепления главных
передачи суппортов тормозных механизмов, цапфы ступиц колёс, кронштейны для
крепления реактивных тяг и опоры рессор.
На картерах мостов
автомобилей-самосвалов КАМАЗ-4310 приварены установочные пластины для крепления
опоры рессор.
Главная передача –
двухступенчатая. Первая ступень состоит из пары конических шестерён со
спиральными зубьями, вторая из пары цилиндрических шестерён с косыми зубьями.
Для обеспечения оптимальных тягово-динамических характеристик в зависимости от
назначения автомобиля конструкцией мостов предусматриваются четыре варианта
передаточных чисел главной передачи: 7,22; 6,53; 5,94; 5,43.
Передаточные числа 7,22 и
6,53 характерны для автомобилей, работающих в составе автопоезда, и седельных
тягачей, а передаточные числа 5,94 и 5,43 – для одиночных автомобилей.
Изменение передаточного числа главной передачи достигается установкой различных
пар цилиндрических шестерен.
Ведущие конические
шестерни среднего и заднего мостов отличаются хвостовиками. Ведомые конические
шестерни одинаковы.
Ведущая коническая
шестерня главной передачи установлена на шлицах ведущего вала. Ведомая
коническая шестерня расположена на валу ведущей цилиндрической шестерни и
передаёт ему вращение через прямоугольную шпонку. Ведущая цилиндрическая
шестерня выполнена как одно целое с валом. К зубчатому венцу ведомой
цилиндрической шестерни болтами прикреплены чашки колёсного дифференциала.
В чашках установлены две
конические полуосевые шестерни, находящиеся в зацеплении с четырьмя сидящими на
шипах крестовины дифференциала сателлитами. В них запрессованы бронзовые
втулки. Под торцы полуосевых шестерён и сателлитов подложены опорные шайбы. В
шлицевые отверстия конических шестерён входят шлицы полуосей, фланцы которых
прикреплены гайками к шпилькам ступиц колёс.
Дифференциал в сборе с
киническими подшипниками размещён в гнёздах картера главной передачи. После
монтажа дифференциала на наружные обоймы подшипников устанавливают крышки и
крепят их болтами. Предварительный натяг подшипников осуществляют упорными
гайками, ввёрнутыми в гнёзда подшипников. Этими же гайками регулируют положение
ведомой цилиндрической шестерни относительно ведущей. Ведущий вал вращается в
двух конических роликоподшипниках, размещённых на хвостовике ведущей конической
шестерни, и в одном цилиндрическом роликоподшипнике, находящемся в гнезде
картера главной передачи. Наружный конический подшипник находится в стакане.
Попаданию грязи и пыли в передний подшипниковый узел и вытеканию смазки из него
препятствует крышка с двухкромочным сальником. Задний цилиндрический подшипник
закрыт глухой крышкой с прокладкой.
Вал ведущей
цилиндрической шестерни вращается в двух конических роликоподшипниках и в одном
цилиндрическом, размещённом в гнезде картера главной передачи. Наружные обоймы
конических подшипников установлены в стакане. Подшипниковый узел защищен от
попадания грязи и пыли глухой крышкой с прокладкой.
Предварительный натяг
подшипников конической пары обеспечивают подбором толщины пакета шайб, находящихся
между внутренними обоймами конических подшипников. Зацепление (пятно контакта)
конических шестерён регулируют подбором толщины пакетов регулировочных
прокладок, помещёнными под фланцами стаканов конических подшипников. Для смазки
подшипниковых узлов в картере главной передачи имеются маслосборники, из
которых масло по сверлениям в стенках картера поступает к подшипникам.
Для равномерного
распределения крутящего момента между ведущими мостами в трансмиссию автомобиля
введён симметричный межосевой дифференциал.
Межосевой дифференциал.
Межосевой дифференциал с
механизмом блокировки собран в отдельном картере, прикреплённом болтами к
фланцу стакана подшипников ведущей конической шестерни, и состоит из передней
и задней чашек, внутри которых установлены конические шестерни приводов заднего
и среднего мостов. Чашки обрабатывают совместно, поэтому при сборке их нужно
ставить так, чтобы совпадали места клеймения комплекта, выбитые на торце
отверстия под шип крестовины. Конические шестерни дифференциала находятся в
зацеплении с четырьмя сателлитами, сидящими на шипах крестовины. В чашках и
конических шестернях имеются отверстия, для подвода смазки к рабочим
поверхностям шестерён. Под торцы конических шестерён и сателлитов подложены
опорные шайбы. Чашки дифференциала соединены между собой болтами.
Задний вал и хвостовик
ведущеё конической шестерни соединены с коническими шестернями межосевого
дифференциала шлицевыми соединениями. Задний вал свободно установлен внутри
хвостовика ведущей конической шестерни и вращается на двух шарикоподшипниках.
Наружная обойма переднего
подшипника запрессована в выточку картера межосевого дифференциала, а во
внутренней обойме установлен хвостовик передней крышки дифференциала, внутри
которой размещены коническая шестерня и передний торец заднего вала. Задний
шарикоподшипник расположен в выточке картера главной передачи среднего моста.
На шлицах хвостовика
передней чашки дифференциала и заднего вала имеются фланцы для крепления
карданных валов.
Конструкция
подшипникового узла ведущей конической шестерни аналогична конструкции узла
главной передачи заднего моста, а подшипниковые узлы ведомых конических
(ведущих цилиндрических) шестерён обоих мостов одинаковы.
Предварительный натяг
подшипников и зацепление в конических шестернях регулируют так же, как и натяг
подшипников и зацепление шестерён заднего моста.
Картер главной передачи
заднего моста в сборе с колёсным дифференциалом и картер и картер главной
передачи среднего моста в сборе с колёсным и межосевым дифференциалом при
установке центрируют посадочным пояском и крепят гайками на шпильках, ввёрнутых
в картер моста.
Полуоси мостов полностью
разгружены. На цапфах, приваренных к торцам картеров мотов, гайками, замковыми
шайбами и контргайками закреплены ступицы, вращающиеся на двух конических
роликоподшипниках. К заднему фланцу ступицы прикреплён шпильками тормозной
барабан, а к наружному фланцу гайками, прижимами проставочным кольцом – ободы
задних колёс.
Для демонтажа в полуосях
предусмотрены резьбовые отверстия под болты съёмника. Ступицы болтов и детали
их крепления взаимозаменяемы.
В верхней части левого
кожуха полуоси установлен сапун, сообщающий полость картера моста с атмосферой.
2. Выбор расчётной
схемы
В
данной курсовой работе рассчитывается мост автомобиля КамАЗ-5511. По данному
агрегату производится расчёт вала ведомой конической шестерни, зубчатой
передачи и двух подшипников. Двигатель: модель 740. Для расчёта необходимы
следующие технические характеристики:
Т=650 Н*м – крутящий
момент при 2600 об/мин;
n=2600 об/мин – обороты двигателя;
ксц=1,2 –
коэффициент сцепления, (1,1…..1,3).
3. Определение
нагрузок
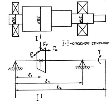
Рис. 1. Силы в зацеплении конической
передачи.
Рис. 2. Размеры конических колёс.
Рис. 3. Расчётная схема вала.
Рис. 4. Определение расчётных осевых нагрузок
для подшипников.
4. Расчёт деталей
коробки передач
4.1 Расчёт конической
передачи
Исходные данные: Крутящий момент, передаваемый на
главную передачу по прямой (пятой) передаче: Т=780 Н*м
(с учётом коэффициента
сцепления)
Частота вращения колеса: n=2600 об/мин.
Передаточное число
конической передачи: U=1.73
(26 и 15 зубьев);
Срок службы: t=10 л.;
Коэффициент, учитывающий
работу деталей за год: кгод=0,4;
Коэффициент, учитывающий
работу за сутки: ксут=0,3.
Циклограмма нагружений.















Тmax=1,7Т
Т
0,55Т
0,25Т
t





0,35t 0.35t
0.3t
t
1. Из табл. 3.1.
(Соловьёв В.Д. Курсовое проектирование деталей машин стр. 39) выбираем материал
зубчатых колёс:
сталь 35ХМ ГОСТ 4543-71 с
сочетанием термообработок:
шестерня – закалка 45…50 HRC;
колесо – улучшение
269…302 НВ,
=750 Мпа.
для шестерни:
для колеса:
3. Срок службы передачи:
t=10*кгод*365*24*ксут
t=10*0,4*365*24*0,3=10512 ч.
4.Число циклов
нагружения:
Nк=60nt
Nк=60*2600*10512=16,39*108
6. Эквивалентный крутящий момент:
,
где
-наибольший из длительно действующих на
колесе крутящих моментов по циклограмме;
-крутящий момент, соответствующий 1-й ступени циклограммы;
-число циклов напряжений, соответствующее 1-й ступени
циклограммы;
-общее
число циклов напряжений, соответствующее заданному сроку службы.
7. При несимметрично относительно опор
расположения зубчатых колёс
. Тогда:
7. Из табл. 3.3.
(Соловьёв В.Д. Курсовое проектирование деталей машин стр. 42) определяем
коэффициент концентрации нагрузки:
8. Расчётное значение
допускаемого контактного напряжения:
При этом должно
выполняться условие:
Принимаем
9. Диаметр внешней
делительной окружности:
;
10. Углы делительного
конуса:
;
11. Конусное расстояние:
12. Ширина колёс:
13. Число зубьев
шестерни определяется по рис 3.5. (Соловьёв В.Д. Курсовое проектирование
деталей машин стр. 59):
-
не отличается от заданного.
14. Внешний торцовой
модуль передачи:
15. Основные размеры
колёс:
Делительные диаметры:
Коэффициенты смещения
исходного контура определяются из табл. 3,8 (Соловьёв В.Д. Курсовое
проектирование деталей машин стр. 61):
Внешние диаметры колёс:
Средний диаметр колеса:
16.Силы в зацеплениях:
Осевая сила на шестерне:
Радиальная сила на
шестерне:
Осевая сила на колесе:
Радиальная сила на
колесе:
4.2 Расчёт валов
Приняв для расчёта только
с учётом крутящего момента на валу Т (Н*м) касательное напряжение
, наименьший диаметр определяется по
формуле:
Внутренние диаметры
определяются из табл. 4.1.(Соловьёв В.Д. Курсовое проектирование деталей машин
стр. 106).
l1=0.065 м.; l2=0.215
м.; l3=0.280 м.
4.3 Подбор подшипников
По табл. 5.3. и 5.5
(Соловьёв В.Д. Курсовое проектирование деталей машин стр. 157 и 162) подбираем
подшипники:
1.
Роликоподшипник,
радиальный с короткими цилиндрическими роликами, однорядный.
Средняя узкая серия №2307
ГОСТ 8328-75
,
.
2.
Роликоподшипник
радиально-упорный, конический, однорядный
Средняя широкая серия
№7607 ГОСТ 333-79
,
.
5. Проверочный расчёт
5.1 Проверочный расчёт
конической передачи
1.
Проверочный
расчёт на выносливость при изгибе.
Эквивалентная окружная
сила:
,
где gF – показатель степени кривой
усталости при расчёте на изгибную выносливость.
Определяем значение
коэффициента
:
Определение окружной
скорости колеса:
По табл. 3.11 (Соловьёв
В.Д. Курсовое проектирование деталей машин стр. 66) принимаем 6-ю степень точности,
тогда по табл. 3.10 (Соловьёв В.Д. Курсовое проектирование деталей машин стр.
64)
Определение
эквивалентного числа зубьев:
Из табл. 3.12 (Соловьёв
В.Д. Курсовое проектирование деталей машин стр. 66) определяем значения
коэффициентов
и
Напряжения изгиба на
зубьях колеса:
Напряжения изгиба в
зубьях шестерни:
Вывод:
усилия изгибной выносливости выполняется.
2.
Проверочный расчёт на контактную выносливость.
Из табл. 3.10 (Соловьёв
В.Д. Курсовое проектирование деталей машин стр. 64) принимаем значение
коэффициента
Проверку на контактную
выносливость ведут по условию:
Проверка условия
наиболее полного использования материала колёс:
-
отличие действительных контактных напряжений от допускаемых меньше, чем на 10%,
что допустимо.
Вывод:
условие контактной выносливости выполняется.
3.
Проверочный расчёт при действии кратковременной максимальной нагрузки.
При выполнении расчёта на действие кратковременной
максимальной нагрузки проверяют выполнение условий:
по контактным напряжениям:
по напряжениям изгиба:
Вывод:
условия прочности при кратковременной перегрузке выполняются.
5.2 Проверочный расчёт
валов
1.
Расчёт
вала на усталостную прочность.
Исходные данные: Крутящий момент: Т=780 Н*м;
Окружная сила: Ft=6084 H;
Радиальная сила: Fr=1095 H;
Осевая сила: Fa=1883 Н.
Циклограмма нагружений
такая же, как при расчётеконической зубчатой передачи.
1.
Принимаем материал вала:
сталь 40Х ГОСТ 4543-71 НВ>270,
2. Определение
реакций опор:
3.Изгибающий момент в
опасном сечении:
3. Эквивалентное
число циклов нагружения:
,
где
- крутящий момент и соответствующее ему
число циклов нагружения на каждой ступени графика нагрузки;
-
показатель кривой усталости.
4. Коэффициент нагружения
:
Поскольку
, то
5. Коэффициенты
концентрации напряжений:
,
где
и
-
эффективные коэффициенты концентрации напряжений
и
- коэффициенты влияния
абсолютных размеров поперечного сечения вала, опред. из. табл.;
и
- коэффициенты влияния поверхностного
упрочнения.
7. Осевой и полярный
моменты сопротивления:
Осевой и полярный
моменты сопротивления для вала d=65 мм. составляют по
табл. 4.7 (Соловьёв В.Д. Курсовое проектирование деталей машин стр. 126).
Wнетто=22215*109
м3, WР нетто=48050*109
м3.
8. Нормальное
и касательное напряжение в опасном сечении вала:
9. Коэффициенты
запаса по нормальным и касательным напряжениям:
,
где
и
-
пределы выносливости.
10.
Коэффициент запаса выносливости:
Условие прочности вала
соблюдено.
2. Расчёт вала на
жёсткость.
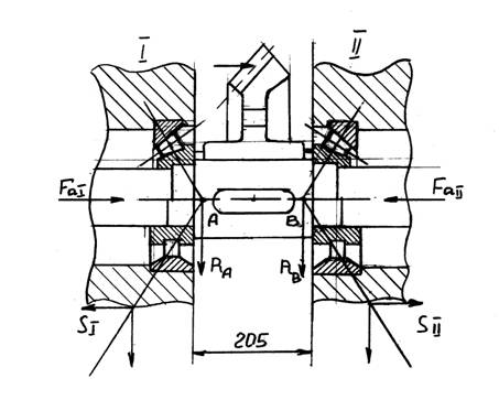
Исходные данные: а=65
мм.; с=140 мм.; с=75 мм.; d=65 мм; l=205 мм.
1. Осевой
момент инерции поперечного сечения:
2. Прогиб в вертикальной
плоскости:
от силы Fr: 
где Е – модуль упругости
материала вала;
2. Прогиб в
горизонтальной плоскости от силы Ft:

3. Суммарный
прогиб:
4. Допускаемый
прогиб:
Суммарный прогиб меньше
допускаемого прогиба.
10.1. Проверочный
расчёт подшипников.
I.
Роликоподшипник,
радиальный с короткими цилиндрическими роликами, однорядный.
Средняя узкая серия №2307
ГОСТ 8328-75
,
.
II.
Роликоподшипник
радиально-упорный, конический, однорядный
Средняя широкая серия
№7607 ГОСТ 333-79
,
.
График нагружений тот же,
что и ранее.
1. Коэффициент вращения V=1; коэффициент безопасности
;
температурный коэффициент
.
2. Находим соотношение
и определяем параметр
:
для подшипника I: 
для подшипника II:
3. Осевые составляющие
радиальных нагрузок:
для подшипника I:
для подшипника II:
4. Расчётная осевая
нагрузка:
для подшипника I:
для подшипника II:
5. Находим соотношение
:
для подшипника I:
для подшипника II:
6. Из табл.5.7.
(Соловьёв В.Д. Курсовое проектирование деталей машин стр. 170) находим
коэффициенты радиальной и осевой нагрузок:
для подшипника I: X=0.45; Y=1.81
для подшипника II: X=0.45; Y=1.62
7. Эквивалентная
динамическая нагрузка:
для подшипника I:
для подшипника II:
8. Срок службы
подшипников:
9. Долговечность
подшипников:
Долговечность на каждой
ступени графика:
L1=1640*0.4=656
млн.об
L2=1640*0.35=574
млн.об
L3=1640*0,25=410
млн.об
11.
Приведённая динамическая нагрузка:
для подшипника I:
для подшипника II:

12.
Расчётная динамическая нагрузка:
,
где
р – степенной показатель, для шарикоподшипников р=3, для роликоподшипников
р=3,3.
для подшипника I: 
для подшипника II:
Вывод:
подшипники подобраны правильно.
Вывод по работе:
расчёт не полностью совпадает с реальными размерами деталей.
Литература
1.
Курсовое проектирование деталей машин: Учебное пособие/В.Д.Соловьёв; Тул. гос.
ун-т. Тула, 1997. 402 с.
2.
Иванов М.Н. и Иванов В.Н. Детали машин. Курсовое проектирование. Учебное
пособие для машиностроительных вузов. М., «Высшая школа», 1975. 551 с. с ил.
3.
Мартынов Р.А., Трынов В.А., Прокопьев В.С. Автомобили КамАЗ. Эксплуатация и
техническое обслуживание автомобилей КамАЗ-5320, КамАЗ-5511 и др. Москва,
Изд-во «Недра» 1981,-424 с.