Системы впрыска топлива современных автомобильных двигателей

  • Вид работы:
    Контрольная работа
  • Предмет:
    Транспорт, грузоперевозки
  • Язык:
    Русский
    ,
    Формат файла:
    MS Word
    1,24 Mb
  • Опубликовано:
    2010-11-19
Вы можете узнать стоимость помощи в написании студенческой работы.
Помощь в написании работы, которую точно примут!

Системы впрыска топлива современных автомобильных двигателей

Система впрыска "L-Jetronic"

Система впрыска "L-Jetronic" — это управляемая электроникой система многоточечного (распределенного) прерывистого впрыска топлива (L — нем. Lade — заряд, порция). Главные отличия от систем "К-J" и "KE-J": нет дозатора-распределителя и регулятора управляющего давления, все форсунки (пусковая и рабочие) с электромагнитным управлением. Так как нет дозатора-распределителя, существенно изменился и расходомер воздуха. В системах "L-Jetronic" примерно в два раза меньше давление топлива в системе и возможно отсутствие накопителя (гидроаккумулятора).

Система впрыска "L-Jetronic" — это более совершенная система, с увеличением экономичности, снижением токсичности отработавших газов, улучшением динамики автомобиля.

ПРИНЦИП ДЕЙСТВИЯ

Электрический топливный насос 2 забирает топливо из бака 1, (рис. 35) и подает его под давлением 2,5 кгс/см2 через фильтр тонкой очистки 3 к распределительной магистрали 5, соединенной шлангами с рабочими форсунками цилиндров 8. Установленный с торца распределительной магистрали 5, регулятор давления топлива в системе 4 поддерживает постоянное давление впрыска и осуществляет слив излишнего топлива в бак. Этим обеспечивается циркуляция топлива в системе и исключается образование паровых пробок.

Количество впрыскиваемого топлива определяется электронным блоком управления 10 в зависимости от температуры, давления и объема поступающего воздуха, частоты вращения коленчатого вала и нагрузки двигателя, а также от температуры охлаждающей жидкости.

Основным параметром, определяющим дозировку топлива, является объем всасываемого воздуха, измеряемый расходомером воздуха. Поступающий воздушный поток отклоняет напорную измерительную заслонку расходомера воздуха, преодолевая усилие пружины, на определенный угол, который преобразуется в электрическое напряжение посредством потенциометра. Соответствующий электрический сигнал передается на блок электронного управления, который определяет необходимое количество топлива в данный момент работы двигателя и выдает на электромагнитные клапаны рабочих форсунок импульсы времени подачи топлива. Независимо от положения впускных клапанов, форсунки впрыскивают топливо за один или два оборота коленчатого вала двигателя (за цикл, за два такта).

Если впускной клапан в момент впрыска закрыт, топливо накапливается в пространстве перед клапаном и поступает в цилиндр при следующем его открытии одновременно с воздухом.

Рис. Схема системы впрыска топлива "L-Jetronic";

1 — топливный бак, 2 — топливный насос, 3 — фильтр тонкой очистки топлива, 4 — регулятор давления топлива в системе, 5 — распределительная магистраль, 6 — пусковая форсунка, 7 — блок цилиндров двигателя, 8 — форсунка (инжектор) впрыска, 9 — датчик температуры охлаждающей жидкости, 10 — электронный блок управления, 11 — блок реле, 12 — датчик-распределитель зажигания, 13 — выключатель положения дроссельной заслонки, 14 — высотный корректор, 15 — расходомер воздуха, 16 — подвод воздуха, 17 — термореле, 18 — винт качества (состава) смеси на холостом ходу, 19 — клапан добавочного воздуха, 20 — винт количества смеси на холостом ходу, 21 — выключатель зажигания, 22 — подвод разрежения к регулятору давления топлива в системе

Рис. Функциональная схема управления системой впрыска "L-Jetronic":

А — устройство входных параметров: 1 — датчик температуры всасываемого воздуха, 2 — расходомер воздуха, 3 — выключатель положения дроссельной заслонки, 4 — высотный корректор, 5 — датчик-распределитель зажигания, б — датчик температуры охлаждающей жидкости, 7 — термореле. В — устройства управления и обеспечения: 8 — электронный блок управления, 9 — блок реле, 10 — топливный насос, 11 — аккумуляторная батарея, 12 — выключатель зажигания. С — устройства выходных параметров: 13 — рабочие форсунки, 14 — клапан добавочного воздуха, 15 — пусковая форсунка

Клапан дополнительной подачи воздуха 19, (см. рис. 35), установленный в воздушном канале, выполненном параллельно дроссельной заслонке, подводит к двигателю добавочный воздух при холодном пуске и прогреве двигателя, что приводит к увеличению частоты вращения коленчатого вала. Для ускорения прогрева используются повышенные обороты холостого хода (более 1000 об/мин).

Для облегчения пуска холодного двигателя, также как и в других рассмотренных системах впрыска, здесь применяется электромагнитная пусковая форсунка 6, продолжительность открытия которой изменяется в зависимости от температуры охлаждающей жидкости (термореле 17).

Функциональную связь всех элементов системы впрыска "L-Jetronic" можно увидеть обратившись к рис. 36. Величина необходимой в настоящий момент дозы топлива вычисляется электронным блоком управления в зависимости от массы всасываемого воздуха (объем, давление, температура), температуры двигателя и режима его работы.

ФУНКЦИОНИРОВАНИЕ СИСТЕМЫ ПРИ РАЗЛИЧНЫХ РЕЖИМАХ РАБОТЫ ДВИГАТЕЛЯ

Каждый цилиндр имеет свою форсунку с электромагнитным управлением, впрыскивающую топливо перед впускным клапаном. Впрыск согласован с частотой вращения коленчатого вала двигателя. Информация о частоте вращения передается в электронный блок управления от контакта прерывателя (системы зажигания с контактным управлением), от клеммы "1" катушки зажигания или клеммы "16" коммутатора (для бесконтактных систем зажигания).

Объем проходящего воздуха полностью определяется положением дроссельной заслонки (нагрузкой двигателя). Объем (масса) воздуха измеряется расходомером. Последним не учитывается только воздух, проходящий через обводной канал, который используется для СО-регулирования, (см. рис. 35).

О тепловом режиме двигателя дает информацию датчик температуры охлаждающей жидкости.

Информацию о нагрузочном режиме двигателя в блок электронного управления сообщает выключатель положения дроссельной заслонки. Информация состоит из сигналов: "холостой ход", "частичные нагрузки", "полная нагрузка". Если дроссельная заслонка закрыта, двигатель работает на холостом ходу, контакты холостого хода замкнуты и в электронный блок управления идет соответствующий сигнал. Также осуществляется информация о полной нагрузке двигателя, только в этом случае контакты разомкнуты. Сигнал о частичной нагрузке формируется при помощи потенциометра.

Для облегчения холодного пуска смесь обогащается пусковой форсункой. Последняя управляется от выключателя зажигания через термореле, (см. рис. 14) через реле пуска холодного двигателя (послестартовое реле) и термореле, (см. рис. 16). Назначение послестартового реле — продлить время работы пусковой форсунки.

При прогреве двигателя на холостом ходу подача топлива также увеличивается и в связи с сигналами, поступающими в электронный блок управления от датчика температуры двигателя (охлаждающей жидкости).

В системе "L-Jetronic" учитывается, что плотность холодного воздуха выше плотности теплого. Чем теплее засасываемый воздух, тем хуже наполнение цилиндров при постоянном положении дроссельной заслонки. Температура поступающего воздуха изменяется не только в связи с изменением "наружной" его температуры, но и в связи с изменением "внутренней". Нормальная температура в подкапотном пространстве примерно 50°С. Информация о температуре воздуха поступает от датчика, встроенного в расходомер воздуха, в электронный блок управления, определяющий дозу впрыскиваемого топлива. На части автомобилей устанавливается кроме того высотный корректор, который информирует блок управления о наружном атмосферном давлении.

Большую часть времени двигатель работает в режиме частичных нагрузок, поэтому программа, заложенная в электронный блок управления, обеспечивает минимально возможный расход топлива при приемлемой концентрации вредных веществ в отработавших газах. Топливную экономичность и (или) минимальную токсичность отработавших газов удается получить при использовании лямбда-зондов и нейтрализаторов.

Обогащение смеси происходит при холодном пуске, прогреве, холостом ходе, ускорении движения, полной нагрузке. При всех режимах, кроме последнего, излишек топлива необходим для устойчивой работы двигателя. При холодном двигателе "больше топлива" означает и больше его легкоиспаряющихся фракций. При холостом ходе — хуже наполнение, больше остаточных газов. При полной нагрузке "излишек" топлива необходим, для "внутреннего" охлаждения двигателя за счет испарения части топлива.

Система холостого хода "L-Jetronic" дополнена обводным каналом расходомера воздуха (см. рис. 35). В этом канале установлен винт качества (состава) смеси или СО-регулирования. Назначение обводных каналов дроссельной заслонки "L-Jetronic" такое же, как и в системах "K-J", "KE-J".

В режиме принудительного холостого хода дроссельная заслонка закрыта и в блок управления идет сигнал: "холостой ход". Если при этом обороты двигателя выше так называемой восстанавливаемой частоты вращения, впрыск топлива прекращается. Соответственно уменьшается расход топлива и выброс вредных веществ. Восстанавливаемая частота вращения (когда вновь начинается впрыск топлива) обычно лежит в пределах 1200—1700 об/мин.

РАСХОДОМЕР ВОЗДУХА

Расходомер воздуха системы "L-J" отличается от расходомеров рассмотренных выше систем "K-J", "KE-J". Воздушный поток воздействует на измерительную заслонку 2, (рис. 37) прямоугольной формы. Заслонка закреплена на оси в специальном канале, поворот заслонки преобразуется потенциометром в напряжение, пропорциональное расходу воздуха. Потенциометр представляет собой, как правило, цепочку резисторов, включенных параллельно контактной дорожке.

Воздействие воздушного потока на измерительную заслонку 2 уравновешивается пружиной. Для гашения колебаний, вызванных пульсациями воздушного потока и динамическими воздействиями характерными для автомобиля, особенно на плохих дорогах, в расходомере имеется демпфер 3 с пластиной 4. Пластина 4 выполнена как одно целое с измерительной заслонкой 2. Резкие перемещения измерительной заслонки становятся невозможными из-за воздействия на пластину 4 усилия воздуха сжимаемого в демпферной камере.

На входе в расходомер встроен датчик температуры поступающего воздуха 7. В верхней части расходомера расположен обводной канал 1 с винтом качества (состава) смеси 6. Расходомеры бывают с шести- и семи штекерным подключением.

Рис. Расходомер воздуха с датчиком температуры всасываемого воздуха:

1 — обводной канал, 2 — измерительная заслонка, 3 — демпферная камера, 4 — пластина демпфера, 5 — потенциометр, 6 — винт качества (состава) смеси холостого хода, 7 — датчик температуры, 8 — контакты топливного насоса

ЭЛЕКТРИЧЕСКАЯ СХЕМА СИСТЕМЫ ВПРЫСКА

Схема электрооборудования автомобилей с системой впрыска топлива "L-Jetronic" является более сложной, в этом легко убедиться сравнив схемы представленные на рис. 30 и 38. Электросхемы систем впрыска топлива "L-Jetronic" различаются в зависимости от автомобиля, двигателя, установленного на нем, и года выпуска, поэтому на рис. 38 представлены только два из наиболее часто встречающихся вариантов.

Чтобы не получить травм и не вывести из строя узлы системы впрыска при обслуживании и ремонте необходимо соблюдать следующие правила:

не подключать напряжение 12 В к рабочим форсункам, так как они рассчитаны на напряжение 3 В;

не допускать работы двигателя, при проводах, плохо закрепленных на выводах аккумуляторной батареи;

не отсоединять провода от выводов аккумуляторной батареи при работающем двигателе;

отключать аккумуляторную батарею от бортовой сети при ее зарядке непосредственно на автомобиле от постороннего источника тока;

не запускать двигатель с помощью постороннего источника тока напряжением более 12 В;

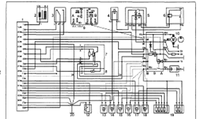
Рис. Электрическая схема соединений системы впрыска "L-Jetronic":

1 — разъем электронного блока управления, 2 — катушка зажигания, 3 — выключатель положения дроссельной заслонки, 4 — пусковая форсунка, 5 — реле пуска холодного двигателя (послестартовое реле), б — термореле, 7 — расходомер воздуха, 8 — датчик температуры поступающего воздуха, 9 — блок реле (питание системы впрыска и включение топливного насоса), 10 — топливный насос, 11 — аккумуляторная батарея, 12 — датчик температуры охлаждающей жидкости, 13—18 — рабочие форсунки (инжекторы), 19 — дополнительные резисторы, вариант без дополнительных резисторов показан штриховыми линиями ("LE-J"), 20 — главная точка соединения с "массой" (шпилька крепления впускного коллектора)

Перед соединением штепсельных разъемов проверьте состояние обеих частей штепселя и надежность фиксации сочленения разъема, убедитесь в наличии резинового уплотнителя и фиксирующей пружины;

разъедините разъем блока электронного управления впрыском 1, при электросварке кузова других узлов и деталей;

снимите электронный блок управления, если автомобиль будет подвергаться воздействию высоких температур (80°С и выше, например в;

сушильной камере при окраске кузова);

при измерении компрессии в цилиндрах двигателя отсоедините провода от форсунок, чтобы не допустить подачи топлива;

не проверяйте провода и их соединения контрольной лампой;

не вставляйте наконечники тестера в гнезда разъемов узлов системы впрыска, измерения разрешается производить на подводящих проводах, предварительно сняв защитный кожух разъема;

при проверке напряжения в цепях предварительно проверьте степень заряда аккумуляторной батареи;

при проверке тестером электрических характеристик приборов при соединении на "массу" отсоедините провода от аккумуляторной батареи.

Система впрыска "Mono-Jetronic"

"Mono-Jetronic" система впрыска управляемая электронным блоком управления. Система имеет одну на весь двигатель (греч. монос — один) магнитоэлектрическую форсунку, топливо, как и в системах "L-Jetronic", впрыскивается с интервалами.

Так как топливная форсунка расположена перед дроссельной заслонкой, практически на месте жиклера карбюратора, давление топлива в системе составляет всего около 1 кгс/см2. Регулятор давления системы расположен вблизи форсунки в центральном узле впрыска, где размещены также дроссельная заслонка, выключатель положения дроссельной заслонки, датчик температуры всасываемого воздуха.

Система "Mono-Jetronic", не имеет расходомера воздуха, поэтому соотношение масс воздуха и топлива здесь менее точное и определяется только положением дроссельной заслонки, температурой всасываемого воздуха и частотой вращения коленчатого вала.

Устройство, определяющее положение дроссельной заслонки, представляет собой в этой системе не выключатель с контактами (холостого хода, частичной нагрузки, полной нагрузки), а потенциометр, который информирует электронный блок управления о положении заслонки в данный момент времени.

Таким образом основное дозирование топлива, осуществляется, как отмечалось, по трем параметрам: положению дроссельной заслонки, температуре всасываемого воздуха и частоте вращения коленчатого вала двигателя. Корректировка позирования при холодном пуске и прогреве осуществляется электронным блоком управления по импульсам получаемым от датчиков температуры всасываемого воздуха, охлаждающей жидкости и потенциометра дроссельной заслонки. Последний корректирует дозировку и при полной нагрузке. Корректировка по токсичности отработавших газов идет по сигналам лямбда-зонда. Изменение дозирования происходит за счет увеличения или уменьшения времени впрыска при постоянном давлении топлива.

Электронный блок управления сглаживает колебания напряжения бортовой сети и осуществляет регулировку холостого хода. Регулировка холостого хода достигается вращением дроссельной заслонки специальным электродвигателем. При этом увеличивается или уменьшается количество воздуха в зависимости от отклонения мгновенного значения частоты вращения коленчатого вала от номинального значения, заложенного в память электронного блока управления. Блоком управления воспринимается и скорость вращения дроссельной заслонки. При режиме ускорения, рабочая смесь обогащается.

Система впрыска "Mono-Jetronic" может быть выполнена и в варианте, представленном на рис., с расходомером воздуха 1 и клапаном добавочного воздуха 4.

Рис. Схема системы впрыска "Mono-Jetronic":

1 — топливный бак, 2 — топливоподающий насос, 3 — топливный насос, 4 — топливный фильтр, 5 — узел центральной форсунки, 6 — регулятор холостого хода с шаговым электродвигателем, 7 — потенциометр дроссельной заслонки, 8 — лямбда-зонд, 9 — электронный блок управления впрыском, 10 — датчик температуры охлаждающей жидкости, 11 — прибор коммутирующий сигнал информации о частоте вращения коленчатого вала двигателя получаемый из системы зажигания, 12 — выключатель зажигания, 13 — аккумуляторная батарея, 14 — датчик-распределитель

Рис. Узел Центральной форсунки:

1 — регулятор давления топлива, 2 — датчик температуры всасываемого воздуха, 3 — электромагнитная форсунка, 4 — корпус форсунки и регулятора, 5 — корпус дроссельной заслонки, 6 — дроссельная заслонка


Рис. Схема системы впрыска "Mono-Jetronic":

1 — измеритель расхода воздуха, 2 — форсунка, 3 — блок электронного управления, 4 — клапан добавочного воздуха, 5 — датчик положения дроссельной заслонки (потенциометр), 6 — регулятор давления топлива в системе, 7 — топливный фильтр, 8 — топливный насос, 9 — датчик температуры охлаждающей жидкости

Объединенные системы впрыска и зажигания

Внедрение электроники в управление системами зажигания и питания привело к созданию объединенного или центрального электронного управления двигателем. Объединенное электронное устройство называют микроЭВМ, микропроцессор или контроллер.

У нас первые системы объединенного управления появились на карбюраторных автомобилях ВАЗ-2108, -2109 и назывались МСУД (микропроцессорная система управления двигателем). Системы эти выполняют довольно скромную задачу и предназначаются только для управления зажиганием (моментом и энергией искрообразования) и электромагнитным клапаном карбюратора.

Системы объединенного электронного управления впрыском (смесеобразованием) и зажиганием имеют следующие преимущества:

совмещение функций агрегатов и датчиков позволяет сократить их число;

процессы зажигания и смесеобразования оптимизируются совместно, при этом улучшаются характеристики крутящего момента, расхода топлива, состава отработавших газов, облегчается пуск и прогрев холодного двигателя;

открываются большие возможности для выполнения других функций: управление автоматической коробкой передач, противобуксовочной системой ведущих колес, антиблокировочной тормозной системой, кондиционером, противоугонным устройством и т.п.

Прежде чем перейти к рассмотрению объединенной системы электронного управления обратим внимание на функциональную структуру этой системы и названия ее составных частей, (рис. 50).

В контроллер от датчиков поступают аналоговые сигналы 1—11, (см. рис. 50), (греч. аналогиа — соответствие, сходство, подобие). Или, другими словами, к контроллеру "подаются" не непосредственно температура, давление и т.д., а их электрический аналог — ток, с соответствующим образом изменяющимися параметрами (напряжение, сила).

В общем случае изменение токов и напряжений происходит непрерывно по тому или иному закону, например по синусоидальному. Интегральные схемы микропроцессоров ЭВМ характеризуются тем, что они работают в импульсном режиме и могут находиться только в одном из двух состояний — согласно используемой в современных ЭВМ двоичной системе счисления (только две цифры — ноль и единица). Поэтому сигналы датчиков сначала преобразуются в "более четкие" аналоговые сигналы, которые в свою очередь в аналого-цифровом преобразователе 12, (см. рис. 50), превращаются в цифровую информацию.

Рис. 50. Функциональная схема электронного управления двигателем входные сигналы:

1 — угловое положение коленчатого вала, 2 — частота вращения коленчатого вала двигателя, 3 — объем всасываемого воздуха, 4 — температура всасываемого воздуха, 5 — температура охлаждающей жидкости, 6 — напряжение аккумуляторной батареи, 7 — положение дроссельной заслонки, 8— информация о режиме пуска, 9 — жесткость сгорания, детонация, 10 — состояние двигателя, компрессия, 11 — лямбда-зонд. Элементы системы: 12 — аналого-цифровой преобразователь, 13 — микропроцессор, входные и выходные схемы, 14, 15 — постоянный и промежуточный блоки памяти, 16, 17 — каскады усиления, 18 — система питания, 19 — система зажигания

Микропроцессор 13 обрабатывает полученную информацию по программе заложенной в блоке памяти 14 с использованием блока оперативной памяти 15.

Выходные сигналы микроЭВМ не могут быть использованы для непосредственного управления зажиганием, форсунками, насосом в связи с их малой мощностью. Только после прохождения их через выходные каскады усиления 16, 17 они превращаются в команды (электрические сигналы) воздействующие на системы питания и зажигания.

СИСТЕМЫ "MOTRONIC"

Система "Motronic" является системой объединяющей электронные устройства смесеобразования и зажигания. В систему "Motronic" могут быть включены различные системы впрыска, например, "Мопо-Jetronic", "KE-Jetronic", " L-Jetronic" и т.д.

"MOHO-MOTRONIC"

На легковых автомобилях массового выпуска применяют более простые и дешевые системы, например, "Mono-Motronic", (рис. 51). Ее устанавливают на двигателях небольшого рабочего объема автомобилей малого и особо малого класса.

В системе "Mono-Motronic", в отличие от более сложных систем, основные сигналы зависят от положения дроссельной заслонки и частоты вращения коленчатого вала двигателя. Кроме того, учитываются сигналы от кислородного датчика, а также датчиков температуры охлаждающей жидкости и всасываемого воздуха. Рассчитанное микроЭВМ требуемое количество топлива посредством центральной электромагнитной форсунки периодически впрыскивается над дроссельной заслонкой и смешивается с воздухом. С учетом этих же данных, но по другой программе, управляющие импульсы подаются на катушку зажигания.

Система способна учитывать износ цилиндро-поршневой группы двигателя (падение компрессии) и изменение атмосферного давления. Если датчики начинают подавать ошибочные сигналы, информация об этом накапливается в памяти. Во время технического обслуживания она считывается диагностическим тестером, что позволяет быстро найти источник неисправности.

Рис. Система "Mono-Motronic":

1 — электронный блок управления, 2 — катушка (катушки) зажигания, 3 — электрический топливный насос, 4 — регулятор холостого хода, 5 — датчик положения дроссельной заслонки, 6 — электромагнитная форсунка, 7 — датчик температуры охлаждающей жидкости, 8 — датчик частоты вращения двигателя, 9 — разъем для диагностики, 10 — кислородный датчик ("лямбда-зонд"), 11 — емкость с активированным углем для сбора паров бензина (адсорбер), 12 — распределитель бесконтактного электронного зажигания, 13 — диффузор с датчиком температуры всасываемого воздуха, 14 — регулятор давления топлива, 15 — возвратный топливный клапан, 16 — топливный фильтр

"MOTRONIC 1.1—1.3"

Цифровые системы управления двигателем "M1.1", M1.2" и "М1.3" объединяют (интегрируют) в себе системы впрыска топлива и зажигания, (рис. 52). Обе системы управляются одним контроллером, представляющим собой специализированную цифровую микро-ЭВМ. В системах "M1.1—Ml.3" используется электронная система зажигания, объединенная в системах "M1.1" и "M1.2" с системой впрыска "L-Jetronic", а в системе "М1.3" с системой "LE-Jetronic". Единый для обеих систем контроллер вычисляет оптимальные углы опережения зажигания в зависимости от сигналов, выдаваемых датчиками.

Каждой модели двигателя соответствует определенный тип контроллера. Поэтому при его замене обязательно убедитесь в соответствии типа нового контроллера двигателю данной модели!

Количество впрыскиваемого топлива определяется контроллером в зависимости от информации, выдаваемой датчиками, измеряющими следующие параметры: объем и температуру всасываемого воздуха, частоту вращения коленчатого вала двигателя, нагрузку двигателя и температуру охлаждающей жидкости. Основным параметром, определяющим дозировку топлива, является объем всасываемого воздуха, измеряемый расходомером воздуха, (см. рис. 37). Поступающий воздушный поток отклоняет измерительную заслонку на определенный угол, который преобразуется потенциометром в электрический сигнал, выдаваемый на контроллер. Последний определяет количество топлива, необходимое в данный момент для работы двигателя, и выдает на электромагнитные форсунки импульсы времени подачи топлива.

Частота вращения коленчатого вала двигателя на холостом ходу поддерживается постоянной с помощью выключателя 9 (потенциометра) дроссельной заслонки, (см. рис. 52).

Значения углов опережения зажигания, заложенные в запоминающее устройство (блок памяти) контроллера, сравниваются с действительными значениями и соответствующим образом корректируются, что позволяет исключить нарушения режима работы двигателя в результате механического износа деталей, появления негерметичности впускного тракта, изменения компрессии и т.п.

На автомобилях с автоматической коробкой передач частота вращения коленчатого вала двигателя на холостом ходу регулируется в зависимости от включенной передачи.

Аналогично регулируется режим холостого хода на автомобилях, оборудованных кондиционером.

Как только частота вращения коленчатого вала двигателя достигает максимально допустимого значения, по команде контроллера подача топлива к форсункам прерывается.

В начальный момент пуска холодного двигателя в цилиндры впрыскивается увеличенное количество топлива. Впрыск происходит три раза в каждую группу цилиндров (первый, третий, пятый и второй, четвертый, шестой; или первый, четвертый и второй, третьей группы соответственно для 6-ти и 4-х цилиндровых двигателей) в течение первых трех оборотов коленчатого вала.

Степень обогащения рабочей смеси определяется температурой охлаждающей жидкости.

Рис. Схема цифровой системы управления двигателем "Motronic 1.1—1.3":

1 — топливный бак, 2 — топливный насос, 3 — топливный фильтр, 4 — регулятор давления топлива, 5 — катушка зажигания, 6 — измеритель расхода воздуха, 7 — форсунка, 8 — распределитель зажигания, 9 — выключатель (потенциометр) дроссельной заслонки, 10 — контроллер, 11 — поворотный регулятор холостого хода, 12 — датчик температуры охлаждающей жидкости, 13 — датчик числа оборотов коленчатого вала двигателя, 14 — накопитель топлива с активированным углем, 15 — клапан вентиляции, 16 — реле включения топливного насоса

Во время пуска холодного двигателя начальная подача топлива через форсунки уменьшается в зависимости от температуры охлаждающей жидкости и частоты вращения коленчатого вала, чтобы избежать переобогащения рабочей смеси. Если в течение одной минуты предпринимается несколько попыток запустить двигатель, количество впрыскиваемого топлива уменьшается по сравнению с начальным моментом пуска.

После запуска двигателя (начиная с частоты вращения коленчатого вала 600 об/мин) впрыск топлива происходит лишь один раз за оборот коленчатого вала в одну из двух групп цилиндров, т.е. во второй, четвертый и шестой (первый, четвертый) цилиндры при первом обороте коленчатого вала и в первый, третий, пятый (второй, третий) цилиндры при втором обороте.

Во время прогрева двигателя (до того, как температура охлаждающей жидкости достигает 70°С) продолжительность впрыска топлива также увеличивается в зависимости от частоты вращения и температуры охлаждающей жидкости согласно введенной в контроллер программе.

Каждая из групп форсунок (6-ти цилиндровый двигатель — вторая, четвертая, шестая и первая, третья, пятая) управляется отдельным выходным каскадом усиления тока. Это позволяет разделить цикл впрыска топлива по двум группам цилиндров. Тем самым обеспечивается работа двигателя даже в случае выхода из строя системы зажигания группы цилиндров.

Как только частота вращения коленвала превысит 600 об/мин, впрыск топлива происходит только один раз за два оборота коленчатого вала в одну из групп цилиндров. В шестицилиндровом двигателе такой вид управления впрыском возможен только, если контроллер получает сигнал от датчика момента зажигания, установленного на свечном проводе шестого цилиндра. Если датчик момента зажигания не выдает сигнал на контроллер, происходит одновременный впрыск через все форсунки при каждом обороте коленчатого вала.

В системе "Motronic 1.3" на автомобилях с автоматической коробкой передач с гидравлическим управлением предусмотрена блокировка принудительного включения низшей передачи. Начиная с определенной скорости движения автомобиля, в зависимости от типа двигателя и передаточного числа главной передачи, переключение с IV на III передачу блокируется контроллером, который выключает один из электромагнитных клапанов автоматической коробки передач.

"MOTRONIC 1.7"

Система "Motronic 1.7" является модификацией системы "Motronic 1.3". Основное отличие модифицированной системы заключается в использовании устройства распределения зажигания без подвижных частей, что обусловило применение четырех (4-цилиндровый двигатель) выходных каскадов зажигания вместо одного, как в традиционных системах. Такая система зажигания получила название — полностью электронная "статическая".

Если обратиться к рис, то можно обнаружить следующие отличия системы "М 1.7" от "М 1.3":

вместо выключателя дроссельной заслонки 9 устанавливается потенциометр,

вместо общей катушки зажигания 5 устанавливается по одной катушке на каждый цилиндр,

отсутствует распределитель зажигания.

Полностью электронная "статическая" система зажигания, когда катушка зажигания каждого цилиндра управляется своим выходным каскадом контроллера, позволяет не только выдавать на свечи зажигания ток высокого напряжения, достигающего 32 кВ, но и быстро изменять угол опережения зажигания в каждом цилиндре.

Кроме того, диапазон регулирования угла опережения зажигания увеличен примерно на 10° и составляет 59° (по коленчатому валу) для каждого цилиндра. Для контроля за очередностью работы цилиндров в системе "М 1.7" используется датчик углового положения распределительного вала.

При рассматриваемой системе зажигания рекомендуется применение свечей с тремя "массовыми" электродами, например, BOSCH SUPER W7DTC. Их рекомендуется заменять через 30 тыс. км, тогда как с одним электродом, например, BOSCH SUPER W7DC, через 15 тыс. км.

"MOTRONIC 3.1"

Система "Motronic 3.1" является модификацией системы "Motronic 1.7". Основные различия между этими системами заключаются в следующем:

увеличена производительность контроллера;

применен измеритель массы воздуха термоанемометрического типа, с нагреваемым проводником;

применен последовательный режим впрыска топлива.

Каждая форсунка управляется отдельным выходным каскадом контроллера. Этим достигается высокая точность дозировки впрыскиваемого топлива и быстрая реакция системы на изменения нагрузки двигателя.

Во время и сразу же после пуска двигателя (начиная с частоты вращения коленчатого вала около 600 об/мин) впрыск топлива происходит отдельно в каждый цилиндр через каждые 120° угла поворота коленчатого вала (три раза за один оборот).

На автомобилях с автоматической коробкой передач система "М 3.1" получает сигнал об установке рычага селектора в положение "I", "II", "III" или "D" и регулятор холостого хода увеличивает подачу топлива, чтобы компенсировать падение оборотов коленчатого вала двигателя в результате включения гидротрансформатора крутящего момента.

На автомобилях с кондиционером после получения контроллером сигнала включения кондиционера, он начинает следить за режимом холостого хода корректируя частоту вращения коленчатого вала при включении компрессора кондиционера.

На автомобилях с нейтрализатором отработавших газов по сигналу ^-зонда контроллер системы "М 3.1", в зависимости от того рабочая смесь переобогащена или переобеднена, соответствующим образом изменяет продолжительность впрыска топлива и, следовательно, состав топливовоздушной смеси.

При выходе из строя датчика концентрации кислорода корректировка состава смеси осуществляется по величине, принимаемой "по умолчанию" (0,45 В), запрограммированной в контроллере. При этом регулировка содержания окиси углерода (СО) в отработавших газах не требуется.

Клапан вентиляции топливного бака 15, с адаптивным управлением (лат. adaptatio — приспособление) работает так. Пары топлива из топливного бака 1 подаются в двигатель через фильтр 16 с активированным углем с некоторым количеством наружного воздуха. В трубопроводе, идущему к впускному коллектору, установлен клапан, который дросселирует или свободно пропускает поток паров топлива в зависимости от режима работы двигателя.

Рис. Схема цифровой системы управления двигателем "Motronic 3.1":

1 — топливный бак, 2 — топливный насос, 3 — топливный фильтр, 4 — регулятор давления топлива, 5 — катушка зажигания, 6 — измеритель массы воздуха с нагреваемым проводником, 7 — форсунка, 8 — свеча зажигания, 9 — потенциометр дроссельной заслонки, 10 — контроллер, 11 — поворотный регулятор холостого хода, 12 — датчик температуры охлаждающей жидкости, 13 — датчик детонации, 14 — датчик числа оборотов двигателя, 15 — клапан вентиляции топливного бака, 16 — адсорбер (емкость с активированным углем)

Цикл удаления паров топлива начинается с включения в работу датчика концентрации кислорода. После каждого рабочего цикла клапан вентиляции топливного бака остается закрытым примерно в течение 30 с.

При этом происходит корректировка холостого хода, если двигатель работает на холостом ходу. После остановки двигателя клапан вентиляции остается под напряжением, т.е. закрытым в течение 3 с для предотвращения самовоспламенения рабочей смеси после выключения зажигания. Затем при неработающем двигателе (клапан вентиляции обесточен) закрывается пружинный обратный клапан. Тем самым прекращается поступление паров топлива во впускной коллектор.

Когда температура наружного воздуха повышена или в случае превышения нормальной температуры охлаждающей жидкости контроллер вырабатывает команды на смещение угла опережения зажигания в сторону запаздывания для предотвращения детонации.

В системе "Motronic 3.1" предусмотрена защита нейтрализатора отработавших газов. Отклонения от нормальной работы первичной цепи системы зажигания обнаруживаются контроллером, который выключает форсунку неисправного цилиндра. Благодаря этому предотвращается поступление несгоревшей рабочей смеси в нейтрализатор.

На двигателях с системой "Motronic 3.1", содержание СО в отработавших газах не регулируются. Винтов качества и количества в системе холостого хода нет вообще.

Похожие работы на - Системы впрыска топлива современных автомобильных двигателей

 

Не нашли материал для своей работы?
Поможем написать уникальную работу
Без плагиата!
Без нейросетей!