Перегонные системы автоматики

  • Вид работы:
    Курсовая работа (т)
  • Предмет:
    Транспорт, грузоперевозки
  • Язык:
    Русский
    ,
    Формат файла:
    MS Word
    496,21 kb
  • Опубликовано:
    2009-12-08
Вы можете узнать стоимость помощи в написании студенческой работы.
Помощь в написании работы, которую точно примут!

Перегонные системы автоматики

Государственное образовательное учреждение среднего профессионального образования РФ

Федеральное агентство железнодорожного транспорта

Пензенский техникум железнодорожного транспорта

Допущен к защите

"___" ___________ 2009 г.





КУРСОВОЙ ПРОЕКТ

По предмету: "Перегонные системы автоматики"



Выполнил:

Студент гр. АТ - 317 Коннов Д. А

Руководитель

проектирования Сидорова Е.Н.





Пенза 2008-2009 уч. г.

Содержание

Введение

1. Эксплуатационное проектирование автоблокировки

1.1 Общие принципы построения автоблокировки (АБ)

1.2 Построения кривой скорости по методу МПС

1.3 Определение интервала расстановки светофоров

1.4 Расстановка проходных светофоров по перегону

1.5 Схемы однопутной автоблокировки

2. Увязка автоблокировки со станционными устройствами

2.1 Принцип увязки АБ с ЭЦ

2.2 Схемы увязки однопутной автоблокировки переменного тока

3. Увязка схем перегонных устройств с работой схем переезда

3.1 Расчет времени извещения о приближении поезда к переезду

3.2 Оборудование переезда

3.3 Схема управления АПС на однопутном участке с АБ переменного тока частотой 50Гц

4. Проектирование кабельных сетей АБ

4.1 Выбор трасы кабельных линий

4.2 Расчет длин кабелей

4.3 Расчеты жильности кабелей

5. Монтажные схемы релейных шкафов

6. Защита схем от опасного влияния тягового тока

7. Техника безопасности и основы экологии

7.1 Техника безопасности

7.2 Основы экологии

Литература

Введение


Проекты автоблокировок выполняются на основе технико-экономических требований (ТЭО), подтверждающих экономическую целесообразность и эксплуатационную необходимость намечаемого строительства.

Стадийность проектирования определяется в ТЭО при их утверждении. Техно-рабочий проект предназначается для строительства по нему всего комплекса сооружений и устройств автоблокировки и должен содержать документацию, необходимую для заказа нестандартного оборудования (релейных шкафов, релейных стативов, пультов и др.)

Основными частями техно-рабочего проекта являются:

Эксплуатационная часть;

Устройства СЦБ в увязке со станциями перегона;

Устройства автоматической переездной сигнализации;

Кабельные сети;

Схемы перегонных устройств;

Требования техники безопасности.

Настоящий курсовой проект отражает требования по проектированию на заданном участке железной дороги двухпутной автоблокировки переменного тока. Кроме того в соответствии с индивидуальным заданием на проектирование необходимо разобрать схему увязки автоблокировки с автоматической переездной сигнализацией.

1. Эксплуатационное проектирование автоблокировки


1.1 Общие принципы построения автоблокировки (АБ)


Эксплуатационная часть проекта АБ составляется на основании задания на проектирования. В задании должны быть данные, которые характеризуют движение поездов на участке:

Существующие перспективные размеры движения;

Род тяги;

Весовые нормы поездов;

Максимальные расчетные скорости поездов и др.

В разработку эксплуатационной части проекта входят:

Тяговые расчеты для принятых категорий поездов;

Определение интервалов между поездами;

Расстановка светофоров на перегоне;

При разработке основных принципиальных вопросов проектирования автоблокировки на участке необходимо учитывать решения принятые на смежных участках.

По исходным данным заданы следующие параметры:

Участок с переменным током;

Весовые номы поездов - 2800 т.;

Задано десять участков пути, которые характеризуются следующими параметрами:

Длина участка S1=1500 м

Уклон на участке i=0‰

Максимальная скорость V=0 км/ч

Длина участка S2=1000 м

Уклон на участке i=0‰

Максимальная скорость V=30 км/ч

Длина участка S3=800 м

Уклон на участке i=+1,5‰

Максимальная скорость V=50 км/ч

Длина участка S4=1200 м

Уклон на участке i=+1‰

Максимальная скорость V=60 км/ч

Длина участка S5=2500 м

Уклон на участке i=+2‰

Максимальная скорость V=50 км/ч

Длина участка S6=500 м

Уклон на участке i=+1‰

Максимальная скорость V=60 км/ч

Длина участка S7=1500 м

Уклон на участке i=-1‰

Максимальная скорость V=70 км/ч

Длина участка S8=1000 м

Уклон на участке i=-1‰

Максимальная скорость V=80 км/ч

Длина участка S9=1200 м

Уклон на участке i=0‰

Максимальная скорость V=60 км/ч

Длина участка S10=1000 м

Уклон на участке i=0‰

Максимальная скорость V=20 км/ч

1.2 Построения кривой скорости по методу МПС


Для расстановки светофоров на перегонах, определения расчетных интервалов и проверки соответствия длин блок-участков расчетным тормозным путям производят тяговые расчеты т.е., для заданного участка строят кривые скорости поезда в зависимости от пути V=f (S) и наносят засечки времени на кривых скорости.

Кривую скорости вычерчиваем на листе миллиметровой бумаги высотой формата А4, а по длине - в соответствии с расчетами. Лист с кривой скорости вшивается в пояснительную записку в качестве иллюстрации. При вычерчивании кривой принимаем следующий масштаб: для пути 1км=20мм; для времени - 1мин=10мм, ∆ =30мм. Ось пути для начала построения кривой скорости (точка 01) располагаем правее точки О на расстояние 6-8см.

Для построения кривой скорости при разгоне поезда и при его движения в режиме тяги (под током) используется диаграмма удельных ускоряющих сил f (V). Построения кривой скорости начинается с момента трогания поезда со ст. А (тока 01). Задаемся первые м приращением скорости V (рис 1), находим среднюю скорость Vср для принятого интервала скорости и на кривой f (V) отмечаем точку № 1 с центром координат (точкой О), восстанавливаем перпендикуляр 01-1 к верхней грани линейки через начало построения кривой скорости (точка 01) до пересечения с горизонталью (верхняя пунктирная линия), соответствующей скорости V1. Отрезок 01-а является первым отрезком кривой скорости. Дальнейшие построение выполняется аналогично. При этом лучи 01,02,03 и т.д. будет означать верхнюю грань линейки, лучи 1,2,3 и т.д. - перпендикуляры к верхней грани линейки.

На границе элементов профиля интервал изменения скорости подбирается таким образом, чтобы конец отрезка кривой скорости совпал с границей двух соседних элементов профиля.

При построении кривой скорости на подъеме начало координат диаграммы ускоряющих сил переносятся влево на количество делении, равные числу тысячных подъёма (точка О). Так, если имеется подъем 4%, то точка О будет находится на четвертом делении оси абсцисс влево от точки О. После определения положения точки О необходимо найти равномерную скорость Vрав. движения поезда по подъёму данной крутизны. Для этого находим точку пересечения диаграммы ускоряющих сил f (V) и оси скорости, проведенной из начала координат соответствующего уклона, на котором в данный момент движется поезд. Ордината этой точки (O-N) соответствует установившейся (равномерной) скорости для данного уклона. Например берем приращения скорости V1, находим среднее значение скорости Vср. и отличаем на кривой f (V) точку 1, соответствующую Vср1. Соединим точку 1 с новым центром координат (точкой (У), восстанавливаем перпендикуляр к лучу 0-1 и проводим отрезок кривой скорости а-б. Дальнейшее построение производится аналогично.

При построении кривой скорости на спуске начало координат диаграммы ускоряющих усилий переносят вправо (в точку О) на число делении, равное числу тысячных спуска. При этом интервалы изменения скорости следует брать в сторону её увеличения.

1.3 Определение интервала расстановки светофоров


Пред расстановкой светофоров необходимо проверить возможность реализации на участке интервала попутного следования поездов, установленного заданием, т.е. определить минимальный расчетный интервал по условиям безопасности при движении на зеленый огонь:

 

где: lбл. min - минимальная длина блок участка, м: ln - длина поезда, м; Vср - средняя скорость поезда в расчетном листе профиля, км/ч: 0,06 - переводной коэффициент для получения значения интервала в минутах.


Определение минимального интервала сводится к выявлению расстояния ln /2+3 lбл + ln /2 на каждом перегоне участка на протяжении наиболее трудного профиля и нахождению времени прохождения расчетным поездом этого расстояния.

Наибольшее из полученных по всем перегонам проектируемого участка значения интервала и будет минимальным интервалом расстановки перегонных светофоров автоблокировки из расчета движения поездов на зеленый огонь. Принять заданный интервал можно тогда, когда он превышает минимальный расчетный интервал участка по условиям безопасности или равен ему.

Интервалы по входу поездов на промежуточные станции рассчитывает по формуле:


где: lбл - длина блок участка м:

lвх - расстояние между входным светофором и предельным столбиком приемного пути (принимаем 800м),

ln - длина поезда, м.

l - время приготовления маршрута (tnм=2 мин);

lвс - время восприятия машинистами смены показания светофора (tвс= 1 мин);

Vср - средняя скорость движения поездов, км/ч.


1.4 Расстановка проходных светофоров по перегону


Расстановка светофоров на перегонах осуществляется на основе принятого интервала попутного следования расчетных поездов. Расстановку светофоров начинают с более трудного по профилю направления движения, а затем для встречного направления.

Наиболее удобным является графический способ расстановки светофоров с нанесением на кривой скорости минутных засечек времени. Минутные засечки наносятся с помощью прозрачного вспомогательного равнобедренного треугольника. Основание АБ треугольника равно 1 км в масштабе пути, а высота равна максимальной скорости в масштабе скорости (1км = 10мм; 1км/ч=10 мм). Если треугольник расположить так чтобы его основание было параллельно линии пути, то отрезки А1Б1, А2Б2 и АзБз будут соответствовать расстояниям проходимым поездом за 1 минуту при скоростях V1, V2,V3.

Расположив треугольник на чертеже кривой скорости так, чтобы его вершина попала в точку а, где скорость имеет нулевые значения, а основание было параллельно линии пути, делают засечку 1 на пересечении правой стороны треугольника проводят линию, параллельную линии пути, и передвигают треугольник так чтобы его левая боковина сторона совпала с засечкой на кривой. В точке, где правая сторона треугольника пересекается с кривой скорости, отличают засечку 2 и т.д. Полученные засечки служат основанием для расстановки сигналов в соответствии с принятым интервалом. Каждый светофор имеет номер в зависимости от четности и нечетности движения. Нумерация начинается от первого светофора перед входным.

1.5 Схемы однопутной автоблокировки


Основными элементами однопутной АБ является рельсовые линейные и сигнальные цепи, а также схема изменения направления движения. Рельсовые цепи обеспечивают контроль состояния каждого блок-участка и всего перегона. В зависимости от установленного направления движения схемы рельсовых цепей постоянного тока коммутируются так что на входном конце блок-участка включается импульсное питание, а на выходном - импульсное путевое реле. В схемах рельсовых цепей переменного тока на входном конце блок-участка включается импульсное путевое реле, а на выходном - кодовое питание.

Линейные цепи обеспечивают связь между светофорами в установленном направлении движения для получения 3-значной сигнализации. Для связи между светофорами в четном и нечетном направлениях используемая одна и та же линейная цепь. Управляет светофорами каждой сигнальной установки одно и то же линейное реле, цепь которого коммутируется так что оно связывает данный светофор с впереди стоящим светофором в зависимости от установленного направления движения.

Сигнальные цепи коммутируются таким образом, что при нечетном направлении движения светофоры четного направления выключены, а при изменении направления движения с нечетного на четное светофоры нечетного направления включаются, а четного - включаются.

Схемы изменения направления движения обеспечивает:

1. Переключения рельсовых, линейных и сигнальных цепей в зависимости от установленного направления движения;

2. Контроль свободности перегона на прилегающих станциях;

3. Изменения направления движения по перегону с соблюдением всех требований по безопасности движения поездов.

При проектировании АБ составляют принципиальные схемы рельсовых цепей 25 или 50Гц, схемы одиночных и спаренных сигнальных установок проходных и предвыходных светофоров перегона. В полную принципиальную схему сигнальной установки входят цепи кодирования, извещения о приближении поезда к станции или переездам на перегоне, увязка показаний предвыходных светофоров со входными и диспетчерского контроля за движением поездов.

Элементы схемы однопутной АБ переменного тока.

1. Н - реле направления;

2.1Н, 2Н - повторители реле Н;

3.1ПТ, 2ПТ - повторители реле направления;

4.1И, 2И - импульсные реле;

5. Сигнальные реле Ж, Ж1, Ж2, Ж3, З;

6.1НЖ - повторитель реле 1Н и Ж2;

7.1Т, 2Т - трансмиттерные реле;

8. ОИ - обратный повторитель импульсного реле;

9. О, ОД - основное и дополнительное огневые реле

Работа схемы при занятом блок-участке 3П.

Рассмотрим работу АБ при условии нахождения поезда на участке 3П и установленном нечетном направлении движения. Реле Н на всех сигнальных точках возбуждено током прямой полярности, следовательно оно перебрасывает свой поляризованный якорь влево и на каждой сигнальной точке подключает свой повторитель реле 1Н. Своим фронтовым контактом реле 1Н включает в работу реле 1ПТ:

П - 1Н - 1ПТ - М

Фронтовым контактом 1ПТ подключается импульсное питание рельсовой цепи, а тыловым контактом 2ПТ подключается импульсное реле 2И. Так как импульсное реле 2И перестает работать при нахождении поезда на участке 3П, то отключаются блоки дешифратора этого участка, а следовательно и все сигнальные реле. На светофоре 3 загорится красный огонь по цепям:

СХ12 - ДСН - О - 2Н - Ж2 - красный огонь - МСХ

СХ20 - ОД - О - красный огонь - МСХ

Приём из рельсовой цепи кода КЖ.

На участке 5П импульсное реле 2И принимает код КЖ. Вследствие это-го встаёт под ток дешифратор ДА. Так как принимается код КЖ, то под ток встанут все сигнальные реле Ж:

1. П - Н (правый) - 2И - 61 БС ДА - 42 БС ДА - Ж - М

2. П - 82 БС ДА - 71 БС ДА - Ж - Ж1 - М

3. П - Ж1 - Ж2 - Ж3 - М

На светофоре 5 загорится жёлтый огонь по цепи:

СХ12 - ДСН - 1О - 1Н - Ж2 - З1 - жёлтый огонь - Ж3 - МСХ

Трансмиттерное реле 1Т будет подключено к схеме дешифратора для передачи на участок 7П кода Ж по цепи:

П - Ж2 - З1 - Ж (КПТШ) - 81 БИ ДА - 71 БИ ДА - 1Н - 1ПТ - 1Т - 72 БИ ДА - М.

2. Увязка автоблокировки со станционными устройствами


2.1 Принцип увязки АБ с ЭЦ


На подходах к станциям сигнальной установки АБ увязывают как на крупных станциях с БМРЦ, так и на промежуточным, оснащенных устройствами релейной централизации.

В полную схему увязки входят:

Цепи увязки предвходного светофора АБ с входным светофором станции;

Цепи увязки выходных светофоров станции с первым перегонам светофором АБ;

Цепи извещения о приближении к удалении поездов за два и три блок-участка до станции;

Цепи кодирования станционных рельсовых цепей, входящих в маршруты отправления, кодами АЛС соответствующими показаниями первого перегонного светофора АБ.

В зависимости от сигнальных показаний предвходного светофора применяют схему предвходной сигнальной установки типа ОМ с одним мигающим желтым огнем (если на входном светофоре 2 желтых, верхней мигающий) или типа ОМЗ с одним желтым к одним зеленым мигающим (на входном - два желтых огня с зеленой полосой).

При увязке с аб1 имеющей 3-значную сигнализацию, извещения о приближении поезда к станции предусматривает за два блок-участка. На табло ДСП принимается активный контроль участков удаления и приближения. Свободности блок-участков контролируется горением белой лампочки, занятость - красной. Выключенное состояние обеих лампочек указывает на повреждение схемы контроля или контрольных лампочек.

На двух путных участках при организации двухстороннего движения поездов по каждому пути и на однопутных участках на табло устанавливают световые ячейки для сигнализации установленного направления движения: О - "Отправление" зеленого цвета; П - "Прием" желтого цвета; КП - "Контроль перегона" бело-красная двухцветная ячейка. Свободности перегона контролируется горением белой лампочки, занятость - горением красной.

2.2 Схемы увязки однопутной автоблокировки переменного тока


Для управления желтыми и зеленым мигающим огнями используются реле ЗС. включенное по линейной цепи НЗС-НОЗС. В эту же цепь на станции включено известительное реле приближения Н2ИП для контроля занятости второго участка приближения. По цепи извещения НИ-НОИ включен известитель приближения НИН. На сигнальной установки применены реле. обозначение, тип и назначение которых приведены в п.3.3

Состояние цепей схемы соответствует установленному нечетному направлению движения, при котором светофор 1 включен, а светофор 6 выключен.

На время установленного четного направления движения у светофора 6 зеленый огонь включает реле ЗС1. которые работаю как повторитель реле 31.

Назначение элементов схемы увязки.

При построении схемы увязки предвходной светофор 1 имеет 2 дополнительных сигнальный показания: жёлтый или зелёный мигающий. Для управления этими огнями используется сигнальное реле ЗС, включенное по линейной цепи НЗС - НОЗС. В эту цепь на станции включено известительное реле приближения Н2ИП, предназначенное для контроля занятости второго участка приближения.

По цепи извещения НИ - НОИ включён известитель приближения НИП. На сигнальной установке также имеются следующие реле:

реле направления Н и его повторитель 1Н и 2Н. В данном случае установлено нечётное направление движения, и поляризованный якорь реле Н подключает к работе реле 1Н.

сигнальные реле Ж, Ж1, Ж2, Ж3, З и З1. Сигнальные реле чётного направления движения имеют дополнительное обозначение с буквой Ч (ЧЖ и т.д.)

В схеме имеются кодовые цепи, в которые входит кодовый трансмиттер КПТ, блоки дешифратора БИ, БС, БК и трансмиттерное реле 1Т и 2Т. Мигающее реле М и контрольное мигающее КМ обеспечивают мигающий режим работы ламп светофора. В схеме включения ламп светофора используется несколько огневых реле:

О - основное огневое реле;

1О - для контроля целостности основной нити лампы светофора 1;

БОД - для контроля дополнительной нити лампы светофора 1;

2О - для контроля основной нити лампы светофора 6;

АОД - для контроля дополнительной нити лампы светофора 6.

3. Увязка схем перегонных устройств с работой схем переезда


3.1 Расчет времени извещения о приближении поезда к переезду


Чтобы своевременно закрывать переезд при приближении к нему поезда.

рассчитывают длину участка приближения.

Необходимо время извещения о приближении поезда к переезду вычисляется по формуле:


где: t1 - время необходимое автомобилю для проследования переезда, сек; t2 =4сек - время срабатывания приборов цепей извещения и управления сигнализацией: t3 =10сек - гарантийный запас времени


Время t1 рассчитывают по формуле:


где: ln - длина переезда, определяемая расстоянием от переездного светофора. наиболее удаленного от крайнего рельса, до противоположного крайнего рельса плюс 2.5м:

ln=8+1,52=9.52м –

для однопутного участка.

lp =24м - расчетная длина автомобиля.

lo =5м - расстояние от места остановки автомобиля до переездного светофора.


Vp =1.4м/с - расчетная скорость движения автомобиля через переезд, расчетная длина участка приближения:


где: 0,28 - коэффициент перевода скорости из км/с:

Vmax - максимальная скорость движения поездов, установленная на данном участке, км/ч.


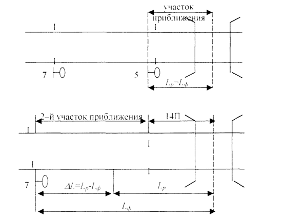
Если переезд расположен от проходного светофора 5 автоблокировки на расстоянии равном расчетной длине участка приближения Lp то фактическая длина участка приближения Lф=Lp. При близком расположении переезда к светофору 5 расстояние расчетной длины Lp больше - чем расстояние до этого светофора. Участок приближения в этом случае устраивают между светофорами 5 и 7. Теперь фактическая длина участка приближения исчисляется от светофора 7 и образуется 2 участка приближения: первой - от переезда до светофора 5 и второй - между светофорами 5 и 7. В этом случае извещения на закрытие переезда будет подаваться за один участок приближения.

Рис.1 Схема для определения участков приближения перед переездом.

3.2 Оборудование переезда


В оборудование переезда входит: поездные светофоры; автоматические шлагбаумами щетки управления переездной сигнализацией: релейная аппаратура установленная в релейном шкафу: источники питания, помещенные в батарейные шкафы.

Поездные светофоры с двумя сигнальными головками выпускают следующих типов: для однопутных участков 11-69: для многопутных участков 11-73. Светофоры с тремя сигнальными головками типа 111-69 применяют на однопутных участках, а типа 111-73 на двух путных участках.

Автоматический шлагбаум состоит из: бетонного фундамента к которому крепится привод заградительною бруса: двух светофорных головок: электрического звонка и светофорной мачты которую устанавливают на корпусе привода.

Брус связан с приводом механизмом через фрикционное устройство, с помощью которого предотвращается остановка электродвигателя и его порча при появлении препятствий для движения бруса. Привод шлагбаума состоит: электродвигателя постоянного тока, шестеренчатого редуктора, автопереключателя, амортизатора и фрикционного устройства.

Электродвигатель шлагбаума имеет следующие технические данные;

Полезная мощность (на валу) - 95 Вт:

Номинальное напряжение - 24В г:

Ток при полной нагрузке на валу - 7Л:

Частота вращения якоря - 2200 об/мин.

Время открытия (закрытия) шлагбаума составляет 7-9 сек.

3.3 Схема управления АПС на однопутном участке с АБ переменного тока частотой 50Гц


Включение АПС происходит за 1 или 2 участка приближений в соответствии с расчетом в любом установленном направлении. В не установленном направлении движении АПС всегда включает за 2 участка приближения. Включается АПС в установленном направлении движения с момента освобождения переезда, а в не установлением направлении - после удаления поезда на расстоянии участка приближении в установленном направлении движении. Правильность работы схемы управления АПС в установленном и не установленном направлениях движения обеспечивается применением счетной схемы.

Включает АПС следующие реле:

1И.2И (ИМВШ-110) - импульсные путевые;

И (ИМШ 1-1700) - общий повторитель импульсных путевых реле;

ДП (АНШ5-1230) - дополнительные путевые;

ДИ (НМПШ2-400) - дополнительное импульсное;

ИП (КМШ-750) - известитель приближения;

ИП1 (АИШМ2-310) - повторитель известитель приближения;

1 ИП (АНП1М2-760) - повторитель известитель приближения;

ПИП (11МШ2-620) - повторитель известитель приближения;

И (КШ 1) - 80) - направления;

1 И.2И (ИМ1 II 1 - 400) - повторители реле И;

В (АР-11 1.15-1600) - включающее;

КТ (АНШМТ-310) - контрольное термическое;

1Т, 2Т (ТШ-65В) - трансмиттерные;

1ПТ, 2ПТ - (НМИШ2-400) - повтори ели реле направления;

К (ИМШ2-900) - контрольные;

Ж.3 (11МШ2-900) - сигнальные;

Ж1 (АИШМ2-760) - повторитель реле Ж;

1С (А1 Ш1М2-3 10) - реле-счетчик;

Б, Б1 (Л111115-1600) - блокирующие;

НИП (АНШМ2-620) - известитель приближения в не установленном направлении;

Б1Ж, Б13 (АНШ5-1230) - блокирующие.

Состояние цепей схемы соответствует установленному нечетному направлению движения, свободному состоянию участков приближения и открытому состоянию переезда.

Принцип работы схемы управления ограждающими устройствами АПС при АБ переменного тока

В переездную сигнализацию при АБ переменного тока включают следующие реле:

НИ, НДИ - импульсное и дополнительное импульсное реле.

НИ1, НДИ1 - повторители реле НИ и НДИ.

НИП - известитель приближения за 2 участка

НТ, НДТ - трансмиттерные реле.

НКТ - контрольно термическое реле.

НП, НПТ 0 путевое реле и его повторитель.

НДП - дополнительное путевое реле.

ПНИП - повторитель реле НИП.

НИП1 - повторитель реле приближения.

НВ - включающее реле.

В - включающее реле.

В пределах блок-участка на котором расположен переезд образованы две рельсовые цепи 5П с питающем концом НП на переезде. Если переезд расположен относительно светофора 5 на расстоянии равной расчетной длине участка приближения, то закрытие за один блок-участока если расчетная длина менее фактической длины, то извещение подается за два блок-участка.

Состояние цепей схемы соответствует установленному нечетному направлению движения, отсутствие переезда на участке приближения и открытому состоянию переезда.

Кодирование разрезной рельсовой цепи участка 5П производится от светофора 3. Кодовые импульсы на переезде принимает импульсное реле НИ, а его работу повторяет реле НТ. Переключаю свой контакт реле НТ приводит в возбужденное состояние реле НП, которое проверяет свободное состояние участка 5Па. Через фронтовой контакт НП возбуждается повторитель реле НПТ. Фронтовыми контактами реле НПТ замыкается цепь кодирования рельсовой цепи 5П. Работая в кодовом режиме и переключая свой контакт в цепи трансформатора П реле ПТ транслирует кодовые импульсы в рельсовую цепь 5П. При приеме кодов у светофора 5 работает реле И и после дешифрации кода возбуждаются сигнальные реле Ж, Ж1, Ж2, которые контролируют свободность участка 5П.

После вступлении поезда на участок 5П прекращается прием кодов у светофора 5 и выключается реле Ж, Ж1, Ж2. Тыловыми контактами реле Ж2 выключается реле НИП обесточивает свой повторитель ПНИП и одновременно размыкает цепи питания реле НИП1 НКТ. Реле НИП1 выключает реле НИП1 выключает реле НВ, которое отпуская якорь закрывает переезд.

Переезде открывается после проследования поездом участка 5П в следующем порядке. На переезде размещен питающий конец рельсовой цепи 5П, но путевое реле которое могло бы фиксировать освобождение участка приближения и своевременно открывать переезд нет. Поэтому контроль освобождения участка, освобождение переезда осуществляется путем кодирования рельсовой цепи 5П вслед движению поезда с ее релейного конца кодирования вслед поезду начинается с момента вступления поезда на участок 5П. У светофора 5 через тыловые контакты реле И, и включается реле ОИ, которое замыкает следующие цепи кодирования:

П - КЖ (КПТШ) - О - Ж2 - ПН - ПН - ОИ - ПДТ - М

Работая в режиме кода КЖ реле ПДТ ДТ посылают этот код в рельсовую цепь 5П вслед уходящему поезду с момента выхода головы поезда на рельсовую цепь 5П на переезде прекращается импульсная работа реле НИ, НИ1 и НТ. Включается реле НП и НПТ, которое отключаются цепи трансляции кода в рельсовую цепь 5П включается реле НДИ. Сразу после освобождения рельсовой цепи 5П реле НДИ начинает работать в режиме кода КЖ поступающего нот светофора 5. Через контакт реле НДИ работает реле НДИ1 через конденсаторный дешифратор возбуждается реле НДП фиксируя освобождения переезда. После этого через фронтовой контакт НДП замыкается цепь термоэлемента НКТ, а после его нагрева с выдержкой времени последовательно срабатывают реле НКТ и НИП1. После срабатывания реле НИП1 его фронтовым контактом включается реле НВ, которое открывает переезд.

4. Проектирование кабельных сетей АБ


4.1 Выбор трасы кабельных линий


В отношении схем укладки кабеля все перегонные устройства можно разбить на несколько типов: светофоры спаренные, одиночные, перегонные, переездные установки и т.д. Схемы укладки кабелей для перегонных установок приводится на путевых планах перегонов. При выборе трассы следует стремиться к тому, чтобы число пересечений её с железнодорожными путями и различными подземными сооружениями и дорогами было минимальным. Кроме того, надо стремиться к тому, чтобы главная кабельная траншея не приходила около главных путей, число переходов под путями должно быть минимальным. Необходимо убегать возврата кабеля, количество разветвительных муфт должно быть минимальным.

При выборе трассы следует стремиться к тому, чтобы число пересечений её с железнодорожными путями и различными подземными сооружениями и дорогами было минимальным. Кроме того, надо стремиться к тому, чтобы главная кабельная траншея не приходила около главных путей, число переходов под путями должно быть минимальным. Необходимо убегать возврата кабеля, количество разветвительных муфт должно быть минимальным.


Путевой план перегона.

Основным документом при проектировании АБ является путевой план перегона. На путевом плане показаны следующие устройства.

Перегонные светофоры и ординаты их установок.

Линейные провода высоковольтной линии АБ или жилы кабеля.

Рельсовые цепи с указанием их длины и включение путевых приборов.

Релейные шкафы с указанием типа сигнальной установки.

Высоковольтные линии электропередачи с включением в нее линейных трансформаторов ОМ.

Кабельные линии с указанием числа жил кабеля выводимых в ящик.

У каждой сигнальной точки показывают кабельный план соединения всех устройств АБ.

На плакате показан путевой план перегона с воздушной линей двух путной АБ переменного тока с автономной тягой.

На данном плакате показаны два вида сигнальных установок: спаренные и одиночные.

Включение спаренной сигнальной установки показаны для светофора Ч и ЧД остальные сигнальные точки одиночные. У каждой сигнальной точки установлен релейный шкаф где устанавливается тип КПТШ.

Основное питание сигнальных установок переменным током осуществляется от линейных трансформаторов типа ОМ-0,66, ОМ-1,2 включенных в фазу трехфазной высоковольтной линии АБ.

Эти трансформаторы устанавливаются на силовых опорах высоковольтной линии напряжения 10 кВ. Резервное питание получают от линейного силового трансформатора ОМ-0,66 включенного в линию АБ или во вторую линию ЛЭП.

Обязательными проводами при АБ переменного тока являются:

Двойное снижение напряжения ДСН-ОДСН.

Извещение в четном и нечетном направлении движения: ИЧ-ОЧИ, ИН-ОИН.

Включение мигающей сигнализации на предвходном светофоре с увязкой перегонных и станционных устройств: ЗС-ОЗС.

Эти провода используются на первых двух участках приближения к станции.

Кроме основных линейных проводов указываются также дополнительные типичные для данной схемы АБ.

У каждой сигнальной установки показывают разрезы и отпайки проводов, которые завозят в релейный шкаф светофора. Кабель цепей питания идущий от линейного трансформатора сначала завозят в кабельный ящик КЯ-6, а затем в релейный шкаф.

4.2 Расчет длин кабелей


Длину кабелей определяют по кабельной трассе и плану перегона. При этом пользуется следующей формулой для определения проектной длины кабеля:

L=1,03 (lт+lр+1п+1з)

где: 1т - длина траншей по плану перегона;

1р - длина конца кабеля для разделки; (принимаем 5м);

1п - длина кабеля на подъем от дна траншеи до муфты;

1з - запас кабеля у муфты на случай переделки (1м на один конец).

Длину кабеля 1п на подъем со дна траншеи до муфты определяем, находя из того, что глубина прокладки кабеля 0,9м, плюс среднее расстояние до разветвительной муфты из расчета 8м:

По формуле определяем длину кабелей до всех разветвительных муфт в пределах всего перегона. При этом расчет ведом отдельного для светофоров и рельсовых цепей (питающих и релейных трансформаторов).

L=1,3 (12200+30+53,4+6) =15976,2

4.3 Расчеты жильности кабелей


Сейчас жил сигнальных кабелей рассчитывают по допустимой потере напряжения. Расчетные сечение выбирают путем дублирования жил. При проектировании жильность кабеля обычно подбирают по таблицам, в которых приведены максимальные длины кабелей при различном числе жил в прямых и обратных проводах. После этого определяют общее сопротивление прямых и обратных проводов:


где: 0,0235 - сопротивление 1м кабельных жил. Ом;

L - длина кабеля, м;

nn, no - число жил в прямом и обратном проводах.

Падение напряжения в кабеле:


где: i - ток нагрузки в цепи (принимаем 0,114А)

Таблица №1

Кабель с медными жилами диаметром 1мм

Максимальная длина кабеля, км

По сигнальным огням при мощности ламп

15 Вт, 12 В

25 Вт, 12 В

Без дублирования обратного провода

4.1

3.0

Дублированием обратного провода

4.1

3.5



Таблица №2

Длина кабеля, м

30

40

60

80

100

120

140

160

180

Количество жил кабеля до путевого или релейного

трансформатора


2


3


4


6


7


8


10


11


12



Таблица №3

Длина кабеля, м

Количество жил кабеля от ДТ до рельсовой цепи

Длина кабеля, м

Количество жил кабеля от ДТ до рельсовой цепи

Однониточный и дроссельный

С двумя ДТ

Однониточный и дроссельный

С двумя ДТ

До изолирующего и путевого трансформатора

До изолирующего трансформатора

До путевого трансформатора

До изолирующего и путевого трансформатора

До изолирующего трансформатора

10

20

30

40

50

2

2

3

4

5

2

2

3

4

5

2

4

6

8

10

60

70

80

90

100

6

7

8

9

10

6

7

8

9

10

12

14

16

18

20



Таблица №4

Рельсовая цепь

Количество жил кабеля от дополнительной обмотки ДТ до изолирующего или питающего трансформатора при длине кабеля, м

5

8

12

15

18

20

25

30

33

37

40

До 2000

2

2

2

3

3

4

5

6

7

7

8

Свыше 2000

2

3

4

5

6

7

8

9

10

11

12



Таблица №5

Рельсовая

цепь

Количество жил кабеля от рельсов до релейного или путевого трансформатора при длине кабеля, м

10

20

30

40

60

80

100

120

140

160

До 2000

2

2

2

2

4

4

5

6

7

8

Свыше 2000

2

2

4

4

6

8

10

12

13

15




5. Монтажные схемы релейных шкафов


Комплектации релейного шкафа ШРУ включает в себя расположение приборов на стативе и в кабельном отсеке. Нумерация рядов с приборами снизу вверх. Для штепсельных приборов за основу принят ряд, занимаемый реле НМШ.

Номер прибора складывается из номера ряда и порядкового номера прибора, считая с лева направо с лицевой стороны.

Каждое место, отведенное для штепсельного прибора, разделено на бланке комплектации на 3 графы: в верхнюю вписывается номенклатура прибора по принципиальной схеме, во вторую - тип прибора, а нижнюю - дополнительные сведения, например № чертежа и т.д. На месте занимаемом не штепсельным прибором, указывается также порядковый номер прибора на полке. А в нижней графе устанавливаемые перемычки.

В левой части статива показаны резисторы, устанавливаемые на боковой стенке приборного отсека. Куперация резисторов - сверху вниз, рядом с номерами резисторов вписывается величина их сопротивления. Клеммные панели К21-К38 на 14 зажимов предназначены для разделки кабеля, а К 1-К 15 и К51-К90 могут быть использованы как для разделки кабеля, так и для установки предохранителей, разрядников, резисторов и других приборах.

На монтажной схеме полки со штепсельными приборами в верхней части под номером места указывается номенклатура и тип прибора. Колонка, отведенная для одного места, разделена на 3 графы:

в левой указывают номера контактов приборов;

в двух правых - адреса, с которыми данный контакт необходимо соединить. Например, контакт 31 реле 111, расположенного на шестом месте необходимо соединить с адресом 66-32, что означает: 6-й ряд, 6 место, контакт 32.

Для монтажа не штепсельных приборов под обозначением прибора в виде прямоугольника, в котором указывается № места, номенклатура и тип прибора, а также примычки, вычерчиваются вертикальные линии по количеству подключенных приборов проводов. В нижней части вертикальной линии вписывается номер контакта прибора, а верхней адрес, с которым данный контакт должен быть соединен.

6. Защита схем от опасного влияния тягового тока


Линейные цепи всех видов устройств СЦБ на участках железных дорог, электрифицируемых на переменном токе проектируются в магистральном кабеле связи. При этом все линейные цепи выполняют двухпроводными с коммутацией в прямом и обратных проводах.

Норма опасного влияния на перегонах на комбинированные линейные провода релейных схем устанавливаются для вынужденного режима работы контактной сети. Напряжение между линейным проводом и землей при заземлении противоположного конца провода не должно быть выше 250В.

Для передачи сигналов управления и контроля в различных кодовых схемах телеуправления принимают каналы тональной частоты. На перегонах допускается воздушные двухпроводные линейные цепи постоянного переменного тока имеющие протяжность не более 2,5 км. И проходящие на расстоянии не менее 25 м от ближайшего пути, если:

под влиянием помех перебрасывание поляризованного якоря или кратковременное (до 1С) притяжение нейтрального якоря, а для цепей переменного тока длительная притяжения якоря реле, включенных в эти

цепи, не приводят к опасным для движения поездов нарушениям в работе схем;

реле, включенные в цепи постоянного тока имеют напряжения отпускания по переменному току не мене 250В.

Этим же требованиям должны удовлетворять схемы изменения направления движения поездов в однопутном АБ при каблировании линейных цепей. В линейных цепях различных схем не допускаются использование приборов, срабатывающих от переменного тока возникающего от помех нормированного уровня.

АБ на перегонах проектируют кодовой с рельсовыми цепями, питаемыми переменным током с частотой отличной от тягового тока (50Гц) и его гармоник.

7. Техника безопасности и основы экологии


7.1 Техника безопасности


Работа на высоковольтной линии связанное с полным или частичном снятия напряжения, следует выполнять только по письменному наряду, который может выдать начальник ШЧ, его заместитель, инженер, старший электромеханик и другие лица, имеющие разряд не ниже 5-й квалификационной группы. Приступить к работе можно после разрешения, которая дается руководителем работ, и после проверки отсутствия напряжения в линии и заземления проводов. Распоряжения о подачи напряжения в линию дается после уведомления от производителя работ том, что работы закончены, все люди с линии удалены и заземления сняты.

При обслуживании АБ и переходит от одной сериальной точки к другой необходимо идти по бровки полотна. В случаи необходимости при проверке рельсовой цепи разрешается идти по пути на встречу ожидаемому поезду.

Пред подъемом на светофорную мачту на электрифицированном участке необходимо убедиться в исправности в заземления мачты. Работы на светофорных мачтах во время движения поездов запрещены. Следует пользоваться инструментами с изолированными ручками при работе с приборами.

При обслуживании рельсовой цепи необходимо знать, что замена дроссельной перемычки на электрифицированных участках допускается только при условии прекращении поездов работы на дроссель-трансформаторах, к которым присоединяется отсасывающий фидер, разрешается производить только в присутствии и под наблюдением работника тяговой подстанции.

Монтажные работы в путевых коробках рельсовых цепей переменного тока необходимо выполнять в диэлектрических перчатках или пользоваться инструментами с изолирующими ручками, стол на изолирующим материале (резиновым коврике, сухой доске или в резиновых ботах или галошах). Нельзя прикасаться к корпусу коробке, перемычкам или с заземляющим частям. Запрещается касаться металлических опор и поддерживающих конструкций контактной сети, а также других конструкций расположенных в непосредственной близости от контактной сети.

7.2 Основы экологии


При строительстве железнодорожных объектов должно быть обеспечено выполнение требований по охране окружающей среды и рациональному использованию природных ресурсов, изложенных природа охранных законах санитарных и строительных правилах и нормах, стандартах в области охраны и экологии.

Территорию, отводимую под строительство планируют в соответствии с требованиями СНИП 11-89-80. Генеральные планы промышленных предприятий.

Запрещается в водить в эксплуатацию объекты, не обеспеченные современными технологиями, сооружениями и установками по очистке, обезвреживанию и утилизации вредных отходов, выбросов истоков да уровня предельно допустимых нормативов, средствами контроля за загрязнением окружающей среды; без завершения за проектирования работ по охране природы, рекультивации земель, благоустройству территории, оздоровлению природных комплексов.

Экологичность производственного оборудования зависти от правленого выбора принципов действия, конструктивных элементов виды энергии использования оборудовании средств защиты окружающей среды (глушителей шума, нейтрализаторов вредных веществ в выбросов), снижение энергоемкости и металлоемкости продукции, уменьшение отходов.

Основным способом защиты от электромагнитных излучений является расстояние а также сооружение различных экранов; зеленых насаждений, конструктивных элементов, зданий и специально построенных сооружений. Снижение уровня напряженности от ЛЭП и подстанций достигается путем выбора геометрических параметров ЛЭП, применение заземленных тросов, расположение под линиями более низких напряжений, замена воздушных линий кабельными и т.д. Напряженность электрического поля в зданиях, имеющих металлическую кровлю в районе ЛЭП напряжение 300-500Кв, может быть снижена установкой заземленной металлической сетки на крышах этих зданий. Заземление проводят на металлических кровлях и других объектах (трубопроводы, кабели и т.п.) не менее, чем в 2-х точках.

Содержание раздела "Охрана окружающей природной среды в проектах организации строительства предприятий, зданий и сооружений" определено СНИП 1.02.01. - 85, а методика его разработки в Пособий по составлению раздела проекта (рабочего проекта)"Охрана окружающей среды".

Литература


1.   Виноградова В.Ю.Перегонные системы автоматики "Маршрут" 2005г.

2.   Казаков А.А. Автоматизированные системы интервального регулирования движения поездов "Транспорт" 1986г

3.   Методическое пособие для выполнения курсового проекта по предмету "Перегонные системы автоматики"

Похожие работы на - Перегонные системы автоматики

 

Не нашли материал для своей работы?
Поможем написать уникальную работу
Без плагиата!
Без нейросетей!