Расчёт металлического каркаса многоэтажного здания
1. Исходные данные
Сетка6 х 6 (м)
Количество пролётов 2
(шт)
Длина здания72 (м)
Высота этажа3,6 м
Количество этажей18
Полезная нагрузка 4 (кН/м2)
Место строительстваг. Челябинск
Тип зданияпромышленное
2. Сбор нагрузок
Сбор нагрузок на 1 м2 ригеля покрытия (таблица№1.)
Таблица№1.Постоянная
поверхностная распределенная нагрузка от покрытия.
|
Состав покрытия
|
Нормативная, кН/м2
|
Коэф. перегрузки
|
Расчетная, кН/м2
|
|
1
|
2
|
3
|
4
|
|
Защитный слой(битумная мастика с втопленным гравием)
γ=21 кН/м3 t=20
мм
|
0,3
|
1,3
|
0,39
|
|
Гидроизоляция (4 слоя рубероида)
|
0,15
|
1,3
|
0,195
|
|
Утеплитель (керамзит) γ=1,5 кН/м3 t=150 мм
|
2
|
1,3
|
2,6
|
|
Пароизоляция (1 слой рубероида)
|
0,06
|
1,3
|
0,078
|
|
Сборная железобетонная плита покрытия
|
3,05
|
1,1
|
3,355
|
|
∑gнкр=5,56
|
|
∑gкр=6,62
|
|
Снеговая нагрузка
|
|
|
1,8
|
|
Всего:
|
6,56
|
|
8,42
|
Г. Челябинск находится в III снеговом районе : s0=1,8 кН/м2- расчётное значение
Сбор нагрузок на 1 м2 ригеля перекрытия (таблица№2.)
Таблица 2.Постоянная
поверхностная распределенная нагрузка от перекрытия.
|
№ п/п
|
Состав перекрытия
|
Нормативная, кН/м2
|
Коэф. перегрузки
|
Расчетная нагрузка, кПа
|
|
1
|
2
|
3
|
4
|
5
|
|
Постоянные
|
|
1
|
Перегородки толщиной 100 мм
|
0,5
|
1,2
|
0,6
|
|
2
|
Линолеум d= 0,025м r=1800 кг/м3
|
0,25
|
1,2
|
0,3
|
|
3
|
Цементно-песчаная стяжка
|
0,4
|
1,3
|
0,52
|
|
4
|
Тепло-звукоизоляция
|
0,3
|
1,2
|
0,36
|
|
5
|
Железобетонные плиты перекрытия
|
3
|
1,1
|
3,3
|
|
Временные
|
|
6
|
Полезная
|
4
|
1,2
|
4,8
|
|
8,45
|
|
9,78
|
3. Предварительный
подбор сечения ригеля
Подбор сечения ригеля
покрытия:
Рис.1 Эпюра моментов в
ригеле покрытия.
Ригель работает, как двухпролетная
рама с жесткими узлами сопряжения. Находим изгибающие моменты:
(кН*м);
По максимальному моменту
находим требуемый момент сопротивления: В – шаг рам
;
Принимаем марку стали для
ригеля ВСт3ПС6-2 с расчетным сопротивлением R = 240 (МПа);
(м3);
По
сортаменту подбираем двутавр балочного типа 35Б2;
Характеристики сечения
|
|
Параметр
|
Значение
|
|
|
A
|
Площадь поперечного сечения
|
55,17
|
см2
|
|
Iy
|
Момент инерции относительно оси Y
|
11549,999
|
см4
|
|
iy
|
Радиус инерции относительно оси Y
|
144,70
|
см
|
|
Wy
|
Момент сопротивления относительно оси Y
|
662,2
|
См
|
|
Р
|
Масса погонного метра
|
43,0
|
кг/м
|
1)Производим проверку по
2-ой группе предельных состояний:
,
где [f] – предельно допустимый прогиб; f – расчетный прогиб;
;
<2,4см
2)σ=156,56/0,66∙10-3=229,63<240∙103
Подбор сечения ригеля
перекрытия:
Рис. Эпюра моментов в
ригеле перекрытия.
Находим изгибающие
моменты:
(кН*м);
По максимальному моменту
находим требуемый момент сопротивления. Принимаем марку стали для ригеля
ВСт3ПС6-2 с расчетным сопротивлением R = 240 (МПа);
(м3);
По сортаменту подбираем
двутавр балочного типа 40Б1;
Характеристики сечения
|
|
Параметр
|
Значение
|
|
|
A
|
Площадь поперечного сечения
|
61,25
|
см2
|
|
Iy
|
Момент инерции относительно оси Y
|
15749,998
|
см4
|
|
iy
|
Радиус инерции относительно оси Y
|
160,3
|
мм
|
|
Wy
|
Момент сопротивления относительно оси Y
|
803,6
|
см3
|
|
Р
|
Масса погонного метра
|
48
|
кг
|
1)Производим проверку по
2-ой группе предельных состояний:
<2,4см
2)σ=152,1/1,087*10-3=181,82*103<240*103
4.Предварительный
подбор сечения колонны
I. Расчет на вертикальную нагрузку
4.1.1 Определяем
вертикальную нагрузку, действующую на среднюю колонну III уровня:
|
Состав нагрузок
|
Нормативная нагрузка
|
Коэффиц. надёжности
|
Расчётная нагрузка
|
Грузовая площадь
|
Усилие
|
|
|
|
|
Снеговая нагрузка
|
|
|
1,8
|
36
|
64,8
|
|
Кровля
|
1,25
|
|
1,554
|
36
|
55,944
|
|
Плита покрытия (перекрытия)
|
1,661
|
1,1
|
1,8271
|
216
|
394,6536
|
|
Покрытие пола
|
0,65
|
|
0,82
|
216
|
177,12
|
|
Ригели покрытия
|
0,43
|
1,05
|
0,4515
|
6
|
2,709
|
|
Ригели перекрытия
|
0,48
|
1,05
|
0,504
|
18
|
9,072
|
|
Перегородки и внутренние стены
|
1,5
|
1,1
|
1,65
|
49,248
|
81,2592
|
|
Временная нагрузка
|
4
|
1,2
|
4,8
|
216
|
1036,8
|
|
|
|
|
|
|
|
Итого
|
|
|
|
|
1822,358
|
Вертикальная нагрузка,
действующая на среднюю колонну 3 уровня
,
где A – площадь поперечного сечения
колонны;
φ – коэф. приведения
гибкости, предварительно принимаемый 0,9.
N – вертикальная нагрузка;
R – расчетное сопротивление стали;
- коэффициент условия работы (1);
(м2);
По сортаменту принимаем
двутавр колонного типа
26К3;
(м2),
(м4), iх=11,3см.
λ=l/ iх=3.6/0,11,3=49,4 =>φ=0,668
σ=
<240кПа
4.1.2 Определяем
вертикальную нагрузку, действующую на крайнюю колонну III уровня:
Вертикальная нагрузка,
действующая на крайнюю колонну 3 уровня
|
Состав нагрузок
|
Нормативная нагрузка
|
Коэффиц. надёжности
|
Расчётная нагрузка
|
Грузовая площадь
|
Усилие
|
|
|
|
|
Снеговая нагрузка
|
|
|
1,8
|
18
|
32,4
|
|
Кровля
|
1,25
|
|
1,554
|
18
|
27,972
|
|
Плита покрытия (перекрытия)
|
1,661
|
1,1
|
1,8271
|
108
|
197,3268
|
|
Покрытие пола
|
0,65
|
|
0,82
|
108
|
88,56
|
|
Ригели покрытия
|
0,43
|
1,05
|
0,4515
|
3
|
1,3545
|
|
Ригели перекрытия
|
0,48
|
1,05
|
0,504
|
15
|
7,56
|
|
Перегородки и внутренние силы
|
1,5
|
1,1
|
1,65
|
49,248
|
81,2592
|
|
Временная нагрузка
|
4
|
1,2
|
4,8
|
108
|
518,4
|
|
|
|
|
|
|
|
Итого
|
|
|
|
|
954,8325
|
(м2);
По сортаменту принимаем
двутавр колонного типа
20К1;
(м2),
(м4), iх=8,5см.
λ=l/ iх=3,6/0,085=42,35 =>φ=0.862
σ=
кПа<240Па
4.1.3 Определяем
вертикальную нагрузку, действующую на среднюю колонну II уровня:
Вертикальная нагрузка,
действующая на среднюю колонну 2 уровня
|
Состав нагрузок
|
Нормативная нагрузка
|
Коэффиц. надёжности
|
Расчётная нагрузка
|
Грузовая площадь
|
Усилие
|
|
3 уровень
|
|
|
|
|
1822,358
|
|
Плита перекрытия
|
1,661
|
1,1
|
1,8271
|
216
|
394,6536
|
|
Покрытие пола
|
0,65
|
|
0,82
|
216
|
177,12
|
|
Ригели перекрытия
|
0,48
|
1,05
|
0,504
|
18
|
9,072
|
|
Перегородки и внутренние стены
|
1,5
|
1,1
|
1,65
|
49,248
|
81,2592
|
|
Колонна
|
0,42
|
1,05
|
0,441
|
21,6
|
9,5256
|
|
Временная нагрузка
|
4
|
1,2
|
4,8
|
216
|
1036,8
|
|
|
|
|
|
|
|
Итого
|
|
|
|
|
3530,788
|
(м2);
По сортаменту принимаем
двутавр колонного типа 23К1;
(м2),
(м4), iх=9,95см.
λ=l/ iх=3,6/0,0995=42,21
=>φ=0,859
σ=
кПа<240*103кПа
4.1.4Определяем
вертикальную нагрузку, действующую на крайнюю колонну II уровня:
Вертикальная нагрузка,
действующая на крайнюю колонну 2 уровня
Нормативная нагрузка
|
Коэффиц. надёжности
|
Расчётная нагрузка
|
Грузовая площадь
|
Усилие
|
|
3 уровень
|
|
|
|
|
954,8325
|
|
Плита перекрытия
|
1,661
|
1,1
|
1,8271
|
108
|
197,3268
|
|
Покрытие пола
|
0,65
|
|
0,82
|
108
|
88,56
|
|
Ригели перекрытия
|
0,48
|
1,05
|
0,504
|
15
|
7,56
|
|
Перегородки и внутренние стены
|
1,5
|
1,1
|
1,65
|
49,248
|
81,2592
|
|
Колонна
|
0,42
|
1,05
|
0,441
|
21,6
|
9,5256
|
|
Временная нагрузка
|
4
|
1,2
|
4,8
|
108
|
518,4
|
|
|
|
|
|
|
|
Итого:
|
|
|
|
|
1857,464
|
(м2);
По сортаменту принимаем
двутавр колонного типа 26К3;
(м2),
(м4), iх=11,3см.
λ=l/ iх=3,6/0,113=31,85 =>φ=0,668
σ=
<240*103кПа
4.1.5 Определяем
вертикальную нагрузку, действующую на среднюю колонну I уровня:
Вертикальная нагрузка,
действующая на среднюю колонну 1 уровня
|
Состав нагрузок
|
Нормативная нагрузка
|
Коэффиц. надёжности
|
Расчётная нагрузка
|
Грузовая площадь
|
Усилие
|
|
2 уровень
|
|
|
|
|
3530,788
|
|
Плита перекрытия
|
1,661
|
1,1
|
1,8271
|
216
|
394,6536
|
|
Покрытие пола
|
0,65
|
|
0,82
|
216
|
177,12
|
|
Ригели перекрытия
|
0,48
|
1,05
|
0,504
|
18
|
9,072
|
|
Перегородки и внутренние стены
|
1,5
|
1,1
|
1,65
|
49,248
|
81,2592
|
|
Колонна
|
0,42
|
1,05
|
0,441
|
21,6
|
9,5256
|
|
Временная нагрузка
|
4
|
1,2
|
4,8
|
216
|
1036,8
|
|
|
|
|
|
|
|
Итого:
|
|
|
|
|
5239,219
|
(м2);
По сортаменту принимаем
двутавр колонного типа 40К4;
(м2),
(м4), iх=17,85см.
λ=l/ iх=3,6/0,1785=20,17=>φ=0,99
σ=
<240Па
4.1.6 Определяем
вертикальную нагрузку, действующую на крайнюю колонну I уровня:
|
Д
|
|
|
Состав нагрузок
|
|
Нормативная нагрузка
|
|
Коффиц. Надёжности по нагрузке
|
|
Расчётная нагрузка
|
|
Грузовая площадь
|
Усилие
|
|
2 уровень
|
|
|
|
|
1857,464
|
|
|
Плита перекрытия
|
1,661
|
1,1
|
1,8271
|
108
|
197,3268
|
|
|
Покрытие пола
|
0,65
|
|
0,82
|
108
|
88,56
|
|
|
Ригели перекрытия
|
0,48
|
1,05
|
0,504
|
15
|
7,56
|
|
|
Перегородки и внутренние стены
|
1,5
|
1,1
|
1,65
|
49,248
|
81,2592
|
|
|
Колонна
|
0,42
|
1,05
|
0,441
|
21,6
|
9,5256
|
|
|
Временная нагрузка
|
4
|
1,2
|
4,8
|
108
|
518,4
|
|
|
|
|
|
|
|
|
|
|
|
|
|
Итого:
|
|
|
|
|
|
|
|
|
|
2760,096
|
|
|
|
|
|
|
|
|
|
|
|
|
|
|
|
|
|
(м2);
По сортаменту принимаем
двутавр колонного типа 35К2;
(м2),
(м4), iх=15,2см.
λ=l/ iх=3,6/0,158=23,68 =>φ=0,91
σ=
<240Па
Расчёт на горизонтальные
нагрузки. Определение ветровой нагрузки
В связи с тем, что
скорость ветра достаточно резко меняется, эта нагрузка воздействует
динамически. Давление ветра на высоте 10 м над поверхностью земли в открытой местности, называемое скоростным напором ветра gо, зависит от района строительства.
Ветровая нагрузка меняется по высоте, но в нормах принято, что до высоты 10м от
поверхности земли скоростной напор не меняется. Он принят за нормативный, а
увеличение его при большей высоте учитывается коэффициентами k, разными при разной высоте.
Нормативный скоростной напор ветра w0 =0,23 кПа. Тип местности B. Определим
нормативное значение средней составляющей ветровой нагрузки на высоте z:
,
где с – аэродинамический
коэффициент, зависящий от расположения и конфигурации поверхности. Для
вертикальных стен с=0,8 с наветренной стороны и с=-0,6 для откоса;
k – коэффициент, учитывающий изменение
ветрового давления по высоте. Расчетная нагрузка, приходящаяся на часть здания
по ширине
,
- коэффициент надежности по
нагрузке, 1,4;
B – шаг рам, 6м.
|
Z,м
|
к
|
В,м
|
Wm
|
Wm(p)
|
|
0,8
|
0,6
|
0,8
|
0,6
|
|
1,8
|
0,65
|
6
|
0,156
|
0,117
|
1,3104
|
0,9828
|
|
5,4
|
0,65
|
6
|
0,156
|
0,117
|
1,3104
|
0,9828
|
|
9
|
0,65
|
6
|
0,156
|
0,117
|
1,3104
|
0,9828
|
|
12,6
|
0,66
|
6
|
0,1584
|
0,1188
|
1,33056
|
0,99792
|
|
16,2
|
0,74
|
6
|
0,1776
|
0,1332
|
1,49184
|
1,11888
|
|
19,8
|
0,83
|
6
|
0,1992
|
0,1494
|
1,67328
|
1,25496
|
|
23,4
|
0,89
|
6
|
0,2136
|
0,1602
|
1,79424
|
1,34568
|
|
27
|
0,94
|
6
|
0,2256
|
0,1692
|
1,89504
|
1,42128
|
|
30,6
|
0,99
|
6
|
0,2376
|
0,1782
|
1,99584
|
1,49688
|
|
34,2
|
1,046
|
6
|
0,25104
|
0,18828
|
2,108736
|
1,581552
|
|
37,8
|
1,099
|
6
|
0,26376
|
0,19782
|
2,215584
|
1,661688
|
|
41,4
|
1,14
|
6
|
0,2736
|
0,2052
|
2,29824
|
1,72368
|
|
45
|
1,183
|
6
|
0,28392
|
0,21294
|
2,384928
|
1,788696
|
|
48,6
|
1,19
|
6
|
0,2856
|
0,2142
|
2,39904
|
1,79928
|
|
52,2
|
1,2
|
6
|
0,288
|
0,216
|
2,4192
|
1,8144
|
|
55,8
|
1,21
|
6
|
0,2904
|
0,2178
|
2,43936
|
1,82952
|
|
59,4
|
1,22
|
6
|
0,2928
|
0,2196
|
2,45952
|
1,84464
|
|
63
|
1,25
|
6
|
0,3
|
0,225
|
2,52
|
1,89
|
Определим сосредоточенные
силы:
Р1=
(1,31+1,31)∙1,8+(0,98+0,98)∙1,8=8,26кН
Р2=(1,31+1,31)∙1,8+(0,98+098)∙1,8=8,26кН
Р3=(1,31+1,33)∙1,8+(0,98+0,99)∙1,8=8,31кН
Р4=(1,33+1,49)∙1,8+(0,99+1,11)∙1,8=8,89кН
Р5=(1,49+1,67)∙1,8+(1,11+1,25)∙1,8=9,97кН
Р6=(1,67+1,79)∙1,8+(1,25+1,34)∙1,8=10,92кН
Р7=(1,79+1,89)∙1,8+(1,34+1,42)∙1,8=11,62кН
Р8=(1,89+1,99)∙1,8+(1,42+1,49)∙1,8=12,26кН
Р9=(1,99+2,1)∙1,8+(1,49+1,58)∙1,8=12,93
кН
Р10=(2,1+2,22)∙1,8+(1,58+1,66)∙1,8=13,62
кН
Р11=(2,22+2,29)∙1,8+(1,66+1,72)∙1,8=14,21
кН
Р12=(2,29+2,38)∙1,8+(1,72+1,79)∙1,8=14,75
кН
Р13=(2,38+2,39)∙1,8+(1,79+1,799)∙1,8=15,07
кН
Р14=(2,39+2,41)∙1,8+(1,799+1,8)∙1,8=15,18
кН
Р15=(2,41+2,43)∙1,8+(1,81+1,83)∙1,8=15,3
кН
Р16=(2,43+2,46)∙1,8+(1,83+1,84)∙1,8=15,43
кН
Р17=(2,46+2,52)∙1,8+(1,84+1,89)∙1,8=15,68
кН
Р18=2,52∙1,8+1,89∙1,8=7,94
кН
расчет на горизонтальную
нагрузку
ΣРIII=7,94+15,68+15,43+15,30+15,177+15,07=84,61
(кН).
ΣРII=14,75+14,21+13,62+12,93+12,25+11,62=79,39
(кН).
ΣРI=10,92
+9,97+8,89+8,32+8,25+8,25=54,61 (кН).
Рис. Схема действия
нагрузок
Фактические изгибающие
моменты:
,
где MЖ – момент в жестком узле;
MШ – момент в шарнирном узле;
-
сумма нагрузок уровня;
hЭТ – высота уровня;
4– количество колонн;
K – коэффициент, определяющий
жесткость узла.
;
,
,
где
- момент инерции ригеля;
- момент инерции колонны;
- длина колонны;
- длина ригеля;
III уровень крайняя колонна:
W=815,1/240*103=0,000625м3
По сортаменту принимаем
двутавр колонного типа 23К2;
(м2),
(м4), iх=10см.
σ=M/W=15,1/0,00661=2,28*103<240*103Па
II уровень средняя колонна:
W=39,59/240*103=0,000164м3
По сортаменту принимаем
двутавр колонного типа 20К1;
(м2),
(м4), iх=8,5см.
σ=M/W=39,59/0,00528=7,5*103кПа<240*103кПа
W=10,01/240*103=0,000041м3
По сортаменту принимаем
двутавр колонного типа 20К1;
(м2),
(м4), iх=8,5см.
σ=M/W=10,01/0,00528=1,9*103кПа<240*103кПа
Вывод: был произведен расчёт колонн на
вертикальные и горизонтальные нагрузки и подобранны номера двутавров типа
колонные для обоих вариантов. Из сравнительного анализа видно, что для
проектирования необходимо взять колонны сечением из расчёта на вертикальные
нагрузки.
Таблица 3 Номера колонн и их изгибная
жесткость
|
Уровень
|
Крайняя колонна
|
Средняя колонна
|
|
I
|
35К2: А=160∙10-4м2
W=2132∙10-6м3
|
40К4: А=308,6∙10-4м2
J=98340∙10-8м4
W=4694∙10-6м3
|
|
II
|
26К3: А=105,9∙10-4м2
J=13559,99∙10-8м4
W=1035∙10-6м3
|
35К3: А=184,1∙10-4м2
J=42969,99∙10-8м4
W=2435∙10-6м3
|
|
III
|
20К1: А=52,8∙10-4м2
J=3820∙10-8м2
W=392∙10-6м3
|
26К1: А=83,08∙10-4м2
J=10299,99∙10-8м4
W=809∙10-6м3
|
5. Определение
жесткостных и инерционных параметров
Определение условной
изгибной и сдвиговой жесткостей рамы
Условную изгибную
жесткость рамы определяем для каждого уровня по формуле:
,
где E – модуль упругости;
– момент инерции i – ой стойки;
– площадь i – ой стойки рамы;
– расстояние от оси рамы до осевой
линии рамы.
Сдвиговую жесткость рамы определяем также для каждого
уровня по формуле:
,
где
– высота этажа;
, где
– сумма погонных жесткостей колонн;
– сумма погонных жесткостей ригеля.
Определение
жесткостей диафрагмы
Конструируем раскосы диафрагмы из
равнополочных уголков №160´16:
|
|
|
b
|
t
|
r1
|
r2
|
A
|
Iy=Iz
|
Wy
|
iy
|
iu
|
iv
|
yo
|
P
|
|
см
|
см
|
см
|
см
|
см2
|
см4
|
см3
|
см
|
см
|
см
|
см
|
кг/м
|
|
L160x16
|
16
|
1.6
|
1.6
|
0.53
|
49.07
|
1175.19
|
102.64
|
4.89
|
6.17
|
3.14
|
4.55
|
38.52
|
Определяем сдвиговую
жесткость диафрагмы:
, где
–
высота этажа;
Усилия в стержнях
определяем по программе SCAD
результаты представлены в графическом виде на рис.1
Рис. 1 схема рамы,
цифрами показаны номера стержней.
Рис. 2 усилия в элементах
(кН)
Составление
матрицы жесткости рамы и диафрагмы
Определение податливости
рамы и диафрагмы от изгиба
Податливость рамы от
изгиба определяем методом конечных элементов по программе RGR2001 прикладывая в расчетных точках
единичную силу.
ПРОГРАММА
МКЭ-4ПСС. РАСЧЕТ РАМ МЕТОДОМ КОНЕЧНЫХ ЭЛЕМЕНТОВ.
User name:
User group:
ШИРИНА
ПОЛОСЫ
Н=
4
МАССИВ
ТИПОРАЗМЕРОВ ЭЛЕМЕНТОВ
1
2 3
МАССИВ
ДЛИН ЭЛЕМЕНТОВ
21.6
21.6 21.6
МАССИВ
ЖЕСТКОСТЕЙ ЭЛЕМЕНТОВ
238000000
157200000 78000000
МАТРИЦА
ИНДЕКСОВ ЭЛЕМЕНТОВ 1-ГО ТИПА
0
0 1 2
1
2 3 4
3
4 5 6
ЗАГРУЖЕНИЕ
1
ВЕКТОР
НАГРУЗОК:
P(
1 )= 1P( 2 )= 0P( 3 )= 0P( 4 )= 0
P(
5 )= 0P( 6 )= 0
ВЕКТОР
ПЕРЕМЕЩЕНИЙ:
V(1)=
2.950405E-03 V(2)= 3.512386E-04 V(3)= 7.376012E-03 V(4)= 3.512386E-04
V(5)= 1.180162E-02 V(6)= 3.512384E-04
ЭЛEMEHТ-
1. QH= -1.00000 QK= 1.00000 MH= -12.60000 MK= -0.00001
ЭЛEMEHТ-
2. QH= 0.00000 QK= -0.00000 MH= 0.00000 MK= 0.00000
ЭЛEMEHТ-
3. QH=
0.00000 QK= -0.00000 MH= 0.00000 MK= 0.00000
ЗАГРУЖЕНИЕ
2
ВЕКТОР
НАГРУЗОК:
P(
1 )= 0P( 2 )= 0P( 3 )= 1P( 4 )= 0
P(
5 )= 0P( 6 )= 0
ВЕКТОР
ПЕРЕМЕЩЕНИЙ:
V(1)=
7.376013E-03 V(2)= 1.053716E-03 V(3)= 2.397021E-02 V(4)= 1.448642E-03
V(5)= 4.222309E-02 V(6)= 1.448641E-03
ЭЛEMEHТ-
1. QH= -1.00000 QK= 1.00000 MH= -25.19998 MK= 12.59999
ЭЛEMEHТ-
2. QH= -1.00000 QK= 1.00000 MH= -12.60000 MK= -0.00000
ЭЛEMEHТ-
3. QH=
0.00000 QK= -0.00000 MH= 0.00001 MK= -0.00001
ЗАГРУЖЕНИЕ
3
ВЕКТОР
НАГРУЗОК:
P(
1 )= 0P( 2 )= 0P( 3 )= 0P( 4 )= 0
P(
5 )= 1P( 6 )= 0
ВЕКТОР
ПЕРЕМЕЩЕНИЙ:
V(1)=
1.180162E-02 V(2)= 1.756193E-03 V(3)= 4.222308E-02 V(4)= 2.940969E-03
V(5)= 8.268129E-02 V(6)= 3.345968E-03
ЭЛEMEHТ-
1. QH= -1.00000 QK= 1.00000 MH= -37.79997 MK= 25.19997
ЭЛEMEHТ-
2. QH= -1.00000 QK= 1.00000 MH= -25.20001 MK= 12.60001
ЭЛEMEHТ-
3. QH=
-1.00000 QK= 1.00000 MH= -12.60000 MK= -0.00002
Матрица податливости для
диафрагмы и рамы от изгиба:
2.3 Определение
податливости от сдвига
Расчетная схема системы:
Смещения от единичной
силы сдвига будут следующими:
б11=б21=б31=Н1/
GFусл1
б22=б32=б21+
Н2/ GFусл2
б33=б23+
Н3/ GFусл3
Для рамы:
11=
21=
31=21,6/52540=0,000411(м/кН)
22=
32=0,000411+21,6/50550=0,000838(м/кН)
33=0,000838+21,6/42280=0,00135(м/кН)
Матрица податливости для
рамы от сдвига:
Для диафрагмы:
11=
21=
31=21,6/237216.68=0,0000531(м/кН)
22=
32=0,0000531+21,6/236413.71=0,0001064(м/кН)
33=0,0001064+21,6/235636.05=0,000168(м/кН)
Матрица податливости для
диафрагмы от сдвига:
2.4. Составление матриц
жесткости и масс
Податливость всей системы
находится как сумма податливостей:
Для рамы:
Матрица жесткости всего здания:
Составляем матрицу
жесткости здания:
,
где nр – количество рам; пд
– количество диафрагм;
VI. Составление матрицы масс
Длина здания 72м.
Ширина 12м.
Площадь этажа 864м2.
Рис Распределение масс в
здании.
Составим матрицу масс:
(т);
Определение массы М3:
3уровня
|
Конструкции
|
Расчётная нагрузка
|
Грузовая площадь
|
Усилие
|
|
Снеговая нагрузка
|
1,8
|
864
|
1555,2
|
|
Кровля
|
1,556
|
864
|
1344,384
|
|
Плита перекрытия
|
1,82
|
5184
|
9434,88
|
|
Покрытие пола
|
0,82
|
4320
|
3542,4
|
|
Стены
|
1,65
|
2721,6
|
4490,64
|
|
Перегородки
|
1,65
|
2721,5
|
4490,475
|
|
Ригели покрытия
|
0,45
|
78
|
35,1
|
|
Ригели перекрытия
|
0,5
|
936
|
468
|
|
Раскосы диафрагм
|
0,38
|
119,16
|
45,2808
|
|
Колонны ср.
|
|
1166,4
|
711,504
|
|
Колонны кр.
|
0,43
|
2332,8
|
1003,104
|
|
Временная нагрузка 4 5184 20736
|
|
Итого 47856,97
|
М3 =47856,97/9,8=4883,36
(т).
Определение массы М2: 2
уровня
|
Конструкции
|
Расчётная нагрузка
|
Грузовая площадь
|
Усилие
|
|
Плита перекрытия
|
1,82
|
5184
|
9434,88
|
|
Покрытие пола
|
0,82
|
4320
|
3542,4
|
|
Стены
|
1,65
|
3628,8
|
5987,52
|
|
Перегородки
|
1,65
|
3628,7
|
5987,355
|
|
Ригели перекрытия
|
0,5
|
936
|
468
|
|
Раскосы диафрагм
|
0,38
|
119,16
|
45,2808
|
|
Колонны ср.
|
0,61
|
2332,8
|
1423,008
|
|
Колонны кр.
|
0,43
|
4665,6
|
2006,208
|
|
Временная нагрузка
|
4
|
5184
|
20736
|
|
Итого49630,65
|
М2=49630,89/9,8 =5064,35(т).
Определение массы 1
уровня
|
Конструкции
|
Расчётная нагрузка
|
Грузовая площадь
|
Усилие
|
|
Плита перекрытия
|
1,82
|
5184
|
9434,88
|
|
Покрытие пола
|
0,82
|
4320
|
3542,4
|
|
Стены
|
1,65
|
3628,8
|
5987,52
|
|
Перегородки
|
1,65
|
3628,7
|
5987,355
|
|
Ригели перекрытия
|
0,5
|
936
|
468
|
|
Раскосы диафрагм
|
0,38
|
119,16
|
45,2808
|
|
Колонны ср.
|
0,61
|
3499,2
|
2134,512
|
|
Колонны кр.
|
0,43
|
6998,4
|
3009,312
|
|
Временная нагрузка
|
4
|
5184
|
20736
|
|
Итого 51345,26
|
М1=51345,26/9,8=5239,31
(т).
Дальше
введем матрицы жесткости здания и масс в программу «DINCIB»
и определим частоты и формы колебаний:
VII. Определение пульсационной
составляющей ветровой нагрузки
Пульсационная
составляющая ветровой нагрузки определяют в зависимости от соотношения первой
частоты колебания и предельной частоты, при котором допускается не учитывать
силы инерции. Эти частоты вычисляются в Гц. Определяем круговые частоты:
;
(Гц);
(Гц);
(Гц);
По СНиП 2.01.07-85 “Нагрузки и
воздействия” определяем предельное значение частоты собственных колебаний fе. Так как здание со стальным каркасом при наличии
ограждающих конструкций, то логарифмический декремент колебаний равен
и II ветровой район, то fе =0,95Гц.
Сравниваем частоту
собственных колебаний с предельной частотой собственных колебаний:
при этом здание симметричное в плане
значит, расчет ведем по третьему случаю:
, (3)
где m – масса сооружения на уровне z;
- коэффициент динамичности,
определяемый в зависимости от параметра
и логарифмического
декремента колебаний
(в данном случае δ=0,3);
- коэффициент надежности по
нагрузке, равный 1,4;
- нормативное значение ветрового
давления, равное 0,23 (кПа);
y – горизонтальное перемещение
сооружения на уровне z по
первой форме собственных колебаний;
- коэффициент, определяемый
посредством разделения сооружения на r участков, в пределах которых ветровая нагрузка принимается постоянной,
по формуле:
, (3)
где
- масса k-го участка сооружения;
-
горизонтальное перемещение центра k-го участка;
;
где ζ – коэффициент
пульсаций давления ветра на уровне z, принимаемый по табл.7[4];
ν – коэффициент
пространственной корреляции пульсаций давления ветра;

- нормативное значение средней составляющей ветровой
нагрузки на уровне z, определяется по
формуле:
где k – коэффициент, учитывающий изменение
ветрового давления по высоте;
с – аэродинамический
коэффициент, равный 1,4;
1) z1= 16,8м
z2= 33,6м
z3= 50,4м
2)
; по чертежу 2[4] находим ξ=1,8
3)
=0,3×0,786×1,4=0,33 (кН/м2);
=0,3×1,02×1,4=0,43 (кН/м2);
=0,3×1,04 ×1,4=0,44 (кН/м2);
ζ1=0,965;
ζ2=0,839;ζ3=0,769
(кН/м2);
(кН/м2);
(кН/м2);
(кН/м2);
(кН/м2);
(кН/м2);
Определим итоговую
суммарную составляющую ветровую нагрузку на здание ΣРi=РI×n+WpiΣ. Для этого сначала найдем среднюю
составляющую ветровой нагрузку, которая приходит на расчётную раму, приведённая
к сосредоточенным силам в уровне перекрытия:
ΣW1=283,046+54,61=337,66 (кН)
ΣW2=566,09+79,39=645,48 (кН)
ΣW3=1611+54,61=1665,61 (кН)
(кН);
Определяем вектор
перемещений:
;
[V]=
(м) ;
Определяем усилия,
действующие на раму и диафрагму:
;
;
[Pд]=
[Pр]=
VIII. Расчёт рамы на вертикальную и
горизонтальную нагрузку
Используя программу Shape нарисуем раму и, приложив
полученные нагрузки, построим эпюры от 3-го суммарного загружения.


Узел № 4:Узел № 13:Узел № 20:
87+352-438 =
042+1029+53-1124=0 362+269-631=0
IX. Уточнение элементов сечения
9.1 Уточнение сечения
ригеля
9. Уточнение элементов
сечения
Ригель перекрытия:
По максимальному моменту
находим требуемый момент сопротивления:
;
Наибольший момент в
элементе №49 М=1058,83 (кН*м).
;
Найденный момент сопротивления
больше принятого 4924,8м3>803,6 м3
По сортаменту подбираем
двутавр широкополочного типа 80Ш1;
А=258(см3) W=6810(см3); J=265170(см4).
Производим проверку на прочность:
- проверка выполняется
Ригель покрытия: Наибольший момент в элементе №16 М=369,2 (кНм).
;
Найденный момент
сопротивления больше принятого 1717м3>662,2 м3
По сортаменту подбираем двутавр колонного типа 35К1;
А=139,7(см3) W=1843(см3);
J=31610(см4).
Производим проверку на прочность:
- проверка
выполняется
10.2 Уточнение сечения
колонны
Подбор сечения проводим
по трем проверкам:
1) проверку прочности производим по
формуле:
, (2) [3.52]
где N – продольная сила, действующая на
колонну;
Мх – момент,
действующий в плоскости колонны;
- площадь поперечного сечения
колонны;
R – расчетное сопротивление стали;
-
коэффициенты, учитывающие степень развития пластических деформаций;
в данном случае третье
слагаемое можно не учитывать.
2) проверка устойчивости колонны в
плоскости действия момента:
где jвн – коэффициент, снижающий расчетное
сопротивление при внецентренном сжатии, определяется по прил.8[1];
3) проверка устойчивости колонны из
плоскости действия момента:
где jу – коэффициент продольного изгиба,
определяется по прил.7[1];
с– коэффициент,
учитывающий влияние момента при изгибно-крутильной форме устойчивости.
III-ый уровень крайняя колонна: М= 90,8 кНм, N=595,8 кН.
1) проверка прочности:
При Ап/Аст=1 по прил.5
[1] определяем:
;
По сортаменту принимаем
двутавр колонного типа 23К1;
А=66,51(см2); W=580(cм3); J=6589(см4); ix=6,03см, iу=9,95см.
2) проверка устойчивости
колонны в плоскости действия момента:
находим относительный
эксцентриситет:
гибкость l=l/ix=3,6/6,03*10-2=69,65;
условная гибкость
коэффициент влияния формы
сечения при mx<5 прил.10[1]: η=(1,9-0,1m)-0,02(6-m)
= =(1,9-0,1*1,74)-0,02(6-1,74)*2,25=1,5
приведенный относительный
эксцентриситет: mх1=ηmх=1,5*1,74 =2,61
Отсюда по прил. 10[1]
вычислим φ=0,36
595,8/0,359*66,51*10-4=247МПа>215МПа.
По сортаменту принимаем
двутавр колонного типа 26К1; А=83,08(см2); W=809(cм3);
ix=6,51см, iу=11,14см.
; l=l/ix=4,2/6,51*10-2=64,52;
;
η=(1,9-0,1m)-0,02(6-m)
= (1,9-0,1*1,57)-0,02(6-1,57)*2=1,57
приведенный относительный
эксцентриситет: mх1=ηmх=1,57*1,57 =2,5
Отсюда по прил. 10[1]
вычислим φ=0,35
595,8/0,35*83,08*10-4=204МПа<215МПа.
3)проверка устойчивости из плоскости действия
момента:
гибкость
= l/iу=3,6/11,14*10-2=37,7;
при mx =1,57<5 коэффициент с определяем по формуле с=β/(1+a mx)
где
a=0,65+0,05* mx=0,65+0,05*1,57=0,73; β=1 тогда с=1/(1+0,73*1,57)=0,47
По прил.7 [1] определяем
jу=0,9
<215МПа;
Оставляем принятый двутавр
26К1.
II-ой уровень крайняя колонна: М= 128,3 кНм, N=1993,4 кН.
1) проверка прочности:
При Ап/Аст=1 по прил.5
[1] определяем:
;
2) проверка устойчивости
колонны в плоскости действия момента
:
находим относительный
эксцентриситет
гибкость l=l/ix=3,6/7,65*10-2=47,06;
условная гибкость
коэффициент влияния формы
сечения при mx<5 прил.10[1]: η=(1,9-0,1m)-0,02(6-m)
= (1,9-0,1*0,46)-0,02(6-0,46)*1,77=1,66
приведенный относительный
эксцентриситет: mх1=ηmх=1,66*0,46 =0,76
Отсюда по прил. 10[1]
вычислим φ=0,628
1993,4/0,628*122,7*10-4=253МПа>215МПа.
I-ый уровень крайняя колонна: М= 268,5 кН*м, N=3595,7 кН.
1) проверка прочности:
При Ап/Аст=1 по прил.5
[1] определяем:
;
По сортаменту принимаем
двутавр колонного типа 40 К3; А=257,8(см2); W=3914(cм3);
ix=10,07см, iу=17,62см.
2) проверка устойчивости
колонны в плоскости действия момента:
находим относительный
эксцентриситет
:
гибкость l=l/ix=3,6/10,07*10-2=41,7;
условная гибкость
коэффициент влияния формы
сечения при mx<5 прил.10[1]: η=(1,9-0,1m)-0,02(6-m)
= (1,9-0,1*0,49)-0,02(6-0,49)*1,35=1,7
приведенный относительный
эксцентриситет: mх1=ηmх=1,7*0,49 =0,78
Отсюда по прил. 10[1]
вычислим φ=0,666
3596/0,666*257,8*10-4=209МПа<215МПа.
3)проверка устойчивости из плоскости действия
момента
:
гибкость
= l/iу=3,6/17,62*10-2=23,84;
при mx =0,49<1 коэффициент с определяем по формуле с=β/(1+a mx)
где a=0,7; β=1 тогда с=1/(1+0,7*0,49)=0,77
По прил.7 [1] определяем
jу=0,934
<215МПа;
Оставляем принятый
двутавр 40К3.
III-ой уровень средняя колонна: М= 9,4 кНм, N=1800,4 кН.
1) проверка прочности:
При Ап/Аст=1 по прил.5
[1] определяем:
;
2) проверка устойчивости
колонны в плоскости действия момента

:
находим относительный
эксцентриситет:
гибкость l=l/ix=4,2/5,77*10-2=72,79;
условная гибкость
коэффициент влияния формы
сечения при mx<5 прил.10[1]: η=(1,9-0,1m)-0,02(6-m)
= (1,9-0,1*0,16)-0,02(6-0,6)*2,35=1,61
приведенный относительный
эксцентриситет: mх1=ηmх=1,61*0,16 =0,26
Отсюда по прил. 10[1]
вычислим φ=0,693
1800,4/0,693*83,08*10-4=159МПа<215МПа.
3)проверка устойчивости из плоскости действия
момента
:
гибкость
= l/iу=3,6/5,77*10-2=72,79;
при mx =0,39<1 коэффициент с определяем по формуле с=β/(1+a mx)
где a=0,7; β=1 тогда с=1/(1+0,7*0,16)=0,9
По прил.7 [1] определяем jу=0,790
<215МПа;
Оставляем принятое
сечение 26х1.
II-ой уровень средняя колонна: М= 42,17 кНм, N=5944 кН.
1) проверка прочности:
II-ой уровень средняя колонна: М= 42,17 кНм, N=5944 кН.
1) проверка прочности: При
Ап/Аст=1 по прил.5 [1] определяем:
;
2) проверка устойчивости
колонны в плоскости действия момента

:
находим относительный
эксцентриситет:
гибкость l=l/ix=3,6/7,22*10-2=49,86;
условная гибкость
коэффициент влияния формы
сечения при mx<5 прил.10[1]: η=(1,9-0,1m)-0,02(6-m)
= (1,9-0,1*0,17)-0,02(6-0,17)*1,88=1,66
приведенный относительный
эксцентриситет: mх1=ηmх=1,66*0,17 =0,28
Отсюда по прил. 10[1]
вычислим φ=0,742
5944/0,742*184,1*10-4=212МПа<215МПа.
3)проверка устойчивости из плоскости действия
момента
:
гибкость
= l/iу=3,6/7,22*10-2=58,17;
при mx =0,17<1 коэффициент с определяем по формуле с=β/(1+a mx)
где a=0,7; β=1 тогда с=1/(1+0,7*0,17)=0,894
По прил.7 [1] определяем
jу=0,827
<215МПа;
Оставляем принятое
сечение 35х3.
I-ой уровень средняя колонна: М= 69,8 кНм, N=9757 кН.
1) проверка прочности:
При Ап/Аст=1 по прил.5
[1] определяем:
;
2) проверка устойчивости
колонны в плоскости действия момента

:
находим относительный
эксцентриситет:
гибкость l=l/ix=3,6/8,66*10-2=48,5;
условная гибкость
коэффициент влияния формы
сечения при mx<5 прил.10[1]: η=(1,9-0,1m)-0,02(6-m)
= (1,9-0,1*0,14)-0,02(6-0,14)*1,57=1,7
приведенный относительный
эксцентриситет: mх1=ηmх=1,7*0,14 =0,24
Отсюда по прил. 10[1]
вычислим φ=0,795
9757/0,795*308,6*10-4=211МПа<215МПа.
3)проверка устойчивости из плоскости действия
момента
:
гибкость
= l/iу=3,6/8,66*10-2=41,6;
при mx =0,14<1 коэффициент с определяем по формуле с=β/(1+a mx)
где a=0,7; β=1 тогда с=1/(1+0,7*0,14)=0,91
По прил.7 [1] определяем
jу=0,869
<215МПа;
Оставляем принятое
сечение 40х4.
Заносим полученные данные
в таблицу:
|
Ригель покрытия
|
Ригель перекрытия
|
80Ш1
|
А=258*10-4 (м2)
J=265170*10-8 (м4)
W=6810*10-6 (м3)
|
35К1
|
А=139,7*10-4 (м2)
J=31610*10-8 (м4)
W=1843*10-6 (м3)
|
|
|
|
|
|
|
|
|
|
|
|
|
|
|
|
X. Конструирование узлов каркаса
10.1 Сопряжение колонн
и ригеля
III уровень средняя колонна (15 элемент)
М=1287 кНм, N=5,1 кН, Q=695 кН.
Примем полуавтоматическую
сварку Св-08Г2С*, расчетные характеристики: Ryшсв=24кН/см2;Ryссв=26 кН/см2; βш =0,9;
βс=1; γyшсв =γyссв =1,1.
βшRyшсвγyшсв=0,9*24=21,6 < βсRyссвγyссв=1,05*26=27,9 кН/см2;
1)Определим толщину шва
(“рыбки”):
Толщина “рыбок” составит 32 мм.
2)Определяем требуемую
длину шва (“рыбки”):
Длина “рыбок” составит 19 см.
3)Рассчитаем высоту
вертикального ребра:
Рассчитаем диаметр и
количество болтов:
На срез:
,
где Q – поперечная сила;
- расчетное сопротивление болтов
срезу;
-
коэффициент условий работы соединения;
-
площадь поперечного сечения болта;
-
число расчетных срезов;
Принимаем болты
нормальной точности, по классу прочности 8,8 МПа (
=25кН/см2 ,
=45кН/см2 ):
;
Принимаем 3 болта d = 22 мм; Аб=3,08 см2.
На смятие:
где
- расчетное усилие воспринимаемое одним
болтом смятию;
-
расчетное сопротивление смятию элементов, соединяемых болтами;
d – диаметр болта;
-
наименьшая суммарная толщина элементов, сминаемых в одном направлении;

Окончательно принимаем 3
болта d = 22 мм.
Минимальная длина
вертикальной накладки составит: h=2*2d+2*3d=10d=220мм.
Окончательно принимаем h=26см.
II уровень средняя колонна (22
элемент)
М=1301 кНм, N=40,2 кН, Q=695 кН.
1)Определим толщину шва
(“рыбки”):
Толщина “рыбок” составит 27 мм.
2)Определяем требуемую
длину шва (“рыбки”) при kш=20мм:
Длина “рыбок” составит 19 см.
3)Рассчитаем высоту
вертикального ребра:
Рассчитаем диаметр и
количество болтов:
На срез:
,
где Q – поперечная сила;
- расчетное сопротивление болтов
срезу;
-
коэффициент условий работы соединения;
-
площадь поперечного сечения болта;
-
число расчетных срезов;
Принимаем болты
нормальной точности, по классу прочности 8,8 МПа (
=25кН/см2 ,
=45кН/см2 ):
;
Принимаем 3 болта d = 22 мм; Аб=3,08 см2.
На смятие:
где
- расчетное усилие воспринимаемое одним
болтом смятию;
-
расчетное сопротивление смятию элементов, соединяемых болтами;
d – диаметр болта;
-
наименьшая суммарная толщина элементов, сминаемых в одном направлении;

Окончательно принимаем 3
болта d = 22 мм.
Минимальная длина
вертикальной накладки составит: h=2*2d+2*3d=10d=220мм.
Окончательно принимаем h=26см.
I уровень средняя колонна (11
элемент)
М=1124 кНм, N=131,3 кН, Q=648 кН.
1)Определим толщину шва
(“рыбки”):

Толщина “рыбок” составит 20 мм.
2)Определяем требуемую
длину шва (“рыбки”) при kш=16мм:
Длина “рыбок” составит 19 см.
3)Рассчитаем высоту
вертикального ребра:
Рассчитаем диаметр и
количество болтов:
На срез:
,
где Q – поперечная сила;
- расчетное сопротивление болтов
срезу;
-
коэффициент условий работы соединения;
-
число расчетных срезов;
Принимаем болты
нормальной точности, по классу прочности 8,8 МПа (
=25кН/см2 ,
=45кН/см2 ):
;
Принимаем 3 болта d = 20 мм; Аб=2,49 см2.
На смятие:
где
- расчетное усилие воспринимаемое одним
болтом смятию;
-
расчетное сопротивление смятию элементов, соединяемых болтами;
d – диаметр болта;
-
наименьшая суммарная толщина элементов, сминаемых в одном направлении;

Окончательно принимаем 3
болта d = 20 мм.
Минимальная длина
вертикальной накладки составит: h=2*2d+2*3d=10d=200мм.
Окончательно принимаем h=24см.
10.2 Сопряжение колонн
Выбор конструкции стыка
зависит от соотношения между наибольшим эксцентриситетом и ядровым расстоянием
сечения. Если е>ρ,
то стык испытывает большие растягивающие усилия, поэтому болты рассчитывают на
растяжение от изгибающего момента. При этом, если стыкуются колонны одного
сечения их торцы должны свариваться. Если же разного сечения, то между ними
устраивается опорная плита, к которой и привариваются обе колонны.
Если е<ρ, то допускается рассчитывать
узел как центрально-сжатый и болты в этом случае ставятся конструктивно. При
этом стыки колонн одного сечения можно не сваривать, а только фрезеровать.
Стыки колонн разного сечения и в этом случае приваривают к плите.
Стык колонн одинакового
сечения в одном уровне не делают, если ее длина менее 10м. В данной работе
длина колонн в III уровне
составляет 8,4м, а во II и I уровнях по 12,6 м.
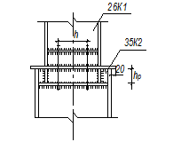
III-II уровни: крайняя колонна :
Стык колонн разного
сечения.
М=71 кНм, N=589 кН, Q=34 кН.
е=М/N=71/589=0,12м;
ρ=W/A=809*10-6/83,08*10-4= 0,097м
е > ρ
Рассчитываем кол-во
болтов на срез:
где Q – поперечная сила,
RBS – расчетное сопротивление болтов
срезу,
d – диаметр,
ns – необходимое число болтов.
Принимаем в узле болты
нормальной точности, по классу прочности 8,8 МПа, d=24мм, Ав =3,59см2, RBS =25кН/см2, RBТ =40 кН/см2.
Расстояние между болтами h=H-2t-4d, где Н-высота двутавра, t-толщина полки двутавра.
h=255 – 2*12 – 4*24 =135 мм.
Рассчитываем кол-во
болтов на растяжение:
где Nв – продольное усилие, воспринимаемое
болтами;
RBТ – расчетное сопротивление болтов растяжению;
Ав – площадь
сечения болта;
Окончательно принимаем 4
болта d = 24 мм.
Т.к. для данных колонн
имеется большая разница сечения ярусов, то плиты должна поддерживаться снизу
ребрами жесткости, идущими под полками верхней колонны. Высота ребра
определяется требуемой длиной швов, передающих нагрузку на стержень нижней
колонны.
Применяем
полуавтоматическую сварку Св-08А, d=1,4-2мм, kш=10мм. Расчетные характеристики:
Ryшсв=18кН/см2;Ryссв= 16,5 кН/см2; βш
=0,7; βс=1,05; γyшсв =γyссв =1,1.
βшRyшсвγyшсв=0,7*18=16,2 < βсRyссвγyссв=1,05*16,5=17,3 кН/см2;
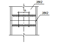
II уровень: крайняя колонна :
Стык колонн одного
сечения.
М=113 кНм, N=1492 кН, Q=53 кН.
е=М/N=113/1492=0,12м;
ρ=W/A=1035*10-6/105,9*10-4=0,09м
е < ρ
Принимаем в узле болты
нормальной точности, по классу прочности 8,8 МПа, d=24мм, Ав =3,59см2, RBS =25кН/см2, RBТ =40 кН/см2.
Расстояние между болтами h=H-2t-4d=348 – 2*17,5 – 4*24 =217 мм.
Рассчитываем кол-во
болтов на срез:
Рассчитываем кол-во
болтов на растяжение:
Окончательно принимаем 4
болта d = 24 мм.
II-I уровни: крайняя колонна :
Стык колонн разного
сечения.
М=110 кНм, N=1993 кН, Q=56,7 кН.
е=М/N=110/1993=0,055м;
ρ=W/A=2132*10-6/160,4*10-4=0,13м
е < ρ
Принимаем в узле болты
нормальной точности, по классу прочности 8,8 МПа, d=24мм, Ав =3,59см2, RBS =25кН/см2, RBТ =40 кН/см2.
Расстояние между болтами h=H-2t-4d =348 – 2*17,5 – 4*24 =217 мм.
Рассчитываем кол-во
болтов на срез:
Рассчитываем кол-во
болтов на растяжение:
Окончательно принимаем 4
болта d = 24 мм.
Т.к. для данных колонн
имеется большая разница сечения ярусов, то плиты должна поддерживаться снизу
ребрами жесткости, идущими под полками верхней колонны. Высота ребра
определяется требуемой длиной швов, передающих нагрузку на стержень нижней
колонны.
Применяем
полуавтоматическую сварку Св-08А, d=1,4-2мм, kш=10мм. Расчетные характеристики:
Ryшсв=18кН/см2;Ryссв= 16,5 кН/см2; βш
=0,7; βс=1; γyшсв =γyссв =1,1.
βшRyшсвγyшсв=0,7*18=16,2 < βсRyссвγyссв=1*16,5=16,42 кН/см2;
I уровень: крайняя колонна:
Стык колонн одного
сечения.
М=362 кНм, N=3056 кН, Q=164 кН.
е=М/N=362/3056=0,12м;
ρ=W/A=2132*10-6/160,4*10-4= 0,13м
е < ρ
Принимаем в узле болты
нормальной точности, по классу прочности
8,8 МПа, d=32мм, Ав =6,71см2,
RBS =25кН/см2, RBТ =40 кН/см2.
Расстояние между болтами
h=H-2t-4d=409 – 2*24,5 – 4*32 =232мм.
Рассчитываем кол-во
болтов на срез:
Рассчитываем кол-во
болтов на растяжение:
Окончательно принимаем 4
болта d = 32 мм.
III-II уровни: средняя колонна :
Стык колонн разного
сечения.
М=8 кНм, N=1800 кН, Q=4 кН.
е=М/N=8/1800=0,004м;
ρ=W/A=809*10-6/83,08*10-4=0,09м
е < ρ
Принимаем в узле болты
нормальной точности, по классу прочности 8,8 МПа, d=16мм, Ав =1,6 см2, RBS =25кН/см2, RBТ =40 кН/см2.
Расстояние между болтами h=300 мм.
Рассчитываем кол-во
болтов на срез:
Рассчитываем кол-во
болтов на растяжение:
Окончательно принимаем 2
болта d = 16 мм.
II уровень: средняя колонна :
Стык колонн одного
сечения.
М=38 кНм, N=4565 кН, Q=18,3 кН.
е=М/N=38/4565=0,008м;
ρ=W/A=2435*10-6/184,1*10-4= 0,13м
е < ρ
Принимаем в узле болты
нормальной точности, по классу прочности 8,8 МПа, d=16мм, Ав =1,6см2, RBS =25кН/см2, RBТ =40 кН/см2.
Расстояние между болтами h=350мм.
Рассчитываем кол-во
болтов на срез:
Рассчитываем кол-во
болтов на растяжение:
Окончательно принимаем 2
болта d = 16 мм.
II-I уровни: средняя колонна :
Стык колонн разного
сечения.
М=42 кНм, N=5944 кН, Q=20 кН.
е=М/N=42/5944=0,007м;
ρ=W/A=4694*10-6/308,6*10-4= 0,15м
е < ρ
Принимаем в узле болты
нормальной точности, по классу прочности
8,8 МПа, d=24мм, Ав =3,59 см2,
RBS =25кН/см2, RBТ =40 кН/см2.
Расстояние между болтами h=350 мм.
Рассчитываем кол-во
болтов на срез:
Рассчитываем кол-во
болтов на растяжение:
Окончательно принимаем 2
болта d = 24 мм.
I уровень: средняя колонна :
Стык колонн одного
сечения.
М=58 кНм, N=8492 кН, Q=27 кН.
е=М/N=58/8492=0,007м;
ρ=W/A=4694*10-6/308,6*10-4= 0,15м
е < ρ
Принимаем в узле болты
нормальной точности, по классу прочности 8,8 МПа, d=24мм, Ав =3,59см2, RBS =25кН/см2, RBТ =40 кН/см2.
Расстояние между болтами h=350мм.
Рассчитываем кол-во
болтов на срез:
Рассчитываем кол-во
болтов на растяжение:
Окончательно принимаем 2
болта d = 24 мм.
10.3 Базы колонн
Расчет базы крайней
колонны
М=163кН, N=3596 кН.
Требуемая площадь плиты
Апл.тр.= N*Rф=3596/0,84=4281 (см2 );
Rф=γRб=1,2*0,7=0,84кН/см2Rб=0,7кН/см2 (бетон М150).
Материал базы: сталь
Вст3кп2, расчетное сопротивление R=22кН/см2
при t=20-40мм.
По конструктивным
соображениям свес плиты с2 должен быть не менее 4см.
Принимаем площадь плиты
660х600мм.
Среднее напряжение в
бетоне под плитой
σф=N/ Апл.факт.=3596/6602=0,83
(кН/см2).
Конструируем базу колонны
с траверсами толщиной 12мм, приваривая их к плите угловыми швами.
Определим изгибающие
моменты на отдельных участках плиты
участок1 (плита, опертая
на четыре стороны: b/a=351/192=1,83; α=0,095)
М1= α
σфа2=0,095*0,83*19,22=29,1 (кНсм);
участок 2 (консольный
свес b/a=400/130=3>2)
М2= σфа2
/2=0,83*132/2= 58 (кНсм)
участок 3 (консольный
свес с=12)
М3= σфа2
/2=0,83*122 /2=57 (кНсм)
Принимаем для расчета Мmax=М2=58 (кНм)
Требуемая толщина плиты:
tпл=
Прикрепление траверс к
колонне выполняем полуавтоматической сваркой проволокой марки Св-08Г2С, d=1.4…2мм.
Толщину траверс принимаем
tтр=1,2 см, высоту hтр=60 см.
Расчетные характеристики:
Ryшсв=21,5кН/см2;Ryссв=0,45*36,5 = 16,45 кН/см2;
βш =0,7; βс=1; γyшсв =γyссв =1.
βшRyшсвγyшсв=0,7*21,5=15,05 < βсRyссвγyссв=1*16,42=16,42 кН/см2;
Прикрепление траверсы к
колонне рассчитываем по металлу шва, принимая катет угловых швов kш=12 мм.
σш=N/4kш lш. < (βRyсвγyсв)minγ =3596/4*1,2*(60-2) = 12,9 < 15,05 (кН/см2).
Крепление траверсы к
плите принимаем угловыми швами
kш=10мм.
σш=N/kш Σlш. < (βRyсвγyсв)minγ =3596/1*2*(66+11*2+2*33,1)=11,7<15,05 (кН/см2).
Швы удовлетворяют
требованиям прочности. При вычислении суммарной длины швов с каждой стороны шва
не учитывалось по 1см на непровар.
Приварку торца колонны к
плите выполняем конструктивными швами kш=6 мм, так
как эти швы в расчете не учитывались.
Расчет анкерных болтов.
Требуемая площадь нетто
сечения анкерных болтов определяют по формуле:
Аб= М/уRба, где
Rба – расчетное сопротивление растяжению
анкерных болтов из стали марки 09Г2С, Rба=14,5
кН/см2.
Аб=163/14,5=11,24
(см2).
Площадь поверхности
сечения одного болта:
Аб1= Аб/4
=11,24/4 = 2,8 (см2).
По ГОСТ 24379,0 находим
ближайший диаметр 24 мм, расчетная площадь сечения нетто Аб1нт=3,24
см2. Длина заделки болта в бетон должна быть 0,85м при отсутствии
опорной шайбы.
Рис. База крайней колонны
Рис. База средней
колонны
10.4 Расчет узла
диафрагмы
(кН)
EJ1=2,38*10-8 (кНм2);
EJ2=1,57*10-8 (кНм2);
EJ3= 0,78*10-8 (кНм2);
К1=
=1,32; К2=
=0,87
1)х 2)х+6к1х=8,92х
3)к1х+6к2х=6,54х
1)
2)
3)
Распределим нагрузки по
высоте здания:
Наибольшее усилие 306,03
кН.
Продольное усилие в
раскосе составит 306,03*0,55=168,32кН.
Рассчитаем болты на срез:
Принимаем болты
нормальной точности, по классу прочности 8,8 МПа:
Принимаем два болта d = 14 мм;
(см2).
Толщина фасонки 10 мм. Раскосы диафрагмы состоят из двух равнобоких уголка 200х12. Применяем полуавтоматическую
сварку Св-08А, d=1,4-2мм.
Расчетные характеристики:
Ryшсв=18кН/см2;Ryссв= 16,5 кН/см2; βш
=0,7; βс=1,05; γyшсв =γyссв =1. βшRyшсвγyшсв=0,7*18=16,2 < βсRyссвγyссв=1,05*16,5=17,3 кН/см2;
Длина шва по обушку (kШ = 10 мм)
:
Длина шва по перу (kШ = 8 мм):