Проектирование жилого дома с малыми квартирами в г. Мурманске
ВВЕДЕНИЕ
Строительство является
одной из основных форм созидательной деятельности человека.
Строительство – это
отрасль материального производства, в которой создаются основные фонды
производственного (промышленного предприятия, энергетические комплексы, дороги,
магистральные трубопроводы) и непроизводственного (жилые дома, общественные
здания, частичные комплексы) назначение.
Строительство означает
также производственный процесс возведения этих зданий и сооружений, включая их
последующий ремонт, реконструкцию, перепрофилирование, гарантийную
эксплуатацию.
Капитальное строительство
– обобщающий термин, включает новое строительство, реконструкцию и расширение с
техническим перевооружением, капитальный и текущий ремонт зданий и сооружений.
Жилые здания предназначены
для постоянного или временного пребывания людей. К ним относятся жилые дома,
общежитие, гостиницы.
Правильный выбор
этажности жилых домов и их объёмно-планировочной структуры имеет важное
значение как в экономическом градостроительном и архитектурном отношении, так и
для решения социальных задач обеспечения, где необходимо благоприятные условия
жизни и жизнедеятельности населения.
Требования к зданиям:
здания любого типа должны удовлетворять функциональным, техническим,
художественным экономическим требованиям.
1. ОБЩАЯ ЧАСТЬ
Данный курсовой проект
разработан для строительства 5-этажного 60-квартийного дома с малыми
квартирами.
Проектируемое здание
расположено в городе Мурманск, Мурманская область с температурными условиями Тнх1=-36°
и Тнх5=-29°. Внутренняя температура в помещениях здания должна быть Тв=20°.
Район строительства характеризуется основанием состоящим из грунтов - суглинки.
Глубина промерзания
грунтов 1,8м.
Уровень грунтовых вод 7
-8м.
Глубина заложения
фундамента 1,3м.
Проектируемое здание
имеет следующие размеры:
-длина здания – 45200мм;
-ширина здания – 16160мм;
-пролёты – 5020мм;
-шаг несущих стен – 6400мм;
-высота этажа – 2800мм;
-общая высота здания – 15070мм.
Здание 5-этажное,
кирпичное с поперечными несущими стенами. Здание имеет бескаркасную схему.
Имеются балконы, обогащающие архитектурно – композиционные решения здания
создающие дополнительные удобства людям. Эвакуация при пожарах осуществляется
по лестницам общего назначения. По долговечности здание относится к 2степени,
так как его конструктивные элементы рассчитаны на срок службы 100лет. По
огнестойкости здание относится к 1степени.
2. РАСЧЁТНАЯ ЧАСТЬ
2.1 Теплотехнический
расчёт
|
Параметры
|
|
|
|
|
|
|
|
|
|
|
г.Мурманск
|
-35
|
-29
|
20
|
6
|
0,58
|
8,7
|
380
|
23
|
0,06
|
Таблица 1. – Данные для
теплотехнического расчёта
Определяем зимнюю
температуру наружного воздуха
,
где
- температура наиболее холодных суток;
-
температура наиболее холодных пятидневки.
.
Определяем требуемое
сопротивление ограждающей конструкции
,
где
коэффициент, зависящий от положения
конструкции, n=1;
внутренняя
температура помещения;
перепад
температуры между поверхностями конструкции;
-
коэффициент теплопередачи внутренней поверхности стены.
,
Вводим поправочный
коэффициент r =1.
,
где
поправочный коэффициент;
Rтр-требоваемое сопротивление
ограждающих конструкций.
.
Определяем толщину
теплоизоляционного слоя стены
где
сопротивление;
;
коэффициент
теплопроводной наружной поверхности;
параметры
кирпичных слоёв;
параметры
теплоизоляционных слоёв.
.
,
.
Принимаем толщину стены
.
2.2 Расчёт фундамента
Определим глубину
заложения фундамента
,
где
коэффициент, зависящий и учитывающий
влияние теплового режима здания
для зданий с
отапливаемым подвалом;
глубина
промерзания грунта,
.
.
Определяем ширину подошвы
фундамента
,
где
действующая нагрузка на фундамент от
вышележащих конструкций,
;
расчётная
длина фундамента,
;
глубина
заложения фундамента;
нормативное
сопротивление грунта,
;
объёмный
вес грунта,
.
,
где
действующая нагрузка на фундамент от
выше лежащих конструкций, N=340
кН;
расчетная
длина фундамента,
;
глубина
заложения фундамента;
нормативное
сопротивление грунта;
объёмный
вес грунта,
.
3. КОНСТРУКТИВНОЕ
РЕШЕНИЕ
3.1 Фундаменты
Запроектированный
фундамент ленточный монолитный железобетонный под несущие стены с расширенной
подошвой.
Глубина заложения
фундамента 1,3м. Плиты ленточных фундаментов укладывают на тщательно спланированную
поверхность и утрамбованную поверхность основания при песчаных грунтах или на
предварительно уплотнённую песчаную подсыпку толщиной 50мм. Монолитные участки
выполнять из бетона класса В12,5.
В подземной части здания
предусмотрена вертикальная гидроизоляция, которая включает в себя обмазку
горячим битумом и горизонтальная окрасочная слоя толем. Для защиты фундаментов
от поверхностных вод по периметру здания выполняют асфальтобетонную отмостку
шириной не менее 750мм по щебеночному основанию толщиной 150мм с уклоном от
здания более 3%.
3.2 Стены
Стены – это ограждающие
конструкции, могут быть несущими, воспринимающие нагрузку от собственной массы
и от других частей здания, самонесущие, которые несут нагрузку только от
собственного веса и ненесущие.
В проектируемом здании
внутренние стены выполнены из керамического кирпича. Толщина внутренних несущих
стен 380мм, а толщина внутренних ненесущих стен 250мм. Во внутренних стенах,
разделяющие санузлы и кухни, предусмотрены вентиляционные каналы размером
мм. Участки стен в местах прохода
вентиляционных каналах армировать двумя продольными стержнями диаметром 5мм
марки стали ВрI с приваркой поперечных стержней
вентиляционных каналов. Толщина наружных кирпичных стен 510мм.
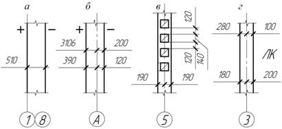
Характер привязки стен к координационным осям
показать на эскизах, например, так, как на рисунке, где а – односторонняя (нулевая) привязка наружной стены; б – двусторонняя привязка наружной стены; в – центральная привязка внутренней стены; г – двусторонняя привязка стен лестничной клетки.
Для установки оконных и
дверных проёмов установлены сборные железобетонные перемычки. Перемычки
укладывать на кирпичные стены по слою цементного раствора марки М50.
Таблица 2 Спецификация
элементов перемычек
|
Наименование
|
Обозначение
|
Позиция
|
Количество на этаж
|
Масса
|
Примечание
|
|
1
|
Всего
|
|
Перемычки железобетонные для
зданий с кирпичными стенами.
|
ГОСТ 948-84
|
2ПБ10-1
2П516-2
2П525-3
|
1
26
2
|
10
130
10
|
43
65
103
|
|
3.3 Перекрытия
Перекрытия – несущие и
ограждающие элементы зданий, воспринимающие нагрузки от людей, мебели,
оборудования, передавая её на стены.
В здании запроектированы
сборные железобетонные перекрытия из многопустотных плит толщиной 220мм. В
местах пропусков коммуникаций и вентиляционных блоков запроектированные
ребристые плиты перекрытия толщиной 220мм. Швы, между плитами заполнены бетоном
класса В15 на мелком заполнителе. Плиты перекрытия опирают на несущие стены
послойно цементного раствора марки М100. Отверстия для пропуска санитарно
технических труб допускается просверлить по месту в плитных перекрытиях.
Отверстия должны попадать в пустоты плит не задевая арматуру размеры отверстия
не более
мм. Крепление панелей перекрытия к стенам
производиться анкерами.
Таблица 3 Плиты
перекрытия
|
Наименование изделия
|
Марка изделия
|
Конструктивные размеры
|
Характеристики
|
|
L
|
B
|
H
|
Масса, т
|
Объём, м
|
|
Перекрытия железобетонные многопустотные
|
Ат1УС.Г-С7
|
6380
|
1490
|
220
|
2950
|
1,18
|
200
|
|
ПК36.15-3Г
|
3580
|
1490
|
220
|
1700
|
0,68
|
200
|
3.4 Лестницы
Лестницы служат не только
средством сообщения между этажами, но и основным средством эвакуации при пожаре
или другом аварийном случае. Внутренние лестницы здания полносборные. Резку
лестницы на сборные элементы выбирают в соответствии с конструктивной схемой
здания, в бескаркасных зданиях лестницу в пределах этажа расчленяют на четыре
сборных элемента: два марша и две лестничные площадки, в каркасных зданиях на
два сборных элемента: марши с полуплощадками.
В здании запроектированы
лестницы общего назначения сборного железобетонных лестничных маршей и площадок
изолированные от основного помещения расположенных в лестничных клетках,
огражденных капитальными стенами. Лестничные марши и площадки подобраны по
каталогу на основания расчета.
3.5 Перегородки
Перегородки – тонкие
внутренние вертикальные ограждения, устанавливаемые на перекрытиях и отделяющие
помещения друг от друга в пределах одного этажа.
Перегородки
запроектированы из керамического кирпича сплошной кладки. Толщина межкомнатных
перегородок 120мм.
3.6 Покрытия
Крыша состоит из несущей
части (стропила, фермы, рама, своды, арки) и ограждающей (кровли). Крыша
плоская чердачная с холодным чердаком. Кровля рулонная из двух слоёв бикроста
на битумной мастике, 4 водоприёмных воронок внутреннего организованного водоотвода.
Состав
3.7 Полы
Полы настилаются по
междуэтажным перекрытиям. В данном проекте приняты из линолеума на мастике по
звукоизоляционной прокладке в кухнях и коридорах, в санузлах из керамической
плитки и в жилой части из ковролин.
Конструкцию пола принять
по СНиП 2.03.13-88 в зависимости от назначения помещения и от типа основания,
описание выполнить в форме таблицы.
Таблица 4 Экспликация
полов
|
Наименование
|
Тип пола по проекту
|
Схема пола
|
Элементы полов и их толщина
|
Площадь пола, м2
|
|
Санузлы
|
1
|
|
1)уплотненный
грунт
2)бетон
марки 100
5)керамическая
плитка на цементом растворе, 25мм
|
|
|
Жилое помещение( зал, спальня)
|
2
|
|
Ковролин
на мастике -5; Оклеечная гидроизоляция -5; деревянные полы -10; Стяжка из цементно-песчаного
р-ра -45
Панель
перекрытия -220
|
|
|
Коридоры, кухня
|
3
|
|
Линолеум
на мастике -5; Гипсовая сухая штукатурка на холодной битумной мастике -10;
легкий бетон выравненный -50; водонепроницаемая бумага 1слой; сплошная
звукоизоляция-прокладка; панель перекрытия 220
|
|
3.8 Окна и двери
Окна запроектированы с двойным остеклением с раздельными переплетами,
одностворчатые и двустворчатые. Окна - это конструктивные элементы здания,
служащие для освещения и проветривания, состоящие из оконной коробки,
переплетов и подоконной доски. В оконную коробку вставляют и укрепляют в ней
оконные переплеты. Коробка состоит из обвязки и импоста. Применяют пластиковые
окна, двухкамерные, с тройным остеклением марки:
ОР
ОР
;
ОР
ОР
Двери служат для входа (и выхода) в здания и сообщения между
помещениями. Они состоят из дверной коробки и открывающихся дверных полотен. По
числу полотен различают двери: однопольные и двупольные. В данном здание применяют
установку дверей деревянных однопольных следующих марок:
Д1
,
устанавливают в санузлах;
Д2
, устанавливают в кухнях;
Д3
,
межкомнатные двери;
Д4
, входные двери.
4.
ТЕХНИКО-ЭКОНОМИЧЕСКИЕ ПОКАЗАТЕЛИ
Для жилых зданий определяют
следующие технико-экономические показатели:
1. Общая площадь-это
сумма площадей жилых помещений здания
где
жилая площадь, м2;
количество
этажей.
м2
2. Общая площадь- это
сумма площади жилых и подсобных помещений квартир, балконов, лоджий и веранд.
Sобщ=Sжил. +
Sподсоб.пом. ,
где
общая площадь помещений,м2;
площадь
жилых помещений, м2;
Sобщ=
м2
3. Площадь застройки -
это площадь горизонтального сечения здания по внешнему отводу по уровню цоколя,
включая все выступающие части здания и имеющие покрытие.
Sзастр.=ΣSзд.
где 
площадь застройки, м2;
сумма
площадей здания, м2.
Sзастр =45.98
16.94=778,90
м2
4. Строительный объём-
определяют, как произведение площади застройки на высоту здании измеренную от
уровня 1-го этажа до средней отметки покрытия.
Vстр=Sзастр.∙Н,
где
площадь застройки, м2;
объём
строительства, м2.
Н- высота до средней
отметки покрытия, м
Vстр=778,90
14 = 10904,6 м3
5. АРХИТЕКТУРНОЕ
ОФОРМЛЕНИЕ ЗДАНИЯ
В данном разделе даётся
описание наружной и внутренней отделке здания.
В наружной отделке стен
здания применяется декоративный облицовочный кирпич. Цоколь оштукатуривают
цементным раствором и облицовывают декоративной мозаикой.
Во внутренней отделке
стен в первую очередь производят оштукатуривание стен, а потолки отделываются
цементно-гипсовым раствором. В санузлах стены облицовывают керамической плиткой
на всю высоту, полы покрывают керамической плиткой, а потолки оклеивают
полистирольной плиткой. Стены на кухне оклеивают водостойкими обоями на всю
высоту стен, потолки оклеивают полистирольной плиткой, полы покрывают линолеумом.
В жилых комнатах стены оклеивают обоями на всю высоту стен, потолки оклеивают
полистирольной плиткой, полы настилают ковролином.
Таблица 6 – Ведомость
отделки помещений
|
Наименование
|
Потолок
|
Стены
|
Низ
стен, перегородки
|
|
Площадь,
м2
|
Вид
отделки
|
Площадь,
м2
|
Вид
отделки
|
Площадь,
м2
|
Вид
отделки
|
Высота,
м
|
|
Санузлы
|
|
Полистиро-льная
пли-
тка
|
|
Водостойкие
обои
|
|
|
|
|
Кухня
|
|
Полистиро-льная
пли-
тка
|
|
Водостойкие
обои
|
|
|
|
|
Жилые
помещения
|
|
Полистиро-льная
пли-
тка
|
|
Обои
|
|
|
|
6.
ИНЖЕНЕРНО-ТЕХНИЧЕСКОЕ ОБОРУДОВАНИЕ
К инженерному
оборудованию здания относятся водопровод, канализация, электропроводка,
газоснабжение и система отопления.
Электроснабжение здания
осуществляется от общей электросети. Проведение электропроводки в
запроектированном здании осуществляется перед оштукатуриванием внутренних стен
и перегородок и крепится с помощью специальных крепежных элементов к
конструкциям здания. При необходимости производится сверление отверстий под
электропровод в стенах и перекрытиях.
Канализация здания
подключена к центральной канализационной сети.
Водоснабжение
осуществляется от общего водопровода. Вода подводится на кухне к смесителю и в
санузле к смесителю и сливному бачку.
Газоснабжение
осуществляется от внешней газовой сети. Подводится к газовому отопительному
котлу, расположенному в котельной, и газовых колонок, расположенных на кухне и
в санузле. Газовые колонки предназначены для подогрева воды, поступающей в
санузел и на кухню.
Система отопления здания
состоит из труб и батарей отопления, по которым циркулирует нагревающаяся вода
и газового отопительного котла. Такая система отопления называется центральной.
Батареи отопления находятся во всех помещениях и проходят вдоль наружных стен
здания на обоих этажах.