Конструирование ходового механизма экскаватора

  • Вид работы:
    Контрольная работа
  • Предмет:
    Технология машиностроения
  • Язык:
    Русский
    ,
    Формат файла:
    MS Word
    1,22 Mb
  • Опубликовано:
    2011-02-28
Вы можете узнать стоимость помощи в написании студенческой работы.
Помощь в написании работы, которую точно примут!

Конструирование ходового механизма экскаватора

Произвести анализ горно-транспортной машины по заданной кинематической схеме (рис. 1). В задаче следует:

1. Определить диаметры зубчатых колес: делительный, вершин и впадин. Определить межосевые и конусные расстояния. Колеса рассматривать как нулевые, т.е. нарезанные без смещения инструмента.

2. Изобразить в масштабе кинематическую схему зубчатого механизма (на миллиметровой бумаге).

3. Показать на кинематической схеме направление передачи мощности.

4. Определить передаточные числа ступеней, знак и величину передаточного отношения всего механизма.

5. Определить частоту вращения всех валов механизма (валы обозначить римскими цифрами).

6. Определить общий КПД механизма.

7. Определить мощности на всех валах механизма.

8. Определить крутящие моменты на всех валах механизма.

9. Построить диаграммы частот вращения, мощностей и крутящих моментов валов передачи.

10. Расчет прочности зубьев для одной ступени по контактным (σH) напряжениям.

11. Расчет прочности зубьев для одной ступени по изгибным (σF) напряжениям.

12. Выбор материала для изготовления зубчатых колес, разработка конструкции вала и его проектный расчет. Выбор шпонки.

Исходные данные приведены в табл. 1.

Рис. 1 Кинематическая схема ходового механизма экскаватора

Таблица 1

Пара-метр

Z1, Z2

m1-2, мм

Z3, Z4

m3-4, мм

Z5, Z6

m5,6, мм

Z7, Z8

m7,8, мм

Pдв, кВт

n, мин-1

0

15;85

7

11;59

10

16;66

20

12;32

26

54

1280


Решение

Обозначим все колеса арабскими цифрами, а валы – римскими.

1. Определим геометрические размеры зубчатых колес, полагая их нулевыми, т.е. нарезанными без смещения инструмента.

Для цилиндрических колес.

Диаметры начальных (делительных) окружностей:

 (2.1)

где β – угол наклона зуба. Для косозубых колес β = 8...20°, для шевронных – β = 25...40°.

Диаметры окружностей вершин:

 (2.2)

Диаметры окружностей впадин:

 (2.3)

Межосевое расстояние:

 (2.4)

где Zк – количество зубьев колеса;

Zш – количество зубьев шестерни.

Все рассчитанные размеры для рассматриваемой передачи сведены в табл. 2. Все колеса считаем прямозубыми.

Таблица 2

Z

m, мм

β°

d, мм

da, мм

df, мм

i

1

15

7

0

105

119

5,67

2

85

7

0

595

609

577,5

3

11

10

0

110

130

85

5,36

4

59

10

0

590

610

565

5

16

20

0

320

360

270

4,125

6

66

20

0

1320

1360

1270

7

12

26

0

312

364

247

2,67

8

32

26

0

832

884

767


2. Определим кинематические параметры колес.

Передаточные отношения по абсолютной величине последовательно зацепляющихся колес:

    

Общее передаточное отношение многоступенчатой зубчатой передачи:


где k - число цилиндрических пар с внешним зацеплением.

Частота вращения валов передачи.

Частота вращения nI I вала равна частоте вращения вала двигателя

nI = nII = nдв = 1280 об/мин;

 об/мин;

 об/мин;

 об/мин;

 об/мин;

3. Определяем мощность на всех валах механизма.

Принимаем КПД пары цилиндрических колес η = 0,98 (ηп – пары подшипников и ηМ - муфты пренебрегаем).

Тогда

PI = PII = PДВ = 54 кВт;

PIV=PIII ∙ η = 52,92 ∙ 0,98 = 51,86 кВт;

PV=PIV ∙ η = 51,86 ∙ 0,98 = 50,82 кВт.

Поток мощности на V валу разветвляется на два:

PV=PVI+PVI’

Мощности на рабочих органах распределяются равномерно:

PVI=PVI’=25,41 кВт.

PVII=PVI ∙ η = 25,41 ∙ 0,98 = 24,9 кВт.

Находим общий КПД передачи

ηпер = PVII / PI = 24,9/54 = 0,46

4. Определяем крутящие моменты на валах передачи.

,

,


5. Полученные значения частот вращения, мощности и крутящих моментов на валах сводим в таблицу 3.

Таблица 3

№ вала

I

II

III

IV

V

VI

VII

n, мин-1

1280

1280

225,7

42,1

10,2

10,2

3,8

Р, кВт

54

54

52,92

51,86

50,82

25,41

24,9

T, Н·м

403

403

2239,3

11762,6

47550,3

23780,7

62224,6


По полученным данным строим диаграммы частот вращения, мощности и крутящих моментов, показанные на рис. 2.

6. Проверочный расчет активных поверхностей зубьев на контактную выносливость.

Расчет проводим для пары 5 – 6 зацепляющихся колес. Рассматриваемая пара прямозубая. Величина действующих контактных напряжений для цилиндрических зубчатых колес определяется по формуле

 (2.5)

Коэффициент, учитывающий форму сопряженных поверхностей зубьев

ZH = 1,77cosβ, для прямозубых колес ZH = 1,77.

Коэффициент, который учитывает механические свойства материала зубчатых колес:

ZM = 275 МПа.

Коэффициент, который учитывает суммарную длину контактных линий

,

где  коэффициент торцевого перекрытия


 коэффициент, учитывающий колебание суммарной длины контактной линии, для прямозубых передач .

Рис. 2 Диаграммы частот вращения, мощности и крутящих моментов

Расчетная величина удельной окружной нагрузки

,

где Т1 – крутящий момент на ведущем валу рассчитываемой пары,


bw – рабочая ширина зубчатых колес, которая определяется по формуле


где аw – межосевое расстояние, аw = 820 мм;

ψba – коэффициент ширины венца зубчатого колеса относительно межосевого расстояния, назначают в зависимости от твердости поверхностей и расположения колес относительно опор.

Принимаем ψba = 0,315, тогда bw = 0,315∙820 = 258 мм

КНβ – коэффициент концентрации нагрузки определяется в зависимости от отношения bw/d5 = 258/320 = 0,81 и твердости рабочих поверхностей зубьев; при НВ < 350 принимаем КНβ = 1,07.

 – коэффициент динамической нагрузки, определяется в зависимости от окружной скорости, твердости поверхностей зубьев и степени точности. Выбираем степень точности 7, что соответствует передачам общего машиностроения. Окружная скорость

.

В соответствии с этим для НВ < 350 находим  = 1,05. В соответствии с этим будем иметь

.

Определяем действительное контактное напряжение по формуле (2.5)

Допускаемая величина контактных напряжений для сталей при НВ ≤ 350 (подвергаемых нормализации или улучшению):

 (2.6)

где SH = 1,1...1,2 – коэффициент безопасности.

С формулы (2.6) определим необходимую твердость поверхности зубьев, полагая , получим

.

Примем для колеса НВк = 220, а для шестерни

НВш = 220 + (10…15) = 230.

Выбираем материал сталь 45, улучшение.

7. Проверочный расчет по напряжениям изгиба.

Для цилиндрических колес:

 (2.7)

где YF – коэффициент, зависящий от формы зуба, определяется в зависимости от эквивалентного числа зубьев

где β – угол наклона зубьев, для прямозубых колес Zv = Z.

Для шестерни 5 Z5 = 16, YF1 = 4,25; для колеса Z6 = 66, YF2 = 3,18.

Коэффициент учитывающий перекрытие зуба , для прямозубых колес .

Коэффициент, учитывающий наклон зуба .

Модуль зубьев m = m5,6 = 20 мм.

Расчетная окружная нагрузка

 = 1,12;

для колеса 5 – ψbd = bw/d5 = 258/320 = 0,81,  = 1,07;

для колеса 6 – ψbd = bw/d6 = 258/1320 = 0,2,  = 1,02.

Тогда окружная нагрузка на колесе 5 будет равна


Окружная нагрузка на колесе 6

.

Определяем напряжение изгиба на колесе 5

,

Напряжение изгиба на колесе 6

,

где  допускаемые значения напряжений изгиба:

,

где SF = 1,75 – коэффициент запаса прочности для марки стали 45.

Так как , следовательно передача удовлетворяет условиям выносливости по изгибу.

8. Проектный расчет вала.

Проектный расчет вала делаем для промежуточного вала IV (рис. 1).

Выполним эскиз промежуточного вала (рис. 3).

Ориентировочный диаметр конца промежуточного вала, диаметр вала под подшипник:


где [τ]к – допускаемое напряжение при кручении, для промежуточного вала принимаем [τ]к = 25 МПа.

Рис. 3 Эскиз промежуточного вала редуктора

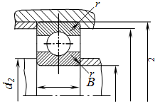
Учитывая, что на конец промежуточного вала устанавливается подшипник принимаем диаметр вала кратный 5: dп = 130 мм.

В качестве опор промежуточного вала принимаем шарикоподшипник радиальный 326 ГОСТ 8338-75. Основные размеры подшипника для промежуточного вала редуктора сведены в табл. 4 (рис. 4).

Рис. 4 Шарикоподшипник радиальный однорядный типа 0000

Таблица 4. Габаритные и установочные размеры подшипника, мм

Условное

обозначение

 d

 D

 B

 r


d2 мин

D2 макс

Шарики

326

130

280

58

5

145

265

47,99

12


Диаметр вала под колесо:

dк = dп + 5 = 130 + 5 = 135 мм.

Диаметр вала под буртик подшипника:

dбп = dк + 3f = 135 + 3·3 = 144 мм,

где f – фаска ступицы конического колеса, принимаем f = 3 мм.

Конструктивно принимаем dбп = 145 мм.

Расстояние от середины шестерни до левой опоры вала:


где bw5 – ширина шестерни,

а – расстояние между шестерней и подшипником, конструктивно принимаем, а = 10 мм.

Расстояние между опорами подшипников:

,

где lст – длина ступицы, lст = 170 мм.

Расстояние между колесом и правой опорой вала:

.

9. Расчет шпоночного соединения.

Для вала диаметром dk = 135 мм принимаем шпонку, которая соединяет промежуточный вал с колесом:  32×18 мм.

Рабочая длина шпонки

,

где [σсм] - допускаемое напряжение смятия, для стальных колес [σсм] =100 МПа.

Расчетная длина шпонки

l = lр + b = 116 + 32 = 148 мм.

Принимаем стандартную длину шпонки l = 160 мм.

Тогда длина ступицы колеса равна:

lст = l + 10…15 = 160 + 10…15 = (170…175) мм.

Конструктивно принимаем lст = 170 мм.

10. Проверочный расчет подшипников промежуточного вала.

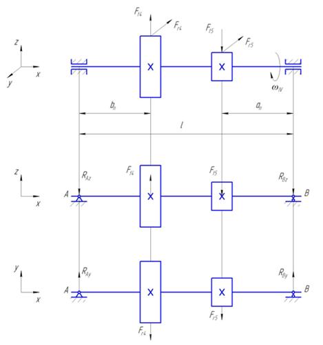
Покажем на схеме направление сил действующих на колесо и шестерню зубчатой цилиндрической передачи, и направление реакций в опорах промежуточного вала от действия этих сил (рис. 5).

Определим силы действующие в зацеплении колес 3 – 4 и 5 – 6.

Силы действующие в зацеплении цилиндрической передачи:

окружная сила

;

радиальная сила

;

окружная сила

;

радиальная сила

.

Для определения вертикальной реакции в подшипнике составим уравнение равновесия:


Откуда находим:

.

Для определения вертикальной реакции в подшипнике составим уравнение равновесия:


Откуда находим:


Проверка:

 

Проверка выполняется.

Для определения горизонтальной реакции в подшипнике составим уравнение равновесия:


Откуда находим:


Для определения горизонтальной реакции в подшипнике составим уравнение равновесия:

Рис. 5 Реакции опор промежуточного вала IV

экскаватор вал ходовой механизм

Откуда находим:


Проверка:


Проверка выполняется.

Суммарные реакции опор

;


Грузоподъемность подшипника 326: C = 229000 Н, C0 = 193000 Н.

Коэффициент радиальной нагрузки Х = 0,58. Коэффициент вращения кольца, при вращении внутреннего кольца V = 1.

Коэффициент безопасности, при нагрузке без рывков Кσ = 1,3.

Температурный коэффициент, Кt = 1. Требуемая долговечность подшипника, для зубчатых колес: Lh = 10000 ч.

Fa = 0 – осевая нагрузка отсутствует.

Эквивалентная нагрузка для более нагруженной правой опоры:


Номинальная долговечность подшипника в миллионах оборотов:


Номинальная долговечность подшипника:


Что приемлемо для заданной долговечности подшипников.

Литература

Методические указания к заданиям.

Конструирование узлов и деталей машин: Учеб. Пособие для студ. техн. спец. Вузов /П.Ф. Дунаев, О.П. Леликов. – 8-е изд., перераб. и доп. – М.: Издательский центр «Академия», 2004. – 496 с.

Шейнблит А.Е. Курсовое проектирование деталей машин: Учеб. Пособие для техникумов. – М.: Высш. Шк.., 1991.– 432 с.: ил.

Расчет и проектирование деталей машин, ч. 1. Киркач Н. Ф., Баласанян Р. А.— 2-е изд., перераб. и доп.— X.: Вища шк. Изд-во при Харьк. ун-те, 1987.—136 с.

 

Похожие работы на - Конструирование ходового механизма экскаватора

 

Не нашли материал для своей работы?
Поможем написать уникальную работу
Без плагиата!
Без нейросетей!