|
, мин
|
|
где Тп-з
=48мин – подготовительно заключительное время
n – размер партии.
2,48мин/шт
Режимы
резания и нормы времени на остальные операции определим по методике [9] и
результаты расчетов занесем в таблицу 6.1
Таблица
6.1
Режимы
резания и нормы времени
|
Операция
|
Переход (пози-
ция)
|
Глубина
t, мм
|
Скорость
V,м/мин
|
Подача
S
|
Частота n, об/мин
|
Основное время
То, мин
|
Штучное время
ТШТ, мин
|
Штуч.-калькул.
время ТШТ-К,
мин
|
|
010
Фрезерно-расточная
|
1
2
3
4
|
3
4
0,7
0,3
|
188,4
14,1
30,7
11,6
|
0,15мм/зуб
0,2мм/об
0,37мм/об
0,71мм/об
|
500
250
500
180
|
2,08
6,23
0,42
0,92
|
11,58
|
11,6
|
|
015
Многоцелевая черновая
|
1
2
3
|
3
4
0,5
|
188,4
37,68
75,36
|
0,15мм/зуб
0,1мм/зуб
0,02мм/зуб
|
500
400
1200
|
2,14
10,6
9,16
|
26,28
|
26,34
|
|
020
Сверлильно-фрезерная
|
1
2
|
3,75
2
1
3
|
15,82
7,91
5,02
188,4
|
0,2 мм/об
0,17мм/об
0,1мм/об
0,15мм/зуб
|
315
630
800
500
|
1,54
1,14
0,85
2,08
|
5,61
|
5,66
|
|
025
Сверлильная
|
1
|
5
|
12,77
|
0,17мм/об
|
400
|
2,56
|
3,07
|
3,15
|
|
030
Многоцелевая получистовая
|
1
2
3
|
1
1
0,5
|
502,4
196,25
75,36
|
0,15мм/зуб
0,1мм/зуб
0,02мм/зуб
|
1600
2500
|
2,14
8,4
1,59
|
12,13
|
12,18
|
|
035
Сверлильно-фрезерная
|
1
2
3
|
0,25
0,25
0,4
|
16,82
17,27
124,65
|
0,8мм/об
0,8мм/об
0,2мм/зуб
|
1000
800
1600
|
0,84
0,38
1,54
|
2,76
|
2,81
|
|
050
Шлифовальная
|
1
|
0,01
|
20
|
28мм/ход
|
35м/с
|
14,6
|
8,6
|
8,65
|
|
055
Многоцелевая чистовая
|
1
2
3
|
0,1
0,1
0,1
|
124,66
207,16
11,89
|
0,25мм/зуб
0,03мм/зуб
0,4мм/об
|
7940
21990
1500
|
0,19
11,46
0,4
|
16,02
|
16,07
|
|
060
Сверлильно-фрезерная
|
1
2
3
|
0,1
0,1
0,2
|
18,92
20,46
86,92
|
0,4мм/об
0,4мм/об
0,25мм/зуб
|
1600
1600
2500
|
0,56
0,14
1,04
|
2,43
|
2,48
|
|
065
Многоцелевая полировальная
|
1
2
|
0
0
|
37,68
114,57
|
0,05мм/об
0,05мм/об
|
2500
2500
|
2,19
0,95
|
3,77
|
3,82
|
7.
Патентные исследования
Задача
раздела – на базе патентного поиска предложить прогрессивное техническое
решение (ТР) в целях усовершенствования технологической операции и сделать
вывод о возможности его использования.
Обоснование
необходимости патентных исследований
В
качестве объекта усовершенствования операции 55 Многоцелевой как
технологической системы примем применяемый в базовом техпроцессе режущий
инструмент – фрезу концевую. Выявить прогрессивные ТР, которые могут лечь в
основу усовершенствованного объекта, можно в результате патентного исследования
достигнутого уровня вида техники «Фрезы». Использовать усовершенствованный
объект можно только в том случае, если он обладает патентной чистотой в
странах, где предполагается его использование. Установить, обладает ли
усовершенствованный объект патентной чистотой, можно в результате его патентной
экспертизы.
Для
решения этих задач проведем исследования достигнутого уровня вида техники
«Фрезы» и экспертизу патентной чистоты усовершенствованного объекта.
На
базовом предприятии на операции 55 Многоцелевой применяют фрезу концевую ГОСТ
18150-72.
Фреза
предназначена для фрезерования образующей матрицы ковочного штампа.
Фреза
концевая, рис.7.1, изготовлена из твердого сплава ВК10М, содержит режущую часть
1, шейку 2, хвостовик 3.
Фреза
концевая работает следующим образом: хвостовиком 3 она базируется и
закрепляется в цанговом патроне фрезерного станка и от него получает главное
движение резания. С помощью этого движения фреза своими режущими кромками
обрабатывает образующую матрицы.
Эскиз
фрезы


Рис. 7.1
Исследование
достигнутого уровня вида техники «Фрезы»
Главными
недостатками применяемой фрезы являются:
-
малая стойкость;
-
большие температуры при фрезеровании;
-
неравнопрочность зубьев вдоль оси;
-
недостаточная прочность инструмента.
Причинами
этих недостатков являются неоптимальность конструкции данного режущего
инструмента.
Цель
исследования достигнутого уровня вида техники «Фрезы» - усовершенствование
исследуемой концевой фрезы и нахождение таких прогрессивных ТР, которые могли
бы устранить недостатки, указанные выше, для возможности использовать фрезу при
высокоскоростной обработке.
Составление
регламента поиска№1
Регламент
поиска определяет перечень исследуемых технических решений (ИТР), их рубрику по
Международной классификации изобретений (МКИ) и индекс Универсальной десятичной
классификации (УДК), страны поиска, его ретроспективность (глубину), перечень
источников информации, по которым предполагается провести поиск.
Фреза
характеризуется конструктивными признаками – наличием элементов, их формой,
материалом, размерами, взаимным расположением и взаимосвязью. Это существенные
признаки при исследовании данного инструмента. Признаки способа и вещества
отсутствуют. Следовательно, данный инструмент рассматриваем как устройство.
Исследуемое
устройство – фреза концевая содержит следующие ТР:
а)
конструкция фрезы;
б)
фрезерование – технологический переход, положенный в основу работы фрезы;
в)
способ изготовления фрезы.
Из
выявленных ТР выбираем ИТР – такие ТР, совершенствование которых может обеспечить
достижение сформулированной выше цели - устранения недостатков фрезы путем
устранения их причин. Это ТР «Конструкция фрезы».
Для
определения рубрики МКИ определяем ключевое слово – «Фрезы».
По
«Алфавитно-предметному указателю» т.2 [15] для ключевого слова определяем
предполагаемую рубрику МКИ:
В23С5/00
– 5/26 Конструктивные элементы фрез и вспомогательные устройства.
По
«Указателю к МКИ» т.2 [16] уточняем рубрику МКИ Раздел С:
В23С5/10
Фреза концевая.
Индекс
УДК определяем по «Указателю к универсальной десятичной классификации».
621.9
Обработка резанием
621.914
Фрезерная обработка
В
качестве стран поиска выбираем ведущие страны в области машиностроения – Россию
(СССР), Великобританию, Германию, США, Францию и Японию.
Ретроспективность
(глубину) поиска устанавливаем в 15 лет, полагая, что наиболее прогрессивные ТР
содержатся в изобретениях, сделанных за последнее десятилетие.
В
качестве источников информации принимаем патентные описания, патентные
бюллетени РФ и СССР, бюллетень «Открытия, изобретения», реферативный сборник
«Изобретения стран мира» соответствующих выпусков, реферативный журнал 14А
«Резание металлов. Станки и инструменты», технические журналы и книги в области
мехобработки.
Данные
заносим в табл. 7.1 «Регламент поиска».
Таблица
7.1
Регламент
поиска №1, №2
Объект:
Фреза концевая
Вид
исследования: 1) Исследование достигнутого уровня вида техники; 2) Исследование
патентной чистоты объекта.
|
Предмет поиска (ИТР)
|
Индексы МКИ(НКИ) и УДК
|
Страны поиска
|
Глубина поиска, лет
|
Источники информации
|
|
1
|
2
|
3
|
4
|
5
|
|
1) Исследование достигнутого уровня
вида техники
|
|
1)Конструкция фрезы
|
МКИ:
В23С5/10
УДК:
621.951
|
Россия (СССР)
|
15
(1990-2005)
|
Патентные описания
Патентные бюллетени
РФ и России(СССР)
Реф. сб. ВНИИПИ
Реф. журнал ВИНИТИ 14А «Резание
металлов, станки и инструменты» (14 «Технология машиностроения»)
ЭИ ВИНИТИ«Режущие инструменты»
Журналы: «Вестник машиностроения»,
«Станки и инструменты»
|
|
2) Исследование патентной чистоты
объекта
|
|
2)Конструкция фрезы
|
МКИ:
В23С5/10
УДК:
621.951
|
Россия (СССР)
|
20 (1985-2005)
|
Патентный
поиск
Просматриваем
источники информации в соответствии с регламентом, табл. 7.1. Выбираем такие
документы, по названиям которых можно предположить, что они имеют отношение к
ИТР. По этим документам знакомимся с рефератами, аннотациями, формулами
изобретений, чертежами. Сведения о ТР, имеющих отношение к ИТР, заносим в табл.
7.2.
Изучаем
сущность занесенных в табл.7.2 ТР по сведениям, содержащимся в таблицах, а
также путем просмотра текстов патентных описаний, статей и т.п. Если из
рассмотрения сущности ТР видно, что оно служит достижению той же цели, что ИТР
(аналог ИТР), документ включаем в перечень для детального анализа. Запись об
этом делаем в графе 5 табл.7.2.
Эскизы
аналогов приведены на рис.7.2.
Эскизы
аналогов
а)
б)
в)
г)
Рис.
7.2
Таблица
7.2
Патентная
документация, отобранная для анализа
|
Предмет поиска (ИТР)
|
Страна выдачи, вид и номер
охранного документа, классификационный индекс
|
Автор, заявитель, страна, дата
публикации, название
|
Сущность ТР и цель его создания
|
Подлежит (не подлежит) детальному
анализу при исследовании уровня вида техники
|
Подлежит (не подлежит) детальному
анализу при исследовании патентной чистоты
|
|
1
|
2
|
3
|
4
|
5
|
6
|
|
Фреза
концевая
|
Россия (СССР) пат № 3917957
В23С5/10
|
Гром В.Т СССР, 17.04.91
Концевой режущий инструмент
|
1. Концевая фреза (рис 7.2а) имеет
рабочую часть 1, участок 2 перехода с рабочей части на хвостовик 3. На
хвостовике в осевом направлении равномерно по окружности выполнены канавки 4,
диаметр которых в передней части не превышает диаметра рабочей части.
Цель – повышение прочности
инструмента
|
Подлежит
|
Подлежит
|
|
Фреза
концевая
|
США пат №1948057
В23С5/10
|
Дж Нордберг
США,
08.10.96
Концевая
фреза
|
2. На фиг.1(рис 7.2б) изображена
режущая часть описываемой концевой фрезы, на фиг. 2 – вид А на фиг.1, на
фиг.3 и 4 – осевые сечения режущей части фрезы с условно развернутыми
смежными стружечными канавками. Режущая часть 1 фрезы имеет разнонаклонные
зубья 2 и 3 с чередующимися углами подъема режущих кромок. Окружной шаг между режущими зубьями 2 и 3 уменьшается
вдоль оси фрезы к хвостовику, а окружной шаг между
режущими зубьями 3 и 4 увеличивается по направлению от торца к хвостовику.
Глубина стружечных канавок выполнена изменяющейся вдоль оси фрезы.
Цель – обеспечение равнопрочности
режущего зуба
|
Подлежит
|
Подлежит
|
|
Фреза
концевая
|
Россия (СССР) пат №
3625848
В23С5/10
|
Чебоксаров В.В.
Огнев Ю.Ф.
СССР,
09.02.92
Концевая
фреза
|
3. Концевая фреза (рис
7.2в) состоит из режущей части 1 и хвостовика (не показан). На режущей части
выполнены режущие зубья 2, между которыми расположены винтовые участки 3
корпуса режущей части, имеющие одинаковый угол подъема вдоль оси. На винтовых
участках корпуса вдоль его оси выполнены режущие кромки 4, имеющие
направление, противоположное направлению основных режущих зубьев 2 и винтовых
участков корпуса.
Цель – повышение
качества обрабатываемой поверхности.
|
Подлежит
|
Подлежит
|
|
Фреза
концевая
|
Россия (СССР) пат №
3852461
В23С5/10
|
Галкин В.А.
СССР,
10.01.92
Концевая
фреза
|
4. На фиг 1 (рис. 7.2г)
изображена концевая фреза, содержащая два перекрытых зуба 1 и 2, которые в
нормальном сечении по спирали выполнены с передним углом , а остальные 4 неперекрытых зуба 3-6
в нормальном сечении по спирали – с передним углом >0º.
При работе фрезе сообщается начальная осевая подача, фрезерование ведется
перекрытыми зубьями 1 и 2, расположенными на торце. Затем фрезе сообщается
продольное перемещение – работают зубья, расположенные на конусной
поверхности режущей части фрезы. Неперекрытые зубья этой фрезы в нормальном
сечении по спирали выполнены с передним углом >0
и снимают наклепанную поверхность, оставленную от перекрытых зубьев.
Цель – увеличение
стойкости фрезы
|
Подлежит
|
Подлежит
|
|
|
|
|
|
|
|
|
Анализ
результатов поиска
Устанавливаем,
какие показатели положительного эффекта желательно получить в идеальном
усовершенствованном объекте. К таким показателям будем относить:
а)показатели,
обеспечивающие достижение цели усовершенствованного объекта;
б)
показатели, улучшающие полезные свойства объекта;
в)
показатели, ослабляющие вредные свойства объекта.
Показатели
положительного эффекта заносим в табл.7.3.
Оцениваем
обеспечение каждого показателя положительного эффекта каждым аналогом в баллах
по группам а) и б) – от 0 до 5 баллов, по группам в) и г) – от -2 до 2 баллов.
ИТР по каждому показателю выставляем оценку 0. Оценки заносим в табл.7.3.
Суммируем оценки по каждому аналогу.
Таблица
7.3
Оценка
преимуществ и недостатков аналогов
|
Показатели положительного эффекта
|
ИТР
|
Аналоги
|
|
Россия (СССР) пат № 3917957
|
Россия (СССР) пат № 3625848
|
Россия (СССР) пат № 3852461
|
США пат № 1948057
|
|
1
|
2
|
3
|
4
|
5
|
6
|
7
|
|
а)
|
Повышение стойкости
|
0
|
2
|
3
|
4
|
1
|
|
Увеличение прочности инструмента
|
0
|
5
|
1
|
1
|
3
|
|
Уменьшение температур резания
|
0
|
0
|
2
|
0
|
0
|
|
б)
|
Увеличение прочности зубьев
|
0
|
3
|
1
|
1
|
5
|
|
в)
|
Повышение качества обрабатываемой
поверхности
|
0
|
1
|
2
|
1
|
1
|
|
Удобство перетачивания
|
0
|
0
|
-1
|
0
|
2
|
|
г)
|
Упрощение конструкции
|
0
|
0
|
-2
|
0
|
0
|
|
Суммарный положительный эффект
|
0
|
11
|
6
|
7
|
12
|
Наибольшую
суммарную оценку имеет аналог №1948057 (Дж. Нордберг, США, Концевая фреза,
08.10.96). Это прогрессивное ТР принимаем для использования в
усовершенствованном объекте.
Описание
усовершенствованного объекта
Фреза
предназначена для фрезерования образующей матрицы ковочного штампа.
Фреза
концевая коническая рис.7.3, изготовленная из быстрорежущей стали Р9К5,
содержит режущую часть 1 (фиг.1), на фиг. 2 показано сечение А на фиг.1, на
фиг.3 и 4 – осевые сечения режущей части фрезы с условно развернутыми смежными
стружечными канавками. Режущая часть 1 фрезы имеет разнонаклонные зубья 2 и 3 с
чередующимися углами подъема режущих кромок. Окружной шаг
между режущими зубьями 2 и 3 уменьшается
вдоль оси фрезы к хвостовику, а окружной шаг
между
режущими зубьями 3 и 4 увеличивается по направлению от торца к хвостовику.
Глубина стружечных канавок выполнена изменяющейся вдоль оси фрезы.
Эскиз
усовершенствованного сверла
Рис.
7.3
Фреза
работает следующим образом: хвостовиком она базируется и закрепляется в
цанговом патроне фрезерного станка и от него получает главное движение резания,
заготовка и шпиндель станка совершают взаимные перемещения с целью фрезерования
образующей.
Преимуществом
фрезы является равнопрочность режущего зуба вдоль оси фрезы, благодаря чему ее
можно использовать при повышенных скоростях резания.
Исследование
патентной чистоты усовершенствованного объекта.
Целью
экспертизы патентной чистоты объекта является установление его использования.
Составление
регламента поиска №2.
Из
выявленных при составлении регламента поиска №1 ТР выбираем ИТР:
а) в
зависимости от объема выпуска объекта, его стоимости и значимости ТР для
объекта в целом.
Учитывая,
что фреза является объектом серийного производства, поэтому для экспертизы на
патентную частоту оставляем все ТР п.7.2.1.
б) в
зависимости от сроков известности ТР.
Предварительное
знакомство с патентной документацией показало, что в ведущих странах регулярно
патентуются конструкции фрез. Поэтому это ТР оставляем в перечне для
исследования.
В
качестве страны поиска принимаем Россию (СССР), где будет изготовляться и
использоваться объект.
Ретроспективность
(глубину) поиска устанавливаем в 20 лет – срок действия патентов в РФ.
Рубрики
МКИ и УДК, перечень источников информации остаются теми же, что и в регламенте
№1.
Данные
заносим в табл.7.1.
Патентный
поиск
Отбираем
аналоги ИТР и включаем их в перечень для детального анализа. Запись об этом
делаем в графе 6 табл.7.2.
Анализ
результатов поиска
Выявляем
существенные признаки усовершенствованного объекта и группируем их.
Заносим
признаки группы а) элементы, б) форма элементов, в) взаимное расположение
элементов в табл.7.4.
Таблица
7.4
Существенные
признаки ИТР «Фреза»
|
Номер ТР
|
Признаки ТР
|
ИТР
|
Аналоги
|
|
Россия (СССР) пат № 3917957
|
Россия (СССР) пат № 3625848
|
Россия (СССР) пат № 3852461
|
США пат № 1948057
|
|
1
|
2
|
3
|
4
|
5
|
6
|
7
|
|
а) Элементы
|
|
1
|
Режущая часть
|
+
|
+
|
+
|
+
|
+
|
|
2
|
Хвостовик
|
+
|
+
|
+
|
+
|
+
|
|
3
|
Шейка
|
+
|
+
|
+
|
+
|
+
|
|
4
|
Стружечные канавки
|
+
|
+
|
+
|
+
|
+
|
|
6
|
Изменение переднего угла
|
-
|
-
|
-
|
+
|
-
|
|
7
|
Канавки на хвостовике
|
-
|
-
|
+
|
-
|
-
|
|
б) Форма элементов
|
|
1
|
Разнонаклонные зубья
|
+
|
-
|
-
|
-
|
+
|
|
1
|
2
|
3
|
4
|
5
|
6
|
7
|
|
2
|
Хвостовик разной формы
|
-
|
-
|
+
|
-
|
-
|
|
3
|
Переменная глубина стружечных
канавок
|
+
|
-
|
-
|
-
|
+
|
|
4
|
Знакопеременное направление режущих
кромок
|
-
|
+
|
-
|
-
|
-
|
|
в) Взаимное расположение элементов
|
|
1
|
Чередование участка корпуса с
режущими кромками
|
-
|
+
|
-
|
-
|
-
|
Проверяем
наличие каждого из признаков ИТР в каждом аналоге. Наличие признака отмечаем
знаком «+», отсутствие – «–». Дополнительные признаки аналогов также заносим в
таблицу, а отсутствие их у ИТР отмечаем знаком «–».
Сопоставляем
совокупности признаков группы а) «элементы» ТР, защищенных действующими
патентами, и ИТР (табл.7.4). Видим, что здесь ни один патент исключать из
дальнейшего рассмотрения нельзя.
Аналогичным
образом анализируем признаки группы б) «форма элементов» и в) «взаимное
расположение». Видим, что в ИТР не использованы совокупности признаков на
патенты России пат № 3917957, пат № 3625848, пат № 3852461. Следовательно,
усовершенствованная фреза обладает патентной чистотой в отношении РФ.
Вывод
Для
организации производства усовершенствованных фрез в РФ нужно приобрести
лицензию у владельцев пат США № 1948057. Продавать такие фрезы в России можно
беспрепятственно.
8.
Научные исследования
Активное внедрение технологий высокоскоростного фрезерования
в производство формообразующей технологической оснастки в значительной мере
связано с современным ростом производительности механической обработки.
Одновременно с повышением точности формы и чистоты поверхности, эта технология
обеспечивает существенное снижение трудозатрат.
Как
известно, основным конструкционным материалом для изделий технологической
оснастки является высоколегированная сталь, а большая часть съема металла
обеспечивается за счет фрезерования на станках (обрабатывающих центрах) с ЧПУ.
Сложность формы поверхности деталей оснастки, высокая прочность материала, из
которого они изготовлены, а также необходимость увеличения производительности
труда и следовательно, скорости резания и подач, мощности двигателя станка—сочетание
всех этих факторов приводит к появлению ряда технических проблем. Рассмотрим
некоторые пути их решения.
Чрезвычайно высокие характеристики станков с ЧПУ последнего
поколения (обороты шпинделя, подачи рабочих и свободных перемещений, точности
позиционирования инструмента) позволяют, наряду со скоростным резанием,
использовать и другие качества современного инструмента — обеспечение предельно
малого съема материала и, соответственно, обработки фасонных поверхностей с
чистотой, практически исключающей финишную ручную слесарную операцию.
Однако
приобретение современного станочного оборудования и режущего инструмента для
предприятий стран СНГ представляет серьезную технико-экономическую проблему
из-за их сравнительно высокой цены.
Производство технологической оснастки отличается, как
правило, предельно малой серийностью и простотой формы заготовок (и вызванной
последним фактором необходимостью съема большого количества материала). В связи
с этим имеющиеся на участке станки должны выполнять две принципиально
отличающиеся друг от друга операции: черновую обработку с основным съемом
материала и чистовую обработку, обеспечивающую точность формы и размеров
изделия и чистоту поверхности. На рис. 8.1 представлен график оценки
технических возможностей различных моделей станков. Он показывает зависимость
требуемой мощности привода шпинделя от оборотов при черновом, получистовом и
чистовом фрезеровании, а также — для сравнения — величины мощности станков,
находящихся в распоряжении авторов.
Необходимая
мощность фрезерования
Рис.
8.1
На схеме отражены характеристики таких станков: ФП-27
производства завода «САВМА» (1987 г.), с подачами и оборотами, характерными для
станков середины 80-х, а также современные высокоскоростные станки DMU-125Р и QUAZAR, выпущенные в 2000-2003 г., с повышенными оборотами,
подачами и точностями, оснащенные мотор-шпинделем с характерным снижением мощности
на малых оборотах. На диаграмме отражено то обстоятельство, что для станков с
редуктором мощность, близкая к максимальной, сохраняется до числа оборотов
около 300 об/мин. На кривых мощности также расставлены точки, соответствующие
режимам работы фрез SANDVIK серий R200 (черновая обработка), R300 (получистовая) и со сферической
режущей частью для чистовой обработки.
Сопоставление требуемых и располагаемых мощностей показывает,
что для станков, оснащенных мотор-шпинделем, из-за снижения мощности при
уменьшении оборотов ограничиваются величины диаметров фрез и/или глубина и
ширина фрезерования. Для станков с редуктором сохранение располагаемой мощности
вплоть до малых оборотов позволяет выполнять производительную черновую
обработку фрезами достаточно большого диаметра. Низкие обороты шпинделя станка
ФП-27 существенно уменьшают эффективность использования на нем фрез малых диаметров
(до 40 мм) даже при черновой обработке. Видно также, что станки, имеющие
объединенный мотор-шпиндель, уступают станкам с редуктором на режимах черновой
обработки. При чистовой обработке преимущество переходит к современным
5-ко-ординатным станкам, позволяющим вести обработку периферией режущей части
фрезы при обеспечении высокой чистоты обработанной поверхности.
При использовании инструмента для высокоскоростного фрезерования
необходимо учитывать имеющиеся для него ограничения по глубине резания: она,
как правило, не превышает 2-5 мм. При распределении припусков по видам
обработки (рис. 8.2) выборка материала осуществляется по слоям, причем этот
алгоритм распределения должен учитываться в управляющих программах, формируемых
в технологических системах программирования (САМ-система или САПР ТП).
САМ-системы становятся необходимым третьим элементом
комплекса «станок — инструмент — средство программирования», влияющим на
эффективность и окончательную стоимость этого комплекса.
Диапазоны припусков по виду обработки
Рис. 8.2
Характерные величины рабочих подач при чистовой обработке весьма
велики. Они могут составлять -3-4 м/мин и более. Для криволинейных поверхностей
траектория движения фрезы в известных системах программирования для станков с
ЧПУ формируется в виде кусочков ломаной линии, с заданной точностью
аппроксимирующей обрабатываемую поверхность. При обработке в точках излома
траектории движение станка нарушается (рис. 8.3).
В частности, при выходе в точку излома (пунктирная кривая)
возникает удар, интенсивность которого определяется соотношением жесткости
станка и величиной подачи. С целью его исключения в системе программирования
возможно введение торможения (снижения подачи) в точке излома или специальные
скругления траектории. Длина участков торможения-разгона и криволинейных
скруглений для данных подач определяются располагаемыми тангенциальным и
нормальным ускорениями станка.
Варианты обхода угловой точки траектории
Рис. 8.3
Когда речь идёт о высокоскоростной обработке, наиболее
неправильно понимаемые области – рабочая подача и скорость быстрых перемещений.
Более высокие скорости лучше только в одном. Например, у созданного для быстрых
перемещений станка узлы могут двигаться от одной точки к другой со скоростью,
например 60 м/мин, т.е. значительно быстрее, чем на медленном станке. Но когда
на быстром станке необходимо переместить узел на короткое расстояние, на нем
нельзя переместить узел с такой же скоростью, как перемещается узел менее
скоростного станка. Причиной является ускорение. С теми же самыми двигателями
узлы «медленного» станка разгоняются до максимальной скорости быстрее, чем
более скоростной станок сможет «доползти» до высшей скорости (рис 8.4).
Законы
физики диктуют, что тот же двигатель может разогнаться гораздо быстрее, если он
соединён с редуктором, рассчитанным на более низкую скорость. Если при движении
любого транспортного средства Вы когда-либо пользовались рычагом переключения
передач, то Вам это будет понятно. В езде по городу более низкие передачи
обеспечивают лучшее ускорение, тогда как четвертая или пятая передача
обеспечивают самую высокую скорость при движении по шоссе, но эти скорости
бесполезны при движении в пробках. Однако для станка с компьютерным устройством
ЧПУ (УЧПУ) двигатель по каждой оси координат имеет только одно передаточное отношение.
Все конструкторы выбирают скорости и диапазон ускорений станка, думая, что они
являются оптимальными. Трудно сказать, что они имели в виду, выбирая такой
рабочий диапазон? Вероятно, пытались угодить своим отделам сбыта и маркетинга,
которые просили поднять предельные скорости и подачи.
Влияние предельной скорости станка на разгон/ускорение.
Рис. 8.4
Экспоненциальная зависимость ускорения от мощности означает,
что для того, чтобы вдвое увеличить ускорение, требуется в четыре раза поднять
мощность (рис. 8.4). И наоборот, при той же самой мощности увеличение
максимальной скорости вдвое требует четырехкратного увеличения периода
разгона/замедления. Поэтому, более «медленный» станок может в реальности быть более
производительным (скоростным), чем станок с более высоким скоростным
диапазоном.
При
фрезеровании с использованием компьютерного УЧПУ можно плавно координировать
движение по трем линейным осям для обработки сложных контуров. Например,
фрезерование окружности реализуется как постоянный процесс, т.е. как «следящее»
резание, но внутри программы УЧПУ оно дробится на сложную последовательность
команд и коррекций. Для программиста и оператора ясно, что трехкоординатное
УЧПУ рассчитывает перемещения по семейству точек, которые расположены
приблизительно по кругу. Качество такой интерполяции (степень приближения)
зависит от точности работы УЧПУ, которая постоянно изменяется.
Чем выше
быстродействие УЧПУ, тем плавнее интерполяция. Когда станок с УЧПУ фрезерует
дугу в 8" при 200 импульсах в минуту, Вы видите плавное движение, но УЧПУ
фактически выполняет серию коротких линейных шагов. Быстродействие УЧПУ
определяет длину шага. Старые и более медленные УЧПУ часто на круглом контуре
дают огранку или серию лысок. Другие УЧПУ, более новые, но относительно
медленные по сравнению с имеющимися на рынке наиболее быстродействующими, либо
замедляются, либо частично компенсируют погрешность посредством выхаживания,
хотя некоторая погрешность при этом все-таки остаётся.
Длину
сегментов интерполяции можно рассчитать, если известно быстродействие станка.
При использовании диапазона подачи 200 импульсов в минуту и временной
дискретности 3 мкс линейный сегмент или хорда составляют 0,25 мм (0,010").
Этот показатель - наиболее высокое быстродействие, характерное для самых
популярных европейских высокоскоростных систем управления.
Самые же
скоростные промышленные системы управления демонстрируют быстродействие порядка
400 мкс (0,0004 с). Повышение быстродействия в 7,5 раз обеспечивает в результате
длину хорды сегмента в 35 мкм (рис. 8.5).
Очевидным преимуществом такого повышения является более
точный контур обработанной поверхности вне зависимости от её размера. Менее
очевидным преимуществом при сокращении времени цикла является повышение
точности.
Величина хорды сегмента обработки
Рис. 8.5
Удвоение
скорости даёт в результате четырехкратное повышение точности. Почти 10-кратный
скачок быстродействия с 3 мкс до 0,4 мкс, теоретически повышает ее
приблизительно в 56 раз. При комплексной обработке контура наиболее жесткое
требование к УЧПУ - это плавное движение от точки к точке с того момента, когда
программа CAD-CAM генерирует большую массу индивидуальных траекторий
инструмента с очень короткими линейными шаги между ними. Чем выше
быстродействие УЧПУ, тем быстрее движется инструмент и тем, соответственно,
выше скорость обработки.
Работа
с более редкими остановками при продолжении резания не только позволяет сделать
деталь быстрее, но также продлевает срок службы инструмента и повышает его
производительность, потому что этот инструмент меньше затупляется. Хотя
большинство производителей не хотят, чтобы поверхности деталей были излишне
гладкими, что ухудшает их качество, тем не менее в результате более плавных
перемещений повышается точность обработки и продлевается срок службы станка.
"Прогнозирование" является ключом к реализации этой важной функции.
Прогнозирование
становится основой для высокоскоростной обработки из-за высокой плотности
массива данных. При использовании старых, более медленных моделей УЧПУ узлы
станка движутся довольно медленно, отчего перемещения вдоль осей могут быть
остановлены в пределах любого единичного блока. На новых станках при скорости
перемещения узлов в несколько десятков метров в минуту им требуется большее
расстояние, чтобы остановиться. И при плотных, последовательных перемещениях,
требуемых для достижения высокой точности при обработке сложных контуров, порой
трудно рассчитать время или расстояние до остановки вдоль оси, чтобы получить
необходимую точность. Это может звучать так, как если бы прогноз снизил
производительность, пожертвовав подачей, для того чтобы обеспечить точность.
Или наоборот, это – оптимизация производительности. Тот же самый прогноз,
который «замедлил» программу УЧПУ для обработки острых углов, в то же время
сохраняет самые высокие скорости перемещений по координатам при менее радикальных
изменениях направления движения.
Там,
где раньше, была необходимость выбирать более медленные подачи при
программировании, чтобы фрезеровать сложный контур, эффективный прогноз поможет
оптимизировать программируемую подачу для конкретной фрезы и в соответствии с
обрабатываемым материалом и позволит УЧПУ принимать решения о том, где её нужно
замедлить. Идея состоит в том, что прогноз пытается улучшить ситуацию, задавая
величину программируемой подачи и не ставя при этом под угрозу точность
перемещения. Результатом является увеличение непрерывной или эффективной подачи
до среднего уровня, поддерживаемого в течение всего процесса обработки.
9.
Выбор и проектирование станочного приспособления
Принцип
работы ускорительной головки
Необходимость
ускорительной головки предопределяется тем, что станки с ЧПУ для обработки
корпусных деталей имеют ограниченную частоту вращения шпинделя, недостаточную
для достижения нужной скорости резания мелкоразмерным инструментом.
Конструкция
ускорительной головки представлена на чертеже
06.М15.6
.50.000.СБ
Конструкция
ускорительной головки состоит из корпуса 2, выполняющего роль водила, в котором
на осях 5, закреплены сателлиты 7.
Корпус
2 неподвижно соединен с хвостовиком 1, который имеет конус 7:24,
устанавливаемый в шпиндель станка. Сателлиты 7 находятся в зацеплении с
корончатым колесом 6, которое должно быть остановлено путем соединения с
позиционирующим блоком, размещенным на станке.
Через
солнечное колесо 4 вращение передается на выходной вал 3, который движется с
частотой в пять раз больше частоты вращения шпинделя. На открытом конце
выходного вала помещен цанговый патрон 8 с цангой 9, которая с помощью гайки 10
зажимает цилиндрический хвостовик инструмента. На другом конце выходного вала 3
с помощью шайбы 36 закреплен маховик 16, предназначенный для повышения
равномерности вращения инструмента.
Останов
корончатого колеса 6 осуществляется упором 19, входящего в паз позиционирующего
блока. Во время входа хвостовика 1 в коническое отверстие шпинделя станка
ползун 20 после контакта с позиционирующим блоком перемещается по упору 19,
сжимая пружину 25. При этом поводок 24, размещенный в кольце 22, выходит из
зацепления с ползуном 20 и одновременно из зацепления с кольцом 23 выходит
уголок 21, корончатое колесо 6 останавливается в заданном положении, а
хвостовик 1, вращаясь, передает крутящий момент на вал 3 и инструмент.
По
окончании работы шпиндель станка останавливается в определенном положении.
Пружина 25 выталкивает ползун 20, и в результате головка оказывается в исходном
положении.
Поддержка
упора 19 в заданном вертикальном положении осуществляется с помощью кольца 17,
подвижно закрепленного на вращающемся хвостовике 1 через подшипник 35.
Увеличение
скорости резания до оптимальных значений позволяет значительно повысить
надежность работы инструмента.
Применение
на станках с ЧПУ позволит повысить производительность и сократить основное
время обработки.
Расчет
усилия зажима инструмента
Рассчитаем
усилие зажима концевой фрезы с посадочным местом Ø8 для процесса
контурного фрезерования образующей матрицы.
Схема
раскладки сил показана на рисунке 9.1
Схема
сил, действующих на заготовку
Рис.9.1
Осевую
сила Q, необходимую для затягивания цанги
найдем по формуле:
|
, Н
|
(9.1)
|
где Р1
– сила, сжимающая лепестки цанги до их соприкосновения с поверхностью
заготовки, Н;
Р2
– сила зажима заготовки всеми лепестками цанги, Н;
- половина угла конуса цанги
= 15;
- угол трения
=arctg f1 = 11.
f1 - коэффициент трения конусной
поверхности, f1 =0,2 .
|
, Н
|
(9.2)
|
где Е
= 2,1×105 МПа – модуль упругости стали, идущей на изготовление
цанги;
J – момент инерции
в сечении заделанной части лепестка, мм4;
- стрела прогиба лепестка,
=
,
- зазор между цангой и заготовкой (до
начала зажима)
=0.2;
z – число
лепестков цанги, z=4;
l – расстояние от
плоскости задела лепестка цанги до середины зажимающего конуса цанги, l=20 мм;
|
, см4
|
(9.3)
|
где D – наружный диаметр лепестков цанги, D=28 мм;
S – толщина
лепестка цанги, S =10мм;
- угол сегмента лепестка цанги
=88.
Найдем
силу Р1:
= 7134,4см4=0,41мм4
=44,73Н
Найдем
силу Р2:
|
, Н
|
(9.4)
|
где
- момент резания, Н·м;
r1 - расстояние от оси до точки
приложения силы резания, мм;
r – радиус
заготовки на участке зажима, мм;
РZ – сила резания, стремящаяся
повернуть заготовку относительно оси цанги, Н;
q – cоставляющая часть усилия,
приложенного при резании, сдвигающая заготовку вдоль оси, Н;
К =
1,5…2,0 – коэффициент запаса.
Рассчитаем
силу резания по формуле [10]:
|
, Н
|
(9.5)
|
где
,
,
,
,
,
-
коэффициенты;
- глубина резания,
=5мм;
- подача на зуб фрезы,
=0,08мм/зуб;
В –
ширина фрезерования, В=5мм;
z – число зубьев
фрезы, z=3;
D – диаметр фрезы,
D=3мм;
То
есть,
662,34Н
q =0.23 PZ = 0.23×662.34=152.33Н
Таким
образом,
=1643,93Н
Теперь
можно найти осевую силу Q:
=823Н
То
есть для зажима инструмента для стабильного вращения без проворотов необходимо
приложить осевую силу равную 823Н.
10.
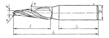
Выбор и проектирование инструмента
Произведем
расчет концевой конической фрезы с цилиндрическим хвостовиком для обработки
ручьев ковочных штампов.
Материал
фрезы - твердый сплав ВК10М
Геометрические
параметры фрезы
Правильное
назначение геометрических параметров фрезы позволяет обеспечить высокую
стойкость фрезы и необходимую шероховатость обработанной поверхности.
Главный
задний угол
[17, стр.110, табл.4.2]
Нормальный
задний угол фрезы
|
|
(10.1)
|
где
- угол наклона винтовых канавок фрезы.
=25º [13, стр.211, табл.3.10]
Тогда
Откуда
Передний
угол (влияет на обеспечение необходимой прочности режущей кромки, минимальные
силы и мощность фрезерования)
[17, стр.111, табл.4.3]
Главный
угол в плане (определяет стойкость и производительность фрезы и соотношения
между составляющими силами резания)
[17, стр.111, табл.4.4]
Переходная
кромка в плане
(для упрочнения режущей кромки)
|
|
(10.2)
|
То
есть
[17, стр.111, табл.4.4]
Угол
наклона режущей кромки (служит для направления отвода стружки, упрочнения
режущей кромки и обеспечения равномерного фрезерования)
Угол
подъема витков фрезы
[13, стр.211, табл.3.10]
Радиус
торцевой части фрезы – 1,5мм [13, стр.211, табл.3.10]
Диаметр
фрезы
Минимальный
диаметр фрезы перед переходом на радиус 1,5 – d=3мм [13, стр.211, табл.3.10]
Длина
режущей части фрезы
[13, стр.211, табл.3.10]
Число
зубьев фрезы
[13, стр.211, табл.3.10]
Форма
и размеры зубьев и стружечных канавок
При
выборе формы зуба необходимо обеспечить его необходимую прочность, свободное
размещение срезаемой стружки в канавке, большое число переточек, простоту
изготовления.
Высота
зуба
|
, мм
|
(10.3)
|
где
=0,9…1,2 - коэффициент
Таким
образом,
мм - высота у минимального диаметра;
мм - высота у максимального диаметра.
Радиус
закругления дна стружечной канавки
|
, мм
|
(10.4)
|
То
есть
мм
мм
Угол
спинки зуба
[17, стр.116]
Радиус
спинки зуба
|
, мм
|
(10.5)
|
То
есть
мм
мм
Ширина
ленточки по задней поверхности
мм [17, стр.116]
Ширина
ленточки по передней поверхности
мм [17, стр.116]
Чертеж
концевой фрезы для нарезания шлицев представлен на чертеже 06.М15.6 .51.000.
11.
Проектирование производственного участка
Матрица
в паре с пуансоном предназначена для изготовления штамповок фланца. Матрица
изготовлена из инструментальной стали 4Х5МФС. Годовая программа выпуска –
1000шт, что при массе 1,4кг соответствует среднесерийному производству. Работа
ведется в 2-х сменном режиме.
Расчёт
количества основного технологического оборудования на участке и коэффициента
его загрузки
Цель
раздела – определение количества основного технологического оборудования при
среднесерийном производстве на стадии технологического проекта и подготовки
исходных данных для составления планировки участка механической обработки
детали.
Исходные
данные для проведения этого расчёта являются годовая программа и технологический
процесс с нормами времени. Нормы времени приведены в таблице 11.1.
Таблица 11.1
Нормы
времени по операциям
|
№ оп.
|
Код и наименование
операции
|
Тшт ,
мин
|
Модель
оборудования
|
|
010
|
Фрезерно-расточная
|
11,58
|
6М610Ф3
|
|
015
|
Многоцелевая черновая
|
26,28
|
2204ВМФ2
|
|
020
|
Сверлильно-фрезерная
|
5,61
|
243ВМФ2
|
|
025
|
Сверлильная
|
3,07
|
2Н118
|
|
030
|
Многоцелевая получистовая
|
12,13
|
2204ВМФ2
|
|
035
|
Сверлильно-фрезерная
|
2,76
|
243ВМФ2
|
|
040
|
Контрольная
|
-
|
Контр. приспособ
|
|
045
|
ТО
|
-
|
Печь
|
|
050
|
Шлифовальная
|
8,6
|
3Е710А
|
|
055
|
Многоцелевая чистовая
|
16,02
|
2204ВМФ2
|
|
060
|
Сверлильно-фрезерная
|
2,43
|
243ВМФ2
|
|
065
|
Многоцелевая полировальная
|
3,77
|
2204ВМФ2
|
|
070
|
Контрольная
|
-
|
Контр. приспособ.
|
|
075
|
Маркирование
|
-
|
Кант. площадка
|
|
080
|
Консервация
|
-
|
Кант. площадка
|
При
определении количества оборудования необходимо определить действительный фонд
времени оборудования Fд.
, (11.1)
где
Вр – коэффициент потерь времени на ремонт оборудования, Вр=7%;
Fн – номинальный
фонд времени работы оборудования, определяемый по формуле:
,
(11.2)
где Дк
– число календарных дней в году, Дк=365;
Пр –
число праздничных дней в году, Пр=11;
Вс –
число воскресных дней в году, Вс=52;
Сб –
число субботних дней в году, Сб=52;
Тсм –
длительность рабочей смены, Тсм=8ч;
Дпр –
количество предпраздничных дней, Дпр=9;
Тпр –
время, на которое сокращается предпраздничный день, Тпр=1ч;
С –
количество смен в сутки, С=2.
Таким
образом, Fн=((365-11-52-26)·8 - 9∙1)∙2=4398
ч
Fд=4398∙
(1-0,07)=4090 ч.
Годовая
программа запуска равна:
, (11.3)
где Nг – годовая программа выпуска, Nг=1000шт;
Зч –
процент деталей, уходящих в запчасти, Зч=15%;
Бр –
процент потерь деталей в брак, Бр=2%.
Nг.зап=1000∙
(1+0,15) ∙ (1+0,02)=1173шт.
Расчётное
число станков каждой группы будет находиться по формуле:
(11.4)
где Квн
– коэффициент выполнения норм, Квн =1,1.
Расчёт
необходимого количества станков сведём в таблицу 11.2
где Sпр – принимаемое нами количество
станков.
Таблица
11.2
Расчетное
число станков
|
№ оп.
|
Наименование операции
|
Расчётное количество станков,
Sр
|
Принятое количество
станков, Sпр
|
|
010
|
Фрезерно-расточная
|
0,043
|
1
|
|
015
|
Многоцелевая черновая
|
0,097
|
1
|
|
020
|
Сверлильно-фрезерная
|
0,021
|
1
|
|
025
|
Сверлильная
|
0,011
|
1
|
|
030
|
Многоцелевая получистовая
|
0,045
|
1
|
|
035
|
Сверлильно-фрезерная
|
0,01
|
1
|
|
040
|
Контрольная
|
-
|
-
|
|
045
|
ТО
|
-
|
-
|
|
050
|
Шлифовальная
|
0,032
|
1
|
|
055
|
Многоцелевая чистовая
|
0,059
|
1
|
|
060
|
Сверлильно-фрезерная
|
0,01
|
1
|
|
065
|
Многоцелевая полировальная
|
0,014
|
1
|
|
070
|
Контрольная
|
-
|
-
|
|
075
|
Маркирование
|
-
|
-
|
|
080
|
Консервация
|
-
|
-
|
Полученные расчетные значения количества станков, округляем в большую сторону
до целого числа и определяем необходимую величину догрузки подобными видами
продукции.
Догрузка
оборудования находится по формуле:
(11.5)
где
Ку =1,05- коэффициент увеличения штучного времени.
Результаты
расчётов сведём в таблицу 11.3.
Таблица
11.3
Догрузка
оборудования по операциям
|
№ оп.
|
Наименование операции
|
Догрузка оборудования,
Nдог, шт/год
|
|
010
|
Фрезерно-расточная
|
18306
|
|
015
|
Многоцелевая черновая
|
7585
|
|
020
|
Сверлильно-фрезерная
|
38702
|
|
025
|
Сверлильная
|
71484
|
|
030
|
Многоцелевая получистовая
|
17437
|
|
035
|
Сверлильно-фрезерная
|
79598
|
|
040
|
Контрольная
|
-
|
|
045
|
ТО
|
-
|
|
050
|
Шлифовальная
|
24947
|
|
055
|
Многоцелевая чистовая
|
12998
|
|
060
|
Сверлильно-фрезерная
|
90407
|
|
065
|
Многоцелевая полировальная
|
58025
|
|
070
|
Контрольная
|
-
|
|
075
|
Маркирование
|
-
|
|
080
|
Консервация
|
-
|
Проводим
заново расчёт необходимого количества оборудования по формуле:
(11.4)
Результаты
расчётов сводим в таблицу 11.4.
Таблица
11.4
Расчетное
число станков с учетом догрузки
|
№ оп.
|
Наименование операции
|
Расчётное количество станков,
Sр
|
Принятое количество
станков, Sпр
|
|
010
|
Фрезерно-расточная
|
0,83
|
1
|
|
015
|
Многоцелевая черновая
|
0,85
|
1
|
|
020
|
Сверлильно-фрезерная
|
0,83
|
1
|
|
025
|
Сверлильная
|
0,83
|
1
|
|
030
|
Многоцелевая получистовая
|
0,83
|
1
|
|
035
|
Сверлильно-фрезерная
|
0,82
|
1
|
|
040
|
Контрольная
|
-
|
-
|
|
045
|
ТО
|
-
|
-
|
|
050
|
Шлифовальная
|
0,82
|
1
|
|
055
|
Многоцелевая чистовая
|
0,83
|
1
|
|
060
|
Сверлильно-фрезерная
|
0,82
|
1
|
|
065
|
Многоцелевая полировальная
|
0,82
|
1
|
|
070
|
Контрольная
|
-
|
-
|
|
075
|
Маркирование
|
-
|
-
|
|
080
|
Консервация
|
-
|
-
|
Коэффициент
загрузки оборудование определяется как отношение расчётного числа к
проектируемому:
К = Sp / Sпр (11.5)
Коэффициент
загрузки оборудования сведем в таблицу 11.5.
Таблица
11.5
Коэффициент
загрузки оборудования
|
№ оп.
|
Наименование операции
|
Коэффициент загрузки
оборудования
|
|
010
|
Фрезерно-расточная
|
0,83
|
|
015
|
Многоцелевая черновая
|
0,85
|
|
020
|
Сверлильно-фрезерная
|
0,83
|
|
025
|
Сверлильная
|
0,83
|
|
030
|
Многоцелевая получистовая
|
0,83
|
|
035
|
Сверлильно-фрезерная
|
0,82
|
|
040
|
Контрольная
|
-
|
|
045
|
ТО
|
-
|
|
050
|
Шлифовальная
|
0,82
|
|
055
|
Многоцелевая чистовая
|
0,83
|
|
060
|
Сверлильно-фрезерная
|
0,82
|
|
065
|
Многоцелевая полировальная
|
0,82
|
|
070
|
Контрольная
|
-
|
|
075
|
Маркирование
|
-
|
|
080
|
Консервация
|
-
|
|
Среднее значение
коэффициента загрузки
|
0,828
|
По полученным
коэффициентам загрузки оборудования построим график загрузки оборудования
(рис.11.1)
График
загрузки оборудования

Рис. 11.1
Расчет
числа рабочих
Промышленно –
производственный персонал цеха (участка) состоит из производственных и
вспомогательных рабочих, инженерно – технических работников (ИТР), служащих и
младшего обслуживающего персонала (МОП).
Число
рабочих на каждую операцию определяем по формуле:
(11.6)
где
1731ч - действительный годовой фонд времени работы рабочего.
Расчёт
числа рабочих по операциям техпроцесса сведём в таблицу 11.6
Таблица
11.6
Количество
рабочих по операциям технологического процесса
|
№ оп.
|
Наименование операции
|
Расчётное количество станков,
Sр
|
Принятое количество
станков, Sпр
|
|
010
|
Фрезерно-расточная
|
1,95
|
2
|
|
015
|
Многоцелевая черновая
|
1,96
|
2
|
|
020
|
Сверлильно-фрезерная
|
1,94
|
2
|
|
025
|
Сверлильная
|
1,95
|
2
|
|
030
|
Многоцелевая получистовая
|
1,95
|
2
|
|
035
|
Сверлильно-фрезерная
|
1,95
|
2
|
|
040
|
Контрольная
|
-
|
-
|
|
045
|
ТО
|
-
|
-
|
|
050
|
Шлифовальная
|
1,97
|
2
|
|
055
|
Многоцелевая чистовая
|
1,96
|
2
|
|
060
|
Сверлильно-фрезерная
|
1,96
|
2
|
|
065
|
Многоцелевая полировальная
|
1,95
|
2
|
|
070
|
Контрольная
|
-
|
-
|
|
075
|
Маркирование
|
-
|
-
|
|
080
|
Консервация
|
-
|
-
|
|
Итого общее число
рабочих
|
20
|
После
расчёта числа основных производственных рабочих, необходимо рассчитать число
вспомогательных рабочих, число контролёров, число ИТР, Численность младшего
обслуживающего персонала (МОП).
Вспомогательные
рабочие:
Число контролёров:
5 принимаем 5 человек.
Численность
ИТР:
0,69 принимаем 1 человека.
Младший
обслуживающий персонал:
0,46 принимаем 1 человека.
Организация
снабжения материалами и заготовками
Для хранения
запаса заготовок предусматривается склад, расположенный в начале участка
механической обработки детали. На рабочее место заготовки, уложенные в
контейнер открытого типа, доставляются при помощи погрузчиков. В процессе
обработки проводится межоперационный контроль, наиболее важными являются
контрольные операции перед ТО, каковой являются 045 операция – закалка и после
изготовления детали. После каждой из перечисленных операций деталь возвращают
на участок на дальнейшую обработку. После проверяют качество изготовленной
детали на контрольном столе. Работники планово распределительного бюро
обеспечивают подачу деталей и заготовок к станкам.
На
основе технической документации, инструментально-раздаточная кладовая (ИРК)
заблаговременно комплектует специальный инструмент и приспособления,
обеспечивает его заточку, восстановление и списание. Доставку инструмента и
приспособлений к рабочему месту осуществляется вспомогательными рабочими.
Сжатый
воздух, масло, смазочно-охлаждающая жидкость подаётся к станкам по
централизованным трубопроводам. При обнаружении рабочим нехватки масла в станке
он обязан сообщить об этом мастеру, а тот в свою очередь даёт заявку
вспомогательным рабочим соответствующей службы, которые обеспечивают снабжение
основного производства (оборудования участка) маслом, специально оборудованным
транспортом с тарой для масла.
Организация
транспортного хозяйства
Главной
целью организации транспортного хозяйства является снижение трудоёмкости работ
и сокращение времени производственного цикла. Выбор транспортных средств
зависит от характера обрабатываемых на участке заготовок, их габаритов и массы,
типа производства, конструкции здания.
Доставка
заготовок в механический цех осуществляется автотранспортом. Подача контейнеров
на склады и к месту обработки выполняется при помощи автопогрузчиков.
Передача
деталей от станка к станку осуществляется при помощи вспомогательных рабочих.
Такой вид передачи деталей является оптимальным в условиях среднесерийного производства,
деталей простой геометрической формы.
Для
удаления стружки из рабочей зоны в большинстве станков имеются шнековые
устройства, которые перемещают стружку к люку, расположенному с тыльной стороны
станка. Дальнейшее транспортирование стружки от станка к общецеховому месту
сбора производится при помощи системы скребковых транспортёров (конвейеров),
расположенных под полом цеха вдоль станков.
Организация
работы участка и рабочих мест
Организация
рабочего места является первичным звеном организации труда. Его правильная
организация снижает утомляемость рабочего, повышает работоспособность и в итоге
увеличивает производительность труда. Для правильной организации рабочего место
важное значение имеет специализация, оснащение, планировка и обслуживание
рабочего места. При размещении предметов и средств труда необходимо
руководствоваться следующими условиями:
-
на рабочем месте
не должно быть нечего лишнего, каждая деталь должна иметь своё место
-
все часто
используемые предметы должны находится ближе к зоне их использования
-
расположение
предметов на рабочем месте должно быть продуманно с таким расчётом, чтобы
рабочий двигался с минимальными затратами сил
-
станки должны
быть обеспечены местным освещением и пр.
Планировка
механического участка
Планировка
участка на заданную программу 400шт.
Оборудование
расставлено по ходу технологического процесса. Стружка удаляется скребковым
конвейером, расположенным под полом.
Для
инструмента предусмотрены инструментальные ящики. Для улучшения условий труда
на участке предусмотрено место для отдыха, место для питьевого аппарата
(ситуратора). Для доставки контейнеров с заготовками и деталями по периметру
участка расположена дорога (проезд) для автопогрузчиков с односторонним
движением. В соответствии с нормами ширина проезда составляет 2000 см. Подвод
сжатого воздуха осуществляется от общезаводской централизованной системы. В
качестве средств пожарной безопасности предусмотрен пожарный щит, ящик с
песком. Имеется верстак, контрольный стол, и др.
При
укрупненном проектировании производственную площадь участка определяем по
удельной площади, необходимой для размещения станков в зависимости от их массы.
Величину удельной площади, приходящейся на один станок берем из [19].
Sпр. = Sуд. × Sобщ.
(11.7)
Sпр. = 25 × 10= 250м2
Размеры вспомогательной площади участка определим, исходя из норм для
расчета площадей вспомогательных служб.
-
склад вспомогательных материалов (0.2 м2 на один станок) – 1,6 м2
-
площадь для хранения стружки - 5 м2
-
площадь под проходы принимаем 30% от площади станков - 85 м2
-
резервное место под дополнительное оборудование - 150 м2
-
площадь для места мастера - 9 м2
-
площадь под контрольные столы - 20 м2
-
место для отдыха -9 м2
-
место под контейнеры для материала - 88 м2
-
место под кант. площадку - 12 м2
Общая
площадь: 630 м2
Нормативы
расстояний между станками, от стен и колонн здания, а также нормы ширины
магистральных проездов приведены в [18].
Компоновка
механического участка по обработке данной детали представлена на чертеже
06.М15.6 .76.000.
Раздел №12. «БЕЗОПАСНОСТЬ и
ЭКОЛОГИЧНОСТЬ ОБЪЕКТА»
Задание
для выполнения раздела: Разработать мероприятия по обеспечению промышленной, экологической
безопасности и безопасности в экстремальных ситуациях на предприятии (участке,
при выполнении работ и т.д.).
12.
Безопасность и экологичность проекта
Описание
рабочих мест, оборудования и выполняемых операций
Рассматривается производство детали –
матрица достигает в проектируемом варианте 1000 деталей в год при двусменном
режиме работы. Поэтому механическая обработка матрицы ведется при невысокой
автоматизации труда: основные трудоемкие операции выполняются на станках с ЧПУ
– фрезерных и сверлильных. Помимо металлорежущего оборудования в комплекс
входят: контрольная установка, моечная машина, сушильная установка. В процессе
предусмотрены быстросменное крепление инструмента, наладка его вне станков и
хранение в инструментальных шкафах, устройства для сигнализации о поломке
инструмента и автоматический контроль деталей.
Загрузка и транспортировка деталей между
станками осуществляется с помощью загрузочно-разгрузочных устройств и
транспортных потоков.
Проектируемое
производство носит характер среднесерийного производства. Поэтому максимальной
автоматизации в разрабатываемом варианте не требуется. Поскольку возрастающие
запросы рынка на изменения, как самой продукции, так и ее стоимости поставили
перед производителем новые задачи, такие как увеличение производительности,
улучшение условий труда за счет внедрения более прогрессивных методов обработки
(увеличение стойкости инструмента, увеличение режимов обработки, скорости, подачи),
которые трудновыполнимы при жесткой автоматизации. На используемом в проекте
оборудовании, станках с числовым программным управлением и на
широкоуниверсальных станках будет вестись обработка и других деталей, значит,
оборудование может располагаться не в строгом соответствии ходу
технологического процесса. Расстояние между станками соответствует санитарно –
гигиеническим нормам: ширина переходов равна одному метру, для движения
погрузчиков предусмотрены проезды шириной два метра.
Эскиз
рабочего участка представлен на рисунке 12.1
Эскиз
рабочего участка по изготовлению матрицы
Рис.12.1
Идентификация
опасных и вредных производственных факторов
Проанализируем
все опасные и вредные производственные факторы, которые могут возникнуть при
выполнении технологических операций на участке изготовления матрицы нижней
черновой и внесем их в таблицу 12.1
Таблица
12.1
Опасные
и вредные производственные факторы
|
№ п/п
|
Наименование опасного и вредного
производственного фактора
|
Виды работ, оборудование,
технологические операции при которых встречается данный производственный
фактор
|
|
1
|
Повышенное значение напряжения в
электрической цепи, замыкание которой может произойти через тело человека.
|
На всем оборудовании, во всех
операциях, где производится механическая обработка
|
|
2
|
Повышенный уровень статического электричества
|
На всем оборудовании, во всех
операциях, где производится механическая обработка
|
|
3
|
Движущиеся машины и механизмы;
подвижные части производственного оборудования; передвигающиеся изделия,
заготовки, материалы.
|
На всем оборудовании, во всех операциях,
где производится механическая обработка
|
|
4
|
Фиброгенное воздействие (пыль и
абразивная стружка, металлическая пыль)
|
Операция №050 - Шлифовальная
Операция №025 –
Сверлильно-фрезерная; Операции №015, 030,055 – Многоцелевая.
|
|
5
|
Недостаточное естественное и
искусственное освещение
|
На всех операциях технологического
процесса
|
|
6
|
Повышенный уровень вибрации
|
На всей территории механического участка
|
|
7
|
Повышенный уровень шума
|
На всей территории механического участка
|
|
8
|
Неблагоприятные параметры
микроклимата рабочих мест и производственных помещений
|
На всей территории механического участка
|
|
9
|
Физические и нервно-психические
перегрузки
|
Все работающие на участке
|
Воздействие
производственного фактора на организм работающего
Опасность поражения людей электрическим
током может возникнуть в случае прикосновения к частям электроустановки или
оборудования, нормально не находящимся под напряжением, но с возможностью
оказаться под ним при замыкании на корпус электрооборудования.
Вращающийся
инструмент может привести к наматыванию одежды, волос на инструмент,
механическому повреждению живых тканей организма.
Обработка резанием матрицы нижней
происходит с применением смазочно-охлаждающие жидкости, отчего воздух
загрязняется аэрозолями (туманами) этих веществ, а так же металлической пылью
при обработке на фрезерных станках безсожевым методом.
Вредные вещества из воздуха проникают в организм человека главным образом
через дыхательные пути, а также через кожу и оказывают токсическое действие на
организм человека, вызывая раздражение слизистых оболочек дыхательных путей. В
процессе обработки образуется железная пыль, которая, попав в лёгкие, оседает
там. В результате воздействия вредных веществ могут возникнуть профессиональные
заболевания.
Правильно
спроектированное и выполненное освещение на машиностроительных предприятиях
обеспечивает возможность нормальной производственной деятельности.
Недостаточное освещение отрицательно влияет на работников. Оно ухудшает зрение
и состояние нервной системы человека. Кроме того, от освещения зависит
производительность труда и качество продукции. Следовательно, его недостаток
может привести к ухудшению производственного процесса.
Причиной возбуждения вибраций являются возникающие при работе машин и
агрегатов неуравновешенные силовые воздействия. Источником их могут быть
кривошипно-шатунные механизмы, гидравлические удары при разрыве и т.д.
различают общую и локальную вибрации. Общая вызывает сотрясение всего
организма, местная вовлекает в колебательное движение отдельные части тела.
Основные
источники шума на участке – гидроприводы, шум от удара при разрыве,
электродвигатели, зубчатые и ременные передачи, подшипники, особенно при
наличии износа, перекосов и дисбаланса движущихся частей, а также сам процесс
резания и вибрации технологической системы ЗИПС.
Неблагоприятные
параметры микроклимата рабочих мест и производственных помещений: в соответствии с ГОСТ 12.1.005 – 88
устанавливаем оптимальные и допустимые метеорологические условия для рабочей
зоны помещения. Оптимальная температура воздуха 18¸22°С; оптимальные величины относительной влажности составляют 40¸60 %; скорость движения воздуха в зимнее
время не должна превышать 0.2¸0.5 м/с, летом - 0.2¸1.0 м/с.
Рабочие
постоянно подвергаются физическим перегрузки и нервно-психическим перегрузкам.
Нервно-психические перегрузки подразделяются на: умственное перенапряжение;
перенапряжение анализаторов; монотонность труда; эмоциональные перегрузки.
Мероприятия
по разработке безопасных условий труда на производственном участке
Для обеспечения безопасности
электроустановки оборудуются защитой, которая может быть выполнена в виде
защитного заземления, сопротивление которого не должно превышать нормированной
величины Rm
=
4 Ом.
Вращающийся
инструмент должен быть огражден защитными кожухами и отдален от человека на
безопасное расстояние. Спецодежда работника должна быть застегнута на все
пуговицы, не должно быть свисающих частей, на голове – косынка или кепка.
В
цехе и, особенно у шлифовального и фрезерного оборудования, необходимо
улавливание аэрозолей и пыли с помощью вентилятора, отсасывающего загрязнённый
воздух по трубопроводам к пылегазоочистной установке.
На проектируемом участке присутствует как естественное освещение, так и
искусственное, осуществляемое электрическими лампами. Освещение в целях
создания наилучших условий видения, должно отвечать следующим требованиям.
а)
освещённость на рабочем месте должна соответствовать характеру зрительной
работы, который определяется объектом различения, фоном, контрастом;
б)
необходимо обеспечить достаточно равномерное распределение яркости на рабочей
поверхности, а также в пределах окружающего пространства.
Эффективным
средством защиты от вибрации является виброизоляция. Она является наиболее
эффективным методом снижения общей вибрации на рабочих местах, а также
виброзащиты оборудования и приборов. Между источником вибрации (машиной) и
защищаемым объектом (человеком, фундаментом) помещают упругие элементы -
амортизаторы, препятствующие передаче колебаний. Это могут быть простейшие
резиновые амортизаторы в форме цилиндров, колец или призм. Данный способ защиты
должен учитываться при монтаже разрывной установки.
Для
снижения шума можно применить следующие методы: уменьшение шума в источнике;
рациональная планировка предприятий и цехов; акустическая обработка помещений;
уменьшение шума на пути его распространения и, самое главное, регулярная
проверка и наладка оборудования для устранения шумов, возникающих в процессе
износа оборудования.
Необходимо поддерживать постоянство
нормированных параметров микроклимата, т.к. их колебания могут привести к
возникновению простудных заболеваний, заболеваний дыхательных путей и сердечно-сосудистой
системы работника.
Рабочее
место и взаимное расположение его элементов должны обеспечивать безопасное и
удобное техническое обслуживание и чистку.
Для сведения к минимуму физических и
нервно-психический перегрузок при организации рабочего места должны выполнятся
следующие условия: конструкция рабочего места должна обеспечивать удобную
рабочую позу человека, что достигается регулированием высоты и угла наклона подставки
для ног при ее применении и (или) высоты и размеров рабочей поверхности; конструкцией
рабочего места должно быть обеспечено выполнение трудовых операций в зонах
моторного поля (оптимальной, легкой досягаемости и досягаемости) в зависимости
от требуемой точности и частоты действий.
При проектировании рабочего места в
зависимости от характера работы следует работу в положении сидя предпочитать
работе в положении стоя или обеспечить возможность чередования обоих положений
(например, с применением вспомогательного кресла).
Организация рабочего места должна
обеспечивать возможность изменения рабочей позы. Организация рабочего места
должна обеспечивать устойчивое положение и свободу движений работающего,
сенсорный контроль деятельности и безопасность выполнения трудовых операций.
Организация рабочего места должна исключать или допускать редко и
кратковременно работу в неудобных позах (характеризующихся, например,
необходимостью сильно наклоняться вперед или в стороны, приседать, работать с
вытянутыми или высоко поднятыми руками и т.п.), вызывающих повышенную
утомляемость. Организация рабочего места должна обеспечивать необходимый обзор
зоны наблюдения с рабочего места. Средства отображения информации должны быть
размещены в зонах информационного поля рабочего места с учетом частоты и
значимости поступающей информации, типа средства отображения информации,
точности и скорости слежения и считывания. Органы управления должны быть размещены
на рабочем месте с учетом рабочей позы, функционального назначения органа
управления, частоты применения, последовательности использования,
функциональной связи с соответствующими средствами отображения информации.
Расстояние между органами управления должно исключать возможность изменения
положения органа управления при манипуляции со смежным органом управления.
Рабочее место при необходимости должно быть оснащено вспомогательным оборудованием
(подъемно-транспортными средствами и т.д.). Его компоновка должна обеспечивать
оптимизацию труда и его безопасность.
При планировании участка изготовления
матриц учитывались данные вредные факторы, поэтому на момент монтажа они были
сведены к минимуму, отклонения от нормы происходят в процессе износа
оборудования и устраняются путем систематической подналадки
Обеспечение
электробезопасности на производственном участке
По
степени опасности поражения током механические цеха относят к особо опасным
помещениям. Для защиты от поражения током обязательно предусматривают: защитное
заземление оборудования, изоляция и ограждение токоведущих частей, защитное
отключение оборудования.
Все
металлические части станков, а также отдельно стоящие электри-ческие
устройства, которые могут оказаться под напряжением вследствие нарушения изоляции
и замыкания на корпус, должны быть заземлены.
Назначение
защитного заземления – устранение опасности поражения людей электрическим током
при появлении напряжения на конструктивных частях электрооборудования, т.е. при
“замыкании на корпус”.
Принцип действия защитного
заземления - снижение опасного значения напряжений прикосновения и шага,
обусловленных “замыканием на корпус”. Это достигается уменьшением потенциала
заземленного оборудования, а также выравниванием потенциала за счет подъема
потенциала основания, на котором стоит человек, до потенциала, близкого по
величине к потенциалу заземленного оборудования.
Область
применения защитного заземления – трехфазные сети напряжением до 1000 В с
изолированной нейтралью и выше 1000 В с любым режимом нейтрали.
Различают
заземления искусственные, предназначенные исключительно для целей заземления и
естественные – находящиеся в земле металлические предметы другого назначения.
Обеспечение
пожарной безопасности на производственном участке
Пожарная
защита и взрывозащита производственных объектов обеспечиваются: правильным
выбором степени огнестойкости объекта и пределов огнестойкости отдельных
элементов и конструкций; ограничением распространения огня в случае
возникновения очага пожара; обвалкой и бункеровкой взрывоопасных участков
производства или размещением их в защитных кабинах; применением систем
активного подавления взрыва; применением легкосбрасываемых конструкций в
зданиях и сооружениях; применением систем противодымной защиты; обеспечением
безопасной эвакуации людей; применением средств пожарной сигнализации,
освещения и пожаротушения; организацией пожарной охраны объекта.
В
нашем случае производство относится к категории В (пожароопас-ные
производства), так как на участке применяются горючие жидкости и твердые
вещества (тара, ветошь и т.д.), способные гореть, но не взрываться при контакте
с воздухом, водой и друг с другом.
Средства предупреждение пожара и эвакуации.
При
планировке предприятий требуется обеспечить удобный подъезд пожарных
автомобилей к зданиям. Применять при строительстве противопожарные преграды,
противопожарные перекрытия, зоны, пожарные стены. Местные противопожарные
преграды предназначаются для ограничения распространения пламени в начальной
стадии развития пожара.
При
пожаре большую опасность представляют собой продукты горения (дым), содержащие
отравляющие, а иногда и взрывоопасные вещества. Для их удаления создаются
дымовые люки, которые обеспечивают направленное удаление дыма, не задымленность
смежных помещений, облегчают обнаружение очага пожара.
Для
того чтобы предотвратить воздействие на людей опасных факторов пожара,
необходимо при проектировании зданий обеспечить людям возможность быстро
покинуть здание. Эту возможность дают эвакуационные выходы. Требования к
устройству путей эвакуации и эвакуационных выходов из производственных зданий и
помещений определены в СниП 11–2–80 и 11–90–81. Количество эвакуационных
выходов принимается по расчету, но обычно должно быть не менее двух.
Способы и средства борьбы с пожарами
В соответствии с условиями,
необходимыми для возникновения и распространения горения, прекращение горения
может быть достигнуто следующими методами: прекращением доступа в зону горения
окислителя (кислорода воздуха) или горючего вещества, а также снижением их
поступления до величин, при которых горение невозможно; охлаждением зоны
горения ниже температуры самовоспламенения или понижением температуры горящего
вещества ниже температуры воспламенения; разбавления горючих веществ
негорючими; интенсивным торможением скорости химических реакций в пламени
(ингибированием горения) механическим срывом (отрывом) пламени сильной струей
газа или воды. На этих принципиальных методах и основаны известные способы и
приемы прекращения горения в условиях пожара.
Для ликвидации небольших
возгораний на предприятии используют первичные средства пожаротушения: пожарные
стволы (водяные и воз-душнопенные), действующие от внутреннего противопожарного
водопрово-да (внутренних пожарных кранов), огнетушители, сухой песок,
асбестовые одеяла и другой пожарный инвентарь.
Для тушения загораний на
начальной стадии и пожаров в начальной стадии их развития применяются
огнетушители. По виду огнегасительных веществ их подразделяют на
воздушно-пенные, химические пенные, жид-костные, углекислотные, аэрозольные и
порошковые.
Наиболее распространены
химические пенные огнетушители ОХП–10, ОП-М и ОП-9ММ. Также имеются воздушно –
пенные огнетушители: ручные – ОПВ-5, ОПВ-10, стационарные – ОПВ-100 и ОВПУ-250.
Инженерные расчеты
Расчет допустимого уровня шума.
Расчетная формула для определения
уровня шума, если источник шума находится в помещении, будет иметь вид:
, (12.1)
где В – так называемая постоянная
помещения, м2
, (12.2)
где А – эквивалентная площадь
помещения
, (12.3)
где LСР – средний коэффициент
звукопоглощения внутренних поверхностей помещения площадью SПОВ, LСР = 0,12, тогда
55,2
м2
LР – уровень звуковой мощности
шума, определяется согласно формулы:
, (12.4)
где
-
исходная мощность, равная мощности переносимой звуковой волной интенсивности I0 через единичную площадку S0=1м2,
Вт
где I0 – интенсивность звука, что
соответствует порогу слышимости
Р – мощность источника. Мощность
электродвигателей всех станков
Р = 51 кВт = 51×103
Вт.
Подставляя числовые значения,
получим:
Ф – фактор направленности,
характеризующий неравномерность излучения звука источником по направлениям. В
нашем случае Ф = 1, SПОВ – площадь участка. В нашем
случае SПОВ = 460 м2.
Расчет заземления.
Напряжение электрооборудования 380В, мощность
электрооборудования 51 кВт, нормированная величина сопротивления - Rм = 4 Ом.
Определим сопротивление одиночного заземлителя R1 по формуле в
зависимости от формы и расположения заземлителей в грунте:
|
, Ом
|
(12.5)
|
где, l – длина стержня, l = 0,2 м (рис.
12.2);
d – диаметр стержня, d = 0,012 м;
t0 – расстояние от поверхности
грунта до стержня, t0 = 0,5 м;
t – общая длина, t = 0,6 м.
р – удельное сопротивление грунта, р = 30 Ом × м.
Схема стержневого заземления
Рис. 12.2
Ом.
Ориентировочно определим количество заземлений:
n = R1/Rм = 85,75 / 4 =
22 шт.
Определим сопротивление соединительного проводника.
Длина соединительного проводника при расположении заземлителей в ряд
определяется по формуле:
|
Lс.п. = 1,05 × m × (n-1), м
|
(12.6)
|
где, m – расстояние между заземлителями, m = 1 м.
Lс.п. = 1,05 × 1 × (22-1) = 22,05 м
Определим сопротивление растеканию тока горизонтального
электрода по формуле:
|
(12.7)
|
где, l – длина горизонтального электрода, l = 22,05м ;
d – диаметр стержня, d = 0,08 м;
t0 – расстояние от поверхности
грунта до стержня, t0 = 0,5 м;
То есть
=2,03Ом
Определим сопротивление растеканию тока искусственных
заземлителей:
|
, Ом
|
(12.8)
|
где hГ – коэффициент
использования горизонтального электрода с учетом вертикальных электродов; hГ=0,68
hВ – коэффициенты
использования вертикальных электродов, учитывающий их взаимное экранирование; hВ=0,76
Тогда
Ом
1,89Ом<4Ом
Следовательно, рассчитанная схема заземления
обеспечивает безопасную работу на установленном технологическом оборудовании.
Экологическая
экспертиза разрабатываемого объекта
Предприятия
машиностроения выбрасывают в атмосферу загрязненный воздух. В результате -
постоянное присутствие вредных веществ в воздухе города, которое приводит к
хроническим болезням людей (бронхит, астма и др.). Кроме того, загрязнённый
воздух отрицательно воздействует на животных, птиц, насекомых и на растения.
Для
снижения выброса вредных веществ в атмосферу необходимо детально проработать
технологический процесс с целью снижения количества выбросов токсичных веществ.
На
участке воздух загрязняется аэрозолями смазочно-охлаждающих жидкостей и
металлической пылью (все операции резания), абразивной пылью (шлифовальные
операции) и другими веществами, поэтому перед выбросом в атмосферу должен
очищаться. Таким образом вредные вещества из рабочей зоны выводятся с помощью
приточно – вытяжной вентиляции: приточная вентиляция подает воздух в рабочую
зону, а вытяжная удаляет — обе работают одновременно. Количество попадаемого и
вытягиваемого воздуха выбирается с учетом требований, предъявляемых к системе
вентиляции. Место для забора свежего воздуха выбирается с учетом направления
ветра, с наветренной стороны по отношению к выбросным отверстиям, вдали от мест
загрязнения.
Загрязнение
сточными водами
Промышленные предприятия сбрасывают в водоемы отработанную воду, которая
загрязняет сточные воды вредными веществами (песок, окалина, металлическая
стружка, пыль, минеральные масла).
При работе используется большое количество СОЖ, масляных эмульсий,
образующиеся при этом маслоэмульсионные воды представляют собой водные растворы
эмульсолов. Такую сточную воду требуется очищать от маслопримесей.
Необходимость в очистке воды возникает на операциях промывки детали раствором
олинола.
Возможность
загрязнения окружающей среды твёрдыми промышленными отходами.
Отходы
машиностроительных предприятий в основном образуются от производства проката,
литья, механической обработки. В данной технологии в процессе производства
твёрдые отходы образуются в виде амортизационного лома (модернизация
оборудования, оснастки), металлической стружки, осадков и пыли (отходы систем
очистки воздуха).
Извлечённая при обработке металлическая стружка перерабатывается методом
переплава. Для чего её сначала подвергают дроблению на стружкодробилках
различных типов (фрезерных, молотковых и валковых). В металлической стружке, предназначенной
для переплава, суммарное содержание безвредных примесей, влаги и масла не
должно превышать 3%. Наличие этих примесей сверх указанного предела приводит к
ухудшению качества выплавляемого металла и к загрязнению окружающей среды. В то
же время стружка содержит до 20% СОЖ. Поэтому стружку подвергают обезжириванию,
используя центрифуги, моечно-сушильные установки и нагревательные печи. Затем
её приводят в компактное состояние, применяя холодное и горячее брикетирование
на специальных брикет-прессах. Эти брикеты непосредственно используются в плавильных
агрегатах.
Таким
образом, технологический процесс оказывается практически безотходным и не
влияющим на здоровье людей.
Возможность
акустического загрязнения окружающей среды.
Многообразие источников шума и вибрации в машиностроении обуславливает
наличие всех их разновидностей. Источниками аэродинамических шумов и
механических шумов и вибраций высоких уровней являются вентиляционные системы,
насосы, компрессорные установки, суммарный уровень шумов которых (в основном
высокочастотных) достигает 135¸145 дБ. Тогда как допустимый уровень шума для территории
жилой застройки 33¸67 дБ.
Совокупность
возникающих под действием шума нежелательных изменений в организме человека
можно рассматривать как шумовую болезнь. Комплекс симптомов, характерный для
воздействия вибрации, получил название вибрационной болезни.
Оборудование,
по возможности, целесообразнее установить на резиновые амортизаторы, что снижает
уровень вибрации в 2 раза и делает его неопасной для окружающей среды. Вибрация
в вентиляционных установках снижается путём применения рёбер жёсткости.
Безопасность
объекта при аварийных и чрезвычайных ситуациях
Для ликвидации последствий, вызванных стихийными бедствиями или катастрофами,
привлекаются формирования общего назначения и служб гражданской обороны.
Основная задача формирований при ликвидации — спасение людей и материальных
ценностей. Организация работ производится с учетом обстановки, степени
разрушения и повреждения зданий. Работы производятся в сжатые сроки, т.к.
необходимо быстро спасти людей и оказать им медицинскую помощь, а также
предотвратить последствия катастрофы.
К мероприятиям по предотвращению крупных аварий и катастроф относятся: закладка
в проекты вновь создаваемых объектов планировочных, технических и
технологических решений, которые должны максимально уменьшить вероятность
возникновения аварий или значительно снизить материальный ущерб, если авария
произойдет. Кроме того, должны быть предусмотрены мероприятия по эвакуации
персонала при чрезвычайных ситуациях (ЧС). В случае появления непосредственной
опасности возникновения ЧС в штабе гражданской обороны должен производится
инструктаж людей по необходимым действиям при ЧС.
Одним из последствий аварии на предприятиях может стать выброс токсичных
отходов в окружающую среду. При возникновении очага поражения токсичными
отходами туда высылается радиационная и химическая, а также медицинская
разведка для уточнения места заражения и направления распространения
зараженного воздуха. Подготавливаются формирования для проведения спасательных
работ. В очаге поражения оказывается помощь пострадавшим, проводится их
сортировка и эвакуация в медицинские учреждения. Очаг поражения оцепляется -
проводится обеззараживание местности, а также санитарная обработка. В первую
очередь одеваются противогазы на поражённых, им оказывается первая медицинская
помощь, вводятся антидоты. Часто последствием аварии может стать разлив нефти
или масла на поверхности водоёмов. Удаляют нефтяную плёнку с поверхности воды с
помощью абсорбентов.
В
таблице 12.2 приведен перечень спасательных и аварийных работ, проводимых при
производственных авариях.
Таблица
12.2
Виды
работ проводимых при производственных авариях
|
Виды работ
|
Виды производственных
аварий
|
|
Аварии на инженерных
сетях и коммуникациях
|
Землетрясение
|
Выброс ХОВ
|
Взрыв
|
Наводнение
|
Пожар
|
Обрушение зданий
|
|
1
|
2
|
3
|
4
|
5
|
6
|
7
|
8
|
|
Спасательные работы
Поиск пострадавших
Извлечение людей из-под
завалов
Оказание медицинской
помощи
Эвакуация людей
Доставка продовольствия
и медикаментов
|
+
+
+
+
+
|
+
+
+
+
+
|
-
+
+
+
+
|
+
+
+
-
+
|
+
-
+
+
+
|
+
+
+
+
+
|
+
+
+
-
+
|
Пожары
Ликвидация очагов
пожара
Ликвидация массовых пожаров
Устройство
противопожарных барьеров, насыпей
|
+
+
+
|
+
+
-
|
+
+
-
|
+
+
-
|
-
-
-
|
+
+
+
|
+
+
-
|
|
Наводнения
Локализация прорывов
Ликвидация затопления
помещений, зданий, сооружений
|
+
+
|
+
+
|
-
-
|
+
+
|
+
+
|
-
-
|
+
+
|
|
Аварийные и
спасательные работы
Локализация аварий на
коммунально-энергетических сетях и сооружениях
Восстановление линий
электропередач
Восстановление
водоснабжения
Возведение насыпей,
дамб, водоотводящих каналов
Обрушение неустойчивых
конструкций
Расчистка дорог от
завалов
|
+
+
+
-
+
+
+
|
+
+
+
+
+
+
+
|
+
-
+
-
-
-
-
|
+
+
+
+
+
+
+
|
+
+
+
+
+
+
|
-
+
+
-
+
-
-
|
+
+
+
-
+
+
-
|
|
Работы на зараженной территории
Ликвидация утечки
вредных и ядовитых веществ
Нейтрализация ядовитых
веществ
Обеззараживание
территории и техники
Санитарная обработка
людей
|
+
+
+
+
|
+
+
+
+
|
+
+
+
+
|
+
+
+
+
|
+
+
+
+
|
+
+
+
+
|
+
+
+
+
|