Моделирование пуска асинхронного двигателя
1. Введение
Из числа различных видов
современных электрических машин самой распространённой в наши дни является
асинхронная бесколлекторная машина, применяемая обычно в качестве двигателя.
Асинхронная машина – это
машина, в которой при работе возбуждается вращающееся магнитное поле, но ротор
вращается асинхронно, т.е. с угловой скоростью, отличной от угловой скорости
поля. Она была изобретена М. О. Доливо – Добровольским в 1888 г., но до настоящего времени сохранила ту простую форму, которую ей придал русский изобретатель.
Причины исключительно
широкого распространения асинхронного двигателя – его простота и дешевизна.
Можно сказать, что в основном асинхронная машина состоит из трёх неподвижных
катушек (точнее, обмоток), размещённых на общем сердечнике, и помещенной между
ними четвёртой, вращающейся катушки. В машине отсутствуют какие-либо легко
повреждающиеся или быстро изнашивающиеся части (например, коллектор).
Асинхронные машины малой
мощности часто выполняются однофазными для устройств, питающихся от
двухпроводной сети. Такие машины находят широкое применение в бытовой технике.
Общий недостаток асинхронных
машин – это относительная сложность и неэкономичность регулирования их режимов
работы.
Представление
механической части электропривода 2-массовой системой даёт наиболее полное
представление о динамических процессах, происходящих в реальном приводе, т. к.
даже сложные механические системы, связанные с приводом, сводятся к 2-массовой
или 3-массовой системам.
2.
Исходные данные
Моделируемая машина –
асинхронный электродвигатель с короткозамкнутым ротором типа 4А160S4У3
Справочные данные:
Мощность АД, Pn (кВт)18.5
Число пар полюсов 2
К.П.Д. η (%)89.5
сosφ0.88
Номинальное скольжение Sn(%)2.2
Номинальная частота f1(Гц) 50, Unф (В)220
Момент
инерции ротора Jд.р.
.0,13
Параметры
Т-образной схемы замещения двигателя (в относительных единицах):
Активное
сопротивление обмотки статора Rs=
0.042
Индуктивное
сопротивление рассеяния обмотки статора Xs
=
0.085
Приведённое
индуктивное сопротивление рассеяния обмотки ротора Xr’
= 0.13
Индуктивное сопротивление
магнитной цепи Xµ = 4.3
3. Обработка исходных данных для моделирования
Угловая скорость вращения
магнитного поля:
ω0 = 2×π×f1/p = 2×π×50/2 = 157 рад/с
Номинальная угловая
скорость ротора определяется на основе выражения скольжения:
Sн = ( ω0- ωн)/
ω0 , откуда
ωн =
ω0× (1- Sн) = 157× (1-0.022) =153.546 рад/с
Номинальный момент
двигателя:
Мн = Рн /
ωн = 18500/153.546 = 120,485 Н×м
Номинальный ток двигателя
определяется из выражения потребляемой мощности:
Р1=3×Uнф×Iнф×cosj.
Потребляемая
мощность, в свою очередь равна:
Р1=Рн/h
= 3000/0.895 = 20670,39 Вт , тогда
Iнф
= Р1/(3×Uнф×cosj.)
= 20670,39 /(3×220×0.88) = 35,589 A
Номинальное
сопротивление двигателя, на которое необходимо умножить активные и индуктивные
сопротивления в относительных единицах, чтобы получить параметры двигателя в
абсолютных единицах (Ом):
Zн
= Uнф/
Iнф
= 220/35,589 = 6,18 Ом
Пересчитаем параметры Т –
образной схемы замещения двигателя из относительных единиц в абсолютные.
Активное
сопротивление обмотки статора:
Rs= 0.042×6,18
= 0,2596 Ом
Rr'
= 0.024×6,18
= 0,148358 Ом
Собственная индуктивность
статора:
Lσs = Xs/2×π×f1 = 0.085×6,18 /2×π×50 = 0.00167 Гн
Собственная индуктивность
ротора:
Lσr = Xr’/2×π×f1 = 0.13×6,18/2×π×50 = 0.0025573 Гн
Взаимная индуктивность:
Lm = Xµ/2×π×f1 = 4.3×6,18/2×π×50 = 0.084587 Гн
Индуктивность обмотки
статора:
L1 = Lm + Lσs = 0.084587 + 0.00167 = 0.086257 Гн
Индуктивность обмотки
ротора:
L2 = Lm + Lσr = 0.084587 + 0.0025573 = 0.0871443
Гн
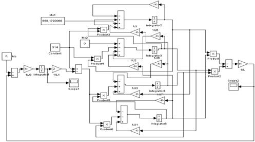
3.
Разработка модели
Математическая
модель асинхронного двигателя в форме Коши (в системе координат u-v)
имеет следующий вид:
Пуск двигателя будем
выполнять на холостом ходу, и после выхода АД на синхронную скорость нагрузим
номинальным моментом.
Момент инерции привода
подобран таким образом, чтобы в динамической кривой скорости вращения двигателя
ω (t) не было колебаний при выходе на установившийся режим.
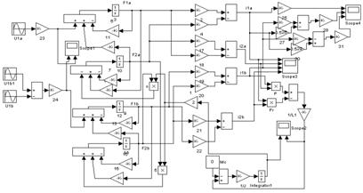
Блок-схема прямого пуска асинхронного двигателя с использованием пакета Power System Blockset
Схема прямого пуска
асинхронного двигателя в осях XY.
Схема прямого пуска
асинхронного двигателя в осях
.

В результате
моделирования нами получены следующие зависимости угловой скорости вращения
якоря и момента:
Зависимость тока статора
от времени в неподвижной (связанной со статором) системе координат имеет
следующий вид (для фазы А):
Зависимость тока статора
от времени в неподвижной (связанной со статором) системе координат под
номинальной нагрузкой.
Зависимость тока статора
от времени в неподвижной (связанной со статором) системе координат на холостом
ходу.
График зависимости w=f(M) имеет следующий
вид:
Зависимость тока ротора
от времени в вращающейся со скоростью ротора (связанной с ротором) системе
координат имеет следующий вид (d q):
5.
Адекватность модели прямого пуска асинхронного двигателя
Проведём анализ
адекватности разработанной нами модели прямого пуска асинхронного двигателя на
основе расчета процентного совпадения параметров номинального режима,
полученных при моделировании и рассчитанных по справочным данным.
В установившемся режиме
при нагрузке на валу двигателя, соответствующей номинальной, значение угловой
скорости будет равно:
В результате
моделирования получено значение:
Определим расхождение
сравниваемых параметров в процентах:

По результатам
моделирования определить номинальный ток, номинальную скорость, ток холостого
хода, пусковой ток, кратность пускового тока, кратность пускового момента.
Номинальный ток равен Iном=32,6 А
Ток холостого хода Iх.х.=8,13 А
Пусковой ток Iп=166 А
Кратность пускового тока
Кратность пускового
момента
Я ознакомился с методом
моделирования прямого пуска АД с короткозамкнутым ротором на основе обобщённой
машины.