Расчёт технологических размеров и допусков

  • Вид работы:
    Контрольная работа
  • Предмет:
    Технология машиностроения
  • Язык:
    Русский
    ,
    Формат файла:
    MS Word
    2,42 Mb
  • Опубликовано:
    2010-01-30
Вы можете узнать стоимость помощи в написании студенческой работы.
Помощь в написании работы, которую точно примут!

Расчёт технологических размеров и допусков


Расчётно-графическая работа

з дисциплины ВСТИ

Тема: «Рассчёт технологических размеров и допусков»

Задание: рассчитать технологические размеры и допуски, при выполнении которых выдерживались бы заданные чертежом размеры, и обеспечивалось снятие минимальных припусков.

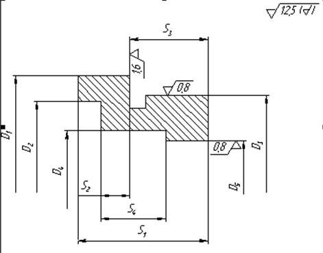
Исходные данные: S1=42-0,062 мм, S2=10-0,07 мм, S3=25 мм, S4=16-0,43 мм, D1=125-0,53 мм; D2=92Н12мм; D3=100мм; D4=88Н12 мм, D5=82мм.

Материал – СЧ18

Рисунок 1 – Эскиз детали

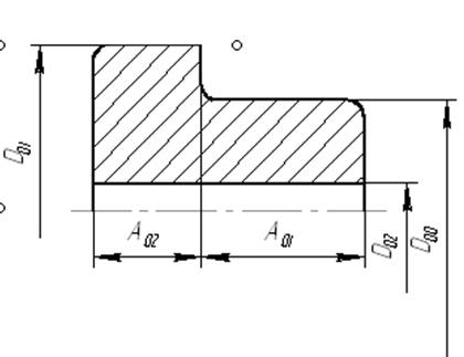
Рисунок 2 – Эскиз заготовки

Основная цель сборки - выдержать точность всех замыкающих звеньев сборочной размерной цепи. Замыкающее звено и его точность определяется служебным назначением сборочной единицы, ее собираемость и эксплуатацией.

Размерная цепь строится, начиная с замыкающего (исходного) звена. Затем по чертежу находят примыкающую к нему слева деталь, размер которой непосредственно влияет на размер замыкающего звена. Далее находят размер второй детали, сопряженной с размером первой. И так последовательно выявляют детали сборочного соединения, сопряженные Друг с другом, размеры которых непосредственно влияют на размер замыкающего звена. Последний из этих размеров должен примкнуть к размеру замыкающего звена, замкнув цепь. В состав размерной цепи от каждой детали входит только один размер.

В зависимости от пространственного расположения звеньев размерные цепи могут быть плоскими, пространственными. У изделия, как правило, несколько размерных цепей. Каждой цепи присваивается определенная буква. Звеньям линейной цепи обычно присваивают букву русского алфавита, угловым - греческого. Каждому составляющему звену присваивают индекс в виде порядкового номера, отсчет которого производится, от левой границы замыкающего звена. Замыкающему звену присваивают индекс. Увеличивающие звенья обозначают стрелками, проставленными над буквенным обозначением звена и направленными вправо, а также знаком "+" уменьшающие - стрелками влево и знаком "-".

Расчет и анализ размерной цепи позволяет:

1. установить количественную связь между размерами деталей изделия

2. установить номинальные значения

3. допуски взаимосвязанных размеров, исходя из эксплуатационных требований и экономической точности обработки деталей и сборки изделия

4. определить, какой вид взаимозаменяемости (полный, неполный) будет наиболее экономичен

5. добиться наиболее правильной простановки размеров на рабочих чертежах

6. определить операционные допуски и сделать пересчет размеров при несовпадении технологических, конструкторских, измерительных баз.

Технологический процесс изготовления втулки


1.   Составим схему обработки (рис. 3)

Рисунок 3 – Схема обработки

3. Построим граф технологических размерных цепей (рис.4)

Рисунок 4 - Граф технологических размерных цепей

Уравнение размерных цепей:

1) A2.1-S1=0; A2.1=S1

2) A1.2-S4=0; A1.2=S4

3) A4.1-S2=0; A4.1=S2

4) A3.1-z4.1-A4.1=0; A3.1=z4.1+A4.1

5) A1.3-A1.2+A4.1+S3-A2.1=0; A1.3=A1.2-A4.1-S3+A2.1

6) A2.2+z3.1+A3.1-A4.1-S3=0; A2.2=-z3.1-A3.1+A4.1+S3

7) A1.1+z2.2-A2.2-A1.3+A2.1=0; A1.1=-z2.2+A2.2+A1.3-A2.1

8) A0.2+A1.1-A1.3-z1.3=0; A0.2=-A1.1+A1.3+z1.3

9) A0.1-A1.1+A1.3-A2.1-z2.1=0; A0.1=A1.1-A1.3+A2.1+z2.1

4. Заполним таблицу 1

Для размеров А12 и А1.3 доминирующей погрешностью будет погрешность базирования, численно равная допуску на размер, который связывает измерительную и технологическую базы. Таким размером является размер А11. Но поскольку данные размеры обрабатываются с одного установа и размеры А12 и А1.3 проставлены от чистовой базы, определяющей для которой является размер А11, то можно считать, что погрешность базирования будет равна нулю.

На размер А21 доминирующей будет погрешность базирования, численно равная допуску на размер А13. Что составляет 0,27 мм. Для размеров А31 и А41 измерительная база совпадает с технологической. Значит погрешность базирования на эти размеры будет равна нулю.

Таблица 1 – Расчет допусков на технологические размеры

Индекс размера

Способы обработки

Точность размеров заготовки

Шероховатость

Величина размера, мм

Величина допуска, мм

Доминирующая погрешность

Расчетный допуск

А01

Отливка в кокиль

І кл

Rz 200

h=300

До 30

0,15

0,31

0,46

А02

Отливка в кокиль

І кл

Rz 200

h=300

До 30

0,15

0,31

0,46

А11

Растачивание черновое

Rz50

h=50

До 18

0,27

-

0,27

А12

Однократное подрезание

IT10

Rz50

h=50

До 18

0,27

-

0,27

А13

Однократное подрезание

IT10

Rz50

h=50

До 30

0,27

-

0,27

А21

Однократное подрезание

IT10

Rz50

h=50

До 50

0,25

0,27

0,52

А22

Черновое подрезание

IT14

Rz50

h=50

До 30

0,62

-

0,62

А31

Чистовое подрезание

IT10

Rz12,8

h=50

До 18

0,07

-

0,07

А41

Шлифование

IT8

Rz6,4

h=25

До 10

0,022

-

0,022


Таблица 2 – Расчет технологических размеров

Известные (заданные) размеры

Неизвестные (искомые размеры)

Размеры

Величина и допуска

Ожидаемая погрешность

Средний расчетный

Допустимая корректировка

Средний скорректированный размер

Размер

Уравнение контура

Средний расчетный раз мер

Номинальный расчетный размер

Номинальный скорректированный размер

Средний скорректированный размер

1

2

3

4

5

6

7

8

9

10

11

12

13

S1

42-0.62

0,52

41.69

±0,05

41,74

А21

-0,52

А21=S1

41,69

41,95-0,52

42-0,52

41,74

S2

10-0,07

0,022

9,965

±0,024

9,989

А41

-0,022

А41=S2

9,965

9,976-0,022

10-0,022

9,989

S3

25-1,12

1,022

24,44

±0,049

24,489

А13

-0,21

А13122141-S3

23,176

23,281-0,21

23,33-0,21

23,225

S4

16-0,43

0,27

15,785

+0,08

15,865

А12

-0,27

А12=S4

15,785

15,92-0,27

16-0,27

15,865

0,5

0,94

0,97

+

0,94

А02

-0,46

А0213+Z13-A11

20,06

20,29-0,46

20,3-0,46

20,07

Z21

0,5

1,46

1,23

+

1,46

А01

-0,46

A01=Z21+A21+A11-A13

23,88

24,11-0,46

24,2-0,46

23,97

Z22

0,5

1,62

1,31

+

1,62

А11

+0,27

A11=A22+A13-Z22-A21

4,085

3,95+0,27

4+0,27

4,135

Z31

0,1

0,712

0,456

+

0,712

А22

+0,62

A22=A41+S3-Z31-A31

23,908

23,598+0,62

23,6+0,62

23,91

Z41

0,025

0,092

0,071

+

0,092

А31

-0,07

A31=Z41+A41

10,06

10,095-0,07

10,1-0,07

10,065


Сделаем проверочный расчет (выборочно)

Z41=A31-A41=10,1-0,07-10-0,022=0,1-0,92

Снятие минимального припуска Z41=0,025 обеспечено.

S1=A21=42-0.52 (мм)

Припуск – слой материала, назначаемый для компенсации погрешностей, возникающих в процессе изготовления детали, в целях обеспечения заданного качества.

Расчету подлежит минимальный припуск на обработку. Колебание же размера обрабатываемой поверхности заготовки в пределах допуска на ее изготовление создает колебание величины припуска. Поэтому различают:

- номинальный (Zном ),

- максимальный (Zmax).

Они удаляются с поверхности заготовки в процессе её обработки для получения детали.

S1 выдерживается в заданных пределах 42-0,62, следовательно размер A21 рассчитан правильно.

Список литературы

1. Справочник технолога - машиностроителя. В 2-х т. Т. 1 / Под ред. А. Г. Косиловой и Р. К. Мещерякова. - 4-е изд., перераб. и доп. - М.: Машиностроение, 1986. - 496 с., ил.

2. Горбацевич А.Ф., Шкред В.А. Курсовое проектирование по технологии машиностроения. – 4-е изд., перераб. – Минск: Вышейш. Школа, 1983. – 256 с.

Похожие работы на - Расчёт технологических размеров и допусков

 

Не нашли материал для своей работы?
Поможем написать уникальную работу
Без плагиата!
Без нейросетей!