Расчет параметров гидропривода

  • Вид работы:
    Контрольная работа
  • Предмет:
    Технология машиностроения
  • Язык:
    Русский
    ,
    Формат файла:
    MS Word
    300,92 kb
  • Опубликовано:
    2009-11-29
Вы можете узнать стоимость помощи в написании студенческой работы.
Помощь в написании работы, которую точно примут!

Расчет параметров гидропривода

Омский государственный технический университет

Кафедра «Авиа- и ракетостроения»










Курсовая работа

Выполнение расчетов по курсу «Гидропривод ЛА»

за II семестр 2005 учебного года













Омск 2005

Задача №1

Вентиляционная труба диаметром  имеет длину . Определить давление , которое должен развивать вентилятор, если расход воздуха, подаваемый по трубе, . Давление на выходе из трубы равно атмосферному. Местных сопротивлений по пути не имеется. Кинематическая вязкость воздуха при , плотность , шероховатость внутренней поверхности трубы .

Исходные данные: .

Найти: .

Решение:

- давление на входе в вентиляционную трубу.

- суммарные потери давления.

 – местных сопротивлений по пути не имеется.

- скорость течения.

- потери давления на создание скорости.

- число Рейнольдса. При - турбулентный режим течения.

При ;

 – коэффициент трения.

- потери давления на трение.

.

Задача №2

Расход воды  в горизонтальной трубе кольцевого сечения, состоящей из двух концентрических труб. Внутренняя труба имеет наружный диаметр , а наружная труба имеет внутренний диаметр . Найти потери напора  на трение на длине трубы . Кинематическая вязкость воды при , шероховатость труб , плотность .

Исходные данные: .

Найти: .

Решение:

- потери напора на трение.

- площадь проходного сечения.

.

- эквивалентный диаметр,

где - смачиваемый периметр.

. При - турбулентный режим течения.

При .

.

- потери давления на трение.

.

Задача №3

Определить потери давления на трение в трубах круглого , квадратного  и треугольного  (равносторонний треугольник) сечения при равных длине, площади «живого» сечения труб и скоростях движения воды. Длина труб , площадь «живого» сечения , средняя скорость движения воды . кинематическая вязкость воды при , плотность , шероховатость труб .

Исходные данные: .

Найти: , , .

Решение:

Определим потери давления на трение в трубах круглого  сечения.

Площадь круглого сечения .

. При - турбулентный режим течения.

При

.

.

Определим потери давления на трение в трубах квадратного  сечения.

Площадь квадратного сечения ,

где - сторона квадрата.

.

где .

. При - турбулентный режим течения.

При

.

Определим потери давления на трение в трубах треугольного  (равносторонний треугольник)

сечения.

Площадь треугольного сечения ,

где - сторона треугольника.

.

где .

. При - турбулентный режим течения.

При

.

Задача №4

Как изменится расход мазута  при подаче его по круглой трубе диаметром , длиной , если потери давления в трубе составляют , а температура мазута составляет от  до ? Кинематическая вязкость мазута при , при , плотность  и изменяется незначительно, шероховатость трубы .

Исходные данные: .

Найти: .

Решение:

 и .

Формула расхода имеет вид:

1) Температура мазута составляет .

Примем: .

. При - ламинарный режим течения.

.

2) Температура мазута составляет .

Примем: .

. При - турбулентный режим течения.

При ;

.

;

  .

- при повышении температуры расход мазута увеличился.

Задача №5

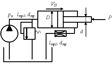
Определить потери давления  и в магистралях гидропередачи (рис. 1), если расходы жидкости:  и , диаметры трубопроводов:  и , длины магистралей:  и , плотность рабочей жидкости , кинематическая вязкость жидкости при .

Исходные данные:

.

Найти: ; .

Решение:

- суммарные потери давления.

1) Определим .

- скорость течения.

- потери давления на создание скорости.

. При - ламинарный режим течения.

.

- потери давления на трение.

,

где - для угла поворота, равного .

.

2) Определим .

.

- потери давления на создание скорости.

. При - ламинарный режим течения.

.

- потери давления на трение.

.

.

Задача №7

Определить потери давления  при внезапном расширении трубопровода с  до , если скорость воды в подводящем трубопроводе , кинематическая вязкость при , плотность .

Исходные данные: .

Найти: .

Решение:

,

где ; ; .

Подставляя данные равенства в формулу для , получим:

.

Задача №8

Для ограничения расхода воды в водопроводной линии установлена диафрагма. Избыточное давление в трубе до и после диафрагмы постоянны и равны соответственно  и , диаметр трубы . Определить необходимый диаметр отверстия диафрагмы  с таким расчётом, чтобы расход в линии был равен , если плотность воды при  .

Исходные данные:

.

Найти: .

Решение:

Формула расхода жидкости через диафрагму:

,

где - коэффициент расхода: ;

- площадь проходного сечения: ;

- перепад давлений.

Преобразовав, получим:


Задача №6

Определить расходы воды в трубе прямоугольного поперечного сечения  с отношением сторон  и в круглой трубе  при той же площади поперечного сечения , если потери давления в этих трубопроводах одинаковы и равны , а длина каждой трубы . Кинематическая вязкость воды при , плотность .

Исходные данные: .

Найти: , .

Решение:

Формула расхода имеет вид: .

Определим стороны прямоугольной трубы:

  

- эквивалентный диаметр,

Определим диаметр круглой трубы:

.

Предположим, что режим течения ламинарный. Тогда

, где  и .

Откуда для прямоугольной трубы получаем:

.

. При - ламинарный режим течения. Предположение верно.

.

Для круглой трубы получаем:

.

. При - ламинарный режим течения. Предположение верно.

.

Задача №9

Определить теоретическую , полезную  и приводную  мощности насоса и крутящий момент  на его валу при расчётной подаче  и числе оборотов , если давления на выходе насоса  и на входе ; объёмный КПД  и механический КПД .

Решение:

.

.

.

.

Задача №10

Определить эффективную мощность  и эффективный крутящий момент  на валу гидромашины с указанными в задаче №10 параметрами при работе её в режиме гидромотора.

Решение:

.

.

Задача №11

Рассчитать усилие на штоке гидроцилиндра и скорость  его перемещения при дроссельном регулировании. Сечение регулирующего дросселя ; давление в напорной магистрали (объёмные и механические потери и давление в сливной магистрали не учитывать); рабочая площадь поршня ; коэффициент расхода дросселя ; плотность жидкости .

Исходные данные: .

Найти: , .

Решение:

 Полагаем, что давление слива мало:.


Задача №12

Рассчитать мощность , подводимую к гидроцилиндру потоком жидкости с параметрами: нагрузка на штоке , скорость поршня , рабочая площадь поршня , сила трения в подвижных сочленениях , коэффициент перетечек через уплотнение поршня .

Решение:

;

;

Запишем условие равновесия поршня:

.

Отсюда ;

;

;

;

.

Задача №22

Определить давление  на входе в силовой цилиндр. Нагрузка на штоке , скорость поршня , диаметры поршня , штока , трубопровода , длина трубопровода . Плотность жидкости , вязкость .

Решение:

- давление на выходе силового цилиндра.

-атмосферное давление.

,

где ;

. При - ламинарный режим течения.

.

Отсюда .

Запишем условие равновесия поршня:

.

Отсюда .

Задача №23

Определить нагрузку на штоке  и скорость поршня  силового гидроцилиндра при перемещении его вверх, если диаметры поршня , штока , трубопровода , длина трубопровода . Давление на входе в гидроцилиндр , производительность насоса . Плотность рабочей жидкости , вязкость .

Решение:

.

.

. При - ламинарный режим течения.

.

.

.

Запишем условие равновесия поршня:

Отсюда


Задача №24

Определить давление, создаваемое насосом , и скорость поршня , если длина трубопроводов до и после гидроцилиндра равна , их диаметры , диаметры поршня , штока , нагрузка на штоке , подача насоса , плотность рабочей жидкости , вязкость .

Решение:

;

Давление в гидроцилиндре:

.

Уравнение расходов:

.

Потери давления в трубопроводах:

;

. При - ламинарный режим течения.

.

.

.

.

.

Задача №25

Определить скорость поршня и минимально допустимый диаметр  дроссельной шайбы в напорной линии гидропривода, обеспечивающий перемещение поршня гидроцилиндра без кавитации. Растягивающая нагрузка на штоке , давление насоса , слива , насыщенных паров жидкости , диаметры дроссельной шайбы на сливе , поршня , штока , плотность рабочей жидкости , коэффициент расхода дроссельных шайб .


Решение:

Условие работы без кавитации:

;

;

;

;

.

.

Расход через второй дроссель равен:

.

.

.

.

.

Задача №26

Пренебрегая гидравлическими потерями в трубопроводах, определить давление  за насосом и скорость перемещения поршня . Нагрузка на штоке , диаметр поршня , плотность рабочей жидкости , коэффициент расхода дроссельной шайбы , площадь проходного сечения дросселя , подача насоса .

Решение:

Уравнение давлений:

.

.

.

Уравнение расходов:

.

.

.

Скорость поршня:

.

.

Задача №27

Определить давление  за насосом и диаметр дросселя  для перемещения поршня со скоростью . Нагрузка на штоке , диаметры поршня , штока , трубопроводов , длины трубопроводов до и после гидроцилиндра  и , плотность рабочей жидкости , вязкость , коэффициент расхода дроссельной шайбы , подача насоса .

Решение:

;

;

Уравнение расходов:

.

.

Из условий равенства расходов найдём:

 и ;

;

. При - ламинарный режим течения.

.

.

.

Находим давление насоса:

.

.

.

.

.

Задача №28

Определить давление  на входе в гидроцилиндр для перемещения поршня вправо со скоростью . Нагрузка на штоке , диаметры поршня , штока , дросселя , плотность рабочей жидкости , коэффициент местного сопротивления дроссельной шайбы . Другими местными сопротивлениями и потерей давления на трение по длине трубопроводов пренебречь.


Решение:

Уравнение давлений:

;

;

Из условия равенства расходов имеем:


;

Тогда:

;

Давление, создаваемое насосом:

.

Задача №29

Определить коэффициент местного сопротивления дроссельной шайбы , пренебрегая другими местными сопротивлениями, для перемещения поршня вправо со скоростью . Нагрузка на штоке , диаметры поршня , штока , дросселя , трубопроводов , длины трубопроводов до и после гидроцилиндра  и , плотность рабочей жидкости , вязкость , давление на входе в гидроцилиндр .


Решение:

Уравнения давлений:

;

.

.

Из условий равенства расходов найдём:

 и ;

;

.

. При - ламинарный режим течения.

.

.

.

.

.

.

.

Похожие работы на - Расчет параметров гидропривода

 

Не нашли материал для своей работы?
Поможем написать уникальную работу
Без плагиата!
Без нейросетей!