Расчет металлорежущего инструмента
Министерство образования и науки Украины
Донецкий национальный технический университет
Механический факультет
Кафедра: "Металлорежущие верстаты и инструменты"
КУРСОВОЙ ПРОЕКТ
По дисциплине: "Режущие инструменты"
На тему: " Расчет металлорежущего инструмента"
Исполнитель
Студент гр. МС-02а
А.С. Дьяченко
Консультант И.О. Малишко
Нормоконтролер И.В.
Киселева
ДОНЕЦК 2005
Задание
Обрабатываемый материал чугун НВ
190.
Спроектировать долбяк для
обработки зубчатых колес m=2,5 мм, z1=30, z2=60,
Ст.7-D.
Спроектировать комбинированную
развертку для обработки отверстий d1=20
мм, d2=30 мм, l1=40 мм l2=60
мм, Ra=1,25 мкм.
Спроектировать протяжку для
обработки шлицевой втулки d-8×56 H7×62H12×10D9, l=100 мм,
Ra=2.5 мкм.
Реферат
Курсовой проект: 34 стр., рис.5,
4 приложений, 4 источника.
Объект исследования: протяжка
шлицевая, развертка комбинированная, долбяк для обработки зубчатых колес,
Цель работы: спроектировать
указанные инструменты и приспособления для обработки деталей с заданными
размерами и параметрами.
В курсовом проекте приведены
расчеты всех параметров и размеров указанных инструментов, выбраны материалы
для изготовления инструмента.
Разработаны рабочие чертежи
рассчитываемых инструментов.
ПРОТЯЖКА, РАЗВЕРТКА, ЗАГОТОВКА,
КАНАВКА, ДОЛБЯК, ХВОСТОВИК, МОДУЛЬ, ДОПУСК, ЗУБ, МАТЕРИАЛ, ПРОФИЛЬ.
Содержание
Введение
1. Расчет
шлицевой протяжки
2. Расчет
комбинированной развертки
3. Расчет
долбяка для обработки зубчатых колес
4.
Определение чертежных размеров долбяка по передней поверхности
Заключение
Список
использованой литературы
Целью данного курсового проекта
является расчет и проектирование металлорежущих инструментов: протяжка
шлицевая, развертка комбинированная и долбяк для обработки зубчатых колес.
Протягивание является одним из
наиболее высокопроизводительных процессов обработки деталей резанием. Высокая
производительность процесса протягивания объясняется тем, что одновременно
находится в работе несколько зубьев инструмента с большой суммарной длиной
режущих кромок. Протягивание позволяет получать поверхности высокой точности (6-го
- 8-го квалитетов точности) и низкой шероховатости (Ra=0.63-0.25
мкм).
Наиболее широкое применение
получили протяжки для обработки шлицевых отверстий. При центрировании шлицевой
втулки на валу, по внутреннему диаметру, для обеспечения более высокой точности
центрирования необходимо потягивать одной протяжкой внутренний диаметр,
шлицевые канавки и фаски.
Комбинированные развертки
используют при обработки ступенчатых отверстий, высокой точности, небольших и
средних диаметров, в крупносерийном и массовом производстве.
Долбяки применяют для изготовления
прямозубых и косозубых цилиндрических зубчатых колес внутреннего и внешнего
зацепления. Зацепление долбяка с зубчатым колесом в процессе нарезания
аналогично зацеплению корригированной зубчатой передачи.
Исходные данные для расчета:
наружный диаметр шлицев D=62H12 мм;
внутренний диаметр шлицев d=56 H7 мм;
число шлицев n=8;
ширина шлица
;
d-8×56
H7×62H12×10D9
материал детали чугун НВ 190;
длина протягивания l=100 мм;
шероховатость отверстия Rа=2.5 мкм.
Конструктивные особенности
шлицевой протяжки зависят от технологии изготовления детали. Лучшее качество
шлицевого отверстия по всем элементам (требуемые размеры шлицев и расположение
их относительно оси, концентричность наружного и внутреннего диаметров,
отсутствие заусенцев на боковых поверхностях шлицевых пазов и на внутренней
поверхности отверстия) удается получить в том случае, если одновременно
протягивают шлицевые пазы и отверстие.
Чтобы обеспечить указанные
показатели качества, протяжку конструируют следующим образом. В начале режущей
части располагают фасочные, за ними круглые, затем шлицевые зубья (схема ФКШ). При
таком расположении зубьев, если и образуемся заусенец от круглых и шлицевых
зубьев, то он контактирует в нерабочей поверхностью фаской.
Группа обрабатываемости.
Выбирается по [1. П1. стр 200] -
V1.
Группа качества.
Выбирается по [1. П2. стр. 203] -
2.
Материал режущей части протяжки.
Выбирается по [1. П3. стр. 203].
Принимаем сталь Р6АМ5.
Конструкция протяжки.
Диаметр более 40 мм, протяжка выполняется
сварная.
Материал хвостовика - сталь 40Х.
Размеры стандартных хвостовиков
в [1. П4. стр 204]
Dхв=50
мм; D1=36 мм; D2=49 мм; l1=90
мм; l2=20 мм; l3=32 мм; c=8
мм; [σр] = 300 МПа.
Рисунок 1.1 - Основные размеры
хвостовика
Сила допустимая прочность
хвостовика:
;
где
допустимое напряжение при растяжении;
площадь опасного сечения хвостовика
Тяговая сила станка 7Б56 Q=196 кН.
Геометрия зубьев
Углы выбираются по [1. П5. стр 207]
Зубья: черновые и переходные -
форма А,
,
;
калибрующие - форма Б,
,
,
;
Рисунок 1.2 Геометрические
параметры режущей части протяжки
Скорость резания
Выбираем по [1. П6. стр. 208]
m/min;
Подачи зубьев
Средняя наработка протяжек из
стали Р6АМ5, выбираем по [1. П12. стр 211]
Наработка чистовой части
, при
Наработка черновой части
; при
Наработка с учетом поправочных
коэффициентов принятых по [1. П17. стр 214]
Рекомендуемые подачи круглых черновых
зубьев
Глубина стружечной канавки
Приняв предварительно коэффициент
помещаемости
Для круглых зубьев
Принимаем ближайшую большую
глубина стружечной канавки
Для фасочных и шлицевых
Принимаем
Шаг черновых зубьев
Шаг черновых зубьев
принимаем по [1. П19. стр 216]
наименьшим из всех имеющихся и соответствующим данной глубине стружечной
канавки
:
. Остальные элементы профиля:
;
;
.
Число одновременно работающих
зубьев рассчитываем по формуле ()
;
Определяем максимально
допустимую силу резания
Принимаем наименьшей из трех сил:
,
,
:
;
;
Припуск на круглую часть
протяжки
Диаметр подготовленного под
протягивание отверстия
Следовательно, принимаем
.
Число зубьев в группе
Для каждой части протяжки
отдельно. Максимальную длину режущих кромок на фасочных зубьях определяем
приближенно
;
где:
ширина шлица;
;
;
В [1. П31. стр 225]
, допускается
.
Максимальную длина режущих
кромок на круглых зубьях определяем
;
Значение
, следовательно допускается
Максимальная длина режущих
кромок на шлицевых зубьях
Удельную силу резания
определяем [1. П21. стр 218]:
для
и
,
для
; поправочные коэффициенты находим по [1.
П18. стр 214]:
,
,
,
;
;
;
, т.к
Принимаем
;
.
Распределение припуска.
Припуск на фасочную часть определяем
по формуле (4.5) [1. стр 83], где
находим
по формуле (4.9) [1. стр 83], а диаметр окружности
проходящий через точку пересечения
исходных профилей фаски и прямобочного паза, по формулам (4.6) - (4.8) [1. стр
83]
;
угол профиля впадин фасачных
зубьев выбирается в зависимости от числа шлицев
по [1. П34. стр 266]
;
;
;
;
;
;
Припуск на круглую часть находим
по формуле:
;
Припуск на черновые зубья
круглой части:
;
где:
из
()
из ()
;
Припуск на шлицевую часть
находим по формуле:
;
где:
диаметр
первого шлицевого зуба;
;
Разбивать припуск на шлицевые
зубья нет смысла, т.к квалитет обработки 12.
Добавляем 4 калибрующих зуба с
нулевым подъемом на зуб - запас на переточку.
Число групп черновых зубьев
.
Для шлицевой части
;
округляем до ближайшего меньшего
;
остаточный припуск
;
Добавляем два переходных зуба с
подъемом на сторону
;
Для фасочной части
;
округляем до ближайшего меньшего
;
остаточный припуск
;
Добавляем один переходной зуб с
подъемом на сторону
;
Общее число зубьев
;
;
;
;
;
;
;
;
;
Число фасочных зубьев
;
;
;
Подъемы зубьев
Подъемы переходных зубьев по [1.
П23. стр 220]:
Для круглой:
;
;
;
Для шлицевой:
;
Для фасочной:
;
Подъемы чистовых зубьев по [1. П22юстр
220]:
Для круглых:
;
;
Длина режущей части
;
где:
длина
фасочной части;
Для шлицевой части необходимо найти
шаг калибрующих зубьев по
[1. П24. стр 221] для
;
;
;
;
;
длина
шлицевой части;
Для круглой части необходимо
найти шаг чистовых зубьев по [1. П24. стр 221] для
:
;
;
;
;
длина
круглой части;
;
В целях обеспечения выхода
шлифовального круга в
добавляют по 16 мм
после фасочной и круглых зубьев
;
Сила резания
При протягивании на фасочной
части протяжки:
;
где:
произведение
поправочных коэффициентов по [1. П21. стр 218]
При протягивании на круглой
части протяжки:
;
При протягивании на шлицевой
части протяжки:
;
Диаметр калибрующих зубьев круглых
;
шлицевых
Диаметры впадин фасочных зубьев:
;
шлицевых зубьев:
Число выкружек. Число выкружек
шлицевых зубьев
.
Ширину режущих лезвий на
прорезных зубьях определяем по формуле:
;
приняв предварительно размер
криволинейной фаски из [1. П32. стр 225]:
;
;
Вычисляем ширину выкружек шлицев
зубьев по формуле:
;
по табл. [1. П27. стр 224] для
и
;
и
.
Круглые и фасочные зубья
выполняются без выкружек т.к они располагаются в группе по одному зубу.
Диаметр и длина передней
направляющей
;
Т.к.
, то
.
Длина переходного конуса
Выбирают по [1. П28. стр 225]
.
Расстояние от переднего торца
протяжки до первого зуба
Определяют по пункту 4 [1. стр 90]:
;
где:
принимают
в зависимости от диаметра хвостовика:
,
для протяжного станка 7Б56;
;
.
Диаметр и длина задней
направляющей
Выбираются по [1. П29. стр 218]:
;
Протяжку делаем без заднего хвостовика.
Общую длину протяжки определяем
по формуле 4.44 [1. стр 90]:
;
Исходные данные для расчета
комбинированной развертки:
обрабатываемый материал чугун НВ
190;
номинальный диаметр меньшего
отверстия D1=20Н7+0.021 мм;
номинальный диаметр большего
отверстия D2=30Н7+0.021 мм;
длина сверления первой ступени l1=40 мм;
длина сверления второй ступени l2=60 мм;
шероховатость обработанной
поверхности Ra=1.25 мкм.
Материал развертки быстрорежущая
сталь марки Р6М5 ГОСТ 19265-79.
1 Предельные размеры
мм;
мм.
мм;
мм.
Т.к. наибольший диаметр
развертки больше 32 мм развертка выполняется цельная.
Форма хвостовика развертки
определяется методом ее закрепления. В нашем случае плавающее закрепление, так
как в этом случае достигается наиболее высокая точность обработки отверстий при
минимальной шероховатости обработанной поверхности.
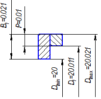
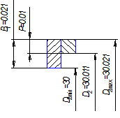
Диаметры развертки
где
минимальный диаметр соответствующей
ступени отверстия;
верхнее предельное отклонение диаметра
отверстия;
допуск на разбивание отверстия, эту
величину можно принятии равной 0,01-0,02 мм;
Рисунок 1.3 Диаметры развертки
2. Геометрические параметры
развертки
Передний угол для чистовых
разверток
;
Задний угол для чистовых
разверток
Величина заднего угла выбирается
одинаковой на режущей и калибрующей частях.
На калибрующих частях
выполняется ленточка
Угол наклона зубьев
принимают для упрощения
технологии изготовления развертки;
Главный угол в плане на заборной
части зависит от свойств обрабатываемого материала
Принимаем
Длина калибрующей части
развертки определяется зависимостью
;
где
величина калибрующей части стачиваемая
при одной переточке;
- число переточек;
Принимаем

;
где
минимальный диаметр заборной части;
глубина
резания;
-
в зависимости от диаметра развертки;
Принимаем
,
Длина рабочей части ступени
;
где
длина фаски, принимаем
;
Ступенчатые развертки можно
выполнять без обратного конуса.
Чтобы исключить повреждение
обработанной поверхности при выводе развертки и отверстия, конец калибрующей
части необходимо выполнить по радиусу равному 3-5 мм;
3. Число зубьев развертки.
Рекомендуется принимать четным и
равным по количеству на всех ступенях, для облегчения контроля диаметральных
размеров и их изготовления, а так же для беспрепятственного вывода стружки.
;
; принимаем
;
; принимаем
;
Принимаем
4. Распределение зубьев
развертки
Для устранения огранки отверстий
распределение зубьев развертки должно быть неравномерным, разность между
соседними угловыми шагами определяется зависимостью:
;
принимаем
Значение угловых шагов
;
где
порядковый
номер зуба
;
;
;
;
;
Рисунок 1.4 Распределение зубьев
развертки
5. Глубина стружечной канавки.
Глубину стружечной канавки
целесообразно выполнять переменной, что позволяет использовать для всех
стружечных канавок фрезу с постоянным профильным углом. Глубина канавки
определяется зависимостью
;
где
угол
соответствующий ширине спинки;
угол
профиля фрезы;
ширина
спинки зуба, приведена в табл.6
Рис 1.5 Размер стружечной
канавки
Глубина стружечной канавки на
первой ступени
;
;
;
;
;
;
;
;
Глубина стружечной канавки на
второй ступени
;
;
;
;
;
;
;
;
Исходные данные для расчета долбяка:
модуль зубчаты колес m = 2,5 мм;
Число зубьев нарезаемого и
сопряженного колес z1 = 30, z2 = 60; угол зацепления α =
20º; степень точности 7-D.
1 Определение дополнительных
технологических данных
Торцовый профиль и модуль колеса:
.
Диаметры делительных, основных и
наружных диаметров колес
мм,
Межосевое расстояние
Наибольший радиус кривизны
профиля зуба нарезаемого колеса
мм.,
Радиус кривизны в точке начала
активной части профиля зуба нарезаемого колеса
Расчет прямозубого долбяка
Число зубьев долбяка
где
-
номинальный диаметр делительной окружности =75мм
Диаметр делительной окружности
Диаметр делительной окружности
долбяка
Боковой задний угол в плоскости
параллельной оси долбяка
где
Определение параметров долбяка в
исходном сечении
Диаметр наружной окружности
долбяка в исходном сечении
где
диаметр
окружности впадин зубьев колеса
Толщина зуба на делительной
окружности по нормали в исходном сечении
где
толщина
зуба по нормали
Угол давления на головке зуба
Толщина зуба на вершине в
исходном сечении
Определение исходных расстояний
Станочный угол зацепления
переточенного долбяка
где
при
,
Станочный угол зацепления
переточенного долбяка
Вспомогательная величина
Максимальное отрицательное
исходное расстояние предельно сточенного долбяка
Станочный угол зацепления нового
долбяка
Положительное исходное
расстояние
Расчетный задний угол по верху
долбяка
Исходное расстояние,
лимитируемое заострением зуба долбяка
Максимально возможная величина
стачивания долбяка вдоль его оси
где
наименьшая
из
и
,
найденных в пп.14 и 16.
Принимаем
, т.к
максимально
допустимая рабочая высота долбяка по технологическим возможностям его
шлифования
Станочный угол зацепления нового
долбяка
Наружный диаметр нового долбяка
Станочный угол зацепления
предельно сточенного долбяка
где
принимаемая
величина стачивания;
, т.к 
Принимаемая высота долбяка
где
берется
из таблиц
Толщина зуба на делительной
окружности по нормали
Высота головки зуба долбяка по
передней поверхности
где
для
чистовых долбяков.
Полная высота зуба долбяка
Корректированный торцовый
профильный угол долбяка
Диаметр основных окружностей
долбяка при шлифовании его профиля
Проверочный расчет долбяка
Станочный угол зацепления
долбяка и нарезаемого колеса
Межцентровое расстояние долбяка
и нарезаемого колеса
Диаметр окружности впадин зубьев
колеса после нарезания
условие
соблюдается
Угол зацепления нарезаемого и
сопряженного с ним колес в зубчатой передаче
Диаметр теоретической основной
окружности долбяка
Радиус кривизны профиля зубьев
колеса в точке начала активной части
Радиус кривизны профиля зубьев
колеса после нарезания в точке начала обработки долбяком
Условие
; соблюдается.
В ходе проделанной работе был
произведён расчёт и проектирование заданных режущих инструментов, разработаны
их рабочие чертежи, приведенные в приложении с указанием предельных отклонений
размеров деталей и шероховатостей на поверхности инструмента.
1.
Протяжки для обработки отверстий/ Д.К. Маргулис, М.М. Тверской, В.Н. Ашихмин
и др. - М.: Машиностроение, 1986. - 232 с.
2.
Методические указания к выполнению контрольных работ по курсу "Проектирование
и производство металлорежущих инструментов"/ Сост.: И.А. Малышко, С.Л. Толстов.
- Донецк: ДПИ, 1991. - 39с.
3.
Справочник технолога-машиностроителя. В 2-х т. Т.1/Под ред.А.Г. Косиловой
и Р.К. Мещерякова. - 4-е изд., перераб. и доп. - М.: Машиностроение, 1985.496 с.
4.
Расчет зуборезных инструментов. Романов В.Ф. М.: Машиностроение, 1969,
стр.251.