Расчет максимальной величины износа рабочих поверхностей колес открытой фрикционной цилиндрической передачи

  • Вид работы:
    Курсовая работа (т)
  • Предмет:
    Технология машиностроения
  • Язык:
    Русский
    ,
    Формат файла:
    MS Word
    527,76 kb
  • Опубликовано:
    2010-11-14
Вы можете узнать стоимость помощи в написании студенческой работы.
Помощь в написании работы, которую точно примут!

Расчет максимальной величины износа рабочих поверхностей колес открытой фрикционной цилиндрической передачи

Введение

В триботехнике используют следующие основные определения:

Изнашивание — процесс разрушения и отделения материала с поверхности твердого тела и (или) накопления его остаточной деформации при трении, проявляющийся в постепенном изменении размеров и (или) формы тела.

Износ — результат изнашивания, определяемый в установленных единицах. Износ может выражаться в единицах длины, объема, массы и др.

Интенсивность изнашивания – отношение величины износа к пути трения, времени или работе трения. В современных расчетах на износ при установившемся процессе изнашивания используют следующие среднеинтегральные значения интенсивности изнашивания:

 - интенсивность линейного изнашивания;

 - интенсивность объемного изнашивания; - интенсивность изнашивания по массе; - энергетическая интенсивность изнашивания; - интенсивность изнашивания во времени – скорость изнашивания.

Износостойкость — свойство материала оказывать сопротивление изнашиванию в определенных условиях трения, оцениваемое величиной, обратной скорости изнашивания или интенсивности изнашивания.

Смазочный материал — материал, вводимый на поверхности трения для уменьшения силы трения и (или) интенсивности изнашивания.

Смазка — действие смазочного материала, в результате которого между двумя поверхностями уменьшается сила трения и (или) интенсивность изнашивания.

Смазочные материалы предназначены для надежного разделения поверхностей трущихся деталей в условиях граничной, гидродинамической и эластогидродинамической смазки. Одновременно они должны снижать силу трения, интенсивность изнашивания, охлаждать зону трения, удалять потоком масла продукты изнашивания, а также демпфировать удары и вибрации.

Виды изнашивания сопряженных поверхностей деталей при работе машин весьма разнообразны. Это связано с комплексным воздействием механических, физико-химических и электрохимических процессов при контакте, а так же, внешних факторов окружающей среды, таких, как температура, влажность, агрессивность среды и т.п. Совокупность явлений в процессе трения определяет вид изнашивания и его интенсивность.

Вследствие разнообразия исходных материалов деталей пар трения и условий их эксплуатации, виды изнашивания классифицированы следующим образом (по ГОСТ 16429-70):

·   механическое изнашивание: абразивное (гидроабразивное, газоабразивное), эрозионное, кавитационное, усталостное, вследствие пластической деформации и др.;

·   молекулярно-механическое изнашивание: износ при заедании (диффузионный, адгезионный) и др;

·   коррозионно-механическое изнашивание: окислительное, фреттинг-коррозия и др.

Существующие технологические методы обеспечения износостойкости поверхностей деталей узлов трения подразделяют на несколько групп: химико-термические, объемная и поверхностная закалка, электрохимические, химическая обработка, механотермические, наплавка износостойких слоев, напыление порошковых покрытий, ионно-плазменная обработка, плакирование, механическое упрочнение и др. Применение этих методов в значительной мере связано с историей развития автомобилестроения в развитых странах. Само развитие этих методов было вызвано стремлением повысить эксплуатационные качества автотранспортных средств.

1. Теоретическая часть

Фрикционная передача (от лат. frictio, родительный падеж frictionis — трение), механическая передача, в которой движение передаётся или преобразовывается с помощью сил трения между телами качения — цилиндрами, конусами и т.д., прижимаемыми друг к другу. Фрикционные передачи применяют для передачи движения между валами с параллельными (рис.1, а) и пересекающимися осями, для преобразования вращательного движения в винтовое (рис.1, б) и вращательного в поступательное (рис.1, в).

По конструкции они бывают: с гладкими цилиндрическими катками и параллельными осями; с клинчатыми катками и параллельными осями; с коническими катками и пересекающимися осями.

Фрикционную передачу выполняют с постоянным и переменным передаточным отношением. Фрикционная передача с постоянным передаточным отношением применяют в приборах, т.к. создание небольших потребных сил сжатия тел качения не вызывает трудностей. Широко распространены передачи колесо — рельс и колесо — дорожное полотно в самоходном транспорте (рис.1, г). В машиностроении чаще всего применяют фрикционные передачи с переменным передаточным отношением для бесступенчатого регулирования скорости — бесступенчатые вариаторы Они служат для плавного, бесступенчатого изменения передаточного числа. В таких передачах, изменяя положение ведущего катка, можно плавно регулировать угловую скорость ведомого катка.

По форме основного тела качения (у которого меняется радиус качения) фрикционные передачи делят на дисковые (лобовые), конусные, шаровые и торовые.

Рис.1. Фрикционные передачи с постоянным передаточным отношением: а — с параллельными осями для передачи вращательного движения; б — для преобразования вращательного движения в винтовое; в и г — для преобразования вращательного движения в поступательное.

Фрикционная передача выполняют для мощностей от ничтожно малых значений (в приборах) до сотен кВт, обычно до 20 кВт. Передаточное отношение в силовых передачах до 1/7, при разгруженных валах до 1/15, в ручных передачах приборов до 1/25. Наибольший диапазон регулирования простых бесступенчатых фрикционных передач (с двумя телами качения) до 5, сдвоенных (с промежуточными телами качения) до 15, обычно 4—8. Прижатие тел качения в простых фрикционных передач осуществляется постоянной силой, в более сложных — силой, возрастающей с ростом передаваемого момента благодаря клиновому механизму самозатягивания. Форму тел качения выбирают из условия уменьшения или устранения скольжения, зависящего от разности линейных скоростей соприкасающихся тел.

Преимущества фрикционных передач: простота изготовления катков по сравнению с зубчатыми колесами, возможность плавного регулирования угловых скоростей в заданных пределах, бесшумность работы, простота предохранения от поломки.

Основные недостатки: необходимость устройства для прижатия катков, большие нагрузки на валы и подшипники, непостоянство передаточного отношения, сравнительно низкий (0,80...0,92) КПД. Фрикционные передачи применяют в зубчатых фрикционных лебедках, бульдозерах, скреперах, экскаваторах с канатно-блочной системой управления.

Материалы катков должны иметь: высокий коэффициент трения для уменьшения силы прижатия , высокий модуль упругости  для уменьшения потерь на трение, высокую износостойкость, контактную прочность и теплопроводность. Ведомый каток рекомендуется делать из более твердого материала во избежание образования на нем лысок и бороздок вследствие буксования, которое наступает при перегрузках, если не соблюдается условие , где  - передаваемая окружная сила [6].

Пары качения изготовляют из закалённых до высокой твёрдости сталей для передач, преимущественно работающих в масле (требуют высокой точности изготовления); из стали и пластмассы (текстолит или специальные фрикционные пластмассы) — для передач, работающих всухую.

Допускаемые напряжения для закаленных сталей твердостью  при начальном контакте по линии и при хорошей смазке принимают ; при начальном контакте в точке . Для текстолита (без смазки) при контакте по линии [3].Фрикционные передачи с переменным передаточным числом называются вариаторами. Они служат для плавного, бесступенчатого изменения передаточного числа. В таких передачах, изменяя положение ведущего катка, можно плавно регулировать угловую скорость ведомого катка.

Рис.2. Виды вариаторов

Вариаторы разделяются на два основных типа:

а) простые, в которых изменяется только один радиус контакта, а другой остается постоянным;

б) сложные, в которых изменяются оба радиуса.

В простых вариаторах передаточное отношение:

 

Диапазон регулирования:

.

В сложных вариаторах передаточное отношение:

 

Для смазки фрикционных передач могут применяться термостойкие, высокотемпературные смазочные материалы и пасты. Рассмотрим их свойства на примере масла Molykote D и DX. Это твердые смазочные пасты светлой окраски для сборки и подгонки металлических деталей.

Применения – Скользящие поверхности и фрикционные контакты подверженные высоким нагрузкам, требующие «чистой» смазки, особенно при низких скоростях, а также как «приработочная» смазка; Успешно используется, например, во многих фрикционных контактах электрооборудования и бытовых приборов, упаковочного и офисного оборудования, прецизионных инструментов, машин для пищевой и пивоваренной промышленности, а также в оборудовании для текстильной промышленности и переработки пластмасс; Везде, где невозможна тонкопленочная смазка, рекомендуется белая многоцелевая консистентная паста – Molykote® DX. Она также может быть нанесена с помощью щетки или тряпки и даже с помощью шприца для консистентной смазки.

Особенности – Высокая несущая способность; Предотвращает движение рывками и заедание; Хорошая защита от коррозии; Отличная защита от фреттингкоррозии и коррозионного истирания; Чистота.

Состав – Минеральное масло; Загуститель; Твердые смазочные материалы. Температурный диапазон – От -25 до +250°C [9]

Основным критерием работоспособности фрикционных передач является износостойкость рабочих поверхностей контактирующих колес. Обычно, для быстроходных фрикционных передач, работающих в масляной ванне, износ стальных колес имеет вид поверхностного выкрашивания (питтинга), а расчет ведется (аналогично зубчатым передачам) на контактную выносливость активных поверхностей колес. Однако в быстроходных закрытых передачах, даже при наличии интенсивной смазки, иногда обнаруживается абразивный износ, обусловленный недостаточной чистотой рабочих поверхностей и частой работой передачи на пусковых и тормозных режимах, когда затруднено образование устойчивой масленой пленке в зоне контакта.

Для тихоходных фрикционных передач, у которых не обеспечено устойчивой масляной пленки между контактными поверхностями, или передача вообще работает без смазки, характерен абразивный износ (истирание) рабочих поверхностей колес. Особенно интенсивный износ наблюдается при наличии систематического проскальзывания (пробуксовывания) колес, переменной нагрузки, попадания на рабочие поверхности абразивов (металлических частиц, песчинок, пыли и т. п.).

Интенсивное истирание рабочих поверхностей колес ведет к нарушению их размеров и правильности формы, а также к появлению дополнительных динамических нагрузок.

Как контактная выносливость, так и абразивный износ активных поверхностей колес, в первую очередь, зависят от величины максимальных контактных напряжений и механических характеристик материалов, из которых изготовлены колеса. Кроме того, на работоспособность передачи большое влияние оказывают технологические факторы (качество и точность изготовления рабочих элементов фрикционной передачи) и эксплуатационные особенности (условия нагружения, проскальзывание, температурный режим, свойства смазки и др.).

Расчет фрикционных передач на износостойкость предполагает определение величин интенсивности изнашивания и толщин износа за требуемый промежуток времени контактирующих поверхностей фрикционных колес при работе без смазки (как правило, открытых передач) и со смазкой, а также определение ресурса работы передачи.

При передаче вращающего момента  на ведущем валу фрикционной передачи (рис. 3) необходимую силу нажатия можно вычислить по формуле [1, с.46, ф.(3.7)]:

,                                                                                 (1.1)

где

 - коэффициент сцепления (коэффициент режима работы);

- коэффициент трения скольжения;

 - диаметр ведущего колеса, м.

Рис.3. Расчетная схема фрикционной цилиндрической передачи

Полуширина плоскости контакта определяется по формуле [1, с.24, ф.(2.33)]:

,                                                                  (1.2)

где

 - коэффициент динамической нагрузки (для безударной работы );

 - приведенный радиус кривизны деталей в зоне контакта, мм (, где  и - радиусы кривизны контактирующих поверхностей (знак плюс – при внешнем контакте, знак минус – при внутреннем контакте));

- приведенный модуль нормальной упругости тел, МПа (, где  и - модули нормальной упругости материалов соприкасающихся деталей).

Контактные напряжения определяются по формуле [1, с.24, ф.(2.32)]:

.                                                       (1.3)

Расчет на износ и долговечность фрикционных передач с постоянным передаточным отношением и вариаторов проводят, определяя на рабочих поверхностях колес величины интенсивности линейного износа  по формуле [1, с.30, ф.(2.47)]:

,       (1.4)

где

 - разрушающее напряжение при однократном растяжении, МПа;

 - поправочный коэффициент к числу циклов до отделения с поверхности частиц износа;

- коэффициент перекрытия контактных площадей (, где  и - площади контакта номинальная и фактическая, мм2);

 - коэффициент, величина которого зависит от волнистости поверхности (для волны, имеющей сферическую форму, ; без учета влияния шероховатости поверхности на деформацию волн );

 - параметр опорной кривой шероховатости поверхности;

- комплексная характеристика шероховатости поверхности, учитывающая остроту выступов и их распределение по высоте;

 - модуль нормальной упругости материала детали, МПа;

- максимальное давление в центре площадки контакта (при круговом или эллипсном отпечатке) или продольной оси симметрии площадки контакта (при ленточной форме отпечатка);

 - молекулярная составляющая коэффициента трения (, где и  - фрикционные параметры, зависящие от условий работы пары трения).

В данном случае принимается, что номинальное и контурное давления равны ().

Толщину изношенного слоя ведущего 1 и ведомого 2 (рис. 3) колес можно определить по формуле [1, с.47, ф.(3.8)]:

,                                                   (1.5)

где

 - интенсивность изнашивания рабочих поверхностей ведущего 1 и ведомого 2 колес;

 - полуширина полоски контакта при действии силы нажатия , мм;

 и - окружные скорости (качения) точек рабочих поверхностей ведущего 1 и ведомого 2 колес, м/с;

 - частота вращения ведущего 1 и ведомого 2 колес, об/мин;

- время работы рассчитываемой фрикционной передачи, мин.

Максимальную величину толщины изношенного слоя необходимо сравнить с нормативной (допустимой) величиной износа и определить ресурс работы фрикционной передачи . Ресурс работы фрикционной передачи по критерию износа определяется по формуле [1, с.38, ф.(3.5)]:

,                                                                              (1.6)

где

 - допустимый износ ведущего 1 и ведомого 2 колес, назначаемый с учетом качества трущихся поверхностей, функционального назначения фрикционной передачи, требуемого уровня надежности, безопасности, экономичности.

2. Практическая часть

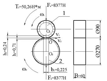
Определить максимальную величину износа на рабочих поверхностях колес открытой фрикционной цилиндрической передачи (рис. 4).

Параметры передачи:

1) Диаметры колес  и ;

2) Ширина колес ;

3) Передаваемая мощность на ведущем валу ;

4) Частота вращения ведущего вала ;

5) Коэффициент сцепления ;

6) Коэффициент трения скольжения материала без смазки ;

7) Модуль нормальной упругости ;

8) Время работы ;

Рабочие поверхности колес обработаны круглым шлифованием (Ra=0,63) и приработаны. Величину допустимого износа принимаем: [h]=2,5мм.

 

Решение

1.1 Определение необходимой силы прижатия в передаче.

Необходимая сила нажатия для передачи вращающего момента  определяется по формуле (1.1). Для расчета необходимо определить вращающий момент :


Тогда необходимая сила прижатия в передаче равна:

.

Рис.4. Расчетная схема передачи

1.2 Определение полуширины плоскости контакта

Вычислим приведенный радиус кривизны и приведенный модуль нормальной упругости:

;

.

Тогда, используя формулу (1.2), найдем полуширину плоскости контакта:

.

2.3 Определение контактных напряжений

Подставив в формулу (1.3) значения исходных и рассчитанных ранее параметров, получим

.

2.4 Определение интенсивности изнашивания колес передачи

Определим интенсивность изнашивания рабочих поверхностей колес фрикционной передачи по формуле (1.4).

Значения параметров шероховатости поверхностей деталей [1, с.81, прилож. 3, табл. 2] для приработанных чугунных поверхностей, обработанных круглым шлифованием: класс шероховатости – 8; ; ; ; ; ; .

Определим остальные параметры, входящие в формулу (1.4): коэффициент перекрытия контактных площадей - ; без учета влияния шероховатости поверхности на деформацию волн ; разрушающие напряжения при однократном растяжении  и коэффициент кривой фрикционной усталости  [1, с.83, прилож. 4] - , ; по номограмме [1, с.84, прилож. 5] поправочный коэффициент к числу циклов до отделения с поверхности частиц износа ; молекулярная составляющая коэффициента трения [1, с.87, прилож. 7] .

Подставив полученные значения в формулу (1.4), найдем интенсивность изнашивания колес передачи:


2.5 Определение толщины изношенного слоя ведущего  и ведомого  колес

Толщину изношенного слоя колес можно определить по формуле (1.5). Для этого определим параметры, входящие в формулу:

 

- окружная скорость (качения) точек рабочей поверхности ведущего 1 колеса;

 

- окружная скорость (качения) точек рабочей поверхности ведомого 2 колеса (здесь  - относительная потеря скорости);


 - передаточное число фрикционной передачи;

 - частота вращения ведомого колеса.

Подставив полученные значения в формулу (1.5), получим:


Максимальная величина изношенного слоя . По нормам величина допустимого износа [h]=2,5мм, следовательно, условие соблюдается ().

Допустимый ресурс работы ведущего колеса передачи определяется по формуле (1.6):

 

что больше заданного.

Заключение

В этой расчетно-проектировочной работе был проведен расчет максимальной величины износа на рабочих поверхностях колес открытой фрикционной цилиндрической передачи.

Максимальная величина изношенного слоя . Условие соблюдается (), значит, передача будет работоспособна в течение заданного срока службы.

Допустимый ресурс работы ведущего колеса передачи больше заданного, поэтому данная фрикционная цилиндрическая передача может работать больше заданного ресурса.

Список использованной литературы

1. Асеев Н.В., Асеева Е.Н., Крейчи Э.Ф., Матлин М.М. / Под общей редакцией д-ра техн. наук Матлина М.М. / Износостойкость сопрягающихся деталей механического оборудования наземных транспортных систем: Учеб. пособие / ВолгГТУ, Волгоград, 2000. – 99с.

2. Вирабов Р.В. Тяговые свойства фрикционных передач. – М.: Машиностроение, 1982. – 263с.

3. Иванов М.Н. Детали машин: Учеб. Для машиностр. спец. вузов. – 4-е изд., перераб. – М.: Высш. Шк., 1984. – 336 с.

4. Трибология. Физические основы, механика и технические приложения: Учебник для вузов/И.И. Беркович, Д.Г. Громаковский; Под ред. Д.Г. Громаковского; Самар. гос. техн. ун-т. Самара, 2000. - 268 с.

5. Паршев С.Н., Ползенко Н.Ю. Испытание металлов на изнашивание. Методические указания к лабораторной работе.

6. Практические методы расчета на прочность деталей транспортных машин: учеб. Пособие / М.М. Матлин [и др.]; под ред. Д-ра техн. Наук, проф. М.М. Матлина / ВолгГТУ. – Волгоград, 2007. – 264с.

7. Пронин Б.А., Ревков Г.А., Бесступенчатые клиноремённые и фрикционные передачи (вариаторы), 2 изд., М., 1967;

8. Решетов Д.Н., Детали машин, 3 изд., М., 1974.

9. http://sap.net.ru/ Смазки, масла, герметики, нефтепродукты, гсм, тосол, антифриз

Похожие работы на - Расчет максимальной величины износа рабочих поверхностей колес открытой фрикционной цилиндрической передачи

 

Не нашли материал для своей работы?
Поможем написать уникальную работу
Без плагиата!
Без нейросетей!