Приборы комплекса Контар: контроллеры МС8, МС5, модули релейные MR8

  • Вид работы:
    Практическое задание
  • Предмет:
    Технология машиностроения
  • Язык:
    Русский
    ,
    Формат файла:
    MS Word
    490,60 kb
  • Опубликовано:
    2010-05-22
Вы можете узнать стоимость помощи в написании студенческой работы.
Помощь в написании работы, которую точно примут!

Приборы комплекса Контар: контроллеры МС8, МС5, модули релейные MR8

Министерство образования и науки Украины

Донбасская государственная машиностроительная академия

Кафедра "Автоматизация производственных процессов"








Практическая работа по ОКИУ

"Приборы комплекса КОНТАР: контроллеры МС8, МС5, модули релейные MR8"

Цель работы: изучить приборы комплекса КОНТАР : контроллеры МС8, МС5, модули релейные MR8.

ТЕОРЕТИЧЕСКИЕ СВЕДЕНИЯ

В ПТК КОНТАР в настоящее время входят три модуля:

MC8 (контроллер измерительный);

MC5 (контроллер измерительный);

MR8 (модуль релейный).

1. ОБЩАЯ ХАРАКТЕРИСТИКА КОМПЛЕКСА КОНТАР (КМ800)

Комплекс КОНТАР (КМ800) представляет собой систему модулей, выполняющих общую задачу распределенного управления и сбора информации, связанных между собой интерфейсом и общим протоколом обмена.

Функции сложных систем управления распределяются по модулям комплекса и, как правило, не требуют централизованного управления.

Для мониторинга состояния оборудования, отображения на экране, диспетчеризации, тревожных оповещений и т. д. используется сеть Интернет или Интранет.

Комплекс построен на новейшей элементной базе и обеспечивает простой доступ к современным коммуникационным технологиям. (подключение к сети Ethernet, передача информации по сотовой сети стандарта GSM, использование технологии LonWorks).

Комплекс позволяет решать широкий круг задач автоматического управления технологическими процессами, в первую очередь задач теплоснабжения, вентиляции и кондиционирования воздуха, при минимизации затрат в зависимости от сложности и технических особенностей объекта.

Комплекс обеспечивает сбор информации от разнообразных источников, используемых на объекте (датчики температуры, давления, расхода, тепло-, водо- и электросчетчики и т.п.) и передачу ее на верхний уровень по одному каналу связи.

Возможно также и полностью автономное применение аппаратуры комплекса в виде локальных модулей.

2. НАЗНАЧЕНИЕ И ОСНОВНЫЕ ФУНКЦИИ МОДУЛЯ MR8

Модули релейные MR8 (в дальнейшем модули) входят в состав комплекса модульных устройств КОНТАР (КМ800).

Модули предназначены для применения в автоматизированных системах управления технологическими процессами, а также в системах сбора и передачи информации по интерфейсной сети RS485.

Модули выполняют следующие основные функции:

• управление электрическими исполнительными механизмами, пусковыми устройствами насосов, вентиляторов и другого оборудования;

• прием дискретных сигналов от контроллеров МС8 или других устройств для непосредственного (прямого) управления выходными силовыми ключами;

• прием по каналу цифровой интерфейсной связи RS485 от контроллеров МС8 или других устройств сигналов, управляющих выходными силовыми ключами;

• передача по каналу цифровой интерфейсной связи RS485 на верхний уровень управления информации о состоянии входных дискретных сигналов и органов ручного управления модуля;

• переключение режимов управления и ручное управление электрическими исполнительным механизмами и пусковыми устройствами с помощью механических переключателей (тумблеров);

• формирование нестабилизированного напряжения 24В постоянного тока для питания внешних цепей;

• выполнение алгоритмов функционирования, необходимых для управления конкретным технологическим процессом.

2.1 ОСНОВНЫЕ ТЕХНИЧЕСКИЕ ДАННЫЕ И ХАРАКТЕРИСТИКИ

1.1. УСЛОВИЯ ЭКСПЛУАТАЦИИ

• Температура воздуха - от 5 до 50 С;

• Относительная влажность - не более 80%, без конденсата;

• Атмосферное давление - от 86 до 106,7кПа;

• Вибрация - амплитуда не более 0,1мм с частотой не бол25Гц;

• Агрессивные и взрывоопасные компоненты в окружающ воздухе должны отсутствовать.

1.2. ТРЕБОВАНИЯ К ПИТАНИЮ

• Номинальное напряжение переменного тока - 220В;

• Допускаемые отклонения напряжения питания - от 187 до 242

• Частота - от 48 до 62Гц;

• Потребляемая мощность - не более 6ВА.

1.3. КОНСТРУКТИВНОЕ ИСПОЛНЕНИЕ

• Корпус – "Каскад KZ-104";

• Габаритные размеры - 139х89х63мм;

• Масса - не более 0,8кг;

• Монтаж – на DIN-рейку по стандарту DIN EN 50 022;

• Подключение внешних соединений – до 38 клемм под винт 2 (максимальное сечение провода 2,5мм );

• Степень защиты - IP20;

• Ручное управление – 4 тумблера или отсутствует.

1.4. ВЫХОДНЫЕ КЛЮЧИ

• 4 ключа на электромагнитных реле;

• 2 симисторных ключа и 2 ключа на электромагнитных реле;

• Параметры симисторных ключей:

- максимальное напряжение переменного тока – 380В, частотой 50 (60)Гц;

- максимальный переменный ток – 0,8А;

- минимальный переменный ток – 0,02А.

• Параметры релейных ключей:

- вид ключа – переключающий контакт;

- максимальное напряжение переменного тока – 250В, частотой 50 (60)Гц;

- максимальный переменный ток – 3А.

1.5. ВХОДЫ УПРАВЛЕНИЯ

• Тип - дискретные;

• Назначение – непосредственное управление выходными ключами;

• Количество – 4;

• Максимальное напряжение постоянного тока на управляющем ключе – 35В;

• Максимальный постоянный ток через управляющий ключ –

20мА.

1.6. ДИСКРЕТНЫЕ ВХОДЫ

• Количество – 8;

• Максимальное напряжение постоянного тока на ключе – 35В;

• Максимальный постоянный ток на ключе – 10мА.

1.7. ИНТЕРФЕЙС

• RS485 на частоте до 57600Бод.

1.8. ГАЛЬВАНИЧЕСКАЯ ИЗОЛЯЦИЯ

• Питание модуля / остальные цепи – 1500В;

• Выходные ключи / остальные цепи – 1500В;

• Дискретные входы и источник питания ±24В / остальные цепи – 500В;

• RS485 / остальные цепи – 500В.

1.9. ДИАГНОСТИКА

• светодиод "Сеть" - постоянное свечение при нормальной работе модуля и мигание при сбое функционального алгоритма;

• 4 светодиода "Выходы 1,2,3,4" - постоянное свечение при поступлении управляющего сигнала на срабатывание соответствующего ключа 1,2,3,4;

• 2 светодиода "TxD" и "RxD" (прием и передача) интерфейса RS485 – мигающее свечение во время приема/передачи информации.

1.10. ДОПОЛНИТЕЛЬНЫЕ ПАРАМЕТРЫ

• Выход 24В (ток не более 40мА) – напряжение постоянного тока для питания датчиков и (или) дискретных входов контроллера МС8 (нестабилизированное).

2.2 ОПИСАНИЕ ФУНКЦИОНАЛЬНЫХ СХЕМ

Основной элемент схемы – процессор (CPU).

Управление выходными ключами может осуществляться:

• непосредственно по 4-м дискретным входам DD.1…DD.4 от устройств, имеющих "сухой" дискретный выход;

• по каналу интерфейсной связи RS485 с верхнего уровня через CPU. Этот режим устанавливается при переключении механических замыкателей блока конфигураторов;

• принудительно, минуя электронные ключи, - для исполнений 1221 и 1231, имеющих блок ручного управления. Информация о состоянии органов ручного управления передается по каналу интерфейсной связи RS485 на верхний уровень.

Дискретные входы DI.1…DI.8 используются для передачи на верхний уровень управления информации о состоянии дискретных сигналов, подключенных к этим входам.

Гальванический разделитель обеспечивает гальваническую изоляцию дискретных входов и источника питания (±24В) от процессора и канала интерфейсной связи RS485.

Дискретные выходы гальванически изолированы от всех остальных цепей.

Блок питания, кроме питания внутренних цепей модуля МR8, формирует нестабилизированное напряжение постоянного тока ±24В для питания датчиков и (или) дискретных входов контроллера МС8.

Рисунок 1 - Функциональная схема для исполнения MR8 1121(1221)

DI- дискретный вход К – электромагнитное реле

DD - дискретный вход управления CPU - процессор

DI.C - общ. точка дискрет. входов

DO – дискретный выход

MO – средняя точка дискретных выходов

DC - общая точка питания процессора

Пунктирными линиями обозначены узлы, являющиеся принадлежностью отдельных исполнений.

3. НАЗНАЧЕНИЕ И ОСНОВНЫЕ ФУНКЦИИ КОНТРОЛЛЕРОВ МС8

Контроллеры измерительные МС8 (в дальнейшем контроллеры МС8) предназначены для реализации разнообразных алгоритмов автоматизированного управления технологическими процессами.

Контроллеры МС8 являются основным элементом комплекса модульных устройств КОНТАР (КМ800).

Контроллеры выполняют следующие основные функции:

• измерение и преобразование в цифровую форму сигналов, поступающих от аналоговых и дискретных датчиков технологических параметров;

• формирование дискретных и аналоговых выходных сигналов для воздействия на технологический процесс;

• формирование алгоритмов функционирования, необходимых для управления конкретными технологическими процессами (например, аналоговое или импульсное ПИД-регулирование, различные виды формирования задания, в том числе с возможностью изменения в реальном времени, программно-логическое управление, автоматическое включение резервного оборудования и т.д.)

• вывод информации на дисплей встроенного пульта оператора или на виртуальную панель на экране монитора компьютера, Notebook, PDА или другого средства вычислительной техники через интерфейсный субмодуль RS232C;

• обеспечение связи через интерфейс RS485 между контроллерами и другими модулями;

• обеспечение связи через интерфейс RS232C (на основной плате) с периферийными устройствами (модем и т.д.);

• обеспечение связи с сервером через интерфейсный субмодуль Ethernet при работе в локальной сети и сети Интернет.

Имеются исполнения контроллеров с симисторными и транзисторными выходными ключами. Контроллеры, имеющие симисторные выходные ключи, могут непосредственно управлять исполнительными механизмами клапанов, заслонок, магнитными пускателями и т.д.

• Контроллеры c транзисторными выходными ключами обычно устанавливаются в комплекте с релейными модулями MR8, которые выполняют функции усиления мощности и расширения дискретных входов.

3.1 ОСНОВНЫЕ ТЕХНИЧЕСКИЕ ДАННЫЕ И ХАРАКТЕРИСТИКИ

1.1. УСЛОВИЯ ЭКСПЛУАТАЦИИ

Температура воздуха - от 5 до 50 С;

Относительная влажность - не более 80%, без конденсата;

Атмосферное давление - от 86 до 106,7 кПа;

Вибрация - амплитуда не более 0,1 мм с частотой не более 25

Агрессивные и взрывоопасные компоненты в окружающем возд должны отсутствовать.

1.2. ТРЕБОВАНИЯ К ПИТАНИЮ

Номинальное напряжение переменного тока:

- для исполнений МС8.1х1хххх – 220 В ,

- для исполнений МС8.2х2хххх – 24 В.

Допускаемые отклонения напряжения питания:

- для исполнений МС8.1х1хххх - от 187 до 242 В,

- для исполнений МС8.2х2хххх - от 22 до 29.5 В;

Частота - от 48 до 62 Гц;

Потребляемая мощность - не более 6 ВА.

1.3. КОНСТРУКТИВНОЕ ИСПОЛНЕНИЕ

Корпус – OKW Railtec, тип 157, версия 1;

Габаритные размеры - 157х86х59 мм;

Масса - не более 0,8 кг;

Монтаж – на DIN-рейку по стандарту DIN EN 50 022;

Подключение внешних соединений: 2

- 46 клемм под винт (максимальное сечение провода 2,5 мм )

- разъем RJ-11 для подключения дополнительных интерфейс

Степень защиты - IP20.

1.4. ДИСКРЕТНЫЕ ВХОДЫ

Количество входов - 4;

Вид сигнала – "сухой" ключ;

Напряжение на ключе - 30 В постоянного тока;0

Ток через ключ - 10 мА постоянного тока;

Ток утечки ключа – не более 0.05 мА

Гальваническая изоляция - от всех остальных цепей.

1.5. АНАЛОГОВЫЕ ВХОДЫ

Количество входов - 8;

Предварительный усилитель с программируемым усилением - от 1 до 16.

1.6. ДИСКРЕТНЫЕ ВЫХОДЫ

1.6.1. Дискретные выходы (для исполнений МС8.1х1хххх)

Количество выходов - 8;

Тип выхода - "сухой" транзисторный ключ;

Максимальное напряжение – 48 В постоянного тока;

Коммутируемый ток - 0,15 А постоянного тока;

Падение напряжения на открытом ключе - не более 1,2 В.

1.6.2. Дискретные выходы (для исполнений МС8.2х2хххх)

Количество выходов - 8;

Тип выхода - "сухой" симисторный ключ;

Максимальное напряжение – 48 В переменного тока;

Коммутируемый ток - 0,5 А переменного тока;

Падение напряжения на открытом ключе: не более 2 В;

Гальваническая изоляция - от всех остальных цепей.

1.7. АНАЛОГОВЫЕ ВЫХОДЫ

Количество выходов - 2;

Погрешность ЦАП - не более 1,5%;

Возможные диапазоны сигналов:

- от 0(4) до 20мА постоянного тока на нагрузку не более 0,5 кОм;

- от 0 до 5мА постоянного тока на нагрузку не более 2 кОм;

- от 0 до 10В постоянного тока на нагрузку не менее 2 кОм.

1.8. ИНТЕРФЕЙС

RS232С на частоте до 115200 Бод;

RS485 на частоте до 57600 Бод (с гальванической изоляцией от остальных цепей); Ethernet (10 Мбит/с).

1.9. ДОПОЛНИТЕЛЬНЫЙ ИНТЕРФЕЙС

RS232С на частоте до 115200 Бод;

LonWorks.

1.10. ДИАГНОСТИКА

Светодиод статуса контроллера "Норма/Отказ";

Светодиоды "RS485-прием", "RS485-передача".

1.11. ВСТРОЕННЫЙ ПУЛЬТ УПРАВЛЕНИЯ

Дисплей – жидкокристаллический, символьный - 2 строки и знаков;

Управление - 4 кнопки;

Индикация – 8 светодиодов состояния дискретных выходов

1.12. ЧАСЫ-КАЛЕНДАРЬ

Поддержка индикации текущего времени и календарной да

·Энергонезависимость – не менее 300 часов.

1.13. ИСТОЧНИК НАПРЯЖЕНИЯ ПОСТОЯННОГО ТОКА

(только для исполнений МС8.2х2хххх)

Напряжение - 24 В, допускаемое отклонение - от 22 до 25.5

Ток нагрузки - не более 100 мА.

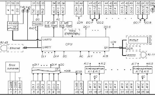
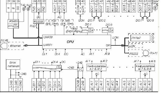
3.2 ОПИСАНИЯ ФУНКЦИОНАЛЬНЫХ СХЕМ

Функциональные схемы контроллера МС8 показаны на рис.2 и рис.3

Примечания к рис. 1:

Узлы, показанные пунктиром, являются переменными данными;

- гальванический разделитель (ГР);

CPU- центральный процессор;

AC – общая точка аналоговая;

DC – общая точка дискретная;

Обозначения входов и выходов:

AI – аналоговый вход AO – аналоговый выход

AI.C – общая точка аналоговых. AO.C – общая точка аналоговых входов выходов

DI – дискретный вход DO – дискретный выход

DI.C – общая точка дискретных MO.j-k–средняя точка между DO.j входов и DO.k

Для исполнений МС8.1х1хххх с транзисторными выходными ключами

MO.j-k и DC объединены;

Для МС8.2х2хххх клеммы 13, 14 являются выходом источника напряжения 24 В постоянного тока для питания датчиков.

Основой контроллеров является плата, на которой расположены все элементы базового модуля. Базовый модуль выпускается в двух исполнениях: для питания от сети ~220B с транзисторными выходными ключами и для питания от ~24B с симисторными выходными ключами (с гальванической изоляцией).

Аппаратное устройство ввода информации содержит гальванический разделитель (ГР) для дискретных входных сигналов DI.1…DI.4 и конфигураторы для аналоговых входных сигналов AI.1…AI.8.

Аппаратное устройство вывода информации включает в себя "сухие" ключи дискретных выходных сигналов D0.1…D0.8 и конфигурируемое устройство преобразования аналоговых выходных сигналов А0.1, А0.2.

Блок питания формирует напряжения постоянного тока для питания всех узлов контроллера.

Рисунок 2 - Функциональная схема контроллера МС8.1х1хххх (на ~220 В)

Рисунок 3 - Функциональная схема контроллера МС8.2х2хххх (на ~24 В)

4. НАЗНАЧЕНИЕ И ОСНОВНЫЕ ФУНКЦИИ КОНТРОЛЛЕРОВ МС5

Контроллеры измерительные МС5 (в дальнейшем контроллеры МС5) являются элементом комплекса модульных устройств КОНТАР (КМ800).

Контроллеры МС5 предназначены для автоматизации и мониторинга промышленных объектов, в частности, установок приточной вентиляции и кондиционирования воздуха (например, вентиляторных доводчиков типа "Fan Coil").

Контроллеры выполняют следующие основные функции:

• измерение и преобразование в цифровую форму сигналов, поступающих от аналоговых и дискретных датчиков технологических параметров;

• формирование дискретных и аналоговых выходных сигналов для непосредственного управления электрическими исполнительными механизмами и пусковыми устройствами вентиляторов, компрессоров, обогревателей и другого оборудования;

• формирование алгоритмов функционирования, необходимых для управления конкретными технологическими процессами;

• вывод информации на дисплей встроенного пульта управления или на виртуальную панель на экране монитора компьютера, Notebook, PDА или другого средства вычислительной техники, сочлененного с контроллером по каналу интерфейсной связи;

• обеспечение связи через интерфейс RS485 между контроллерами и другими приборами комплекса.

 

4.1 ОСНОВНЫЕ ТЕХНИЧЕСКИЕ ДАННЫЕ И ХАРАКТЕРИСТИКИ

УСЛОВИЯ ЭКСПЛУАТАЦИИ

Температура воздуха: от 5 до 50 С

Относительная влажность: не более 80%, без конденсата;

Атмосферное давление: от 86 до 106,7кПа;

Вибрация: амплитуда не более 0,1мм с частотой не более 25Гц;

Агрессивные и взрывоопасные компоненты в окружающем воздухе должны отсутствовать.

ТРЕБОВАНИЯ К ПИТАНИЮ

Номинальное напряжение переменного тока: 220 В;

Допускаемые отклонения напряжения питания: от 187 до 242 В;

Частота: от 48 до 62 Гц;

Потребляемая мощность: не более 6 ВА.

КОНСТРУКТИВНОЕ ИСПОЛНЕНИЕ

Корпус: OKW Railtec, тип 157, версия 1;

Габаритные размеры: 157х86х58,5 мм;

Масса: не более 0,8 кг;

Монтаж: на DIN-рельс по стандарту DINEN 50 022;

Подключение внешних соединений:

35 клемм под винт (максимальное сечение провода 2,5 мм );

разъем RJ-11 для подключения дополнительного интерфейса RS232C;

Степень защиты: IP20.

ДИСКРЕТНЫЕ ВХОДЫ

Количество входов: 4;

Вид сигнала: "сухой" ключ;

Напряжение на ключе: 18 В постоянного тока;

Ток через ключ: 5 мА постоянного тока;

Гальваническая изоляция от аналоговых входных и дискретных выходных цепей;

Частота коммутации: не более 300 Гц.

АНАЛОГОВЫЕ ВХОДЫ

Количество входов: 5;

Типы подключаемых первичных преобразователей, диапазон измерения сигнала и основная погрешность измерения представлены в таблице 2.

ДИСКРЕТНЫЕ ВЫХОДЫ (всего 5)

Релейные выходы

Количество выходов: 3;

Тип выхода: "сухой" контакт реле на переключение;

Максимальное напряжение: 250 В переменного тока 50(60) Гц;

Коммутируемый ток: от 0 до 3 А;

Гальваническая изоляция от всех остальных цепей.

Симисторные выходы

Количество выходов: 2;

Тип выхода: "сухой" симисторный ключ;

Максимальное напряжение переменного тока 50(60) Гц: 380 В;

Коммутируемый ток: от 0,02 до 0,8 А;

Падение напряжения на замкнутом ключе: не более 6 В;

Гальваническая изоляция от всех остальных цепей.

АНАЛОГОВЫЕ ВЫХОДЫ

Количество выходов: 1;

Погрешность ЦАП: не более 4%;

Возможные диапазоны сигналов:

- от 0(4) до 20 мА постоянного тока на нагрузку не более 0,5 кОм;

- от 0 до 10 В постоянного тока на нагрузку не менее 2 кОм;

Гальваническая изоляция от аналоговых входных и дискретных выходных цепей.

ИНТЕРФЕЙС

ДОПОЛНИТЕЛЬНЫЙ ИНТЕРФЕЙС

RS232С на частоте 115200Бод.

ДИАГНОСТИКА

Светодиод статуса контроллера "Норма/Отказ":

Светодиоды "RS485-прием", "RS485-передача".

ВСТРОЕННЫЙ ПУЛЬТ УПРАВЛЕНИЯ

Дисплей: жидкокристаллический, символьный - 2 строки по 16 знаков;

Управление: 4 кнопки;

Индикация: 5 светодиодов состояния дискретных выходов.

ИСТОЧНИК НАПРЯЖЕНИЯ ДЛЯ ПИТАНИЯ ДАТЧИКОВ

Номинальное напряжение – 18 В постоянного тока;

Допускаемые отклонения напряжения – от 13 до 22 В;

Ток нагрузки – не более 40 мА.

ЧАСЫ-КАЛЕНДАРЬ

Поддержка индикации текущего времени и календарной даты;

Энергонезависимость – не менее 300 часов.

4.2 ОПИСАНИЕ ФУНКЦИОНАЛЬНОЙ СХЕМЫ

Функциональная схема контроллера МС5 показана на рис.4

Основой контроллеров является плата, на которой расположены все элементы базового модуля.

Центральный процессор (СPU) представляет собой однокристальный микроконтроллер С8051F311, включающий многоканальный аналого-цифровой преобразователь и поддерживающий несколько видов последовательных интерфейсов.

Аппаратное устройство ввода информации содержит гальванический разделитель (ГР) для дискретных входных сигналов DI.1…DI.4 и конфигураторы К) для аналоговых входных сигналов AI.1…AI.5.

Рисунок 4 - Функциональная схема контроллера МС5

Узлы, показанные пунктиром, являются переменными данными;

- Гальванический разделитель;

AC – общая точка аналоговая; DC – общая точка дискретная;

Обозначения входов и выходов:

AI – аналоговый вход AO – аналоговый выход

AI.C – общая точка AO.C – общая точка аналоговых входов выходов

DI – дискретный вход DO – дискретный выход

DI.C – общая точка MO – средняя точка между парой дискретных входов дискретных выходов

Аппаратное устройство вывода информации включает в себя "сухие" ключи дискретных выходных сигналов D0.1…D0.5 и устройство преобразования аналоговых выходных сигналов А0.U, А0.I, с гальваническим разделителем ГР.

Блок питания формирует напряжения постоянного тока для питания всех узлов контроллера и внешних устройств (датчиков).

Интерфейсы:

На основной плате: RS485;

Выполненный в виде дополнительно подключаемого интерфейсного субмодуля либо входящий в состав пульта: RS232С.

Пульт управления: субмодуль, используется в качестве устройства ввода вывода информации и для ручного управления выходами контроллера. Имеет полнения:

МД8.1 – без часов и узла интерфейса RS232С;

МД8.1-01 – с часами и узлом интерфейса RS232С (для исполнения МС5.111).

Похожие работы на - Приборы комплекса Контар: контроллеры МС8, МС5, модули релейные MR8

 

Не нашли материал для своей работы?
Поможем написать уникальную работу
Без плагиата!
Без нейросетей!