Механизмы компрессора
КУРСОВОЙ ПРОЕКТ
на тему: «Механизмы
компрессора»
1.
Структурный анализ механизмов
1.1 Структурный анализ рычажного механизма
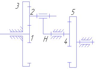
Рисунок 1.1. Подвижные
звенья механизма
1-кривошип
2-шатун
3-ползун
4-шатун
5-ползун
Кинематические
пары.
О (0-1),вр.,5
кл.
А (1-4),вр.,5
кл.
А'(1-2),вр.,5
кл.
В (2-3),вр.,5
кл.
В'(3-0),пост.,5
кл.
С (4-5),вр.,5
кл.
С'(5-0),пост.,5
кл.
Найдём число
степеней свободы.
Запишем
формулу Чебышева.
W=3∙n-2∙P5-P4 (1.1)
Где, W-число степеней свободы,
n-число подвижных звеньев,
P4 - число пар 4-го класса,
P5 - число пар 5-го класса.
W=3∙5-2∙7=1
Число
степеней свободы рычажного механизма равно 1.
Разобьём
механизм на группы Асура и рассмотрим каждую группу в отдельности.
Группа 2-3 (Рисунок 1.2)
A'(1-2)-внешняя
B'(3-0)-внешняя
B (2-3)-внутренняя
W=3∙2-2∙3=0
II кл. 2 вид Рисунок 1.2
Группа 4-5 (Рисунок 1.3)
А (1-4)-внешняя
С' (5-0)-внешняя
C (4-5)-внутренняя
W=3∙2-2∙3=0
II кл. 2 вид
O (0-1)
W=3-2=1
Рисунок 1.4
Составим
структурную формулу:
Механизм
является механизмом 2кл.,2в..
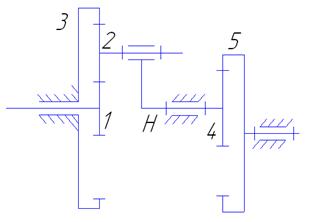
Рисунок 1.5.
Подвижные звенья механизма
1 – центральное
колесо
2 – сателлит
3 – зубчатое
колесо
H – водило
4 – зубчатое
колесо
5 – зубчатое
колесо
Кинематические
пары.
(1-0),вр.,5
кл.
(5-0),вр.,5
кл.
(2-H),вр.,5 кл.
(4-0),вр.,5
кл.
(1-2),вр.,4
кл.
(2-3),вр.,4
кл.
(4-5),вр.,4
кл.
Найдём число
степеней свободы.
Исходя из
формулы Чебышева имеем,
W=3∙4-2∙4-3=1
Число
степеней свободы зубчатого механизма равно 1, следовательно, данный механизм
является планетарным.
1.3 Структурный анализ кулачкового механизма
Рисунок 1.6. Подвижные
звенья механизма
1-кулачок
2-ролик
3-коромысло
Кинематические
пары.
О (1-0),вр.,5
кл.
А (3-0),вр.,5
кл.
В (2-3),вр.,5
кл.
С (1-2),пост.,4
кл.
Найдём число
степеней свободы.
W=3∙n-2∙P5-P4
W=3∙3-2∙3-1=2
Число
степеней свободы равно 2.
Так как W≠1, то присутствует
лишнее звено - ролик.
2.
Динамический анализ рычажного механизма
2.1 Определение скоростей
Для заданной
схемы механизма строим 12 положений.
Определяем
масштабный коэффициент построения механизма:
(2.1)
где,
- масштабный коэффициент,
- длина звена,
- длина звена на чертеже,

Запишем
длинны звеньев механизма на чертеже


Приступаем к
построению повёрнутых планов скоростей для каждого положения. Рассмотрим пример
построения для положения №5:
У кривошипа
определяем скорость точки А
(2.2)
где,
- длина звена,
- угловая скорость кривошипа,


Для
построения вектора скорости точки А определяем масштабный коэффициент
(2.3)
где,
- скорость точки А,
- вектор скорости точки А,
- полюс, выбираемый произвольно

Для
определения скорости точки B запишем систему уравнений:
(2.4)

- из задания
Для
определения скорости центра масс 2-го звена S2 воспользуемся
соотношением:
(2.5)
где,
,
-
расстояния между соответствующими точками на механизме, м
,
-
длинны векторов скоростей на плане, мм
мм
Соединив,
точку
и π получим скорость центра масс
второго звена.

Для
определения скорости точки C запишем систему уравнениё:
(2.6)

- из задания
Для
определения скорости центра масс 4-го звена S4 воспользуемся
соотношением:
(2.7)
где,
,
-
расстояния между соответствующими точками на механизме, м
,
-
длинны векторов скоростей на плане, мм
мм
Соединив,
точку
и π получим скорость центра масс
второго звена.

Определим
значения угловых скоростей звеньев.


Направление
определяем, перенеся вектор ab в точку S2 – второе звено вращается
против часовой стрелки. Аналогично получим, что
направлена
по часовой стрелке.
Скорости
точек остальных положений определяются аналогичным образом. Все значения сводим
в таблицу(2.1).
Таблица 2.1 –
Значения линейных и угловых скоростей
|
N
положения
|
VB=VS3,
|
VS2,
|
VС=VS5,
|
VS4,
|
VBA= VCA,
|
= ,
|
|
1
|
0
|
5,58
|
0
|
5,58
|
8,37
|
33,48
|
|
2
|
5,36
|
6,66
|
3,01
|
6,14
|
7,34
|
29,37
|
|
3
|
8,46
|
8,14
|
6,04
|
7,39
|
4,36
|
17,42
|
|
4
|
8,37
|
8,37
|
8,37
|
8,37
|
0
|
0
|
|
5
|
6,04
|
7,39
|
8,46
|
8,14
|
4,36
|
17,42
|
|
6
|
3,01
|
6,14
|
5,36
|
6,66
|
7,34
|
29,37
|
|
7
|
0
|
5,58
|
0
|
5,58
|
8,37
|
33,48
|
|
8
|
3,01
|
6,14
|
5,36
|
6,66
|
7,34
|
29,37
|
|
9
|
6,04
|
7,39
|
8,46
|
8,14
|
4,36
|
17,42
|
|
10
|
8,37
|
8,37
|
8,37
|
8,37
|
0
|
0
|
|
11
|
8,46
|
8,14
|
6,04
|
7,39
|
4,36
|
17,42
|
|
12
|
5,36
|
6,66
|
3,01
|
6,14
|
7,34
|
29,37
|
Приведённый
момент инерции определяется по формуле:
(2.8)
где,
- масса i-го звена рычажного
механизма, кг
- линейная скорость центра масс i-го звена,
- угловая скорость i-го звена,
- приведённый момент инерции i-го звена по отношению к
центру масс
(2.9)
- для звена, совершающего сложное
движение
- для звена, совершающего вращательное
или колебательное движения
- для звена, совершающего
поступательное движение
Запишем
формулу для нашего механизма:
(2.10)
Для 5-го
положения приведём расчёт, а для остальных положений сведём значение
в таблицу 2.2
кг∙м2
кг∙м2
кг∙м2
Записав
формулу (2.11) для положения №5 и подставив известные величины, получим:
Таблица 2.2 –
Приведённые моменты инерции
|
N положения
|
,
кг∙м2
|
N положения
|
,
кг∙м2
|
|
1
|
0,0592
|
7
|
0,0592
|
|
2
|
0,0886
|
8
|
0,0886
|
|
3
|
0,1441
|
9
|
0,1441
|
|
4
|
0,1701
|
10
|
0,1701
|
|
5
|
0,1441
|
11
|
0,1441
|
|
6
|
0,0886
|
12
|
0,0886
|
Для
построения графика приведённого момента инерции необходимо Рассчитать
масштабные коэффициенты.
,
(2.11)
где,
- масштабный коэффициент по оси
- максимальное значение
, кг∙м2
- значение
на
графике, мм

,
(2.12)
где,
- масштабный коэффициент по оси φ
- принятая длинна одного оборота по оси
φ

Определим
максимальную силу
, которая действует на ползун
В по следующей формуле:
(2.13)
где,
- Максимальное индикаторное давление,
- диаметр поршня,

Определим
расстояние от оси
до графика по формуле (2.14)

На планах
скоростей прикладываем все силы, действующие на механизм, и указываем их плечи.
Составляем сумму моментов относительно полюса и решаем уравнение.
Для 1-го
положения:
(2.14)
где,
плечи соответствующих сил, снятые с
плана скоростей, мм.
H,
, во всех положениях
H
Находим
момент привидения:
(2.15)
где,
- приведённая сила, Н
- длина соответствующего звена, м
Н∙м
Для 2-го
положения:
H
Н∙м
Для 3-го
положения:
H
Н∙м
Для 4-го
положения:
H
Н∙м
Для 5-го
положения:
H
Н∙м
Для 6-го
положения:
H
Н∙м
Для 7-го
положения:
H
Н∙м
Для 8-го
положения:
H
Н∙м
Для 9-го
положения:
H
Н∙м
Для 10-го
положения:
H
Н∙м
Для 11-го
положения:
H
Н∙м
Для 12-го
положения:
H
Н∙м
Таблица 2.4 –
Приведённые моменты сопротивления
|
N положения
|
,
|
N положения
|
,
|
|
1
|
8,88
|
7
|
8,88
|
|
2
|
650,08
|
8
|
634,72
|
|
3
|
180,7
|
9
|
171,81
|
|
4
|
681,01
|
10
|
681,01
|
|
5
|
1665,43
|
11
|
1674,32
|
|
6
|
1242,3
|
12
|
1257,69
|
Определяем
масштабный коэффициент построения графика моментов сопротивления:
,
(2.16)
где,
- масштабный коэффициент по оси
- максимальное значение
,
- значение
на
графике, мм

По данным
расчёта строится график
.
Путём
графического интегрирования графика приведённого момента строится график работ
сил сопротивления
.
График работ
движущих сил
получаем в виде прямой, соединяющей
начало и конец графика работ сил сопротивления.
Масштабный
коэффициент графика работ:
,
(2.17)
где, Н –
полюсное расстояние для графического интегрирования, мм
Н=60мм

Момент
движущий
является величиной постоянной и
определяется графически.

Путём
вычитания ординат графика
из соответствующих
ординат
строится график изменения кинетической
энергии
.
(2.18)

По методу Ф.
Витенбауэра на основании ранее построенных графиков
и
строим диаграмму энергия-масса
.
Определяем
углы
и
под
которыми к диаграмме энергия-масса, проводятся касательные.
(2.19)
(2.20)
где,
- коэффициент неравномерности вращения
кривошипа.
Из чертежа
определим

Определяем
момент инерции маховика
,
(2.21)

Маховик
устанавливается на валу звена приведения.
Определим
основные параметры маховика.
,кг (2,22)
где,
- масса маховика, кг
- плотность материала,
(материал-Сталь 45)
- ширина маховика, м
- диаметр маховика, м
,м (2,23)
где,
- коэффициент (0,1÷0,3),
м
м
кг
3.
Силовой анализ рычажного механизма
3.1 Построение плана скоростей для расчётного
положения
Расчётным
положением является положение №11. Построение плана скоростей описано в разделе
№2. Масштабный коэффициент плана скоростей

3.2 Определение ускорений
Определяем
угловое ускорение звена 1.
, (3.1)
где,
- момент от сил движущих,
- момент от сил сопротивления,
- приведённый момент инерции маховика,
- приведённый момент инерции рычажного
механизма для расчётного положения,
- первая производная от приведённого
момента инерции механизма для расчётного положения
, (3.2)
где,
- масштабный коэффициент по оси
,
- масштабный коэффициент по оси φ,
- угол между касательной, проведённой к
кривой графика
в расчётном положении и осью φ.

Знак минуса
говорит о том, что кривошип ОА замедляется. Направляем
против
направления
и берём значение ускорения по модулю.
Строим план
ускорений для расчётного положения.
Скорость
точки А определяем по формуле
, (3.3)
где,
- ускорение точки А,
- нормальное ускорение точки А
относительно точки О,
- тангенциальное (касательное)
ускорение точки А,
Ускорение
найдём по формуле:
, (3.4)
где,
- угловая скорость кривошипа,
- длина звена ОА, м

Ускорение
найдём по формуле:
, (3.5)

Из
произвольно выбранного полюса
откладываем вектор
длиной 100 мм. Найдём масштабный
коэффициент плана скоростей.
, (3.6)

Определим
длину вектора
:
Ускорение
точки А определим из следующеё формулы:

Определим
ускорение точки B из следующей системы уравнений:
, (3.7)
Для
определения нормальных ускорений точки В относительно точек А и С
Воспользуемся
следующими формулами:

Определим
длину векторов
:

Ускорение направляющей
равно нулю, т.к. она неподвижна.
Кореолисово
ускорение точки В относительно направляющей
рано
нулю, т.к. точка В движется только поступательно относительно
.
Ускорение
точки В найдём, решив системе (3.7) векторным способом:
Из вершины
вектора ускорения точки А (
) откладываем вектор
(параллелен звену АВ и направлен от В к
А), из вершины вектора
проводим
прямую перпендикулярную звену АВ (линия действия
); из
полюса
проводим горизонтальную прямую (линия
действия
); на пересечении линий действия
векторов
и
получим
точку b,
соединив полученную точку с полюсом, получим вектор ускорения точки В.
Из плана
ускорений определяем вектор ускорения точки В и вектор тангенциального
ускорения
:


Ускорение
сочки С определяем аналогично ускорению точки B.

Определим
длину векторов
:



Из полученных
тангенциальных ускорений найдём угловые ускорения 2-го и 3-го звеньев:

Определим
ускорения центров масс звеньев:
Ускорение
центра масс 2-го звена
найдём из соотношения (3.10)
(3.8)
Из плана
ускорений
мм
мм
мм

Ускорение
центра масс 4-го звена
найдём из соотношения (3.11)
(3.9)
Из плана
ускорений
мм
мм
мм

Ускорения
центров масс 3-го и 5-го звеньев равны ускорениям точек D и D’ соответственно:


Значения всех
ускорений сведём в таблицу:
Таблица 3.1 –
Ускорения звеньев
|
Ускорение
точек механизма
|
Значение,
|
Ускорение
центров масс и угловые
ускорения
|
значение, ,
|
|
|
|
|
|
|
|
|
|
|
|
|
|
|
|
|
|
|
|
|
|
|
|
|
|
|
|
|
|
|
|
|
|
|
|
|
|
|
---
|
---
|
|
|
|
---
|
---
|
3.3 Определение сил и моментов инерции звеньев
Силы инерции
определяем по формуле:
(3.10)
где.
- масса i-го звена, кг;
- ускорение центра масс i-го звена,




Определяем
моменты инерции звеньев:
(3.11)
где,
- момент инерции i-го звена,
- момент инерции i-го звена относительно
центра масс,
- угловая скорость i-го звена,



Рассчитаем
силу тяжести каждого звена:





3.4 Определение реакций в кинематических парах и
уравновешивающей силы методом планов
Рассмотрим
группу Асура 2-3:
Найдём
тангенциальную реакцию из следующего уравнения:
(3.12)
Из уравнения
(3.12) получим
С помощью
плана сил определим неизвестные реакции
и
:
Найдём
масштабный коэффициент

Из плана сил
определяем значения неизвестных сил:


Реакцию
определяем из следующего векторного
уравнения

найдём из векторного уравнения
, отсюда 
Таблица 3.3 –
Силы и вектора сил 2-го и 3-го звеньев
|
|
|
|
|
|
|
|
|
|
|
|
9196,598
|
2149,35
|
9444,472
|
6572,285
|
83,3
|
384,65
|
47,04
|
2981,904
|
1370,979
|
|
|
279,86
|
65,4
|
287,4
|
200
|
2,53
|
11,7
|
1,43
|
90,74
|
41,72
|
Рассмотрим
группу Асура 4-5:
Найдём
тангенциальную реакцию из следующего уравнения:
(3.13)
Из уравнения
(3.13) получим
С помощью
плана сил определим неизвестные реакции
и
:
Найдём
масштабный коэффициент

Из плана сил
определяем значения неизвестных сил:


Реакцию
определяем из следующего векторного
уравнения

найдём из векторного уравнения
, отсюда 
Таблица 3.3 –
Силы и вектора сил 2-го и 3-го звеньев.
|
|
|
|
|
|
|
|
|
|
|
|
13499,197
|
3550,439
|
13958,357
|
7378,425
|
83,3
|
24183,7
|
47,04
|
4432,944
|
3459,338
|
|
|
365,91
|
96,24
|
378,356
|
200
|
2,25
|
655,524
|
1,27
|
120,159
|
93,769
|
Рассмотрим
начальный механизм.
Определим
уравновешивающую силу

Уравновешивающий
момент равен

Реакцию
определяем графически

Из плана сил
находим

Для этого к
повёрнутому на
плану скоростей в
соответствующих точках прикладываем все внешние силы действующие на механизм,
не изменяя их направления. Моменты раскладываем на пару сил, изменив их направления.
, (3.14)
где,
и
-
пара сил,
- момент инерции i-го звена,
- длина i-го звена,



Записываем
уравнение моментов сил относительно полюса
:
, отсюда
Уравновешивающий
момент равен

3.6 Расчёт погрешности 2-х методов
, (3.15)
где,
- сила полученная методом Жуковского,
- сила полученная методом планов,
- погрешность,
4.1 подбор числа зубьев и числа сателлитов
планетарного редуктора
Рисунок 4.1
Определим неизвестное
число зубьев 3-го колеса из условия соосности:
(4.1)
где,
- число зубьев 1-го колеса
- число зубьев 2-го колеса
Определим
передаточное отношение
(4.2)
где,
- передаточное отношение от 1-го звена
к водилу, при неподвижном третьем звене
(4.3)
где,
- число зубьев 4-го колеса
- число зубьев 5-го колеса
(4.4)
где,
- передаточное число от 1-го ко 3-му
колесу при неподвижном водиле
(4.5)
где,
- передаточное число от 1-го ко 2-му
колесу
- передаточное число от 2-го ко 3-му
колесу
Проверяем
условие соседства:
(4.6)
где,
- число сателлитов планетарного
механизма
Из формулы
(4.4) выразим K
Примем
- условие соседства выполняется
Проверяем
условие сборки
(4.7)
где,
- сумма чисел зубьев в одной из
ступеней механизма
- целое число
- условие сборки выполняется
4.2 Исследование планетарного механизма
графическим и аналитическим способом
Рассчитаем
радиусы колёс
(4.8)
где,
- радиус колеса,
- модуль





Изображаем
механизм в выбранном масштабе

(4.9)
Определим
радиусы колёс на схеме





Строим план
линейных скоростей. Для построения прямой распределения скоростей точек звена
необходимо знать скорости двух точек. Для 1-го звена это точки А и О. Скорость
точки О равна нулю, так как ось неподвижна. Скорость точки А определим по
формуле
(4.10)
где,
- угловая скорость 1-го звена,
Угловую
скорость 1-го звена определим по формуле
(4.11)
где,
- частота вращения двигателя,


Определим угловую
скорость вращения водила и второго зубчатого колеса


Вектор
скорости точки А
изображаем в виде отрезка Aa. Принимаем
.
Определим
масштабный коэффициент
(4.12)
где,
- масштабный коэффициент скорости,

Прямая Оа
является линией распределения скоростей точек 1-го звена.
Скорость
точки В равна нулю, так как колесо 3 неподвижно.
Прямая Оb является линией
распределения скоростей тачек водила.
Строим план
угловых скоростей.
Из
произвольно выбранной точки Р строим пучок лучей, параллельных прямым Оа, Оb и Eb. При пересечении этих
прямых с горизонтальной осью расположенной от точки Р на произвольном
расстоянии РS,
получим отрезки S1, S5 и SH, которые являются аналогами угловых скоростей.
Найдём
передаточное отношение
(4.13)
Рассчитаем
погрешность двух методов
(4.14)
где,
- передаточное отношение, заданное в
условии
- передаточное отношение найденное с
помощью плана угловых скоростей
4.3 Расчёт параметров зубчатых колёс
Рассчитываем
смещение колёс
Так как
, то
Так как
, то
Коэффициент
суммы смещений
(4.15)
где,
- смещение 1-го колеса
- смещение 2-го колеса
Определим
угол зацепления по формуле
(4.16)
где,
,
-
эвольвентная функция углов
и
Межосевое
расстояние определим по формуле
(4.17)
где,
- модуль зубчатой передачи

Определим
делительные диаметры
(4.18)


Делительное
межосевое расстояние
(4.19)

Коэффициент
воспринимаемости смещения
(4.20)
где,
- межосевое расстояние,
- делительное межосевое расстояние,
Коэффициент
уравнительного смещения
(4.21)
Определим
радиусы начальных окружностей
(4.22)


Радиусы
вершин зубьев
(4.23)
где,
- коэффициент высоты головки зуба


Радиусы
впадин зубьев
(4.24)
где,
- коэффициент радиального зазора


Высота зуба
(4.25)


Толщины
зубьев по делительной окружности
(4.26)


Радиусы
основных окружностей
(4.27)


Углы профиля
в точке на окружности вершин
(4.28)
Толщины
зубьев по окружности вершин
(4.29)
Проверим
зубья на заострение
(4.30)
Зубья удовлетворяют условию заострения
Угловой шаг
зубьев
(4.31)
Для 1-го
колеса:
(4.32)
где,
- коэффициент относительного скольжения
1-го зубчатого колеса
- передаточное отношение от второго
колеса к первому
- длина теоретической линии зацепления
- переменное расстояние от точки
к точке
и
Для 2-го
колеса:
(4.33)
Определим
масштабный коэффициент относительного скольжения
Результаты
сводим в таблицу
Таблица 4.1 –
Коэффициенты скольжения
|
,
|
|
,
|
|
,
|
|
0
|
|
|
1
|
25
|
|
20
|
-8,2605
|
-206,51
|
0,892014
|
22,3
|
|
40
|
-3,13025
|
-78,26
|
0,757884
|
18,95
|
|
60
|
-1,42017
|
-35,50
|
0,586805
|
14,67
|
|
80
|
-0,56513
|
-14,13
|
0,361073
|
9,03
|
|
100
|
-0,0521
|
-1,3
|
0,04952
|
1,24
|
|
120
|
0,289917
|
7,25
|
-0,40829
|
-10,21
|
|
140
|
0,534214
|
13,36
|
-1,14691
|
-28,67
|
|
160
|
0,717438
|
17,94
|
-2,53904
|
-63,48
|
|
180
|
0,859944
|
21,5
|
-6,14002
|
-153,5
|
|
200
|
0,97395
|
24,35
|
-37,3877
|
-934,69
|
|
224,28
|
1
|
25
|
|
|
4.5 Определение коэффициента перекрытия зубчатой
передачи графическим и аналитическим способом
Коэффициент
перекрытия зубчатой передачи определяем (графически) по формуле
(4.34)
где,
- длина активной линии зацепления
- основной шаг,
Для
определения коэффициента перекрытия зубчатой передачи аналитически
воспользуемся формулой
(4.35)
где,
- углы профиля в точке на окружности
при вершине
- угол зацепления
5.1 Вычисление масштабных коэффициентов диаграмм
движения толкателя
После
построения и графического интегрирования заданного графика аналога ускорения
толкателя мы получили диаграмму аналога скорости толкателя, которую также
графически интегрируем, в результате также получаем диаграмму аналога пути
толкателя.
Исходя из
диаграммы пути, определяем масштабные коэффициенты на фазе удаления и фазе
возврата. Воспользуемся для этого формулой
(5.1)
где,
- масштабный коэффициент для графика
пути,
- ход толкателя,
- максимальное значение пути,
Для фазы
удаления

Для фазы
возврата

Определим
масштабный коэффициент по углу
(5.2)
где,
- рабочая фаза,
- расстояние между 1-й и 18-й точками
на чертеже.


Определим
масштабные коэффициенты для диаграммы скорости
(5.3)
где,
- масштабный коэффициент скорости,
- полюсное расстояние на диаграмме
скорости,
Для фазы
удаления

Для фазы
возврата

Определим
масштабные коэффициенты для аналога ускорения
(5.4)
где,
- масштабный коэффициент ускорения,
- полюсное расстояние на диаграмме
ускорения,
Для фазы
удаления

Для фазы
возврата

5.2 Определение минимального радиуса кулачка
Для его
нахождения исходными данными являются график пути и график скоростей
и
, ход
толкателя
, угол давления
,
эксцентриситет
На основании
этих данных строится зависимость
.
По оси
откладываются расстояния пути, которые
берутся с графика пути в определённом масштабе, т.к. у нас разные масштабы на
фазе удаления и фазе возврата, то мы должны привести их к одному.
Найдём
поправочные коэффициенты
(5.5)
где,
- поправочный коэффициент
- новый масштабный коэффициент,
одинаковый для оси
и
, он
принимается произвольно.
Через
полученные точки на линии параллельной
откладываем
отрезки аналогов скоростей для соответствующего интервала, взятые с графика
скорости.
Отрезок
скорости приводится к тому же масштабу, что и графики пути.
Определим
поправочные коэффициенты
(5.6)
где,
- поправочный коэффициент
После
построения получили некоторую кривую, к ней под углом
проводим
касательные.
Из области
выбора центра
выбираем с учётом масштаба

.
5.3 Определение углов давления
Найдём
зависимость угла давления
от угла
.
(5.7)
где,
- угол давления,
- расстояние
,
- длина коромысла АВ,
- отрезок скорости,
- угол между отрезком АВ и расчётной
прямой на чертеже,
Произведём
расчёт при
Остальные
значения угла давления определяем аналогично, и результаты сносим в таблицу
Таблица 5.1 –
Углы давления
|
|
0
|
14,37
|
27,75
|
43,12
|
57,5
|
71,87
|
86,25
|
100,62
|
115
|
|
|
-13,56
|
13,91
|
30,29
|
35,8
|
35,27
|
32,23
|
26,84
|
19,45
|
10,04
|
|
|
135
|
152,5
|
170
|
187,5
|
205
|
222,5
|
240
|
257,5
|
275
|
|
|
10,04
|
-0,31
|
-10,52
|
-19,58
|
-27,28
|
-34,7
|
-36,88
|
-30,67
|
-13,56
|
При
построении используем следующие масштабные коэффициенты
Определим
полярные координаты для построения центрового профиля кулачка.
(5.8)
где,
- радиус вектор,
- отрезок пути,
(5.9)

(5.10)
Рассчитываем
и
для
положения 5


Все остальные значения сводим в таблицу
|
Полож
|
1
|
2
|
3
|
4
|
5
|
6
|
7
|
8
|
9
|
|
|
0
|
14,37
|
28,75
|
43,12
|
57,5
|
71,87
|
86,25
|
100,62
|
115
|
|
|
20
|
21,24
|
24,7
|
29,89
|
36
|
42,11
|
47,3
|
50,76
|
52
|
|
Полож
|
10
|
11
|
12
|
13
|
14
|
15
|
16
|
17
|
18
|
|
|
135
|
152,5
|
170
|
187,5
|
205
|
222,5
|
240
|
257,5
|
275
|
|
|
52
|
50,58
|
46,96
|
41,85
|
36
|
29,53
|
25,04
|
21,42
|
20
|
|
|
|
|
|
|
|
|
|
|
|
|
|
|
|
|
|
Определим
масштабный коэффициент для построения кулачка

По полученным
значениям
и
строим
центровой профиль кулачка. Для этого в масштабе
проводим
окружность радиусом
.
От радиуса
в направлении противоположном вращению
кулачка, отложим полярные углы
, на сторонах которых
отложим
. Соединив плавной кривой концы
радиусов-векторов получим центровой профиль кулачка.
Действительный
профиль кулачка найдём, как кривую, отстоящую от центрового профиля на
расстоянии, равном радиусу ролика.
Определим
радиус ролика
(5.11)
где,
- радиус ролика,

(5.12)
где,
- радиус кривизны профиля кулачка,
определяется графически
Радиус
кривизны профиля кулачка приближённо определяется как радиус вписанной
окружности участка кулачка, где его кривизна кажется наибольшей. На этом
участке произвольно выбираются точки
. Точку
соединим с точками
и
. К
серединам получившихся хорд восстановим перпендикуляры, точку пересечения
которых примем за центр вписанной окружности.

Принимаем 
На центровом
профиле кулачка выбираем ряд точек, через которые проводим окружность с
радиусом ролика. Огибающая эти окружности является действительным профилем
кулачка.
Литература
1. Артоболевский И.И. Теория механизмов и машин;
Учеб. для втузов. – 4-е изд., перераб. и доп. – М.: Наука. 1988;
2. Девойно Г.Н. Курсовое проектирование по
теории механизмов и машин. 1986.