|
Рдв, кВт
|
Скольжение, %
|
nдв, мин-1
|
dэд, мм
|
|
|
11
|
3,5
|
1500
|
38
|
2,7
|
2.2 Определим передаточное число привода и его
ступеней;
,
nном – номинальная частота вращения двигателя;
n3 – частота вращения приводного вала рабочей машины,
nном =
об/мин.
.
Принимаем
предел передаточных чисел;
Цилиндрическая
закрытая 2 ÷ 7,1;
Червячная
закрытая 8 ÷ 35,5
,
Примем
передаточное число червячной передачи uч = 10, тогда
,
Примем
передаточное число цилиндрической передачи uц = 4.
2.3 Определение силовых
и кинематических параметров привода
Мощность:
Двигателя
кВт,
Быстроходного
вала
кВт,
Среднего
вала
кВт,
Тихоходного
вала
кВт,
Рабочей
машины
кВт.
Частота вращения;
Двигателя
мин-1,
Быстроходного
вала
мин-1,
Среднего
вала
мин-1,
Тихоходного
вала
мин-1,
Рабочей
машины
мин-1.
Угловая скорость;
Двигателя
с-1,
Быстроходного
вала
с-1,
Среднего
вала
с-1,
Тихоходного
вала
с-1,
Рабочей
машины
с-1.
Вращающий момент;
Двигателя
Н×м,
Быстроходного
вала
Н×м,
Среднего
вала
Н×м,
Тихоходного
вала
Н×м,
Рабочей
машины
Н×м.
3. Выбор
материалов зубчатых передач
Выбор материалов колес для
цилиндрической передачи.
Для
равномерного изнашивания зубьев и лучшей их прирабатываемости твёрдость
шестерни, назначим больше твёрдости колеса. Для уменьшения габаритов и
металлоемкости редуктора примем значения твёрдости рабочей поверхности зубьев
завышенными. Материалы для колёса и шестерни выберем, легированные стали: По
табл.3.3 [1.] принимаем:
Первая
передача.
Шестерня
- Сталь 12ХН3А 55…59 HBС, термообработка цементация, Dпред = 125 мм. Средняя твердость
,
НВ = 570.
Колесо
- Сталь 40Х улучшение 235…262 HB2,
термообработка улучшение, Sпред = 125 мм. Средняя твердость
, НВ = 455.
Разность
средних твердостей
.
Определяем
допускаемые контактные напряжения:
Определяем
коэффициент долговечности KHL:
,
Колесо:
где
NHO2 =68 млн.
циклов, число циклов перемены напряжений;
N2 - число циклов перемены напряжений за весь срок
службы:
циклов.
Так
как NHO2> N2, то;
.
Шестерня:
где
NHO1 =114
млн. циклов, число циклов перемены напряжений;
N1 - число циклов перемены напряжений за весь срок
службы:
циклов.
Так
как NHO1> N1, то;
Определим
допускаемое контактное напряжение [σ]НО.
Шестерня:
Н/мм2.
Колесо:
Н/мм2.
Определим
допускаемое контактное напряжение для зубьев шестерни и колеса.
Шестерня:
Н/мм2.
Колесо:
Н/мм2.
Так
как передача цилиндрическая прямозубая при НВср1-НВср2>70,
то дальнейший расчет будем вести по менее прочным зубьям, то есть по колесу.
1127 Н/мм2.
Определим
допускаемое напряжение изгиба.
Рассчитаем
коэффициент долговечности:
,
где
NFO = 4∙106 – число циклов перемены
напряжения для всех сталей,
наработка
за весь срок службы: для шестерни
циклов, для колеса
циклов.
Так
как N1>NFO и N2>NFO, то коэффициент долговечности KFL = 1.
По
таблице 3.1 допускаемые напряжения изгиба, соответствующие числу циклов
перемены напряжения:
Шестерня:
Н/мм2.
Колесо:
Н/мм2.
Допускаемые
напряжения изгиба определяем по формуле:
Шестерня:
Н/мм2.
Колесо:
Н/мм2.
дальнейший
расчет будем вести по менее прочным зубьям, то есть по колесу.
[σ]F = 469 Н/мм2.
Выбор материалов колес для червячной передачи.
Червяки
изготавливают из тех же сталей что и шестерни зубчатых передач. Материал
червяка назначают по таблице 3.1, 3.2 [1], а термообработку принимают в
зависимости от мощности на валу. При Р = 11 кВт > 1 кВт, с целью повышения
КПД принимаем;
Червяк
- Сталь 12ХН3А 50…55 HBС, термообработка цементация, Dпред = 125 мм. Средняя твердость
,
НВ = 505.
Выбор
марки материала червячного колеса зависит от скорости скольжения. Скорость
скольжения определяется по формуле:
,
м/с.
В
соответствии со скоростью скольжения из группы 1 принимаем материал колеса;
Колесо
– БрО10Н1Ф1 (центробежное литье), σв = 285 Н/мм2,
σт = 165 Н/мм2.
Определяем
допускаемые контактные напряжения изгиба.
Допускаемые
напряжения определяют по табл. 3.6. так
как группа материалов 1, а твердость червяка > 45 HRC, то
определяем по формуле;
,
где
Сυ = 0,94, коэффициент, учитывающий износ колес,
КHL – коэффициент долговечности,
,
где
N – число циклов нагружения зубьев червячного колеса;
циклов.
.
Н/мм2.
KFL -
коэффициент долговечности,
,
где
N – число циклов нагружения,
циклов,
Так
как
то
.
.
При
нереверсивной передаче
Н/мм2.
4. Расчет зубчатых передач
4.1 Расчёт закрытой
цилиндрической прямозубой зубчатой передачи
Определим межосевое расстояние:
,
где Ка = 49,5
вспомогательный коэффициент для прямозубых передач;
Yа = b2 / а –
коэффициент ширины венца колеса, равны 0,28…0,36;
Тн = 1870 Н´м – вращающий момент на выходном
валу редуктора;
u
= 4 - передаточное отношение пары.
КНb = 1- коэффициент
неравномерности нагрузки по длине зуба;
мм.
Принимаем
ближайшее по ГОСТ 2185-66 аw = 180 мм.
Определим
модуль зацепления m, мм:
,
где
Кm=6,8 – вспомогательный коэффициент;
d2 – делительный диаметр колеса,
мм;
b2 – ширина венца колеса,
мм;
Примем
b2=44 мм.
[σ]F =469 Н/мм2 – допускаемое напряжение изгиба материала колеса
с менее прочным зубом;
.
Принимаем
по ГОСТ2185-66 m = 4 мм.
Определим
суммарное число зубьев шестерни и колеса:
;
Примем
ZS =90 зубьев.
Определим число зубьев шестерни:
;
Примем
Z1 =18 зуба.
Тогда
Z2
= ZS - Z1 = 90 - 18 =72.
Фактическое
значение передаточного числа
Uф
= Z2/Z1 = 72/18 =4
DU=
=
= 0
%,
что
меньше допускаемых 4%.
Определим
фактическое межосевое расстояние:
мм.
Определяем
основные геометрические параметры шестерни и колеса. Полученные значения сведём
в таблицу 4.1.
Таблица
4.1
|
Параметр
|
Формула
|
Шестерня
|
Колесо
|
|
мм
|
Диаметр
|
делительный
|
d = mZ
|
72
|
288
|
|
Вершин зубьев
|
dа = d+2m
|
80
|
296
|
|
Впадин зубьев
|
df = d-2,4m
|
62,4
|
278,4
|
|
Ширина венца
|
b2 = Yа´а
b1 = b2 + 4
|
48
|
44
|
Проверочный расчет
Проверим межосевое
расстояние:
мм.
Проверка зубьев по
контактным напряжениям:
sН =
< [s]Н,
где
КН = КНb ´ КНa ´ КНn - коэффициент нагрузки.
По таблице 4.2 при
м/с и 9 степени точности КНa =1– коэффициент учитывающий распределенные нагрузки.
По таблице 4.3. для
косозубых колёс при и 9 степени точности имеем КНv = 1,051;
К – вспомогательный
коэффициент, К=436;
Ft – окружная сила в зацеплении,
Н;
Средние
крутящий момент на колесе,
.
sН =
Н/мм2.
sН= 1011 МПа < [s]Н =1127
Н/мм2
в
передаче имеется недогрузка которая не должна превышать 10 %;
,
условие
выполняется.
Проверка зубьев на выносливость по напряжениям изгиба:
.
где
Ft – окружная сила в зацепление, Н;
КFα =1 – коэффициент, учитывающий распределенные нагрузки;
КFβ =1 – коэффициент неравномерности нагрузки;
КFυ =1,13 – коэффициент динамической нагрузки;
Yβ =
- коэффициент, учитывающий наклон
зубьев;
YF1 и YF2 – коэффициент формы зуба
шестерни и колеса:
YF1= 4,2 при
,
YF2=3,61 при
.
Н/мм2,
Н/мм2.
условие
выполняется.
5. Нагрузки валов редуктора
5.1 Определим силы в зацеплении закрытых передач
Червячная передача
Окружная
Н.
Н,
Радиальная
Н.
Осевая
Н.
Н.
В проектируемом приводе цилиндрические
пары с углом наклона зуба β=00, угол зацепления принят
α=200.
Цилиндрическая передача.
Окружная
Н,
Н.
Радиальная
Н.
5.2 определение
консольных сил
В проектируемом приводе учитывается
нагрузка вызываемая муфтами соединяющая редуктор с кормоприготовительным
комбайном и двигатель с редуктором.
Консольная сила муфты на быстроходном валу редуктора.
Н×м.
Выберем
муфту втулочно-пальцевую 250-38-1.1-32 – 11.2-У2 ГОСТ 21424-75
Консольная сила муфты на тихоходном валу редуктора.
Н×м.
Выберем
муфту цепную 2000-80-1.1×80-1.2-У3 ГОСТ 20742-81,
5.3 Силовая схема нагружения валов редуктора
6. Проектный расчет валов
6.1
Выбор материалов валов
В проектируемом редукторе выбираем одинаковую для всех
валов сталь 45, термически обработанную.
6.2
Определение допускаемых напряжений на кручение
Предварительный расчет на кручение
проводится по пониженным допускаемым напряжениям. Для стали 45 - [tк] =
10…20 Н/мм2 без учёта влияния изгиба.
6.3
Определение геометрических
параметров валов
Наименьший диаметр при
допускаемом напряжении.
вал быстроходный
Входной элемент
открытой передачи (под шкив плоскоременной передачи):
мм.
Под полумуфту dм=32 мм.
Примем длину ступени
под полумуфту lм = 58 мм стр. 401.
Под подшипники
,
где t
=2,5 мм значение наименьшей величины бурта.
мм.
примем dп=40мм.
Примем длину ступени
под подшипник lп =
мм.
Вал средний
Ступень вала под
подшипник:
мм.
Под подшипник dп = 50 мм.
Примем длину ступени
под подшипник lп =
мм.
Под колесо
,
где r
= 3 мм значение наименьшей величины бурта.
мм.
примем dк = 61 мм.
Вал тихоходный
мм.
примем dк1 = 80 мм.
Под подшипники
,
где t
=3,5 мм значение наименьшей величины бурта.
мм.
примем dп= 90 мм.
Под колесо
цилиндрической передачи
,
где r
= 3,5 мм значение фаски подшипника.
мм.
примем dк2 = 105 мм.
6.4 Предварительный выбор подшипников
По полученным данным при вычерчивании
валов (габариты подшипников выбираем по диаметру вала в месте посадки
подшипника). принимаем:
Для вала быстроходного:
Роликовые конические – типа 7000,
средняя широкая серия α=120.
Для среднего вала
Роликовые конические – типа 7000,
легкая серия α=120.
Для тихоходного вала
Шариковые радиальные однорядные – типа
100, особолегкая серия.
|
Валы
|
№ Подшипника
|
d
|
D
|
r
|
В
|
Cr
|
Cor
|
|
мм.
|
кН
|
|
Быстроходный
|
7608
|
40
|
90
|
2,5
|
33
|
90
|
67,5
|
|
Нейтральный
|
7211
|
55
|
100
|
2,5
|
21
|
57,9
|
46,1
|
|
Тихоходный
|
118
|
90
|
140
|
2,5
|
24
|
57,2
|
39
|
7. Расчетная схема валов редуктора
7.1 Определим реакцию опор в подшипниках быстроходного
вала
Вертикальная
плоскость.
Определим
опорные реакции, Н:
|
Fa1
|
4 058
|
Н
|
|
Fr1
|
1 481
|
Н
|
|
Ft1
|
2 583
|
Н
|
|
d1
|
48
|
мм
|
|
Fм
|
124
|
Н
|
|
a
|
103,5
|
мм
|
|
b
|
103,5
|
мм
|
|
e
|
108,2
|
мм
|
|
L
|
207,0
|
мм
|

Н.

Н.
Проверка:
.
Строим
эпюру изгибающих моментов относительно оси X:

0;
;
;
27,9
,
125,3
.
Горизонтальная
плоскость.
Определим
опорные реакции, Н:
=1103Н,
=1356 Н,
Проверка:
.
Строим
эпюру изгибающих моментов относительно оси Y:
;
;

;

.
Строим
эпюру крутящих моментов ;
:
62Н.
Определяем
суммарные радиальные реакции, Н:
1136Н,
Эпюры
и схема нагружения подшипников быстроходного вала.
Н.
Определим
суммарные изгибающие моменты в наиболее нагруженных сечениях,
:
.
.
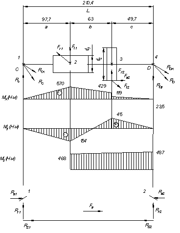
7.2 Определим реакцию опор в подшипниках среднего вала
|
Fr1
|
4727
|
Н
|
|
Ft1
|
12986
|
Н
|
|
d1
|
72
|
мм
|
|
Fa2
|
2 583
|
Н
|
|
Fr2
|
1481
|
Н
|
|
Ft2
|
4058
|
Н
|
|
d2
|
240
|
мм
|
|
a
|
97,7
|
мм
|
|
b
|
63
|
мм
|
|
c
|
49,7
|
мм
|
|
L
|
210,4
|
мм
|
Вертикальная
плоскость.
Определим
опорные реакции, Н:
,
= 5833Н.
,
=8634Н.
Проверка:
.
Строим
эпюру изгибающих моментов относительно оси X:
=-570
;
-429
.
-119
.

.
Горизонтальная
плоскость.
Определим
опорные реакции, Н:
=1573Н,
=-904Н,
Проверка:
.
Эпюры
и схема нагружения подшипников нейтрального вала.
;
;

.
45
.
Строим
эпюру изгибающих моментов относительно оси Y:
Строим
эпюру крутящих моментов ;
:
468
,
487
.
Определяем
суммарные радиальные реакции, Н:
8681 Н,
6041 Н.
Определим
суммарные изгибающие моменты в наиболее нагруженных сечениях,
:
590
.
431
.
7.3
Определим реакцию опор в подшипниках тихоходного вала.
|
Fr1
|
4727
|
Н
|
|
Ft1
|
12986
|
Н
|
|
d1
|
288
|
мм
|
|
Fм
|
1709
|
Н
|
|
a
|
124,5
|
мм
|
|
b
|
109,5
|
мм
|
|
e
|
178,5
|
мм
|
|
L
|
234
|
мм
|
Вертикальная
плоскость.
Определим
опорные реакции, Н:

3064 Н.

8213
Н.
Проверка:
.
Строим
эпюру изгибающих моментов относительно оси X:
Эпюры
и схема нагружения подшипников тихоходного вала.
;
;
305
;
899
.
Горизонтальная
плоскость.
Определим
опорные реакции, Н:

2212 Н.

2515
Н.
Проверка:
.
Строим
эпюру изгибающих моментов относительно оси Y:
;
;
0;
275
.
Строим
эпюру крутящих моментов ;
:
1870
.
Определяем
суммарные радиальные реакции, Н:
3779 Н,
8589 Н.
Определим
суммарные изгибающие моменты в наиболее нагруженных сечениях,
:
940
.
305
.
8. Проверочный расчет подшипников
Подшипник
7608 быстроходного вала, червячной передачи.
Определяем
осевые составляющие радиальные реакции:
,
где
e = 0,296,
Н,
Н.
Определим
осевые нагрузки подшипников. Так как
и
, то
Н
,
Н.
Определим
отношение
,
По
соотношению
и
выбираем
формулу и определим эквивалентные динамические нагрузки:
,
где
V – коэффициент вращения, V=1;
X – коэффициент радиальной нагрузки, X = 0,4;
Y –
коэффициент осевой нагрузки, Y = 2,096;
Кб – коэффициент
безопасности, Кб =1,2;
Кт – температурный
коэффициент, Кт=1;
Н.
Н.
Рассчитаем
динамическую грузоподъемность по более нагруженному подшипнику:
,
где
m – показатель степени, m=3,3;
<Cr = 90000H,
Подшипник
пригоден.
Рассчитаем
базовую долговечность;
ч>Lh=4700ч.
Подшипник
7211 промежуточный вала, червячной передачи.
Определяем
осевые составляющие радиальные реакции:
, где e = 0,41,
Н,
Н.
Определим
осевые нагрузки подшипников.
Так
как
и
, то
Н,
Н.
Определим
отношение
,
По
соотношению
и
выбираем
формулу и определим эквивалентные динамические нагрузки:
,
,
где
V – коэффициент вращения, V=1;
Кб – коэффициент
безопасности, Кб =1,2;
Кт – температурный
коэффициент, Кт=1,0;
X –
коэффициент радиальной нагрузки, X = 0,4;
Y
– коэффициент осевой нагрузки, Y
= 1,46;
Н.
Н.
Рассчитаем
динамическую грузоподъемность по более нагруженному подшипнику:
,
где
m – показатель степени, m=3,33;
<Cr=57900H,
Подшипник
пригоден.
Рассчитаем
базовую долговечность;
ч>Lh=4700ч.
Подшипник
118 тихоходного вала, цилиндрической передачи.
Так
как передача является прямозубой, то осевая нагрузка отсутствует, поэтому
выбираем формулу и определим эквивалентные динамические нагрузки:
,
где
V – коэффициент вращения, V=1;
Кб – коэффициент
безопасности, Кб =1,2;
Кт – температурный
коэффициент, Кт=1,0;
Н.
Н.
Рассчитаем
динамическую грузоподъемность по более нагруженному подшипнику:
,
где
m – показатель степени, m=3;
<Cr=57200H,
Подшипник
пригоден.
Рассчитаем
базовую долговечность;
ч>Lh=4700
ч.
9. Проверочные расчеты
9.1 проверочный
расчет шпонок
Используем в приводе шпонки
призматические со скругленными торцами. Размеры сечений шпонок и пазов и длины
шпонок – по ГОСТ 23360-78. Материал шпонок - сталь 40X
нормализованная по ГОСТ 1050-74. Допускаемые напряжения смятия при чугунной
ступице [sCM] = 60 МПа, при стальной ступице [sCM] = 120 МПа.
Напряжение смятия и условие прочности:
,
где Асм –
площадь смятия;
,
где h, t1 – стандартные размеры;
lр –
рабочая длинна шпонки.
тихоходный
вал:
Шпонка
под полумуфту (колесо чугунное).
d = 32 мм, b´h = 10´8 мм, t1 = 5 мм, длина шпонки l
= 50 мм, момент на валу Ft=2583 Н.
Н < [sCM] = 190 Н.
Нейтральный
вал:
Шпонка
под червячное колесо червячной передачи (колесо чугунное).
d = 60 мм, b´h = 18´11 мм, t1 = 7 мм, длина шпонки l
= 32 мм, момент на валу Ft=4058 Н.
Н < [sCM] = 190 Н.
Тихоходный
вал:
Шпонка
под зубчатое колеса цилиндрической прямозубой передачи (колесо стальное).
d = 105 мм, b´h = 28´14 мм, t1 = 10 мм, длина шпонки l
= 62 мм, момент на валу Ft=12986 Н.
Н < [sCM] = 190 Н.
Шпонка
под ведущее колесо открытой цепной передачи.
d = 80 мм, b´h = 22´14 мм, t1 = 9 мм, длина шпонки l
= 114 мм, момент на валу Ft=12986 Н.
Н < [sCM] = 190 Н.
9.2 Проверочный расчет валов
Быстроходный
вал.
Определим
напряжения в опасном сечении вала, такими сечениями является ступени вала под
червяком, сечение в точке 2 – является наиболее нагруженным участком.
Нормальное
напряжение
,
где
М – суммарный изгибающий момент в опасном сечении, М2 =
188 Н×м;
Wнетто – осевой момент сопротивления,
мм3,
Н/мм2.
Касательное
напряжение
,
где
Мк – крутящий момент в опасном сечении, Мк
= 62 Н×м;
W рнетто – полярный момент инерции,
мм3,
Н/мм2.
Определим
предел выносливости в расчетном сечении,
,
,
(Кσ)D, (Кτ)D –
коэффициенты концентраций нормальных и касательных напряжений,
,
,
где
Кσ – коэффициент концентраций напряжений, Кσ=1,7;
Кτ –
коэффициент концентраций напряжений, Кτ=1,55;
Кd – коэффициент влияния абсолютных размеров поперечного
сечения, Кd=0,7;
КF – коэффициент влияния шероховатости, КF=1,5:
1,48,
1,36.
Н/мм2,
Н/мм2.
Определим
коэффициент запаса прочности,
,
.
Определим
общий коэффициент запаса прочности,
Условие
выполняется, вал имеет запас прочности.
Нейтральный
вал.
Определим
напряжения в опасном сечении вала, такими сечениями является ступени вала под
шестерней, сечение в точке 2 – является наиболее нагруженным участком.
Нормальное
напряжение
,
где
М – суммарный изгибающий момент в опасном сечении, М2 =
590 Н×м;
Wнетто – осевой момент сопротивления,
мм3,
Н/мм2.
Касательное
напряжение
,
где
Мк – крутящий момент в опасном сечении, Мк
= 467,5 Н×м;
W рнетто – полярный момент инерции,
мм3,
Н/мм2.
Определим
предел выносливости в расчетном сечении,
,
,
где
σ-1, τ-1 – пределы выносливости
гладких образцов при симметричном цикле изгиба и кручения, σ-1 =
420 Н/мм2 , τ-1 = 0,58 σ-1
= 244 Н/мм2;
(Кσ)D, (Кτ)D –
коэффициенты концентраций нормальных и касательных напряжений,
,
,
где
Кσ – коэффициент концентраций напряжений, Кσ=1,7;
Кτ –
коэффициент концентраций напряжений, Кτ=1,55;
Кd – коэффициент влияния абсолютных размеров поперечного
сечения, Кd=0,67;
КF – коэффициент влияния шероховатости, КF=1,5:
1,52,
1,41.
Н/мм2,
Н/мм2.
Определим
коэффициент запаса прочности,
,
.
Определим
общий коэффициент запаса прочности,
Условие
выполняется, вал имеет запас прочности.
Тихоходный
вал.
Определим
напряжения в опасном сечении вала, такими сечениями является ступень вала под
колесом, проходящие через точку 2.
Нормальное
напряжение
,
где
М – суммарный изгибающий момент в опасном сечении, М2 =
940,5 Н×м;
Wнетто – осевой момент сопротивления,
мм3,
Н/мм2.
Касательное
напряжение
,
где
Мк – крутящий момент в опасном сечении, Мк
= 1870 Н×м;
W рнетто – полярный момент инерции,
мм3,
Н/мм2.
Определим
предел выносливости в расчетном сечении,
,
,
где
σ-1, τ-1 – пределы выносливости
гладких образцов при симметричном цикле изгиба и кручения, σ-1 =
380 Н/мм2 , τ-1 = 0,58 σ-1
= 220 Н/мм2;
(Кσ)D, (Кτ)D –
коэффициенты концентраций нормальных и касательных напряжений,
,
,
где
Кσ – коэффициент концентраций напряжений, Кσ=2,15;
Кτ –
коэффициент концентраций напряжений, Кτ=2,05;
Кd – коэффициент влияния абсолютных размеров поперечного
сечения, Кd=0,62;
КF – коэффициент влияния шероховатости, КF=1:
2,67,
2,54.
Н/мм2,
Н/мм2.
Определим
коэффициент запаса прочности,
,
.
Определим
общий коэффициент запаса прочности,
Условие
выполняется, вал имеет запас прочности.
9.3 Тепловой расчет редуктора
Определим
температуру масла в редукторе,
,
где
Р1 – мощность на быстроходном валу редуктора, Р1
= 11 кВт;
η – коэффициент полезного
действия, η = 0,72;
Кt – коэффициент теплопередачи, Кt = 10;
А – площадь теплоотдающей
поверхности, А = 0,56;
tв –
температура вне корпуса, tв
= 200;
<[t]=800.