Автоматический потенциометр с кулачковым механизмом

  • Вид работы:
    Курсовая работа (т)
  • Предмет:
    Технология машиностроения
  • Язык:
    Русский
    ,
    Формат файла:
    MS Word
    54,90 kb
  • Опубликовано:
    2010-03-01
Вы можете узнать стоимость помощи в написании студенческой работы.
Помощь в написании работы, которую точно примут!

Автоматический потенциометр с кулачковым механизмом













Курсовая работа

на тему: “Автоматический потенциометр с кулачковым механизмом”

Содержание

Введение

Исходные данные

1. Расчет кулачкового механизма

1.1 Нахождение закона движения толкателя

1.2 Определение основных размеров кулачкового механизма

1.3 Построение теоретического профиля кулачка

1.4 Выбор радиуса ролика. Построение практического профиля кулачка

1.5 Расчет толщины кулачка

2. Проектирование механического привода

2.1 Расчет планетарной ступени редуктора

2.1.1 Определение передаточного отношения привода

2.2 Определение КПД привода и подбор электродвигателя

2.3 Расчет зубчатой передачи с неподвижными осями колес

2.3.1 Выбор материала. Проверка зубьев по контактным напряжениям и напряжениям изгиба

2.3.2 Определение основных размеров передачи

2.3.3 Проверочный расчет зубчатой передачи

3. Расчет вала привода (ведомого) на прочность

3.1 Проектный расчет валика

3.2 Определение реакций опор и построение изгибающих моментов

3.3 Проверка вала на установленную прочность

3.4 Проверка вала на статическую прочность

4. Подбор подшипников качения

5. Расчет штифтовых соединений

6. Конструирование элементов привода

Заключение

Список литературы

Введение

Для решения некоторых задач таких как повышение производительности труда, качества машин и приборов большая роль отводится средствам ВТ, автоматизации и механизации производственных процессов.

В соответствии с программой курса «Прикладная механика» объектом курсового проекта являются механизмы вычислительных машин и их периферийных устройств, радиоэлектронная аппаратура и системы автоматики.

Одним из наиболее применяемых в этих устройствах механизмов является механический потенциометр. Основным преимуществом кулачкового механизма, входящего в состав механического потенциометра, является возможность получения любого заданного закона движения выходного звена. Выходное звено, как правило, совершает возвратные движения. Прямолинейно движущееся выходное звено КМ - называется толкателем. Для согласования скорости движения выходного звена и электродвигателя применяют передаточные механизмы в виде одно и многоступенчатых зубчатых передач, которые могут быть выполнены как передачи с неподвижными осями, так и в виде планетарных, а также их комбинаций.

Исходные данные

Частота вращения двигателя, nдв, об/мин

1310

 Частота вращения Кулачка, nк, об/мин

20

Углы к графику аналога скоростей, град.

ОА=DE

60


AB

45


BC

90


СD

60

Ход толкателя, h, мм

30

Дизаксиал, е, мм

-5

Допускаемый угол давления, βadm, град.

30

Направление вращения кулачка

Против час. стр.

Момент на валу кулачка, Т, Нм

14

Передаточное отношение планетарной ступени, Uпл

23

Усилие пружины,Рmax, Н

16

Долговечность подшипников, Ln∙103 ч.

19

Расстояние между подшипниками, l, мм

84


1. Расчет кулачкового механизма

Кулачковым называется механизм, в состав которого входит кулачек. Кулачком называется звено, выполненное в виде поверхности переменной кривизны. Выходное звено кулачковых механизмов, как правило, движется возвратно. Прямолинейно движущееся выходное звено кулачкового механизма называется толкателем, а качающееся - коромыслом. Для уменьшения трения о поверхность кулачка и увеличение срока службы выходное звено часто снабжается роликом.

Основным преимуществом кулачковых механизмов является возможность получения любого заданного закона движения выходного звена.

1.1 Нахождение закона движения толкателя

Переход от одной формы закона движения выходного звена к другой осуществляется интегрированием или дифференцированием заданной формы закона движения.

Для нахождения закона движения толкателя применим метод графического интегрирования (рис.1). Заданный закон движения толкателя в форме изменения функции угла поворота кулачка


и ход толкателя h, мм. Закон движения толкателя  можно получить, проинтегрировав заданный закон.

Порядок графического интегрирования.

1). Строим график заданного закона

.

Для этого в произвольном масштабе на оси φ откладываем отрезок │OF│, соответствующий углу полного цикла, равному 2π радиан, что равно одному обороту кулачка. При этом максимальные ординаты графика (АА è DD) äîëæíû áûòü òàêîâû, ÷òîáû ïëîùàäè, îãðàíè÷åííûå ãðàôèêîì è îñüþ φ и расположенные выше и ниже оси φ, были одинаковыми.

, где

АА=5, ÀÂ=45, CD=60 (АВ, CD - заданы)

Откуда DD =44 (ãðàä)

2). Отрезок │OF│ делим на 24 равные части. Получим 24 интервала. Из середины каждого интервала проводим ординаты до пересечения с графиком, и полученные точки сносим на ось ординат.

3). На продолжении оси φ влево от начала координат на расстоянии Н=40мм

выбираем полюс интегрирования П, который соединяем лучами с получен- ными точками на оси . Лучи нумеруем соответственно интервалам (Р1, Р2... - соответствуют интервалам 0-1, 1-2, ...).

4). Выбираем систему координат с осями S и φ, параллельно осям  и φ соответственно. По оси φ откладываем такой же отрезок │OF│ и тоже делим его на 24 части. Также нумеруем точки деления. Из этих точек деления восстанавливаем перпендикуляры к оси φ. Затем на строящемся графике перемещения через начало координат проводим прямую, параллельную лучу Р1 на графике

,

которая при пересечении с перпендикуляром к оси φ, проведенным в точке 1, дает точку S1. Далее через точку S1 проводим прямую, параллельную Р2, и на ее пересечении с перпендикуляром в точке 2 получим точку S2. Соединим полученные точки S1, S2,…,Sn плавной кривой, получим график S=S(f).

Масштабы графиков по координатным осям определяем по формулам:


где h=28 мм - ход толкателя; Н - полюсное расстояние графика аналога скорости.

Истинные значения хода толкателя и аналога скорости получают умножением соответствующих ординат графиков на их масштабы (табл.1)

Таблица 1


, ìì ÷åð ìì â μsS, ìì ÷åð S, ìì





1

 12

 7,644

11,46

 2

 1,334

2

 25

 15,925

23,88

 7

 4,669

3

 37

 23,569

35,336

 15

10,005

4

 5

 31,85

47,75

 26

17,342

5

 32

 20,384

30,56

 36

24,012

6

 16

 10,192

15,28

 42

28,014

7

 0

 0

0

 45

30,015

8

 0

 0

0

 45

30,015

9

 0

 0

0

 45

30,015

10

 0

 0

0

 45

30,015

11

 0

 0

0

 45

30,015

12

 0

 0

0

 45

30,015

13

 0

 0

0

 45

30,015

14

 11

 7,007

10,51

 43

28,681

15

 22

 14,014

21,01

 39

26,013

16

 34

 21,658

32,47

 32

21,344

17

 44

 28,028

42,02

 23

15,341

18

 34

 21,658

32,47

 13

 8,672

19

 22

 14,014

21,01

 6

 4,002

20

 11

 7,007

10,51

 2

 1,334

21

 0

 0

0

 0

 0

2

 0

 0

0

 0

 0

23

 0

 0

0

 0

 0

24

 0

 0

0

 0

 0


1.2 Îïðåäåëåíèå îñíîâíûõ ðàçìåðîâ êóëà÷êîâîãî ìåõàíèçìà

Äëÿ êóëà÷êîâûõ ìåõàíèçìîâ ñ ïîñòóïàòåëüíî äâèæóùèìñÿ òîëêàòåëåì îñíîâíûìè ðàçìåðàìè çâåíüåâ, îïðåäåëÿþùèìè âåëè÷èíó óãëà äàâëåíèÿ è ðàçìåðû ìåõàíèçìà, ÿâëÿþòñÿ:

à) ìèíèìàëüíûé ðàäèóñ rmin êóëà÷êà;

á) ñìåùåíèå (äèçàêñèàë) å - êðàò÷àéøåå ðàññòîÿíèå îò îñè âðàùåíèÿ

êóëà÷êà äî îñè òîëêàòåëÿ.

Ìèíèìàëüíûé ðàäèóñ rmin êóëà÷êà îïðåäåëÿåòñÿ èç óñëîâèÿ îãðàíè÷åíèÿ óãëà äàâëåíèÿ. Äëÿ ëþáîãî ïîëîæåíèÿ ìåõàíèçìà òåêóùèé óãîë äàâëåíèÿ íå äîëæåí ïðåâûøàòü ìàêñèìàëüíî äîïóñòèìîå çíà÷åíèå βadm. Îñíîâíûå ðàçìåðû êóëà÷êîâîãî ìåõàíèçìà ìîæíî îïðåäåëèòü ãðàôè÷åñêè, ðåøàÿ óñëîâèå íåçàêëèíèâàíèå ìåõàíèçìà:

Òàê êàê äèçàêñèàë å è äîïóñêàåìîå çíà÷åíèå βadm çàäàííû, òî ìîæíî íàéòè rmin (ðèñ.2). ìì - ìèíèìàëüíûé ðàäèóñ êóëà÷êà.

1.3 Ïîñòðîåíèå òåîðåòè÷åñêîãî ïðîôèëÿ êóëà÷êà

Ïîñòðîåíèå ïðîôèëÿ êóëà÷êà ïðîâîäèòñÿ ìåòîäîì îáðàùåííîãî äâèæåíèÿ: âñåìó ìåõàíèçìó ñîîáùàåòñÿ âðàùåíèå âîêðóã îñè êóëà÷êà ñ óãëîâîé ñêîðîñòüþ - ω, ðàâíîé è îáðàòíîíàïðàâëåííîé óãëîâîé ñêîðîñòè ω êóëà÷êà.

Òîãäà ïî îòíîøåíèþ ê íåïîäâèæíîé ñèñòåìå êîîðäèíàò êóëà÷åê îñòàíîâèòñÿ, à òîëêàòåëü áóäåò ñîâåðøàòü ïëîñêîïàðàëëåëüíîå äâèæåíèå.

Èç ïðîèçâîëüíîé òî÷êå ïðîâîäèì îêðóæíîñòè ðàäèóñàìè rmin è å â ïðèíÿòîì ìàñøòàáå Ì 2:1. Îêðóæíîñòü ðàäèóñîì å ðàçáèâàåì íà n=24 ÷àñòåé â íàïðàâëåíèè ïðîòèâ õîäà ÷àñîâîé ñòðåëêè, òàê êàê äèçàêñèàë îòðèöàòåëüíûé. Èç ïîëó÷åííûõ òî÷åê ïðîâîäèì ïîëóêàñàòåëüíûå ïî âðàùåíèþ êóëà÷êà. Ýòè ïîëóêàñàòåëüíûå åñòü ïîëîæåíèå îñè òîëêàòåëÿ â îáðàùåííîì äâèæåíèè.  ïðèíÿòîì ìàñøòàáå Ì îòëîæèì îò òî÷åê ïåðåñå÷åíèÿ ïîëóêàñàòåëüíûõ ñ îêðóæíîñòüþ ðàäèóñîì rmin âî âíåøíþþ ñòîðîíó îòðåçêè Si, ñîîòâåòñòâóþùèå ïåðåìåùåíèþ òîëêàòåëÿ äëÿ äàííîãî ïîëîæåíèÿ êóëà÷êà ïî òàáëèöå 1. Ñîåäèíèâ ïîëó÷åííûå òî÷êè, ïîëó÷èì òåîðåòè÷åñêèé ïðîôèëü êóëà÷êà.

1.4 Âûáîð ðàäèóñà ðîëèêà

Ïîñòðîåíèå ïðàêòè÷åñêîãî ïðîôèëÿ êóëà÷êà.

Ðàäèóñ ðîëèêà rð âûáèðàåòñÿ èç óñëîâèé íàèìåíüøèõ êîíòàêòíûõ íàïðÿæåíèé è îáåñïå÷åíèÿ ðåàëüíûõ ðàçìåðîâ êóëà÷êà:

rð≤0,7ρmin; rð≤0,4rmin, ãäå ρmin - ìèíèìàëüíûé ðàäèóñ êðèâèçíû òåîðåòè÷åñêîãî ïðîôèëÿ êóëà÷êà.

ρmin=42 ìì, ñëåäîâàòåëüíî, äîëæíî áûòü rð≤29,4 ìì è rð≤18,68 ìì.

Èç òàáëèöû 4 [1] âûáèðàåì â êà÷åñòâå ðîëèêà ðàäèàëüíûé øàðèêîïîäøèïíèê ñâåðõëåãêîé ñåðèè ñ ðàäèóñîì

rð=D/2

è ðàäèóñîì îñè

r=d/2

1000904, D=37 ìì, d=20 ìì, rp=18,5 ìì, r=9,25 ìì.

Ïðàêòè÷åñêèé ïðîôèëü êóëà÷êà ïîëó÷àåòñÿ, åñëè òåîðåòè÷åñêèé óìåíüøèòü íà âåëè÷èíó ðàäèóñà ðîëèêà rð. Äëÿ ýòîãî èç òî÷åê íà òåîðåòè÷åñêîì ïðîôèëå ïðîâîäÿò îêðóæíîñòè ðàäèóñîì rð è ïî âíóòðåííåé îãèáàþùåé ýòèõ îêðóæíîñòåé ïðîâîäÿò ëèíèþ, êîòîðàÿ ÿâëÿåòñÿ ïðàêòè÷åñêèì ïðîôèëåì êóëà÷êà.

1.5 Ðàñ÷åò òîëùèíû êóëà÷êà

Äëÿ íîðìàëüíîé ðàáîòû êóëà÷êîâîãî ìåõàíèçìà íåîáõîäèìî âûïîëíåíèÿ óñëîâèÿ êîíòàêòíîé ïðî÷íîñòè:

, ãäå

F - ñèëà âçàèìîäåéñòâèÿ òîëêàòåëÿ è êóëà÷êà [Í];

b - òîëùèíà êóëà÷êà [ìì];

 - ïðèâåäåííûé ìîäóëü óïðóãîñòè;

 - ïðèâåäåííûé ðàäèóñ êðèâèçíû;

σÍadm - äîïóñêàåìîå êîíòàêòíîå íàïðÿæåíèå [ÌÏà].

Äëÿ ñòàëåé ìàðîê 45, 20Õ, èç êîòîðûõ îáû÷íî èçãîòàâëèâàþò êóëà÷êè è ðîëèêè Åê=Åð=2,1∙105 ÌÏà. Äëÿ íèõ σÍadm=400...600 ÌÏà.

Åïð=2,1∙105 ÌÏà, ρïð=12,84 ìì, F=Pmax=19 H


Íî òîëùèíà êóëà÷êà íå äîëæíà áûòü ìåíüøå 4 ìì, ïîýòîìó âûáèðàåì b=4 ìì, ÷òî óäîâëåòâîðÿåò ïåðå÷èñëåííûì óñëîâèÿì.

2. Ïðîåêòèðîâàíèå ìåõàíè÷åñêîãî ïðèâîäà

Ìåõàíè÷åñêèì ïðèâîäîì íàçûâàåòñÿ ñîâîêóïíîñòü ýëåêòðîäâèãàòåëÿ è ïåðåäàòî÷íûõ ìåõàíèçìîâ, êîòîðûå ìîãóò ñîñòîÿòü èç ðàçëè÷íîãî âèäà çóá÷àòûõ ïåðåäà÷ è ðåìåííûõ ïåðåäà÷. Ïåðåäàòî÷íûå ìåõàíèçìû, ñëóæàùèå äëÿ ïîíèæåíèÿ óãëîâûõ ñêîðîñòåé âàëîâ è, îäíîâðåìåííî, óâåëè÷åíèÿ êðóòÿùèõ ìîìåíòîâ íà íèõ, âûïîëíåííûå â âèäå îòäåëüíûõ àãðåãàòîâ, íàçûâàþòñÿ ðåäóêòîðàìè.  êà÷åñòâå ïåðåäàòî÷íûõ ìåõàíèçìîâ ïðèìåíÿþòñÿ îòêðûòûå ïåðåäà÷è.  îòäåëüíûõ ñëó÷àÿõ îíè çàêëþ÷àþòñÿ â ëåãêèé êîðïóñ èç ëèñòîâîé ñòàëè, àëþìèíèÿ èëè ïëàñòìàññû.

2.1 Ðàñ÷åò ïëàíåòàðíîé ñòóïåíè ðåäóêòîðà

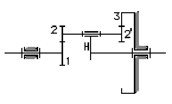
Îòëè÷èòåëüíîé îñîáåííîñòüþ ïëàíåòàðíîé ïåðåäà÷è ÿâëÿåòñÿ íàëè÷èå â íèõ ñàòåëëèòíûõ çóá÷àòûõ êîëåñ, êîòîðûå âðàùàþòñÿ è îòíîñèòåëüíî ñîáñòâåííûõ îñåé, ñâÿçàííûõ ñ âîäèëîì, è îòíîñèòåëüíî îñåé öåíòðàëüíûõ êîëåñ. Ïëàíåòàðíûå çóá÷àòûå ïåðåäà÷è ïîçâîëÿþò îñóùåñòâèòü áîëüøèå ïåðåäàòî÷íûå îòíîøåíèÿ ïðè ìàëîì êîëè÷åñòâå êîëåñ. Íåäîñòàòêîì ÿâëÿåòñÿ íèçêèé ÊÏÄ ïðè áîëüøèõ ïåðåäàòî÷íûõ îòíîøåíèÿõ. Ïåðåäàòî÷íîå îòíîøåíèå ïëàíåòàðíîé ñòóïåíè Uïë.=U1h=23. ×òîáû ïîëó÷èòü òàêîå ïåðåäàòî÷íîå îòíîøåíèå èñïîëüçóåòñÿ ïëàíåòàðíàÿ ïåðåäà÷à, âûïîëíåííàÿ ïî ñõåìå:

Í - âîäèëî;

2-2 - ñàòåëëèòíûå çóá÷àòûå êîëåñà;

1 - ïîäâèæíîå öåíòðàëüíîå êîëåñî;

3 - íåïîäâèæíîå öåíòðàëüíîå êîëåñî.

Îïðåäåëÿåòñÿ ÷èñëî çóáüåâ êîëåñ, ÷òîáû îáåñïå÷èâàòü çàäàííîå ïåðåäàòî÷íîå îòíîøåíèå ñ äîïóñòèìîé òî÷íîñòüþ, óñëîâèå îòñóòñòâèÿ çàêëèíèâàíèÿ êîëåñ, óñëîâèå ñîîñíîñòè, óñëîâèå ñîñåäñòâà ñàòåëëèòîâ è óñëîâèå ñáîðêè ïåðåäà÷è.

Ïåðåäàòî÷íîå îòíîøåíèå (*)

,

ãäå Z1, Z2, Z2 ,Z3 - ÷èñëà çóáüåâ êîëåñ. Ïîäáîð ÷èñëà çóáüåâ âåäåòñÿ òîëüêî ïî äâóì óñëîâèåì - êèíå-

ìàòè÷åñêîìó (ôîðìóëà *) è ñîîñíîñòè, à ïîäáîð ÷èñëà ñàòåëëèòîâ è ïðîâåðêà - ïî òðåì îñòàëüíûì óñëîâèÿì. Äëÿ

Uïë=23:

Çàìåíèâ ÷èñëà çóáüåâ êîëåñ ïðîïîðöèîíàëüíûìè èì ÷èñëàìè, ïîëó÷èì

,

òîãäà a=1, b=5, c=5, d=22. ×èñëà çóáüåâ êîëåñ îïðåäåëÿþòñÿ ïî ôîðìóëàì: γ - ëþáîå ïîëîæèòåëüíîå ÷èñëî, îáåñïå÷èâàþùåå óñëîâèå îòñóòñòâèÿ çàêëèíèâàíèÿ:


äëÿ âíóòðåííåãî çàöåïëåíèÿ , , , äëÿ âíåøíåãî . Ýòè óñëîâèÿ âûïîëíÿþòñÿ ïðè γ=1.

Òîãäà , , ,

Èç óñëîâèÿ ñîñåäñòâà ñàòåëëèòîâ íàéäåì âîçìîæíîå ÷èñëî áëîêîâ ñàòåëëèòîâ èç óñëîâèÿ:

 ,

òàê êàê , ïîëó÷èì


çíà÷èò

Èç óñëîâèÿ ñáîðêè îïðåäåëÿåì âîçìîæíîå ÷èñëî áëîêîâ ñàòåëëèòîâ

,

ãäå Ñ0 - ëþáîå öåëîå ÷èñëî. Òîãäà

,

Âûáèðàåì ÷èñëî ñàòåëëèòîâ , óäîâëåòâîðÿþùåå îáîèì óñëîâèÿì.

2.1.1 Îïðåäåëåíèå ïåðåäàòî÷íîãî îòíîøåíèÿ ïðèâîäà

Çàäàíû ÷àñòîòû âðàùåíèÿ âõîäíîãî nâõ è âûõîäíîãî nâûõ âàëîâ. nâõ - ÷àñòîòà âðàùåíèÿ äâèãàòåëÿ (1310 îá/ìèí), nâûõ - ÷àñòîòà âðàùåíèÿ êóëà÷êà (20 îá/ìèí).

Ïåðåäàòî÷íîå îòíîøåíèå ïðèâîäà îïðåäåëÿåòñÿ ïî ôîðìóëå:


Ñ äðóãîé ñòîðîíû, ïåðåäàòî÷íîå îòíîøåíèå ðàâíî ïðîèçâåäåíèþ ïåðåäàòî÷íûõ îòíîøåíèé îòäåëüíûõ ñòóïåíåé ïðèâîäà:

,

îòêóäà


, òîãäà íåïëàíåòàðíàÿ ÷àñòü ïðèâîäà èìååò îäíó ïðîñòóþ ñòóïåíü.

2.2 Îïðåäåëåíèå ÊÏÄ ïðèâîäà è ïîäáîð ýëåêòðîäâèãàòåëÿ

Ïðè çàäàííîì êðóòÿùåì ìîìåíòå íà êóëà÷êå Òê=Òâûõ è ÷àñòîòå åãî âðàùåíèÿ nê=nâûõ ìîæíî îïðåäåëèòü òðåáóåìóþ ìîùíîñòü íà âûõîäå:

[Âò]

Äëÿ îäíîé ñòóïåíè ïëàíåòàðíîé ïåðåäà÷è (çàêðûòîé) íàõîäèì η1=0,98. Äëÿ íåïëàíåòàðíîé ÷àñòè (îòêðûòîé) η2=0,96.

Îïðåäåëÿåì ÊÏÄ ïëàíåòàðíîé ñòóïåíè ïðèâîäà. Ïðè ïåðåäà÷å âðàùåíèÿ îò öåíòðàëüíîãî êîëåñà ê âîäèëó è ïåðåäàòî÷íîì îòíîøåíèè │Uïë│>1 ÊÏÄ îïðåäåëÿåòñÿ ïî ôîðìóëå:

,

ãäå k - ÷èñëî áëîêîâ ñàòåëëèòîâ


Îáùèé ÊÏÄ ïðèâîäà , ãäå k1 - ÷èñëî ñòóïåíåé íåïëàíåòàðíîé ÷àñòè

k1=1:

Îïðåäåëÿåì òðåáóåìóþ ìîùíîñòü ýëåêòðîäâèãàòåëÿ:

[Âò]

Ïî òðåáóåìîé ìîùíîñòè è ÷àñòîòå âðàùåíèÿ äâèãàòåëÿ (näâ=1310 ìèí-1) ïî òàáëèöå 1.2 [2] âûáèðàåì äâèãàòåëü ñ ìîùíîñòüþ, áîëüøåé, ÷åì Ðòð è ÷àñòîòîé âðàùåíèÿ áëèçêîé ê çàäàííîé. Ïîäõîäèò äâèãàòåëü ÀÎË-011-4 ñ ìîùíîñòüþ Ð=50 Âò è ÷àñòîòîé âðàùåíèÿ n=1390 ìèí-1.

Óòî÷íÿåì ïåðåäàòî÷íîå îòíîøåíèå ïðèâîäà


è ïåðåäàòî÷íîå îòíîøåíèå íåïëàíåòàðíîé ñòóïåíè

,

ò.å. îäíà ïðîñòàÿ ñòóïåíü ñ ïåðåäàòî÷íûì îòíîøåíèåì

2.3 Ðàñ÷åò çóá÷àòîé ïåðåäà÷è ñ íåïîäâèæíûìè îñÿìè êîëåñ

Ñóùåñòâóåò äâà âèäà ðàñ÷åòîâ äëÿ çóá÷àòîé ïåðåäà÷è:

- ïðîåêòíûé ðàñ÷åò,

- ïðîâåðî÷íûé ðàñ÷åò.

Ïðîåêòíûé ðàñ÷åò ïðîâîäèòñÿ ïî óñëîâèþ êîíòàêòíîé ïðî÷íîñòè çóáüåâ êîëåñ; ïðè ýòîì îïðåäåëÿþòñÿ îñíîâíûå ãåîìåòðè÷åñêèå ðàçìåðû ïåðåäà÷è.

Ïðîâåðî÷íûé ðàñ÷åò ïðîâîäèòñÿ ïî óñëîâèþ ïðî÷íîñòè çóáüåâ êîëåñ íà èçãèá.

2.3.1 Âûáîð ìàòåðèàëà. Ïðîâåðêà çóáüåâ ïî êîíòàêòíûì íàïðÿæåíèÿì è íàïðÿæåíèÿì èçãèáà

Ñ÷èòàÿ óñëîâèÿ ðàáîòû ïðèâîäà íîðìàëüíûìè, ïî òàáëèöå 1.3 [2] ïðèíèìàåì

äëÿ øåñòåðíè ñòàëü 45 ñ òåðìîîáðàáîòêîé óëó÷øåíèÿ, à äëÿ çóá÷àòîãî êîëåñà - ñòàëü 45 ñ òåðìîîáðàáîòêîé íîðìàëèçàöèÿ. Ïî òàáëèöå 1.3 [2]:

à) äëÿ øåñòåðíè ïîëó÷àåì òâåðäîñòü HB1=192…240; ñðåäíÿÿ ÍÂñð1=216, ïðåäåë ïðî÷íîñòè σu1=750 ÌÏà; ïðåäåë òåêó÷åñòè σó1=450 ÌÏà;

á) äëÿ êîëåñà: ÍÂ2=167...229; ñðåäíÿÿ ÍÂñð2=198, σu2=580 ÌÏà; σó2=320 ÌÏà;

Äîïóñêàåìîå êîíòàêòíîå íàïðÿæåíèå îïðåäåëÿåòñÿ ïî ôîðìóëå

, ãäå

ÊHL - êîýôôèöèåíò äîëãîâå÷íîñòè ïåðåäà÷è.

,

NH0=107 öèêëîâ, NH∑=60n2Lh

NH0 - áàçîâîå ÷èñëî öèêëîâ íàãðóæåíèÿ êîëåñ,

NH∑ - ðàñ÷åòíîå ÷èñëî öèêëîâ íàïðÿæåíèÿ,

 - ÷àñòîòà âðàùåíèÿ êîëåñà,

NH∑=321,895∙106,

NH0=107, òîãäà ÊHL=0,03<1, çíà÷èò ïðèìåì ÊHL=1

σ0Ídim b2 =2ÍÂ+70=466 ÌÏà

ïðåäåë êîíòàêòíîé âûíîñëèâîñòè äëÿ íîðìàëèçîâàííîé è óëó÷øåííîé ñòàëè. SÍ=1,1, òîãäà σÍadm=423,64 ÌÏà.

2.3.2 Îïðåäåëåíèå îñíîâíûõ ðàçìåðîâ ïåðåäà÷è

1). Îïðåäåëåíèå ïðåäâàðèòåëüíîãî ìåæîñåâîãî ðàññòîÿíèÿ ïåðåäà÷è

Ïðåäâàðèòåëüíàÿ âåëè÷èíà ìåæîñåâîãî ðàññòîÿíèÿ îïðåäåëÿåòñÿ èç óñëîâèÿ êîíòàêòíîé ïðî÷íîñòè çóáüåâ êîëåñ ïî ôîðìóëå:


u1 - ïåðåäàòî÷íîå îòíîøåíèå ðàññ÷èòûâàåìîé çóá÷àòîé ïåðåäà÷è;

Êíβ - êîýôôèöèåíò, ó÷èòûâàþùèé íåðàâíîìåðíîñòü íàãðóçêè ïî äëèíå êîíòàêòíûõ ëèíèé. Êíβ=1,0;

Ò2 - ìîìåíò íà êîëåñå, Í∙ìì


Ψba=b/a - êîýôôèöèåíò øèðèíû çóá÷àòîãî êîëåñà.

Äëÿ îòêðûòûõ ïåðåäà÷ Ψba=0,1...0,2. Ïðèíèìàåì Ψba=0,16, òîãäà


Ïðåäâàðèòåëüíîå ìåæîñåâîå ðàññòîÿíèå a=32 ìì.

2). Îïðåäåëåíèå îñíîâíûõ ðàçìåðîâ êîëåñ.

×èñëî çóáüåâ øåñòåðíè (âåäóùåå êîëåñî) îïðåäåëÿåòñÿ:

, ãäå

m - ìîäóëü çóá÷àòîãî êîëåñà, m=P/π, ãäå Ð- îêðóæíîé øàã.

Ìîäóëü çóá÷àòîãî êîëåñà ïðèíèìàåòñÿ èç èíòåðâàëà (0,01...0,02)a, ò.å. m=(0,01...0,02)∙32=0,32...0,64 ìì. Ïî ÃÎÑÒ 9563-80 ïðèíèìàåì m=0,4 ìì.


×èñëî çóáüåâ êîëåñà


Îêðóãëÿÿ ÷èñëà çóáüåâ äî öåëûõ çíà÷åíèé, ïîëó÷èì Z1=40, Z2=120.

Îïðåäåëÿåì äèàìåòðû äåëèòåëüíûõ îêðóæíîñòåé êîëåñ:

d1=m∙z1=0,4∙40=16 ìì

d2=m∙z2=0,4∙120=48 ìì

Äèàìåòðû îêðóæíîñòåé âûñòóïîâ:

da1=d1+2∙m=16+0,8=16,8 ìì

da2=d2+2∙m=42+0,8=42,8 ìì

Ôàêòè÷åñêîå ìåæîñåâîå ðàññòîÿíèå:


Øèðèíà âåíöîâ çóá÷àòûõ êîëåñ:

Êîëåñà:

b2=Ψba

a=0,16∙32=5,12 ìì, ïðèíèìàåì b2=6 ìì

Øåñòåðíè:

b1=b2+2 ìì=6+2=8 ìì

Âûñîòà çóáüåâ êîëåñ:

åñëè m≤1, òî h=2,35∙m=2,35∙0,4=0,94 ìì

Ôàêòè÷åñêîå ïåðåäàòî÷íîå îòíîøåíèå:


òàêàÿ ïîãðåøíîñòü äîïóñòèìà.

2.3.3 Ïðîâåðî÷íûé ðàñ÷åò çóá÷àòîé ïåðåäà÷è

Ïðè òâåðäîñòè ìàòåðèàëîâ êîëåñ ÍÂ≤350 êîýôôèöèåíò äîëãîâå÷íîñòè îïðåäåëÿåòñÿ ïî ôîðìóëå

,

ïðè÷åì 1≤ÊFL≤2,1

NF0 - áàçîâîå ÷èñëî öèêëîâ ïåðåìåíû íàïðÿæåíèé äëÿ âñåõ ñòàëåé NF0=4∙106.

NF∑ - ÷èñëî ïåðåìåíû íàïðÿæåíèé çà âåñü ñðîê ñëóæáû

NF∑=60∙n2∙Lh=411,3∙106

,

çíà÷èò ïðèìåì ÊFL=1.

Äîïóñêàåìîå íàïðÿæåíèå ïðè èçãèáå:

, ãäå

KFC - êîýôôèöèåíò, ó÷èòûâàþùèé âëèÿíèå äâóõñòîðîííåãî ïðèëîæåíèÿ íàãðóçêè. Ñ÷èòàåì ïåðåäà÷ó íåðåâåðñèâíîé, òîãäà KFC=1.

σ0Flimb=1,8∙ÍÂñð - ïðåäåë âûíîñëèâîñòè ìàòåðèàëà êîëåñ ïðè èçãèáå äëÿ íîðìàëèçîâàííîé è óëó÷øåííîé ñòàëè.

σ0Flimb1=1,8∙216=389 ÌÏà

σ0Flimb2=1,8∙198=356 ÌÏà

[SF]=1,1 - êîýôôèöèåíò áåçîïàñíîñòè.

σFadm1=354 ÌÏà

σFadm2=324 ÌÏà

Íàéäåì YF - êîýôôèöèåíò ôîðìû çóáà, çàâèñÿùèé îò ÷èñëà çóáüåâ êîëåñ ïî òàáëèöå íà ñòð. 23 [2]. Z1=40, çíà÷èò YF1=3,70; Z2=120, YF2=3,60

 

Ïðîâåðêà ïðî÷íîñòè çóáüåâ êîëåñ íà èçãèá ïðîâîäèòñÿ ïî òîìó èç çóá÷àòûõ êîëåñ, äëÿ êîòîðîãî îòíîøåíèå  ìåíüøå, ò.å. ïî âåäîìîìó êîëåñó. Ôîðìóëà äëÿ ïðîâåðêè ïðî÷íîñòè çóáüåâ êîëåñ íà èçãèá èìååò âèä:

, ãäå

 - îêðóæíàÿ ñèëà íà çóáüÿõ êîëåñ, [H]

 - øèðèíà çóá÷àòîãî âåíöà êîëåñà, [ìì]

 - êîýôôèöèåíò, ó÷èòûâàþùèé íåðàâíîìåðíîñòü ðàñïðåäåëåíèÿ íàãðóçêè ïî øèðèíå çóá÷àòîãî âåíöà,

 - êîýôôèöèåíò äèíàìè÷åñêîé íàãðóçêè.

Ïðè òâåðäîñòè ÍÂ≤350


çíà÷èò, óñëîâèå ïðî÷íîñòè íà èçãèá âûïîëíÿåòñÿ. Ðàññ÷èòàííûå ðàçìåðû êîëåñ ñ÷èòàåì âåðíûìè.

3. Ðàñ÷åò âàëà ïðèâîäà (âåäîìîãî) íà ïðî÷íîñòü

Ñóùåñòâóåò äâà ìåòîäà ðàñ÷åòà âàëèêà íà ïðî÷íîñòü: ïðîåêòíûé è ïðîâåðî÷íûé.

Ïðè ïðîåêòíîì ðàñ÷åòå èç óñëîâèé ïðî÷íîñòè íà ÷èñòîå êðó÷åíèå (áåç ó÷åòà èçãèáà) ïî ïîíèæåííîìó äîïóñêàåìîìó íàïðÿæåíèþ íà êðó÷åíèå (τadm=30...40 ÌÏà äëÿ âñåõ ìàðîê ñòàëè) îïðåäåëÿþòñÿ îñíîâíûå ãåîìåòðè÷åñêèå ðàçìåðû

âàëèêà (äèàìåòðû ñòóïåíåé, äëèíû ñòóïåíåé è ò.ä.).

Ïðîâåðî÷íûé ðàñ÷åò âàëèêà ïðîèçâîäèòñÿ íà óñòàíîâëåííóþ ïðî÷íîñòü ñ îïðåäåëåíèåì êîýôôèöèåíòà çàïàñà óñòàíîâëåííîé ïðî÷íîñòè, êîòîðûé äîëæåí íàõîäèòüñÿ â ïðåäåëàõ 1,5≤S≤2,5.

3.1 Ïðîåêòíûé ðàñ÷åò âàëà

 êà÷åñòâå ìàòåðèàëà âàëèêà ïðèíèìàåì ñòàëü 45 íîðìàëèçîâàííóþ (ÃÎÑÒ 1050-74), äëÿ êîòîðîé τ=40 ÌÏà, íàèìåíüøèé äèàìåòð âàëà îïðåäåëÿåòñÿ ïî ôîðìóëå:


Ïî ñòàíäàðòíîìó ðÿäó ëèíåéíûõ ðàçìåðîâ (ÃÎÑÒ 6636-69) ïðèíèìàåì íàèìåíüøèé äèàìåòð âàëà d=7 ìì.

Äàëåå ðàçðàáàòûâàåòñÿ êîíñòðóêöèÿ âàëà. Êàæäàÿ äåòàëü, óñòàíàâëèâàåìàÿ íà âàë, äîëæíà äîõîäèòü äî ñâîåãî ïîñàäî÷íîãî ìåñòà ñâîáîäíî, ïîýòîìó âàë äîëæåí áûòü ñòóïåí÷àòûì. Äëÿ ñîçäàíèÿ óïîðà ïîäøèïíèêîâ â òîðöû ñòóïåíåé âàëà äèàìåòðû d0 ïðèëåãàþùèõ ê ïîäøèïíèêàì øååê âàëà äîëæíû áûòü ðàâíû:

d0=dï+(4…6)r, ãäå

r - ðàäèóñ çàêðóãëåíèÿ êîëåö ïîäøèïíèêîâ (òàáëèöà 4 [1]).

Ïðèíèìàåì â êà÷åñòâå îïîðû øàðèêîâûé ðàäèàëüíûé ïîäøèïíèê êà÷åíèÿ ñâåðõëåãêîé ñåðèè 1000098, ó êîòîðîãî d=8 ìì, D=19 ìì, Â=6 ìì, r=0,5 ìì, Ñ=1750 êÍ è Ñ0=900 êÍ - ñòàòèñòè÷åñêàÿ ãðóçîïîäúåìíîñòü, Ñ - äèíàìè÷åñêàÿ.

d0=8+(4...6)∙0,5=10...11 ìì,

ïðèíèìàåì d0=11 ìì.

dk≥d0 - äèàìåòð øååê âàëà ïîä çóá÷àòîå êîëåñî,

dk=12 ìì, d1>dk, d1=15 ìì.

Ïðîâîäèòñÿ ýñêèçíàÿ êîìïîíîâêà âàëà (Ðèñ. ). Ðàçìåðû âàëà ïî äëèíå îïðåäåëÿþòñÿ êîëè÷åñòâîì è ðàçìåðàìè ïî äëèíå äåòàëåé, óñòàíàâëèâàåìûõ íà íåì, à òàêæå íåîáõîäèìûìè çàçîðàìè ìåæäó èõ òîðöàìè. Îïðåäåëèì äëèíó ñòóïèöû çóá÷àòîãî êîëåñà:

lñò=(1...2)d=8...16, ïðè÷åì

lñò=16 (ñì. äàëåå).

, ãäå

b2 - øèðèíà âåíöîâ çóá÷àòîãî êîëåñà (ðàññ÷èòàíà â ï. 2.3.2 (1)), b2=6 ìì;

 - øèðèíà ïîäøèïíèêà, Â=6 ìì;

∆ - ïðîèçâîëüíûé ðàçìåð.


d3 - äèàìåòð äåëèòåëüíîé îêðóæíîñòè êîëåñà âî âòîðîé ñòóïåíè çóá÷àòîé ïåðåäà÷è.

d3=m∙Z3,

ãäå

m - ìîäóëü êîëåñà,

Z3 - ÷èñëî çóáüåâ.

Âûáåðåì ÷èñëî çóáüåâ êîëåñà 3 èç ôîðìóëû:


Z3≥17, çíà÷èò Z3=40

d3=0,5∙40=20 ìì. (ìîäóëü ïðèíèìàåì íåìíîãî áîëüøå, ÷åì äëÿ ïåðâîé ñòóïåíè: m=0,5).

Ñîñòàâëÿåòñÿ ðàñ÷åòíàÿ ñõåìà âàëà, íà êîòîðîé óêàçûâàþòñÿ âñå ñèëû, äåéñòâóþùèå íà çóá÷àòîå êîëåñî, îïîðû è ò.ä. è èõ òî÷êè ïðèëîæåíèÿ. Âñå ñèëû ïðèâîäÿòñÿ ê òî÷êàì íà îñè âàëà è ðàññìàòðèâàåòñÿ èçãèá âàëà â äâóõ âçàèìíî ïåðïåíäèêóëÿðíûõ ïëîñêîñòÿõ (Ðèñ ).

3.2 Îïðåäåëåíèå ðåàêöèé îïîð è ïîñòðîåíèå èçãèáàþùèõ ìîìåíòîâ

Ñîñòàâëÿåì ðàñ÷åòíóþ ñõåìó âàëà è îïðåäåëÿåì óñèëèÿ íà çóáüÿõ êîëåñ:

íà êîëåñå 2: îêðóæíàÿ ñèëà


(Ò2 ðàññ÷èòàí â ï. 2.3.2 (1), d2 â ï. 2.3.2 (2));

ðàäèàëüíàÿ ñèëà

, ãäå

α - óãîë çàöåïëåíèÿ, α=200,


íà øåñòåðíå 3:

 Í


Íà îñíîâàíèè ïðèíöèïà íåçàâèñèìîñòè äåéñòâèÿ ñèë è ìîìåíòîâ ðàññìîòðèì îòäåëüíî èçãèá âàëà è êðó÷åíèå. Òàê êàê íà âàë äåéñòâóåò ïðîñòðàíñòâåííàÿ ñèñòåìà ñèë, òî îñü âàëà èçîãíóòà è ïðåäñòàâëÿåò ñîáîé ïðîñòðàíñòâåííóþ êðèâóþ. Ïîýòîìó ðàññìîòðèì èçãèá âàëà â äâóõ âçàèìíî ïåðïåíäèêóëÿðíûõ ïëîñêîñòÿõ - âåðòèêàëüíîé è ãîðèçîíòàëüíîé.

1). Ðàññìîòðèì âåðòèêàëüíóþ ïëîñêîñòü.

Èçîáðàæàåì âàë â âèäå áàëêè íà äâóõ îïîðàõ, ñ ïðèëîæåííûìè ê íåé ñèëàìè â âåðòèêàëüíîé ïëîñêîñòè (Ðèñ.4.1 (â)). Ñîñòàâëÿåì óðàâíåíèå ðàâíîâåñèÿ:

1)

,

îòñþäà

l - çàäàííàÿ âåëè÷èíà, l=95, l0=20 - ðàññ÷èòàíà â ï. 3.1.

2).


Ïðîâåðêà:


, çíà÷èò ðåàêöèè îïðåäåëåíû âåðíî.

Îïðåäåëÿåì âåëè÷èíû èçãèáàþùèõ ìîìåíòîâ â ïîïåðå÷íûõ ñå÷åíèÿõ áàëêè:


Ñòðîèì ýïþðó My èçãèáàþùèõ ìîìåíòîâ îò ñèë, ðàñïîëîæåííûõ â âåðòèêàëüíîé ïëîñêîñòè (Ðèñ. ).

2). Ðàññìîòðèì ãîðèçîíòàëüíóþ ïëîñêîñòü.

Èçîáðàæàåì âàë â âèäå áàëêè ñ ïðèëîæåííûìè ê íåé ñèëàìè â ãîðèçîíòàëüíîé ïëîñêîñòè è ñîñòàâèì óðàâíåíèÿ ðàâíîâåñèÿ:

1).

2).


Ïðîâåðêà:

, çíà÷èò ðåàêöèè îïðåäåëåíû âåðíî.

Îïðåäåëÿåì âåëè÷èíû èçãèáàþùèõ ìîìåíòîâ â ïîïåðå÷íûõ ñå÷åíèÿõ áàëêè:


Ïî ýòèì çíà÷åíèÿì ñòðîèì ýïþðó (Ðèñ. ).

Îïðåäåëÿåì âåëè÷èíû ñóììàðíûõ èçãèáàþùèõ ìîìåíòîâ:

Ñòðîèì ýïþðó ñóììàðíûõ èçãèáàþùèõ ìîìåíòîâ (Ðèñ. ).

Êðó÷åíèþ ïîäëåæèò ó÷àñòîê âàëà ìåæäó ýëåìåíòàìè, ïåðåäàþùèìè âðàùåíèÿ è óñòàíîâëåííûìè íà íåì.  äàííîì ñëó÷àå - ýòî ó÷àñòîê ÀÑ. Êðóòÿùèé ìîìåíò â ïîïåðå÷íîì ñå÷åíèè íà ýòîì ó÷àñòêå . Ýïþðà êðóòÿùåãî ìîìåíòà ïîêàçàíà íà Ðèñ.

Ïî ïîñòðîåííûì ýïþðàì Ì è Ò îïðåäåëèì ïîëîæåíèå îïàñíîãî ñå÷åíèÿ âàëà - òàêîå ñå÷åíèå, â êîòîðîì èìåþò ìàêñèìàëüíûå çíà÷åíèÿ.  äàííîì ñëó÷àå òàêèì ñå÷åíèåì ÿâëÿåòñÿ ñå÷åíèå Ñ.

3.3 Ïðîâåðêà âàëà íà óñòàíîâëåííóþ ïðî÷íîñòü

Ïî ïðåäïîëàãàåìîìó îïàñíîìó ñå÷åíèþ âàëà ïðàâî ïðîâîäèòñÿ ïðîâåðêà åãî íà óñòàíîâëåííóþ ïðî÷íîñòü. Äëÿ ýòîãî íàçíà÷èì ìàòåðèàë âàëà, åãî òåðìîîáðàáîòêó: ñòàëü 45 ñ òåðìîîáðàáîòêîé íîðìàëèçàöèÿ. Íàéäåì õàðàêòåðèñòèêè ìàòåðèàëà: äèàìåòð çàãîòîâêè ≤100 ìì; òâåðäîñòü ÍÂ=167...229; ïðåäåë ïðî÷íîñòè σu=580 ÌÏà; ïðåäåë òåêó÷åñòè σó=320 ÌÏà; ìîäóëü óïðóãîñòè Å=2∙105 ÌÏà.

 îïàñíîì ñå÷åíèè Ñ îòâåðñòèå äèàìåòðîì d0=11 ìì (ñì. ï. 5). Ïî òàáëèöå 1 [1] íàõîäèì êîýôôèöèåíòû êîíöåíòðàöèè íàïðÿæåíèé ïðè èçãèáå Êσ=1,8 è Êτ=1,75 (ïðè êðó÷åíèè). Êîýôôèöèåíò KF, ó÷èòûâàþùèé øåðîõîâàòîñòü ïîâåðõíîñòè âàëà íà åãî óñòàëîñòíóþ ïðî÷íîñòü èìååò çíà÷åíèå KF=1 ïðè øëèôîâàííîé ïîâåðõíîñòè (Ra=0,08…0,32 ìêì). Êîýôôèöèåíòû Ψσ è Ψτ, ó÷èòûâàþùèå ÷óâñòâèòåëüíîñòü ìàòåðèàëà âàëà ê àñèììåòðèè öèêëà èçìåíåíèÿ íàïðÿæåíèé, äëÿ ñòàëåé íàõîäÿòñÿ ïî ôîðìóëàì:

Íîðìàëüíûå íàïðÿæåíèÿ èçãèáà σ âàëîâ èçìåíÿþòñÿ ïî ñèììåòðè÷íîìó öèêëó, ïðè êîòîðîì

,

ãäå

Ì - ñóììàðíûé èçãèáàþùèé ìîìåíò â ñå÷åíèè Ñ;

Wu - ìîìåíò ñîïðîòèâëåíèÿ ïðè èçãèáå;

Äëÿ êðóãëîãî ñïëîøíîãî ïîïåðå÷íîãî ñå÷åíèÿ äèàìåòðîì dk=12:


Êàñàòåëüíûå íàïðÿæåíèÿ τ èçìåíÿþòñÿ ïî îòíóëåâîìó öèêëó, ïðè êîòîðîì

, ãäå

Ò - êðóòÿùèé ìîìåíò â ñå÷åíèè Ñ (Ò=Ò2=996 Í∙ìì);

Wk - ìîìåíò ñîïðîòèâëåíèÿ ïðè êðó÷åíèè:


τm - ñðåäíåå íàïðÿæåíèå öèêëà;

τÀ - àìïëèòóäà íàïðÿæåíèé.

Äàëåå îïðåäåëÿþòñÿ ïðåäåëû âûíîñëèâîñòè ìàòåðèàëà ïî íàïðÿæåíèÿì èçãèáà σ-1 è êðó÷åíèÿ τ-1:


Ïî òàáëèöå 2 [1] εσ=0,95; ετ=0,87.

Îïðåäåëÿåì êîýôôèöèåíòû çàïàñà óñòàëîñòíîé ïðî÷íîñòè âàëà ïî íîðìàëüíûì íàïðÿæåíèÿì èçãèáà è êàñàòåëüíûì íàïðÿæåíèÿì êðó÷åíèÿ.


çíà÷èò ïðèíèìàåì ðàçìåðû âàëèêà âåðíûìè.

3.4 Ïðîâåðêà âàëà íà ñòàòè÷åñêóþ ïðî÷íîñòü

Óñëîâèå ñòàòè÷åñêîé ïðî÷íîñòè âàëà ïðè îäíîâðåìåííîì êðó÷åíèè è èçãèáå èìååò âèä:

, ãäå

σð - ðàñ÷åòíîå íàïðÿæåíèå, ÌÏà;

Ìð - ðàñ÷åòíûé ìîìåíò â îïàñíîì ñå÷åíèè, Í∙ìì;

σadm - äîïóñêàåìîå íàïðÿæåíèå ìàòåðèàëà âàëà íà èçãèá,

;

Ê - êîýôôèöèåíò çàïàñà ïðî÷íîñòè çàâèñèò îò óñëîâèé ðàáîòû, ïðè ñïîêîéíîé íàãðóçêå, Ê=1,5.


Çíà÷èò óñëîâèå ñòàòè÷åñêîé ïðî÷íîñòè âàëà âûïîëíÿåòñÿ.

4. Ïîäáîð ïîäøèïíèêîâ êà÷åíèÿ

Ïîäøèïíèêè áûëè âûáðàíû â ï.3.1: øàðèêîâûé ðàäèàëüíûé ïîäøèïíèê êà÷åíèÿ ñâåðõëåãêîé ñåðèè 1000098, d=8 ìì, D=19 ìì, Â=6 ìì, r=0,5 ìì, Ñ=1750 êÍ è Ñ0=900 êÍ .Îïðåäåëèì ðåàêöèè R1 è R2 îïîð âàëà ïî ôîðìóëå:


Ðàäèàëüíàÿ íàãðóçêà íà ïîäøèïíèêàõ áóäåò ðàâíà:


Ðàñ÷åòíàÿ ýêâèâàëåíòíàÿ íàãðóçêà íà ïîäøèïíèê:

, ãäå

V - êîýôôèöèåíò âðàùåíèÿ êîëüöà. Ïðè âðàùåíèè âíóòðåííåãî êîëüöà îòâåðñòèÿ V=1.

Êδ - êîýôôèöèåíò áåçîïàñíîñòè. Ïðè ñïîêîéíîé íàãðóçêå Êδ=1.

ÊÒ - òåìïåðàòóðíûé êîýôôèöèåíò. Ïðè ðàáî÷åé òåìïåðàòóðå ïîäøèïíèêà äî 1000Ñ, ÊÒ=1.

Îïðåäåëÿåòñÿ äîëãîâå÷íîñòü â ÷àñàõ:


Çíà÷èò îñòàâëÿåì âûáðàííûå ïîäøèïíèêè.

5. Ðàñ÷åò øòèôòîâûõ ñîåäèíåíèé

 øòèôòîâûõ ñîåäèíåíèÿõ âàëà ñ äåòàëÿìè, óñòàíàâëèâàåìûìè íà íåãî, íàèáîëåå ÷àñòî ïðèìåíÿþò øòèôòû êîíè÷åñêèå, êîòîðûå èçãîòàâëèâàþò, êàê ïðàâèëî, èç ñòàëè 45. Ðàçìåð âûáèðàåòñÿ ïî òàáëèöå 5 [1].

d=dk=12 ìì, d1=3 ìì.

Äëèíà øòèôòà 2 ìì. Ïðè äåéñòâèè íà âàë êðóòÿùåãî ìîìåíòà Ò=Ò2=996 Í∙ìì øòèôò ïðîâåðÿþò íà ñðåç:

,

ãäå

k=1,3 - êîýôôèöèåíò çàïàñà ïðî÷íîñòè øòèôòà;

Fcp - óñèëèå ñðåçà øòèôòà, Í;

Àñð - ïëîùàäü äâóõ ñðåçîâ øòèôòà;

d - äèàìåòð âàëà, ìì;

τñð - íàïðÿæåíèå ñðåçà, ÌÏà;

τñðmax - äîïóñêàåìîå íàïðÿæåíèå ñðåçà äëÿ ìàòåðèàëà øòèôòà, ÌÏà.

Äëÿ ñòàëüíûõ øòèôòîâ ïðèìåì τñðadm=60...80 ÌÏà,

,

çíà÷èò ïðèíèìàåì âåðíûì äèàìåòð øòèôòà.

d1=3 ìì äëÿ äèàìåòðà âàëà d=12 ìì.

Äëÿ êðåïëåíèÿ êîëåñà 2 âûáèðàåì øòèôò ñ äèàìåòðîì d1=2 ìì äëÿ äèàìåòðà âàëà d=8 ìì.

6. Êîíñòðóèðîâàíèå ýëåìåíòîâ ïðèâîäà

Øåñòåðíÿ.

da3=d3+2m=20+1=21 ìì<2dk=24 ìì,

îíà êðåïèòñÿ íà âàëó ïðè ïîìîùè øòèôòà è äîëæíà èìåòü ñòóïèöó, ïîçâîëÿþùóþ óñòàíîâèòü øòèôò. Îáû÷íî lñò3=(1,2...1,5)d=14,4...18 ìì, lm=18 ìì, dñò3=1,6d=19,2 ìì, dñò3=19 ìì, b3=8 ìì (ðàâíà b1, ò.ê. ìåæîñåâîå ðàññòîÿíèå ó êîëåñ 1,2 è 3,4 îäèíàêîâîå).

Çóá÷àòîå êîëåñî.

- lñò=(1...2)d=7...14 ìì, lm=14 ìì (d - äèàìåòð âàëà) - äëèíà ñòóïèöû,

- äèàìåòð ñòóïèöû dñò=(1,5...2)d=10,5...14 ìì, dñò=14 ìì,

- òîëùèíà îáîäà δ0=(2,5...4,0)m=1...1,6 ìì, δ0=1 ìì,

- òîëùèíà äèñêà Ñ=(0,2...0,3)b=1,2...1,8 ìì, Ñ=1,8 ìì,

- äèàìåòð öåíòðîâîé îêðóæíîñòè


Äëÿ îáëåã÷åíèÿ êîëåñà è óìåíüøåíèÿ åãî èíåðòíîñòè, êîëåñî âûïîëíÿþò â âèäå, èçîáðàæåííîì íà Ðèñ.

Ñòîéêà. Èñïîëüçóåòñÿ äëÿ óñòàíîâêè ïîäøèïíèêà â íåå. Øèðèíà Âñò ãíåçäà ñòîéêè ïîä ïîäøèïíèê äîëæíà ïðèíèìàòüñÿ â ïðåäåëàõ Âñò=(1,1...1,3)∙Â=(1,1...1,3)∙6 ìì=6,6...7,8 ìì; Âñì=7 ìì.

B, d, D - ãàáàðèòû ïîäøèïíèêà. Òîëùèíà t öèëèíäðè÷åñêîé ÷àñòè (ãîëîâêè) ñòîéêè äîëæíà áûòü â ïðåäåëàõ t=(0,2...0,25)∙(D-d)=(0,2...0,25)∙(19-8)=2,2...2,75.

t=2,5 ìì.

Çàêëþ÷åíèå

 äàííîì êóðñîâîì ïðîåêòå ìû ðàññìîòðåëè âîïðîñû óñòðîéñòâà, ïðèíöèï äåéñòâèÿ è ðàñ÷åò àâòîìàòè÷åñêîãî ïîòåíöèîìåòðà.

Ðàññ÷èòàëè ìåõàíè÷åñêèé ïðèâîä, âêëþ÷àþùèé â ñåáÿ êèíåìàòè÷åñêèé è ñèëîâîé ðàñ÷åò ëèíèè ïåðåäà÷, îïðåäåëèëè îñíîâíûå ðàçìåðû çóá÷àòîé ïåðåäà÷è èç ðàñ÷åòà íà ïðî÷íîñòü è óñëîâèé ðàáîòû, à òàêæå âûáðàëè ýëåêòðîäâèãàòåëü. Áûë îñâîåí ïðèíöèï ïîñòðîåíèÿ ïðîôèëÿ êóëà÷êîâîãî ìåõàíèçìà.

Ñïèñîê ëèòåðàòóðû

1. Ðàñ÷åò ýëåìåíòîâ ïðèâîäà àâòîìàòè÷åñêîãî ïîòåíöèîìåòðà: ìåòîäè÷åñêîå óêàçàíèå ê êóðñîâîìó ïðîåêòó/Ðÿçàí. ðàäèîòåõí. èí.-ò; Ñîñò.: Â.È. Íåñòåðåíêî, È.Ì. Ñåëüäèìèðîâ, À.Ì. Êóçüìåíêî; Ïîä ðåä. Ðÿçàíü, 1993.

2. Ðàñ÷åò ïðèâîäà àâòîìàòè÷åñêîãî ïîòåíöèîìåòðà: ìåòîäè÷åñêîå óêàçàíèå ê êóðñîâîìó ïðîåêòó ïî êóðñó ïðèêëàäíîé ìåõàíèêè/Ðÿçàí. ðàäèîòåõí. èí.-ò; Ñîñò.: Â.Ê. ßíêåëèîâè÷, È.Ì. Ñåëüäèìèðîâ, Â.È. Íåñòåðåíêî, À.Ì. Êóçüìåíêî; Ïîä ðåä. Â.Ê. ßíêåëèîâè÷à. Ðÿçàíü, 1992.

3. Ëåâèí È.ß. “Ñïðàâî÷íèê êîíñòðóêòîðà òî÷íûõ ïðèáîðîâ”, Ì. 1967.

Похожие работы на - Автоматический потенциометр с кулачковым механизмом

 

Не нашли материал для своей работы?
Поможем написать уникальную работу
Без плагиата!
Без нейросетей!