Эволюция информационных технологий

  • Вид работы:
    Контрольная работа
  • Предмет:
    Менеджмент
  • Язык:
    Русский
    ,
    Формат файла:
    MS Word
    33,54 kb
  • Опубликовано:
    2010-10-03
Вы можете узнать стоимость помощи в написании студенческой работы.
Помощь в написании работы, которую точно примут!

Эволюция информационных технологий

 












ЭВОЛЮЦИЯ ИНФОРМАЦИОННЫХ ТЕХНОЛОГИЙ

Для того, чтобы применять ИТ, необходимо хорошо разбираться в организационных и управленческих схемах предприятия.

На рис. 1 проиллюстрирована взаимосвязь организационных, технологических и управленческих аспектов при создании информационных систем. Этот рисунок можно использовать как отправную точку для анализа любых ИС, с которыми можно столкнуться на практике.

Рис. 1. Взаимосвязь организационных, технологических и управленческих аспектов при создании ИС

Начнем с очевидной предпосылки: ИС и организационная структура предприятия взаимно влияют друг на друга. С одной стороны, ИС должны соответствовать организационной структуре, чтобы обеспечивать подразделения необходимой информацией. С другой, предприятие должно заново познавать себя, чтобы получить выгоду от новых ИС.

ИС заметно меняют жизнь на предприятии, поэтому нельзя успешно спроектировать новые системы или осмыслить функционирование тех, что уже существуют, без понимания того, как работает предприятие.

В некоторых отношениях все современные предприятия подобны друг другу. Немецкий социолог Макс Вебер сформулировал «идеально-типичные» характеристики организаций. Он назвал их бюрократиями, имеющими определенные «структурные» черты. Согласно Веберу, все современные бюрократии:

- имеют явное разделение труда и используют труд различных специальностей;

- выстраивают специалистов в иерархии власти;

- ограничивают власть и действия абстрактными правилами или процедурами;

- формируют систему беспристрастных и универсальных решений;

- нанимают и продвигают служащих на основе технической квалификации и профессионализма (а не личных связей);

- работают по принципу эффективности: максимизировать результаты при ограниченных ресурсах.

Другие исследователи развили идеи Вебера, добавив к числу основных такие характеристики предприятия, как стандартные операционные процедуры, организационную культуру предприятия и его политику.

Предприятия становятся эффективными, если они производят ограниченное число продуктов и услуг, используя соответствующие стандартные действия. Эти действия кодируются в разумные точные правила — в стандартные операционные процедуры, которые служат руководством к действию во всех ожидаемых ситуациях. Они обеспечивают эффективность, присущую современным предприятиям. Любые изменения таких процедур требуют больших усилий от предприятия.

Люди на предприятии занимают неодинаковое положение на иерархической лестнице, имеют разные специальности и перспективы. Поэтому у них могут не совпадать точки зрения на то, как следует распределять ресурсы и вознаграждения. Все это приводит к конкуренции и конфликтам, которые могут иметь место на любом предприятии. Сопротивление нововведениям является одной из наиболее острых проблем на предприятии, особенно при внедрении новых ИС. Очевидно, что их внедрение приводит к существенным изменениям бизнес-процессов и выдвигает принципиально иные требования к персоналу, поэтому оно всегда будет встречать серьезную оппозицию.

Организационная культура — это фундаментальные установки относительно того, какие продукты предприятие должно производить, как их нужно производить, где и для кого. Обычно эти установки считаются само собой разумеющимися и редко публично объявляются.

Организационная культура — это мощная сила, которая сдерживает политические конфликты и способствует взаимопониманию персонала. Если вы разделяете базовые культурные предпосылки, тогда легче договориться и по другим вопросам.

В то же время организационная культура тормозит изменения, особенно технологические. Большинство предприятий делает все, чтобы не менять базовых предпосылок. Поэтому новые технологии почти всегда внедряются с оглядкой на уже существующую организационную культуру, а любые изменения, которые угрожают общепринятым предпосылкам, встречают сопротивление.

С другой стороны, наступает время, когда остается только один разумный путь — использовать новую технологию, которая прямо противостоит существующей организационной культуре.

Помимо вышеперечисленных характеристик, с позиций которых сравнивают предприятия, можно ввести ряд дополнительных: организационная структура, стиль руководства, цели и др. (табл. 1).

Таблица 1

Основные и дополнительные характеристики предприятия

Основные характеристики

Дополнительные характеристики

Стандартные операционные процедуры

Политика

Организационная культура

Тип организации

Уровни управления

Стиль руководства

Назначение

Функции

Задачи

Технологии

Участники


В таблице 2 представлены пять основных типов предприятий, различающихся организационной структурой.

Таблица 2

Организационные структуры

Типы организации

Описание

Примеры

Предпринимательская структура

Молодые небольшие предприятия в быстро меняющейся окружающей среде. Простая организационная структура, управляемая предпринимателем, являющимся единственным руководителем.

Небольшой начинающий бизнес

Производственная бюрократия

Крупные бюрократии, существующие в медленно меняющейся среде, производящие стандартные продукты. Управляются централизованной управленческой командой.

Производственные предприятия среднего размера

Отделенческая бюрократия

Комбинация функциональных бюрократий, производящих различные продукты. Бюрократии подчинены одному центральному органу.

Многоотделенческие компании

Профессиональная бюрократия

Организации, базирующиеся на знаниях, в которых результат зависит от высокой квалификации сотрудников.

Юридические фирмы, образовательные учреждения

Адхократия

Ориентированы быстро реагировать на изменения окружающей среды. Состоят из специалистов, которые работают в командах, создаваемых на короткий срок и слабо связанных с центральным управлением.

Консалтинговые фирмы


Организационная структура предприятий складывается под влиянием внешней среды, в которой ему приходится работать. Обычно адхократические и предпринимательские структуры обладают гибкостью, позволяющей им эффективно действовать в быстро меняющейся окружающей среде. Они не связаны громоздкой иерархией и могут делегировать власть подчиненным. Производственные и отделенческие бюрократии лучше действуют в стабильной среде.

Большинство людей не понимает, насколько хрупкими бывают организационные схемы предприятий и как они быстро меняются. Основная причина организационных неудач состоит в неспособности адаптироваться к изменяющейся окружающей среде, отсутствию ресурсов, что особенно относится к молодым предприятиям, неспособным выдерживать даже короткие периоды сложных ситуаций. Современные технологии, новые продукты и изменения общественных вкусов и ценностей накладывают отпечаток на любую организационную культуру, политику, операционные процедуры и на людей. Быстро меняющиеся технологии, в том числе ИТ, представляют в этом смысле особую угрозу предприятиям. Резкие технологические изменения усиливают, либо ослабляют положение предприятий в отрасли. Многие предприятия неспособны адаптироваться к изменениям и прекращают свое существование, освобождая ресурсы для нового поколения молодых организаций.

Предприятия различаются не только организационной структурой, но и многими другими показателями, в частности, конечными целями и способами их достижения. Еще одно различие — по задачам и используемым технологиям. В некоторых случаях предприятие решает традиционные, часто повторяющиеся задачи. В других — приходится работать с нестандартными проблемами (консалтинговые фирмы, занятые разработкой стратегических планов для других предприятий).

Как видно из таблицы 2, список дополнительных характеристик предприятий длиннее, чем список основных характеристик. В этом главная причина, почему ИТ оказывают неодинаковое влияние на разные предприятия (и даже их типы). Только при тщательном анализе всех предпосылок можно эффективно управлять ИТ.

Руководители играют разные роли на предприятии, их обязанности простираются от принятия решений и написания отчетов до проведения встреч и празднования дней рождения. Для того, чтобы определить, какую пользу ИТ могут приносить руководящему составу предприятия, необходимо прежде всего провести анализ, какая именно информация необходима для принятия решений и исполнения других функций.

Классическая модель управления не вызывает сомнений уже более 70 лет. Анри Файоль и его школа впервые указали пять основных функций управляющего — планирование, организация, координация, принятие решений и контроль.

Однако, такое описание управленческих функций нельзя признать удовлетворительным — здесь не сказано, как именно руководители разрабатывают план, принимают решения и контролируют работу других. Необходимо более конструктивное, более детальное описание того, как руководители ведут себя на практике.

Экспериментально доказано, что управленческое поведение обладает пятью характеристиками, которые существенно отличаются от классического описания.

Руководители выполняют значительный объем работ в бешеном темпе. Исследования показывают, что они ежедневно оказываются вовлеченными в 600 и более различных видов деятельности.

Управленческая деятельность фрагментарна — большинство решений принимается менее чем за 9 мин, и только 10% мероприятий продолжается хотя бы час.

Руководители в своей деятельности ориентированы на текущую, конкретную информацию.

Руководители считают полезным общение с широким кругом лиц, по сути дела, эти контакты действуют как неформальная ИС.

Можно выделить три вида деятельности, которые реализует эффективно работающий руководитель.

Во-первых, значительное время тратится на определение целей функционирования предприятий, как краткосрочных, так и долгосрочных.

Во-вторых, много времени уходит на общение с персоналом предприятия.

В-третьих, производственные связи нередко используются для достижения личных целей.

Анализ повседневного поведения руководящего состава позволил выяснить, что в процессе своей деятельности руководители исполняют различные роли: межличностные, информационные и лица, принимающего решения.

Межличностные роли. Руководители выступают как начальники, когда представляют свои предприятия вовне и исполняют символические обязанности, типа награждения работников. Они действуют как лидеры, стремясь направлять, консультировать и поддерживать подчиненных. Они также являются связующим звеном между членами управленческой команды. Руководители покровительствуют своим подчиненным, что, как они ожидают, будет вознаграждено.

Информационные роли. Руководители действуют как информационные центры своих предприятий, получая наиболее актуальную информацию, передавая ее тем, кто в ней нуждается, и озвучивая ее.

Лицо, принимающее решения. Руководители принимают решения, действуют как предприниматели, инициируют новые типы деятельности. Они должны устранять различные нарушения порядка, возникающие на предприятии. Они распределяют ресурсы, улаживают разногласия и посредничают между конфликтующими группами.

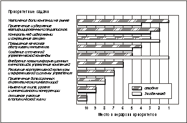
В таблице 3, исходя из классификации ролей, предложен подход к решению вопроса о том, где ИС могут помочь руководителям, и где они сделать этого не могут. Практической иллюстрацией того, какое место руководители российских предприятий отводят внедрению новых информационных технологий в управлении предприятием среди прочих проблем, служат результаты исследования «Приоритетные задачи российских менеджеров», проведенного Ассоциацией менеджеров России и компанией Ernst & Young CIS (рис. 2).

 

Таблица 3

Управленческие роли и ИС

Роль

Поведение

Системы поддержки

Межличностные роли

Начальник

Межличностное

Не существует

Лидер

общение

Не существует

Связующее звено


Вычислительные сети и телекоммуникации

Информационные роли

Информационный центр


Автоматизированные системы управления

Распространение информации

Обработка информации

Электронная почта, офисные системы

Представитель профессиональных групп


Офисные и профессиональные системы

Лицо, принимающее решения

Предприниматель


Не существует

Администратор

Принятие решений

Не существует

Распределение ресурсов


Системы поддержки решений

Участие в переговорах


Телекоммуникационные системы


Рис. 2. Приоритетные задачи российских руководителей

В последние 40 лет технологические изменения бывали как революционными, так и эволюционными. Радикальные перемены подготавливались периодами технологических инноваций, которым часто предшествовала серия незначительных, постепенных изменений. Можно выделить следующие периоды инноваций:

- эра электронных вычислительных машин,

- эра микрокомпьютеров,

- эра сетей

- эра повсеместного использования компьютеров.

Эра электронных вычислительных машин (1950—1970 гг.)

Создание цифрового компьютера в начале 50-х годов послужило катализатором радикальных изменений в обработке информации. Пионерами стали фирмы и предприятия, работающие с большими массивами данных, закупившие электронные вычислительные машины (ЭВМ) и применявшие их для обработки всех данных. Первым пользователям машина помогала в основном в решении информационно-поисковых задач (учет и кадры).

Изредка предпринимались попытки расширить круг задач. Начали появляться системы поддержки решений, экспертные системы и другие «интеллектуальные» программы, но технологические ограничения препятствовали их широкому использованию. Так продолжалось до тех пор, пока микрокомпьютеры не возвестили эру быстро растущих локальных возможностей обработки информации. Были разработаны программы для решения систематически повторяющихся задач, что повышало эффективность и замещало ручную работу младшего управленческого звена. Управляющие высшего звена не считали необходимым включаться в разработку новых технологий.

На этом этапе у пользователей не было прямого доступа к машине и взаимодействия с ЭВМ осуществлялось с помощью громоздких устройств ввода-вывода данных, выступавших в качестве «бессловесных» терминалов. Технология 60-х и 70-х годов давала возможность длительной работы на машине лишь тем, кто находился в самом вычислительном центре. Доступ пользователей со стороны обычно ограничивался очень короткими сеансами.

Эра микрокомпьютеров (конец 70-х — начало 80-х гг.)

В наступлении эры микрокомпьютеров сыграло роль сразу несколько факторов. Появление микропроцессоров в конце 60-х годов позволило удешевить технологию. Миникомпьютеры, а позднее микрокомпьютеры, требовали менее специализированного оборудования. Для разработки, эксплуатации и функционирования локальных систем нужна была квалификация не столь высокая, как для больших ЭВМ. Наконец, бизнесмены начали осознавать, что информация, получаемая с помощью ИТ, становится все более важной для принятия эффективных решений и для работы на локальном уровне. Они хотели взаимодействовать с машинами непосредственно. Компьютер, находящийся под рукой, давал им возможность осуществлять контроль над информацией.

Ранние приложения были жестко связаны со способами обработки информации, которые существовали до установки ЭВМ. Если руководитель хотел изменить информационные технологии, это стоило дорого, требовало затрат времени и участия профессионалов. Постепенно централизованные способы обработки информации перестали соответствовать децентрализованному стилю ее применения.

В течение 80-х годов расширилось использование ИТ для повышения качества принятия решений и повышения эффективности отдельных видов работ. Возникали «островки автоматизации» — первоначально в подразделениях, а впоследствии, с появлением микрокомпьютеров, — и на рабочих столах отдельных сотрудников. Децентрализация расчетов сделала менее удобной работу с центральной ЭВМ. Число новых приложений быстро росло. Если на первых этапах ЭВМ применяли в основном для автоматизации управления производством, то в последующем персональные компьютеры были ориентированы на информатизацию процессов планирования, разработки бюджета и подготовки отчетов. Переносные компьютеры, факсы, сотовые телефоны и соответствующее программное обеспечение обеспечили возможность совместной работы без оглядки на расстояния и разницу во времени.

С появлением локальных технологий обработки информации и дружественных пользователю пакетов прикладных программ, стал возможен более широкий контроль информации. Однако, микрокомпьютеры не заменили собой систему с центральной ЭВМ. Они дополнили ее, и проблемы, касающиеся того, какими технологиями и приложениями управлять централизованно, а с какими работать самим пользователям, стали постоянным источником трений. Эти проблемы особенно обострились, когда с середины 80-х годов стратегическая ценность ИТ в глазах многих фирм резко выросла.

Эра распределенных сетей (с конца 80-х гг.)

Положительный опыт использования ИТ на локальном уровне, совершенствование сетей с распределенной информацией, возросшая скорость изменений в окружающей среде — все это потребовало использования ИТ для изменения структуры принятия решений внутри предприятия и укрепления его конкурентных позиций. Стратегические преимущества ИТ стали очевидны, и издержки на ИТ с середины 80-х годов быстро возрастали. В то же время усилилась потребность в обмене информацией, скрытой в децентрализованных системах.

Все эти факторы совпали во времени с технологическим усовершенствованием мощности коммуникационных сетей. В начале 90-х годов появились системы «клиент-сервер» в которых пользователи получают и передают информацию через множество стационарных рабочих станций и переносных компьютеров. Вся эта аппаратура объединена в высоко эффективные локальные и глобальные сети для перераспределения информации и коммуникационного обслуживания.

Центральные машины продолжали использоваться наряду с множеством рабочих станций и миникомпьютеров как еще один сервер сети — хотя и мощный, но не единственный. Обычно серверы узко специализированы, поддерживаются профессионалами. Например, компания может на одном сервере создать базу данных о потребителях, а другой сервер использовать для интеграции управления и контроля производственными процессами. Еще один сервер можно ориентировать на контроль коммуникаций и распределения информации внутри и вне предприятия. Клиенты связаны посредством сети, имея доступ к различным инструментам — таблицам, системам подготовки отчетов, электронной почте.

Централизованные системы администрирования, устаревшая функциональная система отчетности и стимулирования должны были быть заменены схемой организационного сотрудничества. Разработка централизованных платформ стала значительно более структурированной и стандартизованной, а разработка приложений ИТ, предназначенных для конечных пользователей — более интерактивной, итеративной и непосредственной.

Межфункциональные команды пользователей, в некоторых случаях включающие потребителей и поставщиков, и профессионалы в области ИТ стали нести ответственность за накопление информационных ресурсов, их использование и управление ими. Стратегическое партнерство со множеством поставщиков, системных интеграторов, внешними источниками информации и с консультантами требует управления быстрым развитием сложных технологий. Руководители ИТ-подразделений и управляющие бизнесом разделили между собой ответственность за определение стратегического направления развития ИТ и их роли на предприятиях.

Эра повсеместного использования компьютеров

В 1990-2000 годы доминирующей архитектурой ИТ становятся распределенные вычислительные системы «клиент-сервер». Однако, несмотря на их младенческий возраст, есть свидетельства, что уже появляется новая модель архитектуры ИТ. Прогнозы говорят о том, что через несколько лет иерархически структурированные сети сегодняшнего дня будут эволюционировать в гибкие информационные и коммуникационные сети, через которые смогут мгновенно передаваться данные, голос, видео и графика на персональные переносные компьютеры большой мощности.

Новые организационные схемы

ИТ становятся мощным инструментом повышения конкурентоспособности и эффективности предприятий.


Не нашли материал для своей работы?
Поможем написать уникальную работу
Без плагиата!
Без нейросетей!