Кодер - декодер речевого сигнала
Кодер - декодер речевого сигнала Амплитудно
- фазовое преобразование
Введение
Эффекты возникновения амплитудно-зависимых фазовых
сдвигов в различных, работающих в нелинейных режимах, узлах приемно -
усилительных трактов называется “Амплитудно - фазовая конверсия” (АФК).
АФК - от английского слова “conversion” -
преобразование.
По условиям эксплуатации большинства устройств в них
должны быть применены специальные меры для устранения или ослабления АФК до
значений, при которых показатели разрабатываемого устройства ухудшаются
незначительно. Решение задачи сводится к созданию цепи, аргументы комплексной
функции, передачи которой остается постоянным в широком интервале изменений
воздействующих на цепь факторов. Ясно, что на основе известных схемотехнических
и конструктивно - технологических решений не представится возможным создание
такой цепи. Однако реальным является устройство, фазо - инвариантное к
изменениям амплитуды сигнала в ограниченном интервале этих изменений и в
конкретных условиях эксплуатации.
В ряде случаев явление АФК является полезным и
позволяет обеспечить требуемые показатели радиоэлектронной аппаратуры. В таких
устройствах эффекты АФК принудительно необходимы, например, в модуляторах фазы,
в системах с предыскажением фазы и др.
В данной работе применяется метод АФК для сокрытия
речевой информации телефонного канала.
Метод анализа устройств с АФК
В теоретической радиотехнике известны различные методы
исследования.
Наиболее строгим методом, позволяющим описать
устройство любого типа и оценить закономерности прохождения сигналов через
него, является метод, основанный на решении нелинейных интегрально -
дифференциальных уравнений, описывающих физику работы устройства. Получение
решения поведения рассматриваемого устройства в широком интервале переменных,
представляется затруднительным. Решения делаются для частных случаев и этот
метод не универсален т.е. результаты решения не распространяются на другие
устройства.
Менее строгим, но более общим является метод замены
устройства эквивалентным четырехполюсником с некоторыми характеристиками,
свойственными рассматриваемому устройству. Данному четырехполюснику
соответствует определенная передаточная функция. Характеристики, определяющие
передаточную функцию можно найти теоретически или экспериментально. При
аналитическом исследовании цепей с АФК следует использовать четырехполюсник,
который отражает лишь основные черты поведения устройства и не учитывает ряд
побочных явлений, не играющих принципиальной роли. (Л4)
При воздействии квазигармонического колебания (1) на
вход реального, т.е. нелинейного, четырехполюсника на его выходе появляется ряд
спектральных составляющих. Отличительной способностью цепей с АФК является
изменение фазы составляющих в зависимости от амплитуды входного воздействия.
(1)
X(t), j(t) - изменяются
по закону передаваемой информации
Выходной сигнал представляется:
(2)
где Yn(t)-
медленно изменяющиеся амплитуда n-й
гармоники, yn(t) -
фаза гармоники
Явление АФК сводится к тому, что yn(t)
отличается от входной функции j(t) не только на детерминированный угол j0, характеризующий фазовую постоянную устройства, но и
на угол j[X(t)],
зависящий от уровня входного сигнала:
(3)
Амплитуды выходного и входного сигналов связаны
нелинейной зависимостью:
Yn(t)=Yn[X(t)] (4)
отражающей амплитудную нелинейнейность
Выражение (2) можно записать:
y(t)=Y[X(t)]expinw0t (5)
где
Yn[X(t)]=Yn[X(t)]expij[X(t)] - комплексная амплитуда выходного сигнала,
характеризующая комплексную нелинейность тех устройств, в которых амплитудная
нелинейность и АФК проявляются в главной мере при одних и тех же уровнях входного
колебания X(t). Устройства, в которых АФК пренебрежимо мала,
полностью характеризуется функцией Yn[X(t)], а устройства с АФК -
функцией j[X(t)] (Л4).
Выбор четырехполюсника с АФК
Выберем в качестве четырехполюсников:
-для кодера компрессор речевых сигналов;
-для декодера экспандер речевого сообщения;
Компрессор речевых сигналов действует по принципу
усилителя с нелинейной отрицательной обратной связью (ООС). Это означает, что
нелинейные элементы, сопротивление которых изменяется в соответствии с уровнем
усиливаемого сигнала, входят в цепь ООС, охватывающей как отдельные каскады,
так и усилитель в целом.
Для обеспечения требуемого закона изменения
коэффициента усиления, необходимо определенным образом выбрать способ включения
нелинейных элементов и режимы их работы.
Рассмотрим причины АФК в усилителях с нелинейной
обратной связью. На основании известных соотношений:
определяющих комплексный коэффициент усиления
усилителя с обратной связью. На рис.1 построена векторная диаграмма для случая
гармонического сигнала, позволяющая судить о закономерностях изменениях
показаний усилителя в зависимости от глубины ООС.
На рис.1 векторная диаграмма, определяющая коэффициент
усиления усилителя с ООС, здесь:
; Кос
- модуль коэффициента усиления; jос-фазовый сдвиг,
создаваемый усилителем с ООС.
- не комплексный
коэффициент усиления усилителя без ООС. b - коэффициент
передачи канала обратной связи, предполагаемой действительной величиной, т.е.
рассматривается усилитель с частотно-независимой ООС.
Из диаграммы следует, что с увеличением глубины ООС,
вносимый усилителем фазовый сдвиг- уменьшается.

(7)
Но поскольку в усилителе глубина ООС растет с
увеличением уровня сигнала (компрессор):
b=F2(Uвхм) (8)
то связь фазового сдвига с изменением уровня входного
сигнала при W=const:
(9)
В экспандере процесс изменения ООС обратный:
(10)
т.е. для малых амплитуд усиления мало, а для больших
амплитуд усиление велико.
Кодер на операционном усилителе с амплитудно - фазовой
конверсией
Эквивалентная схема кодера (декодера) приведена на
рис. 2
Коэффициенты усиления идеального усилителя:
(11)
Для кодера выберем:
Z2=R1
Коэффициент передачи кодера:
(12)
Цепь с сопротивлением Z2 представлена
на рис. 3. Сопротивление R вводится для работы усилителя с малым уровнем
сигнала.
Коэффициенты передачи декодера:
(13)
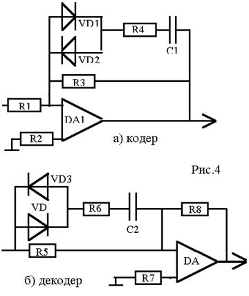
Принципиальные схемы кодера и декодера
Коэффициенты передачи для схемы рис.4
Кодер:
Коэффициент передачи для декодера, где: R3=R5; R4=R6; C1=c2
(19)
Сопротивление R1 выбирается из
max тока через диод
Ig=IR1
IR1=Uвх/R1=R1=Uвх/IR1
при Uвх=0.1B;
R1=0.1/0.1=1 Kom;
Выберем коэффициент в (15) К0=10, тогда R3=R1*K0=1.0*10=10Kom
Выберем сопротивление R4=100 ом, от
случайных больших воздействий напряжения защищающей диоды VD1 и
VD2.
Возьмем конденсатор С1 исходя из его реактивного
сопротивления на частоте 300 Гц.
Xc1=2(R4+Rgmin)=2(100+260)=720 Om
Выберем ближайший номинал конденсатора С1:
КМ6 - М750-25-0.68 10%
Расчетные значения модуля и аргумента коэффициента
передачи кодера, рассчитанные по программе Koder AFK, см.
Приложение 1, приведены в таблице 1.
Таблица значений коэффициента передачи кодера от
амплитуды входного сигнала, вычисленных по программе Koder AFK
Таблица 1.
|
Uвх
|
К
|
FK,рад
|
Uвых
|
|
0,001
|
7,23
|
-0,0072
|
-0,008
|
|
0,011
|
2,193
|
-0,222
|
-0,022
|
|
0,021
|
1,398
|
-0,442
|
-0,028
|
|
0,031
|
1,128
|
-0,609
|
-0,034
|
|
0,041
|
1,003
|
-0,733
|
-0,04
|
|
0,051
|
0,935
|
-0,826
|
-0,046
|
|
0,061
|
0,894
|
-0,897
|
-0,054
|
|
0,071
|
0,867
|
-0,953
|
-0,061
|
|
0,081
|
0,849
|
-0,997
|
-0,068
|
|
0,091
|
0,836
|
-1,033
|
-0,075
|
|
0,101
|
0,826
|
-1,063
|
-0,082
|
Таким образом:
R2=R3=R5=10 Kom;
R4=R6=100 Om;
C1=C2=0.65 мкф;
R1=R7=R8=1 Kom;
DA1,DA2 - КР140УД14
Данная схема закрытия речевой информации в законченном
виде приведена на рис.5
В точке а усилителя напряжение приблизительно равно 0, т.к.
коэффициент усиления О.У. велико - 105. Для того, чтобы Ua=0
токи через R1 и цепь
Rg, C, R приблизительно одинаковы.
Входное сопротивление источника сигнала велико и ток в R1 не протекает.
Напряжение на выходе кодера:
(21)
Ток I в формуле (21) при условии (20):
I=Uвх/R1 (22)
Перепишем выражение (21) с учетом (22)
(23)
рис. 7 Принципиальная схема декодера
Для схемы на рис.7 Напряжение на входе, при Ua=0
(24)
Решив уравнение (16) относительно I
получим зависимость:
I=F(Uвх.дек) (25)
Выходное напряжение на выходе декодера рис. 7 :
Uвых.дек=R1F(Uвх.дек)=R1I (26)
Выходным напряжением декодера является напряжение
кодера:
Uвх.дек= Uвых.дек.
Таким образом схема рис. 7 Решает обратную задачу нахождения тока от значения
формул (25) и (26).
На основании формул (22) и (26) выходное напряжение
декодера:
Расчет параметров микрофонного усилителя
Выберем микрофон типа МД-62. Микрофон имеет параметры:
Диапазон рабочих частот: 120-10000
Гц
Номинальное сопротивление нагрузки: 250 Ом
Чувствительность: 88
Дб
Определим напряжение на нагрузке:
88Дб=80Дб+8Дб=6,31*10-3
Мощность в нагрузке:
Определим коэффициент усиления микрофонного усилителя
для нормальной работы кодера. Напряжение на входе кодера Uвх=0-1.1
В.
Используем схему с двумя каскадами усиления,
построенных на ОУ:
К=К1К2=100×50=5000
Схема усилителя приведена на рис. 8
Рис. 8 Принципиальная схема микрофонного усилителя
В данном усилителе применим ОУ типа КР140УД14 (л3)
Сопротивление R1 определяется
из условия согласования микрофона (номинальное сопротивление нагрузки)
R1=250
Ом
Сопротивление R2 определяется
из коэффициента усиления каскада:
R2=K×R1=100×250=25 кОм.
Сопротивление R3:
Номинальный ток нагрузки КР140УД14 Iн=20
мА;
Максимальное входное напряжение микросхемы Uмах=13
В;
Сопротивление в цепи нагрузки - R4
Сопротивление R5 при К=50
R5=K×R4=50×620=31
кОм
Ближайшее сопротивление 30 кОм
Сопротивление R6 = 620 Ом.
Для декодерного блока рис. Микрофонный усилитель будет
иметь такую же принципиальную схему, но в цепи обратной связи включают
переменное сопротивление. Переменное сопротивление служит для изменения
коэффициента усиления микрофонного усилителя декодера, чтобы получить уровень
входных сигналов 0.082 В на входе декодера.
Расчет усилителя низкой частоты
Выберем громкоговоритель типа 0.5 ГД-11 с параметрами:
(Л2)
Полоса рабочих частот: 150
¸ 7000 Гц;
Сопротивление звуковой катушки : 5
Ом;
Размеры: 102-50
мм;
Масса: 150
гр.
В качестве усилителя НЧ применим микросхему К174УН7
(Л3). Ее параметры:
Рвых ³ 4.5 Вт на нагрузке 4 Ом
при напряжении питания 15 В. Схема включения микросхемы приведена на рис. 9 .
Выходная мощность усилителя регулируется потенциометром R1.
Конденсаторы:
С1 = 100 пФ; С2 = 500 пФ; С3 = 100 пФ = С5;
С4 = 2700 пФ; С6 = 510 пФ; С7 = 0.1 мкф; С8 = 100 пФ.
Сопротивления:
R1 = R3 = 100 Ом; R2
= 56 Ом; R4 = 1 Ом; R5 =
4 Ом.
Рис. 9 Усилитель мощности К174УН7 схема электрическая,
принципиальная.
Литература
Амплитудно - фазовая конверсия /Крылов Г.М., Пруслин
В.З., Богатырев Е.А. и др. Под ред. Г.М. Крылова. - М.: Связь, 1979.-256 с.,
ил.
Бодиловский В.Г., Смирнова М.А. Справочник молодого
радиста. Изд. 3-е переработ. И доп. М.,”Высшая школа”, 1975 г.
Цифровые и интегральные микросхемы: Справочник/ С.В.
Якубовский, Л.Н.Ниссельсон, В.И.Кулешова и др.; под ред. С.В. Якубовского. -
М.: Радио и связь, 1990.-496 с. Ил.
Фолкенбери Л.М. Применение операционных усилителей/
под ред. Гальперина, 1985 - 572 с.
Программа расчета коэффициента передачи
кодера с АФК на операционном усилителе.
1 REM
KODER AFK
10 R1=
20 R3=
30 R4=
40 C1=
50 F=
60 WC1=
70 FOR U=0.001 TO 0.11 STEP 0.01
80 RD=26E-3*R1/U
90 K0=R3/R1
100 A=RG+R4
110 B=1/WC1
120 C=RG+R3+R4
130 K=K0*SQR((A^2+B^2)/(C^2+B^2))
140 FK=ATN(B/C)-ATN(B/A)
150 PRINT K; TAB 17; FK
160 NEXT U