Гидроабразивная обработка
Содержание
ВВЕДЕНИЕ………………………………………………………………………..4
1.
Физические особенности гидроабразивной обработки...........................5
2.
Струйно-абразивная обработка поверхностей…………………………6
2.1
Применение струйно-абразивной обработки поверхностей……....11
3.
Гидроабразивная резка…………………………..………………………13
3.1
Технологические основы гидроабразивной резки……………..…..13
3.2
Технологическое оборудование для гидроабразивной резки…....18
ЗАКЛЮЧЕНИЕ………………………………………………………….………25
ИСПОЛЬЗУЕМАЯ
ЛИТЕРАТУРА…………………………………….………26
Приложение 1: Чертеж детали
«Вал-шестерня»……………….………..….…27
Приложение 2: Технологический маршрут
изготовления детали
«Вал-шестерня»……………………………………………………………….…28
Введение
Первые попытки использования струи воды в промышленности
были осуществлены в 30-х годах XX столетия американскими и советскими
инженерами для выемки камня, руды и угля. Серьёзным импульсом развития
технологии резки струёй воды под высоким давлением послужило её использование в
авиастроительной и аэрокосмической индустрии.
Технология гидроабразивной резки материалов (ГАР)
существует уже более 40 лет. История появления технологии уходит своими корнями
в 50-е годы XX столетия. Наиболее активно исследования в этой области велись в
СССР в 1940-ых годах, но затем почему то заглохли. Затем в 1979 году в США
специалисты попробовали добавлять в струю абразивный песок, благодаря чему её
режущие свойства многократно увеличились. В 1980 году был спроектирован и
запущен первый прототип гидроабразивного станка, а в 1983 году началось
серийное производство оборудования и комплектующих для ГАР. Процесс резания
происходит в результате эрозионного воздействия на материал струи воды с
твёрдыми абразивными частицами, подающейся под сверхвысоким давлением. На
сегодняшний день технология ГАР по праву относится к числу наиболее динамично
развивающихся способов раскроя материалов и составляет серьёзную конкуренцию
таким традиционным технологиям, как лазерная и плазменная резка, а также
механообработка. Гидроабразивная струя по своим физическим характеристикам
представляет собой идеальный режущий инструмент, не имеющий износа. Диаметр
струи может составлять 0,5 – 1,5 мм (в зависимости от типа используемых дюз и
смешивающих трубок), благодаря чему отход обрабатываемого материала минимален,
рез можно начинать в любой точке по контуру любой сложности.
1. Физические особенности гидроабразивной
обработки
Гидроабразивная обработка представляет собой
процесс ударного воздействия на обрабатываемую поверхность высокоскоростной
гидроабразивной струи. Удар частицы о поверхность приводит к возникновению
кратера. Вытесненный из кратера материал течет в направлении движения частицы с
образованием вала. Движение вала сопровождается возникновением внутренних
напряжений, которые приводят к растрескиванию вытесняемого материала. При
соударении частицы с поверхностью под прямым углом вал располагается вокруг
кратера равномерно. При меньших углах атаки вал образуется по бокам кратера и
по направлению движения частицы. Характер деформаций и форма вала зависят от
формы частиц, угла ее соударения, а также от свойств материала частицы и
обрабатываемой заготовки.
При ударе о поверхность остроугольной частицы
наблюдается процесс микрорезания материала. Микрорезание производится только
вершинами абразивных зерен. При ударе остроугольные частицы отделяют материал
от поверхности заготовки. Процесс микрорезания становится возможным при
напряжениях по линии скалывания, превышающих сопротивление материала срезу.
Износ материала заготовки одиночной частицей
абразива определяется процессами стирания и резания. Стирание наблюдается при
больших отрицательных передних углах резания. При положительных передних углах
преобладает процесс резания.
Удаление материала при
воздействии на обрабатываемую поверхность струи абразивных частиц происходит в
результате взаимодействия нескольких одновременно протекающих процессов:
соударение частиц между собой внутри набегающего потока; дробление отдельных
частиц; экранирование обрабатываемой поверхности, отскакивающими от нее
частицами; повреждение поверхностного слоя материала вследствие многократных
ударов абразивными частицами.
2. Струйно-абразивная обработка поверхностей
Сущность данного способа
заключается в воздействии высокоскоростной (30…70 м/с) суспензии на поверхность
обрабатываемой заготовки.
Основными компонентами
суспензии для гидроабразивной обработки являются рабочая жидкость (в основном
вода) и абразивный материал. Особенность струйной гидроабразивной обработки
состоит в сочетании процессов съема материала, смазки и охлаждении
обрабатываемой поверхности.
Рабочая жидкость
выполняет следующие функции: обеспечивает транспортировку абразивных частиц от
расходной емкости до обрабатываемой поверхности; непрерывно очищает обрабатываемую
поверхность, удаляя отработанные абразивные частицы и частички снятого
материала; предотвращает образования пыли; является носителем
поверхностно-активных веществ, создающих адсорбирующие слои полярных молекул и
уменьшающих межатомные связи в поверхностном слое обрабатываемого материала и
снижает, таким образом, твердость и сопротивляемость материала разрушению;
регулирует тепловой режим в зоне обработки.
Состав рабочей жидкости
подбирают в зависимости от исходного состояния обрабатываемой поверхности и
требуемого качества обработки. Как правило, основным компонентом абразивной
суспензии является вода. Недостатком воды является коррозия деталей после
обработки. Для уменьшения коррозии в суспензию добавляют поверхностно активные
вещества на основе сульфосоединений, которые оказывают пассивирующее действие
на поверхность, повышают коррозионную стойкость заготовок.
Объемное содержание
абразивных частиц в суспензии подбирается опытным путем. Рекомендуется объемная
концентрация абразивных частиц в суспензии 20…30 %.
Абразивные частицы в
процессе ударного взаимодействия с обрабатываемой поверхностью изнашиваются, их
рабочие грани округляются, что приводит к снижению абразивной способности. При
непрерывной обработке в зависимости от вида абразивного материала срок действия
суспензии составляет 40…70 часов.
На рисунке 1 приведена
схема струйно-абразивной установки. Насос 6 подает суспензию из бака 5 по
трубопроводу 4 к струйному аппарату 3, который направляет струю суспензии на
заготовку 2. Обработка происходит в герметичной камере 1, откуда суспензия
стекает в бак 5. Для размешивания смеси в баке предусмотрено устройство 7 с
отдельным приводом.
Установки для
струйно-абразивной обработки работают как при низком (0,5…0,8 МПа), так и при
высоком (4…10 МПа) давлениях. Высокое давление используются для интенсификации
обработки грубых поверхностей заготовок. Увеличение давления сжатого воздуха
приводит к повышению производительности. Так, увеличение давления от 3 до 6 МПа
повышает скорость съема металла более, чем в 3 раза.
Скорость движения подачи
на предварительных операциях составляет 0,5…2 м/мин, на окончательных операциях
0,15…0,20 м/мин. Скорость съема металла изменяется в пределах 10-30 мкм.
Шероховатость
обработанной поверхности составляет Ra=1,7…0,7 мкм.
Рисунок 1 – Схема
струйно-абразивной обработки
Производительность и
качество струйной обработки поверхностей зависит от энергетических возможностей
гидроабразивной струи, формируемой струйным аппаратом. Основными требованиями,
предъявляемыми к струйным аппаратам, являются: обеспечение максимальной скорости
струи при минимальном расходе энергоносителя и максимальном расходе
гидроабразивной суспензии; обеспечение равномерного распределения абразивных
частиц по сечению струи. Первое требование определяет производительность, а
второе – качество обработки.
В настоящее время
наибольшее применение находят аппараты с принудительной насосной подачей
суспензии в камеру смешения и последующим ее разгоном сжатым воздухом. Такие
аппараты стабильно работают в широком диапазоне изменения давления воздуха и
расхода суспензии, обеспечивают достаточно высокую производительность и
качество обработки. Эффективность работы струйного аппарата определяется его
геометрическими параметрами, основными из которых являются: размеры и
соотношение площадей активного и смесительного сопел; расстояние между активным
и смесительным соплами; длина сопел; угол сходимости смесительного сопла;
размеры камеры смешения и др.
Разгон гидроабразивной
суспензии осуществляется в смесительном сопле струйного аппарата. Длина сопла
выбирается таким образом, чтобы обеспечить минимальные потери энергии при
разгоне суспензии; равномерное поле скоростей на выходе из сопла и заданный
угол распыла струи. Практически во всех конструкциях струйных аппаратов
предусмотрено регулирование расстояния между выходным торцом активного сопла и
входным торцом смесительного сопла.
Внутренняя поверхность
смесительного сопла при работе струйного аппарата подвергается интенсивному
абразивному воздействию. Поэтому материалы, из которых изготавливаются сопла,
должны иметь повышенную износостойкость. Для изготовления сопел струйных
аппаратов широко используются твердые сплавы и металлокерамика.
На рисунке 2 представлена
конструкция струйного аппарата, позволяющая регулировать его геометрические
параметры.
Рисунок 2 – Регулируемый
струйный аппарат:
1- смесительное сопло; 2, 8, 10, 11- гайки; 3,4-
корпусы; 5-активное сопло; 6-трубка; 9,12-штуцеры
На корпус 4,
представляющий собой втулку с наружной резьбой, навертывается передний 3 и
задний 7 корпусы. На переднем корпусе 3 гайкой 2 крепится смесительное сопло 1.
В задний корпус 7 ввернута трубка 6, на конец которой навертывается активное
сопло 5. Трубка в корпусе крепится гайкой 10. На нижнем конце трубки с помощью
накидной гайки 11 крепится штуцер 12, по которому к струйному аппарату
подводится сжатый воздух. К корпусу 7 накидной гайкой 8 присоединяется штуцер 9
для подвода суспензии.
Плоская гидроабразивная
струя в отличие от осесимметричной обладает более широкими технологическими
возможностями, особенно при обработке сложнопрофильных поверхностей. Применение
струйных аппаратов, формирующих плоские гидроабразивные струи, позволяет
значительно упростить схему обработки, обеспечить равномерный съем материала
при стабильном получении заданных показателей поверхностного слоя обрабатываемой
детали.
На рисунке 3 представлен
многосопловый струйный аппарат, который формирует струю с равномерным по ширине
профилем скорости за счет перекрытий, расположенных в ряд с определенным шагом
струй круглого сечения.
Рисунок 3 – Многосопловый
струйный аппарат:
1,9 - штуцера; 2 –
корпус; 3, 5 – соответственно смесительное и активное сопла; 4 – керамические
вставки; 6 – распределительная камера; 7 – запорные устройства; 8 – крышка; 10
– гидроабразивные струи.
Струйный аппарат состоит
из корпуса 2 со штуцером 1, через который подается суспензия. В корпусе
установлены секции активных 3 и смесительных 5 сопел. Секция активных сопел 5
имеет распределительную камеру 6, закрытую крышкой 8. На крышке установлены
запорные устройства 7 активных сопел 5.
Струйный аппарат работает
следующим образом. Воздух через штуцер 9 подается в распределительную камеру 6
и поступает в активные сопла 5, где разгоняется до звуковой скорости.
Одновременно суспензия через штуцер 1 поступает к смесительным соплам 3, где
происходит смешивание с потоком воздуха. Гидроабразивные струи 10, выходящие из
смесительных сопел, имеют угол распыла β и пересекаются в плоскости Х-Х,
за которой образуется сплошной гидроабразивный поток. В результате наложения и
взаимодействия отдельных гидроабразивных струй происходит выравнивание полей
скоростей внутри сплошного потока. На некотором расстоянии L от смесительных
сопел, которое зависит от угла распыла струи, выходного диаметра смесительных
сопел и расстояния между их осями, скорости внутри потока выравниваются
настолько, что обеспечивается равномерный съем материала с обрабатываемой
поверхности.
Для обработки
поверхностей различных размеров без изменения положения струйного аппарата
активные сопла имеют запорные устройства 7. Перекрывая доступ воздуха к части
активных сопел, можно регулировать размеры зоны обработки, что расширяет
технологические возможности струйного аппарата.
2.1 Применение струйно-абразивной обработки поверхностей
Практика показала, что
многие ручные слесарно-зачистные, слесарно-полировальные операции могут быть
успешно заменены высокоэффективной механизированной или автоматизированной
струйной гидроабразивной обработкой. Этот метод обработки обладает высокими
технологическими возможностями. Он может использоваться для различных видов
обработки, например, для скругления острых кромок; полировки и шлифовки сложных
поверхностей; удаление заусенцев и зачистки сварных швов; снятия со всей
поверхности или локально дефектного слоя; подготовки поверхности под покрытие;
снятия небольшого припуска; повышения качества поверхности; удаления оксидных
пленок, нагара, различных повреждений с поверхностей изделий.
Особенностью
струйно-абразивной обработки является активное использование воды, которая
выполняет функции транспортирования абразивных частиц, демпфирования ударов
частиц о поверхность изделия смазки и промывки. Применение воды позволяет
избежать образования пыли при использовании очень мелких абразивных порошков.
Для операции обезжиривания не требуется использование растворителей и других
опасных веществ.
Технология
струйно-абразивной обработки обеспечивает высокоэффективную очистку отливок из
цветных сплавов, полученных литьем под давлением; удаление загрязнений с
поверхностей.
Струйно-абразивный
процесс достигает весомых преимуществ при обработке прессованных профилей,
турбинных лопаток, сварных швов, матриц экструдерных прессов и многих других
сложных деталей, для которых традиционная технология пескоструйной обработки не
эффективна или не экологична.
Струйно-абразивная
обработка обеспечивает матовую поверхность, идеальную для последующей
полировки; облегчает последующее проведение дефектоскопии поверхности;
устраняет повреждения краев изделия и эрозию основного слоя, минимизирует износ
форм и увеличивает их долговечность.
Струйно-абразивная
обработка также обеспечивает и другие значительные преимущества. Регулируя
соотношение абразивных компонентов в суспензии можно выбирать различные режимы
обработки от тонкого безразмерного хонингования до грубого шлифования и
обдирки.
3. Гидроабразивная резка
3.1
Технологические основы гидроабразивной резки
По данным Международной
ассоциации инженеров-технологов в мировой практике на мелкосерийное
производство, единичное и среднесерийное производство приходиться 70-80 %
общего объема выпуска изделий в машиностроении.
Сложность продукции
машиностроительного производства за последние три десятилетия в среднем выросли
в шесть раз. Из общего числа типоразмеров деталей производства наибольшая доля
(более 2/3 общей номенклатуры изделий) приходится на плоские детали сложной
конфигурации. Плоские детали сложного контура имеют значительное
распространение (более 50 % номенклатуры), а их обработка составляет 20-30 % от
общей стоимости механообработки. При месячной программе, измеряемой десятками и
сотнями штук сложноконтурных плоских деталей, использование традиционных
методов обработки становится экологически нецелесообразно. Выход из
создавшегося положения заключается в использовании деталей из толстолистового
проката, а для его обработки – резку гидроабразивной струей.
Процесс гидроабразивной
резки иллюстрирует рисунок 4. От насоса сверхвысокого давления вода поступает в
подводящий водовод 1 и фокусируется в отверстии сопла 2. Одновременно через
подвод 3 в смесительную трубку 4 поступает абразивный порошок. Происходит
смешивание струи воды, порошка и воздуха. Гидроабразивная струя направляется на
поверхность обрабатываемого материала. В зоне резания образуется щель или
сквозной паз. На выходе из паза разрушающая сила струи гасится водой,
содержащейся в ванне 8.
а)
б)

Рисунок 4 – Схемы
режущей головки (б) и траектории движения частиц в смесительной трубке (а):
1 – подводящий водовод; 2 – сопло; 3 – подвод
абразива; 4 -смесительная трубка; 5 – кожух; 6 – режущая струя; 7 – разрезаемый
материал; 8 – гасящий слой воды; 9 – смесительная камера
В сопло 2 вода поступает
под давлением 300…600 МПа и фокусируется отверстием сопла до размера Ø
0,01…0,025 мм. Скорость истечения струи воды на выходе из сопла превышает в 3…4
раза скорость звука. Такая струя воды становится режущим инструментом. С
добавлением частиц она способна разрезать практически все материалы.
Сфокусированная водяная струя с абразивом постепенно и с постоянной скоростью
вводится в заготовку и прорезает в ней узкую щель. Скорость струи по толщине
реза вследствие трения о поверхность
реза замедляется – на
входе в заготовку скорость максимальная, на выходе минимальна. Съем материала
по толщине также разный. В результате образуется изогнутая фронтальная
поверхность реза. Угол между неискаженной водяной струей и поверхностью резания
постепенно увеличивается (рис. 5 а)
Рисунок 5 – Форма струи
в направлении движения головки (а) и формы паза на входе (б) и на выходе (в)
реза.
Форма стенок реза по
толщине также неодинакова: на входе стенки реза расположены вертикально; на
выходе наклонно (рис. 5 б, в).
Частицы абразива в
процессе перемещений взаимодействуют (соударяются) с поверхностью смесительной
трубки и вызывают увеличение диаметра вследствие интенсивного износа. В
результате на выходе трубки уменьшается давление струи и ее скорость.
Обычно сопла
изготавливают из сапфира, рубина или твердого сплава. Срок службы сапфировых и
рубиновых сопел составляет 60…100 ч, твердосплавных сопел 80…150 ч.
Смесительные трубки изготавливают из сверхпрочных материалов, и их срок службы
составляет 100…200 часов.
При выборе параметров режима резания задаются
следующие исходные данные:
· материал обрабатываемого
изделия;
· толщина реза;
· состав и количество
(расход) абразивного материала;
· диаметры водяного и
рабочего сопел;
· давление воды на входе в
рабочую головку;
· требуемые показатели
качества поверхностного слоя.
Назначаемой величиной является подача головки,
которую часто называют скоростью резания. В таблице 1 приведены рекомендуемые
скорости резания некоторых материалов.
Таблица 1 – Рекомендуемые значения
параметров режима резания различных материалов
|
Условия
обработки
|
Максимальная
скорость резка, м/мин
|
|
Давление
414 Мпа
|
Давление
276 Мпа
|
|
Соотношение
диаметров входного и выходного сопел, мм
|
0,254/0,762
|
0,355/1,016
|
0,457/1,50
|
0,254/0,762
|
0,33/0,16
|
|
Расход
воды (л/мин)
|
2,27
|
4,36
|
7,27
|
1,91
|
3,23
|
|
Расход
абразива, кг/мин
|
0,4
|
0,63
|
1,13
|
0,27
|
0,45
|
|
Мощность,
кВт
|
25
|
50
|
80
|
11
|
25
|
|
Толщина,
мм
|
Алюминий
|
|
6,25
|
1,36
|
1,93
|
2,56
|
0,68
|
1,01
|
|
12,5
|
0,64
|
0,91
|
1,21
|
0,32
|
0,48
|
|
25
|
0,29
|
0,41
|
0,54
|
0,14
|
0,21
|
|
Графит
|
|
6,25
|
3,69
|
5,24
|
6,95
|
1,86
|
2,73
|
|
Термореактивный
пластик
|
|
12,5
|
1,75
|
2,48
|
3,29
|
0,83
|
|
25
|
0,78
|
1,10
|
1,46
|
0,39
|
0,57
|
|
Никелевый
сплав
|
|
6,25
|
0,46
|
0,65
|
0,86
|
0,23
|
0,34
|
|
12,5
|
0,22
|
0,31
|
0,41
|
0,11
|
0,16
|
|
25
|
0,01
|
0,14
|
0,18
|
0,05
|
0,07
|
|
Стекло
|
|
6,25
|
2,61
|
3,70
|
4,91
|
1,32
|
1,93
|
|
12,5
|
1,24
|
1,76
|
2,33
|
0,62
|
0,91
|
|
25
|
0,55
|
0,78
|
1,03
|
0,28
|
0,41
|
|
Сталь
среднеуглеродистая
|
|
6,25
|
0,54
|
0,77
|
1,02
|
0,27
|
0,40
|
|
12,5
|
0,26
|
0,36
|
0,48
|
0,13
|
0,19
|
|
25
|
0,11
|
0,16
|
0,21
|
0,06
|
0,08
|
|
Сталь
нержавеющая
|
|
6,25
|
0,50
|
0,71
|
0,95
|
0,25
|
0,37
|
0,24
|
0,34
|
0,45
|
0,12
|
0,18
|
|
25
|
0,10
|
0,14
|
0,20
|
0,05
|
0,08
|
|
Титановый
сплав (6AI4V)
|
|
6,25
|
0,66
|
0,93
|
1,23
|
0,33
|
0,49
|
|
12,5
|
0,31
|
0,44
|
0,58
|
0,16
|
0,23
|
|
25
|
0,14
|
0,20
|
0,26
|
0,07
|
0,10
|
По мере увеличения
давления в струе с одной стороны происходит увеличение глубины резания, с
другой стороны ускоряется износ элементов режущей головки.
Для каждого вида и
толщины обрабатываемого материала подбираются оптимальные значения давления и
концентрации абразива и размера частиц.
Максимальное рабочее
давление обычно составляет 300…320, 380, 415 или 600 МПа.
Оптимальная концентрация
абразива зависит от вида материала, а также степени износа сопла.
При малой концентрации
абразива эффективность гидроабразивной резки будет невысокой, а повышенная
концентрация вызывает скопление абразива, которое вызывает затруднение его
удаления из зоны резания. При этом понижается эффективность обработки.
Размер абразивных частиц
составляет 10-30 % диаметра режущей струи для обеспечения ее эффективного
воздействия и стабильного истечения. Обычно размер частиц составляет 150..250
мкм, и в ряде случаев 75..100 мкм, если допустимо получение поверхности реза с
низкой шероховатостью.
3.2 Технологическое оборудование для гидроабразивной резки
Технологическое
оборудование выполнено по модульному принципу. Модули соединяются между собой
гибкими связями. Это позволяет легко осуществлять монтаж и демонтаж отдельных
модулей на подвижные платформы, в том числе и на автомобильные, осуществлять
транспортировку к объектам обработки. Мобильность установок способствует
увеличению их загрузки.
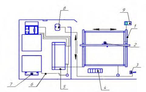
Модулями являются:
координатный стол 1; режущая головка 2; система подачи абразива 3;
бак-отстойник 4; станция высокого давления 5; высоконапорная разводка 6;
система водоподготовки 7; воздушный компрессор 8; система управления 9 (рис.
6). Дополнительно в состав установки могут входить устройства для
предотвращения столкновений режущей головки с заготовкой, механическая система
предварительного просверливания, ловушка струи воды, гасящая ее энергию и
служащая для сбора отработанного абразива. Таким образом, установки обладают
разной степенью универсальности и автоматизации. Они могут быть выполнены в
виде роботизированных комплексов.
Рисунок 6 – Схема
установки гидроабразивной резки:
1- координатный стол; 2 – режущая головка; 3 –
система подачи абразива; 4 – бак-отстойник; 5 – станция высокого давления; 6 –
высоконапорная установка; 7 – система водоподготовки; 8 – воздушный компрессор;
9 – система управления
Координатный стол предназначен для размещения обрабатываемого изделия и
позиционирования режущей головки. Стол включает портал 1 (рис. 7),
перемещающийся по осям Х, Y, Z. Вдоль портала по оси Y движется поперечная
тележка 3, обеспечивающая подъем и опускание по оси Z вертикальной каретки 4.
Режущая головка 5 имеет возможность вращения вокруг двух взаимно
перпендикулярных осей.
Перемещение по каждой из
осей осуществляется отдельным приводом. Положение головки определяется
преобразователями координат или магнитной линейной системой.
Перемещение по осям
ограничивается с помощью концевых датчиков. Опорные датчики гарантируют
повторяемость перемещений на требуемую позицию даже при сбоях в системе
электропитания.
Программное управление
обеспечивает динамический наклон головки, что позволяет избежать конусности
обрабатываемых поверхностей.
Под рабочей поверхностью
стола находится уловитель остаточной энергии (ловушка струи). Как
дополнительный вариант возможна установка оборудования для автоматической
регулировки уровня воды, барботирования и откачки пульпы (шлама и
использованных абразивных материалов) во внешний отстойный резервуар.

Рисунок 7 – Схема стола
портального типа (а) и направления вращения режущей головки:
1 –
продольные направляющие; 2 – портал; 3, 4 – соответственно поперечная и
высотная каретки; 5 – режущая головка
Режущая головка осуществляет окончательное формирование высоконапорной тонкой
струи как режущего инструмента со своими геометрическими и энергетическими
параметрами. Конструктивные особенности струйной головки: взаиморасположение
деталей, характер их соединения, контакт формируемой струи определяют качество
и надежность головки. Существует множество конструкций струйных головок.
Наиболее совершенными из них считаются конструкции со свободным вводом абразива
в рабочую зону с минимальным нарушением их гидродинамических характеристик
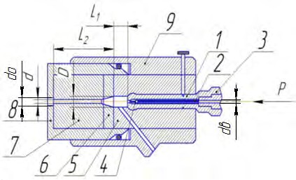
(рис. 8).
Основными геометрическими
параметрами проточной части гидроабразивной головки являются: dₒ –
выходной диаметр струеформирующего сопла; dв – диаметр отверстия водовода; d –
диаметр отверстия коллиматора; D – диаметр камеры смешивания; L1 – длина
камеры смешения; – длина коллиматора.
Рисунок 8 – Схема
конструкции гидроабразивной головки:
1 – стреформирующее
устройство; 2 – успокоитель; 3 – подводящий водовод; 4 – сопло; 5 – камера
смешивания; 6 – переходник; 7 – коллиматор;
8 – корпус коллиматора; 9 – корпус головки.
Существующие
теоретические модели формирования абразивной струи базируются на представлении,
что формирование гидроабразивной струи происходит только в коллиматоре головки.
При этом с помощью уравнений гидродинамики описывается разгон смеси воздуха и
абразивных частиц, как течение двух параллельных осесимметричных потоков
воздушной струи и смеси воздуха с абразивными частицами. В соответствии с
математической моделью формирования гидроабразивной струи параметры режущей
головки подразделяются на три группы.
К первой группе относятся
динамические и структурные характеристики струи высокого давления, влияющие на
эффективность формирования гидроабразивной струи: диаметр сопла d0 и
давление воды перед насадкой.
Вторая группа включает
геометрические параметры проточной части гидроабразивного инструмента: диаметр
D и длина L камеры смешивания и геометрические параметры коллиматора: диаметр d
и длина L2 .
К третьей группе
относятся параметры системы дозирования подачи абразива в камеру смешивания в
условиях гравитационной подачи абразива в камеру смешивания или путем
самовсасывания за счет разряжения.
Повышением эффективности
существующих режущих головок является их модернизация путем охлаждения режущей
струи распылением жидкого азота в камере смешивания (криогенная резка). В
результате происходит охлаждение высоконапорной струи жидкости с испаряющимся
азотом, образование в ней частиц льда, выполняющих роль абразивных зерен, и
возникновение на поверхности сопла ледяной корки, защищающей сопло от
интенсивного износа. Гидроабразивная головка с охлаждением представлена на
рисунке 9.
Головка функционирует
следующим образом.
По трубопроводу 4 через
форсунку расположенную в патрубке 3, внутрь камеры 5 подается вода и
распыляется жидкий азот. Происходит интенсивное охлаждение корпуса режущей
головки 1 и циркулирующей воды. Эффективность охлаждения повышается за счет
оребрения 14.
Одновременно по
трубопроводу 7 через форсунку, расположенную в патрубке 6, внутрь камеры
смешивания 9 также поступает распыленный жидкий азот. В результате происходит
непосредственное охлаждение высоконапорной струи жидкости испаряющимся азотом и
образование в нем частиц льда, а также происходит кристаллизация водяной пыли,
образующейся в камере 9. Выход газа из камер предварительного и окончательного
охлаждения осуществляется через патрубки 11,13.
Криогенная резка
позволяет разрезать сверхтолстые и прочные материалы, недоступные другим видам
резки. Криогенная резка является конкурентам для других высокотехнологичных
видов резки: лазерной, плазменной, гидроабразивной.
Достоинствами криогенной
резки являются возможность резки всех видов материалов, высокая скорость реза,
практически отсутствие ограничений на толщину разрезаемого материала, высокое
качество реза толстого материала, относительная безопасность процесса.
Рисунок 9 – Гидроабразивная
головка с охлаждением:
1– корпус режущей головки; 2, 8 – корпуса
устройств соответственно предварительного и окончательного охлаждения; 3, 6 –
входные патрубки; 4, 7 – входные трубопроводы; 5 – камера предварительного
охлаждения; 9 – смесительная камера; 10 – струя высокого давления; 11, 13 –
выходные патрубки; 12 – сопло; 14 – оребрение.
Станция высокого давления включает насосы прямого
действия или мультипликаторного. Насосы прямого действия основаны на создании давления
жидкости кривошипно-шатунными механизмами, приводимыми в действие
электрическими двигателям. Насосы прямого действия могут надежно и стабильно
работать на уровне давления до 400 МПа. Практика использования установок для
гидроабразивной резки показала, что процесс резки устойчиво и стабильно
осуществляется в диапазоне давления 270…340 МПа. Кроме того, насосы прямого
действия обладают высоким КПД – до 95 %.
Насосы мультипликаторного действия способны создавать
давление 400…600 МПа.
поступает в левый и
правый цилиндры мультипликатора. Площади цилиндров мультипликатора могут быть в
20 раз больше площади плунжеров мультипликатора. В результате давления воды,
выталкиваемой плунжерами из каждого цилиндра в 20 раз выше первичного давления
в гидравлическом насосе. Вода высокого давления последовательно из каждого
цилиндра поступает в аттенюатор (аккумулятор), который сглаживает пульсации
давления и обеспечивает ее непрерывный поток в режущую головку.
Разводка высокого давления используется для подачи воды от насоса высокого давления к
режущей головке системой неподвижных и подвижных труб. Для обеспечения
плотности соединений при движении портала и рабочей головки используются
специальные шарниры, высокого давления или спиральные специальные конструкции.
Заключение
Область применения гидроабразивной резки весьма обширна: высококачественные
стали, цветные металлы, стекло, натуральный камень, керамика, материалы для
авиационной и космической промышленности, пластмассы, комбинированные материалы
и т. д. Гидроабразивной резкой можно разделять практически все материалы. При
этом не возникает механических деформаций, поскольку воздействия струи
составляет 1…100 Н, а температура в зоне реза не превышает 60…90 °С. Поэтому в
материале отсутствуют термические напряжения. Исключается оплавление или
пригорание кромок. Возможно обработка термочувствительных материалов.
Обеспечивается экологическая чистота процесса, полное отсутствие вредных
газовых выделений.
Гидроабразивная струя
способна разрезать материалы, толщиной до 300 мм по сложному контору с высокой
точностью. Возможна резка со скосом кромок. При резке возможны минимальные
зазоры между деталями, что позволяет минимизировать расход обрабатываемого
материала. Режущая головка обеспечивает перемещение абразивной струи в любом
направлении. Поэтому возможно получение двухмерных плоских и трехмерных
объемных изделий.
Используемая литература
1. Икрамов У. А.
Расчетные методы оценки абразивного износа. М.: Машиностроение.1987.
2. Кащеев В. Н. Процессы
в зоне фрикционного контакта металлов. М.: Машиностроение.1978.
3. Колымцев П. Т.
Жаростойкие диффузионные покрытии. М.: Металлургия.1979.
4. Кононов В. К.
Определение поверхностных напряжений с применением электронного автоматического
самопишущего потенциометра ЭПП-09М // Высокоэффективные методы механической
обработки жаропрочных и титановых сплавов. Куйбышев; КуАИ. 1981.
5. Костенецкий Б. И.
Износостойкость металлов. М.: Машиностроение.
1980.
Приложение 1
Приложение 2
Технологический маршрут изготовления детали «Вал-шестерня»
|
№
Операции
|
Наименование
операции
|
Содержание
операции
|
|
005
|
Заготовительная
|
По
отдельному тех. процессу
|
|
010
|
Токарная
|
Точить
поверхность 75h12 предварительно и окончательно, точить поверхность
55
предварительно и окончательно, точить поверхность 50к6 предварительно и окончательно
|
|
015
|
Токарная
|
Точить
поверхность 55 предварительно и окончательно, точить поверхность
50к6
предварительно и окончательно, точить поверхность 45h9 предварительно и окончательно, точить поверхность 40h7 предварительно и окончательно.
|
|
020
|
Зубонарезная
|
Нарезать
зубья согласно КД
|
|
025
|
Слесарная
|
Убрать
все острые кромки
|
|
030
|
Промывочная
|
Промыть
деталь от всех возможных загрязнений
|
|
035
|
Маркировочная
|
Маркировать
деталь согласно КД
|
|
040
|
Контрольная
|
Контроль
100%
|