Экономическое обоснование проекта по производству металлического профиля на примере АО 'СКДМ'

  • Вид работы:
    Дипломная (ВКР)
  • Предмет:
    Менеджмент
  • Язык:
    Русский
    ,
    Формат файла:
    MS Word
    303,33 Кб
  • Опубликовано:
    2017-07-10
Вы можете узнать стоимость помощи в написании студенческой работы.
Помощь в написании работы, которую точно примут!

Экономическое обоснование проекта по производству металлического профиля на примере АО 'СКДМ'

Введение

Актуальность выпускной квалификационной работы обусловлена тем, что необходимо снижать затраты на производстве продукции или услуг, дабы постоянно держать под контролем конкурентные преимущества, совершенствование технологических процессов, так как конкурентоспособность зависит от технологии, которая будет производить продукцию и удовлетворять потребительские свойства.

За счет освоения инновационных технологий, снижаются операционные затраты, которые позволяют увеличивать объем реализованной продукции и соответственно увеличивать чистый доход предприятия.

Объектом исследования выпускной квалификационной работы является АО «СКДМ». Данное предприятие производит мобильные здания контейнерного типа (блок-контейнеры) с 1987 г. Главным преимуществом предприятия является производство быстровозводимых зданий контейнерного типа, таких как: «МобиКон», «ВолДом», «Контур-Арктика».

В период производственной практики был проанализирован технологический процесс производства металлического профиля методом прессования. Для выявления возможных путей уменьшения материальных затрат, увеличения дохода предприятия.

Предмет исследования - технология по производству металлического профиля.

Целью выпускной квалификационной работы является сокращение операционных затрат при производстве металлического профиля, углубление теоретических знаний и применение их на практике, приобретенных в процессе изучения блок-контейнеров АО «СКДМ», что, в свою очередь, увеличивает доход предприятия.

Для достижения поставленной цели необходимо решение следующих задач:

-       проведение ситуационного анализа предприятия;

-       изучение технологического процесса производства металлического профиля;

-       разработка технологической инновации;

-       анализ расчетов показателей, которые обеспечивают экономическую выгоду.

1. Понятийный аппарат работы

1.1 Понятие инноваций, сущность инноваций в рыночной экономике

В настоящее время инновации являются активным звеном всех сфер жизнедеятельности общества. Современный мир невозможно представить без инноваций, как уже осуществившихся и ставших привычными, так и без будущих, которые будут способствовать дальнейшей эволюции. Большинство ученых сходятся во мнении, что инновации превратились в основную движущую силу экономического и социального развития. привела мировое сообщество подходит к новой, более высокой ступени развития, благодаря инновационной деятельности.

Под инновацией можно понимать конечный результат инновационной деятельности, получивший воплощение в виде нового или усовершенствованного продукта, внедренного на рынке, нового или усовершенствованного технологического процесса, используемого в практической деятельности, нового подхода к социальным проблемам. В принципе, термин «инновации» можно трактовать по-разному, он имеет бесконечное количество формулировок и определений. Проанализировав множество определений можно сделать вывод, что под «инновацией» понимается или конечный результат или процесс.

В настоящее время существует большой разброс в трактовке понятий: новшество, новация, нововведение и инновация. Часто эти слова заменяют на простые: новое и новинка. Применяются эти слова в двух случаях: для обозначения того, чего ранее не было, или того, что ранее было, но имеет качественно новые отличительные признаки.

Новшество - это оформленный результат фундаментальных, прикладных исследований разработок или экспериментальных работ в какой-либо сфере деятельности по повышению ее эффективности. Новшества могут быть в виде открытий, изобретений, патентов, товарных знаков, рационализаторских предложений, документации на новый или усовершенствованный продукт (технологию, управленческий или производственный процесс, организационную, производственную или другую структуру), ноу-хау, понятий, научных подходов или принципов, документов (стандарты, рекомендации, методики, инструкции и т.п.), результатов маркетинговых исследований и т.д. Новация (лат. novation - изменение, обновление) представляет собой какое-то новшество, которого не было ранее.

Инновация (нововведение) - конечный результат инновационной деятельности, получивший реализацию в виде нового или усовершенствованного продукта, реализуемого на рынке, нового или усовершенствованного технологического процесса, используемого в практической деятельности. Инновация трактуется в виде непостоянного процесса ввода новых комбинаций, которые основываются на введение нового товара, открытие новых сбытовых рынков, способа производства, получение нового источника сырья.

Инновационная деятельность - процесс, направленный на реализацию результатов законченных научных исследований и разработок либо иных научно-технических достижений в новом или усовершенствованном продукте, реализуемом на рынке, в новом или усовершенствованном технологическом процессе, используемом в практической деятельности, а также связанные с этим дополнительные научные исследования и разработки.

Инновационная деятельность - интегрированный комплекс рабочих процессов, обеспечивающих коммерциализацию дохода / валового дохода - производственных идей.

Инновационная деятельность охватывает весь инновационный процесс, начиная с появления идеи и заканчивая внедрением и диффузией продукта. Таким образом, инновационная деятельность - это вид деятельности, связанный с получением и трансформацией результатов научных исследований и разработок либо иных научно-технических достижений в новый или усовершенствованный продукт, внедренный на рынке, в новый или усовершенствованный технологический процесс, использованный в производстве с получением соответствующего эффекта. При таком подходе инновацию можно назвать также инновационным продуктом или продуктом инновационной деятельности.

Основные виды инноваций:

-       аллокационные;

-       продуктовые;

-       технологические.

Под продуктовой инновацией понимается новый или усовершенствованный продукт, который имеет потребительские свойства или рыночную стоимость, что в итоге приносит доход для предприятия. Продуктовые инновации являются основным видом новшеств, которые увеличивают объём реализации продукции. Поэтому при их разработке стоит необходимость выбора таких инноваций, которые будут приемлемыми в определенных условиях функционирования предприятия, конкурентоспособности, положения на рынке, ресурсоемкости.

Технологическая инновация представляет собой совершенствование технологии производства, освоение нового технологического процесса и другие изменения, которые определяют научно-технический прогресс и затрагивают методы и средства организации производства и технологии производства. Эти инновации направлены на применение и получение новых практических и теоретических знаний для решения технологических, инженерных задач в области обеспечения функционирования техники и производства в организации как единой системе. Так же направлены на уменьшение материалоемкости за счет освоения новых технологических процессов; уменьшение конструктивно-технологической сложности выпускаемых изделий за счёт конструктивных новшеств.

Аллокационные инновации, в свою очередь, направлены на повышение эффективности управления ПТС, что влияет на конкурентоспособность предприятия. Аллокационные инновации являются самостоятельными новшествами и должны лишь служить целям более эффективного проведения инвестиционных проектов по реализации тех инноваций, которые способны (за счет снижения затрат на единицу продукции и увеличения продаж) принести предприятию дополнительный доход. Так же аллокационные инновации являются одними достаточно дорогостоящими, медленно окупающимися и сложными в реализации. Они представляют собой стратегические инновации, от которых допустимо ожидать как высокого и продолжительного эффекта, так и радикального всеохватывающего провала. Аллокационные инновации считаются очень капиталоёмкими.

В соответствии с Федеральным законом от 23.08.1996 г. № 127-ФЗ (редакция от 13.07.2015 г.) «О науке и государственной научно-технической политике», инновации являются новым или намного улучшенным продуктом (товаром, услугой) или процессом, новым способом продаж или новым организационным методом, организацией рабочих мест или во внешних связях.

Инновационное развитие заключается в изменении межотраслевых соотношений и в отраслях между отдельными производствами, а также в переменах в технологической и продуктовой стратегиях организаций, при которых реакция на изменения факторов внешней среды (потребительские запросы, наличие ресурсов, воздействие властных органов, общественности и др.) наблюдается на основе использования результатов НТП в виде внедряемых результатов разработок научного характера (применение новых технологий, производство новой продукции и др.), которые приводят к изменениям качественного характера в результатах деятельности в экологическом, экономическом и социальном аспектах.

Инновационное развитие заключается в изменении, технологических сдвигов в структуре организации технологического процесса, пропорциях и методах распределения благ, идеологии общества и морали.

1.2 Производственно-технологическая система (ПТС), операционный цикл ПТС

В условиях рыночной экономики наличие конкурентной среды обязывает производителей уделять значительное внимание проблемам качества продукции. На качество продукции при её создании влияет множество различных факторов, поэтому важно управлять процессом производства на всех этапах жизненного цикла.

Ключевыми факторами эффективности производства являются сжатые сроки и высокое качество его подготовки. Повышение качества управления производством в службах цехов призвано обеспечить своевременное и качественное выполнение производственного плана.

Моделирование деятельности предприятия - это эффективное средство поиска путей оптимизации производства. Построенный комплекс моделей текущей деятельности предприятия является удобным инструментом для анализа и выявления проблем.

Для эффективного управления деятельностью промышленного предприятия и для её стабильного функционирования необходима реализация основных функций. Функциональная структура управления промышленным предприятием, которая включает в себя девять основных функций: управление подготовкой производства, управление материально-техническим снабжением, управление безопасностью, управление производством, управление технико-экономическим планированием, управление финансами, управление качеством, управление персоналом и ИТ-управление.

Каждая из перечисленных функций состоит из ряда подфункций. Управление подготовкой производства включает в себя разработку конструкторской и технологической документации, а также оснащение производственных участков необходимым оборудованием.

Управление материально-техническим снабжением направлено на обеспечение производства всеми необходимыми материальными ресурсами: сырьём, материалами, покупными полуфабрикатами и комплектующими изделиями. Управление безопасностью реализует следующие подфункции: обеспечение безопасности работников предприятия, обеспечение конфиденциальности, целостности и доступности информации (информационная безопасность), контроль объектов и территорий предприятия и осуществление контрольно-пропускного режима. Управление производством нацелено на выпуск продукции. Управление технико-экономическим планированием включает в себя подфункции планирования и распределения ресурсов (трудовых, материальных и денежных). Управление финансами подразумевает ведение бухгалтерского и налогового учёта, формирование и сдачу отчётности, мониторинг законодательных и нормативных документов, управление денежными средствами, а также управление взаиморасчётами. Управление качеством реализует такие подфункции как обеспечение качества и контроль качества. Управление персоналом - это найм и кадровый учёт персонала, табельный учёт, обучение кадров и мотивация работников. ИТ-управление направлено на ИТ-развитие предприятия, управление информационными ресурсами и организацию технической поддержки пользователей.

К цехам основного производства, где непосредственно изготавливается продукция, относятся заготовительные, обрабатывающие и сборочно-испытательные. В заготовительных цехах осуществляют предварительное формообразование деталей изделия. К цехам, производящих заготовки для последующей обработки их в основных цехах, относятся следующие: литейные, кузнечные, цеха листового раскроя и раскроя профилей. В обрабатывающих цехах производится обработка деталей. Цехи обработки деталей подразделяют на: механические и промежуточные (термические, электропокрытий, малярные).

В сборочно-испытательных цехах осуществляется окончательная сборка сборочных единиц и изделий, и проводятся испытания.

Цехи вспомогательного производства - это вспомогательные подразделения предприятия, которые обеспечивают нормальную, бесперебойную работу цехов основного производства. К вспомогательным цехам относятся ремонто-механический, инструментальный, электроремонтный и энергетические (компрессорная, котельная, электроцех). Данные цеха отвечают за работоспособность оборудования, машин, механизмов, зданий; изготовление, ремонт приспособлений, приборов и инвентаря; обеспечение предприятия электрической и тепловой энергией; ремонт электрооборудования и тепловых сетей.

К обслуживающим производственным подразделениям относятся службы обслуживания (цехи и подразделения) - экспериментальный цех, центральная заводская лаборатория, типография, транспортные цехи и центр обработки данных.

Состав и взаимосвязи основных, вспомогательных и обслуживающих производственных подразделений отражает производственная структура предприятия, которая представлена на рисунке 1.

Рисунок 1 - Производственная структура промышленного предприятия

1.3 Структура операционных затрат

Операционные затраты по своей природе противопоставляются прямым расходам на непосредственное изготовление продукции и капитальным затратам. В качестве примера можно привести следующее. Покупка автомата для изготовления кофе относится к капитальным расходам, а вот затраты на приобретение самого кофе, сахара, воды, электроэнергии, расходы за обслуживание техники относятся к операционным.

В связи с вышеописанным можно выделить следующие группы затрат, которые относятся к основным операционным затратам:

-       операционные расходы включают в себя затраты, направленные на:уплату банковских процентов и комиссий;

-       создание резервов денежных средств;

-       участие в УК других компаний;

-       предоставление за плату авторских прав;

-       предоставление во временное платное пользование своих активов;

-       продажу и иное отчуждение/списание товаров, основных средств и готовой продукции.

К прочим операционным затратам относятся те издержки, которые не были включены в состав затрат по обычным видам хозяйственной деятельности.

В состав таких операционных расходов включаются следующие издержки:

-       стоимость услуг сторонних организаций;

-       потери от списания (уценки) производственных и имущественных активов, обесценивания товаров, порчи ценностей;

-       потери от образовавшихся курсовых разниц;

-       финансовые санкции;

-       налоги и сборы.

Самой важной целью для управленческого персонала является оптимизация операционных расходов. Ведь их снижение позволит нарастить темпы развития операционной хозяйственной деятельности и, соответственно, увеличить операционную прибыль. Факторы, влияющие на размер операционных расходов, делятся на внешние и внутренние.

К внутренним факторам следует отнести:

1.       Объем производства и продажи готовой продукции. Рост этих показателей хотя и приведет к увеличению операционных расходов, но при этом стоимость единицы продукции может снизиться, поскольку размер постоянной составляющей операционных расходов не изменится. Например, в одном помещении к уже находящемуся там кофе-автомату установили еще 2 автомата. При этом транспортные расходы на техника, обслуживающего данные автоматы, остались прежними, но выросли затраты на потребляемую электроэнергию и расходные материалы. В таком случае себестоимость одного проданного стаканчика кофе может снизиться за счет того, что транспортные расходы на техника теперь распределяются между продукцией, выдаваемой 3 автоматами, а не одним, как раньше.

.        Длительность производственного цикла. С его сокращением уменьшается период оборачиваемости оборотных активов, соответственно, снижаются затраты по хранению продукции, потери от естественной убыли, инкассационные издержки по дебиторской задолженности, удельные затраты по управлению компанией.

.        Показатель производительности труда из расчета на 1 рабочего. Чем больше это значение, тем меньше сумма операционных расходов по расчетам с сотрудниками.

.        Техническое состояние основных фондов, задействованных в производстве. Чем больше они изношены, тем большим будет размер операционных расходов по их обслуживанию и ремонту.

.        Количество собственных оборотных активов. Чем их больше, тем меньшими будут финансовые расходы по обслуживанию заемного капитала, а соответственно, снизятся операционные издержки.

К внешним факторам (не зависящим от воли самой компании) относят:

-       инфляционные процессы в стране. Чем больше уровень инфляции, тем выше размер операционных расходов, связанных с выплатой зарплаты, обслуживанием кредитов, оплатой за услуги сторонних компаний, включая транспортировку, ремонт и прочие;

-       изменение налоговых ставок и размеров иных обязательных платежей. В связи с тем, что налоги занимают большой удельный вес в операционных расходах, повышение ставок ведет к увеличению общей их суммы.

2. Ситуационный анализ деятельности АО «СКДМ»

2.1 Характеристика предприятия

В качестве объекта исследования, было выбрано Акционерное общество «СКДМ» (далее АО «СКДМ»), которое уже больше 20 лет осуществляет деятельность на рынке мобильных и быстровозводимых зданий. Еще в далекие 1987г., когда в России еще не существовали в жилищном и промышленном строительстве мобильные здания контейнерского типа (блок-контейнеры), на данном предприятии уже осуществлялось его производство. За это время заводом накоплен ценнейший опыт строительства многофункциональных комплексов на базе блок-контейнеров.

Специалисты, которые работали в АО «СКДМ», смогли на основе достижений в мировой строительной индустрии, разработать и реализовать свою конструкцию и технологию по производству мобильных быстровозводимых зданий контейнерного типа «МобиКон». Таким образом, данная марка - это собственность АО «СКДМ», которая была зарегистрирована Федеральной службой по интеллектуальной собственности, патентам и товарным знакам (РОСПАТЕНТ).

В качестве еще одной собственной разработки данного предприятия, можно отметить конструкцию панелей «ВолДом», которые берутся в качестве основы для производства быстровозводимых зданий абсолютно любого назначения. Данная разработка также зарегистрирована Федеральной службой по интеллектуальной собственности, патентам и товарным знакам (РОСПАТЕНТ).

С учетом потребностей в обеспечении объектами инфраструктуры нефте- и газодобывающих компаний, работающих в условиях Крайнего Севера и Заполярья, на СКДМ разработан и внедрен в серийное производство усиленный и дополнительно утепленный блок-контейнер «Контур - Арктика».

Широкий спектр типовых и индивидуальных проектов мобильных и быстровозводимых зданий:

-       модульные здания на базе блок-контейнеров в классической номенклатуре;

-       офисные здания, общежития, административно-бытовые корпуса, столовые, медицинские центры, строительные и военные городки, вахтовые поселки;

-       промышленные блок-контейнеры с комплектацией технологическим оборудованием;

-       быстровозводимые здания «ВолДом» для строительства многоквартирных и индивидуальных домов, жилых комплексов, школ, детских садов, общественных зданий;

-       здания из легких металлических конструкций.

На основе базовых вариантов мы разработаем и поставим здание по индивидуальному проекту, разработанному согласно любым требованиям Заказчика, от отдельно стоящего блок-контейнера «МобиКон» до крупного вахтового поселка на несколько сотен человек, от индивидуального дома «ВолДом» до жилого микрорайона с полной инфраструктурой.

Сервис на всех этапах реализации технического задания, включая проектирование и изготовление зданий, поставку, монтаж и сдачу «под ключ» или c шеф-монтажным сопровождением.

Сеть поставок завода охватывает все регионы России, а так же зарубежные страны. Объекты СКДМ построены во многих регионах России и за пределами нашей страны. Проекты СКДМ помогают воплощать самые смелые бизнес-проекты, обеспечивают россиян жильем, детскими садами, школами, больницами.

На предприятии готовы к диалогу с топ-менеджментом крупных строительных, нефтегазовых или геологоразведывающей компаний, с руководителями регионов и муниципалитетов и с обычным россиянином, решившим построить собственный дом.

Уникальный опыт, накопленный заводом за время работы, глубокое понимание потребностей заказчиков, отличное знание рынка и технологии производства блок-контейнеров различного типа и строительства сблокированных быстровозводимых жилых и промышленных объектов позволяют предлагать клиентам самые выгодные варианты сотрудничества.

2.2 Анализ технологического процесса производства блок-контейнеров

Производство бытовок - технологический процесс, имеющий несколько основных этапов, соблюдение которых гарантирует качество конечного продукта. Все процессы оптимизированы таким образом, чтобы занимали как можно меньше времени и позволяли выпускать полностью стандартизированные блок-контейнеры.

Основным конструктивным элементом бытовок является каркас, который, в зависимости от модели может быть выполнен из различных материалов - дерева, холодногнутого металла или швеллера повышенной прочности. От каркаса напрямую зависит то, насколько прочной будет бытовка и насколько долго она прослужит. Деревянный каркас в настоящее время используется только для самых дешевых модульных конструкций. Из-за недостатка жесткости такую бытовку нельзя перевозить с места на место - она должна быть установлена стационарно. Металлический каркас - залог долгой службы здания, но он тоже бывает разным. Облегченный каркас из профильной трубы - подойдет для бытовки, если она будет монтироваться в 1 или 2 этажа. Если же конструкция будет использоваться в трехэтажном строительном городке, то понадобится более мощная основа - швеллер.

Следующий этап - создание стен будущего здания. В процессе производства бытовок используются различные материалы. Каркас обрешечивается деревянным брусом, на который затем крепится внешняя и внутренняя часть стены. Снаружи обычно используют окрашенный профильный лист - материал, устойчивый к воздействиям окружающей среды. Изнутри, в зависимости от комплектации и предназначения могут использоваться практически любые материалы. Обычно из-за высокой практичности изнутри бытовка отделывается ламинированной ДСП.

Между внутренним и внешним покрытиями укладывается слой минеральной ваты или другого современного и негорючего утеплителя. Всего 5 или 10 сантиметров утепляющей прослойки создают в помещении отличные условия для проживания при минимальных затратах на обогрев. Стены не «съедают» полезную площадь внутри бытовки, при этом способны эффективно удерживать тепло и служить даже в суровых климатических условиях.

Крыша при производстве бытовок также утепляется, а основной кровельный материал - специальный профильный лист. В этом случае минеральная вата играет роль не только утеплителя, но и глушит посторонние шумы. Современная бытовка комплектуется металлической дверью и металло-пластиковыми окнами, поэтому по комфорту и безопасности практически не отличается от привычного постоянного жилья.

Производство блок контейнеров - сложный технологический процесс, который включает в себя: металлопрокат, металлообработку, деревообработку, монтаж, покраску и другие процессы. Впрочем, обо всем по порядку. Для изготовления блок контейнеров необходим цех с кран балкой и необходимым оборудованием (гибочные и столярные станки), так же производство блок контейнеров должно быть расположено в стратегическом месте с хорошей транспортной доступностью. Компания «АСТ» более 8 лет производит блок контейнеры в России, г. Пестово, за это время мы поставили производство блок контейнеров на поток.

Качественное сырье и профессиональные сотрудники - фундамент современного производства блок контейнеров.

Основные материалы при производстве блок контейнеров и модульных зданий это метал и древесина. Лучшее место для производства блок контейнеров это в непосредственной близости с металлургическими предприятиями.

При выборе блок-контейнер «под ключ», клиент должен, прежде всего, уточнить все нюансы конструкции блок контейнера, т.к. многие недобросовестные производители, в гонке по снижению цены, стали использовать не качественные материалы. Стоит так же изучить репутацию компании, а так же опыт. На данный момент на рынке мобильных зданий много «перекупщиков», которые в свою очередь именуют себя производителями - к ним стоит относиться с опаской, особенно если они или компании, которые они представляют, Вам не знакомы.

Панельные блок-контейнеры, сокращенно ПБК. Представляют собой каркасную конструкцию, обшитую сэндвич-панелями из негорючего наполнителя (базальтовое волокно).

Рассмотрим общее описание конструкции. Блок-контейнеры ПБК «Север» производятся по Техническим условиям разработанными конструкторско-технологическим отделом нашей Компании. В основе конструкции данного типа контейнеров лежит наработанный многолетний опыт. Специалисты компании АО «СКДМ» регулярно посещают площадки где эксплуатируется, либо будет эксплуатироваться наше блочно-модульное оборудование и в процессе наблюдений, а также консультации с местными инженерами вырабатывают оптимальное конструкторское решение. Все технические характеристики указаны в таблице 1.

Таблица 1 - Технические характеристики блок-контейнеров ПБК «СЕВЕР»

Типовые габаритные размеры

Длина, мм

Ширина, мм

Высота, мм


3

-

2,4


4

-

2,4


5

-

2,65


6

2,45

2,65

Климатическое исполнение

ХЛ, категория размещения 1

ГОСТ 15150

Степень огнестойкости

IVа

СНиП 2.01.02-85

Сейсмоустойчивость

-

-

Нагрузка на пол

Не менее 1000 кг/м2

-

Нагрузка на крышу

Не менее 200 кг/м2

-


Типовое применение панельных контейнеров ПБК:

1.       Компрессорное оборудование.

.        Газораздаточные линии (взрывозащищенное исполнение).

.        Гражданская инфраструктура (ДЭС, инвентарные мобильные здания).

.        Оборудование, которое не требует повышенных требований к вандалоустойчивости и частым сменам мест дислокации.

Технологический процесс производства контейнеров ПБК предлагает вместительные и прочные блок-контейнеры ПБК «Север», которые могут использоваться для установки внутри дизельных генераторов и другого сложного оборудования, требующего надежной защиты.

Каркас изделия представляет собой сварную конструкцию, которая может выдерживать большие нагрузки. Такая характеристика важна для контейнеров, которые часто перевозятся на новое место работы. В качестве основы используется прочная сварная рама, которая может быть усилена продольными и поперечными рамами. Большой запас прочности контейнера позволяет устанавливать в нем тяжелое оборудование или технику.

Блок-контейнеры имеют прочные, устойчивые к нагрузкам стены. Предусмотрена удобная дверь для внутреннего обследования установленных генераторов, электростанций. Дверь оснащается замком, который предотвратит вмешательство в работу техники посторонних лиц. Конструкция изделия также дополняется герметичной крышей, которая предотвращает попадание во внутрь осадков, пыли.

Контейнер может иметь теплоизоляционный слой, так как это необходимо для создания комфортных условий для работы техники. В качестве дополнений к конструкции идет комплект для тушения пожара, устанавливается система пожарной сигнализации. Внутреннее пространство вентилируется с помощью автоматической системы.

Применение изделия разнообразно, что является его важным эксплуатационным преимуществом. Может устанавливаться электростанция в контейнере ПБК «Север», компрессорное оборудование, техника газораздаточных линий. Благодаря высокому качеству исполнения и использованию прочных материалов, контейнер имеет длительный срок службы.

Надежные, функциональные, вместительные блок-контейнеры ПБК «Север» имеют самое разнообразное применение и поэтому являются востребованными конструкциями. Самостоятельно изготовить контейнер невозможно, для этого требуется специальное оборудование, знание производственных технологий, доступ к материалам. Компания наладила производство блок-контейнеров на промышленном уровне, что позволяет добиться самого высокого качества изделий. Каждый этап производства выполняется со строгим контролем качества, прочности.

Благодаря налаженному производству, опыту мастеров выпускается достаточное количество изделий для того, чтобы удовлетворить спрос потребителей. Ведется выгодная для заказчиков продажа блок-контейнеров ПБК «Север», изделие предоставляется покупателям с гарантией высокого качества и длительного срока службы. Приобретая контейнер, потребитель может использовать его по собственному усмотрению, с учетом производственных потребностей. Может устанавливаться под надежной защитой генератор, компрессорное оборудование, газораздаточные станции и другие устройства.

Производство блок-контейнеров учитывает строительные и противопожарные нормативы, цели использования такого вместительного мобильного помещения. Специалисты компании изучают и пожелания заказчиков, покупателей. Контейнер может дополнительно утепляться, дополняться различным оборудованием. Это улучшает его эксплуатационные характеристики и делает работу нашей компании более востребованной и актуальной.

Вместительный и прочный блок-контейнер от производителя имеет надежную и продуманную до мелочей конструкцию, высокую защиту от воздействия внешних факторов. Компрессор или электростанция в контейнере ПБК «Север» не пострадает от вандализма, проникновения постороннего лица. Также важной для клиентов нашей компании является и доступная цена на контейнер.

2.3 Экономическая характеристика деятельности предприятия АО «СКДМ»

В таблице 2 проведен анализ основных показателей деятельности АО «СКДМ»

потребительский инновация финансовый

Таблица 2 - Показатели финансово-хозяйственной деятельности АО «СКДМ» за 2015-2016 годы

Показатель

2015 г.

2016 г.

Отклонение

Среднегодовая стоимость основных средств, тыс. руб.

139040

183119,5

44079,5

Выручка от продажи, тыс. руб.

39183

64003

24820

Себестоимость продаж, тыс. руб.

33653

52669

19016

Коммерческие расходы, тыс. руб.

6682

8097

1415

Прибыль от продаж, тыс. руб.

(1152)

3237

4389

Среднегодовая стоимость денежных средств, тыс. руб.

12908

23790

10882

Численность работающих, чел.

88

90

2

Среднегодовая стоимость запасов, тыс. руб.

21571,5

23642,5

2071

Фондоотдача, руб.

0,28

0,35

0,07

Уровень управленческих расходов, %

17,05

12,65

(4,4)

Рентабельность продаж, %

(2,94)

5,06

8

Оборачиваемость денежных средств, раз

3,04

2,69

(0,35)

Средняя выработка работников, раз

445,26

711,14

265,88

Оборачиваемость запасов, раз

1,82

2,71

0,89


По таблице 2, можно сделать следующие выводы, что один из главных показателей деятельности - выручка от продажи продукции, в исследуемом предприятии увеличилась в отчетном году по сравнению с базовым на 63,3% или на 24820 тыс. руб. Что касается среднегодовой стоимости основных фондов, то произошел ее рост на 31,7% или на 44079,5 тыс. руб. Следует отметить, что сравнивая данные два показателя, увидим, что среднегодовая стоимость основных фондов оказалась меньше прироста выручки, что говорит о том, что повышается эффективность их использования.

Что касается показателя - фондоотдача, то с помощью него, можно определить эффективность использования основных фондов. В отчетном году данный показатель составил 0,35 руб., в отличие от прошлого года произошло его увеличение на 25% или на 0,07 руб., что означает, с каждого рубля, который вложен в основные фонды, больше средств отдается в выручку, и означает, что основные фонды используются более эффективно.

Относительно коммерческих расходов, в отчетном году данный показатель, в отличие от предыдущего года увеличился на 21,2% или на 1415 тыс. руб., и составил, в конечном счете, 897 тыс. руб., что говорит о том, что на предприятии существует перерасход данных расходов. Если говорить о % к обороту, то уровень их уменьшился на 4,4%, и составил 12,65%, что позволяет говорить об эффективном использовании средств исследуемого предприятия.

Также необходимо уточнить по прибыли от продажи, что в отчетном году в отличие от предыдущего года данный показатель имеет тенденцию к увлечению, поскольку в базовом периоде данный показатель имел отрицательное значение, то общее увеличение составило 4389 тыс. руб., и соответственно в отчетном году он составил 3237 тыс. руб. Рост прибыли повлек за собой рост рентабельности продаж на 8%, которая в отчетном году составила 5,06%. Таким образом, каждые 100 руб. выручки включают в себя больший процент прибыли, что позволяет говорить о том, что растет эффективность и конкурентоспособность исследуемого предприятия.

По поводу среднегодовой суммы денежных средств, в отчетном году в отличии от предыдущего года показатель увеличился на 84,3% или на 10882 тыс. руб., и составил 23790 тыс. руб., но вместе с этим отрицательным является уменьшение скорости оборота денежных активов на 11,5% или на 0,35 раза, что в конечном счете оставило 2,69 раза, тем самым достаточно медленно происходит обновление денежных средств в АО «СКДМ», что соответственно не дает возможности получать дополнительную выручку и прибыль.

Численность работников предприятия, также немного изменилась, было принято 2 сотрудников, тем самым увеличение составило 2,3%, и общее число работников предприятия в отчетный период составило 90 человек. Произошло увеличение средней выработки на 59,7% или на 265,88 тыс. руб., что, в конечном счете, составило 711,14 тыс. руб. Следовательно, полученные данные говорят о том, что повышается эффективность использования трудовых ресурсов на предприятии.

Показатели среднегодовой стоимости запасов, в отчетном году, также выросли по сравнению с предыдущим годом на 9,6% или на 2071 тыс. руб., и составили 23642,5 тыс. руб.

Следует отметить, что малый рост запасов в сравнении с выручкой привел к тому, что увеличилось количество оборотов запасов в отчетном году на 48,9% или на 0,89 раза, и, в конечном счете, составила 2,71 раза.

Таким образом, запасы стали быстрее обновляться, тем самым принося дополнительную прибыль исследуемому предприятию.

По проведенному анализу сделаем следующие выводы:

-       в целом деятельность исследуемого предприятия можно назвать достаточно эффективной, в подтверждении этому идут ускорение оборачиваемости запасов, повышение эффектности использования трудовых ресурсов и основных фондов, увеличении рентабельности продаж, как одного из показателей конкурентоспособности предприятия;

-       наряду с положительными тенденциями, следует отметить и достаточно негативные, а именно снижение оборачиваемости денежных средств, перерасход коммерческих расходов.

Также необходимым является анализ показателей деятельности финансового состояния предприятия, как результатов осуществляемого финансового планирования.

В качестве основы финансового анализа можно выделить анализ финансовой отчетности предприятия, так как именно она является источником информации для того, чтобы принимать правильные решения.

Таким образом, бухгалтерская отчетность из конечного продукта, становиться первичной, служит в качестве информационной базы исходных данных для дальнейших аналитических расчетов.

В таблице 3 представлен анализ активов предприятия за предыдущий год.

Таблица 3 - Активы АО «СКДМ» за 2015 год

Активы

На начало 2015 года

На начало 2016 года

Отклонение


Сумма, тыс. руб.

Уд. вес, %

Сумма, тыс. руб.

Уд. вес, %

Сумма, тыс. руб.

Уд. вес, %

Нематериальные активы

95

0,05

724

0,25

629

0,20

Основные средства

100964

57,01

177116

61,01

76152

4,00

Прочие внеоборотные активы

12464

7,04

37745

13,00

25281

5,96

Итого по разделу 1

113523

64,11

215585

74,26

102062

10,16

Запасы

23225

13,12

19918

6,86

(3307)

(6,25)

Дебиторская задолженность

22352

12,62

28754

9,90

6402

(2,72)

Денежные средства

16279

9,19

9537

3,29

(6742)

(5,91)

Прочие оборотные активы

1707

0,96

16504

5,69

14797

4,72

Итого по разделу 2

63563

35,89

74713

25,74

11150

(10,16)

БАЛАНС

177086

100,00

290298

100,00

113212

0,00


В качестве основы финансовой устойчивости можно отметить организацию и использование оборотных средств, а также платёжеспособность, как возможность осуществлять возврат долгов предприятия.

По таблице отметим, что активы увеличились к концу года на 113212 тыс. руб., что касается размещения средств, то основные средства занимают - 61,01% (177116 тыс. руб.), после них прочие внеоборотные активы - 13% (37745 тыс. руб.), после идет дебиторская задолженность 9,90% (28754 тыс. руб.), далее идут запасы - 6,86% (19918 тыс. руб.), затем идут оборотные активы - 5,69% (16504 тыс. руб.), и совсем незначительную часть составляют нематериальные активы - 0,25% (724 тыс. руб.).

Если судить по разделам, то за 1 раздел 74,26% (215585 тыс. руб.), за 2раздел 25,74% (74713 тыс. руб.).

Представим на рисунке 2 структуру активов предприятия АО «СКДМ» за базовый год.

Рисунок 2 - Структура активов АО «СКДМ» за 2015 год

По таблице 3 и рисунку 2, можно сделать следующий вывод: что в отчетном периоде наблюдается увеличение доли внеоборотных активов на 4%, что на конец года составляет 177116 тыс. руб. или 61,01%. Данный момент является для предприятия достаточно неблагоприятным, потому как позволяет сделать вывод о том, что достаточная часть вложений была произведена в «неподвижные» активы, т.е. те средства предприятия, которые не могут участвовать в обороте деятельности, что снижает ликвидность баланса.

Также нужно отметить, что прочие оборотные активы, также имеют тенденцию к увеличению в оборотных активах, в данном случае на изменения повлияли суммы НДС, которые были начислены за отгрузку товаров, сумма выручки от продажи, которая некоторое время в бухгалтерском учете признанной быть не может, что также позволяет сделать вывод о том, что структура активов является отрицательной. В таблице 4 представлены данные по активам в АО «СКДМ» за отчетный год.

Таблица 4 - Активы АО «СКДМ» за 2016 год

Активы

На начало 2016 года

На конец 2016 года

Отклонение


Сумма, тыс. руб.

Уд. вес, %

Сумма, тыс. руб.

Уд. вес, %

Сумма, тыс. руб.

Уд. вес, %

Нематериальные активы

724

0,25

2287

0,41

1563

0,16

Основные средства

177116

61,01

189123

33,50

12007

(27,51)

Прочие внеоборотные активы

37745

13,00

223360

39,56

185615

26,56

Итого по разделу 1

215585

414770

73,46

199185

(0,80)

Запасы

19918

6,86

27367

4,85

7449

(2,01)

Дебиторская задолженность

28754

9,90

81033

14,35

52279

4,45

Денежные средства

9537

3,29

38043

6,74

28506

3,45

Прочие оборотные активы

16504

5,69

3376

0,60

(13128)

(5,09)

Итого по разделу 2

74713

25,74

149819

26,54

75106

0,80

БАЛАНС

290298

100,00

564589

100,00

274291

0,00


Представим на рисунке 3 структуру активов предприятия АО «СКДМ» за отчетный период.

По таблице 4 и рисунку 3, можно сделать следующий вывод: за отчетный год сумма активов увеличилась до 564589 тыс. руб., тем самым произошло увеличение их на сумму 274291 тыс. руб. Средства предприятия структурно выглядят следующим образом: основную долю 39,56% занимают внеоборотные активы (223360 тыс. руб.), далее следуют основные средства - 33,5% (189123 тыс. руб.), оборотные активы занимают чуть меньше - 26,54% (149819 тыс. руб.), и совсем незначительную часть занимают нематериальные активы - 0,41% (2287 тыс. руб.).

Рисунок 3 - Структура активов АО «СКДМ» за 2016 год

По рисунку 3 следует отметить, что на конец отчетного года произошло уменьшение доли внеоборотных активов предприятия на 0,8%, от общей стоимости имущества, и в результате они составили 73,46% (414770 тыс. руб.). Данные изменения говорят о том, что имели место быть большие вложения в непродуктивные активы, которые никакой прибыли предприятию не приносят, и в результате чего, ликвидность баланса является недостаточной. Следует отметить, что доля дебиторской задолженности увеличилась в оборотных активах на 4,45%, и составила 14,35% или 81033 тыс. руб., что нельзя назвать благоприятным моментом в деятельности предприятия, поскольку эти средства не работаю на предприятие, они не являются активными в деятельности. Также необходимо отметить в качестве положительного момента улучшения структуры актива баланса - увеличение денежных средств на 3,45% или на 28506 тыс. руб. Если говорить об оборотных активах в целом, то данная сумма за отчетный год увеличилась на 0,8% или на 75106 тыс. руб., что говорит о вложениях предприятия в оборотные активы. Отрицательным является увеличение суммы дебиторской задолженности в отчетном году на 52279 тыс. руб., которая образовалась за счет того, что были образованы долги, что говорит о том, что достаточно значимая часть денежных средств исследуемого предприятия находится не в деятельности предприятия, а совершенно в посторонних местах, поэтому необходимо для того, чтобы в дальнейшем такие ситуации не складывались налаживать систему управления дебиторской задолженностью. Структуру оборотных активов, также с недостаточно хорошей стороны, характеризует увеличение суммы запасов на конец отчетного года в размере 7449 тыс. руб., потому как эта статья не является ликвидной. Что касается наиболее быстрореализуемых активов, денежных средств, то по сравнению с показателем на начало года - они увеличились в размере 28509 тыс. руб., что отмечает рост ликвидности баланса. Структуру собственных средств можно разделить на две группы: собственные средства и заемные средства. Заемные средства могут подразделяться на долгосрочные и краткосрочные. Приведем в таблице 5 пассив АО «СКДМ».

Таблица 5 - Пассив АО «СКДМ» за 2 года, тыс. руб.

ПАССИВ

На начало 2015 года

На начало 2016 года

На конец 2016 года

Отклонение





начало 2016/начало 2015

начало 2016/конец 2016

Уставный капитал

10

10

10

0

0

Нераспределенная прибыль

139369

189949

219311

50580

29362

Итого

139379

189959

219321

50580

29362

Заемные средства

8200

24300

45123

16100

20823

Кредиторская задолженность

29507

76039

300145

46532

224106

Итого

37707

100339

345268

62632

244929


По таблице 5 можно сделать следующий вывод: пассив баланса исследуемого предприятия включает в себя все виды источников средств.

Необходимо отметить, что в отчетном году сумма собственного капитала увеличилась на 29362 тыс. руб., на что оказало воздействие увеличение суммы нераспределенной прибыли, именно на эту сумму. Данный рост показателя можно считать благоприятным фактором, поскольку его рост приводит к тому, что увеличиваются возможности для расширенного производства, следовательно, можно говорить о росте финансовой устойчивости предприятия.

За рассматриваемый период обязательств, срок исполнения которых больше двенадцати месяцев, у предприятия не имелось. А вот краткосрочные обязательства, за счет того, что увеличилась кредиторская задолженность и краткосрочные заемные средства, выросла на 62632 тыс. руб. в базовом году, и выросла на 244929 тыс. руб. в отчетном году. Данные изменения являются отрицательными, потому как повышение данных обязательств уменьшает финансовую устойчивость исследуемого предприятия.

Рассчитаем коэффициенты роста валюты баланса, применяя формулу 1:

, (1)

где Бср1, Бср0 - величина итога баланса за отчетный период, тыс. руб.

Коэффициент роста валюты баланса за отчетный год:

Валюта баланса повысилась на 94,5%.

Этот показатель следует сопоставить с коэффициентом роста выручки от продажи, по формуле 2:

, (2)

где V1, V0 - выручка от продажи продукции (работ, услуг) за отчетный и предыдущий периоды, тыс. руб.

Коэффициент роста выручки от продажи за отчетный год:

Полученные данные говорят о том, что имеется в отчетном году имеется увеличение выручки от продажи на 63,3%, при увеличении валюты баланса на 94,5%, что говорит о том, что нерационально осуществляется расходование средств на предприятии, потому как значительные вложения капитала, позволяют принести меньшую выручку.

Для того чтобы предприятию выжить и иметь стабильное положение оно должно быть финансово устойчивым.

Финансово-устойчивым считается субъект, который может собственными средствами покрыть средства, которые находятся в активах (основных фондах, нематериальных активах, оборотных средствах), который не позволяет образоваться неоправданной дебиторской и кредиторской задолженности, и производит все расчеты по обязательствам в необходимый срок.

Структуру источников формирования имущества представим в таблице 6.

Таблица 6 - Структура пассивов АО «СКДМ» за 2 года, %

Показатели

На начало 2015 года

На начало 2016 года

На конец 2016 года

Отклонение





2016г. к 2015 г.

2016г. к 2016 г.

Нераспределенная прибыль

78,70

65,43

38,84

(13,27)

(26,59)

Итого

78,71

65,44

38,85

(13,27)

(26,59)

Заемные средства

4,63

8,37

7,99

3,74

(0,38)

Кредиторская задолженность

16,66

26,19

53,16

9,53

26,97

Итого

21,29

34,56

61,15

13,27

26,59

БАЛАНС

100,00

100,00

100,00

0,00

0,00


Представим наглядно структуру пассивов за два года на рисунке 4.

Рисунок 4 - Структура пассивов АО «СКДМ»

По таблице 6 и рисунку 4 можно сделать следующий вывод, что капитал и резервы уменьшаются, в базовом году - на 13,27%, а что касается отчетного, то их доля уменьшилась на 26,59%, и на конец года составила 38,85%, тем самым характеризуется, то, что меньше половины имеющегося имущества принадлежит собственникам, что оказывает отрицательное влияние на финансовую устойчивость.

Существенное изменение данного показателя отмечается из-за уменьшения доли нераспределённой прибыли на 26,59%.

Рост доли кредиторской задолженности в базовом году на 9,53% и в отчетном году на 26,97%, значительно повлияли на увеличение доли краткосрочных обязательств, а именно рост в базовом году на 13,27% и рост в отчетном году на 26,59%, что отражает финансовую зависимость исследуемого предприятия от кредиторов.

В заключении, необходимо отметить следующие моменты:

-       в качестве отрицательного момента в деятельности предприятия, необходимо отметить увеличение доли внеоборотных активов в отчетном году на 0,8%, что, в конечном счете, составило 73,46%. Поскольку большое количество денежных средств будет вложено в активы, которые не приносят никакой пользы предприятию, что говорит о недостаточно ликвидности баланса, основную сумму средств составляет дебиторская задолженность, что говорит о неподвижности и отмечается как отрицательный фактор;

-       из-за того, что произошло увеличение кредиторской задолженности в базовом году на 9,53% и в отчетном году на 26,97%, значительно повлияли на увеличение доли краткосрочных обязательств, а именно рост в базовом году на 13,27% и рост в отчетном году на 26,59%, увеличилась финансовая зависимость предприятия от кредиторов.

Таким образом, можно отметить, что на исследуемом предприятии, крайне важно осуществлять управление задолженностями, как дебиторской, так и кредиторской.

2.4 ПТС по производству металлического профиля

Возведение современных зданий и сооружений невозможно представить металлических конструкций. Сегодня из металла изготавливается множество заготовок и конструктивных элементов. С помощью металлоконструкций можно быстро возводить здания, в том числе и по сложным архитектурным проектам и дизайнерским разработкам. Для армирования железобетонных конструкций, изготовления кранов, опор высоковольтных линий электропередач, мостов, нефтяных вышек и других сооружений, в которых должны сочетаться прочность, устойчивость и небольшой вес, используются швеллерные балки. Швеллеры используются при возведении высотных зданий, небоскрёбов и конструкций, которые подвержены повышенным нагрузкам. Швеллер - это ещё и распространенный в металлообработке профиль, который помогает разгружать напряженные участки конструкции, заметно облегчая её.

Швеллер представляет собой легкий и прочный металлический профиль, способный выдерживать любые поперечные нагрузки. Это самый востребованный и популярный вид металлопроката, базовая основа для любого строительства. Швеллер характеризуется большим разнообразием и невысокой ценой. В настоящее время сортовой промышленностью выпускаются швеллеры различных типоразмеров. Основные параметры швеллера - высота, длина и ширина шейки, соединяющей грани полок. Существует пять серий или разновидностей швеллера:

-       если в маркировке присутствует буква «П», то это значит, что обе грани строго перпендикулярны к основанию и параллельны между собой. Этот тип металлоконструкции обрел большую популярность не только в строительной области, но и в машиностроении;

-       если же боковые стороны имеют определенный наклон (не более 10%), об этом свидетельствует обозначение «У». Такие швеллера применяются в строительстве, а также при изготовлении различной техники;

-       облегченные элементы имеют букву «Л» в маркировке, их применение актуально, если необходимо свести вес конструкции до минимума;

-       еще существуют и экономичные швеллера, обозначаемые буквой «Э»;

-       когда деталь сделана под заказ, то на бирке, куда и наносится маркировка, будет стоять буква «С».

Швеллеры специальные предназначены для применения в автомобильной промышленности и в вагоностроении.

Номер швеллера равен расстоянию между двумя его внешними гранями. Материалом для производства швеллера является сталь и алюминий. В качестве сырья для изготовления швеллера служит низколегированная сталь либо углеродистая конструкционная сталь.

Очень часто в основе высотных зданий используются стальные балки в качестве несущего каркаса. При этом чтобы не повышать нагрузку на фундамент, стальные элементы изготавливаются в виде металлопроката сложного сечения, что позволяет экономить металл и усиливает сопротивление балок на изгиб и растяжение. По большей части для усиления конструкций применяются различные виды швеллеров, из которых наиболее распространенными являются два: П-образный и с сечением в форме буквы Н. Первые делятся на продукты горячего и холодного проката, вторые бывают только горячекатаными, либо собираются методом сварки из двух Т-образных профилей.

Швеллер обычно имеет П-образную форму. Гнутый швеллер широко используются при ремонте и строительстве зданий, при возведении каркасов. Преимуществом гнутого швеллера является экономичность, простота работы, долговечность и универсальность.

Гнутый швеллер - это профиль, изготовленный из стального листа разнообразной толщины, который способен воспринимать на себя довольно существенные механические нагрузки. Важнейшая его особенность - это П-образная внешняя форма детали.

Металлопрокат в форме буквы П является сортовым, и, в зависимости от способа изготовления, делится на несколько разновидностей. Горячекатаные профили узнаваемы по острым углам и бывают с расположенными параллельно или под уклоном внутренними плоскостями полок. По точности изготовления существует три категории: высокоточная «А», просто повышенная «Б» и обычная «В». Холоднокатаный швеллер, разновидности которого называют также гнутыми профилями (равнополочными и с полками разного размера), углов не имеет, вместо них имеются плавные изгибы. Для производства таких изделий металлопроката нужен специальный листогибочный станок. В качестве заготовки применяется лист горячекатаный.

Низкий вес гнутого швеллера исключает лишнюю нагрузку на перекрытия и фундамент здания, именно поэтому чаще всего эту деталь можно увидеть в металлоконструкциях. Также низкий вес профиля уменьшает трудоемкость и длительность его установки.

Строители довольно часто используют гнутый профиль:

1)      при возведении зданий;

)        при реконструкции;

)        во время проведения капитального ремонта.

Гнутый стальной швеллер в строительной сфере служит основой:

1)      для каркаса фасадов и стен здания;

)        для кровли зданий;

)        для ложбин воды;

)        для реконструкции сооружений;

)        для сооружения крупных и средних стержневых или несущих конструкций, колон и связей;

)        для перегородок;

)        для монтажа коммуникаций.

В домашнем хозяйстве гнутый профиль используется:

1)      для сборки каркаса теплицы и других конструкций;

)        для установки ниш хранения тяжелых предметов (например, инструментов и т.п.).

Гнутый профиль незаменим:

1)      в вагоностроении;

)        в автомобилестроении;

)        в станкостроении;

)        в судостроении.

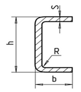
Равнополочный швеллер обладает, соответственно, одинаковой шириной полок. На рисунке 5 указаны все основные характеристики относительно размеров профиля согласно общепринятой системе обозначений, где h - значение высоты изделия; b - значение ширины полки; S - значение глубины стенки; R - значение радиуса закругления.

Рисунок 5 - Схема бокового сечения профиля

Применение гнутого стального швеллера дает потребителю возможность снизить общую массу конструкции и сэкономить около 30% используемого металла по сравнению с альтернативными вариантами подобных строительных деталей.

Отличительные особенности гнутого швеллера - все внешние углы закруглены, одинаковая толщина стенок. Именно это стало причиной того, что стальной профиль намного легче поддается сварочным и прочим видам обработки. Применяемое для производства швеллера оборудование одновременно с его изготовлением устраняет возникающий брак у заготовки.

Холодногнутый равнополочный швеллер ГОСТ 8278-83 - это обычный металлический уголок, который внешне напоминает по форме букву «П» и отличается от горячекатаного лишь наличием скругленного внешнего угла. Марка стали, которая используется для изготовления - 3, 8 сп/пс (СП - спокойная сталь, ПС - полуспокойная сталь). Этот стандарт распространяется на все профили. Изготавливается гнутый швеллер на стандартных профилегибочных станах из холоднокатаной и горячекатаной рулонной стали, углеродистой конструкционной и низколегированной. Технические показатели, установленные этим стандартом, предусмотрены для первой и наивысшей категории качества.

Гнутый профиль обладает высокой прочностью и легко поддается механической обработке. В частности легко сваривается при возведении всевозможных конструкций и для проведения других подобных работ.

Для защиты стального профиля от ржавчины наносят лакокрасочное, полированное или другое подобное покрытие. Такой профиль более долговечный в использовании по сравнению с горячекатаным при одинаковой жесткости и прочности получаемых деталей.

Это один из самых популярных видов металлопроката, когда речь идет о компромиссе между весом и прочностью материала.

В настоящее время на АО «СКДМ» производство металлического профиля происходит в условиях прессования. Гнутый швеллер изображен на рисунке 6.

Рисунок 6 - Гнутый швеллер

Технологический процесс, который включает в себя 2 технологических передела: раскрой листа, прессование, который изображен на рисунке 7. Первый технологический передел. Для того чтобы изготовить готовый, для использования, гнутый швеллер, необходимо приобрести металлический лист размерами 1250х2500х1,5 мм 52 тыс. руб./т. Расположить металлический лист на гильотинные ножницы СТД9А. Данный станок был закуплен в 2008 г. Мощность станка 4,5 кВт. Чтобы получить заготовку, необходимо произвести раскрой металлического листа на нужные размеры. После получения заготовки можно переходить ко второму технологическому переделу. Далее заготовку нужно перенести к прессу листогибочному И1330. Данный станок был закуплен в 2007г. Мощность станка 13,7 кВт. Произвести прессование заготовки, в итоге мы получаем гнутый швеллер размерами 40х32х1,5 мм. Коэффициент использования металла из 100% металла реализуется 89%, отходы составляют 11%. Суммарная мощность, которая будет затрачена на весь технологический процесс, составляет 18,2 кВт. Суммарное время на производство одного погонного метра металлического профиля составляет 0,05 ч. Затраты на электроэнергию, чтобы произвести один погонный метр металлического профиля равны 0,91 кВт×ч. После окончания срока полезного использования, необходимо провести модернизацию, либо произвести закупку нового оборудования.

Рисунок 7 - Производство металлического профиля методом прессования

На рисунке 8 представлена структура операционных затрат по производству металлического профиля методом прессования.

Рисунок 8 - Структура операционных затрат по производству металлического профиля методом прессования

Материальные затраты составляют 2 025 465 руб./год. Затраты на оплату труда составляют 348 837 руб./год. Амортизационные отчисления составляют 70 000 руб./год. Прочие затраты составляют 186 134 руб./год. Итого операционные затраты составляют 2 630 436 руб./год.

3. Сокращение операционных затрат при производстве металлического профиля

3.1 Производство металлического профиля методом проката

Профиль, имеющий П-образное сечение, может быть горячекатаным и холоднокатаным. Его очень часто используют в опорных конструкциях, поэтому он должен демонстрировать соответствующую прочность. Так что требования к его материалу достаточно велики. Чаще всего для этой цели берут алюминий, сталь и различные ее сплавы. Но в данном случае марка стали не меняется, изменяется только технологический процесс.

Гнутый швеллер в основном изготавливается из углеродистых конструкционных, низколегированных, а также углеродистых горячекатаных сталей путем обработки на специальных профилегибочных станах. Используя холодный прокат, элемент будет иметь большую устойчивость к деформациям, что и определяет его преимущества перед другими. Кроме того, если говорить о горячекатаных заготовках, то из-за воздействия высоких температур кристаллическая решетка стали изменяется, чего не скажешь про холоднокатаные заготовки. Однако, несмотря на эти нюансы, горячий прокат все еще пользуется огромной популярностью. В состав низколегированных сталей входят специальные добавки, благодаря которым улучшаются их эксплуатационные характеристики, правда, это отражается и на стоимости готового продукта.

Технологический процесс изготовления швеллеров обычно проходит в несколько этапов. Как только в цех поступает готовое сырье, осуществляется его профилирование. Оно может быть непрерывным, когда отформованный отрезок определенной дины гнется на этом же агрегате, и поштучным, в этом случае сначала на отдельном агрегате нарезаются заготовки, а затем их отправляют на профилегибочный стан. В связи с тем, что профили производятся на станках, при неправильной калибровке валков возможна потеря качества готового изделия. В предлагаемый технологический процесс следует отнести непрерывную подачу металла штрипса на прокатный стан, что увеличит скорость изготовления металлического профиля, нежели подавать поштучно на прокат, что требует постоянной остановки работы прокатного стана.

Одной из самых важных областей промышленности является производство металла, и с этим поспорить довольно тяжело, ведь от того, насколько развита данная отрасль, зависит не только состояние народного хозяйства, но и экономика всего государства. При этом стоит учитывать, что потребность человечества в этом прочном материале постоянно растет. Поэтому сейчас практически невозможно представить себе промышленную область, металлургия всегда участвует в этой области. Она применяется и в машиностроении, и в строительстве, и в кораблестроении - в общем, список можно продолжать и продолжать. Завершающим же технологическим этапом производства столь нужного материала является получение проката.

Производство гнутого швеллера происходит на прокатных станках из стальной горячекатаной и холоднокатаной полосы. Гнутый профиль заметно выделяется своими овальными углами и одинаковой толщиной стали по всему периметру детали. Именно поэтому основным преимуществом является высокая устойчивость при больших нагрузках на излом. Так же нужно не будем забывать о дефектах гнутого профиля. К дефектам же можно отнести искривление швеллера по горизонтальной плоскости, его волнистость, винтообразность, изгибы, а также разные искажения формы. К недостаткам внешнего вида швеллера относятся: искривление в горизонтальной плоскости, искажение на концах и волнистость. К геометрическим дефектам гнутого профиля относят искажение размеров крайних частей, недоработку радиусов закруглений, несовпадение с заданными углами, несовпадение размерам в длине и ширине.

Технологический процесс по производству металлического профиля методом проката изображен на рисунке 9. Для того чтобы произвести металлический профиль размерами 40х32х1,5 мм, необходимо 2 станка: прокатный стан-ЛПБ400, пресс-ножницы-КД2128Е.

Рисунок 9 - Технологический процесс производства металлического профиля методом проката

От горячекатаного проката гнутый швеллер отличается более сглаженными наружными углами и более строгими размерами. При производстве, во время профилирования швеллер гнутый дополнительно обрабатывают, зачищают, удаляют дефекты, получая равномерную толщину стали, хорошее качество поверхности стали. Гнутый швеллер ГОСТ 8278-83 имеет меньший вес, чем горячекатаный, соответственно дешевле, требуется меньше металла по весу, однако сохраняется надёжность и прочность объекта. Когда нужно облегчить металлоконструкцию, которая не подвергается значительным нагрузкам, потребляется швеллер гнутый. Меньшая масса гнутого швеллера повышает трудоёмкость работ и уменьшает сроки монтажа. За счёт одинаковой толщины сторон, швеллер равнополочный гнутый лучше подвергается обработке, например сварке. Такое изделие хорошо переносит различные нагрузки. При использовании для неответственных конструкций, данный профиль имеет явные преимущества перед горячекатаным изделием.

Изготавливают стальной гнутый швеллер на специальных гибочных станах холодным профилированием из рулонной листовой стали - штрипса, 41 тыс. руб./т. При непрерывном производстве режут в размер на стане после окончания формовки металла. Штрипс подается на разматыватель. Передний конец задается в прокатный стан. Пройдя необходимую правку на прокатном стане, полоса поступает к гильотинным ножницам, которые обрезают деталь на нужную длину. Прежде чем начать изготавливать металлический профиль, необходимо установить штрипс на разматыватель, непрерывная подача штрипса на прокатном стане, уменьшает время на производство металлического профиля. Далее деталь переходит на пресс отрезной, для нарезки детали на необходимые размеры. С изменением технологического процесса мы не только уменьшает время на производство металлического профиля, но самое главное мы уменьшаем операционные затраты.

3.2 Анализ сравнения операционных затрат по производству металлического профиля

Структура операционных затрат по производству металлического профиля методом проката представлена на рисунке 10.

Рисунок 10 - Структура операционных затрат по производству металлического профиля методом проката

Структура операционных затрат по производству металлического профиля методом холодного проката. Материальные затраты составляют 1 657 808 руб./год, затраты на оплату труда составляют 348 837 руб./год, амортизационные отчисления составляют 250 000 руб./год, прочие затраты составляют 186 134 руб./год итого операционные затраты составляют 2 542 799 руб./год. Затраты на производство металлического профиля приведены в таблице 7.

Таблица 7 - Сравнение структур операционных затрат при производстве металлического профиля прессованием и прокатом

Виды затрат

Прессование

Прокат


руб./год

%

руб./год

%

Материальные затраты

2 025 465

77

1 657 808

65

Оплата труда

348 837

13

348 837

13

Амортизация

70 000

2

250 000

13

Прочие затраты

186 134

8

186 134

9

Итого

2 630 436

100

2 442 779

100


После освоения технологии по производству металлического профиля методом холодного проката можно сделать вывод:

-       материальные затраты уменьшились на 367 657 руб./год, уменьшились на 12%;

-       оплата труда в денежном и процентном эквивалентах не изменилась;

-       амортизация увеличилась на 280 000 руб./год, в процентном эквиваленте не изменилась;

-       прочие затраты в денежном эквиваленте не изменились, процентном эквиваленте увеличились на 1%.

Объем инвестиций, требуемый для реализации технологического процесса, составляет 2 500 000 рублей. Необходимо закупить 2 станка: ЛПБ400, КД2128Е. Изготовить штамп для рубки металлического профиля. Средства предлагается привлечь из амортизационного фонда предприятия. Период окупаемости проекта составит 6,5 лет.

Заключение

В результате исследования выпускной квалификационной работы были достигнуты и решены выдвинутые цели и поставленные задачи, которые относятся к инженерному бизнесу. Основными параметрами инженерного бизнеса является уменьшение операционных затрат и увеличение объема реализации продукции. Для того, чтобы проект был реализован, необходима доходная идея. В данном случае, доходная идея - это освоение технологии производства металлического профиля методом проката, что позволяет сократить операционные затраты.

В ходе выпускной квалификационной работы были рассмотрены теоретические аспекты понятия инновации, инновационное развитие, инновационные стратегии и, в конечном счете, в чем заключается инновационный процесс - рождение идеи, которая будет приносить прибыль. Для достижения поставленных целей необходимо было рассмотреть понятия производственно-технологическая система (ПТС), структура операционных затрат.

В ходе работы проведен ситуационный анализ объекта исследования АО «СКДМ», рассмотрена его история. Основной вид деятельности - производство блок-контейнеров.

В третьей главе выпускной квалификационной работы приведено предложение по освоению технологического процесса производства металлического профиля методом проката. При производстве металлического профиля, который необходим для укрепления конструкции блок-контейнера, методом прессования коэффициент использованного металла составляет 89%, для того, чтобы уменьшить материальные затраты предлагается изменить технологический процесс на производство металлического профиля методом проката. При данном технологическом процессе коэффициент использованного металла составляет 96%, что, в свою очередь, уменьшает материальные затраты. Данный технологический процесс позволит снизить операционные затраты на производство металлического профиля, при этом не изменяя технологических свойств детали, что приведет к увеличению объема реализованной продукции.

Литература

1.       Абрютина М.С. Анализ финансово-экономической деятельности предприятия / М.С. Абрютина. - Москва: Дело и Сервис, 2014. - 285с.

.        Алексанов Д.С. Экономическая оценка инвестиций: учебник для студентов высших учебных заведений / Д.С. Алексанов. - Москва: КОЛОС-ПРЕСС, 2014. - 352с.

.        Алексенко В.В. Инновационные стратегии компаний как фактор национальной конкурентоспособности / В.В. Алексенко. - Москва: Научная Книга, 2011. - 136с.

.        Афонин И.В. Инновационный менеджмент: учебное пособие / И. В. Афонин. - Москва: Гардарики, 2014. - 224с.

.        Базилевич А.И. Инновационный менеджмент предприятия: учеб. пособие для студентов вузов, обучающихся по специальностям экономики и управления / А.И. Базилевич; под ред. В.Я. Горфинкеля. - Москва: ЮНИТИ-ДАНА, 2013. - 231с.

.        Беловский А.Н. Конкурентная стратегия современных компаний / А.Н. Беловский // Менеджмент в России и за рубежом. - 2004. - № 4. - С. 3.

7.            Белякова М.Ю. Использование финансовых показателей при оценке инвестиционных проектов / М.Ю. Белякова // Справочник экономиста. - 2015. - № 3. - С. 8-10.

8.       Бехтерева Е.В. Управление инвестициями / Е.В. Бехтерева. - Москва: ГроссМедиа: РОСБУХ, 2014. - 325с.

.        Бланк И.А. Основы инвестиционного менеджмента / И.А. Бланк. - 5-е изд. - Москва: Омега-Л, 2014. - 360с.

.        Бочаров В.В. Инвестиции: учебник для вузов / В.В. Бочаров. - Санкт-Петербург: Питер, 2014. - 384с.

.        Бочаров В.В. Финансовый анализ / В.В. Бочаров. - Санкт-Петербург: Питер, 2011. - 420с.

.        Василенков С.А. Критерии принятия инвестиционных решений / С.а. Василенков // Инвестиционный банкинг. - 2013. - № 1. - 30с.

.        Вахрин П.И. Финансы: учебник / П.И. Вахрин. - 3-е изд., перераб. и доп. - Москва: Маркетинг, 2012. - 114с.

Похожие работы на - Экономическое обоснование проекта по производству металлического профиля на примере АО 'СКДМ'

 

Не нашли материал для своей работы?
Поможем написать уникальную работу
Без плагиата!
Без нейросетей!