Проект блоку АЕС з реактором ВВЕР-1000
Змiст
Вступ
. Опис станції
.1 Характеристика проектованої
ЯЕУ АЕС
.1.1 Опис основного
устаткування
.1.2 Вид теплоносія і робочого
тіла
.1.3 Спосіб перетворення
енергії
.1.4 Склад АЕУ
.2 Основні споруди
.2.1 Головний корпус
.2.2 Реакторне відділення
1.2.3 Машинний зал і
деаераторне відділення
1.2.4 Перший контур
.2.5 Другий контур
. Теплогідравлічний розрахунок
реактора ВВЕР-1000
.1 Вихідні дані
.2 Визначення геометричних
характеристик касети
.3 Визначення габаритів АЗ
.4 Визначення температури
теплоносія, оболонки ТВЕЛа і пального по висоті АЗ
.5 Визначення запасу по
критичному тепловому потоку
.6 Визначення гідравлічного
опору АЗ
.7 Результати
тепло-гідравлічного розрахунку АЗ.
. Нейтронно-фізичний розрахунок
реактора
.1 Визначення геометричних
характеристик елементарного осередку Зейца-Вігнера
.2 Визначення концентрацій
атомів в осередку
3.3 Визначення температури
нейтронного газу
.4 Розрахунок коефіцієнта
розмноження для нескінченого реактора
.4.1 Визначення коефіцієнта
розмноження на швидких нейтрона
.4.2 Визначення числа вторинних
швидких нейтронів
.4.3 Вірогідність уникнення
резонансного захоплення
.4.4 Визначення коефіцієнта
використання теплових нейтронів
.4.5 Визначення коефіцієнта
розмноження нескінченного реактора
3.5 Визначення ефективного
коефіцієнта розмноження
.6 Визначення компанії реактора
.7 Розрахунок органів
регулювання
.7.1 Розрахунок поглинаючих
стрижнів
.7.2 Розрахунок борного
регулювання
3.8 Результати
нейтронно-фізичного розрахунку АЗ
4. Розрахунок теплової схеми з
турбінною установкою к-1000-60/3000
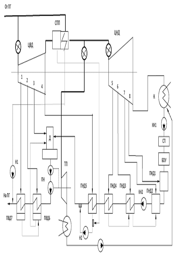
.1 Опис теплової схеми
.2 Опис турбіни К-1000-60/3000
.3 Вихідні данні
.4 Визначення параметрів пари
.5 Параметри основного
конденсату
.6 Параметри живильної води
.7 Визначення витрат робочого
тіла по елементах схеми турбіни
.8 Витрата електроенергії на
привід насосів
.9 Показники теплової
економічності
5. Дослідження
впливу нейтронного випромінювання на матеріал оболонки ТВЕЛу
5.1 Структурні дослідження
.2 Вивчення структури і
динаміки кристалічних ґрат твердих розчинів на основі ZrО2
.3 Текстурні зміни у вершині
тріщини, що рухається
.4 Методика експериментального
дослідження
.5 Результати експериментів
6. Охорона праці
6.1 Характеристика об єкта
.2 Аналіз небезпечних і
шкідливих виробничих факторів
.2.1 Підвищена напруга
.2.2 Температура
.2.3 Освітлення
.3 Заходи щодо зниження
небезпечних і шкідливих факторів
.3.1 Підвищенна напруга
.3.2 Температура
.3.3 Освітлення
.4 Пожежна безпека
.4.1 Технічні рішення
протипожежного захисту
.5 Розрахунок штучного
заземлення
7. Радіаційна безпека
7.1 Зональність АЕС
.2 Правила перебування в
контрольованій зоні
.3 Основні джерела
випромінювання на АЕС
.4 Дозове
навантаження на людину, обумовлене
газоаерозольним викидом АЕС
8. Розрахунок
техніко-економічних показників
8.1 Вихідні дані
8.2 Розрахунок капітальних
вкладень і оцінка вартісноосновних фондів АЕС
8.3 Оцінка вартості оборотних
коштів
.4 Розрахунок обсягу вироблення
і відпуску електричної енергії
8.5 Розрахунок сумарних річних
експлуатаційних витрат, пов'язаних з виробництвом і відпуском електричної і
теплової енергії
8.6 Розрахунок собівартості
одиниці електричної і теплової енергії
.7 Визначення загального
прибутку, рентабельності і беззбиткового
обсягу виробництва на АЕС
.8 Зведені техніко-економічні
показники
Висновок
Список використаної літератури
Вступ
Україна має потужний промисловий
комплекс, для роботи якого потрібна електроенергія, як невід’ємна частка, без
якої його розвиток значно гальмується, а подекуди взагалі неможливий. Зараз,
для того, щоб вийти з економічної кризи, варто звернути увагу на енергетику,
яка відіграє в житті країни не останню роль. Вона, як і більшість галузей
промисловості потерпає від кризи. І не варто закривати на це очі, оскільки
майбутнє України та її незалежність повністю залежать від енергетики.
Основа електроенергетики країни -
Об’єднана Енергетична Система (ОЕС), яка здійснює централізоване
електрозабезпечення споживачів. ОЕС взаємодіє з енергетичними системами
суміжних країн та забезпечує експорт та імпорт електроенергії. В міру обставин,
які склалися на даний момент, головне базове навантаження в енергопроблемі
несуть АЕС. Це зумовлено тим, що більшість ТЕС простоюють по причині
відсутності палива. Централізоване виробництво електроенергії в ОЕС виконують
14 ТЕС, 8 ГЕС та 4 АЕС, які входять до складу Національної Атомної
Енергогенеруючої Компанії (НАЕК) “Енергоатом”. Кількість АЕС становила п’ять,
але в результаті виведення з експлуатації 15 грудня 2000 року ЧАЕС їхня
кількість скоротилася до чотирьох. Зараз в Україні діють 4 АЕС: Запорізька,
Рівненська, Хмельницька та Южно-Українська. Співвідношення встановленої
потужності з об’ємом виробництва е/е на АЕС України складає 26% до 44%. На 11
енергоблоках АЕС України встановлено реактори серії ВВЕР - 1000 і на двох
енергоблоках реактори серії ВВЕР - 440, які за технічними характеристиками
схожі до закордонних реакторів PWR. Проектний термін їх експлуатації 30 років.
Через 10 років майже всі АЕС України відпрацюють свій термін.
З 1986 року на АЕС України
здійснюється комплекс технічних заходів, спрямованих на підвищення безпеки та
надійності ядерних енергоблоків. Досить велика кількість тепломеханічного та
електротехнічного обладнання (від 2 до 5 одиниць на блок) вимагає заміни
внаслідок закінчення терміну їх експлуатації. У зв’язку з високою вартістю
заміни обладнання (близько 25 - 30 млн. доларів США для реакторного і
турбінного відділень одного блока ВВЕР - 1000) і відсутністю на Україні його
виробника, вживаються заходи щодо продовження терміну служби обладнання. Це
зумовлює необхідність збільшення виробітку електроенергії за рахунок підвищення
якості виконання робіт і ефективності управління. Окрім того, на ситуацію, що
склалася, суттєво впливають фінансові труднощі. Значні складнощі в роботі АЕС
за останні роки викликані залежністю від імпорту ядерного палива (імпортується
на 100% з-закордону). Великим недоліком залишається відсутність необхідної
інфраструктури для забезпечення надійної і безпечної роботи АЕС, включаючи
наукову та інженерну підтримку їх експлуатації, забезпечення запасними
частинами, змінним обладнанням та матеріалами вітчизняного виробника,
економічно доцільну систему паливозабезпечення, заховання відпрацьованих
ядерних паливних збірок і РАВ (радіоактивних відходів), особливо тих, що
містять довго живучі радіоактивні елементи.
Для забезпечення необхідного рівня
безпеки при експлуатації АЕС та створення умов для підвищення ефективності
роботи АЕС в єдиній системі енергопостачання народного господарства і населення
держави створено НАЕК “Енергоатом”.
Враховуючи виняткову важливість
надійного функціонування АЕС, їх значний внесок в загальне виробництво
електричної енергії, існуючий дефіцит органічного палива, в Україні необхідним
є комплекс заходів щодо:
·
- підвищення безпеки функціонування
енергоблоків;
·
- підвищення потужності діючих АЕС
за рахунок їх модернізації;
·
- вирішення питання надійного та
економічного забезпечення атомної енергетики ядерним паливом;
·
- вирішення питання про спорудження
термінових сховищ ВЯП;
·
- вирішення проблеми надійного та
безпечного зберігання РАВ.
Пріоритетною задачею на АЕС є
забезпечення безпеки діючих енергоблоків з реактором ВВЕР-1000. Одним зі шляхів
підвищення безпеки й ефективності роботи діючих блоків є модернізація й
удосконалення працюючого устаткування.
1. Опис станції
Южно-Українська атомна електростанція
призначена для постачання електроенергією південних районів України і входить в
Об'єднану енергосистему Півдня. ЮУ АЕС є головною уніфікованою атомною
електростанцією з моноблоковою компоновкою енергоблоків з серійною реакторною
установкою ВВЕР. Розробники ЮУ АЕС прибули в Прибужжя в 1975 році, перший
енергоблок поставлений під навантаження в 1982 грудні. Введення решти
енергоблоків першої черги здійснювалося: в січні 1985 року введений в дію
другий, у вересні 1989 року - третій. Потужність електростанції досягла 3000
МВт. При спорудженні ЮУ АЕС застосований поточний метод будівництва. Роздільне
виконання будівельних робіт і такий же монтаж технологічного устаткування на
кожному енергоблоці, високий відсоток блоковості будівельних конструкцій
дозволили скоротити тривалість будівництва кожного енергоблоку в середньому на
25-30 %, а трудовитрати зменшити на 15-20 % проти нормативних.
Южно-Українська АЕС складається з
трьох енергоблоків ВВЕР, які складають дві технологічні черги.
Перша черга АЕС включає енергоблоки
№1 і №2, які відносяться до, так званої, малої серії. Характерною особливістю
першої черги ЮУ АЕС є загальний машинний зал з деаераторним відділенням, де
послідовно розміщено устаткування турбогенераторів першого і другого
енергоблоків, блокові щити управління, системи безпеки, конденсатори турбін і
т.д.
Комплекс енергетичного устаткування,
що забезпечує роботу третього енергоблоку ЮУ АЕС, відноситься до другої черги
атомної станції. Воно розміщено в окремій споруді-моноблоці, що включає
реакторне відділення, машинний зал і допоміжні приміщення.
Южно-Українська АЕС розташована в
північній частині Миколаївської області на лівому березі річки Південний Буг на
відстані 340 км від м. Києва, 180 км. від м. Одеси і 120 км від м. Миколаєва.
Вигідні природно-кліматичні умови,
розвинена мережа транспортних повідомлень, особливості рельєфу місцевості
створили тут майже ідеальні умови для будівництва могутнього енергетичного
комплексу з мінімальним збитком для навколишнього середовища.
Вихід АЕС на зовнішню мережу МПС
здійснюється на станцію Южноукраїнська Одеської залізниці на ділянці
Знаменка-Одеса, на відстані 3 км від АЕС.
Район будівництва Южно-Української
АЕС розташований на лівобережжі р. Південний Буг. В радіусі 30 км від АЕС річка
несудоходна. Територія цього району інтенсивно посічена мережею ярів, балок і
долин. Території району промплощадки і будівельної бази мають значні висотні
перепади, що коливаються в межах 98-120 м над рівнем моря. Переважаючими на
протязі року є вітри північно-західні і північно-східні. Максимальна швидкість
вітру за багаторічними даними досягала 24-28 м/с, з поривами до 34 м/с. Число
днів з сильним вітром (рівним і більш 15м/с) в середньому за рік складає 30
днів. Найбільше число днів з сильним вітром за рік досягало 66. Повторюваність
штилів і слабких швидкостей вітру до 2 м/с в році близько 30 %.
Відносна вогкість повітря в
середньому за рік складає 71-75%. Найбільша середньомісячна відносна вогкість
81-87% наголошується в холодний період року (листопад-березень), 61-62% - теплий
період (травень-серпень). Відносна вогкість зовнішнього повітря в 13 годин
найжаркішого місяця рівна 43 %. Норма атмосферних опадів рівна 460 мм за рік, з
них 300мм доводиться на теплий період (квітень-жовтень). Після введення
Южно-Української АЕС над водосховищем-охолоджувачем в зимовий період частими
наголошуються тумани, з видимістю в окремих випадках до 1-2 м. В безвітряну
погоду туман спостерігається тільки над водосховищем, при вітрі туман може
розповсюджуватися на сушу. Повторюваність туманів за рік 20-25%, за холодний
період року - близько 60%.
Южно-Українська АЕС зі всіма
основними елементами системи водозабезпечення розташована на лівому березі
річки Південний Буг, приблизно в 159 км від гирла. У систему водозабезпечення
першої черги включені наступні основні гідротехнічні споруди:
водосховище-охолоджувач, підвідний канал, насосні станції підживлення і подачі
води і скидні споруди. Технічне водопостачання першої черги АЕС базується на
наливному водосховищі, створеному на балці Ташлик, підживлення якого в процесі
експлуатації здійснюється з р. Південний Буг. По хімічному складу вода річки
Південного Буга відноситься до гідрокарбонатного класу до групи кальцієвих вод.
Загальна мінералізація коливається від 340 мг/л весною, до 900 мг/л в межень.
Як показують спостереження, концентрація радіонуклідів у воді Ташликського
водосховища практично відповідає концентрації в річці Південний Буг і на 2-4
порядки нижче гранично допустимого.
У геоморфологічному відношенні
майданчик АС розташований на лівобережжі середнього перебігу р. Буг, на схилі
вододільного плато річки П.Буг. Плато є рівниною, полого нахиленою в Пн-З
напрямі, до балки Ташлик. Рівнина розчленована неглибокими лощинообpазними
пониженнями, балками і ярами, абс. відмітками поверхні 95-125м. На ділянці
розміщення споруд блоку N 1 природний рельєф утворений процесами вивітрювання і
зносу (денудаційні форми рельєфу). Це пологий схил вододілу з абс. відмітками
98.5-105м і кутом нахилу до балки Ташлик 1.5-6 градусів. У центральній частині
майданчика до планування простежувалося лощинообpазне пониження, слабо виражене
в рельєфі. В даний час територія промплощадки
спланована насипним грунтом до абс.
відмітки 104м.
Досліджувана територія розташована
на стику двох великих геостpуктуpних елементів : Українського кристалічного
масиву і Причорноморської западини.
У геологічному розрізі району
досліджень виділяються два структурні поверхи. Нижній поверх - гетерогенний
кристалічний фундамент платформи, складений архейсько-ранньопpотеpозойськими
гранітно-метаморфічними комплексами. Верхній структурний поверх утворений
осадовим чохлом стародавньої платформи. На крутих схилах каньйонообpазної
долини p. Південний Буг, а також в нижніх частинах схилів і днищах балок
кристалічний фундамент покритий малопотужним грунтово-рослинним шаром або
безпосередньо виходить на денну поверхню.
У гідрогеологічному
відношенні район розташування ЮУ АЕС приурочений до Українського басейну
тріщинних вод. За умов циркуляції, підземні води цього горизонту відносяться до
тріщинних вод. Водорясність горизонту різна і залежить від ступеня
тріщинуватості гранітів і наявності заповнювача в тріщинах. Горизонт (як
правило) безнапірний, проте в місцях розвитку верхнього водоупору води
набувають місцевий натиск. Живлення водоносного комплексу здійснюється за
рахунок інфільтрації атмосферних опадів і перетікання з вищерозміщених
водоносних горизонтів. Хімічний склад вод строкатий. Мінералізація їх
змінюється в межах від 0.25 г/л (прісні води) до 3.4 г/л (слабосолені
води), в окремих випадках досягаючи 5.3 г/л.
Відповідно до карти сейсмічного
районування майданчик ЮУ АЕС розташований в зоні з сейсмічністю 5 балів. Аналіз
опублікованих раніше робіт і виконаних досліджень показав, що основними сейсмо-
небезпечними зонами в регіоні є:
1. Карпатсько-Балканська;
2. Кримсько-Чорноморська.
Струси в районі АЕС, в основному,
приписуються до діяльності вогнищ землетрусів - частково Кримського, а головним
чином - Карпатського регіону.
У корпусі реактору знаходиться
активна зона, розташовані конструктивні елементи для організації потоку
теплоносія і органи управління реактивністю. У якості палива використовується
слабозбагачений двоокис урану. Устаткування першого контуру знаходиться в
герметичній оболонці, виконаній із заздалегідь напруженого залізобетону. При
раптових аварійних ущільненнях в устаткуванні і на трубопроводах реакторного
відділення в гермооболочці локалізуються всі радіоактивні речовини. Це виключає
їх потрапляння в оточуюче середовище.
Управління АЕС поєднує в собі
централізований контроль, дистанційне керування основними технологічними
процесами і автоматичне регулювання. Процес управління, швидке гасіння
ланцюгової реакції, а також підтримка реактору в критичному стані, здійснюються
органами системи управління і захисту (СУЗ). Процес регулювання потужності
реактора або припинення ланцюгової реакції здійснюється шляхом виведення або
введення в активну зону поглинаючих елементів. Контроль за параметрами ядерної
установки, парової турбіни і електричного статкування здійснюється з блокового
щита управління (БЩУ), куди передається оброблена інформація у вигляді основних
параметрів і рекомендацій по зміні режиму. Електроенергія від блоків АЕС
потрапляє в Об'єднану енергосистему Півдня України. Видача електроенергії
здійснюється з відкритих розподільних пристроїв (ВРП) 750, 330, 150 кВ.
Южно-Українська АЕС лініями електропередач напругою 750 кВ
«Вінниця», «Дніпро» пов'язана з промислово розвиненими регіонами України.
.1 Характеристика проектованої ЯЕУ
АЕС
реактор атомний електростанція
1.1.1 Опис основного устаткування
Для енергетичного блоку, що
розробляється, застосовується двоконтурна ядерна енергетична установка з
потужністю генератора електроенергії 1000 МВт. Переваги цього типу
енергоустановки полягають в тому, що розділені радіоактивний перший контур і
нерадіоактивний другий. Це розділення дозволяє розташувати устаткування першого
контуру в герметичну оболонку, яка запобігає потраплянню радіоактивних речовин
в оточуюче середовище. Як джерело теплової енергії використовується корпусний
ЯР водо-водяного
типу з водою під тиском типа ВВЕР. Теплота, що виділяється твелами, відводиться
безперервно циркулюючим теплоносієм в горизонтальний парогенератор поверхневого
типа ПГВ, де і відбувається нагрів води другого контуру з подальшим
випаровуванням. Пар, що генерується, подається на турбоагрегат, який приводить
в дію генератор електроенергії типа ТВВ. Це тихохідна парова турбіна на
насиченій парі з проміжною сепарацією і проміжним перегрівом пари типа
К-1000-60/3000. Одноступінчатий проміжний перегрів пари здійснюється за рахунок
відбору теплової енергії частини свіжої пари. Відпрацьований в головній турбіні
пар прямує в головний конденсатор поверхневого типу. Як охолоджуюче середовище
використовується технічна вода системи технічного водопостачання.
.1.2 Вид теплоносія і робочого тіла
У якості теплоносія вибирається
звичайна вода, яка знаходиться під тиском і одночасно є сповільнювачем
нейтронів в активній зоні. Робочим тілом другого контура є пара. До чистоти
води першого і другого контурів пред'являються особливі вимоги за вмістом
солей, газів і механічних домішок. Для забезпечення підтримки необхідних норм
за вмістом цих речовин у воді першого і другого контурів, передбачені
спеціальні системи хімводоочистки.
.1.3 Спосіб перетворення теплової
енергії в механічну і механічної в електричну.
Ядерна ланцюгова реакція розподілу
урану 235 в активній зоні ядерного реактора приводить до виділення великої
кількості теплової енергії.
Ця енергія передається теплоносію
при обмиванні ним тепловиділяючих збірок. Гарячий теплоносій потрапляє в
парогенератор, де передає свою енергію робочому тілу. Пара подається на
турбоустановку, в якій потенційна енергія пари, накопичена у вигляді високої
температури і тиску, перетвориться в кінетичну енергію парового потоку, який, у
свою чергу, призводить до обертання ротор турбіни. На валу турбіни знаходиться
генератор із збудником. В генераторі відбувається перетворення механічної
енергії в електричну. Електроенергія прямує до споживачів через лінії
електропередач і є кінцевим продуктом роботи електростанції.
.1.4 Склад АЕУ
Виходячи з вищевикладеного, до
складу проектованої АЕУ включаємо наступне устаткування:
. Ядерний реактор ВВЕР-1000.
. Парогенератор ПГВ-1000.
. Головний циркуляційний насос
ГЦН-195 М.
. Компенсатор тиску .
. Парова турбіна типу
К-1000-60/3000.
. Деаератор
. Сепаратор-пароперегрівач.
. Головний конденсатор К-45600.
. Конденсатний електронасос КсВА.
. Турбоживильний насос ПТА.
. Підігрівачі низького тиску.
. Підігрівачі високого тиску.
. Електрогенератор ТВВ-1000.
.2 Основні спорудження
Основними спорудженнями є: головні
корпуси енергоблоків; спецкорпус із санітарно-побутовим блоком, блоком
майстерень і сполучною естакадою; об'єднаний допоміжний корпус; об'єднаний
газовий корпус; спорудження технічного водопостачання; електротехнічні
спорудження.
1.2.1 Головний корпус
Кожного з діючих енергоблоків, що
вводяться, поєднує реакторне відділення, машинний зал і примикає до нього
деаераторне відділення, а також приміщення розподільного пристрою власних
потреб (зімкнуте компонування).
.2.2 Реакторне відділення
Складається з герметичної частини -
циліндричної оболонки діаметром 47,7 м зі сферичним куполом і негерметичного
оббудовування. Основне технологічне устаткування реакторної установки - реактор
(РУ), парогенератори (ПГ), головні циркуляційні насоси (ГЦН), компенсатор
об'єму (КО), ємності системи аварійного охолодження активної зони (САОЗ),
трубопроводи зв'язку - розміщено під захисною оболонкою в боксах з масивними
стінами з важкого бетону і залізобетону. Оббудовування реакторного відділення
розділені на зони суворого і вільного режиму. У зоні вільного режиму
розташована: система надійного електропостачання власних потреб, блоковий і
резервний щити керування, системи приточної вентиляції, аварійні живильні
насоси з баками запасу знесоленої води, насоси технічного водопостачання з
баками запасу води, запобіжні клапани парогенераторів.
У зоні суворого режиму оббудовування
розміщені системи й устаткування, що мають контакт із радіоактивним середовищем
першого контуру: системи аварійного розхолоджування реактору, розхолоджування
басейну витримки, промконтуру ГЦН, організованих протічок, продувки-підживлення
першого контуру, продувки парогенераторів, а також витяжної вентиляції з
системою очищення газових здувок, маслосистема ГЦН, спецканализація й інше
устаткування.
Конструкції герметичної оболонки
реакторного відділення в основному виконуються з важкого бетону і залізобетону.
Оболонка й оббудовування реакторного відділення встановлені на загальному
фундаменті, основою якого служить масивна монолітна плита.
Перекриття негерметичної частини
виконані зі збірних залізобетонних панелей.
Реакторне відділення має висоту 67,5
м і в плані являє собою квадрат зі стороною 66,0 м.
.2.3 Машинний зал і деаераторне
відділення
Мають у плані розміри 120х45 і
120х12 м відповідно, і торцем примикають до реакторного відділення.
Розташування турбоагрегату в
машинному залі - подовжнє, стороною циліндра високого тиску звернена до
реакторного відділення. У машинному залі встановлені також підігрівачі високого
і низького тиску, насосне устаткування, маслосистема турбіни, система
охолодження генератора й інше устаткування.
У деаераторному відділенні розміщені
деаератор, живильні конденсатні насоси, блочна знесолювальна установка.
Висота машинного залу 35,5 м (низ
ферм перекриття), триповерхового деаераторного відділення - 42,0 м (низ ригеля
верхнього поверху). Оперативна відмітка обслуговування 15,0 м. Для
обслуговування устаткування машинного залу в ньому встановлені два мостових
крана вантажопідйомністю 200/32/5 і 15 т. В машинний зал передбачений звичайний
залізничний в'їзд.
Природне освітлення машинного залу
забезпечується вузькими стрічками вікон із заповненням прорізів світловими
панелями. Покриття машинного залу виконано з утеплених комплексних панелей,
деаераторного відділення - зі збірних залізобетонних елементів. З боку
деаераторного відділення розташована прибудова електротехнічних пристроїв
шириною 12,65 м, що представляє собою каркасне спорудження зі збірного
залізобетону з перекриттями і покриттям з ребристих збірних плит. Така
компоновка енергоблоку є найраціональнішою і відповідає вимогам безпеки, а
також економічності виробництва, оскільки захисна оболонка реакторного
відділення є одним з бар'єрів системи фізичного захисту.
Технологічна схема блоків -
двоконтурна.
.2.4 Перший контур
Перший контур - радіоактивний -
містить у собі реактор і чотири циркуляційні петлі, кожна з яких складається з
головного циркуляційного насосу, парогенератора і трубопроводів з аустенітної
сталі з внутрішнім діаметром Dу= 850 мм.
Реактор ВВЕР-1000 електричною
потужністю 1000 МВт є реактором корпусного типу з водою під тиском, що виконує
функцію теплоносія і сповільнювача. Корпус реактору являє собою вертикальну
циліндричну судину високого тиску з кришкою, що має рознімання з ущільненням і
патрубки для входу і виходу теплоносія. У середині корпуса закріплена шахта
реактора, що є опорою для активної зони, і служить для організації внутрішніх
потоків теплоносія.
Активна зона реактора зібрана із
шестигранних тепловиділяючих зборок (ТВЗ) з розміром «під ключ» 234 мм. ТВЕЛи в
збірці розміщені по трикутним ґратам із кроком 12,76 мм. Діаметр ТВЕЛа 9,1 мм,
діаметр паливних таблеток - 7,8 мм, маса завантаження двоокису урану (UO2) 1565
т. Одна ТВЗ містить 312 Твелів і 12 направляючих стержнів регулювання.
Кількість ТВЗ в активній зоні - 163 шт., з них з регулюючими стержнями - 73 шт.
Заміна відпрацьованих касет
відбувається на зупиненому і розущільненому реакторі. Щорічно відбувається
вивантаження приблизно 1/3 робочих касет і довантаження такої ж кількості
палива. Витяг відпрацьованих касет з реактора відбувається під водою
спеціальною перевантажувальною машиною з дистанційним керуванням.
Теплоносій надходить у реактор через
вхідні патрубки корпусу, проходить у низ по кільцевому зазору між шахтою і
корпусом, потім через отвір в опірній конструкції шахти піднімається нагору
через ТВЗ. Нагрітий теплоносій з голівок ТВЗ потрапляє в міжтрубний простір
блоку захисних труб і через перфоровану обичайку блоку і шахти виходить з
реактору в парогенератор.
Так само до устаткування першого
контуру можна віднести устаткування СВО-1 (спецводоочистка). Байпасне очищення
теплоносія першого контуру. Основною частиною цього устаткування є
високотемпературні титанові фільтри (ВТФ), що працюють на перепаді тиску
головних циркуляційних насосів. Призначення СВО-1 - очищення теплоносія першого
контуру від механічних домішок і продуктів, що утворяться при контакті
теплоносія з паливом, через щільності ТВЕЛів. За рахунок застосування фільтрів
СВО-1 активність першого контуру на реакторі ВВЕР-1000 нижче аналогічних
реакторів приблизно на три порядки.
Парогенератор ПГВ-1000 -
однокорпусний горизонтальний апарат із зануреною поверхнею теплообміну з
вбудованим сепаратором. Трубний пучок - заглибленого типу, циркуляція котлової
води в міжтрубному просторі -з поперечним омиванням труб, підведення живильної
води здійснюється під рівень киплячої води, вода першого контуру циркулює
усередині теплообмінних труб.
У першому контурі використовуються
відцентрові циркуляційні насоси ГЦН-195М продуктивністю 20000 м3/год, що
володіють підвищеною механічною енергією завдяки установці маховика. Це
забезпечує надійне охолодження активної зони в нормальних, перехідних і
аварійних режимах.
Для підтримки тиску в першому
контурі застосовується паровий компенсатор тиску з комплектом
електронагрівачів, приєднаних до однієї з петель головного циркуляційного
контуру. Корпус компенсатора тиску виконаний з легованої вуглецевої сталі.
.2.5 Другий контур - нерадіоактивний
- складається з паропризводящої частини парогенератора, турбіни і допоміжного
устаткування машинного відділення. На діючих енергоблоках електростанцій
установлені турбіни К-1000-60/3000 з генераторами ТВВ-1000-2У. Турбоагрегат
потужністю 1000 Мвт працює на насиченій парі тиском 6 МПа, має один циліндр
високого (ЦВТ) і три циліндри низького (ЦНТ) тиску і відрізняється підвальним
розташуванням конденсаторів. Проміжна осушка і перегрів пари після ЦВТ
виробляється в чотирьох сепараторах-пароперегрівачах (СПП). Конденсат
піддається очищенню на блочній знесолювальній установці (БЗУ) і через
підігрівачі низького тиску системи регенерації надходять у деаератор. Після
деаераторів живильна вода двома живильними турбонасосами через систему
підігрівачів високого тиску подається в парогенератори. У схему другого контуру
включена бойлерна установка продуктивністю 840
ГДж/год,
для опалення будинків промислової площадки і житлового селища АЕС.
2. Теплогідравлічний розрахунок
реактора
.1 Вихідні дані
Таблиця 2.1.«Вихідні дані до
тепло-гідравлічного розрахунку»
|
Показник
|
Величина
|
|
Теплова потужність, Qt, МВт
|
3000
|
|
Температура входу теплоносія, tвхоС
|
289
|
|
Температура виходу теплоносія, tвихоС
|
322
|
|
Тиск на вході в реактор, Рвх, МПа
|
16
|
|
Розмір касети під «ключ», h, м
|
0,234
|
|
Товщина стінки касети, 1, м0
|
|
|
Міжкасетний зазор, 2, м0,002
|
|
|
Число ТВЕЛ у касеті, nтв, шт
|
312
|
|
Число трубок для стрижнів регулювання, nкл, шт
|
18
|
|
Центральна трубка, nц, шт
|
1
|
|
Зовнішній діаметр ТВЕЛ, dтв, м
|
0,0091
|
|
Діаметр трубок для стрижнів регулювання, dк, м
|
0,0126
|
|
Діаметр центральної трубки, dц, м
|
0,0103
|
|
Крок ТВЕЛ, Sр, м
|
0,01275
|
|
Товщина газового зазору, r, м0,0001
|
|
|
Коефіцієнт уплощення АЗ, 1,125
|
|
|
Товщина оболонки ТВЕЛ, , м0,00061
|
|
|
Матеріал оболонки
|
Zr+1%Nb
|
|
Пальне
|
UO2
|
|
Зовнішній діаметр UO2, dнUO2, м
|
0,00768
|
.2 Визначення геометричних
характеристик касети
Площа, займана касетою, без обліку
міжкасетного зазору складе:
м2
з обліком міжкасетного
зазору:
Площа, займана твел:
Площа, займана водою в
касеті:
Площа води, яка
приходиться на одну касету:
Площа води, яка приходиться на 1
твел:
Площа пального
в твелі:
Площа, займана цирконієм в касеті:
Площа газового зазору в твелі:
.3 Визначення габаритів АЗ
При тиску входу теплоносія Рвх=16
МПа і температурі входу tвх=289ос
згідно [1] одержуємо параметри теплоносія на вході:
питомий обсяг - Vвх= 0,0013353
м3/кг; ентальпія - hвх=1278,67 кДж/кг.
Орієнтовно приймаємо втрату тиску на
вході і виході з активної зони по 0,1 МПа, втрати тиску на кожній ділянці
активної зони 0,05 МПа. Тоді на виході з АЗ при Рвих=15,7 МПа і tвих=322оС ентальпія
теплоносія складе - hвих=1464,86 кДж/кг, а питомий обсяг Vвих= 0,0014805 м3/кг.
Витрата теплоносія через АЗ
складе: G=
кг/с
Середня швидкість води на вході в
активну зону:
Прийнявши число касет по прототипу
Nкас=163 шт., розрахуємо еквівалентний діаметр активної зони:
Площа, яку займає активна зона:
=
Радіус активної зони: Rаз=
1,5823 м.
Висота активної зони складе: H= Do∙
= 3,1647∙
1,125= 3,560 м.
Об`єм активної зони:
При таких габаритах середнє
питоме енерговиділення по зоні складе:
=
.
Розраховане значення qv
знаходиться в припустимих межах від
80
МВт/м3 < qv < 120 МВт/м3 для даного реактора.
Ефективна добавка
для даного типу реактору:
2.4 Визначення температури
теплоносія, оболонки ТВЕЛа і пального по висоті активної зони.
Враховуючи профільоване
збагачення пального, коефіцієнт нерівномірності тепловиділення по радіусу
приймемо по аналогії з прототипом:
Коефіцієнт нерівномірності
тепловиділення по висоті визначається:
Коефіцієнт нерівномірності
тепловиділення по об`єму
Визначимо величину
:
=
Для подальшого розрахунку
розбиваємо канал АЗ на шість ділянок. Визначимо координати входу і виходу в
кожну ділянку і для цих координат обчислимо температури.
Тепловий потік в самому
навантаженому твелі знайдемо по виразу:
,
де
- теплова
потужність реактора;
- число
касет в активній зоні реактора;
- число твелів в одній касеті;
=0,94 -
частка теплоти, що виділяється в твелах.
Підставляючи чисельні
значення, одержимо:
або
Допоміжні величини для
розрахунку температур по висоті активної зони зведемо в Таблиця 2.1.
Таблиця 2.1
|
Координата
    
|
|
|
|
|
|
|
-1,78
|
-1,4868
|
-0,9964
|
0,08384
|
2,6308
|
92,023
|
|
-1,1866
|
-0,9912
|
-0,8367
|
0,5476
|
17,1830
|
601,047
|
|
-0,5933
|
-0,4956
|
-0,4755
|
0,8796
|
27,6001
|
965,429
|
|
0
|
0
|
0
|
1
|
31,375
|
1097,48
|
|
0,5933
|
0,4956
|
0,4755
|
0,8796
|
27,6001
|
965,429
|
|
1,1866
|
0,9912
|
0,8367
|
0,5476
|
17,1830
|
601,047
|
|
1,78
|
1,4868
|
0,9964
|
0,08384
|
2,6308
|
92,023
|
Температуру теплоносія визначимо
через ентальпію. Визначення проведемо по центральному струменю з урахуванням нерівномірностей,
які врахуємо відповідними коефіцієнтами:
- коефіцієнт нерівномірності
тепловиділень усередині касети:
коефіцієнт, що враховує
зменшення витрати теплоносія в центральну касету у зв'язку з його великим
нагрівом і, отже, великим питомим об'ємом:
коефіцієнт, що враховує
відхилення в розмірах касети, викликаних технологічними і експлуатаційними
причинами:
коефіцієнт нерівномірності в
потужності паливних касет, тобто відношення максимальної потужності до
середньої для паливних касет активної зони. При профілізації витрати теплоносія
по зоні
технічний коефіцієнт
нерівномірності по підігріву теплоносія:
коефіцієнт, що враховує
технологічні і експлуатаційні відхилення, а також неточності розрахункових
формул і теплофізичних даних:
технічний коефіцієнт
нерівномірності по тепловиділенню:
коефіцієнт, що враховує
погрішність вживаної формули для коефіцієнта тепловіддачі:
коефіцієнт, що враховує
нерівномірність збагачення палива в твел:
коефіцієнт, що враховує
технологічні експлуатаційні і розрахункові причини, що підвищують термічні
опори прикордонного шару:
- коефіцієнт, що враховує
технологічні експлуатаційні і розрахункові причини зменшення теплопровідності:
Середнє підвищення
температури води в реакторі:
З достатнім наближенням
приймемо рівномірне падіння тиску по активній зоні. Приймемо також, що в
бічному відбивачі і на вході в активну зону втрачається, таке ж падіння тиску
має місце і на ділянці від виходу з активної зони до виходу з реактора. Таким
чином, на кожній ділянці активної зони втрачається . В таблиці 2.2 по кожній
координаті приводяться значення тиску теплоносія, температури насичення,
відповідної цьому тиску; температури теплоносія з урахуванням коефіцієнта ;
температури теплоносія середньої по зоні без урахування цього коефіцієнта;
поточного теплового потоку в самому навантаженому твелі; питомого об'єму
теплоносія для центрального струменя; теплопровідності теплоносія; динамічної
в'язкості; числа Прандтля; швидкості потоку і числа Рейнольдса:
Еквівалентний гідравлічний
діаметр:
Число Рейнольдса:
Зовнішня температура оболонки
центрального твела розраховується таким чином:
Коефіцієнт тепловіддачі конвекцією
від твела до теплоносія:
Термічний опір прикордонного
шару:
Розподіл температури по
висоті активної зони:
Температура зовнішньої
поверхні оболонки твел:
;
Тепловий потік, відповідний
режиму поверхневого кипіння:
;
Коефіцієнт тепловіддачі при
кипінні рідини, що недогріта:
Приведений коефіцієнт тепловіддачі:
Підігрів теплоносія при його
проходженні активної зони пропорційний тепловиділенню.
Тут
,
, і
- ентальпії
теплоносія на вході в А.З., поточна ентальпія теплоносія і підігрів теплоносія
по активній зоні, z - поточна координата теплоносія.
Після інтеграції і скорочення
і
одержимо:
;

Значення ряду допоміжних величин,
необхідних для розрахунку теплового режиму твел зведені в таблицю 2.2.
Таблиця 2.2
|
Координата
    
|
|
|
|
|
|
|
-1,78
|
15,9
|
346,85
|
1278,66
|
289
|
289
|
|
-1,1866
|
15,88
|
346,59
|
1293,61
|
293,5
|
291,64
|
|
-0,5933
|
15,84
|
346,34
|
1327,38
|
303,8
|
297,62
|
|
0
|
15,80
|
346,08
|
1371,86
|
317,3
|
305,5
|
|
0,5933
|
15,76
|
346,8
|
1416,34
|
330,8
|
313,37
|
|
1,1866
|
15,72
|
345,56
|
1450,11
|
341,05
|
319,35
|
|
1,78
|
15,7
|
345,31
|
1465,06
|
345,6
|
322
|
Координата 


|
  
|
|
|
|
|
|
|
|
-1,78
|
1,3355
|
0,5794
|
9,2949
|
0,8362
|
4,94
|
435361,9
|
|
-1,1866
|
1,3511
|
0,5718
|
9,1162
|
0,8452
|
4,99
|
443895,4
|
|
-0,5933
|
1,3903
|
0,5533
|
8,7151
|
0,8730
|
5,14
|
464327,2
|
|
0
|
1,4535
|
0,5256
|
8,1759
|
0,9332
|
5,37
|
494948,8
|
|
0,5933
|
1,5385
|
0,4929
|
7,5926
|
1,0453
|
5,68
|
532975,9
|
|
1,1866
|
1,6317
|
0,4631
|
7,0758
|
1,2230
|
6,03
|
571900,7
|
|
1,78
|
1,6901
|
0,4477
|
6,7984
|
1,3814
|
6,25
|
595237,1
|
Результати розрахунку зовнішньої
температури оболонки твела (центральний потік) наводяться в таблиці 2.3.
Таблиця
2.3
|
Координата
 , , ,
|
|
|
|
|
-1,78
|
49195,39
|
7,110
|
291,4
|
|
-1,1866
|
49482,9
|
7,068
|
308,9
|
|
-0,5933
|
50175,4
|
6,971
|
328,13
|
|
0
|
51291,4
|
6,819
|
344,4
|
|
0,5933
|
52996,8
|
6,600
|
353,8
|
|
1,1866
|
55507,7
|
6,301
|
354,7
|
|
1,78
|
57700,07
|
6,062
|
347,2
|
З отриманих результатів видно, що максимальна
температура оболонки ТВЕЛа не
перевищує припустимої 370 °С, але температура оболонки, починаючи з четвертої
ділянки, перевищує температуру насичення води при Р=15,8 МПа, ts=346,8°C,
отже, виникнуть ділянки поверхневого кипіння.
Тому для крапок 5 і 6 уточнимо істинну
температуру оболонки твела:
Коефіцієнт тепловіддачі при
кипінні рідини, що недогріта:
Приведений коефіцієнт тепловіддачі:
Істинна температура
оболонки твела в цих
координатах:
Уточнені значення температур
зовнішньої оболонки твел:
|
Координата -1,78-1,1866-0,593300,59331,18661,78
|
|
|
|
|
|
|
|
|
, 291,4308,9328,13344,4348,6349,3347,2
|
|
|
|
|
|
|
|
Для визначення температур на
внутрішній поверхні оболонки твела, зовнішній поверхні блоку пального і
температури пального в центрі паливної таблетки скористаємося наступною
методикою:
Заздалегідь приймається температура
внутрішньої поверхні оболонки твела:
Визначається середня
температура оболонки:
По
визначається
теплопровідність оболонки твела:
Тоді термічний опір оболонки:
Далі проводимо перевірку
прийнятого значення
і у разі
потреби проводимо повторну ітерацію:
Аналогічно визначається і
температура зовнішньої поверхні пального:
Середня температура газового
зазора:
Теплопровідність газового
зазора:
Термічний опір газового
зазора:
Перевірка прийнятого значення
:
Знову ж таки аналогічно визначаємо
температуру центру таблетки пального:
Середня температура таблетки
пального:
Теплопровідність таблетки
пального:
Термічний опір таблетки
пального:
Перевірка прийнятого значення
:
Результати розрахунку
температурного режиму елементів твела для всіх точок-координат наводяться в
таблиці 2.4.
Таблиця 2.4
Координата
, м



|
|
|
|
|
|
|
|
-1,78
|
18,71
|
4,9
|
296,3
|
0,256
|
57,4
|
|
-1,1866
|
18,58
|
33,65
|
342,55
|
0,306
|
342,65
|
|
-0,5933
|
18,44
|
55,5
|
383,6
|
0,339
|
493,4
|
|
0
|
18,32
|
63,9
|
408,3
|
0,351
|
544,7
|
|
0,5933
|
18,29
|
56,4
|
405
|
0,346
|
481,8
|
|
1,1866
|
18,28
|
38,6
|
387,9
|
0,32
|
301,8
|
|
1,78
|
18,30
|
5,5
|
352,7
|
0,27
|
54,1
|
Координата
, м


|
|
|
|
|
|
|
-1,78
|
353,7
|
4,8
|
57,3
|
411
|
|
-1,1866
|
685,2
|
4,0
|
465,5
|
1150,7
|
|
-0,5933
|
877
|
2,96
|
938,3
|
1815,3
|
|
0
|
953,8
|
3,01
|
1095,2
|
2049
|
|
0,5933
|
886,8
|
2,95
|
935,6
|
1822,4
|
|
1,1866
|
689,7
|
3,93
|
500,0
|
1189,7
|
|
1,78
|
406,8
|
4,51
|
61,1
|
467,9
|
Побудуємо графік температур
теплоносія, зовнішньої і внутрішньої поверхні оболонки твел:
Будуємо графік температур зовнішньої
поверхні і центру паливного сердечника:
.5 Визначення запасу по критичному
тепловому потоку
Визначимо критичне теплове
навантаження при виході з активної зони і зіставимо його з максимальним
енерговиділенням, яке має місце в координаті
. Як вже було розраховано вище,
максимальне тепловиділення складає
.
Відносний паровміст на виході
при
, ентальпії
киплячої рідини
, теплоті
випаровування
і ентальпії
води в центральному струмені
:
Масова швидкість (постійна по
касеті):
Допоміжні величини для
обчислення
:
Таким чином, навіть на виході з
активної зони запас до кризи складає:
2.6 Визначення гідравлічного опору
активної зони
Гідравлічний опір руху
теплоносія складається з опору тертя
, місцевих опорів
, викликаних
двома кінцевими і 15-у дистанціонуючими гратами, і нівелірного опору
,
пов'язаного з підйомом рідини в активній зоні .
Використовуючи результати
розрахунків, приведені в Таблиця
2.2, одержимо:
- середнє значення числа
Рейнольдса
;
- середню швидкість
течії
;
- середню густину
течії
.
Коефіцієнт місцевих опорів
для кінцевих і дистанціонуючих грат визначається звуженням потоку в цих гратах.
Одержимо при звуженні в кінцевих гратах потоку на
і в
дистанціонуючих гратах на
вирази для
розрахунку величин:
для кінцевих грат:
- для дистанціонуючих грат
відповідно:
У цих виразах
-
відношення звуженого перетину до повного. Відношення визначається конструкцією
конкретних грат. Величина
для гладкої
труби визначиться по формулі Філоненко:
Для визначення поправки до цієї
величини у зв'язку з обтіканням пучка
стрижнів визначимо величину:
де
і
- крок між
стрижнями діаметром
.
Показник ступеня:
Поправочний коефіцієнт К для
стрижнів в трикутній упаковці:
Таким чином, для пучка
стрижнів коефіцієнт тертя:
При висоті активної зони
і діаметрі
твел
втрата
тиску на тертя:
Втрату тиску на місцевих опорах
розрахуємо для дистанціонуючих грат по середніх параметрах потоку, для кінцевих
- по параметрах в місці звуження:
Величина нівелірної втрати тиску:
Сумарна втрата тиску по зоні:
Таким чином, сумарна втрата
тиску по зоні практично співпала з раніше прийнятим
.
.7 Результати
тепло-гідравлічного розрахунку активної зони
Проведений аналіз показав, що:
- максимальна температура
оболонки твел складає
, тобто
робота оболонки твел у контакті з водою є достатньо надійною;
максимальна температура
пального не перевищує
, тобто не
перевищує температуру плавлення двоокису урану
;
критичне теплове навантаження
навіть на виході з активної зони в центральному струмені в 4,4 рази вище, ніж
максимальне тепловиділення в центральному твелі.
Таким чином, вибраний варіант
задовольняє вимогам по теплотехнічній надійності.
Для нейтронно-фізичного
розрахунку необхідне знання середньої температури пального і температури на
поверхні блоку пального по всьому реактору. Оскільки в проведеному розрахунку
ці значення відомі тільки для самого напруженого твела, їх необхідно
усереднити. Це усереднювання виконаємо таким чином. У кожному перетині
визначається перепад температур між температурою на зовнішній поверхні пального
і температурою теплоносія:
і між температурою в центрі
пального і температурою теплоносія:
Середня температура на
зовнішній поверхні блоку пального і середня температура в центрі пального в
кожному перетині визначається як:
де
- середня
температура теплоносія по реактору в даному перетині. Набуті значення середніх
температур по перетину усереднюються по висоті для всього реактора і
переводяться в градуси Кельвіна:
Дані по середніх температурах
приймаються по попередніх розрахунках, результати яких приведені в таблицях 2.2
- 2.4.
Результати розрахунків
середніх температур на поверхні блоку пального і в центрі приводяться в таблиці
2.5.
Таблиця 2.5.
Перепад температур між зовнішньою поверхнею
блоку і водою
|
Середня температура поверхні блоку
|
Перепад температур між центром пального і
водою
|
Середня температура центру горючого
|
|
   
|
|
|
|
|
|
-1,78
|
64,7
|
336,9
|
122
|
379,4
|
|
-1,1866
|
391,7
|
581,8
|
857,2
|
926,6
|
|
-0,5933
|
573,2
|
722,2
|
1511,5
|
1417,3
|
|
0
|
636,5
|
776,9
|
1731,7
|
1588,2
|
|
0,5933
|
556
|
725,2
|
1491,6
|
1418,3
|
|
1,1866
|
348,65
|
577,6
|
848,65
|
947,9
|
|
1,78
|
61,2
|
367,3
|
122,3
|
412,6
|
З якої виходить:
;
;
3. Нейтронно-фізичний розрахунок
реактора
Метою нейтронно-фізичного розрахунку
реактору є визначення реактивності активної зони реактора з відбивачем; зміна
нуклідного складу зони в процесі роботи; визначення кампанії реактора,
розрахунок ефективності регуляторів і борного регулювання.
.1 Визначення
геометричних характеристик елементарного осередку Зейца-Вігнера
З пункту 2.1 маємо:
- площа пального в твелі
;
площа газового зазору в твелі
;
площа цирконію
;
площа води, що доводиться на
один твел
.
У цілях спрощення розрахунку
приймемо, що центральна трубка в касеті також виконана з цирконію і при
діаметрі 10 мм має товщину стінки 1 мм. Спрямовуючі трубки ПЕЛ і самі ПЕЛ
враховуються при розрахунку регулювання. У зв'язку з малою концентрацією
ванадію в конструкційному матеріалі твел, нехтуватимемо його впливом на ядерні
властивості конструкційного матеріалу. При значному вмісті легуючих добавок їх
облік необхідний.
Частка площі конструкційного
матеріалу центральної трубки, що доводиться на один твел:
Таким чином, сумарна площа
конструкційного матеріалу і газового зазора:
Осередок Зейца-Вігнера є
круглим елементарним осередком, в центрі якого знаходиться блок ядерного
пального, оточений конструкційним матеріалом і сповільнювачем (водою). Осередок
двозонний. Оскільки діаметр паливної таблетки
, то радіус блоку горючого (зони '0'
осередку)
, сумарна
площа всього осередку:
Радіус зони '1' осередку:
Відповідно, площа води і
конструкційного матеріалу з урахуванням газового зазору:
Радіус зони '2' осередку:
.2 Визначення концентрацій різних атомів в
осередку
При паливі з двоокису урану із збагаченням 0,03
густиною 10,4 г/см3 одержимо
молекулярну масу:
Концентрації ядер,
,
і
складуть:
Нехтуючи концентрацією ядер гелію в
газовому зазорі, введемо поняття уявної густини цирконію. При дійсній густині
цирконію 6,44 г/см3, уявна густина:
Концентрація ядер цирконію:
Для води при температурі
, густина
і при
середній температурі теплоносія в реакторі
, густину
по
аналогічних формулах одержимо:
.3 Визначення температури
нейтронного газу
Для знаходження температури
нейтронного газу необхідно визначити макроскопічний перетин поглинання і
розсіяння макроосередку. Макроконстанти обчислюються для «холодного» (
) і
«гарячого» (
) станів
реактору. Значення мікроперетинів беруться для енергій нейтронів
, по таблиці
П 1 /6/.
Макроперетин обчислюється по
формулі:
Середньологарифмічна втрата
енергії при зіткненні нейтрона з ядром визначається як
, де
- атомна
маса ядра.
Цей вираз використовується
для ядер
більшим за
10. Для визначення температури нейтронного газу необхідно знати уповільнюючу здатність
зони ''1'' осередку. Ця здатність для води - основного компоненту зони ''1'' -
приймається при енергії
і складає
при густині води
, тобто для
холодного стану реактора
,
.
Температура нейтронного газу
визначається по виразу:
Середня логарифмічна втрата енергії
нейтрона при першому зіткненні:
Відносна площа, займана зоною
''0'':
Відносна площа, займана водою:
Відносна площа, займана цирконієм:
Результати розрахунку макроперетинів
«гарячого» і «холодного» станів реактора для розрахунку температури нейтронного
газу приведені в таблиці 3.1.
Таблиця 3.1
|
Речовина
|
Мікроперетини Макроперетини
|
|
|
    
|
|
|
|
|
|
|
Холодний реактор Зона "0"
|
|
Уран-235
|
680,9
|
583,4
|
13,8
|
0,4740
|
0,3478
|
0,0096
|
|
Уран-238
|
2,71
|
-
|
8,9
|
0,0610
|
0,04689
|
0,2003
|
|
Кисень
|
-
|
-
|
3,76
|
-
|
-
|
0,1745
|
|
Для всієї зони
|
|
|
|
0,5350
|
0,39469
|
0,3845
|
|
Зона "1"
|
|
Цирконій
|
0,185
|
-
|
6,4
|
0,00684
|
0,00524
|
0,2367
|
|
Вода
|
0,661
|
-
|
-
|
0,02205
|
0,01689
|
2,67
|
|
Гарячий реактор Зона "0"
|
|
Уран-235
|
680,9
|
583,4
|
13,8
|
0,4740
|
0,2268
|
0,0096
|
|
Уран-238
|
2,71
|
-
|
8,9
|
0,0610
|
0,0319
|
0,2003
|
|
Кисень
|
-
|
-
|
3,76
|
-
|
-
|
0,1745
|
|
Для всієї зони
|
|
|
|
0,5350
|
0,2587
|
0,3845
|
|
Зона "1"
|
|
Цирконій
|
0,185
|
-
|
6,4
|
0,00684
|
0,00354
|
0,2367
|
|
Вода
|
0,661
|
-
|
-
|
0,01517
|
0,00786
|
1,805
|
Визначаємо температуру нейтронного
газу по формулі:
Таким чином, для «холодного»
реактора при
маємо:
Відповідно для «гарячого»
реактора при
, маємо:
По температурі нейтронного
газу проводиться усереднювання перетинів поглинання і розподілу нейтронів. По
таблицях П6 /6/ визначаємо поправочні функції, що враховують відхилення
перетинів поглинання і розподілу нуклідів урану від закону
. Для
температури
(холодний
реактор) і для температури
(гарячий реактор) маємо:
Перетини усереднюються по виразу:
Значення макроперетинів,
усереднені по температурі нейтронного газу, також приводяться в таблиці 3.1.
Для подальших розрахунків
необхідні транспортні перетини елементів осередку.
Для води транспортний перетин
визначається по виразу:
,
Таким чином:
для «холодного» реактору:
для «гарячого» реактору:
Транспортний перетин води:
для «холодного» реактору:
для «гарячого» реактору:
Усереднений перетин розподілу для
урану-235:
для «холодного» реактора:
для «гарячого»
реактора:
Макроскопічні транспортні перетини
елементів осередку приведені в таблиці 3.2.
Таблиця 3.2
|
Речовина
|
Мікроскопічний транспортний перетин, барн
|
Концентрація ядер, см-3
|
Макроскопічний транспортний перетин, см-1
|
|
Уран-235
|
8,3
|
6,9622·1020
|
0,005778
|
|
Уран-238
|
8,3
|
2,2511·1022
|
0,1868
|
|
Кисень
|
4,0
|
4,6414·1022
|
0,1856
|
|
Цирконій
|
8,0
|
3,6995·1022
|
0,2959
|
Транспортний перетин зони «0»:
Транспортний перетин зони
«1»:
для «холодного» реактора:
для «гарячого» реактора:
Сумарний перетин для зони «0»
для «холодного» реактора:
для «гарячого» реактора:
Сумарний перетин для зони
«1»:
для «холодного» реактора:
для «гарячого» реактора:
Транспортний перетин всього
осередку:
для «холодного» реактора:
для «гарячого» реактора:
.4 Розрахунок коефіцієнта
розмноження для нескінченного реактора
.4.1 Визначення коефіцієнта
розмноження на швидких нейтронах
Для розрахунку цієї величини
використовуємо експериментальну формулу для тісних грат:
де:
Підставляючи чисельні
значення, одержимо:
Для «холодного» реактора:
Для «гарячого» реактора
відповідно:
У результаті коефіцієнт
розмноження на швидких нейтронах:
для «холодного» реактора:
для «гарячого» реактора:
.4.2 Визначення числа вторинних
швидких нейтронів. Теплова область
Вираз для визначення числа швидких
вторинних нейтронів в тепловій області має вигляд:
Використовуючи набуті раніше
значення мікроскопічних перетинів поглинання і ділення ядер урану і значення
g-фактора, одержимо:
для «холодного» реактора:
для «гарячого» реактора:
Середнє число швидких
нейтронів, що випускаються на один акт захоплення епітеплових нейтронів,
приймається рівним
.
.4.3 Вірогідність уникнення
резонансного захоплення
Середня хорда в сповільнювачі:
;
Найкоротша відстань між
блоками в середніх хордах:
При розрахунку
використовуються константи для 3-й групи 4-групової системи констант. Для
визначення поправки Данкова-Гінзбурга необхідно обчислити повний переріз зони
''1'', що складається з води і цирконію. Приймаючи з достатньо великою точністю
, визначимо
для 3-й групи нейтронів повний переріз для води:
Відповідна величина для
цирконію
.
У зв'язку з різною густиною
води в гарячому і холодному стані величини
для цих станів відрізнятимуться.
Таким чином:
для «холодного» реактора:
для «гарячого» реактора:
Поправка на форму грат:
Для гексагональних грат
.
Таким чином для
«холодного» реактору:
для «гарячого» реактору:
Поправка Данкова-Гінзбурга визначається
за виразом:
Підставляючи чисельні
значення маємо:
для «холодного» реактора:
для «гарячого»
реактора:
Коефіцієнт затінення грат:
;
где:
- фактор Бела;
Для «холодного» реактора:
Для «гарячого»
реактора:
Середня
температура палива:
;
Макроскопічний
перетин
розсіювання
ядер у паливі:
де:
- мікроскопічний перетин потенційного розсіяння,
що становить для нейтронів 3-й групи 3,8 барни для кисню і 8,7 барн для урану;
фактор - ефективність
розсіювача, що становить 0,94 для кисню і 0,2 для ядер урану і
плутонію;концентрація ядер відповідного ізотопу в паливі.
Таким чином:
Середня хорда в паливі
,
,
відношення поверхні блоку палива до маси:
Для ефективного резонансного
інтеграла використовуємо формулу Гуревича-Померанчука:
Підставляючи чисельні
значення, одержимо:
для «холодного» реактора:
для «гарячого» реактора:
Температурна поправка до
ефективного резонансного інтеграла на гарячому реакторі:
Підставляючи чисельні
значення, маємо:
Уповільнююча здатність зони
''1'' при
для води і
для
цирконію складе:
для «холодного» реактора:
для «гарячого» реактора:
Вірогідність уникнення резонансного
захоплення на ядрах урану-238:
Підставляючи чисельні
значення, маємо:
для «холодного» реактора:
для «гарячого» реактора:
По аналогічній формулі
розраховується вірогідність уникнення резонансного захоплення на ядрах
і
. При цьому
істинний резонансний інтеграл для
складає
, для
-
і не
залежить від температури.
Вірогідність уникнення
резонансного захоплення
складає:
для «гарячого» реактора:
Вірогідність уникнення
резонансного захоплення на ядрах цирконію:
для «холодного» реактора:
для «гарячого» реактора:
Сумарна вірогідність
уникнення резонансного захоплення визначається по виразу
і складе:
для «холодного» реактора:
для «гарячого» реактора:
3.4.4 Визначення коефіцієнта
використання теплових нейтронів
Визначимо спочатку допоміжні
величини, необхідні для розрахунку коефіцієнта використовування теплових
нейтронів.
Відношення радіусу зони ''1'' до
радіусу зони ''0'':
Сумарний перетин поглинання
зони "1":
для «холодного» реактора:
- для «гарячого» реактора:
Перетин поглинання води і
цирконію, усереднені по температурі нейтронного газу, прийняті по таблиці 3.1.
Коефіцієнт:
Підставляючи макроскопічні
перетини, обчислені вище, одержимо:
для «холодного» реактора:
- для «гарячого» реактора:
Надмірне поглинання,
обумовлене перевищенням густини нейтронів в сповільнювачі над густиною на
поверхні блоку (зовнішній блок-ефект), визначається по виразу:
для «холодного» реактора:
- для «гарячого» реактора:
Ефективні граничні умови,
залежні від типу грат, враховуються коефіцієнтом
. Для гексагональних
грат:
для «холодного» реактора:
- для «гарячого» реактора:
Поправка на кінетичні ефекти:
Підставляючи чисельні
значення, одержимо:
для «холодного» реактора:
- для «гарячого» реактора:
Для підрахунку внутрішнього
блок ефекту необхідно підрахувати коефіцієнти
,
,
:
Внутрішній блок-ефект
визначається по виразу:
Підстановка чисельних значень
дає:
для «холодного» реактора:
- для «гарячого» реактора:
Відношення числа нейтронів,
поглинених в сповільнювачі, до числа нейтронів, поглинених в паливі,
визначається по виразу:
Підставляючи чисельні
значення, одержимо:
для «холодного» реактора:
- для «гарячого» реактора:
Коефіцієнт теплового
використовування:
Підставляючи чисельні
значення, одержимо:
для «холодного» реактора:
- для «гарячого» реактора:
3.4.5 Визначення коефіцієнта
розмноження нескінченного реактора
Коефіцієнт розмноження нескінченного
реактора на теплових нейтронах визначається по виразу:
для «холодного» реактора:
для «гарячого» реактора:
Коефіцієнт розмноження
нескінченного реактора на надтеплових
нейтронах визначається по виразу:
для «холодного» реактора:
для «гарячого» реактора:
Сумарний коефіцієнт
розмноження нескінченного реактора визначається по виразу:
для «холодного» реактора:
- для «гарячого» реактора:
.5 Визначення ефективного
коефіцієнта розмноження
Квадрат довжини дифузії в двозонних
гратах визначається по виразу:
де:
Підставляючи чисельні
значення, маємо:
по зоні «0»:
для «холодного» реактора:
- для «гарячого» реактора:
по зоні «1»:
для «холодного» реактора:
- для «гарячого» реактора:
У результаті маємо:
для «холодного» реактора:
- для «гарячого» реактора:
Вік нейтронів в уран-водних
гратах визначається по наступній апроксимаційній
формулі:
Підставляючи для «холодного»
реактора
, для
«гарячого» реактора
і маючи у
вигляді
,
і квадрат довжини уповільнення в
чистій воді при температурі
, одержимо:
для «холодного» реактора:
- для «гарячого» реактора:
Геометричний параметр для
циліндричного реактора визначається по виразу:
Підставляючи чисельні
значення, одержимо:
Ефективний коефіцієнт
розмноження для реактора кінцевих розмірів визначається по виразу:
Підставляючи чисельні
значення, одержимо:
для «холодного» реактора:
- для «гарячого» реактора:
.6 Визначення кампанії
реактора
Для визначення кампанії
реактора необхідно побудувати залежність
. У зв'язку з тим, що і в кінці
кампанії реактор повинен володіти позитивною реактивністю, приймемо, що
тривалість кампанії відповідає досягненню реактором величини
. У зв'язку
з тим, що витік нейтронів з реактора постійний, залежність
замінимо
залежністю
. Припустимо
також, що концентрація
практично
не змінюється. Отже, коефіцієнти
і
можна вважати незмінними і
змінюватися будуть тільки
і
. Для
розрахунку задамося декількома значеннями t і безрозмірного часу
.
Результати розрахунку зведемо в таблицю 3.3.
Протягом кампанії реактора в
активній зоні змінюватиметься нуклідний склад: зменшиться зміст ядер
, з'являться
ядра
(появою
ядер плутонію, що містять більшу кількість нейтронів, нехтуватимемо),
утворюватимуться шлаки, ядра
і
. Приймемо, що нейтронний потік в
реакторі не залежить від часу і визначається:
; де
- теплова потужність реактора в
;
- об'єм палива в реакторі в
;
макроскопічний перетин розподілу
в
початковий момент часу.
Після підстановки чисельних
значень маємо:
Величина
. Величина
, усереднена
по температурі нейтронного газу, для «гарячого» реактора визначиться як:
Приймемо 4 значення часу
роботи реактора, для яких розрахуємо нуклідний
склад:
,
,
,
.
Величина для кампанії в
:
Величини
для решти
значень приводяться в таблиці 3.3.
Зміна кількості
в часі
визначається по експоненціальній залежності:
Для першого значення часу
одержимо:
Перетин поглинання урану-235
у цей момент часу:
Для розрахунку кількості
плутонію, що утворився, визначаємо допоміжні значення:
де
Відносна концентрація ядер
плутонію:
Залежність
від
описується
виразом:
Для моменту часу маємо:
Відповідно:
Перетин поглинання плутонію:
Кількість накоплених в
реакторі шлаків визначається як:
Число атомів шлаків через 100
діб роботи реактора в одиниці об'єму:
;
;
Макроскопічний перетин
поглинання шлаків при мікроскопічному перетині поглинання 50 барн:
Рівноважна концентрація ядер
ксенону-135 визначається по виразу:
, де:
- вірогідність виходу при розподілі
ядра
ядра йоду;
- вірогідність виходу ядра ксенону;
;
- середній потік нейтронів в
реакторі;
- постійна радіоактивного розпаду
ксенону;
- перетин поглинання ксенону.
Після підстановки чисельних
значень для першого моменту часу одержимо:
Перетин поглинання ксенону
відповідно складе:
Рівноважна концентрація
самарія визначається по виразу:
Вірогідність виходу при
діленні ядер
ядра
самарія
Усереднений по температурі
нейтронного газу перетин поглинання самарія:
Для
маємо:
Оскільки перетин поглинання
урану-238 не міняється (допущення), сумарний перетин поглинання всієї зони
палива складе:
Для подальших розрахунків
необхідно підрахувати транспортний перетин зони палива і перетин розсіяння цієї
зони. Маючи у вигляді, що перетин розсіяння кисню і урану-238 незмінні і
мікроперетини розсіяння для і плутонію-239 складають 13,8 барн і 7,7 барн
відповідно, одержимо перетин розсіяння всієї зони палива:
Аналогічно підраховуємо
транспортні перетини для зони палива. Мікроперетини для урану-235,
плутонію-239, Ксенону-135 і шлаків складають відповідно 8,3, 9,6, 4,3 і 15
барн. В результаті транспортний перетин зони палива визначається як:
Значення
і
дають
можливість підрахувати коефіцієнти
,
,
, а також внутрішній і зовнішній
блок-ефекти. З достатнім ступенем точності можна вважати, що внутрішній
блок-ефект рівний відношенню нейтронних потоків в конструкційному матеріалі і
паливі, а сума внутрішнього і зовнішнього блок-ефектів - відношенню нейтронних
потоків в сповільнювачі і паливі.
Значення коефіцієнтів
,
,
, і
внутрішнього і зовнішнього блок-ефектів для різних періодів роботи реактора
також приводяться в таблиці 3.3. Слід зазначити, що
і
в різні
моменти роботи реактора дуже мало відрізняються один від одного і тому для прикидочных
розрахунків допустимо використовувати значення,
,
підраховані раніше, тобто в
початковий період роботи реактора, природно для «гарячого» стану.
Таким чином, сумарний перетин
поглинання нейтронів в блоці сповільнювача (у воді) визначиться як:
Оскільки
,
,
, і
для
Сумарний перетин поглинання
нейтронів в конструкційному матеріалі:
Сумарний перетин поглинання
нейтронів у всьому осередку визначиться як сума всіх перетинів поглинання:
Середнє число вторинних швидких
нейтронів, що утворюються при захопленні одного теплового нейтрона ядром
плутонію -239, визначиться по виразу:
Після підстановки чисельних
значень одержимо:
Добуток коефіцієнта
використання теплових нейтронів на число вторинних нейтронів ділення на один
поглинений паливом тепловий нейтрон визначиться як:
У зв'язку зі зміною кількості
ядер
змінюватиметься
вірогідність резонансного захоплення нейтронів цими ядрами. Крім того, в
активній зоні з'являться ядра
, на яких також відбуватиметься
резонансне захоплення нейтронів. Ефективний резонансний інтеграл для
складає
, для
відповідно
.
Вірогідність уникнення резонансного поглинання нейтронів розраховується по
виразу, що приводиться в підрозділі, причому у формулу підставляється та
кількість ядер
і
, яке є в
реакторі у момент часу
.
Розрахунок проводимо для
«гарячого» реактора.
Тоді у момент часу
одержимо:
Вірогідність уникнення
резонансного захоплення для
і
буде незмінною протягом всієї
кампанії. Також не мінятиметься коефіцієнт розмноження на швидких нейтронах
.
Коефіцієнт розмноження
нескінченного реактора на теплових нейтронах визначиться як
для кожного значення t.
Коефіцієнт розмноження на
резонансних нейтронах:
на ядрах
:
:
на ядрах
:
Сумарний коефіцієнт
розмноження нескінченного реактора визначиться як:
Оскільки витік нейтронів в
процесах уповільнення і дифузії протягом всього часу роботи реактора
приймається постійною, те відношення
залишається однаковим. Величина
для кожного
значення
,
визначиться як:
Таблиця 3.3. Визначення
тривалості кампанії реактора
|
Величина
|
Одиниця вимірювання
|
   
|
|
|
|
|
|
Час
|
доба
|
100
|
200
|
300
|
400
|
500
|
|
Час с0,8641,7282,5923,4564,320
|
|
|
|
|
|
|
|
Z
|
-
|
0,16269
|
0,3253
|
0,4848
|
0,6507
|
0,8134
|
|
 5,91685,02844,27343,63173,0864
|
|
|
|
|
|
|
|
 0,19270,16380,13920,11830,1005
|
|
|
|
|
|
|
|
-2,24543,40564,00524,31504,4751
|
|
|
|
|
|
|
|
 0,50540,76660,90160,97131,0074
|
|
|
|
|
|
|
|
 0,066840,10130,11920,12840,1332
|
|
|
|
|
|
|
|
 369738110714761845
|
|
|
|
|
|
|
|
 0,98171,96352,94533,92714,9089
|
|
|
|
|
|
|
|
 4,90899,817914,72619,63524,544
|
|
|
|
|
|
|
|
 3,12072,65212,25391,91551,6279
|
|
|
|
|
|
|
|
 8,48857,21396,13085,21024,4279
|
|
|
|
|
|
|
|
 10,7379,12527,75516,59065,6011
|
|
|
|
|
|
|
|
 2,28191,93931,64811,40061,1903
|
|
|
|
|
|
|
|
 0,30710,31600,31280,30490,2958
|
|
|
|
|
|
|
|
 0,38330,38230,38140,38050,3798
|
|
|
|
|
|
|
|
 0,37920,38020,38120,38220,3832
|
|
|
|
|
|
|
|
-4,24304,25504,26704,27934,2922
|
|
|
|
|
|
|
|
-9,59819,62299,64749,67279,6992
|
|
|
|
|
|
|
|
-4,78384,79524,80644,81804,8301
|
|
|
|
|
|
|
|
-1,03481,03581,03541,03451,0335
|
|
|
|
|
|
|
|
 1,50491,50641,50591,50461,5031
|
|
|
|
|
|
|
|
 1,48901,49051,49001,48871,4872
|
|
|
|
|
|
|
|
 0,32370,33260,32930,32140,3123
|
|
|
|
|
|
|
|
-1,43961,43201,40971,37961,3453
|
|
|
|
|
|
|
|
-0,84870,86990,88830,90420,9180
|
|
|
|
|
|
|
|
Величина
|
Одиниця вимірювання
|
   
|
|
|
|
|
|
-0,98600,97890,97530,97340,9724
|
|
|
|
|
|
|
|
-0,91950,93070,93200,92670,9165
|
|
|
|
|
|
|
|
-0,20400,17420,14900,12750,1090
|
|
|
|
|
|
|
|
-0,016150,025020,029990,032860,03458
|
|
|
|
|
|
|
|
-1,13971,12991,11111,0871,060
|
|
|
|
|
|
|
|
-1,1191,1101,0911,0681,041
|
|
|
|
|
|
|
За наслідками розрахунку
будуємо
графік залежності
для
визначення тривалості кампанії реактора.
По графіку залежності
тривалість кампанії реактора складе »
(реактор
зупиняється досягнувши величини
).
3.7 Розрахунок органів
регулювання
.7.1 Розрахунок поглинаючих
стрижнів
У реакторі в кожній касеті
знаходиться 18 поглинаючих елементів, або кластерів. Діаметр кожного
поглинаючого елементу
.
Поглинаючий стрижень прозорий для швидких нейтронів і є абсолютно чорним для
теплових. Ефективність поглинаючих стрижнів розраховується для «холодного», не
отруєного реактора.
Перш за все, визначається
- ефективний
радіус поглинаючого стрижня:
У свою чергу:
;
. По Таблиця 2 /5/
;
Потім визначаємо ефективність
центрального поглинаючого стрижня по виразу:
;
де
- ефективний радіус активної зони
Підставляючи чисельні
значення, одержимо:
Ефективність всіх поглинаючих
стрижнів без урахування їх інтерференції:
; де:
- число стрижнів, розміщених по
колу радіусом
;
- число кіл в перетині активної
зони, на яких розміщені поглинаючі стрижні.
Приймаємо, що всі поглинаючі
елементи, розміщені в одній касеті, розміщені в її центрі. Оскільки касети
розміщені в активній зоні з кроком (прийнятим по прототипу)
, кількість
концентричних кіл визначимо як :
для розрахунків приймемо
Всі розрахунки за визначенням
компенсуючої здатності поглинаючих стрижнів представимо в таблиці 3.4.
Таблиця 3.4
|
 ,      
|
|
|
|
|
|
|
|
|
0
|
0
|
1
|
18
|
0
|
1
|
1
|
18
|
|
1
|
0,236
|
6
|
108
|
0,3377
|
0,9716
|
0,9441
|
101,97
|
|
2
|
0,472
|
12
|
216
|
0,6754
|
0,8891
|
0,7905
|
170,76
|
|
3
|
0,708
|
18
|
324
|
1,0132
|
0,7593
|
0,5766
|
186,82
|
|
4
|
0,944
|
24
|
432
|
1,3509
|
0,5931
|
0,3518
|
152,01
|
|
5
|
1,416
|
30
|
540
|
1,6887
|
0,4044
|
0,1636
|
88,353
|
1,652
|
36
|
648
|
2,0264
|
0,2086
|
0,0435
|
28,210
|
|
7
|
1,301
|
36
|
648
|
2,3642
|
0,0212
|
0,0004
|
0,2928
|
|
Усього
|
|
|
2934
|
|
|
|
746,424
|
У таблиці 3.4
- функція
Беселя нульового порядку від дійсного аргументу;
;
Сумарна компенсуюча здатність
всіх ПЕЛ:
3.7.2 Розрахунок борного
регулювання
Мета розрахунку - визначення
концентрації борної кислоти у воді «холодного» реактора на початку роботи для
компенсації надмірної реактивності. Приймаємо, що введення борної кислоти
змінює тільки коефіцієнт теплового використовування. Вся решта співмножників
і
залишаються
без зміни. Не міняється також витік нейтронів. В реактор додається борна
кислота
, в якій
приймається природна концентрація ізотопів бору:
ізотопу
бору
, що має
перетин поглинання теплових нейтронів
і
ізотопу бору
з перетином
поглинання
.
Таким чином, атомна маса бору
складає:
а перетин поглинання:
Усереднений мікроперетин
поглинання природного бору по температурі нейтронного газу на холодному
реакторі:
Ефективний коефіцієнт
розмноження «холодного» реактора з введеним розчином бору при запасі
:
Витік нейтронів з «холодного»
реактора визначається коефіцієнтом:
Використовуючи результати
розрахунків, маємо:
Маючи у вигляді, що
одержимо
.
По раніше одержаним
розрахункам
, тоді
.
Оскільки
, то
Позначивши через
поглинання
нейтронів у введеному бору, визначимо з рівняння:
тут
- шкідливе
відносне поглинання нейтронів у воді з бором.
Відносний нейтронний потік в
сповільнювачі рівний сумі внутрішнього і зовнішнього блок-ефектів.
Звідки одержимо:
Кількість ядер бору у
визначиться
як:
Концентрація бору в г/л
визначиться по рівнянню Авогадро:
або
3.8 Результати нейтронно-фізичного
розрахунку активної зони
Протягом кампанії реактора в
активній зоні змінюється нуклідний
склад: зміст ядер урану-235 зменшується, з'являються ядра плутонію-239,
утворюються шлаки, ядра ксенону-135 і самарія-149.
За наслідками розрахунку
був
побудований графік залежності, по якому тривалість кампанії реактора складе »
(реактор
зупиняється досягнувши величини
). При меншому збагаченні палива
тривалість кампанії знижується, при більшому - підвищується.
Ефективність поглинаючих
стрижнів була розрахована для «холодного» неотруєного реактора. В результаті
сумарна компенсуюча здатність всіх ПЕЛ складе:
.
У результаті визначення
концентрації борної кислоти у воді «холодного» реактора на початку роботи для
компенсації надмірної реактивності, було прийнято, що введення борної кислоти
змінює тільки коефіцієнт теплового використання. Вся решта співмножників в
і
залишаються
без зміни. Не змінюється також витік нейтронів. Одержана величина концентрації
борної кислоти склала
, що значно
менше гранично допустимого значення, що становить 7,3-8,5 г борної кислоти на
літр води.
4. Розрахунок теплової схеми енергоблоку
з
ТУ К-1000-60/3000
.1 Опис теплової схеми енергоблоку
АЕС
Технологічна пара II контуру
генерується в парогенераторі, де в економайзерній
ділянці парогенератора живильна вода підігрівається до температури насичення,
після чого у випарній частині парогенератора вода кипить, утворюючи насичену
пару, яка в пароперегрівальній
частині парогенератора стає перегрітою.
Перегріта пара прямує в циліндр
високого тиску турбіни через стопорно-регулюючий клапан. В ЦВТ пар
розширяється, проводить механічну роботу, після чого прямує до сепаратора, де з
нього віддаляється волога і він підсушується. Далі в пароперегрівачі
пар перегрівається. Повторно перегріта пара прямує в циліндр низького тиску,
через стопорно-регулюючий клапан, де розширяється, проводячи механічну роботу.
Сумарна робота циліндрів низького і високого тиску перетвориться
електрогенератором в електроенергію, яка передається споживачу.
Відпрацьований в турбіні пар прямує
в конденсатор, де конденсується і у вигляді основного конденсату (ОК)
конденсатним насосом подається в підігрівачі низького тиску ПНТ-1 і ПНТ-2.
Потім конденсатним насосом подається в підігрівачі низького тиску ПНД-3, ПНД-4
і ПНД-5. Тут основний конденсат підігрівається і з цією температурою подається
в деаератор.
У деаераторі
за рахунок подачі туди гріючої пари з відбору III турбіни проходить подальший
підігрів води, її деаерація і резервне накопичення в баках.
Далі живильна вода подається
живильними насосами і прямує в підігрівачі високого тиску, де підігрівається до
температури tПВ, з якою вона потрапляє
в парогенератор.
Рис. 4. 1
Принципова
теплова
схема
ІІ контуру АЕС
з
реактором ВВЕР-1000
Турбіна призначена для
безпосереднього приводу генератора змінного струму ТВВ-1000-2
для
роботи на АЕС в блоці з водо-водяним
реактором ВВЕР-1000 на насиченій
парі по моноблоковій схемі (блок складається з одного реактора і однієї
турбіни) при номінальній тепловій потужності ядерної паровироблюючої установки
3000 МВт.
Турбіна має 7 нерегульованих
відборів пари, призначених для підігріву живильної води. Турбогенератор
призначений для вироблення електроенергії в тривалому номінальному режимі
роботи при безпосередньому з'єднанні з паровими турбінами.
.2 Опис турбіни К-1000-60/3000
Турбіна К-1000-60/3000 призначена
для безпосереднього приводу генератора змінного струму ТВВ-1000-2УЗ
потужністю 1000 МВт, напругою на виводах 24кВ. Турбіна К-1000-60/3000
призначена для роботи в блоці з реактором ВВЕР.
Турбіна - парова, конденсаційна, без
регульованих відборів пари, з проміжною сепарацією і однократним
одноступінчатим паровим проміжним перегрівом. Паророзподілення турбіни -
дросельного типу, здійснюється чотирма регулюючими клапанами в частині високого
тиску і чотирма регулюючими клапанами в частині низького тиску. Турбіна має
вісім нерегульованих відборів пари, призначених для регенеративного підігріву
основного конденсату і живильної води, живлення привідних турбін живильних
турбонасосних агрегатів, підігріву води в мережних підігрівачах і для
забезпечення власних (технологічних) потреб блоку. Перший, другий, третій і
четвертий відбори виконані з ЦВТ; п'ятий, шостий, сьомий і восьмий відбори - з
ЦНТ.
У місцях виходу роторів з корпусів
циліндрів виконані кінцеві ущільнення. Камери кінцевих ущільнень ЦВТ і ЦНТ з
боку проточної частини сполучені з колектором, що підводить. Пара до колектора
ущільнень подається із зрівняльної парової лінії деаераторів
або від колектора власних потреб. Підведення пари до ЦНТ виконано двостороннім
(трубопровід Dу500 - в нижню частину кола ущільнення пари роторів і
трубопроводів Dу50 - у верхню частину кола ущільнення пари роторів ЦНТ).
Витоки пари через ущільнення штоків
стопорних і регулюючих клапанів ЦВТ відводяться: з першої по ходу пари камери -
в трубопровід підведення пари до колектора ущільнень до регулюючого клапана; з
другої камери - в колектор ущільнень; з третьої камери - в колектор
відсмоктування пари з ущільнень в сальниковий підігрівач.
Ущільнення штоків стопорних і
регулюючих клапанів ЦНТ виконані двокамерними. Відведення витоків з перших по
ходу пари камер ущільнень стопорних і регулюючих клапанів ЦНД виконано в
колектор ущільнень, а з других камер - в колектор відсмоктування пари з
ущільнень до сальникового підігрівача.
Турбіна забезпечена валоповоротним
пристроєм, який призначений для обертання роторів турбоагрегату, при підготовці
до пуску і при охолодженні після зупинки з метою запобігання теплового
прогинання. Підведення масла до ВПП проводиться від системи мастила.
Турбоагрегат має систему
гідростатичного підйому роторів, яка призначена для подачі масла з високим
тиском під шийки роторів на кожному опорному підшипнику з метою забезпечення
"спливання" роторів при їх обертанні ВПУ або при малих оборотах,
тобто за відсутності стійкого масляного клина. Вживання гідропід`єму роторів
дозволяє зменшити потужність приводного електродвигуна ВПУ і понизити знос
бабіту вкладишів підшипників і шийок роторів турбоагрегату.
Власне турбіна призначена для
перетворення теплової енергії пари в механічну енергію обертання роторів.
Турбіна К-1000-60/3000 складається
з:
циліндра високого тиску;
чотирьох циліндрів низького тиску;
дев'яти опорних підшипників і одного
опорно-упорного підшипника;
спеціальної апаратури контролю
механічного стану турбіни;
системи автоматичного регулювання і
захисту.
Циліндр високого тиску розташований
в середній частині турбіни; циліндри низького тиску розташовані симетрично по
обидві сторони ЦВТ (по два ЦНТ з кожної сторони). Hумерація ЦНТ проводиться від
переднього підшипника турбіни (регулятора швидкості) у бік генератора.
Циліндр високого тиску -
двохпотоковий, по п'ять ступенів тиску в кожному потоці; складається із
зовнішнього і внутрішнього корпусів. Внутрішній корпус встановлений в
зовнішньому за допомогою чотирьох лап і фіксується системою поперечних і
вертикальних шпонок, не перешкоджаючих його тепловим розширенням. У
внутрішньому корпусі встановлені діафрагми перших двох ступенів кожного потоку;
діафрагми решти ступенів кріпляться в обоймах, розташованих в розточуваннях
зовнішнього корпусу.
Підведення пари в ЦВТ виконано
бічним, по двох патрубках Dу800, розташованих в нижній половині корпусу
(поодинці з кожної сторони турбіни). З'єднання зовнішніх патрубків підведення
пари до зовнішнього корпусу турбіни здійснюється через фланцеві роз'єми.
З'єднання патрубків підведення пари зовнішнього і внутрішнього корпусів ЦВТ -
телескопічного типу. З'єднання внутрішніх патрубків підведення пари до
внутрішнього корпусу турбіни ущільнені поршневими кільцями.
Зовнішній корпус ЦВТ спирається
чотирма лапами на корпуси
підшипників. Під лапами з боку ЦНТ встановлені поперечні шпонки, які фіксують
переміщення корпусу в осьовому напрямі. Переміщення корпусу ЦВТ при тепловому
розширенні відбувається у бік ЦНТ; при цьому лапи корпусу ЦВТ ковзають у бік
ЦНТ по спеціальних подушках. Фіксація циліндра в поперечному напрямку
забезпечується вертикальними шпонками, розташованими в нижній половині корпусу
ЦВТ.
З ЦВТ організовані наступні відбори
пари:
перший відбір (на ПВТ-7) - з камер
після других ступенів обох потоків;
другий відбір (на ПВТ-6) - з камер
після третіх ступенів обох потоків;
третій відбір (на деаератор
і пікові ПСВ) - з камер після четвертих ступенів обох потоків;
четвертий відбір - (на ПНТ-5).
Всі циліндри низького тиску виконані
конструктивно однаковими - двохпотоковими, по п'ять ступенів тиску в кожному
потоці.
ЦНТ - складається із зовнішнього і
внутрішнього корпусів зварної конструкції. Зовнішній корпус ЦНТ складається з
трьох частин: середньої і двох вихлопних. Вихлопні частини мають осьорадіальний
дифузор, що забезпечує високі аеродинамічні характеристики циліндра. Внутрішній
корпус встановлений в зовнішньому на лапах і фіксується системою подовжніх і
поперечних шпонок, не перешкоджаючих тепловому розширенню внутрішнього корпусу.
Підведення пари в кожний ЦНТ
виконано двома ресіверами Dу1200 (поодинці з кожної сторони турбіни), кожний з
яких потім розгалужується і двома лініями Dу850 приєднується до верхньої і
нижньої половинам середньої частини корпусу ЦНД.
Вихлопні патрубки ЦНТ сполучені з
конденсаторами за допомогою зварки.
Зовнішні корпуси
всіх ЦНТ фіксуються щодо фундаментних рам в подовжньому і поперечному напрямах.
Фікспункт ЦНТ-I розташований на фундаментних рамах ЦНТ-I з боку ЦНТ-2.
Фікспункт ЦНТ-2 розташований на
поперечних фундаментних рамах ЦНТ-2
з боку ЦНТ-I. Фікспункт ЦНТ-3
розташований на поперечних фундаментних рамах ЦНТ-3
з боку ЦНТ-4. Фікспункт ЦНТ-4
розташований на поперечних фундаментних рамах ЦНТ-4
з боку ЦНТ-3.
З ЦНТ організовані наступні відбори
пари:
п'ятий відбір (на ПНТ-4)
- з камер після перших ступенів обох потоків ЦНТ-2;
шостий відбір (на ПНТ-3 і ПСВ I
ступені) - з камер після других ступенів обох потоків ЦНТ-I;
сьомий відбір (на ПНТ-2) - з камер
після третіх ступенів обох потоків ЦНТ-3 і ЦНТ-4;
восьмий відбір (на ПНД-I) - з камер
перед останніми ступенями кожного потоку всіх ЦНД.
У місцях виходу валів роторів із
зовнішніх корпусів ЦНТ розташовані кінцеві ущільнення, призначені для
запобігання підсосу повітря у вакуумну систему турбіни на всіх режимах роботи.
Кінцеве ущільнення є сегментами ущільнень, розташованими в розточуваннях обойм.
Сегменти мають вусики ущільнювачів, які утворюють лабіринт. Радіальні зазори в
кінцевих ущільненнях ЦНТ складають 1.0 м. Опорні підшипники призначені для
сприйняття радіальних навантажень, що виникають від власної ваги ротора, його
неврівноваженості і розцентровки. Опорні підшипники розміщені в шести виносних
опорах, які спираються на масивні чавунні рами, залиті в бетон фундаменту.
.3 Вихідні дані
Тип турбіни К-1000-60/3000
Номінальна електрична потужність,
Nном 940
МВт
Тиск гострої пари перед ТГ, Р0 6,1МПа
Температура гострої пари перед ТГ,
276,7 °С
Ступінь сухості пари, х 0,99
Розділовий тиск, РСПП 0,65 МПа
Температура пари перед СПП,
256 °С
Температура живильної води,
220 °С
Тиск пари в деаераторі, Рд
0,71 МПа
Тиск пари в конденсаторі, Рк 0,0040
МПа
Коефіцієнт корисної дії
hЦВТ 0,83
hЦНТ 0,82
hтурбопривода 0,82
Тиск у відборах турбіни:
Р1,МПа 2,36
МПа
Р2,МПа 1,52
МПа
Р3,МПа 0,96
МПа
Р4,МПа 0,572
МПа
Р5,МПа 0,268
МПа
Р6,МПа 0,132
МПа
Р7,МПа 0,0672
МПа
Р8,МПа 0,01938
МПа
4.4 Визначення параметрів пари
Параметри пари в ЦВТ
Тиск на вході в проточну частину
ЦВТ:
,
де втрати на паровпускних
пристроях приймаються 3%
Ентальпія на вході в проточну
частину:
h0= f (
) = 2769,7
кДж/кг
Ентропія:
Ентальпія на виході
з ЦВТ при
ідеальному процесі розширення пари:
Розташовуваний теплоперепад у ЦВТ:
Використовуваний теплоперепад у ЦВТ:
Ентальпія на виході з ЦВД при
реальному процесі розширення пари:
Відбори в ЦВД:
,
де hi -
ентальпія в i - відборі при реальному процесі розширення пари;
- ентальпія
в i - відборі при ідеальному процесі розширення пари; hЦВД = 0.83 -
внутрішній відносний КПД циліндра.
Температура пари у відборах:
Ступінь сухості у відборах:
Одержані дані зведемо в
таблицю:
Таблиця 4.1.
Параметри пари
у
відборах
ЦВТ
|
Номер
відбору
|
P
, MПa
|
h , кДж/кг
|
х , %
|
t,°C
|
|
1
|
2,36
|
2627,9
|
90,6
|
220,9
|
|
2
|
1,52
|
2564,2
|
88,3
|
198,9
|
|
3
|
0,96
|
2500,7
|
86,4
|
178,1
|
|
4
|
0,572
|
2432,8
|
84,6
|
157
|
Параметри пари в СПП.
Параметри пари на виході із
сепаратора:
приймаємо, що осушка пара
відбувається до ступеня сухості рівного х=0,993;
втрати тиску приймаємо 1,5 % , тоді
тиск на виході із сепаратора складе:
ентальпія пари на виході
сепаратора
;
ентальпія води на виході
сепаратора
температура води й пари на
виході сепаратора
Параметри промперегрівача по
гріючому пару:
Тиск гострої пари: Р0
= 6,1МПа;
Температура гострої пари:
Ентальпія гострої пари:
Ентальпія води на виході:
Втрати тиску на виході з ПП -
1% .
Тиск на виході із сепаратора
:
;
Температура на виході зі СПП
:
Ентальпія на виході з СПП:
Параметри пари в ЦНТ:
Температура на вході:
Тиск перед першим щаблем з
урахуванням втрати тиску в СПП і клапанах - 5,5 %:
.
Ентальпія пари на вході в ЦНТ:
Ентропія ідеального процесу
розширення в ЦНТ
Ентальпія пари на виході зі
ЦНТ при ідеальному процесі розширення пари:
Розташовуваний теплоперепад у ЦНТ:
Використовуваний теплоперепад
у ЦНТ:
де,
= 0,82
внутрішній відносний ККД циліндра
Ентальпія пари на виході зі ЦНТ при
реальному розширенні пари в ЦНТ
Ентальпії відборів ЦНТ:
де hi - ентальпія в i -
відборі при реальному розширенні пари ;
ентальпія в i - відборі при
ідеальному розширенні пари ; hЦНТ = 0.82 - внутрішній відносний ККД циліндра.
Температура пари у відборах:
Ступінь сухості у відборах:
Зведемо параметри пари у
відборах ЦНТ у Таблиця 4.2
Таблиця 4.2 Параметри пари у
відборах ЦНТ
|
Номер відбору
|
Р, МПа
|
h, кДж/кг
|
х,%
|
t , °С
|
|
5
|
0,268
|
2821,4
|
|
177,5
|
|
6
|
0,132
|
2715,8
|
|
121,3
|
|
7
|
0,0672
|
2625,2
|
98,6
|
88,9
|
|
8
|
0,01938
|
2475,5
|
94,4
|
59,4
|
Розширення пари в турбоприводі
живильного насоса.
Тиск перед першим щаблем
турбоприводу з урахуванням втрати тиску в СПП і клапанах - 6 %:
Ентальпія пари на вході в
турбопривід живильного насоса:
Ентропія ідеального процесу
розширення в турбоприводе:
Ентальпія на виході з турбопривода
при реальному розширенні пари:
,
де
- ентальпія
на виході з турбоприводу при ідеальному розширенні пари.
Використаний теплоперепад у
турбоприводе:
Визначення тиску в підігрівниках з
урахуванням втрат у трубопроводах
Приймаємо, що втрати тиску по
відборах розподіляються за таким законом:
де Р = (11-n)/100 - частка втрати
тиску в трубопроводах;
n =1,2,3;... - номер підігрівника по
ходу води.
У результаті розрахунку в
підігрівниках:
Рп1=2,124 МПа; Рп4=0,532 МПа;
Рп7=0,065 МПа;
Рп2=1,383 МПа; Рп5=0,252 МПа;
Рп8=0,019 МПа.
Рп3=0,883 МПа; Рп6=0,125 МПа;
.5 Параметри основного конденсату
Параметри ОК після конденсатора.
Тиск, температура й ентальпія
основного конденсату перед КН 1:
РК = 0,004 МПа
ТК = 28,96 °С
Визначення тиску за КН 1
Розрахунок тиску за КН1 робимо
виходячи з того, що тиск основного конденсату в ПНТ-1 повинен збігатися з
тиском відбору регенеративного підігріву й з огляду на гідравлічний опір
устаткування по ходу конденсату.
РКН1 =РП8 +DРСП+
DРБОУ+
DРРКУ
+DРТР+ DPПНД1
РКН1 = 0,019+0,14+0,4+0,2+0,15+0,1
=1,009 МПа
де: РП8 = 0,019
МПа - тиск у ПНТ-2;
DРСП = 0,14 МПа -
падіння тиску на СП;
DРБОУ = 0,4 МПа -
падіння тиску на БОУ;
DРРКУ = 0,2 МПа -
падіння тиску на регулювальному клапані рівня;
DРТР = 0,15 МПа - опір трубопроводів;
DPПНД1 = 0,1 МПа -
опір ПНТ-1;
Збільшення энтальпии в КН 1
,
де: Кр=1,35- відношення
практичного напору до максимально необхідного,
- питомий обсяг основного конденсату
перед насосом; hКН1
= 0,82 адіабатичний ККД насоса;
Параметри ОК після КН 1
Тиск, ентальпія й температура
основного конденсату після КН 1:
РКН1=1,009 МПа;КН1= hК + DhКН1=121,4
+1,641 = 123,04 кДж/кг;
Параметри ОК після СП і БОУ (перед
ПНТ-1)
Підвищення температури в СП і БОУ -
3 °С
Температура перед ПНТ-1:
Тиск конденсату
на вході в ПНТ-1:
Ентальпія
конденсату на вході:
Параметри ОК після ПНТ-1 (перед
ПНТ-2)
Так як ПНТ-1підігрівник змішуючого
типу, то на виході з нього тиск буде рівним тиску відбору, і вода буде перебувати
на лінії насичення (або ледве недогріта)
Параметри ОК після ПНТ-2 (перед КН
2)
Так як ПНТ-2 підігрівник змішуючого
типу, то на виході з нього тиск буде рівним тиску відбору, і вода буде
перебувати на лінії насичення (або ледве недогріта):
Визначення тиску за КН 2
де РД =0,71 МПа
-
тиск на вході в деаератор;
DРТР = 0,2 МПа - опір
трубопроводів;
DРПНТ =0,1 МПа - опір одного
ПНТ;= 3 - у ПНТ;
геодезичний опір підняття
конденсату в деаератор;
де: r = 1/ VД =
1/0,001109 = 901,9 кг/м3 щільність води;= 20 м - висота підйому деаератора над
КН 2;
Збільшення ентальпії в КН 2
де: Кр=1,35 - відношення
практичного напору до максимально необхідного;
- питомий
обсяг основного конденсату перед насосом; hКН1 = 0,82
адіабатичний ККД насоса.
Параметри ОК після КН 2 (перед ПНТ-3)
Тиск, ентальпія й температура
основного конденсату після КН 2:
РКН2=1,387 МПа
КН2= hПНД2 + DhКН2=
367,7 +2,225 = 369,92 кДж/кг
Параметри ОК після ПНТ-3 (перед
ПНТ-4)
Температура ОК після підігрівника
Як видно із графіка
=3 °С - температурний недогрів основного конденсату,
пов'язаний із втратами.
tS6
= f (Рп6, х = 0)=106,1
°С
- температура дренажу гріючого середовища, тобто 6 відбору.= f (Рп6, х = 0) =
444,7 кДж/кг - ентальпія дренажа гріючого середовища, тобто 6 відбору.
Тиск ОК після ПНТ-3 буде дорівнює
РПНД3 = РКН2 - DРПНД
- DРТР/4= 1,387 - 0,1- 0,2/4 = 1,237
МПа
де DРПНТ
=0,1 МПа - опір одного ПНТ; DРТР = 0,2
МПа - опір трубопроводів.
Ентальпію ОК після ПНТ-3 знайдемо по
тиску й температурі
hПНД3 = f
(РПНД3 ,tПНД3)
=432,85 кДж/кг
Параметри ОК після ПНТ-4 (перед
ПНТ-5)
Температура ОК після підігрівника
Як видно із графіка
=3 °С - температурний недогрев основного конденсату,
пов'язаний із втратами,
h5 = f (Рп5, х = 0) = 536,42
кДж/кг - - ентальпія дренажу гріючого середовища, тобто 5 відбору.
Тиск ОК після ПНТ-4 буде дорівнювати:
де DРПНД =0,1
МПа - опір одного ПНТ; DРТР
= 0,2 МПа - опір трубопроводів;
Ентальпію ОК після ПНТ-4
знайдемо по тиску й температурі
hПНД4 = f
(РПНД4 ,tПНД4)
=524,231 кДж/кг
Параметри ОК після ПНТ-5 (перед
крапкою змішання)
Температура ОК після підігрівника
Як видно із графіка
- температурний
недогрів основного конденсату, пов'язаний із втратами.
tS4 =
f (Рп4, х = 0) =154,2 °С
- температура дренажу гріючого середовища, тобто 4 відбору,= f (Рп4, х = 0) =
650,35 кДж/кг - ентальпія дренажу гріючого середовища, тобто 4 відбору.
Давление ОК після ПНТ-5 буде
дорівнювати
де DРПНТ =0,1 МПа
- опір одного ПНТ; DРТР
= 0,2 МПа - опір трубопроводів;
Ентальпію ОК після ПНТ-4 знайдемо по
тиску й температурі
hПНД5 = f
(РПНД5 ,tПНД5)
=637,644 кДж/кг
.6 Параметри живильної води
Визначення параметрів живильної води
за ЖН
Тиск після деаератора буде приблизно
таким же, як і в деаераторі
РД = 0,71 МПа;
З умов деаерації вода на виході з
деаератора буде на лінії насичення, тобто ентальпія й температура будуть рівні:
Д = f (РД, х=0) = 699,644 кДж/кг
tД = f (РД, х=0) =
165,5 °С
Ентальпія випару деаератора:
”Д = f (РД, х=1) = 2763,347 кДж/кг
Тиск за живильним насосом
РЖН
=Р0+ DРПГ+
DРПАР+
DРПИТ+
2DРПВД+
DРРКП
де тиск гострої пари Р0
= 6,1 МПа,
гідравлічний опір парогенератора DРПГ
= 1,076 МПа;
гідравлічний опір паропроводу DРПАР
= (0,03¸0,08)
Р0 = 0,05•6,1=0,305 МПа
гідравлічний опір живильного
трубопроводу DРЖИТ =0,29 МПа
гідравлічний опір ПВТ DРПВТ
=0,2 МПа
гідравлічний опір регулювального
клапана живлення ПГ DРРКЖ =0,98 МПа.
РПН = 6,1+
1,076+0,305+0,29+2• 0,2+0,98=9,151 МПа
Збільшення ентальпії в ЖН.
Dhжн =Кр• (( РПН -РД)• VД• 103)
/ hЖН
Dhжн =1,35• ((9,151-0,71)
•0,001109• 103) / 0,82 = 15,407 кДж/кг
де Кр=1,35 - відношення практичного
напору до максимально необхідного,
VД = f (PД ,X=0)= 0,001109 - питомий
обсяг води в деаераторі; hЖН =0,82 -
адіабатичний ККД насоса
Параметри живильної води після ЖН:
жн = hД +Dhжн
= 699,644 + 15,407 = 715,051 кДж/кг
РЖН = 9,151 МПа
tЖН
= f
(РЖН , hЖН)
= 167,9 °С;
Параметри після крапки змішання
(перед деаератором)
Приймаємо,
що
температура у точці
змішання збільшується
на 1°С
t’ПНТ5=
tПНТ5+
1=151,2+1=152,2 °С’ ПНТ5 = f (Р ПНТ5 , tПНТ5)
= 641,927 кДж/кг
Р’ ПНТ5 = 0,937 МПа
Параметри живильної води після ПВТ-6
(перед ПВТ-7)
Температура живильної води після
підігрівника
Як видно із графіка
где: D t =2¸5 °С °С
- температурний
недогрів живильної води, пов'язаний із втратами тепла, D t =4 °С
t S2 = f
(Рп2, х = 0)=194,5 °С - -
температура насичення гріючого середовища, тобто 2 відбору.
t
ПВД6= t S2
- D t =
194,5 - 4 = 190,5 °С
В підігрівник високого тиску
убудований охолоджувач дренажу, і дренаж на виході із ПВД буде мати параметри:
температура t
Д2 = t
ЖН + D t
ОХ.ДР. = 167,9 +9,5 = 177,4 °С
де D t
ОХ.ДР.=
(9 ¸10)
°С
- недоохолодження дренажу в охолоджувачі,
D
t ОХ.ДР=9,5°СД2=
f (Рп2 , t
Д2)
= 752,268 кДж/кг - ентальпія дренажу
гріючого середовища, тобто
2 відбору.
Тиск живильної води після ПВТ-6
дорівнює:
РПВД6 = РЖН
- DРПВД
- DРЖИВ/3
= 9,151 - 0,2- 0,29/3 = 8,854 МПа
де: DРПВД =0,2 МПа - орір
одного ПВТ
DРЖИВ
=0,29 МПа - гидравлічний
опір
живильного
трубопроводу
Ентальпія живильної води після ПВТ-6
знайдемо по тиску й температурі:
ПВТ6 = f
(РПВТ6 , t
ПВТ6) = 813,251 кДж/кг
t
ПВТ6=
190,5 °С
РПВТ6
= 8,854 МПа
Параметри живильної води після ПВТ-7
(перед парогенератором)
Температура живильної води після
підігрівника:
Як видно із графіка
де DТ=2¸5
°С
- температурний недогрІв живильної води, пов'язаний із втратами тепла, D
t =4 °С
t S1 = f (Рп1, х =
0)=215,5 °С - температура
насичення гріючого середовища, тобто 1 відбору.
t
ПВД7= t
S1 - D t
= 215,5 - 4 = 211,5 °С
В підігрівник високого тиску
убудований охолоджувач дренажу, і дренаж на виході із ПВТ буде мати параметри:
температура В підігрівник високого
тиску убудований охолоджувач дренажу, і дренаж на виході із ПВТ буде мати
параметри:
температура ТД1 = ТПВТ6 + DТОХ.ДР.
= 190 + 10 = 200 °С;
де D
t ОХ.ДР. = (9 ¸10)
°С
- недоохолодження дренажу в охолоджувачі,
D t
ОХ.ДР. =9,5 °С
hД1= f
(Рп1 , t
Д1) = 711,1 кДж/кг - ентальпія дренажу гріючого середовища, тобто 1 відбору.
Тиск живильної води після ПВТ-7 буде
дорівнює
РПВТ7 = РЖН - 2• DРПВТ
- 2• DРЖИТ/3 = 9,151
- 2• 0,2- 2• 0,29/3 = 8,558 МПа
де: DРПВТ=0,2
МПа - опір одного ПВТ
DРЖИТ =0,29 МПа - гідравлічний
опір живильного трубопроводу
Ентальпію живильної води після ПВТ-7
знайдемо по тиску й температурі
ПВТ7 = f (РПВТ7 , t
ПВТ7) = 906,617 кДж/кг
t
ПВТ7
= 211,5 °С
РПВТ7
= 8,558 МПа
Параметри дренажу в крапці змішання жив. води із
дренажом промперегрівача:
Дренаж гріючої пари промперегрівача через насос
подається в трубопровід живильної води, тобто насос повинен забезпечити тиск
дренажу ледве більше ніж у живильної. води (будемо вважати, що такий же).
РН1 = РЖН - 2• DРПВТ-
2• DРЖИТ / 3 = 9,151
- 2• 0,2 - 2• 0,29/3 = 8,558 МПа
де РЖН =9,151 МПа - тиск створюваний
жив. насосом;
DРПВТ= 0,2 МПа - гідравлічний
опір одного ПВТ
DРЖИТ = 0,29 МПа гідравлічний
опір жив. трубопроводу.
Параметри дренажу перед насосом:
Втрати тиску у промперегрівачі й
воді приймаємо 3%, тоді
РВХ = Р0 • 0,97 = 6,1• 0,97= 5,917 МПа
Ентальпія дренажу перед насосом така
ж, як і на виході із ПП.
hВХ = h’0
= 1219,321 кДж/кг
Збільшення ентальпії в насосі:
D hН1= (Кр • (РН1 - РВХ)• V• 103) / hН1
DhН1 =(1,35• (8,558- 5,917) • 0,001323 • 103) /
0,82=5,68 кДж/кг
де Кр=1,35-відношення практичного напору до
максимально необхідного.
V = f (PВХ,hВХ)=0,001323 м3/кг -
питомий обсяг дренажу перед насосом;
Тоді ентальпія дренажу на виході з
насоса
Н1 = hВХ + D
hН1 = 1219,32 + 5,68 = 1225 кДж/кг
4.7 Визначення
витрат робочого тіла по елементах схеми турбоустановки
Для визначення витрат пари у
відборах турбіни необхідно скласти систему рівнянь кількістю рівним числу
теплоустаткування: 2 ПВТ, деаератор, сепаратор, промперегрівач і 1 ПНТ.
Приймаємо відносну витрату пари на
турбоустановку α 0=1
тоді витрата живильної води складе α ПВ=
α
0+ α УТ+ α
ПРОД,
де втрати робочого тіла на продувку 2% і витоку 0,5% від витрати на
турбоустановку:
α УТ+
α
ПРОД
= 0,025 • α 0
α ПВ=
α
0+ 0,025 • α 0= 1,025
Позначимо Y - витрату через (на
виході) ЦВТ і складемо систему рівнянь.
Сепаратор:
ЦВТ =2449,2 кДж/кг
h’СЕП = 681,607 кДж/кг; h”СЕП
=2744,405 кДж/кг
Складемо баланс:
• hЦВТ = α СЕП
• h’СЕП +(Y- α
СЕП)•
h”СЕП;
Де витрата отсепарированной
води дорівнює:
α СЕП =Y •
(hЦВТ - h”СЕП)/ (h’СЕП - h”СЕП);
α
СЕП =Y • (2449,2 -2744,405) / (681,607 - 2744,405) = 0,143115 • Y
α
СЕП = 0,143115 • Y
Промперегрівач
0 =2769,7 кДж/кг; h’0
=1219,321 кДж/кг;
h”СЕП =2744,405
кДж/кг; hПП
=2969,116 кДж/кг
Складемо баланс:
(Y - α СЕП)
• (hПП - h”СЕП)= α 01 • (h0 - h’0);
Де витрата граючої пари, (свіжої
пари) складе:
α 01 =(Y - α СЕП)
• (hПП - h”СЕП) / (h0 - h’0);
α 01 =(Y
- 0,143115 • Y) • (2969,116 -
2744,405) / (2769,7 - 1219,321) =
=0,12434 • Y
α 01 =0,12434 • Y
ПВТ-7:
h1 = 2627,86
кДж/кг; hД1 =
711,099 кДж/кг;
h ПВД7 =
906,617 кДж/кг; h
ПВД6 = 813,251 кДж/кг;
h ПВД7= 0,999 - (i - 1) • 0,001
=0,999 - (7 - 1) • 0,001=
0,993 -
ККД
регенеративного підігрівача, де i - номер
підігрівника по ходу води.
Складемо баланс:
(α ПВ - α
01) • (hПВТ7
- hПВТ6)= α
1 •(h1 - hД1)
• h ;
Де витрата 1 відбору для
регенеративного підігріву дорівнює:
α 1 = (α ПВ -
α
01) • (hПВТ7
- hПВТ6) / (h1 - hД1) • h;
α 1 = (1,025 -
0,12434 • Y) •
(906,617 - 813,251) / (2627,86 - 711,099) • 0,993
α 1 = 0,05028 - 0,006099 • Y
ПВТ-6:
h2 = 2564,195
кДж/кг; hД2
= 752,268 кДж/кг;
hД1 = 711,099
кДж/кг; h
ЖН =715,051 кДж/кг; h
ПВТ6 = 813,251 кДж/кг;
h ПВТ6=
0,999 - (i - 1) • 0,001 =0,999 - (6
- 1) • 0,001= 0,994 - ККД
регенеративного підігрівника, де i -
номер підігрівника по ходу води.
Складемо баланс:
(α ЖВ
- α 01) • (hПВТ6
- hЖН) = α 1 •(hД1
- hД2) • h + α 2 •(h2 - hД2)
• h;
Де витрата 2 відбору для
регенеративного підігріву дорівнює:
α 2 =
(α
ЖВ
- α 0) • (hПВТ6 - hЖН)
- α 1 •(hД1 - hД2) • h
/((h2 - hД2) • h);
α 2 =
(1,025-0,121434 • Y)
• (813,251-711,099) - (0,05028 - 0,006099 • Y) • (711,099 - 752,268) /(2564,195
- 752,268) •0,994
α 2 = 0,05703 -
0,00691 • Y
Деаератор
h3 =2500,7 кДж/кг; hД2
= 752,268 кДж/кг;
hД = 699,644 кДж/кг;
h’ПНД5=
641,927 кДж/кг; h”Д
= 2763,347 кДж/кг
Витрата випару дорівнює 5% витрати
живильної води, тобто:
α ВИП
= (α
ПВ
- α
0) •
0,05
Витрата основного конденсату
дорівнює:
α ОК
= α ЖВ +
α ВИП - α
01 - α 1 - α 2 - α 3;
Складемо баланс:
(α ПВ-
α
01) • hД + α
ВИП•
h”Д = (α 1 + α 2) • hД2
+ α 3 • h3 + α ОК
• h’ПНТ5;
Спростимо й знайдемо витрату з 3
відбору:
(α ЖВ-
α
01) •(hД + 0,05• h”Д)= (α
1 + α 2) • hД2 + α
3 • h3 + (α ЖВ - α
01 + α ВИП - α
1 -
- α 2 - α 3) • h’ПНТ5;
(α ЖВ-
α
01) •(hД+0,05• h”Д)= (α
1+ α 2) • hД2 + α
3• h3 +(α ЖВ- α
01) •(h’ПНТ5+0,05• h’ПНТ5)-
-( α 1+ α 2) •h’ПНТ5
- α 3• h’ПНТ5;
(α ЖВ
- α 01) • (hД
+ 0,05 • h”Д - h’ПНТ5 - 0,05 • h’ПНТ5) - (α
1 + α 2) • (hД2 - h’ПНТ5) = α
3• (h3 - h’ПНТ5);
α 3 = (α ЖВ
- α 0) • (hД + 0,05 •
h”Д - h’ПНТ5 - 0,05 • h’ПНТ5) - (α 1 + α 2) •
(hД2 -h’ПНТ5)/ h3 - h’ПНТ5
α 3 = ((1,025 - 0,12434 Y) •
(699,644 +0,05 • 2763,347 - 641,927 - 0,05 •
641,927) -
(0,05028 - 0,006099 • Y + 0,05703 -
0,00691 • Y) (752,268 -641,927)) / (2500,7 - 641,927)
α 3 = 0,115097 - 0,0859 • Y
ПНТ-5
h4 = 2432,8 кДж/кг; h’4
= 650,348 кДж/кг;
h ПНД5 = 637,644
кДж/кг; h
ПНД4 = 524,231 кДж/кг;
h ПВД5
= 0,999 - ( i - 1) • 0,001 =0,999 - (5 - 1) • 0,001= 0,995
ККД регенеративного підігрівника, де
i - номер підігрівника по ходу води. Витрата основного конденсату дорівнює:
α ОК
= α ЖВ +
α ВИП - α
01 - α 1 - α 2 - α 3;
Складемо баланс:
(α
ОК
- α 4 - α СЕП)
• (hПНТ5 - hПНТ4) = α 4 •(h4 - h4) • h;
(α ЖВ
+
α ВИП - α
01 - α 1 - α 2 - α 3 - α 4 - α СЕП)
• (hПНТ5 - hПНТ4) = α 4 •(h4 - h4) • h;
(α ЖВ+
α
ВИП
- α 01 - α 1 - α 2 - α 3 - α СЕП)•
(hПНТ5 - hПНТ4)= α 4 •(h4 • h-
h4• h+ +hПНТ5 -hПНТ4);
(α ЖВ
+ α ВИП - α
01 - α 1 - α 2 - α 3 - α СЕП)•
(637,644 - 524,231) = α
4• (2432,8 • h - 650,348 • h
+ 637,644 - 524,231);
((α ЖВ
- α 01 + α ВИП
- α 1 - α 2 - α 3 - α СЕП)
• 113,413= α 4 • 1875,84;
(1,025 - 0,12434Y + 0,00125 - 0,05028
- 0,006099 • Y - 0,05703 - 0,00691 • Y -0,115097
- 0,0859 • Y - 0,143115 • Y) • 113,413 = α 4 • 1875,84;
Де витрата 4 відбору для
регенеративного підігріву дорівнює:
α 4 = 0,051622 -
0,001912 • Y
Рівняння матеріального балансу
Рівняння матеріального балансу: α
0 = α 01 + α 1 + α 2 + α 3 + α 4 +Y;
де всі члени рівняння виведені вище
й рівні:
α 0=1 α
01 =0,12434 • Y
α 1 = 0,05028 - 0,006099 • Y
α
2 = 0,05703 - 0,00691 • Y
α 3 = 0,115097 - 0,0859 • Y
α
4 = 0,051622 - 0,001912 • Y
Підставивши всі значення, знайдемо Y
,а потім і всі значення відборів.
1 = 0,12434 • Y +
0,05028 - 0,006099 • Y + 0,05703 - 0,00691 • Y +
+ 0,115097 - 0,0859 •
Y
+ 0,051622 - 0,001912 • Y + Y;= 0,80738
Для зручності витрати зведемо в
Таблиця 4.3:
Таблиця 4.3 Витрати робочого тіла по
елементах схеми турбоустановки
|
Назва елементу
|
Рівняння (позначення)
|
Значення
|
|
Жив. Вода
|
α ЖВ
|
1,025
|
|
На турбоустановку
|
α 0
|
1
|
|
Сепарат
|
α
СЕП
= 0,143115 • Y
|
0,116
|
|
На промперегрів
|
α
01 = 0,12434 • Y
|
0,1004
|
|
1 відбір
|
α
1 = 0,05028
- 0,006099 • Y
|
0,045
|
|
2 відбір
|
α
2 = 0,05703
- 0,00691 • Y
|
0,051
|
|
3 відбір на деаератор
|
α
3 = 0,115097
- 0,0859 • Y
|
0,046
|
|
4 відбір на ПНТ-5
|
α
4 = 0,051622 - 0,001912 • Y
|
0,050
|
|
Вихід
із ЦВТ
|
Y
|
0,80738
|
|
Випар деаератора
|
α ВИП = (α ЖВ-
α
01) • 0,05
|
0,046
|
|
Осн. конденсат
|
α ОК = α ЖВ
+
α ВИП
- α
01 - α 1 - α 2 - α 3
|
0,713
|
Витрата пари на турбопривід
живильного насоса.
Потужність насоса:
ПН =(α
ЖВ
- α01) • DhжН
/hНАС;
де hНАС
= 0,98 ККД живильного насоса.
Потужність турбопривода:
ТП = NЖН / hТП;
де hТП
= 0,8 ККД турбопривода живильного насоса.
ТП = (α
ЖВ
- α01) • DhПН
/(hНАС• hТП);ТП
= αТП • HТП
де HТП - використаний теплоперепад
турбопривода.
αТП
=NТП / HТП;
αТП
= (α ЖВ - α01)
• DhЖН /(hНАС•
hТП
• HТП);
αТП = (1,025 -
0,1004) • 15,407 / (0,98 • 0,8 • 656,9) = 0,030072
αТП = 0,027
ПНТ-4:
h5=2821,356 кДж/кг; h’5
= 536,426 кДж/кг;
hПНД4 = 524,231
кДж/кг; hПНД3
= 432,847 кДж/кг;
h = 0,999 - (i - 1) • 0,001 =0,999 - (4 - 1) •
0,001= 0,996 - ККД регенеративного підігрівача, де
i - номер підігрівача по ходу води.
Відносна витрата основного
конденсату дорівнює через ПНТ:
αОК
- α4 - αСЕП
= 0,713-
0,050- 0,116=0,547
Складемо баланс:
(αОК
- α4 - αСЕП)
• (hПНТ4 - hПНТ3) = α5 •(h5 - h5) • h;
Де витрата 5 відбору для
регенеративного підігріву дорівнює:
α5 =0,547• (524,231
- 432,847) / ((2821,356 - 536,426) • 0,996)
α5 =0,026502
ПНТ-3
h6 = 2715,848
кДж/кг; h’6
= 444,688 кДж/кг;
h’5 = 536,426
кДж/кг; hПНД3
= 432,847 кДж/кг; hКН2
= 369,929 кДж/кг;
h = 0,999 - (i - 1) 0,001 =0,999 - (3 - 1) 0,001=
0,997 - ККД регенеративного підігрівача, де i - номер
підігрівача по ходу води.
Відносна витрата основного
конденсату дорівнює через ПНТ 3:
α ОК
- α 4 - α СЕП
= 0,713-
0,050- 0,116=0,547
Складемо баланс:
(α ОК
- α 4 - α СЕП)
• (hПНТ3 - hКН2) = α 6 •(h6
- h6) • h+ α 5 •(h5 - h6) • h;
Де витрата 6 відбору для
регенеративного підігріву дорівнює:
α 6 =(0,547• (432,847-369,929)- 0,02612•
(536,426-444,688) •0,997)/((2715,848-444,688) •0,997)
α 6 = 0,01728
ПНТ-2:
ПНД1=245,824 кДж/кг; h’6
= 444,688 кДж/кг;
h7 = 2625,216
кДж/кг; hПНД2
= 367,704 кДж/кг;
Відносна витрата основного
конденсату дорівнює через ПНТ:
α ОК
- α 4 - α СЕП
= =
0,713- 0,050- 0,116=0,547
Відносна витрата дренажу із ПНТ-3:
α 5 + α
6 = 0,02612+ 0,01728=0,0434
Складемо баланс:
(α ОК
- α 4 - α СЕП)•
hПНТ2 =(α 6+ α 5) • h6 + (α ОК-
α
4- α СЕП- α
7- α 6- α 5) •hПНТ1 +α
7• h7;
(α ОК
- α 4 - α СЕП)•
(hПНТ2 - hПНТ1)=(α 6+ α 5) • (h6 -hПНТ1)
+ α 7• (h7- hПНТ1);
Де відносна витрата 7 відбору для
регенеративного підігріву дорівнює:
α 7 =(0,547 • (367,704 - 245,824)
- 0,0434• (444,688 -
245,824))
/ (2625,216 - 245,824)
α 7 =0,03028
ПНТ-1
hПНД1=245,82 кДж/кг; h8 = 2475,509 кДж/кг;БОУ =
134,77 кДж/кг;
Витрата основного конденсату
дорівнює через ПНТ:
αОК - α4
- αСЕП
- α7
- α6
- α5
=0,713- 0,050- 0,116- 0,03028- 0,01728- 0,026502
αОК
- α4 - αСЕП
- α 7 - α 6 - α 5 =0,47293
Складемо баланс:
(αОК
- α4 - αСЕП
- α7 - α6 - α5) •hПНТ1
= α8 • h8 +(αОК
- α4 - αСЕП
- α8 - α7 - α6 - α5) •hБОУ;
(αОК
- α4 - αСЕП
- α7 - α6 - α5) •(hПНТ1
- hБОУ )= α8• (h8 - hБОУ
);
Де витрата 8 відбору для
регенеративного підігріву дорівнює:
α8 = 0,47293•
(245,82 - 134,77) / (2475,509 - 134,77)
α8 = 0,02243
Визначення витрати пари на турбоустановку:
Внутрішня потужність турбіни
визначається по формулі:
= G •Dh,
де G - витрата пари на турбіну; Dh -
спрацьовуємий у турбіні теплоперепад.
Щоб урахувати відбори, розіб'ємо
турбіну на відсіки, у яких витрата буде постійною, тобто знайдемо потужність
відсіку турбіни між відборами, тоді:
де Gi - витрата пари у відбір
турбіни;
Dhi - спрацьовуємий теплоперепад у
турбіні від i-го до i+1-го відбору.
Тому що a i = Gi /
G0, значить Gi = ai G0
Звідси витрата пари на
турбоустановку
Складемо
Таблиця 4.4 для знаходження сумарної потужності всіх відсіків.
Таблиця 4.4 Знаходження сумарної
потужності всіх відсіків.
|
Відносна витрата пари через відсік, aвідсіку
|
Теплоперепад відсіку hОТС, , кДж/кг
|
Відносна потужність відсіку NОТС, кВт/кг
|
|
aОТС1
= a0
- a01
= =1 - 0,1004 = 0,8996
|
h0 - h1 = 2769,7 -2627,86 =
141,84
|
127,599
|
|
a
ОТС 2 = a
ОТС 1 - a1
= = 0,8996- 0,045 = = 0,8546
|
h1 - h2 = 2627,86 -2564,195 =
63,67
|
54,412
|
|
a
ОТС 3 = a
ОТС 2 - a2
= =0,8546- 0,051 = = 0,8036
|
h2 - h3 = 2564,195 - 2500,7 =
63,5
|
51,028
|
|
a
ОТС 4 = a
ОТС 3 - a3
= =0,8036 -0,046 = = 0,7576
|
h 3 - h4 = 2500,7-2432,8 = 67,9
|
51,441
|
|
a
ОТС 5 = a
ОТС 4 - a4
- aСЕП
- - aТП
= 0,7576 - 0,050 -0,116 - 0,027 = 0,5646
|
h0ЦНД - h5 = 2969,1 -2821,4 = 147,7
|
83,391
|
|
a
ОТС 6 = a
ОТС 5 - a5
= 0,5646- 0,026502=
0,53809
|
h5 - h6 = 2821,4 - 2715,8 = 105,6
|
56,822
|
|
a
ОТС 7 = a
ОТС 6 - a6
= = 0,53809- 0,01728=
= 0,52081
|
h6 - h7 = 2715,8 -2625,2 = 90,6
|
47,185
|
|
a
ОТС 8 = a
ОТС 7 - a7
= = 0,52081-0,03028=
= 0,49053
|
h7 - h8 = 2625,2 - 2475,5 = 149,7
|
73,432
|
|
a
ОТС 9 = a
ОТС 8 - a8
= = 0,49053 - 0,02243=
= 0,468108
|
h 8 - hК = 2475,5 - 2311,6= 163,9
|
76,722
|
|
Сумарна
потужність всіх відсіків склала
|
SNi
= 614,547
|
КВт/кг
|
Потужність на клемах генератора:
де hГ
=0.988-ККД генератора; hМ =0.99-механічний
ККД ТГ.
Витрата пари на турбоустановку:
.8 Витрата електроенергії на привід
насосів
Потужність конденсатного насоса
першого підйому (КН 1):
КН1 =(DhКН1
• ДКН1) / h
де: витрата конденсату через насос
ДКН1 = G0• aКН1
aКН1 = aОК
- a4 - aСЕП
- a8 - a7
- a6 - a5
= 0,713-
0,050- 0,116-0,02243- 0,03028- 0,01728- 0,026502= 0,4505
ДКН1 = 1544,98•
0,4505 = 696,013 кг/с
ККД насосної установки h
= 0,86;
Збільшення ентальпії в насосі DhКН1
= 1,641
кДж/кг
NКН1 = (1,641 • 696,013) / 0,86 = 1328,09 кВтКН1
= 1,328 МВт
Потужність конденсатного насоса
другого підйому (КН 2):
КН2 =(DhКН2
• ДКН2) / h
де: витрата конденсату через насос
ДКН2 = G0• aКН2;
aКН1 = aОК
- a4 - aСЕП
= 0,713-
0,050- 0,116= 0,547
ДКН2 = 1544,98• 0,547= 845,1 кг/с
ККД насосної установки h
= 0,86;
Збільшення ентальпії в насосі DhКН2
= 2,225
кДж/кгКН2 = (2,225• 845,1) / 0,86 = 2186,46 кВтКН2 = 2,186 МВт
Потужність насоса дренажу
промперегрівача (Н1):
Н1 =(DhН1
• Д01) / h
де: витрата через насос Д01 = G0• a01
= 1544,98•
0,1004
=
155,115 кг/с
ККД насосної установки h
= 0,86;
Збільшення ентальпії в насосі DhН1
= 5,68
кДж/кгН1 = (5,68 • 155,115) / 0,86 = 881,058 кВтН1 = 0,881 МВт
Сумарна витрата електроенергії на
приводи насосів:
SН =NКН1+NКН2+NН1;SН =1,328 +
2,186 +0,881 = 4,396 МВт
.9 Показники теплової економічності
Ентальпія й температура живильної
води після крапки змішання із дренажом промперегрівача:
t
ПВ
= 220 °С;
РПВД7 = 8,558 МПаПВ = f (РПВД7 , t
ПВ)
= 945,4 кДж/кг
Повна витрата теплоти на
турбоустановку:
ТУ = G0• h0 + ДПР • hПР - GЖВ • hЖВ
=G0 • (h0 + aПР • hПР - aЖВ
• hЖВ)
Де aПР
= 0,02-відносна витрата продувки парогенератора.
hПР = f (РПГ, х = 0) = 1292 кДж/кг -
ентальпія продувки ПГ.
Тиск за живильним насосом
РПГ = Р0 + DРПГ
+ DРПАР= 6,1 + 1,076
+ 0,305 = 7,481 МПа
де тиск гострої пари Р0 = 6,1 МПа;
гідравлічний опір парогенератора DРПГ
= 1,076 МПа;
гідравлічний опір паропроводу:
DРПАР = (0,03 ¸ 0,08) • Р0
=0,05•6,1= 0,305 МПаТУ = 1544,98• (2769,7 + 0,02 • 1292 - 1,025 • 945,4) =
2821913,7 кВтТУ =2821,9 МВт
Питома витрата теплоти брутто на
виробництво електроенергії:
q = QТУ / NЭ = 2821,9 / 940 = 3,002 кВт/кВт
Електричний КПД брутто:
hБРУТТО = NЭ
/ QТУ
= 1 / q
= (1 / 3,002) •100% =33,3 %
Електричний ККД нетто:
hНЕТТО = (NЭ - NSН) / QТУ =
((940 - 4,396) / 2821,9)•100% = 33,15 %
При розрахунку теплової схеми були
визначені параметри потоків через всі елементи схеми і визначена витрата пари
на турбіну по заданій електричній потужності. В розрахунку були визначені теплоперепади
і витрати для кожного відбору. Витрата пари на турбоустановку
склала 1544,98 кг/с.
На основі одержаних параметрів був
розрахований ККД теплової схеми, що становить - 33,15 %.
5. Вплив нейтронного випромінювання
на матеріал оболонки ТВЕЛ
Відомо, що на поверхні оболонки
ТВЕЛів, поміщених у воду, утвориться плівка діоксиду цирконію, і порушення цієї
плівки веде до виникнення мікротріщин на поверхні сплавів, що при своєму
розвитку призводять до виникнення макротріщин і, в остаточному підсумку, до
розгерметизації ТВЕЛів. Особливу складність при розрахунку
ресурсу оболонки ТВЕЛ
представляє облік спільного впливу корозії і нейтронного випромінювання на
плівку, що сформувалася, на поверхні
цирконію. Діоксид цирконію
являє собою моноклінний матеріал, однак у процесі нейтронного опромінення в
ньому може відбуватися фазове перетворення в тетрагональний тип ґрат, що
супроводжується зміною питомого обсягу елементарного осередку на 10-13 %. Саме
це зменшення обсягу є причиною розтріскування плівки. У той же час відомо, що
додавання до ZrO2 10-15 % Y2O3
приводить до стабілізації кубічної форми ґрати, що не змінюються під дією
випромінювання. Так само відомо, що швидкість наростання оксидної плівки
міняється з продовженням кампанії. У даній роботі почата спроба розгляду
проблем, зв'язаних зі стійкістю діоксиду
цирконію до дії нейтронного випромінювання, а також розглянуті механізми
утворення мікротріщин у листовому сплаві Zr -1% Nb.
Основні результати роботи отримані в експериментах на нейтронних спектрометрах
KSN-2 ІЯД
НАН Україна на реакторі ВВР-М (потужністю 10 МВт).
Рентгенівські дослідження виконані на рентгенівському дифрактометрі
ДРОН-3.0 ІМФ
НАН України. Іспити зразків Zr -1% Nb на розривну міцність і межу пластичної
деформації проводилися в гарячих камерах реактора ВВР-М ІЯД
НАН України.
На мал.5.1. показана залежність розривної
міцності і граничної пластичної деформації цирконієвого зразка від флюенса
нейтронів. Відносна гранична пластична деформація при розтяганні істотно
знижується при флюенсі до 3-1021
(нейтрон/см2) і потім
залишається постійною при
розривній
міцністі, яка зростає з
3-1021 до 115-1021 Па.
Для флюенса, що перевищує 3*1021
(нейтрон/см2), розривна
міцність практично не залежить від нього.
Рис. 5.1. Зміна деяких властивостей Zr у
залежності від флюенса
Вплив опромінення на цирконій і його
сплави виявляється на мікроскопічному рівні погіршенням їхніх механічних властивостей
унаслідок дії швидких нейтронів і підвищення крихкості матеріалу через
абсорбцію водню і виділенні його у виді гідриду цирконію.
Унаслідок взаємодії швидких
нейтронів Е>1МеВ з цирконієм і його сплавами утворюються скупчення дефектів
і петель дислокацій, розміри яких і розподіл у масі матеріалу залежать від
флюенса нейтронів, температури опромінення і складу матеріалу.
Вивчення опромінених зразків за
допомогою електронної трансмісійної мікроскопії показало, що кількість
агломерацій дефектів і скупчень дислокацій досягає щільності насичення
приблизно в 3×1016 см3 при флюенсі менше 3×1020
(нейтрон/см2) [5]. Ці мікроструктурні зміни приводять до зростання стійкості до
розтягання, зниженню опору до вигину при ударі і зростанню плинності,
індукованої випромінюванням.
Інший ефект взаємодії швидких
нейтронів з цирконієм і його сплавами складається в зміні їхніх розмірів і
первісної форми [5]. Цирконій і його сплави мають кристалічну структуру щільної
гексогональної кладки, що сприяє нерівномірному нагромадженню утворююмих при
взаємодії зі швидкими нейтронами порожнеч і атомів упровадження на призматичних
і базисних площинах.
Любий дефект, викликаний
опроміненням і залишившийся ізольованим в ґратах, тобто не примикаючий до
скупчень дислокацій,
виявляється на мікроскопічному рівні
в змінах різних параметрів і відповідно в змінах обсягу і форми матеріалу.
Ці зміни на мікроскопічному рівні
пояснюються для більшості полікристалічних анізотропних матеріалів наявністю
текстури (переважної орієнтації кристалів). Явище текстурування виявляється в
рості анізотропії фізичних властивостей матеріалу.
.1 Структурні дослідження
Структурні дослідження були проведені на
нейтронному дифрактометрі
KSN-2 (λ = 0,104 мм). Спектри
неупруго-розсіяних
повільних нейтронів були отримані на багатодетекторній
установці зі зміною енергії
нейтронів за часом «часу польоту». Енергія падаючих нейтронів 26 меВ.
Криві дисперсії для напрямків [100], [110], [111] були обмірювані на тривісному
спектрометрі KSN-2
(рис. 5.1.1.). Були використані енергетичні
нейтрони
(48мэВ).
Метод «часу польоту» ґрунтується на вимірі часу,
за який імпульс моно- чи поліхроматичних нейтронів проходить відстань від
джерела до детектора. Описуваний нейтронний спектрометр по «часі польоту» був
сконструйований і виготовлений у ІАЕ
ім. И.В.Курчатова. З реактора
колімований
білий пучок нейтронів виводиться на кристал- монохроматор під кутом φ
до
площини відображення (у нашому випадку це монокристал Zr,
площина відображення (001)).
Під цим же кутом φ до цієї ж
площини одержуємо відбитий пучок монохроматичних нейтронів. Цей пучок після
проходження через механічний переривач
(селектор) стає імпульсним. Імпульсний монохроматичний пучок нейтронів
потрапляє на досліджуваний зразок під кутом 45° і надалі розсіюється одночасно
під різними кутами. Нейтрони, що перетерпіли розсіювання, реєструються
одночасно під різними кутами набором детекторів і їхня енергія вимірюється
по методу «часу польоту», тобто нейтрони з меншими швидкостями, а, виходить, і
меншими енергіями, детектуються
в більш пізні моменти часу.
Рис. 5.1.1. Схема нейтронного
спектрометра по часу прольоту.
- захист реактора;
2,3 - коліматори;
4 - кристал-монохроматор; 5 - механічний переривач (селектор), 6 - зразок, 7 -
захист детекторів; 8 - детектори; 9 - монітор.
Усі детектори установки розташовані у
вертикальній площині (тобто площина розсіювання - вертикальна) і перекривають
область кутів від 9° до 116°. У цьому кутовому інтервалі розташовані 8
детекторів, що представляють із себе батареї лічильників, наповнені Не, по 15
лічильників у кожній батареї. Відстань від детектора до зразка в наших
експериментах складала 2,82
м. Монтаж детектора виконаний так, що кожен детектор може працювати як один
лічильник, чи може бути розбитий на 5 груп, що дозволяє варіювати
співвідношення між світлосилою і кутовою здатністю установки.
Для одночасного виміру спектрів розсіяних нейтронів під різними кутами
використовувалася система багатомірного часового
аналізу, у яку входять
аналізатор АІ-4096, комутуюча
приставка і відповідна радіотехнічна апаратура, що забезпечує одержання
необхідної форми сигналів з
детекторів і передачу її на часовий
аналізатор. При проведенні наших експериментів робота велася з п'ятьма
детекторами, кожний з який працював як окремий лічильник.
Для контролю за монохроматичним пучком нейтронів
використовувався
монітор, виконаний з одинарного гелієвого
лічильника, розташованого на прямому пучку на такій же відстані від зразка, що
і детектори. Цей же монітор використовувався для визначення
розподільної і відображаючої здатності кристалів-монохроматорів,
пропущення досліджуваних зразків, розподілу інтенсивності на площі
монохроматичного пучка нейтронів, юстіровки
системи колиматорів. Механічний переривач,
необхіден
для перетворення стаціонарного моноенергетичного
пучка в пульсуючий, одночасно використовувався і для відсічення нейтронів,
отриманих від відображень вищих порядків, що завжди присутні в пучку, що
надходить із кристала монохроматора. В експериментах використовувався ротор з
параболічною щілиною, що підвищує монохроматичність
пучка, тому що виходу з щілини
досягають тільки ті нейтрони, траєкторії яких в обертовій системі координат не
перетинаються зі стінками.
Відомо, що довжина хвилі (а, отже, і
енергія) відбитих від монокристала нейтронів визначаються умовою Брегга:
n×λ
= 2×d
×sinθ
(5.1),
де λ
-довжина хвилі відбитих нейтронів; d
- міжплощинна відстань кристала-монохроматора; θ
-кут падіння нейтронів.
Звідси випливає, що енергію відбитих
нейтронів можна змінювати, змінюючи θ
чи d
(тип кристала-монохроматора). Тому в установці передбачена як можливість
швидкої заміни кристала-монохроматора, так і обертання всієї детектуючої
системи і досліджуваної системи навколо осі, на якій поміщений
кристал-монохроматор.
Основними параметрами спектрометра є: розподільна
здатність
по енергії і світлосила. При використанні кристалічних монохроматорів ступінь
монохроматичності пучка визначається
так:
(5.2),
де θ -брегговський
кут відображення;
Е - енергія відбитих нейтронів;
λ - довжина хвилі
відбитих нейтронів;
α - кутова розходимість
падаючого пучка;
η - мозаїчність
кристала-монохроматора.
З аналізу виразу (5.2)
видно, що в залежності від значень θ, α, η можна
одержувати різний розподіл по енергії в залежності від вимог
експерименту. Величина мозаїчності η визначається якістю кристала,
а значення θ і α можна
змінювати довільно (у нашій установці θ варіюється в межах від 0 до
40°). Значення
задається
двома соллеровськими
колиматорами, один із яких знаходиться в шибері реактора, а іншиї між переривачем і
досліджуваним зразком. В усіх змінах і підборах відповідних експериментальних
умов необхідно дотримувати баланс між розподільною здатністю і
світлосилою установки. Світлосила залежить від величини падаючого на
монокристал потоку нейтронів, відбиваючої здатності
монокристала, типу застосовуваного ротора переривача й
ефективності системи детекторів. Для оцінки світлосили були проведені виміри
величини потоку нейтронів протягом усього ходу пучка. За даними цих вимірів,
потік нейтронів у берилієвому відбивачі реактора в районі виходу першого
горизонтального каналу складає 2×1013 (нейтрон/см2×сек). (Це
значення може змінюватися в
залежності від конфігурації тепловиділяючих елементів в активній зоні). Після
щілинного колиматора, розташованого в шибері і формуючого пучок з максимальною розходимістю 45
кутових секунд, на кристал-монохроматор падає пучок теплових нейтронів рівний 4×108 (нейтрон/см2·сек). Після
відображення пучка від кристала-монохроматора, потік нейтронів виходить рівний 2×106 (нейтрон/см2×сек). (У
залежності від типу монокристала і величини виділюваної довжини хвилі, це
значення теж змінюється).
Механічний переривач при 15000 об/хв
послабляє пучок приблизно в 600 разів. Результуючий пучок нейтронів, що падає
на зразок, складає приблизно 3,7×103 (нейтрон/см2-сек). З огляду
на площу пучка нейтронів, ущільнення його за рахунок зрізу по Ван-Кухену, можна
оцінити повне число нейтронів, що падають на зразок 6×104
(нейтрон/сек), при енергії 25 меВ. Великий вплив на результати експерименту
робить фон швидких
нейтронів, тому на установці був посилений захист.
При вивченні дінаміки
кристалічних ґрат знання функції розподілу щільності частот нормальних
коливань, одержуваної з експерименту на нейтронних спектрометрах по «часі
польоту», часто виявляється
недостатнім. Багато тонких ефектів,
такі як аномалії Кона, виявляються затушованими в
інтегральному спектрі. Для дослідження таких ефектів був сконструйований
тривісний нейтронний спектрометр, що представляє собою комбінацію
двох однокристальних спектрометрів та аналізатора нейтронів.
Принципова схема тривісного кристалічного спектрометра KSM-2, що
використовується
в наших експериментах, приводиться на мал. 5.2, встановленого
на 4-му
горизонтальному каналі реактора ВВР-М ІЯД НАН
України.
Рис. 5.2. «Схема кристалічного
спектрометра нейтронів».
К1,К2,КЗ - колиматори, КМ -
кристал-монохроматор, О - зразок,
КА - кристал-аналізатор, Д -
детектор.
Пучок нейтронів з реактора проходить
через систему колиматорів у горизонтальних нішах і попадає
на кристал-монохроматор (КМ). Щілинний колиматор (К) служить
для формування нейтронного пучка з необхідною розходимістю, що при
необхідності може змінюватися шляхом зміни ширини щілин колиматора.
Кристал-монохроматор міститься на дистанційно керованому столику з двома
ступенями волі (обертання навколо вертикальної осі і нахил вертикальної осі) у
місці виходу нейтронного пучка з каналу реактора. Відбитий від
кристала-монохроматора під кутом 2 v монохроматичний пучок нейтронів проходить
через щілинний колиматор (К) і потрапляє на
дослідний зразок (О). Енергія монохроматичного пучка нейтронів може змінюватися
шляхом зміни кута відображення 2 v, а також
шляхом використання різних змінних кристалів-монохроматорів, з різними
міжплощинними відстанями. Межі зміни кутів віддзеркалення 2 v обмежуються як
конструкцією установки, так
і геометрією розташування її
в залі реактора. В нашому випадку 2 v може змінюватися в межах 16° - 32°. В
якості кристалів - монохроматорів
можуть використовуватися монокристали Рв, Zn, Сі. В результаті ми мали нагоду
варіювати енергію падаючих нейтронів в діапазоні 30 - 300 меВ.
Розсіяні під кутом 2 θ нейтрони
аналізуються по енергії за допомогою кристала аналізатора (КА) і реєструється
детектором (Д ). В спектрометрі КSN - 2 кут розсіяння θ
може змінюватися в межах 0° - 170° (по відношенню до падаючого пучка). Кут
кристал - аналізатора 2 Ψ може
змінюватися в межах 105° без перестановки спрямовуючої плеча аналізатора, а
після перестановки спрямовуючої межі зміни кута 2 Ψ
можна збільшити до 170°.
Система колімації дозволяє
одержати монохроматичний пучок перетином 0,05 х 0,05 м2 і
кутовою розходимістю
15 кутових хвилин. При необхідності кутова розходимість
пучка може бути збільшена. В своєму стандартному промисловому виконанні
спектрометр KSN-2 володіє рядом недоліків, головний з яких:
неможливість дистанційного керування плечем зразка, унаслідок того, що
спрямовуюча плеча аналізатора з одного боку закріплена на плечі зразка, а з
іншого спирається на підлогу залу за допомогою домкратів. В ході експлуатації
спектрометр був підданий модернізації. Було вирішено питання про переміщення
спрямовуючої плеча аналізатора разом з плечем зразка, що дозволило дистанційно
управляти всіма переміщеннями спектрометра.
Точність відліку кутових положень
пліч спектрометра була поліпшена в 2,5 рази і досягла двох кутових хвилин. Ця
точність була отримана за допомогою введення в зубчасту передачу пари коліс з
передаточним числом 1:2,5. У процесі експлуатації була також проведена заміна
торцового
лічильника, наповненого BF3 на батарею з 9 гелієвих
лічильників малого розміру типу СНМ-31. Кутовий дозвіл при цьому погіршено не
було. Ця заміна лічильника і повна зміна конструкції захисту дозволили
поліпшити співвідношення ефект-фон в 10-12 разів.
Основні характеристики установки,
такі як розподільна здатність і
світлосила, розраховувалися виходячи з розумінь, викладених вище. Як видно з
формули (5.2), можна одержати різний дозвіл по енергії в залежності від 2 θ, α,
η.
У нашому експерименті
кристалом-монохроматором був Рb із площиною відображення (111)
(розміри 0,20 х 0,08 х 0,01 м). Брегговський кут
відображення 2
θ
складав 26°24' (використовувалася основна лінія) і виділялися монохроматичні
нейтрони з Е=48,1042
меВ; λ = 0,1304 нм.
Щілинні колиматори,
кристал-аналізатор і кінцеві розміри детектора призводять до
зміни напівширини лінії і, у кінцевому рахунку, позначаються на розподільній
здатності
всієї установки.
В якості
кристала-аналізатора у цьому
випадку використовувався монокристал міді розмірами 0,160х 0,060х 0,009 м і
мозаїчністю η≈20
кутових хв. Світлосила установки залежить від величини падаючого потоку
нейтронів на кристал-монохроматор, відбиваючої здатності
кристала-монохроматора і кристала-аналізатора, а також ефективності детектора.
Монокристал свинцю товщиною в 0,01 м відбиває 20-25% нейтронів монохроматичної
лінії, 40% нейтронів проходить через монокристал, і 40% розсіюється когерентно
за рахунок непружного розсіювання. Вивчалися порошкоподібні зразки,
отримані по методу соосадження гідроксидів. Усі
зразки піддавалися стандартному гомогенизуючому отжигу на
протязі 7,2-105
сек при 720
К.
.2 Вивчення структури і динаміки
кристалічних ґрат твердих розчинів на основі ZrO2.
Проводилися експерименти з метою
вивчення твердих розчинів на основі ZrO2. Найбільша
увага була приділена системі ZrO2-Y2O3 . Структурні
дослідження систем ZrO2-Y2O3 становлять особливу цікавість, тому що ZrO2 є хімічним
і структурним гомологом основного уранового палива UO2. Однак
радіаційні і токсичні властивості UO2
затрудняють його дослідження. Дані, отримані на системі ZrO2-Y2O3 можуть
бути корисні при розробці заходів щодо поліпшення якостей палива на основі діоксиду урану UO2. Дані
нейтронографічних вимірів
приводяться на мал. 5.3, де чітко видно, що починаючи з концентрації ≈6%
у твердому розчині стабілізується кубічна фаза. Рентгеноструктурний аналіз цих
твердих розчинів підтвердив результати нейтроннографічних вимірів. Оскільки
елементарний осередок твердих розчинів на основі діоксида цирконію містить
більш одного атома, без залучення спеціальних модельних розрахунків одержати в
чистому виді функцію щільності станів тіл g(ε) -
не вдається. З експерименту
безпосередньо можна одержати
деяку функцію Gs(ε),
що являє собою добуток функції g(ε) і Ks(q, ε),
що залежить від амплітуд когерентного розсіювання, маси, векторів поляризації
різних атомів, що входять в елементарний осередок:
Gs(ε)=Ks(q,ε)·g(ε)
(5.3)
Рис.5.3. Вид
функції Gs(e)
для твердих розчинів у системі Zr2-Y2O3
зі вмістом компонента Y2O3
:
а)-
0%, б)
- 6%; в) - 10%
(5.4)
де: h
- число атомів в елементарному осередку;
aj - амплітуда
когерентного розсіювання J
атома;
Mj- маса J
атома;
е-wj
- фактор Дебоя-Валлера J
атома;
ξis
- вектор поляризації;
Н - імпульс, переданий нейтроном при
розсіюванні.
На рис.5.4.
приведені спектри коливань, отриманих для ряду твердих розчинів. Вивчення
спектрів дало можливість виявити помітне розходження між даними для чистого діоксида
цирконію і твердих розчинів, де концентрація домішки Y2O3
перевищувала 6%. Цей результат не є несподіваним, тому що ґрати чистого ZrO2
мають моноклінну симетрію,
а система ZrO2-Y2O3
кристалізується в кубічній структурі. Не дивлячись на близькість параметрів
ґрати в обох структурах, варто очікувати зміни силових постійних між атомами.
Основне розходження спостерігається в районі енергій ≈55 меВ.
Звертає на себе увагу
факт збільшення щільності частот нормальних коливань, з ростом концентрації
іонів- стабілізаторів. В області складів, де концентрація Y2O3
змінювалася від 12-26%, спостерігалося деяке розширенняспектра
коливань до 110 меВ, без істотних змін у формі розподілу. Подальше зростання
концентрації Y2O3
до 33%, приводив до появи деяких особливостей в спектрі. На нашу думку, такі
зміни в спектрах із зростанням концентрації іонів стабілізаторів можуть бути
пояснені таким чином. В системі ZrO2-Ме2O3
( де Me
- Y, Nd,
Gd ) можуть існувати
в області концентрацій Ме2O3
перевищуючої Х =0,33, тільки дві повністю впорядковані фази: моноклінна (в
чистому ZrO2)
і кубічна, типу пірохлора (при 33% Y2O3)
В структурі типу пірохлора впорядкованим чином розташовані як іони стабілізатори,
так і супутні їм вакансії. В той же час в області складів X =0,06-0,3, де грати
твердих розчинів мають структуру типа CaF2,
мабуть, має місце статистичний розподіл іонів стабілізаторів і вакансій. Такий
розподіл приводить до розупорядкування трансляції в гратах твердого розчину, що
приводить до порушення правил відбору і розширення оптичних гілок коливань. У
зв'язку з вищевикладеним, особливу увагу надане вивченню системи ZrО2-33%Y2O3,
оскільки раніше висловлювалися припущення про утворення в даній системі
з'єднання типу пірохлору.
Рис. 5.4. «Нейтрограми
твердих розчинів системи ZrО2-Y2O3
зі змістом компонента Y2O3
:
а) - 6%,
б) - 5%,
в)
- 0%».
Дійсно, якщо для кубічних твердих
розчинів на основі ZrО2,
стабілізованого оксидами лантаноїдного ряду, існування таких з'єднань
визнається доведеним, то в системі ZrО2-Y2O3
питання, до певної міри, залишається дискусійним. Наші експерименти
грунтувалися на припущенні, що з'єднання, що мають однакові грати-матрицю і відмінні
лише атомною вагою домішкових компонентів, повинні мати подібні один одному
спектри коливань.
З огляду на це припущення, було
проведено порівняльне вивчення твердих розчинів ZrО2-33%Y2O3
і ZrО2-33%Nd2O3.
(останній
за даними рентгеноструктурного аналізу мав структуру типу пірохлору). Нами були
вивчені нейтронограмми
цих з'єднань, що у цілому збіглися один з одним (рис.5.5). Більш того, вони
збіглися з нейтронограмою,
приведеною в
дослідженні, на підставі якої заперечується наявність з'єднання типу пірохлору
в системі ZrО2-Y2O3.
Очевидно, з огляду на результати наших експериментів, висновки роботи [18] не
можна вважати остаточно вирішальними. На рис. 5.6. представлені спектри обох
з'єднань. Їхнє
зіставлення приводить до висновку про наявність
деяких загальних особливостей. Зокрема, маються максимуми в областях 45 і 70 меВ.
Однак у випадку ZrО2-
33% Nd2O3
центр ваги спектра лежить в області ≈ 40 меВ,
а у випадку ZrО2
- 33% Y2O3
в області ≈ 60 меВ. Це, на
нашу думку, може бути викликане як значною різницею в атомних вагах іонів
стабілізаторів, так і різним ступенем упорядкування структурних елементів.
Таким
чином, наші дані в цілому погоджуютьсяся
з результатами роботи [17], де зроблений висновок про наявність плавного
переходу між структурою типу флюориту і пірохлору в системі ZrO2-Y2O3.
Універсальний характер змін у спектрі коливань
атомів чистого Zr2,
що відбуваються з внесенням у ґрати матриці іонів-стабілізаторів,
підтверджується результатами дослідження систем Zr2
- 15% 5С2О3 і Zr2
- 20% СаО. Цікавим при дослідженні системи ZrO2
- Sc2О3 є обставина, що
іон скандію (Sc3+) - єдиний
іон, що має менший розмір, чим іон цирконію (Zr4+),
і, проте, стабілізує кубічну фазу [19]. Це дозволяє припустити, що упорядковане
розташування катіонів домішок у ґратах ZrO2
відіграє важливу роль стабілізації кубічної фази.
Рис. 5.5. Нейтрограмма твердих розчинів на
основі діоксида цирконію а)
ZrО2- 33% Nd2O3
, б ) ZrO2-
33% Y2O3»
.
Рис. 5.6. Вид функції Gs(ε)
для твердих розчинів на основі діоксида цирконію: а) ZrО2-
33% Y2O3,
б ) ZrО2-
33% Nd2O3.
Описані вище експерименти були проведені при 3000К.
З метою вивчення впливу температури на динаміку ґрат твердих розчинів на основі
ZrO2, у серії
експериментів була вивчена структура і динаміка кристалічних ґрат систем ZrO2-16%Y2O3
і ZrO2-33%Y2O3
при температурах 77°К и 700°К.
Ніяких
відмінностей у структурі і спектрах даних систем при зазначених температурах, у
порівнянні з вимірами при 300°К
не виявлено (мало місце лише
розходження у величині "эффект фон").
Як відомо [21], тверді розчини на основі ZrO2
мають
ГЦК структуру і тому в їхніх спектрах повинно
спостерігатися 9 галузей: 3 акустичних і 6 оптичних. Нами були отримані
дисперсійні криві, що відносяться тільки до акустичної частини спектра, що
добре погоджується з
даними роботи [20] і, можливо,
пов'язано
з великим ступенем структурного розупорядочення
в досліджуваних кристалах.
.3 Текстурні зміни у вершині тріщини,
що рухається.
При вивченні руйнування листового
сплаву Zr-1%Nb
було експериментально показано, що пластична деформація у вершині тріщини, що
рухається, сполучена з закономірною зміною вихідної кристалографічної текстури
матеріалу. Цей результат дозволяє зв'язати тріщиностійкість виробів зі сплаву Zr-1%Nb
з вихідною текстурою й орієнтацією тріщини, що
представляється важливим як з
наукової, так і з практичної точки зору.
Будь-яка пластична деформація, що
здійснюється за допомогою дії кристалографічних механізмів (двійникування,
ковзання), сполучена з кристалографічною переорієнтацією зерен, принципи й
особливості якої розглядаються в рамках теорії текстуроутворення [6]. Те
ж саме відноситься і до локальної пластичної деформації у вершині тріщини, що
рухається. Переорієнтація зерен може протікати легше чи
сутужніше
в залежності від сдвигової
напруги в активізуємих
системах ковзання і двійникування
числа діючих механізмів деформації. Відповідно рух тріщини і попереднього їй
фронту пластичної деформації буде контролюватися тими ж факторами.
У зв'язку з цим дані про особливості текстури
шару, що прилягає до
поверхні руйнування, є реальною основою для непроведеного раніше
кристалографічного аналізу ситуації у вершині тріщини.
.4 Методика експериментального
дослідження
Для виявлення переорієнтації зерен у
зоні пластичної деформації у вершині тріщини, що рухається, проводили
рентгенівське вивчення кристалографічної текстури шару, що прилягає до поверхні
руйнування. Застосування методу ділильних сіток [7]
дозволило установити, що поле пластичної деформації, що формується до моменту
старту тріщини поблизу вершини надрізу, є неоднорідним і нерівноважним.
Текстурні особливості шару,
що прилягає до поверхні руйнування, визначаються сумарним ефектом проходження
зони неоднорідної пластичної деформації і тому повинні розглядатися як
результат послідовного впливу локальних деформацій, розподіл яких реєструє
метод ділильних сіток. Текстурна дифрактометрична
зйомка поверхні руйнування є принципово новою методикою. Передумовою до її
застосування послужило наступне. При розтяганні зразка з надрізом напружений
стан у вершині надрізу такий,
що деформація, що розвивається поблизу її локальна, визначається переважно дією
розтягуючих
напруг, перпендикулярних утворюємої
поверхні руйнування [8]. За даними, що отримані
методом ділильних сіток, товщина прилягаючого до цієї поверхні шару
претерпіваючого більш-менш помітну деформацію розтяганням, для сплаву Zr-1%Nb
при кімнатній температурі не перевищує 2 мм. У межах
цього шару ступінь деформації різко убуває в міру видалення від поверхні
руйнування. Так як при
дифрактометричної
зйомці текстури площа опроміненої
плоскої поверхні повинна складати
щонайменше кілька квадратних міліметрів. Найбільш прийнятний спосіб одержання
достовірної інформації про переорієнтацію зерен у вершині тріщини
зйомка
поверхні руйнування і зіставлення її
текстури з текстурою внутрішнього недеформованого перетину, рівнобіжного цій
поверхні.
При рентгенівській
дифрактометричній зйомці
поверхні руйнування істотні методичні труднощі можуть виникати в зв'язку з
їхньою неплощинністю і шорсткістю. Обмежити негативний вплив неплощинності
поверхні на вірогідність одержуваних результатів можна шляхом зменшення площі,
що опромінюється.
Зразки виготовляли з листа сплаву Zr-1%Nb
товщиною 1 мм. Рентгенівське дослідження проводили на зразках, що перетерпіли
іспит на розтягання уздовж напрямку прокатки (НП) і поперечного напрямку (ПН).
Для іспиту на розтягання з листа вирізували зразки двох типів: розміром 185x20
мм при довжині робочої частини 130 мм і 110x8 мм при довжині неробочої частини
43 мм. На зразках більшого розміру електроерозійним способом робили центральний
надріз довжиною 6,5 мм. На
зразках з надрізом при температурі 293°К
за стандартною методикою визначали критичне розкриття тріщини δс,
напруга старту тріщини σсо
і критичне значення інтеграла gс
[8]. Після розтягання зразків з надрізом до руйнування проводили рентгенівське
вивчення поверхонь руйнування, що утворилися, за описаною методикою. При цьому,
з огляду на малість товщини вихідного листа для дифрактометричної
зйомки виготовляли складені зразки, застосовуючи полірування і травлення
досліджуваної поверхні в мінімальних межах.
.5 Результати експериментів
Дані іспити на розтягання зразків
обох типів - гладких і з надрізом приведені в Таблиця8.1. Для кожної з
зазначених у таблиці величин обчислений показник анізотропії А (наприклад, А(δЗ=
δСНП/δСПН)).
Зіставлення кривих напруга-деформація для гладких НП- і ПН- зразків свідчить
про їхнє різке розходження. Думаючи, що аналогічні особливості зміцнення
виявляються й
у зоні пластичної деформації поблизу
вершини тріщини, що рухається, для його характеристики вводять коефіцієнт
зміцнення К:
КУ=(σВ-σ0,2)/σ0,2
(5.4.)
Вихідні текстури НП- і ПН- перетинів
листа досліджуваного сплаву
(Zr-1%Nb) різко різні, що характерно для прокатаних металевих матеріалів з
г.п.у.- ґратами.
Таблиця 5.1.
|
Напрямок розтягання
|
σ0,2 МПа
|
σВ МПа
|
КУ
|
δ, %
|
δС, мм
|
δспро, МПа
|
Jс,МПа мм
|
|
НП
|
211
|
362
|
0,72
|
25
|
0,82
|
383
|
24,7
|
|
ПН
|
273
|
335
|
0,23
|
21
|
0,87
|
390
|
30,1
|
|
Коефіцієнт анізотропії
|
0,77
|
1,08
|
3,13
|
1,2
|
0,98
|
0,94
|
0,82
|
З робіт, присвячених вивченню
механізмів пластичної деформації і текстуростворення в d
- цирконії [10-11], випливає, що зміна текстури при розтяганні НП-зразка
визначається дією призматичного ковзання, тоді як при розтяганні ПН-зразка
активізації призматичного ковзання передує інтенсивне двойнікування, що
викликає стрибкоподібне переміщення текстурного максимуму з його первісного
положення.
Установлено, що в НП- зразках
поблизу поверхні руйнування матеріал перетерплює деформацію розтяганням на
15-19%, ПН- зразках - на 3-5%. Очевидно, що в силу пошарової неоднорідності
розподілу деформації поблизу поверхні руйнування, реальна локальна деформація
шару товщиною кілька мікронів, що безпосередньо прилягає до поверхні
руйнування, істотно перевищує зазначену. Так як руйнування відбувається при
вичерпанні ресурсу пластичності шару локалізованої деформації, то й у НП-, і
ПН- зразках у безпосередній близькості від вершини надрізу досягається
максимально можливий ступінь деформації, що реалізується за рахунок
призматичного ковзання. Але це означає, що отримані по текстурним данним
усереднені оцінки ступеня пластичної деформації
- цирконію поблизу поверхні
руйнування характеризують, по суті справи,
товщину шарів, у яких ця
деформація локалізована, а не максимальну ступінь деформації, що досягається
при руйнуванні НП-, і ПН- зразків. Чим менший ступінь пластичної деформації
шару, що прилягає до поверхні руйнування, дає проведена оцінка, тим менше
товщина шару локалізованої деформації у вершині тріщини. Звідси випливає, що
товщина цього шару в НП- зразку істотно більше, ніж у ПН- зразку.
Таким чином, у зразках з
надрізом розвиваються такі ж процеси переорієнтації зерен і зміни кристалографічної
текстури, які і при розтяганні гладких зразків з тією лише різницею, що в
перших ці процеси локалізовані поблизу поверхні руйнування.
Текстурні зміни, що
спостерігаються в α- цирконії поблизу поверхні
руйнування, можуть служити відправним пунктом для аналізу причин анізотропії
тріщиностійкості досліджуваного листа сплаву Zr-1%Nb. Зміна текстури матеріалу
у вершині тріщини, що рухається, є природним наслідком прагнення його зерен
придбати орієнтацію, стійку стосовно впливу переважної там деформації розтяганням.
Активізуємі в зерні механізми пластичної деформації (двойникування, ковзання)
викликають характерні для них повороти кристалічних ґрат цього зерна. Зокрема,
у результаті ковзання, викликаного деформацією зразка розтяганням, ґрати зерна
повертаються таким чином, що напрямок ковзання в активізованій системі прагне
наблизитися до напрямку розтягання [11]. В міру цього повороту змінюються
здвигові напруги в діючій і потенційних системах ковзання і двойникування, так
що рано чи пізно активізуються додаткові системи, кожна з яких впливає на
результуючий поворот ґрат. При великій деформації зерно досягає кінцевої
стійкої орієнтації, при якій повороти ґрат, обумовлені дією кожної з
активізованих систем ковзання, взаємно компенсуються. У α- цирконії
підтримка стійкості кінцевої орієнтації осі розтягання (1010) забезпечується
взаємно збалансованою дією двох систем призматичного ковзання.
Траєкторії переорієнтації
зерен під дією розтягання строго закономірні і визначаються послідовністю
активізації систем ковзання і двойникувания, що для α- цирконію
добре вивчені [12]. У відношенні тріщиностійкості матеріалу особливе значення
має вплив переорієнтації кристалічних ґрат у вершині тріщини на деформаційне
зміцнення в зв'язку з його переорієнтаційною залежністю.
При розтяганні НП- зразка в
умовах дії призматичного ковзання орієнтація зерен, що деформуються, міняється
поступово і деформаційне зміцнення переборюється за рахунок збільшення
навантаження. У ПН- зразку спочатку відносно мала частина зерен орієнтована сприятливо
для
переважної активації
призматичного ковзання, але зате в значній частині зерен завдяки їхній
орієнтації в першу чергу активізується двойникування.
Взаємне перетинання кривих
напруга-деформація для НП- і ПН- зразків свідчить про те, що наступна деформація
ПН- зразка після активізації в ньому призматичного ковзання сполучена з меншим
зміцненням у порівнянні з регістрируємим для НП- зразка.
Приймаючи до уваги, що
вершина надрізу є концентратором напруг, розглянемо процес навантаження зразка
в часі. При збільшенні навантаження деформація спочатку активізується в шарі,
що безпосередньо прилягає до надрізу, де досягається максимальна напруга, і
лише в міру його зміцнення поступово поширюється на більш вилучені шари.
Очевидно, чим менше критичне напруження зрушення для діючого механізму
деформації, тим далі від вершини надрізу пошириться зона локалізованої
пластичної деформації. У НП- зразку послойний розподіл ступеня деформації
поблизу вершини надрізу залежить від зміцнення, що перетерплюється зернами
цирконію в
процесі призматичного ковзання.
При іспиті ПН- зразка, судячи
з представлених данних, навантаження збільшується до тих пір, поки в якомусь
тонкому шарі поблизу вершини надрізу не пройде двійникування. У результаті відбуваючоїсь
при цьому стрибкоподібної переорієнтації зерен, у них відразу ж розвивається
призматичне ковзання, що вимагає для своєї активізації і підтримки менш
високого навантаження, у порівнянні, з досягнутим раніше і тому перешкоджаючому
поширенню двійникувания на інші шари. Тільки у випадку, коли зміцнення,
викликане дією призматичного ковзання в найближчому до надрізу шарі, перевищить
різницю між критичними напруженнями зрушення для двійникувания і призматичного
ковзання, виявиться можливим подальше підвищення навантаження до рівня, що
забезпечує активізацію двійникувания в наступному шарі.
Таким чином, поширення зони
пластичної деформації від вершини надрізу в глиб у НП- і ПН- зразках
відбувається по-різному: у міру збільшення ступеня пластичної деформації
матеріалу в безпосередній близькості від вершини надрізу, зона пластичної
деформації в НП- зразку розширюється безупинно, у ПН- зразку - дискретно,
залишаючись незмінною протягом окремих етапів навантаження. Тому товщина шару
локалізованої деформації в ПН- зразку менше, ніж НП- зразку.
При розтяганні гладкого ПН-
зразка деформація також розвивається менш однорідно, чим при розтяганні
гладкого НП- зразка. Навіть при відсутності концентраторів напруги
двійникувания на якихось ділянках ПН- зразка в силу випадкових причин
відбувається раніш, ніж на інших, а це виявляється вже достатньою передумовою
для деякої локалізації деформації при розвитку на цих ділянках призматичного
ковзання. Неоднорідність деформації і породжувана нею текстурна неоднорідність,
збільшуючи щільність висококутових границь, сприяють додатковій локалізації
деформації і підвищують імовірність руйнування. Природно, що в умовах
локалізованої деформації ресурс пластичності матеріалу вичерпується при меншій
усередненій напрузі і меншому ступені деформації всього зразка, чим в умовах
однорідної деформації. Саме тому межа міцності σВ і
відносне подовження δ для ПН- зразка виявляються меншими,
чим для НП- зразка (див. Таблиця 5.1.).
Судячи з результатів
механічних іспитів, анізотропія тріщиностійкості досліджуваного листа не
відповідає анізотропії властивостей, обмірюваних на гладких зразках: хоча межа
міцності σВ
для НП- зразка вище в порівнянні з ПН- зразком. Поширення в ньому тріщини
сполучено з меншими енергетичними витратами, про що свідчить зіставлення Jс-
інтеграла для обох зразків.
Очевидно також, що до моменту
старту тріщини розміри зони ненульової пластичної деформації в ПН- зразку,
незважаючи на сильну локалізацію деформації, порівняні з розмірами аналогічної
зони в НП- зразку. Це не суперечить викладеному і виявляється можливим, завдяки
значному розсіюванню вихідної текстури ПН- зразка, у зв'язку з чим у відносно
малій частині зерен призматичне ковзання активізується вже на початковому етапі
розтягання.
Висновки. На прикладі листового сплаву
Zr - 1% Nb експериментально виявлена кристалографічна переорієнтація зерен у
вершині тріщини, що рухається.
Ефекти, що спостерігаються
рентгенографічно поблизу поверхні руйнування зразків з надрізом зіставлені з
спостереженими в обсязі аналогічних зразків, підданих розтяганню. Відповідно до
отриманих оцінок, у шарі товщиною до 20 мкм, що прилягає до поверхні
руйнування, усереднена деформація матеріалу розтяганням складає 15-20% для НП-
і 3-5% ПН- зразка.
Анізотропія тріщиностійкості і
розвиток зони пластичної деформації у вершині тріщини визначаються
активізуємими механізмами пластичної деформації α-
цирконію,
характерною рисою яких є сильна залежність від кристалографічної орієнтації
зерен.
Використання захисної плівки
цирконію може привести до збільшення строку служби ТВЕЛів, та може запобігти
утворенню тріщин.
6. Охорона праці
.1 Характеристика об єкта.
При розробці індивідуальної частини
диплома було проведено ряд експериментів. Виходячи з цього при розгляданні
розділу „Охорона праці” необхідно звернути увагу на приміщення, де проводились
іспити та обладнання, яке розташоване в ньому.
Приміщення розташоване в
двоповерховому будинку і являє собою кімнату без вікон.
Обладнання в приміщенні можна
поділити на дві групи:
обладнання, яке працює від електромережі;
обладнання, яке призначене для
перекачки рідини.
.2 Аналіз небезпечних і шкідливих
виробничих факторів
На даному об'єкті небезпечними
факторами є:
- підвищена напруга в
електричному ланцюзі, замикання якого може відбутися через тіло людини;
- підвищена
температура повітря робочої зони;
недостатність освітлення.
.2.1 Підвищена напруга.
Джерелом підвищеної напруги на
розглянутому об'єкті є електроустаткування - електродвигуни, а так само
металеві предмети, що можуть виявитися під напругою у випадку замикання однієї
з фаз на корпус.
Електродвигуни запитані від мережі
перемінного струму, із заземленої нейтралью, напругою U=380/220 В. Наявність
струмопровідних підлог відносить дані приміщення до приміщень з підвищеною
небезпекою поразки напругою. В умовах підвищеної небезпеки замикання однієї з
фаз на корпус при дотику людини через тіло пройде струм:
пр = Uф/Rчел,
де Iпр [А]
- струм дотику;ф, [В]
- фазна напруга;
Rчел
1000 Ом -
електричний опір тіла людини, тоді:пр = 220/1000 = 0,22 А = 220 мА.
Величина струму, при якому
фібрилляція серця відбувається через 2-3 сек., дорівнює 100 мА. Очевидно, що
струм у 220 мА є смертельним для людини.
.2.2 Температура
Підвищення температури на
робочому місці виникає в результаті дії слідуючих факторів: теплота, виділювана
в навколишнє середовище від електроустаткування і освітлення, теплота,
виділювана людським тілом.
Згідно з нормами, працю
людини в лабораторії можно віднести до 1 групи (праця легка фізична). При цьому
людина випромінює 173 Дж/с теплоти.
Устаткування, яке розміщенне
в приміщенні, при роботі випромінює телоту, з поверхні ізоляції, еквівалентну
температурі 45 0С.
По нормам в холодну пору року
повітря в приміщенні повинно бути в диапазоні 20-23 0С при вологості 60-40 %, а
в теплу пору року - 22-25 0С при вологості 60-40 %. У
нашому випадку в холодну пору року температура повітря дорівнює 21 0С , а в
теплу пору року 25 0С, а також, враховуючи випромінення устаткування
розташованого в приміщенні температура буде підвищена.
Наслідком цього може бути
погіршення самопочуття людей через порушення теплового балансу людини: тепловий
удар, млявість, неуважність.
.2.3 Освітлення
При роботі в приміщеннях правильне
виробниче освітлення має велике значення, особливо коли приміщення немає
природнього освітлення. В таких приміщеннях використовують штучне освітлення.
Штучне освітлення у приміщеннях необхідно здійснювати у
вигляді загальної системи рівномірного освітлення. У
приміщеннях, де
переважають роботи з документами, допускається застосування комбінованого освітлення, коли
на робочих місцях
встановлюють світильники місцевого освітлення, які доповнюють
загальне освітлення. У
нашому випадку фактичне значення освітлення дорівнює 400 лк.
Неправильне освітлення
приводить до передчасного стомлення, притупляється увага, що може служити
причиною нещасливого випадку. Крім того, недостатність освітлення може
викликати погіршення зору працюючого персоналу.
.3 Заходи щодо зниження
небезпечних і шкідливих факторів
.3.1 Підвищена напруга
Для запобігання электротравм
людини застосовують занулення чи захисне заземлення установок.
Захисне заземлення - це
навмисне електричне з'єднання з землею металевих неструмоведучих частин
електричного і технологічного устаткування, що може виявитися під напругою.
Захисне заземлення є простим,
ефективним і широко розповсюдженим способом захисту людини від поразки
електричним струмом. Забезпечується це зниженням напруги між устаткуванням,
опинившимся під напругою, і землею до безпечної величини. Застосовується в
трифазній мережі з напругою до 1000 В з ізольованою нейтраллю і понад 1000 В з
будь-яким режимом нейтралі.
.3.2 Температура
Для запобігання підвищення
температури повітря в приміщенні, а також підвищення теплоти повітря в
приміщенні, застосовують вентиляцію і кондиціонування. Це приводить до
покращення мікроклімату на робочому місці і, як підсумок, до покращення почуття
людини, а звідси і до зниження можливості травматизму через порушення теплового
балансу людини.
.3.3
Освітлення
Для поліпшення умов праці використовують штучне
комбіноване освітлення за допомогою газорозрядних ламп та ламп накалу. В
приміщеннях, де
відбувалась робота, по нормам
комбіноване освітлення складає - 400 лк,
та загальне - 200 лк.
Розташовувати лампи в приміщенні необхідно по слідуючій
схемі: газорозрядні лампи
- розташувати
на стелі, лампи накалу
-
розташувати на робочому місці.
Таке розташування краще тим,
що
газорозрядні
лампи мають меншу потужність, спектр випромінювання ближче до денного, вони
більш пожежно безпечні.
Враховуючи , що газорозрядна лампа дає - 200 лк,
лампа накалу - 100лк, можна
зробити висновок, що для забезпечення нормальних умов праці необхідно
встановити 2 газорозрядні лампи
та дві лампи накалу, що забезпечує в загальному
обсязі приблизно 600 лк.
.4 Пожежна безпека
Пожежна безпека - це стан об’єкта,
при якому з регламентованою імовірністю виключається можливість виникнення і
розвитку пожежі, а також забезпечується захист матеріальних цінностей.
Будинки і спорудження по
вогнестійкості підрозділяються на 5 ступенів, що визначаються межами
вогнестійкості основних будівельних конструкцій і межами поширення вогню по цих
конструкціях.
На підставі пожежних властивостей
матеріалів і речовин, що застосовуються на виробництві, з урахуванням їх
кількості, розмірів приміщень і особливостей технічного процесу експериментів,
визначають категорію приміщень по вибухо - пожежній небезпеці, а також клас зон
приміщень і зовнішніх установок.
По класифікації приміщення
лабораторії можна віднести: по ступеню вогненебезпечності до третього класу і
категорії виробництва до
класу Д, згідно з НАПБ Б.03.002-2007
.4.1 Технічні рішення протипожежного
захисту
Технічні рішення цієї системи
спрямовані на обмеження розповсюдження пожежі, захист людей і матеріальних
цінностей від впливу шкідливих і небезпечних факторів пожежі, на створення умов
для ліквідації пожежі.
В лабораторії на шляху евакуації
застосовані тільки негорючі і важкозаймисті матеріали. Для попередження
працівників передбачені світлові і звукові пожежні сигналізації.
Для вcix
споруд i
приміщень в будівлі, повинна бути визначена категорія з вибухопожежної i
пожежної небезпеки відповідно до НАПБ Б.03.002-2007.
"Определения категорий
помещений и зданий по взрывопожарной и пожарной опасности", та клас зони
згідно з «Правилами влаштування електроустановок». Відповідні
позначення повинні бути
нанесені на вхідні
двері приміщення.
На кожен поверх встановлено по два
ручних вогнегасника типу ОУ - 2, ОУ - 5. Також розміщенні схеми евакуації та
аварійні виходи.
6.5 Розрахунок захисного заземлення
Вхідні данні
RЕ, Ом RД, Ом
, Ом∙
м
|
IT , мD, мh,
мlг,
м
|
|
|
|
|
|
|
10
|
4
|
20
|
3
|
0,05
|
2
|
12
|
Розрахунок заземлення:
рис.6.1. Схема розміщення заземлення
в ґрунті.
Визначимо опір вертикального
заземлення:
Rтр =
;
де:
= 20 Ом∙
м, питомий опір ґрунту [13];= 3 м, довжина труби;= 0,05 м, діаметр труби;
h = 2
м, глибина закладки труби від поверхні до середини.тр =
=5,5 Ом.
Опір природного заземлення:
RЕ
=
10 Ом.
Опір штучного заземлення:
RИ = RД∙ RЕ/(RЕ+RД) =
40/14 = 2,86 Ом.
Попереднє число вертикальних
електродів:
= RТР/RИ =
5,5/2,86 =
1,92
шт.
Найближче зі стандартних
чисел 4.
Прийнявши схему розміщення
електродів, визначимо загальну довжину горизонтального електрода lГ
=12 м, визначимо його опір.
Г =
= 1 Ом.
Визначимо опір групового
заземлення:
ГР =
=
1,050 Ом.
де
г = 0,45
в = 0,69ГР
RИ.
Опір групового заземлення
менш ніж опір штучного. Звідси слідує, що персонал буде захищений від уражень
струмом.
Висновок. У розділі “Охорона
праці” проаналізовані небезпечні і шкідливі фактори, що мають місце в
лабораторії і впливають на людину при її роботі. По шкідливих факторах
представлені заходи для зниження їхнього впливу і їхньому усуненню. У зв’язку з введенням
цих заходів збільшилась продуктивність праці, зменшився травматизм, була
істотно поліпшена праця людей в лабораторії та інших приміщеннях.
7. Радіаційна безпека.
.1 Зональність АЕС
Радіаційна безпека передбачає
дотримання допустимих меж радіаційної дії на персонал, населення і оточуюче
середовище, встановлених нормами, правилами і стандартами по безпеці.
Класифікація приміщень виконується
на етапі проектування станції і відкоректовується вже після пуску реактора,
коли були враховані фактичні заміряні значення радіаційних параметрів.
З погляду захисту персоналу від
іонізуючого випромінювання - будівлі і споруди АЕС розділені на:
зону суворого режиму - контрольовану
зону, де можлива дія на персонал радіаційних чинників;
зону вільного режиму - зона нагляду,
де при нормальній експлуатації дія на персонал радіаційних чинників практично
виключена.
У контрольованій зоні всі
приміщення, залежно від ступеня радіаційної небезпеки, умовно діляться по
зонах. Розподіл по зонах проводиться відповідно до 3-х
радіаційних параметрів:
. Потужність дози іонізуючого
випромінювання.
. Забрудненість приміщення або
устаткування.
. Забрудненість повітря.
Приміщення діляться на:
Обслуговувані або приміщення
постійного перебування персоналу - ті приміщення термін перебування в яких не
обмежений радіаційними умовами
Напівобслуговувані - ті приміщення
термін перебування в яких обмежений радіаційними умовами і вимагає вживання
додаткових засобів захисту.
Необслуговувані - ті приміщення
перебування в яких під час роботи розміщеного в них устаткування категорично
заборонено відповідно до радіаційних умов.
Класифікація приміщень може бути
змінена, якщо змінюється радіаційна обстановка. Класифікація може змінюватися
залежно від експлуатаційного стану реактора. Приміщення необслуговувані можуть
бути перикласифіковані в приміщення напівобслуговувані при зупинці блоку на ППР
і зміні радіаційної обстановки. Кожне приміщення класифікується по кожному з
трьох параметрів і умовно розбиті на I, II, і III зони.
Двері приміщень маркуються
спеціальним знаком радіаційної небезпеки і відповідними написами.
Приміщення, що відносяться по
будь-якому з параметрів до НОП або ПІП, знаходяться під особливим контролем
служби радіаційної безпеки. Інструкцією по радіаційній безпеці на ЮУ АЕС
встановлені правила безпеки при відвідуваннях і виконанні робіт в цих приміщеннях,
оскільки це найвірогідніші місця, де персонал може бути схильний до
опромінювання або забруднення.
У приміщеннях III зони ОП радіаційні
параметри можуть трохи перевищувати радіаційний фон. Там заборонено зберігання
і розміщення радіоактивних матеріалів і забрудненість поверхні і повітря не
повинна перевищувати встановлені інструкціями норми.
.2 Правила перебування в
контрольованій зоні
З початку експлуатації атомної
станції на вхід в різні приміщення пред'являються деякі обмеження залежно від
шкідливих чинників, які можуть завдати шкоди організму людини. Це -
випромінювання, небезпечні хімічні речовини, електричний струм, і т.д. - все
повинне братися до уваги. З погляду радіаційної безпеки, загальні правила для
знаходження в різних приміщеннях ідентичні для всіх працівників.
Загальні для КЗ:
·
Обов'язкове знання основ радіаційної
безпеки в об'ємі діючих загальностанційних інструкцій.
·
Вхід і вихід з КЗ здійснюється
тільки через будівлю санпропускника.
·
Мати медичний дозвіл на роботу в
зоні іонізуючого випромінювання.
III Зона:
·
Наявність основних засобів
індивідуального захисту (ЗІЗ);
·
Наявність індивідуального дозиметра
ТЛД.
II, I Зона:
·
Знати радіаційну обстановку;
·
Мати додаткові ЗІЗ;
·
Мати спеціальний дозвіл (наряд,
розпорядження);
·
Пройти необхідне навчання.
Обслуговувані приміщення -
відповідають III зоні - це приміщення постійного перебування персоналу.
Обмежень по доступу і за часом немає.
Напівобслуговувані - відповідають II
зоні - двері повинні бути замкнуті. Вхід по спеціальному дозволу, потрібен
допуск від служби радіаційної безпеки (РБ) і допускаючого від цеху в чиєму
веденні знаходиться приміщення.Повинні використовуватися призначені службою РБ
додаткові ЗІЗ і виконуватися заходи щодо захисту персоналу від іонізуючого випромінювання.
Необслуговувані - I зона - двері
повинні бути блоковані і опечатані. Розкриття дверей і вхід по спеціальному
дозволу, потрібен допуск від служби радіаційної безпеки, (РБ) і допускаючого
від цеху, в чиєму веденні знаходиться приміщення. Повинні використовуватися
призначені службою РБ додаткові ЗІЗ і виконуватися заходи щодо захисту
персоналу від іонізуючого випромінювання. Обов'язкова наявність електронного
дозиметра. Забороняються відвідування приміщень зони при роботі блоку на
потужності.
7.3 Основні джерела випромінювання
на АЕС
В умовах роботи на АЕС, джерелами
зовнішнього опромінювання можуть бути: реактор, технологічне устаткування,
проби теплоносія, радіоактивні
відходи і т.д. До джерел зовнішнього
опромінювання відносяться радіоактивні благородні гази, такі як ксенон (Хе),
криптон (Кг), аргон (Аг) - це радіонукліди, одержані в результаті ділення
важких ядер палива, і активації газів, які містяться в повітрі. На АЕС зовнішнє
опромінювання відбувається головним чином гамма - випромінюванням і нейтронами.
Зовнішні джерела випромінювання
можуть знаходитися в трубопроводах і клапанах, на різних поверхнях і в повітрі.
Зовнішнє випромінювання проникає крізь одяг, епітелій шкіри і піддає
опромінюванню внутрішні органи тіла. Один із способів захисту - виключення
необгрунтованого опромінювання - знаходитися в полі опромінювання на стільки
мало, на скільки це можливо.
Внутрішнє опромінювання персоналу
може відбуватися в результаті попадання радіонуклідів в організм з вдихаючим
повітрям (радіоактивні гази і аерозолі), з водою або їжею, окремі радіонукліди
можуть потрапляти через шкірний покрив. Радіоактивні аерозолі - це зважені в
повітрі найдрібніші тверді або рідкі частинки, володіючі альфа-, бета- або
гамма - радіоактивністю. До них відносяться тверді і летючі продукти розподілу
урану в реакторі, що потрапили в повітря, і радіонукліди, одержані в результаті
активації нейтронами домішок теплоносія. До летючих продуктів розподілу
відносяться, наприклад, йод (I), цезій (Cs), рубідій (Rb), до твердих -
стронцій (Sr), лантан (La). З домішок, в першу чергу, необхідно виділити
продукти корозії внутрішніх поверхонь трубопроводів і устаткування першого
контура - хром (Сг), марганець (Мn), залізо (Fе), кобальт (Со) і продукти
активації домішок самого теплоносія - азот (N), натрій (Na)
і т.д.
Основними джерелами радіаційної
небезпеки на АЕС є:
·
реактор;
·
басейн витримки і перевантаження;
·
відпрацьоване паливо;
·
трубопроводи і устаткування I
контура (циркуляційні насоси, парогенератори, компенсатори об'єму, засувки і т.
д.);
·
апарати системи спецводоочистки і її
устаткування;
·
сховища радіоактивних відходів;
·
трубопроводи і устаткування
вентиляційних систем і спецгазоочистки;
·
деталі і механізми СУЗ, датчики КВП
і РК, пов'язані з вимірюваннями параметрів I контура;
·
радіоактивні джерела, що
поставляються для технічних потреб.
Можливі наступні види радіаційної
дії на персонал:
·
зовнішнє опромінювання від
устаткування, що містить радіоактивні речовини;
·
внутрішнє опромінювання за рахунок
вдихання радіоактивних речовин;
·
контактне опромінювання за рахунок
радіоактивного забруднення шкірних покривів і спецодягу;
·
зовнішнє опромінювання, обумовлене
радіоактивним забрудненням поверхонь устаткування і приміщень, а також
наявністю в повітрі радіоактивних газів і аерозолів.
7.4 Дозове навантаження на людину,
обумовлене газоаерозольним викидом АЕС.
Дозове навантаження на людину
складається з дози зовнішнього опромінення випромінюванням хмари викиду DО.В.,
дози зовнішнього опромінення випромінюванням радіоактивних речовин викиду, що
осіли на місцевості навколо АЕС DЗ.П., дози внутрішнього опромінення
випромінюванням радіонуклідів, що надійшли в організм людини при подиху DИ і
дози внутрішнього опромінення випромінюванням радіонуклідів, інкорпорованих по
харчових ланцюжках. Очевидно, що опромінення DО.В. можна розрахувати як дозу
випромінювання об'ємного джерела γ- і
β-
випромінювання
- хмара викиду, що досягає людину під час перебування її під хмарою усередині
об'ємного джерела (на відстані від АЕС більш того, на якому хмара
приземляється). Методика такого розрахунку принципово ясна, але досить складна
і повинна враховувати особливості регіону АЕС [16].
Значення DЗ.П. розраховується як доза нескінченно протяжного плоского джерела
(територія регіону АЕС представляється плоским джерелом γ-
і
β-
випромінювання)
з поверхневою активністю, що залежить від відстані до АЕС і напрямку від неї
[16]. DИ. і DП. - величини, значення яких знаходяться з рівнянь камерних
моделей, що описують перенос і накопичення радіонуклідів організмом (органами,
тканинами) людини при подиху і споживанні продуктів харчування, забруднених
радіоактивними речовинами, доповнені розрахунком дози на орган, чи тканину
організм у цілому. В умовах рівноваги такий розрахунок можна зробити за
допомогою коефіцієнтів накопичення КН. Щоб не робити ці досить складні
розрахунки щораз, коли треба визначити
∑ = DО.В.+DЗ.П.+DИ.+DП
можна заздалегідь розрахувати кожну
зі складових D∑ , думаючи, що джерело випромінювання, що визначає її, має
одиничну активність і вона обумовлена яким-небудь одним радіонуклідом. Тоді,
оскільки доза пропорційна активності джерела випромінювання, легко визначити
дозу при будь-якім значенні активності цього радіонукліда в джерелі, у силу
адитивності дози, визначити дозу, обумовлену всіма радіонуклідами. Саме так
зважується задача про визначення дозового навантаження на індивідуума, що
проживає поблизу АЕС, у методиці, що тут викладається [15].
Кожна зі складових дозового
навантаження в цій методиці визначається по своїх формулах, у яких
використовується дозовий коефіцієнт, що зв'язує одиничну активність
радіонукліда j у тій чи іншій субстанції, що є джерелом випромінювання на
організм, окремі органи і тканини організму людини, причому на людину
визначеної вікової групи. Введено і заздалегідь розраховані наступні дозові
коефіцієнти:о.в. - дозовий коефіцієнт опромінення випромінюванням радіонукліда
і органів і тканин i від хмари викиду;з.п. - дозовий коефіцієнт опромінення
випромінюванням радіонукліда j органів і тканин i від забрудненої поверхні
землі (забруднення в результаті сухого і мокрого осадження аэрозолей з хмари
викиду на місцевість);и - дозовий коефіцієнт опромінення випромінюванням
радіонукліда j органів і тканин i при інгаляції з приземного шару повітря для особ
вікової групи r;п - дозовий коефіцієнт опромінення випромінюванням радіонукліда
j органів і тканин i при споживанні забруднених продуктів харчування для облич
вікової групи r.
Розмірність дозових коефіцієнтів
підібрана так, щоб у її значенні
містився максимум інформації і тим самим виключалися додаткові обчислення.
Rо.в. - має розмірність [Зв/с]/[Бк/м3], тобто для визначення Dо.в. необхідно
знати тільки питому активність радіонукліда j в області викиду [Бк/м3].
Відповідно розмірність інших дозових коефіцієнтів: Rо.в. - [Зв/с] /[Бк/м3]
(потрібно знати тільки щільність випадання радіонуклідів), Rи - Зв/Бк
(необхідно знати інгальовану активність радіонукліда j у Беккерелях), Rп -
Зв/Бк (необхідно знати активність радіонукліда j у продуктах харчування, Бк).
Тоді по [16]:
(7.1),
де ао.в.j, ап.з.j, аи.j і
ап.j, - активність радіонукліда j (у відповідних одиницях) у хмарі викиду, у
поверхневому забрудненні місцевості, у вдихуваному повітрі і продуктах
харчування. Кожна з цих величин визначається по своєму співвідношенню з
урахуванням особливостей регіону АЕС за даними про річний викид радіонукліда і
в атмосферу Qj. Іншими словами: доза зовнішнього опромінення від хмари викиду
на органи тканини i Diо.в. на відстані х від АЕС у напрямку v.
о.в.,хvj = Qi∙ Go,bj
(x)v∙ Rrio,bj, (7.2)
де Go,bj (x)v -
середньорічний метеорологічний фактор розведення радіонукліда j на відстані х
від АЕС у напрямку v, див/м3 (індекс r визначає вікову групу особ, що
опромінюються,). Значення Go,bj (x)v можна розрахувати з використанням таблиць,
приведених у [15]. Дані про значення Ro,bj для деяких радіонуклідів при
опроміненні всього тіла людини приведені в Таблиця 7.1.
Таблиця 7.1. «Дозові
коефіцієнти деяких радіонуклідів при опроміненні людини (усе тіло) γ- випромінюванням
хмари викиду АЕС (зовнішнє опромінення)» [15]
|
Нуклід
|
Rо.у, Rо.у,
НуклідRо.у, Rо.у,
|
|
|
|
|
|
41Ar
|
8,67∙10-14
|
3,21∙10-1
|
135mXe
|
2,86∙10-14
|
1,06∙10-1
|
|
85mKr
|
1,06∙10-14
|
3,93∙10-2
|
135Xe
|
1,65∙10-14
|
6∙10∙10-2
|
|
87Kr
|
1,94∙10-1
|
131I
|
2,57∙10-14
|
9,51∙10-2
|
|
88Kr
|
1,87∙10-13
|
5,08∙10-1
|
132I
|
1,54∙10-13
|
5,71∙10-1
|
|
89Kr
|
1,39∙10-13
|
5,16∙10-1
|
133I
|
4,00∙10-14
|
1,48∙10-1
|
|
133mXe
|
2,78∙10-15
|
1,03∙10-2
|
134I
|
1,74∙10-13
|
6,43∙10-1
|
|
133Xe
|
3,24∙10-15
|
1,20∙10-2
|
135I
|
1,30∙10-13
|
4,82∙10-1
|
Доза зовнішнього опромінення від
поверхневого забруднення місцевості радіонуклідом j на органи тканини i на
відстані х від АЕС у напрямку v [16]
п.зхvj = qj [Fcvj(x)+Fмvj(x)]∙
kj∙ Rriп.зj, (7.3),
де Fcvj(x) і Fмvj(x) -
середньорічні фактори сухого і мокрого (відповідно) осадження радіонукліда j із
хмари викиду на відстані х у напрямку v від АЕС, м-2; kj - поправочний
коефіцієнт, що враховує нагромадження і розпад радіонукліда j: Kj=
-1j
[1-exp(-
-1j t)]; t
- час нагромадження радіонукліда.
Значення Rп.зj для деяких
радіонуклідів дані в Таблиця 7.2. [15]. Дозові коефіцієнти в Таблиця 7.2. [15]
дані для відкритої місцевості, тобто без обліку захисної дії будинків і
споруджень, з їхньою допомогою визначається потужність дози Y-
випромінювання на висоті 1м над поверхнею землі. Захист для будинків можна
врахувати введенням поправочного множника, значення якого залежить від виду
будівлі (дерев'яне, цегельне, бетонне) і поверховості. Поправочний множник
приймає значення від 1 до 0,01.
Таблиця 7.2.«Дозові
коефіцієнти деяких радіонуклідів при опроміненні людини (усе тіло) γ- випромінюванням
осілих на місцевості радіонуклідів викиду АЕС (зовнішнє опромінення)» [15]
|
Нуклід
|
Rп.з, Rо.у,
НуклідRп.з, Rо.у,
|
|
|
|
|
|
31Cr
|
1,58∙10-17
|
8,50∙10-4
|
106Ru
|
1,03∙10-16
|
3,8∙10-4
|
|
51Mn
|
4,14∙10-16
|
1,53∙10-3
|
131I
|
1,99∙10-16
|
7,10∙10-4
|
|
59Fe
|
5,54∙10-16
|
2,05∙10-3
|
134Cs
|
7,83∙10-16
|
2,90∙10-3
|
|
58Co
|
6,03∙10-16
|
2,23∙10-3
|
137Cs
|
2,91∙10-16
|
1,07∙10-3
|
|
60Co
|
1,15∙10-15
|
4,25∙10-3
|
140Ba
|
1,03∙10-16
|
3,80∙10-4
|
|
65Zn
|
2,74∙10-16
|
1,00∙10-3
|
140La
|
1,03∙10-15
|
3,81∙10-3
|
|
141Ce
|
3,70∙10-17
|
1,37∙10-3
|
141Ce
|
3,88∙10-16
|
1,43∙10-3
|
|
95Nb
|
3,83∙10-16
|
1,42∙10-3
|
144Ce
|
1,16∙10-17
|
5,90∙10-5
|
|
103Ru
|
2,68∙10-16
|
9,90∙10-4
|
239Np
|
7,12∙10-17
|
3,61∙10-4
|
Доза внутрішнього опромінення при
інгаляції радіонукліда j на відстані х від АЕС у напрямку v на органи і тканини
i для вікової групи r:
ихvj = Qi∙ Go,вj (x)v∙
kr∙ Riиj ∙urи , (7.4.),
де kr - поправочний коефіцієнт для
вікової групи r,и - швидкість подиху для людей вікової групи r, м3/сек.
Найбільшу небезпеку при вдиханні
представляють радіоактивні ізотопи йоду, критичним органом для якого є
щитовидна залоза. Дозові коефіцієнти Rи для ізотопів йоду рівні: (кЗв/Бк) 131I
- 2,9∙ 105; 131I - 4,9∙ 104; 131I - 8,5∙ 103. Інша, крім
ізотопів йоду, група найбільш радіаційно небезпечних радіонуклідів виявляється
не в режимі нормальної роботи АЕС, а при аваріях - це ізотопи плутонію,
наприклад, для 239Pu Rи=5,3∙ 106 пЗв/Бк. Доза внутрішнього опромінення
випромінюванням радіонукліда j у кількості аj, Бк/кг:
Drnj =∙ ArjRinj∙ kr,
(7.5)
де Arj - річне надходження
радіонукліда j
із продуктами харчування в організм людини, Бк (kr = 1 для дорослих людей і
зростає до 11,6 зі зменшенням віку до декількох місяців, для 14С, 90Sr, U і Pu
збільшується в цьому ж інтервалі до 3,4). Оскільки різні продукти харчування,
зроблені на територіях прилягаючих до АЕС, забруднені радіонуклідом j по
різному і радіонуклід не однаково засвоюється організмом людини при надходженні
з різними продуктами харчування, то в [15] прийнято, що Аrj = Arj1+Arj2+Arj3,
причому індекси 1,2 і 3 відповідають споживанню рослинних, м'ясних і молочних
продуктів відповідно. Arjv (v=1,3) = ajv uv (uv - річне споживання рослинних
м'ясних і молочних продуктів), тому при визначенні Аrjv враховується яку частку
цих продуктів з повного і річного споживання людиною складають продукти
місцевого виробництва. В таблиці 7.3 наведені дані про наявність активності в
молоці при нормальній роботі станції в залежності від зони проживання.
Таблиця 7.3. «Середня еквівалентна
доза в щитовидній залозі населення»
|
Зона
|
Середня початкова питома активність молока q0,Бк/л
|
Ефективний полуперіод зменшення активності
молокаТе, діб
|
Середня еквівалентна доза Dekv,
мЗв
|
|
|
|
Діти
|
Дорослі
|
|
1
|
410 955,2 09 10 2 1,2 0,2
|
|
|
|
|
2
|
1200 2405,2 0,8 29 4 3,6 0,4
|
|
|
|
|
3
|
3700 660 4,2 0,6 73 10 9,1 0,9
|
|
|
|
Висновок. В розділі була розглянута
проблема дозового навантаження на людину, обумовлена газоаерозольними викидом
АЕС.
При аналізі данних було виявлено, що
доза опромінення залежить:
по-перше, від сили викиду;
по-друге, від відстані до станції;
по-третє, від концентрації речовин
після викиду в місці „приземлення”;
по-четверте, від природних умов.
Приймаючи це до уваги можна зоробити
висновок, що для забезпечення безпеки життєдіяльності людини необхідно
проводити контроль продуктів харчування, так як саме через продукти в організм
можуть потрапити найбільш небезпечні речовини. Доза зовнішнього опромінення
майже завжди (крім випадків аварій) знаходиться в безпечному діапазоні, навіть
якщо людина проживає в зоні 1.
8. Розрахунок техніко-економічних
показників блоку
.1 Вихідні дані
У даному пункті коротко приводяться
виробничі характеристики АЕС: потужність, річний виробіток і відпустка электро
і теплової енергії, чисельність працюючих і ін.
Таблиця 8.1.
«Вихідні
дані»
|
Показник
|
Величина
|
|
Встановлена електрична
потужність
енергоблоку,
Ру, МВт
|
1000
|
|
Кількість годин використання встановленої електричної
потужності
блоку за рік, hy, год
|
6500
|
|
Річна
відпустка теплової енергії, Qотп, млн.
ГДж
|
1,9
|
|
Витрата
електричної енергії на технологічні нестатки, Кс. н., %
|
6,35
|
|
Питомі
капіталовкладення, , грн/кВт2000
|
|
|
Штатний
коефіцієнт для експлуатаційного персоналу, nэшт, чол/МВт
|
0,48
|
|
Середньорічна
зарплата з нарахуваннями на одного працюючого, , грн/чол. рік12800
|
|
|
Ціна
палива, Цт, грн/кг
|
5600
|
|
Глибина
вигоряння палива, b, МВт-сут/т
|
32000
|
|
ККД блоку
брутто, n бр
|
0,333
|
|
Тариф
на електричну енергію, Те, коп/кВт-год
|
12,0
|
|
Тариф
на теплову енергію, Tq, грн/ГДж
|
15,0
|
8.2 Розрахунок
капітальних вкладень і оцінка вартості основних фондів АЕС
Витрати, зв'язані з будівництвом і пуском в
експлуатацію АЕС називаються капітальними. У Таблиця 8.1. приводяться значення
питомих капітальних вкладень по залишковій вартості з урахуванням зносу.
Аналогічно визначаються й основні фонди (їхня вартість на даний момент часу).
,
де
коефіцієнт вкладень
до основних фондів;
питомі капіталовкладення;
встановлена електрична потужність.
Капітальні витрати (вкладення)
обчислимо за формулою:
Основні виробничі фонди АЕС:
.3 Оцінка вартості оборотних коштів
АЕС
Для здійснення безупинної роботи
АЕС, придбання
палива
і запасних частин для проведення ремонтів необхідні кошти, що
визначаються:
де
частка
оборотних коштів у вартості палива;
вартість оборотних коштів АЕС, грн,
завантаження одного реактора
паливом, т,
приймаємо для ВВЕР
ціна палива, за 1 кг, грн.
.4 Розрахунок обсягу вироблення і
відпустки електричної енергії
У даних розрахунках річна виробнича
програма АЕС виражається в натуральних величинах через вироблення енергії.
Річний виробіток електроенергії:
де
встановлена
електрична потужність, МВт;
кількість годин використання
встановленої елетричної потужності, год.
Річна відпустка
електроенергії із шин АЕС:
де Кс.н. - витрата
електроенергії на технологічні нестатки, %.
Річна відпустка теплової
енергії від АЕС:
8.5 Розрахунок сумарних
річних експлуатаційних витрат, зв'язаних з виробництвом і відпусткою
електричної і теплової енергії
Виробничі витрати АЕС
складають суму грошових витрат на придбання палива, реагентів, інших
матеріалів, витрати на воду, зарплату персоналу АЕС, амортизація основних
фондів, управлінські витрати та інше.
Річні витрати на ядерне
паливо:
де Ру - встановлена
електрична потужність, МВт,
φ -
коефіцієнт навантаження реактора,
φ = hy / TK =6500
/ 8760
= 0,742
Цт -
ціна 1 кг палива, грн/кг,
η6p -
ККД брутто енергоблоку,
b -
глибина вигоряння палива, МВт-сут/т.
hу-
кількість годин використання встановленоїелектричної потужності,
Тк -
календарний час року (Тк =8760 год)
Річні амортизаційні витрати:
де Ф0 - вартість основних
виробничих фондів АЕС, грн.,
- усереднена
норма амортизаційних відрахувань (
=15%),
Річні витрати на ремонт
устаткування (основних фондів) АЕС:
Річні витрати на зарплату
експлуатаційного персоналу:
n3шт -
штатний
коефіцієнт
для експлуатаційного персоналу, чол./МВт,
Фзп- середньорічна зарплата з
нарахуваннями для експлуатаційного персоналу, грн/чол. рік.
Ру - встановлена електрична
потужність, МВт.
Інші експлуатаційні витрати:
де Иа - витрати на
амортизацію, грн., Изп - витрати на зарплату, грн., Ирем- витрати на ремонт,
грн.
Сума значень усіх витрат дає
значення сумарних річних експлуатаційних витрат, зв'язаних з виробництвом
енергії.
Структура виробничих витрат
приводиться в Таблиця 8.2., де частка складової собівартості визначається по
формулі:
γі
= Иі / И∑
де, γі
- частка складової собівартості по i-ому напряму витрат;
Иі -
витрати по напряму;
И∑ - сумарні витрати.
Результати розрахунку зведемо в
таблицю 8.2:
Таблиця 8.2. Дані розрахунку експлуатаційних
витрат по АЕС
|
Стаття витрат
|
Величина, млн. грн.
|
в % до підсумку, γі
|
|
1. Паливо , Ит
|
142,32
|
27,81
|
|
2. Амортизація, Иа
|
270
|
52,77
|
|
3. Ремонт, Ирем
|
45
|
8,79
|
|
4. Зарплата, Изп
|
6,144
|
1,2
|
|
5. Інше, Ипр
|
48,17
|
9,41
|
|
Разом
|
511,63
|
100
|
8.6 Розрахунок собівартості одиниці
електричної і теплової енергії
У ряді техніко-економічних
показників роботи АЕС, дані показники є інтегруючими і мають велике значення
для аналізу виробничої діяльності будь-якого підприємства. Проблема калькуляції
собівартості одиниць продукції на АЕС полягає в тому, що необхідно сумарні
витрати розділити між двома видами енергій. Це здійснюється по спеціальній
методиці.
Групуємо сумарні витрати таким
чином:
-а група Ик
(капітальна складова)
де Иа - амортизація, Ир- ремонт,
2-а група Ит (паливна
складова) =
-а група Ичф
(людський чинник)
Розподіляємо групи витрат між
двома видами енергії (електричної і теплової) таким чином:
Паливна складова собівартості
між двома видами енергії розподіляється:
а) на вироблення
електроенергії:
де Кэ- коефіцієнт відношення витрат
на електроенергію (приймаємо Кэ= 0, 97).
б) на вироблення теплової енергії:
Капітальна складова Ик
розподіляється між двома видами енергій електричної і теплової (собівартість 1
1 кВт ×год і собівартість
1 ГДж тепла).
Игк - витрати на
виробництво електроенергії пов'язані з витратами на гідроспоруди;
Иэо -
витрати на електроенергію, пов'язані з експлуатацією електроустаткування;
Иобщк -
загальні витрати на всі види продукції, пов'язані з виробництвом
електроенергії;
Ик(э) - величина загальних витрат, що
відносяться до виробництва електроенергії;
Иэк - сумарна капітальна складова собівартості
продукції, що відноситься до виробництва електроенергії;
Иб - витрати на бойлерні і мережні насоси;
Ик(q)
- величина витрат, що відносяться до теплової енергії;
Иqк
- сумарна капітальна складова, що відноситься, до виробництва теплової
енергії;
Кэ = 0,97 - коефіцієнт відношення витрат на
електроенергію.
Розрахунок позначених величин представлений в
Таблиця 8.3
Таблиця 8.3.
«Розподіл
капітальної складової собівартості продукції АЕС між двома видами енергії».
|
Витрати
|
На
електроенергію
|
На
теплову енергію
|
|
1.
Витрати,
що відносяться до даного виду енергії
|
Гідроспоруди: Игк =0,08 ×Ик = = 0,08×315×106= = 25,2×106 грн Електроустаткування: Иэо =
0,09
×Ик
= 0,09×315×106 = =28,35×106грн =22,79×106грн
|
Бойлера,
мережні
насоси: Иб
=
0,01×
Ик = =
0,01×315×106 = 3,15×106 грн.
|
|
2.
Загальні
витрати на всі види продукції
|
Иобщк
=
Ик-(
Игк +Иэо+Иб) =
= 315×106
-(25,2×106 +28,35×106 + 3,15×10б) =258,3×106 грн
|
|
3.
Величина
загальних витрат, що відносяться до даного виду енергії
|
Ик(э)
= Иобщк ×Кэ = =258,3×106×0,97
=250,55×106 грн
|
Ик(q) =Иобщк ×(1- Кэ) = 258,3×106
×(1-0,97) = 7,749×106 грн
|
|
4.
Сумарна
капітальна складова собівартості продукції
|
Иэк
= Ик(э) + Игк + Иэо = =250,55×106+25,2×106 + +28,35×106 = = 304,1×106грн
|
Иqк = Ик(q) +Иб = =7,749×106 +3,15× 106 =10,9×106 грн
|
|
|
|
|
Перевірка:
Ик = Игк +Иqк
=315×106
грн
= 304,1×106 грн
+10,9×106 грн
Складова собівартості, пов'язана з
«людським фактором» розподіляється :
а) на вироблення
електроенергії:.
Иэчф=Ичф ×Кэ=
54,31×106×0,97
= 52,68×10бгрн;
б) на вироблення
теплової енергії:
Иqчф
=Ичф -Иэчф =54,31× 106 - 52,68×106
=1,63×106 грн
Сумарні річні експлуатаційні
витрати, пов'язані з виробленням і відпусткою електроенергії із шин АЕС.
Иэ = Иэт + Иэк + Иэчф =
138,05×106 + 304,1×106+52,68×106 =494,83×106грн.
Сумарні річні експлуатаційні
витрати, зв'язані з відпусткою теплової енергії:
Иq
= Иqт + Иqк
+ Иqчф =4,27
×106+10,9×106+1,63×106 =16,8×10б
грн.
Собівартість 1 кВт
год.
виробленої електроенергії:
Cв =
Иэ ×102
/ Wв
=494,83
×108 / 6,5×109 =7,61 коп/кВт
год
Собівартість 1 кВт
год
відпущеної споживачам електроенергії:
Cотп
=Иэ×102
/ Wотп=494,83
×108
/6,087
×109 =8,13
коп/кВт
год
Собівартість одного ГДж відпущеної
споживачам теплової енергії:
= Иq
/Qотп = 16,8×106 / 1,9 ×106 =8,84 грн/ГДж
8.7 Визначення загального прибутку,
рентабельності і беззбиткового
обсягу виробництва електроенергії на АЕС
Загальний прибуток:
П = (Tэ-Comn)×Womn
×10-2 + (Tq
-Cq)×Qomn
= (12,0-8,13)×
6,087 ×109×10-2 +(15,0-8,84)×1,9×106=236,92×106
грн.
де Тэ і
Tq- тарифи
на ел. и теплову енергії
Рентабельність АЕС:
R
= (П / Ф0+Oc )×100% =(236,92×106
/
1,8×109+851,2×106
)×100% = 8,93%
Величина беззбиткового обсягу
виробництва.
З погляду маркетингу в енергетиці
для АЕС має велике значення величина річного обсягу відпустки споживачам
електроенергії. Якщо Wотn<WKp, тоді АЕС працює збитково. Для перевірки на
беззбитковість роботи визначають величину Wкр - критичне вироблення по формулі:
Wкр =
(Иэ - Иэт) / (Tэ-Cm )×10-2
= 494,83
×106-138,05×106/
(12,0-2,26)×10-2
=3,66×109 кВт
год
де Cm -
паливна складової собівартості одного кВт
год відпущеної споживачам
електроенергії, коп:
Cm = Иэт×102/ Womn = 138,
05
10б/6, 087
109 = 2,26 коп/(кВт
год)
Так як Womn > Wкр , то робимо
висновок, що підприємство працює прибутково.
.8 Зведені техніко-економічні
показники роботи
АЕС за рік
Для техніко-економічного аналізу
показників роботи АЕС за один рік, в таблиці 8.4 приведені їх значення.
Таблиця 8.4. «Зведена таблиця
техніко-економічних показників»
|
Показники
|
Величина
|
|
1
|
Річна відпустка електроенергії з шин АЕС, млрд.кВт·год,
Wотп.
|
6,087
|
|
2
|
Річна відпустка тепла споживачам, млн.ГДж
|
1,9
|
|
3
|
Основні фонди АЕС, млн. грн.
|
1800
|
|
4
|
Оборотні кошти, млн. грн.
|
851,2
|
|
5
|
Сума щорічних експлуатаційних витрат АЕС, млн.
грн.
|
511,6
|
|
6
|
Собівартість 1 кВт год
відпущеної електроенергії, коп.8,13
|
|
|
7
|
Собівартість 1 ГДж теплової енергії відпущеної
з АЕС, грн.
|
8,84
|
|
8
|
Об'єм беззбиткового виробництва і відпустки
електроенергії, млрд. кВт год3,36
|
|
|
9
|
Очікуваний прибуток, млн. грн.
|
236,92
|
|
10
|
Очікувана рентабельність %
|
8,93
|
Враховуючи те, що
внаслідок данного заходу зростає:
надійність роботи енергоблоку;
зростає кількість годин роботи
енергоблоку за рік, а це в свою чергу приводить до додаткового вироблення
електричної енергії.
Додаткове виробництво електричної
енергії приводить до знижки собівартості виробленої електричної енергії і
підвищенню прибутку.
У нашому випадку додаткове
виробництво електричної енергії в наслідок запровадження данного заходу
визначається за формулою:
ΔW=
Py ∙
K3 ∙ Δt
= 1000000 ∙ 72 ∙ 0,87= 0,0626 ∙ 109 кВт ∙ год
Py
- встановлена електрична потужність блоку
K3
- коефіцієнт завантаження, приблизно 0,87
Δt
- час додаткової роботи енергоблоку, в нашому випадку 72 год.
Собівартість одного виробленого кВт∙год
внаслідок запровадження данного заходу визначається за формулою:
C2=
C1│1+ αn(W1
⁄ W1
+ ΔW -1)│
αn
- частка умовно постійних витрат собівартості продукції;
Маємо:
αn=
1- Um ⁄
Uсум = 1- 142,32 ⁄
511,6= 0,28
C2=7,61│1+
0,28(6.5∙109 ⁄ 6,5 ∙109 + 0,0626∙109 -1)│= 7,58
коп/кВт∙год
Річний економічний ефект
визначається за формулою:
Е2=(C1-
C2) ∙ (W1
+ ΔW) ∙10-2
Е2=(7,61- 7,58) ∙ (6,5∙
109 + 0,0626∙ 109 ) ∙10-2 = 0,19∙ 107 грн.
Висновок. У
даному розділі були розраховані техніко-економічні показники енергоблоку з
реактором ВВЕР-1000.
Виконуючи розрахунок,
одержали собівартість 1 кВт·час відпущеної електроенергії 8,13 коп. і
собівартість 1 ГДж теплової енергії відпущеної з АЕС складає 8,84 грн. Запланована
річна відпустка електроенергії з шин АЕС 6,087 млрд.кВт·год і річна відпустка
теплової енергії споживачам складає 1,9 млн.ГДж. З погляду маркетингу в
енергетиці АЕС має значення величина річного об'єму відпустки електроенергії
споживачам. Порівнюючи величину беззбиткового обсягу виробництва електроенергії
Wкр=3,66
109кВт·год і
відпущену електроенергію із шин АЕС, Wотп=6,087
109 кВт·год, одержуємо Wотп >
Wкр. Можна зробити висновок, що дана АЕС рентабельна, тобто працює беззбитково,
тому виторг від реалізації відпущеної електроенергії перекриває її накладні
витрати і очікуваний прибуток складе 236,92 млн.грн.
Рівень рентабельності для
розрахованої АЕС склав 8,93 %, що менше, ніж на діючих АЕС. Низький рівень
рентабельності поясняється тим, що висока собівартість основних фондів і
невеликий прибуток через високу собівартість електроенергії. Висока
собівартість визначається великими питними капітальними вкладеннями, а також
великою собівартістю палива.
Великі капітальні вкладення дають
велику суму амортизаційних витрат.
Висновок
У данному дипломному проекті був
виконаний розрахунок реактора ВВЕР-1000. В результаті проведеного
теплогідравлічного і нейтронно-фізичного розрахунків активної зони були
отримані величини, аналізуючи які, можна зробити висновки, що вибраний варіант
задовольняє вимогам по теплотехнічній надійності. За температурними показниками
всі розраховані температури не перевищують припустимих величин, що не
призводить до скипання теплоносія на поверхні ТВЕЛа і розплавленню пального.
За результатами розрахунку
побудований графік залежності Кеф= f(t) і визначено тривалість кампанії
реактора. Для компенсації надмірної реактивності для «холодного» неотруєного
реактора розрахована ефективність поглинаючих стрижнів, визначена їх сумарна
компенсуюча здатність, а також визначена концентрація борної кислоти у воді.
При розрахунку теплової схеми з
турбоустановкою К-1000-60/3000 визначені параметри основного конденсату і
живильної води, а також відносні витрати робочого тіла по елементах схеми турбоустановки.
В індивідуальному завданні
розглянутий вплив нейтронного потоку на матеріал оболонки ТВЕЛу. В роботі
детально досліджена структура і динаміка кристалічних грат твердих розчинів на
основі діоксиду цирконію. На прикладі листового сплаву Zr - 1% Nb
експериментально виявлена кристалографічна переорієнтація зерен у вершині
тріщини, що рухається, що становить інтерес як з наукової, так і з практичної
точок зору.
Визначені основні техніко-економічні
показники енергоблоку з реактором типу ВВЕР-1000. За даними техніко-економічних
показників можна сказати, що дана АЕС рентабельна, тобто працює беззбитково,
тому виторг від реалізації відпущеної електроенергії перекриває її накладні
витрати.
Викладені основні питання
радіаційної безпеки на АЕС, такі як: джерела радіаційної небезпеки, захист від
випромінювань, утримання виробничих приміщень і т.д. Опрацьовані питання
охорони праці, яким надається особлива увага на АЕС, а саме: техніка безпеки,
електро- і пожежна безпека, виробнича санітарія.
Список використаної
літератури
1.
Рівкін С.Л., Александров А.А. «Теплофізичні
властивості води і водяної пари».
М.: «Енергія»,
1980
2. Верхівкер
Г. П. Тепло-гідравлічний і нейтронно-фізичний розрахунки ядерного реактора типу
ВВЕР. Одеса, ОГПУ, 1995.
3. Вишняков
Я.Д., Бабареко А.А., Владимиров С.А. «Теорія
утворення текстур у металах і сплавах».
М.: Наука, 1979.
4. Галузевий
каталог. «Паротурбінні
енергетичні установки». М.: 1984.
5. Урсу
І.
«Фізика
і
технологія ядерних матеріалів».
М.: Енергоатоміздат. 1988.
6. Бартоломій Г.Г., Бать ГА.,
Байбаков В.Д., Алхутов М.С. «Основи теорії і методи розрахунку ядерних
енергетичних реакторів». М.: Енергоатоміздат, 1989.
7. Гольцев
В.Ю., Зеленський А.В. «Зони
локалізації пластичної деформації в попередньо деформованих тонколистих
пластичних матеріалах». М.:
Енергоатоміздат. 1984.
8. Херцберг Р.В. «Деформація
і механіка руйнування конструкційних матеріалів».
М.: Металургія. 1989.
. Iсаенкова
М.Г., Перлович Ю.А. «Кінетика і
механізми текстуроутворення в альфа-цирконії при прокаті».-
«Фізика
металів і металознавство».:
1987, т.64, вип.1.
10. Iсаенкова
М.Г., Перлович Ю.А. « Роль двійникування
у
розвитку текстури деформації»,
1991, №5.
11. Вассерман
Г., Гревен І. «Текстури
металевих матеріалів». М.:
Металургія, 1969.
12. Iсаенкова
М.Г., Перлович Ю.А. «Пепреоріентація
кристалів альфа-цирконію при прокаті».-
Метали. 1987, №3.
13
СНіП || -2-80 Протипожежні норми проектування будинків і споруджень. Норми
проектування. М.: Стройіздат, 1962.
14. Долін
П.А. Довідник . по техніці безпеки. М.: Енергоатоміздат. 1984.
15. Бабаев
В.В., Єгоров Ю.А. Охорона
навколишнього середовища при експлуатації АЕС. М.: Енергоатоміздат. 1984.
16. Гусєв
Н.Г., Бєляєв В.А. Радіоактивні викиди в біосфері. М.: Енергоатоміздат. 1991.
17. Александров
В.І., Воронько Ю.К. «Дослідження
структурних перетворень у твердих розчинах на основі діоксиду цирконію і гафнію
методом комбінаційного розсіювання світла».
ФТТ. 1978.
18. Бібілашвілі Ю.К.
«Приймальні критерії, що використовуються при ліцензуванні твелів для ВВЕР».
Доклад.
19. Бібілашвілі Ю.К. «Розробка,
виробництво і експлуатація тепловиділяючих елементів енергетичних реакторів»,
Москва: «Енергоатоміздат», 1995.
. Бек Е.Г., Єнін А.А., Іванов
А.В. «Стан оболонок відпрацьованих твелів ВВЕР». Атлас.