Разработка транзисторного преобразователя и схемы управления двигателем АИР71А2
КУРСОВАЯ РАБОТА
по предмету "Электронные
устройства систем автоматизации"
Задание
Разработать транзисторный преобразователь и схему управления
двигателем АИР71А2, ключевые элементы - транзисторы, напряжение питания 220В.
Выбираем электродвигатель
АИР71А2
M = 2,6Нм
U = 220 В
I = 1,3 А
n = 3000 об/мин
P = 0,75 кВт
КПД = 79%
Введение
Для современного этапа научно-технического прогресса
свойственно непрерывное совершенствование элементной базы электроники в
устройствах измерения, обработки информации и управления. Широкое применение
микросхемотехники привело к развитию нового этапа комплексной автоматизации -
гибким автоматизированным производствам, управление которыми основано на
широком применении микропроцессоров и микроЭВМ. Электроника и микросхемотехника
обеспечивают автоматизированное управление технологическими процессами,
научными исследованиями, отдельными объектами.
Серия АИР имеет исполнение для использования в разных
климатических условиях. Применяются в электрических приводах, которые не
требуют систематической регулировки частоты вращения вала. Чаще всего такие
двигатели применяют в насосах, различных редукторах, вентиляторах.
1. Анализ
схемной реализации устройства
Транзисторные преобразователи для управления
трехфазным асинхронным двигателем.
Принципы построения и управления.
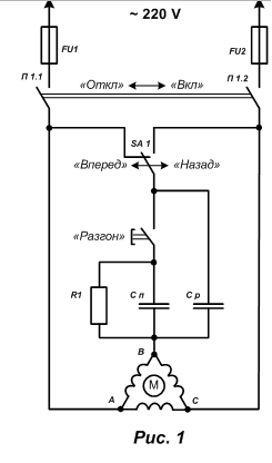
Принципиальная схема двигателя приведена на рисунке ниже
Электродвигатель имеет две общие обмотки, расположенные в
пазах статора. Обмотка 1 называется главной (обмоткой возбуждения) и постоянно
находится под напряжением. На другую обмотку 2 (обмотка управления) напряжение
через управляющий усилитель 3 подаётся лишь тогда, когда требуется привести вал
4 двигателя во вращение. От величины напряжения на обмотке управления зависит
скорость вращения и механическая мощность, развиваемая электродвигателем.
Для ЭМС переменного тока необходим синусоидальный источник
питания, с возможностью изменения величин (частот, амплитуд, фаз, форм
напряжений), что реализуется с помощью преобразовательных устройств, в качестве
которых используются автономные инверторы.
Поскольку, кроме частоты и амплитуды, управляющими
переменными могут быть так же фаза и форма питающих напряжений, применяются
автономные инверторы с широтно-импульсной модуляции по синусоидальному закону.
Для управления двигателями широко применяются
широтно-импульсные транзисторные преобразователи различного типа, например,
реверсивный широтно-импульсный преобразователь
Транзисторы в преобразователях работают в ключевом режиме с
целью максимального использования допустимой мощности вентиля.
Питание преобразователя часто осуществляется от
неуправляемого выпрямителя, на выходе которого устанавливается фильтр.
Возможны два варианта управления транзисторным мостом:
симметричное и несимметричное.
В первом случае к нагрузке прикладывается разнополярное
напряжение, во втором знакопостоянное.
Применение транзисторных выпрямителей в качестве
преобразователей имеет ряд особенностей, которые влияют на механические и
регулировочные характеристики электроприводов.
дискретность регулирования;
влияние параметров преобразователя на статические
характеристики электродвигателя;
прерывистость тока обмотки якоря при малых моментах нагрузки.
Важной особенностью транзисторов является то, что они могут
работать на более высоких частотах, чем тиристоры. По сравнению с тиристорами
транзисторы легко закрываются, что исключает необходимость применять
специальные схемы искусственной коммутации и этим существенно упрощают управление
преобразователем.
2.
Статический расчёт транзисторного ключа
Максимальный ток коллектора выходного транзистора VТ1 определяется
максимальным током фазы
Ik1max=Imax=1,3А.
Максимальное напряжение на запертом транзисторе для инвертора
мостового типа равно напряжению питания инвертора
Uэк1max=Uп=220 В
Выберем транзистор типа КТ809А (n-p-n), имеющий статический
коэффициент передачи тока в схеме с общим эмиттером h21эmax=15…100 и следующие
предельно допустимые параметры: Ikmax=3A, Uэкmax=400 В.
С целью повышения надёжности ключа и обеспечения пассивного
запирания выходного транзистора даже при исчезновении напряжения питания
запирающего источника включают параллельно переходу база-эмиттер резистор R1=10 Ом.
При больших коэффициентах форсировки скважность отпирающих
импульсов, поступающих на ключ, мала, и максимальное значение среднего тока,
протекающего через обратный диод VD1, равно току фазы Iсрmax=Iфmax=1,3А. Максимальное
обратное напряжение диода равно напряжению питания инвертора Uобрmax=Uп=380 В.
В качестве обратного диода выбираем высокочастотный диод типа
2Д220Д со следующими предельно допустимыми параметрами Uобрmax=400В, Iсрmax=3А.
С учётом максимального напряжения насыщения база-эмиттер
транзистора VT1 Uбэнас=4В определим максимальный ток коллектора транзистора VT2 в режиме насыщения
Ik2max=Iб1+IR1=Ik1max/h21max + Uбэнас/R1 = 1,3/100 + 4/10 =
0,413А
Максимальное напряжение на запертом транзисторе VT2 равно напряжению
питания инвертора Uкэmax=380 В. В целях унификации типов силовых
транзисторов в качестве VT2 выбираем транзистор КТ809А.
Сопротивление резистора R2 примем равным 10 Ом.
Определим ток, протекающий в резисторе R3, необходимый для
отпирания составного транзистора:
IR3отп=Iб2+IR2=Kнас*Ik2max/h12э2max+Uбэ2нас/R2=1,5*0,413/100+4/10=0.406
А,
где Кнас=1,5.
Напряжение отпирающего источника Uп1 определим следующим
образом. При включении оптрона транзисторы VT6 и VT5 из состояния отсечки
переходят в активный режим работы, а напряжение Uэк5 составляет несколько
вольт (насыщение VT6 и VT5 недопустимо по условиям максимального быстродействия
фотоусилителя). При этом напряжение на выходе эмиттерного повторителя на
транзисторах VT3 и VT4: Uэп=Uп1-Uэк5-Uбэ3 должно превышать Uбэ1нас+Uбэ2нас на величину, достаточную для создания в
сопротивлении R3
требуемого тока. Таким образом,Uп1 должно быть больше:
Uбэ1нас+Uбэ2нас+Uкэ5+Uбэ3=4+4+3+1=12В.
Примем Uп1=24В,Uп2=-24В - напряжение питающего источника. Транзистор VT3 выбираем по
максимальному току коллектора Ik3max=IR3отп=0,406 А и максимальному
обратному напряжению Uk3max=2Uп1=48В.
В целях унификации выбираем транзистор КТ809А. Зная ток
эмиттера VT3, при отпирании составного транзистора, определим ток базы
Iбэ3=IR3отп/ (h21э3min+1) =0.406/16=0.027=27мА
ЗадаваяUэк3=3В, определим сопротивление резистора R3, необходимое для
отпирания составного транзистора.
R3= (Uп1-Uэк5-Uбэ3-Uбэ1нас-Uбэ2нас) /IR3отп= (24-3-1-4-4) /0,406=29,5 Ом
Выбираем из номинального ряда R3=30 Ом.
Определим ток базы транзистора VT1, необходимый для его
запирания, задавая коэффициент запирания равным 1:
Iб13=Kзап (Ik1max/ (h21эmin+1)) =1*1.3/16=0.08А.
Этот ток складывается из тока активного и пассивного
запирания:
Iб1зап=Iб1пас+Iб1акт=Uбэ1насmin/R1+ (-Uэпзап+Uбэ1насmin-Uд2) /R3.
Выбирая в качестве VD2 высокочастотный диод 2Д220Д, имеющий следующие
предельно допустимые параметры: Iпрmax=3А, Iимпmax=60А, Uобрmax=400В и прямое падение
напряжения Uд2, не превышающее 1В, найдём:
Uэпзап=- ( (Iб1зап*R1*R3-Uбэ1насmin*R3+ (Uбэ1насmin-Uд2)) /R1) =
=- (0.08*10*30-4*30+ (4-1)) /10=-9.3В
Транзистор VT4 выбираем по максимальному току коллектора и
максимальному обратному напряжению
Ik4max=Iб1акт= (-Uэпзап+Uбэ1насmin-Uд2) /R3= (9,3+4-1) /30=0,41А, Uэк4max=48В.
Выбираем транзистор КТ809А. При запирании VT4 переходит в активный
режим и его ток базы равен:
Iб4=Iб1акт/ (h21э4min+1) =0,41/16=0,03А
При этом Uэб4=1В, а падение напряжения на сопротивление R4 равно
UR4=Uэпзап-Uэб4+Uп2=-9,3-1+24=13,7В
Считая VT1, VT2 и VT3 запертыми и пренебрегая обратными токами
коллекторов этих транзисторов, определим:
R4=UR4/Iб4=13,7/0,03=457 Ом
Сопротивление R7 рассчитывается из условия получения заданного прямого тока
светодиода Iпрсд=0,02А.
R7= (Uп3-Uо-Uпрсд) /Iпрсд= (5-0,3-1,25) /0,02=172,5 Ом, принимаем 180 Ом.
Где Uпрсд - прямое падение напряжения на светодиоде, Uо - напряжение логического
нуля микросхемы, управляющей ключом. С учётом коэффициента передачи тока для
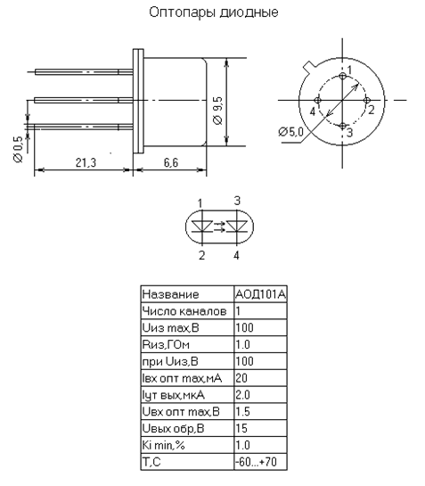
оптрона АОД101А, равного KI=1%, получим ток фотодиода
Iфд=Iб6=KIIпрсд=0,2мА
В качестве транзисторов VT5 и VT6 фотоусилителя выберем
высокочастотные транзисторы типа КТ809Асо следующими параметрами:
Iкmax=3А, Uэкmax=400В, h21э6=15…100.
Определим токи коллектора и эмиттера VT6 при включении ключа
Iкб=h21э6min*Iб6=15*0,2=3мА, Iэб= (h21э6min+1) *Iб6= (16) *0,2=3,2мА
Ток базы транзистора VT3
Iб3=IR3отп/ (h21э3min+1) =0,406/16=25мА
Ток, протекающий через R4:
IR4= (Uп1-Uэк5-Uп2) /R4= (24-3+24) /470=95мА
Ток коллектора транзистора VT5
Iк5=Iб3+IR4-Iэб=25+95-3,2=117мА
Ток базы транзистора VT5 и соответствующее ему
падение напряжение на переходе база-эмиттер.
Iб5=Ik5/h21э5min=117/15=8mA; Uэб5=0,8В
R6=Uэб5/ (Iэб-Iб5) =0.8/ (8-3,2) =160 Ом
Напряжение, приложенное к переход у эмиттер - коллектор VT6 и резистору R5:
Uэк6+UR5=Uэк5-Uэб5=3-0,8=2,2В
Для нормальной работы VT6 в режиме усиления
должно быть не меньше 1,5В, следовательно,UR5=2,2-1.5=0.7В. Зная ток IR5, определяем
сопротивление резистора R5=233Ом. Примем R5=250 Ом.
3.
Динамический расчёт
Определим по каталогу граничные частоты коэффициентов
передачи в схеме с общим эмиттером для транзисторов, входящих в состав ключа:
МГц;
МГц.
Собственные постоянные времени транзисторов при работе в активной
зоне
;
мкс;
мкс
Так для силовых транзисторов VT1 и VT2 в справочной литературе не указаны динамические параметры, примем
их постоянные времени наибольшими из возможных для класса диффузионных
транзисторов (0,01÷0,3
мкс):
мкс;
Время включения и выключения оптрона соизмеримо с постоянными
времени транзисторов и также должно учитываться:
мкс.
Расчет времени включения ключа будем проводить, приняв следующие
допущения: ток базы VT6 меняется по линейному закону за время
, ток базы каждого из последующих
транзисторов нарастает также линейно за время, равное времени включения
предыдущего транзистора. Так как относительная крутизна фронта базового тока, χ=tв (i+1) /ti где i - номер транзистора в ключе, для всех транзисторов принимаются
такие значения, что
>1, то время включения можно найти из
трансцендентного уравнения
Результаты расчетов сведены в таблицу.
|
Параметр
|
Транзистор
|
|
VT6
|
VT5
|
VT3
|
VT2
|
VT1
|
|
kнас
|
1
|
1
|
1
|
1,5
|
1
|
|
ti, мкс
|
0,016
|
0,016
|
0,005
|
0,3
|
0,3
|
c 
0,132/0,005
=26,40,137/0,3
=1,320,437/0,3
|
=1,46
|
|
|
|
|
|
|
tв, мкс
|
0,116
|
0,132
|
0,137
|
0,437
|
0,737
|
Таким образом, включение ключа происходит за время, не
превышающее 0,737мкс. При определении времени отключения учтем, что оно
складывается из времени включения транзистора VT4, которое можно считать
равным времени включения транзистора VT3 (0,137мкс), времени запирания VT2 (tз2), времени рассасывания
избыточного заряда VT1 (tр1), времени рассасывания VT2 (tр2).
Определим вначале запирающий базовый ток VT2
Iб2зап=4/10+20/30=0,4+0,6=1
Коэффициент запирания транзистора VT2
Kзап= (Iб2зап*h21э) /Ik2= (1*15) /0.4=3.75
Постоянная времени транзистора в режиме насыщения на порядок
превосходит постоянную времени в активной зоне. Примем
. Если предположить, что VT2 запирается идеальным импульсом базового
тока, то
С учетом времени нарастания тока, равного
, получим
За время рассасывания VT2, базовый ток успевает достичь
максимального значения, переходный процесс запирания VT2 соответствует реакции на идеальный импульс тока базы

Время запирания выходного транзистора ключа
Полное время отключения ключа
Оценим динамические потери в выходном транзисторе ключа, считая
предварительно, что частота ШИМ не превышает 20 кГц. Потери на этих перезарядах
коллекторной емкости и дополнительно потери в течение времени рассасывания
блокирующего диода учтем коэффициентом запаса, равным
Падение напряжения на переходе коллектор-эмиттер открытого ключа
UКЭ1=UБЭНАС1 + UБЭНАС2=4+4=8 В.
Потери в открытом транзисторе без учета пульсаций тока:
Суммарные потери мощности в выходном транзисторе в самом
неблагоприятном режиме работы инвертора
50 не превышает допустимых Ркдоп=50 Вт, что
свидетельствует о работоспособности спроектированного ключа. Формирование линии
переключения следует применять лишь с целью повышения надежности инвертора.
4. Расчёт
элементов формирующих линию включения транзисторов
При включении ключа с элементами, формирующими траектории
переключения транзистора, время переключения определяется скоростью нарастания
коллекторного тока, протекающего через дроссель L, обратный диод VD1 и транзистор VT1 в режиме насыщения,
,
где Iдоп - допустимое значение броска тока фазы.
Считая, это время таким же, как в ключе без формирующих элементов,
найдем требуемую индуктивность дросселя, приняв
Емкость C2 определили из условия, чтобы время
отключения ключа не превышало времени отключения без цепей формирования
траектории переключения
С2=
Примем C2=0,001 мкФ, сопротивление разрядного
резистора
В качестве разрядного диода VD3
выбираем высокочастотный диод КД212А. Оценим времена разряда дросселя и емкости
C2 после включения или отключения ключа. При выполнении условий,
справедливых в нашем случае, эти времена
можно определить так:
Как видно, отвод энергии, накопленной в реактивных элементах
ключа, требует достаточно большого времени. Если к очередному переключению эта
энергия не израсходуется полностью, то цель введения формирующих элементов не
будет достигнута. Поэтому
полное время включения и отключения ключа следует считать равным
5. Расчёт
мощности резисторов
PR1=U2БЭ1max/R1=4/10=0,4 Вт
PR2=U2БЭ2max/R2=4/10=0,4 Вт
PR3=I2R3отп*R3= (0,406) 2*30=4,9Вт
PR4=U2R4/R4= (13,7) 2/470=0,3Вт
PR5= U2R5/R5= (0,7) 2/250=0,002Вт
PR6=U2БЭ5max/R6= (0,8) 2/160=0,004Вт
PR7=I2пр. сд*R7= (0,02) 2*180=0,072 Вт
PR8=U2п/R8=
(380) 2/300=481Вт
1.
МЛТ - 0,125 - 10 Ом±5% - А ГОСТ
2825-67
2.
МЛТ - 0,125 - 10 Ом±5% - А ГОСТ
2825-67
3.
МЛТ - 0,125 - 30 Ом±5% - А ГОСТ
2825-67
4.
МЛТ - 0,125 - 470 Ом±5% - А ГОСТ
2825-67
5.
МЛТ - 0,125 - 250 Ом±5% - А ГОСТ
2825-67
6.
МЛТ - 0,125 - 160 Ом±5% - А ГОСТ
2825-67
7.
МЛТ - 0,125 - 180 Ом±5% - А ГОСТ
2825-60
ПЭВ - 100 - 300 Ом±5% - А ГОСТ 6513-66.
Транзистор КТ809А
Диод 2Д220Д
Оптопара диодная АОД101А
транзисторный преобразователь трехфазный
асинхронный двигатель
Литература
1. Справочник
по электрическим конденсаторам под редакцией Карабанова В.И., Преснякова В.И.
2. Справочник
по электрическим машинам Копылова Т.Г.
. Рассказчиков
Н.Г. "Электроника и полупроводниковые устройства системного
управления". Методические указания к курсовому проектированию.