Разработка системы электроснабжения завода по производству металлообрабатывающих станков
Введение
Энергетика, как отрасль народного хозяйства,
занимает ведущие позиции в экономики любого государства. Около 70% всей
вырабатываемой в нашей стране электроэнергии потребляется промышленными
предприятиями.
Для обеспечения питания промышленных электроприемников
создаются системы электроснабжения промышленных предприятий. Согласно [1],
системой электроснабжения (СЭС) называют совокупность электроустановок,
предназначенных для обеспечения потребителей электроэнергией.
Задача электроснабжения промышленных предприятий
возникла одновременно с широким внедрением электропривода в качестве движущей
силы различных машин и механизмов [2].
По мере развития электропотребления усложняются
и системы электроснабжения промышленных предприятий. В них включаются сети высоких
напряжений, распределительные сети, а в ряде случаев и сети промышленных ТЭЦ.
Появляется необходимость широкого внедрения систем автоматизации.
Специалисты в области электроснабжения должны
иметь глубокие знания целого комплекса вопросов проектирования и эксплуатации
электроустановок промышленных предприятий, так как именно при проектировании
формируется структура электроснабжения, и закладываются основные свойства,
определяющие ее технические, эксплуатационные и экономические показатели.
Целью данного дипломного проекта является
разработка экономичной, надежной, удобной в эксплуатации и безопасной системы
электроснабжения завода по производству металлообрабатывающих станков. В
проекте рассмотрены вопросы определения электрических нагрузок элементов СЭС,
выбора числа и мощности цеховых трансформаторов, расчета компенсации реактивной
мощности, определения условного центра электрических нагрузок.
На основании полученных данных разработана схема
электроснабжения предприятия на напряжение выше 1 кВ и схема сетей до 1 кВ,
связующих трансформаторные подстанции. Далее выполнен расчет токов короткого
замыкания, выбор сечений токоведущих элементов и электрических аппаратов
напряжением выше 1 кВ.
Отдельное внимание при проектировании уделено
определению технико-экономических показателей сравниваемых вариантов СЭС,
расчету системы релейной защиты и автоматики, электрическим измерениям,
вопросам учета и экономии электроэнергии, охране труда на предприятии.
В качестве спецвопроса в дипломном проекте
рассматривается возможность снижения расхода электроэнергии на нерегулируемый
электропривод производственных механизмов за счет замены малонагруженных
асинхронных электродвигателей, поскольку эффективное функционирование
электрического хозяйства любого предприятия невозможно без решения задач
экономии электроэнергии.
1. Краткое описание технологического процесса
Завод по производству металлообрабатывающих
станков специализируется на выпуске высокопроизводительного металлорежущего
оборудования по индивидуальным заказам для предприятий машиностроительной
отрасли. В состав завода входят основные производственные цеха, вспомогательные
цеха и склады. Генплан предприятия с сетью напряжением выше 1 кВ и картограммой
нагрузок представлен на листе 1 графической части.
Исходные материалы на склады завода поступают
автомобильным транспортом. Схема основных технологических потоков завода
приведена на рисунке 1.
Рисунок 1.1 - Схема основных технологических
потоков завода по производству металлообрабатывающих станков
В металлообрабатывающем цехе производится
обработка деталей и узлов оборудования, изготавливаемого на заводе. Рассматриваемый
цех имеет размеры 60 ×80 м.
Необходимые материалы, металл и отливки
поступают в металлообрабатывающий цех со склада металла. Изготовленные и
обработанные в отделениях механического цеха детали, части и узлы передаются в
инструментальный и сварочный цех завода.
В сборочном цехе осуществляются сборка,
испытания, отделочные операции. Детали и узлы к месту сборки подаются
рельсовыми передаточными тележками, кран-балками и электрокарами.
Сварочный цех предназначен для изготовления
деталей и узлов изделий, имеющих неразъемные соединения, выполненные
преимущественно сваркой. Размеры рассматриваемого цеха 70
× 90
м. Основным исходным материалом для производства металлоконструкция служит
прокат металлов. Могут выполняться комбинированные конструкции из поковок,
отливок, проката. После сварки изделия могут проходить комплекс дополнительной
обработки: механическую и термическую обработки, гидравлические испытания и
окраску. Передача металлоконструкций на соответствующие участки производится
кранами. Готовые изделия поступают в сборочный цех.
Инструментальный цех относятся к группе
вспомогательных цехов завода. В производственные функции инструментального
хозяйства входит проектирование и изготовление инструмента, получение готового
стандартизированного инструмента от других предприятий, хранение и выдача,
контроль ремонт и восстановление инструмента. Инструментальный цех находится в
ведении инструментального отдела завода.
В состав блока вспомогательных цехов входят
ремонтно-механический и электроремонтный цех. Ремонтное хозяйство предназначено
для выполнения совокупности работ по техническому обслуживанию, текущему,
среднему и капитальному ремонту заводского оборудования для обеспечения
наиболее эффективного его использования. Ремонт встроенного станочного электрооборудования
осуществляется совместно с ремонтом станков.
2. Характеристика потребителей электроэнергии
предприятия
Проектирование СЭС предприятий требует анализа
электроприемников и потребителей электроэнергии, на основе которого
определяются условия их рационального электроснабжения, схемы и конструктивное
выполнение электрических сетей, рассчитываются электрические нагрузки.
Потребители электроэнергии могут быть
классифицированы по множеству эксплуатационно-технических признаков, основными
из которых являются: назначение и место в производственном процессе, режим
работы, мощность и напряжение, род тока, территориальное размещение, надежность
электроснабжения, стабильность расположения. При проектировании СЭС достаточно
систематизировать потребителей электроэнергии по надежности электроснабжения,
режимам работы, мощности и напряжению, роду тока, а остальные признаки
использовать как вспомогательные [3].
Большинство потребителей электроэнергии
предприятия питаются переменным трехфазным током промышленной частоты 50 Гц на
номинальном напряжении 0,4 кВ и работают в продолжительном режиме.
Лампы электрического освещения и сварочные
установки представляют собой однофазную нагрузку, распределенную по фазам
трехфазной сети. Их наличие приводит к неравномерному распределению нагрузок по
фазам трехфазной сети и несимметрии напряжения. Несимметрию и колебания
напряжения вызывают также трехфазные дуговые печи литейного цеха.
На предприятии имеются установки повышенной
частоты, которые используются для плавки металлов в литейном цехе, нагрева под
закалку в термическом цехе, нагрева под ковку и штамповку в кузнечно-прессовом
цехе.
Мостовые кран, кран-балки, тельферы, конвейеры и
транспортеры, а также электросварочные установки работают в
повторно-кратковременном режиме. В кратковременном режиме работает подавляющее
большинство электроприводов вспомогательных механизмов металлорежущих станков.
Прокатные станы, дуговые электрические печи,
кузнечные машины, штамповочные прессы, сварочные установки и подъемно
транспортные устройства относятся к потребителям с резкопеременными и
толчкообразными нагрузками. Их наличие вызывает необходимость принятия мер по
снижению колебаний напряжения.
В соответствии с [1], по надежности
электроснабжения электроприемники делятся на три категории.
К первой категории относятся электроприемники,
нарушении электроснабжения которых может повлечь за собой опасность для жизни
людей, значительный ущерб народному хозяйству, повреждение дорогостоящего
основного оборудования, массовый брак продукции, расстройство сложного
технологического процесса.
Ко второй категории относятся электроприемники,
перерыв электроснабжения которых приводит к массовому недоотпуску продукции,
простоям рабочих, механизмов и промышленного транспорта.
К третьей категории относятся все остальные
электроприемники.
Понятие категории относится к электроприемникам,
а не к цехам и предприятию в целом. Подавляющее большинство потребителей
электроэнергии: технологические линии, производственные участки и цехи
представляют собой комплексы электроприемников различных категорий в
определенных сочетаниях. Если имеется относительно небольшое число
ответственных электроприемников, то способы их надежного питания необходимо
разрабатывать отдельно, не допуская отнесения других электроприемников к высшим
категориям, что приведет к неоправданным дополнительным капитальным вложениям.
К первой категории относятся компрессоры,
насосы, вентиляторы, прокатные станы, ответственные подъемно-транспортные
устройства, аварийное освещение. Кратковременный перерыв электроснабжения
компрессорной станции, снабжающей сжатым воздухом литейный цех завода, приводит
к остановке цеха на время до одного часа [3].
Электродвигатели приводов компрессоров и насосов
составляют подавляющую часть нагрузки компрессорной и должны обеспечиваться
электроэнергией от двух независимых взаимно резервируемых источников питания, а
перерыв их электроснабжения может быть допущен лишь на время действия
устройства автоматического включения резерва (АВР).
Основная масса электроприемников механизмов
производственных цехов относится ко второй категории по надежности
электроснабжения. Ко второй категории относятся также все плавильные печи,
поскольку они обладают значительной тепловой инерцией, а также нагревательные
установки промышленной и повышенной частоты. Эти электроприемники рекомендуется
обеспечивать электроэнергией от двух независимых взаиморезервирующих источников
питания. При нарушении электроснабжения от одного из источников питания
допустим перерыв их питания на время, необходимое для включения резервного
источника дежурным персоналом или оперативно-выездной бригадой. Допускается
осуществлять питание потребителей второй категории от одного трансформатора при
наличии централизованного резерва, если восстановление электроснабжения может
быть выполнено не более чем за сутки.
Большинство электроприемников блока
вспомогательных цехов и инструментального цеха предприятия относится к третьей
категории по надежности электроснабжения. Эти электроприемники могут иметь один
источник питания при условии, что перерывы электроснабжения, необходимые для
ремонта или замены отказавшего элемента СЭС, длятся не более суток.
3. Определение электрических нагрузок
Определение силовых электрических нагрузок
осуществляется методом расчетных коэффициентов. По данному методу расчетная
активная силовая нагрузка цеха определяется по выражению:
, (3.1)
где
- коэффициент расчетной нагрузки;
- коэффициент использования i-ой группы
однородных электроприемников;
- мощность i-ой группы
однородных электроприемников, кВт;
N -
количество групп электроприемников.
Величина
принимается
по ([4], табл. П7),
, (3.2)
где
- эффективное число
электроприемников;
- групповой коэффициент
использования;
- постоянная времени нагрева; для
шин до 1 кВ цеховых трансформаторов
ч.
Эффективное число электропремников можно
определить по выражению:
(3.3)
где
- номинальная мощность самого
мощного электропиемника группы, кВт.
Групповой коэффициент использования
(3.4)
Расчетная реактивная силовая нагрузка цеха
определяется по выражению:
, (3.5)
где
- среднее значение коэффициента
реактивной мощности i-ой группы электроприемников.
Нагрузку освещения определяем по
методу коэффициента спроса. По данному методу расчетная активная нагрузка
освещения цеха
(3.6)
где
- коэффициент спроса на освещение;
- удельная мощность общего
равномерного освещения, Вт/м2;
- площадь цеха, м2 ;
n -
количество этажей.
Поскольку удельная мощность общего
равномерного освещения приводится в справочниках для освещенности
= 100 лк,
коэффициента запаса
= 1,5 и КПД
светильника 100%, надо произвести пересчет
по выражению
(3.7)
где
- нормируемое значение
освещенности, лк;
- нормируемое значение коэффициента
запаса;
- КПД светильника.
Расчетная реактивная нагрузка
освещения определяется по выражению:
, (3.8)
где
- значение коэффициента реактивной
мощности освещения.
Расчетная активная мощность цеха в
целом
. (3.9)
Расчетная реактивная мощность цеха в
целом
. (3.10)
Полная расчетная мощность цеха
(3.11)
3.1 Выбор мощности оборудования и
его параметров
Выбор оборудования, его мощности, а
также максимальной мощности (мощность самого крупного электропиемника)
осуществляется с учетом специфики цехов. Все оборудование разбивается на группы
с одинаковыми
и
. Результаты
выбора сведены в таблицу 3.1.
Таблица 3.1 - Выбор оборудования
цехов и его параметров
|
Цех
|
Pуст,
кВт
|
Оборудование
|
P, кВт
|
Рн.max, кВт
|
 
|
|
|
|
|
|
|
|
|
|
|
|
1
|
2
|
3
|
4
|
5
|
6
|
7
|
8
|
9
|
|
1
|
Склад
металла и дополнительного оборудования
|
500
|
Вентиляторы
|
100
|
100
|
0,65
|
0,8
|
0,75
|
|
|
|
Кран-балки
|
300
|
|
0,1
|
0,5
|
1,73
|
|
|
|
Конвейер
|
250
|
|
0,4
|
0,75
|
0,88
|
|
2
|
Металлообрабатывающий
цех
|
2800
|
Вентиляторы
|
400
|
250
|
0,65
|
0,80
|
0,75
|
|
|
|
Горизонтально-ковочные
машины, ковочные молоты, штамповочные молоты
|
1000
|
|
0,16
|
0,50
|
1,73
|
|
|
|
Станки
токарно-револьверные, карусельные, горизонтально-расточные,
продольно-фрезерные, зубофрезерные, обрезные прессы
|
500
|
|
0,25
|
0,65
|
1,17
|
|
|
|
Мостовые
краны, электротельферы, контрольное оборудование
|
700
|
|
0,10
|
0,50
|
1,73
|
|
|
|
Машины
стыковой и точечной сварки
|
200
|
|
0,35
|
0,50
|
1,73
|
|
3
|
Сварочный
цех
|
2400
|
Вентиляторы
|
400
|
250
|
0,65
|
0,80
|
0,75
|
|
|
|
Прессы
гидравлические
|
500
|
|
0,25
|
0,65
|
1,17
|
|
|
|
Сварочные
трансформаторы для автоматической дуговой сварки и резки металлов
|
1150
|
|
0,35
|
0,50
|
1,73
|
|
|
|
Мостовые
краны, электротельферы, кран-балки, контрольное оборудование
|
350
|
|
0,10
|
0,50
|
1,73
|
|
4
|
Окрасочный
цех и гальванопокрытий
|
3300
|
Вентиляторы
|
400
|
300
|
0,65
|
0,8
|
0,75
|
|
|
|
Линия
гальванопокрытий
|
1200
|
|
0,7
|
0,8
|
0,75
|
|
|
|
Мостовые
краны, электротельферы, кран-балки, контрольное оборудование
|
500
|
|
0,1
|
0,5
|
1,73
|
|
|
|
Сушильное
оборудование
|
550
|
|
0,5
|
0,85
|
0,62
|
|
|
|
Ванны
ультразвуковой очистки, моечные машины
|
650
|
|
0,7
|
0,7
|
1,02
|
|
5
|
Сборочный
цех
|
3500
|
Вентиляторы
|
950
|
110
|
0,65
|
0,8
|
0,75
|
|
|
|
Прессы
гидравлические
|
1200
|
|
0,7
|
0,8
|
0,75
|
|
|
|
Станки
балансировочные, регулировочные, испытательные стенды, краны мостовые,
консольно-поворотные, кран-балки
|
500
|
|
0,1
|
0,5
|
1,73
|
|
|
|
Электрические
масляные ванны
|
550
|
|
0,5
|
0,85
|
0,62
|
|
|
|
Кран-балки,
электротельферы
|
650
|
|
0,7
|
0,7
|
1,02
|
|
6
|
Компрес-
Сорная
|
2200
|
Компрессоры
|
1800
|
200
|
0,70
|
0,85
|
0,62
|
|
|
|
Вентиляторы
|
400
|
|
0,65
|
0,80
|
0,75
|
|
7
|
Насосная
|
500
|
Вентиляторы
|
100
|
100
|
0,65
|
0,80
|
0,75
|
|
|
|
Насосы
|
250
|
|
0,70
|
0,85
|
0,62
|
|
|
|
Компрессоры
|
150
|
|
0,70
|
0,85
|
0,62
|
|
8
|
Склад
готовой Продукции
|
1700
|
Вентиляторы
|
150
|
70
|
0,65
|
0,80
|
0,75
|
|
|
|
Кран-балки
|
200
|
|
0,10
|
0,50
|
1,73
|
|
|
|
Транспортеры
|
250
|
|
0,40
|
0,75
|
0,88
|
|
|
|
Тельферы
|
100
|
|
0,10
|
0,50
|
1,73
|
|
9
|
Заводоуправление
(3 этажа)
|
600
|
Вентиляторы
|
100
|
50
|
0,65
|
0,80
|
0,75
|
|
|
|
Компьютеры,
Оргтехника
|
80
|
|
0,30
|
0,90
|
0,48
|
|
|
|
Нагревательные
приборы
|
120
|
|
0,50
|
0,85
|
0,62
|
|
|
|
Насосы
|
130
|
|
0,70
|
0,85
|
0,62
|
|
|
|
Кондиционеры
|
70
|
|
0,65
|
0,80
|
0,75
|
|
10
|
Инстру-ментальный
|
1700
|
Станки
(токарный, шлифовальный, фрезерный)
|
1000
|
200
|
0,16
|
0,50
|
1,73
|
|
|
|
Кран-балки
|
200
|
|
0,10
|
0,50
|
1,73
|
|
|
|
Прессы
|
150
|
|
0,17
|
0,65
|
1,17
|
|
|
|
Вентиляторы
|
350
|
|
0,65
|
0,80
|
0,75
|
|
11
|
Ремонтно-механический
цех
|
1200
|
Прессы
|
90
|
100
|
0,17
|
0,65
|
1,17
|
|
|
|
Вентиляторы
|
100
|
|
0,65
|
0,80
|
0,75
|
260
|
|
0,35
|
0,50
|
1,73
|
|
|
|
Ванна
моечная
|
150
|
|
0,60
|
0,85
|
0,62
|
|
|
|
Металлорежущие
станки мелкосерийного производства
|
400
|
|
0,16
|
0,50
|
1,73
|
|
|
|
Кран-балки
|
200
|
|
0,10
|
0,50
|
1,73
|
3.2 Определение расчетных электрических нагрузок
по цехам
Порядок расчета электрических нагрузок
рассмотрим на примере металлообрабатывающего цеха предприятия (цех №2). По
выражению (3.4) определяем значение группового коэффициента использования
.
Согласно (3.3) эффективное число
электроприемников
.
Определив значения
и
, по ([1],
табл. П7) методом линейного интерполирования находим значение коэффициента
расчетной нагрузки
.
По выражению (3.1) определяем
расчетную активную силовую нагрузку
кВт.
По выражению (3.5) определяем
расчетную реактивную силовую нагрузку
квар.
Для определения нагрузок освещения
необходимы следующие данные:
площадь цеха,
м2;
нормируемое значение освещенности
цеха, принимаем
лк;
коэффициент запаса,
.
Принимаем для установки в цехе
светильники типа ГСП04-400 с ДРИ-400 , для которых по ([5], табл. 6.6) тип
кривой света Д, КПД 60%. При высоте подвеса 8-12 м и площади свыше 1500 м2 по
([5], табл. 8.8) удельная мощность общего равномерного освещения
Вт / м2.
По выражению (3.7) производим пересчет удельной
мощности
Вт / м2.
Для производственных зданий,
состоящих из отдельных крупных пролетов, по ([4], стр. 195) коэффициент спроса
.
По выражению (3.6) определяем
активную нагрузку освещения
кВт.
Принимаем по [6]
(
). Тогда,
согласно выражению (3.8), расчетная реактивная нагрузка освещения
квар.
По выражению (3.9) определяем
расчетную активную нагрузку цеха
кВт.
По выражению (3.10) определяем
расчетную реактивную нагрузку цеха
квар.
Полная расчетная нагрузка цеха
кВ∙А.
Результаты расчета электрических нагрузок для
остальных цехов сведены в таблицы 3.2, 3.3 и 3.4.
Таблица 3.2 - Результаты расчета силовых
нагрузок
№ цеха Название 


,
кВт
,
|
квар
|
|
|
|
|
|
|
1
|
Склад
металла и дополнительного оборудования
|
0,300
|
13
|
0,85
|
165,75
|
207,79
|
|
2
|
Металлообрабатывающий
цех
|
0,245
|
22
|
0,82
|
561,7
|
946,83
|
|
3
|
Сварочный
цех
|
0,343
|
19
|
0,85
|
699,13
|
1208,8
|
|
4
|
Цех
окрасочный и гальванопокрытий
|
0,570
|
22
|
0,87
|
1635,6
|
1700,8
|
|
5
|
Сборочный
цех
|
0,581
|
70
|
0,80
|
1995,8
|
2680,9
|
|
6
|
Компрессорная
|
0,691
|
22
|
0,90
|
1073,5
|
1738,9
|
|
7
|
Насосная
|
0,690
|
10
|
0,90
|
216,0
|
172,93
|
|
8
|
Склад
готовой продукции
|
0,325
|
20
|
0,85
|
193,38
|
234,61
|
|
9
|
Административное
здание
|
0,571
|
20
|
0,87
|
248,39
|
206,86
|
|
10
|
Инструментальный
цех
|
0,255
|
25
|
0,82
|
355,06
|
563,43
|
|
11
|
Ремонтно-механический
цех
|
0,288
|
24
|
0,83
|
286,60
|
468,08
|
Таблица 3.3 - Результаты расчета осветительных
нагрузок
№
цеха
,
лк
F,
м2Тип
светильниковВыс.
подв.,
мη,
%
,
Вт
/ м2
,
Вт
/ м2
,
кВт
,
|
квар
|
|
|
|
|
|
|
|
|
|
|
|
|
|
1
|
75
|
1,4
|
0,95
|
1350
|
ГСП04-400
|
15
|
65
|
1,73
|
2,5
|
2,69
|
3,45
|
5,97
|
|
2
|
200
|
1,6
|
0,95
|
4800
|
ГСП04-400
|
15
|
60
|
1,73
|
2,2
|
7,82
|
35,69
|
61,71
|
|
3
|
200
|
1,6
|
0,95
|
6300
|
ГСП04-400
|
15
|
65
|
1,73
|
2,2
|
7,22
|
45,49
|
78,70
|
|
4
|
300
|
1,4
|
0,95
|
6300
|
ГСП18-400-005
|
10
|
75
|
1,73
|
2,2
|
8,8
|
55,44
|
164,1
|
|
5
|
300
|
1,5
|
0,95
|
1800
|
ГСП18-400-005
|
10
|
75
|
1,73
|
2,2
|
8,8
|
15,9
|
46,87
|
|
6
|
150
|
1,5
|
0,95
|
1800
|
ГСП18-400-005
|
10
|
75
|
1,73
|
2,2
|
4,4
|
7,93
|
23,44
|
|
7
|
150
|
1,5
|
0,95
|
1350
|
ГСП18-400-005
|
10
|
75
|
1,73
|
2,6
|
5,2
|
7,02
|
20,78
|
|
8
|
75
|
1,4
|
0,95
|
1350
|
ГСП18-400-005
|
15
|
75
|
1,73
|
5,5
|
5,13
|
6,93
|
20,51
|
|
9
|
400
|
1,4
|
0,9
|
1500
|
ЛВП05-4×65-003
|
3
|
60
|
0,43
|
2,7
|
16,8
|
25,2
|
11,59
|
|
10
|
300
|
1,4
|
0,95
|
2700
|
ГСП18-400-005
|
15
|
75
|
1,73
|
2,2
|
8,21
|
22,18
|
64,64
|
|
11
|
400
|
1,4
|
0,95
|
1440
|
ГСП18-400-005
|
15
|
75
|
1,73
|
2,2
|
10,95
|
29,57
|
87,52
|
|
|
|
|
|
|
|
|
|
|
|
|
|
|
Таблица 3.4 - Результаты расчета электрических
нагрузок цехов
№
цеха Название
,
кВт
,
Квар
,
кВт
,
квар
,
кВт
,
квар
,
|
кВ∙А
|
|
|
|
|
|
|
|
|
1
|
Склад
металла и дополнительного оборудования
|
165,75
|
207,79
|
3,45
|
5,97
|
169,2
|
213,77
|
272,7
|
|
2
|
Металлообрабаты-вающий
цех
|
561,7
|
946,83
|
35,69
|
61,71
|
597,37
|
1008,5
|
1172,2
|
|
3
|
Сварочный
цех
|
699,13
|
1208,8
|
45,49
|
78,70
|
744,61
|
1287,5
|
1487,3
|
|
4
|
Цех
окрасочный и гальванопокрытий
|
1635,6
|
1700,8
|
55,44
|
164,1
|
1691
|
1864,9
|
2532,9
|
|
5
|
Сборочный
цех
|
1995,8
|
2680,9
|
15,9
|
46,87
|
1805,8
|
2042,7
|
2730,4
|
|
6
|
Компрессорная
|
1073,5
|
1738,9
|
7,93
|
23,44
|
1375,9
|
1096,9
|
1763,6
|
|
7
|
Насосная
|
216,0
|
7,02
|
20,78
|
223,02
|
193,7
|
298,63
|
|
8
|
Склад
готовой продукции
|
193,38
|
234,61
|
6,93
|
20,51
|
200,31
|
255,12
|
325,68
|
|
9
|
Административное
здание
|
248,39
|
206,86
|
25,2
|
11,59
|
273,59
|
218,48
|
351
|
|
10
|
Инструментальный
цех
|
355,06
|
563,43
|
22,18
|
64,64
|
377,24
|
629,07
|
735,26
|
|
11
|
Ремонтно-механический
цех
|
286,60
|
468,08
|
29,57
|
87,52
|
316,17
|
555,6
|
641,23
|
|
|
|
|
|
|
|
|
|
|
|
Произведем анализ полученных результатов.
Электрические нагрузки насосной, административного здания, сборочного,
сварочного цехов и складов невелики, что позволяет запитать их от трансформаторных
подстанций (ТП) соседних цехов. Выполним пересчет нагрузок данных объектов с
учетом того, что значения коэффициентов расчетных нагрузок в этом случае
принимаются как для питающих сетей напряжением до 1 кВ ([4], табл. П6).
Результаты пересчета нагрузок сводим в таблицу 4.5.
Таблица 3.5 - Результаты пересчета электрических
нагрузок
№
цеха Название
,
кВт
,
квар
,
кВт
,
Квар
,
кВт
,
квар
,
кВ∙А
,
|
А
|
|
|
|
|
|
|
|
|
|
1
|
Склад
металла и дополнительного оборудования
|
195,0
|
188,9
|
3,45
|
5,97
|
198,5
|
194,9
|
278,7
|
401,5
|
|
7
|
Насосная
|
345,0
|
222,3
|
7,02
|
20,78
|
352,0
|
243,1
|
427,8
|
617,5
|
|
8
|
Склад
готовой продукции
|
227,5
|
213,3
|
6,93
|
20,5
|
234,4
|
233,8
|
331,1
|
477,9
|
|
9
|
Административное
здание
|
285,5
|
188,1
|
25,2
|
11,6
|
310,7
|
199,7
|
369,3
|
533,1
|
|
10
|
Инструментальный
цех
|
433
|
512,2
|
22,2
|
65,6
|
455,2
|
577,8
|
735,7
|
961,7
|
Значения токов, полученных в результате
пересчета нагрузок, показывают, что питание всех перечисленных цехов можно
осуществить на напряжении 0,4 кВ с помощью кабелей. Запитаем столовую от блока
вспомогательных цехов, конструкторское бюро и заводоуправление - от
термического цеха, склады готовой продукции, металла и полуфабрикатов - от
кузнечно-прессового цеха, склады леса, пиломатериалов, шихтовых и формовочных
материалов - от модельного цеха.
Рассчитаем нагрузку наружного освещения:
(3.12)
(3.13)
где
- удельная мощность осветительных
установок в Вт / м;
L - суммарная
длина линий наружного освещения, м.
Для нормированного значения средней
освещенности Е = 4 лк, ширины дорожного покрытия d = 11,25 м,
шага светильников h = 40 м, мощности ламп типа ДРЛ Р =
250 Вт
Вт / м
([5], талбл.12.3).
кВт;
квар.
С учетом схемы расположения цехов целесообразно
присоединить нагрузку наружного освещения к трансформаторной подстанции
сборочного цеха (цех №7).
Таблица 3.7 - Итоговая таблица расчетных
электрических нагрузок цехов
№
цеха Название
,
кВт
,
квар
,
|
кВ∙А
|
|
|
|
|
1+2
|
Склад
материалов + металообрабатывающий цех
|
766,57
|
1222,31
|
1444,89
|
|
5+8
|
Склад
готовой продукции +сборочный цех
|
2006,15
|
2297,79
|
3056,08
|
|
3
|
Сварочный
цех
|
744,61
|
1287,50
|
1487,32
|
|
4
|
Окрасочный
цех
|
1691,04
|
1864,95
|
2532,89
|
|
6+7
|
Насосная
+ компрессорная
|
1598,94
|
1290,61
|
2062,27
|
|
9+10+11
|
Административный
цех + ремонтно-механический цех + инструментальный цех
|
966,99
|
1403,15
|
1727,49
|
Определив электрические нагрузки цехов, можно
перейти к выбору цеховых трансформаторов и расчету компенсации реактивной
мощности.
4. Выбор цеховых трансформаторов и расчет
компенсации реактивной мощности
При проектировании СЭС промышленных объектов
выбор числа и мощности силовых трансформаторов, как правило, осуществляется в
процессе расчета компенсации реактивной мощности.
.1 Выбор цеховых трансформаторов
Выбор мощности трансформаторов осуществляется на
основе технико-экономического расчетов, исходя из полной расчетной нагрузки
объекта, удельной плотности нагрузки, затрат на питающую сеть до 1 кВ,
стоимости потерь электроэнергии в трансформаторах и питающей сети до 1 кВ и
других факторов [4]. При рассредоточенной нагрузке единичная мощность цехового
трансформатора ориентировочно может быть принята по величине удельной плотности
нагрузки
, (4.1)
где Sр -
расчетная полная мощность нагрузки объекта, кВ∙А;
F -
производственная площадь объекта, м2.
Минимальное число трансформаторов,
необходимое для питания расчетной активной нагрузки,
, (4.2)
где
- номинальная мощность
трансформаторов, кВ∙А;
- коэффициент загрузки
трансформаторов, принимаемый в зависимости от категории электроприемников по
надежности электроснабжения.
Рассмотрим порядок расчета числа и
мощности трансформаторов сварочного цеха завода. Согласно (4.1)
кВ∙А / м2.
Для удельной плотности нагрузки
кВ∙А
/ м2 при открытой установке КТП в цехе рекомендуется применять трансформаторы с
единичной мощностью 1600 кВ∙А [7]. Примем к установке в сварочном цехе
трансформаторы типа ТМГ12-1250/10 номинальной мощностью 1250 кВ∙А.
При коэффициенте загрузки
, в
соответствии с (4.2), минимальное число трансформаторов, необходимое для
питания расчетной активной нагрузки,
Принимаем
.
Результаты расчетов по остальным
цехам сведены в таблицу 4.1.
Таблица 4.1 - Результаты выбора
цеховых трансформаторов
№
цеха
,
кВт
,
квар
,
|
кВ∙АβTST, кВ∙А
|
|
|
|
|
|
|
|
|
2
|
766,57
|
1222,31
|
1444,89
|
0,82
|
1250
|
0,75
|
1
|
|
3
|
2006,15
|
2297,79
|
3056,08
|
0,8
|
1250
|
2,01
|
2
|
|
4
|
744,61
|
1287,50
|
1487,32
|
0,8
|
1250
|
0,85
|
1
|
|
5
|
1691,04
|
1864,95
|
2532,89
|
0,8
|
1250
|
1,69
|
2
|
|
6
|
1598,94
|
1290,61
|
2062,27
|
0,65
|
1250
|
1,97
|
2
|
|
11
|
966,99
|
1403,15
|
1727,49
|
0,82
|
1000
|
1,18
|
2
|
Технические характеристики выбранных
трансформаторов приведены в таблице 4.2.
Таблица 4.2 - Технические характеристики
трансформаторов
Тип Номинальная
мощность, кВ∙А Потери, кВт Напряжение короткого замыкания
, %Ток
холостого хода
|
, %
|
|
|
|
|
холостого
хода короткого
замыкания
|
|
|
|
|
ТМГ12-1000/10
|
1000
|
1,1
|
10,5
|
5,5
|
0,5
|
|
ТМГ12-1250/10
|
1250
|
1,35
|
13,25
|
6
|
0,5
|
.2 Расчет компенсации реактивной мощности
Реактивная мощность, которую можно передать
через трансформатор из сети
, (4.3)
где 1,1 - коэффициент, учитывающий допустимую
систематическую перегрузку трансформатора.
Суммарная мощность батарей низковольтных
конденсаторов (БНК) для данной группы трансформаторов
. (4.4)
Если QНК1 < 0,
то следует принять QНК1 = 0 и БНК не устанавливать.
Величина QНК1
распределяется между цеховыми трансформаторами прямо пропорционально их
реактивным нагрузкам. Затем выбираются стандартные номинальные мощности БНК для
каждого трансформатора.
Покажем на примере определение
мощности БНК для сварочного цеха. Значение реактивной мощности, которое может
быть передано через трансформатор в сеть до 1кВ по выражению (4.3)
квар.
Суммарная мощность БНК по формуле
(4.4)
квар.
Мощность БНК, приходящаяся на один
трансформатор,
; (4.5)
квар.
По ([8], табл. 1) выбираем конденсаторные
установки типа АКУ 0,4-500-20У3. Аналогично образом производим выбор БНК для
остальных цехов завода. Результаты сводим в таблицу 4.3.
Таблица 4.3 - Выбор БНК по критерию
минимума числа трансформаторов
№
цеха РРН, кВт QРН, квар SТ, кВ∙А NТ QТ,
квар
, квар
, кварТип
батарей
|
на
один трансформаторСуммарная мощность БНК с учетом NТ, квар
|
|
|
|
|
|
2
|
766,57
|
1222,3
|
1250
|
1
|
826,8
|
395,5
|
395,5
|
АКУ
0,4-375-20У3
|
375
|
|
3
|
2006,2
|
2297,8
|
1250
|
2
|
903,0
|
1394,8
|
1394,8
|
АКУ
0,4-350-20У3
|
1300
|
|
4
|
744,61
|
1287,5
|
1250
|
1
|
809,7
|
477,8
|
477,8
|
АКУ
0,4-420-20У3
|
420
|
|
5
|
1691,0
|
1864,9
|
1250
|
2
|
1407,3
|
457,7
|
228,8
|
АКУ
0,4-240-25У3
|
240
|
|
6
|
1598,9
|
1290,6
|
1250
|
2
|
799,1
|
491,5
|
245,8
|
АКУ
0,4-275-25У3
|
275
|
|
11
|
966,99
|
1403,2
|
1000
|
2
|
1522,9
|
-119,8
|
-59,9
|
-
|
-
|
|
2620
|
|
Для расчета экономического значения реактивной
мощности, потребляемой предприятием из энергосистемы, необходимо определить
потери мощности в трансформаторах и найти нагрузку на шинах РП.
.3 Определение потерь мощности в трансформаторах
Коэффициент загрузки трансформатора с учетом
компенсации реактивной мощности
, (4.6)
где
- расчетная нагрузка цеха с учетом
компенсации реактивной мощности.
, (4.7)
где
- суммарная номинальная мощность
конденсаторных установок с учетом числа трансформаторов, квар.
Потери активной мощности в
трансформаторе
. (4.8)
Потери реактивной мощности в трансформаторе
. (4.9)
Согласно выражениям (4.6) и (4.7)
для сварочного цеха завода получим:
кВ∙А;
Тогда потери активной и реактивной
мощности в трансформаторах цеха по формулам (4.8) и (4.9) будут следующими:
кВт;
квар.
Аналогичным образом производим
расчет потерь мощности в трансформаторах для остальных цехов завода. Полученные
результаты сводим в таблицу 4.4.
Таблица 4.4 - Расчет потерь мощности
в трансформаторах
|
№
цеха
|
РРН,
кВт
|
QРН, квар
|
QНК1, квар
|
SРН,
кВ∙А
|
NТ
|
SТ,
кВ∙А
|
βТ
|
∆PТ,
кВт
|
∆QТ,
квар
|
|
2
|
766,57
|
1222,3
|
375
|
1142,6
|
1
|
0,90
|
12,13
|
67,27
|
|
3
|
2006,2
|
2297,8
|
1300
|
2240,6
|
2
|
1250
|
0,90
|
9,53
|
66,49
|
|
4
|
744,61
|
1287,5
|
420
|
1143,2
|
1
|
1250
|
0,91
|
12,43
|
63,76
|
|
5
|
1691,0
|
1864,9
|
250
|
2338,3
|
2
|
1250
|
0,94
|
12,94
|
71,86
|
|
6
|
1598,9
|
1290,6
|
275
|
1894,2
|
2
|
1250
|
0,82
|
8,19
|
56,92
|
|
11
|
966,99
|
1403,2
|
|
1704,1
|
2
|
1000
|
0,85
|
10,97
|
48,56
|
|
Сумма
|
66,2
|
374,9
|
4.4 Определение расчетных нагрузок РП
Расчетные активная и реактивная нагрузки на
шинах РП с учетом потерь мощности в трансформаторах определяется по формулам:
; (4.10)
(4.11)
где m - число
присоединений на сборных шинах 10 кВ РП;
Киi - среднее
значение коэффициента использования i-го
присоединения;
Pномi - суммарная
номинальная мощность электроприемников i-го
присоединения;
PроΣ и QроΣ - расчетные
суммарные активная и реактивная нагрузки освещения;
ΔPТΣ и ΔQТΣ - суммарные
потери активной и реактивной мощности в трансформаторах;
PсмΣ и QсмΣ - наибольшие
средние значения активной и реактивной мощности силовых электроприемников за
наиболее загруженную смену;
tgφi - среднее
значение коэффициента реактивной мощности i-го
присоединения;
Ко - коэффициент одновременности
максимумов нагрузок, который определяется в зависимости от средневзвешенного
коэффициента использования Ки.ср и числа присоединений на сборных шинах РП m.
Значение средневзвешенного коэффициента
использования определяется по формуле:
(4.12)
Для определения наибольших средних значений
активной и реактивной мощности силовых электроприемников за наиболее
загруженную смену составим таблицу 4.5.
Таблица 4.5 - Расчетная таблица
и
|
№
цеха
|
Название
|
Pном,
кВт
|
Kи
|
Pсм,
кВт
|
Qрс, квар
|
Kр
|
Qсм, квар
|
|
2
|
Металообрабатывающий
цех
|
3450
|
0,603
|
880
|
2178,7
|
0,85
|
2563,1
|
|
8
|
Сборочный
цех
|
4550
|
0,377
|
2465
|
1239,6
|
0,7
|
1770,8
|
|
3
|
Сварочный
цех
|
2400
|
0,253
|
822,5
|
738,8
|
0,677
|
1091,2
|
|
4
|
Окрасочный
цех
|
3300
|
0,349
|
1880
|
822,3
|
0,7
|
1174,7
|
|
7
|
Компрессорная
|
2700
|
0,360
|
1865
|
610,9
|
0,85
|
718,7
|
|
11
|
Ремонтно-механический
цех
|
3400
|
0,580
|
1063,8
|
1978,1
|
0,842
|
2349,3
|
Используя результаты, полученные при предыдущих
расчетах, сформируем таблицу 4.6.
Таблица 4.6 - Расчетная таблица нагрузок РП
|
№
цеха
|
Название
|
Pном,
кВт
|
Рсм,
кВт
|
Qсм, квар
|
Pрo, кВт
|
Qрo, кВт
|
∆PТ,
кВт
|
∆QТ,
квар
|
|
2
|
Металообрабатывающий
цех
|
3450
|
880
|
2563,1
|
35,69
|
61,71
|
12,1
|
67,27
|
|
8
|
Сборочный
цех
|
4550
|
2465
|
1770,8
|
45,49
|
78,70
|
9,53
|
66,49
|
|
3
|
Сварочный
цех
|
2400
|
822,5
|
1091,2
|
55,44
|
164,1
|
12,4
|
63,76
|
|
4
|
Окрасочный
цех
|
3300
|
1880
|
1174,7
|
15,9
|
46,87
|
12,9
|
71,86
|
|
7
|
Компрессорная
|
2700
|
1865
|
718,7
|
7,93
|
23,44
|
8,19
|
56,92
|
|
11
|
Ремонтно-механический
цех
|
3400
|
1063,8
|
2349,3
|
29,57
|
87,52
|
10,9
|
48,56
|
|
Сумма
|
19800
|
8976,3
|
8046,4
|
254,71
|
586,9
|
66,2
|
374,86
|
По формуле (4.12) определяем средневзвешенный
коэффициент использования
При
и числе присоединений от 5 до 8 на
сборных шинах РП значение коэффициента одновременности
([4], табл.
П8).
По формулам (4.10) и (4.11) находим
расчетные нагрузки на шинах РП с учетом потерь мощности в трансформаторах:
кВт;
квар.
Получив значения расчетных нагрузок на шинах РП,
можно перейти к определению экономического значения реактивной мощности,
потребляемой предприятием из энергосистемы.
.5 Определение экономического значения
реактивной мощности, потребляемой из энергосистемы
Расчет производится по математическим ожиданиям
активной и реактивной нагрузок на границе балансового раздела электрических
сетей предприятия и энергосистемы.
Математические ожидания расчетных нагрузок
потребителя:
(4.13)
(4.14)
где k -
коэффициент приведения расчетной нагрузки к математическому ожиданию, k = 0,9,
кВт;
квар.
Экономическое значение реактивной мощности,
потребляемой предприятием из энергосистемы в часы больших нагрузок,
(4.15)
где
- нормативное значение коэффициента
реактивной мощности, которое определяется по выражению
(4.16)
где tgφБ - базовый
коэффициент реактивной мощности, принимаемый равным 0,25; 0,3 и 0,4 для сетей
6-20кВ, присоединенных к шинам подстанции с высшим напряжением соответственно
35, 110 и 220-330кВ. В нашем случае tgφБ = 0,3;
dmax - отношение
потребления энергии в квартале максимума нагрузки энергосистемы к потреблению
ее в квартале максимума нагрузки предприятия (при отсутствии необходимых данных
принимают dmax=1);
aд -
действующая основная ставка тарифа на активную мощность, aд=949833 руб
/ (кВт∙год);
bд -
действующая дополнительная ставка тарифа на активную энергию, bд=735,45 руб
/ кВт·ч;
k1 -
коэффициент изменения цен на конденсаторные установки, принимаемый равным
увеличению ставки двухставочного тарифа на электроэнергию:
(4.17)
где a - основная
ставка тарифа на активную мощность на момент принятия методики, a = 60 руб /
(кВт∙год);
b -
дополнительная ставка тарифа на активную энергию на момент принятия методики, b = 1,8 коп /
кВт·ч;
Тmax - число
часов использования максимальной нагрузки предприятия.
Для станкостроительных заводов при
двухсменном режиме работы можно принять Тmax = 4000
часов в год ([4], табл. П3). Тогда значение коэффициента увеличения тарифа на
электроэнергию по выражению (4.17)
.
Нормативное значение экономического коэффициента
реактивной мощности согласно (4.16)
.
Экономически целесообразное значение
реактивной мощности, потребляемой из энергосистемы, находим по выражению
(4.15):
квар.
Произведем анализ баланса реактивной мощности на
границе раздела электрических сетей предприятия и энергосистемы:
; (4.18)
квар.
Так как
, надо
искать пути получения недостающей реактивной мощности. Для одно-, двух- и
трехсменных предприятий рассматривается целесообразность дополнительной
установки БНК.
4.6 Определение целесообразности установки
дополнительных БНК
Для определения целесообразности установки
дополнительных БНК необходимо найти значение экономически целесообразной
реактивной мощности Qтэ, которая
может быть передана через цеховые трансформаторы в сеть напряжением до 1 кВ.
При потреблении реактивной мощности из
энергосистемы, превышающем экономическое значение
; (4.19)
где Знк - удельные затраты на
компенсацию реактивной мощности установками БНК, руб / квар;
СQП - удельная
стоимость потребления реактивной мощности и энергии при превышении
экономического значения, руб / (квар·год);
А - расчетная величина,
характеризующая затраты на потери активной мощности при передаче реактивной
мощности в сеть напряжением до 1 кВ.
Произведем расчет удельных затрат на компенсацию
реактивной мощности установками:
(4.20)
где Снк - удельная стоимость
низковольтных конденсаторных батарей;
Зрнк - удельные затраты на потери
активной мощности в установках БНК, руб. / квар.
, (4.21)
где
- базовая удельная стоимость БНК;
принимается из диапазона 7,5-10,5 руб / квар (меньшие значения соответствуют
большим мощностям конденсаторных установок). Примем
руб / квар.
Удельные затраты на потери активной
мощности в БНК
(4.22)
где Срг - удельная стоимость потерь
активной мощности в компенсирующих установках, руб / кВт.
- удельные потери активной мощности
в БНК;
кВт / квар.
, (4.23)
где Тг - годовой фонд рабочего
времени, при двухсменной работе принимают Тг = 4000 ч ([4], табл. 5.2).
Удельная стоимость потребления
дополнительной реактивной мощности и энергии при превышении экономического
значения определяется по формулам:
при наличии на предприятии приборов
учета максимальной реактивной мощности
(4.24)
- при их отсутствии
(4.25)
где С2 - плата за 1 квар
потребляемой реактивной мощности, превышающей экономическое значение; принимаем
С2 = 3,6 руб / (квар×год);
d2 - плата за
1 квар×ч
потребляемой реактивной энергии, которую принимают равной:
при расчете по формуле (4.24) d2 = 0,09 коп
/ квар×ч;
при расчете по формуле (4.25) d2 = 0,2 коп.
/ квар×ч;
TмQП - годовое
число часов использования максимальной реактивной мощности при потреблении,
превышающем экономическое значение.
Величина TмQП определяется
в зависимости от соотношения степени компенсации
и отношения натуральной минимальной
нагрузки к натуральной максимальной нагрузке Км по следующим выражениям:
- при
(4.26)
при
. (4.27)
Степень компенсации
, (4.28)
где Qпэ -
величина потребляемой из энергосистемы реактивной мощности, превышающей
экономическое значение, Qпэ = DQ’.
При двухсменной работе принимают Км
= 0,8 ([4], табл. 5.2).
По формуле (4.21) удельная стоимость
низковольтных конденсаторных батарей
руб / квар.
Согласно (4.23) удельная
стоимость потерь активной мощности в компенсирующих установках
руб / квар.
Удельные затраты на потери мощности
в БНК по выражению (4.22)
руб / квар.
Удельные затраты на компенсацию
реактивной мощности установками БНК по формуле (4.20)
руб / квар.
Степень компенсации согласно
выражению (2.28)
.
Так как
(0,759 <
0,8), то годовое число часов использования максимальной реактивной мощности при
потреблении, превышающем экономическое значение, определяется по формуле
(4.26):
ч.
Удельная стоимость потребления
дополнительной реактивной мощности и энергии определяется по формуле (4.24),
поскольку на предприятии имеются приборы учета максимальной реактивной
мощности:
руб / квар.
По формуле (4.19) значение
экономически целесообразной реактивной мощности, которая может быть передана
через цеховые трансформаторы в сеть напряжением до 1 кВ,
то есть
< 0, а
значит получать реактивную мощность из энергосистемы невыгодно. Следовательно,
целесообразна установка дополнительных БНК. Принимаем
квар.
Находим общую расчетную мощность БНК
предприятия:
; (4.29)
квар.
Распределяем Qнк2 прямо
пропорционально реактивным нагрузкам цехов:
. (4.30)
Расчетная мощность БНК на один
трансформатор
. (4.31)
Исходя из этой величины выбираем БНК
с ближайшей стандартной мощностью.
Например, для сварочного цеха
квар.
Расчетная мощность БНК на один
трансформатор
квар.
Устанавливаем на каждый
трансформатор по одной батарее типа АКУ 0,4-350-25У3. Для остальных цехов
предприятия расчет выполняется аналогичным образом. Результаты расчета сведены
в таблицу 4.7.
Таблица 4.7 - Распределение мощности БНК между
цеховыми ТП
|
№
цеха
|
Название
|
NТ
|
Qрн, квар
|
Qнк1, квар
|
Qнк2, квар
|
Q’нк2, квар
|
Тип
батарей
|
Суммарная
мощность БНК с учетом NТ, квар
|
|
2
|
Металообрабаты-вающий
цех
|
1
|
1222,3
|
800
|
140,46
|
500
|
2xАКУ
0,4-275-25У3
|
550
|
|
8
|
Сборочный
цех
|
2
|
2297,8
|
480
|
165,4
|
712,5
|
2xАКУ
0,4-380-20У3
|
1520
|
|
3
|
Сварочный
цех
|
1
|
1287,5
|
420
|
143,80
|
545
|
2xАКУ
0,4-325-25У3
|
650
|
|
4
|
Окрасочный
цех
|
2
|
1864,9
|
350
|
267,70
|
237,5
|
АКУ
0,4-240-25У3
|
480
|
Компрессорная
|
2
|
1290,6
|
175
|
168,35
|
212,5
|
АКУ
0,4-200-20У3
|
400
|
|
11
|
Ремонтно-механический
цех
|
2
|
1403,1
|
700
|
232,59
|
100
|
АКУ
0,4-100-25У3
|
200
|
|
3800
|
|
|
|
|
|
|
|
|
|
|
|
Согласно таблице 4.7 фактическая суммарная
мощность БНК предприятия:
квар.
Произведем анализ баланса реактивной
мощности на границе раздела с энергосистемой:
; (4.32)
квар.
Теперь определим расчетные электрические нагрузки
с учетом принятых конденсаторных батарей, найдем действительные коэффициенты
загрузки трансформаторов, произведем пересчет потерь мощности в трансформаторах
с учетом действительных коэффициентов загрузки. Необходимые расчетные формулы
приведены в пункте 4.3, каталожные данные трансформаторов - в таблице 4.2.
Результаты расчетов сводим в таблицы 4.8 и 4.9.
Таблица 4.8 - Расчетные нагрузки с учетом
компенсации реактивной мощности
|
№
цеха
|
Название
|
РРН,
кВт
|
QРН, квар
|
QНК, квар
|
SРН,
кВ∙А
|
NТ
|
SТ,
кВ∙А
|
βт
|
|
2
|
Металообрабатывающий
цех
|
766,57
|
1222,3
|
550
|
1019,6
|
1
|
1250
|
0,82
|
|
8
|
Сборочный
цех
|
2006,1
|
2297,8
|
1520
|
2151,6
|
2
|
1250
|
0,86
|
|
3
|
Сварочный
цех
|
744,61
|
1287,5
|
650
|
980,23
|
1
|
1250
|
0,78
|
|
4
|
Окрасочный
цех
|
1691,0
|
1864,9
|
480
|
2185,8
|
2
|
1250
|
0,87
|
|
7
|
Компрессорная
|
1598,9
|
1290,6
|
400
|
1830,2
|
2
|
1250
|
0,73
|
|
11
|
Ремонтно-механический
цех
|
966,99
|
1403,1
|
200
|
1543,6
|
2
|
1000
|
0,77
|
Коэффициент загрузки трансформаторов
компрессорной, относящейся к первой категории по надежности электроснабжения,
составляет 0,73, что допустимо, поскольку используемая методика дает несколько
завышенные значения расчетных нагрузок.
Согласно [4] значения коэффициентов загрузки
трансформаторов двухтрансформаторных подстанций, питающих преимущественно
электроприемники второй категории, в нормальном режиме должны находиться в
пределах 0,85-0,9. Загрузка трансформаторов окрасочного и сборочного цехов
соответствует данному требованию. В послеаварийном режиме неответственные
электроприемники указанных цехов подлежат отключению.
Электроприемники металлообрабатывающего и сварочного
цеха питаются от однотрансформаторных подстанций. Резервирование
электроснабжения в данном случае осуществляется по стороне 0,4 кВ.
Таким образом, коэффициенты загрузки
трансформаторов всех ТП предприятия имеют допустимые значения.
Таблица 4.9 - Потери мощности в трансформаторах
и расчетные нагрузки
|
№ цеха
|
Название
|
NТ
|
SТ,
кВ∙А
|
βт
|
∆PТ,
кВт
|
∆QТ,
квар
|
С
учетом потерь и компенсации
|
|
|
|
|
|
|
|
Рр,
кВт
|
Qр, квар
|
Sр,
кВ∙А
|
|
2
|
Металообрабатываю-щий
цех
|
1
|
1250
|
0,82
|
10,2
|
56,2
|
766,57
|
1222,3
|
1019,62
|
|
8
|
Сборочный
цех
|
2
|
1250
|
0,86
|
22,3
|
123,6
|
2006,15
|
2297,7
|
2151,64
|
|
3
|
Сварочный
цех
|
1
|
1250
|
0,78
|
9,5
|
52,4
|
744,61
|
1287,5
|
980,23
|
|
4
|
Окрасочный
цех
|
2
|
1250
|
0,87
|
23,0
|
127,2
|
1691,04
|
1864,9
|
2185,80
|
|
7
|
Компрессорная
|
2
|
1250
|
0,73
|
16,9
|
92,9
|
1598,94
|
1290,6
|
1830,25
|
|
11
|
Ремонтно-механический
цех
|
2
|
1000
|
0,77
|
14,7
|
75,5
|
966,99
|
1403,1
|
1543,58
|
5. Построение картограммы и определение
условного центра электрических нагрузок
При определении мест установки ТП, РП и
компенсирующих устройств реактивной мощности необходимо иметь информацию о
распределении электрических нагрузок по территории промышленного объекта. С
этой целью строят картограмму электрических нагрузок. Картограмма нагрузок
размещается на плане предприятия в виде окружностей, площади которых в
определенном масштабе отображают величины электрических нагрузок. При этом
центры окружностей совпадают с условными центрами электрических нагрузок
соответствующих цехов.
Как правило, строится картограмма активных
нагрузок. При этом для каждого i-го
цеха расчетная активная нагрузка
, (5.1)
где
- расчетные активные силовая и
осветительная нагрузки i-го цеха.
Для каждого цеха радиус круга
находится из условия равенства активной мощности нагрузки площади круга:
(5.2)
где m - принятый
масштаб картограммы, кВт/мм2.
Из выражения (5.2) радиус круга
(5.3)
Каждый круг разделяется на секторы,
соответствующие осветительной и силовой нагрузкам. Угол сектора осветительной
нагрузки в градусах вычисляется по формуле
. (5.4)
Угол сектора силовой нагрузки в
градусах
. (5.5)
Величины осветительной и силовой
нагрузок указываются на картограмме.
Условный центр электрических
нагрузок (ЦЭН) находят для определения места размещения РП. Для этого
предварительно на план предприятия, состоящего из п цехов, наносится декартова
система координат и определяются координаты X и Y каждой
нагрузки Ррi. После
этого искомые координаты условного ЦЭН предприятия определяют по следующим
формулам:
(5.6)
. (5.7)
Расположение заводского РП
выбирается на генплане предприятия по возможности смещенным от ЦЭН в сторону ИП
так, чтобы не было обратных потоков мощности по линиям 10 кВ.
Принимаем минимальный визуально
различимый радиус окружности
мм. Данному радиусу, согласно
таблице 3.4, соответствует минимальная расчетная нагрузка
кВт (склад
шихтовых и формовочных материалов).
Пользуясь формулой (5.2), вычисляем
масштаб картограммы
кВт / мм2.
Полученный масштаб равен :
кВт / мм2.
Расчетная активная нагрузка
литейного цеха в соответствии с (5.1)
кВт.
Радиус круга, соответствующего
данной нагрузке, по (5.3)
мм.
По формулам (5.4) и (5.5) определяем
углы секторов осветительной и силовой нагрузок литейного цеха:
Производим аналогичные расчеты для
остальных цехов. Результаты сводим в таблицу 5.1.
Таблица 5.1 - Углы секторов
осветительных и силовых нагрузок
№
цеха Название Ррс, кВт Рро, кВт Рр, кВт
,
мм
,
град
,
|
град
|
|
|
|
|
1
|
Склад
металла и дополнительного оборудования
|
165,7
|
3,45
|
169,2
|
6,7
|
8
|
352
|
|
2
|
Металлообрабатывающий
цех
|
561,7
|
35,69
|
597,4
|
12,6
|
23
|
337
|
|
3
|
Сварочный
цех
|
699,13
|
45,49
|
744,6
|
14,1
|
22
|
338
|
|
4
|
Цех
окрасочный и гальванопокрытий
|
1635,6
|
55,44
|
1691,0
|
21,2
|
12
|
348
|
|
5
|
Сборочный
цех
|
1995,8
|
15,9
|
1805,8
|
21,9
|
4
|
356
|
|
6
|
Компрессорная
|
1073,5
|
7,93
|
1375,9
|
19,1
|
3
|
357
|
|
7
|
Насосная
|
216,0
|
7,02
|
223,0
|
7,7
|
12
|
348
|
|
8
|
Склад
готовой продукции
|
193,4
|
6,93
|
200,3
|
7,3
|
13
|
347
|
|
9
|
Административное
здание
|
248,4
|
25,2
|
273,6
|
8,5
|
34
|
326
|
|
10
|
Инструментальный
цех
|
355,1
|
22,18
|
377,2
|
10,0
|
22
|
338
|
|
11
|
Ремонтно-механический
цех
|
286,6
|
29,57
|
316,2
|
9,2
|
3
|
357
|
Картограмма электрических нагрузок представлена
на генплане предприятия. В таблице 5.2 приведены координаты центров
электрических нагрузок цехов, определенные по генплану завода.
Таблица 5.2 - Координаты центров электрических
нагрузок цехов предприятия
|
№
цеха
|
Название
|
Рр,
кВт
|
X, м
|
Y, м
|
Х∙Рр,
кВт∙м
|
Y∙Рр, кВт∙м
|
|
1
|
Склад
металла и дополнительного оборудования
|
169,2
|
84,4
|
377,8
|
14287,49
|
63919,77
|
|
2
|
Металлообрабатывающий
цех
|
597,4
|
183,7
|
352,9
|
109730,8
|
210823,6
|
|
3
|
Сварочный
цех
|
744,6
|
334,1
|
111,8
|
248738,4
|
83210,64
|
|
4
|
Цех
окрасочный и гальванопокрытий
|
1691,0
|
334,1
|
217,7
|
564891,9
|
368071,8
|
|
5
|
Сборочный
цех
|
1805,8
|
322,4
|
117,9
|
582275
|
212872,4
|
|
6
|
Компрессорная
|
1375,9
|
84,4
|
235,4
|
116182,7
|
323822,8
|
|
7
|
Насосная
|
223,0
|
84,4
|
151,3
|
18831,81
|
33731,78
|
|
8
|
Склад
готовой продукции
|
200,3
|
318,1
|
63717,02
|
16467,07
|
|
9
|
Административное
здание
|
273,6
|
218,5
|
82,2
|
59783,79
|
22491,42
|
|
10
|
Инструментальный
цех
|
377,2
|
190,3
|
225,1
|
71772,92
|
84915,82
|
|
11
|
Ремонтно-механический
цех
|
316,2
|
218,5
|
143,5
|
69088,81
|
45376,29
|
|
Сумма
|
774,3
|
-
|
-
|
1919301
|
1465703
|
Координаты ЦЭН предприятия по формулам (5.6) и
(5.7):
м;
м.
ЦЭН с соответствующими координатами
указан на генплане предприятия. Разместим РП в цехе №4, сместив его от центра
электрических нагрузок в сторону источника питания.
6. Разработка схемы электроснабжения предприятия
и расчет распределительной сети напряжением выше 1 кВ
В соответствии с заданием на проектирование
электроснабжение завода осуществляется от подстанции 110/10 кВ энергосистемы,
находящейся за территорией предприятия. На подстанции установлены два
трансформатора типа ТРДН с единичной номинальной мощностью 63 МВ∙А.
Для приема и распределения электроэнергии на
напряжении 10 кВ на заводе предусмотрен РП, который комплектуется камерами типа
КСО. РП запитывается от подстанции 110/10 кВ трехжильными кабелями марки ААБл
(с алюминиевой жилой в алюминиевой оболочке с броней из стальных лент). Длина
питающей линии составляет 1,2 км.
В СЭС предусмотрена раздельная работа линий и
трансформаторов, что позволяет снизить значения токов короткого замыкания,
упростить схемы коммутации и релейной защиты.
Распределительная сеть напряжением 10 кВ
выполняется кабелями мраки ААШвУ (с алюминиевой жилой в алюминиевой оболочке с
пропитанной бумажной изоляцией с защитным покровом в виде выпрессованного ПВХ
шланга), проложенными открыто в воздухе и в кабельных сооружениях. Кабели
прокладываются вдоль зданий и проездов с учетом наименьшего их расхода.
Распределение электрической энергии на
напряжении 10 кВ может осуществляться по радиальным, магистральным и смешанным
схемам в зависимости от расположения потребителей, их мощности и требуемой
степени бесперебойности питания. Наибольшее распространение на практике
получили смешанные схемы электроснабжения, при которых питание крупных и ответственных
приемников осуществляется по радиальной схеме, а средних и мелких, при
упорядоченном расположении ТП, - по магистральным линиям. Такие схемы
внутреннего электроснабжения, как правило, имеют лучшие технико-экономические
показатели.
Магистральные схемы обычно строятся с
использованием одиночных, питающих однотрансформаторные ТП, и двойных сквозных
магистралей, питающих двухтрансформаторные ТП. В нормальном режиме
трансформаторы двухтрансформаторных ТП работают раздельно, а при повреждении
одной из магистралей питание автоматически переводится на оставшуюся в работе
магистральную линию с помощью устройства АВР. Взаимное резервирование
однотрансформаторных подстанций осуществляется при помощи кабельных или шинных
перемычек на вторичном напряжении. Пропускная способность перемычек составлять
20…30% номинальной мощности трансформатора.
При применении магистральных схем
электроснабжения силовые трансформаторы присоединяются к линиям 10 кВ через
выключатели нагрузки. При радиальных схемах питания допускается глухое
присоединение трансформаторов к линиям 10 кВ.
Задача разработки схемы электроснабжения и
конфигурации распределительной сети многокритериальная. Схема электроснабжения
должна с наименьшими затратами обеспечить необходимую надежность электроснабжения,
требуемое качество электроэнергии у приемников, удобство и безопасность
эксплуатации, возможность дальнейшего развития.
В проектной практике для разработки рациональной
конфигурации схемы электроснабжения применяют повариантный метод, согласно которому
намечается несколько вариантов и из них на основе технико-экономического
сравнения выбирается лучший. Важнейшими условиями при проведении
технико-экономических расчетов является обеспечение экономической и
энергетической сопоставимости рассматриваемых вариантов.
Варианты распределительных сетей и схем
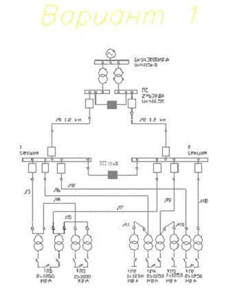
электроснабжения на напряжение выше 1 кВ приведены на рисунках 6.1 и 6.2.
Рисунок 6.1- Варианты распределения сетей 10 кВ
предприятия
Рисунок 6.2 - Варианты системы электроснабжения
предприятия
Данные по компоновке схем электроснабжения для
рассматриваемых вариантов приведены в таблице 6.1
Таблица 6.1 - Данные по компоновке схем
электроснабжения
|
№
цеха
|
Название
|
NТ
|
SТ, кВ∙А
|
№ТП
|
|
Вариант
1
|
|
|
2
|
Металообрабатываю-щий
цех
|
1
|
1250
|
ТП2
|
|
|
8
|
Сборочный
цех
|
2
|
1250
|
ТП8
|
|
|
3
|
Сварочный
цех
|
1
|
1250
|
ТП3
|
|
|
4
|
Окрасочный
цех
|
2
|
1250
|
ТП4
|
|
|
7
|
Компрессорная
|
2
|
1250
|
ТП7
|
|
|
11
|
Ремонтно-механический
цех
|
2
|
1000
|
ТП11
|
|
|
Вариант
2
|
|
|
2
|
Металообрабатываю-щий
цех
|
1
|
1250
|
ТП2
|
|
8
|
Сборочный
цех
|
2
|
1250
|
ТП8
|
|
3
|
Сварочный
цех
|
1
|
1250
|
ТП3
|
|
4
|
Окрасочный
цех
|
2
|
1250
|
ТП4
|
|
7
|
Компрессорная
|
2
|
1250
|
ТП7
|
|
10
|
Инструментальный
цех
|
2
|
1000
|
ТП10
|
|
|
|
|
|
|
|
|
При технико-экономическом сравнении выбор
целесообразного варианта производить по условию минимума дисконтированных
затрат, которые в общем виде определяются по выражению
, (6.1)
где τ - расчетный
год;
t - год,
затраты и результаты которого приводятся к расчетному году;
T - расчетный
период, лет;
- капиталовложения в рассматриваемом
варианте в год t, руб.;
- годовые эксплуатационные расходы,
руб.;
r - реальная
процентная ставка.
В качестве расчетного года, к
которому приводятся все затраты, обычно принимается наиболее ранний из всех
рассматриваемых вариантов календарный год, предшествующий началу использования
оборудования. Приведение разновременных затрат всех лет к расчетному году
осуществляется путем умножения их величины за каждый год на коэффициент
приведения
. Здесь
реальная процентная ставка r - это ставка (норма) дисконта с
учетом инфляции, относительного увеличения цен на энергию и возможного
относительного увеличения других цен,
, (6.2)
где
- нормативный коэффициент
эффективности капитальных вложений; величина
принимается не ниже безрисковой
ставки по альтернативному вложению капитала ([4], стр. 57);
d - уровень
инфляции.
Инфляция должна быть учтена при
проведении расчетов в нестабильной валюте, что характерно для стран с
экономикой переходного периода, а также при длительном сроке службы
вкладываемого капитала [9].
Произведем расчет реальной
процентной ставки для Республики Беларуси. Действующая процентная ставка
Беларусбанка по вкладам в белорусских рублях составляет 32% в год. Из этой
цифры должен исходить инвестор при поиске альтернативных путей вложения
денежных средств. Официально уровень инфляции в стране за 2013 год 21,8%. Тогда
реальная процентная ставка
.
За начальный год расчетного периода,
к которому обычно приводят все затраты, принимается год начала финансирования
работ по сооружению объекта,
. Конечный год расчетного периода T
определяется моментом завершения всего жизненного цикла оборудования, то есть
. В этом
случае формула (6.1) принимает следующий вид:
. (6.3)
Капиталовложения в объект
проектирования рассчитываются по формуле
, (6.4)
где
,
,
,
- соответственно стоимости
оборудования, проектных, строительно-монтажных и пусконаладочных работ, руб.
Величины
,
и
можно
определить, используя сборники ресурсно-сметных норм проектно-изыскательских,
строительно-монтажных и пусконаладочных работ соответственно, с учетом
поправочных коэффициентов по каждому виду работ. Для облегчения
технико-экономических расчетов согласно [10] приближенно можно принять:
стоимость проектных работ - до 10% от стоимости строительно-монтажных работ;
стоимость строительно-монтажных работ - 25-30% от стоимости оборудования;
стоимость пуско-наладочных работ - 3-5% от стоимости оборудования.
Следовательно, капиталовложения в
проектируемый объект в упрощенном виде
; (6.5)
.
Капитальные вложения в электрооборудование СЭС
предприятия
, (6.6)
где
- капитальные вложения в
трансформаторные подстанции, руб.;
- капитальные вложения в
конденсаторные установки, руб.;
- капитальные вложения в ячейки РП,
руб.;
- капитальные вложения в кабельные
линии, руб.
Капитальные вложения в
трансформаторные подстанции
, (6.6)
где
- капитальные вложения в i-ую ТП,
руб.;
n -
количество ТП.
Капитальные вложения в
конденсаторные установки
, (6.7)
где
- капитальные вложения в i-ую КУ,
руб.;
n -
количество установок.
Капитальные вложения в ячейки РП
, (6.8)
где
- капитальные вложения в i-ую ячейку
РП, руб.;
n -
количество ячеек.
Капитальные вложения в кабельные
линии
, (6.9)
где
- удельная стоимость 1 км i-ой
кабельной линии, руб / км;
- протяженность i-ой кабельной
линии, км;
n -
количество кабельных линий.
Годовые эксплуатационные расходы
, (6.10)
где
- амортизационные отчисления, руб.;
- отчисления на текущие ремонты и
обслуживание, руб.;
- стоимость годовых потерь
электроэнергии, руб.
Амортизационные отчисления
. (6.11)
Годовые расходы на текущие ремонты и
обслуживание электрооборудования
, (6.12)
где
- норма эксплуатационных расходов
для i-го
оборудования, %.
Согласно ([11], стр. 548, табл.
10.2) для силового электрооборудования и распределительных устройств напряжением
до 150 кВ
; для
кабельных линий напряжением до 10 кВ с алюминиевой оболочкой
.
Стоимость потерь электроэнергии
, (6.13)
где
- стоимость 1 кВт∙ч потерь
электроэнергии;
- суммарные потери электроэнергии
для рассматриваемого варианта схемы электроснабжения, кВт∙ч.
Стоимость 1 кВт∙ч потерь
электроэнергии оценивается по среднему тарифу на электроэнергию:
, (6.14)
где
- годовое время использования
максимума нагрузки потребителя, ч.
Суммарные потери электроэнергии
, (6.15)
где
- годовые потери электроэнергии в i-ом
трансформаторе, кВт∙ч;
- годовые потери электроэнергии в j-ой
кабельной линии, кВт∙ч;
- годовые потери электроэнергии в
БНК предприятия, кВт∙ч;
n, m -
соответственно количество трансформаторов и кабельных линий.
Величину суммарных годовых потерь
активной электроэнергии в ТП с числом трансформаторов NT в общем
случае можно определить по выражению
, (6.16)
где t - время
максимальных потерь;
- число часов работы
трансформаторов в году,
ч.
Время максимальных потерь можно
определить по эмпирической формуле В. В. Кезевича:
. (6.17)
При
ч / год время максимальных потерь
ч.
Годовые потери активной электроэнергии в линии
электропередачи
, (6.18)
где ro
- удельное активное сопротивление линии, Ом / км;
l - длина линии, км.
Годовые потери электроэнергии в установках БНК
, (6.19)
где
- удельные потери активной мощности
в БНК,
кВт / квар;
- число часов работы КУ в год,
ч ([4],
стр. 53, табл. 3.3).
Воспользовавшись укрупненными
показателями стоимости элементов систем электроснабжения, приведенными в [11],
находим капитальные вложения в оборудование КТП предприятия для обоих вариантов
схем электроснабжения. Результаты сводим в таблицу 6.3.
Таблица 6.3 - Капитальные вложения в
оборудование КТП предприятия
№ цеха Название Марка
установленных трансформаторов Кол-во тр-ров
,
|
млн.
руб.
|
|
|
Вариант
1
|
|
1
|
Металообрабатываю-щий
цех
|
ТМГ12-1250/10-У1
|
1
|
750,0
|
|
2
|
Сборочный
цех
|
ТМГ12-1250/10-У1
|
1
|
313,2
|
|
3
|
Сварочный
цех
|
ТМГ12-1250/10-У1
|
2
|
171,3
|
|
4
|
Окрасочный
цех
|
ТМГ12-1250/10-У1
|
2
|
171,3
|
|
5
|
Компрессорная
|
ТМГ12-1250/10-У1
|
2
|
171,3
|
|
6
|
Ремонтно-механический
цех
|
ТМГ12-1000/10-У1
|
2
|
626,3
|
|
Суммарное
значение
|
10
|
3172,1
|
|
Вариант
2
|
|
1
|
Литейный
цех
|
ТМГ11-2500/10-У1
|
2
|
687,6
|
|
2
|
Кузнечно-прессовый
цех
|
ТМГ11-1000/10-У1
|
2
|
313,2
|
|
3
|
Механический
цех
|
ТМГ11-630/10-У1
|
2
|
229,2
|
|
4
|
Цех
металлоконструкций
|
ТМГ11-630/10-У1
|
2
|
229,2
|
|
5
|
Инструментальный
цех
|
ТМГ11-1000/10-У1
|
1
|
171,3
|
|
6
|
Термический
цех
|
ТМГ11-1000/10-У1
|
4
|
626,3
|
|
7
|
Сборочный
цех
|
ТМГ11-1000/10-У1
|
2
|
313,2
|
|
8
|
Блок
вспомогательных цехов
|
ТМГ11-630/10-У1
|
2
|
229,2
|
|
9
|
Модельный
цех
|
ТМГ11-1000/10-У1
|
1
|
171,3
|
|
10
|
Компрессорная
|
ТМГ11-1000/10-У1
|
2
|
313,2
|
|
Суммарное
значение
|
20
|
3283,4
|
Капитальные вложения в кабельные
линии зависят от величин их расчетных нагрузок. Для кабелей 10 кВ, питающих
цеховые ТП, значение постоянной времени нагрева T0
принимается равным 30 мин. При этом коэффициент расчетной нагрузки
. Тогда
расчетные активные и реактивные нагрузки кабельных линий будут определяться
следующими выражениями:
; (6.20)
(6.21)
где N -
количество однородных групп электроприемников, запитанных через цеховую ТП от
рассматриваемой кабельной линии.
На основании данных, для двух вариантов схем
электроснабжения, представленных на рисунке 6.2, определяем согласно (6.20) и
(6.21) значения расчетных нагрузок кабельных линий, питающих цеховые ТП.
Результаты расчетов сводим в таблицу 6.4.
Таблица 6.4 - Расчетные нагрузки кабельных линий
в нормальном режиме
|
Линия
|
Длина,
км
|
Ррл,
кВт
|
Qрл, квар
|
Sрл,
кВ∙А
|
|
Вариант
1
|
|
Л1
|
1,2
|
3006,7
|
2101,9
|
2010,0
|
|
Л2
|
1,2
|
1591,1
|
732,2
|
829,0
|
|
Л3
|
0,29
|
2080,6
|
1128,5
|
829,0
|
|
Л4
|
0,12
|
2745,7
|
1211,1
|
1677,2
|
|
Л5
|
0,12
|
2214,2
|
1390,9
|
2010,0
|
|
Л6
|
0,01
|
984,0
|
648,0
|
1040,1
|
|
Л7
|
0,29
|
795,6
|
366,1
|
3120,8
|
|
Л8
|
0,3
|
1730,1
|
794,5
|
2606,5
|
0,01
|
1150,3
|
679,2
|
1138,8
|
|
Л10
|
0,13
|
1086,2
|
833,1
|
1040,1
|
|
Л11
|
0,28
|
930,7
|
553,0
|
2010,0
|
|
Л12
|
0,3
|
714,6
|
378,0
|
829,0
|
|
Вариант
2
|
|
Л1
|
1,2
|
2022,3
|
781,9
|
1190,0
|
|
Л2
|
1,2
|
2545,5
|
1332,3
|
1190,0
|
|
Л3
|
0,13
|
1803,4
|
1197,4
|
1040,1
|
|
Л4
|
0,13
|
2136,8
|
1198,1
|
2220,5
|
|
Л5
|
0,29
|
2598,7
|
1427,2
|
1040,1
|
|
Л6
|
0,23
|
1615,3
|
908,9
|
829,0
|
|
Л7
|
0,29
|
1668,6
|
1003,9
|
3354,8
|
|
Л8
|
0,29
|
1236,9
|
857,0
|
2606,5
|
|
Л9
|
0,23
|
1341,2
|
837,1
|
1138,8
|
|
Л10
|
0,19
|
930,4
|
511,3
|
1190,0
|
|
Л11
|
0,8
|
1036,9
|
701,2
|
1190,0
|
|
Л12
|
0,8
|
714,4
|
352,3
|
1040,1
|
Определив значения расчетных нагрузок кабельных
линий в нормальном режиме работы, выбираем по экономической плотности тока
сечения кабелей и находим капиталовложения в линии в соответствии с выражением
(6.9). Согласно ([4], табл. 3.1) при числе часов использования максимума
нагрузки в год Tmax
= 4400 ч для кабелей с алюминиевыми жилами с бумажной пропитанной изоляцией в
алюминиевой оболочке экономическая плотность тока jэ = 1,4 А / мм2. Результаты
определения капиталовложений в кабельные линии сводим в таблицу 6.7.
Таблица 6.7 - Капитальные вложения в кабельные
линии
|
Линия
|
Sрл, кВ∙А
|
Iрл, А
|
Fрл, мм2
|
Длина,
км
|
Марка
и сечение кабеля
|
, млн. руб.
/ км , млн.
руб.
|
|
|
Вариант
1
|
|
Л1
|
2010,0
|
116,1
|
236,7
|
1,2
|
2хААБл
3x150-10
|
154,0
|
184,7695
|
|
Л2
|
829,0
|
47,9
|
236,7
|
1,2
|
2хААБл
3x150-10
|
154,0
|
184,7695
|
|
Л3
|
829,0
|
47,9
|
82,9
|
0,29
|
ААШвУ
3x120-10
|
60,1
|
17,43109
|
|
Л4
|
1677,2
|
96,8
|
34,2
|
0,12
|
ААШвУ
3x95-10
|
52,1
|
6,25674
|
|
Л5
|
2010,0
|
116,1
|
34,2
|
0,12
|
ААШвУ
3x95-10
|
52,1
|
6,25674
|
|
Л6
|
1040,1
|
60,1
|
69,2
|
0,01
|
ААШвУ
3x120-10
|
60,1
|
0,601072
|
|
Л7
|
3120,8
|
180,2
|
82,9
|
0,29
|
ААШвУ
3x120-10
|
60,1
|
17,43109
|
|
Л8
|
2606,5
|
150,5
|
42,9
|
0,3
|
ААШвУ
3x120-10
|
60,1
|
18,03216
|
|
Л9
|
1138,8
|
65,7
|
128,7
|
0,01
|
2хААШвУ
3x150-10
|
153,9
|
3,077804
|
|
Л10
|
1040,1
|
60,1
|
107,5
|
0,13
|
ААШвУ
3x240-10
|
99,6
|
12,95193
|
|
Л11
|
2010,0
|
116,1
|
47,0
|
0,28
|
ААШвУ
3x95-100
|
52,1
|
14,59906
|
|
Л12
|
829,0
|
47,9
|
42,9
|
0,3
|
ААШвУ
3x120-10
|
60,1
|
18,03216
|
|
Суммарное значение
|
484,2089
|
|
Вариант
2
|
|
Л1
|
1075,8
|
68,7
|
236,7
|
1,2
|
2хААБл
3x150-10
|
153,9746
|
184,7695
|
|
Л2
|
1075,8
|
68,7
|
236,7
|
1,2
|
2хААБл
3x150-10
|
153,9746
|
184,7695
|
|
Л3
|
915,1
|
60,1
|
49,1
|
0,13
|
ААШвУ
3x120-10
|
60,1072
|
7,813936
|
|
Л4
|
2055,2
|
128,2
|
49,1
|
0,13
|
ААШвУ
3x120-10
|
60,1072
|
7,813936
|
|
Л5
|
915,1
|
60,1
|
42,9
|
0,29
|
ААШвУ
3x120-10
|
60,1072
|
17,43109
|
|
Л6
|
771,8
|
60,1
|
91,6
|
0,23
|
ААШвУ
3x150-10
|
70,2334
|
16,15368
|
|
Л7
|
1752,0
|
193,7
|
42,9
|
0,29
|
ААШвУ
3x120-10
|
60,1072
|
17,43109
|
|
Л8
|
980,2
|
150,5
|
40,25
|
0,01
|
ААШвУ
3x150-10
|
60,1072
|
0,601072
|
|
Л9
|
1023,2
|
65,7
|
138,4
|
0,23
|
2хААШвУ
3x95-10
|
104,279
|
23,98417
|
|
Л10
|
1075,8
|
68,7
|
107,5
|
0,19
|
2хААШвУ
3x95-10
|
104,279
|
19,81301
|
|
Л11
|
1075,8
|
68,7
|
47,0
|
0,8
|
ААШвУ
3x70-10
|
44,9874
|
35,98992
|
|
Л12
|
915,1
|
60,1
|
63,0
|
0,01
|
ААШвУ
3x75-10
|
44,9874
|
0,449874
|
|
Суммарное значение
|
517,02
|
Капитальные вложения в ячейки РП для обоих
вариантов будут одинаковыми. Следовательно, капиталовложения в проектируемый
объект согласно (6.5) для рассматриваемых вариантов схем составят:
млн. руб.;
млн. руб.
Для определения стоимости потерь
электроэнергии необходимо найти годовые потери активной энергии кабельных
линиях предприятия.
Суммарные потери активной электроэнергии
согласно (6.15) для сравниваемых вариантов схем электроснабжения будут
следующими:
кВт∙ч;
кВт∙ч.
Средний тариф на электроэнергии в
соответствии с (6.14)
руб. / кВт∙ч.
Тогда стоимость годовых потерь
электроэнергии по (6.13)
млн. руб.;
млн. руб.
Таким образом, годовые
эксплуатационные расходы рассматриваемых вариантов схем электроснабжения в
соответствии с (6.10) составят:
млн. руб.;
млн. руб.
Определим значения приведенных
затрат с учетом инфляции для каждого из вариантов по формуле (6.3), приняв
продолжительность расчетного периода T = 25 лет:
млн. руб.;
млн. руб.
Таким образом, расчеты показывают,
сравниваемые варианты схем электроснабжения можно считать равноценными..
Следовательно, для дальнейших расчетов принимаем первый вариант схемы
электроснабжения, представленный на листе 3 графической части дипломного
проекта.
7. Выбор схемы сетей до 1 кв,
связующих ТП
Обеспечение бесперебойной работы промышленного
предприятия, имеющего в своем составе ответственные электроприемники и
потребители - основная задача автоматизации СЭС [4]. Надежность
электроснабжения обеспечивается применением двух независимых источников
питания.
Резервирование питания электроприемников
необходимо осуществлять с минимальными затратами средств и электрооборудования.
При определении объема резервирования не следует учитывать возможность
совпадения планового ремонта элементов электрооборудования и аварии в системе
электроснабжения. Особое внимание уделяется полному использованию перегрузочной
способности трансформаторов, кабелей и другого электрооборудования в
послеаварийных режимах.
В окрасочном, ремонтно-механическом, сборочном
цехе и на компрессорной приняты к установке двухтрансформаторные подстанции,
для питаний которых применены схемы двойных сквозных магистралей. При этом
мощность каждого трансформатора достаточна для питания электроприемников I
и II категорий
перечисленных цехов с учетом их перегрузочной способности, а секции шин низшего
напряжения оборудованы устройством АВР. При отключении одного из
трансформаторов питание электроприемников автоматически переводится на
оставшийся в работе трансформатор с помощью устройства АВР.
В металлообрабатывающем и сварочном цехе будут
установлены однотрансформаторные подстанции, питание которых осуществляется
одиночными сквозными магистралями. Нагрузка ответственных электроприемников
указанных цехов составляет около 15-20% номинальных мощностей трансформаторов.
Резервирование электроснабжения в данном случае выполняется по перемычкам
напряжением до 1000 В от других магистралей [12]. Схема сетей до 1 кВ, связующих
ТП представлена на листе 4 графической части дипломного проекта.
Выбор сечений кабельных линий до 1 кВ, связующих
ТП, осуществляется по допустимому нагреву длительным расчетным током:
, (7.3)
где
- поправочный коэффициент на
фактические условия прокладки; согласно [1] принимаем
.
Выбранные по нагреву сечения
проверяем на термическую стойкость при коротких замыканиях (КЗ). В инженерных
расчетах минимально допустимое сечение проводника по данному условию
определяется по выражению
, (7.4)
где
- тепловой импульс от тока КЗ, А2∙с;
расчет
подробно изложен
в пункте 8 пояснительной записки;
С - расчетный коэффициент, значение которого
принимаются в зависимости от допустимой температуры нагрева при КЗ, материала
проводника и его изоляции. Для кабелей с алюминиевыми жилами и
поливинилхлоридной изоляцией С = 74 А∙с-0,5 / мм2.
Рассмотрим выбор сечения резервной линии РЛ1.
Расчетную нагрузку линии принимаем равной 20% от номинальной мощности
трансформатора (ТП5). Тогда расчетный ток линии по (7.2)
А.
Выбираем по ([4], табл. П21) 2
кабеля с алюминиевыми жилами площадью сечения 95 мм2 марки АВВГ 5×95-1 с
допустимым длительным током
А.
Тепловой импульс тока КЗ в начале
линии, отходящей от шин низшего напряжения подстанции ТП9, от которой осуществляется
резервирование электроснабжения,
А2∙с (таблица 8.4).
Следовательно, минимально допустимое сечение по условию (7.4)
мм2.
Таким образом, выбранный по нагреву
кабель термически стоек.
Выбор сечений остальных кабельных
линий выполняется аналогичным образом. Результаты выбора сведены в таблицу 7.1.
Таблица 7.1 - Результаты выбора
кабельных линий, связующих ТП
Начало
линии Конец линии
,
|
А , мм2Марка
и сечение кабеля , А
|
|
|
|
|
|
ТП11
(Т2)
|
ТП2
|
360,8
|
56,0
|
2хАВВГ
5×95-1
|
408
|
|
ТП5
(Т1)
|
ТП3
|
451,1
|
58,6
|
2хАВВГ
5×120-1
|
480
|
|
ТП2
|
Цех
№1
|
451,1
|
58,4
|
2хАВВГ
5×120-1
|
480
|
|
ТП6
(Т1)
|
Цех
№7
|
58,4
|
2хАВВГ
5×120-1
|
480
|
|
ТП11
(Т1)
|
Цех
№9
|
360,8
|
56,0
|
2хАВВГ
5×95-1
|
408
|
|
ТП5
(Т2)
|
Цех
№8
|
451,1
|
58,6
|
2хАВВГ
5×120-1
|
480
|
|
ТП4
(Т1)
|
Цех
№10
|
451,1
|
58,4
|
2хАВВГ
5×120-1
|
480
|
|
ТП6
(Т2)
|
Цех
№7
|
360,8
|
56,0
|
2хАВВГ
5×120-1
|
480
|
Подключение резервных линий к РУ ТП осуществляется
через автоматические выключатели серии ВА 51-37. Выбор автоматических
выключателей производится по следующим условиям:
; (7.5)
, (7.6)
, (7.7)
где
- номинальный ток выключателя; для
ВА 52-37
А;
- номинальный ток расцепителя, А;
- пиковый ток защищаемой линии, А;
- кратность тока отсечки по
отношению к
, А.
Выключатель серии ВА 51-37 имеет
большую кратность тока отсечки:
, поэтому ток срабатывания
электромагнитного расцепителя будет во много раз превышать значение пикового
тока линии. Следовательно, условие (7.7) будет выполняться.
Далее выбранные выключатели
проверяются на возможность отключения тока КЗ:
, (7.8)
где
- предельная коммутационная
способность; предельный ток, который может отключить выключатель, кА;
- величина тока КЗ в начале
защищаемой линии, кА; расчет токов КЗ подробно изложен в пункте 8 пояснительной
записки.
Произведем выбор автоматических
выключателей для линии РЛ1. В соответствии с условием (7.6)
А.
Принимаем номинальный ток расцепителя
.
Предельная коммутационная
способность выключателя ВА 51-37
кА. Следовательно, условие (7.8)
выполняется: 25 кА > 12,5 кА.
Выбор выключателей остальных линий
аналогичен. Результаты выбора сведены в таблицу 7.2.
Таблица 7.2 - Результаты выбора
автоматических выключателей РЛ
|
Линия
|
, А , кАТип
выключателя , А , А , кА
|
|
|
|
|
|
|
РЛ1
|
360,8
|
12,5
|
ВА
51-37
|
400
|
4000
|
25
|
|
РЛ2
|
451,1
|
13,1
|
ВА
51-37
|
400
|
4000
|
25
|
|
РЛ3
|
451,1
|
13,0
|
ВА
51-37
|
400
|
4000
|
25
|
|
РЛ4
|
451,1
|
13,0
|
ВА
51-37
|
400
|
4000
|
25
|
|
РЛ5
|
360,8
|
12,5
|
ВА
51-37
|
400
|
4000
|
25
|
|
РЛ3
|
451,1
|
13,1
|
ВА
51-37
|
400
|
4000
|
25
|
|
РЛ4
|
451,1
|
13,0
|
ВА
51-37
|
400
|
4000
|
25
|
|
РЛ5
|
360,8
|
12,5
|
ВА
51-37
|
400
|
4000
|
25
|
8. Расчет токов короткого замыкания
Расчетным видом КЗ является трехфазное, т. к.
это наиболее тяжелый вид КЗ, при котором имеют место большие значения
сверхпереходного и ударного токов, чем при двухфазном и однофазном.
Для вычисления токов КЗ составляется расчетная
схема, включающая все элементы, по которым протекают токи к выбранным расчетным
точкам (сборные шины подстанции системы, шины РП, шины ТП). На схеме приводятся
основные параметры оборудования, которые потребуются для дальнейшего расчета.
Расчетная схема и основные параметры оборудования показаны на рисунке 7.2.
Рисунок 7.1 - Схема питания завода
Завод получает питание от электростанций,
представленных: ТЭЦ-460 на напряжении 110 кВ, расположенной на расстоянии 65
км, на которой установлены 3 генератора по 160 МВт и 3 трансформатора по 200
МВА, а также ТЭС 900 с 3 генераторами по 300 МВт и 3 трансформаторов по 400
МВА, расположенной на расстоянии 45 км. Питание завод получает от ПС 110/10,
расположенной на расстоянии 1,2 км от РП завода. На основании приведенных
данных производим расчет токов короткого замыкания в двух точках на сборных
шинах подстанции (точка К1), и заводского РП (точка К2).
На подстанции установлены два трансформатора
мощностью по 63 МВ∙А каждый со следующими параметрами: ТРДН 63000/110, Sн=63
МВ∙А, Uвн=115кВ, Uнн=10,5
кВ, ΔРкз=260
кВт, ΔРхх=59
кВт, Uк=10,5 %, Iх=0,6%.
Принимаем, что ТЭЦ выполнена по
блочному принципу с генераторами ТВВ-160-2УЗ, Pн=160 МВт,
’’=1,13 (Xd’’=0,192) и
повышающими трансформаторами ТДЦ-200000/110, Sн=200МВ∙А,
Uн=121 кВ, Uнн=10,5 кВ, ΔРкз=400 кВт,
ΔРхх=120 кВт,
Uк=10,5 %, Iх=0,55%.
По расчетной схеме составляем схему
замещения (рисунок 7.3), в которой каждый элемент заменяем своим
сопротивлением. Генераторы, трансформаторы, высоковольтные линии и короткие
участки распределительных сетей представляем индуктивными сопротивлениями,
линию питающую РП заменяем полным сопротивлением.
Расчет токов КЗ выполняем в
относительных единицах, при котором все расчетные данные приводим к базисным
напряжению и мощности.
Принимаем базисные величины
= 1000 МВА,
= 10,5 кВ,
тогда ток, кА:
; (8.1)
.
Подставляем данные от генераторах,
трансформаторах и линиях [6,стр.76] в расчетную схему рисунок (7.2).
Рисунок 7.2 - Расчетная схема
Для турбогенераторов мощностью от
100 МВт до 1000 МВт принимаем по [6,стр.80]
=1,13.
Рассчитаем сопротивления всех
элементов в относительных единицах.
Сопротивления генераторов находится
как:
. (7.2)
где Рн - номинальная активная
мощность генератора, МВт,
- сверхпереходное сопротивление
генератора, о.е.,
Сопротивление двухобмоточного
трансформатора:
. (7.3)
где
- номинальная полная мощность
трансформатора, МВ∙А,
- напряжение короткого замыкания,
%.
Для трансформатора с расщепленной
обмоткой схема замещения состоит из двух лучей, сопротивления которых:
(7.4)
Сопротивления воздушных и кабельных
линий:
, (7.5)
, (7.6)
, (7.7)
где
- удельное индуктивное
сопротивление, Ом/км;
- длина линии, км;- удельное
активное сопротивление, Ом/км.
Рисунок 7.3 - Расчетная схема
Выполним расчет для точки К1. По
формуле (7.3) сопротивления:
генераторов ТЭЦ-460 и ГРЭС-900:
;
По формуле (7.3) сопротивления
блочных трансформаторов ТДЦ-200000/110 и ТДЦ-400000/110 :
;
Сопротивления воздушных линий,
питающих ПС по формуле (7.5):
;
;
.
Сопротивление трансформатора ПС
110/10 ТРДН-63000/110 по формуле (7.4):
Все сопротивления наносим на схему
замещения (рисунок 7.4):
Рисунок 7.4 - Схема замещения
Преобразуем схему замещения.
Последовательно складываем сопротивления генератора и трансформатора и затем
складываем их параллельно, получаем:
Преобразуем треугольник
сопротивлений
,
,
в звезду с
сопротивлениями
,
,
,
преобразование треугольника сопротивлений в эквивалентную звезду покажем на
схеме замещения, рисунок 7.6.
Преобразуем схему замещения к виду рисунка 7.5:
Рисунок 7.5 - Преобразование схемы
замещения
Рисунок 7.6 - Преобразование
треугольника сопротивлений в эквивалентную звезду
; (7.8)
; (7.9)
. (7.10)
Согласно формулам (8.8-8.10) сопротивления
элементов преобразованной схемы равны:
;
;
.
Преобразуем схему замещения к виду
рисунка 7.7:
Рисунок 7.7 - Преобразование схемы
замещения
По рисунку 7.7 преобразовываем схему
далее:
;
;
.
;
;
.
Рисунок 7.8 - Преобразование схемы
замещения
Для дальнейшего преобразования
схемы, сложим параллельно соединенные сопротивления
и
:
;

;

;
;
;
;
Преобразуем схему замещения для
расчета тока КЗ в точке К1 к виду рисунка 7.9:
Рисунок 7.9 - Схема замещения для
расчета тока короткого замыкания в точке К1
Периодическая составляющая тока трехфазного
короткого замыкания:
(7.11)
Ударный ток КЗ определяется по
формуле:
, (7.12)
где
- ударный коэффициент ( для шин ПС
= 1,82, для
шин РП завода
= 1,369).
Sк=
. (7.13)
где Sк - мощность
короткого замыкания, МВ·А;
- ток установившегося короткого
замыкания, кА;
- номинальное среднее напряжение в
точке короткого замыкания, на шинах РП, шинах ПС и шинах ВН трансформаторных
подстанций
=10,5 кВ;
Определяем действующее значение
периодической составляющей тока КЗ в точке К1, на шинах 10 кВ:
;
Ударный ток на шинах 10 кВ:
;
Мощность короткого замыкания на
шинах РП завода:
.
Для выбора коммутационных и защитных аппаратов,
а также для расчета схемы сетей, связующих цеховые ТП, необходимо знать
значения токов КЗ на шинах до 1 кВ.
Найдем величину тока КЗ на шинах до 1 кВ ТП1, а
также в начале отходящей от шин кабельной линии. С этой целью составим
расчетную схему и схемы замещения для определения активного и индуктивного
сопротивлений цепи КЗ, представленные на рисунках 8.4 и 8.5 соответственно.
Рисунок 7.12 - Расчетная схема участка сети
электроснабжения
Рисунок 7.13 - Схемы замещения цепи
КЗ
Сопротивление системы в мОм до понижающего
трансформатора
, (8.15)
где
- среднее номинальное напряжение
сети высшего напряжения, кВ;
- начальное значение периодической
составляющей тока КЗ на выводах высшего напряжения трансформатора,
кА
мОм.
Сопротивление
приводится
к ступени низшего напряжения:
, (8.16)
где
- среднее номинальное напряжение
сети, в которой рассчитывается ток КЗ, кВ.
мОм.
Активное сопротивление
трансформатора ТМГ12-1250/10 в мОм
; (8.17)
мОм.
Индуктивное сопротивление
трансформатора ТМГ11-1250/10
; (8.18)
мОм.
Сопротивления катушек максимального
тока автоматических выключателе принимаем по ([6], табл. П6.4):
мОм,
мОм,
мОм,
мОм.
Сопротивления первичных обмоток
трансформаторов тока принимаем по ([6], табл. П6.3):
мОм,
мОм.
Сопротивления
и
согласно
можно не учитывать, поскольку трансформаторы тока ТА1 рассчитаны на токи более
500 А.
Переходное сопротивление контактов
при
отсутствии достоверных данных учитывается совокупно. Согласно [6] при КЗ на
щите ТП можно принять
мОм.
Определим ток КЗ в точке К1 (рисунок
7.12). Суммарное сопротивление цепи КЗ
мОм;
мОм.
Ток трехфазного КЗ в точке К1
; (8.19)
кА.
Поскольку расчет тока КЗ проводился
с учетом переходного сопротивления контактов, то при вычислении ударного тока
по выражению (8.14) можно принять значение ударного коэффициента
. Тогда
кА.
Согласно выражению (8.13) тепловой импульс от
тока КЗ
А2 ∙ с.
Расчет токов КЗ на стороне до 1 кВ
для остальных ТП выполняется аналогичным образом.
Таблица 8.4 - Результаты расчета
токов КЗ на отходящих линиях 0,4 кВ
|
№ТП
|
, кА , кА ∙106,
А2∙с
|
|
|
|
|
ТП1
|
12,5
|
17,7
|
17,2
|
|
ТП2
|
13,1
|
18,5
|
18,8
|
|
ТП3
|
13,0
|
18,4
|
18,7
|
|
ТП4
|
13,0
|
18,4
|
18,7
|
|
ТП5
|
12,5
|
17,7
|
17,2
|
|
ТП6
|
13,1
|
18,5
|
18,8
|
|
ТП7
|
13,0
|
18,4
|
18,7
|
Определив значения токов КЗ, можно перейти к
выбору сечений токоведущих элементов и электрических аппаратов СЭС предприятия.
9. Выбор сечений токоведущих элементов и
электрических аппаратов РП и ТП
электроснабжение
трансформатор замыкание напряжение
Сечения токоведущих элементов и электрические
аппараты выбираются по расчетным условиям нормального и утяжеленного режимов с
последующей проверкой работоспособности в аварийных режимах. При этом расчетные
величины не должны превышать номинальных (каталожных) параметров.
.1 Выбор сечений кабелей
Сечения жил кабелей выбираются с учетом
технических и экономических факторов: экономической плотности тока, допустимого
нагрева максимальным расчетным током, допустимого нагрева расчетным током в
послеаварийном и ремонтном режимах, нагрева током КЗ.
Сечения жил кабеля по экономической плотности
тока выбирают согласно условию:
, (9.1)
где Iрл - расчетный ток линии в нормальном
режиме работы, А;
jэ - экономическая плотность тока, принимаемая в
зависимости от материала проводника, изоляции и числа часов использования
максимума нагрузки в год, А / мм2.
Сечения жил кабелей в соответствии с условием
(9.1) были выбраны при разработке схемы электроснабжения завода в пункте 6
пояснительной записки. Результаты представлены в таблице 6.7.
Затем выбранное сечение кабеля проверяется по
допустимому нагреву максимальным расчетным током или током послеаварийного
режима.
Кабели, питающие цеховые трансформаторы,
проверяются по нагреву максимальным расчетным током, который определяется по
формуле:
(9.2)
где
- номинальная мощность i-го
трансформатора;
NТ - число
трансформаторов, питающихся по кабелю в нормальном режиме.
Необходимо, чтобы длительный допустимый ток
кабеля с учетом конкретных условий прокладки был не менее расчетного
максимального тока, то есть:
(9.3)
где
- коэффициент, учитывающий условия
прокладки, при нормальных условиях прокладки
;
- коэффициент допустимой перегрузки
кабелей в послеаварийном режиме; для кабелей с бумажной пропитанной изоляцией
при
прокладке в воздухе и
при
прокладке в земле.
Сечения жил кабелей, которые в послеаварийных
или ремонтных режимах могут работать с перегрузкой (например, питающие линии и
двойные сквозные магистрали), выбираются по условию:
(9.4)
где
- расчетный ток линии в
послеаварийном или ремонтном режиме,
.
Далее сечение жил кабеля проверяется на
термическую стойкость. В инженерных расчетах минимально допустимое сечение
проводника по данному условию
, (9.5)
где
- тепловой импульс от тока КЗ, А2∙с;
значения
определены
при расчете токов КЗ в пункте 8 пояснительной записки и представлены в таблицах
8.2 и 8.3;
С - расчетный коэффициент, значение которого
принимаются в зависимости от допустимой температуры нагрева при КЗ, материала
проводника и его изоляции; для кабелей 10 кВ с алюминиевыми жилами и бумажной
пропитанной изоляцией С = 100 А∙с-0,5 / мм2 ([6], табл. П4.7).
Из трех найденных по перечисленным выше условиям
сечений жил кабелей окончательно принимается наибольшее.
В качестве примера рассмотрим порядок выбора
кабельных линий, питающих РП. Расчетный ток одной линии в нормальном режиме на
основании таблицы 6.5
А.
Согласно ([4], стр. 41, табл. 3.1) при числе
часов использования максимума нагрузки в год Tmax
= 4400 ч для кабелей с алюминиевыми жилами с бумажной пропитанной изоляцией в
алюминиевой оболочке экономическая плотность тока jэ = 1,4 А / мм2. Тогда по
(9.1) экономически целесообразная площадь сечения жил кабеля питающей линии
мм2.
Принимаем два кабеля марки ААБл-3×150-10,
проложенные параллельно, с суммарным сечением жил 300 мм2 и допустимым
длительным током
А при
прокладке в земле.
Проверим выбранные кабели по нагреву в
послеаварийном и ремонтном режимах. Расчетный ток аварийного режима
А.
При двух проложенных рядом кабелях с
расстоянием между ними в свету 200 мм поправочный коэффициент, учитывающий
условия прокладки,
([4], табл.
П24). Тогда по условию (9.4)
А.
Условие выполняется (550 > 395,8).
Проверяем выбранные кабели на
термическую стойкость. Согласно [1] проверка на нагрев токами КЗ для пучка из
двух и более кабелей осуществляется по сквозному току КЗ. Тепловой импульс от
тока КЗ на шинах 10 кВ РП
А2∙с
(таблица 8.2). Минимально допустимое сечение проводника по условию (9.5)
мм2.
Таким образом, выбранные по условию нагрева
расчетным током в послеаварийном и ремонтном режимах кабели термически стойки к
воздействию токов КЗ (550 > 126,1).
Выбор сечений жил кабельных линий, питающих
цеховые ТП, производится аналогичным образом. Полученные результаты сведены в
таблицу 9.1.
Таблица 9.1 - Выбор сечений жил кабелей,
питающих цеховые ТП
|
Линия
|
Iрл, А
|
Iра (Iрmax ), А
|
Сечение
жил кабеля, мм2
|
Марка
и сечение принятого кабеля
|
|
|
|
по
экономи-ческой плотности тока
|
по
расчет-ному току
|
по
терми-ческой стойкости
|
|
|
Л1
|
276,1
|
230,9
|
240,0
|
2х120
|
2х150
|
2хААБл
3×150-10
|
|
Л2
|
276,1
|
230,9
|
240,0
|
2х120
|
2х150
|
2хААБл
3×150-10
|
|
Л3
|
116,1
|
185,7
|
70,0
|
120,0
|
120,0
|
ААШвУ
3×120-10
|
|
Л4
|
47,9
|
76,6
|
35,0
|
35,0
|
95,0
|
|
Л5
|
47,9
|
76,6
|
35,0
|
35,0
|
95,0
|
ААШвУ
3×95-10
|
|
Л6
|
96,8
|
154,9
|
70,0
|
95,0
|
120,0
|
ААШвУ
3×120-10
|
|
Л7
|
116,1
|
185,7
|
70,0
|
120,0
|
120,0
|
ААШвУ
3×120-10
|
|
Л8
|
60,1
|
96,1
|
50,0
|
50,0
|
120,0
|
ААШвУ
3×120-10
|
|
Л9
|
180,2
|
288,3
|
300,0
|
2*150
|
150,0
|
2хААШвУ
3×150-10
|
|
Л10
|
150,5
|
240,8
|
120,0
|
240,0
|
95,0
|
ААШвУ
3×240-10
|
|
Л11
|
65,7
|
105,2
|
50,0
|
50,0
|
95,0
|
ААШвУ
3×95-10
|
|
Л12
|
60,1
|
96,1
|
50,0
|
50,0
|
120,0
|
ААШвУ
3×120-10
|
Из таблицы 9.1 видно, что определяющим критерием
при выборе сечений жил кабелей является термическая стойкость при КЗ.
.2 Выбор шин РП
Согласно ПУЭ сборные шины и ошиновка в пределах
распределительных устройств по экономической плотности тока не выбирается,
поэтому выбор сечения шин на заводском РП 10 кВ производится по допустимому
току. При этом учитываются не только нормальные, но и послеаварийные режимы.
Условие выбора:
. (9.6)
Расчетный длительный ток,
протекающий по шинам в нормальном режиме,
А (на основании таблицы 4.9
пояснительной записки). В аварийном режиме ток будет в два раза больше:
А.
Согласно условию (9.6) необходимо
выбрать шин с
А. По
([13], табл. П3.4) принимаем алюминиевые шины прямоугольного сечения
однополосные марки АДО-50х6 с
А. При установке шин плашмя
допустимый ток следует уменьшить на 5% для полос шириной до 60 мм и на 8% для
полос большей ширины. Следовательно,
А.
Проверка шин на термическую
стойкость сводится к определению минимально допустимого сечения
, (9.7)
где
- коэффициент, принимаемый в
зависимости от материала шин; для алюминиевых шин
А∙с1/2/мм2
([13], стр. 192, табл. 3.14);
Тепловой импульс от тока КЗ на шинах
РП
А2∙с.
Тогда минимально допустимое сечение шин по условию термической стойкости
мм2.
Поскольку 50 × 6 = 300 >
147,4, выбранные шины термически стойки.
Проверка шин на электродинамическую
стойкость выполняется путем сравнения механического напряжения в материале шины
с
допустимым значением
:
. (9.8)
Механическое напряжение, возникающее
в материале шины под действием изгибающего момента, вызванного током КЗ,
определяется по формуле:
, (9.9)
где
- ударный ток КЗ на шинах РП,
кА (из
таблицы 8.2);
- расстояние между соседними
опорными изоляторами, принимаем
м;
- расстояние между осями шин
смежных фаз, примем
м;
- момент сопротивления шины
относительно оси, перпендикулярной действию усилия, см3, который при
расположении шин плашмя вычисляется по формуле:
, (9.10)
где
и
- соответственно меньший и больший
размеры сторон поперечного сечения шины,
см, а
см.
см3.
Механическое напряжение в материале
шины по формуле (.9):
МПа.
Для алюминиевых шин марки АДО
допустимое значение механического напряжения
МПа ([13], стр. 224, табл. 4.2).
Поскольку
МПа >
МПа,
выбранные шины механически прочны.
9.3 Выбор электрических аппаратов РП и ТП
Электрические аппараты в условиях эксплуатации
работают в трех основных режимах: длительном, перегрузки и режиме короткого
замыкания [6].
В длительном режиме надежная работа аппаратов
обеспечивается правильным выбором их по номинальному напряжению и номинальному
току.
В режиме перегрузки - ограничением величины и
длительности повышения или тока в таких пределах, при которых гарантируется
нормальная работа за счет запаса прочности.
При коротких замыканиях надежная работа
аппаратов обеспечивается их термической и электродинамической стойкостью.
С учетом изложенного, можно записать следующие
условия выбора электрических аппаратов:
; (9.11)
; (9.12)
; (9.13)
; (9.14)
; (9.15)
, (9.16)
где
,
- номинальные напряжение и ток
аппарата;
,
- напряжение и ток сети, в которой
установлен аппарат;
- ток электродинамической стойкости
аппарата;
- ударный ток короткого замыкания;
- тепловой импульс аппарата,
нормированный заводом-изготовителем, А2∙с, где
и
- ток
термической стойкости и допустимое время его действия;
- расчетный тепловой импульс стока
КЗ, А2∙с, где
и
-
установившийся ток КЗ и время его действия;
- номинальная мощность отключения,
;
- расчетная мощность отключения,
.
Таким образом, выбор электрических
аппаратов основывается на сравнении расчетных величин с каталожными данными,
при этом расчетные величины не должны превышать каталожных для данного
аппарата. Необходимые для выбора аппаратов расчетные величины берем из пункта 8
пояснительной записки.
Выбор панелей КСО на РП 10 кВ.
Принимаем панели типа КСО-298.
Вводные панели выбираем по расчетному току завода с учетом передачи всей
мощности по одной секции (аварийный режим), секционную - по расчетному току
одной из питающих линий, линейные - по наибольшему току присоединения.
Результаты выбора сведены в таблицы 9.2, 9.3 и 9.4.
Таблица 9.2 - Выбор вводных панелей
КСО-298
|
Условие
выбора
|
Расчетные
величины
|
Каталожные
данные
|
|
|
выключатель
ВВ/TEL-10-20/630
У3
|
разъединители
РВЗ-10/630 У3
|
|
Uраб=10 кВ
|
Uном=10
кВ
|
Uном=10
кВ
|
|
|
Iраб=552,23
А
|
Iном=630
А
|
Iном=630
А
|
|
|
Iуд=20,46
кА
|
Iдин=52
кА
|
Iдн=52
кА
|
|
|
Iк =10,569
кА
|
Iоткл=20
кА
|
-
|
|
|
Bk=10,5692∙1,1=
122,87 кА2×с
|
Bт= ∙3=1200 кА2×сBт= ∙3=1200 кА2×с
|
|
|
Таблица 9.3 - Выбор секционной панели КСО-298
|
Условие
выбора
|
Расчетные
величины
|
Каталожные
данные
|
|
|
выключатель
ВВ/TEL-10-20/630
У3
|
разъединители
РВЗ-10/630 У3
|
|
Uраб=10 кВ
|
Uном=10
кВ
|
Uном=10
кВ
|
|
|
Iраб=276,12
А
|
Iном=630
А
|
Iном=630
А
|
|
|
Iуд=20,46
кА
|
Iдин=52
кА
|
Iдн=52
кА
|
|
|
Iк =10,569
кА
|
Iоткл=20
кА
|
-
|
|
|
Bk=10,5692∙1,1=
122,87 кА2×с
|
Bт= ∙3=1200 кА2×сBт= ∙3=1200 кА2×с
|
|
|
Таблица 9.4 - Выбор линейных панелей КСО-298
|
Условие
выбора
|
Расчетные
величины
|
Каталожные
данные
|
|
|
выключатель
ВВ/TEL-10-12,5/630
У3
|
разъединители
РВЗ-10/630 У3
|
|
Uраб=10 кВ
|
Uном=10
кВ
|
Uном=10
кВ
|
|
|
Iраб=150,48
А
|
Iном=630
А
|
Iном=630
А
|
|
|
Iуд=20,18
кА
|
Iдин=52
кА
|
Iдн=52
кА
|
|
|
Iк
=10,42кА
|
Iоткл=20
кА
|
-
|
|
|
Bk= ∙1,1=119, кА2×сBт= ∙3=1200 кА2×сBт= ∙3=1200 кА2×с
|
|
|
|
В камерах КСО-298 устанавливаются разъединители
серии РВЗ, трансформаторы тока типов ТОЛ, ТПОЛ, ТЛК, ТЗЛМ и трансформаторы
напряжения типов НОЛ, ЗНОЛ с предохранителями ПКН.
Выбор выключателей нагрузки.
При магистральных схемах силовые трансформаторы
подключаются к распределительным линиям 10 кВ через выключатели нагрузки.
Выключатели нагрузки выбираются по напряжению и
максимальному току нагрузки и проверяются на электродинамическую и термическую
стойкость.
Для аппаратов в цепях силовых трансформаторов и
секционных выключателей максимальный ток нагрузки
, (9.17)
где
- номинальная мощность
трансформатора, кВ∙А.
Для трансформаторов типа
ТМГ12-1250/10
А.
Наибольшие значения ударного тока и
теплового импульса на стороне ВН цеховых ТП:
20,18 кА,
А2∙с
(из таблицы 8.3 для ТП4).
Выбираем выключатели нагрузки типа
ВНРп-10/400-10зпУ3 ([11], стр. 252, табл. 5.3). Выполним проверку выбранных
выключателей, результаты которой сводим в таблицу 9.5.
Таблица 9.5 - Выбор выключателей
нагрузки
Из таблицы 9.5 видно, что выключатели нагрузки
ВНРп-10/400-10зпУ3 удовлетворяют всем условиям выбора. Данные выключатели
нагрузки снабжены встроенными предохранителями соответствующей отключающей
способности типа ПКТ, чтобы разорвать цепь в случае возникновения КЗ, и
заземляющими ножами, расположенными за предохранителями.
Выбор трансформаторов тока.
Трансформаторы тока предназначены для уменьшения
первичного тока до значений, требуемых для измерительных приборов и реле, а
также для отделения цепей измерения и защиты от первичных цепей высокого
напряжения.
Трансформаторы тока выбираются:
. По напряжению установки
, (9.18)
где
- номинальное напряжение первичной
обмотки трансформатора тока;
- номинальное напряжение силовой
сети.
2. По току нормального режима
, (9.19)
где
- номинальный ток первичной обмотки
трансформатора тока.
3. По току послеаварийного режима или
максимальному расчетному току:
; (9.20)
, (9.21)
где
- коэффициент перегрузки; для
трансформаторов тока
.
4. По конструкции и классу точности. Класс
точности всех трансформаторов тока принимаем 0,5S.
. По электродинамической стойкости:
, (9.22)
где
- кратность тока
электродинамической стойкости, взятая по каталогу;
- ударный ток КЗ.
6. По термической стойкости:
; (9.23)
, (9.24)
где
- кратность тока термической
стойкости по каталогу;
- длительность протекания тока КЗ.
7. По вторичной нагрузке трансформатора:
, (9.25)
где
- номинальная нагрузка вторичной
обмотки трансформатора тока;
- расчетная нагрузка вторичной
обмотки трансформатора тока в нормальном режиме.
Номинальная нагрузка вторичной
обмотки трансформатора тока находится по формуле:
, (9.26)
где
- полное допустимое сопротивление
внешней цепи, подключаемой ко вторичной обмотке трансформатора тока (сумма
сопротивлений последовательно включенных обмоток приборов, реле, проводов и
контактов), Ом;
- номинальный ток вторичной обмотки
трансформатора тока,
А.
Расчетная нагрузка вторичной обмотки
трансформатора тока в нормальном режиме
, (9.27)
где
- полная мощность, потребляемая
приборами, В∙А.
Принимаем, что счетчик трехфазный
типа ЦЭ6850М имеет мощность, потребляемую каждой цепью тока, не более 0,1 В∙А;
амперметр типа Э377 - не более 0,1 В∙А ([11], стр. 386, табл. 6.26);
- сопротивление контактов,
принимаем
Ом;
- сопротивление проводников цепи
измерения.
Чтобы трансформатор тока работал в
выбранном классе точности, сопротивление соединительных проводов не должно
превышать значения
. (9.28)
При установке двух трансформаторов
тока (на отходящих линиях и между секциями РП) они соединяются по схеме
неполной звезды, а при установке трех трансформаторов тока (на вводе и на
низшей стороне ТП) они соединяются по схеме полной звезды. Сечение жил
соединительных проводников при схеме неполной звезды:
; (9.29)
при схеме полной звезды:
, (9.30)
где
- длина соединительных проводников.
Принимаем
м;
- удельная проводимость материала
соединительных проводников.
Для алюминия
м / (Ом∙мм2).
Жилы контрольных кабелей для
присоединения под винт к зажимам панелей и аппаратов по условию механической
прочности должны иметь сечения не менее 1,5 мм2 для меди и 2,5 мм2 для
алюминия; для токовых цепей - 2,5 мм2 для меди и 4 мм2 для алюминия.
Принимается ближайшее большее
стандартное сечение и выбирается контрольно-измерительный кабель.
Нагрузки трансформаторов тока на РП
и на стороне 0,4 кВ трансформаторных подстанций представлены в таблицах 9.6 и
9.7.
Таблица 9.6 - Вторичная нагрузка
трансформаторов тока на РП
|
Прибор
|
Тип
прибора
|
Нагрузка
фаз, В∙А
|
|
|
А
|
В
|
С
|
|
Амперметр
|
Э-377
|
-
|
0,1
|
-
|
|
Счетчик
активной и реактивной энергии
|
ЦЭ6850М
|
0,1
|
0,1
|
0,1
|
|
Итого:
|
|
0,1
|
0,2
|
0,1
|
Таблица 9.7 - Вторичная нагрузка трансформаторов
тока на ТП
|
Прибор
|
Тип
прибора
|
Нагрузка
фаз, В∙А
|
|
|
А
|
В
|
С
|
|
Амперметр
|
Э-377
|
0,1
|
0,1
|
0,1
|
|
Счетчик
активной и реактивной энергии
|
ЦЭ6850М
|
0,1
|
0,1
|
0,1
|
|
Итого:
|
|
0,2
|
0,2
|
0,2
|
Вторичная нагрузка межсекционного трансформатора
тока указана в таблице 9.8.
Таблица 9.8 - Вторичная нагрузка межсекционного
трансформатора тока
|
Прибор
|
Тип
прибора
|
Нагрузка
фаз, В∙А
|
|
|
А
|
В
|
С
|
|
Амперметр
|
Э-377
|
0,1
|
-
|
-
|
|
Итого:
|
|
0,1
|
-
|
-
|
Произведем выбор трансформаторов тока и
контрольно-измерительных кабелей для РП и для стороны низшего напряжения ТП.
Результаты сведем в таблицы 9.9, 9.10, 9.11 и 9.12.
Таблица 9.9 - Выбор трансформаторов тока для РП
(КСО)
|
Условие
выбора
|
Место
установки / тип трансформатор тока
|
|
КСО
ввод / ТОЛ-10-600/5-0,5/10Р У3
|
КСО
секц. / ТОЛ-10-300/5-0,5/10Р У3
|
КСО
Л10 / ТЛК-10-300/5-0,5/10Р У3
|
|
10 кВ = 10
кВ10 кВ = 10 кВ10 кВ = 10 кВ
|
|
|
|
|
600 А > 276,11
А300 А > 276,11
А300 А > 211,8 А
|
|
|
|
|
720 А > 552,23 А720
А > 276,11
А360 А > 240,78 А
|
|
|
|
|
100 кА
> 20,46 кА100 кА > 20,46 кА52 кА > 20,18 кА
|
|
|
|
31,52∙3
= 2976,8 кА2∙с
>
,87 кА2∙с202∙3
= 1200 кА2∙с
>
,87 кА2∙с162∙3
= 768 кА2∙с
>
Таблица 9.10 - Выбор контрольно-измерительных
кабелей для РП (КСО)
Место установки
,А
,
|
,АТрансформатор
токаМарка кабеля
|
|
|
|
|
|
|
|
|
|
|
Ввод
КСО
|
600>276,11
|
720>552,23
|
ТОЛ-10-600/5-0,5/10Р
У3
|
КВВГ-
4×1,5-0,66
|
|
Секционная
ячейка КСО
|
300>276,11
|
360>26,11
|
ТЛК-10-300/5-0,5/10Р
У3
|
КВВГ-
4×1,5-0,66
|
|
Линейная
ячейка КСО - Л3
|
200>116,05
|
240>232,10
|
ТЛК-10-200/5-0,5/10Р
У3
|
КВВГ-
4×1,5-0,66
|
|
Линейная
ячейка КСО - Л4
|
150>47,86
|
180>95,72
|
ТЛК-10-150/5-0,5/10Р
У3
|
КВВГ-
4×1,5-0,66
|
|
Линейная
ячейка КСО - Л5
|
150>47,86
|
180>95,72
|
ТЛК-10-150/5-0,5/10Р
У3
|
КВВГ-
4×1,5-0,66
|
|
Линейная
ячейка КСО - Л6
|
200>90,78
|
240>181,56
|
ТЛК-10-200/5-0,5/10Р
У3
|
КВВГ-
4×1,5-0,66
|
|
Линейная
ячейка КСО - Л7
|
200>116,05
|
240>232,10
|
ТЛК-10-200/5-0,5/10Р
У3
|
|
Линейная
ячейка КСО - Л8
|
150>60,05
|
180>120,10
|
ТЛК-10-150/5-0,5/10Р
У3
|
КВВГ-
4×1,5-0,66
|
|
Линейная
ячейка КСО - Л9
|
150>61,36
|
180>122,72
|
ТЛК-10-150/5-0,5/10Р
У3
|
КВВГ-
4×1,5-0,66
|
|
Линейная
ячейка КСО - Л10
|
300>150,48
|
360>240,78
|
ТЛК-10-300/5-0,5/10Р
У3
|
КВВГ-
4×1,5-0,66
|
|
Линейная
ячейка КСО - Л11
|
150>65,75
|
180>105,19
|
ТЛК-10-150/5-0,5/10Р
У3
|
КВВГ-
4×1,5-0,66
|
|
Линейная
ячейка КСО - Л12
|
150>60,05
|
180>120,10
|
ТЛК-10-150/5-0,5/10Р
У3
|
КВВГ-
4×1,5-0,66
|
Таблица 9.11 - Выбор трансформаторов тока для ТП
(0,4 кВ)
|
№ ТП
|
Sт, кВ·А
|
IрасчТТ , А
|
Тип
тр-тора
|
Iномтт, А
|
|
ТП2
|
1250
|
1879,395408
|
ТНШЛ-2000-0,66У3
|
2000
|
|
ТП3
|
1250
|
1879,395408
|
ТНШЛ-2000-0,66У4
|
2000
|
|
ТП4
|
2x1250
|
2104,922856
|
ТНШЛ-3000-0,66У5
|
3000
|
|
ТП5
|
2x1250
|
2104,922856
|
ТНШЛ-3000-0,66У6
|
3000
|
|
ТП6
|
2x1250
|
2104,922856
|
ТНШЛ-3000-0,66У7
|
3000
|
|
ТП11
|
2x1000
|
1683,938285
|
ТНШЛ-2000-0,66У8
|
2000
|
Трансформаторы тока в нейтрале трансформаторов
выбираются в зависимости от мощности и количества трансформаторов, результаты
выбора сведены в таблицу 9.12. Приведем пример расчета трансформатора тока для
ТП10. При расчете тока двухтрансформаторной подстанции, дополнительно умножаем
мощность трансформатора на коэффициент 1,4. Т.к. допустимое значение тока
небаланса в нулевом проводе для трансформатора с соединением обмоток Δ/Y-
не более 0,75 от номинального тока трансформатора, тогда:
А.
Принимаем трансформатор тока ТНШЛ-2000/5 с Iтт=2000А.
Таблица 9.12- Выбор трансформаторов тока в
нейтрале трансформаторов
|
№
ТП
|
Sт, кВ·А
|
Тип
тр-тора
|
Iномтт, А
|
|
ТП2
|
1250
|
ТНШЛ-1500-0,66У3
|
1800
|
|
ТП3
|
1250
|
ТНШЛ-1500-0,66У3
|
1800
|
|
ТП4
|
2x1250
|
ТНШЛ-1500-0,66У3
|
1800
|
|
ТП5
|
2x1250
|
ТНШЛ-1500-0,66У3
|
1800
|
|
ТП6
|
2x1250
|
ТНШЛ-1500-0,66У3
|
1800
|
|
ТП11
|
2x1000
|
ТНШЛ-1000-0,66У3
|
1200
|
В качестве трансформатора тока земляной защиты
на кабелях 10 кВ принят трансформатор тока ТЗЛМ-У3.
Выбор трансформаторов напряжения.
Выбор трансформаторов напряжения производится:
. По номинальному напряжению:
. (9.31)
2. По конструкции и схеме соединения
обмоток.
Трансформаторы напряжения на шинах РП принимаем
типа ЗНОЛ.06-10У3 со встроенными предохранителями типа ПКН001-10У3.
. По классу точности.
Класс точности всех трансформаторов напряжения
принимаем 0,5.
. По мощности нагрузки вторичной обмотки:
, (9.32)
где
и
- суммарные активная и реактивная
мощности подключенных к трансформатору напряжения приборов:
; (9.33)
, (9.34)
Счетчик ЦЭ6850М имеет нагрузку каждой
цепи напряжения S = 4 В∙А и
. Вольтметр
Э377 имеет катушку напряжения мощностью S = 2 В∙А
и
([11], стр.
387, табл. 6.26). Вторичная нагрузка трансформаторов напряжения представлена в
таблице 9.14.
Таблица 9.14 - Вторичная нагрузка
трансформаторов напряжения шин РП
|
Прибор
|
Тип
|
S одной обмотки, В∙А
|
Число
обмоток
|
cosφ
|
sinφ
|
Число
приборов
|
Общая
потребляемая мощность
|
|
|
|
|
|
|
|
Р,
Вт
|
Q, вар
|
|
Вольтметр
|
Э-377
|
2
|
1
|
1
|
-
|
4
|
8
|
-
|
|
Счетчик
активной и реактивной энергии
|
ЦЭ6850М
|
1,33
|
3
|
0,38
|
0,925
|
1
|
1,5
|
3,7
|
|
Суммарная
нагрузка
|
-
|
-
|
-
|
-
|
-
|
-
|
9,5
|
3,7
|
Вторичная нагрузка трансформатора напряжения
В∙А.
Выбранные трансформаторы напряжения
типа ЗНОЛ.06-10У3 имеют номинальную мощность 75 В∙А в классе точности
0,5, необходимом для присоединения счетчиков ([11], стр. 326, табл. 5.13).
В∙А,
следовательно, трансформаторы будут
работать в выбранном классе точности.
Подключение приборов к
трансформаторам напряжения осуществляется контрольными кабелями марки АКРВГ с
сечением жил 2,5 мм2 по условию механической прочности.
Выбор автоматических выключателей.
Выбор автоматических выключателей производится
по следующим условиям:
; (9.35)
, (9.36)
, (9.37)
где
- номинальный ток выключателя, А;
- номинальный ток расцепителя, А;
- пиковый ток защищаемой линии, А;
- кратность тока отсечки по
отношению к
, А.
Далее выбранные выключатели
проверяются на возможность отключения тока КЗ:
, (9.38)
- величина тока КЗ в начале
защищаемой линии, кА; расчет токов КЗ подробно изложен в пункте 8 пояснительной
записки.
Для установки в цепях
трансформаторов цеховых ТП принимаем автоматические выключатели серий ВА 55 и
ВА 75. Данные выключатели комплектуются электронными расцепителями с
возможностью оперативной регулировки срабатывания по току перегрузки, короткому
замыканию и времени срабатывания для создания селективной защиты.
Выберем автоматические выключатели
трансформаторных цепей подстанции ТП1. На подстанции установлены трансформаторы
типа ТМГ11-1250/10. Расчетный ток, с учетом допустимой перегрузки,
; (9.39)
А.
В соответствии с условиями (9.35) и
(9.36) по ([4], табл. П14) принимаем автоматические выключатели типа ВА 75-47:
А >
А;
А >
А.
Ток срабатывания электромагнитного
расцепителя ВА 75-47 равен 120% наибольшей уставки отсечки полупроводникового
расцепителя.
Предельная коммутационная способность
выключателя ВА 75-47
кА. Ток
трехфазного КЗ на шинах 0,4 кВ подстанции ТП1
кА (из таблицы 8.3). Следовательно,
условие (9.38) выполняется: 70 кА >
13,07 кА.
Для однотрансформаторных подстанций
. (9.40)
Выбор вводных автоматических
выключателей щитов НН для остальных ТП выполняется аналогичным образом.
Результаты выбора сведены в таблицу 9.15.
Таблица 9.15 - Выбор вводных
автоматических выключателей щитов НН ТП
Подстанция
, кВ∙А
,
А
,
|
кАТип
выключателя , А , А , кА
|
|
|
|
|
|
|
|
|
ТП2
|
1250
|
2255,274489
|
9,11
|
ВА
75-45
|
2500
|
2500
|
60
|
|
ТП3
|
1250
|
2255,274489
|
10,42
|
ВА
75-45
|
2500
|
2500
|
60
|
|
ТП4
|
2x1250
|
2489,823036
|
11,54
|
ВА
75-45
|
2500
|
2500
|
60
|
|
ТП5
|
2x1250
|
2489,823036
|
10,57
|
ВА
75-45
|
2500
|
2500
|
60
|
|
ТП6
|
2x1250
|
2489,823036
|
9,73
|
ВА
75-45
|
2500
|
2500
|
60
|
|
ТП11
|
2x1000
|
1991,858429
|
9,56
|
ВА
75-45
|
2500
|
2500
|
60
|
Номинальные токи межсекционных выключателей
выбираются на ступень ниже номинальных токов вводных автоматов. Результаты
выбора сведены в таблицу 9.16.
Таблица 9.16 - Выбор межсекционных
автоматических выключателей
|
Подстанция
|
Тип
выключателя
|
, А , А , кА
|
|
|
|
ТП2,
ТП3, ТП4, ТП5
|
ВА
55-43
|
1600
|
1600
|
80
|
Конденсаторные установки должны иметь защиту от
токов КЗ, действующую на отключение без выдержки времени. Поэтому для защиты
БНК принимаем автоматические выключатели серии ВА 53 - токоограничивающие
неселективные с полупроводниковыми и электромагнитными расцепителями.
Номинальный ток БНК
, (9.41)
где
- номинальная мощность батареи,
квар;
- номинальное напряжение, кВ.
Для БНК типа АКУ 0,4-240-25У3,
которые установлены на ТП4, получаем
А.
При защите БНК с помощью
автоматических выключателей уставку тока выбирают исходя из допустимой
перегрузочной способности силовых конденсаторов:
. (9.42)
Тогда для БНК ТП4
А.
Принимаем автомат типа ВА 53-39 с
номинальным током аппарата
А и номинальным током уставки
максимального расцепителя
А.
Предельная коммутационная способность выключателя ВА53-39
кА.
Следовательно, условие (9.38) выполняется: 55 кА > 13,07 кА.
Аналогично производим выбор
автоматических выключателей для остальных БНК. Результаты расчета сводим в
таблицу 9.17.
Таблица 9.17 - Автоматические выключатели для
БНК
№
ТП Тип батарей на один трансформатор
,
|
А , АТип
выключателя , А , А , кА
|
|
|
|
|
|
|
|
ТП2
|
2xАКУ
0,4-275-25У3
|
396,928
|
516,006
|
ВА53-39
|
630
|
630
|
55
|
|
ТП3
|
2xАКУ
0,4-325-20У3
|
469,097
|
609,826
|
ВА53-39
|
630
|
630
|
55
|
|
ТП4
|
АКУ
0,4-240-20У3
|
346,410
|
450,333
|
ВА53-39
|
630
|
630
|
55
|
|
ТП5
|
2xАКУ
0,4-380-20У3
|
548,482
|
713,027
|
ВА
53-41
|
1000
|
800
|
135
|
|
ТП6
|
АКУ
0,4-200-20У3
|
288,675
|
375,277
|
ВА53-39
|
630
|
630
|
55
|
|
ТП11
|
АКУ
0,4-100-25У3
|
144,337
|
187,638
|
ВА53-39
|
630
|
630
|
55
|
10. Релейная защита и автоматика элемента
системы электроснабжения
Какой бы надежной ни была система
электроснабжения, в ней неизбежно возникают повреждения и ненормальные режимы,
которые, в свою очередь, могут приводить к возникновению аварий [14].
Подавляющее большинство повреждений в
электрических системах сопровождаются повышением тока, поэтому именно ток
целесообразно использовать в качестве входного сигнала для средств релейной
защиты. Защиты, которые оценивают состояние защищаемого объекта по току,
называют токовыми.
Токовые защиты должны устанавливаться на
защищаемом участке электрической сети со стороны источника питания. Если
электрическая сеть включает в себя несколько источников, то защиты на
контролируемом объекте следует устанавливать со стороны каждого источника
питания.
На кабельных линиях, питающих РП предприятия,
устанавливаем максимальную токовую защиту (МТЗ), токовую отсечку (ТО) без
выдержки времени, автоматическое повторное включение (АПВ). К установке на
секционном выключателе (ВВ/TEL-10-20/630
У3) РП 10 кВ предприятия предусматриваем МТЗ и автоматический ввод резерва
(АВР). Для защиты магистралей, отходящих от РП к цеховым ТП, принимаем МТЗ, ТО
без выдержки времени, защиту от замыканий на землю, токовую защиту нулевой
последовательности от однофазных КЗ на землю в сети 0,4кВ. Защита секций и АВР
на стороне 0,4кВ цеховых ТП осуществляется автоматическими выключателями, выбор
которых изложен в пункте 9 пояснительной записки. В качестве аппаратов защиты
электроприемников и элементов сети 0,4 кВ предприятия используются плавкие
предохранители и автоматические выключатели.
Поскольку объемом дипломного проекта не
предусматривается выбор всех перечисленных элементов релейной защиты и
автоматики, в качестве примера ограничимся расчетом параметров защиты
секционного выключателя на РП 10 кВ предприятия.
Рассчитаем уставку МТЗ секционного выключателя.
Ток срабатывания защиты:
, (10.1)
где
- коэффициент отстройки реле;
- коэффициент, учитывающий
самозапуск электродвигателей;
- коэффициент возврата реле.
Ток срабатывания реле МТЗ
, (10.2)
где
- коэффициент схемы, для неполной
звезды
.
- коэффициент трансформации
трансформаторов тока.
Для трансформаторов тока типа
ТОЛ-10-300/5-0,5/10Р У3, которые установлены в камере секционного выключателя,
.
Можно принять
, (10.3)
где
- номинальный рабочий ток.
Номинальный рабочий ток
, (10.4)
где
- суммарная номинальная мощность,
подключенных к секции трансформаторов,
кВ∙А;
- номинальное напряжение, кВ.
А.
Тогда ток срабатывания защиты по
(10.3)
А.
Следовательно, ток срабатывания реле
в соответствии с (10.2)
А.
Минимальный ток в реле при
двухфазном КЗ
, (10.5)
где
- ток трехфазного КЗ на шинах РП,
кА (из
таблицы 8.2).
А.
Коэффициент чувствительности защиты
при двухфазном КЗ
; (10.6)
. (10.7)
,
следовательно, МТЗ будет успешно
срабатывать.
Выдержка времени защиты отходящих от
РП линий
с. Выдержка
времени МТЗ на секционном выключателе должна быть на ступень больше выдержки
времени защиты отходящих линий:
; (10.8)
с.
Время действия АВР выбирается исходя
из следующих условий:
1) условия отстройки от времени срабатывания
защит, в зоне действия которых КЗ могут вызвать снижение напряжения:
; (10.9)
где
- наибольшее время срабатывания
защит присоединений;
- ступень селективности; для реле
типа PEJ 525
с.
2) по условию согласования с другими видами
устройств противоаварийной автоматики.
Принимаем время срабатывания АВР по (10.9)
с.
При пропадании напряжения на одной
из секций срабатывает защита минимального напряжения этой секции. Реле КТ1
соответствующей секции теряет питание и с выдержкой времени отключает вводной
выключатель. Блок-контакт отключаемого выключателя замыкается и запускает цепь
включения от АВР секционного выключателя. Однократность действия АВР
достигается за счет последовательного включения блок-контактов вводных
выключателей.
Для вывода АВР из работы
используется переключатель SA 1. Ручное управление
секционным выключателем осуществляется с помощью ключа управления SA 2.
В схеме предусмотрена блокировка от
выключения секционного выключателя при замкнутых ножах заземлителя какой-либо
из секций.
11. Электрические измерения, учет и экономия
электроэнергии
В системе электроснабжения промышленного
предприятия измеряются текущие значения величин тока, напряжения и мощности, а
также осуществлять учет потребляемой электроэнергии.
На вводах в РП, перемычке между секциями сборных
шин, отходящих линиях и цеховых подстанциях необходим контроль тока,
следовательно, в перечисленных цепях предусмотрена установка амперметров. Как
правило, измеряется ток одной фазы. Измерение тока каждой фазы выполняется при
неравномерной нагрузке фаз (цеховые ТП).
Напряжение измеряется на каждой секции сборных
шин РП и ТП. На цеховых ТП производится измерение одного междуфазного
напряжения. В сети 10 кВ предприятия вольтметры используются также для контроля
состояния изоляции. С этой целью на каждой секции сборных шин РП установлены
трехфазные трансформаторные группы с измерительными трансформаторами напряжения
типа ЗНОЛ.06-10У3 с подключенными вольтметрами, измеряющим фазные напряжения.
Измерительные приборы и места их установки
указаны в таблице 11.1.
Таблица 11.1 - Контрольно-измерительные приборы
и места их установки
|
Место
установки
|
Устанавливаемые
приборы
|
|
Кабельные
линии 10 кВ, питающие РП завода
|
Амперметр,
расчетный счетчик активной и реактивной энергии
|
|
Кабельные
линии 10 кВ, питающие ТП цехов
|
Амперметр,
счетчик активной и реактивной энергии
|
|
Шины
РП 10 кВ
|
Вольтметр
для измерения междуфазного напряжения, три вольтметра для измерения фазных
напряжения
|
|
Секционная
перемычка
|
Амперметр
|
|
Цеховые
ТП (сторона 0,4/0,23 кВ)
|
Амперметр
в каждой фазе, вольтметр для измерения междуфазного напряжения, счетчик
активной и реактивной энергии
|
В дипломном проекте использованы следующие типы
контрольно-измерительных приборов: амперметры Э377, вольтметры Э377, счетчики
активной и реактивной энергии ЦЭ6850М.000
Схема расстановки контрольно-измерительных
приборов представлена на рисунке 11.1.
Рисунок 11.1 - Схема расстановки
контрольно-измерительных приборов
На предприятии различают расчетный
(коммерческий) и технический (контрольный) учет электроэнергии. Расчетный учет
электроэнергии предназначен для осуществления денежных расчетов за потребленную
электроэнергию. Технический учет предназначен для контроля расхода
электроэнергии внутри предприятия.
Организация контроля потребления
электроэнергии является первым и важнейшим шагом к ее рациональному
использованию путем:
) выявления внутри предприятия цехов
и участков, перерасходующих электроэнергию;
) детальной проверки счетов,
выставляемых электроснабжающей организацией;
) выявления наиболее энергетически
эффективных режимов работы оборудования и поддержания этих режимов в течение
как можно большего отрезка времени;
) строгой количественной оценки
эффективности различных энергосберегающих мероприятий в натуральном и денежном
выражении.
Многочисленные исследования
показывают, что правильная организация учета позволяет экономить до 10%
электроэнергии без внедрения дополнительных энергосберегающих мероприятий [15].
Для измерения и учета потребления
электроэнергии на проектируемом предприятии используется устройство сбора и
передачи данных (УСПД). Данное устройство предназначено для запроса и приема по
цифровым каналам данных с нижнего уровня АСКУЭ (от групп счетчиков), обработки
полученных данных и передачи их на верхний уровень АСКУЭ.
Эффективность использования энергии на
предприятии также зависит от уровня механизации и автоматизации
производственных процессов. Проектом предусмотрена комплексная механизации и
автоматизации производства, использование автоматических линии и участков.
12. Технико-экономические расчеты
.1 Организация энергохозяйства предприятия
Во главе энергетического хозяйства предприятия
стоит главный энергетик, основными функциями которого являются:
непосредственное административное, техническое, экономическое и безопасное
руководство энергоцехами; техническое и методическое руководство службами
цеховых энергетиков; надзор за надлежащей эксплуатацией электрооборудования и
сетей; нормирование энергопотребления. В своей работе он руководствуется
законодательством, постановлениями правительства, приказами и указами
министерства, приказами главного инженера и директора, правилами техники эксплуатации
и пожарной безопасности.
Расчетная активная нагрузка на шинах РП
предприятия составляет 16,6 Мвт, следовательно, энергохозяйство предприятия
относится к 4-й категории ([16], стр. 15, табл. 8).
На рисунке 12.1 приведена общая схема
организационной структуры отдела главного энергетика (ОГЭ).
Рисунок 12.1 - Схема организационной структуры
ОГЭ
Штат ОГЭ включает в себя:
- главный энергетик - 1 человек;
бюро планирования, экономики и ППР - 1 человек;
проектно-конструкторское бюро - 1 человек;
теплосантехническое бюро - 1 человек;
вентиляционное бюро - 1 человек.
Итого инженерно-технических работников - 5
человек, количество служащих - 0 человек, общий штат ОГЭ - 5 человек. Штат ИТР
лабораторий ОГЭ отсутствует.
В функции бюро планирования, экономики и ППР
входят:
- учет энергетического оборудования и сетей,
состоящих на балансе предприятия и находящихся в эксплуатации, на складах и в
движении; выдача разрешения на перемещение оборудования; разработка и внедрение
классификаторов оборудования и сетей;
оформление ввода в эксплуатацию и списание в
установленном порядке энергетического оборудования и сетей; разработка и
конкретизация отдельных нормативов системы ППР применительно к условиям
предприятия;
ведение ремонтной картотеки;
составление годовых, сезонных и ежемесячных
планов ППР энергетического оборудования и сетей.
Основной задачей проектно-конструкторского бюро
является техническое обеспечение эксплуатации, ремонтных и монтажных работ,
ведущихся энергетическим цехом. В этих целях бюро выполняет следующие функции:
- составление и корректировка исполнительных
чертежей, схем и кабельных журналов на все эксплуатируемые электросети и
установки;
разработка и внедрение единой по предприятию
системы нумерации сетей, сетевых устройств, технической документации;
обеспечение эксплуатационных и ремонтных
участков принципиальными, развернутыми и монтажными схемами на
электрооборудование.
Теплосантехническое бюро выполняет те же
функции, что и проектно-конструкторское бюро, но для теплового и
сантехнического хозяйства предприятия. Оно помимо проектно-конструкторских
функций несет функции инспекторского контроля, а также функции наладки
соответствующего оборудования и сетей.
Вентиляционное бюро несет функции, аналогичные
функциям тепло-сантехнического бюро, но для вентиляционного хозяйства
предприятия.
Диспетчерское управление энергохозяйством
является одной из важных форм оперативного вмешательства в выполнение
сменно-суточных заданий на отдельном рабочем месте, участке и предприятии в целом.
Схема оперативно-диспетчерского управления
энергохозяйством представлена на рисунке 12.2.
Диспетчерское управление в энергохозяйстве
заключается в осуществлении непрерывного контроля и координировании работы
отдельных элементов схемы электроснабжения, теплоснабжения, неполадок,
возникающих в процессе эксплуатации.
В функции диспетчерской службы входят:
- систематический контроль и обеспечение
ритмичности выполнения производственной программы;
координация работы производственных цехов и
решение текущих вопросов по выпуску продукции;
предупреждение и оперативное устранение аварий.
Дежурный энергетик в оперативном отношении
подчинен дежурному диспетчеру завода, административно и технически - главному
энергетику, а по линии управления электрическими и тепловыми сетями,
связывающими предприятие с энергосистемой, - диспетчеру электрических сетей и
диспетчеру тепловых сетей.
Рисунок 12.2 - Схема оперативно-диспетчерского
управления энергохозяйством предприятия
В соответствии с производственными инструкциями
дежурный энергетик руководит переключениями в заводских сетях, осуществляет
контроль запуска крупного электрооборудования, выводит и вводит на ремонт
электрооборудование. В аварийных ситуациях руководит операциями по их ликвидации
с вызовом персонала и руководства.
.2 Технико-экономические расчеты
Суммарная мощность цеховых трансформаторов
кВ∙А.
Годовое потребление электрической энергии:
; (12.1)
; (12.2)
, (12.3)
где
- энергия, потребляемая силовой
нагрузкой предприятия, кВт·ч;
- энергия, потребляемая
осветительными установками, кВт·ч;
- годовая величина потерь энергии в
общезаводских сетях и трансформаторах (после компенсации), кВт·ч;
- годовой коэффициент сменности по
энергоиспользованию; согласно [4] для станкостроительных заводов можно принять
;
- средняя нагрузка за наиболее
загруженную смену, кВт;
- годовая продолжительность работы
силовых электроприемников, принимаем
ч ([4], стр. 53, табл. 3.3);
- расчетная нагрузка освещения,
кВт;
- время использования максимума
осветительной нагрузки, принимаемое по справочнику в зависимости от
географической широты, числа рабочих смен и наличия естественного освещения;
ч.
По рассчитанным ранее значениям силовых и
осветительных нагрузок (таблица 3.2 и 3.3) и потерям электроэнергии, используя
формулы (12.1), (12.2) и (12.3) определяем:
кВт·ч;
кВт·ч;
кВт·ч.
Следовательно, годовое
потребление электроэнергии
кВт·ч.
Максимальное значение потребляемой активной
мощности определяется следующим образом:
, (12.4)
где
- время использования максимума
нагрузки предприятия,
ч ([4],
табл. П3).
кВт.
Стоимость основных фондов применим
равной величине капитальных вложений (пункт 6 пояснительной записки):
млн. руб.
Амортизационные отчисления и годовые
расходы на текущие ремонты и обслуживание электрооборудования были определены
ранее:
млн. руб.;
млн. руб.
Суммарная номинальная мощность, устанавливаемых
конденсаторных установок ( пункт 4, таблица 4.7 пояснительной записки):
квар.
Средний тариф на электроэнергию был
определен ранее и составляет:
, руб. / кВт∙ч.
Годовая плата за потребляемую предприятием
электроэнергию определяется по двухставочному тарифу:
; (12.5)
млн. руб.
В том числе стоимость потерь
электроэнергии
; (12.6)
млн. руб.
Стоимость полезного кВт·ч электроэнергии:
, (12.7)
где
- полезное потребление
электроэнергии предприятием, кВт·ч, определяется по формуле:
; (12.8)
кВт·ч.
Значит,
руб. / кВт∙ч.
Приведенные затраты принятого варианта схемы
электроснабжения, определенные в пункте 6 пояснительной записки,
млн. руб.
Результаты проведенных
технико-экономических расчетов представлены в таблице 12.1 и на листе 7
графической части дипломного проекта.
Таблица 12.1 - Технико-экономические показатели
|
Наименование
показателя
|
Обозначение
|
Единица
измерения
|
Величина
|
|
Суммарная
мощность трансформаторов
|
кВ∙А12000
|
|
|
|
Максимальная
потребляемая мощность
|
кВт6028,22
|
|
|
|
Время
использования максимума нагрузки
|
ч/год4000
|
|
|
|
Годовое
потребление электроэнергии
|
млн. кВт∙ч24,11
|
|
|
|
Потери
электроэнергии (после компенсации)
|
тыс. кВт∙ч522,63
|
|
|
|
Стоимость
основных фондов
|
млн.
руб.2453,69
|
|
|
|
Амортизационные
отчисления
|
млн.
руб.74,00
|
|
|
|
Расходы
на эксплуатацию
|
млн.
руб.50,40
|
|
|
|
Средний
тариф на электроэнергию
|
руб./кВт∙ч1388,04
|
|
|
|
Стоимость
потребляемой электроэнергии
|
млн.
руб.33469,69
|
|
|
|
Стоимость
потерь электроэнергии
|
млн.
руб.725,43
|
|
|
|
Стоимость
полезного кВт·ч энергии
|
руб./кВт∙ч1424,28
|
|
|
|
Приведенные
затраты принятого варианта
|
млн.
руб.1144,28
|
|
|
13. Охрана труда
.1 Расчет защитного заземления ТП №3
В электрических сетях напряжением до 1000 В обязательным
техническим средством, обеспечивающим защиту человека от поражения током,
является защитное заземление. Защитное заземление - это преднамеренное
электрическое соединение металлических нетоковедущих частей, которые могут
оказаться под напряжением, с землей или ее эквивалентом.
Принцип действия защитного заземления
заключается в снижении до безопасных значений напряжения прикосновения и тока,
проходящего через тело человека. Назначение защитного заземления - устранение
опасности поражения электрическим током в случае прикосновения человека к
корпусу электрооборудования или другим нетоковедущим металлическим частям,
оказавшимся под напряжением.
Конструктивными элементами защитного заземления
являются заземлители и заземляющие проводники.
В качестве естественных заземлителей применяются
расположенные под землей водопроводные и другие металлические трубопроводы, за
исключением трубопроводов горючих жидкостей, а также горючих или взрывоопасных
газов; металлические конструкции зданий и сооружений, имеющие соединения с
землей; обсадные трубы, металлические шпунты гидротехнических сооружений;
свинцовые оболочки кабелей, проложенных под землей.
В качестве искусственных заземлителей
применяются вертикально забитые стальные трубы длиной 2-3 м и диаметром 25-62 мм;
стальные прутки диаметром 10-12 мм, стальные уголки 60´60
мм и близкие к ним; горизонтально уложенные стальные полосы и круглые
проводники.
Присоединение заземляющих проводников к
заземлителям и заземляемым конструкциям выполняется только сваркой, а к корпусам
аппаратов и машин - сваркой или болтовым соединением.
Установлены следующие значения наибольшего
допустимого сопротивления защитного заземляющего устройства в электроустановках
напряжением до 1000 В: 10 Ом - при мощности источника тока до 100 кВ·А; 4
Ом - при мощности более 100 кВ·А.
Покажем расчет заземляющего устройства методом
коэффициента использования для трансформаторной подстанции напряжением 10/0,4
кВ механического цеха. На подстанции установлен один трансформатор мощностью
1000 кВ·А. Примерное значение удельного сопротивления грунта ρ
= 110 Ом·м,
что соответствует грунту суглинок. Заземляющее устройство выполняем в виде
контура из полосы 40х4 мм, проложенной на глубине 0,7 м около цеховой КТП, и
стержней длиной 2 м и диаметром 26 мм на расстоянии 4 м друг от друга.
Сопротивление растеканию тока одного стержневого
заземлителя
, (13.1)
где
ρ - удельное
сопротивление грунта, Ом×м;- длина
стержня, м;- диаметр стержня, м.
Ом.
Определяем
количество стержней
, (13.2)
где
-
коэффициент использования стержневых заземлителей;
-
допустимое сопротивление,
Ом.
Так
как на данном этапе рассчета определение величины
невозможно
(
определяется по таблицам в зависимости от значения n, которое неизвестно),
задача решается методом подбора, начиная с
. Полученное на данном этапе
значение n по (13.2) является ориентировочным:
.
Для
уточняем
, тогда
.
Ориентировочно
принимаем
.
Длина
полосы
. (13.3)
м.
где а - расстояние между стержнями, м.
Сопротивление растеканию тока горизонтального
полосового заземлителя
, (13.4)
Ом.
где b
- ширина полосы, м;
- длина горизонтального полосового
заземлителя, м.
Сопротивление заземляющего
устройства
,
Ом.
где
- коэффициент использования
полосового заземлителя,
.
Поскольку
(3,0 Ом
< 4 Ом), то для выполнения заземляющего устройства окончательно принимаем
количество стержней
.
13.2 Меры безопасности при эксплуатации КТП
В систему электроснабжения предприятия помимо
воздушных и кабельных линий входят распределительные пункты и трансформаторные
подстанции.
На проектируемом предприятии запланировано
сооружение комплектных трансформаторных подстанций (КТП) и комплектного
распределительного устройства 10 кВ (КРУ). КТП и КРУ поставляются в собранном
или полностью подготовленном для сборки виде. Таким образом, монтаж подстанций
и распределительного устройства сводится к установке в подготовленном помещении
отдельных шкафов или блоков, соединении их аппаратов между собой и с кабельными
линиями, согласно ТКП 181-2009.
При электромонтаже оборудования подстанций и
распределительного устройства (РУ) применяются меры защиты от механических
травм. Подъем деталей оборудования и конструкций массой более 20 кг выполняется
двумя электромонтажниками. При массе груза более 50 кг подъем осуществляется с
применением блоков или лебедки.
Опасными в отношении возможности травмирования
являются работы, связанные с подъемом на высоту и креплением тяжелых деталей
электрооборудования РУ (разъединителей, трансформаторов тока, опорных и
проходных изоляторов и др.). При установке различных аппаратов и других
деталей, закрепляемых в стенах, потолках и на строительных конструкциях с
помощью цементных растворов, поддерживающие их приспособления не удаляются до
полного затвердевания раствора. Преждевременное удаление подпорок и растяжек
может вызвать разрушение узла крепления и падение этих конструкций. Поднятые на
высоту для монтажа элементы оборудования и аппараты немедленно закрепляться на
своих местах.
При перемещении и подъеме на места установки
разъединителей их переводят в положение «включено», так как при таком положении
ножей исключается возможность травмирования рабочих ножевыми контактами
рубящего типа.
Все автоматические выключатели, электромагнитные
приводы и другие аппараты, снабженные возвратными пружинами или механизмами
свободного расцепления, перемещаются с места на место, когда они находятся в
положении «отключено». Дело в том, что при включенном положении этих аппаратов
возможно случайное срабатывание на отключение и внезапное движение механизма
может травмировать рабочего, производящего перемещение аппарата.
Во время подъема и перемещения распределительных
щитов, камер или блоков сборных распределительных устройств с помощью оттяжек
предотвращается их возможное опрокидывание.
В процессе регулировки выключателей и
разъединителей с автоматическими приводами принимаются меры против
непредусмотренного включения или отключения приводов другим лицом или
самопроизвольно. В этом случае возможны ушибы выполняющего работу
электромонтажника. Для предотвращения такого случайного включения плавкие
вставки в цепях управления приводом снимаются.
Если же в процессе регулировки потребуется
включить оперативный ток, то установка вставок предохранителей допускается
только после удаления всех людей от привода данного аппарата.
Меры безопасности при монтаже силовых масляных
трансформаторов в основном сводятся к безопасным приемам перемещения
трансформатора и установки его на фундаменте. На время монтажа подготовленная
бетонированная яма под трансформатором (для спуска масла в случае аварии и
пожара) закрывается настилом из прочных досок. Разгрузку трансформатора с
железнодорожной платформы или из кузова автомашины производят автокраном.
После того как смонтирована ошиновка
трансформатора и его обмотки присоединены к шинам РУ, их внешние выводы
замыкают накоротко и заземляют. Эта мера необходима на случай ошибочной подачи
напряжения на трансформатор, который еще не принят в эксплуатацию. То же
относится и к измерительным трансформаторам.
На баки трансформаторов наносятся надписи,
указывающие мощность и порядковые подстанционные номера трансформаторов. Двери
трансформаторных пунктов снабжаются предупреждающими плакатами установленного
образца и запираются на замок.
Оперативное обслуживание действующих
электроустановок предприятия предусматривает периодические и внеочередные
осмотры электрооборудования систем электроснабжения, контроль и учет
электроэнергии, оперативные переключения. Оперативное обслуживание
электроустановок осуществляется инженерно-техническим, дежурным и оперативно-ремонтным
электротехническим персоналом.
Осмотры трансформаторов цеховых трансформаторных
пунктов производятся не реже 1 раза в 6 месяцев. Внеочередные осмотры
трансформаторов производятся при резком изменении температуры наружного воздуха
и при каждом отключении трансформатора действием газовой или дифференциальной
защиты. При осмотре трансформаторов проверяются показания термометров и
мановакуумметров, состояние кожухов трансформаторов и отсутствие течи масла,
соответствие уровня масла температурной отметке, состояние маслоохлаждающих и
маслосборных устройств, а также изоляторов, состояние ошиновки кабелей,
отсутствие нагрева контактных соединений, исправность устройств сигнализации,
состояние сети заземления, состояние маслоочистных устройств непрерывной
регенерации масла, состояние трансформаторного помещения.
Осмотры РУ без отключения должны проводиться не
реже 1 раза в 6 месяцев, а также после короткого замыкания. При осмотре РУ
особое внимание обращается на состояние помещения, исправность дверей и замков,
исправность отопления и вентиляции, исправность освещения и сети заземления,
наличие средств защиты, состояние контактов, состояние рубильников щита низкого
напряжения, целость пломб у счетчиков, состояние изоляции (запыленность,
наличие трещин, наличие разрядов), работу системы сигнализации.
Все замеченные неисправности заносятся в журнал
дефектов и неполадок и устраняются в кратчайшие сроки.
Осмотр электрооборудования, находящегося под
напряжением, сопряжен с опасностью поражения электрическим током, которая
возникает при случайном прикосновении к неизолированным токоведущим частям или
приближении к ним.
Во избежание поражения электрическим током во
время осмотра действующих электроустановок напряжением выше 1000 В одним лицом
не разрешается проникать за ограждения и входить в камеры РУ. Осмотры
электрооборудования проводятся с порога камеры или стоя перед барьером.
При обнаружении во время осмотра закрытых РУ
случайного замыкания какой-либо токоведущей части электроустановки на землю
запрещается до отключения поврежденного участка приближаться к месту такого
замыкания на расстояние менее четырех метров. При необходимости приближения к
месту замыкания на землю, например для оказания помощи пострадавшему или для
выполнения операций с коммутационной аппаратурой, применяются средства защиты
(диэлектрические боты, галоши), согласно ТКП 427-2012.
Смена сгоревших плавких вставок предохранителей
выполняется при снятом напряжении. Смену плавких вставок закрытых (пробочных,
трубчатых) предохранителей допускается производить под напряжением, но при
отключенной нагрузке. Эта работа выполняется в электроустановках напряжением
выше 1 кВ в диэлектрических перчатках и предохранительных очках при помощи
изолирующих клещей.
Оперативные переключения в РУ подстанций промышленных
предприятий производятся дежурным или оперативно-ремонтным персоналом по
распоряжению или с ведома вышестоящего дежурного электротехнического персонала
в соответствии с установленным на предприятии режимом работы. Распоряжение о
переключениях может быть передано устно или по телефону с записью его в
оперативном журнале. В случаях, не терпящих отлагательства (авария, пожар,
несчастный случай, предупреждение аварии и т. п.), переключения производятся
без ведома вышестоящего оперативного персонала, но с последующим его
уведомлением и записью выполненных операций в оперативном журнале. Список лиц,
имеющих право производить оперативные переключения, утверждается главным
энергетиком предприятия.
В РУ напряжением выше 1000 В сложные оперативные
переключения, производимые более чем на одном присоединении, выполняются двумя
лицами, причем старший из них по должности контролирует и руководит действиями
младшего, который непосредственно управляет коммутационными аппаратами. Этим
обеспечивается правильная последовательность операций с выключателями и
разъединителями, а следовательно, и безопасность операторов.
Техническая эксплуатация электроустановок
предусматривает ремонты установленного электрооборудования, электрические
испытания изоляции, наладку электроприводов, систем автоматики и релейной
защиты и др.
Текущие ремонты трансформаторов цеховых
трансформаторных пунктов с их отключением производятся по мере необходимости,
но не реже 1 раза в 4 года. Капитальные ремонты - по результатам их испытаний и
состоянию.
До начала ремонтных или наладочных работ
выполняются технические и организационные мероприятия по обеспечению
электробезопасности работающих.
Техническими мероприятиями по обеспечению
безопасности работ в электроустановках являются: отключение ремонтируемого
электрооборудования и принятие мер против ошибочного его обратного включения
или самовключения; установка временных ограждений неотключенных токоведущих
частей и вывешивание запрещающих плакатов «Не включать - работают люди» или «Не
включать - работа на линии»; присоединение переносного заземления-закоротки к
заземляющей шине стационарного заземляющего устройства и проверка отсутствия
напряжения на токоведущих частях, которые для безопасности производства работ
подлежат замыканию накоротко и заземлению; наложение переносных заземлений на
отключенные токоведущие части электроустановки сразу после проверки отсутствия
напряжения или включение специальных заземляющих ножей разъединителей,
имеющихся в РУ; ограждение рабочего места и вывешивание на нем разрешающего
плаката «Работать здесь». Эти технические мероприятия выполняет допускающий к
работе по разрешению лица, отдающего распоряжение на производство работ.
Ремонтируемое электрооборудование отключают со
всех сторон, откуда на него может быть подано напряжение. Это отключение
выполняется с видимым разрывом электрической цепи, для чего помимо выключателя
отключают еще и разъединители, выключатели нагрузки или снимают вставки плавких
предохранителей.
Во избежание опасности обратной трансформации
напряжения силовыми и измерительными трансформаторами их отключают как со
стороны первичных обмоток высшего напряжения, так и низшего напряжения.
Чтобы предотвратить случайное включение
отключенных аппаратов, их приводы запирают механическим запором, например, при
помощи чеки, вдвигаемой в проушину рычага разъединителя. У электромагнитных
приводов с дистанционным управлением снимают плавкие вставки предохранителей в
цепи оперативного тока.
Токоведущие части, которые остаются под
напряжением, ограждают временными переносными ограждениями.
14. Спецвопрос. тепловой износ изоляции
трансформатора
В основе расчета нагрузочной способности лежит
тепловой износ изоляции трансформатора. Под воздействием температуры и ряда
других факторов физико-химические свойства твердой изоляции с течением времени
претерпевают изменения, при этом изоляция становится хрупкой. Хотя
электрическая прочность ее практически не снижается, она больше не способна
выдерживать механические нагрузки от вибраций или коротких замыканий. Этот
необратимый процесс называется старением. Скорость старения изоляции зависит от
температуры, а достигнутая степень старения - от температуры и времени ее
воздействия. На скорость и достигнутую степень старения изоляции влияют также
влага, кислород воздуха и другие факторы, однако при существующем уровне знаний
строгий учет этих факторов не может быть выполнен.
В процессе, эксплуатации твердая изоляция
трансформаторов претерпевает тепловой износ, ведущий к снижению механической
прочности волокон, изоляция увлажняется и в ней возникают местные повреждения
от импульсных воздействий и других причин. Оседание грязи, влаги и шлама на
изоляционных поверхностях создает пути повышенной проводимости. Масло
трансформаторов увлажняется, стареет, загрязняется пылью, волокнами, продуктами
старения и его электрическая прочность снижается, a tgϕ растет.
Интенсивность старения изоляции трансформатора
зависит от тем-пературы и времени ее воздействия. Из-за сложности учета
воздействия многих факторов как правило используется упрощенная математическая
модель определения состояния трансформатора. Принимается, что при изменении
температуры наиболее нагретой точки (ТННТ) на 6˚С скорость износа изоляции
изменяется вдвое, а за единицу «нормального износа» берется износ изоляции в
текущем цикле расчета при неизменной ТННТ обмотки, равной 98˚С.
В качестве расчетного времени контроля
рекомендуется брать текущий интервал времени Δt
= 5…10 мин. Для оценивания суммарного износа изоляции за продолжительное время
контроля необходимо использовать информацию о фактической температуре
окружающей среды,
окружающего воздуха, температуре наиболее
нагретой точки. Перечисленные значения необходимо учесть в алгоритме решения
задачи.
Тепловые процессы в трансформаторе
обычно моделируют двух-элементной моделью, где учитывают малую постоянную
времени нагрева обмоток 
= 6…8 мин. и большую постоянную
времени нагрева всего
трансформатора с маслом 
= 2…4 час.
Повышение температуры масла в
верхней части бака над темпера-
турой охлаждающей среды Dqмi в конце
каждого текущего цикла и оценивается по формуле:

(14.1)
где 
-установившееся значение превышения

,˚С, при длительном действии
нагрузки, имеющей кратность к =I/Iном ; ΔТ -длительность расчетного
цикла.
Превышение температуры наиболее
нагретой точки обмотки над температурой верхних слоев масла находится по
формуле:

(14.2)
где
- асимптота кривой превышения
температуры обмотки над температурой масла, которая учитывает кратность текущей
нагрузки, конструктивные данные трансформатора с учетом системы охлаждения, ˚С.
Температура наиболее нагретой точки

, (14.3)
где 
-температура окружающей среды, ˚С.
Относительный износ изоляции за
время текущего циклаΔТ (в долях
от нормального износа за этот цикл)
определяется по выражению

. (14.4)
Затем рассчитывается суммарный
относительный износ изоляции (в
долях от нормального износа за это
время) на конец i -го цикла за рас-
четное время контроля ресурса 
и сверхнормативный запас ресурса ΔRi

; (14.5)

, (14.6)
где Тi - время от начала контроля
ресурса до текущего момента; ni - количество циклов за время Т.
На основе методики, на Рис. 14.1
представлен алгоритм расчета теплового износа изоляции, что позволяет получить
прогноз относительно теплового состояния трансформатора.
В качестве исходных берутся данные
экспресс - анализа:
мгновенных значений тока нагрузки
I(t) трансформатора, А;
температуры нагрева масла в верхних
слоях диагностируемого трансформатора 
м(t), ˚С;
превышение температуры обмоток над
температурой верхних слоев масла 
м(t), ˚С;
температура окружающего воздуха в
месте установки трансформатора 
p(t), ˚С;
температура 
, ˚С.
Затем проводятся расчеты температуры
масла, нагрузки на ближайший час и предельная допустимая длительность tmax
фактической нагрузки трансформатора по условию недопущения тепловой перегрузки.
Фактический относительный тепловой
износ F изоляции обмоток
трансформатора за прошедший интервал
времени определяется по
формуле
F= exp[0,111524( 
м(t )) +23,1 
(
)- 
(t )] Δt, (14.7)
где 
доп -дополнительный перегрев обмотки
из-за увеличения ее со-
противления при перегрузке, ˚С.
Значение суммарного теплового износа
изоляции за весь период
наблюдения составит

= 
+ F, (14.8)
что позволит сделать прогноз
состояния изоляции, ресурса и возможности дальнейшей эксплуатации трансформатора.
Рисунок 14.1 - Алгоритм расчета теплового износа
изоляции трансформатора
Заключение
В дипломном проекте разработана система
электроснабжения станкостроительного завода. При разработке СЭС применены типовые
решения с использованием серийно выпускаемого комплектного оборудования и
современной вычислительной техники.
Исходные данные для проектирования включали
генплан предприятия, карту технологического процесса, перечень
электрооборудования цехов и схему питания предприятия.
На основании карты технологического процесса и
перечня электрооборудования цехов в дипломном проекте дана характеристика
потребителей электроэнергии предприятия и определены расчетные электрические
нагрузки цехов. По полученным значениям электрических нагрузок произведен выбор
числа и мощности трансформаторов цеховых подстанций и расчет компенсации
реактивной мощности. К установке на цеховых ТП приняты современные
трансформаторы типа ТМГ12 разработки Минского электротехнического завода имени
В. И. Козлова.
В соответствии с заданием на проектирование на
территории завода предусмотрена установка РП 10 кВ, который питается от
подстанции 110/10 кВ энергосистемы. Для выбора места установки РП построена
картограмма и определен условный центр электрических нагрузок предприятия.
Далее в дипломном проекте были разработаны два варианта схемы электроснабжения.
На основании технико-экономических расчетов для дальнейшей разработки принят
первый вариант, требующий меньших капитальных вложений и годовых
эксплуатационных расходов. Для принятого варианта схемы электроснабжения
выполнен расчет токов короткого замыкания и произведен выбор сечений
токоведущих элементов и электрических аппаратов РП и ТП.
В дипломном проекте также освещены вопросы
электрических измерений, учета и экономии электроэнергии, релейной защиты,
охраны труда.
Данный проект может быть использован для
проектирования систем электроснабжения заводов станкостроительного и
машиностроительного профиля. Приведенные в проекте расчеты и графическая часть
базируются на действующей нормативной и справочной информации и литературе.
Список использованных источников
1. Правила
устройства электроустановок. - М.: Энергоатомиздат, 1986. - 648 с.
2. Федоров
А. А., Каменева В. В. Основы электроснабжения промышленных предприятий: Учебник
для вузов. - 4-е изд., перераб. и доп. - М.: Энергоатомиздат, 1984. - 472 с.
. Кудрин
Б. И., Прокопчик В. В. Электроснабжение промышленных предприятий. - Мн.: Выш.
шк., 1988. - 357 с.
. Радкевич
В. Н. Проектирование систем электроснабжения: Учеб. пособие. - Мн.: НПООО
«ПИОН», 2001. - 292 с.
. Козловская
В. Б. Электрическое освещение: справочник / В. Б. Козловская, В. Н. Радкевич,
В. Н. Сацукевич. - 2-е изд. - Мн.: Техноперспектива, 2008. - 271 с.
. Королев
О. П., Радкевич В. Н., Сацукевич В. Н. Электроснабжение промышленных
предприятий: Учебно-метод. пособие по курсовому и дипломному проектированию. -
Мн.: БГПА, 1998. - 140 с.
. Инструктивные
и информационные материалы по проектированию электроустановок. - М.: ВНИПИ
«Тяжпромэлектропроект». - №5. - 1996. - 108 с.
. Радкевич
В. Н. Расчет компенсации реактивной мощности в электрических сетях промышленных
предприятий: Учебно-метод. пособие по курсовому и дипломному проектированию. -
Мн.: БНТУ, 2004. - 40 с.
9. Технико-экономическая
оценка трансформаторных подстанций напряжением 6-10/0,4 кВ с различными типами
высоковольтных распределительных устройств / В. В. Сталович, В. Н. Радкевич //
Энергетика - Изв. высш. учеб. заведений и энерг. объединений СНГ. - 2011.
10. Методические
рекомендации по составлению технико-экономических обоснований для
энергосберегающих мероприятий. Минск, 2003.
. Неклепаев
Б. Н., Крючков И. П. Электрическая часть электростанций и подстанций:
Справочные материалы для курсового и дипломного проектирования: Учеб. пособие
для вузов. - 4-е изд., перераб. и доп. - М.: Энергоатомиздат, 1989. - 608 с.
. Инструкция
по проектированию электроснабжения промышленных предприятий: СН 174-75. - М.:
Стройиздат, 1976 - 56 с.
13. Рожкова
Л. Д., Козулин В. С. Электрооборудование станций и подстанций: Учебник для
техникумов. - 3-е изд., перераб. и доп. - М.: Энергоатомиздат, 1987. - 648 с.
14. Федосеев
А. М., Федосеев М. А. Релейная защита электро-энергетических систем: Учеб. для
вузов. - 2-е изд., перераб. и доп. - М.: Энергоатомиздат, 1992.
15. Экономия
энергии в промышленности: учеб. пособие / Г. Я. Вагин, А. Б. Лоскутов;
Нижегород. гос. техн. ун-т., НИЦЭ. - Н. Новгород, 1998. - 220 с.
16. Нагорнов
В. Н., Чердынцева Л. Р., Добриневская А. М. Методическое пособие по выполнению
экономической части дипломных проектов для студентов специальности 1-43 01 03
«Электроснабжение». - Мн.: БНТУ, 2009. - 24 с.
17. Романюк
В. Н. Основы эффективного энергоиспользования на производственных предприятиях
дорожной отрасли / В. Н. Романюк, В. Н. Радкевич, Я. Н. Ковалев; Под ред. Я.
Н.
Ковалева. - Мн.: УП «Технопринт», 2001. - 292 с.
18. Браславский
И. Я. Обоснование энергосберегающих технологий по результатам обследования
электроприводов промышленных предприятий / И. Я. Браславский, В. В. Куцин, Е.
Г. Казаков // Тр. III межотраслевой научно-технической конференции
«Автоматизация и прогрессивные технологии». - Новоуральск, 2002.