Исследование гибридного синтезатора частот с автокомпенсацией фазовых помех
Содержание
Введение
. Анализ технического задания
. Передаточные функции
автокомпенсатора
. Анализ устойчивости
автокомпенсатора
.1 Устойчивость автокомпенсатора с
ФНЧ первого порядка
.2 Устойчивость автокомпенсатора с
ФНЧ второго порядка
. Переходные характеристики
. Частотные характеристики
. Организационно-экономическая часть
.1 Определение трудоемкости
исследовательских работ
.2 Определение затрат на заработную
плату исполнителей
.3 Определение общей суммы затрат на
проведение исследований
Заключение
Список литературы
Приложения
Введение
автокомпенсатор фильтр частота
Важная роль в развитии систем передачи
информации, в частности радиосистем связи, отводится разработке и
совершенствованию методов формирования сигналов со стабильными частотами. В
настоящее время для решения этой задачи преимущественно используются два
подхода: автоматическая подстройка частот и метод прямого синтеза частоты с
помощью синтезаторов частот. [1]
Прямой цифровой синтезатор частоты (ПЧСЧ)
сочетает в своей структуре блоки цифровой и аналоговой обработки сигналов.
Шумы, присутствующие в выходном сигнале синтезатора, по своей природе близки к
тем шумам, что образуются в процессе цифровой обработки сигналов.
Соответственно, они имеют схожие причины возникновения. [2]
Достоинствами прямого цифрового синтеза,
реализованного в цифровых вычислительных синтезаторах (ЦВС), являются высокая
скорость перестройки частоты без разрыва фазы в пределах сетки частот, широкий
диапазон и малый шаг сетки частот, достигающий десятых и сотых долей герца,
малый уровень спектральной плотности мощности (СПМ) фазовых
шумов синтезированного сигнала. Основным
недостатком ЦВС на современном этапе является ограниченная выходная частота,
которая
не превышает 40% от тактовой частоты fT,
достигающей 3500 МГц.
Сочетать достоинства различных методов синтеза
позволяют гибридные синтезаторы. В гибридных синтезаторах широко применяются
ЦВС и ФАПЧ, которые позволяют достичь высокого значения выходной частоты,
упростить реализацию синтезатора, управление им,
при этом получить достаточно низкий уровень фазовых шумов.
Шумовые характеристики являются одним из
важнейших параметров любых систем формирования сигналов, в том числе и
синтезаторов частот. Анализ шумовых свойств синтезаторов частот проводят с
использованием моделей СПМ фазовых шумов основных звеньев синтезаторов.
Наиболее развит такой подход к анализу шумовых
характеристик систем фазовой автоподстройки.
Одним из методов, набирающих сейчас
популярность, является компенсация помех на выходе устройств. Методы компенсации
можно условно разделить на два вида, в зависимости от того, что используется в
качестве опорного (эталонного) генератора в устройстве компенсатора. Принцип
работы компенсатора, как правило, практически не зависит от выбора опорного
сигнала и заключается в следующем: сигнал, обогащенный помехой, подается на
один из входов компенсатора, опорный же сигнал подается на другой его вход.
Далее между поступающими сигналами в компенсаторе устанавливается взаимосвязь
(иными словами, устанавливаются отличия сигнала с помехой от опорного сигнала),
в результате чего формируется компенсирующий сигнал, который затем используется
для подавления помех в выходном сигнале устройства. Как говорилось выше,
компенсаторы условно можно разделить на два типа в зависимости от типа
используемого для компенсации помех входного сигнала: в первом случае в
качестве опорного (эталонного) сигнала используется шумовой сигнал, во втором
случае - сигнал с эталонного генератора. [3]
Как показывают исследования, наиболее
эффективным методом борьбы с фазовыми и амплитудными помехами, возникающими в
процессе работы широкого класса радиотехнических устройств является
использование автоматических компенсаторов (АК). [4]
В данной дипломной работе проведено исследование
гибридного синтезатора частот, с автокомпенсацией фазовых помех, а также
рассмотрена устойчивость автокомпенсатора при скачкообразном воздействии и
исследованы его частотные и переходные характеристики.
1. Анализ технического задания
В дипломной работе необходимо провести исследование
гибридного синтезатора частот, с автоматической компенсацией помех ЦВС.
Устройство предназначено для подавления помех
фазового характера, возникающих в гибридных синтезаторах частот.
Принцип подавления фазовых помех: компенсация
Типы фильтров управляющих трактов: ФНЧ 1-го,2-го
проядка.
Постоянная времени фильтров ФНЧ: Т=1с.
Исследуемые характеристики: устойчивость,
переходные характеристики, АЧХ и ФЧХ автокомпенсатора.
Фильтр нижних частот (ФНЧ) имеет передаточную
функцию в общем виде:
.
В частном случае для каждого фильтра
соответствующего порядка:
для ФНЧ первого порядка:
,
для ФНЧ второго порядка:
.
Анализа устойчивости будем производить на основе
частотного критерия Найквиста с построением годографа, соответствующего каждому
порядку фильтра. Частотный критерий Найквиста - графоаналитический критерий,
который позволяет судить об устойчивости замкнутой системы управления по
амплитудно-фазовой частотной характеристике её разомкнутого состояния. Если
разомкнутая система устойчива, то для устойчивости замкнутой системы необходимо
и достаточно, чтобы амплитудно-фазовая характеристика разомкнутой системы не
охватывала бы точку с координатами (-1;0j). [6]
Анализ переходных процессов будем производить
операторным методом расчета переходных параметров с использованием выведенных в
предыдущих пунктах работы ПдХ автокомпенсатора.
В организационно-экономической части дипломной
работы рассмотрим экономическое обоснование исследования гибридного синтезатора
частот, а именно произведем определение затрат на проведение исследования:
определим трудоемкость исследовательской работы, необходимые затраты на
заработную плату исполнителей и оценим общую сумму затрат на проведение
исследования.
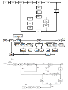
Рисунок 2.2 - Модель системы при воздействии на
неё всех возмущений
- дестабилизирующий
фактор, воздействующий на ОГ,
-
дестабилизирующий фактор, воздействующий на ЦВС. Опорный тракт включает в себя
ДЦ1 и Тр1. Информационный тракт состоит из ДЦ2, ДВ и Тр2. В качестве
дестабилизирующих факторов могут выступать изменения температуры, напряжений,
механические вибрации и др. Кроме того введем следующие обозначения сигналов:
-
на выходе ОГ,
и
-
на выходах опорного и информационного трактов,
-
выходной сигнал ЦВС.
Автокомпенсатор работает следующим образом.
Напряжение Uо с частотой fo поступает на
вход ОГ. Также на него воздействует дестабилизирующий фактор
.
На выходе ОГ получаем сигнал
-
смесь помехи с искаженным спектром и неискаженного полезного сигнала.
С другой стороны, управляющий сигнал также
подаётся на ЦВС, имеющий свой дестабилизирующий фактор
.
Сигналы на выходах ОГ и ЦВС отличаются не только фазой (временным сдвигом), но
амплитудой и формой. Обработка в тракте информационного сигнала позволяет
выровнять их формы и амплитуды. При этом фазовые (временные) сдвиги сигналов
сохраняются.
Управляющий сигнал формируется в ФД, ФНЧ и УПТ.
Для получения опорного сигнала ФД выходной сигнал ОГ дифференцируется в ДЦ1и
подается на Тр1. Для получения сигнала информационного входа ФД, выходной
сигнал ЦВС так же дифференцируется в ДЦ2 и подается последовательно на ДВ, и
Тр2.
Диаграммы сигналов на выходах различных блоков
схемы, иллюстрирующие работу устройства, представлены на рисунке 2.3. [7]
ЦВС
Рисунок 2.3 - Диаграммы сигналов на выходах
блоков схемы
Принципы построения и электрические схемы,
составляющих автокомпенсатор звеньев:
1) ГУН (генератор управляемый напряжением)
Генератор, управляемый напряжением, или ГУН -
это устройство генерирования колебания, частота которого определяется
управляющим напряжением. Это управляющее напряжение подается, как правило, на
специальный вход управления и позволяет перестроить генератор в требуемом
диапазоне частот. По сути дела, в ГУН происходит преобразование величины
управляющего напряжения, изменяющегося в диапазоне Umin - Umax в номинал
выходной частоты в диапазоне fmin - fmax. ГУНы можно разделить на два типа в
зависимости от выходного сигнала:
А) Гармонические осцилляторы
Б) Релаксационные генераторы
Гармонические осцилляторы генерируют сигнал
синусоидальной формы. В их состав входят усилитель и резонансный контур (контур
необходим для того, чтобы отправить сигнал обратно на вход). Колебания
происходят на частоте настройки, где положительное усиление возникает вокруг
петли.
Релаксационные генераторы могут генерировать
сигналы пилообразной или треугольной формы. Они нередко используются в
монолитных интегральных схемах (ИС), и могут обеспечить широкий диапазон частот.
Выделяют три метода построения ГУНов, наиболее часто использующихся для
реализации в интегральном исполнении:
Генераторы с пассивным резонатором, содержащие
колебательную систему, кварцевый резонатор, устройства на ПАВ, резонаторы
другого рода, определяющие номинал частоты генерируемого сигнала и его
качество;
Релаксационные генераторы, в которых происходит
поочередный перезаряд задающего частоту конденсатора от источника постоянного
тока между двумя пороговыми значениями;
Кольцевые генераторы, состоящие из нечетного
числа асимметричных инверторов или четного/нечетного количества
дифференциальных инверторов с их соединением в кольцевую цепь.
Основные параметры и характеристики ГУН
Диапазон частот перестройки ГУН. Определяет
диапазон изменения частоты от fmin до fmax сигнала на выходе ГУН, крутизна
перестройки ГУН по частоте, характеристика перестройки ГУН по частоте,
нелинейность перестройки по частоте, мощность выходного сигнала РЧ ГУН,
отклонение от номинальной величины мощности на выходе ГУН, Зависимость выходной
мощности от температуры, скорость перестройки частоты, ширина полосы частот
модуляции, остаточная расстройка ГУН, коэффициент гармоник выходного напряжения
ГУН.
2) Дифференцирующая цепь
Дифференцирующая цепь (ДЦ) - устройство,
предназначенное для дифференцирования по времени электрических сигналов.
Выходная реакция цепи uвых(t) связана со входным воздействием
uвх(t) как производная. Дифференцирующие цепи применяют для
выполнения математической операции дифференцирования в аналоговых вычислительных
устройствах; для фазового сдвига гармонических колебаний на угол, близкий к
90°, а также в качестве укорачивающих цепей.
Различают пассивные и активные дифференцирующие
цепи. Пассивные применяют в импульсных и цифровых устройствах для укорачивания импульсов.
ктивные дифференцирующие цепи используют как дифференциаторы в аналоговых
вычислительных устройствах. Простейшая пассивная дифференцирующая цепь
представляет собой последовательное соединение элементов RL
(индуктивная)
или RC
(ёмкостная).
В активных дифференцирующих цепях используют
операционные усилители (ОУ), охваченные отрицательной обратной связью. Входное
напряжение uвх(t) дифференцируется цепочкой, образованной
последовательным соединением ёмкости С и Rэкв -
эквивалентного сопротивления схемы, а затем усиливается ОУ. [8,11]
3) Триггер
Триггер - это устройство, имеющее два устойчивых
состояния и способное под действием управляющих сигналов скачкообразно
переходить из одного состояния в другое.
По характеру действия триггеры относятся к импульсным
устройствам - их активные элементы (транзисторы, лампы) работают в ключевом
режиме, а смена состояний длится очень короткое время.
Можно выделить две основные области их
применения: формирование импульсов и работу в качестве элементарных автоматов цифровых
устройств.
Как формирователи, триггеры позволяют получать
стандартные по амплитуде прямоугольные импульсы с малой длительностью фронта и
среза, практически не зависящей от скорости изменения управляющего сигнала. В
роли цифровых автоматов с двумя внутренними состояниями различные типы
триггеров выполняют функции ячеек памяти, каскадов задержки, пересеченных ячеек
и т. д.
Все известные на сегодняшний день триггеры по
функциональному признаку можно разделить на три основных типа:
RS-триггеры - триггеры с двумя установочными
входами;
В простейшем RS-триггере информационные сигналы
подаются непосредственно на входы S и R ячейки памяти.триггеры применяются как
самостоятельно, так и в составе других более сложных триггеров, а также входят
в состав регистров и счётчиков.
D-триггеры - триггеры задержки с одним
входом;триггер - запоминает состояние входа и выдаёт его на выход. D-триггеры
имеют, как минимум, два входа: информационный D и синхронизации С. После
прихода активного фронта импульса синхронизации на вход С D-триггер
открывается. Сохранение информации в D-триггерах происходит после спада
импульса синхронизации С. Так как информация на выходе остаётся неизменной до
прихода очередного импульса синхронизации, D-триггер называют также триггером с
запоминанием информации или триггером-защёлкой.
Т-триггеры с одним счетным входом;
Т - триггер называют счетным триггером, или как
его еще называют - счетчиком до двух, или делителем на 2 - так как он делит
входную частоту на 2.
Т-триггеры бывают динамические и статические.
Статический Т-триггер может быть синхронным и
асинхронным. Статические Т-триггеры со статическим управлением бывают только
двухступенчатые.
Асинхронный Т-триггер не имеет входа разрешения
переключения Т, поэтому переключение триггера в противоположное состояние
происходит при изменении логического уровня на входе С.
В синхронном триггере присутствует вход
разрешения счета. При уровне логической единицы на входе Т при каждом импульсе
на входе С триггер меняет свое состояние на противоположное. При уровне
логического нуля на входе Т сигналы на входе С не учитываются.
Самое распространенное применение Т-триггера -
делитель частоты на 2. Для использования его в таком качестве на вход Т подают
логическую «1», а на вход С подают исходную частоту. С выхода Q снимаю частоту
в два раза меньше. [9]
) Фазовый детектор
Фазовый детектор (ФД) - это устройство, которое
осуществляет преобразование двух сравниваемых колебаний в напряжение,
определяемое разностью фаз между этими колебаниями.
ФД применяют для демодуляции, в качестве
элементов системы ФАПЧ и в качестве фильтров.
В общем случае ФД - это шестиполюсник, имеющий 2
входа и 1 выход. При этом на вход подаются два напряжения, называемые
напряжением сигнала и опоры. Относительно опорного напряжения и происходит
отсчет фазового сдвига измеряемого колебания.
По принципу действия ФД подразделяются на
векторомерные, коммутаторные, перемножительные и цифровые. В нашей схеме
применяется цифровой ФД. Опишем его подробнее.
Цифровые ФД реализуются на основе цифровых устройств
(счетчиков) или программным путем.
Принцип действия ФД на цифровых логических
элементах основан на преобразовании входного и опорного напряжений в импульсы,
временное положение которых определяет фазовый сдвиг между ними.
Схема ФД на элементе «И» приведена на рисунке
2.3.
Рисунок 2.3 - Схема электрическая функциональная
ФД на цифровом логическом элементе «И»
Рисунок 2.4 - Временная диаграмма работы ФД на
цифровом логическом элементе
Рисунок 2.5 - Детекторная характеристика ФД на
цифровом логическом элементе
Как следует из последнего рисунка, основное
преимущество ФД на цифровых логических элементах - это идеально линейная
детекторная характеристика. Преимуществом ее также является технологичность
из-за отсутствия индуктивностей и возможность изготовления в микроэлектронном
исполнении. [10]
5) Фильтр нижних частот
ФНЧ - фильтр, эффективно пропускающий частотный
спектр сигнала ниже некоторой частоты (частоты среза), и уменьшающий
(подавляющий) частоты сигнала выше этой частоты. Степень подавления каждой
частоты зависит от вида фильтра. В схемах пассивных аналоговых фильтров
используют реактивные элементы, такие как катушки индуктивности и конденсаторы.
Сопротивление реактивных элементов зависит от частоты сигнала, поэтому,
комбинируя такие элементы, можно добиться усиления или ослабления гармоник с
нужными частотами.
Простейший пассивный фильтр низких частот - это
интегрирующая RC-цепь.
Простой фильтр, изображенный на рис, обладает
недостатком: свойства фильтра зависят от нагрузки. Для устранения этого
недостатка фильтр необходимо дополнить преобразователем полного сопротивления.
В дипломной работе анализ автокомпенсатора будем
проводить с фильтрами нижних частот 1 - 2-го порядков. Каждый ФНЧ образован
каскадным соединением однотипных звеньев ФНЧ 1-го порядка. [11]
) Двуполупериодный выпрямитель
Выпрямитель - устройство, предназначенное для
преобразования переменного входного электрического тока в постоянный выходной
электрический ток.
Применение выпрямителей для преобразования
переменного тока в постоянный вызвало понятие среднего значения тока по модулю
(т. е. без учета знака ординаты) за период. При двухполупериодном выпрямлении
среднее значение по модулю определяется как среднеарифметическое значение всех
ординат обеих полуволн за целый период без учета их знаков (т. е. полагая все
ординаты за период положительными, что и имеет место при двухполупериодном
идеальном выпрямлении). [11]
) Цифровой вычислительный синтезатор (ЦВС)
Цифровой вычислительный синтезатор (ЦВС),
известный еще как схема прямого цифрового синтеза (DDS) - электронный прибор,
предназначенный для синтеза сигналов произвольной формы и частоты из
единственной опорной частоты, поставляемой генератором тактовых импульсов.
Характерной особенностью ЦВС является то, что отсчеты синтезируемого сигнала
вычисляются цифровыми методами, после чего передаются на цифро-аналоговый
преобразователь (ЦАП), где и происходит их преобразование в аналоговую форму
(напряжение или ток).
Этим ЦВС отличается от синтезаторов частоты,
основанных на иных принципах, например, ФАПЧ.
Одной из важных особенностей таких устройств
является высокая разрешающая способность задания значений воспроизводимых
частот и их абсолютная точность (полагая задающий генератор идеальным).
Доступны устройства с шагом перестройки менее 0.00001 Гц, при выходных частотах
от нуля герц до сотен мегагерц и опорной частоте порядка гигагерца.
Скорость (время) перестройки выходной частоты с
одного значения на другое очень высока и стабильна, и определяется, в основном,
только длительностью импульсной характеристики аналогового восстанавливающего
фильтра на выходе синтезатора; сама же перестройка происходит фактически
моментально. Время перестройки не зависит от разности между начальной и
конечной частотами. В некоторых синтезаторах такого типа предусмотрен, в том
числе, автоматический линейный инкремент или хоппинг частоты. При этом
приращение фазы не постоянно, а изменяется по заданному закону.
Как недостаток можно указать более высокое, по
сравнению с решениями на ФАПЧ, энергопотребление из-за большого объёма
вычислений, и более высокий уровень негармонических паразитных составляющих в
спектре синтезируемого сигнала.
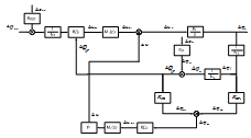
На рисунке 3.1 представлена схема гибридного
синтезатора частот с автокомпенсатором фазовых помех, при воздействии на неё
всех возмущений:
Рисунок 3.1- Схема гибридного синтезатора частот
с автокомпенсатором фазовых помех, при воздействии всех возмущений
Составим уравнения, аналитически описывающие
работу ГСЧ с АФП.
Для этого введем обозначения:
- Коэффициент
передачи помехи
;
- Коэффициент
передачи помехи
;
,
-
Коэффициенты передачи делителей частоты;
- Коэффициент
передачи ЦВС;
,
-
Коэффициенты передачи фазовых детекторов;
- Коэффициент
передачи ГУНа;
,
-
Коэффициенты передачи ФНЧ;
,
-
Коэффициент передачи информационного тракта;
- Коэффициент
передачи опорного тракта;
n- Коэффициент
передачи УПТ.
Запишем выражение для выходного сигнала,
учитывая действие всех дестабилизирующих факторов
, (2.1)

, (2.2)
, (2.3)
. (2.4)
Подставим (2.4) в (2.3):
, (2.5)
. (2.5*)
Подставим (2.5) в (2.2):
. (2.6)
Найдём
:
, (2.7)
. (2.8)
Пусть, информационный и опорный тракты, не
вносят дополнительных искажений в сигнал, т.е. не вносят дополнительные фазовые
сдвиги, или вносят одинаковые фазовые сдвиги (одинаковые сдвиги фазовый
детектор не выделит), тогда:
,
.
(2.8.1)
На рисунке 3.2 показан принцип работы опорного
тракта:
Рисунок 3.2- Принцип работы опорного тракта
Задержка во времени для «Б» и «Г» одинаковая Ƭ1.
Но для «Б» эта задержка соответствует 90 градусам, а для сигнала «Г» эта же
задержка соответствует 45 градусам. Получается что при делении частоты на N,
на столько же делится фазовый сдвиг.
Соответственно, при умножении частоты на N,
во столько же раз и умножается фазовый сдвиг, хотя временной сдвиг не меняется.
Фазовый детектор сравнивает сигналы с одной и
той же частотой и амплитудой на опорном и информационном входах. Если
детектировать сигнал с частотой f,
то при задержке одного сигнала на Ƭ1 (
),получим
выходное напряжение
.
Если детектировать сигнал с той же задержкой Ƭ1,
но частотой f/2, получим:
.
Вывод:
уменьшается
в 2 раза.
Рисунок 3.3- Модель опорного тракта для
приращений
Рассмотрим модель информационного тракта для
приращений:
Рисунок 3.4- Принцип работы информационного
тракта
На входе дифцепи частота fц=fг/Nц.
Сигнал Uдц-сигнал с выхода
дифцепи, Uдв- сигнал с выхода
двухполупериодного выпрямителя, Uт-сигнал
с выхода тригера. fит = (fц*
Nц)/2.
Исходя из выше сказанного, коэффициенты передачи
информационного тракта и опорного тракта, соответственно, получили равными:
,
.
(2.9*)
. (2.9)
Подставим (2.9) в (2.7) и получим:
. (2.10)
Далее подставим (2.5*) и (2.9*) в
(2.10),получим:
, (2.11)
, ( 2.14)
. (2.15)
Введем обозначение
-
коэффициент регулирования автокомпенсатора:
. (2.16)
Подставим (2.16) в (2.15),получим:
. (2.17)
Далее подставим (2.17) в (2.6) и найдем
:
, (2.17.1)
, (2.17.2)
. (2.18)
Для упрощения расчетов примем:
, (2.18*)
и подставим (2.18) в (2.1):
,
.
В результате всех преобразований получили данное
уравнение:
. (2.19)
Составим подобное уравнение для воздействия
:
-
, (3.1)

, (3.2)
, (3.3)
. (3.4)
Подставим (3.3) и (3.4) в (3.2), получим:

, (3.5)
. (3.6)
Определим
:
, (3.7)
, (3.7.1)
. (3.7.2)
Так как сигналы с выхода опорного и
информационного тракта равны, из этого следует:
. (3.8)
Подставим (3.8) в (3.6) получим
.
(3.9)
Далее подставим (3.9) в (3.5) и получаем:
. (3.10)
Раскрываем скобки:
. (3.11)
Подставляем
в
изначальное выражение, и получаем:
. (3.12)
Преобразуем (3.12) в вид:
. (3.13)
В результате всех преобразований, мы получили по
одному уравнению для характеристики каждого из воздействий :
, (для
)
.
(для
)
Уравнения позволяют проводить исследование
работы устройства по помехе (воздействию ОГ) в переходных и стационарных режимах.
Определить важнейшие показатели качества, такие как: полоса захвата,
устойчивость, полоса удержания.
2. Передаточные функции
автокомпенсатора
Передаточная функции (ПдФ) является одним из
способов математического описания динамической системы. ПдФ представляет собой
дифференциальный оператор, выражающий связь между входом и выходом линейной
стационарной системы. Зная входной сигнал системы и передаточную функцию, можно
восстановить выходной сигнал.
В теории передаточная функция непрерывной
системы представляет собой отношение преобразования Лапласа выходного сигнала к
преобразованию Лапласа входного сигнала при нулевых начальных условиях.
АЧХ и ФЧХ системы можно получить из передаточной
функции с помощью формальной замены комплексной переменной p
на
jΩ.
Импульсная переходная функция является
оригиналом (в смысле преобразования Лапласа) для передаточной функции.
Из уравнений выведенных в предыдущем пункте
выведем две передаточные функции: для помехи
≠0
(1) когда все остальные воздействия равны нулю, и для помехи
≠0
(2) когда все остальные воздействия равны нулю, соответственно:
, для
≠0
, (3.19)
Примем
. (3.20)
Подставим (3.20), (3.18*), (3.16) в
(3.19),получим:
. (3.21)
Обозначим коэффициент передачи помехи :
. (3.22)
Коэфф-т регулирования автокомпенсатора:
.(3.23)
Подставим (3.22) и (3.23) в (3.21) и в
результате получим передаточную функцию для помехи
:
. (3.24)
Уравнением (3.24) описывается подавление помехи
автокомпенсатором, при этом условие полного подавления помехи:
, (3.25)
, (3.26)
. (3.27)
Пусть фильтры и фазовые детекторы в синтезаторе
и автокомпенсаторе одинаковы, тогда из (3.27) следует:
, (3.28)
. (3.29)
Проведем аналогичные вычисления с уравнением
характеризующим воздействие
:
для
≠0
. (4.14)
Обозначим коэффициент передачи помехи как
,
и
-
собственная постоянная времени ФАПЧ.
В результате получаем :
. (4.15)
Что является передаточной функцией системы, для
помехи
≠0.
Суммарное уравнение для двух воздействие будет
выглядеть:
(4.16)
Для вывода аналитических выражений
конкретных характеристик достаточно подставить значения действующих возмущений
и передаточные функции фильтров и преобразовать полученные выражения.
3. Анализ устойчивости автокомпенсатора
Одним из важнейших факторов, определяющих
эффективность работы автокомпенсатора, является устойчивость устройства при
возможных изменениях параметров его функциональных звеньев, в частности фильтра
нижних частот (ФНЧ) в цепи управления. При параметрической устойчивости
необходимо определение пределов допустимых изменений характеристик звеньев
автокомпенсатора.
Устойчивость устройства определяется свойствами
корней характеристического полинома - знаменателя любой его передаточной
функции. Чтобы исследовать свойства корней полинома, приравняем его к нулю
. (5.1)
Из [18] следует, что устойчивость АФП зависит от
собственной постоянной времени
, коэффициента
передачи
и
коэффициента передачи фильтра М(р).
Исследуем устойчивость автокомпенсатора при
различных значениях произведения коэффициентов передачи
для
ФНЧ различных порядков от 1-го до 2-го.
Устройство устойчиво [6], если все корни
уравнения (5.1) имеют отрицательную вещественную часть. Наличие хотя бы одного
корня с положительной вещественной частью приводит к потере устойчивости. Если
(5.1) имеет, хотя бы один чисто мнимый корень (p=jΩ),
автокомпенсатор находится на границе устойчивости, при этом вещественные части
других корней должны быть отрицательны.
С учетом вышеизложенного, приняв p=jΩ
и выразив
, получим,
соответствующее границе устойчивости:
. (5.2)
Произвольному значению частоты Ω
соответствует комплексное значение NЦ.
Так как коэффициент NЦ
- действительное число, условие для границы
устойчивости автокомпенсатора примет вид
.
Согласно (5.2), это условие выполняется, если
. (5.3)
Решение уравнения (5.3) позволяет найти значения
корней ωk
, где k=0¸(I-1)-
номер корня, соответствующие границе устойчивости. Граничные значения
коэффициента NУ
получим подстановкой ωk
в (5.2).
При произвольной конфигурации и порядке ФНЧ его
комплексный коэффициент передачи удобно представить в виде
, (5.4)
где I - порядок фильтра, bi
- коэффициенты фильтра.
Выделим в числителе и знаменателе (5.4)
действительную и мнимую части:
,
. (5.5)
Тогда (5.4) с учетом (5.5) примет вид:
. (5.6)
Равенство нулю мнимой части (5.6)
в
соответствии с (5.3) определяет границу устойчивости автокомпенсатора
. (5.7)
Граничным значениям NЦ
в (5.2), соответствуют корни уравнения (5.7), Найдем их.
Левая часть (5.7) представляет полином,
обозначим
. (5.8)
Граничные значения
для
каждого корня получим подстановкой его корней ωk
в (5.2)
. (5.9)
Согласно (5.1), автокомпенсатор с разомкнутым
информационным трактом (NЦ
=0) является устойчивым при любом порядке ФНЧ.
Следовательно, значение NЦ
=0 принадлежит области устойчивости устройства.
Таким образом, чтобы найти ее границы, необходимо из всех значений (5.9)
выбрать одно отрицательное и одно положительное, ближайшие к нулю.
Обозначим
и
-
нижнюю и верхнюю границы диапазона значений NЦ,
в котором АФП сохраняет устойчивость. Т.е. областью устойчивости является
отрезок
.
Нижнюю границу NЦ
определим как максимум всех отрицательных значений
,
верхняя граница NЦ
соответствует минимуму всех положительных значений
, (5.10)
. (5.11)
На основе полученных выражений выполним анализ
устойчивости работы автокомпенсатора с фильтрами нижних частот 1 - 2-го
порядков. Каждый ФНЧ образован каскадным соединением однотипных звеньев 1-го
порядка, передаточная функция многозвенного ФНЧ I-го
порядка определяется как:
,
где Ti
- постоянная времени i-го
звена.
3.1 Устойчивость автокомпенсатора с
ФНЧ первого порядка
Передаточная функция ФНЧ первого порядка имеет
вид:
.
Коэффициенты ФНЧ первого порядка (5.3) принимают
значения β0=1,
β1=T1.
Подставив значения коэффициентов в (5.5) и
(5.6), получим:
В1(Ω)=1,
В2(Ω)= T1Ω.
Полином (5.8) примет вид f(Ω)=
T1Ω.
Полином
имеет единственный корень Ω0=
0, при Ti=T
соответствующее корню граничное значение устойчивости (5.9) равно
.
Следовательно, область устойчивости автокомпенсатора с ФНЧ 1-го порядка
представляет интервал
. Годограф
частотной характеристики фильтра, определяющий устойчивость автокомпенсатора,
показан на рисунке 5.1, здесь
- вещественная
частотная характеристика ФНЧ,
- мнимая частотная
характеристика ФНЧ,
- абсциссы точек
пересечения годографа
, соответствующих
границам устойчивости автокомпенсатора.
Рисунок 5.1 - Годограф частотной характеристики
ФНЧ 1-го порядка
3.2 Устойчивость автокомпенсатора с
ФНЧ второго порядка
Передаточная функция ФНЧ второго порядка имеет
вид:
.
Коэффициенты ФНЧ (5.3) принимают значения β0=1,
β1=T1+T2,
β2=
T1T2.
Подставив значения коэффициентов в (5.5) и
(5.6), получим
В1(Ω)=1-T1T2Ω2,
В2(Ω)= (T1+T2)Ω.
Полином (5.8) примет вид f(Ω)=
(T1+T2)Ω.
Полином
имеет единственный корень Ω0=
0, при Ti=T
соответствующее корню граничное значение устойчивости (5.9) равно
.
Следовательно, область устойчивости автокомпенсатора с ФНЧ 2-го порядка
представляет интервал
. Годограф
частотной характеристики ФНЧ 2-го порядка показан на рисунке 5.2.
Рисунок 5.2 - Годограф частотной характеристики
ФНЧ 2-го порядка
На рисунках 5.3 и 5.4 представлены зависимости
нижней и верхней границ коэффициентов затухания, от порядка ФНЧ:
Рисунок 5.3 - Зависимости нижней границы
коэффициентов затухания, от порядка ФНЧ
Рисунок 5.3- Зависимости верхней границы
коэффициентов затухания, от порядка ФНЧ
Таблица 5.1 - Результаты анализа устойчивости
автокомпенсатора с ФНЧ различных порядков I
|
I
|
1
|
2
|
3
|
4
|
5
|
|
|
-
|
-1*10^6
|
-1*10^6
|
-8.83*10^-3
|
-0.051
|
|
|
-
|
0,5
|
1,125
|
1.759
|
2.395
|
|
I
|
6
|
7
|
8
|
9
|
10
|
|
|
-0.125
|
-0.224
|
-4.17*10^-7
|
-2.331*10^-5
|
-1.895*10^-4
|
|
|
8.054*10^-5
|
1.4*10^-3
|
6*10^-3
|
1.39*10^-9-3.009i*10^-15
|
4. Переходные характеристики
В ряде практических случаев полезный сигнал
имеет нежелательную фазовую манипуляцию. Она появляется вследствие скачков
питающих напряжений, работы коммутирующих устройств, условий распространения
радиоволн и других причин. При этом глубина фазовой манипуляции может достигать
достаточно большой величины, и характеристика отдельного звена автокомпенсатора
может существенно исказиться. [16]
Переходной характеристикой (переходным
процессом) динамического звена называют зависимость выходной величины от
времени при подаче на вход звена ступенчатого сигнала единичной амплитуды.
Другими словами, переходная характеристика отображает реакцию конкретного звена
на единичный ступенчатый сигнал.
Анализ переходных процессов будем производить
операторным методом расчета переходных параметров.
В основу операторного метода положено следующее:
функция f(t)
(обычно
ток i(t)
или
напряжение и(t))
вещественного переменного t
(времени), называемая оригиналом, заменяется соответствующей ей функцией F(р)
комплексного
переменного р, называемой изображением.
Указанные функции связаны соотношением:
. (6.1)
называемым прямым преобразованием Лапласа.
Эта связь сокращенно записывается в виде:
. (6.2)
Находить искомое изображение будем с помощью
теоремы разложения:
, (6.3)
где F1(p),
F2(p)
- многочлены , pк-
корни
многочлена (k
-номер
корня многочлена). [19]
Рассмотрим переходный процесс в автокомпенсаторе
при воздействии на ЦВС дестабилизирующего фактора
величиной
(
-
единичный скачок).
Для этого возьмем ПдФ автокомпенсатора при
воздействии на систему дестабилизирующего фактора
с
ПдФ фильтра ФНЧ 1-го порядка (4.2)
. (3.24)
Тогда переходная характеристика
примет
вид:
. (6.4)
Принимаем
.Для удобства расчетов, проведем следующие
замены:
,
.
Получаем:
. (6.5)
В нашем случае, знаменатель последнего выражения
имеет один корень, равный нулю, т.е.
[19],
тогда оригинал находится по формуле:
. (6.6)
Согласно (6.5) используя (6.6):
F1=
,
F3=
.
F1(0)при
р=0=
, F3(0)при
р=0=
.
Найдем корень выражения
F3=
;
р=
.
Применяя теорему разложения (6.6) к полученному
выражению (6.5) и учитывая все преобразования, получаем функцию для построения
переходных характеристик автокомпенсатора с ФНЧ 1 порядка:
. (6.7)
На рисунке 6.1-6.4 представлены переходные
характеристики конкретного автокомпенсатора с ФНЧ 1-го порядка.
Начальные значение для построения: фильтра Т1=1с,
n=0.1,5,50,100.
коэффициентом передачи
=1.
Рисунок 6.1- Переходные характеристики
автокомпенсатора с ФНЧ 1-го порядка при коэффициентах передачи n=0.1
Рисунок 6.2- Переходные характеристики
автокомпенсатора с ФНЧ 1-го порядка при коэффициенте передачи n=5
Рисунок 6.3- Переходные характеристики
автокомпенсатора с ФНЧ 1-го порядка при коэффициентах передачи n=50
Рисунок 6.4- Переходные характеристики
автокомпенсатора с ФНЧ 1-го порядка при коэффициентах передачи n=100
Для большей наглядности одновременно четыре
характеристики для n=0.1,5,50,100;
представлены на одном графике, на рисунке 6.5.
Рисунок 6.5- Переходные характеристики
автокомпенсатора с ФНЧ 1-го порядка при коэффициентах передачи (n=0,1;5;50;100)
Рисунок 6.6- Переходные характеристики
автокомпенсатора с ФНЧ 1-го порядка при коэффициентах передачи (n=50;100;500;1000)
Анализируя графики переходного процесса
автокомпенсатора с ФНЧ 1-го порядка (рисунок 6.1-6.6) в момент t=0
имеется единичный скачок, так как при поступлении на вход ФНЧ ступенчатого
напряжения с выхода ФД в начальный момент времени напряжение на выходе фильтра
равно нулю и компенсация отсутствует. По мере нарастания напряжения на выходе
ФНЧ и при увеличении коэффициентах передачи n
возрастает компенсация и уменьшается отклонения фазы выходного сигнала
автокомпенсатора.
5. Частотные характеристики
Важным свойством автокомпенсаторов является
возможность избирательного подавления фазовых помех в заданном диапазоне
частотного спектра, что обеспечивается введением в УТ фильтров с
соответствующими характеристиками избирательности. Кроме того, в ряде случаев
необходимо учитывать влияние фильтрующих цепей фазовых детекторов на частотные
характеристики АФП. [16]
Согласно ТЗ исследование системы будем проводить
для фильтров нижних частот первого и второго порядков.
В общем виде ПдФ для ФНЧ имеет вид:
. (7.1)
В частном случае, который нас интересует,
распишем выражение (7.1) для каждого фильтра соответствующего порядка:
для ФНЧ первого порядка:
, (7.2)
для ФНЧ второго порядка:
. (7.3)
Рассмотрим частотные характеристики
автокомпенсатора при воздействии на ЦВС дестабилизирующего фактора εП
.
Подставим ПдФ фильтра ФНЧ первого порядка (7.2)
в выражение ПдХ фильтра по соответствующему воздействию (4.2):
. (7.6)
При гармоническом возмущении заменим оператор p
на
.
Тогда соотношение (7.6) превратится в комплексную дробь.
. (7.7)
Выражение для комплексной ПдФ в общем виде,
согласно [20]:
, (7.8)
где аn,
bn
- комплексный числа
В данном случае для ФНЧ первого порядка,
учитывая(7.7) и (7.8) получим:
,(7.8.1)
,(7.8.2)
,(7.8.3)
.(7.8.4)
Разобьем (7.7) на действительную (Re)
и мнимую (Im) части для
нахождения комплексной ПдФ по (7.8). Подставляя полученные коэффициенты в (7.8)
применительно к ФНЧ 1 порядка, одновременно упрощая, получаем:
. (7.9)
Выражения для амплитудно-частотных характеристик
(АЧХ, ФЧХ) автокомпенсатора получим как модуль и аргумент комплексной
обобщенной передаточной функции:
для построения АЧХ:
. (7.10)
для построения ФЧХ:
. (7.11)
На рисунках 7.1-7.4 представлены
частотные характеристики конкретного автокомпенсатора с ФНЧ 1-го порядка.
Начальные значение и степень
компенсации в диапазоне частот определяются: коэффициентом передачи помехи
,
постоянными времени фильтров Т1=Т2=1с,
-
коэффициентом передачи АФП,
- коэффициентом передачи ЦВС, шагом Ω=0,0.0001…3.
Рисунок 7.1- АЧХ автокомпенсатора с
ФНЧ 1-го порядка при различных коэффициентах передачи n(0.5;1;5;10)
Рисунок 7.2- АЧХ автокомпенсатора с
ФНЧ 1-го порядка при различных коэффициентах передачи n(20;50;10;200)
Рисунок 7.3- ФЧХ автокомпенсатора с
ФНЧ 1-го порядка при различных коэффициентах передачи n(0.5;1;5;10)
Рисунок 7.4- ФЧХ автокомпенсатора с ФНЧ 1-го
порядка при различных коэффициентах передачи n(50;100;500;1000)
Подставим ПдФ фильтра ФНЧ 2-го порядка (7.3) в
выражение ПдХ фильтра по соответствующему воздействию (4.2):
. (7.12)
При гармоническом возмущении заменим оператор p
на
.
Тогда соотношение (7.12) превратится в комплексную дробь.
. (7.13)
Проведем преобразования, аналогичные для ФНЧ 1
порядка, получим
Выражения для амплитудно-частотных характеристик
(АЧХ, ФЧХ) автокомпенсатора получим как модуль и аргумент комплексной
обобщенной передаточной функции:
для построения АЧХ:
для построения ФЧХ:
На рисунках 7.5-7.9 представлены
частотные характеристики конкретного автокомпенсатора с ФНЧ второго порядка,
при значениях соответствующих переменным, как и для ФНЧ первого порядка.
Рисунок 7.5- АЧХ автокомпенсатора с
ФНЧ 2-го порядка при различных коэффициентах передачи n(0.1;1;5;10)
Рисунок 7.6- АЧХ автокомпенсатора с ФНЧ 2-го
порядка при различных коэффициентах передачи n(50;100;500;1000)
Рисунок 7.7- ФЧХ автокомпенсатора с ФНЧ 2-го
порядка при различных коэффициентах передачи n
n(0.5;1;5;10)
Рисунок 7.8- ФЧХ автокомпенсатора с ФНЧ 2-го
порядка при различных коэффициентах передачи n.
n(50;100;500;1000)
Рисунок 7.9- ФЧХ автокомпенсатора с ФНЧ 2-го
порядка при различных коэффициентах передачи n(1;5;500;1000)
6. Организационно-экономическая
часть
В данном разделе будет рассмотрено экономическое
обоснование и определение затрат на проведение исследования гибридного
синтезатора частот, с автокомпенсатором фазовых помех
6.1 Определение трудоемкости
исследовательских работ
Трудоемкость показывает, сколько времени
требуется для производства единицы продукции. Для определения трудоемкости
необходимо составить перечень основных этапов и видов работ, выполняемых в
рамках этих этапов. В случае гибридного синтезатора частот эти этапы будут
следующими:
обзор литературы;
вывод основных расчетных соотношений;
работа на ЭВМ:
) построение графических зависимостей;
) анализ, моделирование;
оформление пояснительной записки (выводы по
результатам исследований).
Общую трудоемкость исследовательской работы
,
чел.-ч., запишем в виде:
чел-ч .
(8.1.1)
где t
- средняя продолжительность рабочего дня, принимаем t
= 8 часов;
di
- продолжительность выполнения i-ой
работы, дни;
Ri
- общее число исполнителей, выполняющих i-ую
работу, человек;
КВН
- коэффициент выполнения норм; S - число рабочих смен.
Поскольку для служащих рабочий день, как
правило, включает одну смену (S
= 1) и планируется 100% выполнение норм (КВН = 1), формула
(8.1.1) принимает вид:
чел-ч.
(8.1.2)
Рассчитаем трудоемкость каждой работы и данные сведем в таблицу 8.1.1.
Таблица 8.1.1 - Трудоемкость выполнения работ
|
№
п/п
|
Наименование
работы
|
Квалификация
исполнителя
|
Продолжительность
работы, дней
|
Число
исполнителей, чел.
|
Трудоемкость,
чел-ч
|
|
1
|
Обзор
литературы
|
Ведущий
инженер
|
15
|
1
|
120
|
|
2
|
Постановка
задачи. Обоснование принципов построения ГСЧ с АФП
|
Ведущий
инженер
|
5
|
1
|
40
|
|
3
|
Вывод
уравнений описывающих работу ГСЧ
|
Ведущий
инженер
|
10
|
2
|
160
|
|
4
|
Работа
на ЭВМ. Разработка программы анализа устойчивости
|
Инженер
1 категории
|
14
|
2
|
224
|
|
5
|
Работа
на ЭВМ. Переходные и частотные характеристики
|
Инженер
2 категории
|
7
|
1
|
56
|
|
6
|
Оформление
пояснительной записки
|
Инженер
3
категории
|
10
|
1
|
80
|
|
7
|
Чертежи
и схемы, оформление приложения
|
Инженер
2 категории
|
10
|
2
|
160
|
|
Итого
|
|
71
|
|
840
|
6.2 Определение затрат на заработную
плату исполнителей
Определим заработную плату исполнителей. Для
проведения таких расчетов необходимо иметь данные о дневной ставке
исполнителей. В данном случае должностные и месячные оклады соответствуют
окладам на 7 апреля 2015 года на ОАО НПП «Звукотехника». Почасовая ставка
исполнителя СЧ , руб./час, получается путём деления месячного
оклада
М
,
руб. на среднее количество рабочих дней в месяце и продолжительность рабочего дня
(8 часов):
, руб./час (8.2.1)
- среднее количество рабочих дней в месяце.
Оклады исполнителей приведены в таблице 8.2.1
Таблица 8.2.1 - Оклады исполнителей
|
Категория
работников
|
Должностной
оклад исполнителя, руб. в месяц
|
Часовая
тарифная ставка, руб. / час.
|
|
Ведущий
инженер
|
22500
|
127,84
|
|
Инженер-конструктор
1 категории
|
17500
|
99,43
|
|
Инженер-конструктор
2 категории
|
16000
|
90,90
|
|
Инженер-конструктор
3 категории
|
14000
|
79,54
|
При проведении расчётов заработной платы исполнителя
используются данные о дневной ставке исполнителя из таблицы 8.2.1. Зная
продолжительность работ, количество исполнителей, их квалификацию и часовые
тарифные ставки, определяют заработную плату по каждой i-той
работе по формуле:
руб, (8.2.2)
где
-
общая трудоемкость исследовательской работы , чел.-ч.;
- часовая ставка
исполнителя i-ой
квалификации, руб./час;
Суммируя заработную плату исполнителей по всем
работам, получают общую сумму затрат на заработную плату, результаты расчетов
сводят в таблицу 8.2.2.
Таблица 8.2.2 - Заработная плата исполнителей
|
№
п/п
|
Наименование
работы
|
Квалификация
исполнителя
|
Продолжительность
работы, дней
|
Число
исполнителей, чел.
|
Трудоемкость,
чел-ч
|
|
1
|
Обзор
литературы
|
Ведущий
инженер
|
15
|
1
|
1917,6
|
|
2
|
Постановка
задачи. Обоснование принципов построения АФП и его структурных звеньев
|
Ведущий
инженер
|
5
|
1
|
639,2
|
|
3
|
Вывод
основных расчетных соотношений
|
Ведущий
инженер
|
10
|
2
|
20454,4
|
|
4
|
Работа
на ЭВМ. Разработка программы анализа устойчивости АФП
|
Инженер
1 категории
|
14
|
2
|
22272,32
|
|
5
|
Работа
на ЭВМ. Переходные и частотные характеристики АФП
|
Инженер
2 категории
|
7
|
1
|
5363,1
|
|
6
|
Оформление
пояснительной записки
|
Инженер
3
категории
|
10
|
1
|
6363,2
|
|
7
|
Чертежи
и схемы, оформление приложения
|
Инженер
2 категории
|
10
|
2
|
14544
|
|
Итого
|
|
71
|
|
71553,82
|
6.3 Определение общей суммы затрат
на проведение исследований
Определим общие затраты с учетом материальных
ресурсов. Себестоимость продукции (работ, услуг) представляет собой стоимостную
оценку используемых в процессе производства продукции (работ, услуг) природных
ресурсов, сырья, материалов, топлива, энергии, основных фондов трудовых
ресурсов, а также других затрат на ее производство и реализацию.
Другими элементами себестоимости являются
затраты:
на подготовку и освоение производства;
непосредственно связанные с производством
продукции;
по обеспечению нормальных условий труда и
техники безопасности;
на выплаты, предусмотренные законодательством о
труде, за не проработанное время, оплата очередных и дополнительных отпусков и
другие;
на отчисления в фонд государственного
социального страхования и в пенсионный фонд;
на отчисления на обязательное медицинское
страхование;
на воспроизводство основных производственных
фондов, включаемых в себестоимость продукции в форме амортизационных отчислений
на полное восстановление от стоимости основных фондов;
на износ по нематериальным активам.
Определим себестоимость исследовательской
работы.
Для проведения исследовательских работ
необходимо использование ПЭВМ и дополнительное освещение, как правило, в
течение всего периода проведения исследований. Продолжительность рабочего дня
составляет 8 часов (при односменном режиме работы), потребление энергии: для
ПЭВМ 250 Вт/ч, для лампы дневного освещения 80 Вт/ч. Стоимость электроэнергии
принимается равной 4 руб. за 1 кВт/ч.
Расчет затрат на электроэнергию может быть
проведен по формуле:
, руб,
(8.3.1)
где t
- общая продолжительность исследовательских работ, дней (по данным табл.
8.1.1);
8 -
продолжительность одного рабочего дня при односменном режиме работы, час;
Q
-
общее потребление энергии на использование ПЭВМ и освещение, кВт/ч;
СЭ
- стоимость электроэнергии, руб. за 1 кВт/ч.
Амортизационные отчисления осуществляются,
исходя из стоимости автоматизированного рабочего места (стоимости ПЭВМ), срока
полезного использования ПЭВМ и соответствующей ему нормы амортизации, продолжительности
исследовательских работ.
Срок полезного использования ПЭВМ может
устанавливаться от 3 до 5 лет (от 36 до 60 месяцев соответственно). Норма
амортизации в месяц определяется как 100% стоимости, деленной на срок полезного
использования в месяцах, и составляет: для срока использования 3 года - 2,78% в
месяц, 4 года - 2,08% в месяц, 5 лет - 1,67%. При выполнении дипломной работы
можно выбрать любую из этих норм амортизации или рассчитать ее самостоятельно
для другого срока полезного использования в пределах 3-5 лет.
Поскольку норма амортизации устанавливается за
месяц, продолжительность исследовательских работ определяют в месяцах
(округляют до целых месяцев по общим правилам округления).
Сумма амортизационных отчислений определяется из
выражения:
, руб,
(8.3.2)
где
-
продолжительность исследовательских работ в месяцах;
F
-
стоимость автоматизированного рабочего места (ПЭВМ), руб.
-
норма амортизации за месяц (в долях).
Стоимость автоматизированного рабочего места
равна 20000 руб. Тогда:
Отчисления на социальные нужды - суммы платежей
(взносов) работодателей по договорам обязательного страхования, исчисляемые в
процентах от общей суммы на оплату труда исполнителей с начислениями в
соответствии с действующим законодательством.
К затратам на технологию относятся взносы
- в Пенсионный фонд РФ;
- в Фонды обязательного медицинского
страхования;
- в Фонд социального страхования РФ;
- на обязательное социальное страхование от
несчастных случаев на производстве и профессиональных заболеваний.
Отчисления на социальные нужды (30.2%) в нашем
случае (в том числе 0.2% на обязательное социальное страхование от несчастных
случаев на производстве и профессиональных заболеваний) составляют:
Результаты расчетов свели в таблицу 8.3.1.
Таблица 8.3.1 - Смета затрат на проведение
исследовательской работы
|
№
п/п
|
Статьи
затрат
|
Сумма,
руб.
|
Порядок
расчета
|
|
1
|
Заработная
плата исполнителей
|
71553,82
|
Итог
табл. 8.2.2
|
|
2
|
Отчисления
на социальные нужды
|
21609,253
|
30,2%
от заработной платы исполнителей
|
|
3
|
Расходы
на электроэнергию
|
4544
|
Определены
по ф.(8.3.1)
|
|
4
|
Амортизация
|
1668
|
Определяется
по ф. (8.3.2)
|
|
5
|
Прочие
расходы. Затраты на эксплуатацию и обслуживание оборудования
|
7155,382
|
10%
от заработной платы исполнителей
|
|
6
|
Аренда
помещения и организация рабочего места
|
|
Предоставлено
МИВлГУ в безвозмездное пользование
|
|
ИТОГО: стоимость исследований
|
106530,45
|
|
В данном пункте были произведены исследования
технико-экономических показателей. Общая сумма затрат на исследование составила
106530,45 рублей. В эту сумму так же входят затраты на электроэнергию,
амортизация, отчисления на социальные нужды и заработная плата исполнителей.
Заключение
В дипломной работе было проведено исследование
гибридного синтезатора частот, с автокомпенсацией фазовых помех.
Основными результатами проведенной работы
являются:
- на первом этапе исследований была рассмотрена
структурная гибридного синтезатора с иллюстрациями временных диаграмм,
поясняющих принцип его работы;
в ходе дальнейшего исследования получены
основные уравнения описывающие работу гибридного синтезатора частот, полностью
описывающие статические и динамические режимы его работы. Данные уравнения
позволяют непосредственно получить выражения для передаточных функций АФП при
произвольных характеристиках составляющих звеньев и найти законы изменения во
времени координат выходного сигнала, необходимые для последующих исследований;
была построена математическая модель
формирования выходного параметра автокомпенсатора. Схема иллюстрирует вклад и
взаимодействие коэффициентов и блоков преобразователя при воздействии, как
отдельных параметров дестабилизирующих факторов εП
,
εоГ ,, так и их
совокупности, на выходной параметр.
- получены передаточные характеристики
автокомпенсатора, которые могут быть использованы для вывода аналитических
выражений конкретных характеристик любого из его звеньев;
- произведен анализ условий устойчивости системы
автокомпенсации, который является одним из важнейших факторов, определяющих
эффективность работы автокомпенсатора. На основе полученных выражений выполнен
анализ устойчивости работы автокомпенсатора с фильтрами нижних частот 1 - 2-го
порядков на основе частотного критерия Найквиста.
- в ходе исследования были получены выражения и
построены графики переходных характеристик автокомпенсатора с применением ФНЧ 1
порядка. Расчеты в работе были выполнены, опираясь на операторный метод расчета
переходных параметров..
построены графики частотных характеристик (АЧХ,
ФЧХ) автокомпенсатора с использованием ФНЧ 1-2-го порядка, по которым можно
судить о избирательности устройства и подавления фазовых помех в заданном
диапазоне частотного спектра.
- проведено экономическое обоснование
исследовательской работы, представляющее собой определение затрат на проведение
исследования гибридного синтезатора частот с автокомпенсацией фазовых помех:
определение трудоемкости исследовательской работы, необходимых затраты на
заработную плату исполнителей и оценка общей суммы затрат на проведение
исследования. Общая сумма затрат на исследование составила 106530,45 рублей.
1. Шахгильдян В. В. Влияние
флуктуационных помех на точность работы системы фазовой синхронизации с
нелинейным затуханием. - «Труды учебных институтов связи», вып. 53., 1971.
2. Стариков О. Прямой цифровой
синтез частоты и его применение. - Application
news, 2012, №3,
с.56-64.
3. Айфичер Э.С., Джервис Б.У.
Цифровая обработка сигналов: практический подход, 2-е издание. Пер. с англ. -
М.: Издательский дом «Вильямс», 2004. - 992 с.
. Курилов И.А., Рудаков
А.М.., Харчук С.М.. Автоматический компенсатор фазовых помех синтезатора DDS/
Вопросы радиоэлектроники, серия Общая теория / 2010, вып. 1, с 90-94.
5. Курилов И.А., Романов Д.Н.,
Харчук С.М. Аппроксимация характеристик и сигналов на основе включающих
непрерывных кусочно-линейных функций /Методы и устройства передачи и обработки
информации: Межвуз. сб. науч. тр./ Под. Ред. В.В. Ромашова - М: «Радиотехника»,
2007., Вып.8, с 7-11.
6. Воронов А.А. и др.
Основы теории автоматического регулирования и управления. Учеб. пособие для
вузов. М.: Высш. шк., 1977. - 519 с., ил.
7. Курилов И.А., Рудаков А.М.,
Романов Д.Н., Харчук С.М. Математическое моделирование автокомпенсации
фазовых помех на выходе ЦАП прямого цифрового синтезатора частот. //Методы и
устройства передачи и обработки информации. 2009, №11, с. 72-78
8. Гоноровский И.С.
Радиотехнические цепи и сигналы: Учебник для вузов. - 4-е издание,
переработанное и дополненное. - М.: Радио и связь, 1986. - 512 с.
9. Зельдин Е.А. Триггеры. -
Энергоатомиздат, 1983. - С. 96.
. С. А. Подлесный, Ф. В.
Зандер. Устройства приема и обработки сигналов. Версия 1.0 [Электронный ресурс]
: электрон. учеб. пособие
11. Баскаков С.И.
Радиотехнические цепи и сигналы. М.: Высшая школа, 2-е издание. - 446 с.
12. Волгов В.А. Детали и узлы
радиоэлектронной аппаратуры М.: "Энергия", 1977, 656 с.
13. С. Андрианов. ИМПУЛЬСНЫЕ
УСТРОЙСТВА НА ЦИФРОВЫХ ИМС, Выпуск 84 "В помощь радиолюбителю" 1983
г.
14. Авраменко А.А., Галямичев
Ю.П., Ланнэ А.А. "Электрические линии задержки и фазовращатели" - М.:
Связь. 1973
15. Кестер Уолт, Брайэнт Джеймс.
Цифро-аналоговые преобразователи (ЦАП) для задач цифровой обработки сигналов. -
ЭЛТЕХ - официальный дистрибьютор Analog
Devices в России, глава 4.
16. Курилов И.А. Динамические
характеристики линейного амплитудно-фазового преобразователя произвольного
порядка. - Радиотехника, 2007, №6.
17. Курилов И.А., Васильев Г.С.
Харчук С.М. Моделирование преобразователя сигналов с комбинированным
регулированием на основе передаточных характеристик /Методы и устройства
передачи и обработки информации: Межвуз. сб. науч. тр./ Под. Ред. В.В. Ромашова
- М: «Радиотехника», 2009., Вып.5, с 17-21.
18. Васильев Г.С., Курилов И.А.,
Харчук С.М., Суржик Д.И. Исследование устойчивости преобразователя сигналов на
основе непрерывных кусочно-линейных функций. - Радиотехнические и
телекоммуникационные системы, 2012, №1, с. 4-7.
19. Шебес М. Р., Каблукова М. В.
Задачник по теории линейных электрических цепей: Учеб. пособ. для
электротехнич., радиотехнич. спец. вузов. - 4-е изд., перераб. и доп. - М.:
Высш. шк., 1990. - 544 с: ил
20. Бронштейн И.Н., Семендяев
К.А. - Справочник по математике для инженеров и учащихся втузов - М.: Наука,
1986.
21. Курилов И.А. Анализ устройств
амплитудно-фазового преобразователя сигналов на основе непрерывных
кусочно-линейных функций. - Радиотехника, 2006, №11, с.57-59.
22. Курилов И.А. Динамические
характеристики линейного амплитудно-фазового преобразователя произвольного
порядка. - Радиотехника, 2007, №6, с. 31-35.
. Курилов И.А. Исследование
статических режимов автокомпенсаторов фазовых помех. - Методы и устройства
передачи и обработки информации, 2001, №1, с. 35-36.
Приложения
Листинг 1. Анализ устойчивости автокомпенсатора
Рисунок 1 - Годограф частотной характеристики
ФНЧ 2-го порядка
Листинг 2. Переходные характеристики
Рисунок 1- Переходная характеристика
автокомпенсатора с ФНЧ 1-го порядка при коэффициенте передачи n=0.1
Рисунок 2- Переходная характеристика
автокомпенсатора с ФНЧ 1-го порядка при коэффициенте передачи n=1;5
Рисунок 3- Переходная характеристика
автокомпенсатора с ФНЧ 1-го порядка при коэффициенте передачи n=10;30
Рисунок 4- Переходная характеристика
автокомпенсатора с ФНЧ 1-го порядка при коэффициенте передачи n=50;100
Рисунок 5- Переходная характеристика автокомпенсатора
с ФНЧ 1-го порядка при коэффициенте передачи n=500;1000
Рисунок 6- Переходные характеристики
автокомпенсатора с ФНЧ 1-го порядка при коэффициенте передачи n=5;20;50;100
Листинг 3 Частотные характеристики
АЧХ ФНЧ1 порядка
Рисунок 9- Амплитудно-частотная характеристика
автокомпенсатора с ФНЧ 1-го порядка при коэффициенте передачи n=1,5,10,20
ФЧХ ФНЧ1 порядка
Рисунок 10- Фазо-частотная характеристика
автокомпенсатора с ФНЧ 1-го порядка при коэффициенте передачи n=1,5
Рисунок 11- Фазо-частотная характеристика
автокомпенсатора с ФНЧ 1-го порядка при коэффициенте передачи n=1,5,10,20