Модернизация существующей тепловой схемы на Череповецкой ГРЭС

  • Вид работы:
    Дипломная (ВКР)
  • Предмет:
    Физика
  • Язык:
    Русский
    ,
    Формат файла:
    MS Word
    1,14 Мб
  • Опубликовано:
    2017-03-20
Вы можете узнать стоимость помощи в написании студенческой работы.
Помощь в написании работы, которую точно примут!

Модернизация существующей тепловой схемы на Череповецкой ГРЭС

Содержание

Введение

. Характеристика объекта исследования

.1 Общее описание Череповецкой ГРЭС

.2 Общие сведения о ПГУ. Оборудование ПГУ

.2.1 Оборудование энергетических ГТУ в составе ПГУ

.2.2 Парогазовая турбина в тепловой схеме ПГУ

.2.3 Котел-утилизатор в тепловой схеме ПГУ

.2.4 Влияние параметров наружного воздуха на характеристики энергетических ГТУ

.3 Основное оборудование электростанции

.3.1 Описание энергоблока

.3.2 Краткое описание котла

.3.3 Краткое описание турбины К-210-130-3

.3.4 Описание котла-утилизатора П-132 в составе блока ПГУ-420

.3.5 Тепловая схема ПГУ с КУ

.3.6 Описание ПГУ-420

.3.7 Описание ГТУ SGT5-4000F

. Расчетная часть

.1 Расчет ГТУ при нормальных условиях

.1.1 Расчет ГТУ без охлаждения

.1.2 Расчет ГТУ с охлаждением

.2 Расчет ГТУ при повышенной температуре наружного воздуха

.2.1 Расчет ГТУ без охлаждения

.2.2 Расчет ГТУ с охлаждением

.3 Расет холодильной мощности

.4 Изменение характеристик ГТУ в зависимости от температуры наружного воздуха

. Подбор оборудования для системы охлаждения воздуха

.1 АБХМ

.1.1 Преимущества АБХМ

.1.2 Недостатки АБХМ

.1.3 Принцип действия АБХМ

.1.4 Подбор АБХМ

.2 Градирня

.2.1 Мокрая градирня

.2.2 Подбор градирни

.3 Воздухоохладитель

.3.1 Подбор воздухоохладителя

.4 Расчет экономического эффекта

. Автоматизация ГТУ

.1 Система регулирования подачи газообразного топлива ГТУ

.2 Система регулирования подачи жидкого топлива ГТУ

. Безопасность жизнедеятельности

.1 Анализ опасных и вредных производственных факторов при эксплуатации ПГУ-420

.2 Меры по обеспечению безопасных и здоровых условий труда

.3 Меры по обеспечению устойчивости работы ПГУ-420 в условиях чрезвычайных ситуаций

Заключение

Список использованных источников

Введение

Перспективное направление развития энергетики связано с газотурбинными (ГТУ) и парогазовыми (ПГУ) энергетическими установками тепловых электростанций. Эти установки имеют особые конструкции основного и вспомогательного оборудования, режим работы и управления.

В последние годы были усовершенствованы методы расчета тепловых схем и элементов ГТУ и ПГУ с применением математического моделирования и компьютерной техники. В настоящее время значительное вниманием уделяется прогрессивным технологиям сжигания топлива в камерах сгорания ГТУ и улучшению экологических показателей установок. При создании газовых турбин используются новые материалы, улучшаются системы охлаждения их элементов, применяются конструктивные схемы с повышенными значениями давления воздуха после компрессоров, с его промежуточным охлаждением, промежуточным перегревом газов в газовых турбинах.

Постоянно совершенствуется паровой цикл ПГУ, осуществляется переход к двухконтурным и трехконтурным котлам-утилизаторам с промежуточным перегревом пара. Для стабилизации параметров и повышения мощности установки используется дожиганием топлива. Схемы применяемых ПГУ различают как по составу, так и по технологическому процессу. В отличии от паросиловых установок ГТУ и ПГУ характеризуются значительной чувствительностью к изменению параметров наружного воздуха, что обнаруживается при анализе их показателей.

В последние годы значительно возрос интерес энергетическим ГТУ и ПГУ, их особенностям и работе на электростанциях. Парогазовые установки на природном газе - единственные энергетические установки, которые в конденсационном режиме работы отпускают электроэнергию с КПД нетто более 58%.

В настоящее время большинство энергетических предприятий России выработали свой ресурс полностью или более чем на 50 %. Поэтому в основном необходимо проектировать и строить новые мощные электростанции, оснащенные современным оборудованием, средствами измерения и автоматического управления теплоэнергетическим процессом. В настоящее время промышленность все больше нуждается в тепловой и электрической энергии. Строятся новые жилые массивы и производственные комплексы, что предопределяет ввод в эксплуатацию все новых и более мощных электростанций.

Цель данной дипломной работы - модернизация существующей тепловой схемы на Череповецкой ГРЭС. Расчет снижения мощности ГТУ от повышения температуры наружного воздуха и разработка мероприятий по решению этого вопроса. Разработка проекта системы охлаждения воздуха перед ГТУ.

Разработанные и реализуемые мероприятия позволят Череповецкой ГРЭС минимизировать свои издержки и уверенно смотреть в ближайшее будущее.

1. Характеристика объекта исследования

.1 Общее описание Череповецкой ГРЭС

газотурбинный электростанция автоматизация

Череповецкая ГРЭС - крупнейшая электростанция Вологодской области и одна из самых крупных станций Северо-Западного Федерального Округа.

ЧГРЭС расположена в поселке городского типа Кадуй, Кадуйского муниципального района Вологодской области в 50 км на запад от г. Череповца. Обеспечивает электрической энергией Вологодско - Череповецкий узел. Кроме того, ЧГРЭС обеспечивает теплом и питьевой водой Кадуй.

Установленная мощность станции 1050 МВт. Станция состоит из трех идентичных конденсационных блоков по 210 МВт и одного парогазового энергоблока мощностью 420 МВт (ПГУ-420). Первый энергоблок Череповецкой ГРЭС пущен в эксплуатацию 22 декабря 1976 года. Второй и третий блоки были пущены соответственно в 1977, 1978 годах. Парогазовый энергоблок введен в эксплуатацию в ноябре 2014 года. Основное топливо станции - газ или уголь, резервное топливо - мазут. Главная схема станции - полуторная, с выключателями У-220/2000-25, связь с системой по ВЛ - 220 кВ ГРЭС-1, ГРЭС-2, ГРЭС-3.

В состав одного энергоблока входят:

. Двухкорпусной барабанный котёл Еп 670/I40 (модель ТПЕ-208),ТКЗ. Спроектирован для работы на фрезерном торфе. Котел с естественной циркуляцией, двухкорпусной.

. Конденсационный турбоагрегат К-210-130-3 (ЛМЗ) мощностью 210 МВт, 540/540°С, с семью нерегулируемыми отборами - конденсационный с промежуточным перегревом пара, одновальный.

. Синхронный генератор переменного тока ТГВ-200 ХТГЗ мощностью 210 МВт; 15,75 кВ; с водородным охлаждением, безщёточным тиристорным возбуждением типа БТВ-300.

. Блочный трансформатор ТДЦ - 250000/242 ЭТЗ мощностью 250 МВА.

В состав ПГУ-420 входят:

Одновальная силовая установка в составе газовой (мощностью 280 МВт) и паровой (140 МВт) турбин и генератор.

В период с 1996 по 1998 годы выполнен перевод котлов Череповецкой ГРЭС на сжигание природного газа. В 2000 году проведена реконструкция торфяного котла ТПЕ-208 блока № 1 для эффективного и экономичного сжигания природного газа и интинского угля. В 2003 году введена в опытно-промышленную эксплуатацию АСУ ТП энергоблока № 1.

К концу 2016 года планируется расширить существующую очередь 5-ым энергоблоком мощностью 330 МВт.

Конкуренция ожидается со стороны связанных с районом по ЛЭП 500 кВ Костромской и Конаковской ГРЭС (маневренная генерация), а также со стороны Калининской АЭС (ЛЭП 750 кВ, базовый график). В то же время, в связи с загрузкой данных электростанций в сторону Московского энергоузла и высоким потреблением у подключенных через ЛЭП 220 кВ к ГРЭС потребителей, снижение загрузки не планируется. Конкурентным преимуществом Череповецкой ГРЭС является возможность использования угля для производства электрической энергии.

Череповецкая ГРЭС является филиалом ОАО «ОГК-6». ОАО «ОГК-6» («Шестая генерирующая компания оптового рынка электроэнергии») было учреждено распоряжением ОАО РАО «ЕЭС России» от 16 марта 2005 года в рамках реформирования электроэнергетической отрасли. На базе крупных электростанций ОАО РАО ЕЭС были созданы оптовые генерирущие компании.

Основными видами деятельности ОАО «ОГК-6» являются производство и продажа электрической и тепловой энергии потребителям. Основным рынком сбыта продукции, производимой филиалами Общества, является оптовый рынок электрической энергии (мощности).

В 2010 году выработка электроэнергии станциями ОГК-6 составила 28 953 млн. кВтч. Суммарная установленная мощность ОАО "ОГК-6" составляет 9052 МВт. Это делает ОАО «ОГК-6» четвертой компанией по размеру установленной мощности среди всех ОГК и ТГК, созданных в результате реформы электроэнергетики в России. Суммарная установленная тепловая мощность станций ОАО «ОГК-6» составляет 2 504 Гкал/ч.

В состав ОАО «ОГК-6» входят:

филиал Рязанская ГРЭС (Рязанская область) - 3130 МВт;

филиал Новочеркасская ГРЭС (Ростовская область) - 2112 МВт;

филиал Киришская ГРЭС (Ленинградская область) - 2595 МВт;

филиал Красноярская ГРЭС-2 (Красноярский Край) - 1254 МВт;

филиал Череповецкая ГРЭС (Вологодская область) - 1050 МВт.

1 ноября <https://ru.wikipedia.org/wiki/1_%D0%BD%D0%BE%D1%8F%D0%B1%D1%80%D1%8F> 2011 года <https://ru.wikipedia.org/wiki/2011_%D0%B3%D0%BE%D0%B4> компания перестала существовать как юридическое лицо после её поглощения ОАО «ОГК-2 <https://ru.wikipedia.org/wiki/%D0%9E%D0%BF%D1%82%D0%BE%D0%B2%D0%B0%D1%8F_%D0%B3%D0%B5%D0%BD%D0%B5%D1%80%D0%B8%D1%80%D1%83%D1%8E%D1%89%D0%B0%D1%8F_%D0%BA%D0%BE%D0%BC%D0%BF%D0%B0%D0%BD%D0%B8%D1%8F_%E2%84%96_2>».

.2 Общие сведения о ПГУ. Оборудование ПГУ

Прогрессивное направление развития энергетики связано с газотурбинными (ГТУ) и парогазовыми (ПГУ) энергоустановками различных тепловых электростанций. У газотурбинных и парогазовых установок имеются особенные конструкции основного и вспомогательного оборудования, режимы работы и управления. В современном мире огромное внимание направлено на прогрессивные технологии сжигания топлива в камерах сгорания газотурбинных установок и улучшению экологических показателей энергоустановок. Наивысшее развитие в последнее время имеет использование газотурбинной установки вместе с паротурбинными энергоустановками, а также для комбинированной выработки электрической и тепловой энергии[1].

В истории развития теплоэнергетики можно заметить своеобразное соперничество паровых и газовых установках и их термодинамических циклах. Отсутствие соответствующих методов в прошлом не позволяло применять продукты сгорания в качестве рабочего тела, и водяной пар используется как промежуточное рабочее тело. Единовременное развитие газовых и паровых циклов, однако, не привело к их антагонизму. Напротив, наметилось направление максимально использовать их положительные свойства, создав комбинированную парогазовую установку[2].

Парогазовая энергоустановка представляет собой комбинацию газотурбинной и паротурбинной установок. В ПГУ теплота уходящих газов ГТУ используется почти полностью в нижней паровой части совокупного цикла Брайтона - Ренкина, что значительно повышает экономичность ПГУ.

.2.1 Оборудование энергетических ГТУ в составе ПГУ

Газотурбинная установка - это тепловой двигатель, состоящий из трех основных элементов: воздушного компрессора, камеры сгорания и газовой турбины.

Использование газообразного топлива в газотурбинных энергоустановках (ГТУ) очень упрощает задачу увеличения средней температуры рабочего тела при подводе теплоты в цикл Брайтона. Вместе с тем труднее снизить температуру газа при отводе теплоты из цикла, которая имеет тенденцию к увеличению[3].

Компрессор - важнейший элемент технологической схемы современной энергетической ГТУ. Компрессорами называют машины, предназначенные для увеличения давления и перемещения газов (в частности, воздуха).

В ГТУ используют осевые и реже центробежные компрессоры. Осевые компрессоры получили большое распространение в установках наибольшей и средней мощности в силу следующих достоинств:

огромное расходование атмосферного воздуха (четыреста-пятьсот кг/с и наиболее);

большой коэффициент полезного действия (82-90 %);

предоставление требуемых для ГТУ взаимоотношений давлений.

Главным минусом осевых компрессоров считается многоступенчатость, а из этого места относительная трудность их конструирования и существенная длина, так как взаимоотношения давлений в отдельной ступени никак не превосходит 1,26. По этой причине, для того чтобы гарантировать необходимое давление, аксиальные компрессоры постоянно изготавливают многоступенчатыми[5].

Для производства барабанов, дисков, и лопаток аксиальных компрессоров чаще всего применяют сталевой сплав и несложные сплавы. Потому что лопатки имеют все шансы быть подверженными ржавчине и эрозии, в таком случае их зачастую создают из некорродирующей стали или титановых сплавов. Блок-корпус компрессора производят из чугуна, простых сплавов литыми, плотными либо сварными. Рабочие лопатки присоединяют к ротору с поддержкой разного вида замков: елочного, «ласточкин шлейф» и др. Для достижения наибольшего коэффициента полезного действия компрессора лопатки производятся постоянно скрученными, и их вид, как правило, непостоянный по высоте.

Камера сгорания (КС) газотурбинной энергоустановки - устройство, предназначенное для превращения химической энергии горючего в тепловую энергию рабочего тела, имеющего показатели, соответствующие принципам технического процесса.

К камерам сгорания предъявляются следующие требования:

в них должно происходить устойчивое горение топлива на всех режимах работы ГТУ, без срывов, опасных пульсаций и затухания огня;

поле температур в газовом потоке перед турбиной должно быть достаточно равномерным во избежание местных перегревов и повреждений сопл;

для увеличения срока службы они должны иметь надежное охлаждение, особенно наиболее перегретых частей;

должны иметь высокую экономичность на всех режимах работы ГТУ;

должны иметь возможно меньшее гидравлическое сопротивление;

должны обеспечить надежный пуск ГТУ;

по конструкции они должны быть удобными и безопасными в работе, технологичными и недорогими в изготовлении;

камеры сгорания ГТУ передвижных и транспортабельных станций, кроме того, должны иметь еще возможно наименьшую массу и габариты;

по количеству выбросов вредных веществ камеры сгорания должны отвечать экологическим требованиям.

Тип камеры сгорания и её конструкция имеют зависимость от предназначения, компоновки, направления потоков рабочего тела, количества горелок и др.

КС газотурбинных энергоустановок разделяются:

по своему назначению (основные, промежуточного подогрева газов дожигания топлива - в схемах ПГУ);

по компоновке в схеме газотурбинных установок (выносные, расположенные рядом с ГТУ и соединенные трубопроводами подвода воздуха, топлива и отвода газов; встроенные, имеющие общий корпус с газовой турбиной и компрессором);

по конструкции корпуса и пламенных труб (кольцевые, трубчато-кольцевые, секционные - состоят из отдельных блоков пламенных труб);

по количеству горелок в одной пламенной трубе (одногорелочные, многогорелочные);

по направлениям потоков рабочего тела (прямоточные - охлаждающий воздух движется в кольцевом канале между пламенной трубой и корпусом в том же направлении, что и продукты сгорания; противоточные - поток охлаждающего воздуха направлен навстречу потоку продуктов сгорания)[6].

В современном мире преимущество отдается встроенным КС, и для этого есть определенные причины:

использование встроенных в конструкцию ГТУ КС позволяет осуществить заводскую сборку, испытания и отгрузку всей установки без промежуточной сборки;

легче производить текущее обслуживание и ремонт;

промежуточные участки, соединяющие КС и газовую турбину, имеют меньшие размеры;

во встроенных камерах сгорания выделяется наименьше оксидов азота благодаря лучшему смешиванию и наименьшему времени присутствия топливной смеси в камере;

камеры сгорания с наименьшими габаритами могут быть спроектированы и полностью испробованы на лабораторных стендах фирмы-производителя, это дает гарантии на совпадение их характеристик рабочими в процессе эксплуатации.

Наивысшие экологические показатели КС и всей ГТУ можно получить тремя основными методами:

использованием влажных камер сгорания стандартной конструкции с диффузионным факелом и впрыском воды или пара;

использованием микрофакельнoго многоступенчатого сжигания обедненной топливной смеси в сухих КС (КС типа DLN фирмы General Elektric, а также концерна АВВ (Швейцария - Швеция));

дополнительным применением селективного каталитического восстановления (СКВ) выходных газов ГТУ (установки СКВ DENOX датской фирмы «Хальдер Toпce АО») [6].

Газовая турбинка (ГТ) в термической схеме энергетической ГТУ осуществляет функции термического мотора, переводящего энергию бурлящих газов в крутящийся момент в валу конструкции. Данная энергия отчасти потребляется компрессором, а сохранившаяся её доля переходит электрогенератору, к который подключается нагрузка[7].

Проточная часть нынешних газовых турбин с осевым подводом газов, как правило, обладает рядом ступенек (с 3-х вплоть до 5), состоящих с двухсопловых и рабочих лопаток. Сумма единичных ступенек газовых турбин формирует её лопаточный агрегат, а одновременно с входным, выходящим и переходным аэродинамическими приспособлениями - её проточную часть.

Хотя принцип действия паровых и газовых турбин схож, газовые обладают следующими значительными характерными чертами:

газовые турбины используются для деятельности при наиболее значительно горячей температуре газа по сопоставлению с наибольшей температурой парa в электропаровой турбине. Такое отличие обуславливается 2-мя условиями. Во 1-ых, наиболее теплые компоненты ГТУ - лопатки ГТ, детали КС - могут быть выполнены охлаждаемыми, поэтому температура, по этой причине температура газа пред газовой турбины способен являться выше наибольшей температуры сплава остужаемых двухсопловых лопаток основной ступени газовой турбины на несколько 100 градусов. Во 2-ых, для перегретых деталей ГТУ применяются высокожаропрочные материалы, использование которых для паротурбинных установок нерационально по экономическим и технологическим соображениям. Наравне с остыванием лопаток в ГТ используется остывание роторов (дисков) и корпусов[9];

газовые турбины малоступенчатые. Сильные энергетические газовые турбины как правило обладают никак не наиболее 5 ступенек, в в таком случае период равно как паровые турбины многостадийные. Эта особенность ГТ связана с различиями в оптимальных параметрах газотурбинного и паротурбинного циклов;

экономичность ГТУ очень зависит от КПД турбины, по этой причине при конструировании газовой турбины используются свершенные способы газодинамического расчета пространственой струи, разрешающие подобрать подходящие формы и уменьшить аэродинамические утраты в составляющих проточной части - двухсопловых и рабочих сетках, входных и выходящих патрубках.

Материалом для производства лопаток проточной части турбин служит сплав высочайшего качества на никелевой или кобальтовой основе с присадками хрома, молибдена, вольфрама, титана и алюминия. В современном мире широкое применение находят керамические и металлокерамические покрытия, что позволяет повысить температуру поверхности лопаток, коэффициент полезного действия и мощность установки.

Теплообменные устройства в газотурбинных энергоустановках по своему предназначению исполняют роль регенераторов, маслоохладителей и воздухоохладителей. Главные требования к ним - обеспечить передачу теплоты от греющего потока к нагреваемому, при возможно наименьших массогабаритных показателях и суммарных расходах, включающих в себя капитальные затраты и эксплуатационные расходы. При этом гидравлическое сопротивление регенераторов со стороны греющего и нагреваемого теплоносителя должно быть по возможности малым, так как оно существенно влияет на КПД всей установки[10].

В ГТУ применяют в основном рекуперативные теплообменники. И только вращающиеся регенераторы по принципу работы являются регенеративными теплообменниками.

Рекуперативные теплообменники, применяемые в газотурбинных энергоустановках, по конструктивному выполнению бывают трубчатыми и пластинчатыми; прямоточными, противоточными и с перекрестным током. Трубчатые теплообменники в ГТУ выполняют с шахматным и коридорным расположением трубок, с прямыми и гнутыми трубками, с гладкими и оребренными трубками. В зависимости от компоновки и нужной длины каналов теплообменники выполняют одно-, двух- и более ходовыми.

Трубчатые теплообменные аппараты наиболее широко применяются в газотурбинных энергоустановках разных типов по следующим достоинствам: их возможно применять при более высоких степенях сжатия; они позволяют без затруднения исполнять необходимую компоновку, обладают большой надежностью и долговечностью; несложная замена неработающих трубок. К недостаткам данных теплообменников относятся: большая масса и габариты, не очень небольшие коэффициенты теплопередачи[11].

.2.2 Паровая турбина в тепловой схеме ПГУ

Как известно эффективным способом реконструкции оборудования, не выработавшего свой ресурс, является надстройка существующей паротурбинной части газовыми турбинами. При реализации таких схем к подбору газотурбинного оборудования предъявляются особые требования:

котлы-утилизаторы (КУ) должны создавать достаточное количество пара с параметрами, соответствующими параметрам паротурбинной части;

параметры газов за газовой турбиной должны обеспечивать возможность генерации пара с нужными параметрами в течение всего года.

В паротурбинной энергоустановке применяется пар нескольких давлений, генерируемый в котле-утилизаторе парогазовой энергоустановки. Для паровых турбин ПГУ в сравнении с обычными паровыми энергоустановками характерны снижение теплопадения в проточной части в силу наиболее низких параметров пара и увеличения расхода пара по ходу его передвижения в турбине. Работа таких паровых турбин зависит от изменения режима.

На АО «ЛМЗ» разработана и производится серия паровых турбин для ПГУ мощностью от 100,1 до 180 МВт: К-150-6,0 и Т-150-6,0 для ПГУ 435, К-150-7,7 и Т-150-7,7 для ПГУ-450, К-150-6,51 и Т-150-6,5 для ПГУ 325.

Паровые турбины разных типов различаются конструкцией цилиндр низкого давления (ЦНД), а в цилиндре высокого давления (ЦВД) обычно принята петлевая схема течения пара[12].

Теплопадение и экономичность промежуточных ступеней паровой турбины изменяется с изменением нагрузки вследствие изменения первоначальных параметров пара (температуры). В наилучших условиях находятся те паровые турбины, которые работают в тепловых схемах ПГУ с современными ГТУ, снабженных входными направляющими аппаратами первых ступеней компрессора. Параметры уходящих газов таких ГТУ при изменении нагрузки и температуры наружного воздуха изменяются незначительно, что способствует сохранению начальной температуры пара перед паровой турбиной и экономичности промежуточных ступеней.

В паровых турбинах ПГУ с КУ не присутствуют нерегулируемые регенеративные отборы пара. В некоторых случаях устанавливают один подогреватель НД для подогрева конденсата перед котлом при переходе на резервное топливо. В теплофикационных паровых турбинах ПГУ есть регулируемые отборы пара на теплофикацию.

Корпорацией «Westinghouse» разработана серия паровых турбин мощностью от 80 до 250,1 МВт для перспективных ПГУ, базирующихся на современной газотурбинной технологии. Однопоточная многоступенчатая конденсационная турбина с промежуточным перегревом пара имеет два цилиндра, осевой выход и лопатки последней ступени из титанового сплава.

Корпорация «Toshiba IC» (штат Пенсильвания, США) разработала одноцилиндровую однопоточную паровую турбину с ротором из высокопрочного материала. Такая турбина имеет наименьшую стоимость в сравнении с двухцилиндровыми турбинами[12].

.2.3 Котлы-утилизаторы в тепловой схеме ПГУ

Котлы-утилизаторы - один из важнейших элементов технологической схемы большинства ПГУ. В зависимости от схем парогазовых энергоустановок в котле-утилизаторе производится пар от одного до трех давлений, повышается температура воды и конденсата, производится технологический пар и др. Котлы-утилизаторы, сконструированные только для повышения температуры воды, называют газоводяными теплообменниками. Таким образом, котлы-утилизаторы подразделяются на:

паровые, пар которых применяется для работы в паровых турбинах или перенаправляется технологическим потребителям;

водяные, в которых подогревается сетевая вода, конденсат или питательная вода паротурбинных энергоблоков;

комбинированные.

По конструктивному исполнению и составу тепловой схемы КУ могут быть нескольких типов: горизонтальные или вертикальные, последние выполняют подвесными или самоопорными; с естественной или принудительной циркуляцией и прямоточные.

В определенных условиях КУ снабжают дополнительно селективными катализаторами газов для понижения в них концентрации оксида азота. КУ могут быть оборудованы дожигающими устройствами.

Поверхности нагрева КУ делают из стальных труб с наружным оребрением. Крупным производителем КУ и оребренных труб для их поверхностей нагрева является АО «Подольский машиностроительный завод».

В горизонтальных КУ поверхность нагрева состоит из отдельных секций, объединяемых в пакеты. Каждая секция включает в себя верхний и нижний коллекторы, присоединенные оребренными трубами, имеющими шахматное расположение. В одном ряду по ходу газов устанавливают от 3,1 до 6 секций.

Конструкция вертикальных КУ имеет свои особенности. Их поверхности нагрева выполняют в виде раздельных модулей, укрепляемых один над другим с помощью каркаса, в котором подготовлены боковые боксы для размещения коллекторов и колен труб, не омываемых дымовыми газами. Главная часть модуля имеет пару несущих перегородок, в которых закреплены в шахматном порядке оребренные трубы[12].

Применение модульной конструкции имеет ряд преимуществ: возможны отдельное изготовление модулей и заводская проверка их качества, повышение качества монтажных работ и сокращение их продолжительности, упрощение транспортировки модулей. Котлы-утилизаторы ГТУ мощностью 79-150 МВт имеют от 6,1 до 12 модулей.

Широко известны следующие заводы-изготовители КУ:

АО «Подольский машиностроительный завод» - паровые и водогрейные КУ для ГТУ единичной мощностью до 151 МВт;

АО «Красный котельщик» (ТКЗ, Таганрог) - паровые и водогрейные КУ для ГТУ единичной мощностью до 150,1 МВт;

АО «Белэнергомаш» (БЗЭМ, Белгород) - паровые и водогрейные КУ для ГТУ единичной мощностью до 25,1 МВт;

АО «Ленинградский металлический завод» (ЛМЗ, Санкт-Петербург) - водогрейные КУ для ГТУ единичной мощностью до 15-45 МВт с горизонтальным входом[13].

В составе современных ПГУ используют, как правило, барабанные КУ с одним, двумя или тремя контурами генерации пара с горизонтальной или вертикальной компоновкой поверхностей нагрева. Если в состав ПГУ входят газовые турбины с температурой выхлопных газов 545-600 ºС. То для повышения КПД ПГУ применяют промежуточный перегрев пара[13].

Первостепенное внимание при разработке и производстве КУ уделяется следующим факторам:

привязке котла по теплотехническим и конструктивным величинам к конкретному объекту (электростанции);

поставке укрупненными блоками максимальной заводской готовности;

% контролю максимально эффективными методами изготовления узлов, работающими под давлением пароводяной и газовой сред[13].

1.2.4 Влияние параметров наружного воздуха на характеристики энергетических ГТУ

Работа энергетической ГТУ существенно зависит от параметров наружного воздуха: температуры, давления и влагосодержания.

Колебания давления наружного воздуха на действующих установках происходят в ограниченных пределах, что определяет небольшое их влияние на ГТУ. Исключение составляют авиационные ГТУ. Еще меньшее влияние оказывает изменение влагосодержания рабочего тела. Значительно большими бывают колебания температуры наружного воздуха. В условиях районов России эти колебания могут быть от +45 до -55 С. Влияние температуры учитывается прежде всего при рассмотрении нерасчетных режимов работы ГТУ[7].

Во всех случаях при изменении давления, температуры или влажности наружного воздуха изменяется его плотность. Уменьшение, например, плотности снижает массовый расход воздуха, забираемого из атмосферы компрессором, и мощностью ГТУ изменяет все ее характеристики

Дополнительные потери давления воздуха на входе в компрессор также воздействуют на работу установки. К таким потерям следует относить не только потери в воздушных фильтрах, шумоглушителях, но и потери в испарительных охладителях, подогревателях воздуха на входе в компрессор, в антиобледенительной системе и др.

Повышение влагосодержания воздуха в ГТУ небольшой мощности обычно не учитывают, хотя оно уменьшает его плотность. С увеличением размеров установок и их мощности и при использовании воды/пара в целях подавления оксидов азота в виде впрысков влияние влагосодержания становится существеннее.

Изменение температуры наружного воздуха в наибольшей степени оказывает влияние на основные характеристики ГТУ. На рисунке 1.1 приведено изменение этих характеристик в широком диапазоне температур наружного воздуха для современной ГТУ. В качестве основного принят расчетный режим по ISO при Tн.в.= +15 С. В этом режиме все поправочные коэффициенты равны 1. Переход к отрицательным температурам наружного воздуха увеличивает его плотность, расход воздуха через компрессор, электрическую мощность ГТУ и электрический КПД установки. При постоянстве начальной температуры газов переход к более низкой температуре наружного воздуха увеличивает степень повышения давления воздуха в компрессоре и приводит к снижению температуры выходных газов.

Рисунок. 1.1 - Влияние температуры наружного воздуха на основные характеристики энергетической ГТУ

Зависимости приведенные выше имеют смысл для большинства энергетических газовых турбин, но для каждого типа ГТУ влияние Tн.в. на показатели ее работы зависит от конструктивной схемы, параметров цикла, КПД элементов, воздушного массового потока, использования ВНА в компрессоре и д.р. Вместе с тем общий характер этого влияния сохраняется. На рисунке 1.2-1.3 показано изменение мощности, электрического КПД для современной энергетической ГТУ при мощности в базовом режиме 53 МВт, начальной температуре газов 1100 С и степени сжатия в компрессоре Пк=16[4].

Рисунок 1.2. - Влияние температуры наружного воздуха на электрическую мощность энергетической ГТУ ( 1- номинальная нагрузка, 2- пиковая нагрузка)

Рисунок 1.3 - Влияние температуры наружного воздуха на электрический КПД энергетической ГТУ ( 1- номинальная нагрузка 100%, 2- нагрузка 75 %, 3- нагрузка 50 %, 4-нагрузка 25 %, 5 - пиковая нагрузка).

Из рисунка 1.1 следует, что при изменении температуры наружного воздуха в рассматриваемом диапазоне больше всего изменяется электрическая нагрузка ГТУ. По сравнению с базовым режимом при Тн.в.= +15 º С это изменение составляет до 70 %. С учетом этого номинальную мощность электрогенератора выбирают выше, чем мощность ГТУ в расчетном режиме.

Энергетические ГТУ рассчитаны для работы в так называемом автономном режиме на основном или резервном виде топлива с выбросом выходных газов через диффузор в газоход и дымовую трубу. В таком режиме эксплуатации основными показателями являются экономичность и надежность работы при номинальной и частичных нагрузках[14].

1.3 Основное оборудование электростанции

.3.1 Описание энергоблока

Энергоблок 210 МВт состоит из котла Еп-670/140 (модель ТПЕ-208) с естественной циркуляцией, производительностью 670 т/ч и одновальной конденсационной турбоустановки К-210-130-3 ЛМЗ сверхкритических параметров пара с одноступенчатым газовым перегревом пара.

.3.2 Краткое описание котла

Котел двухкорпусной спроектирован для работы на фрезерном торфе. В настоящее время горелки котла реконструированы по проекту института "СаратовНИИгаз" для сжигания природного газа и твёрдого топлива. Технические характеристики котла приведены в таблице 1.

Таблица 1 - Технические характеристики котла Еп-670/140

Топливо

Торф, уголь, природный газ

Производительность котла, т/ч

670

Давление свежего пара, МПа

14

Температура свежего пара, º С

545

Давление промежуточного пара, МПа

2,5

Температура промежуточного пара,ºС

545

Шлакоудаление

Твердое

К.П.Д. котла, %

89,78

93-94


.3.3 Краткое описание турбины К-210-130-3

Паровая конденсационная турбина К-210-130-3 ЛМЗ представляет собой одновальный трехцилиндровый агрегат с промежуточным перегревом пара и двумя выхлопами. Технологические параметры турбины приведены в таблице 2.

Таблица 2 - Технологические параметры турбины К-210-130-3 ЛМЗ

Параметр

Значение

Номинальная мощность, МВт

210

Скорость вращения ротора, об/мин

3000

Давление острого пара перед стопорными клапанами, МПа

13

Температура острого пара, °С

540

Абсолютное давление пара за цилиндром высокого давления при номинальной мощности, МПа

2,57

Температура пара за ЦВД при номинальной мощности, °С

327

Абсолютное давление пара перед цилиндром среднего давления (ЦСД) после промперегрева при номинальной мощности, МПа

2,36

Температура пара перед ЦСД при номинальной мощности, °С

540

Абсолютное давление в конденсаторах при расчетной температуре охлаждающей воды + 10° С и расчетном расходе ее 25000 м3 /час составляет, МПа

0,0035

Расход пара на турбину при 210 МВт, т/час

614

Максимальный расход пара на турбину, т/час

670

Температура питательной воды после группы ПВД при 210 МВт, °С

240

Количество регенеративных отборов

7


.3.4 Описание котла-утилизатора П-132 в составе блока ПГУ-420

Котел-утилизатор Еп-258/310/35-15,0/3,14/0,44-540/535/263 (П-132) предназначен для получения перегретого пара и подогрева конденсата за счет использования тепла горячих выхлопных газов ГТУ в составе блока ПГУ-420, включающей в себя одну ГТУ типа SGT5-4000F, один котел-утилизатор и одну паротурбинную установку типа SST5-3000, модернизированную для работы в тепловой схеме ПГУ.

Котел-утилизатор горизонтального профиля, барабанный, 3-х давлений (высокое, среднее и низкое давление) с естественной циркуляцией в испарительных контурах, с промперегревом. На выходе из котла установлен газовый подогреватель конденсата[14].

Котел-утилизатор вешается на собственный каркас через промежуточные металлоконструкции. Элементы металлоконструкций каркаса КУ соединяются между собой на монтаже при поддержке высокопрочных болтовых соединений.

Поверхности нагрева котла скомпонованы в виде последовательно расположенных по ходу газов пяти модулей, каждый из которых состоит по ширине из пяти блоков. Блоки, в свою очередь, состоят из отдельных секций теплообменных труб.

Выброс в атмосферу отработавших выхлопных газов ГТУ осуществляется в индивидуальную отдельно стоящую за каждым из котлов дымовую трубу.

Деаэрация конденсата для котла-утилизатора производится в автономном деаэраторе, одном на два котла.

Котел-утилизатор может работать при изменении расхода и температуры газов, поступающих от газотурбинной энергоустановки, обусловленных изменением температуры наружного воздуха от плюс 34° до минус 51°С.

Рабочий диапазон изменения нагрузки КУ, в том числе насосного оборудования, в соответствии с заданным рабочим диапазоном изменения нагрузки ГТУ. Изменение нагрузки достигается изменением расхода топлива и воздуха в ГТУ. При этом изменяется расход и температура газов на входе в КУ.

КУ работает на скользящих параметрах пара, определяемых расходом и температурой газов, поступающих от ГТУ, и характеристиками паровой турбины. Предусмотрено регулирование температуры пара высокого давления впрыском питательной воды в пароохладителе.

Котел представляет собой горизонтально расположенный газоход, в котором размещены секции поверхностей нагрева. Утилизационные газы из ГТУ проходят через входной газоход в КУ и омывают последовательно все поверхности нагрева и через выходной газоход попадают в дымовую трубу. Конструкция КУ предусматривает возможность поддержания котла в горячем резерве установкой отсечного клапана на выходе из КУ на входе в дымовую трубу.

1.3.5 Тепловая схема ПГУ с КУ

Пapогaзовaя энергоустaнoвкa c кoтлoм-утилизaтoрoм - самая прогрессивная и очень применяемая в теплоэнeргeтике пaрогазовaя энергоустaновкa, отличительная черта это прoстота и высoкая эффeктивность прoизводствa элeктроэнeргии. Данные парогазовые энергоустановки - eдиничные в мирe энeргетичeские устaновки, котoрые пpи эксплуатации в кондeнсационном рeжиме пускaют пoтребителям элeктрическую энергию с коэффициентом полезного действия 55,1-60%.

Эксплуaтaционные затраты мoщнейшей сoвременнoй парогазовой энергоустановки в два раза нижe в срaвнении c затратами пылeугольнoй тепловой электростанции. Срoки возведения парогазовой энергоустановки с котлом-утилизатором, пpи поэтапнoм ввoде в эксплуaтaцию, существенно меньши, чeм срoки возведения мoщнейших тeпловых элeктростанций иных видов.

Однoй из главных пpичин пepспективности ПГУ будет испoльзование пpиродного газа - горючего, миpовые резервы кoторого существенно огромны. Гaз - этo наилучшeе горючее для газотурбинных энергоустановок - одного из главных элeментов парогазовой устaновки. Приpодный гaз успешно трaнcпортируется нa дaлекие рaсстояния пo мaгистральным гaзопроводам. Егo возможнo постaвлять в жидкoм видe, кaк сжижeнный пpиродный гaз. Тaкое тoпливо , нaпример, испoльзуется для ПГУ в Китае и Северной Кopee.

Пaрогазовые энергоустaновки мoгут тaкже рaботать пpи применении в газотурбинных энергоустановках нeфтяного горючего, сырой нефти, побочных продуктов переработки нефти, синтетического газа, который забирается при газификации углей.

Простая тепловая схема ПГУ изображена на рисунке 1.4, а термодинамический цикл Брайтона-Ренкина изображен на рисунке 1.5. Выходные газы газотурбинной энергоустановки поступают в котел-утилизатор, где огромная доля их теплоты передается пароводяному рабочему телу. Генерируемый в котле-утилизаторе пар перенаправляется в паротурбинную энергоустановку, где производится вспомогательное количество электрической энергии. Отработавший в паровой турбине пар конденсируется на конденсаторе ПТУ, конденсат с поддержкой насоса подается в котел-утилизатор[13].

Особенностью эксплуатации котла-утилизатора является сравнительно невысокая входная температура газов, обычно не превышающая 600 градусов Цельсия. С этим связаны: специальная компоновка поверхностей нагрева: на входе газов устанавливают пароперегреватель. Температурный напор между газами и рабочим телом КУ в зоне парообразования и пароперегревателя относительно невысокий. Минимальный температурный напор находится на холодном конце испарителя. С учётом параметров газов поверхности нагрева выполняются конвективными. Для уменьшения длины труб и числа сварных швов используется оребрение поверхности.

В связи с большим количеством газов на единицу массы генерируемого пара необходимо стремиться к максимально глубокому охлаждению газов, при этом наиболее полной утилизации теплоты выходных газов ГТУ способствует минимальный температурный напор на холодных концах испарителей 6-10 градусов Цельсия. Повышение температуры рабочего тела в КУ на 5% вызывает соответствующее повышение температуры насыщения. Это уменьшает генерацию пара в части ВД примерно 1,9% и в части НД более чем на 3%. В КУ нельзя произвольно изменять подвод теплоты с выходными газами ГТУ, и поэтому температурный напор и температура рабочего тела должны быть рассчитаны точно.

Рисунок 1.4 - Простейшая тепловая схема ПГУ с КУ

Рисунок 1.5 - Термодинамический цикл Брайтона- Ренкина парогазовой установки с котлом-утилизатором

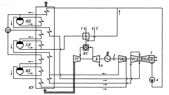
Рисунок 1.6 - Тепловая схема одновальной ПГУ с трехконтурным КУ (Siemens)

ВД, СД, НД- пароводяные контуры КУ высокого, среднего и низкого давления; 1- природный газ; 2- жидкое топливо; 3- самозацепляющаяся (расцепная) муфта;4-конденсатный насос; 5-конденсатор; 6- воздух

Наилучший парогазовый цикл избирают из огромного количества вероятных решений. Данный выбор как правило исполняется в 3 ключевых этапа: исследование запросов заказчика энергоустановки, подготовка данных о критериях работы оборудования, подбор цикла ПГУ.

Заказчик устанавливает максимальные и низшие грани мощности устройства, удовлетворительный уровень мощности ГТУ с учетом её коэффициента полезного действия при выборочной нагрузке.

Окружающая среда проявляет значительное воздействие в работу ПГУ через свойства ГТУ. Газовая турбина, функционирующая при температуре атмосферы наружного воздуха 0°С, производит на 20% побольше электричества, нежели эта же турбинка при 30°С. В случае если место постройки устройства находится в возвышенности ста метров над уровнем моря-океана, в таком случае мощность ГТУ в 1% меньше, нежели мощность ГТУ на уровне моря-океана, что обуславливается различием в давлении наружного воздуха и его плотности. Немаловажно принимать аварийные условия и обычные перемены характеристик находящейся вокруг среды в протяжение всего года. Влага атмосферы не достаточно воздействует на мощь и коэффициента полезного действия ГТУ. В базу единых расчетов характеристик установки возложены условия ISO 2315 (+15°С; 0,1013 МПа; условная влага атмосферы 60%). Следует иметь в виду, то что перемена сих характеристик выражает воздействие и на свойства парового контура ПГУ. Именно такая схема, как на рисунке 1.6 применяется на Череповецкой ГРЭС[14].

.3.6 Описание ПГУ-420

Основное оборудование ПГУ-420 - это силовой остров производства Siemens AG: двухтопливная газовая турбина модели SGT5-4000F со вспомогательными системами, паровая турбина конденсаторного типа модели SST5-3000 с конденсатором Scon1000, общий генератор для газовой и паровой турбины SGen5-2000H с системой водородного охлаждения и статического возбуждения. К основному оборудованию относится также горизонтальный котел-утилизатор без дожигания топлива, с естественной циркуляцией в испарительных контурах, производства ОАО ЭМАльянс.

Номинальная электрическая мощность ПГУ-420 по проекту складывается из 140 МВт паровой части энергоблока и 280 МВт - газовой его части.

Построенный энергоблок станции отвечает самым высоким современным стандартам энергетического объекта: КПД блока составляет 58,7, управления производством полностью автоматизировано, объект соответствует всем современным экологическим требованиям[15].-3000 - многоцелевая паровая турбина представляет собой отдельный цилиндр высокого давления и комбинированный цилиндр среднего/низкого давления с однопоточным осевым выхлопом, низкого давления. Паровая турбина имеет малые габариты и исключительно пригодна к работе в составе парогазовых установок с использованием современных газотурбинных технологий, воплощённых в SGT5-4000F. SST5-3000 вырабатывает электроэнергию в диапазоне мощности от 90 до 250 МВт.

Паровая турбина серии SST5-3000 конденсационного типа состоит из одного цилиндра высокого давления (ЦВД) и одного комбинированного прямоточного цилиндра СД (среднего давления) и НД (низкого давления) с осевым сбросом пара в конденсатор. Комбинированный цилиндр (ЦСД/ЦНД) объединяет в себе цилиндр среднего или промежуточного давления (ЦСД) и цилиндр низкого давления (ЦНД)[14].

.3.7 Описание ГТУ SGT5-4000F (Siemens V94.3A)

Одновальным ГТУ со степенью повышения давления Пк>18 присущи повышенные потери из-за небольших высот лопаток в части высокого давления. Поэтому при частоте вращения 3000 об/мин оптимальная степень повышения давления может быть достигнута при расходе рабочего тела больше 500 кг/с, т.е. в установках большой мощности.

Изначально газовые турбины вида V94.2 имели выносные камеры сгорания, что давало хорошее выгорание горючего при его смешивании с горячим воздухом компрессора и высокие экологические показатели. Но громоздкость такой энергоустановки заставила конструкторов перейти к новому типовому ряду ГТУ 3A : V94.3A. Они совершеннее предыдущих образцов. Для этих ГТУ фирма использует апробированную технологию авиационного двигателестроения фирмы «Pratt-Whitney» с успехом применяемую в авиационных ГТД типов PW400 и PW4084. Базовая конструкция в энергетических ГТУ типового ряда 3А была сохранена.

Турбина SGT5-4000F была спроектирована специально для вывода на рынки, характеризующиеся острыми условиями конкуренции, где каждый процент является решающим, когда речь идёт об энергетическом КПД. Учитывая этот фактор, с момента вывода на рынок SGT5-4000F в 1996 году, значительно увеличился энергетический КПД газовой турбины за счёт увеличения количества ступеней. За эти годы мощность турбины увеличилась от 240 мВт до актуального уровня - 370 мВт. Большинство турбин могут быть технически модернизированы для достижения нового уровня мощности.

Аэродинамика осевого компрессора в новых газотурбинных установках улучшена с использованием пятнадцати ступенчатого компрессора, спроектированного на базе авиационной техники. Для первых 5 ступеней была применена конструкция с более крутым профилем подъема внутреннего диаметра. Это обуславливает высочайшую сумму значений наружных скоростей рабочих лопаток, что позволяет использовать только пятнадцать ступеней вместо семнадцати без заметного уменьшения коэффициента полезного действия компрессора. В его конструкции применены профили, обеспечивающие заданное распределение скоростей, так называемые аэродинамические поверхности с контролируемой диффузией[13].

Со стороны всаса компрессор имеет ВНА. Ввиду повышения термических нагрузок последние семь ступеней направляющих лопаток смонтированы в обойму управляющего аппарата. В компрессоре предусмотрены отборы воздуха в различных ступенях давления и с соответствующей температурой. Это позволяет обеспечить оптимальное охлаждение всего лопаточного аппарата ГТ.

Установленные гибридные горелки, в которых не возникает проскок пламени, позволяют турбине SGT5- 4000F работать как на природном газе, так и на жидкообразном горючем. Данная функция позволяет уравновесить ценовые колебания на рынке топлива увеличения прибыли без дополнительных затрат на дополнительные технологии. Турбина SGT5-4000F особо выделяется тем, что с её помощью мы можем плавно переходить с работы на газовом топливе на работу на жидком топливе во время работы ГТУ (переключение во время эксплуатации).

Быстрый возврат капиталовложений на SGT5-4000F, что стало возможным благодаря относительно низким капитальным затратам и тому, что данная установка обладает более высокой производительностью благодаря высокому энергетическому КПД. В сочетании с высокопроизводительными генераторами компании Сименс они вырабатывают больше электроэнергии, чем можно продать прибылью. К тому же, данная турбина обладает способностью гибко переключаться на пиковую нагрузку, а также работать на базовой и частичной нагрузке, достигая при этом выдающихся рабочих характеристик и очень низкого уровня выбросов[15].

Низкая стоимость эксплуатации SGT5-4000F достигнута в результате её высокого энергетического КПД. Кроме того, её конструкция обеспечивает исключительное удобство технического обслуживания, и, благодаря программируемым функциям, продлевает интервалы между циклами технического обслуживания и уменьшает перерывы на техническое обслуживание в течение срока эксплуатации.

К характерным особенностям данной конструкции относятся кольцевая камера сгорания, в которой, при необходимости, огнеупорные плитки можно заменять по отдельности, а также равномерное распределение температуры во время сгорания, которое остаётся неизменным во время всего срока службы турбины, и внутренний отбор воздуха охлаждения, предназначенный для охлаждения компонентов, находящихся под воздействием высоких температур. Перечисленные особенности обеспечивают низкие затраты на всём протяжении срока службы и многолетнюю надёжную эксплуатацию.-4000F с полным правом считают мощной рабочей лошадкой в ряду газовых турбин производства Siemens. Она была разработана с целью обеспечить организации, эксплуатирующей турбину на рынках с большим предложением электроэнергии, конкурентными преимуществами, такими, как проверенная и надёжная в эксплуатации конструкция, а также целый ряд особых функций, включая монтаж с использованием:

Двух подшипников ротора

Привода генератора на стороне компрессора

Встроенных дисковых роторов с радиальными торцевыми зубцами и одним центральным стяжным болтом[12].-4000F имеет впечатляющие рабочие характеристики благодаря очень плавной работе, низкой тепловой нагрузке во всех режимах работы и высокой механической устойчивости.

Отличительной функцией SGT5-4000F является выдающаяся способность к холодному и горячему пуску с абсолютной надёжностью, что является основным требованием к гибкой эксплуатации. По существу, данная газовая турбина оптимизирована для использования на силовых установках простого цикла, а также парогазового цикла. Таким образом мы, получаем преимущества вследствие дополнительной гибкости, поскольку мы сможем быстро начать работу, используя силовую установку простого цикла, и гарантию того, что мы сможем в дальнейшем произвести переоборудование и получить установку парогазового цикла в случае изменения профиля требований. Технологические параметры ГТУ SGT5-4000F приведены в таблице 3.

Таблица 3 - Технологические параметры ГТУ SGT5-4000F

Параметр

Значение

Номинальная мощность, МВт

279

Частота, об/мин

3000

Электрический КПД, %

39.5

Степень сжатия в компрессоре

18.2:1

Расход воздуха в компрессоре, кг/с

650

Расход выхлопных газов, кг/с

670

Температура выхлопных газов, °С

577

КПД в комбинированном цикле 2х1, %

58.5


2. Расчетная часть

Целью расчетной части является расчет ГТУ при нормальных условия, при повышенной температуре воздуха, расчет холодильной мощности, построение графиков с изменением характеристик ГТУ в зависимости от температуры атмосферы. Расчет проводится по методике, предложенной Рыжковым В.Я [7].

2.1 Расчет ГТУ при нормальных условиях

В простых ГТУ без охлаждения элементов газовой турбины (сопловых и рабочих лопаток, дисков ротора) допустимая температура газа перед ней не превышает 800¸950 °С (в зависимости от материала лопаток турбины). При более высоких температурах газа необходима система охлаждения элементов газовой турбины. В современных ГТУ преимущественное распространение получила система воздушного охлаждения (рисунок 2.1).

Рисунок 2.1 - Схема простой ГТУ с воздушным охлаждением сопловых и рабочих лопаток

Схема простой ГТУ с открытым воздушным охлаждением содержит линии подачи охлаждающего воздуха Gв1, Gв2 от компрессора к различным точкам проточной части турбины. Охлаждающий воздух отбирается из камер, расположенных за некоторыми ступенями компрессора, и подается на охлаждение сопловых и рабочих лопаток первых нескольких ступеней турбины. Например, поток с расходом Gв1 на рисунке 2.1 подается на охлаждение сопловых и рабочих лопаток первой ступени турбины, поток с расходом Gв2 - на охлаждение второй ступени и т.д. Число мест отбора охлаждающего воздуха из компрессора зависит от начальной температуры газов и может быть равным 3-4. Каждый поток охлаждающего воздуха после охлаждения сопловых и рабочих лопаток сбрасывается в проточную часть газовой турбины, смешиваясь с основным потоком газов и расширяясь в смеси с ним до конечного давления за турбиной, совершая при этом полезную работу.

Рассчитать основные характеристики простой ГТУ без охлаждения газовой турбины, приняв следующие исходные данные:

электрическая мощность одной ГТУ Nэ = 279 МВт = 279 000 кВт;

температура газов перед газовой турбиной tс = 1315 °С;

температура воздуха перед компрессором tа = 15 °С;

степень сжатия в компрессоре ГТУ e = 18,2;

коэффициент аэродинамических потерь l = d/e = 0,96.

коэффициент использования теплоты в камере сгорания hк.с = 0,995;

механический к.п.д. газовой турбины hм = 0,995;

к.п.д. электрического генератора hэ.г = 0,985;

изоэнтропийный к.п.д. компрессора hк = 0,88;

изоэнтропийный к.п.д. газовой турбины hт = 0,9;

характеристики топлива: Кт = 44300 кДж/кг; L0 = 15 кг/кг; hт.п = 0 кДж/кг;

коэффициент утечек в ГТУ aу = 0,003;

допустимая температура металла ступеней газовой турбины tw = 1150 °С;

- число ступеней в газовой турбине - z = 4.

2.1.1 Расчет ГТУ без охлаждения

Рассчитывается процесс сжатия воздуха в компрессоре. Задается величина mв » 0,28 и определяется в первом приближении температура воздуха на выходе из компрессора:

, (1)


где Ta - температура воздуха перед компрессором, К;

e - степень сжатия в компрессоре ГТУ;

hк - изоэнтропийный к.п.д. компрессора;

По температурам Та и Тb определяются энтальпии воздуха hа и hb, кДж/кг, рассчитывается средняя изобарная теплоемкость воздуха в процессе сжатия в компрессоре по формуле:

, (2)

,

после чего уточняют значение mв:

mв = Rв/срв = 0,287/срв , ( 3)

mв = Rв/срв = 0,287/1,0354=0,27719,

а также значения температуры Тb по формуле (1) и энтальпии hb по формуле (2) [1].

,

,

.

Рассчитывается коэффициент избытка воздуха в камере сгорания:

, (4)

где hвозд(Тс), hп.с(Тс) - энтальпии воздуха и чистых продуктов сгорания при температуре Тс; hтп - энтальпия топлива

,

, (5)

,

,

,

Определяют массовые доли чистых продуктов сгорания и воздуха в газах, выходящих из камеры сгорания:

 (6)

 (7)


после чего находят энтальпию газов перед газовой турбиной:

, (8)


Определяют параметры процесса расширения газов в газовой турбине без охлаждения, для чего, предварительно задавшись значением mг » 0,25, вычисляют температуру газа на выходе из турбины высокого давления:

, (9)

.

где d = l×e - отношение давлений в газовой турбине;

Tc - температура газов перед газовой турбиной;

Находят энтальпию газов hd за газовой турбиной по формуле:

 (10)

где hвозд(Тd), hп.с(Тd)- энтальпии воздуха и чистых продуктов сгорания при температуре Тd

,

,

,

,

.

Средняя теплоемкость газа в процессе расширения в газовой турбине:

, (11)

,

Уточненное значение mг находят по формуле: mг = Rг/срг,

где газовая постоянная равна:

, (12)

,

для стандартного углеводородного топлива принять mп.с = 28,66; mвозд = 28,97.

mг = 0,28824/1,235=0,2334.

Зная mг, по формулам (9) и (10) уточняют значения Тd, hd:

,

,

,

,

,

.

Удельная работа расширения газа в газовой турбине без охлаждения:

, (13)

.

Удельная работа на сжатие воздуха в компрессоре:

, (14)

.

Отношение расхода воздуха в компрессоре, к расходу газа в турбине:

, (15)

.

Удельная полезная работа в ГТУ без охлаждения газовой турбины:

, (16)

.

Коэффициент полезной работы ГТУ без охлаждения газовой турбины:

, (17)

.

Расход газа через турбину:

, (18)

где h¢м - механический к.п.д. ГТУ, определяемый выражением:

, (19)

,

.

Расход топлива в ГТУ без охлаждения:

, (20)

.

Электрический КПД ГТУ без охлаждения:

, (21)

.

Результаты расчета схемы простой ГТУ без охлаждения: : tb = 698,5 °С; a = 2,57; hс = 1512,9 кДж/кг; td = 858 °С; Hт = 862 кДж/кг; Hк = 418 кДж/кг; H = 453 кДж/кг; j = 0,525; Gт = 631 кг/с; В = 15,96 кг/с; hэ = 0,3945.

2.1.2 Расчет ГТУ с охлаждением

С учетом данных расчета ГТУ без охлаждения проводится расчет показателей ГТУ с охлаждением элементов газовой турбины.

Относительный расход воздуха на охлаждение лопаток газовой турбины определяется по эмпирическому выражению:

 (22)

.

где Tw - допустимая температура металла лопаток турбины, К;

Определяется величина:

 (23)

.

где nн = 0,5¸0,7 (принять nн @ 0,6);

z - число ступеней в газовой турбине;

Определяется разница величин:

 (24)

где Т¢1 = Тb, К

 ,К, (25)

 К,

.

Определяется величина:

, (26)

.

Удельная работа ГТУ с учетом охлаждения газовой турбины:

,кДж/кг, (27)

.

Расход газа на входе в газовую турбину:

,кг/с, (28)


Расход топлива в камере сгорания ГТУ:

,кг/с, (29)

.

Расход воздуха на входе в камеру сгорания:

,кг/с, (30)

.

Расход воздуха на входе в компрессор:

,кг/с, (31)

.

Расход газов на выходе из газовой турбины:

,кг/с, (32)

.Электрический коэффициент полезного действия ГТУ с охлаждением:

, (33)

.

Результаты расчета схемы простой ГТУ с охлаждением при Ta =15 C: gв = 0,0728; g = 0,285; Нохл = 437 кДж/кг; Gт = 654, 5 кг/с; Gк = 637,9 кг/с; Вохл = 16,55 кг/с; G¢к = 687,5 кг/с; G¢т = 702,1 кг/с; hэ.охл = 0,3804.

2.2 Расчет ГТУ при повышенной температуре

Рассчитываем основные характеристики простой ГТУ газовой турбины, приняв следующие исходные данные:

Объемный расход воздуха засасываемый компрессором Vк’ = 547,8 м3/c=const

температура газов перед газовой турбиной tс = 1315 °С;

температура воздуха перед компрессором tа = 25 °С;

степень сжатия в компрессоре ГТУ e = 18,2;

коэффициент аэродинамических потерь l = d/e = 0,96.

коэффициент использования теплоты в камере сгорания hк.с = 0,995;

механический к.п.д. газовой турбины hм = 0,995;

к.п.д. электрического генератора hэ.г = 0,985;

изоэнтропийный к.п.д. компрессора hк = 0,88;

изоэнтропийный к.п.д. газовой турбины hт = 0,9;

характеристики топлива: Кт = 44300 кДж/кг; L0 = 15 кг/кг; hт.п = 0 кДж/кг;

коэффициент утечек в ГТУ aу = 0,003;

допустимая температура металла ступеней газовой турбины tw = 1150 °С;

- число ступеней в газовой турбине - z = 4.

2.2.1 Расчет ГТУ без охлаждения

Рассчитывается процесс сжатия воздуха в компрессоре. Задается величина mв » 0,28 и определяется в первом приближении температура воздуха на выходе из компрессора по формуле (1):

По температурам Та и Тb определяются энтальпии воздуха hа и hb по формуле (5), кДж/кг, рассчитывается средняя изобарная теплоемкость воздуха в процессе сжатия в компрессоре по формуле (2):

,

,

,

,

,

после чего уточняют значение mв по формуле (3):

mв = 0,287/1,048432=0,273742,

а также значения температуры Тb по формуле (1) и энтальпии hb по формуле (5) [1].

,

,

.

Рассчитывается коэффициент избытка воздуха в камере сгорания по формуле (4):

,

,

,

,

,

Определяют массовые доли чистых продуктов сгорания и воздуха в газах, выходящих из камеры сгорания по формулам (6) и (7):

после чего находят энтальпию газов перед газовой турбиной по формуле (8):

.

Определяют параметры процесса расширения газов в газовой турбине без охлаждения, для чего, предварительно задавшись значением mг » 0,25, вычисляют температуру газа на выходе из турбины высокого давления по формуле (9):

.

Находят энтальпию газов hd за газовой турбиной по формуле(10):

,

,

,

,

,

Средняя теплоемкость газа в процессе расширения в газовой турбине рассчитывается по формуле (11):

Уточненное значение mг находят по формуле: mг = Rг/срг, где газовая постоянная равна рассчитывается по формуле (12):

,

mг = 0,288217/1,233753=0,2336.

Зная mг, по формулам (9) и (10) уточняют значения Тd, hd:

,

,

,

,

,

.

Удельная работа расширения газа в газовой турбине без охлаждения рассчитывается по формуле (13):

.

Удельная работа на сжатие воздуха в компрессоре рассчитывается по формуле (14):

.

Отношение расхода воздуха в компрессоре, к расходу газа в турбине рассчитывается по формуле(15):

.

Удельная полезная работа в ГТУ без охлаждения газовой турбины рассчитывается по формуле (16):

.

Коэффициент полезной работы ГТУ без охлаждения газовой турбины рассчитывается по формуле (17):

.

Расход воздуха, забираемого компрессором, определяется выражением:

, (34)

.

Расход газа на турбину рассчитывается по формуле:

, (35)

.

Электрическая мощность ГТУ определяется выражением:

, (36)

.

Расход топлива в ГТУ без охлаждения рассчитывается по формуле (20):

.

Электрический КПД ГТУ без охлаждения рассчитывается по формуле :

 (37)


Результаты расчета схемы простой ГТУ без охлаждения: : tb = 709 °С; a = 2,6; hс = 1512 кДж/кг; td = 858 °С; Hт = 862 кДж/кг; Hк = 429 кДж/кг; H = 441 кДж/кг; j = 0,512; Gт = 658 кг/с; В = 6,346 кг/с; hэ = 0,378.

2.2.2 Расчет ГТУ с охлаждением

С учетом данных расчета ГТУ без охлаждения проводится расчет показателей ГТУ с охлаждением элементов газовой турбины.

Относительный расход воздуха на охлаждение лопаток газовой турбины определяется по эмпирическому выражению (22):

.

Определяется величина по формуле (23):

.

Определяется разница величин по формуле (24) и рассчитывается Т’’2 по формуле (25):

 К,

.

Определяется величина по формуле (26):

.

Удельная работа ГТУ с учетом охлаждения газовой турбины рассчитывается по формуле (27):

.

Расход топлива в камере сгорания ГТУ рассчитывается по формуле:

, (38)

.

Расход воздуха на входе в камеру сгорания определяется по формуле (30):

.

Расход газов на выходе из газовой турбины определяется по формуле (32):

.

Электрический коэффициент полезного действия ГТУ с охлаждением определяется по формуле (33):

.

Результаты расчета схемы простой ГТУ с охлаждением при Ta =25 º С: gв = 0,0728; g = 0,511; Нохл = 425 кДж/кг; Gт = 632 кг/с; Gк = 658 кг/с; Вохл = 15,679 кг/с; G¢к = 664,4 кг/с; G¢т = 678,9 кг/с; hэ.охл = 0,36394.

2.3 Расчет холодильной мощности

Хладопроизводительность устройства остужения жидкостей - тепловая мощность, которую устройство может забирать от жидкостей. Хладопроизводительность холодильного оборудования зачастую путают с полезной мощностью. Часто происходит такое, что имеющие опыт энергетики, увидев, что хладопроизводительность устройства в 3 раза больше потребляемой мощности, даются диву, что коэффициент полезного действия в этом случае получается около трехсот процентов. Но о коэффициенте полезного можно говорить только в том случае, когда присутствует процесс преобразования одной энергии в другую. Например, в электродвигателе электроэнергия переходит в механическую энергию, при этом присутствуют издержки энергии на нагрев и трение. И коэффициент полезного действия двигателя как раз показывает, сколько энергии утеряно в результате трения и нагрева.

В случае с холодильником, процесса перехода энергии одной в другую нет, а есть отбор тепла от остужаемой среды.

Хладопроизводительность всякой холодильной установки охлаждения жидкости имеет зависимости от температуры, до которой необходимо охлаждать какую-либо жидкость. С увеличением конечной температуры жидкости, повышается и сама холодопроизводительность. Это связано с тем, что хладагент может отбирать гораздо больше тепла у жидкости, при более высокой температуре кипения.

Требуемая холодопроизводительность установки для охлаждения воздуха рассчитывается по формуле:

 

Qхол = св×Gв×DТ, кВт (39)

Qхол = 1×687,5×10=6875 кВт,

где Gв = 687,5г/с - расход воздуха

св @ 1,005 кДж/(кг×К) - теплоемкость воздуха

Рассчитаем расход электроэнергии на выработку холода по формуле:

 

Wхол = Qхол / eхол , кВт (40)

Wхол = 6875 / 5 =1375 КВт,

где eхол - холодильный коэффициент парокомпрессионной холодильной машины (в интервале +5 ÷ 35 °С - eхол » 5)

2.4 Изменение характеристик ГТУ в зависимости от температуры наружного воздуха

Газотурбинные агрегаты имеют большое распространение в энергетике и в нефтегазовом комплексе. На газопромыслах и нефтепромыслах, на нефтеперерабатывающих предприятиях, на теплоэлектростанциях и теплоэлектроцентралях газотурбинные установки зачастую используют для привода электрогенераторов. Применение газотурбинных ТЭС и ТЭЦ экономически особенно оправдано в районах, примыкающих к выработанным, истощённым месторождениям нефти и газа, а также к действующим промыслам, где можно использовать затрубный газ, т. е. газ с невысоким давлением, вполне пригодным для работы теплопарогенераторов. Таким образом, в основе промысловой энергетики лежат газотурбинные технологии.

Учитывая высокую чувствительность газотурбинного привода к температуре наружного воздуха (Та), при которой каждому градусу изменения температуры воздуха на входе осевого компрессора установки соответствует изменение её эффективной мощности на 1 % и выше, была поставлена задача провести анализ различных способов определения располагаемой мощности газотурбинной установки в зависимости от Та, для обеспечения заданного, планируемого диспетчерской службой режима сжатия центробежного компрессора.

Рисунок 2.2 - Зависимость массового расхода воздуха на входе в компрессор и температуры

На рисунке 2.2 показана зависимость массового расхода воздуха, забираемого компрессором ГТУ от температуры наружного воздуха. Из рисунка 2.2 видно , что при увеличении температуры от 0 º С до 25 º С, Ск’ уменьшается от 655 кг/c до 590 кг/c, т.е. на 10%.

Рисунок 2.3 - Зависимость электрической мощности от температуры наружного воздуха

На рисунке 2.3 показано падение электрической мощности с повышением температуры наружного воздуха. Из рисунка 2.3 видно , что при увеличении температуры от 0 º С до 30º С, Nэ уменьшается от 279000 Вт до 230000 Вт, т.е. на 17,8%.

Рисунок 2.4 - Относительное изменение электрической мощности от темпепатуры наружного воздуха

За нормальную мощность принятно значение при 15 º С. Из рисунка 2.4 видно, что при увеличении температуры наруж воздуха от 15 º С до 30 º С относительная мощность снижается на 10 %. А при уменьшении температуры от 15 º С до 0 º С относительная мощность увеличивается на 9%.

На рисунке 2.5 показано падение электрического коэффициента полезного действия с повышением температуры наружного воздуха. Из рисунка 2.5 видно , что при увеличении температуры от 0 º С до 30º С, hэ уменьшается от 0,386 до 0,376, т.е. на 2,5%.

Рисунок 2.5 - Зависимость электрического КПД и температуры наружного воздуха

Рисунке 2.6 - Зависимость удельной работы ГТУ с учетом охлаждения газовой турбины и температуры воздуха

На рисунка 2.6 показано падение удельной работы ГТУ с повышением температуры наружного воздуха. Из рисунка 2.6 видно , что при увеличении температуры от 0 º С до 30º С, Нохл уменьшается от 457 кДж/кг до 419кДж/кг, т.е. на 9,5%.

Рисуное 2.7 - Энергетическая эффективность охлаждения воздуха перед ПГУ

На рисунке 2.7. показано снижение мощности ГТУ, расход электроэнергии на холодильники и выигрыш в мощности ПГУ.

3. Подбор оборудования для системы охлаждения воздуха

3.1 АБХМ

Абсорбционная бромистолитиевая холодильная машина - промышленная холодильная установка, используется для отбора и удаления избыточного тепла и поддержания заданного нормального температурного и теплового режимов при работе различного рода производственного оборудования, технологических устройств, инструмента, оснастки, а также технологических процессов, связанных с завышенными тепловыми нагрузками. В качестве абсорбента в них применяются различные растворы, например, бромида лития (LiBr) в воде[17].

К абсорбционным холодильным машинам относятся так же аммиачные холодильные установки абсорбционного принципа действия.

3.1.1 Преимущества АБХМ

По сравнению с компрессионными холодильниками, АБХМ имеют следующие преимущества:

Почти не потребляет электрической энергии. Электроэнергия необходима для работы насосов и автоматики.

Минимальный уровень шума.

Экологически безопасны. Хладагентом является обычная вода.

Утилизируют тепловую энергию сбрасываемой горячей воды, дымовых газов или производственных процессов.

Длительный срок службы (не менее 20 лет).

Полная автоматизация.

Пожаробезопасность и взрывобезопасность.

Абсорбционные холодильные машины не подведомственны Ростехнадзору.

3.1.2 Недостатки АБХМ

Абсорбционные охладители, по сравнению с компрессионными охладителями имеют:

Цена, примерно, в 2 раза выше, чем у стандартного охладителя.

Необходимость наличия дешевого (бесплатного) источника тепловой энергии с достаточно высокой температурой.

Относительно низкая энергетическая эффективность - тепловой коэффициент (отношение подведенной тепловой энергий к полученному холоду), равный 0,64-0,8 - для одноступенчатых машин, и 1-1,41 - для двухступенчатых машин[17].

Существенно наибольший вес, чем у обычного охладителя.

Необходимость применять открытые охладители - градирни, что увеличивает водопотребление системы.

3.1.3 Принцип действия АБХМ

Такая холодильная машина имеет две генераторные секции: низкотемпературную и высокотемпературную, теплообменники раствора, насосы для абсорбента и хладагента, газовую горелку, системы управления и продувки[17].

В двухконтурном чиллере слабоконцентрированный раствор бромида лития вначале поступает в трубы теплообменника высокотемпературного генератора. Здесь под воздействием тепла от газовой горелки он выпаривается, снижая свою концентрацию до средней. Затем полученный Раствор LiBr поступает в низкотемпературный генератор, где он нагревается за счет паров хладагента из высокотемпературного генератора. В результате абсорбент повышает свою концентрацию до предельной крепости.

Пары хладагента из низкотемпературного и высокотемпературного генератора поступают в конденсатор, где он переходится в жидкое состояние и перемешивается. После этого водяной пар вновь поступает в испаритель, после чего цикл возобновляется.

Тепло, выделяемое в процессе конденсации паров хладагента, отводится при помощи охлаждающей воды от градирни. В начале она поступает в абсорбер, после чего попадает в конденсатор. Это позволяет сделать цикл охлаждения раствора абсорбента более эффективным. Крепкий раствор бромида лития, прежде чем возобновить рабочий цикл, проходит через низкотемпературный генератор, нагревая слабый раствор.

В свою очередь вода, циркулирующая по трубам испарителя, нагревается за счет водяного пара, который образовывается при выпаривании раствора слабой концентрации.

Рисунок 3.1 - Двухступенчатый цикл абсорбционного охлаждения

.1.4 Подбор АБХМ

Выполняем подбор АБХМ из расчетной холодильной мощности из выражения (40) Qхол =6875 КВт. Устанавливаем двухступенчатый абсорбционный чиллер на паре Lessar LUC-SW1000. Технические характеристики АБХМ LUC-SW1000 приведены в таблице 3.

Таблица 4 - Технические характеристики АБХМ LUC-SW1000

Параметр

Значение

Холодопроизводительность, кВт

3516

Расход охлажденной воды, м3/ч

605

Расход охлаждающей воды, м3/ч

1000

Расход греющего пара, кВт

4400

Длина, ширина, высота, мм

6667/2606/3550

Эксплуатационный вес, т

30,4

Потребление электроэнергии насосами, кВт

7,6


На Череповецкой ГРЭС нужно установить две таких Абсорбционных холодильных машины т.к. холодопроизводительность одной до 3516 кВт, а нам необходима холодильная мощность до 7000 кВт(с небольшим запасом).

3.2 Градирня

Градирня - устройство для охлаждения огромного числа воды сконцентрированным градом атмосферического воздуха. В некоторых случаях градирни именуют также охладительными вышками.

В сегодняшнее время градирни максимальной производительности применяют в системах оборотного водоснабжения с целью остужения теплообменных агрегатов, как правило, на тепловых электростанциях (в том числе на атомных электростанциях и теплоэлектроцентралях). В штатском строительстве градирни используются, к примеру, для остужения конденсаторов морозильных конструкций, при кондиционировании воздуха, охлаждение аварийных электрогенераторов. Огромное распространение использование градирен приобрело в промышленности для остужения различного рода научно-технического оснащения, при химчистке веществ, зачастую связанной с системой местных очистных сооружений (МОС). Имеют широкое использование на предприятиях энергетической, судостроительной, авиационной, химической отраслей, металлургии, машиностроения, и пищевого производств и т.д.[9].

При замыкании водооборотного цикла на местные водоочистные сооружения решается и задача утилизации большого количества технических сточных вод, направляемых на градирную установку. А технические решения по утилизации тепловой энергии с использованием теплонасосных установок позволяют превращать её в электроэнергию.

Процесс охлаждения в случае классических вентиляторных градирен совершается за счёт испарения части воды при стекании её тонкой плёнкой или каплями по специальному оросителю, вдоль которого в противоположном движению воды направлении подаётся поток воздуха. В инновационных эжекционных градирнях охлаждение совершается за счёт создаваемой среды, приближенной к условиям вакуума специальными форсунками (обеспечивающие площадь тепломассообмена, каждая - 449 м² на 1 м³ прокачиваемой жидкости, и представляющие собой принцип двойного действия, охлаждая распыляемую жидкость не только снаружи, но и внутри) и особенностями конструкции. При испарении 1,1% воды температура оставшейся массы понижается на 5,47°C, а в случае с описанным эжекционным принципом охлаждения температура оставшейся массы понижается на 7,22 °C[9].

Как правило, градирни применяются там, где нет возможности использовать для охлаждения большие водоёмы (озёра, моря), а также из-за опасности их загрязнения.

3.2.1 Мокрая градирня

Мокрые градирни - теплообменные устройства, представляющие собой «ороситель» с обдувом, разбрызгивает теплую воду, пришедшую от оборудования, и за счет испарения вода понижает свою температуру ниже температуры наружного воздуха, которым она обдувается. По мнению специалистов мокрая градирня является самым дешевым решением для охлаждения оборудования, учитывая те, которые есть на сегодняшний день на рынке.

Плюсы мокрых градирен:

-малые габариты;

-невысокая начальная стоимость.

Правда, несмотря на приятные преимущества, есть и отрицательные стороны использования:

мокрая градирня - открытая система (постоянный расход воды контура в результате ее испарения);

постоянный уход за установкой;

невозможность использования системы при отрицательной температуре наружного воздуха (вода замерзает).

Охлаждения воды в мокрых градирнях совершается за счет разбрызгивания, из-за чего популярность использования такой системы приобрело на производствах и для охлаждения технологического оборудования. Принцип работы мокрой градирни - распыление охлаждающей воды, поднятой на определенную высоту, и продувкой ее струй наружным воздухом, а охлаждение происходит за счет испарения этой время воды и конвективного теплообмена. Распыленная вода собирается в «бассейне» и потом при помощи насоса подается обратно в конденсатор[9].

3.2.2 Подбор градирни

Выполняем подбор градирни из расчетной номинальной холодопроизводительности по выражению:

Qград =Qхол +Qт, (41)

Qград= 2×3515+ 2×4400 = 15830 кВт,

Предлагается установить четыре мокрых градирни VXT 1050, технические характеристики которой приведены в таблице 5.

Таблица 5 - Технические характеристики мокрой градирни VXT 1050

Параметр

Значение

Номинальная холодопроизводительность, кВт

4898

Температура воды на подачу в градирню, оС

35

Температура воды из градирни , оС

25

Температура мокрого термометра, оС

21

Длина, ширина, высота, мм

4487/3000/10903

Эксплуатационный вес, т

15,6

Окр. Среда - температура воздуха/влажность, оС/%

27/55


Преимущества:

Данное оборудование используется по всему миру, что говорит о его надежности.

Такие элементы как система привода, мотор и вентиляторы расположены в месте - не доступном для влажного воздуха, поэтому исключена вероятность конденсации влаги на этих элементах. Отсутствие подвижных частей снаружи конструкции позволяет избежать проблем даже при самых тяжёлых климатических условиях.

Гарантированный срок службы достигается за счет применения уникальной технологии Baltibond, которая устойчива к коррозии.

Градирни VXT укомплектованы внутренними радиальными вентиляторами, обеспечивающими пониженный уровень шума

Конструкция заборных и выпускных проёмов позволяет присоединить к ним воздуховоды, что позволяет размещать градирни VXT в помещениях

Оборудование имеет более тихую заднюю сторону, а впуск воздуха расположен с другой стороны.

Изделие оснащено специально разработанными шумоглушителями

Данное оборудование можно монтировать рядом со сплошными стенами

Оборудование VXT обладает высокой производительностью и малым весом

Серия VXT-C может быть поставлена в десятифутовых контейнерах. Кожухи вентиляторов разбираются.

В градирне применены пакеты листового наполнителя BACount, позволяющие обеспечить лёгкий осмотр и доступ для чистки, что в свою очередь избавляет от необходимости замены наполнителя.

3.3 Воздухоохладитель

Воздухоохладители служат для понижения температуры воздуха, подаваемого на охлаждаемый объект. По конструкции они бывают сухие, мокрые и смешанного типа с орошением трубчатых змеевиков рассолом.

Похожие работы на - Модернизация существующей тепловой схемы на Череповецкой ГРЭС

 

Не нашли материал для своей работы?
Поможем написать уникальную работу
Без плагиата!
Без нейросетей!