Макет квартирной электропроводки
Творческий
проект
Макет
квартирной электропроводки
Введение
проводка схема макет
Цель создания
(актуальность)
Перефразируя слова известного
литературного героя можно было бы сказать: «Что наша жизнь? Учеба!»
Действительно, практически все время нам приходится получать новые знания.
Сначала - в садике, затем - в школе и институте, но и на этом у большинства
людей образовательный процесс не завершается, так как приходится повышать
квалификацию или полностью менять направление профессиональной деятельности.
Чем больше вовлечены присутствующие
в учебный процесс, тем активнее работает их память, а значит, все услышанное и
увиденное не будет забыто после выхода из аудитории.
Живя в современном мире трудно
представить себе современную жизнь без электричества, с наличием которого
связано не только освещение, но и работа всех бытовых приборов.
Ежедневно, привычно щелкая
выключателем или присоединяя штепсельную вилку к розетке, мы, конечно же, не
задумываемся о том, что же дает нам эту возможность.
Система проводов и кабелей, по
которым происходит процесс подвода и распределения электричества в помещении, а
также поддерживающие и защитные конструкции и детали крепления - все это
получило название электропроводки.
Сегодня, когда многие школьники
жалуются на существенное усложнение программы, как никогда важно найти новые
способы подачи материала. Один из ярких примеров - это использование учебных
макетов - пособий, которые являются отличными помощниками в обучении и детей, и
специалистов. Макеты-пособия - эффективное обучение на примерах.
Вот так у нас и родилась идея
сделать творческий проект на тему: «Макет квартирной электропроводки»,
где можно было бы изготовить учебный макет квартирной электропроводки и на его
основе обучаться самому и обучать других монтажу квартирной электропроводки.
Назначение изделия:
Учебные макеты имеют свою специфику
изготовления. На учебных макетах нужно наглядно, просто и максимально доступно
преподнести принцип действия того или иного механизма, модели или
приспособления. Так как такие макеты не просто стоят на подставке, а активно
используются - перемещаются, демонстрируются аудитории, очень важно качество и
прочность конечного изделия, чтобы оно прослужило Вам столько времени, сколько
нужно.
Учебный макет - это масштабная модель
механизма, полигона, территории или какого-либо иного объекта, который
используют для обучения, визуальной демонстрации при подаче теоретического
материала.
Наше изделие представляет собой
учебный электрифицированный макет помещения, предназначенный для обучения
монтажу квартирной электропроводки.
Аналог, взятый за
основу:
Существует три основных категории
учебных макетов: для демонстрации последовательности действий при определенных
обстоятельствах (пожаре, наводнении, перемещении в пределах конкретной
территориальной зоны и т.д.), объяснения природных или физических явлений или
для усвоения принципа работы всевозможных устройств. Увиденные в средствах
массовой информации учебные макеты в основном представляют собой стенды, где на
лицевой части располагаются электроустановочные элементы (розетки, выключатели,
лампочки, автоматические выключатели и т.д.).
Учащиеся (в основном - студенты)
учатся монтировать электропроводку. Нам показалось это сложным и захотелось
сделать более простой и понятный макет комнаты, где бы и ученики 8 классов
смогли научиться монтажу квартирной электропроводки.
Технические
характеристики:
Наш макет получился в виде фанерных
листов (стенок). Макет складывающегося типа, что позволяет его переносить, а
также демонстрировать его в разных положениях и удобно монтировать
электроустановочные элементы.
Требования,
предъявляемые к конструкции
Изделие получилось прочным, легким,
его можно использовать многократно, эстетически привлекательным. За счет своей
мобильности (складывается в удобное для переноски положение) может
демонстрироваться в любом учебном заведении.
Используемый материал
Используемый материал -
10 мм фанера, деревянные рейки, сечением 20 х 20 мм, электроустановочные
элементы (автоматические выключатели 16 А, 10 А, розетки, двухполюсный
выключатель, две лампочки, разветвительная коробка, кабель-канал 20х10 мм,
подрозетник - 3 шт., электрические провода сечением 2,5 
,1,5 
.
Выбор технологии
изготовления изделия
Технология изготовления нашего
макета заключается в применении обычных столярно- слесарных операциях: выбор
заготовки, разметка, пиление, выпиливание, сверление отверстий, соединение
петель на саморезах, клейка подрозетников, оклейка «стен» обоями, приклеивание
кабель-канала, установка деревянных реек, имитирующих потолок с двух рожковой
люстрой.
1.Описание
технологии изготовления изделия
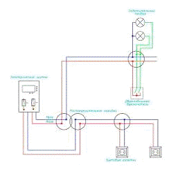
Вначале нужно нарисовать
план квартиры со всеми розетками, выключателями и разветвительными коробками.
Схема даст наглядное представление о разводке проводки и поможет посчитать
количество проводов, кабелей и розеток.
План квартиры можно либо
нарисовать самому, либо взять из паспорта на квартиру. В любом случае нужно
перемерить все стены для полной уверенности. После зарисовки плана нужно на нем
отобразить все провода, разветвительные коробки, розетки и щиток. В итоге
должна получиться примерно такая схема.
Принципиальная
электрическая схема прокладки проводки в помещении:
Затем берем 10 мм фанеру
и выполняем разметку по заранее определенным габаритным размерам. Выпиливаем
электролобзиком под руководством учителя. Выпиливаем также место под дверь и
окно. Размечаем места под подрозетники и сверлим корончатым сверлом по
древесине 3 отверстия D
= 55 мм. Размечаем места для установки рояльных петель и устанавливаем их, с
помощью которых наш макет «комната» будет легко складываться в удобное для
переноски положение. Оклеиваем обоями, устанавливаем подрозетники, размечаем
под установку кабельканала, клеим его на стены с обратной стороны, чтобы не
портить эстетику внутренней отделки. Прокладываем электрические провода
(разного сечения для цепи освещения 1,5 
и под розетки 2,5 
). Устанавливаем
розетки, двухполюсный выключатель, автоматические выключатели на 16 ампер и 10
ампер для разных эектроцепей соответственно. Монтируем «потолок» в виде двух
перпендикулярных реек с установленными эл. патронами, имитирующими двухрожковую
люстру.
Макет готов.
Описание окончательного
варианта изделия
Описание изделия было
проведено выше, а в этом пункте представляется фото окончательного варианта
изделия:
Время изготовления
Наш макет мы
изготавливали после окончания уроков, в течении 2 - 3 часов каждый день. Также
было затрачено много времени на походы по магазинам в поисках нужных
электрических деталей по приемлемым ценам. Со слесарными и столярными
операциями я был знаком, а вот с электромонтажом квартирной электропроводки
сталкивался впервые, поэтому много времени ушло на изучение электромонтажных
операций. Итого, в сумме, время на изготовление изделия составило около 30
часов.
Экономическая и
экологическая оценка готового изделия
Все древесные материалы
(фанера, рояльные петли, рейки) являются экологически чистыми и безопасными.
Электроустановочные элементы купленные в магазине сертифицированы и поэтому
экологически безопасны.
Экономический расчет
Элементы, приобретенные
в магазине:
Эл. розетка 2 шт. =70 х
2 =140 р.
Эл. выключатель =80 р.
Автоматический
выключатель 16 А = 130 р.
Автоматический
выключатель 10 А = 120 р.
Эл. патрон 2 шт. = 15р.
х 2 = 30 р.
Лампочка 2 шт. = 20р. х
2 = 40 р.
Короб под автоматические
выключатели = 50 р.
Эл. провод 2,5 
1м = 25 р.
Эл. провод 1,5 
1м = 18 р.
Кабельканал 1м = 20 р.
Подрозетник 3 шт. = 5р.
х 3 = 15 р.
Итого: 668 рублей
израсходовано на покупку электродеталей.
Все остальные части мы
не покупали и изготавливали из б/у материала.
2.Оригинальность
конструкции
Я считаю, конструкция
получилась оригинальной, другой такой на просторах интернета я не встретил.
Качество изделия
Качество изделия
достаточно высокое - может также служить демонстрационным стендом по
электромонтажу квартирной электропроводки.
Соответствие изделия
проекту
Выполненное под
руководством учителя изделие под названием «Макет помещения с элементами
квартирной электропроводки», по моему, полностью соответствует нашей цели
проекта - разработать и выполнить учебный макет, с помощью которого можно
обучать разные категории учащихся монтажу электропроводки.
Практическая значимость
Данное изделие имеет
практическую значимость. С помощью нашего макета можно обучаться правильно
монтировать электропроводку, подключать выключатели, розетки и электропатроны,
что, конечно, может пригодиться в дальнейшей жизни, даже если человек и не
станет электриком. Ведь знать основы и уметь практически обращаться с
электричеством, его элементами - очень важно для современного человека и
гражданина.
Оценка изделия
Целью данной работы
является подробное изучение способов прокладки и виды электропроводок, монтаж,
ремонт, обслуживание, и возможность модернизации в будущем. Для выполнения
данной цели были поставлены следующие задачи:
- изучить способы
подготовки трасс электропроводок, техническую документацию, инструкции
- рассмотреть
организацию монтажа электропроводок
- освоить контроль
качества контактных соединений
- освоить технологию
монтажа, обслуживания электропроводок
- знать и исполнять
правила безопасной работы на электроустановках.
Если оценивать изделие как учебный
макет - то он вполне соответствует своему назначению - обучению монтажу
электропроводки. Имеет две розетки, двухполюсный выключатель, два
электропатрона, два автоматических выключателя, распределительную коробку, т.е.
достаточно электроэлементов, чтобы сделать работу по электромонтажу проводки
достаточно трудоемкой для учащихся 8 классов. Мы с учителем считаем, что наше
изделие заслуживает оценку хорошо.
3. Тезисы доклада
Уважаемые члены жюри и
присутствующие:
Живя в современном мире трудно
представить себе современную жизнь без электричества, с наличием которого
связано не только освещение, но и работа всех бытовых приборов.
Сегодня, когда многие школьники
жалуются на существенное усложнение программы, как никогда важно найти новые
способы подачи материала. Один из ярких примеров - это использование учебных
макетов - пособий, которые являются отличными помощниками в обучении и детей, и
специалистов. Макеты-пособия - эффективное обучение на примерах.
Вот так у нас и родилась идея
сделать творческий проект на тему: «Макет квартирной электропроводки»,
где можно было бы изготовить учебный макет квартирной электропроводки и на его
основе обучаться самому и обучать других монтажу квартирной электропроводки.
Наше изделие представляет собой
учебный электрифицированный макет помещения, предназначенный для обучения
монтажу квартирной электропроводки.
захотелось сделать более простой и
понятный макет комнаты, где бы и ученики 8 классов смогли научиться монтажу
квартирной электропроводки.
Технические
характеристики:
Наш макет получился в виде фанерных
листов (стенок). Макет складывающегося типа, что позволяет его переносить, а
также демонстрировать его в разных положениях и удобно монтировать
электроустановочные элементы.
Изделие получилось прочным, легким,
его можно использовать многократно, эстетически привлекательным. За счет своей
мобильности (складывается в удобное для переноски положение) может
демонстрироваться в любом учебном заведении.
Используемый материал - 10 мм
фанера, деревянные рейки, сечением 20 х 20 мм, электроустановочные элементы
(автоматические выключатели 16 А, 10 А, розетки, двухполюсный выключатель, две
лампочки, разветвительная коробка, кабель-канал 20х10 мм, подрозетник - 3 шт.,
электрические провода.
Наш макет мы изготавливали после
окончания уроков, в течении 2 - 3 часов каждый день. Также было затрачено много
времени на походы по магазинам в поисках нужных электрических деталей по
приемлемым ценам. Со слесарными и столярными операциями я был знаком, а вот с
электромонтажом квартирной электропроводки сталкивался впервые, поэтому много
времени ушло на изучение электромонтажных операций. Итого, в сумме, время на
изготовление изделия составило около 30 часов.
На покупку электродеталей
израсходовано 668 рублей.
Все остальные части мы не покупали и
изготавливали из обрезков 10 мм фанеры.
Данное изделие имеет практическую
значимость. С помощью нашего макета можно обучаться правильно монтировать
электропроводку, подключать выключатели, розетки и электропатроны, что,
конечно, может пригодиться в дальнейшей жизни, даже если человек и не станет
электриком. Ведь знать основы и уметь практически обращаться с электричеством,
его элементами - очень важно для современного человека и гражданина.
Мы с учителем считаем, что наше
изделие заслуживает оценку хорошо.
Заключение
Применение макетов, наглядных, объемных, и
главное - легко трансформируемых согласно желанию педагога в соответствии с
содержанием конкретного материала, позволяет сделать изучение монтажа
электропроводки доступным и увлекательным действием. А самостоятельное участие
учеников в подготовке и изготовлении макетов, а также работе с ними не только
гораздо глубже отложится в душе в виде знаний. Творчество, воображение, умение
анализировать и предугадывать - все это есть в нашей деятельности. Сначала в
кабинете. Затем - далеко за его пределами...
Посредством применения макетирования удаётся
установить прочные связи между теоретическими знаниями учащихся и их
практической преобразовательной деятельностью.
Анализ содержания деятельности школьников при
выполнении проектного задания (на примере учащихся 8-ых классов) позволяет
сделать вывод о том, что проектная деятельность содержит в себе большие
возможности для развития познавательной активности и творческих способностей.
Список литературы
1. Алиев И.И
Электротехнический справочник / И.И. Алиев. 4-е изд., испр. - М.: ИП РадиоСофт,
2005. - 384 с.
2. Атабеков В.Б.
Монтаж осветительных электроустановок / В.Б. Атабеков М.С. Живов. - М.: Высшая
школа, 1974. - 380 c.
. Каминский Е.А.,
«Квартирная электропроводка и как с ней обращаться», изд. Энергия, Москва, 1985
г.
. Соколов Б.А.
Монтаж электротехнических установок. - М.,2003.
. Технология.
Индустриальные технологии: 8 класс: Учебник для учащихся общеобразовательных
организаций/ В.Д. Симоненко, А.А. Электов, Б.А. Гончаров и др. - 3-е изд.,
перераб. - М.: Вентана-Граф, 2015.-160 с.
. Технология.
Учебник для общеобразовательных школ. Вариант для мальчиков 8 класс.- Под ред.
В.Д. Симоненко.- М.: Вентана-Граф, 2011 г.