Спортивный комплекс в г. Мирный Архангельской области
СОДЕРЖАНИЕ
ВВЕДЕНИЕ
. АРХИТЕКТУРНО-СТРОИТЕЛЬНЫЙ РАЗДЕЛ
.1 Генеральный план участка
.2 Объемно - планировочное решение здания
1.3
Характеристика строительной климатической зоны
1.4 Конструктивное решение здания
.5 Водоснабжение
1.6
Канализация
.7Теплоснабжение
.8Отопление
.9
Вентиляция
1.10
Физико-механические свойства грунтов
1.11
Теплотехнический расчет наружной стены
1.11.1Определить толщину утепляющего слоя наружной стены
.12 Теплотехнический расчет кровли в осях 7-12
. РАСЧЕТНО-КОНСТРУКТИВНЫЙ РАЗДЕЛ
.1 Сбор нагрузок на балочную клетку между осями Б-В
.2 Расчет балок настила для перекрытия
.3 Расчет главной балки для перекрытия
.4 Расчет балок настила для покрытия
.5 Расчет главной балки для покрытия
.6 Расчет средней колонны
2.7 Расчет столбчатого фундамента под колонну
2.7.1 Определение размеров подошвы фундамента
2.7.2 Определение количества ступеней в фундаменте
2.7.3 Определение напряжений под подошвой фундамента
2.7.4 Расчет плиты фундамента на продавливание
2.7.5 Расчет рабочей арматуры фундамента
2.7.6 Расчет сопряжения стакана фундамента с плитной частью
фундамента
. ТЕХНОЛОГИЧЕСКИЙ РАЗДЕЛ
3.1 Область применения технологической карты
3.2
Определение объемов строительно - монтажных работ
3.3 Организация и технология выполнения работ
.3.1 Подготовительные работы
.3.2 Основные работы
3.3.4
Выбор монтажных приспособлений
.4
Определение трудоемкости и продолжительности монтажных работ
3.5 Выбор монтажного крана
.6 График производства работ
.7 Указания по осуществлению контроля и оценки качества монтажных
работ
3.8
Потребность в инструменте, приспособлениях, средствах механизации, инвентаре
.9
Техника безопасности при производстве монтажных работ, охрана труда и пожарная
безопасность
.
Технико-экономические показатели
4. ОРГАНИЗАЦИОННЫЙ РАЗДЕЛ
.1 Анализ условий строительства
.2 Описание методов выполнения основных СМР с указаниями по
технике безопасности
4.2.1
Подготовительный и основной периоды строительства
4.2.2 Земляные работы
4.2.3
Устройство фундаментов
4.2.4
Монтаж здания
.2.5
Отделочные работы
4.2.6 Перечень актов на скрытые работы
.2.7 Транспортные работы
4.2.8 Указания по охране труда
4.3 Расчет численности персонала строительства
4.4 Обоснование потребности и выбор типов временных зданий и
сооружений
4.5
Расчет потребности в воде и определение диаметра труб временного водопровода
4.6 Расчет потребности в электроэнергии
4.7
Расчет потребности в сжатом воздухе и определение сечения разводящих
трубопроводов
4.8 Определение потребности в кислороде
.9 Расчет потребности в тепле
.10 потребности в транспортных средствах
.11 Расчет потребности в складских помещениях
.12. Технико-экономические показатели проекта производства
работ
. ТЕХНИКА БЕЗОПАСТНОСТИ ПРИ ПРОИЗВОДСТВЕ МОНТАЖНЫХ РАБОТ
.1 Монтажные работы
.2 Транспортные работы
.3 Охрана труда при производстве монтажных работ
.4 Складирование материалов и конструкций
.5 Погрузочно-разгрузочные работы
.6 Обеспечение пожаробезопасности
.7 Охрана окружающей среды
. ЭКОЛОГИЧЕСКИЙ РАЗДЕЛ
.1 Пути эвакуации и действия персонала при ЧС
.1.1 Оценка аварии системы теплоснабжения
.1.2 Оценка ситуации в случае пожара
.1.3 Оценка ситуации при ЧС техногенного и природного
характера
.1.4 Оценка ситуации при химическом заражении
.2 Меры по защите персонала в условиях чрезвычайных ситуаций
.3 Обязанности организаций в области защиты персонала от
чрезвычайных ситуаций
7. НАУЧНО - ИССЛЕДОВАТЕЛЬСКАЯ РАБОТА. ПРОЕКТИРОВАНИЕ
ХЛАДОСТОЙКИХ СТАЛЬНЫХ КОНСТРУКЦИЙ
.1 Выбор марки стали для конструкций
.2 Конструктивно-технологические требования по предотвращению
хрупкого разрушения стальных конструкций
.2.1 Общие требования и указания
.2.2 Сварные соединения
.2.3 Сварные составные балки
.2.4 Сварные колонны
.3 Выбор конструктивной формы для хладостойких конструкций.
Метод деконцентрации напряжений
.4 Технологические методы повышения хладостойкости стальных
конструкций при их изготовлении, транспортировке и монтаже
.4.1 Общее положение
.4.2 Резка и обработка кромок, сборка конструкций
.4.3 Сварка конструкций
.4.4 Транспортировка и монтаж конструкций
ЗАКЛЮЧЕНИЕ
СПИСОК ИСПОЛЬЗУЕМЫХ ИСТОЧНИКОВ
ПРИЛОЖЕНИЕ
ВВЕДЕНИЕ
нагрузка разрушение стальной
В нашей стране к спорту постоянно относились с почтением, однако в
последнее время он из увлекательного и интереснейшего занятия перевоплотился в
престижное со всеми вытекающими от сюда последствиями.
Настоящее спортивное здание - это большее, нежели чем просто здание или
площадка. Это соединения единомышленников, болельщиков и спортсменов.
Проектируемый спортивный комплекс размещается в городе Мирный
Архангельской области, на восточном берегу озера «Плесцы».
Участок застройки ограничен: с запада - акваторий озера «Плесцы», с
остальных сторон - существующей жилой и общественной застройкой.
Строительство спортивного комплекса выполнено с целью повышения уровня
физической подготовки военнослужащих Российской Федерации.
Для того чтобы военные привлекались к постоянным занятиям физическими
упражнениями, повышали свою физическую подготовку и спортивное мастерство,
организовывали досуг в Вооруженных Силах создается спортивная деятельность.
В настоящее время инфраструктура г. Мирный не как не владеет большими
спортивными постройками, поэтому строительство спортивного комплекса создаст
новые рабочие места для населения и расширит возможности жителей заниматься
различными видами спорта.
Цель работы: разработать объемно - планировочное решение здания,
рассчитать несущие конструкции металлокаркаса, разработать технологическую
карту, обеспечить безопасность и экологичность ведения строительно - монтажных
работ.
1.
АРХИТЕКТУРНО-СТРОИТЕЛЬНЫЙ РАЗДЕЛ
.1 Генеральный
план участка
Район строительства относится к IV территориальному поясу II
климатического района.
Площадь застройки - 9,2 га, спортивные сооружения занимают - 6,52га.
Проект спортивного комплекса включает в себя строительство:
) плоскостных сооружений - спортивного ядра с футбольным полем размером
90х60м с искусственным покрытием, сектора общей площадью 4747 м2,
круговых дорожек длиной 400м, волейбольной площадки размером 24х15м с
асфальтовым покрытием, баскетбольной площадки размером 30х18м с асфальтовым
покрытием, две площадки для тенниса размером 40х20м с асфальтовым покрытием,
площадки для общевойсковой подготовки размером 24х12м и рукопашного боя
размером 30х20м с покрытием из спецсмеси, полосы препятствий размером 100х15м с
покрытием из спецсмеси, две площадки для минифутбола размером 55х32м с
искусственным покрытием, детская площадка для минифутбола размером 25х18м с
искусственным покрытием, ролледром площадью 2670м2 с асфальтовым
покрытием.
) Крытой трибуны на 2000 зрителей с подтрибунными помещениями,
предназначена для размещения зрителей во время проведения спортивных
соревнований, городских и гарнизонных мероприятий, вспомогательных помещений
для спортсменов и зрителей. Размеры в плане 10х20м.
) Крытой хоккейной площадка с трибунами на 200 зрителей размером 61х30м.
) Спортивный комплекс №5 с баскетбольными и волейбольными залами и
бытовыми помещениями.
1.2 Объемно-планировочное решение здания
Сооружение
предназначено для размещения административных помещений лыжной базы и для
выполнения учебно-тренировочных занятий по различным видам спорта и
общефизической подготовки и выполнения состязаний по волейболу и баскетболу и
других игровых зальных видов спорта. Оно является одним из основных элементов
архитектурной композиции всего комплекса.
Сооружение
представляет из себя сблокированное из трех объемов здание. Средний объем в
осях 7-12, двухэтажный с высотой 1 этажа 3,3м, 2 этажа 2,7м имеет размеры в
осях 20,0х30,0м.
К среднему объему относятся здания в осях 1-6 и 13-18 примыкают два
объема универсальных спортивных залов имеющих размеры в осях 24,0х30,0м с
высотой вплоть до низа конструкций, которые выступают 8,7м. В залах установлены
скамейки для зрителей на 25 человек в каждом.
На первом этаже двух этажной части здания предусмотрено размещение следующих
помещений:
1) вестибюль;
2) инвентарные;
) помещение администратора;
) касса;
) помещение охраны;
) кабинет врача с ожидальной и санитарным узлом;
) оздоровительно-банный комплекс (сауна);
) раздевальные мужские и женские, душевые и санитарные узлы.
На втором этаже двух этажной части здания запроектированы:
) залы силовых тренажеров;
) гимнастический зал;
) массажная;
) тренерская;
) гостевая;
) комната приема пищи;
) кабинет директора и бухгалтерии;
) раздевальные мужские и женские, душевые и санитарные узлы.
Для придания зданию большей выразительности навеска наружных панелей
«Сэндвич» для залов в осях 1-6 и 13-18 принята вертикальная, а для центральной
части - горизонтальная.
Архитектурными акцентами являются две пристроенные к центральной части кирпичные
лестничные клетки и зашивка входных тамбуров для зрителей на первом этаже
металлопластиком.
Наружные двери - металлические утепленные.
Окна - металлопластиковые (двойной стеклопакет).
Архитектурно - строительные решения приняты в соответствии с нормами и
требованиями[1],[2],[3],[4], [5], [26].
Площади помещений представлены в приложении 1.
Экспликация полов представлена в приложении 2.
.3
Характеристика строительной климатической зоны
Характеристика строительной климатической зоны:
) климатический район - II В [5].
) зона влажности - 1 (влажная);
) наиболее холодной пятидневки температура воздуха- - 33 °С;
) для V района расчетное значение веса
снегового покрова Sg=320
кПа;
) для Iа района нормативное значение ветрового давления W0=17 кПа;
) климатический район по воздействию климата на технические изделия и
материалы - II5.
1.4 Конструктивное решение здания
Сооружение состоит из трех рамных каркасов. Конструктивная схема каркасов
в осях 1-6 и 13-18/А-Е - однопролетные стальные рамы (пролет 24м, шаг рам -
6,0м, высота от низа ригеля рамы - 7,45м). Рамы применены на базе типовой серии
[6].Рамы сквозные из гнутосварных труб.
Сопряжение стоек с фундаментом - шарнирное, сопряжение жесткое ригеля
рамы со стойками.
Конструкциями несущих рам обеспечивается устойчивость и геометрическая
неизменяемость каркаса в поперечном направлении. Системой вертикальных связей и
распорок обеспечивается в продольном направлении.
Конструктивная схема каркаса в осях 7-12/Б-Д - двухэтажная трехпролетная
рама (пролет - 6,0м, шаг рам - 6,0м, высота 1 этажа 3,3м, высота 2 этажа 2,7м).
Рама сплошная из прокатных профилей.
Сопряжение ригелей и балок со стойками - жесткое в двух направлениях.
Сопряжение стоек с фундаментом - шарнирное.
Перекрытие сооружения - принято монолитным железобетонным бесопалубочным
толщиной 100мм по стальным прогонам.
Покрытие - из профилированного листа по прогонам. Внутренние перегородки
в санитарных узлах, душевых, технических помещениях - кирпичные, в остальных
помещениях - каркасно-обшивные.
Устойчивость и неизменяемость каркаса в поперечном и продольном
направлениях обеспечиваются конструкциями рамы с жесткими узлами в двух
направлениях. Фундаменты сооружения - столбчатые монолитные железобетонные.
Основанием фундаментов служит известняк сильновыветрелый (слой ИГЭ-6).
Фундамент лестничных клеток - ленточный из сборных блоков стен подвалов.
1.5 Водоснабжение
Водоснабжение предусматривается от городского водовода д=350мм,
проходящего по данной территории.
Для предоставления абсолютно всех затрат воды на хозяйственно-питьевые
нужды с учетом приготовления горячей воды и внутреннего пожаротушения зданий с
расходом 3,3 л/сек., на выносимом участке водовода в районе сооружения №5
предусматривается врезка д=160мм [22].
Ввод водопровода в сооружение №5 д=160мм, предусматривается в помещение
водомерного узла.
Наружное пожаротушение с расходом 15л/сек. предусматривается из пожарных
гидрантов, устанавливаемых на выносимом участке водовода д=400мм и участке
д=160мм.
Пожарные гидранты расставлены с учетом пожаротушения каждого здания из
двух пожарных гидрантов.
Проектируемая водопроводная сеть прокладывается из полиэтиленовых труб
д=160мм; 400мм SDR17 ПЭ100 [7].
Основание под трубы песчаное (h=0,2м) с послойным трамбованием, выровненное с обратной засыпкой песком
на 0,50м выше трубы.
.6
Канализация
В связи с тем, что на территории отсутствует самотечная бытовая
канализационная сеть, предусматривается внутриплощадочная самотечная сеть для
приема бытовых стоков от сооружений [21].
Для сбора стоков в городскую канализационную сеть предусматривается
строительство канализационной насосной станции производительностью 20м3/час.
Внутриплощадочная самотечная канализационная сеть прокладывается из
полипропиленовых труб «PRAGMA»
д=282мм.
От насосной станции прокладывается напорный коллектор до существующей
канализационный насосной станции из полиэтиленовых труб SDR17, ПЭ100 д=110мм.
Основание под трубы песчаное (h=0,2м) с послойным трамбованием,
выровненное с обратной засыпкой песком на 0,50м выше трубы.
.7
Теплоснабжение
Теплоснабжение сооружений осуществляется от городских сетей.
Схема теплоснабжения двухтрубная.
Теплоноситель - вода с параметрами 105-100С.
Точка ввода сети сооружение №5, где присматривается ИТП с узлом учета
тепла.
Прокладка тепловых сетей принята подземная канальная, бесканальная и
надземная на низких опорах.
Схема теплоснабжения четырехтрубная.
Трубопроводы прокладываются в готовой изоляции из пенополиуретана в
оболочке из полиэтилена при подземной прокладке и в оцинкованной оболочке - при
надземной прокладке с системой ОДК.
Трубы приняты стальные электросварные, из стали В20 [8].
Протяженность трассы - 240,0м.
.8 Отопление
В данном здании предусмотрено:
)отопление игрового зала для волейбола;
)отопление для игрового зала баскетбола;
)отопление для спортивно-административных помещений.
Разделение системы отопления на отдельные ветки предусмотрено для
удобства в обслуживании и в гидравлической балансировке системы отопления.
Предусматривается дежурная однотрубная система водяного отопления,
которая нагревает помещение +10 0С, для отопления игровых залов. До
рабочей температуры помещения нагреваются с помощью системы воздушного
отопления. В качестве отопительных приборов используются чугунные радиаторы
МС-140. Приборы устанавливаются на высоте 2м от пола.
Предусмотрена однотрубная стояковая система отопления с верхней разводкой
подающей магистрали для отопления спортивных и административных помещений. В
качестве отопительных приборов используется стальные панельные радиаторы РСВ5
ф. «Конрад».
.9 Вентиляция
Для поддержания нормируемых параметров микроклимата в помещениях
спортивного комплекса предусматриваются вытяжные, приточные с естественным и
механическим побуждением системы вентиляции, с подогревом в холодный период
наружного воздуха и очисткой его от пыли.
Предусмотрены разделительные системы вентиляции для:
. Спортивных залов.
. Залов силовых тренажеров.
. Гимнастического зала.
. Помещений инженерно-технического персонала и административного.
. Раздевальных.
. Душевых и санитарных узлов.
. Водомерного узла, ИТП.
Помещения спортивных залов предусмотрен приток и вытяжка из верхней зоны,
вытяжная вентиляция осуществляется по средствам крышных вентиляторов
установленных в кровле.
В административных помещениях воздухообмен принят по кратностям и по
санитарной норме подачи.
Из санитарных узлов и душевых предусмотрена вытяжка, приток
осуществляется за счет перетекания воздуха из помещений раздевалок.
В помещениях, обеспеченных естественной вытяжкой вентиляцией, работа
вытяжки предусматривается за счет подпора, создаваемого приточными системами в
коридоры и вестибюли.
Чтобы обеспечить быструю и безопасную эвакуацию людей и нераспространение
дыма: в коридоре первого этажа предусматривается система противодымной защиты -
система дымоудаления ДУ1.
.10
Физико-механические свойства грунтов
На основании полевых и лабораторных определений в пределах объекта
выделены инженерно-геологические компоненты: ИГЭ-1, 1а, 1б, 2-7. Произведено
разделение толщи на инженерно-геологические компоненты с учетом их
текстурно-структурных особенностей, происхождения и возраста.
Инженерно-геологические и гидрогеологические условия участка принадлежат
к III категории сложности, и
характеризуется следующим строением:
) под почвенно-растительным слоем, мощность которого составляет 0,1-0,2м
или непосредственно с поверхности залегают насыпные грунты, представленные
суглинками со строительным мусором, шлаком, битым кирпичом, гравием, галькой и
валунами - полутвердыми (ИГЭ-1), тугопластичными (ИГЭ-1а) или мягкопластичными
(ИГЭ-1б), глубина подошвы насыпных грунтов до 4,7м;
) аллювиальные отложения представлены суглинками полутвердыми до
тугопластичного со следами растительных остатков, на нижней границе с
древесными остатками, (ИГЭ-2);
) под техногенными и аллювиальными отложениями залегают моренные отложения;
) (ИГЭ-3) суглинок пылеватый, содержание гравия, гальки и валунов 15-25%;
) (ИГЭ-4) суглинок полутвердый до твердого, содержание гравия, гальки и
валунов15-25%;
) глубина подошвы мореных продуктов до 8,1м;
) (ИГЭ-5) гравийно-галечниковый грунт с суглинистым заполнителем до 30%,
глубина подошвы до 2,7м;
) инженерно - геологические компоненты, выделенные в толще четвертичных
отложений в различных частях участка, имеют изменчивую мощность и
выклиниваются.
Под четвертичными отложениями залегают известняками каменноугольной
формации:
) (ИГЭ-6) известняк сильновыветрелый, в кровле до состояния дресвы,
глубина подошвы 1,3-9,0м;
(ИГЭ-7) известняк выветрелый плитчатый.
Наличием двух водоносных горизонтов.
Первый имеет локальное распространение и приурочен к супесчаным линзам в
насыпных грунтах и аллювиальным отложениям. Водоупором являются мореные
суглинки.
Насыпные грунты (ИГЭ-1б) и аллювиальные отложения (ИГЭ-2) имеют
незначительную водопроницаемость, коэффициент фильтрации ориентировочно принять
0,1 м/сут.
Второй приурочен к известнякам. Встречен на глубине 2,8- 8,1м (абс.Отм.
109,9-105,2м). В случае глубокого залегания кровли мореных отложений имеет
местный напор. Установившийся уровень 2,8-5,5м (абс.Отм.110,2-109,9м).
.11
Теплотехнический расчет наружной стены
.11.1Определение
толщины утепляющего слоя наружной стены
Конструкция стены по таблице 1.2 и по рисунку 1.1: панель марки ПСМ ЗАО
«Петропанель» толщиной 200 мм, плотностью 150
(брутто),
- коэффициент теплоотдачи поверхности стены внутренней;
- коэффициент теплоотдачи поверхности стены наружной.
Таблица 1.2-Конструкция стены
|
№ слоя
|
Слой
|
Толщина
|
Коэффициент теплопроводности
|
|
1
|
Сэндвич - панели,
|
200мм
|
0,20м
|
0,042
|
|
|
|
|
|
Рисунок 1.1-Конструкия стены
Необходимо принимать не меньше нормируемых значений Rreq, м2·°С/Вт
сопротивление теплопередаче R0, м2·°С/Вт ограждающих
конструкций, характеризуемых согласно по таблице №1.3в связи с градусо - суток
района строительства Dd, °С·сут[4].
Таблица 1.3 - Требуемое сопротивление теплопередаче ограждающих
конструкций
|
Здания и помещения, коэффициенты a и b
|
Отопительный период, °С·сут/год
|
Требуемое сопротивление теплопередаче , м2*°C/Bт, ограждающих конструкций
- базовые значения
|
|
|
Стен
|
Покрытий и перекрытий над проездами
|
Перекрытий чердачных над неотапливаемыми подпольями и
подвалами
|
Окон и балконных дверей, витрин и витражей
|
Фонарей
|
|
1
|
2
|
3
|
4
|
5
|
6
|
7
|
|
1. Лечебно-профилактические, жилые, детские учреждения,
интернаты, школы, гостиницы и общежития
|
2000
|
2,1
|
3,2
|
2,8
|
0,3
|
0,3
|
|
4000
|
2,8
|
4,2
|
3,7
|
0,45
|
0,35
|
|
6000
|
3,5
|
5,2
|
4,6
|
0,6
|
0,4
|
|
8000
|
4,2
|
6,2
|
5,5
|
0,7
|
0,45
|
|
10000
|
4,9
|
7,2
|
6,4
|
0,75
|
0,5
|
|
12000
|
5,6
|
8,2
|
7,3
|
0,8
|
0,55
|
Продолжение таблицы 1.3
|
1
|
2
|
3
|
4
|
5
|
6
|
7
|
|
a
|
-
|
0,00035
|
0,0005
|
0,00045
|
-
|
0,000025
|
|
b
|
-
|
1,4
|
2,2
|
1,9
|
-
|
0,25
|
|
2. Административные, производственные и бытовые,
общественные, кроме указанных выше, и другие здания и помещения с мокрым
режимом или влажным
|
2000
|
1,8
|
2,4
|
2,0
|
0,3
|
0,3
|
|
4000
|
2,4
|
3,2
|
2,7
|
0,4
|
0,35
|
|
6000
|
3,0
|
4,0
|
3,4
|
0,5
|
0,4
|
|
8000
|
3,6
|
4,8
|
4,1
|
0,6
|
0,45
|
|
10000
|
4,2
|
5,6
|
4,8
|
0,7
|
0,5
|
|
12000
|
4,8
|
6,4
|
5,5
|
0,8
|
0,55
|
|
a
|
-
|
0,0003
|
0,0004
|
0,00035
|
0,00005
|
0,000025
|
|
b
|
-
|
1,2
|
1,6
|
1,3
|
0,2
|
0,25
|
Вычисляют по формуле градусо - сутки отопительного периода Dd,
°С·сут:
Dd = (tв-ton) zon, °C·сут, (1.1)
где tв
- расчетная
средняя температура здания внутреннего воздуха, которая принимается для расчета
ограждающих конструкций спортивных залов без мест для зрителей t=15°C[1];
ton, zon-средняя температура наружного воздуха, которая принимается
со средней суточной температурой наружного воздуха не более 8°C[5].
Сопротивление теплопередаче Ro, м2×°С/Вт, необходимо вычислять по
формуле:
(1.2)
где αв- коэффициент теплоотдачи ограждающей конструкции
внутренней поверхности принимается по таблице 1.4,
[4];
αн - коэффициент теплоотдачи для условий
холодного периода наружной поверхности, принимаемый по таблице 1.5,
[4];
- коэффициенты теплопроводности отдельных слоев ограждения,
.
Таблица 1.4- Коэффициент теплоотдачи ограждающей конструкции внутренней
поверхности
|
Внутренняя поверхность ограждения
|
Коэффициент теплоотдачи αв, Вт/ (м2·°С/Вт),
|
|
1. Гладких потолков, потолков у которых выступают ребра при
отношении h ребер к расстоянию a, между гранями соседних ребер h/а≤0,3, полов, стен.
|
8,7
|
|
2.Потолков, у которых выступают ребра при отношении h/а≥0,3
|
7,6
|
|
3.Окон
|
8,0
|
|
4.Зенитных фонарей
|
9,9
|
Таблица 1.5-Коэффициент теплоотдачи для условий холодного периода
наружной поверхности
|
Ограждающие конструкции с наружной поверхностью
|
Для зимних условий -коэффициент теплоотдачиαн, , Вт/ (м2·°С/Вт)
|
|
1.Перекрытий над проездами, над холодными (без ограждающих
стенок) подпольями в Северной строительно-климатической зоне, покрытий,
наружных стен
|
23
|
|
2.Перекрытий над холодным (с ограждающимися стенками)
подпольями и холодными этажами в Северной строительно-климатической зоне,
перекрытий над холодными подвалами, которые сообщаются с наружным воздухом
|
17
|
|
3.Перекрытий над подвалами, которые неотапливаются,
подвалами со световыми проемами в стенах и перекрытий чердачных, и наружных
стен с воздушной прослойкой, которая вентилируется наружным воздухом
|
12
|
|
4.Перекрытий над подвалами, которые не отапливаются и
техническими подпольями, которые не вентилируются наружным воздухом
|
6
|
Для теплотехнического расчета использованы следующие исходные данные (г.
Мирный, Архангельская обл.):
) температура пятидневки, которая наиболее холоднее: tн5= -33°С;
)отопительного период - средняя температура: tоn = -4,7°С;
3) отопительного период - продолжительность: zon=249 дня;
4) зона влажности: влажная;
) ограждающие конструкции - условия эксплуатации: Б;
) в помещениях влажностный режим - нормальный;
) в помещениях относительная влажность воздуха: φв=55%;
) температура внутреннего воздуха - расчетная: tв =15 0С;
) коэффициент теплоотдачи поверхности внутренней: αв=
;
) коэффициент теплоотдачи для стены наружной поверхности: αн =
;
) коэффициент теплоотдачи для перекрытия наружной поверхности:αн =
;
) коэффициент положения по отношению ограждающей конструкции к наружному
воздуху: n=1.
При определении толщины утепляющего слоя в качестве расчетной схемы стены
принимаем однородную многослойную ограждающую конструкцию.
Вычислим значение градуса суток отопительного периода ГСОП по формуле
(1.1):
Dd=
Вычислим требуемое сопротивление теплопередаче R0ТР из условий энергосбережения - интерполяцией:
- 2,4
- 3,0
Отталкиваясь из условия многослойной ограждающей конструкции, вычислим
сопротивление - термическое Rк:
, м2×°С/Вт, (1.3)
где R1,R2,Rвп- сопротивление ограждающих
конструкций, м2×°С/Вт.
Вычислим сопротивление теплопередаче ограждающей конструкции - общее, по
формуле:
(1.4)
Согласно конструктивным требованиям получаем толщину утепляющего слоя
0,200м. Общее сопротивление теплопередаче ограждающей конструкции в таком
случае вычислим по формуле (1.4):
;
,59<4,92 - условие соблюдается.
Выполняем контроль способности выпадения конденсата на поверхности с
внутренней стороны стены.
Без учета теплопроводных включений вычислим температуру внутренней
поверхности стены по формуле:
(1.5)
где n - коэффициент положения по отношению
ограждающей конструкции к наружному воздуху;
tв - расчетная температура воздуха
внутреннего, 0С;
tн5- температура пятидневки наиболее
холодной, 0С.
Температуре внутреннего воздуха
отвечает максимальная упругость
водяного пара
.
Принимая для спортивного зала влажность внутри помещения 55% вычислим
значение водяного пара воздуха действительной упругости помещения по формуле:
(1.6)
где φв-
влажность воздуха в помещении относительная, %;
Ев - максимальная упругость - водяного пара, Па.
Приняв
, определяем температуру, которая соответствует этому
значению:
- температура точки росы.
,
; выпадение конденсата не произойдет
.12 Теплотехнический расчет кровли в осях 7 -12
Рисунок 1.2 - Конструкция покрытия
Таблица 1.6-Конструкция покрытия
|
Слой
|
Коэффициент теплопроводности λБ, Вт/(м °С)
|
Толщина слоя d, м
|
|
Засыпка из гравия
|
0,19
|
0,015
|
|
Унифлекс - технониколь
|
-
|
0,008
|
|
Стяжка из цементно-песчаного раствора
|
0,93
|
0,03
|
|
Утеплитель - мин. Вата
|
0,04
|
0,270
|
Вычислим значение градуса суток отопительного периода ГСОП по формуле
(1.1):
Dd =
Вычислим требуемое сопротивление теплопередаче по формуле:
(1.7)
где а, b- коэффициенты требуемого
сопротивления теплопередаче ограждающих конструкций - базовых значений по
таблице 1.3.
Вычислим сопротивление теплопередаче ограждающей конструкции - общее, по
формуле (1.2):
- условие выполнено.
2. РАСЧЕТНО-КОНСТРУКТИВНЫЙ РАЗДЕЛ
.1 Сбор
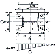
нагрузок на балочную клетку между осями Б-В
Балочной клеткой является система балок, образующих несущую конструкцию
перекрытия, покрытия.
Рисунок 2.1 - Нормальная балочная клетка
Рисунок 2.2 - Грузовая площадь балок настила
Таблица 2.1 - Сбор нагрузок от перекрытия
|
Вид нагрузки
|
Нормативная нагрузка, кН/м2
|
Коэффициент надежности по нагрузке g¦
|
Расчетная нагрузка, кН/м2
|
|
Профнастил Н60-845-0,8, m=9,94 кг/м2
|
0,099
|
1,05
|
0,104
|
|
Постоянная Бетон В15; t прив=70мм (ρ = 25 кН/м3)
|
1,75
|
1,3
|
2,275
|
|
Цементно-песчаная подготовка t=25мм (ρ = 20 кН/м3)
|
0,5
|
1,3
|
0,65
|
|
Керамическая плитка t=8мм (ρ = 18 кН/м3)
|
0,144
|
1,2
|
0,173
|
|
Перегородки 23,5х4,05х0,6/36
|
1,586
|
1,2
|
1,903
|
|
Итого постоянной
|
4,079
|
|
5,105
|
|
Временная нагрузка
|
4
|
1,2
|
4,8
|
|
Итого временная и постоянная
|
8,079
|
|
9,905
|
Таблица 2.2 - Сбор нагрузок от покрытия
|
Вид нагрузки
|
Нормативная нагрузка, кН/м2
|
Коэффициент надежности по нагрузке g¦
|
Расчетная нагрузка, кН/м2
|
|
1
|
2
|
3
|
4
|
|
Защитный слой гравия t=15мм (ρ = 6 кН/м3)
|
0,09
|
1,3
|
0,117
|
|
2 слоя Унифлекс t=8мм (ρ = 12 кН/м3)
|
0,096
|
1,2
|
0,115
|
|
Цементно-песчаная армированная стяжка t=30мм (ρ
= 25 кН/м3)
|
0,75
|
1,3
|
0,975
|
Продолжение таблицы 2.2
|
Утеплитель - мин. вата t=270мм (ρ = 1,2 кН/м3)
|
0,324
|
1,2
|
0,389
|
|
1 слой Унифлекс t=4мм (ρ = 12 кН/м3)
|
0,048
|
1,2
|
0,058
|
|
Профнастил Н60-845-0,8, m=9,94 кг/м2
|
0,099
|
1,05
|
0,104
|
|
Прогоны, шаг 1,5м 25Б2, m=29,6 кг/м
|
0,197
|
1,05
|
0,207
|
|
Балка, шаг 6м 40Б2, m=66 кг/м
|
0,11
|
1,05
|
0,116
|
|
Подвесной потолок m=8 кг/м2
|
0,08
|
1,2
|
0,096
|
|
Итого постоянной
|
1,794
|
|
2,177
|
|
Временная снеговая нагрузка 1 вариант 0,172Т/м2=1,687
кН/м2
|
1,687
|
1,4
|
2,362
|
|
Временная снеговая нагрузка 2 вариант среднее значение в
осях 7-8, 11-12 (0,177+0,489)/2=0,333Т/м2=3,267 кН/м2
|
3,267
|
1,4
|
4,574
|
|
Итого временная 2 вариант и постоянная
|
5,061
|
|
6,751
|
Снеговая нагрузка посчитана в программе Вест, расчет представлен в
приложении 3.
.2 Расчет
балок настила для перекрытия
Шаг балок настила, а = 1,5 м.
Нормативные и расчетные значения погонных нагрузок на балки определяют по
формулам:
qn = 1,01´ pn ´a, кН/м, (2.1)= 1,01´ p´a, кН/м, (2.2)
где 1,01 - коэффициент, учитывающий собственный вес рассчитываемой балки
(1% от нагрузки);
рn - нормативная нагрузка, кН/м2;
р - расчетная нагрузка, кН/м2;
а - ширина грузовой площади, равная шагу балок настила, а=1,5м;
qn = 1,01·8,079·1,5 = 12,24 кН/м
q =
1,01·9,905·1,5 = 15,01 кН/м.
Расчетные значения максимального изгибающего момента (в середине балки):
ММАХ =
кН·м, (2.3) QМАХ =
, кН, (2.4)
где l=6 м - пролет балок настила
ММАХ =
= 67,55 кН·м
QМАХ =
= 45,03 кН
Требуемый момент сопротивления сечения:
WX тр =
, см3, (2.5)
где с1 - коэффициент, учитывающий пластическую работу сечения
в зависимости от отношения площади полки сечения Аf к площади стенки
Аw; при предварительном подборе сечения значение с1
принять равным 1,1;
Ry - расчетное значение сопротивления стали растяжению, сжатию
и изгибу, для фасонного проката в зависимости от толщины и класса стали; RY=240 МПа (С255)
gc -
коэффициент условий работы конструкции, принимаемый для балок равным 1,0.
WX тр =
= 0,000256 м3 = 256 см3
Подбираем двутавр с WX ≥
WX тр двутавр стальной горячекатаный №25Б2
WX = 324,2см3, bf = 125мм, tf=
9мм, Ix=4052 см4, h=250мм, А=37,66см2,
qсв=0,296кН/м (qсв=29,6кг/м)
Определяем значение
Af = bf ·tf , см2, (2.6)
Aw = A - 2·Af , см2, (2.7)f
= 12,5·0,9 = 11,25см2w = 37,66 - 2·11,25 = 15,16
см2
Вычисляем
Af / Aw = 11,25/15,16= 0,742
По приложению Е.1 [31] уточняем значение сх; сх =
1,096.
Уточняем значение:
qн = pn·a + gсв, кН/м, (2.8)
qн = 8,079·1,5 + 0,296 = 12,41 кН/м
q = p·a+gсв·γfg , кН/м, (2.9)
q =
9,905·1,5 + 0,296·1,05 = 15,17 кН/м
ММАХ =
= 68,27 кН·м
QМАХ =
= 45,51 кН
Проверка принятого сечения по первой группе предельных состояний
σ =
≤ Ry·γc, МПа, (2.10)
σ =
= 192,1 МПа ≤ 240·106·1 = 240МПа
Проверка принятого сечения по второй группе предельных состояний
f/l = ≤
[f/l], (2.11)
где
[f/l] = 1/250
f/l =
= 0,0039
,0039
= 0,004 => проверка выполняется.
2.3 Расчет
главной балки для перекрытия
Определяем значение нагрузки на главную балку:
qn = (qБНн/а + рn)1,02·В, кН/м, (2.12)
qn = 1,02·6(0,296/1,5 +8,079) = 50,65 кН/м
q=((qБНн/а)
+р)1,02·В, кН/м, (2.13)
q=
1,02·6((0,296/1,5)·1,05+9,905)=61,89 кН/м
Определяем максимальный изгибающий момент, поперечную силу, требуемый
момент сопротивления сечения:
Мmax =
кН∙м
Qmax =
кН/м
WХ
тр =
= 1055 см3
Подбираем двутавр с WX ≥
WX тр двутавр стальной горячекатаный №40Б2
WX = 1185,3см3, bf = 200мм, tf=
13мм, Ix=23706 см4, h=400мм, А=84,12 см2,
qсв=0,66 кН/м (qсв=66 кг/м)
Af = 20·1,3 = 26 см2
Aw = 84,12 - 2·26 = 32,12 см2
Вычисляем
Af / Aw = 26/32,12= 0,809
По приложению Е.1 [31] уточняем значение сх; сх =
1,089.
Уточняем нагрузки
qn = (qБНн/а + рn)·В + gnсв. ГБ, кН/м, (2.14)
qn = 6(0,296/1,5 + 8,079) + 0,66 = 50,32 кН/м
q = ((qБНн/а)
+ р)·В + gnсв. ГБ·γfg, кН/м,
(2.15)
q =
6((0,296/1,5)·1,05 + 9,905) + 0,66·1,05 = 60,37 кН/м
ММАХ =
= 271,67 кН·м
Qmax =
= 181,11 кН
Проверка принятого сечения:
по первой группе предельных состояний
210,5МПа < 240МПа
по второй группе предельных состояний
условие выполняется.
Ребра жесткости для крепления балок настила конструируют парными при
сопряжении в одном уровне. Шаг балок настила 1.5м.
, м, (2.16)
, м, (2.17)
= 37мм, принимаем 80 мм
=5,5мм, принимаем 6 мм
Проектирование примыкания балок настила к
главной балке.
Рисунок 2.3 - Примыкание балок настила к главной балке
Расчетное усилие, которое может быть воспринято одним болтом в таком
соединении, следует определить по формулам:
на срез:
Nbs = Rbs ∙gb ∙Ab ∙ ns , кН, (2.18)
на смятие:
Nbp = Rbp ∙
gb ∙ d ∙åtmin , кН, (2.19)
где Rbs, Rbp - расчетные сопротивления болтов срезу
и смятию, равные 210 МПа и 485 МПа соответственно для болтов класса точности
5.6.
gb -
коэффициент условий работы соединения, gb =1,0 при работе на срез и gb =1,1 при работе на смятие.
Аb = расчетная площадь сечения болта,
равная 2,01 см2;
ns - число
расчетных срезов одного болта, принимаем =1;- наружный диаметр болта, равный
16мм.
å tmin - наименьшая суммарная толщина элементов,
сжимаемых в одном направлении - min из
ts = 6 мм и tн= 6 мм.
кН
кН
Количество болтов в соединении:
n ³ (Qmax БН) / (gc ∙ Nmin), (2.20)
где Nmin - меньшее из значений Nbs и Nbp.
Расстояние между центрами болтов «а» и от края элемента «а*» или «b*»
принято кратным 5мм.
Принимаем 2 болта.
Прочность накладки на срез проверяется по формуле:
t = (Qmax БН(ВБ)) / Aн, ≤ Rs*gc , МПа, (2.21)
где Ан - площадь сечения накладки нетто, равная Ан
= lн ∙ tн - n ∙ dотв ∙ tн
,
tн - толщина накладки,н - длина накладки.
н(мах)= (4+8+4)*dотв=16*19=304 мм => принимаем 180 мм
Rs=0.58*Ry=0.58*240=139.2 МПа
Ан = 18∙0,6 -2∙1,9∙0,6=8,52 см2
t = 45,03/8,52∙10-4= 52,9 МПа<139,2 МПа
Сварные швы «А» проверяются на совместное действие усилия QmaxБН и
изгибающего момента М = QmaxБН ∙ е:
, (2.22)
, (2.23)
где lw - расчетная длина шва,
е - эксцентриситет приложения силы QmaxБН,f - катет
шва, принимаемый kfmin £ kf £ 1.2 ∙ tmin
lw = lн -10,
мм , (2.24)
е = с/2 + f + (bef - br)
+ a*, мм, (2.25)w
= 180 - 10 = 170 мм
ммf = 5 мм
Rwf = 200 МПаwz = 0,45·Run = 0,45·370 = 166,5 МПа
МПа
108,3 МПа < 200 МПа
МПа
,8 МПа < 166,5 МПа
Условие выполняется.
2.4 Расчет
балок настила для покрытия
Шаг балок настила а = 1,5 м.
Нормативные и расчетные значения погонных нагрузок на балки определяют по
формулам:
qn = 1,01·5,061·1,5 = 7,67 кН/м
q =
1,01·6,751·1,5 = 10,23 кН/м.
Расчетные значения максимального изгибающего момента (в середине балки):
l=6 м
- пролет балок настила
ММАХ =
= 46,04 кН·м
QМАХ =
= 30,69 кН
Требуемый момент сопротивления сечения:
WX тр =
= 0,000174 м3 = 174 см3
Подбираем двутавр с WX ≥
WX тр двутавр стальной горячекатаный №25Б2
с учетом унификации типов размеров
WX = 324,2см3, bf = 125мм, tf=
9мм, Ix=4052 см4, h=250мм, А=37,66см2,
qсв=0,296кН/м (qсв=29,6кг/м)
Af = 12,5·0,9 = 11,25см2
Aw = 37,66 - 2·11,25 = 15,16 см2
Вычисляем
Af / Aw = 11,25/15,16= 0,742
По приложению Е.1 [31] уточняем значение сх; сх =
1,096.
Уточняем значение:
qн = 5,061·1,5 + 0,296 = 7,89 кН/м
q =
6,751·1,5 + 0,296·1,05 = 10,44 кН/м
ММАХ =
= 46,98 кН·
QМАХ =
= 31,32 кН
Проверка принятого сечения по первой группе предельных состояний
σ =
= 132,2 МПа ≤ 240·106·1 = 240МПа
Проверка принятого сечения по второй группе предельных состояний
f/l =
= 0,0027
.5 Расчет
главной балки для покрытия
Определяем значение нагрузки на главную балку:
qn = 1,02·6(0,296/1,5 + 5,061) = 32,18 кН/м
q=
1,02·6((0,296/1,5)·1,05+6,751)=42,58 кН/м
Определяем максимальный изгибающий момент, поперечную силу, требуемый
момент сопротивления сечения:
Мmax =
кН∙м
Qmax =
кН/м
WХ
тр =
= 726 см3
Подбираем двутавр с WX ≥
WX тр двутавр стальной горячекатаный №40Б2
с учетом унификации типов размеров
WX = 1185,3см3, bf = 200мм, tf=
13мм, Ix=23706 см4, h=400мм, А=84,12 см2,
qсв=0,66 кН/м (qсв=66 кг/м)
Af = 20·1,3 = 26 см2
Aw = 84,12 - 2·26 = 32,12 см2
Вычисляем
Af / Aw = 26/32,12= 0,809
По приложению Е.1 [31] уточняем значение сх; сх =
1,089.
Уточняем нагрузки
qn = 6(0,296/1,5 + 5,061) + 0,66 = 32,21 кН/м
q =
6((0,296/1,5)·1,05 + 6,751) + 0,66·1,05 = 42,44 кН/м
ММАХ =
= 190,98 кН·м
Qmax =
= 127,32 кН
Проверка принятого сечения:
по первой группе предельных состояний
148 МПа < 240МПа
по второй группе предельных состояний
условие выполняется.
Ребра жесткости для крепления балок настила конструируют парными при
сопряжении в одном уровне. Шаг балок настила 1.5м.
= 37мм, принимаем 80 мм
=5,5мм, принимаем 6 мм
Проектирование примыкания балок настила к
главной балке обозначено на рисунке 2.3.
кН
кН
Принимаем 2 болта по типу балок перекрытия.
Прочность накладки на срез:н(мах)= (4+8+4)*dотв=16*19=304 мм => принимаем 180 мм
Rs=0.58*Ry=0.58*240=139.2 МПа
Ан = 18∙0,6 -2∙1,9∙0,6=8,52 см2
t = 30,69/8,52∙10-4= 36 МПа<139,2 МПа
Сварные швы «А» проверяются на совместное действие усилия QmaxБН и
изгибающего момента М = QmaxБН ∙ е:
lw = 180 - 10 = 170 мм
мм
kf = 5 мм
wf = 200 МПаwz = 0,45·Run =
0,45·370 = 166,5 МПа
МПа
,8 МПа < 200 МПа
МПа
,7 МПа < 166,5 МПа
Условие выполняется.
2.6 Расчет средней колонны 1-ого этажа по оси 8, 11
Расчетные усилия в колонне определены в результате статического расчета
поперечной рамы, указаны в приложении 4 - N=545,05 кН, M=10,08
кН/м.
Коэффициент µ находим по формуле (145) [31] таблица 31:
(2.26)
Т.к. при шарнирном креплении нижних или верхних ригелей к колоннам
принимается
0 по п. 6.10* согласно [31], то
lefx = 0,7 × 3,4 =
2,38 м
Определение требуемой площади сечения:
(2.27)
где Rу = 240 МПа - расчетное сопротивление стали по пределу
текучести (С 255)
γn = 1; γс = 1
φe - коэффициент, определяемый в зависимости от условной
гибкости стержня
и приведенного относительного эксцентриситета mef
, (2.28)
, (2.29)
С учетом того, что колонна на 2 этажа и общая длина 7,2м
, примем 250 мм.
где
- условная гибкость стержня колонны;
- радиус инерции сечения (в предварительных расчетах принять
для двутавра
ix = 0,42 × h
= 0,42 × 0,25 = 0,105
м
Е = 2,1 × 105
МПа - модуль упругости стали
, (2.30)
где
- приведенный относительный эксцентриситет;
- коэффициент влияния формы сечения по табл. Д.2 [31];
- относительный эксцентриситет, определяется
, (2.31)
(здесь
,
, в предварительных расчетах принять
,
)
η =
(2.32)
1,9–0,1*0,21)–0,02(6–0,21) *0,77=1,79
φe = 0,85 - по таблице Д.3 [31]
Требуемая площадь:
По сортаменту СТО АСЧМ 20-93 принимаем двутавр 25К1:
А = 79,72 см2, h =
246 мм,
b =
249 мм, s = 8 мм,
t = 12
мм, ix = 107,3 мм,
iу = 62,3 мм, Wх = 745,6 см3
Iх = 9171 см4
см;
(2.33)

→
=(1,9–0,1*0,2)–0,02(6–0,2) *0,75=1,8
=> φe = 0,851 - по таблице Д.3 [31].
Проверка принятого сечения
Проверку прочности внецентрено - сжатых колонн выполняют при приведенном
относительном эксцентриситете mef > 20.
Проверка устойчивости в плоскости рамы, т.к. mef = 0,36 < 20
, МПа, (2.34)
Проверка устойчивости:
из плоскости рамы:
, (2.35)
- в плоскости рамы:
По п. 9.2.8 [31] при λx < λy проверка из плоскости момента не
требуется.
Проверка по гибкости:
λх≤[ λх], (2.36)
[λх]=180-60*αх, (2.37)
где
- коэффициент принимаемый не менее 0,5
, (2.38)
x=
, (2.39)
x=
Тогда по таблице Д.1. [31] φx = 0,847
= 0.336
[λ] х = 180 –
60 × 0,5 = 150
λу≤[ λу],
y=
Тогда по таблице Д.1. [31] φy = 0,971
= 0.293
[λ] y = 180 – 60 × 0,5 = 150
Колонна среднего ряда в пределах 2 этажа
Коэффициент µ находим по формуле (145) [31] таблица 31
Т.к. при шарнирном креплении нижних или верхних ригелей к колоннам
принимается
0 по п. 6.10* согласно [31], то
lefx = 0,7 × 3,8 =
2,66 м
ix = 0,42 × h
= 0,42 × 0,25 = 0,105 м
=(1,9–0,1*0,14)–0,02(6–0,14) *0,86=1,79
φe = 0,873 - по таблице Д.3 [31]
Требуемая площадь:
По сортаменту СТО АСЧМ 20-93 принимаем двутавр 25К1:
А = 79,72 см2, h =
246 мм,
b =
249 мм, s = 8 мм,
t = 12
мм, ix = 107,3 мм,
iу = 62,3 мм, Wх = 745,6 см3
Iх = 9171 см4
Уточняем:
см;

→
=(1,9–0,1*0,13)–0,02(6–0,13) *0,84=1,79
=> φe = 0,875 - по таблице Д.3 [31].
Проверка принятого сечения
Проверку прочности внецентрено - сжатых колонн выполняют при приведенном
относительном эксцентриситете mef > 20.
Проверка устойчивости в плоскости рамы, т.к. mef = 0,23 < 20
Проверка устойчивости:
из плоскости рамы:
в плоскости рамы:
По п. 9.2.8 [31] при λx < λy проверка из плоскости момента не
требуется.
Проверка по гибкости:
x=
Тогда по таблице Д.1. [31] φx = 0,962
= 0.107
[λ] х = 180 –
60 × 0,5 = 150
y=
Тогда по таблице Д.1. [31] φy = 0,814
= 0.126
[λ] y = 180 – 60 × 0,5 = 150
База внецентрено - сжатой колонны среднего ряда
М= 10.08 кНм; N=545.05 кН.
По конструктивным соображениям принимаем В=40 см. Фундамент из бетона
класса В20 с Rb=11.5МПа и Rb,lok=φb·Rb=1.2·11.5=13.8 МПа.
, м, (2.40)
Принимаем по конструктивным соображениям L=500 мм.
Определяем толщину опорной плиты.
Участок 1(консольный участок):
Изгибающий момент по формуле
(2.41)
где А1-площадь трапеции условного консольного участка плиты,
см2;
С1-расстояние от центра тяжести трапеции до условной опорной
кромки плиты, см.
Толщина опорной плиты
(2.42)
Сталь С255 при t >
20 мм, Ry=230 МПа
Участок 2(консольный участок):
(2.43)
Участок 3 (участок опертый на 3 канта):
(2.44)
Для участка плиты, опертого на три стороны, а
зависит от отношения
по таблице Е.2 [31], где d1- длина свободной стороны,
длина стороны, перпендикулярной к
свободной.
=>
(2.45)
.
Принимаем толщину плиты 20 мм.
Рисунок 2.10 - Напряжения в базе колонны
Проверяем прочность опорной плиты в сечении 1-1:
, МПа, (2.46)
(2.47)
Здесь:
, кН, (2.48)

, МПа, (2.49)
Прочность обеспечена.
Расчет анкерных болтов
Растягивающее усилие в анкерных болтах:
, (2.50)
На один анкерный болт приходится усилие 31,2 кН. Назначаем анкерные болты
диаметром 24 мм.
Проверка приведенных напряжений в плите в зоне действия анкерных болтов
по сечению 1-1:
,МПа, (2.51)
, МПа, (2.52)
Прочность обеспечена.
.7 Расчет столбчатого фундамента под колонну
Расчет фундамента выполним для наиболее нагруженной колонны среднего ряда
N=545,05 кН, M=10,08 кНм.
Глубина заложения d =
-2,1 м.
Сопротивление грунта основания суглинка тугопластичного R0 = 0.25 МПа. Бетон В15. Средний удельный вес материала
фундамента и грунта на его уступах γm = 20 кН/м3. Арматура из
сеток класса А400.
Рисунок 2.11 - Фундамент
Под фундамент устраивают бетонную подготовку из класса В3,5 толщиной 100
мм, чтобы избежать попадание грунтовых вод. Для защиты арматуры устраивают защитный
слой 50 мм.
.7.1 Определение размеров подошвы фундамента
Усилие на уровне подошвы фундамента определяем по формулам:
; (2.53)
(2.54)
кН (2.55)
кН∙м;
кН;
Нормативное усилие и момент:
кН.
Требуемая площадь подошвы фундамента.
A =
(2.56)
γm = 20 кН/м3= 2,1 м0 = 0.25 МПа =
м2
Т.к. фундамент является внецентрено нагруженным, подошва фундамента
принимается прямоугольной формы, развернутой в плоскости изгибающего момента.
Назначаем фундамент a =
1700 мм, b = 1400 мм
А = 2,38 м2.
.7.2 Определение количества ступеней в фундаменте
Рабочая высота подошвы фундамента определяется по расчетной максимальной
нагрузке
.
h0 ≥
(2.57)
Принимаем размеры стакана в соответствии с размерами колонны
aст = 800 мм
bст = 500 мм
Rbt = 0.750 МПа (В15)
кН/м2 (2.58)
h01 ≥
= 0,053 м
Принимаем 1 ступень. Назначаем высоту ступени h = 0.4 м
Þ h0 = h - a =
400 - 50 = 350 мм
2.7.3 Определение напряжений под подошвой фундамента
Рnmax,min =
·(1 ± 6·e0/a) (2.59)
Эксцентриситет от приложенной нагрузки
e0 =
(2.60)
e0 =
м;
Рnmax =
·(1 + 6·0.009/1,7) = 213,3 кН/м2
Рnmax ≤ 1.2·R0 = 1.2·250 = 300 кПа
,3 кПа < 300 кПа
Условие выполняется.
Рnmin =
·(1 - 6·0.009/1,7) = 200,2 кН/м2
Рnmin > 0
Условие выполняется, следовательно, размеры подошвы фундамента оставляем
1,7´1,4 м.
.8.4 Расчет плиты фундамента на продавливание
При расчете на продавливание рассматривают расчетное поперечное сечение,
расположенное вокруг зоны передачи усилий на элемент на расстоянии h0/2 нормально к его продольной оси, по поверхности
которого действуют касательные усилия от сосредоточенной силы и изгибающего
момента.
Расчет производим из условия:
, (2.61)
где
-сосредоточенная сила на уровне ступени фундамента
-периметр контура расчетного поперечного сечения,
расположенного на расстоянии 0,5h0 от границы площадки опирания
сосредоточенной силы N,
, (2.62)
(2.63)
м
м;
кН
кН;
кН.
Условие выполняется.
Для внецентрено сжатых элементов необходимо проверить условие на действие
внецентрено приложенной сосредоточенной силы относительно центра тяжести
контура расчетного сечения.
(2.64)
где
- длина контура незамкнутого расчетного сечения;
-момент инерции контура расчетного сечения;
(2.65)
-расстояние от центра тяжести контура расчетного сечения до
проверяемого волокна
-для волокна у противоположного края плиты;
е0-эксцентриситет сосредоточенной силы относительно центра
тяжести контура расчетного сечения;
(2.66)
- расстояние точки приложения сосредоточенной силы от края
фундамента.
Рисунок 2.12 - Фундамент внецентрено сжатый
м
м4
м
кН
условие выполняется.
Расчет элементов без поперечной арматуры на продавливание при совместном
действии сосредоточенных сил и изгибающего момента:
см3
Условие на продавливание выполняется.
.7.5 Расчет рабочей арматуры фундамента
В фундаменте 1 ступень, поэтому расчет производим по 1 сечению. Площадь
арматуры определяется на действие момента
в первом сечении. Окончательно
назначают арматуру большей площади. В качестве рабочей арматуры подошвы
фундамента используют арматуру класса А400. Диаметр арматуры принимается не
менее 10 мм, шаг стержней принять 100,150 или 200 мм. Количество стержней сетки
определяется по габаритам подошвы. Расчет арматуры вычисляется в 2-х
направлениях: в направлении длинной стороны, в направлении короткой стороны.
Изгибающий момент для расчета арматуры по длинной стороне плиты
фундамента при наличии одной ступени:
М1-1 = 0.125·р·(а - aст)2·b, (2.67)
где давление грунта под подошвой р = (Рmax+Рподк)/2
(2.68)
W = =
= 0,674 м3 (2.69)
Р1
= 561,55/2,38 + 5,3/0,674 = 243,8 кН/м2
Р2
= 561,55/2,38 - 5,3/0,674 = 228,1 кН/м2
Рподк=Р1-((Р1-Р2)аст/а)
(2.70)
Рподк=243,8-((243,8-228,1)0,8/1,7)=236,4
кН/м2
р
= (Рmax+Рподк)/2 (2.71)
р
= (213,3+236,4)/2 = 224,85 кН/м2
М1-1
= 0.125·р·(а - aст)2·b
а
= 1,7 м; аст = 0,8 м; b = 1,4 м
М1-1
= 0.125·224,85·(1,7 - 0,8)2·1,4 = 31,9 кН∙м
, (2.72)
где
Rb=8.5 МПа для бетона В15
для
арматуры А400. Условие выполняется.
Требуемая
площадь арматуры в направлении длинной стороны:
AS =
(2.73)
AS =
=2,6 см2S = 355·103 кПа dmin = 10 мм
Назначаем шаг стержней 200 мм, определим количество стержней:
, (2.74)
Определим площадь одного стержня
см2 (2.75)
Принимаем 9Æ10 A400, ASФАКТ = 7,065 см2 Момент для
расчета арматуры по короткой стороне плиты фундамента при наличии одной
ступени:
М1-1= 0.125·р·(b - bс)2·a (2.76)
W = =
= 0,555 м3
Р1(1)
= 561,55/2,38 + 5,3/0,555 = 245,5 кН/м2
Р2(1)
= 561,55/2,38 - 5,3/0,555 = 226,4 кН/м2
р
= (213,3+238,7)/2 = 226 кН/м2
bст = 0.5 м
М1-1=0.125∙226∙(1,4-0.5)2∙1,7
=38,9 кН∙м
(2.77)
Требуемая площадь арматуры в направлении короткой стороны:
AS =
(2.78)
AS =
=3,2 см2
Назначаем шаг стержней 200 мм, определим количество стержней:
, (2.79)
Определим площадь одного стержня
см2
Принимаем 7Æ10 A400, ASФАКТ = 5,495 см2
Марка сетки C1 
1660
1360
ГОСТ 23297 - 85.
.7.6 Расчет сопряжения стакана фундамента с плитной частью фундамента
Момент на уровне примыкания стакана к подошве:
(2.80)
hcт
= 1,5 м
М*inf = 10,08 - 2,54·1,5 = 6,27 кН·м
кН (2.81)
Продольная сила на уровне примыкания стакана к подошве:
(2.82)
кН;
Рисунок 2.13 - Расчетная схема сопряжения стакана с плитной частью:
а) разрез по фундаменту; б) разрез 1-1; в) расчетное сечение стакана.
Определяем положение н.о.
(2.83)
м.
Рисунок 2.14 - Приведенное сечение стакана
Площадь сечения растянутой арматуры определяют как для прямоугольного
сечения шириной b.
(2.84)
AS =
AS =
=0,2 см2
По конструктивным соображениям
см2
Принимаем сечение 5 Æ10 А400 с ASФАКТ = A’SФАКТ = 3,925 см2.
Арматуру класса А400 устанавливаем по длинной стороне стакана с шагом не
более 400 мм и диаметром не менее 10 мм, для фиксации положения поперечного
армирования стакана. Примем 6Æ10 А400 с АS1=4,71
см2.
3. ТЕХНОЛОГИЧЕСКИЙ РАЗДЕЛ
.1 Область применения технологической карты
Тех карта выполнена на монтаж сэндвич-панелей спортивного комплекса,
расположенного в Архангельской области г.Мирный.
Материалы - сэндвич панели марки ПКМ Петропанель 250мм и ПСМ Петропанель
200мм соответственно.
Спортивный комплекс представляет собой многоугольник с размерами в осях
91,02х24м. Здание условно можно разделить на 3 части, 2 универсальных
спортивных зала в один этаж и административно бытовой блок в 2 этажа.
Административно бытовой блок относится к каркасному типу, состоящего из
балок и колонн. Шаг металлических колонн 6 и 8 м. Перегородки кирпичные и из
ГКЛ. Пристроены 2 лестничные клетки, стены из кирпича.
Конструкция спортивных залов выполнена по рамной схеме. Поперечные рамы и
связывающие их продольные элементы являются несущим остовом. Жестко заделаны в
фундамент -колоны и поперечная рама каркаса. Продольные элементы каркаса
воспринимают помимо нагрузок собственной массы продольные нагрузки от ветра и
гарантируют устойчивость каркаса в продольном направлении. К этим элементам
относятся: балки, прогоны, специальные связи и несущие конструкции ограждающей
части покрытия.
В здании предусмотрено естественное освещение, естественная и
принудительная вентиляция. Естественное освещение осуществляется через проемы в
ограждающих конструкциях здания.
3.2
Определение объемов строительно - монтажных работ
На основании данных задания определяем количество монтажных элементов, их
массу и размеры, длину сварных швов. Сведения по определению количества
элементов и перечень рабочих процессов внесены в таблицу 3.1.
Таблица 3.1 - Сводная ведомость объемов работ
|
Наименование конструкции и рабочих операций
|
Ед. Изм.
|
Объем, кол-во
|
Эскиз
|
Масса, т ед./общ.
|
|
1
|
2
|
3
|
4
|
5
|
|
Стеновые панели толщиной 200мм вертикальный монтаж
|
шт.
|
442
|
|
0,235.. 0,027/ 57,028
|
|
Стеновые панели толщиной 200мм горизонтальный монтаж
|
шт.
|
70
|
|
0,291.. 0,031/ 9,515
|
|
Панели покрытия толщиной 250мм
|
шт.
|
216
|
|
0,33.. 0,171/ 65,897
|
|
Фасонные элементы
|
шт.
|
293
|
|
1,819
|
3.3 Организация и технология выполнения работ
3.3.1 Подготовительные работы
Рассмотренные технологической картой работы, которые входят в состав
согласно [20], [10], [23].
Перед тем, как начать монтажные работы создают площадки для проезда и
стоянки панелевозов во время разгрузки, планировку площадки, прокладывают временные
дороги. В местах, где осуществляют разгрузку панелевозов при сквозном проезде
выполняют уширение дороги до 9 м и длиной 20-30 м с твѐрдым основанием,
можно из сборных железобетонных плит, а если сквозного проезда нет - ещё одну
площадку для стоянки и разворота панелевозов.
Площадка, на которой осуществляются монтажные работы должна быть
освобождена от строительных конструкций, материалов, механизмов и строительного
мусора и ограждена согласно требованиям [11].
Леса устанавливаются согласно с инструкциями предприятий - изготовителей
лесов. Расстояние от плоскости крепления сэндвич-панелей на колоннах, прогонах,
ригелях до лесов должно быть увеличено со 150 до 300мм для того что бы была
возможность их монтажа.
Устанавливают инвентарные мобильные помещения на монтажной площадке:
) склад для хранения фасонных деталей, панелей и крепежных элементов - не
отапливаемый;
) мастерская, что бы в ней выполнялись подгоночные работы в построечных
условиях.
В мастерской производятся следующие работы:
) резка сэндвич-панелей и их раскрой;
) комплектация и подгонка фасонных элементов.
Стальную облицовку сэндвич-панелей режут обычно циркульными пилами,
лобзиками, ручными ножовками с мелким зубом, утеплителя - специальными ножами.
Стальную стружку необходимо немедленно убирать, а то она повредит у панели её
облицовочную поверхность.
Абразивные круги для резки фасонных и крепёжных элементов, панелей,
применять не стоит.
Сварочные и механические работы, которые связанны с резанием и
шлифованием абразивными кругами, выполняют на таком расстоянии от панелей, на
котором не будет повреждена облицовочная поверхность панели.
Трёхслойные сэндвич - панели временно хранят в заводской упаковке,
которая обеспечивает водонепроницаемость пакета, на закрытом складе (под
навесом), который защищён от попадания прямых солнечных лучей, атмосферных
осадков и пыли. Склад обязательно должен закрываться, быть сухим и выполнен из
твердого покрытия пола.
Ели трёхслойные сэндвич - панели в заводской упаковке временно хранятся
на открытой площадке, то необходимо соблюдать условия:
) площадка выполняется с отводом талых вод и с уклоном в сторону дренажа
воды;
) пакеты кладут в штабель, высота которых не более 2,4м на деревянных
брусках, толщина которых не менее 10 см, с шагом 1-1,5м;
) пакеты зачехляют водозащитным материалом, например брезентом таким
образом, чтобы основание пакетов сохранилось открытым и под пакетами появилась
циркуляция воздуха.
Временное хранение и укладывание сэндвич - панелей выполняется в
зависимости очерёдности их монтажа.
Грузоподъемные работы с сэндвич - панелями создают с применением
специальных съёмных грузозахватных устройств, которые исключают дефекта
панелей:
) полотенец - (текстильных ленточных строп);
) навешиваемые на траверсы вакуумные захваты;
) механических захватов-струбцин.
Перед тем, как начать работы по монтажу фасада здания, то необходимо
завершить все работы по подготовительному периоду, нулевому циклу и монтировать
стальные (железобетонные) конструкции сооружения.
В состав подготовительных работ входит на монтажной площадке осмотр
средств механизации, инструмента, строительных лесов, оценка технического
состояния, комплектности и готовности к работе.
Обязательно нужно выполнять геодезический контроль точности несущих
конструкций фасада здания, устанавливать высотные отметки маяков, наносить
установочные риски для монтажа панелей.
Разбивается на захватки площадь фасада здания, в которых выполняется
деятельность разными бригадами (звеньями) монтажников.
Там где находится и работает стреловой кран, выполняется площадка для
размещения:
) склада-пирамиды с целью сохранения, в случае необходимости, резерва
сэндвич - панелей и пакетов с фасонными элементами до 10% сменной
необходимости;
) контейнеров, в которых находятся герметики и утеплители, монтажные
устройства, крепёжные детали;
) площадка, на которой хранятся грузозахватные приспособления.
Проверяется присутствие журнала монтажных работ, проектов производства
работ, проектной документации, инструкций и нормативных документов,
На захватке обязаны быть до начала монтажных работ:
) сформированы рабочие места монтажников, определены контейнеры для
фасонных деталей, герметиков и утеплителя, общестроительных материалов,
инвентаря, инструмента, расположены монтажные приспособления;
) установлены страховочные приспособления, и опасная зона должна временно
быть ограждена.
Обеспечивается прожекторами, освещение рабочих мест, установленными на
прожекторных вышках [12].
.3.2 Основные работы
Производство монтажных работ.
Монтажные работы выполняются как поочередными, так и параллельными
технологическими струями.
Когда идет дождь, то необходимо осуществить мероприятия по укрытию
панелей от ливня, для того чтобы устранить промокание раскрытых зон утеплителя.
С учётом свойств уплотняющих и герметизирующих материалов (пластичности, эластичности,
адгезионной способности) более положительный для деятельности промежуток
температуры составляет от 0 до +30 0С.
Монтажные работы исполняются в последующей очередности:
) организация мест с целью монтажа трёхслойных сэндвич-панелей;
) монтаж трёхслойных сэндвич-панелей в предназначенное состояние;
) крепление сэндвич-панелей;
) установка фасонных элементов сэндвич-панелей.
Организация зон для монтажа трёхслойных сэндвич-панелей.
Перед тем как начать монтаж панелей следует закончить работы по монтажу
каркаса здания, проконтролировать на соответствие проекту плоскостность мест
монтажа панелей, параллельность, горизонтальность, вертикальность.
Когда подготавливаются места для монтажа панелей, то на стальных
колоннах, балках, ригелях, прогонах необходимо надо нанести антикоррозионное
лакокрасочное покрытие на места примыкания и контакта [19].
Выполняется с разметкой точек низа панелей на всех колоннах окончательная
нивелировка.
Выполняется маркировка верха и низа панелей согласно оконным, дверным,
воротным ригелям и верха панелей около кровли с учётом монтажного размера
панелей 1160мм (1190 мм в зависимости от вида панели), зазора между замком и
панелями.
Установка в проектное положение трёхслойных сэндвич-панелей.
Закрепление панелей выполняется на особой площадке, пребывающей близко от
монтажной захватки.
Строповка панели при горизонтальной и вертикальной раскладке выполняется
двухветвевым стропом с поддержкой вакуумного захвата.
Захват снабжают страховочным ремнём из текстильной ткани, для
подстраховки вакуумного механизма, который надевают на панель [15]. Там где
осуществляется установка захватов, то с поверхности панели снимается защитная
полиэтиленовая плёнка, плоскость панели вычищается от грязи и пыли, а зимой от
наледи и снега. Когда панели поднимают и перемещают, то это делают плавно, в
отсутствии рывков, вращения и раскачивания. Подъем панели реализовывают в два
способа: сперва на высоту 20-30 см, а последующий подъем уже после контроля
прочности строповки.
Нельзя допускать удары и толчки панели по иным ранее монтируемым
конструкциям.
Отданные к участку монтажа панели принимают на высоте не более 1 м, затем
опускают до высоты 30 см и устанавливают в проектное положение.
Определяют панели напрямую на опорные места согласно принятым ориентирам
(рискам и др.) в согласовании с допусками, которые указаны в проекте.
Панель освобождают от крюка после её достоверного или временного
закрепления с помощью монтажной оснастки (кондуктора, подкосов и распорок со
струбцинами и т.п.).
До окончательного закрепления следует проконтролировать точность монтажа
панели и привести её в проектное положение.
Освобождают установленную панель от временных креплений, только после
того как надежно их закрепляет по проекту.
Необходимо наблюдать за подъёмом и перемещением панели, чтобы не
допустить существенные прогибы панели и деструкции замков. Передвижение панели
исполняется при минимальной скорости крюка, в отсутствии рабочих движений
крана, мягко в отсутствии рывков, для того чтобы не позволить помятостей и иных
деструкций в плоскости облицовок панелей.
Монтаж сэндвич-панелей выполняется снизу вверх, поярусно. Между ярусами
предусматривается компенсационный шов - 20м.
Соединение к конструкциям панелей после выверки вертикальности или
горизонтальности осуществляется самонарезающими винтами, у которых диаметр и
длина находится в зависимости от типа прогонов, а также от типа и толщины
панелей, согласно таблицы 3.1. Самонарезающие винты устанавливают в горизонте
панелей с шагом 400мм или 3 штуки в ряд. Примем диаметр винтов 5,5мм.
Таблица 3.1-Соотношение толщины панели к длине винта
|
Толщина панели, мм
|
Минимальная длина винта, мм
|
|
200
|
235
|
|
250
|
285
|
Когда затягивают винты с уплотнительной шайбой (ЭПДМ - прокладкой), то
необходимо наблюдать из-за усилием затяжки, из-за деструкции шайбы. Усилие
затяжки обязано быть таким, чтобы шайба жалась к листу, однако существовала
прямой. В присутствии низкой затяжке шайба не как не деформирована, а
присутствии упругой затяжке - деформирована в противоположную сторону.
Крепиться терморазделяющая полоса УПТП к внешним плоскостям балок, ригелей и
стеновых прогонов, с целью уменьшения воздухопроницаемости посредством стыки
ограждающей конструкции и уменьшения акустической вибрации панелей.
Наносится уплотняющий герметик для наружных работ или герметизирующий
бутил каучуковый шнур диаметром 8мм, перед тем как смонтировать следующую
панель в замок типа «паз» смонтированной панели. Не допускаются щели и не
плотности между панелям. Торцевые швы панелей уплотняются с применением
монтажной пены или минеральной ваты. Стыки закрывают нащельниками согласно
проекта.
Устройство фасонных элементов сэндвич-панелей.
Фасонные элементы (цокольные, угловые, обрамления проёмов и другие) в
соответствии с конструктивными решениями монтажных углов, устанавливают
внахлёст с герметизацией стыка. Нахлёст должен быть для вертикальных элементов
от 80 до 100мм, а для горизонтальных никак не меньше 50мм. Очерёдность монтажа
должна являться такого рода, для того чтобы гарантировать непроницаемость
оформляемых узлов. Фасонные элементы устанавливают от низа (цоколя) здания до
конька кровли. Подгонку фасонных элементов создают при необходимости по месту.
Уплотняют фасонные элементы герметиком, для наружных работ, по плоскостям
примыкания к панелям. Нельзя допускать при этом пропуски и щели. При помощи
самонарезающих винтов 4,8х28мм с ЭПДМ - прокладкой либо комбинированных
заклёпок 3,2х8мм, фасонные элементы крепят к панелям с внешней стороны здания.
Присутствие потребности крепления фасонных элементов напрямую к
металлоконструкциям используют самонарезающие винты 5,5х32мм либо 5,5х19мм с
ЭПДМ-прокладкой (с целью крепления к металлоконструкциям с толщиной полки до
14мм либо до 5 мм соответствии с этим) в отсутствии заблаговременного
засверливания.
.3.4 Выбор монтажных приспособлений
Таблица 3.2 - Приспособления для монтажных сборных конструкций
|
Наименование приспособления
|
Эскиз
|
Груз-ть, т
|
Вес, т
|
Расч. высота, м
|
|
Строп 2-х ветвевой 2СК-4,0
|
|
4,0
|
0,05
|
2,0
|
|
Вакуумный захват OKTOPUS KT-B
|
|
0.4
|
0.035
|
0.65 x0.85
|
3.4 Определение трудоемкости и продолжительности монтажных работ
Таблица 3.3- Определение трудоемкости и продолжительности монтажных работ
[28], [29]
3.5 Выбор монтажного крана
Первоначально определяем параметры крана из условия монтажа наиболее
удаленного элемента - панели покрытия.
Требуемую грузоподъемность крана рассчитываем как сумма масс элементов,
подвешиваемых одновременно на крюк крана:
Qрас=Qэл+ Qстр, кг,
(3.1)
где Qэп - масса монтажного элемента, кг;
Qстр
- масса стропов и
вакуумного захвата, кг.
Qрас=330+50+35=415 кг
Максимальное требуемое расстояние от уровня стоянки крана до верха стрелы
по формуле:
Нкр=h0+hз+hэ+hстр, м, (3.2)
где h0 - превышение монтируемого элемента
опоры над нулевой отметкой, м;
hз- запас высоты, который необходим по
условиям безопасности монтажа для перенесения через ранее смонтированные или
наводки конструкций, м;
hэ
- толщина (или
высота) элемента, м;
hстр- высота строповки в рабочем
положении от крюка крана до верха монтируемого элемента, м.
Нкр=10,09+0,5+0,25+2=12,84 м
Длина стрелы и вылет крюка определяются в зависимости от типа крана.
Стреловые краны, которые оборудованы гуськом, допустимую наименьшую длину
стрелы при горизонтальном гуське определяют по формуле:
Lс=
, м, (3.3)
где H - превышение оси вращения гуська над
степенью стоянки кранам, определяется по формуле 3.4:
H=h0+hз+hэ+hстр, м (3.4)
H=НКР
=12,84 м
hш- превышение уровня оси крепления
стрелы над степенью стоянки, м; hш
=1,5 м;
-угол наклона стрелы к горизонту.
Минимальная протяженность длина стрелы крана гарантируется принаклоне ее
оси под углом
и рассчитывается по формуле:
, (3.5)
где b-длина элемента, который монтируется b=6,58 м;
S-расстояние
от оси стрелы до края монтируемого элемента, берём равным 1,5м;
1,33
=530
Lc=
=14,2 м
Требуемый вылет основного крюка составит:
Lкр=
, м, (3.6)
где d-наименьший зазор между стрелой крана
и конструкций здания, принимаем равным 1м;
Lкр=
=9,5 м
Требуемую длину гуська определяем по формуле:
Lг=
, м (3.7)
Lг=
=2,8 м
Учитывая полученные характеристики, выбираем кран: МКА-16 со стрелой 23
м, и гуськом -3 м. В таблице 3.4 представлена его техническая характеристика.
Таблица 3.4 - Техническая характеристика крана
|
Показатели
|
Основная стрела
|
С гуськом
|
|
Длина стрелы, м
|
23,0
|
23,0
|
|
Вылет стрелы, м
|
7,5-20,0
|
9,0-22,0
|
|
Грузоподъемность на выносных опорах, т
|
5,5-1,0
|
4,0-0,75
|
|
Высота подъема крюка, м
|
25,0-15,0
|
26,0-17,0
|
|
Скорость подъема и опускания груза, м/мин
|
8,0-38,0
|
8,0-38,0
|
|
Скорость поворота, об/мин
|
0,49-2,34
|
0,49-2,34
|
3.6 График производства работ
График выполняется на основе калькуляции трудовых затрат и нормативной
продолжительности работ в табличной форме.
Нормативная продолжительность работ монтажа конструкций определяется по
[20].
Наименование работ записывается в соответствии с принятой технологической
последовательностью монтажа.
Значение трудоемкости на весь объем работ:
ЗТ=ЗТ(чел.*ч)/8,2, чел.*дн., (3.8)
где ЗТ (чел.*ч) - затраты труда;
8,2 - продолжительность одной смены, ч.
Продолжительность работ:
Т=ЗТ(чел.*дн.)/PN,
дн., (3.9)
где P - количество рабочих в одном звене
монтажников;
N -
количество смен.
.7 Указания по осуществлению контроля и оценки качества монтажных работ
Качество монтажа фасада гарантируется нынешним контролированием
технологических процессов предварительных и основных работ, а также при приемке
работ. Согласно итогам нынешнего контролирования технологических процессов
оформляются акты освидетельствования скрытых работ (на установку несущих конструкций).
В ходе подготовки монтажных работ производят проверку:
) готовности мест крепления сэндвич-панелей и элементов фасада,
инструмента и средств механизации к осуществлению монтажных работ;
) качество сэндвич-панелей (размеры, отсутствие надломов, царапин,
изгибов, вмятин и прочих дефектов).
В ходе монтажных работ на соответствие проекту проверяют:
) достоверность разметки фасада;
) точность укладки, достоверность и надежность крепления сэндвич-панелей;
) правильность устройства фасонных элементов, соответствие угла в
градусах наклона цокольного водоотлива проектному.
Когда осуществляют приёмку работ, то выполняется осмотр фасада в целом и
в особенности основательно зон примыканий, цоколя здания, обрамлений углов и
проёмов окон. Выявленные при осмотре недостатки устраняются вплоть до сдачи
объекта в эксплуатацию.
Оформляется актом приемки работ готовность смонтированного фасада.
Качество расценивается степенью соотношения подлинных характеристик и данных
установленного фасада проектным, указанным в рабочей документации проекта. К
акту обязательно должны прилагаться акты освидетельствования скрытых работ.
Контролируемые элементы, параметры и способы их измерения, оценки указаны
в таблице 3.5.
Приемка фасада из сэндвич-панелей выполняется приёмочной комиссией, в
состав которой входят представители заказчика и подрядчика, и оформляется
подписанием акта о приемке.
К акту прилагаются документы:
) проект производства работ, проект фасада;
) документы, которые удостоверяют качество панелей, фасонных элементов,
уплотнительных материалов и крепёжных деталей;
) акты освидетельствования скрытых работ;
4) журнал производства работ.
Таблица 3.5 - Контролируемые параметры
|
Наименование технологических процессов
|
Предмет контроля
|
Способ контроля и инструмент
|
Время проведения контроля
|
Ответственный за контроль
|
Технические характеристики оценки качества
|
|
1.Разметка фасада
|
Точность разметки
|
Измерительный, Разметка горизонтальной линии фасада крайних
точек. Нивелир
|
Перед монтажом сэндвич-панелей
|
Мастер
|
± 2,0мм
|
|
|
Измерительный, Разметка вертикальной линии фасада крайних
точек.Теодолит
|
|
|
± 2,0мм
|
|
Чистота отверстия
|
Разметка вертикальной линии фасада крайних точек. Визуально
|
|
|
Отсутствие пыли
|
|
2.Монтаж сэндвич-панелей
|
Отклонение линейных размеров отпроектных
|
Измерительный, Входной контроль сэндвич-панелей. Штанген -
циркуль, линейка
|
В процессе монтажа сэндвич-панелей
|
Мастер
|
По толщине: ± 2,0мм для панелей толщиной от 50 до 120мм, ±
3,0мм для панелей толщиной 150-250мм. По ширине: ± 1,5мм. По длине: ± 3,0мм
для панелей длиной до 6м, ± 5,0мм для панелей до 14м. Разность длин
диагоналей ± 2,5,0м
|
|
Отклонение от прямолинейности
|
Измерительный, Входной контроль сэндвич-панелей. Уровень,
рулетка
|
|
|
Не более 0,5мм на 1м длины, но не более 5мм на всю длину
|
|
Смещение продольных кромок металлических облицовок панели
относительно друг друга
|
Измерительный, Входной контроль сэндвич-панелей. Рулетка,
шаблон
|
|
|
Не более 1,5мм
|
|
Волнистость или вмятины на плоских участках панели
|
Измерительный, Входной контроль сэндвич-панелей. Рулетка,
шаблон
|
|
|
Не более 2мм на длине 1м
|
|
1
|
2
|
3
|
4
|
5
|
6
|
|
3.Монтаж сэндвич-панелей
|
Внешний вид
|
Входной контроль сэндвич-панелей. Визуально
|
В процессе монтажа сэндвич-панелей
|
Мастер
|
Отсутствие механических повреждений видовых поверхностей
|
|
Зазор между панелями по утеплителю
|
Крепление панели. Щуп
|
|
|
Не более 1мм
|
|
Отклонение от номинальной величины зазора
|
|
|
|
Не более: -для внутренних облицовок-3мм; -для наружной
облицовки Z-Look-3мм
|
|
Отклонение плоскости фасада от вертикали
|
Измерительный, Крепление панели. Уровень, рулетка, отвес
|
|
|
1/500 высоты фасада, но не более 100мм
|
|
4. Монтаж фасонных элементов
|
Отклонение от проектных размеров
|
Измерительный, Точность монтажа. Уровень, рулетка
|
В процессе монтажа фасонных элементов
|
Мастер
|
± 1,0мм
|
|
Угол цокольного водоотлива
|
Измерительный, Точность монтажа. Уровень, шаблон
|
|
|
Не менее 100 (или ≥1:5)
|
|
|
|
|
|
|
|
|
3.8 Потребность в инструменте, приспособлениях, средствах механизации,
инвентаре
Таблица 3.6 - Потребность в инструменте, приспособлениях, средствах
механизации, инвентаре
|
Наименование
|
Тип, марка, ГОСТ, завод-изготовитель
|
Техническая характеристика
|
Назначение
|
|
1.Строительные леса
|
Приставные стоечные
|
Нормативная нагрузка-200 кгс/м2, длина и высота лесов - по
паспорту
|
Для монтажных работ средство подмащивания
|
|
2. Автокран
|
Типа МКА-16
|
Высота крюка-25-15м, вылет-7,5-20 м, грузоподъёмность -
5,5-1т
|
Монтажные работы и погрузочно-разгрузочные
|
|
3.Съёмные грузозахватные приспособления
|
Вакуумный захват
|
Грузоподъёмность-400 кг
|
Монтаж панелей
|
|
4. Строп 2-х ветвевой
|
2СК-4,0
|
Грузоподъѐмность-4 т
|
|
5. Панелевоз
|
УПЛ-1412
|
Грузоподъемность 14т
|
Транспортировка панелей
|
|
6.Шнур, отвес
|
Шнур капроновый, ОТ 400-1
|
Длина отвеса 98м. Масса отвеса не более 0,4 кг. Диаметр
шнура 3мм, длина - 5м
|
Проверка вертикальности. Разграничение захваток
|
|
7.Ватерпас
|
Тип 70-1500 «STABILA»
|
Точность измерения 0,5 мм/м., длина 1500мм
|
Проверка горизонтальных плоскостей
|
|
8.Лазерный уровень
|
BL 20 СКБ «Стройприбор»
|
Точность измерения 0,1 мм/м
|
Проверка горизонтальных плоскостей
|
Продолжение таблицы 3.6
|
1
|
2
|
3
|
4
|
|
9.Дрель
|
Интерскол ДУ 1000-ЭР
|
Максимальный диаметр (пробойника) сверла 20 мм
|
Сверление отверстий в колоннах
|
|
10.Рулетка стальная
|
Р20УЗК
|
Масса 0,35 кг, длина 20 м
|
Измерение линейных размеров
|
|
11.Отвертка с рычажным наконечником
|
Отвертка Профи ООО «ИНФОТЕКС»
|
Реверсивная рычажная
|
Отвинчивание/ завинчивание болтов винтов
|
|
12.Гайковерт ручной
|
Типа ИЭ -311
|
Момент затяжки 12,5 кгс.м
|
Отвинчивание/ завинчивание гаек болтов
|
|
13. Электродрель с насадками для завинчивания
|
Интерскол ДУ-800-ЭР
|
Максимальный диаметр сверления 20 мм., мощность 800 Вт,
|
Завинчивание винтов и сверление отверстий
|
|
14. Клепальные клещи
|
Типа «ЭНКОР»
|
Диаметр заклепок до 6мм
|
Установка заклепок
|
|
15. Аккумуляторный клепальный пистолет
|
Типа ERT 130 «RIVETEC»
|
Рабочий ход 20мм, сила заклепки 85кгс, Вес с аккумулятором
2,2 кг.
|
Установка вытяжных заклепок
|
|
16. Ограждения инвентарных участков монтажных работ
|
[13]
|
Наименьшая высота -1,6м
|
Безопасность работ
|
|
17. Защитная сетка на леса
|
Верт, Фирмы Апекс, либо других фирм.
|
Из полимерных волокон
|
Защищает предметы от падения с высоты лесов
|
.9 Техника безопасности при производстве монтажных работ, охрана труда и
пожарная безопасность
Техника безопасности при производстве монтажных работ, охрана труда и
пожарная безопасность подробно рассмотрены в разделе 5.
. Технико-экономические показатели
Технико-экономические показатели указаны в 4 разделе в пункте 4.12.
4. ОРГАНИЗАЦИОННЫЙ РАЗДЕЛ
.1 Анализ
условий строительства
Место строительства - г. Мирный, Архангельская область.
Снеговой район - V.
Нормативный период постройки: 14 месяцев.
Фактический срок строительства: 12 месяцев.
Организационно-технологическая характеристика здания:
) спортивный комплекс;
) размеры здания в осях 91,02х24 м;
) строительный объём здания: 20317,62 м3;
) количество этажей: в осях 1-6 и 13-18 n=1, в осях 7-12 n=2;
) площадь застройки: 2040,0 м2;
) здание каркасного типа, шаг колонн 6 и 8 м.
За относительную отметку 0.000 взята абсолютная отметка +116,15.
Наиболее холодной пятидневки температура наружного воздуха- - 330 С.
Снеговой район V, вес
снегового покрова на 1 м2 горизонтальной поверхности земли - Sg =3,2 кПа.
Нормативная глубина промерзания грунтов -1,6-2,4 м.
Температура наружного воздуха средняя - -4,7°С.
Длительность отопительного периода - 249 суток/год.
Рельеф местности - ровный. Особые условия отсутствуют.
Строительство включает в себя следующие работы:
) выполнение земляных работ;
) устройство конструкций «0» цикла;
) возведение каркаса здания;
) устройство кровли;
) наружную отделку фасадов;
) внутреннюю отделку помещений.
Проект производства работ включает в себя: графики (календарных планов),
строительный генеральный план и технологическую карту[17], [18], [25].
Кадровые рабочие строительного участка являются источником покрытия
потребности в рабочей силе. Заводом ЖБИ производится обеспечение строительства
железобетонными изделиями и конструкциями. Автоколонной обеспечивается
строительство строительными механизмами.
.2 Описание
методов выполнения основных СМР с указаниями по технике безопасности
.2.1
Подготовительный и основной периоды строительства
Выполняются подготовительный и основной периоды при строительстве
проектируемого объекта.
В подготовительный период входят работы, которые связанны с подготовкой
строительной площадки.
Расчистка территории - освоение строительной площадки.
В создание геодезической разбивочной основы для строительства входят -
закрепление на строительной площадке обноски, закрепление репера с привязкой к
существующим геодезическим сетям, вынесение красных линий, разбивка основных
осей.
Установка инвентарных зданий и установок, устройство общескладского
хозяйства.
Подготовка территории строительства - проектирование участка,
обеспечивающее срезку растительного слоя грунта со складированием в отведенные
места, для того чтобы в дальнейшем использовать для озеленения площадки,
выполнение временных стоков поверхностных вод, устройство внутриплощадочных
дорог, теплоснабжения, прокладку сетей, энергоснабжения, водоснабжения,
канализации. Временная дорога шириной 6 метров, которая обеспечивает подъезд к
строительной площадке, грунтовая уплотненная щебнем.
Временное освещение территории выполняется прожекторами, которые
установлены на инвентарных мачтах и стреле монтажного крана, светильниками на
опорах. Временное освещение выполняется на основании [12].
Чтобы избежать доступа посторонних лиц строительную площадку ограждают
временным забором. Конструкции ограждения выполняются на основании требований
[13]. Ограждения, примыкающие к местам прохода людей, оборудованы защитным
сплошным козырьком.
У заезда на строительную площадку нужно установить дорожные знаки,
которые ограничат скорость движения автотранспорта. Следует защитить тяжелый
участок контрольными и сигнальными ограждениями, повесить в определенных зонах
баннеры «Аккуратно. Работает кран», «Стоп! Доступ запрещен», «Опасно! Допустимо
падение груза».
Складирование материалов и конструкций следует осуществлять в
согласовании с требованиями технических условий и стандартов на материалы,
изделия и конструкции на выровненных площадках. Необходимо принимать меры
против самопроизвольного смещения, просадки и раскатывания материалов и
конструкций.
Основной период строительства делится на два периода:
) устройство нулевого цикла;
) выполнение надземной части здания.
Устройство нулевого цикла.
Чтобы выполнить земляные работы, используется бульдозер ДЗ-18 и
экскаватор ЭО-3322А.
Строительство надземной части здания.
В данном проекте рассматривается монтаж конструкций со склада комплексным
методом при продольной проходке крана. Кран применяется автомобильный МКА-16.
Для выполнения погрузочно-разгрузочных работ с автотранспорта используется тот
же кран.
С целью монтажа систем здания предусмотрено использование типовой
монтажной оснастки, которая позволяет осуществлять подъем, временное крепление
и выверку элементов.
.2.2 Земляные работы
До начала производства согласно [14] земляных работ в местах, где найдены
действующие подземные коммуникации, обязаны быть разработаны и согласованы с
организациями, эксплуатирующими эти коммуникации, работы по безопасным условиям
труда, а над находящимися под землей подземными коммуникациями на территории
надо установить соответствующие знаки или надписи.
Производство земляных работ в зоне, где действуют подземные коммуникации,
необходимо осуществлять под руководством прораба или мастера, а в охранной зоне
кабелей, которые находятся под напряжением, или действующего газопровода, кроме
того, под присмотром работников электро- или газового хозяйства.
Если найдены взрывоопасные материалы при выполнении земляных работ в
данных местах необходимо срочно остановить работу, пока не получишь разрешения
от соответствующих органов.
Присутствие возникновения запаха газа земляные работы должны быть
незамедлительно прерваны, а зоны их - ограждены и отмечены указателями.
Перед тем как начать работы, обязаны быть проверены на знание сигналов
все члены бригады, персонал, обслуживающий механизмы.
На участках с допустимом патогенным заражением почвы (свалка,
скотомогильники, кладбища и т.п.) необходимо приобрести разрешение органов
Государственного санитарного надзора.
Обязаны быть оборудованы переходными мостиками, которые освещаются в
ночное время, места прохода людей через траншеи.
Грунт, который извлекли из котлована или траншеи, нужно размещать на
расстоянии не менее 0,5 м от бровки выемки.
Камни и валуны, обнаруженные на откосах, необходимо удалить.
Котлованы и траншеи с отвесными стенками в отсутствии креплений в
нескальных и незамерзших почвах больше степени грунтовых вод и присутствии
нехватки возле находящихся под землей построек, допускается капать только лишь
в глубину не как не более 1,50 м- в суглинках и глинах.
Выполнение работ в котлованах и траншеях с откосами, подвергающимися
увлажнению, разрешается после конкретного осмотра производителем работ
(мастером) состояния грунта и обрушения откосов.
Обязана быть выполнена устойчивость откосов, прежде чем впустить рабочих
в котлованы или траншеи глубиной более1,3 м. Котлованы и траншеи, разработанные
в зимнее время, при наступлении оттепели обязаны быть осмотрены. По результатам
осмотра необходимо выполнить меры по обеспечению устойчивости откосов либо
креплений.
Прогреваемую площадь надо ограждать, обязательно надо установить
предупредительные сигналы, а в темное время суток необходимо освещать. Промежуток
между ограждением и контуром прогреваемого участка -должен быть не меньше 3 м.
Никак не разрешается нахождение людей на участках, которые прогреваются,
находятся под напряжением.
Погрузка грунта на автосамосвалы должна осуществляться со стороны заднего
либо бокового борта.
Если засыпка пазух осуществляется с одной стороны у свежеуложенных
подпорных стен и фундаментов, то она разрешается только лишь уже после
реализации событий, обеспечивающих стабильность конструкции.
4.2.3 Устройство фундаментов
Оси фундаментов разбивают от основных линий сооружения, прочно
закрепленных на местности. За основные линии берут главные оси здания:
продольную и поперечную оси здания. Основные оси закрепляют надежно заделанными
в грунт створными знаками.
В опасной зоне нельзя производить работы, не имеющее отношение к данному
технологическому процессу.
Когда выполняются погрузочно-разгрузочные работы, то место производства
работ обязано быть освещено в соответствии с нормами. Чалочные и захваточные
приспособления обязаны быть испытаны и иметь клеймо или бирки, на которых
указан срок испытания и предельная грузоподъемность.
При проведении работ по бетонированию необходимо соблюдать требования
[11], [12], должностных инструкций и проекта производства работ.
Перед тем, как начать укладку бетона в опалубку, то должно проверяться
состояние тары, средств подмащивания, опалубки. Неисправности, которые
обнаружили, необходимо без промедления ликвидировать.
Когда бетонную смесь уплотняют электровибраторами, то передвигать
вибратор за токоведущие шланги никак не разрешается, а при перерывах в работе и
при переходе с одного места на другое электровибраторы необходимо срочно
выключать.
.2.4 Монтаж здания
Монтаж здания выполняется способом наращивания. Подъем конструкций
следует выполнять на «весу» со сложным перемещением крана. С целью монтажа
конструкций здания предусмотрено использовать типовую монтажную оснастку,
которая осуществляет подъем, временное крепление и выверку элементов [15].
Когда монтируют металлические конструкций каркаса, то монтажные позиции
выбирают так, для того чтобы кран смонтировал с одной позиции большее число
элементов. Первоначальные колонны ряда раскрепляют крестообразными расчалками,
последующие - главными балками и балками настила, устанавливаемые после выверки
и выполнения монтажной сварки. Балки определяют согласно осевым рискам на
балках и консолях колонны с временным раскреплением на анкерных болтах и
регулируют с помощью специализированных устройств. Убирать расчалки можно
только лишь после того, как закрепят колонны при помощи постоянных элементов.
Стабильность колонн в направленности оси сооружения гарантируют подкрановыми
балками и связями, которые устанавливают после монтажа первой пары колонн и
объединяющей их подкрановой балкой.
Панели стен устанавливают попанельно участками между колоннами на всю
высоту здания. Монтаж панелей наружных стен следует осуществлять, опирая их на
сверенные сравнительно монтажного горизонта маяки - деревянные дощечки, толщина
которых в среднем 12 мм.
Все без исключения накладки горизонтальных и вертикальных стыков и
угловые элементы панелей обязаны являться на герметик с целью изъятия для
исключения попадания влажности вовнутрь стыка. Укладывают пористый гернитовый
шнур на верхнюю грань нижележащей панели на тонкий слой мастики «изол».
Когда возводятся здания и сооружения, в таком случае запрещено
осуществлять деятельность, которая связанна с нахождением людей в одной секции
(захватке, участке) на этажах (ярусах), над которыми выполняется установка,
перемещение и временное закрепление элементов оборудования либо конструкций.
Методы строповки элементов конструкций и оборудования обязаны
обеспечивать их подачу к участку монтажа в состоянии, близким к проектному.
Элементы, конструкций которые устанавливают или оборудования в период
передвижения обязаны удерживаться от раскачивания и вращения эластичными
оттяжками [15].
Расчалки, принимаемые для временного закрепления монтируемых конструкций,
обязаны быть закреплены к надежным опорам (фундаментам, якорям). Количество
расчалок, их сечение, способы натяжения, материалы из которого они сделаны,
места закрепления выполняются по проекту производства работ. Расчалки
необходимо располагать за габаритами движения транспорта и строительных машин и
им нельзя касаться острых углов и других конструкций. Перегибание расчалок в
зонах соприкосновения их с составляющими элементами других конструкций
разрешается, только лишь уже после контроля прочности и стабильности этих
элементов под воздействием усилий.
Элементы конструкций и оборудование, которые установлены в проектное
положение обязаны быть зафиксированы таким образом, для того чтобы оснащались
их стабильность и геометрическая постоянность.
Расстроповку элементов конструкций и оборудования, установленные в
проектное положение, надо осуществлять после постоянного или временного
надежного их закрепления. Элементы конструкций или оборудования, которые
установлены, передвигать после их расстроповки, за исключением случаев, которые
указаны в ППР, не разрешается.
Пребывание людей под монтируемыми элементами конструкций и оборудования -
не допускается.
Если необходимо присутствие работающих под монтируемым оборудованием
(конструкциями), а также на оборудовании (конструкциях), то обязаны выполняться
специальные мероприятия, которые обеспечивают их безопасность.
Монтаж конструкций каждого последующего яруса (участка) здания или
сооружения следует осуществлять только лишь уже после достоверного закрепления
абсолютно всех компонентов предыдущего яруса (участка) согласно проекту. В ходе
монтажа систем зданий или сооружений монтажники обязаны быть в прежде
определенных и надежно закрепленных конструкциях или средствах подмащивания.
.2.5 Отделочные работы
Настил должен быть без зазоров у средств подмащивания, которые применяют
при штукатурных или малярных работах, в зонах под которыми выполняются прочие
работы или есть проход[16]. Что бы просушивать помещения зданий и сооружений
если невозможно использовать систему отопления, то необходимо использовать
воздухонагреватели.
Невозможно обогревать и сушить здания жаровнями и иными устройствами,
выделяющими в помещение продукты сгорания топлива.
Малярные составы надо готовить, концентрированно. При их приготовлении на
строительной площадке необходимо применять помещения, оборудованные
вентиляцией, не дозволяющей превышения максимально возможных концентраций
вредных веществ в атмосфере рабочей зоны.
Использование малярных станций с целью изготовления покрасочных составов,
которые не оборудованы принудительной вентиляцией, не допускается. Не
допускается использовать растворители, на которые отсутствуют сертификаты с
указанием характера вредных веществ.
.2.6 Перечень актов на скрытые работы
. Акт на разбивку осей.
. Акт осмотра траншеи под фундаменты.
. Акт на армирование фундаментов.
. Акт по гидроизоляции стен от грунтовых вод.
. Акт осмотра фундамента.
. Акт на устройство дренажа.
. Акт осмотра работ по благоустройству участка.
. Акт на армирование перекрытий.
. Акт на монтаж лестничных маршей и площадок.
. Акт на установку оконных и дверных коробок.
. Акт на устройство бетонных полов.
. Акт на устройство полов в санузлах.
. Акт на монтаж элементов покрытия.
. Акт на окрасочные работы стальных элементов покрытия.
. Акт приемки фасадов здания.
. Акт проверки вентиляционных каналов от газовых приборов.
.2.7 Транспортные работы
Организация - владелец транспортных средств обязана обеспечить их
своевременное техобслуживание и ремонт.
Транспортировка тяжеловесных, крупногабаритных грузов осуществляется на
специализированном транспорте.
Автомобиль подаётся задним ходом в зоне работ по команде работающих.
.2.8 Указания
по охране труда
Конструкции, которые поднимают краном, необходимо сохранять от
раскачивания оттяжками из пенькового каната или троса [11].
При подъеме элементов, которые устанавливают в горизонтальное положение,
к обоим их концам прикрепляются парные оттяжки.
После установки и снятия захватных приспособлений, передвигать
конструкции нельзя.
Невозможно транспортировать грузы над кабиной шофера при подъеме
элементов с транспортных средств. [9], [11]
Обязательно обязана быть сигнализация на монтажных работах. Все сигналы
машинисту крана и рабочим на оттяжках подает один человек, который является
бригадиром.
Только после закрепления конструкций можно убирать кондукторы, временные
связи, расчалки.
Машинисты кранов, стоповщики, сигнальщики и сварщики проходят обучение по
спецпрограммам.
Монтажников, которые имеют стаж работы менее одного года и разряд ниже
третьего, нельзя допускать к работам на высоте [9].
Отделочные работы делятся на:
) штукатурные работы;
) монтаж оконных и дверных блоков;
) подготовка под окраску и окраска поверхностей;
) устройство чистых полов;
) окончательная отделка и окраска поверхностей.
Производство облицовочных и штукатурных работ организуется
поточно-расчетным методом, так как это обеспечивает использование рабочих по их
квалификации.[11], [24]
Раствор и шпаклевку на поверхности, которые отделывают, наносят
механизированным методом. Нанесение раствора ручным способом допускается только
лишь в не очень больших помещениях и при малом объеме работ. Водные составы для
окраски стен и потолков рекомендовано делать механизированным методам. Ручную
окраску стен и столярных изделий лучше производить малярным валиком.
Машины, которые предназначены для устройства и отделки полов, необходимо
подключать в электросеть только лишь через защитно-отключающие устройства с
помощью штепсельного соединения, которое имеет защитно-заземляющий контакт.
Лицам, которые работают с машинами, запрещается:
1) отдавать машину иным личностям;
2) разбирать и выполнять самим ремонт её механических или электрических
частей;
3) использовать машину не по предназначению.
Когда работают с машинами для отделки полов, то одновременно касаться
металлических коммуникаций (трубопроводов, радиаторов и т.п.)и поверхностей
машины - нельзя. Рабочие, которые работают с машинами для шлифования,
заглаживания и затирки поверхностей должны обладать диэлектрическими
перчатками.
Не допускается работать со снятыми ограждениями траверс лопастей и
ременной передачи у шлифовальных, заглаживающих и затирочных машин. Запрещается
использовать самодельные устройства, которые фиксируют муфту во включённом
положении. Переносить машины, которые подключены к сети, отключать и включать
вилку питающего кабеля под нагрузкой не разрешается.
Для питания электровибраторов обязательно нужно использовать
влагозащитные провода. Если присутствуют перерывы в работе и переходы с одного
места работы на другое вибраторы следует отключать. Чтобы избежать обрыва
провода и поражения током лиц, невозможно перетаскивать вибратор за провода или
кабель. Рабочие, которые работают с вибраторами, обязаны быть в резиновых
сапогах и перчатках.
.3 Расчет численности персонала строительства
Принимаем максимальную численность рабочих 15 человек. Расчетная
численность персонала строительства определяется по формуле:
, (4.1)
где 1,06 - коэффициент, который учитывает невыходы по болезни и отпуска;
- численность рабочих основного
производства
- численность рабочих неосновного производства:
(4.2)
- численность инженерно-технических работников:
(4.3)
- численность работников младшего обслуживающего персонала:
(4.4)
- численность учеников и практикантов:
(4.5)
4.4
Обоснование потребности и выбор типов временных зданий и сооружений
Расчет площадей временных сооружений и зданий представлен в таблице 4.1.
Таблица 4.1 - Расчет площадей временных сооружений и зданий
Примечание: помещение индивидуальной гигиены женщин - кабина с
гигиеническим душем, размещается в женском туалете, поскольку количество
работающих женщин до 100 человек.
.5 Расчет потребности в воде и определение диаметра труб временного
водопровода
Вода на строительной площадке используется на производственные
потребности и на хозяйственно-бытовые и на пожаротушение.
Необходимый расход воды определяется по формуле:
, (4.6)
где
- расход воды на пожаротушение, берётся по площади застройки,
при площади застройки до 30 га
;
- расход воды на хозяйственно-бытовые потребности:
, (4.7)
где
/-
расход воды для принятия душа по формуле (4.8);
// - расход воды на принятие пищи, умывание и другие нужды по формуле
(4.9).
, (4.8)
где N - расчетная численность персонала
строительства
;
а - мера водопотребления на 1 человека, пользующегося душем, при наличии
канализации
;
- коэффициент, учитывающий число моющихся, принимаем
;
время работы душевой установки, час; принимаем
, (4.9)
где
- мера водопотребления на 1 человека в смену
;
- коэффициент неравномерности пользования водой,
;
- длительность смены в часах
Расход воды на производственные потребности вычисляется:
, (4.10)
где 1,2 - коэффициент на неучтенные необходимости;
- коэффициент неравномерности водопотребления,
- суммарный расход воды в смену в литрах на все
производственные нужды по нормам
Диаметр трубы временного водопровода определяется:
, (4.11)
где
- скорость движения воды временного водопровода
;
.
Принимаем
.
4.6 Расчет потребности в электроэнергии
Электроэнергия на строительной площадке расходуется на питание
электродвигателей (для силовых потребителей), на технологические нужды (прогрев
бетона), на внутреннее освещение здания, на наружное освещение подъездных
путей, территории, места работы.
Требуемая мощность трансформатора определяется по формуле:
, (4.12)
где 1,1 - коэффициент, который учитывает потери в сети;
,
,
,
- коэффициенты спроса, учитывающие несовпадение нагрузок,
,
,
,
;
- коэффициенты мощности, зависящие от загрузки
соответствующих потребителей,
;
- мощность технологических потребителей, силовых приборов
наружного и внутреннего освещения, кВт определяется по таблице 4.2.
Таблица 4.2 - Мощности потребителей
|
Наименование потребителей
|
Мощность, кВт
|
|
1. Технологические: 1) сварочный аппарат ТДП-1; 2)
компрессорная установка СО-7А; 3) окрасочный агрегат; 4) излучатель
инфракрасного излучения, который используется для сварки линолеума; 5) пилад
-28; 6) виброрейка СО-47
|
24 4 0,27 0,9 0,6 Всего: 29,5
|
|
2. Внутреннее освещение: - бытовые помещения
|
10
|
|
3. Наружное освещение: - прожекторы
|
6
|
|
Итого:
|
45,5
|
.
Трансформаторную подстанцию комплектовать как минимум двумя
трансформаторами, один из которых меньшей мощности:ТМГ40/10, ТМГ 16/10.
Сечение провода временной электросети определяется по формуле:
, (4.13)
где
- расчетная нагрузка на рассматриваемом участке сети,
;
l -
длина участка сети, м
;
g -
удельная проводимость использованного материала провода (для меди 57);
U -
номинальное напряжение (для силовых потребителей - 380 В, для остальных 220В);
- потери напряжения в %, принимается 8%.
.
Принимаем
.
4.7 Расчет потребности в сжатом воздухе и определение сечения разводящих
трубопроводов
Сжатый воздух на площадке нужен для работы пневмоинструмента и выполнения
некоторых технологических операций. Источником сжатого воздуха являются
переносные компрессорные установки. Необходимая мощность компрессорной
установки рассчитывается по формуле:
, (4.14)
где 1,3 - коэффициент, который учитывает потери в сети;
k -
коэффициент, который учитывает одновременность работы аппаратов: при
подключении 2-3 аппаратов
;
- суммарный расход воздуха приборами:
- затирочная машинка -
,
отбойный молоток -
,
Диаметр разводящего шланга определяется по формуле:
, (4.15)
.
Принимаем шланг
.
.8 Определение потребности в кислороде
Потребность строительства в кислороде обуславливается по укрупненным
отраслевым нормам на 1 млн. руб., строительно-монтажных работ (в ценах 1984 г).
На объектах жилищно-коммунального и культурно-бытового строительства
необходимость в кислороде составляет 4400
. Кислород на площадку доставляют в
стальных баллонах синего цвета емкостью 40 л, вмещающих 6
кислорода. Требуется 734 баллона.
4.9 Расчет потребности в тепле
На строительной площадке тепло необходимо на технологические нуждыи для отопления
зданий и сооружений.
Общая потребность тепла определяется по формуле:
, (4.16)
где
- расход тепла на отопление зданий;
- расход тепла, которое необходимо на технологические нужды
(бетонирование в тепляках);
- коэффициент, который учитывает потери тепла в сети
;
- коэффициент, который распространяется на неучтенные расходы
тепла
.
, (4.17)
где а - коэффициент, который зависит от расчетной температуры наружного
воздуха, при
;
q -
удельная тепловая характеристика здания,

(для спорткомплекса);
- строительный объем здания
;
- расчетная температура наружного и внутреннего воздуха 
;
,
Потребление тепла на технологические нужды обуславливается согласно
справочным данным, специальным расчетом исходя из заданных объемов работ,
сроков их исполнения.
4.10 Расчет потребности в транспортных средствах
Строительные конструкции и материалы доставляются на стройку
специализированным транспортом. Необходимое количество машиносмен работы
транспортного средства для доставки однородного груза определяется:
, (4.18)
где
- количество перевозящегося груза в тоннах, т;
- сменная производительность транспортной единицы, т/см
,т/см, (4.19)
где
- паспортная грузоподъемность машины, т;
;
- количество рейсов в смену;
- коэффициент использования грузоподъемности машины (для ж/б
конструкций и кирпича
).
Количество рейсов транспортного средства в смену:
, (4.20)
где Т - продолжительность рабочей смены, час;
;
- нормативное время погрузо-разгрузочных работ;
= 0,62 час;
= 10 км - расстояние перевозки;
- средняя скорость движения в условиях города,
= 20 км/ч.
Перевозка стеновых панелей:
рейсов в смену.
Перевозка кирпича:
рейсов в смену.
4.11 Расчет потребности в складских помещениях
Требуемая площадь склада для хранения однородного материала определяется:
, (4.21)
где q - подлежащий хранению запас
однородного материала в натуральных единицах;
r - на
1
площади норма хранения материала;
- для панелей,
;
- кирпич,
;
- коэффициент, учитывающий проходы на складах (для открытых
складов
).
Запас однородных материалов, которые подлежат хранению:
,м3, (4.22)
где Q - количество однородных материалов,
необходимых для строительства в натуральных единицах;
- панели;
- кирпич;
t -
продолжительность работ с использованием данного вида материала, дни (по
графику);
- панели;
-кирпич;
n -
норма запаса материалов в днях, зависит от вида транспорта (для автомобильного
транспорта - 3 дня);
k -
коэффициент неравномерности снабжения
.
- панели
- панели
- кирпич
Количество и типы складов для основных материалов и конструкций
определено с учетом материалов нормативов.
Располагаем склады материалов и конструкций очень близко к месту
использования последних, для того чтобы более тяжёлые детали конструкции
находились ближе к крану, а лёгкие подальше от крана, но непременно в радиусе
действия стрелы крана. Когда располагают штабеля на складах, то между каждыми
двумя рядами делают проход до 1 м. Если штабеля смежные в рядах, то оставляют
промежутки до 20 см.
4.12 Технико-экономические показатели проекта производства работ
Таблица 4.3 - ТЭП ППР
|
Наименование
|
Ед. Изм
|
Кол-во
|
|
1. Себестоимость СМР
|
Тыс. руб.
|
-
|
|
2. Строительный объем здания
|
м3
|
20317,62
|
|
3. Общая площадь
|
м2
|
2779,40
|
|
4. Площадь застройки
|
м2
|
2040,0
|
|
5. Площадь стройплощадки
|
м2
|
9216,0
|
|
6. Площадь временных зданий
|
м2
|
108,0
|
|
7. Площадь складов
|
м2
|
420,0
|
|
8. Протяженность временной электросети
|
м
|
384,0
|
|
9. Протяженность временного водопровода
|
м
|
55,0
|
|
10. Протяженность временных дорог
|
м
|
317,0
|
|
11. Протяженность ограждения
|
м
|
400,0
|
5. ТЕХНИКА БЕЗОПАСНОСТИ ПРИ ПРОИЗВОДСТВЕ МОНТАЖНЫХ РАБОТ
.1 Монтажные работы
Когда организуют и проводят монтажные работы, то выполняются требования
согласно по [2], [9], [10], [11], [12], [13], [23] электробезопасности,
пожарной безопасности, при расположении и конструкции ограждений участка
монтажных работ.
При выполнении и организации участка монтажных работ, проездов
строительных машин и транспортных средств, рабочих мест и проходов для людей,
необходимо определить опасные зоны. Обязаны быть обеспечены опасные зоны
надписями определённой формы и знаками безопасности [10].Временные защитные
ограждения необходимо устанавливать на границах опасных зон[13].
Подходы к рабочим местам и сама рабочая зона обязаны освящаться
[12].Освещение должно быть равномерным, что бы не было ослепляющего воздействия
приборов света.
На складе выполняется складирование изделий и материалов в соответствии с
требованиями [11].
Выполняется в соответствии с инструкциями и по требованиям
завода-изготовителя использование механизмов, средств малой механизации,
строительных машин [11].
Монтируют строительные леса по инструкции монтажа, находящейся в
документации предприятия - изготовителя. Прежде чем монтировать леса,
поверхность грунта необходимо утрамбовать. Надо обеспечивать горизонтальность
лесов с помощью поддержки временного опорного сооружения. [16] Леса оборудованы
винтовыми опорами, с помощью которых выполняется регулировка горизонтальности.
Горизонтальные (связи и настил) компоненты лесов определяют согласно
уровнемера, а вертикальные (стойки и рамы) согласно отвесомера. Места, к которым
крепятся леса к стене, определены в конструкторской документации на леса. Ели
совпадают точки в стене крепления лесов с проёмами, то надо фиксировать с
несущими конструкциями с внутренней стороны здания с помощью устройств и
приспособлений [16].Крепить леса к парапетам и карнизам нельзя.
Леса необходимо оборудовать молниезащитой. Должно быть, сопротивление
заземления не больше 15 Ом.
После того как леса испытывают, то их допускают к эксплуатации. Когда
испытываются леса нормативной нагрузкой, то обследуется их устойчивость и
прочность, надёжность ограждений и настила, заземления [16].
Приёмная комиссия, назначенная руководителем строительной организации,
после проверки лесов выпускает их в эксплуатацию. Необходимо контролировать
техническое положение лесов перед каждой сменой и выполнять периодические
осмотры через каждые 10 дней. Итоги периодических осмотров фиксируют в журнале.
Когда выполняются монтажные и другие работы, топроходы и рабочие места на
высоте 1,3 м и больше и на расстоянии не меньше 2 м от границы перепада по
высоте обязательно должны быть выполнены временные ограждения. Работы, которые
выполняются на высоте, производятся с применением страховочных канатов и
поясов[11].
Следует осуществлять следующие принципы, когда монтируются панели:
) перед тем как поднять панели, то выполняют их очистку от грязи и наледи
на земле;
) закрепление панелей выполняется инвентарными траверсами и стропами, и
грузозахватными приспособлениями;
) поднимают на высоту 20-30 см, проводят проверку равномерности натяжения
стропов, дают оценку безопасности и только после этого делают подъем на
оставшуюся высоту;
) расстояние между панелью и выступающими элементами установленных
конструкций обязано являться по вертикали - 0,5 м., а по горизонтали не меньше
1 м.
5.2 Транспортные
работы
Грузовые крюки (стропов, траверс), которые применяют при выполнении
работ, обязаны быть обеспечены предохранительными замками, которые
предотвращают спонтанное падение груза.
У грузозахватных съёмных приспособлений грузоподъёмность стропов и траверс
обязана отвечать соотношению массе грузов.
Выгрузка панелевозов выполняется на горизонтальной гладкой площадке.
Монтажник (стропальщик) и машинист крана должны иметь радиопереговорные
устройства.
5.3 Охрана труда при производстве монтажных работ
Принадлежит к работам повышенной опасности монтаж конструкций. Рабочие,
которые выполняют монтажные работы, обязаны пройти медицинский осмотр,
подготовку, сдать экзамен и приобрести удостоверение[11]. Высотные работы (на
высоте больше 5 м от поверхности почвы либо рабочего настила) имеют все шансы
осуществлять лица не младше18 лет, которые имеют не меньше третьего тарифного
разряда и стаж работы не меньше одного года.
Пред тем как начать работы и в процессе эксплуатации, такелажные
приспособления и грузоподъемные машины обязанывыполнять техническое
освидетельствование. Каждый месяц делают осмотр механизмов и грузоподъемных
машин. Стропы осматривают - каждые 10 дней, клещи после каждого месяца,
траверсы не меньше одного раза в 6 месяцев. Канаты надо осматривать каждый
день, пользуясь нормами выбраковки изношенных канатов. Испытывают такелажные
приспособления нагрузкой, которая на 25% превышает расчетную грузоподъемность.
На бирках, которые прикрепляют к захватным приспособлениям, отмечают
грузоподъемность и дату испытаний.
Краны необходимо определять по проекту производства работ, а также
обеспечивать безопасные расстояния кранов от откосов котлованов, линий
электропередач, габаритов сооружений и зданий.
Леса и подмости обязаны обладать ограждениями на уровне рабочего места не
меньше 1 м. На монтажных работах применяют типовые инвентарные подмости и леса.
На подъемные люльки и леса обязаны быть паспорта предприятия - изготовителя
[9].
В проекте производства работ учитываются основные мероприятия по технике
безопасности. Производят стропами или специальными грузозахватными
приспособлениями строповку конструкций по схемам, которые указаны в
технологической карте. Поднятые элементы в свободном положении необходимо
сохранять от раскачивания оттяжками. Конструкции, которые не обладают
достаточной жесткостью, обязательно надо усиливать согласно проекту. Только
после того как надежно закрепят монтируемые элементы, выполняют их
расстроповки. Перед тем, как окончательно закрепить конструкции, обязана быть
выполнена их устойчивость с помощью кондукторов, связей, расчалок.
Нельзя осуществлять монтажные работы на одной захватке по вертикали с
другими работами в нижних этажах, если высота здания меньше пяти этажей.
Монтажники обязаны быть за пределами контура, конструкций которые
устанавливают, со стороны противоположной их подаче. Монтажников-верхолазов
должны обеспечивать специальной одеждой, нескользящей обувью и
предохранительными поясами. Чтобы переходить от одной конструкции к другой,
предусматривают лестницы, переходные мостики и трапы [9].
Площадка, на которой осуществляют монтаж, является опасной зоной, и
пребывание на ней запрещено. Контуры опасной зоны устанавливают окружностью,
которая очерчена радиусом, который равен вылету крюка стрелы крана, плюс 7 - 10
от границы поднимаемого груза [9].
Для управления подъемом конструкций нужен один человек - бригадир.
Команду «Стоп» должен и может подать любой рабочий, который заметил опасность.
Запрещено осуществлять монтажную деятельность на возвышенности в открытых
местах, если скорость ветра достигает 15 м/с и больше, при гололеде или грозе
либо при тумане, которые исключают видимость в пределах рабочей зоны. Работы
при монтаже панелей прекращают, если скорость ветра достигает 10 м/с и более.
5.4 Складирование материалов и конструкций
Ели имеется обрушение грунта, то прокладка транспортных путей и
складирование материалов, обязаны выполняться за пределами призмы обрушения на
закрепленных выемках (котлованов, траншей). Расположение в границах призмы
обрушения почвы у выемок с креплением разрешается при условии предварительного
контроля стабильности закрепленного откоса согласно паспорту крепления либо при
расчете, в котором учтена динамическая нагрузка. Необходимо располагать
материалы на площадках, которые выровнены, при этом принимать меры против
смещения, осыпания, просадки [10].
Материалы, оборудования, конструкции, изделия, которые предназначены для
проектируемого здания, складируются на строительной площадке и рабочих местах
последующим способом:
1) в пакетах на поддонах кирпич - не больше чем в два
яруса, без контейнеров - высотой не больше чем 1,7 м, в контейнерах - не больше
чем в один ярус;
2) плиты перекрытия - в штабель на подкладках и с прокладками, высота
которых не больше чем на 2,5 м;
) пиломатериалы - в штабель, высота которых при рядовой укладке не больше
чем половины ширины штабеля, а при укладке в клетки - не больше ширины штабеля;
) вентиляционные блоки и санитарно-технические - в штабель на подкладках
и с прокладками, высота которых не больше чем на 2 м;
5) тяжеловесное оборудование-на подкладках в один
ярус;
6) рулонные материалы и стекло в ящиках - на подкладках в 1 ряд
вертикально.
Должны быть выполнены проходы, ширина которых не
меньше 1 метра, на складах между штабелями.
Нельзя опирать материалы и изделия к деревьям либо к заборам и элементам
капитальных и временных сооружений [10].
5.5 Погрузочно-разгрузочные работы
Дороги необходимо зимой очищать от снега и льда, посыпать шлаком или
песком.
Если даже автомобили определяют для погрузки или
разгрузки возле здания, то в таком случае между зданием и задним бортом
автомобиля обязан быть промежуток не менее 0,5 м.
Интервал между автомобилем и штабелем груза должен быть не меньше 1 м.
Погрузочно-разгрузочная деятельность обязана осуществляться, ровно как
принцип, механизированным методом.
Механизированный метод погрузочно-разгрузочных работ считается
неотъемлемым для грузов весом больше 50 кг, а кроме того ипри подъеме грузов на
высоту больше 2 м и таким образом используется практически для абсолютно всех
материалов на объекте.
Физическими лицами либо организациями, которые
применяют грузоподъемные машины, обязаны быть изобретены методы строповки и
зацепки грузов, которым обязаны быть научены машинисты и стропальщики
грузоподъемных машин.
В местах, где осуществляется производство
погрузочно-разгрузочных работ либо в зоне работы грузоподъемных машин не
допускается пребывание лиц, которые не имеют отношения к этим работам [11].
В зоне, где вероятно обрушение и падение грузов, наличие людей и
перемещение автотранспортных средств, запрещено.
Монтажные петли обязательно должны быть осмотрены, в случае если будет
производиться погрузка либо разгрузка панелей.
Погрузочно-разгрузочные работы, которые производятся с опасными грузами,
обязаны осуществляться по наряду-допуску[11].
.6 Обеспечение пожаробезопасности
Всегда должно быть в исправном состоянии противопожарное оборудование.
Пути, которые ведут к противопожарному оборудованию, обязаны быть свободны, и
отмечены специальными знаками[2].
Дороги должны обладать покрытиями, пригодными для проездов пожарных
автомобилей в любой период года. Ширина ворот, которые для въезда, должна быть
не меньше 4 м.
При въезде на площадку должны вывешиваться планы пожарной защиты, на
которых нанесены строящиеся и вспомогательные здания и сооружения, въезды,
подъезды, местонахождения водоисточников, средства пожаротушения и связи [2].
Никак не допускается собирать на площадках горючие вещества, так как они
обязаны храниться в замкнутых контейнерах на безопасном участке.
В местах, содержащих горючее или легковоспламеняющиеся материалы, курение
строго запрещено.
На рабочих зонах, в которых применяется либо приготовление клеи, мастики,
и других материалов, выделяющих взрывоопасные, вредные вещества, не разрешаются
действия с использованием огня либо активизируется искрообразование. Подобные
рабочие зоны обязаны вентилироваться, а электроустановки в данных комнатах
(зонах) обязаны находиться во взрывобезопасном состоянии. Помимо этого,
необходимо осуществить мероприятия, которые предотвращают появление и
накопление зарядов статического электричества [2].
Когда строятся здания высотой больше 3 этажей, то лестницы необходимо
устанавливать одновременно с монтажом лестничной клетки.
Работы, которые связанны с устройством конструкций с горючими утеплителями
или с использованием горючих утеплителей, обязаны вестись по нарядам-допускам,
которые выдаются исполнителям работ и которые подписаны лицом, ответственным за
пожарную безопасность [11].
На площадке формируем и организовываем подготовку знаний правил по
пожарной безопасности и действий, на случай если возникнет пожар всех рабочих и
служащих.
5.7 Охрана окружающей среды.
Проблемы подбора площадки с целью постройки, зон
водозабора, очищение и спуска сточных вод согласовано с органами
Государственного санитарного надзора и иными организациями в определенном
режиме. При проектировании были учтены направления господствующих ветров [5]. А
также была учтена планировка и застройка данного района, рельеф местности.
Строительство объекта ведется в относительно - стесненных условиях в черте
города.
Активное воздействие строительства на природную и окружающую среду
объясняется, в первую очередь, тем, что возводимые здания непосредственно
взаимодействуют со многими элементами окружающей среды. Для обеспечения этого взаимодействия
приходиться в той или иной мере прибегать к нарушению сложившейся природной
среды.
Когда выполняется строительно монтажных работ, то надо
осуществлять требования по охране окружающей среды [10].
Строительство объекта было разрешено только с тем
условием, что в период строительства, загрязнения атмосферного воздуха не как
не будет выше величин, определённых санитарными нормами.
В автомобилях и механизмах с ДВС формируются каталитические фильтры,
которые способствуют нейтрализации и очищению проработанных газов.
Переход строительных автомобилей на электропривод и использование
электрической энергии с целью технологических нужд вместо жесткого и жидкого
горючего дает возможность целиком устроить вредоносные выбросы в атмосферу.
С целью снижения гула на строительной площадке
отпадает одновременная деятельность многих автомобилей со значительной степенью
гула. Работающие автокомпрессоры необходимо ограждать специальными
шумозащитными экранами, высота которых составляет 2.5 м из щитов, которые обиты
минераловатными плитами.
При возведении объекта на строительной площадке
образуется много пыли, источником которой являются работы, связанные с
применением песка, извести, цемента, т. е с сыпучими материалами. Пыль
отрицательно влияет на органы дыхания человека, приводит к развитию
профессиональных заболеваний, ухудшает видимость на строительном объекте,
снижает светоотдачу осветительных приборов, увеличивает шлифующий износ
трущихся элементов машин и механизмов. Вследствие данных факторов уменьшается
эффективность и свойство работы и усугубляется единый уровень культуры.
Для предупреждения запыленности необходимо проводить
следующие мероприятия:
1) максимально механизировать и автоматизировать
производственные процессы;
2) применять герметичное оборудование,
герметичные устройства для транспортировки пылящих материалов:
3) применять индивидуальные средства защиты -
респираторы, очки, противопульную одежду.
Кроме пыли зачастую существуют примеси разных
токсичных и неядовитых паров являющихся источниками газов, которые
выбрасываются двигателями внутреннего сгорания. Оборудование машин абсолютно
всех видов и направлений, пребывающее в эксплуатации, обязано отвечать законам
согласно по охране труда на автомобильном транспорте.
Основными предупреждающими мероприятиями являются: применение еще одной
изоляции источников засорения, монтаж вспомогательного тепло-, пыле-, газо-,
влагоулавливающего оснащения, применение проветривания.
При возведении здания используют кран МКА-16 с электроприводом, что
снижает загрязнение воздуха выхлопными газами, токсичными выделениями, и также
приводит к уменьшению гула на площадке.
Бытовые и производственные стоки, которые возникают на строительной
площадке, вычищаются и обезвреживаются. Для очистки и удаления бытовых стоков
уборные присоединяются к существующим сетям канализации.
Транспортировка и хранение строительных материалов (цемент, раствор,
бетон, арматура) осуществляется с соблюдением установленных технических
требований [5].
На территории строительства запрещается непредусмотренная
проектом срубка и выкорчевывание кустарниковой растительности, засыпка почвой и
мусором стволов растущих деревьев. Необходимо по возможности сохранять
существующие зеленые насаждения. Уже после завершения трудов по возведению и
отделке здания производится благоустройство и озеленение земельного участка.
С целью избежания засорения земли и воды, следует устройство
механизированной и автоматизированной заправок элементов и организация сбора
проработанных масел. В местах, где проходит техническое обслуживание машин,
формируются емкости с целью сбора отработанных нефтепродуктов.
Осуществление выполнения работ на строительной
площадке обязаны реализоваться в согласовании с проектом производства работ,
предусматривающим формирование для работающих санитарно-гигиенических условий
труда. Учитывается защита рабочих от негативных условий, в которую входят тенты
с целью защиты от атмосферных осадков и солнечной радиации, комнаты для сушки
одежды и обогрева в холодный период года [10]. В специально отведенные места,
осуществляется вывоз мусора.
Строительная площадка ограждена и обеспечена требуемым
количеством проходов и проездов. В тёмное время суток учтено её освещение [12].
6. ЭКОЛОГИЧЕСКИЙ РАЗДЕЛ
6.1 Пути эвакуации и действия персонала при ЧС
Чрезвычайными ситуациями установлено называть условия, которые возникают
вследствие катастроф и аварий на транспорте (техногенные), в промышленности,
стихийных бедствий (природные), экологических катастроф, или факторов,
политического характера, социального и военного, которые заключаются во
внезапном отклонении от нормы протекающих явлений и процессов и проявляют
значительное воздействие на жизнедеятельность людей, природную среду, экономику
либо социальную сферу.
ЧС, которые возникают в мирное время в результате катастроф, стихийных
бедствий, производственных и транспортных аварий, сопровождаются разрушением
транспортных средств, зданий, инженерных коммуникаций, сооружений, гибелью
людей, уничтожением материальных ценностей и оборудования. Подобные действия
требуют серьезных и быстрых мер по ликвидации их результатов, выполнения
спасательных и иных неотложных работ.
Перечислим возможные чрезвычайные (аварийные) ситуации спортивного
комплекса:
1) аварии системы теплоснабжения;
) ситуации в случае пожара;
) ЧС природного и техногенного характера;
) химическое заражение.
6.1.1 Оценка аварии системы теплоснабжения
Целью отопления помещений является поддержания тепла в них в холодное
время года при заданной температуре воздуха. Основной причиной аварии системы
теплоснабжения в зимнее время является прорыв труб. Чтобы этого не произошло
должна быть произведена подготовительная работа. Главным обстоятельством
подготовки жилых домов к зиме считается их точное техническое использование в
течение всего года и своевременно проводимый текущий ремонт.
6.1.2 Оценка ситуации в случае пожара
Если возникает пожар, то огромную роль для безопасности людей и
уменьшения материальных потерь играет правильная и своевременная
ор-ганизованная эвакуация материальных ценностей и людей.
Движение людей иногда может быть паническим, свободным, вынужденным.
Плотность потока людей не значительна при их свободном движении. В случае
этого движение обладает субъективным характером - человек по своему мнению
может поменять направление движения и темп.
Вынужденное перемещение обуславливается одновременностью и
кратковременностью движения людского потока. В этом случае движение носит
объективный характер, когда человек не способен без помощи других изменить ни
направление движения, ни темп, а при нахождении в центральной части потока
передвигается, если он никак не затрагивает ногами пола либо земли. Процесс
принужденного перемещения способен при неверной его организации переключится в
паническое движение, приводящее к человеческим жертвам.
При панике все либо большинство людей старается незамедлительно покинуть
помещение, прилагая максимальные физические усилия. В период паники плотность
людского потока весьма взвышена, а темп перемещения способен приравниться к
нулю.
Памятка по
правилам пожарной безопасности.
В случае появления пожара:
) немедленно проинформировать о появлении пожара в пожарную охрану города
или округа;
) осуществить локализацию и тушение пожара силами и средствами, которые
имеются;
) эвакуировать людей (переменный состав, постоянный, посетителей) из
помещений, находящихся рядом с пожаром;
) выключить вентиляционные системы, кондиционеры, закрыть окна и двери, в
районе появления пожара для ликвидации его распространения;
) приступить к выносу документации и имущества из ближайших к участку пожара
помещений;
) при загорании электрооборудования обесточить помещение, не тушить водой
электрооборудование, находящееся под напряжением;
) осуществить тщательный контроль всех задымленных и горящих помещений с
целью выявления или потерявших сознание посетителей или пострадавших,
обеспечить первой медицинской помощью и направить их в медицинские учреждения;
) осуществить встречу пожарной команды, проинформировать старшего
пожарной команды о сведениях очага пожара, принятых мерах и специфических
особенностях объекта, которые смогут воздействовать на развитие и ликвидацию
пожара;
) сообщить о сложившейся на объекте ситуации, числе пострадавших и
принятых мерах по ликвидации пожара в управление по делам ГОЧС округа;
) в задымленном помещении старайтесь передвигаться ползком по полу или
ближе к стене, где меньше дыма;
) при проникновении в помещение дыма, вдыхайте воздух через смоченную
ткань, ни в коем случае не вдыхайте дым, так как он очень токсичен и может
обжечь дыхательные пути.
Для беспрепятственной эвакуации людей с территории объекта предусмотреть
следующие мероприятия:
) ширина дверей в помещениях не менее 1 метра;
) двери на маршрутах эвакуации открываются по пути эвакуации;
) поддержание свободными путей эвакуации;
) время эвакуации из здания - 8 - 10 минут;
) сквозные проезды шириной 4,5 м с твердым покрытием и выездами
на магистральные улицы, площадки для места посадки эвакуируемого населения;
) Въезд и выезд автотранспорта для ликвидации последствий ЧС исполняется
через оборудованные асфальтированные проезды.
6.1.3 Оценка ситуации при ЧС техногенного и природного характера
Согласно «Исходных данных и требований на разработку ИТМ ГОЧС» в районе
строительства опасных природных процессов, требующих превентивных защитных мер,
не наблюдалось, поэтому проектирование ведется по общим нормам для нормальных
условий строительства объекта.
6.1.4 Оценка ситуации при химическом заражении
На проектируемом объекте выполняется контроль за химической и
радиационной обстановкой и оповещением о возникающей ситуации персонала и
своевременного вывода их из опасных зон. В случае процесса загрязнения
производится дезактивация здания и территории.
6.2 Меры по защите персонала в условиях чрезвычайных ситуаций
Устранение результатов ЧС исполняется силами и средствами организаций
местного самоуправления, на местности которых сформировалась чрезвычайная
обстановка, под непосредственным руководством соответствующей комиссии по ЧС.
Если масштабы ЧС такие, что существующими силами и средствами ликвидировать её
невозможно, то указанные комиссии обращаются за поддержкой к вышестоящей
комиссии по ЧС.
Работы, которые связанны со спасением людей, ведутся постоянно до полного
их окончания. При необходимости организуется смена и отдых личного состава на
участке работ или в определенных местах (районах). Целью выполнения аварийно -
спасательных работ и других неотложных работ (АСДНР) считается защита людей и
предоставление медицинской помощи потерпевшим, локализация аварии и
предотвращение повреждений, которые препятствуют ведению спасательных работ.
.3 Обязанности организаций в области защиты персонала от чрезвычайных
ситуаций
Для наиболее высококачественного и результативного осуществления,
приведения механизма системы предупреждения чрезвычайных ситуаций в действие
следует быть убежденным в том, что простые правила техники безопасности
понимают рядовые рабочие и служащие. Все без исключения сотрудники обязаны быть
обучены на практике правилам поведения в нестандартной ситуации при
возникновении чрезвычайной ситуации, обладать индивидуальными средствами
защиты.
Организации должны:
) составлять план и реализовывать требуемые мероприятия в сфере защиты
работников организаций и подведомственных объектов производственного и
социального назначения от чрезвычайных ситуаций;
) составлять план и осуществлять мероприятия согласно увеличению
устойчивости функционирования организаций и обеспечению жизнедеятельности
работников организаций в чрезвычайных ситуациях;
) гарантировать формирование, подготовку и сохранение в готовности к
использованию сил и средств по предупреждению и ликвидации чрезвычайных
ситуаций, подготовка сотрудников организаций методам защиты и поступкам в
чрезвычайных ситуациях в составе невоенизированных формирований;
) формировать и сохранять в стабильной готовности локальные системы
уведомления о чрезвычайных ситуациях;
) гарантировать организацию и осуществление аварийно-спасательных и иных
неотложных работ на подведомственных объектах производственного и социального
назначения и в ближайших к ним зонах в соответствии с планами предупреждения и
предотвращения чрезвычайных ситуаций;
) финансировать мероприятия по защите сотрудников организаций и
подведомственных объектов от чрезвычайных ситуаций;
) формировать запасы финансовых и материальных ресурсов с целью избежания
чрезвычайных ситуаций;
) предоставлять в определенном режиме данные в области защиты населения и
территорий от чрезвычайных ситуаций, а кроме того уведомлять сотрудников
организаций об угрозе появления либо о возникновении чрезвычайных ситуаций.
Абсолютно всем потерпевшим оказывается квалифицированная медицинская
помощь, при необходимости принимаются мероприятия по санитарной обработке людей
и по обеззараживанию территории.
Независимо от вида ЧС при ее возникновении и ликвидации:
) незамедлительно осуществить защиту посетителей и сотрудников объекта от
поражения;
) осуществить деятельность по обеспечению минимального ущерба от ЧС;
) осуществить допустимые мероприятия по локализации ЧС и сокращению
размеров опасной зоны;
) гарантировать непрерывное исследование ситуации на прилегающей
местности и в помещениях объекта для своевременного принятия мер по ее
нормализации;
) осуществить обмен информацией об обстановке с управлением по делам ГОЧС
муниципального образования.
На рисунках 6.1 - 6.2 представлены планы эвакуации.
В коридорах, не как не разрешается располагать оборудование, которое
выступает из плоскости стен на высоте менее 2 м, трубопроводы с горючими
жидкостями и газопроводы, а кроме того встроенные шкафы, помимо шкафов для
пожарных кранов и коммуникаций.
Коридоры протяженностью более 60 м необходимо делить противопожарными
перегородками 2-го типа на зоны, протяжность которых определяется по [2], но не
как не должна быть выше 60 м.
При дверях, которые открываются из помещений в коридоры, за ширину
эвакуационного пути по коридору необходимо осуществлять ширину коридора,
уменьшенную:
) при одностороннем расположении дверей - на половину ширины дверного
полотна;
) при двустороннем расположении дверей - на ширину дверного полотна.
Рисунок 6.1 - План эвакуации 1 этажа
Рисунок 6.2 - План на отметке +3,300
Высота горизонтальных зон путей эвакуации в свету обязана являться не
меньше 2 м, ширина горизонтальных зон путей эвакуации и пандусов обязана являться
не менее:
1) 1,2 м - для
общих коридоров, согласно каким могут эвакуироваться из помещений больше 15
чел., из помещений других классов функциональной пожарной опасности - больше 50
чел.;
) 0,7 м - для
прохода к рабочим местам, для одного человека;
) 1,0 м - во всех других вариантах.
В каждом случае, эвакуационные пути обязаны являться такой ширины, для
того чтобы по ним можно было пронести носилки с лежащим на них человеком.
В полу на путях эвакуации никак не разрешаются перепады высот меньше 45
см и выступы, в исключении порогов в дверных проемах. В участках перепада высот
необходимо учитывать лестницы с количеством ступеней не меньше трех либо
пандусы с уклоном не более 1:6.
Если высота лестниц наиболее 45 см, то необходимо учитывать ограждения с
перилами.
На путях эвакуации никак не разрешается устройство винтовых лестниц,
целиком либо отчасти криволинейных в плане, а кроме того забежных и
криволинейных ступеней, ступеней с разной шириной проступи и разной высоты в
границах марша лестницы и лестничной клетки.
Для зданий, у которых высота 10 м и наиболее от планировочной отметки
земли до карниза или парапета, необходимо учитывать выходы на кровлю из
лестничных клеток либо по наружным пожарным лестницам.
Выходы из лестничных клеток на чердак либо на кровлю необходимо
предусматривать по лестничным маршам с площадками перед выходом, через
противопожарные двери 2-го типа.
7. НАУЧНО-ИССЛЕДОВАТЕЛЬСКАЯ РАБОТА ПРОЕКТИРОВАНИЕ ХЛАДОСТОЙКИХ СТАЛЬНЫХ
КОНСТРУКЦИЙ
.1 Выбор марки стали для конструкций
Подбор стали для конструкций считается многофакторной
технико-экономической задачей, которая усложнена многообразием новых марок
сталей и дифференциацией их прочностных, деформационных и технологических
качеств. Но в не независимости от этих осложнений подбор стали для строительных
конструкций обязан точно соответствовать требованиям по [31].
При выборе марки стали предусматриваются:
1) назначение конструкций;
2) температурные требования их производства, монтажа и эксплуатации;
) вид промышленных и монтажных соединений элементов.
В некоторых случаях, подбор стали зависит от предельной толщины проката,
который используют и от конструктивной формы проектируемых изделий. В
согласовании с отмеченными особенностями, все стальные конструкции разделяют на
четыре главных группы.
Группа I. Сварные конструкции, которые
действуют в особенно тяжелых условиях или подвергаются конкретному влиянию
динамических, вибрационных или подвижных нагрузок, - конструкции бункерных и
разгрузочных эстакад, подкрановые балки и балки рабочих площадок в цехах с
тяжелым режимом работы кранов, пролетные строения транспортных галерей и т.п.
Необходимо выделить, что к группе I принадлежат фасонки различных ферм как элементы, которые подвластны
хрупкому разрушению в связи с их работой в условиях неоднородного напряженного
состояния, которое вызывается концентрацией напряжений.
Группа II. Сварные конструкции, компоненты
которых функционируют в условиях растяжения при влиянии на них статических
нагрузок,- трубопроводы ГЭС, фермы разного направления, балки перекрытий и
покрытий, ригели рам, элементы опор антенных сооружений, и насосных станций, а
кроме того несколько других растянутых и изгибаемых элементов ответственных
сооружений. К данной группе, при отсутствии в них сварных соединений, имеют
быть отнесены также конструкции группы I.
Группа III. Сварные конструкции, элементы
которых в большей степени работают на сжатие, - опоры технологического
оборудования, колонны и стойки, прогоны покрытий и ряд других сжатых и
сжато-изогнутых элементов конструкций. К данной группе принадлежат конструкции
группы II, если в них отсутствуют сварные
соединения.
Группа IV. Вспомогательные конструкции зданий
и сооружений, которые при повреждении, не приводят к аварийному состоянию
основных несущих конструкций, - элементы фахверка, связи различного назначения,
площадки и второстепенные элементы антенных сооружений, лестницы. К группе IV принадлежат и конструкции группы III, если отсутствуют в них сварные
соединения.
Выбор марки стали для конструкций, которые строятся в районах с расчетной
температурой Тэ<- 40 0С, но эксплуатируются в
отапливаемых помещениях, необходимо осуществлять, как для районов с Тэ=
-400С. Для конструкций, которые относятся к первым трем группам,
строящихся и эксплуатируемых в районах с Тэ<- 40 0С,
использование многоуглеродистых сталей обыкновенного качества не разрешается,
что в ряде случаев формирует конкретные затруднения.
При подборе стали для конструкций, особое внимание следует
концентрировать на соотношение категорий стали условиям СНиПа. Категории отображают
условия ГОСТов к химическому составу стали, механическим свойствам, в том числе
ударную вязкость при комнатной (+200С) и низких температурах. Ровно
как принцип, номер категории в одном из ГОСТов может не отвечать по указанным
условиям этому же номеру категории в другом ГОСТе.
7.2 Конструктивно-технологические требования по предотвращению хрупкого
разрушения стальных конструкций
7.2.1 Общие требования и указания
Все без исключения, центрально - и внецентрено - растянутые элементы и
зоны растяжения изгибаемых элементов конструкций, которые возводятся и
эксплуатируются при влиянии естественных климатических температур и имеют формы
низкой хладостойкости, необходимо контролировать на прочность с учетом
сопротивления хрупкому разрушению.
В конструкциях необходимо учитывать, монтажные соединения на болтах, в
том числе высокопрочных, это дает возможность свести на нет
конструктивно-технологические несовершенства монтажных соединений.
Использование комбинированных соединений, где одна часть усилия воспринимается
сварными швами, а иная - болтами, никак не разрешается, так как в подобных
соединениях оказываются перегруженными сварные швы.
В конструкциях покрытий зданий и сооружений, которые эксплуатируются в
районах с расчетной низкой температурой Тэ <- 40 0С,
необходимо, как принцип, учитывать посредине пролета непрерывные вертикальные
связи вдоль всего здания. Подобные связи при перегрузке одной из стропильных
конструкций перераспределяют нагрузку на вблизи расположенные конструкции
покрытия и в таком случае считаются элементами резервирования при появлении
хрупкого разрушения в одной из ключевых конструкций.
При проектировании сварных конструкций необходимо понимать, что
сплошностенчатые конструкции (балки, связи, колонны)постоянно обладают меньшей
концентрацией напряжений и меньше восприимчивы к неожиданным эксцентриситетам,
нежели решетчатые [32].
При разработке узлов стальных сварных конструкций следует устранить
вероятность вредного влияниях остаточных сварочных деформаций и напряжений и
концентрации напряжений, предусматривая надлежащие конструктивные решения (с
более однородным распределением в элементах и деталях в отсутствии входящих
узлов, резкого изменения сечений и других концентратов напряжений) и
технологические мероприятия (зачистки абразивным кругом, порядок сборки и
сварки, механическую обработку зон концентрации напряжений путем строжки,
фрезерования). Необходимо по возможности остерегаться конструктивных форм
низкой хладостойкости, применяя в требуемых вариантах способ деконцентрации
напряжений.
Максимальные промежутки между температурными швами стальных каркасов
одноэтажных зданий и сооружений в соответствии с [31] при температуре Тэ<
- 40 0С постоянно берутся минимальными, чем для зданий и сооружений
в климатических районах с наиболее значительными расчетными температурами.
7.2.2 Сварные соединения
Сварные соединения обязаны устранять вероятность хрупкого разрушения
основного металла и сварных швов, что обладает место вследствие негативного
сочетания последующих условий:
1) высоких местных напряжений, которые вызваны сосредоточенными
нагрузками;
2) резких концентратов напряжений на участках со значительными
местными напряжениями, которые направлены поперек действующих растягивающих
напряжений;
) пониженной температуры, присутствие каковой сталь в зависимости
от неё химического состава, структуры и толщины проката передается в хрупкое
состояние.
Угловые сварные швы для элементов конструкции, строимых в районах с
температурами Тэ <-400С, и конструкций, которые
подвергаются динамическим или циклическим воздействиям нагрузки, необходимо
осуществлять с плавным переходом к основному металлу, ориентируя данное условие
на рабочих чертежах КМ и КМД.
Сварные стыковые штыковые швы листовых деталей осуществляют, ровно как
принцип, прямыми и располагают нормально к действующим усилиям с полным
проваром и с использованием выводных планок, что уменьшает возможность
появления непроваров сварного шва и надрезов основного металла.
Использование прерывистых швов и электрозаклепок разрешается только в
конструкциях группы IV, потому что
такие соединения приводят к росту числа источников концентрации напряжений,
качество же сварных швов в подобных соединениях не контролируется.
Для конструкции группы I и
конструкций, которые строятся в климатических районах с температурой Тэ <-
40 0С, использование односторонних угловых швов не разрешается,
потому что это связано с угрозой возникновения технологических концентратов
напряжений (щелевые зазоры, непровары).
В участках ферм с фасонками промежуток между краями элементов решетки и
пояса необходимо осуществлять Δ=6t - 20мм, но не больше 80 мм (здесь t - толщина фасонки). Присутствие минимальных расстояний в
зазоре прослеживается резкая концентрация напряжений и при случайном изгибе
фасонок в процессе монтажа в них возникают трещины хрупкого разрушения. Сталь
для фасонок стропильных ферм необходимо подбирать, ровно как с целью для
конструкций группы I, в независимости
от способа выбора стали для абсолютно всех остальных элементов фермы.
Между торцами стыкуемых элементов поясов ферм с накладками, которые
приварены угловыми фланговыми швами, следует оставлять зазор не меньше 50 мм.
При минимальных зазорах осуществляется высокий уровень концентрации напряжений
в накладках, который способен послужить причиной хрупкого разрушения. Необходимо
выделить, что данное условие удовлетворяется, таким образом, и при наименьшем
зазоре между торцами стыкуемых элементов, в случае если промежуток между концом
сварного шва на одной половине накладки и началом сварного шва на другой её
половине (при симметричном расположении швов относительно оси стыка) никак не
меньше 50мм.
Сварные угловые швы, которые прилепляют элементы решетки к фасонкам,
необходимо осуществлять на торец элемента на длину 20мм. В таком
комбинированном сочетании значительно снижается сосредоточение усилий в
фасонке, так же допустимые дефекты в начале углового шва выводятся из зоны
максимальной концентрации напряжений сдвига во фланговом шве. В узлах ферм с
поясами из тавров, двутавров и одиночных уголков крепление встык фасонок к полкам
поясов, необходимо реализовывать с проваром на всю толщину фасонки. При этом
для конструкций I группы и для
всех конструкций, которые используются в климатических районах с расчетной
температурой Тэ <- 40 0С, форма фасонки обязана
гарантировать плавный переход от фасонки к поясу либо угол перехода ее к поясу
не должен быть выше 450. В фасонках тяжелых ферм в этих же случаях
следует осуществлять плавный переход от фасонок к поясам.
7.2.3 Сварные составные балки
Применение пакетов листов с целью поясов сварных балок никак не
разрешается в связи с существенной неравномерностью распределения в них
нормальных напряжений, которые нереально учитывать традиционными методами
расчета. Поясные сварные швы в балках и сварные швы, которые присоединяют к
растянутому поясу вспомогательные элементы (фасонки связей, ребра жесткости),
обязаны осуществляться постоянными с целью уменьшения количества очагов
концентрации напряжений.
Рёбра жесткости сварных балок необходимо устранять от сварных стыковых
швов стенки или полки на расстояние не меньше 10 толщин стенки в предотвращении
появления в стенках существенных растягивающих остаточных напряжений. В зонах
пересечения стыковых швов стенки балки с продольными ребрами жестокости швы,
которые прикрепляют ребро, никак не рекомендовано доводить вплоть до стыкового
шва на 40мм.
В промышленных и монтажных стыках поясов и стенок балок с накладками,
которые приварены угловыми фланговыми швами, расстояние между осью стыка и
началом углового флангового шва накладки обязано являться никак не меньше 30
мм. Присутствие минимальных расстояний концентрация напряжений в накладках
значительно увеличивается, а в главном металле накладки от теплового
воздействия сварки появляются термопластические деформации, которые приводят к
динамическому старению и появлению остаточных растягивающих напряжений.
7.2.4 Сварные колонны
Выполняя стыки любых типов колонн с накладками, сварные швы при проверке
накладок никак не надо доводить до оси стыка на 30мм с каждой стороны, потому
что это убавит концентрацию напряжений в накладках. В сквозных колоннах,
которые возводят в районах с Тэ <- 40 0С, фасонки
соединительной решетки обязаны быть приварены непрерывными сварными швами. Если
применяется ручная сварка, то данное условие распространяется на колонны,
которые возводятся во всех климатических районах. Объясним, что колонны
считаются сжатыми конструкциями и хрупкое разрушение в их элементах допустимо
при силовых воздействиях в период транспортировки, погрузки и разгрузки, в
процессе монтажа.
7.3 Выбор конструктивной формы для хладостойких конструкций. Метод
деконцентрации напряжений
Процесс имеет много вариантов при проектировании стальных конструкций
любого назначения и вида. В особой степени это принадлежит к нетиповым
конструкциям, подбор конструктивной формы которых, а также формы их элементов
находится в зависимости от квалификации конструктора.
При подборе конструктивной формы необходимо принимать во внимание, к
примеру, то, что сплошносетчатые конструкции по сравнению со сквозными обладают
существенно меньшими источниками конструктивно-технологических концентратов
напряжений, почти не чувствительны к неожиданным эксцентриситетам нагрузки, в
них значительно менее узлов и сопряжений, в которых появляются дополнительные
напряжения, которые не учитываются расчетом. Почти все без исключения
современные стальные конструкции считаются сварными, но с целью в монтажных
соединениях для повышения хладостойкости конструкций рационально обширно
использовать соединения на болтах, в том числе высокопрочных.
Подбор конструкций формы элементов считается важной задачей при
проектировании хладостойких конструкций. Несомненно, условие хладостойкости в
климатических условиях нашей страны предъявляется абсолютно ко всем системам
конструкций, которые эксплуатируются при воздействии естественных низких
температур воздуха, и в особенности к конструкциям, которые подвержены
динамическим и циклическим воздействиям или которые работают в агрессивных
средах, а так же возводятся в климатических районах с расчетными температурами
Тэ <- 40 0С. Подбирая форму элементов таких
конструкций, необходимо остерегаться использования применения конструктивных
форм низкой хладостойкости, которые классифицированы при анализе отказов
конструкций. Необходимо принимать во внимание, то что концентрация напряжений
сама по себе (в том числе в предельной своей форме в виде трещин) никак не
приводит к катастрофическому уменьшению прочности малоуглеродистых и
низколегированных сталей. Угроза концентрации напряжений постоянно усложняется
в тех случаях, если появляется в зонах охрупченных технологическими
воздействиями сварки или наклепом стали. Непосредственно в конструктивных
формах низкой хладостойкости и совмещаются данных два фактора непрочного
разрушения. Взаимосвязи с данной характерной чертой изобретены, экспериментально
обоснованы и с успехом использовались на практике способы увеличения
хладостойкости конструктивных форм элементов конструкций.
Способы увеличения хладостойкости, какие возможно применять для любых
видов конструкций, базируются на следующих общих принципах:
1) существенное снижение концентрации напряжений конструктивными и
технологическими методами;
2) уменьшение локализации термопластических деформаций при сварке в
районах сосредоточения усилий;
) уменьшение уровня монолитности составных сечений элементов
конструкций.
Ровно как принцип, для всех конструктивных форм низкой хладостойкости
возможно отыскать конструктивно-технологические способы и приемы, какие станут
отвечать отмеченным принципам повышения хладостойкости, именуемые методами
деконцентрации напряжений. Экспериментальное изучение эффективности данных
способов доказало, что гарантированное понижение первой критической температуры
доходит по крайней мере , 200С для всех конструктивных форм.
Подчеркнем, то, что способы деконцентрации напряжений с триумфом имеют все
шансы использоваться как для вновь проектируемых конструкций, так и для
конструкций, которые находятся в эксплуатации.
7.4 Технологические методы повышения хладостойкости стальных конструкций
при их изготовлении, транспортировке и монтаже
.4.1 Общее положение
Все без исключения технологические способы увеличения хладостойкости
стальных конструкций базируются на последующих главных прицепах:
) при холодном деформировании в ходе холодной обработки стали не
допускать существенного наклепа стали и создания трещин, царапин, надрезов;
) при сварке элементов устранить появление непроваров и иных недостатков
сварного шва и основного металла;
) при выполнении сварочных операций не как не позволять существенных
термопластических деформаций и в соответствии с этим остаточных напряжений
высокого уровня.
В ходе производства конструкций при температурах воздуха ниже -250С
не как не разрешается резка на гильотинных ножницах и продавливание отверстий,
а таким образом все без исключения виды ударных воздействий. Конструкции
северного исполнения необходимо подготавливать только при положительной
температуре. Правка элементов посредством наплавки валиков дуговой сварки
запрещено. Необходимо сосредоточит интерес, что пластичность низколегированных сталей
при комнатных температурах (+20 0С) постоянно менее, чем
малоуглеродистых, по этой причине все без исключения заметны обрабатывания
низколегированных сталей обязаны проверяться с целью предотвращению царапин,
наклепа, трещин, технологических надрезов наиболее точно, нежели для
малоуглеродистых сталей.
7.4.2 Резка и обработка кромок, сборка конструкций
Кромки элементов из низкоуглеродистых сталей уже после ручной кислородной
резки и из малоуглеродистых сталей уже после воздушно-дуговой резки подлежат
строжке, фрезерованию либо обрабатыванию абразивным кругом с целью снижения
концепции напряжений от неровности резки и снятия зон, которые подвергаются
термопластическим деформациям.
Кромки деталей, которые работают на растяжение, из низколегированных сталей
различных марок, а так же деталей из малоуглеродистых сталей толщиной 10 мм
после резки на гильотинных ножницах, деталей в конструкциях северного
исполнения либо же улавливающих динамические нагрузки после резки на
гильотинных ножницах подлежат строжке либо фрезерованию.
Сборку конструкций, возможно, осуществлять из выправленных деталей,
которые очищены от заусенцев. Прихватки, которые предназначены с целью
объединения собираемых деталей, обязаны, находится в зонах места положения
сварных швов, при наложении данных сварных швов, прихватки проплавляются и не
как не создают концентрации напряжений.
7.4.3 Сварка конструкций
Придание угловым швам вогнутого профиля, предоставление плавного перехода
к главному металлу, осуществление стыковых швов в отсутствии усилия, в случае
если это предусмотрено чертежами КМД, ровно как принцип, обязаны отвечать
выбором порядка сварки. Начало и конец сварного стыкового шва вводятся за
границы свариваемых элементов на выводные планки, какие удаляются кислородной
резкой с дальнейшей обработкой сваренных элементов в зонах расположения планок
абразивным кругом и зачисткой вдоль стыкуемых деталей.
Для конструкций северного исполнения не как не разрешается не сплавление
по кромкам, непровары в угловых и в стыковых швах, когда по проекту
предусмотрено сквозное проплавливание.
Трещины абсолютно всех типов и размеров в швах сварных соединений, а так
же в основном металле не разрешается.
7.4.4 Транспортировка и монтаж конструкций
При транспортировке, хранении и разгрузке не разрешаются повреждения
конструкций, которые сбрасываются с транспортных средств.
Балки и фермы необходимо хранить только лишь в вертикальном положении,
так как при кантовании таких конструкций неминуемо появление местных напряжений
(динамических воздействий и от веса конструкций), то, что способно послужить
причиной образования трещин в зонах их концентрации.
Укрупнительная сборка и монтаж конструкций северного исполнения, когда
присутствуют отрицательные температуры, обязаны осуществляться в отсутствии
ударных воздействий на них. У предварительно напряженных конструкций запрещено
приваривать элементы в местах, которые не указанны в проекте.
Перечисленные условия считаются выборочными, и несмотря на то что, они
сознательно значимы, не как не могут сменить необходимость строгого выполнения
их всех. Подчеркнем, то, что игнорирование условиями не как не возможно и
приводит к значимому уменьшению эксплуатационной надежности стальных
конструкций, которые эксплуатируются при воздействии низких естественных
температур.
ЗАКЛЮЧЕНИЕ
Дипломный проект выполнен в учебных целях в требуемом объеме: 6 листов
графической части и 170 печатных листов пояснительной записки.
В своем дипломном проекте я запроектировала строительный комплекс в г.
Мирный Архангельской области.
В пояснительную записку входит семь разделов: архитектурно-строительный,
расчетно-конструктивный, технологический, организационный, безопасность
жизнедеятельности, экологический раздел, научно-исследовательская работа. В
чертежах отражены основные конструктивные решения, планы, разрезы, узлы [27],
[30].
В архитектурно - строительном разделе разработаны генплан, конструктивное
и объемно-планировочное решения, а также выполнен теплотехнический расчет
ограждающих конструкций. Указано инженерное обеспечение здания.
В расчетно-конструктивном разделе выполнен расчет и конструирования балок
перекрытия и покрытия, фундамента, колонны.
В технологическом разделе выполнена технологическая карта на монтаж
сэндвич-панелей.
В организационном разделе разработан стройгенплан объекта.
В разделе БЖД рассмотрен вопрос техники безопасности при производстве
монтажных работ.
В экологическом разделе разработаны пути эвакуации и действия персонала в
условиях ЧС.
В научно-исследовательской работе рассмотрен вопрос проектирование
хладостойких стальных конструкций.
СПИСОК ИСПОЛЬЗОВАННЫХ ИСТОЧНИКОВ
1. СП 118.13330.2012. Свод правил. Общественные здания и
сооружения: актуализированная редакция СНиП 31-06-2009: утв. Минрегион России
29.12.2011 № 635/10. - Введ. 01.01.2013 .- Москва: ФГУП ЦПП, 2014-21 с.
2. СНиП 21-01-97*. Строительные нормы и правила.
Пожарная безопасность зданий и сооружений: актуализированная редакция СНиП
2.01.02-85* 12.02.2016: взамен СНиП 2.01.02-85*: утв. постановлением Минстроя
России от 13.02.97 г. № 18-7. - М.: Государственные стандарты, 1997. - 50 с.
. СП 17.13330.2011. Свод правил. Кровли:
актуализированная редакция СНиП II-26-76: утв. Минрегионом РФ 27.12.2010 № 784.
- Введ. 20.05.2010. - Москва: Минрегион России, 2011. - 74 с.
. СП 50.13330.2012.Свод правил. Тепловая защита
зданий. Актуализированная редакция СНиП 23-02-2003 и СНиП 23-02-2003.- Введ.
01.07.2013 - М: НИИСФ РААСН, 2012. - 27с.
. СП 131.13330.2012. Свод правил. Строительная
климатология:актуализи-рованная редакция СНиП 23-01-99*: утв. Минрегион России
30.06.2012 № 275. - Введ. 01.01.2013 .-Москва: ФГУП ЦПП, 2014-123 с.
6.Типовая серия 1.420.3-36.03 вып.1 «Каркасы стальные
«УНИТЕК»: утв. ОАО «Уралтрубпром» 16.05.03 №290.-Введ. 01.07.03.- Первоуральск
ОАО «Уралтрубпром» , 2003. - 246с.
7. ГОСТ 18599 - 2001. Трубы напорные из полиэтилена.
Технические условия (с Изменениями N 1, 2). - Введ. 01.01.2003. - Москва: ИПК
Издательство стандартов, 2002. - 97 с.
8. ГОСТ 10704-91. Трубы стальные электросварные прямошовные.
Сортамент (с Изменением N 1).
Технические условия. - Введ. 01.09.2015. - Москва: Стандартинформ, 2007. - 11
с.
9. СНиП 12-04-2002. Строительные нормы и правила РФ.
Безопасность труда в строительстве. Часть II. Строительное производство:
актуализированная редакция разделов 8-18 СНиП III-4-80*, ГОСТ 12.3.035-84. ГОСТ
12.3.038-85, ГОСТ 12.3.040-86: введ. 01.01.03 - М: Стройиздат, 2001 - 34 л.
10. СНиП 3.01.01-85*. Строительные нормы и правила РФ.
Организация строительного производства: введ. 01.01.86 - М.: ЦИТП Госстроя ССР,
1985.-56 л.
11. СНиП 12-03-2001. Строительные нормы и правила РФ.
Безопасность труда в строительстве. Часть I. Общие требования:
актуализированная редакция СНиП 12-03-99* с изменением № 1: введ. 01.09.01 - М:
Стройиздат, 2001 - 48 л.
. ГОСТ 12.1.046-85. Нормы освещения строительных площадок.
- Взамен СН 81-80; введ. 01.01.1986. - М: Госкомитет СССР, 1986. - 14 л.
13. ГОСТ 23407-78. Ограждения инвентарные строительных
площадок и участков производства строительно-монтажных работ. - Введ.
01.01.1986. - Москва: Стандартинформ, 2002. - 47 с.
14. СП 45.13330.2012. Свод правил. Земляные сооружения,
основания и фундаменты: Утв. приказом Министерства регионального развития
Российской Федерации (Минрегион России) 29.12.11 N 635/2. - Введ. 01.12.13/ОАО
НИЦ «Строительство», 2011. - 125с.
15. ГОСТ 24259-80 Оснастка монтажная для временного
закрепления и выверки конструкций зданий. Классификация и общие технические
требования. Введ. 01.01.82. - М.: Издательство стандартов, 1983. - 4с.
16. ГОСТ 24258-80 Средства подмащивания. Общие технические
условия. Введ. 01.07.89. . - М.: Издательство стандартов, 1990. - 8с.
17.ГОСТ 21.204-93. Условные графические обозначения и
изображения элементов генеральных планов и сооружений транспорта: введ.
01.09.94 - М.: Издательство стандартов, 1995. - 25 с.
18.ГОСТ 21.205-93. Условные обозначения элементов
санитарно-технических систем: введ. 01.07.94 - М.: Издательство стандартов,
1995.-10с.
.СП 28.13330.2012. Свод правил. Защита строительных
конструкций и сооружений от коррозии. Актуализированная редакция СНиП 2.03.11-85.
Введ. 01.01.2013/ЦНИИСК им.В.А. Кучеренко, 2011.-63с.
20. СНиП 1.04.03.85* Часть II .Строительные нормы и правила
РФ. Нормы продолжительности строительства зданий и сооружений:
актуализированная редакция СН 440-79: приняты и введ. 17.04.85 Госстроем СССР и
Госпланом СССР № 51/90 - М: Стройиздат, 1985 - 234 л.
21. СП 30.13330.2010. Свод правил. Внутренний водопровод и
канализация зданий. Актуализированная редакция СНиП 2.04.01.-85*: введ.
01.01.2013 - М.: СантехНИИпроект, 2013.- 83 с.
22. СНиП 2.04.02-84*. Строительные нормы и правила.
Водоснабжение. Наружные сети и сооружения: введ. 27.07.84. с попр. 2002.- М.:
Госстрой СССР, 1984.- 159 с.
. Дикман, Л.Г. Организация и планирование строительного
производства. Управление строительными организациями, основами АСУ: Учебник для
строительных вузов и фак. / Л.Г. Дикман - М.: Высш. шк., 1988.-559 с
24. СНиП 3.04.01-87. Строительные нормы и правила РФ.
Изоляционные и отделочные материалы: актуализированная редакция СНиП
III-20-74*, СНиП III-21-73*, СНиП III-В.14-72; ГОСТ 22753-77, ГОСТ 22844-77,
ГОСТ 23305-78: введ. 01.07.88 - М.: ЦНИИОМТ СССР, 1988. - 41 л.
25. ГОСТ 21.508 - 93. Правила выполнения рабочей документации
генеральных планов предприятий, сооружений и жилищно-гражданских объектов;
взамен ГОСТ 21.508 - 85; введ. 10.11.94. - М.: Издательство стандартов, 1995. -
28 с.
. СП 20.13330.2011. Свод правил. Нагрузки и воздействия: утв.
приказом Министерства регионального развития Российской Федерации (Минрегион
России) от 27 декабря 2010 г. № 787 и введен в действие с 20 мая 2011 г. -
Взамен СНиП 2.01.07-85*; введ. 01.01.87. - М.: ГП ЦПП № 1996 ГУП ЦПП № 2003. -
85 с.
27. ГОСТ 21.501-93. Правила выполнения архитектурно
строительных чертежей: введ.01.09.94. - М.: Издательство стандартов, 1995. - 28
с.
28.Единые нормы и правила. ЕНИР. Сборник Е1.
Внутрипостроечные транспортные работы/Госстрой СССР. - М.: Прейскурантиздат,
1987. - 40с.
.Единые нормы и правила. ЕНИР Сборник Е5. Монтаж
металлических конструкций. Вып. 1. Здания и промышленные сооружения/Госстрой
СССР. - М.: Стройиздат,1987. - 64с.
.Архитектура гражданских и промышленных зданий. В 4т. Учеб.
Для вузов. Т4. Общественные здания. Под ред. В.М.Предтеченского.-М.:
Стройиздат, 1977.-107с.
31.СП 16.13330.2011. Свод правил. Стальные конструкции:
актуализированная редакция СНиП II-23-81;утв. Минрегион России 27.12* № 791. -
Введ. 20.05.2011.-М.:ЦНИИПСК им. В.А. Кучеренко, 2001.-143с.
.А. Сильвестров, В. Горбачов, В. Беспалов. - Влияние
конструктивной формы на хладостойкость стальных конструкций //Промышленное
строительство. 1975. №7.С 30-32.
ПРИЛОЖЕНИЕ 1
Экспликация помещений 1 этажа
|
Номер пом.
|
Наименование
|
Площадь, м2
|
Категория помещений
|
|
1
|
2
|
3
|
4
|
|
1
|
Лестничная клетка
|
12,90
|
-/не норм.
|
|
2
|
Тамбур
|
1,85
|
-/не норм.
|
|
3
|
Тамбур
|
2,66
|
-/не норм.
|
|
4
|
Лестничная клетка
|
12,90
|
-/не норм.
|
|
5
|
1,85
|
-/не норм.
|
|
6
|
Тамбур
|
2,66
|
-/не норм.
|
|
7
|
Вестибюль
|
7,72
|
-/не норм.
|
|
8
|
Санузел женский
|
1,65
|
-/не норм.
|
|
9
|
Санузел мужской
|
3,74
|
-/не норм.
|
|
для инвалидов-колясочников
|
|
|
|
10
|
Кладовая уборочного инвентаря
|
3,60
|
В3/П-IIа
|
|
11
|
Инвентарная
|
18,53
|
В2/П-IIа
|
|
12
|
Вытяжная венткамера
|
14,34
|
В3/П-IIа
|
|
13
|
Универсальный зал
|
720,00
|
-/не норм.
|
|
14
|
Электрощитовая
|
11,55
|
В4/не норм норм.
|
|
15
|
Помещение охраны
|
4,67
|
-/не норм.
|
|
16
|
Тамбур
|
4,00
|
-/не норм.
|
|
17
|
Служебное помещение
|
5,40
|
-/не норм.
|
|
18
|
Помещение администратора базы
|
5,90
|
-/не норм.
|
|
19
|
Раздевалка для рабочих (6 чел.).
|
9,80
|
В3/П-IIа
|
|
20
|
Душевая
|
1,64
|
-/не норм.
|
|
21
|
Кладовая уборного инвентаря
|
3,60
|
В3/П-IIа
|
|
22
|
Санузел женский
|
1,65
|
-/не норм.
|
|
23
|
Санузел мужской
|
3,74
|
-/не норм.
|
|
для инвалидов-колясочников
|
|
|
|
24
|
Вестибюль
|
7,72
|
-/не норм.
|
|
25
|
Инвентарная
|
18,53
|
В2/П-IIа
|
|
26
|
Коридор
|
42,56
|
-/не норм.
|
|
27
|
Коридор
|
18,40
|
-/не норм.
|
|
28
|
Коридор
|
18,40
|
-/не норм.
|
|
29
|
Тамбур
|
1,88
|
-/не норм.
|
|
30
|
Раздевалка женская на 20 человек
|
22,30
|
В3/П-IIа
|
Продолжение приложения 1
|
1
|
2
|
3
|
4
|
|
31
|
Душевые
|
7,15
|
-/не норм.
|
|
32
|
Тамбур шлюз
|
4,09
|
-/не норм.
|
|
33
|
Туалет
|
1,98
|
-/не норм.
|
|
34
|
Тамбур
|
1,88
|
-/не норм.
|
|
35
|
Раздевалка мужская на 12 человек
|
20,00
|
В3/П-IIа
|
|
36
|
Душевые
|
7,15
|
-/не норм.
|
|
37
|
Тамбур шлюз
|
4,09
|
-/не норм.
|
|
38
|
Туалет
|
1,98
|
-/не норм.
|
|
39
|
Вестибюль и гардеробная для зан.
|
70,00
|
В3/П-IIа
|
|
40
|
Тамбур
|
1,88
|
-/не норм.
|
|
41
|
Раздевалка мужская на 12 человек
|
20,00
|
В3/П-IIа
|
|
42
|
Душевые
|
7,15
|
-/не норм.
|
|
43
|
Тамбур шлюз
|
4,09
|
-/не норм.
|
|
44
|
Туалет
|
1,98
|
-/не норм.
|
|
45
|
Тамбур
|
1,88
|
-/не норм.
|
|
46
|
Раздевалка мужская на 12 человек
|
22,30
|
В3/П-IIа
|
|
47
|
Душевые
|
7,15
|
-/не норм.
|
|
48
|
Тамбур шлюз
|
4,09
|
-/не норм.
|
|
49
|
Туалет
|
1,98
|
-/не норм.
|
|
50
|
Коридор
|
15,20
|
-/не норм.
|
|
51
|
Коридор
|
14,80
|
-/не норм.
|
|
52
|
Приточная венткамера
|
17,00
|
Д/не норм.
|
ПРИЛОЖЕНИЕ 2
Экспликация полов
ПРИЛОЖЕНИЕ 3
СНЕГ 1вариант
Расчет выполнен по нормам проектирования "СП 20.13330.2011"
|
Параметр
|
Значение
|
Единицы измерения
|
|
Местность
|
|
Снеговой район
|
V
|
|
|
Нормативное значение снеговой нагрузки
|
0,224
|
Т/м2
|
|
Тип местности
|
B - Городские территории, лесные массивы и другие
местности, равномерно покрытые препятствиями высотой более 10 м
|
|
|
Средняя скорость ветра зимой
|
4
|
м/сек
|
|
Средняя температура января
|
-15
|
°C
|
|
Здание
|
|
|
|
Высота здания H
|
7,89
|
м
|
|
Ширина здания B
|
30
|
м
|
|
h
|
0,524
|
м
|
|
|
3
|
град
|
|
L
|
20
|
м
|
|
Не утепленная конструкция с повышенным тепловыделением
|
Нет
|
|
Единицы измерения : Т/м2
Расчетное значение (II предельное состояние)
Расчетное значение (I предельное состояние)
СНЕГ 2вариант (снеговой мешок)
Расчет выполнен по нормам проектирования "СП 20.13330.2011"
|
Параметр
|
Значение
|
Единицы измерения
|
|
Местность
|
|
Снеговой район
|
V
|
|
|
Нормативное значение снеговой нагрузки
|
0,224
|
Т/м2
|
|
Тип местности
|
B - Городские территории, лесные массивы и другие
местности, равномерно покрытые препятствиями высотой более 10 м
|
|
|
Средняя скорость ветра зимой
|
4
|
м/сек
|
|
Средняя температура января
|
-15
|
°C
|
|
Здание
|
|
|
|
Ширина здания B
|
30
|
м
|
|
h
|
3,04
|
м
|
|
Не утепленная конструкция с повышенным тепловыделением
|
Нет
|
|
Единицы измерения : Т/м2
Расчетное значение (II предельное состояние)
Расчетное значение (I предельное состояние)
ПРИЛОЖЕНИЕ 4
4 Расчёт
несущей рамы по оси 8, 11
Нагрузками, действующими на поперечную раму являются:
постоянная нагрузка от массы кровли;
снеговая нагрузка;
давление ветра на продольные стены здания;
эксплуатационная нагрузка от людей и оборудования.
Определение постоянной нагрузки
Постоянная расчетная погонная нагрузка по ригелю рамы:
, кН/м, (4.1)
где g1 - расчетная нагрузка от массы кровли, несущих
конструкций покрытия по таблице 2.2 из раздела 2 п.2.1;
Встр.к. - шаг стропильных конструкций (ригелей).
Постоянная расчетная погонная нагрузка на перекрытие 1-го этажа:
, кН/м, (4.2)
где g2 - расчетная нагрузка от перекрытия по таблице 2.1 из
раздела 2 п. 2.1;
Узел 5= 0
М=0
Узел 4
N4 = - (GB +GCT.В) (4.3)
Продолжение приложения 4
где GB - собственный вес верхней части колонны, принимаемый
как 50 % от всего веса колонны
GB = 0,5 × GК, кН, (4.4)К
=
, кН, (4.5)
где
- переходный коэффициент;
γf - коэффициент надежности по
нагрузке, для стальных конструкций
γf = 1,05;
qкол - нагрузка от массы 1 погонного
метра предварительно принятого сечения колонны в кН/м;
- длина колоны в м,
.
GК =
GB = 0.5 × 2,5 = 1,25 кН
CT.В =
gст x hВ x B x γf , кН, (4.6)
GCT.В = 0,313 x 3,8 x 6 x 1.2 = 8,56 кНст =31,3
кг/м24 = -(1,25+8,56) = -9,81 кН
М4 = GCT.В× e, кН·м, (4.7)
М4 = 9,81 × (0,246/2 + 0,2/2) = 2,19
кН·м
Узел 3
N = 0
М=0
Узел 2
N2 = - (GН + GСТ.Н), (4.8)
где GН = 0,5GК - собственный вес нижней части
колонныК =
Н = 0,5×2,23 = 1,12 кНCT.Н = 0.313 x 3,3 x 6 x
1.2 = 7,44 кН2 = -(1,12+7,44) = -8,56 кН
М2 = 8,56 × (0,246/2 + 0,2/2) = 1,91 кН·м
Узел 1= 0
М = 0
В узлах 6, 7, 9, 10 продольные силы такие же как и у соответствующих им
узлах левой стойки, а моменты меняют знаки на противоположные.
Рисунок 4.1 - Расчетная схема поперечной рамы от постоянной нагрузки
Определение снеговой нагрузки
Нормативное значение снеговой нагрузки на
горизонтальную проекцию покрытия определяется ранее, см приложение 1. Расчет
ведем по наибольшему значению. Для поперечной рамы, расположенной по оси 8 или
11 снеговая нагрузка складывается из
S1 = 2,362 кПа2 = 4,574 кПа
сн = S
B, кН/м, (4.9)
сн = 2,362*3+4,574*3 = 20,81 кН/м
Рисунок 4.2 - Загружение снеговой нагрузкой
Определение ветровой нагрузки
Ветровая нагрузка будет состоять из двух загружений:
ветер слева - направо
ветер справа - налево
Интенсивность распределенной ветровой нагрузки определяется по формулам:
с наветренной стороны (активное давление)
= γf x c x w0 x к x Bк, кН/м, (4.10)
с заветренной стороны (отсос)
w/ = γf x c/ x w0 x к x Bк, кН/м, (4.11)
где с и с/ - аэродинамические коэффициенты
w0 = 0,3 кПа - нормативный скоростной
напор ветра для высоты над поверхностью земли до 5 м;
Bк = 6 м - шаг рам;
к - коэффициент, учитывающий изменение скоростного напора в зависимости
от высоты и типа местности для городской застройки к5.000 = 0,5, к10.000
= 0,65.
w5.0 = 1,4 x 0,8 x 0,3 x 0,5 x 6 = 1,008 кН/м
Продолжение приложения 4
w/5.0 = 1,4 x 0,6 x 0,3 x 0,5 x 6 = 0,756 кН/м
к7,2= к5000 + (к10000- к5000)
x
= 0,5 + (0,65 - 0,5) x
= 0,566
w7,2= 1,4 x 0,8 x 0,3 x 0,566 x 6 = 1,141 кН/м
w/7,2 = 1,4 x 0,6 x 0,3 x 0,566 x 6 = 0,856 кН/м
В практике инженерных расчетов такую меняющуюся с высотой нагрузку,
действующую на колонну, обычно заменяют эквивалентной равномерно
распределенной. За эквивалентную нагрузку на колонны рамы можно принять
равномерно распределенную нагрузку wэкв.,
вызывающую в нижнем сечении колонны такой же изгибающий момент, что и
действующая неравномерно распределенная.
где
y2 = 5,000 +
×
(lk - 5,000) = 5 +
×
(7,2- 5) = 6,47 м
M = 1,008× (7,2-0,2)
×3,4+(1,141 - 1,008) × (7,2-5) ×6,47 = 25,88 кНм
w/экв. =
×
wэкв. =
= 0,749 кН/м
Выше отметки верха ригеля распределенная нагрузка заменяется
сосредоточенной силой W ,
приложенной в уровне нижнего пояса ригеля.
W/. = W = 0.
Рисунок 4.3 - Загружение ветровой нагрузкой
Определение временной эксплуатационной нагрузки
Нормативное значение временной эксплуатационной
нагрузки от людей и оборудования на перекрытие:
Pn = 4,0 кH/м2
= Pn
× B
× γf , кН/м2 (4.14)
=
4,0 × 6 × 1,2 = 28,8 кН/м2
Рисунок 4.4 - Загружение эксплуатационной нагрузкой
Выполняем статический расчёт рамы в программе SCAD Office.
Поперечная рама имеет 5 загружений:
) от действия постоянной нагрузки;
) от действия снеговой нагрузки;
Продолжение приложения 4
) от действия ветровой нагрузки слева направо;
) от действия ветровой нагрузки справа налево;
) от действия эксплуатационной нагрузки.
Рисунок 4.5 - К статическому расчету поперечной рамы
Таблица 4.1 - Усилия и напряжения, Т, м
|
Усилия и напряжения
|
|
Элемент
|
Сечение
|
Загружение
|
Значения
|
|
|
|
N
|
M
|
Q
|
|
1
|
2
|
3
|
4
|
5
|
6
|
|
1
|
1
|
1
|
-15,234
|
0,026
|
-0,066
|
|
1
|
1
|
2
|
-6,364
|
0
|
0
|
|
1
|
1
|
3
|
0
|
1,199
|
-0,407
|
|
1
|
1
|
4
|
0
|
-1,177
|
0,368
|
|
1
|
1
|
5
|
-8,807
|
0
|
0
|
|
1
|
2
|
1
|
-14,361
|
0,109
|
-0,066
|
|
1
|
2
|
2
|
-6,364
|
0
|
0
|
|
1
|
2
|
3
|
0
|
0,654
|
-0,234
|
|
1
|
2
|
4
|
0
|
-0,662
|
0,238
|
|
1
|
2
|
5
|
-8,807
|
0
|
0
|
Продолжение приложения 4, таблицы 4.1
|
1
|
2
|
3
|
4
|
5
|
6
|
|
|
1
|
3
|
1
|
-14,361
|
-0,003
|
-0,066
|
|
|
1
|
3
|
2
|
-6,364
|
0
|
0
|
|
|
1
|
3
|
3
|
0
|
0,402
|
-0,061
|
|
|
1
|
3
|
4
|
0
|
-0,368
|
0,108
|
|
|
1
|
3
|
5
|
-8,807
|
0
|
0
|
|
|
2
|
1
|
1
|
-4,994
|
-0,003
|
-0,058
|
|
|
2
|
1
|
2
|
-6,364
|
0
|
0
|
|
|
2
|
1
|
3
|
0
|
0,402
|
-0,299
|
|
|
2
|
1
|
4
|
0
|
-0,368
|
0,242
|
|
|
2
|
2
|
1
|
-4,994
|
-0,113
|
-0,058
|
|
|
2
|
2
|
2
|
-6,364
|
0
|
0
|
|
|
2
|
2
|
3
|
0
|
0,018
|
-0,106
|
|
|
2
|
2
|
4
|
0
|
-0,046
|
0,097
|
|
|
2
|
3
|
1
|
-3,994
|
1,132e-017
|
-0,058
|
|
|
2
|
3
|
2
|
-6,364
|
0
|
0
|
|
|
2
|
3
|
3
|
0
|
-1,584e-015
|
0,087
|
|
|
2
|
3
|
4
|
0
|
-2,716e-016
|
-0,048
|
|
|
3
|
1
|
1
|
-27,196
|
6,156e-006
|
-4,873e-005
|
|
|
3
|
1
|
2
|
-12,728
|
0
|
0
|
|
|
3
|
1
|
3
|
0
|
1,12
|
-0,254
|
|
|
3
|
1
|
4
|
0
|
-1,119
|
0,253
|
|
|
3
|
1
|
5
|
-17,615
|
0
|
0
|
|
|
3
|
2
|
1
|
-27,084
|
-7,668e-005
|
-4,873e-005
|
|
|
3
|
2
|
2
|
-12,728
|
0
|
0
|
|
|
3
|
2
|
3
|
0
|
0,689
|
-0,254
|
|
|
3
|
2
|
4
|
0
|
-0,689
|
0,253
|
|
|
3
|
2
|
5
|
-17,615
|
0
|
0
|
|
|
1
|
2
|
3
|
4
|
5
|
6
|
|
|
3
|
3
|
1
|
-26,973
|
-1,595e-004
|
-4,873e-005
|
|
|
3
|
3
|
2
|
-12,728
|
0
|
0
|
|
|
3
|
3
|
3
|
0
|
0,257
|
-0,254
|
|
|
3
|
3
|
4
|
0
|
-0,259
|
0,253
|
|
|
3
|
3
|
5
|
-17,615
|
0
|
0
|
|
|
4
|
1
|
1
|
-8,239
|
-1,595e-004
|
4,198e-005
|
|
|
4
|
1
|
2
|
-12,728
|
0
|
0
|
|
|
4
|
1
|
3
|
0
|
0,257
|
-0,068
|
|
|
4
|
1
|
4
|
0
|
-0,259
|
0,068
|
|
|
4
|
2
|
1
|
-8,114
|
-7,976e-005
|
4,198e-005
|
|
|
4
|
2
|
2
|
-12,728
|
0
|
0
|
|
|
4
|
2
|
3
|
0
|
0,129
|
-0,068
|
|
|
4
|
2
|
0
|
-0,129
|
0,068
|
|
|
4
|
3
|
1
|
-7,989
|
-8,842e-020
|
4,198e-005
|
|
|
4
|
3
|
2
|
-12,728
|
0
|
0
|
|
|
4
|
3
|
3
|
0
|
-2,535e-015
|
-0,068
|
|
|
4
|
3
|
4
|
0
|
1,086e-015
|
0,068
|
|
|
5
|
1
|
1
|
-31,65
|
-5,263e-006
|
4,155e-005
|
|
|
5
|
1
|
2
|
-14,849
|
0
|
0
|
|
|
5
|
1
|
3
|
0
|
1,119
|
-0,253
|
|
|
5
|
1
|
4
|
0
|
-1,12
|
0,254
|
|
|
5
|
1
|
5
|
-20,55
|
0
|
0
|
|
|
5
|
2
|
1
|
-31,538
|
6,538e-005
|
4,155e-005
|
|
|
5
|
2
|
2
|
-14,849
|
0
|
0
|
|
|
5
|
2
|
3
|
0
|
0,689
|
-0,253
|
|
|
5
|
2
|
4
|
0
|
-0,689
|
0,254
|
|
|
5
|
2
|
5
|
-20,55
|
0
|
0
|
|
|
1
|
2
|
3
|
4
|
5
|
6
|
|
|
5
|
3
|
1
|
-31,426
|
1,36e-004
|
4,155e-005
|
|
|
5
|
3
|
2
|
-14,849
|
0
|
0
|
|
|
5
|
3
|
3
|
0
|
0,258
|
-0,253
|
|
|
5
|
3
|
4
|
0
|
-0,258
|
0,254
|
|
|
5
|
3
|
5
|
-20,55
|
0
|
0
|
|
|
6
|
1
|
1
|
-9,57
|
1,36e-004
|
-3,579e-005
|
|
|
6
|
1
|
2
|
-14,849
|
0
|
0
|
|
|
6
|
1
|
3
|
0
|
0,258
|
-0,068
|
|
|
6
|
1
|
4
|
0
|
-0,258
|
0,068
|
|
|
6
|
2
|
1
|
-9,445
|
6,801e-005
|
-3,579e-005
|
|
|
6
|
2
|
2
|
-14,849
|
0
|
0
|
|
|
6
|
2
|
3
|
0
|
0,129
|
-0,068
|
|
|
6
|
2
|
4
|
0
|
-0,129
|
0,068
|
|
|
6
|
3
|
1
|
-9,32
|
0
|
-3,579e-005
|
|
|
6
|
3
|
2
|
-14,849
|
0
|
0
|
|
|
6
|
3
|
3
|
0
|
7,243e-016
|
-0,068
|
|
|
6
|
3
|
4
|
0
|
-3,622e-016
|
0,068
|
|
|
7
|
1
|
1
|
-19,688
|
-0,026
|
0,066
|
|
|
7
|
1
|
2
|
-8,485
|
0
|
0
|
|
|
7
|
1
|
3
|
0
|
1,177
|
-0,368
|
|
|
7
|
1
|
4
|
0
|
-1,2
|
0,408
|
|
|
7
|
1
|
5
|
-11,743
|
0
|
0
|
|
|
7
|
2
|
1
|
-18,815
|
-0,109
|
0,066
|
|
|
7
|
2
|
2
|
-8,485
|
0
|
0
|
|
|
7
|
2
|
3
|
0
|
0,662
|
-0,238
|
|
|
7
|
2
|
4
|
0
|
-0,654
|
0,235
|
|
|
7
|
2
|
5
|
-11,743
|
0
|
0
|
|
|
1
|
2
|
3
|
4
|
5
|
6
|
|
|
7
|
3
|
1
|
-18,815
|
0,003
|
0,066
|
|
|
7
|
3
|
2
|
-8,485
|
0
|
0
|
|
|
7
|
3
|
3
|
0
|
0,368
|
-0,108
|
|
|
7
|
3
|
4
|
0
|
-0,402
|
0,062
|
|
|
7
|
3
|
5
|
-11,743
|
0
|
0
|
|
|
8
|
1
|
1
|
-6,326
|
0,003
|
0,058
|
|
|
8
|
1
|
2
|
-8,485
|
0
|
0
|
|
|
8
|
1
|
3
|
0
|
0,368
|
-0,242
|
|
|
8
|
1
|
4
|
0
|
-0,402
|
0,299
|
|
|
8
|
2
|
1
|
-6,326
|
0,113
|
0,058
|
|
|
8
|
2
|
2
|
-8,485
|
0
|
0
|
|
|
8
|
2
|
3
|
0
|
0,046
|
-0,097
|
|
|
8
|
2
|
4
|
0
|
-0,017
|
0,106
|
|
|
8
|
3
|
1
|
-5,326
|
1,132e-017
|
0,058
|
|
|
8
|
3
|
2
|
-8,485
|
0
|
|
|
8
|
3
|
3
|
0
|
-9,054e-017
|
0,048
|
|
|
8
|
3
|
4
|
0
|
-2,263e-016
|
-0,088
|
|
|
9
|
1
|
1
|
0,008
|
0
|
9,367
|
|
|
1
|
2
|
3
|
4
|
5
|
6
|
|
|
9
|
1
|
3
|
-0,238
|
0
|
0
|
|
|
9
|
1
|
4
|
0,134
|
0
|
0
|
|
|
9
|
1
|
5
|
0
|
0
|
8,807
|
|
|
9
|
2
|
1
|
0,008
|
14,05
|
-7,243e-016
|
|
|
9
|
2
|
3
|
-0,238
|
0
|
0
|
|
|
9
|
2
|
4
|
0,134
|
0
|
0
|
|
|
9
|
2
|
5
|
0
|
13,211
|
-7,243e-016
|
|
|
9
|
3
|
1
|
0,008
|
0
|
-9,367
|
|
|
1
|
2
|
3
|
4
|
5
|
6
|
|
|
9
|
3
|
3
|
-0,238
|
0
|
0
|
|
|
9
|
3
|
4
|
0,134
|
0
|
0
|
|
|
9
|
3
|
5
|
0
|
0
|
-8,807
|
|
|
10
|
1
|
1
|
0,008
|
0
|
9,367
|
|
|
10
|
1
|
3
|
-0,052
|
0
|
0
|
|
|
10
|
1
|
4
|
-0,051
|
0
|
0
|
|
|
10
|
1
|
5
|
0
|
0
|
8,807
|
|
|
10
|
2
|
1
|
0,008
|
14,05
|
-7,243e-016
|
|
|
10
|
2
|
3
|
-0,052
|
0
|
0
|
|
|
10
|
2
|
4
|
-0,051
|
0
|
0
|
|
|
10
|
2
|
5
|
0
|
13,211
|
-7,243e-016
|
|
|
10
|
3
|
1
|
0,008
|
0
|
-9,367
|
|
|
10
|
3
|
3
|
-0,052
|
0
|
0
|
|
|
10
|
3
|
4
|
-0,051
|
0
|
0
|
|
|
10
|
3
|
5
|
0
|
0
|
-8,807
|
|
|
11
|
1
|
1
|
0,008
|
0
|
12,489
|
|
|
11
|
1
|
3
|
0,133
|
0
|
0
|
|
|
11
|
1
|
4
|
-0,237
|
0
|
0
|
|
|
11
|
1
|
5
|
0
|
0
|
11,743
|
|
|
11
|
2
|
1
|
0,008
|
24,979
|
-3,622e-016
|
|
|
11
|
2
|
3
|
0,133
|
0
|
0
|
|
|
11
|
2
|
4
|
-0,237
|
0
|
0
|
|
|
11
|
2
|
5
|
0
|
23,486
|
-3,622e-016
|
|
|
11
|
3
|
1
|
0,008
|
0
|
-12,489
|
|
|
11
|
3
|
3
|
0,133
|
0
|
0
|
|
|
11
|
3
|
4
|
-0,237
|
0
|
0
|
|
|
11
|
3
|
5
|
0
|
0
|
-11,743
|
|
|
1
|
2
|
3
|
4
|
5
|
6
|
|
12
|
1
|
1
|
0,058
|
0
|
3,994
|
|
12
|
1
|
2
|
0
|
0
|
6,364
|
|
12
|
1
|
3
|
-0,087
|
0
|
0
|
|
12
|
1
|
4
|
0,048
|
0
|
0
|
|
12
|
2
|
1
|
0,058
|
5,992
|
1,811e-016
|
|
12
|
2
|
2
|
0
|
9,546
|
-1,449e-015
|
|
12
|
2
|
3
|
-0,087
|
0
|
0
|
|
12
|
2
|
4
|
0,048
|
0
|
0
|
|
12
|
3
|
1
|
0,058
|
0
|
-3,994
|
|
12
|
3
|
2
|
0
|
0
|
-6,364
|
|
12
|
3
|
3
|
-0,087
|
0
|
0
|
|
12
|
3
|
4
|
0,048
|
0
|
0
|
|
13
|
1
|
1
|
0,058
|
0
|
3,994
|
|
13
|
1
|
2
|
0
|
0
|
6,364
|
|
13
|
1
|
3
|
-0,02
|
0
|
0
|
|
13
|
1
|
4
|
-0,02
|
0
|
0
|
|
13
|
2
|
1
|
0,058
|
5,992
|
1,811e-016
|
|
13
|
2
|
0
|
9,546
|
-1,449e-015
|
|
13
|
2
|
3
|
-0,02
|
0
|
0
|
|
13
|
2
|
4
|
-0,02
|
0
|
0
|
|
13
|
3
|
1
|
0,058
|
0
|
-3,994
|
|
13
|
3
|
2
|
0
|
0
|
-6,364
|
|
13
|
3
|
3
|
-0,02
|
0
|
0
|
|
13
|
3
|
4
|
-0,02
|
0
|
0
|
|
14
|
1
|
1
|
0,058
|
0
|
5,326
|
|
14
|
1
|
2
|
0
|
0
|
8,485
|
|
14
|
1
|
3
|
0,048
|
0
|
0
|
|
1
|
2
|
3
|
4
|
5
|
6
|
|
14
|
1
|
4
|
-0,088
|
0
|
0
|
|
14
|
2
|
1
|
0,058
|
10,652
|
-1,811e-016
|
|
14
|
2
|
2
|
0
|
16,97
|
3,622e-016
|
|
14
|
2
|
3
|
0,048
|
0
|
0
|
|
14
|
2
|
4
|
-0,088
|
0
|
0
|
|
14
|
3
|
1
|
0,058
|
0
|
-5,326
|
|
14
|
3
|
2
|
0
|
0
|
-8,485
|
|
14
|
3
|
3
|
0,048
|
0
|
0
|
|
14
|
3
|
4
|
-0,088
|
0
|
0
|
Рисунок 4.6 - Рассматриваемые сечения колонн
Таблица 4.2 - Усилия и их сочетания в сечениях колонны
|
Нагрузки
|
ψ
|
Усилия в сечениях
|
|
Индекс
|
Наименование
|
|
Крайняя колонна Сечение 1-1
|
Крайняя колонна Сечение 2-2
|
Средняя колонна Сечение 3-3
|
Средняя колонна Сечение 4-4
|
|
|
|
M кН×м
|
N кН
|
M кН×м
|
N кН
|
M кН×м
|
N кН
|
M кН×м
|
N кН
|
|
1
|
2
|
3
|
4
|
5
|
6
|
7
|
8
|
9
|
10
|
11
|
|
1
|
Постоянная
|
1
|
0,26
|
-152,34
|
0
|
-49,94
|
0
|
-271,96
|
0
|
-82,39
|
Продолжение приложения 4, таблицы 4.2
|
1
|
2
|
3
|
4
|
5
|
6
|
7
|
8
|
9
|
10
|
11
|
|
2
|
Снеговая
|
1
|
0
|
-63,64
|
0
|
-63,64
|
0
|
-127,28
|
0
|
-127,28
|
|
2/
|
|
0,9
|
0
|
-57,28
|
0
|
-57,28
|
0
|
-114,55
|
0
|
-114,55
|
|
3
|
Ветровая слева
|
1
|
11,99
|
0
|
4,02
|
0
|
11,2
|
0
|
2,57
|
0
|
|
3/
|
|
0,9
|
10,79
|
0
|
3,62
|
0
|
10,08
|
0
|
2,31
|
0
|
|
4
|
Ветровая справа
|
1
|
-11,77
|
0
|
-3,68
|
0
|
-11,19
|
0
|
-2,59
|
0
|
|
4/
|
|
0,9
|
-10,59
|
0
|
-3,31
|
0
|
-10,07
|
0
|
-2,33
|
0
|
|
5
|
Временная на перекрытие 1 этажа
|
1
|
0
|
-88,07
|
0
|
0
|
0
|
-176,15
|
0
|
0
|
|
5/
|
|
0,9
|
0
|
-79,26
|
0
|
0
|
0
|
-158,54
|
0
|
0
|
|
6
|
+Mmax и Nсоотв
|
инд.
|
1 +3
|
1+3
|
1+3
|
1+3
|
|
|
Σ
|
12,25
|
-152,34
|
4,02
|
-49,94
|
11,2
|
-271,96
|
2,57
|
-82,39
|
|
7
|
-Mmax и Nсоотв.
|
инд.
|
1 +4
|
1+4
|
1+4
|
1+4
|
|
|
Σ
|
-11,51
|
-152,34
|
-3,68
|
-49,94
|
-11,19
|
-271,96
|
-2,59
|
-82,39
|
|
8
|
Nmax ± Mсоотв
|
инд.
|
1 +2’+3’+5’
|
1+2’+3’
|
1 +2’+3’+5’
|
1+2’+4’
|
|
|
Σ
|
11,05
|
-288,88
|
3,62
|
-107.22
|
10.08
|
-545.05
|
-2.33
|
-196.94
|
|
9
|
Для анкерных болтов внутренних Nmin + Mсоотв +Mmax и Nсоотв
|
инд.
|
1’+3
|
|
|
1’+3
|
|
|
|
|
Σ
|
11.99
|
-137.11
|
|
|
11.2
|
-244.76
|
|
|
|
|
инд.
|
1’ +3
|
|
|
1’+3
|
|
|
|
|
Σ
|
12.22
|
-137.11
|
|
|
11.2
|
-244.76
|
|
|
|
наружных Nmin + Mсоотв
|
инд.
|
1’+3
|
|
|
1’+3
|
|
|
|
|
Σ
|
11.99
|
-137.11
|
|
|
11.2
|
-244.76
|
|
|
Таблица 4.3 - Определение невыгодных сочетаний усилий в сечениях крайней
колонны
|
Сечения и элементы колонны
|
Индексы из таблицы
|
Усилия
|
|
|
M, кН×м
|
N, кН
|
|
1
|
8
|
11,05
|
-288,88
|
|
7
|
-11,51
|
-152,34
|
|
6
|
12,25
|
-152,34
|
|
2
|
8
|
3,62
|
-107,22
|
-3,68
|
-49,94
|
|
6
|
4,02
|
-49,94
|
|
Анкерные болты
|
9
|
11,99
|
-137,11
|
|
|
12,22
|
-137,11
|
|
|
11,99
|
-137,11
|
Таблица 4.4 - Расчетные усилия в сечениях крайней колонны
|
Сечения и элементы колонны
|
M кН×м
|
N кН
|
|
1
|
11,05
|
-288,88
|
|
2
|
3,62
|
-107,22
|
|
Анкерные болты
|
11,22
|
-137,11
|
|
База
|
11,05
|
-288,88
|
Таблица 4.5 - Определение невыгодных сочетаний усилий в сечениях средней
колонны
|
Сечения и элементы колонны
|
Индексы из таблицы
|
Усилия
|
|
|
M, кН×м
|
N, кН
|
|
3
|
8
|
10,08
|
-545,05
|
|
7
|
-11,19
|
-271,96
|
|
6
|
11,2
|
-271,96
|
|
4
|
8
|
2,33
|
-196,94
|
|
7
|
-2,59
|
-82,39
|
|
6
|
2,57
|
-82,39
|
|
Анкерные болты
|
9
|
11,2
|
-244,76
|
|
|
11,2
|
-244,76
|
|
|
11,2
|
-244,76
|
Таблица 4.6 - Расчетные усилия в сечениях средней колонны
|
Сечения и элементы колонны
|
M кН×м
|
N кН
|
|
3
|
10,08
|
-545,05
|
|
4
|
2,33
|
-196,94
|
|
Анкерные болты
|
11,2
|
-244,76
|
|
База
|
10,08
|
-545,05
|
Таблица 4.7 - Спецификация рассчитанных элементов
|
Марка, позиция
|
Обозначение
|
Наименование
|
Кол-во
|
Масса, кг
|
|
Б-11
|
Балка настила перекрытия
|
25Б2-С255
|
46
|
176,26
|
|
Б-3
|
Главная балка перекрытия
|
40Б1-С255
|
8
|
331,45
|
|
Б-16
|
Балка настила покрытия
|
25Б2-С255
|
46
|
176,26
|
|
Б-5
|
Главная балка покрытия
|
40Б1-С255
|
4
|
353,65
|
|
К-8
|
Колонна среднего ряда
|
25К1-С255
|
2
|
487,43
|