Автоматизация контроля содержания угарного газа на предприятии ООО 'Мечел'
ВВЕДЕНИЕ
Тема выпускной квалификационной работы «Автоматизация контроля содержания
угарного газа на предприятии ООО «Мечел».
Угарный газ - один из основных продуктов горения практически всех
известных горючих материалов. Благодаря своему составу и свойствам, отравление
угарным газом является причиной большинства случаев гибели при пожарах.
С развитием научно-технического прогресса, а так же увеличением
количества населения требуется всё больше ресурсов.
Очень многие области человеческой деятельности стали автоматизироваться.
Процесс сушки руды не является исключением. Поскольку данное производство
является вредным, то возникает необходимость в замене человеческого труда
автоматическими системами, снижая, таким образом, количество персонала до
минимума.
Замена ручного труда автоматикой позволяет получить значительные
преимущества: повышение производительности; снижение материальных затрат на
заработную плату рабочих; повышение объемов производства; возможность
круглосуточной работы; повышение общей экономической эффективности на
предприятии.
Наряду с технологическим процессом автоматизируется и система
безопасности. Этот процесс вызван постоянным ростом требований организаций,
занимающихся охраной труда. Предлагаемое в данной выпускной квалификационной
работе устройство автоматического контроля содержания угарного газа позволяет
повысить уровень безопасности персонала, работающего на предприятии ООО
«Мечел», решая, таким образом проблему связанную с охраной труда.
Цель выпускной квалификационной работы - разработка и внедрение блока
контроля содержания угарного газа, в технологический процесс сушки руды, на
предприятии ООО «Мечел».
В ходе выполнения выпускной квалификационной работы необходимо решить
следующие задачи:
) провести анализ существующих путей решения данной проблемы;
) разработать схемы электрическую принципиальную и структурную;
) подобрать элементную базу;
) проанализировать составные узлы устройства;
) выполнить расчёты узла схемы, надёжности изделия;
) разработать технологический процесс изготовления разрабатываемого
устройства;
) произвести расчёт экономических показателей;
) описать мероприятия по охране труда и технике безопасности при
разработке, изготовлении проектируемого изделия.
Постоянный рост технологий, используемых в системах безопасности, поиск
новых технологических решений, стремление повысить уровень защиты подчеркивает
важность данного направления и актуальность выбранной темы.
1. специальная часть
1.1 Разработка схем
.1.1 Электрическая принципиальная схема
Разработка устройства начинается с анализа существующих технологических
решений. В основе данного устройства лежит цифровой вольтметр построенный из
АЦПCA3162Eи дешифратора CA3161E.АЦП выполняет измерение напряжения,
полученного с операционного усилителя и преобразует сигнал для вывода на
семисегментный индикатор.
От поляризации датчика при отключенном напряжении питания защищает
полевой транзистор J177, открытый при отсутствии напряжения питания, и
запирающийся при подаче на его затвор напряжения плюс относительно истока.
Для отображения информации используется LED индикатор LTD-5122.Он отображает информацию о содержании СО в диапазоне от от 1 до
999. Яркость отображаемой информации регулируют транзисторы 2N3906.
Для звуковой сигнализации в схеме присутствует пьезоизлучательSMB-17CC.
Для получения информации о содержании CO используется датчик TGS5042. Данные с датчика усиливаются
операционным усилителем MAX9001ESD и передаются на цифровой вольтметр.
Схема питается напряжением плюс 5В полученного с блока питания,
построенного на следующих элементах: трансформатор ОСМ1-0,063, диодный мост
MB1S, и стабилизатор напряжения ADP3330ARTZ-5.
1.1.2 Структурная схема
Схема электрическая принципиальная состоит из следующих блоков (рисунок
1.1):
) датчикаCO;
)образцового напряжения;
)сравнивающего устройства;
) сирены;
)цифрового вольтметра;
)индикатора;
)блока питания;
) предохранительного блока.
Рисунок 1.1 - Структурная схема
Датчик контролирует содержание СО. Данные в виде аналогового сиг-нала
подаются на сравнивающее устройство.
В сравнивающем устройстве аналоговый сигнал преобразуется в цифровой и
сравнивается с эталонным. Эталонное напряжение подаётся с узла генерирующего
образцовое напряжение.
В случае превышения предельного значения концентрации СО срабатывает
сирена.
Информация о количестве СО регистрируется цифровым вольтметром, который
управляет индикатором. Индикатор отображает абсолютное значение содержания СО в
помещении.
Блок питания предназначен для преобразования входного переменного напряжения
220 Вв постоянное плюс 5 В для питания схемы.
Предохранительный блок обеспечивает защиту от поляризации датчикаTGS5042.
1.2 Элементная база
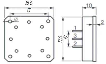
.2.1 Датчик угарного газа TGS5042-A00
Датчик - средство измерений, предназначенное для выработки сигнала измерительной
информации в форме, удобной для передачи, дальнейшего преобразования, обработки
и хранения, но неподдающейся непосредственному восприятию наблюдателем.
На рисунке 1.2представлены УГОи конструктив датчика TGS5042-A00.
a)
б)
Рисунок 1.2 -
Датчик TGS5042-A00: а) - УГО; б)- конструктив
Технические характеристики:
)измеряемый компонент - CO;
)принцип работы - электрохимический;
)диапазон:
а)обнаружения угарного газа, млн-1 (ppm):от0 до 10000;
б)температура постоянной работы: от 0 доплюс 50°C;
в)температура периодической работы: отминус 5 до плюс 55°C;
г)относительной влажности воздуха (без конденсации): от 5 до 90%;
)время отклика: не более 60c;
)масса датчика: не более 12 г;
)диаметр датчика: не более14,1мм;
)длина датчика: не более50,2мм;
)средняя продолжительность работы датчика: не менее 10 лет.
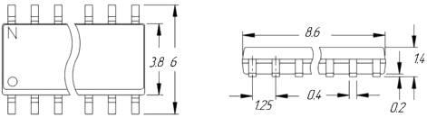
1.2.2 Операционный усилитель MAX9001ESD
Операционный усилитель - это электронный усилитель напряжения с высоким
коэффициентом усиления, имеющий дифференциальный вход и обычно один выход.
На рисунке 1.3 представлены УГОи конструктив ОУ MAX9001ESD.
а)
б)
Рисунок 1.3 -Операционный усилительMAX9001ESD: а) - УГО; б)- конструктив
Назначение выводов: 02 -логическое отключение; 03 - выход операционного
усилителя; 04 - инвертированный вход операционного усилителя; 05 - вход
операционного усилителя; 06 - минус питания; 09 - эталонное напряжение; 10 -
инвертированный вход компаратора; 11 - вход компаратора; 12 - выход
компаратора.
Технические характеристики:
) категория продукта: быстродействующие операционные усилители;
)производитель: MaximIntegrated;
)количество каналов: 2 канала;
) скорость нарастания выходного напряжения:0.85В/мкс;
)усиление по напряжению: 106дБ;
)коэффициент подавления синфазного сигналаCMRR:72 дБ;
)входной ток смещенияIb:2 нА;
)входное напряжение смещения нуляVos: 1.5мВ;
)рабочий ток источника питания:0.45 мА;
)максимальная рабочая температура:плюс 85°C;
)минимальная рабочая температура:минус 40°C;
)вид монтажа:SMD;
)упаковка / блок:SO-14;
)упаковка:Tube;
)рабочее напряжение питания: от 2.5 Вдо 5.5 В.
1.2.3 Жидкокристаллический индикатор LTD-5122
Семисегментный цифровой LED индикатор - это индикатор, состоящий из семи
светодиодов, установленных в форме цифры восемь. Зажигая или выключая
соответствующие LED сегменты можно отображать цифры от нуля до девяти, а так же
некоторые буквы.
На рисунке 1.4 представлены УГОи конструктивЖКИLTD-5122.
а)
б)
Рисунок 1.4 -
Жидкокристаллический индикатор LTD-5122:
а) - УГО; б)- конструктив
Назначение выводов: 01 - катод e; 02 - катодd; 04 - катод c; 05 - катод g; 07 - катод b; 08
-общий анод 3 разряда; 09 - общий анод 2 разряда; 10 - катод f; 11 - катод a; общий анод 1 разряда.
Технические характеристики:
)ток потребления: 30мА;
)пиковое потребление тока: 120мА;
)рассеиваемая мощность: 100 мВт;
) обратный ток: 10 мкА;
) температура работы: от минус 25 до плюс 85°C;
6)температура хранения: от минус 25 до плюс 85°C.
1.2.4 ПьезоизлучательSMB-17CC
Пьезокерамические излучатели это электроакустические устройства
воспроизведения звука, использующие обратный пьезоэлектрический эффект.
Пьезоизлучатели широко используются в различных электронных устройствах
часах-будильниках, телефонных аппаратах, электронных игрушках, бытовой технике.
На рисунке 1.5 представлены УГОи конструктив пьезоизлучателя SMB-17CC.
а)
б)
Рисунок 1.5 - ПьезоизлучательSMB-17CC: а) - УГО; б)- конструктив
Назначение выводов: 01 - напряжение питания, 02 - подбор частоты и
громкости, 03 - земля.
Технические характеристики:
)производитель: Sonitron;
) частота излучения: от 50 до 2300 Гц;
)номинальное рабочее напряжение: от 1,5 до 12 В;
)максимальный ток: 1,4 мА;
)интенсивность звука: 79 дБ;
)диаметр(ширина) корпуса: 18,6 мм;
)толщина корпуса: 9,7 мм;
)рабочая температура: от минус 40 до плюс 85°C;
)монтаж: SMD;
) производитель:Sonitron;
)масса: 2 г.
1.2.5 Аналого-цифровой преобразователь СА3162E
Аналого-цифровой преобразователь - это устройство, предназначенное для
преобразования непрерывно-изменяющейся во времени физической вели-чины в эквивалентные
ей значения цифровых кодов. В качестве аналоговой величины может быть
напряжение, ток, угловое перемещение, давление газа и т.д. АЦП CA3162Eработает в совокупности с дешифраторомСА3161Е.В схеме АЦП
выполняет функции вольтметра производя измерения с операциионного усилителя.
На рисунке 1.6 представлены УГО и конструктив АЦП СА3162.
а)
б)
Рисунок 1.6 -АЦПСА3162: а) - УГО; б)- конструктив
Назначение выводов: 01 - выходные данные в двоичном коде 1 разряда; 02 -
выходные данные в двоичном коде 2 разряда; 03, 04, 05 -цифровой выход;06 -
управление преобразования; 07 - земля; 08,09 - установка нуля; 10 -напряжение
низкого уровня; 11 - напряжение высокого уровня; 12 -подключение конденсатора
для калибровки; 13 - земля; 14 - питание плюс 5 В; 15 - выходные данные в
двоичном коде 3 разряда; 16 - выходные данные в двоичном коде 4 разряда.
Технические характеристики:
)напряжение питания: от 4,5 до 5,5 В;
) номинальное напряжение питания: 5 В;
) ток потребления не более:17 мА;
) входное сопротивление:100 МОм;
) частота преобразования, при напряжении на выв. 6, равно логическому
нулю, или при неподключенном выводе 06:4 Гц;
) частота преобразования, при напряжении на выводе 06, равном напряжению
питания или логической единице:96 Гц;
) входное напряжение (между выводами 10 и 11): от 0 до 999 мВ;
) максимально допустимое напряжение между выводов 10 и 11, не при-водящее
к порче микросхемы:15 В;
) максимально допустимое напряжение питания, не приводящее к порче
микросхемы: плюс 7 В.
1.2.6 Дешифратор СА3161Е
Дешифратор-устройство для расшифровки (декодирования) сообщения и
перевода содержащейся в нём информации на язык (в код) воспринимающей системы.
Поступающая информация преобразуется (дешифрируется) и на соответствующем
выходе (группе выходов) выделяется сигнал, указывающий признак (или содержание)
входной информации.
На рисунке 1.7 представлены УГО и конструктив дешифратора СА3161Е.
а)

б)
Рисунок 1.7-Дешифратор DD2:
а) - УГО; б)- конструктив
Назначение выводов: 01 - входные данные в двоичном коде 2 разряда; 02 -
входные данные в двоичном коде 3 разряда; 06 - входные данные в двоичном коде 4
разряда; 07 - входные данные в двоичном коде 1 разряда; 09-15 - вывод
информации на семисегментный индикатор.
В таблице 1.1 представлена таблица истинности дешифратораCA3161E.
Таблица 1.1 - Таблица истинности дешифратораСА3161Е
|
Состояние
|
Входы
|
Выходы
|
Отображение
|
|
01
|
02
|
04
|
08
|
a
|
b
|
c
|
d
|
e
|
f
|
g
|
|
|
1
|
2
|
3
|
4
|
5
|
6
|
7
|
8
|
9
|
10
|
11
|
12
|
13
|
|
0
|
L
|
L
|
L
|
L
|
L
|
L
|
L
|
L
|
L
|
L
|
H
|
|
|
1
|
L
|
L
|
L
|
H
|
H
|
L
|
L
|
H
|
H
|
H
|
H
|
|
|
2
|
L
|
L
|
H
|
L
|
L
|
L
|
H
|
L
|
L
|
H
|
L
|
|
|
3
|
L
|
L
|
H
|
H
|
L
|
L
|
L
|
L
|
H
|
H
|
L
|
|
|
4
|
L
|
H
|
L
|
L
|
H
|
L
|
L
|
H
|
H
|
L
|
L
|
|
|
5
|
L
|
H
|
L
|
H
|
L
|
H
|
L
|
L
|
H
|
L
|
L
|
|
|
6
|
L
|
H
|
H
|
L
|
L
|
H
|
L
|
L
|
L
|
L
|
L
|
|
|
7
|
L
|
H
|
H
|
H
|
L
|
L
|
L
|
H
|
H
|
H
|
H
|
|
|
8
|
H
|
L
|
L
|
L
|
L
|
L
|
L
|
L
|
L
|
L
|
L
|
|
|
9
|
H
|
L
|
L
|
H
|
L
|
L
|
L
|
L
|
H
|
L
|
L
|
|
|
10
|
H
|
L
|
H
|
L
|
H
|
H
|
H
|
H
|
H
|
H
|
L
|
|
|
11
|
H
|
L
|
H
|
H
|
L
|
H
|
H
|
L
|
L
|
L
|
L
|
|
|
12
|
H
|
H
|
L
|
L
|
H
|
L
|
L
|
H
|
L
|
L
|
L
|
|
|
14
|
H
|
H
|
H
|
L
|
L
|
L
|
H
|
L
|
L
|
L
|
|
|
13
|
H
|
H
|
L
|
H
|
H
|
H
|
H
|
L
|
L
|
L
|
H
|
|
|
15
|
H
|
H
|
H
|
H
|
H
|
H
|
H
|
H
|
H
|
H
|
H
|
|
Примечание: H - сигнал
высокого уровня; L-сигнал низкого
уровня.
Характеристики:
) входное напряжение:5,5 В;
)диапазон температур работы: от 0 до 75°C;
)максимальная температура хранения: от минус 65 до плюс 150°C;
)предельная температура работы:150°C;
)максимальный пиковый нагрев(10с):300°C;
)рассеиваемая мощность: 18 мВт.
1.2.7 Транзистор 2N3906
Транзистор - электронный прибор на основе полупроводникового кристалла,
имеющий три (или более) вывода, предназначенный для генерирования и
преобразования электрических колебаний.
На рисунке 1.8 представлены УГОи конструктивтранзистора2N3906.
а)

б)
Рисунок 1.8-Транзистор 2N3906:
а) - УГО; б)- конструктив
Характеристики:
) наименование производителя: 2N3906;
) тип материала: Si;
) полярность: PNP;
) максимальная рассеиваемая мощность (Pc): 0.31Вт;
)макcимально допустимое напряжение коллектор-база (Ucb): 40В;
)макcимально допустимое напряжение коллектор-эмиттер (Uce): 40В;
)макcимально допустимое напряжение эмиттер-база (Ueb): 5В;
)макcимальный постоянный ток коллектора (Ic): 0.2А;
) предельная температура PN-перехода (Tj): 135°C;
)граничная частота коэффициента передачи тока (ft): 250МГц;
) ёмкость коллекторного перехода (Cc): 5пФ;
) статический коэффициент передачи тока (hfe): 100;
) корпус транзистора: TO92.
1.2.8 Полевой транзистор IRLML6402
Полевой (униполярный) транзистор - полупроводниковый прибор, работа
которого основана на управлении электрическим сопротивлением токопроводящего
канала поперечным электрическим полем, создаваемым приложенным к затвору
напряжением.
На рисунке 1.9 представлены УГО и конструктив полевого транзистора
IRLML6402.
а)
б)
Рисунок 1.9 -Полевой транзистор IRLML6402: а) - УГО; б)- конструктив
Характеристики:
)структура p-канал;
)максимальное напряжение сток-исток Uси:минус 20В;
)максимальный ток сток-исток при 25°СIси макс:минус 3.78А;
)максимальное напряжение затвор-исток Uзи макс:12В;
)сопротивление канала в открытом состоянии Rсивкл: 65МОм;
)максимальная рассеиваемая мощность Pси макс: 1,3Вт;
)крутизна характеристики:6S;
)корпус: sot23;
)пороговое напряжение на затворе: минус 0.95В.
1.2.9 Полевой транзистор J177
Полевой (униполярный) транзистор - полупроводниковый прибор, работа
которого основана на управлении электрическим сопротивлением токопроводящего
канала поперечным электрическим полем, создаваемым приложенным к затвору
напряжением.
На рисунке 1.10 представлены УГО и конструктив полевого транзистораJ177.
а)

б)
Рисунок 1.10 -Полевой транзистор J177: а) - УГО; б)- конструктив
Характеристики:
) структура: p-канал;
) максимальное напряжение сток-исток Uси: минус 30В;
) максимальный ток сток-исток при 25°СIси макс: минус 0.05А;
) максимальное напряжение затвор-исток Uзи макс: минус 30В;
)сопротивление канала в открытом состоянии Rси вкл: 300000мОм;
)максимальная рассеиваемая мощность Pси макс: 0.35Вт;
)корпус: to92;
)пороговое напряжение на затворе: от 0.8 до 2.5В.
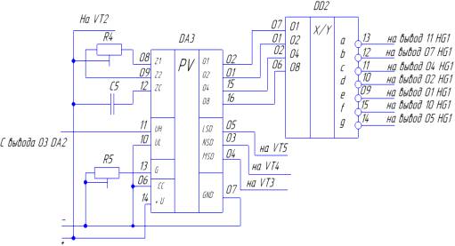
.3 Анализ составных узлов
устройства
.3.1 Сравнивающее устройство
Сравнивающее устройство представлено на рисунке 1.11.
Рисунок 1.11 - Сравнивающее устройство
Сравнивающее устройство в схеме представлено элементом, входящим в
микросхему DA2.С помощью операционного усилителя,
ток датчика преобразуется в напряжение, которое измеряет цифровой вольтметр.
При коэффициенте преобразования датчика 2 нА/ppm и сопротивления резистора R1
равном 500 кОм концентрация оксида углерода 1000 рргл соответствует напряжению
1 В на выходе ОУ.
Сигнал с датчика подаётся на выводы 05 и 06 DA2. Преобразованное значение тока передаётся на вывод 10
микросхемы DA2,являющийсясрав-нивающим устройством
и на вывод 11 цифрового вольтметра DA3.
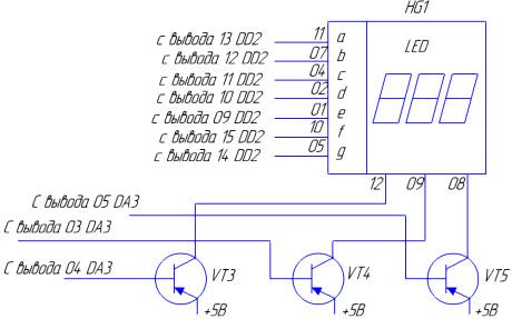
1.3.2 Цифровой вольтметр
Цифровой вольтметр представлен на рисунке 1.12.
Рисунок 1.12 - Цифровой вольтметр
датчик угарный газ выпрямитель
Цифровой вольтметр предназначен для измерения аналоговой величины
напряжения с декодированием сигнала для выведения результата на трехразрядном
цифровом индикаторе.
АЦП DA3 выполняет преобразование
аналогового сигнала в цифровой. Аналоговое напряжение поступает с вывода 03 DA2 на вывод11DA3.
Порты Z1,Z2,ZC используются
для установки опорного напряжения значением 0,5 В. Происходит сравнение
входного сигнала с опорным напряжениеми основываясь на разнице между опорным
напряжением и значением переменного напряжения формируется логический 0 или 1.
Цифровой сигнал поступает с выводов 01, 02, 15, 16 на дешифратор DD2. В соответствии со своей таблицей
истинности дешифратор преобразует входящий последовательный сигнал в цифровой
декодированный. Цифровой декодированный сигнал с выводов 09…15 DD2 поступает на выводы
01,02,04,05,07,10,11 (разъёмы a…g)HG1.
Для регулирования уровня свечения используются выводы 03,04,05. Сигнал
поступающий с выводов 03,04,05 открывает транзисторы VT3…VT5.
1.3.3 Сирена
Сирена предназначена для экстренного сигнализирования об опасном
содержании СО а атмосфере. При возникновении сигнала высокого уровня на выходе
12 сравнивающего устройства DA2,
транзистор VT2 открывается, питающее напряжение
плюс 5 В подаётся на излучатель HA1,
что приводит к его срабатыванию.
Конденсатор C6 регулирует
частоту встроенного в излучатель генератора.
Сирена представлена на рисунке 1.13.
Рисунок 1.13 - Сирена
1.3.4 Индикатор
Индикатор выводит информацию о содержании СО, с мультиметра в
передаваемую при помощи трёхсемисегментных LEDиндикаторов установленных в форме цифры восемь. С
выводовa…g дешифратора DD2
сигнал поступает на выводы01, 02, 04, 05, 07,10,11 HG1. В зависимости от полученной последовательности импульсов
загораются определённые сегменты индикатора HG1,формируя цифру на ЖК дисплее. Для регулирования уровня
свечения используют транзисторыVT3…VT5. Их открытие обеспечивают выводы03,
04, 05(разъёмы NSD, MSD,LSD)DA3,
для подачи плюс 5 В на HG1.
Жидкокристаллический индикатор представлен на рисунке 1.14.
Рисунок 1.14 - Индикатор
1.3.5 Образцовое напряжение
Напряжение1,23 В генерируемое с порта 09 DA2, понижается до эта-лонного значения 100 мВ и подаётся на
порт 11DA2.
Образцовое напряжение представлено на рисунке 1.15.
Рисунок 1.15 - Образцовое напряжение
.3.6 Блок питания
Схема питается при помощи блока питания, состоящего из трансформатора,
который понижает переменное напряжение. Далее переменное напряжение при помощи
диодного моста выпрямляется до постоянного пульсирующего напряжения плюс 5 В.
Конденсатор C1 сглаживает пульсации напряжения.
Постоянное напряжение поступает на стабилизатор напряжения для удержания плюс 5
В. Конденсатор C2 защищает схему
от резких перепадов напряжения питания.
Блок питания представлен на рисунке 1.16.
Рисунок 1.16 - Блок питания
1.3.7 Датчик СО
Датчик контролирует содержание СО в атмосфере. Напряжение питания
поступает на разъём 01. Изменение содержания СО приводит к изменению
сопротивления датчика. Изменившееся напряжение поступает на вывод 06 DA2.
Датчик СО представлен на рисунке 1.17.
Рисунок 1.17 - Датчик СО
1.3.8 Предохранительный блок
Для исключения вероятности поляризации датчика, при отключенном
напряжении питания в схему введен транзистор VT1, открытый при отсутствии напряжения питания, запирающийся
при подаче напряжения плюс 5 В.
Предохранительный блок представлен на рисунке 1.18.
Рисунок 1.18 - Предохранительный блок
1.4 Расчет элементов схемы
.4.1 Расчет выпрямителя напряжения
Выпрямитель напряжения представлен на рисунке 1.19
Рисунок 1.19 - Выпрямитель напряжения
Исходные данные для расчета: U1=220B; U2=5B, Iн=200мА.
Переменное напряжение на вторичной обмотке трансформатора (U2) рассчитывают по формуле:
2=А·Uн, (1.1)
Где А - коэффициент, численное значение которого зависит от тока нагрузки
(таблица 1.2).
Таблица 1.2 - Значения коэффициентов в зависимости от тока нагрузки
|
Максимальный ток нагрузки, А
|
|
Коэффициент
|
0,1
|
0,2
|
0,4
|
0,6
|
0,8
|
1,0
|
|
А
|
0,8
|
1,0
|
1,2
|
1,4
|
1,5
|
1,7
|
|
Б
|
2,4
|
2,2
|
2,0
|
1,9
|
1,8
|
1,8
|
Вычисляем:
Uн=5/1=5.
Зная ток нагрузки, определяем максимальный ток, текущий через каждый диод
выпрямительного моста рассчитываемый по формуле:
=0,5·Б·Iн.мах, (1.2)
где Б - коэффициент, зависящий от максимального тока
нагрузки.=0,5·2,2·0,2=0,22А
Обратное напряжение диодов, используемых в выпрямителе, должно быть в 1,5
раза больше напряжения питания:
обр.=1,5·Uн (1.3)
обр.=1,5·5=7.5В.
Полученным значениям тока и напряжения удовлетворяют диоды MB1S.
Емкость фильтрующего конденсатора Сф в мкФ определяют по
формуле:
Сф=3200·Iн/Uн·Кп, (1.4)
где Кп- коэффициент пульсаций выпрямленного напряжения, Кп=0,01.
Сф=3200·0,2/5·0,01=12800 мкФ.
Однако, поскольку за выпрямителем идет еще стабилизатор напряжения, можно
уменьшить расчетную емкость. Таким образом конденсатор К50-24 емкостью 10000
мкФ и напряжением 6.3В вполне подходит.
Определяем значение тока во вторичной обмотке трансформатора по формуле:
2=1,5·Iн (1.5)
2=1,5·0,2=0,3А.
Мощность, потребляемая выпрямителем от вторичной обмотки транс-форматора,
вычисляем по формуле:
Р2=U2· I2 (1.6)
Р2=5·0,3=1,5 Вт.
Определяем мощность трансформатора по формуле:
Ртр = 1,25 · Р2 (1.7)
Ртр = 1,25 · 1.5=1.875Вт.
Для трансформатора такой мощности можно использовать магнитопровод с
минимальной площадью сечения сердечника. Вычисляем площадь сечения сердечника
по формуле:
=1,3·√ Ртр (1.8)
=1,3·√ 1,875=1,78 см2
Подбираем магнитопровод стальной Ш8X10.
Первичная обмотка, рассчитанная на напряжение сети 220 В, должна
содержать:
1=50·U1/S (1.9)
1=50·220/1,78=6180витков.
Вторичная обмотка:
2
= 55·U2/S
(1.10)
2
= 55·5/1.78=155витков.
1.4.2 Расчёт надежности
Надёжность - это способность изделия выполнять заданные эксплуатационные
показатели в установленных пределах, соответствующим техническим требованиям
выходных параметров при заданных условиях эксплуатации, технического
обслуживания, ремонта, хранения и транспортирования.
К основным показателям надёжности относятся:
вероятность безотказной работы;
интенсивность отказов;
наработка на отказ или среднее время безотказной работы.
Вероятность безотказной работы за заданное время определяется по формуле
1.11:
(tз)=
(1.11)
где tз-заданное время безотказной работы;
То- наработка на отказ.
Наработка на отказ определяется по формуле 1.12:
То=
(1.12)
где λƩ-суммарная интенсивность отказов устройства с учётом
электрического режима, условий эксплуатации и определяется по формуле 1.13:
λƩ=к
і (1.13)
где λ₀і - среднегрупповое значение
интенсивности отказов і-й группы, найденное с использованием базовых
интенсивностей отказов λ₀
групп элементов и
компонентов, приведённых в таблице 1.3.
nі -
количество элементов і-й группе;
к - число сформированных групп однотипных элементов.
Таблица 1.3- Базовые интенсивности отказов групп элементов и компонентов
|
Элементы
|
λ₀∙10-6 1/час
|
|
1
|
2
|
|
Интегральные микросхемы цифровые
|
0,091
|
|
Интегральные микросхемы аналоговые
|
0,023
|
|
Диоды выпрямительные
|
0,091
|
|
Диоды импульсные
|
0,025
|
|
Диодные мосты
|
0,035
|
|
Стабилитроны
|
0,0041
|
|
Транзисторы
|
0,044
|
|
Тиристоры
|
0,2
|
|
Фотодиоды
|
0,185
|
|
Индикаторы буквенно-цифровые светодиодные
|
0,42
|
|
Индикаторы жидко-кристаллические
|
0,88
|
|
Оптопарытиристорные
|
0,19
|
|
Конденсаторы постоянные
|
0,044
|
|
Конденсаторы электролитические
|
0,173
|
|
Резисторы
|
0,044
|
|
Терморезисторы
|
0,007
|
|
Переключатели галетные
|
0,058
|
|
Тумблеры
|
0,1
|
|
Кнопки
|
0,16
|
|
Разъёмы
|
0,0104
|
|
Трансформаторы
|
0,0035
|
|
Реле электромеханические
|
0,0304
|
|
Предохранители
|
0,0001
|
|
Пайка
|
0,0013
|
Для каждой группы однотипных элементов подсчитываем λ₀і с учётом эксплуатационных
параметров по формуле 1.14:
λ₀і=Кн*Ку*Кt (1.14)
где λ₀-базовая интенсивность отказов
элементов;
Кн - коэффициент нагрузки элементов;
Ку - коэффициент условий эксплуатации;
Кt - коэффициент, зависящий от температуры корпуса.
Значения коэффициентов условий эксплуатации
приведены в таблице 1.4.
Таблица 1.4 - Условия
эксплуатации
|
Условия эксплуатации
|
Значение Ку
|
|
1
|
2
|
|
Лабораторные условия
|
1,0
|
|
Помещения с регулируемой температурой
|
1,1
|
|
Наземные стационарные условия
|
2,5
|
|
Наземные возимые РЭУ
|
5,0
|
|
Наземные переносные РЭУ
|
7,0
|
|
Морские защищённые условия
|
7,6
|
|
Морские незащищённые условия
|
10,0
|
Значение коэффициентов нагрузкиКн элементов берём из справочных данных
для номинального режима работы, приведённых в таблице 1.5.
Таблица 1.5 - Коэффициенты
нагрузки
|
Элементы
|
Номинальные коэффициенты нагрузок Кн-элементов
|
|
Интегральные микросхемы цифровые
|
1,0
|
|
Интегральные микросхемы аналоговые
|
0,8
|
|
Диоды выпрямительные
|
0,6
|
|
Диоды импульсные
|
0,5
|
|
Диодные мосты
|
0,5
|
|
Стабилитроны
|
1,0
|
|
Транзисторы
|
0,5
|
|
Тиристоры
|
0,8
|
|
Фотодиоды
|
1,0
|
|
Индикаторы буквенно-цифровые светодиодные
|
1,0
|
|
Индикаторы жидко-кристаллические
|
1,0
|
|
Оптопарытиристорные
|
0,8
|
|
Конденсаторы постоянные
|
0,8
|
|
Конденсаторы электролитические
|
0,8
|
|
Резисторы
|
0,8
|
|
Терморезисторы
|
1,0
|
|
Переключатели галетные
|
0,5
|
|
Тумблеры
|
0,5
|
|
Кнопки
|
0,5
|
|
Разъёмы
|
1,0
|
|
Трансформаторы
|
0,6
|
|
Реле электромеханические
|
1,0
|
|
Предохранители
|
0,8
|
|
Пайка
|
1,0
|
Значение коэффициентов Кt берём из таблицы 1.6.
|
Элементы
|
ЗначениеКt
|
|
Микросхемы
|
0,1
|
|
Резисторы
|
0,5
|
|
Конденсаторы
|
0,2
|
|
Диоды
|
0,5
|
|
Мосты выпрямительные
|
0,5
|
|
Транзисторы
|
0,5
|
|
Стабилитроны
|
0,5
|
|
Индикаторы
|
0,5
|
|
Трансформаторы
|
0,1
|
|
Предохранители
|
0,1
|
Из перечня элементов ПЭ3 выписываем группы однотипных элементов. Для каждой группы подсчитываем λ₀і по формуле
(1.11), используя данные таблиц 1.2, 1.3, 1.4, 1.5 и определяем суммарную
интенсивность отказов по формуле (1.14). Так как устройство работает в
помещении с регулируемой температурой, то коэффициент условий эксплуатации
равен Ку=1,1 из таблицы 1.4.Результаты расчётов сводим в таблицу 1.7.
Таблица 1.7 - Результаты
расчетов
|
Группы элементов
|
Кол-во в группе
|
λ₀*10-6 1/час
|
Кн
|
Ку
|
Кt
|
λоƩ*10-6 1/час
|
|
1
|
2
|
3
|
4
|
5
|
6
|
7
|
|
Трансформатор
|
1
|
0,0035
|
0,6
|
1,1
|
0,1
|
0,000231
|
|
Диодный мост
|
1
|
0,035
|
0,5
|
1,1
|
0,5
|
0,009625
|
|
Резистор
|
5
|
0,044
|
0,8
|
1,1
|
0,5
|
0,0968
|
|
Конденсатор
|
2
|
0,044
|
0,8
|
1,1
|
0,2
|
0,015488
|
|
Конденсатор электролитический
|
4
|
0,173
|
0,8
|
1,1
|
0,2
|
0,121792
|
|
Транзистор
|
5
|
0,044
|
0,5
|
1,1
|
0,5
|
0,0605
|
|
Микросхема аналоговая
|
3
|
0,023
|
0,8
|
1,1
|
0,1
|
0,006072
|
|
Микросхема цифровая
|
2
|
0,091
|
1
|
1,1
|
0,1
|
0,02002
|
|
Жидкокристаллический индикатор
|
1
|
0,88
|
1
|
1,1
|
0,5
|
0,484
|
|
Пьезоэлемент
|
1
|
0,026
|
0,6
|
1,1
|
0,4
|
0,006864
|
|
Пайка
|
120
|
0,0013
|
1,0
|
1,1
|
1,0
|
0,1716
|
|
Количество групп
|
11
|
λƩ=
|
10.922912
|
|
|
|
|
|
|
|
|
|
|
|
|
По формуле (1.12) определяем наработку на отказ То:
То=91551
Для построения графика вероятности безотказной работы за определённый
интервал времени используем формулу (1.11), задаваясь временными интервалами:
1000; 2000; 5000; 10000; 15000; 20000 час. Результаты расчётов сводим в таблицу
1.8.
Таблица 1.8 - Распределение вероятности безотказной работы во времени
|
Временной интервал, час
|
Р(t)
|
|
1000
|
0,99
|
|
2000
|
0,98
|
|
5000
|
0,95
|
|
10000
|
0,89
|
|
15000
|
0,83
|
|
20000
|
0,78
|
По полученным данным в таблице 1.8 строим график вероятности безотказной
работы устройства от времени Р=f(t).
График представлен на рисунке 1.20
Рисунок 1.20 - Зависимость вероятности безотказной работы от времени
1.5 Технология изготовления печатных узлов
.5.1 Технология изготовления печатной платы
Фотолитография - это перенос рисунка с фотошаблона на заготовку платы. На
заготовку печатной платы наносят светочувствительный слой (фоторезист). Основой
фотолитографии является использование фоторезиста.
Фоторезист- это светочувствительный материал, который в зависимости от
облучения изменяет свои химические свойства.
Этот способ имеет высокую разрешающую способность (значительно выше, чем
сеткографический и офсетная печать) и позволяет получить проводники и зазоры
между ними порядка 0,1 мм.
Суть способа заключается в контактном копировании рисунка схемы с
фотошаблона на заготовку печатной платы, покрытую светочувствительным слоем
(фоторезистом).
Основные этапы фотохимического способа:
) на поверхность заготовкипечатной платы наносится фоторезист
-фотополимерный материал, чувствительный к УФ-излучению;
) устанавливается фотошаблон, реперные знаки (перекрестия) которого
совмещаются под микроскопом с центрами фиксирующих (базовых) отверстий
заготовки ПП;
) производится экспонирование рисунка схемы через фотошаблон, в
результате которого образуется скрытое изображение;
) проявление изображения и«задубливание» рисунка, т.е. получение
защитного рельефа (защитной фотомаски).
Для воспроизводимости элементов печатного монтажа малого размера при их
переносе с фотошаблона на заготовку печатной платы процесс фотопечати должен
осуществляться с соответствующей разрешающейспособностью, которая измеряется
максимальным числом параллельных линий, воспроизводимых раздельно на 1 мм
Разрешающая способность процесса фотопечати и точность размеров элементов
печатного рисунка зависят от типа и толщины слоя фоторезиста. С увеличением
толщины слоя фоторезиста разрешающая способность падает.
По результату воздействия света фоторезисты бывают негативные и
позитивные. При использовании негативных фоторезистов экспонированные области заготовки
печатной платы остаются на плате, так как они переходят в нерастворимое
состояние, а неэкспонированные, сохранившие исходную структуру, вымываются при
проявлении в органических растворителях.
В случае применения позитивных фоторезистов экспонированные участки
вымываются при проявлении, так как в позитивных фоторезистах экспонирование
имеет целью создать условия для деструкции экспонированных участков фоторезиста
и перевода их в растворимое состояние в проявителе с щелочными свойствами.
Основными характеристиками фоторезистаявляются: стойкость к травителям и
гальваническим ваннам (кислотостойкость), светочувствительность, контрастность,
высокая разрешающая способность, однородность и равномерность по толщине и
прочее.
Экспонировать - подвергать светочувствительный материал действию света.В
качестве источника света, для экспонирования, применяют коротковолновые
излучатели с большим содержанием ультрафиолетовых лучей. От времени
экспонирования (засвечивания) фоторезиста зависит точность воспроизведения рисунка
и стойкость защитного слоя к воздействию электролитов. При экспонировании
необходимо обеспечить равномерное задубливание слоя на всю толщину.
Перед экспонированием на заготовку с фоторезистом накладывается
фотошаблон с позитивным или негативным рисунком схемы. После экспонирования
выполняют проявление рисунка схем, которое заключается в удалении
незатвердевшего фоторезиста заготовки.
Экспонирование осуществляется УФ - источником света (сканирующим,
неподвижным, точечным или точечным с поворотной заслонкой) с диапазоном спектра
300-400 нм ртутно-кварцевыми лампами через лавсановую пленку способом
контактной печати. При экспонировании имеют место дифракция, преломление и
отражение света, приводящие к разбросу размеров элементов рисунка и размытости
их краев.
Основным требованием к выполнению операции экспонирования является
получение необходимой степени задубленности, полимеризации (для негативных
фоторезистов) или степени деструкции (для позитивных фоторезистов),
гарантирующей воспроизведение четкого изображения элементов рисунка схемы при
проявлении.
После экспонирования производится выдержка 20-30 мин в темном месте для
завершения фотополимеризации.
Для повышения химической стойкости фоторезиста проявленный рисунок схемы
подвергают дополнительному задубливанию. Позитивные фоторезисты задубливают при
повышенной температуре (60 °С) в течение часа, негативные фоторезисты
задубливают в химических растворах.
Проявление рисунка защитного рельефа фоторезиста осуществляется при
избирательном растворении неэкспонированных участков фоторезистадля негативных
фоторезистов и экспонированных - для позитивных фоторезистов. Нерастворенные
участки фоторезиста используются в качестве защитной фотомаски при травлении
меди с пробельных мест или при химико-гальваническом осаждении меди.
Травление - процесс химического разрушения металла (в основном меди) в
результате действия жидких или газообразных травителей на участки поверхности
заготовки, не защищенные защитной маской (травильным резистом). Травление
представляет собой сложный окислительно-восстановительный процесс, который
применяют для формирования проводящего рисунка ПП путем удаления меди с не
защищенных травильным резистом участков. Это одна из основных операций
изготовления ПП, так как на ней происходит формирование рисунка печатных
элементов (проводников, контактных площадок и пр.), точность выполнения которых
влияет на электрические характеристики платы.
Оплавление-операция предназначенная для получения плотного
мелкодисперсного покрытия сплавом олово-свинец (ОС) вместо пористого
гальванического покрытия олово-свинец: это позволяет уменьшить окисление и
обеспечить паяемость платы в течение длительного времени; защита боковых стенок
проводников от коррозии и электрокоррозии; повышение коррозионной стойкости
покрытия; повышение способности к пайке и увеличение срока сохранения паяемости
платы; устранение «навесов» металла по кромкам проводников; исключение из
технологического процесса операции горячего облуживания.
Наиболее широкое применение имеет ИК - оплавление.
Операция ИК-оплавления заключается в том, что с помощью подбора условий
нагрева и охлаждения покрытия ОС создается возможность для перевода пористого
гальванически осажденного покрытия ОС в сплав, в результате чего повышаются
антикоррозионные свойства покрытия и увеличивается срок сохранения свойств
паяемости.
1.5.2 Наладка устройства
Наладка устройства производится следующим образом:
) вход микросхемы DA3 (вывод 11) временно отключают от выводов 3 и 10
микросхемы DA2 и соединяют его с общим проводом (минусом питания). Подстроечным
резистором R4 добиваются нулевых показаний индикатора;
) подают на вывод11 постоянное напряжение +999 мВ и подстроечным
резистором R5 устанавливают на индикаторе число 999;
)после этого соединение выводов 3 и 10 микросхемы DA1 с выводом 11
микросхемы DA2 восстанавливают.
Образцовое напряжение на входе компаратора (вывод 11 DA2),
соответствующее необходимому порогу включения звукового сигнала, устанавливают
подборкой резисторов R2 и R3.
2. Экономическая часть
.1 Жизненный цикл изделия и задачи маркетинга на
всех стадиях жизненного цикла изделия как товара
Каждому товару, запущенному в коммерческое производство присущ свой
жизненный цикл. У различных товаров различный жизненный цикл.
Жизненный цикл - это время от момента зарождения идеи до снятия товара с
производства.
Ученые экономисты утверждают, что новый товар представляет собой как бы
живой организм, развивающийся в следующей последовательности.
Этап разработки товара. На этом этапе происходит зарождение идеи.
Проводятся научно-исследовательские и опытно-конструкторские работы,
маркетинговые исследования, анализируются рыночные возможности, анализ
производственных мощностей.
Этап выведения товара. На этом этапе фирма несет убытки или очень
небольшие прибыли из-за незначительных продаж и больших затрат по
стимулированию сбыта. Затраты на стимулирование сбыта достигают наивысшего
уровня в связи с необходимостью информировать потенциальных потребителей о
новом товаре, побудить их к покупке товара, обеспечить этому товару распространение
через предприятия торговли. На этом этапе жизненного цикла цены обычно
завышенные.
Этап роста. Если товар удовлетворяет интересам рынка, сбыт начинает
существенно расти. Цены остаются на прежнем уровне или слегка снижаются по мере
роста спроса. Затраты фирмы на стимулирование сбыта увеличиваются. Прибыли на
этом этапе растут, поскольку издержки на стимулирование сбыта приходятся на
небольшой объем продаж при одновременном сокращении издержек производства.
Для того чтобы максимально растянуть период быстрого роста рынка,
предприятие может использовать несколько стратегических подходов:
) повысить качество изделия, придать ему дополнительные свойства,
выпустить его новые модели;
) проникнуть в новые сегменты рынка;
) использовать новые каналы перераспределения;
) переориентировать часть рекламы с распространения осведомленности о
товаре на стимулирование его потребления;
) своевременно снизить цены для привлечения дополнительного числа
потребителей;
Следуя этим правилам, предприятие сможет укрепить свое конкурентное
положение.
Этап зрелости. В какой-то момент темпы роста сбыта начнут замедляться. По
времени этот этап наиболее продолжительный. Замедление темпов роста сбыта
означает, что у многих производителей скапливаются запасы непроданных товаров.
Это ведет к обострению конкуренции, увеличивается число льготных сделок со
сферой торговли и потребителями. Растут затраты на научно-исследовательские и
опытно-конструкторские работы с целью создания улучшенных вариантов товара. Для
привлечения покупателей товара можно использовать следующие методы:
) снизить цену;
) разработать более действенную рекламную компанию;
) применить активные приемы стимулированию сбыта;
Постоянный анализ показателей сбыта, доли рынка, уровня издержек и
рентабельности позволяют выявить изделия, вступившие в стадию упадка. Чтобы
предприятие было конкурентоспособным на рынке необходимо до того, когда рынок
будет насыщен предыдущим товаром, ввести новый.
Предприятие должно постоянно заботиться об освоении новой продукции,
внедрении современной технологии.
Этап упадка. На этом этапе товар уходит с рынка, так как прибыль от
реализации становится близка к нулю вследствие падения уровня продаж.
График жизненного цикла изделия приведен на рисунке 2.1.
Рисунок 2.1 - Жизненный циклтовара
2.2 Расчет себестоимости, цены и срока
окупаемости проектированного устройства
Себестоимость продукции представляет собой стоимостную оценку
используемых в процессе производства продукции природных ресурсов, сырья,
материалов, топлива, энергии, основных фондов, трудовых ресурсов, а так же
других затрат на ее производство и реализацию.
Для определения себестоимости блока контроля содержания угарного газа
необходимо произвести расчет затрат на основные материалы, покупные комплектующие
и полуфабрикаты.
Расчеты затрат на сырье и основные материалы приведены в таблице 2.1.
Расчеты затрат на покупные изделия и полуфабрикаты приведены в таблице
2.2.
Таблица 2.1 - Расчет затрат на сырье и основные материалы
|
№ п/п
|
Материал
|
Ед. изм.
|
Профиль, сорт, марка, ГОСТ, ТУ
|
Расход на единицу изделия
|
Цена за единицу, руб.
|
Общая сумма в изделии, руб.
|
|
1
|
Стеклотекстолит
|
шт.
|
FR4
|
1
|
90
|
90
|
|
2
|
Провод медный
|
м
|
МГТФ 2,5
|
0,3
|
40
|
12
|
|
3
|
Припой
|
кг
|
ПОС-61
|
0,06
|
50
|
3
|
|
6
|
Флюс
|
шт.
|
ЛТИ-120
|
1
|
74
|
74
|
|
7
|
Канифоль
|
шт
|
Канифоль сосновая
|
1
|
50
|
50
|
|
Итого
|
229
|
|
Транспортно-заготовительные расходы
|
5%
|
11,45
|
|
Всего
|
240,45
|
Таблица 2.2. - Расчет затрат на покупные комплектующие изделия и
полуфабрикаты
|
№ п/п
|
Наименование
|
Ед. изм
|
Техническая характеристика марка
|
Кол
|
Цена за единицу, руб.
|
Сумма на изделие, руб.
|
|
1
|
2
|
3
|
4
|
5
|
6
|
7
|
|
1
|
Датчик СО
|
шт.
|
TGS5042-A00
|
1
|
870
|
870
|
|
2
|
Полевой транзистор
|
шт.
|
J177
|
1
|
42
|
42
|
|
3
|
Усилитель специального назначения
|
шт.
|
MAX9001ESD+
|
1
|
293
|
293
|
|
4
|
Полевой транзистор
|
шт.
|
IRLML6402TRPBF
|
1
|
11
|
11
|
|
5
|
Транзистор
|
шт.
|
2N3906
|
3
|
3
|
9
|
|
6
|
Конвертер сигнала из аналогогов цифровой
|
шт.
|
CA3162E
|
1
|
567
|
567
|
|
7
|
Семисегментный декодер
|
шт
|
CA3161E
|
1
|
260
|
260
|
|
8
|
Жидкокристаллический индикатор
|
шт.
|
LTD-5122
|
1
|
300
|
300
|
|
9
|
Конденсатор
|
шт.
|
TECAP 1 мкФ, 16 В, 10%
|
1
|
12
|
12
|
|
10
|
Конденсатор
|
шт.
|
TECAP, 2.2 мкФ, 16 В, 20%
|
1
|
10
|
10
|
|
11
|
Конденсатор
|
шт.
|
CC0805KRX7R7BB274, 0.27uF, 10%,
|
1
|
3
|
3
|
|
12
|
Пьезоизлучатель
|
шт.
|
SMB-17CC
|
470
|
470
|
|
13
|
Конденсатор
|
шт.
|
GRM1535C1H101J100пФ, 5%
|
1
|
5
|
5
|
|
14
|
Резистор
|
шт.
|
100ppmCRCW1206499KFKEA 499 кОм, 0.25 Вт, 1%
|
1
|
2
|
2
|
|
15
|
Резистор
|
шт.
|
MC00625W04021562K 562 кОм, 62.5 мВт, ± 1%
|
1
|
0,2
|
0,2
|
|
16
|
Резистор
|
шт.
|
ERA2AEB4992X 49.9 кОм, 63 мВт, ± 0.1%
|
1
|
19
|
19
|
|
17
|
Резистор
|
шт.
|
3314G-1-103E, 10 кОм
|
1
|
70
|
70
|
|
18
|
Резистор
|
шт.
|
PVZ3A473C01B00 47 кОм, 0,1Вт
|
1
|
43
|
43
|
|
19
|
Мостовой выпрямитель
|
шт.
|
MB1S
|
1
|
26
|
26
|
|
20
|
Конденсатор
|
шт.
|
К50-24 2200 мкФ, -0.4 %
|
2
|
53
|
106
|
|
21
|
Стабилизатор напряжения
|
шт.
|
ADP3330ARTZ-5, 5В, 200мА,
|
1
|
130
|
130
|
|
22
|
Трансформатор
|
шт.
|
ОСМ1-0,063
|
1
|
794
|
794
|
|
Итого
|
4042,2
|
|
Транспортно-заготовительные расходы
|
5%
|
202,11
|
|
Всего
|
4244,31
|
Расчет себестоимости блока контроля содержания угарного газа сведем в
таблице 2.3.
Таблица 2.3 - Калькуляция себестоимости изделия
|
№ п/п
|
Статьи затрат
|
Сумма в рублях
|
Примечания
|
|
1
|
Затраты на сырье и основные материалы
|
240,45
|
Таблица 2.1 (всего)
|
|
3
|
Итого материальные затраты
|
4484,76
|
п.1 + п.2
|
|
4
|
Тарифная заработная плата
|
1728
|
ЧТС *Тр
|
|
5
|
Доплаты к тарифу
|
691,2
|
40% от п. 4
|
|
6
|
Основная заработная плата
|
2419,2
|
п.4+ п.5
|
|
7
|
Дополнительная заработная плата
|
241,92
|
10% от п. 6
|
|
8
|
Итого затраты на оплату труда
|
2661,12
|
п. 6+п. 7
|
|
9
|
Страховые платежи
|
798,33
|
30% от п. 8
|
|
10
|
Общехозяйственные расходы
|
3628,8
|
150% от п. 6
|
|
11
|
Общепроизводственные расходы
|
2419,2
|
100% от п. 6
|
|
12
|
Итого производственная себестоимость
|
13992,21
|
п.3+п.8+п.9+п.10+ +п.11
|
|
13
|
Коммерческие расходы
|
699,61
|
5% от п. 12
|
|
14
|
Итого полная себестоимость
|
14691,82
|
п. 12+п. 13
|
На основании расчетов, произведенных в таблице 2.3, анализируется
структура себестоимости (рисунок 2.2).
Рисунок
2.2 - Структура себестоимости
Цена - это денежное выражение стоимости товара.
Выбор стратегии ценообразования зависит, прежде всего, от того, с чем
предприятие выходит на рынок: какого качества продукция, какие возможности
обеспечения ее технического сервиса, каково оборудование и с какими издержками
оно производится. Чрезвычайно важно решить, чего вам под силу добиваться на
рынке и чего вы хотите там достичь. Цели здесь могут быть самые разные:
) завоевание рынка, т.е. максимально увеличить долю своего предприятия в
общем объеме продаж однотипной продукции;
) ориентация на высокую прибыльность;
) стратегия выживаемости, суть которой проста: снижать цены на товары,
чтобы привлечь покупателей, если не новизной и качеством, то хотя бы дешевизной
своих изделий.
Особую группу методов ценообразования составляют методы, ориентированные
на издержки производства. В данном случае принимается решение в отношении того,
какой должна быть надбавка к затратам. Эти методы отражают ориентацию на
производство и в меньшей степени на рыночный спрос. Цена, установленная с
использованием данных методов, отражает оптимальную, а не максимальную выручку
от продажи товаров.
Другая группа методов ценообразования ориентирована на безубыточность
деятельности по производству и реализации продукции. Здесь принимаются во
внимание рыночные факторы. Оцениваются размеры прибыли, получаемые при
различных ценах. Фирма определяет для себя ному прибыли, может назначить цену
на товар, позволяющую в максимальной степени добиться выполнения этой задачи.
Определим цену устройства по методу «средние издержки + прибыль».
Результат расчета представлен в таблице 2.4.
Таблица 2.4 - Расчет цены по методу «средние издержки + прибыль»
|
№ п/п
|
Статьи затрат
|
Сумма в рублях
|
Примечания
|
|
1
|
Полная себестоимость
|
14691,82
|
Таблица 2.3
|
|
2
|
Прибыль
|
1469,18
|
10% п.1
|
|
3
|
Отпускная цена без НДС
|
16161
|
п.1 + п.2
|
|
4
|
НДС
|
2908,98
|
18% от п. 3
|
|
5
|
Отпускная цена с НДС
|
19069,98
|
п.3 + п.5
|
При расчете цены продукции на основе анализа безубыточности производства
и обеспечения целевой прибыли вычерчивается график безубыточности производства
рисунок 2.3.
Рисунок 2.3 - График безубыточности
Этот график показывает влияние на прибыль объемов производства, цены продаж
и себестоимости продукции с разбивкой на условно постоянные переменные
издержки. С его помощью определяется точка безубыточности, т.е. количество
продукции, при котором линия изменения доходов (при данном уровне цен)
пересечется с линией изменения себестоимости продукции. При этом объеме
производства будет достигнута безубыточность производства, и дальнейшее
увеличение объемов реализации приведет к появлению прибыли.
На рисунке 2.3обозначены:
) условно-постоянные затраты при производстве продукции формула (2.1):
У1 = Р , (2.1)
где Р - сумма статей 10, 11, 13 (таблица 2.3), руб.
У1=(3628,8+2419,2+699,61)*100=674761 руб.
) затраты на производство продукции (полная себестоимость продукции)
формула (2.2):
У2 = V×N + Р,
(2.2)
где V - переменные затраты на единицу продукции, включают в себя сумму
статей 3,8,9 (таблица 2.3), руб.;- объем производства, шт.
У2=(4484,76+2661,12+798,33)*100+674761=1469182 руб.
) выручка от реализации продукции (без НДС) формула (2.3):
У3 = Ц×N,
(2.3)
где Ц - цена единицы продукции (без НДС) (таблица 2.4), руб.
У3=16161*100=1616100 руб.
Точка Nбез - точка безубыточности, т.е. объем
производства, при котором затраты на его производство будут равны выручке от
его реализации (формула 2.4):
(2.4)
Дальнейшее
увеличение объемов реализации приведет к появлению прибыли.
Проанализировав
график, мы видим что:
критический
объем продаж (объем продаж при котором предприятие не получит прибыли, но и не
понесет убытков) составляет Nбез=83 шт;
увеличение
объема продаж приведет к появлению прибыли, а снижение к убыткам;
прибыль,
полученная от реализации продукции при годовой программе выпуска N =
100 шт. составит П = 146918 руб.
Расчет
затрат на стадии эксплуатации изделия блок контроля содержания угарного газа
выражается в годовых издержках потребителя. Расчет затрат проведем в таблице
2.5.
Таблица
2.5 - Расчет годовых текущих издержек потребителя
|
№ п/п
|
Составляющие издержки
|
ед. изм.
|
Значение
|
Примечание
|
|
1
|
2
|
3
|
4
|
5
|
|
1
|
Часовая тарифная ставка обслуживающего персонала
|
руб./час
|
72
|
исх. данные
|
|
2
|
Время обслуживания изделия
|
час/год.
|
1
|
исх. данные
|
|
3
|
Количество обслуживающего персонала
|
чел.
|
1
|
исх. данные
|
|
4
|
Затраты на оплату труда обслуживающего персонала
|
руб.
|
72
|
п.1*п.2*п.3
|
|
5
|
Страховые платежи
|
руб.
|
21,6
|
30% от п.4
|
|
6
|
Тариф на электроэнергию
|
руб./кВт час
|
3,5
|
исх. данные
|
|
7
|
Потребляемая мощность
|
кВт
|
0,001
|
исх. данные
|
|
8
|
Годовой фонд времени работы изделия
|
час
|
3740
|
исх. данные
|
|
9
|
Затраты на потребляемую электроэнергию
|
руб.
|
13,09
|
п.6*п.7*п.8
|
|
10
|
Износ
|
руб.
|
1906,99
|
10% от отпускной цены с НДС
|
|
11
|
Итого
|
2013,68
|
п.4+п.5+п.9+п.10
|
2.3 Расчет иных экономических показателей
Оценка конкурентоспособности производится путем сравнения параметров
потенциально возможных вариантов решение поставленной задачи с параметрами
спроектированного изделия.
Сравнение осуществляется по 3 группам параметров:
) технико-эксплуатационные параметры, включающие следующие
характеристики:
а) функционального назначения;
б) надежности;
в) унификации;
г) эргономические;
д) патентно-правовые;
е) экологические;
) параметры определяющие затраты потребителя при эксплуатации изделия;
) экономические показатели с указанием ценовой характеристики изделия.
Таблица 2.6 - Состав параметров, определяющих конкурентоспособность
|
№ п/п
|
Наименование показателя
|
Единица измерения
|
Значение
|
|
1
|
Потребляемая мощность изделия
|
кВт
|
0,001
|
|
2
|
Масса
|
кг
|
0,3
|
|
3
|
Уровень долговечности
|
лет
|
10,5
|
|
4
|
Эксплуатационные затраты потребителя
|
руб.
|
2013,68
|
|
5
|
Ценовая характеристика изделия
|
руб.
|
19069,98
|
Основой для анализа финансовой деятельности предприятия является
балансовая прибыль. Ее расчет приведен в таблице 2.7.
Таблица 2.7 - Финансовые результаты
|
№ п/п
|
Наименование показателя
|
Прибыль тыс. руб.
|
Убыток тыс. руб.
|
Примечание
|
|
1
|
Выручка от реализации
|
1906998
|
*
|
Отпускная цена с НДС *N
|
|
2
|
НДС
|
*
|
290898
|
Таблица2.4 * N
|
|
3
|
Доходы от реализации
|
1616100
|
*
|
статья 1- статья 2
|
|
4
|
Затраты на производство
|
*
|
1469182
|
Полная себестоимость * N
|
|
5
|
Прибыль от реализации
|
146918
|
*
|
статья З - статья 4
|
|
6
|
Доходы от внереализационной деятельности
|
190699,8
|
*
|
10% от статьи 1
|
|
7
|
Балансовая прибыль
|
337617,8
|
*
|
статья 5 + статья 6
|
В таблице 2.8 производится расчет платежей в бюджет.
Таблица 2.8 - Платежи в бюджет
|
Наименование показателя
|
Сумма руб.
|
Примечание
|
|
1
|
2
|
|
1.Налог на прибыль
|
67523,56
|
20% балансовой прибыли
|
|
2.НДС
|
290898
|
Таблица 2.4
|
|
3.Налог на имущество
|
33761,78
|
Принять ст. 3-10 в сумме 10% балансовой прибыли
|
|
4.Земельный налог
|
|
|
|
5.Экологический налог
|
|
|
|
6.Подоходный налог персонала предприятия
|
|
|
|
7.Эскпортные и импортные таможенные пошлины
|
|
|
|
8.Налог на рекламу
|
|
|
|
9.Транспортный налог
|
|
|
|
10.Прочие налоги
|
|
|
|
Итого
|
392183,34
|
|
В таблице 2.9 отображено использование прибыли
Таблица 2.9 - Использование прибыли
|
Наименование показателя
|
Сумма руб.
|
Примечание
|
|
1
|
2
|
3
|
|
1.Балансовая прибыль
|
337617,8
|
Таблица 2.7
|
|
2.Платежи в бюджет
|
101285,34
|
Таблица 2.8 без НДС
|
|
3.Чистая прибыль
|
236332,46
|
Ст. 1 - ст. 2
|
|
4.Отчисления в резервный фонд
|
35449,87
|
15 % ст. 3
|
|
5.Отчислено на:
|
|
|
5.1 фонды накопления
|
106349,61
|
45% ст. 3
|
|
5.2 фонды потребления
|
70899,74
|
30% ст. 3
|
|
5.3 благотворительность
|
11816,62
|
5% ст. 3
|
|
5.4 Другие цели
|
11816,62
|
5% ст. 3
|
Срок возврата средств оценивается на основе расчета срока окупаемости.
Срок окупаемости Т в годах определяется отношением затрат к полученным
результатам:
Результаты
проведенных расчетов сведем в таблицу 2.10.
Таблица
2.10 - Сводные экономические показатели
|
Наименование показателя
|
Ед. изм.
|
Сумма руб.
|
Примечание
|
|
Полная себестоимость изделия
|
руб.
|
14691,82
|
Таблица 2.3
|
|
Отпускная цена с НДС
|
руб.
|
19069,98
|
Таблица 2.4
|
|
Выручка от реализации
|
руб.
|
1906998
|
Таблица 2.7
|
|
Прибыль от реализации
|
руб.
|
146918
|
Таблица 2.7
|
|
Балансовая прибыль
|
руб.
|
337617,8
|
Таблица 2.7
|
|
Платежи в бюджет
|
руб.
|
392183,34
|
Таблица 2.8
|
|
Чистая прибыль
|
руб.
|
236332,46
|
Таблица 2.9
|
|
Эксплуатационные затраты потребителя
|
руб.
|
2013,68
|
Таблица 2.5
|
|
Безубыточный объем производства
|
шт.
|
83
|
Пункт2.2
|
|
Срок окупаемости
|
лет
|
4,35
|
Пункт2.3
|
. ОХРАНА ТРУДА И ТЕХНИКА БЕЗОПАСНОСТИ
3.1 Охрана труда
Охрана труда - это совокупность норм, которые направлены на формирование
безвредных и безопасных условий производственной деятельности.
Нормы по охране труда прописаны в таких документах:
) правила охраны труда;
) инструкции и приказы ведомств и министерств;
) законы;
) коллективные договора.
В этих актах содержатся нормы:
) регулирующие организацию и планирование труда на предприятиях;
) устанавливающие компенсационные выплаты и льготы служащим,
задействованным на вредных (опасных) производствах;
) предписывающие требования по ТБ и санитарии;
) устанавливающие ответственность лиц за нарушения законов и правил в
сфере труда.
В качестве основного нормативного документа в рассматриваемой сфере
выступает трудовой кодекс. В нем достаточно полно и широко освещаются вопросы,
которых касается охрана труда. Это говорит о том, что государство обращает
пристальное внимание на условия, в которых находятся ежедневно служащие
множества предприятий. Трудовой кодекс содержит несколько разделов. Каждый из них
включает нормы, регулирующие те или иные производственные моменты. Кодекс
регламентирует рабочее время, распорядок и дисциплину, защиту прав служащих,
социальное партнерство и прочее.
В соответствии со статьями охраны труда, всем лицам, поступающими на работу
или переводимыми на другую должность, начальник предприятия либо служащий, им
уполномоченный, должен провести инструктаж по ОТ. Наниматель обязан
предоставить правила охраны труда, а служащие предприятия - ознакомиться с
ними. Факт проведения инструктажа фиксируется в соответствующих журналах.
Периодически на предприятии должна проводиться проверка по охране труда. Она
включает в себя практические мероприятия, позволяющие выявить уровень
подготовленности служащих к производственной деятельности. Если служащий будет
осуществлять свою деятельность во вредных либо опасных условиях, наниматель
обязан организовать его обучение. Так, например, охрана труда при эксплуатации
электроустановок включает в себя целевые инструктажи, учебные занятия, по
окончании которых служащий получает допуск к соответствующим объектам.
Согласно основам трудового законодательства, ответственность за
формирование безвредных и безопасных производственных условий на предприятии
возложена на его администрацию. Она, в свою очередь, должна руководствоваться
требованиями по охране труда. Правила по охране труда могут быть как
межотраслевыми, так и едиными для всех секторов хозяйства. Координирует
разработку этих актов Минздравсоцразвития России.
Правила по охране труда могут быть утверждены на определенный срок либо
бессрочно. Типовые инструкции принимаются центральным уполномоченным
исполнительным (федеральным) органом по предварительному согласованию с
профсоюзами. Эти нормативные акты разрабатываются в соответствии с
межотраслевыми и отраслевыми правилами по ОТ и не должны им противоречить.
Систематизацию и учет последних осуществляет Минздрав-соцразвития, типовых
инструкций - федеральные исполнительные органы.
Мероприятия по надзору и контролю выполняются уполномоченными
инстанциями. К ним относят государственные органы и инспекции. Их деятельность
не зависит от руководителей предприятий, а также их высших органов. Центральные
структуры исполнительной (федеральной) власти выполняют контроль над
соблюдением типовых инструкций и отраслевых правил по ОТ относительно
подчиненных им организаций и учреждений. Надзор за исполнением локальных актов
предприятия возлагается на его руководителя, начальников структурных
подразделений, бригадиров и прочих ответственных лиц.
На каждом предприятии должна быть разработана программа по охране труда.
В нее включаются все мероприятия по обеспечению безопасных условий. Программа
по охране труда должна быть согласована с надзорными инстанциями и
неукоснительно соблюдаться на предприятии. Наниматель, кроме прочего, обязан:
) обеспечивать места служащих, находящихся под его контролем,
) безопасным для жизни и здоровья людей состоянием;
) организовывать регулярные медосмотры за счет предприятия;
) выполнять инструктажи по мерам и правилам безопасности, проводить аттестацию
трудящихся в установленные сроки;
) обеспечивать служащих надлежащими средствами защиты.
3.2 Техника безопасности
Устройство может выйти из строя под действием статического электричества,
которое пробивает полупроводниковые приборы и интегральные микросхемы. В
результате чего они выходят из строя. Знание мер безопасности, и их строгое
выполнение является обязательным условием при проведении сборочно-монтажных
работ.
Для предотвращения воздействия статического электричества необходимо
заземлить электрические паяльники, ванны с припоем и другое оборудование на
котором может возникнуть статическое электричество. Переходное сопротивление
цепи заземление не должно превышать 5 Ом
При проведении сборочно-монтажных работ на монтажника воздействует очень
большое количество разных отрицательных факторов, которые могут привести к
получению различных травм или отравлению организма. К таким травмам или видам
отравлений относятся: поражение постоянным или переменным током, получение
термических ожогов от нагретых паяльников, отравление организма от вдыхания
паров возникающих при нагревании флюсов и припоев, и т.д.
Производство печатных плат должно отвечать требованиям соответствующих
строительных норм и правил, санитарных норм проектирования промышленных предприятий,
гигиенических норм и правил.
Производство печатных плат должно обеспечивать:
) автоматизацию процессов, являющихся источниками опасных и вредных
производственных факторов;
) механизацию и автоматизацию ручного труда;
) замену токсичных и горючих веществ менее токсичными, нетоксичными и
негорючими веществами.
Оборудование, применяемое при производстве печатных плат, должно
соответствовать требованиям ГОСТ 12.2.003-91.
При производстве печатных плат уровни опасных и вредных факторов в
производственных помещениях и на рабочих местах не должны превышать
установленных санитарными нормами проектирования промышленных предприятий.
Устройства для приготовления растворов, гальванические линии, химическое
оборудование, при эксплуатации которых могут выделяться вещества с опасными и
вредными свойствами, должны иметь местные отсосы, встроенные в технологическое
оборудование, или быть максимально приближены к нему.
Объединение в общую вытяжную установку местных отсосов, удаляющих пыль,
легкоконденсирующиеся пары, а также вещества, при смешивании которых могут быть
образованы химические соединения с опасными и вредными свойствами, не
допускается.
Общеобменная приточно-вытяжная вентиляция и местная вытяжная вентиляция
должны обеспечивать в рабочей зоне концентрацию вредных веществ и аэрозолей
ниже предельно допустимой.
В производстве должен быть представлен полный перечень используемого
сырья, основных и вспомогательных материалов, в котором должны содержаться
следующие сведения:
) описание сырья и материалов с указанием их наименований, номеров
государственной регистрации, маркировки, возможных поставщиков;
) требования к качеству сырья и материалов, включая дополнительные
требования, разработанные с учетом специфики производства;
) условия и сроки хранения, меры безопасного обращения с сырьем и
материалами.
Доставку агрессивных жидкостей следует осуществлять в специальной
стеклянной или пластиковой таре, снабженной оплеткой. Транспортировать в цех
эти жидкости следует на специальных тележках.
Места хранения химических веществ должны быть оборудованы стеллажами и
шкафами и снабжены инвентарем, приспособлениями, средствами индивидуальной
защиты, необходимыми для безопасного обращения с химическими веществами.
Химические вещества должны поступать в исправной таре или упаковке с
полным комплектом сопроводительной документации, оформленной в установленном
порядке.
При приготовлении растворов из смеси кислот следует вводить кислоты в
порядке возрастания их плотности. Разбавляя кислоты, необходимо вливать их
только в холодную воду тонкой струей и одновременно перемешивать.
Растворение щелочи и цианистых солей при массовом и крупносерийном
производстве необходимо проводить в механизированных установках.
Работающие должны пользоваться применяемой при производстве печатных плат
спецодеждой и средствами индивидуальной защиты, выдаваемыми согласно нормам,
утвержденным в установленном порядке.
Рабочие и инженерно-технический персонал должны проходить медицинский
осмотр как при поступлении на работу, так и периодически.
Периодичность профессиональных осмотров должна быть установлена в
соответствии с порядком, определенным Министерством здравоохранения и
социального развития Российской Федерации.
Все рабочие, служащие и инженерно-технический персонал должны проходить
инструктаж по безопасности труда:
) вводный - при поступлении на работу;
) первичный - на рабочем месте;
) повторный - не реже одного раза в три месяца;
) внеплановый - при изменении технологического процесса, смене
оборудования, нарушениях требований безопасности и несчастных случаях.
Значения уровней вибрации технологического оборудования и рабочих мест не
должны превышать значений, установленных стандартом.
Освещенность помещений и рабочих мест должна соответствовать нормам СНиП
23-05-95.
ЗАКЛЮЧЕНИЕ
В результате выполнения ВКР было разработано изделие удовлетворяющее
требованиям, предъявляемые в задании на дипломное проектирование.
В ходе проектирования были разработаны следующие документы:
) структурная схема ВКР.2017.15.02.07.403.08.Э1;
) печатная плата ВКР.2017.15.02.07.403.08;
) пояснительная записка ВКР.2017.15.02.07.403.08.ПЗ.
Приведена схема электрическая принципиальная. Проведен анализ работы
составных узлов устройства по схеме электрической принципиальной. Кроме того
были выполнены расчеты: расчет выпрямителя напряжения и расчет надежности.
Описан техпроцесс изготовления печатной платы и наладки устройства.
В экономической части ВКР проведены экономические расчеты, связанные с
разработкой, монтажом и продажей со стороны организации-разработчика, и
приобретением и эксплуатацией со стороны организации-покупателя изделия.
При анализе вышеизложенного материала по всем разделам ВКР можно с
уверенностью констатировать, что поставленная во введении цель достигнута.
СПИСОК ЛИТЕРАТУРЫ
1.
Аверченков, В.И. Автоматизация проектирования технологических процессов
[Электронный ресурс]: учебное пособие для вузов/ В.И. Аверченков, Ю.М.
КазаковЭлектрон.текстовые данные. Брянск: Брянский государственный технический
университет, 2012. 228 c. Режим доступа: http://www.iprbookshop.ru/6990.html.
ЭБС «IPRbooks»
.
Автоматизация типовых технологических процессов и установок [Электронный
ресурс]: методические указания к курсовому проекту для студентов по направлению
подготовки 140400 «Электроэнергетика и электротехника» профиля подготовки «Электропривод
и автоматика» очной и очно-заочной форм обучения/ Электрон.текстовые данные.
Липецк: Липецкий государственный технический университет, ЭБС АСВ, 2013. 59 c.
Режим доступа: http://www.iprbookshop.ru/22854.html. ЭБС «IPRbooks»
.
Автоматизация и управление в технологических комплексах [Электронный ресурс]/
А.М. Русецкий [и др.]. Электрон. текстовые данные. Минск: Белорусская наука,
2014. 376 c. Режим доступа: http://www.iprbookshop.ru/29574.html.ЭБС «IPRbooks»
. Автоматика
и автоматизация производственных процессов [Элек-тронный ресурс]: методические
указания/ Электрон.текстовые данные. СПб.: Санкт-Петербургский государственный
архитектурно-строительный университет ЭБС АСВ, 2014. 56 c. Режим доступа: http://www.iprbookshop.ru/33294.html.ЭБС «IPRbooks»
. Валиуллина,
В.А. Разработка функциональных схем автоматизации технологических процессов
[Электронный ресурс]: учебное пособие/ В.А Валиуллина,
В.А.СадофьевЭлектрон.текстовые данные. Казань: Казанский национальный
исследовательский технологический университет, 2013. 83 c. Режим доступа:
http://www.iprbookshop.ru/62005.html. ЭБС «IPRbooks»
. Основы
автоматизированного проектирования изделий и технологических процессов
[Электронный ресурс]: учебное пособие/ Н.Р. Галяветдинов [и др.].
Электрон.текстовые данные. Казань: Казанский национальный исследовательский
технологический университет, 2013. 112 c. Режим доступа:
http://www.iprbookshop.ru/62519.html. ЭБС «IPRbooks»
. Релейная
защита и автоматика в электрических сетях [Электронный ресурс]/
Электрон.текстовые данные. М.: Издательский дом ЭНЕРГИЯ, Альвис, 2012. 632 c.
Режим доступа: http://www.iprbookshop.ru/22702.html. ЭБС «IPRbooks»
. Схиртладзе,
А.Г. Автоматизация технологических процессов и производств [Электронный
ресурс]: учебник/ А.Г. Схиртладзе, А.В. Федотов, В.Г. Хомченко
Электрон.текстовые данные. Саратов: Вузовское образование, 2015. 459 c. Режим
доступа: http://www.iprbookshop.ru/37830.html.- ЭБС «IPRbooks»
.Учебно-методическое
пособие по дисциплине Программное обеспечение систем управления. Автоматизация
технологических процессов и производства [Электронный ресурс]/
Электрон.текстовые данные. М.: Московский технический университет связи и
информатики, 2016. 64 c. Режим доступа: http://www.iprbookshop.ru/61530.html.
ЭБС «IPRbooks»