Система управления ТВШД

  • Вид работы:
    Реферат
  • Предмет:
    Информатика, ВТ, телекоммуникации
  • Язык:
    Русский
    ,
    Формат файла:
    MS Word
    1,97 Мб
  • Опубликовано:
    2017-04-07
Вы можете узнать стоимость помощи в написании студенческой работы.
Помощь в написании работы, которую точно примут!

Система управления ТВШД

Оглавление

Введение

Требования к микропроцессорной системе управления

Построение систем управления 6-фазным ТВШД на микропроцессорной логике

Алгоритм работы микропроцессорной СУ ТВШД

Заключение

Введение

Система управления (СУ) ТВШД предназначена для обеспечения различных режимов работы двигателя. Обобщенная структурная схема СУ ТВШД приведена на рис. 1. СУ состоит: из генератора тактовых импульсов, формирователя импульсов, распределителя импульсов и усилителя мощности.

Рис.1. Обобщенная структурная схема СУ ТВШД

Генератор вырабатывает тактовые импульсы. От его частоты будет зависеть скорость вращения вала двигателя.

Формирователь импульсов предназначен для отработки определенного угла поворота и необходимой скорости вращения вала двигателя. Формирователь импульсов состоит: из командного устройства, с помощью которого оператор задает различные режимы работы ТВШД; блока отработки угла - вырабатывающего прямоугольные импульсы требуемой длительности; блока дробления шага - осуществляющего разбиение основного шага двигателя на большое число микро шагов.

Распределитель импульсов преобразует унитарный код в N-фазную последовательность трапецеидальных импульсов напряжения и осуществляет подачу их в определенный момент времени и в определенный последовательности на фазы ТВШД.

Усилитель мощности предназначен для усиления сигналов распределителя импульсов и возбуждения обмоток управления двигателя, также в состав усилителя мощности может входить блок форсировки, для ускорения переходных процессов нарастания и спада тока в фазах двигателя на высоких частотах. микропроцессорный управление логика

СУ могут строится как на жесткой логике так и на гибкой.

СУ, построенные на жесткой логике, способны обеспечивать наивысшее быстродействие при заданном типе технологии элементов. Однако такие СУ, как правило, позволяют организовывать ограниченное число режимов управления ТВШД. При возрастании сложности реализуемых алгоритмов схемы автоматов с жесткой логикой очень быстро становятся более сложными. Логику работы такого управляющего автомата, можно изменить только путем перестраивания схем.

Системы управления ШД построенные на жесткой логике не удовлетворяют современным технико-экономическим показателям и уступают СУ построенным на основе микропроцессорной логике. Не дорогие системы управления реализованные на 2-3 микросхемах выполняют только самые простые режимы управления ШД. Многорежимные системы управления получаются дорогими (несколько десятков микросхем) и все равно не обладают той гибкостью и универсальностью присущей микропроцессорным (МК) системам управления.

Применение МК в СУ на сегодняшний день является самым перспективным схемным решением для управления ШД. Использование микроконтроллера и специализированных микросхем - драйверов. Для систем управления позволяет максимально упростить аппаратную часть, снизить ее себестоимость; обеспечивается многорежимность работы ШД и гибкость его управления, упрощается связь СУ с компьютером, появляется возможность модернизации системы с минимальным изменением аппаратной части.

Микроконтроллеры - разновидность микропроцессорных систем, ориентированная на реализацию алгоритмов управления техническими устройствами и технологическими процессами. Микроконтроллер представляет собой изготовленную на одном кристалле микропроцессорную систему. Помимо центрального процессора он содержит внутреннюю постоянную и оперативную память и многочисленные устройства ввода/вывода, аналого-цифровые преобразователи, последовательные и параллельные каналы передачи информации, таймеры реального времени, широтно-импульсные модуляторы (ШИМ), генераторы программируемых импульсов, модули обработки сигналов (событий) в реальном времени и т.д. Таким образом, на базе микроконтроллера с включением минимального количества дополнительных компонентов можно построить сложную функциональную систему управления.

Требования к микропроцессорной системе управления

Основные требования к микропроцессорной системе управления:

Возможность задания различных режимов работы ТВШД.

Непрерывное вращение - режим, при котором происходит вращение ротора электродвигателя с частотой задаваемой пользователем, на высоких оборотах осуществляется форсированное возрастание токов ОУ;

Пошаговый режим - ротор поворачивается на определенный угол при каждой подачи импульса;

Реверс с любого положения - режим, при котором происходит изменение направления вращения двигателя;

Режим отработки заданного угла.

Гибкость - то есть возможность варьировать такими параметрами системы как:

Число фаз двигателя;

Количество одновременно коммутируемых фаз (закон коммутации);

Коэффициент дробления шага.

Совместимость контроллера с компьютером, что позволяет с компьютера задавать различные законы движения двигателя, которые будут сохранены в энергонезависимой памяти контроллера.

Автономная работа контроллера по ранее записанным с компьютера алгоритмам управления.

Универсальность - возможность подключения СУ к различным типам ШД и обеспечения различных законов управления.

Дешевизна.

Структурная схема микропроцессорной системы управления представлена на рис. 2. Основным блоком на схеме является устройство управления, которое выполняет функции: управления двигателем (функции формирователя и распределителя импульсов) через усилитель мощности, функции ввода и обработки данных, поступивших с клавиатуры или компьютера, вывод данных и параметров СУ на жидкокристаллический индикатор (ЖКИ). Устройство управления выполнено на основе микроконтроллера PIC16F877.

Тактовый генератор обеспечивает синхронизацию микроконтроллера, схема сброса формирует сигнал сброса до тех пор, пока не стабилизируется напряжение питания, энергозависимая память хранит необходимые константы и управляющие воздействия.

Рис. 2. Структурная схема микропроцессорной системы управления

Построение систем управления 6-фазным ТВШД на микропроцессорной логике

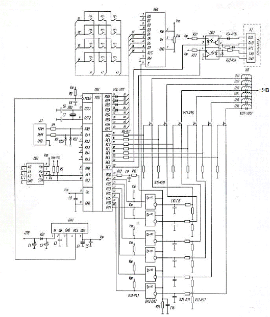
На рис. 3 приведена электрическая принципиальная схема микропроцессорной системы управления предназначено для управления 6-фазовым ТВШД.

Режим форсировки (стабилизация тока) осуществляется с помощью ШИМ, которая реализована программно. Сигнал, снятый с резисторов R32-R37, т.е. с датчик тока, через ФНЧ поступает на инвертирующий вход компараторы DA2-DA7. ФНЧ предотвращает ложные срабатывания компараторов вследствие действия помех. На прямой вход каждого компаратора подается опорное напряжение, который и определяет пиковый ток в обмотках двигателя. Это напряжение формирует микроконтроллер DD1 на выходе RD0 с помощью встроенного таймера, работающего в режиме 8-битной ШИМ. Для фильтрации сигнала ШИМ используется двухзвенный ФНЧ R12C9R13C16. Одновременно резисторы R12, R13 и R25 образуют делитель, который задает масштаб регулировки токов фаз.

Рассмотрим в качестве примера двигатель со средним током ОУ равным 1,11А. Если максимальный пиковый ток, соответствующий коду 113, выбран 2,27А, что соответствует напряжению 0,227В на датчиках тока. Учитывая тот факт, что постоянная составляющая на выходе ШИМ меняется от 0 до 5В, необходимый коэффициент деления равен 9,7.

Как только ток в обмотке двигателя превысит средний ток, напряжение на инвертирующем входе компаратора превысит опорное, на выходе компаратора будет низкий потенциал. МК отключит данную обмотку управления.

Связь СУ с компьютером осуществляется через СОМ порт, нуль модемным проводом, который подключается к разъему Х2. Назначение сигналов СОМ порта:- Data Terminal Ready - выход сигнала готовности компьютера к обмену данными. Состояние «включено» поддерживает коммутируемый канал в состоянии соединения; - Request To Send - выход запроса передачи данных: состояние «включено» уведомляет контроллер о наличии у компьютера данных для передачи;- Receive Data - последовательные данные - вход приемника; - Transmit Data - последовательные данные - выход передатчика; - общий.

При передачи данных на вывод DTR подается высокий потенциал, а на RTS низкий, по линии TXD компьютер передает данные в микроконтроллер, а по линии RTS принимает данные с микроконтроллера.

Для согласования уровней сигналов МК и СОМ порта компьютера используется оптическая развязка микросхема DD2 (АОТ110). Диоды VD4-VD6 - используются для защиты от переполюсовки СОМ порта, резисторы R23, R24 ограничивают ток через оптопару со стороны СОМ порта компьютера, резистор R21 подает на выход RC7 (RX) высокий логический уровень в отсутствии сигналов с компьютера.

Для отображения введенных данных, команд управления, а также состояния контроллера используется двухстрочный жидкокристаллический индикатор - ЖКИ (HG1) 2x16 символов со встроенным контроллером ЖКИ (44780). Связь ЖКИ с PIC контролером осуществляется по 4-х разрядной шине данных. Выводы RB0-RB3 используются для вывода данных на ЖКИ. Данные выводятся тетрадами сначала старшая затем младшая, вывод RS (RB7) определяет, что выводится (0 - команда инициализации для ЖКИ, 1 - выводятся данные на индикацию) вывод E (RD7) - тактовый, по импульсу на этом выводе данные с портов (D4-D7, RS) записывается в контроллер ЖКИ. Когда на выводе Е ноль ЖКИ игнорирует сигналы находящиеся на портах RB0-RB3 - что позволяет одним и тем же портам опрашивать клавиатуру и управлять ЖКИ.

Рис. 3. Электрическая принципиальная схема микропроцессорной системы управления

Для автономного управления контроллером, его запуска, выбора режима работы используется клавиатура SA1-SA12, собранная по схеме коммутационной матрицы 4x3. Выводы PIC RB0-RB3 настроены на выход, будем называть их драйверы, на них поочередно будет выставляться низкий логический уровень. Выводы PIC RB4-RB6 настроены на ввод (сенсоры), которые будут опрашивать на наличие логического нуля.

Имеются два входа для подключения концевых выключателей (через разъем XI). Концевой выключатель считается сработавшим, если на соответствующем входе присутствует низкий логический уровень. При этом вращение в данном направлении запрещено. При срабатывании концевого выключателя во время вращения двигателя он переходит к торможению с заданным ускорением, а затем останавливается.

Для сохранения введенных с компьютера данных используется микросхема энергонезависимой памяти DD3. Интегральная микросхема DD3 (24LC128) - последовательная микросхема flash памяти может хранить данные объемом до 16кБайт при отключении питания. Обмен данными между микроконтроллером и микросхемой памяти осуществляется в соответствии с протоколом I2С. Порт RE1(SCL) будет работать на выход, предназначен для выдачи тактовых импульсов, RE2 (SCL) - порт данных, выводит данные при записи в микросхему памяти, при считывании данных работает как ввод.

На резонаторе ZQ1 и конденсаторах С6, С7 - собран тактовый генератор, который определяет частоту работы микроконтроллера (20МГц).

Питание микроконтроллера формируется с помощью микросхемы стабилизатора DA1(78LR05), которая одновременно выполняет функции монитора питания. При понижении напряжения питания ниже установленного порога эта микросхема формируем для микроконтроллера сигнал «сброс». Напряжение питания на стабилизатор (DA1) подается через диод VD1, который вместе с конденсатором C6 уменьшает пульсации, вызванные коммутациями относительно мощной нагрузки, которой является шаговый двигатель.

Алгоритм работы микропроцессорной СУ ТВШД

В микропроцессорной системе реализованы все режимы управления ШД, которые можно реализовать и на жесткой логике. Но если на жесткой логике за выполнение различных режимов отвечают определенные блоки реализованные аппаратно, то в микропроцессорной СУ эти функции возложены на МК и функционирование СУ будет осуществляться в соответствии с программой «заложенной» в микроконтроллер.

Рассмотрим алгоритм функционирования микроконтроллера. Главный алгоритм работы СУ представлен на рис. 4. и состоит он из отдельных подпрограмм присущие всем микропроцессорным системам.

Рис. 4. Главный алгоритм работы СУ

Инициализация МК здесь происходит настройка конфигурации периферийных модулей МК (портов ввода/вывода, таймеров, АЦП. интерфейсов связи и т.д.).

Считывание данных из внешней микросхемы памяти (flash памяти) Микроконтроллер по протоколу I2С - двухпроводный последовательный канал связи считывает данные из микросхемы памяти.

Алгоритм опроса клавиатуры. Опрос клавиатуры осуществляется, если был выставлен флаг (разрешение) опроса клавиатуры и продолжается до тех пор, пока не будет нажата кнопка «конец ввода».

Прием данных и команд управления с компьютера осуществляется по асинхронному интерфейсу RS232.

Вывод данных на индикацию.

Данные и управляющие воздействия введенные с клавиатуры или поступившие с компьютера выводятся на ЖКИ. Вывод данных на ЖКИ осуществляется аналогично выводу команд управления.

Подпрограмма управления ТВШД позволяет осуществлять разгон и торможение двигателя (непрерывное вращение) с постоянным ускорением, а также вращение на постоянной скорости в режимах с одной коммутируемой фазой, с двумя коммутируемыми фазами и электронного дробления шага двигателя. Кроме этого обеспечиваются режим отработки заданного угла и пошаговый режим. Рассмотрим подпрограмму (Рис. 5. Алгоритм управления вращения ТВШД). Главной задачей программы является формирование импульсных последовательностей т.е. ТВШИМ импульсов для 6-и обмоток двигателя (рис.6. Временные диаграммы токов в фазах ТВШД).

Рис. 5. Алгоритм управления вращением ТВШД

Рис. 6. Временные диаграммы токов в фазах ТВШД.

В начале осуществляется очистка портов управления ШД (RC0-RC5). затем подпрограмма опроса клавиатуры (с клавиатуры нажатием соответствующих клавиш задается режим работы ТВШД. направление вращения, скорость). Следующий шаг - это анализ выбранного режима. Будем рассматривать режим непрерывного вращения, разгон и торможение осуществляются с постоянным ускорением, поэтому скорость меняется линейно.

Последовательность чередования фаз задана таблично. В памяти программ микроконтроллера имеются три разных таблицы (выполненных в виде массива чисел): для режима с одной коммутируемой фазой, режима с двумя коммутируемыми фазами и для режима электронного дробления шага двигателя.

Выборка значений из таблицы происходит с помощью указателя PHASE, поэтому переключение направления вращения двигателя тоже осуществляется очень просто: для вращения вперед требуется инкрементировать указатель, а для вращения назад декрементировать.

Обновление значений скорости и периода следования шагов программа делает на основе сравнения значений двух переменных: мгновенной скорости VC и требуемой скорости VR.

В зависимости от этих сигналов, основная программа загружает переменную VR значением требуемой скорости. В данной программе это V для движения вперед. V для движения назад и 0 для остановки.

Если скорости VC и VR равны, значит, шаговый двигатель работает в стационарном режиме и обновления не требуется. Если перед этим был выставлен флаг останова (VС=VR=0), двигатель остановлен, осуществляется выход из подпрограммы управления ТВШД.

Если же скорости не равны, то значение VC с заданным ускорением приблизился к VR, т.е. двигатель ускоряется (или замедляется) до достижения номинальной скорости

Затем происходит вычисление периода Т - длительности ШИM импульса. Вначале вычисляется модуль текущей скорости. Затем происходит ограничение минимальной скорости.

Подпрограмма формирования ШИМ импульсов формирует импульсные последовательностей для ОУ двигателя, формирование выполняется в обработке прерывания аппаратного (встроенного в МК) таймера PIC.

Для формирования периода повторения шагов используется программный 16- разрядный таймер STCNT, его величина определяет скорость вращения двигателя, с каждым прерыванием его значение документируется. Таким образом, переключение фал происходит только при обнулении программного таймера (STCNT=0). Указатель PHASЕ выбирает из таблицы чередования фаз (массива чисел) значение выходных сигналов соответствующих включению обмоток ТВШД. Это значение загружается во временный регистр TEMP_PORTC. если VC=0 тогда в TEMP_PORTC загружается ноль. Затем значение из временного регистра выводится на порт управление ТВШД (RC0-RC5). Если на одной из фаз напряжение превысило предельно допустимое, на соответствующем выходе порта RD1-RD6 с формируется логический ноль и эта фаза будет отключена (на соответствующей RC0-RC5 подаем логический ноль). На этом подпрограмма формирования ШИМ будет закончена.

Рис. 7. Электронное дробление шага двигателя

Управление ТВШД в микропроцессорной СУ осуществляется в соответствии с программой заложенной в МК. Микропроцессорная СУ является неделимым аппаратно программным комплексом. Аппаратная часть (МК, транзисторные ключи, компараторы и т.д.) обеспечивают подачу напряжения и тока на УО ТВШД. В программной части прописывается законы управления ТВШД: определяет порядок переключения УО ШД, задает длительность подаваемых импульсов и их частоту следования, тем самым задается режим работы, значение и динамика изменения (форма) тока ОУ.

Заключение

Таким образом, микропроцессорная СУ позволяет управлять любыми ТВШД (и другими типами шаговых двигателей) при этом необходимые изменения вносятся в программу МК (алгоритм управления), аппаратная часть, как правело остается неизменной.

Перепрограммирование МК осуществляется внутрисхемно (МК остаются на плате), с помощью программатора и интегрированной среды разработки МРLАВ IDE.

Обеспечение режимов: непрерывное вращение, с изменением скорости, пошаговый режим, отработка заданного угла, реверс в процессе движения, программируемое движение и т.д., осуществляется при подачи соответствующих управляющих сигналов с клавиатуры или компьютера. Как видно из микропроцессорная СУ обладает гибкостью не свойственной СУ построенной на жесткой логике и позволяет обеспечивать различные режимы управления ТВШД и максимально упрощает переход с одного режима на другой. Применение МК позволяет построить СУ с наилучшими показателями цена/качество, что говорит о перспективности применения микропроцессорных СУ для управления ТВШД.

Похожие работы на - Система управления ТВШД

 

Не нашли материал для своей работы?
Поможем написать уникальную работу
Без плагиата!
Без нейросетей!