Проектирование и организация движения на изолированном регулируемом перекрестке

  • Вид работы:
    Курсовая работа (т)
  • Предмет:
    Транспорт, грузоперевозки
  • Язык:
    Русский
    ,
    Формат файла:
    MS Word
    264,82 Кб
  • Опубликовано:
    2017-09-16
Вы можете узнать стоимость помощи в написании студенческой работы.
Помощь в написании работы, которую точно примут!

Проектирование и организация движения на изолированном регулируемом перекрестке

Министерство образования и науки Российской Федерации

Федеральное государственное бюджетное образовательное учреждение высшего профессионального образования

«Тихоокеанский государственный университет»

Кафедра: эксплуатации автомобильного транспорта








Курсовая работа

По дисциплине: «Основы организации дорожного движения»

На тему: «Проектирование и организация движения на изолированном регулируемом перекрестке»









Хабаровск 2017

Задание

На курсовую работу

По дисциплине: "Организация и безопасность движения"

На тему: "Проектирование и организация движения на изолированном регулируемом перекрестке"

Направление

Транспортные потоки

Пешеходные потоки


Исходные интенсивности, ам/ч

пропускная способность полосы, ед/ч

Vт, км/ч

Nп, пеш/ч

Vп, м/с


легковые

грузовые

автобусы

автопоезда





Подход 1

 

 

 

 

1700

30

800

1,2

N13

322

69

46

23





N12

217

47

31

16





N14

116

25

17

8





Подход 2





1900

45

400

1,4

N24

936

52

52

0





N23

324

18

18

0





N21

279

16

16

0





Подход 3





1600

25

1000

1

N31

288

96

72

24





N34

102

34

26

9





N32

90

30

23

8





Подход 4





1700

30

800

1,2

N42

448

96

64

32





N41

168

36

24

12





N43

98

21

14

7






Реферат

Курсовая работа содержит пояснительную записку на 41 листе формата А4, включающую 6 рисунков, 4 таблицы, 15 литературных источников, 4 приложения.

Безопасность дорожного движения, организация дорожного движения, дорожно-транспортное происшествие, автомобильная дорога, состав транспортного потока, конфликтность, фаза, цикл регулирования, пофазный разъезд, поток насыщения, фазовый коэффициент, приведенная интенсивность, задержки, пропускная способность полосы

Целью курсовой работы является проектирование организации дорожного движения на изолированном перекрестке. Указанная цель достигается применением современных технических средств управления дорожным движением, выполнением расчета оптимального цикла и режима работы светофорной сигнализации в соответствии с заданной интенсивностью движения, проведением анализа существующей схемы организации дорожного движения и внесением предложений по проектированию.

Предполагаемый эффект от предлагаемых в проекте мероприятий по организации дорожного движения на изолированном перекрестке оценивается по индексу конфликтности и транспортным задержкам.

Содержание

Реферат

Введение

. Исследование параметров дорожного движения

.1 Необходимость светофорного регулирования

.2 Расчет приведенной интенсивности движения транспортных средств по направлениям

.3 Построение картограммы интенсивности движения транспортных и пешеходных потоков

.4 Определение минимально необходимого количества полос движения и ширины проезжей части дороги и пешеходных переходов

. Основная часть

.1 Определение количества фаз, разработка схем пофазного разъезда

.2 Расчёт режимов светофорной сигнализации по методике Вебстера

.2.1 Определение потоков насыщения

.2.2 Определение фазовых коэффициентов

.2.3 Расчет переходных тактов

.2.4 Расчет оптимального цикла регулирования

.2.5 Расчет основных тактов

.2.6 Проверка основных тактов на пропуск пешеходов

.3 Техническая оценка эффективности проекта

.3.1 Определение конфликтной загрузки пересечения

.3.2 Определение задержек транспорта

.4 Разработка применения технических средств регулирования

Заключение

Список литературы

Приложения

Введение

Ключевым элементом дорожной сети являются перекрёстки, на которых, по статистике, происходит от 30 до 40% всех ДТП. И пусть порой они незначительны по последствиям для автомобилей, однако именно на перекрёстке с транспортными средствами встречаются пешеходы, в том числе и самые младшие. Значительные телесные повреждения получают как водителя, так и пешеходы, а участие в ДТП на перекрёстке берут зачастую от 2 и более автомобилей.

Обеспечение быстрого и безопасного движения в современных городах требует применения комплекса мероприятий архитектурно-планировочного и организационного характера. К ним относится введение светофорного регулирования на перекрестках.

В этих условиях особое значение приобретает деятельность по рациональной организации движения на существующей улично-дорожной сети. Эту деятельность могут обеспечить только специалисты, имеющие необходимую подготовку. Именно поэтому исследования, связанные с организацией безопасности движения в населенных пунктах являются актуальными.

Целью курсовой работы является отработка и закрепление навыков организации дорожного движения и применения технических средств регулирования на изолированном перекрестке.

Для достижения поставленной цели необходимо решить ряд взаимосвязанных задач:

-    провести анализ параметров дорожного движения.

-       рассчитать параметры жесткого программного управления на изолированном перекрестке.

-       оценить преимущества внедрения светофорного объекта.

-       спроектировать применение технических средств организации дорожного движения на перекрестке.

Объект работы: изолированный перекресток

Предмет работы: применение технических средств регулирования дорожного движения.

Выбор методов проектирования был обусловлен требованиями наиболее адекватного и полного решения задач на каждом этапе работы. В зависимости от особенностей решаемых задач использовались:

-    абстрактно-логический метод (при постановке целей и задач проектирования);

-       монографический метод (при изучении тенденций развития современных технологий управления дорожным движением);

-       сравнительный анализ (при выборе оптимальных схем применения технических средств организации дорожного движения);

-       математические методы (при проведении расчетов и оценке проекта).

Источниками информации для написания работы послужили базовая учебная литература, теоретические труды ученых в данной области, результаты практических исследований отечественных и зарубежных авторов, статьи и обзоры в специализированных и периодических изданиях, справочная литература, другие актуальные источники.

1. Исследование параметров дорожного движения

1.1 Необходимость светофорного регулирования

На пересечениях в одном уровне пропуск конфликтующих транспортных потоков осуществляется поочередно путем предоставления для одного из них приоритета в движении. При отсутствии средств регулирования (на равнозначных перекрестках) приоритет определяется известным правилом помехи справа. Установка дорожных знаков приоритета приводит к выделению главной и второстепенной дороги. Данные виды пересечений именуются как нерегулируемые. На нерегулируемых перекрестках (при наличии знаков приоритета) движение по главной дороге осуществляется практически без задержек. На второстепенной дороге водитель, не обладающий преимущественным правом проезда, вынужден для дальнейшего движения ожидать появления достаточно больших интервалов времени между транспортными средствами, следующими в конфликтующих направлениях.

С ростом интенсивности транспортного потока на главной дороге возможности проезда перекрестка с второстепенных направлений ухудшаются. В ожидании приемлемого интервала водители вынуждены простаивать значительное время и нередко принимать интервалы меньшие, чем необходимо по условиям безопасности движения. Поэтому на перекрестке наряду с ростом транспортных задержек увеличивается количество ДТП.

Введение светофорного регулирования ликвидирует наиболее опасные конфликтные точки, что способствует повышению безопасности движения. Вместе с тем появление светофора на перекрестке вызывает транспортные задержки и на главной дороге, порой весьма значительные, учитывая характерную для этой дороги высокую интенсивность движения и господствующее в настоящее время жесткое программное регулирование. Таким образом, введение светофорного регулирования является не всегда оправданным и зависит, прежде всего, от интенсивности движения конфликтующих потоков и от числа и тяжести ДТП.

1.2 Расчет приведенной интенсивности движения транспортных средств по направлениям

Под интенсивностью транспортного потока понимается число транспортных средств, проходящих через сечение дороги в единицу времени. Интенсивность движения - величина неравномерная и в пространстве (на различных дорогах или на различных участках одной и той же дороги), и во времени.

Возможные направления движения автомобилей и пешеходов на проектируемом перекрестке приняты согласно задания и представлены на рисунке 1.

Рисунок 1. Схема пересечения

Для учета влияния в смешанном транспортном потоке различных типов транспортных средств применяют коэффициенты приведения к условному легковому автомобилю /7/.

Интенсивность транспортного потока в приведенных единицах (ед./ч), по каждому направлению определяется по формуле

 (1)

гдеN - интенсивность движения транспортного потока (исходная) в физических единицах, а/ч;

Pi - процентное содержание в потоке транспортных средств i-го типа;

Kприв - коэффициенты приведения для i-го типа транспортных средств.

Результаты расчета сводятся в таблицу по форме (табл.1).

Таблица 1. Расчет приведенной интенсивности

Подход направление

Исходная интенсивность, авт./ч

В том числе:

Приведенная интенсивность, авт./ч



Легковые, %

Грузовые %

Автобусы, %

Автопоезда, %


Кпр

1

2

3

4

 

1

 

70

15

10

5

 

N13

460

322

138

138

92

691

N12

311

217

94

94

62

467

N14

166

116

50

50

33

249

2

 

90

5

5

0

 

N24

1040

936

105

157

0

1197

N23

360

324

36

54

0

414

N21

311

279

31

47

0

357








3

 

60

20

15

5

 

N31

480

288

192

217

98

795

N34

171

102

68

77

35

283

N32

151

90

60

68

31

249

4

 

70

15

10

5

 

N42

640

448

192

192

128

960

N41

240

168

72

72

48

360

N43

140

98

42

42

28

210


Все дальнейшие расчеты производятся только по приведенным интенсивностям. Если интенсивность по направлению задана равной нулю, то необходимо при организации дорожного движения предусмотреть запрещение движения в этом направлении.

1.3 Построение картограммы интенсивности движения транспортных и пешеходных потоков

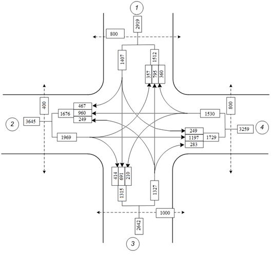
На основании расчета приведенной интенсивности вычерчивается схема перекрестка, на которую наносится картограмма интенсивности движения транспортных и пешеходных потоков (рис.2, прил. А).

Рисунок 2. Картограмма интенсивности

1.4 Определение минимально необходимого количества полос движения и ширины проезжей части дороги и пешеходных переходов

Минимально необходимое число полос для движения транспорта и пешеходов на подходе определяется по формулам (2) и (3) исходя из суммарных интенсивностей и насыщенности полосы Н, обеспечивающей возможность движения потоков как по этой полосе, так и с конфликтующих направлений.

 (2)

 (3)

гдеНt - нормативная насыщенность полосы для движения транспорта;

Нп - нормативная насыщенность полосы для движения пешеходов.

Согласно рекомендациям /3,5,8/ можно принять для транспортных потоков Нt = 600-700 ед./ч, для пешеходов Hп = 400-500 пеш/ч.

Для транспортных потоков ширину полосы движения следует принимать b = 3,75 м, для пешеходных условная полоса - b = 1,0 м. Однако, общая ширина пешеходного перехода не может быть меньше 4,0 м. /2/. Конфигурация и размеры перекрестка определяются количеством полос и их размерами, скруглениями, которые не должны быть менее 3,0 м /2/, а также необходимыми отступами пешеходных переходов от стоп-линии и от границ проезжей части перекрестка.

Определяем количество полос движения транспорта по направлениям

nt1 =2919/700=4,17=5 полос

nt2 =3645/700=5,21=6 полос

nt3 = 2642/700=3,77=4 полосы

nt4 = 3259/700=4,67=5 полос

Определяем количество полос движения для пешеходов

nп1 = 800/500 = 1,6 = 2 полосы

nп2 = 400/500 = 0,8 = 1 полоса

nп3 = 1000/500 = 2 полосы

nп4 = 800/500 = 1,6 = 2 полосы

В дальнейшем количество полос для движения транспорта может быть увеличено в зависимости от схемы пофазного разъезда и величины фазовых коэффициентов.

2. Основная часть

2.1 Определение количества фаз, разработка схем пофазного разъезда

Пофазный разъезд транспортных потоков организуется с целью разделения их во времени и тем самым снижения конфликтности на пересечении. Количество фаз должно равняться назначенному количеству групп потоков.

Необходимо учитывать, что увеличение количества фаз обеспечивает более полное разделение потоков и, следовательно, более высокий уровень безопасности. Но при этом возрастает суммарное время задержки транспортных средств и уменьшается возможность их пропуска по главным направлениям.

Как правило, регулирование должно быть двухфазным, в отдельных случаях - трехфазным. Циклы, состоящие из четырех или пяти фаз, можно принять лишь в исключительных случаях (обычно при трамвайном перекрестном движении) и только при наличии резерва пропускной способности пересекающихся магистралей.

С точки зрения безопасности движения, число фаз должно быть таким, чтобы не было ни одной конфликтной точки, вместе с тем увеличение числа фаз ведет к увеличению длительности цикла и, что особенно важно, его непроизводительных составляющих. В интересах высокой пропускной способности всегда надо стремиться к минимальному числу фаз регулирования, но на столько, на сколько это позволяют условия безопасности. Минимальное число фаз регулирования равно двум.

Для проведения расчетов принимаем для направлений 1, 4 - 5 полос, для направления 2 - 6 полос, для направления 3 - 4 полосы.

Рассмотрим двухфазный цикл регулирования (рис. 3)

Рисунок 3. Схема двухфазного регулирования

В целях сокращения задержек транспортных средств и пешеходов надо стремиться к уменьшению числа фаз в цикле регулирования. Введение третьей фазы (для пропуска левоповоротных потоков транспорта или специально для пешеходов) является необходимым только при выполнении хотя бы одного из двух условий /3/:

при интенсивности левоповоротного потока более 120 авт./ч;

правоповоротного транспортного потока более 120 авт./ч, и конфликтующего с ним пешеходного потока более 900 чел./ч;

левоповоротного и конфликтующего с ним правоповоротного транспортного потока более 400 авт./ч.

Следует добиваться сокращения числа полос на подходах за счет использования общих полос для транспортных средств, движущихся в разных направлениях, но пропускаемых в течение одной фазы. Однако для каждого направления, обслуживаемого в отдельной фазе, должна быть хотя бы одна полоса движения для ожидания в очереди.

Введение третьей фазы дает возможность для различных вариантов организации ДД (рис. 4)

Рисунок 4. Схема трехфазного регулирования с выделением правоповоротного потока

2.2 Расчёт режимов светофорной сигнализации по методике Вебстера

2.2.1 Определение потоков насыщения

Для расчета оптимальной длительности цикла и составляющих его тактов необходимо определить потоки насыщения и фазовые коэффициенты.

Поток насыщения - это пропускная способность проезжей части в данной фазе с учетом открытых для движения полос. В общем случае оценка потока насыщения производится по формуле

 (4)

где Р - пропускная способность полосы движения, ед./ч;

n - число полос, открытых для движения;

N1 - интенсивность прямого направления, ед./ч;

N2 - интенсивность левоповоротного потока, ед./ч;

Для право- и левоповоротных потоков, движущихся по специально выделенным полосам, поток насыщения определяется в зависимости от радиуса поворота R:

 (5)

где k - коэффициент, корректирующий поток насыщения в зависимости от количества полос движения (k=1 при n=1, k=0,85 при n=2, k=0,75 при n=3);- количество полос, выделенное для движения по расчетному направлению (принимаем 3 полосы для направлений 1, 2 и 3, 4 полосы для направления 4); дорожный движение светофорный сигнализация- пропускная способность полосы на расчетном подходе;- радиус движения потока.

Потоки насыщения определяются для всех выделенных проезжих частей во всех фазах. Результаты расчета представлены в таблице 2.

2.2.2 Определение фазовых коэффициентов

Фазовый коэффициент - доля загрузки проезжей части, выделенной для движения тех или иных потоков, или выделенных полос - определяется как

(6)

гдеNi = N1 + N2 + N3 - суммарная интенсивность движения на рассматриваемой проезжей части в направлениях, обслуживаемых этой фазой;

N1 - интенсивность прямого направления, ед./ч;

N2 - интенсивность левоповоротного потока, ед./ч;

N3 - интенсивность правоповоротного потока, ед./ч.

Фазовые коэффициенты рассчитывают для всех выделенных проезжих частей во всех фазах. В каждой фазе выбирается проезжая часть с максимальным фазовым коэффициентом, то есть наиболее загруженная. Она и является лимитирующей. Фазовый коэффициент этой проезжей части принимается в качестве лимитирующего и определяет длительность фазы. Это значит, что все расчеты цикла, фаз, основных тактов производят по лимитирующим фазовым коэффициентам.

Так как в I, II и III - ей фазах прямолинейные и поворачивающие потоки пропускают одновременно и последние составляют более 10%, то потоки насыщения для данных фаз корректируют.

Рассчитанные значения приведены в табл.2

Таблица 2. Расчет фазовых коэффициентов

Алгоритм управления

Фаза

Направление

Поток насыщения

Фазовый коэффициент

Двухфазное регулирование

1

1

13+12+14

4802,14

0,293

2

1

31+34+32

6103,91

0,217

3

2

21+24+23

9204,24

0,213

4

2

42+41+43

5610,43

0,273

Трехфазное регулирование с выделением правоповоротного потока

5

1

32+31+34

4425,28

0,299

6

1

23

1051,03

0,235

7

2

12+13+14

4802,14

0,293

8

2

34+31

6103,91

0,217

9

3

21+24+23

9204,24

0,213

10

3

41+42+43

5610,43

0,273


Если какой-либо транспортный поток пропускается в течение двух и более фаз, то для него отдельно рассчитывают фазовый коэффициент, который не принимают в качестве лимитирующего. Однако необходимо проверить, чтобы этот коэффициент не превышал суммы лимитирующих коэффициентов в соответствующих фазах.

В каждой фазе выбирается проезжая часть с максимальным фазовым коэффициентом, то есть наиболее загруженная. Она и является лимитирующей. В таблице 2 выделены лимитирующие фазовые коэффициенты для направлений. Фазовый коэффициент этой проезжей части принимается в качестве лимитирующего и определяет длительность фазы. Это значит, что все расчеты цикла, фаз, основных тактов производят по лимитирующим фазовым коэффициентам.

2.2.3 Расчет переходных тактов

Длительность переходного (вспомогательного) такта должна обеспечивать безопасное завершение фазы (снижение вероятности возникновения конфликтов). В этот период времени происходит передача права движения от одной выделенной группы транспортных потоков к другой. Транспортное средство, находящееся в момент выключения зеленого сигнала на расстоянии от стоп-линии, равном или меньшем, чем его остановочный путь (при рабочем замедлении), должно иметь возможность, двигаясь безостановочно со средней скоростью транспортного потока, миновать все возможные конфликтные точки. Это точки возможной встречи с транспортными средствами, начинающими движение по зеленому сигналу в следующей фазе.

Длительность переходного такта в секундах

 (7)

гдеt1 - время проезда расстояния до стоп-линии, равного остановочному пути, без снижения скорости с момента выключения разрешающего сигнала светофора, с;

t2 - время проезда расстояния от стоп-линии до самой критической конфликтной точки при выезде с перекрестка (с добавлением длины транспортного средства), с;

t3 - время от момента включения зеленого сигнала в следующей фазе до момента прибытия к самой критической конфликтной точке транспортного средства, начинающего движение по этому сигналу, с.

Самой критической можно считать точку, в которой выполняется условие


Величины t1, t2, t3 определяются по формулам:

 (8)

гдеtδ - время подготовки тормозной системы: реакция водителя при смене сигнала светофора, срабатывание тормозного привода, нарастание эффективного замедления, с (можно принять tδ =1,0 - 2,0);

V - скорость транспортного средства на подходе к перекрестку, км/ч (согласно задания);

j - рабочее замедление транспортного средства, максимально возможное с точки зрения комфортных условий замедления автомобиля, м/с² (принимается j = 2,5 - 3,0);

 (9)

гдеli - расстояние от стоп-линии до самой критической конфликтной точки. Определяется по схеме пересечения с учетом ширины и количества полос движения транспортных потоков, ширины пешеходных переходов, расстояний от пешеходного перехода до стоп-линии (около 1м) и до границ проезжей части перекрестка (около 5м). Можно исключить из рассмотрения правоповоротные потоки, м;

ld - габаритная длина приведенной транспортной единицы, м (принимается ld =6);

 (10)

где lj - расстояние от стоп-линии до той же критической конфликтной точки при начале движения конфликтующего потока в следующей фазе, м;

w - ускорение транспортного средства при разгоне после трогания с места, м/с² (принимается w = 2).

Необходимо учитывать, что при расчете t2 следует принимать скорость лево- и правоповоротных потоков 25 км/ч.

Для каждого подхода, обслуживаемого данной фазой, может быть получено несколько значений t' - по прямому и левоповоротному движению. Из совокупности значений по всем подходам выбирают для введения в цикл регулирования наибольшее значение.

Во время переходного такта заканчивают движение и пешеходы. За время этого такта пешеход должен или вернуться на тротуар, или завершить переход проезжей части, или дойти до разделителя встречных потоков. Минимальное время для этого

 (11)

где bn - ширина проезжей части, пересекаемой пешеходами, м;

Vn - расчетная скорость движения пешеходов, м/с (задана в исходных данных).

Проведенные расчеты для двух и трехфазного регулирования приведены в табл. 3.

Таблица 3. Расчет переходных тактов

Фаза

Подход направление

Значения переменных

t', с

принятое



V, км/ч

t1, с

li, м

t2, с

lj, м

t3, с


t', с

Двухфазное регулирование

1

N13

30

2,39

12

2,16

8

2,83

1,72

3

1

N12

30

2,39

8

1,68

8

2,83

1,24


1

N14

30

2,39

16

2,64

8

2,83

2,20


1

N31

25

2,16

12

2,59

8

2,83

1,92


1

N34

25

2,16

8

2,02

8

2,83

1,34


1

N32

25

2,16

16

3,17

8

2,83

2,50


2

N24

45

3,08

12

1,44

8

2,83

1,69

3

2

N23

45

3,08

8

1,12

8

2,83

1,37


2

N21

45

3,08

16

1,76

8

2,83

2,01


2

N42

30

2,39

12

2,16

8

2,83

1,72


2

N41

30

2,39

8

1,68

8

2,83

1,24


2

N43

30

2,39

16

2,64

8

2,83

2,20


Трехфазное регулирование

1

N31

25

2,16

0

0,86

0

0,00

3,02

4

1

N34

25

2,16

0

0,86

0

0,00

3,02


1

N32

25

2,16

0

0,86

0

0,00

3,02


1

N23

45

3,08

0

0,48

0

0,00

3,56


2

N13

30

2,39

0

0,72

0

0,00

3,11

5

2

N12

30

2,39

0

0,72

0

0,00

3,11


2

N14

30

2,39

16

2,64

8

2,83

2,20


2

N31

25

2,16

12

2,59

12

3,46

1,29


2

N34

25

2,16

8

2,02

0

0,00

4,17


3

N24

45

3,08

12

1,44

12

3,46

1,06

4

3

N23

45

3,08

0

0,48

0

0,00

3,56


3

N21

45

3,08

16

1,76

8

2,83

2,01


3

N42

30

2,39

12

2,16

12

3,46

1,08


3

N41

30

2,39

0,72

0

0,00

3,11


3

N43

30

2,39

16

2,64

8

2,83

2,20



В качестве переходного такта принимают наибольшее значение.

Переходные интервалы не следует назначать длительностью менее 3 с. Если найденное значение t´ не превышает 4 с, то переходный интервал состоит из одного такта (желтый сигнал). При t´ = 5-8 с переходной интервал должен быть составлен из двух вспомогательных тактов ("желтый-красный" сигнал включается в момент выключения желтого). Допустимые значения длительности горения красного и желтого ("желтый-красный") - 2, 3 и 4 с.

Время перехода проезжей части пешеходами рассчитывается по минимальной заданной скорости:

Двухфазное регулирование

-    для 1 фазы:

t'n = 17,5 / (4 · 1,2) = 3,65 ≈ 4 с.

-    для 2 фазы:

t'n = 14 / (4 · 1) = 3,5≈ 4 с.

Трехфазное регулирование

для 1 фазы:

t'n = 17,5 / (4 · 1,2) = 3,65 ≈ 4 с.

-    для 2 фазы:

t'n = 21 / (4 · 1,4) = 3,75 ≈ 4 с.

-    для 3 фазы:

t'n = 14 / (4 · 1) = 3,5 ≈ 4 с.

Поскольку время перехода проезжей части пешеходами в первой фазе двухфазного регулирования превышает расчетное значение времени переходного такта, принимаем для 1 фазы t' = 4 с.

Сумма всех переходных тактов определяется по максимальным значениям

Двухфазное регулирование

Тп = 4 + 3 = 7 с

Трехфазное регулирование

Тп = 5 + 4 + 4 = 13 с

2.2.4 Расчет оптимального цикла регулирования

Длительность цикла регулирования определяется по формуле Вебстера

(12)

где Тп - потерянное время в цикле (сумма всех переходных тактов),c;

Y = Σyi - сумма лимитирующих фазовых коэффициентов.

Тогда для двухфазного регулирования

Т = (1,5 · 7 + 5)/(1 - 0,566) = 15,5 / 0,434 = 35,71 ≈ 36 с.

Для трехфазного регулирования

Т = (1,5 · 13 + 5)/(1 - 0,865) = 24,5 / 0,135 = 181,48 ≈ 182 с.

2.2.5 Расчет основных тактов

После расчета длительности цикла определяется длительность основных тактов по схеме

 (13)

 (14)

где toi - длительность основных тактов фаз, с.

Если учесть, что сумма основных тактов - это эффективная часть цикла, а методика Вебстера предполагает, что длительность основных тактов должна быть пропорциональна лимитирующим фазовым коэффициентам, то расчет можно упростить, используя метод пропорций

 (15)

Тогда для двухфазного регулирования

to1 = (36 - 7) · 0,293 / 0,566 = 15,01 ≈ 15 с.

to2 = (36 - 7) · 0,273 / 0,566 = 13,98 ≈ 14 с.

Для трехфазного регулирования

to1 = (182 - 13) · 0,299 / 0,865 = 58,42 ≈ 59 с.

to2 = (182 - 13) · 0,293 / 0,865 = 57,24 ≈ 58 с.

to3 = (182 - 13) · 0,273 / 0,865 = 53,34 ≈ 54 с.

2.2.6 Проверка основных тактов на пропуск пешеходов

Затем длительность основных тактов проверяется на обеспечение пропуска в соответствующих направлениях пешеходов по формуле

 (16)

гдеbn - ширина проезжей части, пересекаемой пешеходами за время основного такта, м;

Vn - скорость движения пешеходов, м/с.

Если такт обслуживает два или более пешеходных переходов, то необходимо длительность разрешающего сигнала рассчитать по каждому из них и выбрать наибольшее значение.

Тогда для двухфазного регулирования

tп1 = 5 + 21 / 1,4 = 20 с.

tп2 = 5 + 17,5 / 1,2 = 19,58 ≈ 20 с.

Для трехфазного регулирования

tп1 = 5 + 17,5 / 1,2 = 19,58 ≈ 20 с.

tп2 = 5 + 21 / 1,4 = 20 с.

tп3 = 5 +14 / 1 = 19 с.

Если какое-либо значение tn оказалось больше рассчитанной ранее длительности соответствующих основных тактов, то возможна корректировка в разумных пределах с окончательным принятием новой, уточненной длительности этих тактов toi. Если разница между tп и toi меньше четырех секунд, то корректировать цикл не нужно /1/. Поэтому для первой фазы двухфазного регулирования принимаем значение to1 = 18 с.

Для восстановления оптимального цикла длительности тактов, не подвергшихся уточнению, увеличивают с тем, чтобы соотношение в цикле соответствовало бы соотношению фазовых коэффициентов, т. е.

 (17)

Отсюда

to2 = 15· 0,273 / 0,293 = 13,96 ≈ 14 с.

Длительность цикла не должна превышать 70 с - при двухфазном, 90 с - при трехфазном, 110 с - при четырехфазном регулировании /12/. Если длительность цикла выходит за указанные пределы, то необходимо пересмотреть схему пофазного разъезда или добавить полосы движения, где это необходимо (проводят анализ фазовых коэффициентов). Если имеется возможность, то мощные потоки следует пропускать в течение двух или более фаз.

Согласно проведенных расчетов, схема с трехфазным регулированием движения не соответствует условиям, рассмотренным выше, поэтому в данном случае необходимо внедрять схему с двухфазным регулированием потоков (приложение Б). Поэтому принимаем за основу для организации движения на рассматриваемом перекрестке двухфазное регулирование, при этом для обеспечения пропуска пешеходов изменяем длительности основных циклов с учетом ранее выполненных преобразований. Кроме того учитываем длительность переходных циклов (Тп = 7 с), тогда параметры регулирования принимают значение:

Т = 40 с.

to1 = 18 с.

to2 = 14 с.

Данные значения не превышают нормативные и могут быть приняты к внедрению.

2.3 Техническая оценка эффективности проекта

Эффективность мероприятий в области организации дорожного движения можно оценить с помощью как абсолютных показателей, так и стоимостных, полученных через экономическую оценку абсолютных показателей. В данной курсовой работе предлагается определить два абсолютных показателя.

Конфликтность позволяет оценить степень возможной опасности на перекрестке, а, следовательно, это показатель уровня безопасности.

Транспортные задержки - это показатель эффективности организации дорожного движения

2.3.1 Определение конфликтной загрузки пересечения

Исследования ДТП показали, что наибольшее их число происходит в так называемых конфликтных точках, т. е. в местах, где в одном уровне пересекаются траектории движения транспортных средств или транспортных средств и пешеходов, а также в местах отклонения или слияния (разделения) транспортных потоков

Взаимодействие транспортных средств на дорогах является сложным явлением, и упрощенные оценки соответствующих конфликтных точек дают возможность лишь приблизительно представить себе сложность того или иного транспортного узла. Реальная опасность конфликтной точки зависит от многих факторов, таких как интенсивность конфликтующих потоков, условия видимости для водителей, состояние покрытия проезжей части дороги, траектория, по которой совершается маневр, и т.д.

Конфликтная загрузка пересечения определяется взаимодействием транспортных потоков и будет различной до и после внедрения светофорного регулирования. Поэтому необходимо провести анализ конфликтных точек.

Для этого в произвольном масштабе вычерчивается схема перекрестка, на которую наносятся разрешенные траектории движения транспортных средств до внедрения светофорного регулирования. Количество точек и интенсивности определяются по картограмме интенсивностей и схеме конфликтности перекрестка (рис.5).

Рисунок 5. Схема конфликтности нерегулируемого перекрестка: 1 - ответвления, 2 - слияния, 3 - пересечения

При внедрении светофорного регулирования число конфликтных точек сокращается и довольно часто снижается степень опасности оставшихся, что является эффективным средством обеспечения безопасности движения (рис.6). Поэтому по схемам пофазного разъезда проводится анализ конфликтных точек и определяется конфликтная загрузка для каждой фазы.

Затем определяется суммарная конфликтность за цикл регулирования.

Рисунок 6. Схема конфликтности перекрестка после внедрения двухфазного регулирования: 1 - ответвления, 2 - слияния, 3 - пересечения

Конфликтность определяется по методике с учетом интенсивностей транспортных потоков - определение индекса конфликтности по формуле

 (18)

гдеnо, nc, nп - количество точек ответвления, слияния и пересечения;0i, Nci, Nпi - меньшие интенсивности из каждой пары конфликтующих между собой транспортных потоков.

Тогда для организации движения без регулирования= 0,01 · [1 · (467+249+357+414+249+283+360+210) + 3 · (249+467+357+360+249+283) + 5 · (691+795+795+691+249+249+210+ +249+249+249+210+249+249+357+249+249+357+210+210+210+210)] = 445

для принятой организации регулирования движения1 = 0,01 · [1 · (467+249+283+249) + 3 · (249+249) + 5 · (249+249)] = 532 = 0,01 · [1 · (360+210+357+414) + 3 · (357+210) + 5 ·(210+357)] = 59

Σmi = 53+59 = 112.

Показателем изменения уровня безопасности можно считать изменение конфликтности.

При введении двухфазного светофорного регулирования степень конфликтности перекрестка уменьшилось в четыре раза, что свидетельствует о целесообразности его введения.

2.3.2 Определение задержек транспорта

Определение задержек на регулируемых перекрестках. Под задержками ТС будем понимать время простоя под запрещающим сигналом светофора или вследствие пропуска приоритетных ТС.

На нерегулируемых перекрестках движение по главной дороге осуществляется практически без задержек (кроме левых поворотов). Задержки на регулируемом перекрестке зависят от режима светофорной сигнализации и возникают как на главной, так и на второстепенной дорогах. /5/.

Статистическую оценку задержки транспортных средств определяют для каждого алгоритма управления (для которых были рассчитаны фазовые коэффициенты) с учетом разрешенных для движения направлений по формуле

 (19)

где Т - длительность цикла регулирования, с.

В формуле (17) λi = ti / T - эффективная доля разрешающего сигнала в цикле регулирования,

ti - продолжительность разрешающего сигнала, с;

xi = Ni · T / ti · MHi - степень насыщения фазы регулирования, Hi - поток насыщения для данной проезжей части в этой фазе, - суммарная интенсивность транспортных потоков, которым разрешено движение на разрешающий сигнал по проезжей части, открытой для движения, ед/ч.

Степень насыщения фазы можно определить по-другому как

 (20)

Необходимо учитывать, что возможны варианты, когда движение по отдельным направлениям разрешается более чем в одной фазе и продолжительность разрешающего сигнала образуется несколькими тактами.

Расчеты проведены с применением программирования в Microsoft Excel и представлены в виде таблицы 4.

Таблица 4. Расчет задержек

Алгоритм управления

Фаза

Направление

Поток насыщения

Фазовый коэффициент

Суммарная интенсивность

Длительность разрешающ. сигнала

Эффективная доля разрешающ. сигнала

Степень насыщения фазы регулирования

Задержка

Двухфазное регулирование

1

1

13+12+14

4802,14

0,293

1407

18

0,340

0,863

21,0

2

1

31+34+32

6103,91

0,217

1327

18

0,340

0,639

14,7

3

2

21+24+23

9204,24

0,213

1969

14

0,264

0,806

19,2

4

2

42+41+43

5610,43

0,273

1530

14

0,284

0,961

42,1

Средневзвешенная задержка =

24,2



 

Трехфазное регулирование

5

1

32+31+34

4425,28

0,299

1327

59

0,321

0,932

70,2

6

1

23

1051,03

0,235

414

59

0,321

0,733

57,8

7

2

12+13+14

4802,14

0,293

1407

58

0,315

0,930

69,0

8

2

34+31

6103,91

0,217

1078

58

0,315

0,688

51,9

9

3

21+24+23

9204,24

0,213

1969

54

0,293

0,726

54,1

10

3

41+42+43

5610,43

0,273

1530

54

0,293

0,930

70,0

Средневзвешенная задержка =

62,2





Исходные данные


Определение средней задержки транспортного средства. Средняя задержка одного транспортного средства на перекрестке при заданном варианте схемы пофазного разъезда определяется как средневзвешенная по формуле

 (19)

гдеm - число выделенных групп транспортных потоков.

Ni - суммарная интенсивность в группе транспортных потоков.

Сравнивая эти показатели до и после введения светофорной сигнализации и по вариантам, делают выводы об эффективности проведения данного мероприятия.

С двухфазным регулированием

 = 24,2 c

С трехфазным регулированием

 = 62,6 c

Таким образом, принятое решение о внедрении двухфазного регулирования является целесообразным.

2.4 Разработка применения технических средств регулирования

На этом этапе назначаются необходимые технические средства регулирования и разрабатывается дислокация светофоров, дорожных знаков, дорожной разметки, островков безопасности и направляющих ограждений.

На графическом листе формата А4 выполняется схема пересечения в масштабе со всеми применяемыми техническими средствами регулирования дорожного движения. Знаки, разметка и светофоры обозначаются условными символами с указанием нумерации согласно правилам дорожного движения или соответствующим ГОСТам /2,3,10/. (Приложение В)

Необходимо обозначить приоритеты в движении на случай отключения светофорного регулирования, специализировать по направлениям полосы движения при необходимости, предписать или запретить движение по направлениям, обозначить пешеходные переходы и т.д. Для пешеходов необходимо предусмотреть пешеходные светофоры и ограждения в местах запрещения их движения.

На отдельном листе формата А4 вычерчивается диаграмма подключения светофорного объекта к контроллеру. (Приложение Г). В отдельные ленточки объединяются основные, дублирующие светофоры, дополнительные секции и пешеходные светофоры, работающие по одинаковому алгоритму. Необходимо учитывать разницу в работе транспортного светофора, дополнительной секции и пешеходного светофора.

Транспортные светофоры Т.1, Т.1.г /2/ должны применяться в случае одновременного пропуска транспортных средств во всех разрешенных направлениях на подходе к перекрестку (регулируемому пешеходному переходу на перегоне). Транспортные светофоры Т.1.п, Т.1.л, Т.1.пл /2/ должны применяться для раздельного пропуска транспортных потоков в определенных направлениях пешеходного подхода к перекрестку,

Расстояние от края проезжей части до светофора, установленного сбоку от проезжей части, должно составлять от 0,50 до 2,00 м. При обеспечении видимости сигналов пешеходного светофора допускается его удаление от края проезжей части до 5,00 м. Расстояние в горизонтальной плоскости от транспортных светофоров до стоп-линий на подходе к регулируемому участку должно быть не менее 10 м при установке их над проезжей частью и не менее 3 м при установке сбоку от проезжей части.

Заключение

В соответствии с заданием на курсовую работу рассмотрен комплекс вопросов, включающих в себя ряд мероприятий по проектированию организации дорожного движения на изолированном перекрестке.

В результате проделанной работы достигнуты следующие результаты:

-    рассмотрены варианты организации пофазного разъезда при заданной структуре потоков транспорта и пешеходов;

-       рассчитаны потоки насыщения для выделенных в фазах проезжих частей;

-       рассчитаны фазовые коэффициенты;

-       определены длительности переходных тактов;

-       рассчитан оптимальный цикл;

-       определены длительности основных тактов;

-       проверена возможность перехода пешеходами проезжих частей за основной такт;

-       определена конфликтность и рассчитаны транспортные задержки;

-       разработана схема применения технических средств регулирования.

Список литературы

1.       Бабков В.Ф. Дорожные условия и безопасность движения Учебник для ВУЗов. - М.: Транспорт, 1993. - 271 с.

2.       ГОСТ Р 52282 - 2004 Технические средства организации дорожного движения. Светофоры дорожные. Типы и основные параметры. Общие технические требования. Методы испытаний. - М. ИПК Издательство стандартов 2005. - 20 с.

.        ГОСТ Р 52289 - 2004 Правила применения дорожных знаков, разметки, светофоров, дорожных ограждений и направляющих устройств. - М.: ИПК Издательство стандартов 2004. - 48 с.

.        Капитанов В.Т., Шауро С.В. Методика расчета светофорных циклов - М.: ВНИИ безопасности движения МВД СССР, 1979. - 51 с.

.        Клинковштейн Г.И. Организация дорожного движения. - М.: Транспорт, 2001. - 247 с.

.        Коноплянко В.И. Организация и безопасность дорожного движения. - М.: Транспорт, 1991. - 240 с.

.        Кременец Ю.А. Технические средства организации дорожного движения. - М.: Транспорт, 2005. -277 с.

.        Куперман А.И. Безопасность дорожного движения. - М.: Высш. шк. 1997. - 197 с.

.        Ломакин В.В. и др. Безопасность автотранспортных средств. Учебник для ВУЗов. - М.: МГТУ "МАМИ", 2011. - 299 с.

.        ОДМ 218.6.003-2011 Методические рекомендации по проектированию светофорных объектов на автомобильных дорогах - М.: Федеральное дорожное агентство Росавтодор, 2013 - 70 с.

.        ОДМ 218.2.020-2012 Методические рекомендации по оценке пропускной способности автомобильных дорог - М.: Федеральное дорожное агентство Росавтодор, 2012 - 148 с.

.        Организация и безопасность дорожного движения: Методические указания к выполнению курсовой работы для студентов специальности 190701.65 "Организация перевозок и управление на транспорте" всех форм обучения / Сост. В. А. Лазарев. - Хабаровск: Изд-во Тихоокеан. гос. ун-та, 2007. - 20 с.

.        Пугачёв И. Н. Организация и безопасность дорожного движения: учебное пособие для студ. высш. учеб. заведений / И. Н. Пугачёв, А. Э. Горев, Е. М. Олещенко. - М.: Академия, 2009. - 272 стр.

.        Правила дорожного движения РФ 2015 год - М.: Мир Автокниг, 2015 - 33 с.

15.     Филимонов С.В., Талышев С.Г., Илясов Ю.В. Основы управления транспортными средствами и безопасность движения: Учебное пособие. - Пенза: Изд-во Пензенского гос. ун-та, 2007. - 98 с.

Приложение А

Картограмм интенсивности движения транспортных и пешеходных потоков

Приложение Б

Схема двухфазного регулирования движения транспортных и пешеходных потоков

Приложение В

Схема перекрестка с техническими средствами регулирования дорожного движения

Приложение Г

Диаграмма подключения светофорного объекта к контроллеру

Рисунок Г.1. Цветное изображение

Похожие работы на - Проектирование и организация движения на изолированном регулируемом перекрестке

 

Не нашли материал для своей работы?
Поможем написать уникальную работу
Без плагиата!
Без нейросетей!