Проектирование подсистемы контроля влажности

  • Вид работы:
    Дипломная (ВКР)
  • Предмет:
    Информатика, ВТ, телекоммуникации
  • Язык:
    Русский
    ,
    Формат файла:
    MS Word
    1,47 Мб
  • Опубликовано:
    2017-10-13
Вы можете узнать стоимость помощи в написании студенческой работы.
Помощь в написании работы, которую точно примут!

Проектирование подсистемы контроля влажности

Содержание

Список используемых сокращений

Введение

. Разработка развернутого технического задания

. Теоретический обзор существующих методов измерения влажности

.1 Психрометрический метод

.2 Метод точки росы

.3 Сорбционный метод

.4 Другие методы

. Сравнительный обзор существующих подсистем контроля влажности, выбор датчика влажности

. Описание подсистемы контроля влажности

.1 Описание датчика влажности QFM3160

.2 Описание контроллера SYNCO 700

. Конструкторская часть

.1 Разработка структурной схемы

.2 Разработка функциональной схемы

.3 Разработка принципиальной схемы

.4 Анализ и выбор элементной базы

.5 Разработка конструкции системы

Заключение

Список использованных источников

Список используемых сокращений

АЦП - аналого-цифровой преобразователь

К - контроллер

Введение

Влажность воздуха является одним из основных технологических параметров в установках кондиционирования воздуха, вентиляционных, сушильных и холодильных. В жилых и производственных помещениях и в общественных зданиях влажность воздуха - один из факторов, определяющих самочувствие человека и условия комфорта для него. Особенно чувствительными к влажности являются метеозависимые люди, а также люди, страдающие гипертонической болезнью, бронхиальной астмой, заболеваниями сердечно-сосудистой системы. При высокой сухости воздуха даже здоровые люди ощущают дискомфорт, сонливость, зуд и раздражение кожных покровов. Часто сухой воздух может спровоцировать заболевания дыхательной системы, начиная с ОРЗ и ОРВИ, и заканчивая даже пневмонией.

Регулирование влажности воздуха (наряду с другими его параметрами) необходимо во всех установках для создания искусственного климата, начиная с лабораторных камер-гигростатов вплоть до современных фитотронов, а также в книгохранилищах, музеях - для создания оптимальных условий хранения книг и экспонатов.

Прибор, которым измеряют уровень влажности, называется гигрометром или просто датчиком влажности.

Области, где актуальны задачи контроля и регулирования влажности воздуха:

-       в складских и производственных помещениях, связанных с гигроскопическим сырьем, полуфабрикатами и готовыми изделиями;

-       в жилых и общественных помещениях;

-       в лечебных учреждениях и в фармакологии и фармацевтике;

-       в электронной промышленности, в некоторых машино- и приборостроительных отраслях;

-       в химической промышленности;

-       в микробиологической промышленности;

-       в строительной промышленности;

-       в сельском хозяйстве при выращивании растений в закрытом грунте;

-       в животноводстве и птицеводстве;

-       в зернохранилищах и помещениях для хранения и дозревания овощей и фруктов;

-       в метеорологии;

-       в музеях и архивных хранилищах;

-       в горнодобывающей промышленности;

-       в нефтеперерабатывающей промышленности т.д.

Сегодня промышленность выпускает различные виды измерителей влажности: оптические, емкостные, термисторные, электронные, вибрационные и резистивные датчики влажности.

Задача бакалаврской работы заключается в рассмотрении существующих систем контроля/регулирования влажности, определение параметров компонентов таких систем и построение подсистемы контроля влажности автономного помещения на примере фармацевтического склада.

1.      
Разработка развернутого технического задания


При выполнении данного раздела выпускной работы было разработано развернутое техническое задание на проектирование подсистемы контроля влажности.

. Наименование и область применения

.1 Подсистема контроля влажности автономного помещения

.2 Подсистема предназначена для измерения уровня влажности в фармацевтическом складе

. Основание для разработки - учебный план

. Технические требования

Виды измеряемых величин

.1.1 Температура °С

.1.2 Влажность %

Пределы измеряемых величин

.2.1 Температура от -30 до +45 °С

.2.2 Влажность от 0 до 100 %

Интерфейс подключения - KNX

Эксплуатационные условия

Температура от -10 до 30 °С

Влажность от 0 до 75 %

Метрологические требования

Подсистема должна иметь допустимые пределы относительной

погрешности:

Температура ± 0,5 °С

Влажность ± 2 %

. Требования к документации

.1 Пояснительная записка

.2 Структурная схема

.3 Блок-схема алгоритма функционирования системы

Техническое задание в развернутом виде разработано для качественного определения выполняемой задачи, включает в себя:

-       наименование темы;

-       целевая задача;

-       исходные данные;

-       перечень материалов и выпускаемых документов.

Техническое задание настоящей ВКР:

Основанием для разработки является задание на выпускную квалификационную работу.

Общие сведения о разработке.

Область применения: контроль уровня влажности воздуха и температуры в автономных помещениях.

Назначение.

Назначение подсистемы заключается в измерении значений влажности и температуры в автономном помещении.

Группа изделия − Н7- портативная радиоэлектронная система, работающая в неотапливаемых сооружениях, устанавливается согласно ГОСТ 16019-2001.

Состав прибора:

-       датчик влажности и температуры;

-       контроллер;

-       устройство визуального отображения информации (индикатор или индикационная панель);

-       пользовательский интерфейс.

Требования к конструкции.

Конструктивное исполнение - моноблок.

Технические характеристики применяемой элементной базы должны удовлетворять показателям назначения и эксплуатационным условиям прибора.

Подсистема должна иметь:

-       возможность подключения к источнику постоянного тока 24 В;

-       цифровые светодиодные индикаторы;

-       органы управления устройством;

По массо-габаритным характеристикам прибор должен удовлетворять требованиям, предъявляемым к портативной электронной аппаратуре.

Габаритные размеры и масса должны обеспечивать удобную переноску изделия.

Габаритные, установочные и присоединительные размеры обеспечивают устойчивость на месте эксплуатации.

Конструкция прибора не должна обеспечивать легкий доступ к узлам и деталям.

Вид и цвет покрытий, а также фактура наружных поверхностей зарядного устройства должны гармонировать с иными используемыми на рабочих местах приборами.

Покрытия должны обеспечивать работу в заданных условиях эксплуатации.

Должна обеспечиваться возможность установки прибора на любых рабочих поверхностях.

В части касающейся требований к электрической прочности и к электрическому сопротивлению изоляции изделие должно соответствовать требованиям ГОСТ 14254-96.

Показатели назначения.

Питание - 24 В.

Форма входного напряжения - постоянное напряжение.

Требования к надежности изделия: наработка на отказ - 150000 ч.

Прибор должен соответствовать требованиям ГОСТ 22782.0 в части касающейся пожарной безопасности и электробезопасности при эксплуатации и обслуживании.

Техника безопасности при эксплуатации прибора определяется требованиями ГОСТ 12.2.006.

Условия эксплуатации.

Климатические условия эксплуатации:

-      температура окружающего воздуха - от 233 до 343 К (-40 °С до 70 °С);

-       относительная влажность воздуха - до 100 % при температуре
313 К (40 °С).

В части механических воздействий устройство АЦС должно удовлетворять изделиям 7-й группы согласно требованиям ГОСТ 16019.

Изделие должно транспортироваться в заводской упаковке. Допускается транспортировка всеми видами транспорта.

Требования к маркировке и упаковке.

Требования к маркировке.

Передняя панель изделия должна содержать: наименование, условные обозначения и иные маркировки, требуемые для комфортной эксплуатации прибора.

Задняя панель изделия должна содержать номер по порядку выпуска и дату изготовления данного прибора.

Требования к упаковке.

Для каждого изделия предусматривается индивидуальная тара, упаковка, которая обеспечивает требуемую защиту от повреждений при транспортировке всеми видами транспорта.

Требования к разработке.

График выполнения работ и перечень разрабатываемой документации приведены в задании на выпускную квалификационную работу.

Требования, касающиеся технического обслуживанию и ремонта изделия.

К техническому обслуживанию и ремонту специальные требования не предъявлены.

2.      
Теоретический обзор существующих методов измерения влажности

В данном разделе выпускной работы проводится обзор методов измерения влажности воздуха, основанных на преобразовании измеряемой величины влажности в другую физическую величину с использованием современных средств измерительной техники.

Все методы измерения влажности газов можно разделить на прямые и косвенные. Прямые основаны на непосредственном разделении влаги и сухого воздуха с последующим определением количества влаги. В эту категорию входят методы полного поглощения (гравиметрический и химические), конденсационно-сгустительный, с вымораживанием влаги и т. п. [1]

В косвенных измеряется та или иная физическая величина, функционально связанная с влагосодержанием воздуха. Классификация физических методов, рассматриваемых приведена в виде схемы на рисунке 1. [1]

Рис. 1.1 Схема классификации физических методов измерения влажности воздуха

влажность контроль датчик

К температурным методам, в которых влажность воздуха преобразуется в температуру, отнесены методы: психрометрический, точки росы и основанный на применении электролитических подогревных датчиков. Большую группу методов, основанных на явлениях сорбции водяного пара твердыми и жидкими телами, можно разделить по характеру величины, в которую преобразуется влажность, на две подгруппы. В первую подгруппу методов, где выходная величина первичного преобразователя является неэлектрической, входят деформационный, цветовой и сорбционно-термический, причем последний метод измерения можно отнести и к температурным. Методы, основанные на использовании электрических гигрометрических датчиков (адсорбционных и абсорбционных, электролитических, кулонометрических), образуют вторую подгруппу сорбционных методов, особенностью которой является электрическая естественная выходная величина первичного преобразователя.[1]

Следующая группа основана на измерении различных физических свойств воздуха - неэлектрических (теплопроводности, акустических характеристик и т.п.) или электрических. Условно выделены в самостоятельную группу («спектроскопическую») те методы, в которых используются количественные оценки физических свойств влажного газа в различных участках спектра электромагнитных колебаний - инфракрасном, ультрафиолетовом или сверхвысоких радиочастот, сюда также включены и радиометрические методы. [1]

Некоторыми особенностями отличаются измерения очень малых и микроконцентраций влаги в воздухе - в диапазоне от  до  г/м3, представляющие собой количественное определение следов влаги. Указанную задачу решают с помощью лабораторных аналитических методов, например, титрованием реактивом Фишера. Применялись также современные аналитические методы; примером может служить сочетание хроматографического метода с гидридкальциевым. [2]

Для контроля и управления производственными процессами в рассматриваемом диапазоне влагосодержаний были разработаны и нашли применение гигрометры следующих типов: точки росы, с электрическими сорбционными датчиками (в частности, алюмиииевооксидными и пьезокварцевыми), сорбционно-термические и кулонометрические. При этом возникают определенные затруднения; общий характер имеют, например, погрешности, обусловленные диффузионным проникновением атмосферной влаги в исследуемый воздух через стенки воздухоподводящих коммуникаций, уплотнения и другие детали аппаратуры. [2]

Стоит отметить, что в настоящее время нет универсального метода измерения влажности воздуха, удовлетворяющего всем разнообразным требованиям, предъявляемым к этим измерениям. Известны и нашли применение многочисленные (несколько десятков) методы, основанные на различных принципах. Наибольшее практическое значение имеют следующие из них.

2.1     Психрометрический метод


Психрометрический метод измерения влажности основан на измерении температур двумя термометрами - «сухим» (обыкновенным) и «мокрым», имеющим чувствительный элемент, смоченный водой, и находящимся в термодинамическом равновесии с окружающей воздушной средой. Интенсивность испарения с поверхности чувствительного элемента мокрого термометра зависит от количественного значение влажности воздуха - чем ниже влажность, тем интенсивнее происходит испарение. Таким образом, разность показаний сухого и мокрого термометров зависит от значения влажности воздуха. [3]

Существует два вида психрометра - психрометр Августа и психрометр Ассмана. Психрометр Августа основан на измерении психрометрической разности температур между «сухим» и «мокрым» термометрами. Мокрый термометр смачивается через специальный фитиль водой. Испарение, а, следовательно, и охлаждение с поверхности мокрого термометра тем больше, чем ниже влажность газа. Поэтому разность температур сухого и мокрого термометров зависит от влажности газа. По температуре t воздуха и психрометрической разности (t - tм) можно определить относительную влажность φ и остальные параметры воздуха. Для более простого определения φ составляют психрометрическую таблицу, которая прилагается к психрометру.[3]

Недостатком психрометра Августа является его сравнительно малая точность из-за существенного влияния радиационных притоков (от окружающей среды и предметов) к незащищенному прибору при недостаточной скорости воздуха около баллончика (движение создается только свободной конвекцией). Поэтому показания мокрого термометра t`м будут несколько завышены в сравнении с истинной температурой tм. При нулевой скорости воздуха ошибка в определении (t - tм) достигает 14 %, а при скорости воздуха 0,8 м/с она уменьшается до 2 %. [3]

Для повышения точности показаний мокрого термометра прибегают к искусственному увеличению скорости воздуха около баллончиков психрометра и защите его от внешних теплопритоков (тепловых излучений). При скоростях воздуха около баллончиков 1,5…2 м/с ошибка в определении (t - tм) составляет менее 1 %. [3]

Удобным и достаточно точным прибором для определения влажности воздуха служит аспирационный психрометр Ассмана. Оба термометра заключены в металлические трубки, через которые специальным вентилятором с пружинным (заводным) или электрическим двигателем, смонтированным в верхней части прибора, пропускается исследуемый воздух со скоростью 2,5…3,0 м/с. Поверхность трубок для защиты термометров от теплового облучения полирована и никелирована. В остальном аспирационный психрометр устроен так же, как и психрометр Августа. [3]

При положительной температуре воздуха психрометры работают с погрешностью ±1…2 %, при отрицательной температуре точность их показаний резко снижается из-за образования у баллончика мокрого термометра корочки льда, выделения теплоты затвердевания и т.п.; при температуре менее 0 °С данным видом психрометров практически не пользуются. [3]

2.2     Метод точки росы


Принцип измерения влажности с помощью метода росы заключается измерении температуры tрос воздуха, охлаждаемого, например, металлической неокисляемой зеркальной поверхностью (в момент начала выпадения капельной влаги на зеркале фиксируется его температура).

Зная tрос и температуру tA воздуха, можно в диаграмме, изображенной на рис. 3, поднимаясь из точки B на кривой насыщения по линии d = const до изотермы tA, найти точку А их пересечения, а значит, влажность φA и другие параметры состояния воздуха.

Данный метод измерения влажности также реализуется с применением электролитических подогревных датчиков. Температуру точки росы определяют, подогревая до достижения равновесного состояния насыщенный солевой раствор, покрывающий чувствительный элемент температурного преобразователя.

2.3     Сорбционный метод


Сорбционный метод измерения влажности основан на применении гигроскопических тел, свойства которых изменяются в функции количества поглощенной влаги. В зависимости от использованного для измерения параметра влагочувствительного материала можно различить сорбционные гигрометры следующих типов:

-       деформационные;

-       электрические;

-       весовые;

-       цветовые и др.

Наибольшее практическое значение имеют первые две группы.

В сорбционных гигрометрах деформационного типа используется свойство некоторых гигроскопических твердых материалов изменять свои линейные размеры в функции влажности окружающего воздуха. К наиболее старым и распространенным до настоящего времени приборам этого типа относятся волосные гигрометры, в них чувствительным элементом служит пучок обезжиренных человеческих волос. Кроме того, вместо волосных гигрометров нашли некоторое применение приборы с использованием животной пленки, обладающей сравнительно небольшим коэффициентом инерции. Этим преимуществом обладают также гигрометры с вальцованным (сплющенным при помощи вальцов) человеческим волосом. В некоторых гигрометрах применяются чувствительные элементы из капроновой нити, целлофана и других материалов.

Приборы этого типа отличаются простотой конструкции. Однако их инерционность возрастает с понижением температуры и относительной влажности; постоянная времени при десорбции чувствительного элемента больше, чем при увлажнении. Стабильность показаний этих гигрометров невысока, и им присуще явление гистерезиса. Недостатком волосного гигрометра является также незначительность усилий, которыми можно нагружать его чувствительный элемент. Это затрудняет оснащение гигрометров данного типа электрическими преобразователями (омическими, индуктивными и т. п.) для дистанционных измерений и автоматического контроля. В связи с этим гигрометры деформационного типа имеют сейчас ограниченную область применения: метеорологические измерения, контроль влажности воздуха в помещениях, грубые регуляторы влажности воздуха в помещениях. Но и в этих областях они вытесняются другими, более совершенными приборами.

Электрические гигрометрические датчики используют зависимость электрических свойств чувствительного элемента от влажности окружающей среды. Необходимо отметить кулонометрические датчики, в которых происходит непрерывный электролиз поглощенной влаги.

Сорбционно-термический метод предполагает измерение количества тепла, выделяемого при сорбции влаги сухим гигроскопическим материалом или (значительно реже) серной кислотой.

2.4     Другие методы


Заслуживают внимания также и менее распространенные методы измерения влажности.

Метод полного поглощения основан на пропускании определенного объема воздуха через вещество, способное поглощать водяной пар, и оценке изменения параметров этого вещества в результате полного поглощения влаги. Известны две разновидности метода: гравиметрическая и химическая. В первой влагосодержание воздуха определяют по приросту в весе поглотителя. Химические методы основаны на химической реакции поглотителя с влагой исследуемого воздуха. К наиболее известным относятся методы: газометрический и титрования реактивом Фишера. В ацетиленовом методе используется реакция водяного пара с карбидом кальция с выделением ацетилена, а в гидридном - с гидридом кальция с выделением водорода, однако, эти методы мало распространены. При применении метода Фишера анализируемый газ поступает в реакционный сосуд, где барботируется через реактив до окончания титрования, фиксируемого электрометрическим или иным способом. Влагосодержание газа определяют по объему прошедшего газа и количеству реактива в сосуде.

Методы полного поглощения можно рассматривать как абсолютные, и их точность в принципе высока, однако, практически она ограничена погрешностями измерительных операций (взвешивание поглотителя, измерение количества газа) и наличием примесей в газе и используемых реактивах. Процесс измерения длителен и трудоемок, в связи с чем эти методы используются только в качестве лабораторных. Гравиметрический метод поглощения применяют в качестве наиболее точного образцового при градуировке и испытаниях гигрометров. Такие же функции возлагаются на метод Фишера в области весьма малых влагосодержаний.

Конденсационно-сгустительный метод, в котором исследуемый газ охлаждается в холодильнике до полной конденсации, содержащейся в нем влаги. Количество последней определяют измерением количества газа и объема воды, выделившейся в холодильнике.

Конденсационный метод, как и метод полного поглощения, является абсолютным, одним из его преимуществ является возможность определения влажности газов при высоких температурах.

Диффузионный метод основан на явлении диффузии газов через пористую, перегородку. В диффузионных гигрометрах измеряется разность давлений контролируемой внешней среды и газа в камере, отделенной от этой среды пористой мембраной. В камере с помощью увлажнителя или осушителя поддерживается определенная величина упругости водяных паров.

Отдельную группу образуют методы, основанные на непосредственном измерении физических свойств газа, изменяющихся в функции влажности. Достоинствами этих методов являются пригодность для автоматизации измерений и безынерционность функции преобразования.

К ним относятся диэлькометрический метод и его разновидность - измерение диэлектрических свойств газа на сверхвысоких частотах (СВЧ рефрактометрия), поглощения инфракрасных, ультрафиолетовых и радиоизотопных излучений; последние методы можно рассматривать как спектрометрические, отличающиеся между собой используемым участком спектра электромагнитных колебаний. К этой же группе методов можно отнести и измерения, использующие теплофизические свойства влажного воздуха, например, теплопроводность.

3.       Сравнительный обзор существующих подсистем контроля влажности, выбор датчика влажности


Методы измерения влажности нашли широкую практическую реализацию в производстве гигрометров. Текущее предложение насчитывает сотни тысяч приборов и потребность в них растет.

Диапазон измерений большинства гигрометров лежит в промежутке от 5 до 98 % по влажности и от 5 до 60 °С по температуре. Значение основной абсолютной погрешности большинства приборов составляет 2,5 % по относительной влажности, что предопределяет основные метрологические требования к техническим средствам их метрологического обеспечения. Технические параметры распространенных приборов контроля относительной влажности и температуры приведены в таблице 1.

Таблица 1 - Многоканальные приборы контроля относительной влажности и температуры воздуха.

Модель прибора

Измерения температуры воздуха. Диапазоны, погрешности, °С

Измерения относительной влажности воздуха. Диапазоны, погрешности RH, %

Метеометр «МЭС-200»

-40...+85 ±(0,2...0,5)

10...98 ±3

Измеритель параметров ИВТМ-7К

-20...+60 ±(0,2...0,5)

0...99 ±2

Гигрометр «HygroPalm»

- 40...+85 ±0,2

0...100 ±1

Модельный ряд гигрометров «Almemo FHA ххх; FNAxxx»

-20 ÷ +80 ±(0,1÷0,6)

5 ÷ 98 +2

Гигротермометр «Hygromaster»

-10...+50 ±0,3

20...100 ±(1,75...3)

Гигрометр «MC-PDP- WDP»

0÷+50 ±0,3

0÷100 ±2

Гигротермометр F430204

-20 ÷+50 ±1

0 ÷ 99.8 ±3

Измеритель параметров «Testo - 645»

-20 ÷ +70 ±(0,3 ÷ 0,5)

2÷98 ±2

НМР 231

-20 ÷ +60 ±0,1

5÷-98; ±1

Термогигрометр TRG-CA

0 ÷ +80 ±0,3

10 ÷ 90 ±2


Измерение влажности более трудно, чем измерение большинства других свойств типа потока, температуры, уровня и давления. Одна из причин этого - чрезвычайно широкий динамический диапазон, который может начинаться с одной миллиардной или меньше (-112°С - точка замерзания), представляя частичное давление пара приблизительно 0,8·10-6 мм ртутного столба до пара при 100°С (212°F), представляя частичное давление пара 760 мм ртутного столба. Это составляет динамический диапазон приблизительно 109. Другая причина - то, что измерения, вероятно, придется сделать в широко изменяющихся атмосферах, например, от температур -80°С (-112°F) до 1000°С (1832°F), и часто в присутствии широкого диапазона газов, которые могли быть коррозирующие или некоррозирующие, и в присутствии разнообразия макрочастицы Загрязняющих примесей.

Отечественные гигрометры также можно некоторым образом классифицировать по методу контроля и измерения относительной влажности газов. Технические и метрологические характеристики приборов приведены в таблице 2.

Таким образом, при разработке новых средств и приборов измерения относительной влажности, необходимо учитывать метрологические характеристики существующих гигрометров, а именно, диапазоны измерения относительной влажности - 5…98 %, температуры - +10…+60 °С и погрешность измерения - 2,5 %.

Таблица 2 - Технические и метрологические характеристики гигрометров относительной влажности

Наименование гигрометра

Диапазон измерений

Погрешность, абсолютная %

Анализируемая среда


влажность, %

температура, °С



Испарителъно-термометрические (психрометры)

ППК-1-АФИ

40÷100%

0÷70

5%

Воздух

ППТК-70

35÷100%

10÷50

2%

Воздух

АГТВ 100

10÷100%

40÷120

4%

Воздух

ВИТ-1 иВИТ-2

20÷90%

5÷40

7%

Воздух производственных помещений

Психрометр Ассмана МВ-4М, М-34

30÷100%

-30÷+50

2-70% (относит.)

Воздух

АТГ-210

10÷100%

30÷110

3%

Воздух

Конденсационно-термометрические (точки росы)

ППСР

40÷100%

10÷50

2%

Воздух

Сорбционно-частотные (пьезосорбционные)

Волна-1М

10÷100%

5÷50

1,5%

Воздух производственных помещений

Волна-5

0÷100%

0÷60

2,5%

Воздух

ИВТМ-7МК

1÷99%

-20÷+60

2%

Воздух

ДОВП-1

0÷100%

5÷50

2%

Воздух

Система Дельта-1

0÷100%

0÷60

2%

Воздух

Сорбционно-термометрические (сорбционно-резистивные)

ГИГРИСТОР

5÷100%

5÷80

4%

Воздух

ДВТ-1

40÷90%

5÷50

3,5%

Воздух

ДВТ-3

40÷80%

15÷50

1%

Воздух

ДВ-1К

30÷98%

5÷50

1,5%

Воздух

ДВ-02

40÷100%

-10÷+45

8÷12%

Воздух

АГП-210

10÷100%

40÷80

4%

Воздух

1111-125

15÷80%

40÷80

3%

Воздух

ГС-210

15÷100%

5÷40

±1,6

Воздух

Сорбционно-кондуктометрические

ДКВ-1

35÷95%

5÷70

2%

Воздух

ВВ-4

20÷80%

5÷35

3,5

Воздух

ТГ-1

50÷100%

-25÷+50

4%

Воздух

УДРСШ-01Т

35÷80%

15÷35

5%

Воздух

СПР-104Т

20÷50%

15÷35

5%

Воздух

Сорбционно-деформационные

ГИП-2 (переносной)

15÷100%

5÷45

4%

Атмосферный воздух

Гигрограф М-19, М-21

30÷100%

-20 ÷ +45

15%

Атмосферный воздух

15÷100%

-80 ÷ +50

5%

Атмосферный воздух

Радизонд МАРЗ

15÷98%

-80 ÷ +50

15%

Атмосферный воздух


Согласно техническому заданию были выбраны датчик влажности QFM3160 и контроллер SYNCO 700, удовлетворяющие условиям для обеспечения заданных параметров и точности измерения температуры и влажности.

4.       Описание подсистемы контроля влажности


Данный раздел выпускной работы посвящен описанию принципов работы и функционирования разрабатываемой подсистемы контроля влажности. В пунктах раздела проводится описание двух основных функциональных узлов (блоков) подсистемы - датчика влажности и контроллера.

4.1     Описание датчика влажности QFM3160


QFM3160 - датчик влажности с точкой росы. Датчик применяется для измерения относительной влажности и температуры воздуха. Внешний вид датчика приведен на рисунке 4.

Рисунок 4 - Датчик влажности QFM3160

Технические характеристики датчика приведены в таблице 3.

Таблица 3 - Технические характеристики датчика влажности QFM3160

Наименование параметра

Значение

Рабочее напряжение

AC 24 В ± 20 % или DC 13,5...35 В

Частота

50/60 Гц для AC 24 В

Потребляемая мощность

≤ 1 ВА

Диапазон измерения влажности

от 0 до 100 %

Точность измерений

± 2 % отн. влажн.

Зависимость от температуры

≤ 0.05 % отн. влажн./°C

Постоянная времени

< 20 с

Диапазон измерений температуры

0...50 °C (R2 = заводская настройка) -35...+ 35 °C (R1) -40…+70 °C (R3)

Чувствительный элемент

Pt 1000 класс B по DIN EN 60 751

Точность измерения

AC 24 В в диапазоне +15...+35 °C ± 0.6 K -35...+70 °C ± 0.8 K

Постоянная времени

< 3,5 мин. при движении воздуха 2 м/с

Тип корпуса

IP 65 IEC 60 529

Электрическое соединение

винтовые клеммы 1×2,5 мм2 или 2×1,5 мм2

Условия работы

-40…+70 °C 0…100 % отн. влажности


Места возможного применения данного датчика:

-       склады и производственные помещения в бумажной, текстильной, фармацевтической, пищевой, химической отрасли и в электронике;

-       лаборатории;

-       больницы;

-       компьютерные центры и центры электронной обработки данных;

-       закрытые плавательные бассейны;

-       оранжереи.

Датчик QFM3160 также может применяться в качестве управляющего датчика в воздуховоде приточного или вытяжного воздуха, ограничительного датчика для ограничения максимальной влажности приточного воздуха после пароувлажнителя, ограничительного датчик, например, для индикации измеренных значений или для подключения к системам автоматизации и управления зданиями.

Принцип действия датчика заключается в определении показаний относительной влажности посредством емкостного чувствительного элемента, емкость которого изменяется как функция относительной влажности окружающего воздуха. Электронная схема преобразует сигнал датчика в непрерывный сигнал постоянного напряжения 0...10 В или 4…20 мА в соответствии с относительной влажностью 0...100 %.

Датчик считывает показания температуры посредством чувствительного элемента, электрическое сопротивление которого изменяется в зависимости от температуры окружающего воздуха. Данное изменение преобразуется в активный выходной сигнал постоянного напряжения 0...10 В ил и 4…20 мА в соответствии с температурным диапазоном от 0 до 50 °C, от -35 до +35 °C, или от -40 до +70 °C.

4.2     Описание контроллера SYNCO 700


Контроллер SYNCO 700 компании Siemens используется в установках вентиляции, кондиционирования и охлаждения.

Допускается использование до 4-х модулей расширения для увеличения функциональности. Управление при помощи меню через пульт оператора (накладной или отдельный). Коммуникация осуществляется через шину Konnex (KNX) для управления и обработки информации.

Позволяет управлять следующими переменными: температура, относительная/абсолютная влажность, давление/перепад давления, воздушный поток, энтальпия и качество воздуха в помещении. Для обработки данных доступны два счётчика.

Контроллер имеет 8 универсальных входов для пассивных или активных аналоговых входных сигналов величин влажности, температуры, давления и т.д., а также цифровых входных сигналов (потенциально независимые контакты). Схематическое представление контроллера приведено на рисунке 5.

Рисунок 5 - Контроллер SYNCO 700

- разъём для подключения к компьютеру (коннектор RJ45)

- заглушка разъёма пульта оператора

- диод «RUN», показывающий работу устройства:

диод горит - питание в порядке, ошибок нет;

диод не горит - нет питания или ошибка устройства/периферии

- кнопка «» с красным диодом показывает аварийное состояние:

диод мигает - авария не подтверждена;

диод горит - авария подтверждена;

диод не горит - аварий нет нажатие кнопки: подтверждение или сброс аварии

- отверстия для накладного пульта оператора RMZ790

- кнопка «Prog»: переключение между нормальным режимом и режимом адресации

- диод «Prog» отображает нормальный режим (диод не горит) или режим адресации (диод горит)

- зажим для монтажа на рейку

- отверстие для кабеля

- элементы для подключения модулей расширения

- выступы блока с микросхемами

5.       Конструкторская часть


Конструкторский раздел является практической частью разработки подсистемы контроля влажности. Конструкторский раздел настоящей выпускной работы содержит обоснование и разработку структурной, функциональной и электрической схем подсистемы. В данном разделе по порядку определены все электрические связи элементов и блоков, начиная от базовых - приведены в схеме структурной, заканчивая сложными функциональными зависимостями - схема электрическая принципиальная.

В результате выполнения данного раздела были получены следующие документы пояснительной записки:

-       схема структурная;

-       схема электрическая функциональная;

-       схема электрическая принципиальная;

-       перечень элементов схемы электрической.

Также при учете предполагаемых условий эксплуатации был осуществлен анализ доступной элементной базы, выбраны микросхемы, подходящие под требования к реализации разработанных схем и разработана конструкция подсистемы контроля влажности.

5.1     Разработка структурной схемы


Обоснованием разработки структурной схемы является необходимость определения основных функциональных элементов и блоков разрабатываемой подсистемы, что позволяет определить также основную взаимосвязь между ними. Элементы структурной схемы графически отображают разные по сложности функциональные узлы и блоки подсистемы.

Структурная схема подсистемы приведена на рисунке 6.

Рисунок 6 - Структурная схема подсистемы контроля влажности

5.2     Разработка функциональной схемы


Рисунок 7 - Функциональная схема подсистемы контроля влажности

Разработка схемы производилась с целью определения состава элементов разрабатываемой подсистемы и связей между ними. Разработка данной схемы дает более глубокое представление о подсистеме контроля влажности и о принципах ее работы. Функциональная схема является промежутком между структурной и принципиальной схемами.

Функциональная схема разрабатываемой подсистемы приведена на рисунке 7.

 

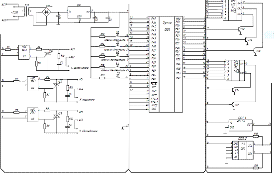
5.3     Разработка принципиальной схемы


Результатом выполнения данного пункта выпускной работы стало получение электрической принципиальной схемы отдельного блока разрабатываемого. Разработка принципиальной схемы проведена с целью определения полного элементного состава блока проектируемой системы и связей между элементами блока. Электрическая принципиальная схема манометра приведена на рисунке 8.

Рисунок 8 - Принципиальная схема подсистемы контроля влажности

5.4     Анализ и выбор элементной базы


Эксплуатационные требования подсистемы, предназначенной для функционирования в отапливаемых наземных и подземных сооружениях (согласно ГОСТ16019-2001) определили подбор элементной базы для реализации заданной подсистемы контроля влажности. Основные характеристики выбранной элементной базы приведены в таблице 4.

Таблица 4 - Основные характеристики элементной базы

Наименование элемента

Кол.,шт.

Конструктивные параметры

Допустимые условия эксплуатации




Диапазон температур, оС

Вибрации

Ударные перегрузки, g

Линейные ускорения, g



Масса, г

Установочная площадь, ´10-2 см2

λ, ´106 1/ч


Частота, Гц

Перегрузки, g



Транзисторы

КТ817Г

4

0,3

21,8

0,5

-45…+100

10…6000

10

2,5

7,5

Диоды

КД522Б

1

0,3

40

2,4

-60…80

2…2500

15

150

150

Конденсаторы

К10-17

3

2

80

2,4

-10…70

5…80

2,5

5

10

К50-35

3

3,4

169

2,4

-10…70

5…80

2,5

5

10

Резисторы

С2-33Н

12

0,25

40

0,4

-60…125

10…2000

15

20

25

С1-4

2

7,2

43,5

1,2

-30…90

10…600

15

20

25

Микросхемы

PIC16F84

1

2,83

270

2

-40…85

0…24000

10

20

25

КР142ЕН5А

1

8

270

2

-80…85

10…800

10

20

25

Кварцевый резонатор

HC - 49

1

3,4

61

2,4

-10…70

5…80

2,5

5

10

Звуковой излучатель

HРМ14АХ

1

2,4

76

2,4

-10…70

5…80

2,5

5

16


1.1     5.5     Разработка конструкции системы


Несущей конструкцией называют комплекс взаимосвязанных механических деталей и узлов, несущих на себе все схемные элементы, установочные детали и электрический монтаж. Основными узлами несущей конструкции в РЭА являются приборные корпуса - стойки, каркасы, панели блоков и узлов. К несущей конструкции также относятся подложки, платы, основания, кронштейны, рамы и т.д.

При разработке несущей конструкции основными исходными параметрами являются:

-       механическая прочность:

-       жесткость и долговечность;

-       надежность механических соединений;

-       многофункциональность деталей и узлов;

-       эффективность использования конструкционных материалов.

Удельный вес каждого из этих требований зависит от назначения узла или детали, области использования и условий эксплуатации.

Корпус электронной системы является последним конструктивным уровнем и одновременно служит оболочкой, обеспечивающей безопасность обслуживания, защиту от механических повреждений и воздействий внешней среды.

Корпуса делятся между собой:

)        по конструктивным признакам - каркасы, кожухи, стойки, шкафы и контейнеры;

)        по характеру использования - навесные (навешиваемые на стену), стационарные (устанавливаемые на пол), настольные (устанавливаемые на стол) и носимые;

)        по технологическому признаку - литые, каркасные и бескаркасные, изготавливаемые из тонколистного проката.

При конструировании деталей несущей конструкции основные особенности заключаются в наличии значительного числа деталей, разнообразных по функциональному назначению, массе, размерам и материалам.

Силовой расчет данных деталей становится довольно трудоемким и малоэффективным. Поэтому механические характеристики большей части деталей не рассчитываются заново, а заменяются аналогами или опытными характеристиками деталей предыдущих разработок.

Особое внимание требуется уделить технологии изготовления деталей несущих конструкций - среди них выделяются следующие технологии:

)        литье;

)        прессование;

)        штамповка;

)        выдавливание;

)        гибка;

)        сварка;

)        экструзия.

Чаще всего детали несущей конструкции представляют собой оболочковые формы - кожухи, пластины, экраны и корпуса.

Заключение

В данной выпускной работе производилась разработка подсистемы контроля влажности автономного помещения. В результате разработки были получены следующие документы:

-       схема электрическая структурная;

-       схема электрическая функциональная;

-       схема электрическая принципиальная;

-       перечень элементов принципиальной схемы.

Список использованных источников

)        http://mydocx.ru/3-43895.html

) http://msd.com.ua/izmereniya-vlazhnosti/obzor-i-klassifikaciya-metodov-izmereniya-vlazhnosti-gazov/

) http://holod-proekt.com/2011/10/osnovnye-metody-opredeleniya-vlazhnosti-vozduha/comment-page-2/#comments

)        Аверьянова О.В. Климатические системы с тепловыми насосами и водяным контуром // Инженерно-строительный журнал. - СПб. - 2009. - № 2. - С. 19-22;

)        С.В. Ершов Т.Е. Сергеева. Исследование интеллектуально - адаптивной системы автоматического контроля микроклимата / Известия ТулГУ. Технические науки. 2013. Вып. 12. Ч. 2 c.82-89;

)        Е.С. Бондарь, А.С. Гордиенко, В.А. Михайлов, Г.В. Нимич. Автоматизация систем вентиляции и кондиционирования воздуха/ Под общей редакцией Е.С. Бондаря. К.: ТОВ «Видавничий будинок Авантпост-Прим» -2005. 560 с.;

)        Фрайден Дж..Современные датчики. Справочник. Москва: Техносфера, 2005. - 592с.;

)        Иванченко, О. И. Установка для поверки и аттестации гигрометров/ О.И.Иванченко, В. П. Катушкин //Вестник Метрологической Академии.
-2005. -выпуск 15. -с.42-47.;

)        Иванченко, О.И. Сорбционно-резистивный термогигрометр / О.И. Иванченко, В.П. Катушкин //Научное приборостроение.-2007.- Т. 17,
№2- с.94-95.

Похожие работы на - Проектирование подсистемы контроля влажности

 

Не нашли материал для своей работы?
Поможем написать уникальную работу
Без плагиата!
Без нейросетей!