Проектирование малогабаритного развязывающего фильтра

  • Вид работы:
    Дипломная (ВКР)
  • Предмет:
    Информатика, ВТ, телекоммуникации
  • Язык:
    Русский
    ,
    Формат файла:
    MS Word
    570,32 Кб
  • Опубликовано:
    2016-10-17
Вы можете узнать стоимость помощи в написании студенческой работы.
Помощь в написании работы, которую точно примут!

Проектирование малогабаритного развязывающего фильтра

Оглавление

Введение

Глава 1. Обзорная

1.1 Цели работы

1.2 Текущее состояние вопроса и актуальность

1.3 Краткий обзор литературы

1.4 Фильтры и их типы

Глава 2. Микрополосковые фильтры

2.1 Проектирование фильтров на сосредоточенных элементах

2.2 Проектирование ФНЧ на сосредоточенных элементах

2.3 Проектирование ФВЧ на сосредоточенных элементах

2.4 Проектирование полосового фильтра на сосредоточенных элементах

2.5 ФНЧ на элементах с распределенными параметрами

2.6 Полосовой фильтр на элементах с распределенными параметрами

Глава 3. Фильтр на метаматериале

3.1 Метаматериалы и их использование в электронике

3.2 Типы элементов частотно-селективных поверхностей

Глава 4. Моделирование

4.1 Расчет модели в программе CST MICROWAVE STUDIO

4.2 Описание модели

4.2.1 Малогабаритный развязывающий фильтр на метаматериале 9х 8

4.2.2 Малогабаритный развязывающий фильтр на метаматериале 9х 8 (уменьшенные элементы)

4.2.3 Малогабаритный развязывающий фильтр на метаматериале с дополнительным слоем пластин

Глава 5. Результаты моделирования

5.1 Результаты моделирования фильтра топологии 9х 8

5.2 Результаты моделирования фильтра топологии 9х 8 (уменьшенные элементы)

5.3 Настройка резонансной частоты путем добавления промежуточного слоя пластин

5.4 Выводы по результатам моделирования

Выводы по работе

Список литературы

Введение


Прогресс радиотехники постоянно ставит новые цели и задачи перед конструкторами. Покорение новых, более высоких частот заставляет искать новые решения для реализации устройств, так как старые материалы и топологии перестают отвечать требуемым значениям характеристик. Так, широко используемые в настоящее время в радиотехнике микрополосковые линии передачи уже вплотную подошли к своему порогу миниатюризации, из-за чего при разработке приборов требуется искать новые методы их создания. Одним из перспективных решений этой задачи является использование метаматериалов.

Метаматериалами называются искусственно созданные композитные структуры, обладающие свойствами, почти не встречающимися в природе и сложно достижимыми технологически. Особенностью метаматериалов, помимо самих необычных свойств, которыми они обладают, является тот факт, что эти необычные свойства обусловлены не химическим составом метаматериалов, а их внутренним строением и спецификой структуры. Эти особые структуры функционируют так, как в обычном материале атомы и молекулы, но путем взаимодействия с электромагнитными волнами они способны проявлять такие свойства, которые не могут проявиться в природных или химически синтезированных материалах. Отсюда и появился сам термин "метаматериалы": приставка "мета" переводится с греческого как "вне". То есть метаматериалы это структуры, чьи эффективные электромагнитные свойства выходят за пределы свойств образующих их компонентов.

Одним из важнейших свойств метаматериалов является возможность получить в них отрицательные значения диэлектрической и магнитной проницаемостей. Эти два параметра являются фундаментальными для вопросов, связанных с электромагнетизмом и электромагнитными свойствами вещества в частности. По сути эти параметры описывают как электромагнитное поле влияет на вещество и как само вещество влияет на поле. В зависимости от соотношения значений этих параметров, можно разделить все вещества на четыре типа (рис. 1) [1].

Рисунок 1. Типы веществ по критерию значений диэлектрической и магнитной проницаемости.

Первая четверть содержит материалы с положительными значениями обеих характеристик, в эту группу входят почти все диэлектрики. Вторая четверть содержит металлы, ферроэлектрические материалы и легированные полупроводники. Вещества этой группы имеют положительную магнитную и отрицательную электрическую проницаемости. Четвертая четверть охватывает некоторые материалы-ферриты, у которых положительная электрическая проницаемость, но отрицательная магнитная, так что магнитная реакция таких материалов быстро затухает при частотах СВЧ и выше. Метаматериалы находятся в третьей четверти на рисунке 1. У них отрицательны значения обеих характеристик. Таких веществ в природе нет [1]. Однако существование таких материалов было теоретически обосновано в шестидесятых годах двадцатого века В.Г. Веселаго, который в своей работе [2] указал на возможность существования материала с отрицательным коэффициентом преломления. Такой материал был назван "левосторонним" [3]. Однако в природе не было найдено материала, демонстрирующего свойства, о которых писал Веселаго. Поэтому дальнейшее развитие в этом направлении наука получила, когда Д. Пендри предложил использовать для получения таких необычных свойств не природные, а искусственные материалы.

 

Глава 1. Обзорная

 

.1 Цели работы


В рамках данной работы была поставлена задача исследования малогабаритного развязывающего фильтра на метаматериале. Исследование заключается в разработке компьютерной модели устройства и получения его передаточных характеристик (S-параметров). Компьютерное моделирование проводится в программном пакете CST Studio Suite 2015.

 

.2 Текущее состояние вопроса и актуальность


Одним из первопроходцев в изучении метаматериалов стал советский физик В.Г. Веселаго, который в 1968 году теоретически обосновал возможность существования материалов, имеющих одновременно отрицательные показатели диэлектрической и магнитной проницаемостей и, как следствие, отрицательный коэффициент преломления. Такие материалы он назвал "левосторонними", так как среды, в которых  и  одновременно отрицательные, вектора Е, Н и k образуют левую систему векторов. Дальнейшее развитие изучение метаматерилов получило благодаря работам Дж.В. Пендри [4],[5],[6] который предложил периодическую структуру из тонких проволочек, имеющую отрицательную диэлектрическую проницаемость на СВЧ-частотах. На основе этих работ Д.Р. Смит впервые получил метаматериал, состоящий из комбинации структур с отрицательной диэлектрической и отрицательной магнитной проницаемостями. Конструктивно он представлял собой совокупность диполей и разомкнутых кольцевых резонаторов. В результате был получен материал, обладающий отрицательным коэффициентом преломления в сантиметровом диапазоне. Благодаря успешному эксперименту Смита, теоретические заключения Веселаго были подтверждены. С этого момента началось бурное развитие теории метаматериалов. Этому также поспособствовало то, что выявились полезные особенности метаматериалов, среди которых можно выделить [7]:.         Увеличение направленности.

С помощью свойств метаматериалов возможно контролировать направление электромагнитного излучения с целью сбора исходящей энергии в узкий угловой сектор вокруг нормали к поверхности материала. Т.е. DNG материалы способны увеличивать направленность антенн..        Увеличение ширины рабочей полосы.

По сравнению с классическими полосковыми антеннами, антенны на метаматериалах имеют большую достижимую ширину полосы..       Увеличение излучаемой мощности.

В компактных антеннах может быть увеличена излучаемая энергия путем применения DNG-метаматериалов. Комбинация компактного диполя и DNG-метаматериала дает большую излучаемую мощность, нежели традиционная антенна..       Ширина диаграммы направленности и боковые лепестки

Антенны на метаматериалах имеют более узкую диаграмму направленности и очень малые боковые лепестки, благодаря чему увеличивается направленность антенны и снижаются потери на отражении.

Благодаря интересу ученых к метаматериалам, подогретому вышеизложенными фактами, удалось добиться значительных успехов в их изучении. Так, первоначально был получен метаматериал, работающий на СВЧ, но уже скоро появились метаматериалы, взаимодействующие с волнами оптического диапазона [1]. Для этого понадобилось уменьшить размер метаматериалов, а также искать новые конструкторские решения для их реализации. Так, чтобы получить магнитный резонанс в оптическом диапазоне, размеры разомкнутого кольцевого резонатора должны быть менее 100 нанометров, а зазор между отдельными элементами - менее 10 нанометров. Такие проблемы послужили толчком для разработки альтернатив для комбинации диполя и разомкнутого кольцевого резонатора. Например, для оптического диапазона крайне удачной оказалась метаструктура типа "рыбацкая сеть", состоящая из двух слоев металлической сетки, разделенной диэлектриком. К настоящему моменту существует уже немало различных конструктивных типов метаматериалов. Среди них, например, можно выделить N-полюсники с центральным креплением (грибовидные), петлевые, комбинированные [8].

Среди причин высокого интереса к метаматериалам можно выделить и широкий спектр их использования. Так, одними из самых привлекательных сфер применения метаматериалов являются магнитно-резонансная томография, микроволновые контура, антенная техника и идеальные линзы, в которых использование метаматериалов с отрицательным коэффициентом преломления позволяет обойти дифракционный предел [1].

Одно из последних и наиболее перспективных направлений развития метаматериалов - перестраиваемые метаматериалы. Интерес к такому роду метаматериалов возник в результате столкновения с рядом проблем в разработке устройств, основанных на метаматериале, например: ограничение рабочей полосы резонансных устройств, конструктивные ограничения и допущения. Под перестраиваемым метаматериалом подразумевается структура, чье электромагнитное поведение намеренно изменяется в процессе рутинной работы прибора. Эти изменения могут быть вызваны влиянием перемен в свойствах вещества или геометрии структуры [9].

Еще одним молодым и крайне перспективным, особенно в оптическом диапазоне, направлением являются нелинейные метаматериалы, чьи свойства зависят от интенсивности электромагнитных волн. Теоретические исследования показывают, что в нелинейных метаматериалах может проявляться ряд любопытных особенностей [9].

С момента своего открытия метаматериалы привлекали внимание ученых. К настоящему моменту эта сфера исследований зарекомендовала себя как крайне перспективная и стоящая изучения. Только за последние десять лет были достигнуты значительные успехи, такие как отрицательное преломление волн, создание супелинз и даже плаща-невидимки. Возможность контролировать свойства вещества и его взаимодействие с электромагнитными волнами открывает широчайшие горизонты для практического применения метаматериалов.

 

.3 Краткий обзор литературы


Постоянное развитие радиоэлектроники и применение ее в новых сферах науки выдвигает все большие требования к совершенству конструкций приборов, их массо-габаритным параметрам, технологичности изготовления. Одним из путей удовлетворения этих требований являются полосковые линии передачи и приборы, созданные на их основе. Полосковые волноводы обладают всеми чертами, необходимыми для СВЧ-техники: малый вес, дешевизна и простота изготовления, малые габариты. Кроме того, на основе полосковых волноводов оказалось удобно создавать СВЧ устройства (фильтры, ответвители и проч.). Благодаря этому в настоящее время микрополосковые линии и устройства на их основе получили широчайшее распространение в радиоэлектронике. Свидетельством этому являются многочисленные работы, посвящённые этой тематике. Примером такой работы может служить учебное пособие Ковалева [10].

В СВЧ технике получила большое распространение так называемая микрополосковая линия, отличающаяся меньшими размерами и, следовательно, лучше подходящая для работы на высоких частотах. Ее успешно используют в СВЧ технике.

Как уже было указано выше, большой интерес представляют устройства, созданные на основе микрополосковых линий - например фильтры. Вопросам их расчета и конструирования посвящено множество работ, из которых, к примеру, можно выделить, помимо уже упомянутого [10], также труды Малорацкого и Янича [11], Сазонова [12].

Общепринятым методом предварительного расчета микрополосковых СВЧ фильтров является их сравнение с некой упрощенной схемой замещения, называемой прототипом. Это вызвано тем, что сами фильтры, как правило, являются каскадами из нескольких звеньев, состоящих, в свою очередь, из резонаторов, шлейфов и т.д. Метод прототипов позволяет воспользоваться хорошо известными и табулированными значениями элементов нормированных по частоте фильтров с чебушевскими или максимально плоскими характеристиками, не касаясь сложных вопросов синтеза фильтров. Метод прототипов также освещен во всех вышеперечисленных работах ([10],[11],[12]).

Но важно помнить, что прототипами являются идеальные фильтры а сосредоточенных элементах. При практической реализации их необходимо заменить на реальные детали. Эта задача не имеет однозначного решения, т.к. существует множество различных возможностей создания фильтра на различных типах резонаторов. Так, для полосового фильтра получила широкое распространение топология на встречных штырях. Однако подобная конфигурация не является совершенной, и существуют методы ее модернизации, описанные в статье [13]. В результате модернизации получен симметричный фильтр, не только обладающий лучшими полосно-запирающими характеристиками, но и имеющий меньшие размеры благодаря симметричной конфигурации.

Данная конфигурация фильтра называется ступенчатой, но она не является безальтернативной. Микрополосковый полосный фильтр может иметь, например, и гребенчатую структуру. Примером такого фильтра может являться фильтр, описанный в патенте [14].

В свою очередь, эта работа основана на более старых изобретениях [14],[15], в которых используются четвертьволновые резонаторы. Кроме того, полосовой фильтр можно создать и на основе звездообразных резонаторов, например звездообразных многочастотных резонаторов. Такой вариант рассмотрен в работе Кершиса и Гомоновой [16]. Перспективность использования подобной конфигурации заключается в том, что на ее основе возможно создание многочастотных фильтров.

Помимо разных конфигураций и конструкций фильтра, в научных работах уделяется внимание и возможности подстройки рабочей полосы фильтра. В частности, полосные фильтры с такой возможностью рассматриваются, например, в работах [17],[18].

Большинство вышеупомянутых вопросов, включая метод прототипов, различные кофигурации фильтров и даже их отдельных элементов изложены в зарубежной работе за авторством Ланкастера [19].

Метаматериалы являются более свежим направленим исследований, но к настоящему моменту уже опубликовано огромное число статей, посвященных метаматериалам. В среднем, выходит около 500 работ в год. Изначально интерес к этому научному направлению возник во многом благодаря работе В.Г. Веселого [2], впервые теоретически обосновавшего возможность существования сред с отрицательным коэффициентом преломления. Из отечественных ученых того же периода стоит отметить В.Е. Пахомова [20], Д.В. Сивухина [21], Р.А. Силина [22], также рассматривавших вопросы, касающиеся "левосторонних" материалов. К сожалению, впоследствии первенство в изучении метаматериалов отошло зарубежным ученым. Джон Пендри описал одну из первых практических реализаций метаматериалов [4]. На основе его работ Д. Смит разработал и запатентовал метаматериал, состоящий из комбинации двух топологических решений периодических структур [23], [24].

Из недавних работ следует отметить обзоры отечественных ученых В. Слюсара [25], И.Б. Вендика, О.Г. Вендика [3], раскрывающих применение метаматериалов в антенной и СВЧ-технике. Подробно рассматривает теорию и практические применения метаматериалов Ф. Каполино [26].

Фундаментальной работой о периодических структурах и частотно-селективных поверхностях, без сомнения, является монография Б. Мунка [8]. Вторая работа за его же авторством [27] рассматривает более конкретные вопросы, связанные с периодическими структурами. Также периодические высокоимпедансные поверхности с полосой запирания рассматривались Д. Сивенпайпером и его коллегами [28].

Перспективы метаматериалов, в частности настраиваемые метаматериалы, рассматриваются в статье [9] группой исследователей из Пенсильванского университета.

 

.4 Фильтры и их типы


Фильтрами СВЧ зовутся пассивные четырехполюсники, осуществляющие передачу СВЧ колебаний в соответствии с некоторой частотной характеристикой. В зависимости от нее через фильтр свободно проходят колебания, имеющие частоту, входящую в полосу пропускания и очень сильно ослабляются колебания, чьи частоты входят в полосу запирания.

Рисунок 2. Классификация СВЧ-фильтров: а- фильтр нижних частот (ФНЧ), б - фильтр верхних частот (ФВЧ), в - полосно-пропускающий фильтр (ППФ), г - полосно-запирающий фильтр (ПЗФ)

Всего по виду частотной характеристики СВЧ фильтры можно разделить на четыре группы: а) фильтры нижних частот (ФНЧ), б) фильтры верхних частот (ФВЧ), в) полосно-пропускающие фильтры (ППФ), г) полосно-запирающие фильтры (ПЗФ). Вид частотных характеристик этих фильтров дан на рис. 2.

Частотные функции ослабления, изображенные на рис. 2, строятся в соответствии с выражением:

 

где  это коэффициент передачи матрицы рассеяния .

Как уже указывалось выше, СВЧ фильтры рассматриваются как пассивные четырехполюсники. В этом случае для описания его работы можно использовать матричный аппарат. При описании многополюсников основное применение нашли три вида матриц: матрица рассеяния, матрица сопротивлений и матрица проводимостей. Поскольку существуют механизмы преобразования, позволяющие получить одну з этих матриц в другую, остановимся на наиболее распространённой матрице - матрице рассеяния.

Матрица рассеяния показывает взаимосвязь между падающими и отраженными волнами через матрицу рассеяния .

Параметры рассеяния S двухпортовой системы определяются в терминологии волновых переменных как

 

 

 

Где an=0 соответствует идеальному согласованию импедансов (нет отражения от импеданса выходного порта) на порту n. Определение может быть также записано как матрица:

 

и матрица, содержащая S-параметры, зовется S-матрицей или матрицей рассеяния, и записывается как [S].

Параметры  и  (в общем случае - все диагональные элементы) также называются коэффициентами отражения, а  и  (в общем случае - все не диагональные элементы) коэффициентами проводимости. Эти параметры могут быть напрямую измерены на микроволновых частотах. В общем случае S-параметры имеют комплексный характер, поэтому удобно их представлять в виде амплитуды и фазы, например:

 

где . Часто амплитуда бывает представлена в децибелах, то есть в следующем виде:

 

где , а основание логарифма равно 10.

Из полезных свойств можно отметить, что в случае, если рассматриваемая система является взаимной, то . Если же система является также и симметричной, то выполняется равенство .

В общем случае индексы  могут принимать любые положительные значения, зависящие от количества портов многополюсника. Для определения элементов матрицы рассеяния необходимо провести ряд испытаний. Общее число таких режимов для многополюсника равняется числу его входов.

Простейший режим - воздействие на многополюсник падающими волнами поочередно со стороны каждого порта. Важно, что во время испытаний на всех портах, кроме возбуждаемого, не должно быть падающих волн. Для этого невозбуждаемые порты нагружаются на согласованные нагрузки, чтобы избежать отражений.

 

Глава 2. Микрополосковые фильтры

 

.1 Проектирование фильтров на сосредоточенных элементах


Микрополосковый СВЧ фильтр, как правило, является каскадным соединением звеньев. Такими звеньями могут быть резонаторы, шлейфы, отрезки связных линий передачи и т.д. Расчет подобного каскадного соединения сложен, поэтому при проектировании СВЧ фильтров прибегают к использованию так называемых прототипов. Прототип представляет собой упрощенную схему замещения, чьи пассивные сосредоточенные элементы приближенно соответствуют предполагаемой конструкции СВЧ фильтра [12]. Электрические характеристики такого фильтра на сосредоточенных элементах, величины которых определены по таблицам, примерно совпадают с заданными при синтезе. После выбора подходящего прототипа с помощью специальных преобразований определяются значения величин элементов с распределенными параметрами. Рассмотрение прототипов начнем с прототипа фильтра нижних частот.

 

.2 Проектирование ФНЧ на сосредоточенных элементах


Важно, что ФНЧ-прототип является идеализированной моделью (рис. 3(а)), и на практике невозможно создать фильтр, для которого частотная характеристика будет иметь бесконечно большую крутизну в области частоты среза. Однако приблизиться к такому виду характеристики можно с помощью аппроксимации. Существуют два типа частотных характеристик: характеристика Баттерворта (максимально плоская характеристика) и характеристика Чебышева.

Рисунок 3. Виды характеристик: Идеальная (а), максимально плоская (б), чебышевская (в) АЧХ ФНЧ.

Предложенная Баттервортом аппроксимация АЧХ передаточной функции описывает зависимость коэффициента передачи от частоты и имеет вид:

 

где n = 1,2,3,… Фильтры, имеющие частотную характеристику (рис. 3(б)), описываемую таким выражением, называют фильтрами с характеристикой Баттерворта. На частотах значительно ниже частоты среза коэффициент передачи таких фильтров практически не зависит от частоты.

Существуют фильтры с чебышевской характеристикой (рис. 3(в)).

 

где n = 1,2,3,…,  - константа (показатель пульсаций),  - полиномы Чебышева первого порядка n, описываемые выражениями:

 

Существуют фильтры Чебышева I и II (инверсный фильтр Чебышёва) рода. В их частотных характеристиках имеются пульсации с постоянной амплитудой в, соответственно, полосе пропускания и полосе запирания. Фильтр Чебышева I рода используется чаще ввиду более крутого характера частотной характеристики. Также фильтры Чебышева имеют явно выраженное преимущество в крутизне характеристики перед фильтрами Баттерворта (при одинаковом числе реактивных элементов). Увеличение числа таких элементов приводит к увеличению крутизны характеристики, но усиливает нелинейный характер фазочастотных характеристик. Поэтому при большой строгости требований именно к ФЧХ выгоднее использовать фильтры Баттерворта.

Логарифмируя, можно получить из частотных характеристик, представленных выше, вносимые фильтром затухания. Для фильтров Баттерворта:

 

где  - частота среза.

Для фильтров с характеристикой Чебышева:

 

где

,

а все частоты нормированы к частоте среза [29].

Как уже указывалось выше, крутизна характеристики фильтра зависит от числа элементов фильтра. Число этих элементов вычисляется по следующим выражениям. Для фильтра Баттерворта:

 

Для фильтра Чебышева:

 

где  - амплитуда осцилляций в полосе пропускания, дБ.

В общем случае фильтр расположен между генератором и некой согласованной нагрузкой, причем сопротивление как генератора, так и нагрузки обычно можно считать чисто активными. Такое представление изображено на рис. 4(а), а на рис. 4(б) изображена схема такого фильтра. Параметры  связаны с корнями передаточной функции фильтра, состоящего из  звеньев. Все -параметры можно вычислить по сравнительно простым формулам, однако обычно прибегают к помощи табулированных результатов, полученных в результате численных расчетов, например в монографии Вайнберга [30]. Использование таблиц предпочтительно потому, что при расчете фильтра, состоящего из большого числа звеньев, трудно избежать ошибок, а сами вычисления занимают много времени.

Рисунок 4. а - представление фильтра в виде четырехполюсника, подключенного между генератором и нагрузкой, б - схема ФНЧ, подключённого таким образом.

Зная значения параметров, можно провести пересчет их в конкретные значения величин элементов фильтра. Пересчет осуществляется по следующим правилам:

.     Пересчет при заданной частоте среза заключается в делении каждого нормированного значения , относящегося к конденсатору или индуктивности, на заданную ненормированную угловую чатсоту среза в рад/с, активные сопротивления в данной операции не участвуют.

2.       Пересчет при заданной величине  заключается в умножении всех , относящихся к активным сопротивлениям и индуктивностям, на  и делении всех , относящихся к емкостям, на .

 

.3 Проектирование ФВЧ на сосредоточенных элементах


Рассмотренные выше прототипы ФНЧ можно использовать и для синтеза ФВЧ. Для этого необходимо провести преобразование частотной характеристики ФНЧ в соответствующую характеристику ФВЧ. Ее математическое представление имеет вид:

 

где  - частота характеристики ФНЧ,  - частота характеристики ФВЧ. Знак "минус" обусловлен условием физической реализуемости. Для создания ФВЧ из ФНЧ-прототипа (например, изображенного на рис. 3(б)), нужно заменить индуктивные элементы на емкостные, а емкостные - на индуктивные. В таком случае, получим:

 

 

Для завершения преобразования полученные величины параметров пересчитываются с учетом заданного значения , для этого величины активных сопротивлений и индуктивностей умножаются на , а величины емкостей - делятся на .

 

.4 Проектирование полосового фильтра на сосредоточенных элементах


Рассмотрим преобразования, с помощью которых из ФНЧ-прототипа можно перейти к полосовому фильтру. С их помощью можно получить из идеализированной АЧХ ФНЧ (рис. 3(а)) идеализированную АЧХ полосового фильтра (рис. 5).

Рисунок 5. Идеальная характеристика полосового фильтра с шириной полосы пропускания

Такое преобразование математически описывается следующим выражением:

 

где  - частота характеристики ФНЧ,  - частота характеристики полосового фильтра. Центральная частота полосового фильтра находится как среднее геометрическое величин :

 

В схеме следует выполнить следующие преобразования: последовательные индуктивности в ФНЧ заменяются на последовательные резонансные LC-контура, а параллельные емкости - параллельными резонансными контурами LC. Аналогично преобразованию ФНЧ в ФВЧ, необходимо пересчитать величины элементов в новой схеме ( и  - параллельные элементы,  и  - последовательные, см. рис. 6).

Рисунок 6. Преобразование ФНЧ в полосовой фильтр.

Для этого используются следующие выражения:

 

 

 

 

Переход к нормированным значениям при заданном сопротивлении нагрузки осуществляется так же, как при преобразовании ФНЧ в ФВЧ.

Таким образом, были рассмотрены все виды фильтров-прототипов и методики их получения. Однако фильтры-прототипы являются идеализированными устройствами на сосредоточенных элементах, и их можно использовать лишь для приближенной аппроксимации конечных результатов. На высоких частотах предпочтительнее рассматривать распределенные параметры.

 

.5 ФНЧ на элементах с распределенными параметрами


С помощью подбора корректных геометрических размеров элементов с распределенными параметрами можно смоделировать поведение сосредоточенного элемента. Однако такой подход к синтезу фильтра не учитывает влияние стыков, неоднородностей, дисперсии и прочих факторов, так что подобный подход является лишь грубым приближением при проектировании фильтров.

При дальнейших преобразованиях примем, что отрезок линии имеет достаточно малую длину, что позволит пренебречь тепловыми потерями. Рассматриваемый участок линии изображен на рис. 7.

Рисунок 7. Отрезок линии (а), его эквивалентная Т-образная схема (б) и схема на сосредоточенных элементах при отсутствии потерь (в).

Для эквивалентной схемы получаем:

 

 

Данные выражения идентичны как для Т-образной, так и для П-образной эквивалентной схемы, что указывает на их дуальность для отрезка линии передачи. Из этих выражений следует, что характеристики элементов с сосредоточенными и распределенными параметрами связаны следующим образом:

 

 

Проектируя фильтр на распределенных параметрах, можно изменять волновое сопротивление и длину отрезков. Ограничения на волновое сопротивление накладываются обычно используемыми материалами. Геометрические размеры линии ограничены физическими явлениями, например возникновением поперечного резонанса при достижении определенной наибольшей ширины полоска. Длины отрезков выражаются из формул:

 

 

Таким образом можно получить необходимые для проектирования фильтра величины.

Важно отметить, что при первоначальном расчете не принималось во внимание влияние концевых реактивностей. Их величины можно определить по формулам:

 

 

где  и  - длина волны на отрезке линии.

Коррекция изначальных результатов состоит в вычитании величин концевых емкостей из полученных раннее значений емкостей в эквивалентной схеме. Новые значения емкостей используются для нахождения новых длин отрезков. Аналогичная процедура повторяется с индуктивностями. Корректировка повторяется до тех пор, пока значения индуктивностей и емкостей не приблизятся к некоторым фиксированным значениям.

 

.6 Полосовой фильтр на элементах с распределенными параметрами

фильтр полосовой метаматериал селективный

Раннее было рассмотрено преобразование ФНЧ-прототипа в ФВЧ-прототип. При этом в схеме фильтра возникли последовательно и параллельно включенные LC-цепи. На высоких частотах их реализация, особенно в случае последовательного контура, включенного последовательно, может вызвать затруднения, поэтому такого включения следует избегать.

Данную проблему можно решить, прибегнув к использованию инверторов, трансформирующих входное сопротивление последовательного резонансного LC-контура в сопротивление, соответствующее параллельному резонансному контуру. Такая инверсия может быть выполнена с помощью четвертьволнового отрезка однородной линии.

Реализация фильтра на элементах с распределенными параметрами может быть выполнена различными способами. При реализации фильтра на микрополоске удобно использовать, например, короткозамкнутые и разомкнутые шлейфы в качестве параллельных резонаторных контуров (рис. 8(а)).

Рисунок 8. Фильтр на микрополоске с использованием шлейфов - (а), возможная топология фильтра - (б).

Элементы, выполняющие роль инверторов, имеют вид четвертьволновых отрезков линии, включенных последовательно. Волновые сопротивления отрезков линии в инверторах находятся по формулам:

 

 

где  - сопротивление, с которым спрягается фильтр - параметры получены при расчете прототипа ФНЧ.  - относительная полоса пропускания фильтра:

 

Одной из привычных конструкций является конструкция фильтра на встречных стержнях, которую можно получить, подключив дополнительные четвертьволновые отрезки линии к входу и выходу фильтра. Такая топология получила широкое распространение в технике и позволяет получать полосы пропускания до 15-20%. Реализовать более широкую полосу проблематично из-за трудно воспроизводимых расстояний между полосками. Эту проблему можно решить различными модификациями топологии. Кроме того, существуют модификации, способные не только улучшить характеристики полосы пропускания, но и уменьшить габаритные размеры прибора. Подобная модификация описана в работе [13].

Глава 3. Фильтр на метаматериале

 

.1 Метаматериалы и их использование в электронике


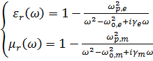
Как правило, электромагнитные свойства вещества можно описать с помощью модели Друде-Лоренца, выведенную из колебательного уравнения электрических зарядов, либо фиктивных магнитных зарядов, движущихся под воздействием внешнего электромагнитного поля (волны). Из-за дуальности электромагнитных волн, можно вывести следующие формулы для частотной зависимости величин электрической и магнитной проницаемостей.

 

Где  - плазменная частота,  - резонансная частота, а  - коэффициент затухания, связанный с потерями в материале. Подстрочные символы e и m показывают, соответственно, принадлежность к электрической или магнитной природе. С помощью этой системы уравнений можно охарактеризовать свойства вещества в широком диапазоне - от СВЧ до оптических частот. Для благородных металлов  лежит в частотах оптики или ультрафиолета, а  берется нулевой с учетом определенных допущений. Отсюда следует, что электрическая проницаемость металлов всегда отрицательна при частотах ниже плазменной. С другой стороны, вещества естественного происхождения, демонстрирующие магнитный отклик с отрицательной электрической проницаемостью гораздо более редки, чем те, что имеют электрический отклик. Это особенно справедливо, когда речь идет о частотах выше гигагерцовых, где магнитный отклик начинает затихать. Основной причиной редкости магнитных материалов на высоких частотах является то, что магнитная поляризация происходит из потока орбитальных токов или неспаренных спинов электронов, но оба эффекта проявляются только при электромагнитных волнах на низких частотах. Но в настоящее время наиболее перспективными являются устройства на СВЧ.

На данный момент микрополосковая линия - одно из наиболее используемых технологических решений в СВЧ-технике. Благодаря ряду преимуществ, среди которых можно выделить, например, малые размеры, простоту изготовления печатным методом и высокую надежность, на основе микрополосковой линии передачи создаются различные СВЧ-устройства, например фильтр.

Электрические характеристики микрополосковой линии, а также устройств на ее основе определяются ее геометрическими размерами. Это создает определенные конструктивные затруднения: меньшая толщина подложки поможет уменьшить потери на излучении, снизит вероятность возникновения поверхностных волн и позволит уплотнить монтаж. Но при этом возникнет необходимость уменьшения ширины самого полоска, что приедет к увеличению потерь в проводнике. Кроме того, при уменьшении ширины и толщины микрополоска серьезно усложняется ситуация с технологическими допусками, чья реализация станет гораздо более проблемной. Очевидно, что если эти допуски не соблюдаются, это может негативно сказаться на характеристиках устройства. Таким образом, можно говорить о том, что микрополоски имеют определенный предел миниатюризации, который легко достигается при росте рабочей частоты устройства [31]. За последние годы появилось множество микрополосковых схем фильтров, призванных решить те или иные проблемы. Так, заметного улучшения избирательности удалось добиться посредством введения дополнительных связей между резонаторами фильтра. Но такая конфигурация подходит для сравнительно нешироких полос пропускания - до 10-15%.

Таким образом, широко распространенным недостатком компактных фильтров на полосковой линии является их узкополосность. В широкополосных фильтрах такой конструкции возникают трудности с реализацией сильных связей между резонаторами, поскольку зазоры между проводниками слишком малы для стандартной технологии печатных плат. В нижней части СВЧ-диапазона эти фильтры недостаточно компактны [32]. Такие ограничения можно вынуждают искать новые пути технической реализации СВЧ фильтров.

Метаматериалы позволяют обойти природные ограничения, создавая условия для существования совершенно новых свойств веществ. Метаматериалы состоят из периодически или произвольно распределенных в пространстве структурных элементов, причем их размеры, а также расстояния между ними значительно меньше длин электромагнитных волн, с которыми они взаимодействуют. В результате электромагнитная волна не способна воспринять микроскопические особенности каждого элемента структуры. Таким образом, получается, что происходит усредненная реакция на всю структуру целиком. Другими словами, группа негомогенных объектов может быть охарактеризована эквивалентным гомогенным материалом с эффективными относительными проницаемостями ( на микроскопическом уровне. Особенное внимание привлекает тот факт, что этими значениями можно манипулировать с помощью соответствующей конструкции метаматериала [1].

В качестве примера рассмотрим предложенный Пендри в 1996 году примесной металл с чрезвычайно низкой плазменной частотой. Сформированная из него структура представала собой переплетение очень тонких металлических проводов, как показано на рис. 9(a).

Рисунок 9. Структуры и характеристики метаматериалов: а) схема периодической решетчатой системы из проводов (константа решетки d), б) эффективная проницаемость структуры проводов, ведущей себя как примесной металл с чрезвычайно низкой плазменной частотой, в) схема разомкнутых кольцевых резонаторов радиусом r, зазором между кольцами s, также показаны ток и магнитный момент, г) эффективная проницаемость кольцевого резонатора вокруг резонанса.

Благодаря такой структуре, было получено два эффекта. Во-первых, заметно снизилась эффективная плотность электронов. Во-вторых, эффективная электронная масса увеличилась благодаря самоиндукции в структуре проводов. Проведенные вычисление показали, что эффективная относительная проницаемость по-прежнему подчиняется модели Друде-Лоренца:

 

где

 

и

 

соответственно, где  емкость металла. Величина эффективной проницаемости металла показана на рис. 9(б).

Что касается магнитной составляющей, она может быть получена с помощью тока в магнитных материалах. Такой ток может быть сгенерирован, например, меняющимся во времени магнитным полем, проходящее через проводящую катушку, это следует из закона Фарадея. И хотя и сам ток и магнитный момент изначально слабые, их можно значительно усилить с помощью резонаторов. Например, можно использовать разомкнутые кольцевые резонаторы, состоящие из двух колец, одно из которых вложено во второе так, что их разрывы находятся на противоположенных концах (рис. 9(в)). Их можно рассмотреть как эквивалентные LC-контура с резонансной частотой , причем L и C - это геометрические индуктивность и емкость структуры соответственно. Была выведена и эффективная относительная магнитная проницаемость кольцевого разомкнутого резонатора:

 

чье поведение вблизи резонанса наглядно показано на рис. 9(г). Здесь F - коэффициент наполнения, зависящий от радиусов резонаторов и расстояния между ними, а Г - период гашения [1].

В вышеизложенном примере показано, как в периодических структурах могут изменяться фундаментальные характеристики. Важно еще раз отметить, что особую роль здесь играет именно целиковая структура, благодаря которой и проявляются необычные свойства. Однако структуры из описанного примера являются лишь небольшой частью всех возможных конфигураций. В данной работе изучается метаматериальная структура, действующая как периодическая поверхность.

В общем случае, периодической поверхностью называется множество идентичных друг другу элементов, включенных в одномерный или двумерный бесконечный массив. Важными параметрами таких структур являются размеры и форма самих элементов, а также величина зазоров между ними.

При разработке полосно-пропускающей или полосно-запирающей частотно-селективной поверхности одной из важнейших задач является правильный подбор элемента. Некоторые элементы по сути своей более или менее широкополосные, нежели другие, в то время как сама широкополосность может значительно зависеть от конструкции элемента. В процессе разработки частотно-селективной поверхности не следует изначально брать тот тип элементов, для одиночного представителя которого выявлена наиболее широкая рабочая полоса. Следует иметь в виду, что частотно селективные поверхности нельзя рассматривать лишь как некий массив индивидуальных элементов. Очень большое влияние на конечные характеристики частотно-селективной поверхности оказывает вся совокупность структуры. Даже по чисто конструктивным причинам частотно-селективные поверхности должны работать в связке с диэлектрическими элементами, например подложкой. Каждый такой элемент имеет свое влияние на конечный результат. Кроме формы элементов периодической поверхности, большое влияние на ширину полосы оказывают зазоры между элементами. Больший зазор в общем случае сузит полосу пропускания, а маленький зазор - расширит [8].

3.2 Типы элементов частотно-селективных поверхностей


Основные типы элементов, применяемые в частотно-селективных поверхностях, можно разделить на четыре группы:

1.   N-полюсники с центральным креплением, такие как арочный элемент, иерусалимский крест, квадратная спираль.

2.       Элементы типа "петля" (арочные), например нагруженные элементы с тремя или четырьмя ножками, круглая петля, квадратная или гексагональная петли.

.        Планарные элементы разнообразной формы.

.        Комбинированные: огромное множество видов.

Рисунок 10. Виды элементов периодических поверхностей. а) Gangbuster, б) ненагруженный трехполюсник, в) емкостной трехполюсник, г) иерусалимский крест, д)квадратная спираль.

Рассмотрим первую группу: N-полюсники с креплением по центру.

.     "Gangbuster" - поверхность.

Простейший пример так называемой gangbuster-поверхности изображен на рис. 10(а). По сути, она состоит из простых прямых диполей, расположенных в определенном порядке. Получается прямоугольная сетка, причем зазоры между элементами везде одинаковы. Элемент в поверхности "типа n" задается парой координат: один конец диполя помещается в произвольную точку (x, z), второй конец в точку (x+Dx, z+nDz). Если зазоры Dx и Dz остаются постоянными, то видно, что длина диполей растет сообразно n. Отсюда, с ростом n также уменьшается и основной резонанс. Но, поскольку сами зазоры остаются неизменными, независимо от значения n, частоты появления дифракционных максимумов остаются теми же (дифракционные максимумы зависят только от размера зазоров и угла падения волны). С другой стороны, при постоянных размерах диполей и уменьшении зазоров при увеличении n, резонансная частота остается неизменной, а частота дифракционных максимумов отдаляется. С увеличением n массив элементов становится все более плотным, а рабочая полоса расширяется.

Очевидно, что одиночная gangbuster-поверхность может работать только с линейной поляризацией, причем Е-поле лежит в одной плоскости с элементами. Однако произвольная поляризация может легко быть получена, если использовать две gangbuster-поверхности, расположенные под прямым углом друг к другу. Но важно разместить их близко друг к другу, поскольку произойдет частичная кросс-поляризация в основной плоскости. Чем меньше расстояние, тем ниже будет кросс-поляризация.

.     Ненагруженный массив трехполюсников

Хотя в масштабе длин волн ненагруженный трехполюсник нельзя считать маленьким, он имеет крайне полезную особенность: массив этих элементов можно сделать очень плотным, благодаря чему можно добиться крайне малого размера зазоров между элементами и, как следствие, получить широкую рабочую полосу. Однако этот тип элементов испытывает те же проблемы, что и gangbuster-тип в целом: возбуждение второй гармоники при параллельной поляризации. Кроме того, трехполюсники нельзя разместить еще плотнее без использования дополнительного слоя трехполюсников с еще меньшим зазором. Их использование ведет к появлению так называемых сверхплотных поверхностей. Такие поверхности имеют гораздо более низкую кросс-поляризацию, но их также гораздо сложнее создать.

.     Арочные элементы.

Простая модификация ненагруженного трехполюсника, заключающаяся в добавлении конечной емкости, приводит к увеличению рабочей полосы. Такой тип элементов обычно зовется арочным. Меньший размер элементов приводит к тому, что зазоры между ними также уменьшаются, что, в свою очередь, увеличивает ширину полосы.

.     Иерусалимский крест.

Одним из старейших используемых в частотно-селективных поверхностях элементов является иерусалимский крест. По сути, он состоит из двух скрещенных диполей с нагрузками на концах.

.     Квадратная спираль.

По ширине рабочей полосы этот элемент схож с элементом типа gangbuster, но имеет преимущество, состоящее в том, что на его основе можно сделать как передающую, так и отражающую частотно-селективную поверхность. Элементы gangbuster могут сформировать отражающую поверхность только при использовании двух поверхностей.


Рисунок 11. Общий вид высокоимпедансной поверхности.

В этой модели индуктивность L связана с током, протекающим между двумя последовательными грибовидными элементами, а емкость С связана с полями между двумя последовательными накладками. В соответствии с этой моделью, импеданс структуры может быть приблизительно найден как импеданс параллельного LC-контура, состоящего из листовой емкости (С) и листовой индуктивности (L):

 

L и С могут быть вычислены с помощью квазистатических приближений и хорошо известных аналитических формул, зависящих от геометрии и размеров структуры [4]. Как следует из формулы, поверхностный импеданс меняется в зависимости от частоты, причем максимум импеданса достигается при резонансной частоте . При резонансе импеданс становится бесконечно большим, что препятствует распространению поверхностных волн через фильтр.

Существует несколько методов настройки резонансной частоты фильтра на грибовидном метаматериале. Одним из простейших методов настройки частоты резонанса является подбор габаритов элементов. Для демонстрации справедливости этого метода в работе будут рассмотрены две аналогичные модели фильтра, отличающиеся друг от друга лишь размерами элементов.

Второй способ - введение дополнительного слоя, содержащего периодически расположенные проводящие пластины, не имеющие омического контакта с переходными отверстиями и друг другом (рис. 12) [34]. Пластины увеличивают эквивалентную емкость между соседними элементами, из-за чего резонансная частота уменьшается. При этом геометрические размеры структуры остаются неизменными.

Рисунок 12. Грибовидная полосно-заграждающая структура с дополнительным слоем периодических проводящих пластин.

 

Глава 4. Моделирование

 

.1 Расчет модели в программе CST MICROWAVE STUDIO


При выполнении данной работы для создания компьютерной модели устройств использовался программный пакет CST STUDIO SUITE 2015. В частности, из этого пакета использовалась программа CST MICROWAVE STUDIO (CST MWS), предназначенная для моделирования трехмерных высокочастотных структур (антенн, фильтров, ответвителей мощности, планарных и многослойных структур), а также анализа сигналов во временной и частотных областях. Инструмент САПР позволяет начертить любое необходимое устройство и приступить к изучению его характеристик. Базовый метод расчета в CST Microwave Studio - метод конечного интегрирования [33]. Для его применения область, в которой происходит решение задачи, разбивается на дискретные ячейки по сетке, причем в CST Microwave Studio присутствует прямоугольная или тетраэдральная сетка разбиения. Причем использование тетраэдальной сетки предпочтительно при расчете структур с поверхностями сложной кривизны. Использование классической прямоугольной сетки разбиения приводит к необходимости использовать слишком мелкую сетку и неоправданно большое число ячеек. Это приводит к большей загрузке процессора и уменьшению производительности. Использование тетраэдальной сетки частично решает эту проблему.

Как уже было сказано выше, основным численным методом расчета является метод конечного интегрирования. Этот метод был предложен Томасом Вейландом в 1977 году и представляет собой дискретную формулировку уравнений Максвелла в интегральной форме. Первым шагом, необходимым для применения данного метода, является определение пространства электромагнитной задачи, которая представляет собой трехмерную область Ω. Затем эта область разбивается на дискретные ячейки Vi, которые, в зависимости от выбранного типа разбиения, могут быть тетраэдальными либо гексагональными. Важно отметить, что должно соблюдаться условие точного примыкания ячеек друг к другу, то есть не должно существовать пересечения ячеек, за исключением случая, когда пересечение является общей гранью. Таким образом, создается конечное множество ячеек G, играющее роль сетки расчета.

После определения группы ячеек G требуется рассмотреть отдельную ячейку Vn, используя закон Фарадея

 

где ∀А ∈ R3. Точнее, используется его переписанная дифференциальная форма для грани Az():

 

Откуда получаем, что скалярная величина

 

является электрическим напряжением вдоль одного ребра поверхности Az(, т.е. точным значением интеграла от электрического поля вдоль этой границы. Аналогично, скалярная величина

 

является магнитным потоком, то есть величиной магнитного потока через грань ячейки Az(. Графическое представление этих преобразований показано на рис. 13.

Рисунок 13. Ячейка Vi,j,k-1 с указанными электрическими напряжениями на ребрах и магнитными потоками через поверхности ячейки.

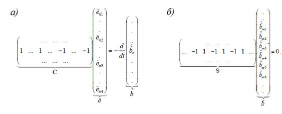
Интегральная форма закона Фарадея справедлива для любой грани A(, входящую в G. Таким образом, данный подход пространственной дискретизации корректен для метода конечных интегралов. Для дальнейшей работы вводится матрица С, содержащая топологическую информацию об отдельных ребрах (она получается из дифференциальной формы закона Фарадея для всех поверхностей в наборе G. Эта матрица представляет собой дискретный оператор ротора на сетке G. Соответственно, вводится дискретный оператор и для дивергенции, его ввод следует из уравнений Максвелла, описывающих электромагнитное поле. В частности, используется уравнение, описывающее отсутствие магнитных зарядов:

 

где ∀V ∈ R3. Оно рассматривается для ячейки Vi,j,k, как показано на рис. 14.

Рисунок 14. Распределение шести магнитных потоков через грани, которые рассматриваются при интегрировании по замкнутой поверхности.

Оценка интеграла по поверхности и последующее ее расширение на весь набор ячеек G позволяет получить матрицу S дискретной дивергенции, которая, как и матрица С, зависит только от топологии сетки. Обе матрицы изображены на рис. 15.

Рисунок 15. а) матрица С дискретной дивергенции, б) матрица S дискретной дивергенции.

Для дискретизации двух оставшихся уравнений Максвелла в методе конечных интегралов требуется ввести группу ячеек , дуальную основному набору ячеек G. Отмеченная "дуальность" означает, что а) каждую грань ячеек основной сетки пересекает только одно ребро дуальной сетки и наоборот, и б) каждая ячейка основной сетки содержит одну и только одну вершину дуальной сетки и наоборот.

Рисунок 16. Сеточная пара {G, }: пространственное расположение ячейки и дуальной ей ячейки.

На поверхностях ячеек  электрические потоки и электрические токи распределяются по аналогии с электрическими напряжениями сетки и магнитными потоками граней на G. Закон Ампера в интегральной форме:

 

где ∀ ∈ R3. Дискретизация этого закона выполняется по аналогии с тем, как это было сделано с законом Фарадея, для каждой грани дуальной ячейки. Таким образом рассматриваются токи смещения и проводимости через рассматриваемую грань.

Последний закон, закон Гаусса в интегральной форме, также может быть дискретизирован для ячеек дуальной сетки. Обе дискретизации сводятся к матричным уравнениям с характерными топологическими операторами на сетке для дуального дискретного ротора  и для дуальной дискретной дивергенции .

Получаем два набора ячеек, для которых заданы дискретные матричные уравнения - уравнения Максвелла в сетке:

 

 

 

 

В этих уравнениях:

 

это магнитодвижущая сила вдоль граней .

Безвихревое поле в программе моделируется с помощью скалярных потенциалов. Дискретные потенциалы расположены в точках пересечения ячеек сетки G. В контексте метода конечных интегралов через их разность получаем электрические напряжения на гранях сетки.

Для проведенной до сих пор дискретизации уравнений Максвелла область расчета была искусственно ограничена, и информация о том, что эти уравнения сохраняются, относится только к величинам, которые определены в точках (потенциалы), на ребрах (напряжения), гранях (токи) или в объеме ячейки (заряды). Получаемые уравнения являются точным представлением уравнений Максвелла на сдвоенном наборе ячеек {G, }.

Следует отметить, что применение метода конечных интегралов подразумевает ряд допущений. Например, считается, что каждая ячейка заполнена только одним материалом, что приводит к проблемам расчета на криволинейных границах, где это условие не всегда соблюдается (рис. 17(а)). Подобные неточности имеют тенденцию накапливаться, что приводит к большим погрешностям при аппроксимации. Для преодоления этой проблемы в МКИ для улучшения качества геометрической аппроксимации и материального усреднения внутри ячеек используются такие усложненные схемы, как техника треугольного заполнения (triangular filling technique), техника тетраэдрального заполнения (tetrahedral filling technique) и метод идеальной аппроксимации границы (Perfect Boundary Approximation), последняя из которых и нашла свое применение в программе CST Microwave Studio. Эти схемы позволяют использовать эффективные с точки зрения вычислений структурированные прямоугольные сетки, позволяя в то же время снизить ошибку аппроксимации свойств материала в методе.

Дискретизация изогнутых структур является проблемой даже при использовании тетраэдальной сетки - заполнение треугольниками (рис. 17(б)) не всегда корректно. В таком случае такие величины как резонансная частота, добротность и т.д. рассчитываются с ошибками из-за неточности интегрирования вдоль изогнутой границы.

Рисунок 17. Сеточная аппроксимация искривленных границ: стандартная (а), треугольная (б), неортогональная (в), PBA (г)

Проблема искривленных границ в общем случае может быть решена с помощью неортогональных сеток (рис. 17(в)). Однако это, в свою очередь, значительно усложняет задачу расчета. В программе CST Microwave Studio используется вместо этого метод идеальной аппроксимации границ, в котором нет необходимости согласовывать ортогональную расчетную сетку и округленные границы (рис. 17(г)). В основе этого метода лежит оценка дополнительной информации о содержимом ячеек пространства. В большинстве случаев это позволяет получить очень точные результаты [33].

 

.2 Описание модели

 

.2.1 Малогабаритный развязывающий фильтр на метаматериале 9х 8

Параметры устройства:

Габаритные размеры (длина-ширина-высота): 110х 100х 2.4 [мм]

Толщина подложки: 2 [мм]

Толщина металлизации: 0.2 [мм]

Толщина микрополосковых зазоров и шляпок и грибов: 0.2 [мм]

Расстояние между элементами: 1 [мм]

Ширина емкостного зазора: 7 [мм]

Значение диэлектрической проницаемости материала подложки: 4.5 [Ф/м]

Диаметр переходных отверстий: 1 [мм]

Размеры шляпки грибовидного элемента: 9х 9 [мм]

 

.2.2 Малогабаритный развязывающий фильтр на метаматериале 9х 8 (уменьшенные элементы)

Параметры устройства:

Габаритные размеры (длина-ширина-высота): 60х 60х 2.4 [мм]

Толщина подложки: 2 [мм]

Толщина металлизации: 0.2 [мм]

Толщина микрополосковых зазоров и шляпок и грибов: 0.2 [мм]

Расстояние между элементами: 1 [мм]

Ширина емкостного зазора: 7 [мм]

Значение диэлектрической проницаемости материала подложки: 4.5 [Ф/м]

Размеры шляпки грибовидного элемента: 4x4 [мм]

 

.2.3 Малогабаритный развязывающий фильтр на метаматериале с дополнительным слоем пластин

Параметры устройства:

Габаритные размеры (длина-ширина-высота): 110х 100х 2.4 [мм]

Толщина подложки: 2 [мм]

Толщина металлизации: 0.2 [мм]

Толщина микрополосковых зазоров и шляпок и грибов: 0.2 [мм]

Расстояние между элементами: 1 [мм]

Ширина емкостного зазора: 7 [мм]

Значение диэлектрической проницаемости материала подложки: 4.5 [Ф/м]

Диаметр переходных отверстий: 1 [мм]

Размеры шляпки грибовидного элемента: 9х 9 [мм]

Толщина пластин дополнительного слоя: 0.2 [мм]

Зазор между пластинами дополнительного слоя и "шляпками": 0.2 [мм]

 

Глава 5. Результаты моделирования


В проведенное исследование входило моделирование трех конфигураций фильтра: 9х 8, 9х 8 (уменьшенные элементы) и 9х 8 с дополнительным слоем пластин, чьи параметры представлены в предыдущем разделе. Результатами моделирования являются S-параметры фильтра (S11 и S21), а также КСВН.

Рисунок 18. Общий вид фильтра.

 

5.1 Результаты моделирования фильтра топологии 9х 8

 

Рисунок 19. Параметр S21фильтра топологии 9х 8.

 

Рисунок 20. Параметр S11фильтра топологии 9х 8.

 

 

Рисунок 21. КСВН фильтра топологии 9х 8.

В результате моделирования получены S-параметры фильтра и его КСВН. График S21, изображенный на рис. 19, демонстрирует резонансную природу грибовидного метаматериала. Резонансная частота структуры - 4112 МГц, на этой частоте достигается затухание 55.3 дБ. Значение КСВН на резонансной частоте - 11.3; параметр S11 принимает значение -1.53 дБ. На уровне 53.5 дБ фильтр обеспечивает развязку на полосе шириной 130 МГц.

 

.2 Результаты моделирования фильтра топологии 9х 8 (уменьшенные элементы)

 

Рисунок 22. S-параметры фильтра топологии 9х 8 (уменьшенные элементы). Параметр S11 - (1), параметр S21 - (2).

Рисунок 23. КСВН фильтра топологии 9х 8 (уменьшенные элементы).

В результате моделирования установлено, что фильтр топологии 9х 8 элементов (уменьшенные элементы) имеет полосу запирания шириной 7 МГц, на уровне половинной мощности в этой полосе запирания обеспечивается затухание 20 дБ. На резонансной частоте 2.68 ГГц затухание достигает 27 дБ.

Величина КСВН на резонансной частоте достигает значения 100.

 

.3 Настройка резонансной частоты путем добавления промежуточного слоя пластин

 

Рисунок 24. Сравнение параметра S21 фильтра. Оригинальный фильтр - (1), с дополнительным слоем пластин - (2).

Как можно видеть из графика, изображенного на рис. 24, введение дополнительного слоя пластин между "шляпками грибов" и земляной плоскостью, резонансная частота фильтра сместилась в сторону меньших частот. Резонансная частота модифицированного фильтра составляет 3.9 ГГц. При этом величины затухания на резонансной частоте составляет 55.3 дБ. Ширина рабочей полосы на уровне затухания 53.5 дБ остается без изменений - 130 МГц.

 

.4 Выводы по результатам моделирования


В результате проведённого моделирования получены характеристики фильтра на грибовидном метаматериале. Полученная характеристика S21 подтверждает его резонансную природу. Исследовано влияние габаритных размеров элементов метаматериала на его частотные характеристики. Подтверждено, что уменьшение размеров элементов приводит к сдвигу резонансной кривой в сторону меньших частот. Аналогичный эффект наблюдается при вводе в фильтр дополнительного слоя металлических платин.

Таким образом, в результате проведения моделирования устройства были изучены его передаточные параметры и способы перестройки фильтра.

 

Выводы по работе


Основным результатом данной работы является выполнение задачи исследования малогабаритного развязывающего фильтра на метаматериале грибовидного типа. В ходе выполнения это задачи также были реализованы следующие задачи:

.     Изучение принципа работы и конструктивных особенностей микрополосковых фильтров СВЧ, их параметров.

2.       Изучение физических основ работы метаматериала, типов метаматериалов и особенностей их применения в технике СВЧ.

.        Разработка модели малогабаритногоразвязывающего фильтра на метаматериале грибовидного типа.

В работе исследованы существующие реализации фильтров СВЧ на основе микрополосков и метаматериала грибовидного типа. Изучен расчет таких фильтров и методы их расчета. Рассмотрены различные факторы, влияющие на работу данного класса приборов и определяющие ограничения его реализации. На основе изученного теоретического обоснования работы фильтра на метаматериле грибовидного типа создана его модель в программе CST MICROWAVE OFFICE.

В результате расчета созданной модели получены характеристики фильтра предложенной топологии и исследованы факторы, влияющие на их изменение.

Список литературы


1.   Yongmin Liu, Xiang Zhang, "Metamaterials: a new frontier of science and technology" Chem. Soc. Rev., 2011,40, 2494-2507. DOI: 10.1039/C0CS00184H

2.       Веселаго В.Г. // УФН. 1967. Т. 92. Вып. 3. С. 517-526.

.        Вендик И.Б.,Вендик О.Г. // Метаматериалы и их применение в технике сверхвысоких частот (Обзор)// Журнал технической физики, 2013, том 83, вып. 1 - С. 3-28.

4.       J. B. Pendry, A. J. Holden, W. J. Stewart and I. Youngs, Phys. Rev. Lett., 1996, 76, p. 4773-4776.

5.       Pendry J.B., Holden A.J., Robbins D.J., Stewart W.J. // IEEE Trans. Microw. Theory. Tech. 1999. Vol. 47. N 11. P. 1075-1084.

6.       Pendry J.B., Holden A.J., Robbins D.J., Stewart W.J. // J. Phys. Cond. Matter. 1998. Vol. 10. P. 4785-4809.

7.       Gurwinder Singh, Rajni, Anupma Marwaha, "A Review of Metamaterials and its Applications" International Journal of Engineering Trends and Technology (IJETT) - Volume 19 Number 6 - Jan 2015, p. 305-310, 2015

.        Benedikt A. Munk Frequency Selective Surfaces: Theory and Design, ISBN: 978-0-471-37047-5, 440 p., 2000

.        Jeremiah P. Turpin, Jeremy A. Bossard, Kenneth L. Morgan, Douglas H. Werner and Pingjuan L. Werner, "Reconfigurable and Tunable Metamaterials: A Review of the Theory and Applications" International Journal of Antennas and Propagation Volume 2014, Article ID 429837, 18 pages, 2014

10.     Конструирование и расчет полосковых устройств. Учебное пособие для вузов. Под редакцией чл.-корр. Академии наук БССР проф. И.С. Ковалева. М., "Сов. Радио", 1974

.        Малорацкий Л.Г., Явич Л.Р. // Проектирование и расчет СВЧ элементов на полосковых линиях. М., "Советское радио", 1972, 232 стр

.        Сазонов Д.М. и др. // Устройства СВЧ: Учеб. пособие/Под ред. Д.М. Сазонова. - М.: Высш. Школа, 1981. -295 с., ил.

13.     A. K. Tiwary and N. Gupta, "Design of Compact Coupled Microstrip Line Band Pass Filter with Improved Stopband Characteristics", Progress In Electromagnetics Research C, Vol. 24, 97-109, 2011

14.     Патент RU 2209492

.        Авт. св. СССР 886106 Н 01 Р 1/205, опублик. 1981

.        С.А. Кершис, А.И. Гомонова // Микрополосоковые резонаторы с некратными частотами и полосовые фильтры на их основе, Санкт-Петербургский государственный электротехнический университет "ЛЭТИ" им. В.И. Ульянова (Ленина)

.        П.Ю. Сергиенко, Ю.В. Прокопенко, Ю.М. Поплавко // Полосно-пропускающие и полосно-заграждающие фильтры СВЧ на основе микрополоскового шлейфа с перестройкой резонансной частоты

.        Б.Б. Працюк, Ю.В. Прокопенко, канд. техн. наук, К.Г. Савин, П.Ю. Сергиенко // Перестраиваемые фильтры СВЧ на основе микрополосковой линии

19.     Microstrip Filters for RF/Microwave Applications. Jia-Sheng Hong, M. J. Lancaster Copyright © 2001 John Wiley & Sons, Inc. ISBNs: 0-471-38877-7 (Hardback); 0-471-22161-9 (Electronic)

.        Пафомов В.Е. // ЖЭТФ. 1956. Т. 30. С. 761; Т. 33. С. 1074; 1959. Т. 36. С. 1853-1858.

.        Сивухин Д.В. // Опт. и спектр. 1957. Т. 3. Вып. 3. С. 308.

.        Силин Р.А. // Вопросы радиоэлектроники. Сер. 1. 1959. Вып. 4. С. 3-33; Радиотехника и электроника. 1960. Т. 5. Вып. 4. С. 688-691.

23.     D.R. Smith et al. Composite Medium with Simultaneously Negative Permeability and Permittivity - Physical Review Letters, Vol. 84, № 18, 1 May 2000, p. 4184-4187.

24.     USA Patent № 6791432B2

26.     Metamaterials Handbook: Vol. I. Phenomena and Theory of Metamaterials. 926 p. Vol. II. Applications of Metamaterials. 724 p. / Ed. by F. Capolino CRC Press, Taylor & Francis Group, 2009.

.        Benedikt A. Munk Metamaterials: Critique and Alternatives, ISBN: 978-0-470-37704-8, 189 p., 2009

28.     Dan Sievenpiper, Member, IEEE, Lijun Zhang, Romulo F. Jimenez Broas, Nicholas G. Alex´opolous, Fellow, IEEE, and Eli Yablonovitch, Fellow, IEEE, "High-Impedance Electromagnetic Surfaces with a Forbidden Frequency Band" IEEE TRANSACTIONS ON MICROWAVE THEORY AND TECHNIQUES, VOL. 47, NO. 11, NOVEMBER 1999, p. 2059-2074, 1999

29.     Фуско В. // СВЧ цепи. Анализ и автоматизированное проектирование: Пер. с англ. - М.: Радил и связь, 1990. - 288 с.: ил.

30.     Weinberg, L., Network Analysis and Synthesis, McGraw Hill, 1962, chapter 11 (Revision published by R. E. Krieger, 1975

31.     Чернушенко А.М. и др. // Конструирование экранов и СВЧ-устройств. Учебник для ВУЗов// М.: Радио и связь, 1983. С. 400.

.        Николаев М. // "Компактные микрополосковые фильтры с повышенной селективностью", Современная электроника, №1 2008, стр.28-30

.        Курушин А.А., Пластиков А.Н. // Проектирование СВЧ устройств в среде CST Microwave Studio. - М. Издательство МЭИ, 2011, 155 с.

.        Кухаренко А.С., Елизаров А.А. Анализ физических особенностей метаматериалов и частотно-селективных СВЧ-устройств на их основе // T-Comm: Телекоммуникации и транспорт. - 2015. - Том 9. - №5. - С. 36-41.

Похожие работы на - Проектирование малогабаритного развязывающего фильтра

 

Не нашли материал для своей работы?
Поможем написать уникальную работу
Без плагиата!
Без нейросетей!