Цифровой вольтметр на основе аналого-цифрового преобразователя микропроцессора ADUC842

  • Вид работы:
    Курсовая работа (т)
  • Предмет:
    Информатика, ВТ, телекоммуникации
  • Язык:
    Русский
    ,
    Формат файла:
    MS Word
    112,06 Кб
  • Опубликовано:
    2017-11-14
Вы можете узнать стоимость помощи в написании студенческой работы.
Помощь в написании работы, которую точно примут!

Цифровой вольтметр на основе аналого-цифрового преобразователя микропроцессора ADUC842















ЦИФРОВОЙ ВОЛЬТМЕТР НА ОСНОВЕ АЦП МИКРОПРОЦЕССОРА ADUC842

Курсовая работа по курсу

«Микропроцессоры и цифровая обработка сигналов»











Содержание

Задание на курсовой проект

Введение

. Аналитический обзор

. Разработка структурной схемы устройства

. Описание принципиальной схемы

. Программное обеспечение

.1 Секция деклараций

.2 Инициализация микропроцессора

.3 Основной цикл

Заключение

Список использованных источников

Приложения

электрический декларация микропроцессор программный

Задание на курсовой проект

Вариант № 2

Разработать цифровой вольтметр. В качестве АЦП использовать встроенный АЦП микропроцессора ADuC842.

Содержание работы:

Ведение

Аналитический обзор микропроцессоров

Разработка структурной схемы устройства

Разработка принципиальной электрической схемы устройства с описанием назначения каждого элемента.

Разработка программного обеспечения устройства. (Схема алгоритма, программа на языке С. При написании программы обязательно использовать комментарии в каждой строке, описывающие производимые действия).

Заключение

Список литературы.

Введение

В данной работе конструируются цифровой вольтметр на основе ЦАП микропроцессора ADuC842.

Микроконтроллер реализует измерение входного напряжения в виде цифрового кода, преобразование его в двоично-десятичный формат и отображение на индикаторах. В качестве буферной схемы для входного сигнала используется повторитель на операционном усилителе.

Устройство разработано в учебных целях.

. Аналитический обзор

Несмотря на непрерывное развитие и появление все новых и новых 16- и 32-разрядных микроконтроллеров и микропроцессоров, наибольшая доля мирового микропроцессорного рынка и по сей день остается за 8-разрядными устройствами. Среди всех 8-разрядных микроконтроллеров семейство 8051 является несомненным лидером по количеству разновидностей и числу компаний, выпускающих его модификации. Важную роль в достижении такой высокой популярности сыграла открытая политика фирмы INTEL - родоначальницы архитектуры, направленная на широкое распространение лицензий на ядро 8051 среди ведущих полупроводниковых компаний мира.

В результате на сегодняшний день существует более 200 модификаций микроконтроллеров семейства 8051, выпускаемых примерно 20 компаниями. Эти модификации включают в себя кристаллы с широким спектром периферии: от простых 20-выводных устройств с одним таймером и 1К программной памяти до сложнейших 100-выводных кристаллов с 10-разрядными АЦП, массивами таймеров-счетчиков, аппаратными 16-разрядными умножителями и 64К программной памяти на кристалле. Каждый год появляются все новые варианты представителей этого семейства. Основными направлениями развития являются: увеличение быстродействия (повышение тактовой частоты и переработка архитектуры), снижение напряжения питания и потребления, увеличение объема ОЗУ и FLASH-памяти на кристалле с возможностью внутрисхемного программирования, введение в состав периферии микроконтроллера сложных устройств типа системы управления приводами, CAN- и USB-интерфейсов и т. п.

Основные производители клонов 51-го семейства в мире - фирмы PHILIPS, SIEMENS, INTEL, ATMEL, DALLAS, TEMIC, OKI, AMD, MHS, GOLD STAR, WINBOND, SILICON SYSTEMS и ряд других.

Микроконтроллеры фирмы Intel

Фирма INTEL является основательницей архитектуры MCS-51, получившей свое название от первого представителя этого семейства - микроконтроллера 8051, выпущенного в 1980 г. на базе технологии HMOS. Удачный набор периферийных устройств, возможность гибкого выбора внешней или внутренней программной памяти и приемлемая цена обеспечили этому устройству успех на рынке. С точки зрения технологии, микроконтроллер 8051 был для своего времени очень сложным изделием - в кристалле использовалось 128 тыс. транзисторов, что в 4 раза превышало количество транзисторов е 16-разрядном микропроцессоре 8086.

Основные элементы базовой архитектуры:

• 8-разрндное АЛУ на основе аккумуляторной архитектуры;

• 4 банка регистров, по 8 в каждом;

• встроенная память программ 4 кбайт;

• внутреннее ОЗУ 128 байт; булевый процессор;

• два 16-разрядных таймера;

• контроллер последовательного канала (UART);

• контроллер обработки прерываний с 2 уровнями приоритетов;

• четыре 8-разрядных порта ввода/вывода, два из которых используются в качестве шины адреса/данных для доступа к внешней памяти программ и данных;

• встроенный тактовый генератор.

Затем был выпущен микроконтроллер 80С52 с увеличенным объемом памяти программ и данных на кристалле, третьим таймером с функциями выборки и сравнения и соответственно расширенным контроллером прерывания

Следующим принципиальным шагом в развитии MCS-51 стал перевод технологии изготовления на CHMOS. Это позволило реализовать режимы Idle и Power Down, в результате чего резко снизилось энергопотребление кристалла и открылась дорога к применению микроконтроллера в энергозависимых приложениях, например в автономных приборах с батарейным питанием.

И последним принципиальным этапом развития этого направления фирмой INTEL в рамках 8-бит архитектуры стал выпуск микроконтроллеров 8xC51FA/FB/FC, обозначающихся часто для краткости 8xC51FX. Главная отличительная особенность этой группы кристаллов - наличие у них массива программируемых счетчиков (РСА).

В настоящее время сама фирма INTEL, устремленная на рынок Pentium-процессоров, сворачивает производство кристаллов MCS-51. Для разработчика этот факт может остаться и незамеченным, если только он не использует микроконтроллеры 8xC51GB и 80C152Jx - эти кристаллы не имеют точных аналогов среди изделий других фирм. Что же касается всех остальных микроконтроллеров семейства MCS-51, все они многократно растиражированы другими компаниями-производителями микроконтроллеров, и уход INTEL с рынка микроконтроллеров никак не скажется, поскольку она давно уже не играет на нем ведущую роль.

Микроконтроллеры фирмы Philips

Фирму PHILIPS можно по праву назвать ведущей по количеству выпускаемых ею модификаций семейства 8051 - их более 100. Выпускаются микроконтроллеры в корпусах с числом выводов от 24 до 80, с тактовыми частотами до 40 МГц и напряжением питания от 1,8 В. Во всех этих устройствах используется стандартное ядро MCS-51, поэтому все временные и функциональные характеристики полностью соответствуют характеристикам микроконтроллеров INTEL. Фирма PHILIPS значительные усилия направила на интегрирование широкого спектра периферийных устройств на базе ядра 8051.

Основные элементы периферии PHILIPS:

• АЦП с точностью преобразования 10 разрядов;

• широтно-импульсные модуляторы;

• массивы программируемых счетчиков-таймеров;

• интерфейсы I2С, CAN;

• интерфейсы с процессорными шинами;

• EEPROM и FLASH на кристалле;

• специализированная периферия для телевизионной, видео- и аудиотехники.1997 г. фирма PHILIPS переводит стандартные микроконтроллеры групп 80С51. 80С52/54/58 и 80C51FX на новую технологию, названную new-and-improved (новая и улучшенная). После модернизации у хорошо известных кристаллов появляются новые возможности:

. Максимальная тактовая частота кристаллов увеличена до 33 МГц.

. Расширен диапазон напряжения питания от 2,7 до 5,5 В.

. Количество аппаратных уровней прерываний увеличено до 4.

. Во все кристаллы введена функция программируемого clock-out.

. UART заменен на улучшенный (enhanced).

. Добавлена функция снижения электромагнитных помех (Lower EMi).

. Добавлен второй DPTR.

Потребление энергии питания микроконтроллера снижено на 50%. В сочетании с 3-В питанием это может дать экономию до 75% по сравнению с предыдущими образцами.

Кроме того, фирма PHILIPS выпустила группу микроконтроллеров RX+. По сути это дальнейшее развитие группы FX с расширенным объемом внутреннего ОЗУ (512 байт, 1 кбайт) и программной памяти (до 64К). Группа RX+ обладает всеми возможностями, предоставляемыми технологией new-and-improved.

Микроконтроллеры с FLASH-па мятью

В 1997 г. фирма взяла четкий курс на развитие FLASH-технологии в производстве микроконтроллеров. Oтчасти это вызвано высокими технологическими возможностями PHILIPS, отчасти успехами конкурентов, в первую очередь ATMEL. Несмотря на то, что FLASH-память дороже EPROM в производстве, в конечном итоге фирме будет выгоднее поддерживать единый технологический процесс. В настоящее время все выпускаемые микроконтроллеры переведены на FLASH-технологию.

Микроконтроллеры семейства 80С51ХА

Как уже отмечалось, фирма PHILIPS предложила свое оригинальное решение по развитию архитектуры семейства 8051, выпустив семейство микроконтроллеров с индексом 51ХА, что буквально переводится, как расширенная архитектура 51. Разработчики фирмы отказались от достижения совместимости кодов инструкций нового микроконтроллера с существующим ядром семейства 8051. Такое решение, с одной стороны, сделало невозможным прямую подмену микроконтроллера семейства 8051 на 51ХА, но, с другой, сосредоточило усилия разработчиков для кардинальной переработки архитектуры на основе полноценного 16-разрядного ядра.

Основные характеристики семейства 8051ХА (табл. 5):

• 16-разрядное АЛУ на базе регистровой архитектуры;

• 24-разрядное адресное пространство (16 Мбайт) для памяти программ и данных;

• восемь 16-разрядных регистров для выполнения арифметических и логических операций;

• расширенный набор инструкций;

• аппаратная поддержка мультизадачности;

• выполнение инструкций типа регистр - регистр за 100 нс;

• напряжение питания - от 2,7 В.

Почему же этот совершенно оригинальный микроконтроллер относится к семейству 8051? Как уже упоминалось, программное обеспечение 8051 напрямую непереносимо на ХА. Однако каждой инструкции 8051 обязательно соответствует ее аналог среди инструкций ХА. Этот принцип использован в специальной программе - трансляторе исходного текста на ассемблере 8051 в исходный текст для ассемблера ХА. Это позволяет говорить о совместимости ХА с 8051 по исходному тексту. Кроме того, а ХА реализована такая же структура памяти, как и в 8051. что оставляет неизменными способы обращения к памяти программ, данных, регистрам специального назначения, применявшиеся в программах для семейства 8051, и обеспечивает совместимость с микроконтроллерами 8051 на уровне аппаратуры.

По расчетам PHILIPS, архитектура ХА обеспечивает увеличение быстродействия до 100 раз по сравнению с традиционной архитектурой 8051.

Микроконтроллеры фирмы Siemens

Фирма SIEMENS внесла несомненное своеобразие в развитие семейства 8051: среди микроконтроллеров этой серии ее устройства - самые сложные в мире. Наряду с выпуском стандартных кристаллов, совместимых с 8051, 8052, SIEMENS разработала совершенно оригинальные модификации, нашедшие свое широкое применение в качестве индустриальных high-end микроконтроллеров.

Среди наиболее интересных периферийных разработок SIEMENS:

• 10-раэрядные АЦП;

• 6-канальный 10-разрядный ШИМ для управления электродвигателями постоянного тока;

• 29-канальный ШИМ;

• 8 DPTR;

• аппаратные блоки умножения 16x16 и деления 32/16;

• блок загрузчика программной памяти (Bootstrap).

Совершенствуя технологию производства, фирма перевела все свои микроконтроллеры 51 семейства, первоначально использовавшие лицензионное ядро фирмы INTEL, на свое собственное ядро, после чего серия стала обозначаться как С500. Новая технология позволила повысить тактовые частоты микроконтроллеров, но в целом ядро осталось по сути прежним. Все временные характеристики периферии и циклограммы шины адреса/данных полностью соответствуют характеристикам микроконтроллера 8051 фирмы INTEL.

Микроконтроллеры фирмы Atmel

Сильная сторона фирмы ATMEL - это FLASH-технология. Владея ею в совершенстве, компания строит свою политику на внедрении FLASH в наиболее популярные микросхемы, использовавшие до этого технологию EPROM: микросхемы памяти, программируемую логику и микроконтроллеры. Тот факт, что в качестве первого кандидата для прорыва к рынку микроконтроллеров, где господствовали такие гиганты, как PHILIPS, SIEMENS, INTEL, MOTOROLA, MITSUBISHI и др., фирма ATMEL избрала микроконтроллер 8051, свидетельствует об исключительно высокой популярности этого кристалла. ATMEL - самая молодая и динамичная компания среди всех, выпускающих микроконтроллеры 51 семейства. Она предложила невероятно низкие цены на свою продукцию и быстро завоевала высокую популярность на рынке микроконтроллеров. Начиная с 1995 г., фирма ежегодно удваивает объемы продаж своих микроконтроллеров 51 семейства. Среди оригинальных разработок ATMEL

• 20-выводные микроконтроллеры 89C205I/1051, открывшие дорогу микроконтроллерам 51 семейства в сферу "1-долларовых" приложений;

• микроконтроллеры с каналом SPI, обеспечивающие возможность внутрисхемного программирования FLASH. Эта функция может быть очень удобна в производстве, когда программирование микросхем осуществляется уже после их монтажа. Особенно это важно для мелкосерийного производства, так как позволяет постоянно совершенствовать программное обеспечение без изменения аппаратуры;

• внутренняя память данных на базе EEPROM, обеспечивающая хранение оперативных данных при отключенном питании микросхемы.

Микроконтроллеры фирмы Dallas SemiconductorMicrocontrollers

Фирма DALLAS SEMICONDUCTOR в первую очередь получила известность среди производителей семейства 8051 своей серией DS5000, которая еще называется Soft Microcontrollers. Оригинальность решения заключается в том, что для увеличения объема памяти используется RAM большой емкости (128 кбайт), а ее энергонеэависимость обеспечивается литиевой батарейкой, встроенной непосредственно в корпус микросхемы. Фирма дает 10-летнюю гарантию на сохранность информации в ОЗУ микроконтроллера. Устройства выполнены на базе стандартного ядра 8051, поэтому его временные характеристики полностью идентичны характеристикам микроконтроллера 8051.

Высокоскоростные микроконтроллерыSEMICONDUCTORS первой попыталась усовершенствовать архитектуру семейства 8051. Явно слабое место базовой архитектуры - неэффективная диаграмма выборки, дешифрирования и выполнения инструкций. Например, команда MOV A, Rx выбирается и выполняется 51-м микроконтроллером за 6 тактов, а в следующих 6 тактах происходит холостая выборка инструкции по следующему адресу. В результате на такую инструкцию микроконтроллер затрачивает 12 тактов тактового генератора. Специалисты фирмы переработали ядро микроконтроллера таким образом, что типовой цикл выборки команд сократился до 4 тактов, а холостые выборки исключены. Таким образом, команда MOV A, Rx стала выполняться за 4 такта тактового генератора, г. е. в 3 раза быстрее. Выполнение команд 8051, не имевших холостых выборок, в новом микроконтроллере ускорилось в 1,5 раза.

Новое семейство микроконтроллеров получило название High-Speed Microcontroller (табл. 9). Важным достоинством нового семейства явилось то, что для перевода традиционной микроконтроллерной системы на High-Speed Microcontroller достаточно вытащить из платы микроконтроллер 8051 и взамен него установить микросхему DALLAS. И все! Конечно, в конкретных случаях могут возникать проблемы перехода, связанные в первую очередь с изменением циклограммы отработки программы, что может привести к рае-синхронизации с внешней средой микроконтроллера. В этом случае потребуется вмешательство программиста.

Микроконтроллер ADuC842 фирмы Analog Devicesявляется функционально законченным контроллером интеллектуальных датчиков и включает в себя высококачественный многоканальный АЦП с самокалибровкой, два ЦАП и быстрый (20 МГц) с одноцикловым выполнением команд 8-ми-разрядный программируемый микроконтроллер на одном кристалле (с системой команд МК 8051). Устройство работает с внешним кварцевым резонатором 32КГц, при этом, внутренняя система ФАПЧ преобразует эту частоту в высокую - 20 МГц. Далее высокая частота пропускается через программно-управляемый делитель, выходная частота с которого используется в качестве основной тактовой частоты МК. Ядром МК является контроллер 8052, обеспечивающий пиковую производительность до 16 MIPS. На кристалле располагается 62К байт энергонезависимой Flash/EE памяти программ, а также 4К байт энергонезависимой Flash/EE памяти данных, 256 байт памяти с произвольным доступом и 2К байта расширенной памяти с произвольным доступом.

В состав ADuC842 включены дополнительные аналоговые устройства: два 12-ти разрядных ЦАП, монитор источника питания и ИОН по запрещенной зоне. Дополнительными цифровыми устройствами ИС являются: два 16-ти разрядных IA ЦАП, два 16-ти разрядных ШИМ-модулятора, сторожевой таймер, счетчик временных интервалов, три счетчика/таймера и три порта последовательного обмена (SPI I2C и UART).

Для обеспечения совместимости по входным контактам с ИС младших моделей (ADuC812, ADuC832) интерфейсы I2C и SPI изделия могут использовать одни и те же контакты внешнего подключения. Однако существует возможность использовать для этой цели разные контакты (I2C - РЗ.З, Р3.4, a SPI - стандартные).

Заводское ПЗУ МК позволяет выполнять загрузку программного обеспечения и его отладку через последовательный порт UART, а также выполнять эмуляцию через единственный контакт устройства - ЕА. На рисунке 1.1 приведена функциональная блок-схема ADuC842.

Устройство специфицировано для работы с источниками плюс 3 В и 5 В с максимальной рабочей частотой 20 МГц.

Рисунок 1.1 - Функциональная схема микроконтроллера ADuC842

Работа встроенного АЦП

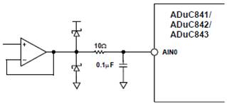
АЦП работает по принципу последовательного приближения (SAR) с сохранением измеряемого напряжения во внутреннем конденсаторе. На рисунке 1.2 показана схема входных цепей аналогового ввода. Преобразование делится на две фазы в соответствии с положением переключателей на рисунке 1.2. На стадии выборки напряжения (переключатели SW1 и SW2 в положении «TRACK») заряд, пропорциональный напряжению на аналоговом входе, переносится в конденсатор выборки. Во время фазы преобразования (переключатели в положении «HOLD») напряжение на конденсаторе сравнивается с напряжением, формируемым с помощью регистра последовательного приближения и ЦАП. Когда оба эти напряжения сравняются, содержимое регистра последовательного приближения фиксируется в регистрах данных АЦП.

Рисунок 1.2 - Входные цепи АЦП

Когда выбирается новый вход АЦП, заряд на конденсаторе остаётся неизменным с предыдущего измерения, поэтому новый источник должен обладать достаточным током, чтобы перезарядить конденсатор. Соответствующее время перезарядки определяется программой пользователя. Ускорение перезарядки можно обеспечить повторителем на мощном операционном усилителе, через который сигнал подключается ко входу АЦП. Чтобы АЦП работал правильно в любых программных конфигурациях, необходимо обеспечить перезарядку конденсатора ёмкостью 32 пФ за время не более 300 нс. Рекомендуемая схема подключения аналогового сигнала ко входу АЦП показана на рисунке 1.3.

Рисунок 1.3 - Рекомендуемая схема подключения аналогового сигнала ко входу АЦП

фильтр используется для устранения высокочастотных помех. Его граничная частота слишком высока, чтобы как-то повлиять на измеряемое напряжения при выборке с частотой 200 кГц. Кроме того, конденсатор создаёт запас по заряду из которого внутренний конденсатор ёмкостью 32 пФ может быстро подзаряжаться при выборке. Емкость конденсатора выбрана так, чтобы при перезарядке от него внутреннего конденсатора АЦП напряжение на нём изменялось не более чем на 1/4096 от исходного (один интервал дискретизации при 12-битном преобразовании).

Диоды во входной цепи ограничивают входное напряжение, чтобы избежать перегрузок АЦП по входу. В них нет необходимости, если выходной сигнал операционного усилителя не выходит за пределы допустимых входных напряжений АЦП.

Операционный усилитель необходим, если источник сигнала имеет высокое выходное сопротивление. Для правильной работы АЦП выходное сопротивление источника не должно превышать 61 Ом.

На рисунке 1.3 операционный усилитель используется в качестве повторителя (коэффициент передачи равен 1), однако соответствующими обратными связями можно обеспечить любой необходимый коэффициент передачи. Его можно также использовать для смещения уровня измеряемого напряжения.

Источник опорного напряжения

Микроконтроллер имеет встроенный источник опорного напряжения величиной 2,5 В. В случае необходимости его можно использовать в качестве опорного сигнала для внешних цепей (выход CREF) с соответствующей буферизацией. Можно также использовать внешний источник опорного напряжения, подключённый ко входу CREF, при этом значение бита ADCCON1.6 в управляющем регистре АЦП должно быть равно 1 (по умолчанию оно равно 0, что соответствует использованию внутреннего источника).

Конфигурирование АЦП

Тактовая частота устройства последовательного приближения АЦП получается путём деления системной тактовой частоты. Чтобы обеспечить нормальную работу АЦП, его тактовая частота должна находиться в пределах от 400 кГц до 8,38 МГц. Полное время преобразования АЦП равно 16 периодам его тактового сигнала, не считая времени, которое необходимо для выборки сигнала во внутренний конденсатор и может быть установлено в пределах 1…4 периодов тактовой частоты АЦП.

Управляющий регистр ADCCON1

Регистр ADCCON1 управляет временными соотношениями процессов выборки и преобразования. Адрес этого регистра 0EFH, содержимое по умолчанию - 40H. Битовые операции с регистром не предусмотрены.

Назначение битов регистра показано в таблице 1.1.

Таблица 1.1 - Назначение битов регистра ADCCON1

Бит

Мнемоника

Назначение

7

MD1

0 = АЦП выключен 1 = АЦП включён

6

EXT_REF

0 = Внутренний источник опорного напряжения 1 = Внешний источник опорного напряжения

5 4

Коэффициент деления при получении тактового сигнала АЦП из системного тактового сигнала 00 = 32, 01 = 4, 10 = 8, 11 = 2.

3 2

AQ1 AQ0

Число тактов выборки входного напряжения 00 = 1 такт, 01 = 2 такта, 10 = 3 такта, 11 = 4 такта.

1

T2C

Использование таймера 2 для запуска АЦП 0 = Не использовать 1 = Использовать

0

EXC

Использование внешнего сигнала (вход P3.5) для запуска АЦП 0 = Не использовать 1 = Использовать


Управляющий регистр ADCCON2

Регистр ADCCON2 управляет выбором каналов АЦП и режимом преобразования. Адрес этого регистра 0D8H, содержимое по умолчанию - 00H. Разрешены битовые операции с регистром.

Назначение битов регистра показано в таблице 1.2.

Таблица 1.2 - Назначение битов регистра ADCCON2

Бит

Мнемоника

Назначение

7

ADCI

Бит прерывания от АЦП.

6

DMA

Режим прямого доступа к памяти.

5

CCONV

1 = Непрерывное преобразование.

4

SCONV

1 = Одиночный цикл преобразования.  Автоматически сбрасывается в конце цикла.

3 2 1 0

CS3 CS2 CS1 CS0

0000…0111 = номер выбранного канала АЦП (0…7).



. Разработка структурной схемы устройства

Рисунок 2.1 - Структурная схема источника напряжения

Благодаря тому, что все основные функции устройства возложены на микропроцессор, функциональная схема значительно упрощается (рисунок 2.1).

Входное устройство представляет собой повторитель напряжения на операционном усилителе и предназначено для согласования входного сигнала с АЦП. Микроконтроллер с помощью внутреннего АЦП преобразует входное напряжение в цифровой код, преобразует его и через параллельный порт подаёт на индикаторы.

. Описание принципиальной схемы

Принципиальная схема устройства приведена в приложении А.

Элемент DD1 представляют собой микроконтроллер. Кварцевый резонатор ZQ1 и конденсаторы C3 и C4 составляют времязадающую цепь тактового генератора микроконтроллера. Емкость C5 и резистор R1 обеспечивают сброс микроконтроллера при включении питания.

Конденсаторы C1 и C2 предназначены для фильтрации низкочастотных и высокочастотных помех соответственно.

Входной сигнал с разъёма X1 через повторитель на операционном усилителе (ОУ) DA1 поступает на линию P1.4 микроконтроллера и далее обрабатывается программно.

С входного разъёма также берётся питание микроконтроллера, и напряжения ±15 В, которые используются как питание ОУ.

В техническом задании не сказано, каков диапазон входных напряжений источника. Полагаем, что напряжение имеет положительную полярность, и его верхнее значение совпадает с опорным напряжением, то есть входное напряжение меняется в диапазоне 0…2,5 В.

Также в техническом задании не указана точность измерения. Считаем, что она равна 0,1 В, то есть для индикации напряжения необходимы две значащие цифры.

Отображаемое значение напряжения выводится через порт P0 и поступает на семисегментные индикаторы HL1, HL2 через дешифраторы DD2, DD3.

. Программное обеспечение

Программное обеспечение для микроконтроллера написано на языке С51.

Исходный код программы помещён в приложении Б. Блок-схема программы приведена на рисунке 4.1.

Программа состоит из двух основных частей: команд инициализации микропроцессора и бесконечного цикла считывания входной информации и выдачи данных на индикатор.

Рисунок 4.1 - Схема алгоритма функционирования устройства

.1 Секция деклараций

В начале программы помещена секция деклараций, которая осуществляет следующие функции:

. Включает в программу стандартные библиотеки С51 и стандартные описания регистров и битовых переменных микропроцессоров семейства 52:

#include <stdio.h>

#include <REG52.h>

. Описывает внутренние переменные программы:int V

Переменная V предназначена для считывания результата измерения и его преобразования.

. Описывает регистры, отсутствующие в файле стандартных описаний REG52.h.ADCCON1 = 0xEF; // Регистр 1 управления АЦП ADCCON2 = 0xD8; // Регистр 2 управления АЦП ADCDATAL = 0xD9; // Регистр результата, младший байт ADCDATAH = 0xDA; // Регистр результата, старший байтSCONV = 0xDC; // Бит запуска преобразования

.2 Инициализация микропроцессора

Для правильной работы микропроцессора необходимо задать различные параметры его работы. В данном случае необходимо установить режим работы АЦП.

Вначале выбираем номер линии порта P1, на которую будет подаваться входной сигнал (в нашем случае - линия 4).=0x04; // Выбрать 4-й канал

Далее осуществляем настройку АЦП и включаем его.=0x8C; // Включить АЦП (делитель 32, выборка 4 такта)

.3 Основной цикл

Основной цикл представляет собой бесконечное повторение запусков АЦП, считывания результатов измерения и вывода его на индикаторы.(1){ // Бесконечный цикл=1; // Запуск АЦП(SCONV); // Ожидание конца преобразования

// Приведение в диапазон 0...25=(((ADCDATAH % 16)<<8)+ADCDATAL)*0.0061;

// Перевод в двоично-десятичный формат=(V/10)<<4+V%10;=V; // Вывод на индикаторы

}

АЦП запускается путём установки бита SCONV управляющего регистра. Пока преобразование идёт, этот бит остаётся установленным, а когда процесс заканчивается, контроллер сам сбрасывает этот бит в 0. Поэтому ожидание окончания преобразования сводится к последовательному опросу бита SCONV пока он не обнулится.

Вывод полученного числа на индикаторы осуществляется простой записью полученного результата в регистр P0.

Заключение

В процессе выполнения курсовой работы разработан программно вольтметр на основе микроконтроллера AduC842.

Микроконтроллер реализует измерение входного напряжения в виде цифрового кода, преобразование его в двоично-десятичный формат и отображение на индикаторах. В качестве буферной схемы для входного сигнала используется повторитель на операционном усилителе.

Получен опыт разработки электронных систем на основе микроконтроллеров и опыт написания программ для микроконтроллеров на языке С.

Список использованных источников

1. ADuC841/ADuC842/ADuC843. MicroConverter® 12-Bit ADCs and DACs with Embedded High Speed 62-kB Flash MCU. - Analog Devices, 2013. - [Электронный ресурс]. URL: http://www.analog.com/media/en/technical-documentation/data-sheets/ADUC841_842_843.pdf

. Резисторы: Справочник / В.В. Дубровский, Д.М. Иванов, Н.Я. Пратусевич и др.; Под. ред. И.И. Четверткова и В.М. Терехова. - 2-е изд., перераб. и доп. - М.: Радио и связь, 1991. - 528 с.: ил.

. Справочник по электрическим конденсаторам / М.Н. Дьяконов, В.И. Карабанов, В.И. Присняков и др.; Под. ред. И.И. Четверткова и В.Ф. Смирнова. - М.: Радио и связь, 1983. - 576 с.: ил.

. Интегральные микросхемы: Операционные усилители. Обзор. - М.: ДОДЭКА, 1994. - 48 с.

. Интегральные микросхемы: Операционные усилители. Т. 1. - М.: Физматлит, 1993. - 240 с.

. Лурье М.С., Лурье О.М. Электротехника и электроника. Промышленная электроника. Учеб. пособие. - Красноярск: СибГТУ, 2012. - 110 с.

Приложение А

000001.001 Э3. Источник напряжения. Схема электрическая принципиальная.

Приложение Б

Текст программы

#include <stdio.h> // Подключение стандартной библиотеки С

#include <REG52.h> // Подключение стандартных описаний MCS-52int V; // Переменная для хранения считанного кода

// Описание регистров ЦАП и их адресаADCCON1 = 0xEF; // Регистр 1 управления АЦП ADCCON2 = 0xD8; // Регистр 2 управления АЦП ADCDATAL = 0xD9; // Регистр результата, младший байт ADCDATAH = 0xDA; // Регистр результата, старший байтSCONV = 0xDC; // Бит запуска единичного преобразования

//==== Главная процедура ====main(void)

{

// Инициализация микропроцессора=0x04; // Выбрать 4-й канал=0x8C; // Включить АЦП (делитель 32, выборка 4 такта)(1){ // Бесконечный цикл=1; // Запуск АЦП(SCONV); // Ожидание конца преобразования

// Приведение в диапазон 0...25=(((ADCDATAH % 16)<<8)+ADCDATAL)*0.0061;

// Перевод в двоично-десятичный формат=(V/10)<<4+V%10;=V; // Вывод на индикаторы

}

}

Похожие работы на - Цифровой вольтметр на основе аналого-цифрового преобразователя микропроцессора ADUC842

 

Не нашли материал для своей работы?
Поможем написать уникальную работу
Без плагиата!
Без нейросетей!