Оценка проектных решений по реставрации объекта культурного значения '3-я городская больница горздравоотдела' в г. Тюмень
Введение
Реставрация объектов культурного наследия, на сегодняшний день, является
важной областью строительства. Сохранение и восстановление памятников
архитектуры напрямую влияет на формирование исторической градостроительной
среды российских городов. Здание Текутьевской больницы представляет ценность
как значимый в архитектурно-художественном отношении элемент исторической
градостроительной среды, являясь составной частью расположенного на территории
старого тюменского (Всесвятского) кладбища ансамбля каменных зданий заповедника
разностилевых (модерн, неоклассицизм, «краснокирпичный стиль») построек
отражающих многообразие направлений в архитектуре начала ХХ века.
Актуальность данной работы заключается в сохранении памятника архитектуры
регионального значения, представляющего значимую историческую ценность для
Тюменской области.
Объектом изучения в дипломном проекте является объект культурного
наследия регионального значения: «3-я городская больница горздравоотдела»,
расположенного по адресу г. Тюмень, ул. Даудельная, 1, литера А, представляющий
собой кирпичное двухэтажное здание.
Предметом исследования является процесс реализации проекта на всех
стадиях его производства.
Целью данного дипломного проекта является оценка проектных решений по
реставрации объекта культурного значения в плане не только организации
строительства, но и в сферах экономики, экологии и права.
Задачами дипломного проекта являются:
Оценка технического состояния объекта до реставрации;
- Оценка конструктивных и объемно-планировочных проектных решений;
- Социально-экономическое обоснование реставрации;
Определение затрат на реставрацию;
План-график поступления денежных средств из бюджета на реставрацию;
Контроль качества ремонтно-строительных работ;
Организационно-техническая подготовка к реставрации;
Описание технологии производимых работ;
Потребность реставрации в основных ресурсах;
Оценка воздействия отходов объектов капитального строительства на
окружающую среду;
Перечень и расчет затрат на реализацию природоохранных мероприятий и компенсационных
выплат;
- Обзор нормативно-правовой базы проекта реставрации;
Проверка договора НИР на соответствие Гражданскому кодексу РФ.
Раздел 1. Технический
Цели и задачи технического раздела: оценка технической возможности
реализации проекта.
Задачи: оценка технического состояния объекта, оценка конструктивных и
объемно-планировочных проектных решений.
1.1 Характеристика объекта
.1.1 Характеристика местоположения
Объект реставрации расположен в историческом центре Центрального
административного округа города Тюмени по ул. Даудельная, 1, Литера А.
Характеристика района:
климатический район - Iв;
средняя температура наиболее холодной пятидневки: -380 С [1];
снеговой район - III [2] с весом снегового покрова Sq=180 кгс/м2;
ветровой район - II [2] с величиной скоростного напора ветра Wo=30кгс/м2;
зона влажности - сухая [2].
1.1.2 Историческая справка
Рисунок 1.1 - Общий вид здания со стороны главного фасада
Здание тюменской городской Текутьевской больницы было построено тюменским
городским головой, купцом первой гильдии, почётным гражданином города Тюмени
Андреем Ивановичем Текутьевым в 1902-1904 гг.
Здание представляет ценность как значимый в архитектурно-художественном
отношении элемент исторической градостроительной среды, являясь составной
частью расположенного на территории старого тюменского (Всесвятского) кладбища
ансамбля каменных зданий заповедника разностилевых (модерн, неоклассицизм,
«краснокирпичный стиль») построек отражающих многообразие направлений в архитектуре
начала ХХ века.
Ранее здание эксплуатировалось в качестве одного из корпусов 3-ей
Городской больницы г. Тюмени. В настоящее время объект культурного наследия
регионального значения не эксплуатируется.
Здание Текутьевской больницы представляет собой ценность как значимый в
архитектурно-художественном отношении элемент исторической градостроительной
структуры, выполненный в «краснокирпичном» стиле, входит в комплекс каменных
построек начала XX века
1.1.3 Характеристика
объемно-планировочного решения
Объект представляет собой кирпичное двухэтажное здание, сложной
конфигурации в плане. Габаритные размеры в плане 36,22х28,29 м. Высота первого
этажа составляет 3,62 м, второго 4,15 м. Подвальные помещения отсутствуют. За
отметку 0,000 принят уровень подоконника первого этажа. Отметка уровня земли
относительно подоконника первого этажа колеблется от - 0,2 до 0,8 м. Отметка
конька крыши здания +9,220 м. С главного входа у здания имеется тамбур. Объект
окончательно заброшен и не эксплуатируется. Объемно-планировочное решение выделяется
развитой симметрией и четкой пространственной композицией, относительно
центральной оси. Помещения здания отличает четкое зонирование и полноценность
объема, отвечающая требованиям медицинского учреждения тех лет.
1.1.4 Характеристика конструктивных решений
Конструктивная схема здания бескаркасная, с продольными и поперечными
несущими стенами.
В здании находится одна лестничная клетка, расположенная в осях “2”-“3”,
которая ведет в помещения второго этажа.
Пространственная жесткость здания обеспечивается продольными и
поперечными несущими стенами, а также системой балок в уровне перекрытий и
конструкцией крыши.
Стены. Наружные несущие стены выполнены из полнотелого глиняного кирпича
обычных для времени строительства размеров: длина 250-260мм, ширина 125-130 мм,
высота 75-85 мм. Разница в размерах обусловлена различными поставщиками
строительства и отсутствием четких стандартов. Стены как наружные так и
внутренние оштукатурены известковым раствором и покрашены известковой краской. Стены
наружные имеют толщину 640 мм практически по всему зданию, но толщина
изменяется в пределах 10 мм. Стены внутренние несущие толщиной 570 мм. Стена по
оси “3” является брандмауэрной. Перегородки в здании, расположены повсеместно и
представляют собой доски сечением 280х50 мм, расположенные вертикально и
покрытые слоями штукатурки с обеих сторон. Внутренняя отделка стен представляет
собой многочисленные слои краски по известковой штукатурке. В некоторых
помещениях отделка выполнена с помощью обоев, а также керамической плитки.
Стены коридоров отделаны панелями ДСП на высоту около 1,5м от уровня пола
соответствующего этажа.
Некоторые дверные и оконные проемы были заложены в период эксплуатации.
Перекрытия. Чердачное перекрытие выполнено следующим образом: несущими
элементами перекрытия служат деревянные балки в виде брусьев сечением 360х360
мм, уложенные с шагом 2,3-2,5 м. Балки опираются с помощью специальных
углублений в стенах на 290 мм с каждой стороны. К балкам снизу в поперечном
направлении прибиты доски сечением 250х45 мм, к которым в свою очередь прибита
дрань, покрытая штукатурным слоем толщиной 20-30 мм. Между балками уложен
шлак(земля) на высоту сечения этих балок.
Перекрытие между первым и вторым этажами выполнено следующим образом:
несущими являются балки в виде брусьев сечением 340х340 мм, уложенные с шагом
1,2-1,7 м. Сверху к брусьям в поперечном направлении прибиты доски сечением
250х40 мм, на которые уложен линолеум. В средней части балок сделаны углубления
40-60 мм, в которые поперек брусьев заведены доски сечением 280х50 мм. Снизу к
балкам в поперечном направлении прибиты доски сечением 200х20 мм, к которым в
свою очередь прибита дрань, покрытая штукатурным слоем толщиной 20-30 мм.
Пространство между верхними и средними, а также между средними и нижними
досками заполнено шлаком.
Конструкция пола первого этажа устроена следующим образом: основанием
является поле из кирпичных столбиков сечением 250х250 мм, заглубленных в землю
на 130-150мм и отстоящих от стен на 100мм. В обоих направлениях расположено по
четыре ряда столбиков. Расстояния между гранями столбиков колеблются от 0,65 м
до 1,1 м. На столбики вдоль комнаты уложены доски сечением 150х45 мм. Поперек
этих досок к ним прибиты другие доски сечением 250х45 мм, на которые в свою
очередь уложен линолеум.
В коридорах на первом этаже пол выполнен из бетона толщиной 150мм.
Крыша здания скатная, вальмовая, комбинированная, сложная в плане. Свес кровли
по отношению к наружным стенам составляет 0,10 м. Высота чердака составляет
2,2-2,25 м в основном объеме, 2,02 м в широкой части крайних крыльев, 1,5-1,62
м в узкой их части, 1,6 м в среднем крыле. В крыше основного здания были
устроены два слуховых окна, ориентированных в сторону противоположную главному
фасаду.
Кровля основной части здания выполнена из стальных листов шириной
0,65-0,9 м, уложенных по всей площади крыши на доски сечением 250х45мм.
Вертикальные и горизонтальные стыки кровли выполнены в виде стоячих фальцев.
Доски в свою очередь уложены на стропильные ноги, выполненные из брусьев сечением
200х200мм.
Несущие элементы крыши основного здания выполнены в виде треугольных
деревянных стропильных конструкций. Конфигурация стропильных конструкций имеет
регулярную основу. Шаг стропильных конструкций составляет 2,3-2,5 м.
Общая пространственная жесткость крыши над зданием обеспечивается за счет
четырехскатной, пространственной геометрической схемы стропильных конструкций
крыши.
Брандмауэрная стена возвышается над крышей на 540 мм.
Сток воды с крыши организован с помощью водосточных воронок.
Лестничная клетка расположены в осях “2”-“3”.Лестничные марши и площадки
выполнены из бетона. Угол подъема лестничных маршей составляет 40-450.
Фундаменты здания мелкого заложения, ленточные выполненные из кирпичной
кладки на известковом растворе. Отметка низа фундаментов составляет - 2,1 м от
уровня подоконника первого этажа. Кирпичная кладка выполнена из глиняного
большеразмерного кирпича на известковом растворе. Толщина кладки до 750 мм.
Архитектурное убранство. Оформление здание строгое, в духе зрелого классицизма.
Крупный масштаб этой постройки, фасад которой истолковывается как протяженная
стена, призванная оформить пространство прилегающей улицы и площади. В
соответствии с эстетическими принципами классицизма, в архитектуре здания
доминируют спокойные четкие линии. Лаконичные глади стен расчленены строгими
горизонтальными кирпичными выступами в виде пилястр, а также высокими по
современным меркам окнами, верхняя часть которых украшена арочными перемычками.
Центр главного фасада выделен тамбуром, над которым возвышается невысокий
треугольный фронтон со скатной крышей. Над окнами выполнены раскреповки. По
периметру окон выполнено специальное кирпичное обрамление.
Кровля здания ближе к карнизу украшена аттиками и столбиками,
расположенными по главному фасаду, а также по боковым фасадам. Объемная
пластика здания подчеркивает статичность и прочность конструкций. Структурная
пластика поверхности стен: наличники окон, замковые камни, горизонтальные
выступы стен, пилястры, аттики, столбики и т. д. придают выразительность
общественному зданию.
Окна и двери в здании были выполнены в виде деревянных рам.
Двери деревянные с массивными полотнами. Высота дверей первого этажа 2,5
м, второго этажа - 2,85м. Высота окон первого этажа 1,97 м, второго этажа -
2,33 м (по фасаду).
1.1.5 Оценка технического состояния объекта до реставрации
Стены и перегородки
В процессе обследования были выявлены следующие дефекты:
- многочисленные силовые трещины по фасаду “4”-“1”. Ширина раскрытия трещин
достигает 5,6 мм;
- повсеместная морозная деструкция кирпичной кладки цокольной
части здания;
- морозная деструкция кирпичной кладки карнизной части здания;
- разрушение и просадка стен тамбура. Ширина раскрытия трещин
достигает 40 мм.
- стены имеют многочисленные механические повреждения;
- доски перегородок покороблены и повреждены, поражены гнилью;
- штукатурный слой как внутренних так и наружных стен утрачен
на 30%, оставшаяся часть находится в неудовлетворительном состоянии;
- повсеместное полное разрушение окрасочного покрытия;
- кладка печных труб сильно повреждена. Некоторые трубы
полностью разрушены;
- выявлено выветривание швов.
- множественные высолы и следы систематического увлажнения,
вследствие разрушения водосточных воронок.
- выявлены незначительные отклонения от вертикали стен и выпучивание
стен.
Состояние наружных и внутренних стен оценивается как
ограниченно работоспособное, износ составляет 50%. [4].
Перекрытия
В процессе обследования были выявлены следующие дефекты :
- чердачное перекрытие имеет большие прогибы. Обнаружены трещины и
многочисленные следы протечек;
- чердачное перекрытие местами отсутствует либо повреждено
прошлым пожаром;
- перекрытия между первым и вторым этажами имеют значительные
прогибы;
- выявлены места разрушения штукатурного слоя;
- в местах опирания несущих балок имеется гниль;
- полы первого этажа имеют множественные трещины и сколы;
- в некоторых местах полностью перекрытия отсутствуют, то есть
разрушены;
- выявлены места поражения досок гнилью;
Общее состояние конструкций перекрытий оценивается как
аварийное, износ составляет 70% [4].
Крыша
В процессе обследования были выявлены следующие дефекты:
- стальные листы крыши повсеместно поражены коррозией;
- выявлены места полного отсутствия кровли;
- поражение гнилью древесины мауэрлата, стропил, обрешетки;
- расслоение древесины, прогиб, разрыв волокон древесины;
Состояние кровли и конструкций крыши оценивается как
аварийное, износ 80% [4].
Лестничные марши
В процессе обследования были выявлены следующие дефекты:
- редкие трещины на ступенях;
- отдельные повреждения перил.
Состояние лестничных маршей работоспособное, износ составляет
20% [4].
Фундаменты и цоколь
В процессе обследования были выявлены следующие дефекты:
- кирпичная кладка фундамента местами деструктирована постоянным процессом
капиллярного движения влаги, кристаллизацией солей;
- наличие высокого культурного слоя до 0,6м, являющегося
накопителем влаги постоянно поддерживает кирпичную кладку стен в водонасыщенном
состоянии.
Состояние фундамента и цоколя - ограниченно работоспособное,
износ 40% [4].
Отмостка
В процессе обследования были выявлены следующие дефекты:
- отмостка здания практически полностью разрушена.
Окна. Двери
В процессе обследования были выявлены следующие дефекты:
Оконные переплеты, коробка и подоконная доска полностью поражены гнилью и
жучком,
Створки не открываются или выпадают;
Все сопряжения нарушены
Дверные коробки местами повреждены или поражены гнилью,
Наличники местами утрачены,
Обвязка полотен повреждена
Физический износ окон и дверей 80%. Двери изношены
значительно больше, чем окна [4].
Вывод: Ощий физический износ объекта составляет 75% [4].
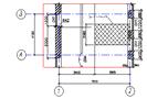
1.1.6 Журнал фотофиксаций
В данном журнале представлены фотографии дефектов с привязкой к схеме
расположения мест фотофиксаций см. рис. 2.
Рисунок 1.2 - Расположение мест фотофиксаций
Описание дефектов (иллюстрация 1): Выявлена морозная деструкция кирпичной
кладки карнизной и цокольной части здания. Причиной деструкции является
интенсивное увлажнение кладки в уровне карниза и цоколя здания. Причинами
увлажнения кладки является нарушение работы водосточной системы, высокий
уровень культурного слоя. Также выявлены повсеместные высолы и выветривание
швов.
Иллюстрация 1. Место обследования: Южный фасад здания третьей городской
больницы по ул. Даудельная, 1 в г. Тюмени
Иллюстрация 2. Место обследования: Фрагмент восточного фасада здания
Описание дефектов: Выявлена морозная деструкция кирпичной кладки
карнизной и цокольной части здания, отмечены следы интенсивного замачивания
кирпичной кладки внутреннего и наружного угла здания. Причиной деструкции
является интенсивное увлажнение кладки в уровне карниза и цоколя здания.
Причинами увлажнения кладки является нарушение работы водосточной системы,
высокий уровень культурного слоя. Также выявлены повсеместные высолы и
выветривание швов.
Иллюстрация 3. Место обследования: Фрагмент фасада
Описание дефектов: Оконные переплеты, коробка и подоконная доска
полностью поражены гнилью и жучком, створки не открываются или выпадают; все
сопряжения нарушены.
Иллюстрация 4. Место обследования: Фрагмент северного фасада здания.
Описание дефектов: Выявлена морозная деструкция кирпичной кладки
карнизной и цокольной части здания, отмечены следы интенсивного замачивания
кирпичной кладки углов здания. Причиной деструкции является интенсивное
увлажнение кладки в уровне карниза и цоколя здания. Причинами увлажнения кладки
является нарушение работы водосточной системы, высокий уровень культурного
слоя. Также выявлены повсеместные высолы и выветривание швов.
Иллюстрация 5. Место обследования: Фрагмент северного фасада здания
Описание дефектов: Обнаружена силовая наклонная трещина длинной более 20
рядов кладки и шириной раскрытия более 5 мм. Причиной разрушения кладки является
снижение несущей способности основания северного угла здания, вызванное
постоянным увлажнением грунта основания из за отсутствия отмостки, высокого
культурного слоя и менее интенсивной инсоляции и проветривания северной стороны
здания. Также отмечены следы интенсивного замачивания кирпичной кладки углов
здания вследствие нарушения работы водосточной системы. Выявлены повсеместные
высолы и выветривание швов.

Иллюстрация 6. Место обследования: Фрагмент северного фасада здания
Описание дефектов: Обнаружены многочисленные силовые трещины длинной
более 20 рядов кладки и шириной раскрытия 5,6 мм. Причинами разрушения является
температурная деформация кладки вследствие длительного увлажнения из за
высокого уровня культурного слоя, являющегося накопителем влаги постоянно
поддерживающего кирпичную кладку стен в водонасыщенном состоянии. Отсутствия
отмостки. Возможен отказ отсечной гидроизоляции. Также отмечены следы
интенсивного замачивания кирпичной кладки углов здания вследствие нарушения
работы водосточной системы. Выявлены повсеместные высолы и выветривание швов.
Иллюстрация 7. Место обследования: Фрагмент северного фасада здания
Описание дефектов: Обнаружены многочисленные силовые трещины длинной
более 20 рядов кладки и шириной раскрытия 5,6 мм. Причинами разрушения является
температурная деформация кладки вследствие длительного увлажнения из-за
высокого уровня культурного слоя, являющегося накопителем влаги, постоянно
поддерживающего кирпичную кладку стен в водонасыщенном состоянии. Отсутствия
отмостки. Возможен отказ отсечной гидроизоляции. Также отмечены следы
интенсивного замачивания кирпичной кладки углов здания в следствии нарушения
работы водосточной системы. Выявлены повсеместные высолы и выветривание швов.
Иллюстрация 8. Место обследования: Фрагмент западного фасада здания
Описание дефектов: Выявлена морозная деструкция кирпичной кладки
карнизной и цокольной части здания, отмечены следы интенсивного замачивания
кирпичной кладки углов здания. Причиной деструкции является интенсивное
увлажнение кладки в уровне карниза и цоколя здания. Причинами увлажнения кладки
является нарушение работы водосточной системы, высокий уровень культурного
слоя. Также выявлены повсеместные высолы и выветривание швов.
Иллюстрация 9. Место обследования: Тамбур парадного входа
Описание дефектов: Выявлены многочисленные силовые трещины шириной
раскрытия до 40 мм. Морозная деструкция кирпичной кладки карнизной и цокольной
части, отмечены следы интенсивного замачивания кирпичной кладки углов. Также
выявлены повсеместные высолы и выветривание швов.
Иллюстрация 10. Место обследования: Фрагмент перекрытия первого этажа
Описание дефектов: перекрытие местами повреждено прошлым пожаром. Имеет
значительные прогибы, отсутствует штукатурный слой.
Иллюстрация 11. Место обследования: Фрагмент чердачного перекрытия
Описание дефектов: чердачное перекрытие местами отсутствует либо
повреждено прошлым пожаром.
Иллюстрация 12. Место обследования: Шурф с внутренней части здания для
обследования фундамента
Описание дефектов: кирпичная кладка фундамента местами деструктирована
постоянным процессом капиллярного движения влаги, кристаллизацией солей.
1.2
Концепция реставрации
Проектом реставрации предусмотрено дальнейшее приспособление объекта под
образовательное учреждение ГАОУ «Тюменский областной государственный институт
развития регионального образования».
1.2.2 Технические решения (характеристика)
По данному объекту предлагается проект реставрации со следующими видами
работ и мероприятий:
- Увеличение объема здания за счет устройства подвала под всем историческим
объемом и вводом его в единое функциональное пространство.
- Устройство оконных проемов в подвальном этаже и световых
приямков.
- Планировка подвального этажа с учетом функционального
назначения.
- Перепланировка первого и второго этажей с учетом
функционального назначения.
- Открытие оконных проемов.
- Устройство новых кирпичных стен и перегородок.
- Устройство входных групп, крылец.
- Устройство крыши, чердачных помещений, междуэтажных
перекрытий, лестниц.
1.2.3 Объемно-планировочное решение после реставрации
После проведения ремонтно-реставрационных работ объект представляет собой
2-х этажное здание с подвалом. Планировочное решение представляет собой
учебные, административные и бытовые помещения, имеющие выходы в общий коридор,
ведущий к лестничным клеткам.
На первом этаже здания размещены учебные аудитории, вестибюль, мужские и
женские санузлы.
На втором этаже расположены конференц-зал, издательский центр, отделы и
кафедры.
В подвале здания предусмотрены гардеробы уличной одежды, хранилище
библиотеки, технические и подсобные помещения, буфет, кухня буфета, склады
буфета.
Проектом предусмотрены отдельно 3 основных входа в реставрируемое здание:
в осях 2-9; в осях Б-В; в осях В-Б.
После устройства подвала и перепланировки существующего здания,
технико-экономические показатели объекта изменились следующим образом:
Таблица 1.1
Сравнение технико-экономических показателей
|
До реставрации, м2
|
После реставрации, м2
|
Разность, м2
|
|
S общая
|
1125,9
|
1653,7
|
527,8
|
|
S полезная
|
1066,3
|
1571,5
|
505,2
|
|
S расчетная
|
686,2
|
991,7
|
335,5
|
Вывод: После реставрации объекта, общая площадь увеличилась на 47%,
полезная на 47,4%, расчетная на 44,5%.
1.2.4 Технологические решения
Режим работы института:
дней в году - 260;
часов в день - 12.
Количество смен- 2;
Общее количество обучающихся - 106 чел (2 смены - 212).
Общая численность работников и персонала центра - 40 человек.
Перечень учебных аудиторий и классов:
) Одна аудитория на 10 человек;
) Две аудитории по 16 человек;
) Две аудитории по 18 человек;
) Две аудитории (компьютерных класса) по 14 человек.
Столы преподавателей и (компьютерные классы) оборудованы современной
компьютерной техникой. В помещениях 110, 124 прокладывание кабелей к
компьютерным столам в трубках в полу совместно с интернет сетью.
В подвале здания предусмотрены гардероб, буфет, хранилище библиотеки,
серверная, складские и технические помещения и т.д. Буфет рассчитан на 24
человека.
В первую смену 168 чел, во вторую 96 чел, итого в сутки 264 чел. Буфет на
полуфабрикатах (возможно высокой степени готовности). Количество условных блюд
в максимальный час 158,4. Количество условных блюд в сутки 580,8.
Хранилище библиотеки необходимо для оцифровки литературы. Хранилища
библиотеки 04, 021 рассчитаны на нахождении там не более 1000 кг. бумаги
(пожарной нагрузки). Читальный зал не предусмотрен, рекомендовано использовать
электронные базы данных и интернет.
Вместимость конференц-зала составляет 80 чел (70). Типография имеет
оборудование, позволяющее печатать и издавать различную печатную продукцию, в
том числе книги.
Эвакуация посетителей и персонала с первого этажа осуществляется через
три эвакуационных выхода непосредственно наружу, расположенных в разных частях
здания. Эвакуация из подвала проходит через два окна ОК-7 и приямки, а так же
по двум лестницам. Со второго этажа эвакуация проходит по лестницам. Одно
крыльцо здания оборудовано пандусом для доступности маломобильных групп
населения.
1.2.5 Конструктивные решения
Проектом реставрации предусмотрены следующие решения:
Усиление фундаментов, путем устройства монолитных железобетонных кессонов
и инъекционных свай с контролируемым уширением.
Замена деревянных перекрытий на сталебетонные в виде монолитного
железобетона уложенного по несъемной опалубке в виде профлиста на стальные
балки. Балки перекрытия и покрытия - металлические стальные С245 по ГОСТ
277772-88. Предел огнестойкости несущих металлических конструкций соответствует
R90. Поверхности металлических конструкций окрашиваются за 2 раза огнезащитной
краской S707-60. Толщина сухого слоя краски без грунта должна составлять не
менее 1,7 мм. Расход краски (без учета потерь) 2.97 кг/м2. Балки защищены двумя
слоями гипсокартона от подвесного потолка.
Полная замена крыши на скатную чердачную, не сложную в плане, с
деревянными стропильными конструкциями.
Замена лестниц на железобетонные, монолитные по стальным косоурам.
Поверхности металлических конструкций несущих элементов (перекрытий,
косоуров) облицовываются легким бетоном (типа Поревит), далее штукатурятся по
кладочной сетке слоем штукатурки толщиной 24 мм.
Устройство новых перегородок толщиной 250 мм из керамического полнотелого
кирпича М75 на цементно-песчаном растворе, толщиной 200 и 100 мм - из
пеноблоков "Поревит" на цементно-песчаном растворе М50 и на клею.
Замена окон на пластиковые, тройного остекления с двухкамерным
стеклопакетом.
Замена дверей на металлопластиковые и деревянные.
Устройство нового крыльца в виде монолитных железобетонных ступеней.
Степень огнестойкости реставрируемого объекта - II. Уровень
ответственности здания - II. Класс функциональной пожарной опасности Ф 4.2 (Высшие
учебные заведения, учреждения повышения квалификации). По конструктивной
пожарной опасности здания - С0 [5].
1.3 Оценка проектных решений по реставрации
1.3.2 Оценка объемно-планировочных решений
В соответствии с СП 118.13330.2012 (СНиП 31-06-2009 Общественные здания и
сооружения) [6] проведен анализ структуры и состава помещений, результаты
которого приведены в таблице 1.2.
Таблица 1.2
Анализ структуры и состава помещений
|
№ п/п
|
Наименование помещения
|
Площадь нормируемая
|
Площадь фактическая
|
Отклонение
|
|
1
|
2
|
3
|
4
|
5
|
|
1
|
Конференцзал (80 чел.)
|
80
|
97,9
|
+17,9
|
|
2
|
Учебные аудитории (106
чел.)
|
159
|
297,3
|
+138,3
|
|
3
|
Издательский центр
|
12
|
115,3
|
+103,3
|
|
4
|
Вестибюль
|
18
|
15,5
|
-2,5
|
|
5
|
Гардероб
|
15,9
|
32,2
|
+16,4
|
|
6
|
Подсобное помещение
|
12,57
|
16
|
-3,4
|
|
7
|
Пост охраны
|
6
|
12,6
|
+6,6
|
|
8
|
Буфет
|
40
|
47,5
|
+7,5
|
Вывод: В результате анализа структуры и состава помещения, фактическая
площадь нормируемых помещений соответствует пунктам СП 118.13330.2012 за
исключением площади вестибюля и подсобного помещения.
1.3.3 Оценка конструктивных проектных решений
Для оценки эксплуатационной надежности принятых в проекте конструктивных
решений проведены следующие поверочные расчеты:
Поверочный расчет несущей способности простенка первого и второго этажей
в осях Г;4.
Поверочный теплотехнический расчет стены и чердачного перекрытия.
Поверочный расчет несущей способности простенка
В целях получения наиболее точных результатов поверочного расчета,
прочностные характеристики кладки были определены разрушающим методом в
соответствии с:
ГОСТ Р 53778-2010 здания и сооружения. Правила обследования и мониторинга
технического состояния. Общие требования [3].
ГОСТ 8462-85 Материалы стеновые. Методы определения прочности при сжатии
и изгибе [7].
ГОСТ 5802-86 Растворы строительные. Методы испытания [8].
В соответствии с ГОСТ Р 53778-2010 число образцов для лабораторных
испытаний при определении прочности стен зданий принимают: для кирпича - не
менее 10, для раствора - не менее 20 (п.5.3.2.3).
Рисунок 1.3 - Образцы кирпича
Кирпич керамический полнотелый одинарный
В соответствии с ГОСТ 8462-85 предел прочности при изгибе определяется по
формуле (1).

, МПа
(кгс/см2), (1).
где

-
расстояние между осями опор, м (см);

- ширина
образца, м (см);

- высота
образца посередине пролета без выравнивающего слоя, м (см).
Рисунок
1.4 - Испытание на изгиб
образец:
257х128х69,

,
где

.
образец:
251х135х70,

,
где

.
образец:
255х135х70,

,
где

.
образец:
255х131х69,

,
где

.
образец:
253х130х71,

,
где

.
образец:
259х137х70,

,
где

.
образец:
254х120х74,

,
где

.
образец:
252х132х69,

,
где

.
образец:
250х130х68,

,
где

.
образец:
250х132х71,

,
где

.
Исключаем из расчета, т.к. образец имеет отклонение от среднего предела
прочности всех образцов более чем на 50%.

В
соответствии с ГОСТ 8462-85 предел прочности при сжатие определяется по формуле
(1.2).

, (1.2)
МПа
(кгс/см2), где 
-
наибольшая нагрузка, установленная при испытании образца, МН (кгс), 
-
площадь поперечного сечения образца, вычисляемая как среднее арифметическое
значение площадей верхней и нижней его поверхностей, м2(см2).
Рисунок
1.5 - Испытание на сжатие
образец:
257х128х69,

,
образец:
251х135х70,

,
образец:
255х135х70,

,
образец:
255х131х69,

,
образец:
253х130х71,

,
образец:
259х137х70,

,
образец:
254х120х74,
образец:
252х132х69,

,
образец:
250х130х68,

,
образец:
250х132х71,

,

Результаты
испытаний кирпича керамического приведены в таблице 1.3. Марку кирпича по
прочности устанавливают по пределу прочности при сжатии и изгибе, указанной в
таблице 7 ГОСТ 530-95 Кирпич и камни керамические. Технические условия [9].
Таблица 1.3
Прочностные характеристики кирпича керамического
|
Номер образца
|
Разрушающая нагрузка P,
кгс
|
Предел прочности R,
кгс/см2
|
Требования ГОСТ 530-95 для
марки М50
|
|
сжатие
|
изгиб
|
Сжатие
|
Изгиб
|
сжатие
|
изгиб
|
|
1
|
10600
|
247
|
89,26
|
12,6
|
50
|
-
|
|
2
|
8400
|
308
|
58,74
|
14,58
|
|
|
|
3
|
7200
|
185
|
55,38
|
8,6
|
|
|
|
4
|
7200
|
185
|
56,14
|
9,12
|
|
|
|
5
|
8900
|
277
|
68,46
|
12,9
|
|
|
|
6
|
8500
|
216
|
57,24
|
10,1
|
|
|
|
7
|
3500
|
277
|
38,89
|
12,9
|
|
|
|
8
|
5400
|
221
|
46,15
|
10,65
|
|
|
|
9
|
4400
|
247
|
37,6
|
12,14
|
|
|
|
10
|
4800
|
-
|
45,45
|
-
|
|
|
|
среднее
|
6890
|
240,3
|
55,33
|
11,51
|
|
|
Вывод: по пределу прочности на сжатие и изгиб образцы кирпича
соответствуют требованиям ГОСТ 530-95 для марки по прочности М50.
Строительный раствор
Марку по прочности принимаем нулевой, т.к. испытания невозможны из-за
низкой прочности образцов.
Рисунок 6 - Образец раствора
Вывод:
По результатам испытаний кирпичной кладки определены следующие характеристики:
кирпич керамический полнотелый М 50 на растворе нулевой прочности. 
(табл.2
СП 15.13330.2012), 
- упругая
характеристика кладки (п.8, табл.16 СП 15.13330.2012) [6].
На
основании проведенных испытаний кирпичной кладки был выполнен поверочный расчет
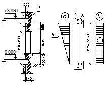
простенка первого и второго этажа в осях Г-4. Общий вид стены, участок плана,
рассчитываемого простенка и узел простенка представлены на рисунках
1.7,1.8,1.9.
Далее
представлен сбор нагрузок на рассчитываемый простенок
Сбор
нагрузок
Вес
стен

,

,

,

,

,
Рисунок
1.7 - Разрез по стене
Рисунок
1.8 - Участок плана, рассчитываемого простенка
Рисунок
1.9 - Узел простенка
Расчетное
значение веса стены:

,
Сбор
нагрузок на 1 м2 покрытия
Состав
покрытия:
1
- Рубероид гидроизол t = 20мм;
-
Плита цементно-стружечная t = 10мм;
-
Пароизоляция Изоспан В;
-
Мембрана Tyvek Solid;
-
Плиты минераловатные, повышенной жесткости ППЖ t = 150мм;
-
Керамзитобетон В15 δ = 110мм.
-
Сетка армирующая С1 и С2 (100 г/
)
Агр
= 8,12
Общий
сбор нагрузок на 1 м2 покрытия приведен в таблице 1.4.
Таблица 1.4
Нагрузки на 1 м2 покрытия
|
Наименование нагрузки
|
|
|
|
|
1
|
2
|
3
|
4
|
|
1. Постоянные Крыша:
|
|
|
|
|
- Жесть кровельная ( t=0,0005м)3,9
|
1,1
|
4,3
|
|
|
- Обрешётка 150х40мм.  (0,9*0,04*1)*820=29,52 29,52
|
1,1
|
32,5
|
|
|
- Стропила 200х150
(0,2*0,15)*820=24,6 24,6
|
1,1
|
27,06
|
|
|
-Мауэрлат 200х250
(0,2*0,5)*820=82 82
|
1,1
|
90,2
|
|
|
Покрытие:
|
|
|
|
|
- Рубероид гидроизол t=20мм
 (0,02*600)=12 12
|
1,1
|
13,2
|
|
|
-ЦСП t=10мм,
0,01*1300=13 13
|
1,1
|
14,3
|
|
|
-Пароизоляция Изоспан В t=0,5мм
110  0,011
|
1,1
|
0,012
|
|
-Плиты минераловатные жесткие ППЖ t=150мм.

|
0,15*200=30 301,133
|
|
|
|
|
-Мембрана Tyvek Solid  0,15
|
1,1
|
0,165
|
|
|
-Керамзитобетон, В15 t=110мм
 198
|
1,1
|
217,8
|
|
|
-Сетка армирующая 100 0,01
|
1,1
|
0,011
|
|
|
-Проф. Лист Н60 t=0,8,
 9,94
|
1,05
|
10,44
|
|
Балка несущая двутаврового сечения №18 с шагом В = 2м.
Апопер = 23,4
*100=23,4
|
q = (0,00234*7850 )/2=9,17 9,171,059,63
|
|
|
|
|
Итого:
|
412,3
|
|
452,62
|
|
Временная:
|
|
|
|
|
- Снеговая, 180 кг/ ,  126
|
1/0,7
|
180
|
|
|
- Временная для чердака
|
70
|
1,3
|
91
|
|
Итого:
|
196
|
|
271
|
|
|
|
|
|
Сбор нагрузок на 1 м2 перекрытия
Состав перекрытия:
1
- Пол паркетный t=20мм; 
-
Цементно-песчаная стяжка δ=20мм;
-
Керамзитобетон В15 δ=110мм;
-
Сетка армирующая С1 и С2 (100 г/
)
-
Проф. лист Н60 
-
Балка несущая двутаврового сечения №18 
-
Перегородки 70 
-
Полезная нагрузка 200
(СНиП
2.01.07-85)
Общий
сбор нагрузок на 1 м2 перекрытия приведен в таблице 1.5.
Таблица 1.5
Нагрузки на 1 м2 перекрытия
|
Наименование нагрузки
|
|
|
|
|
1
|
2
|
3
|
4
|
|
1. Постоянные нагрузки:
|
|
|
|
|
- Пол паркетный
|
16,52
|
1,1
|
18,17
|
|
- Цементно-песчаная стяжка
|
36
|
1,1
|
39,6
|
|
- Керамзитобетон В15
|
198
|
1,1
|
217,8
|
|
- Сетка армирующая С1 и С2
|
0,01
|
1,1
|
0,011
|
|
- Проф. лист Н60
|
9,94
|
1,05
|
10,44
|
|
- Балка несущая
двутаврового сечения №18 с шагом В=2м.
|
9,17
|
1,05
|
9,63
|
|
Итого:
|
269,64
|
|
295,65
|
|
2. Временные нагрузки:
|
|
|
|
|
- Полезная
(кратковременная): учебные аудитории
|
200
|
1,3
|
220
|
|
- Вес перегородок
(длительная)
|
70
|
1,3
|
91
|
|
Итого:
|
270
|
|
331
|
|
|
|
|
|
|
Нагрузка на простенок 1 этажа определяются по формуле 1.3

, (1.3)
N
Нагрузка
на простенок 2 этажа определяются по формуле 1.4

, (1.4)
N
Расчет простенка первого этажа
Расчетная схема простенка первого этажа представлена на рисунке 1.10
Рисунок 1.10 - Расчетная схема простенка первого этажа
Рисунок 1.11 - Расчетная схема опираемого участка перекрытия

,

,

,

.
Расчет
несущей способности простенка при внецентренном сжатии:
Расчет
внецентренно сжатых неармированных элементов каменных конструкций производится
по формуле 1.5 СП 15.13330.2012 [10]:

, (1.5)

. (1.6)
где
- 
площадь
сжатой части сечения, определяемая по формуле 1.7, исходя из условия, что ее
центр тяжести совпадает с точкой приложения расчетной продольной силы N,

(1.7)
где
- h - высота сечения в плоскости действия изгибающего
момента; 
-
эксцентриситет расчетной силы N относительно центра тяжести сечения;

,

,

,

-
коэффициент, определяемый по формуле (табл.20 СП 15.13330.2012)


условие
выполняется.

,

(табл.19
СП 15.13330.2012)

, (1.8)
где

-
коэффициент продольного изгиба для сжатой части сечения, определяемый по
фактической высоте элемента H по таблице 18 в плоскости действия изгибающего
момента при отношении

, (1.9)
где:




, т.к. 

условие
прочности не обеспечивается.

дефицит
несущей способности.
Расчетная
схема простенка второго этажа
Рисунок 1.11 - Расчетная схема простенка второго этажа
Рисунок 1.12 - Расчетная схема опираемого участка перекрытия

,

,

,

,

.
Расчет
несущей способности простенка при внецентренном сжатии:
Расчет
внецентренно сжатых неармированных элементов каменных конструкций производится
по формуле 1.5 СП 15.13330.2012:

,

.
где
- 
площадь
сжатой части сечения, определяемая из условия, что ее центр тяжести совпадает с
точкой приложения расчетной продольной силы N,

где
- h - высота сечения в плоскости действия изгибающего
момента; 
-
эксцентриситет расчетной силы N относительно центра тяжести сечения;

,

,

,

-
коэффициент, определяемый по формуле (табл.20 СП 15.13330.2012)

.

,
условие
выполняется.

,

(табл.19
СП 15.13330.2012)

,
где

-
коэффициент продольного изгиба для сжатой части сечения, определяемый по
фактической высоте элемента H по таблице 18 в плоскости действия изгибающего
момента при отношении

, где:

,

,

.

, т.к. 
.

,
условие
прочности обеспечивается.

- запас
несущей способности.
Вывод
по результатам поверочного расчета:
Несущей
способности простенка первого этажа не хватает для восприятия проектной
нагрузки, дефицит составляет 72,5% (10803,2 кг).
Несущей
способности простенка второго этажа достаточно для восприятия проектной
нагрузки, запас прочности составляет 6,2% (789,3 кг).
Поверочный теплотехнический расчет стены и чердачного перекрытия
Район строительства - г. Тюмень
Назначение помещения - жилое общественное.
Температура внутреннего воздуха - 20°C.
Продолжительность отопительного периода - 225 суток.
Средняя температура отопительного периода - (-7,2) °C
Температура холодной пятидневки с обеспеченностью 0,92 - ( -38)°C
Градусо-сутки отопительного периода определяются по формуле 1.10
Dd = (tint-text)
Zht, (1.10)
Где:
tint - температура внутри помещения
tht - средняя
температура холодного воздуха
Zht -
продолжительность отопительного периода
Dd = (20+7,2)
225 = 6120
Приведенное
сопротивление теплопередаче определяются
по формуле 1.11

, (1.11)
где:

коэффициенты,
для соответствующих групп зданий: 
(СНиП
23-02-2003 табл.4)
Требуемое сопротивление теплопередаче ограждения определяются по формуле 1.12

=
, (1.12)
где:

- 8,7 
коэффициент
теплопередачи внутренней поверхности ограждающей конструкции принимается
согласно табл.7 СНиП23-02-2003
tв - температура
внутри помещения
tн - температура
наружного воздуха
n - коэф.,
учитывающий зависимость положения наружной поверхности ограждающей конструкции
по отношению к наружному воздуху и определяется по табл.6 СНиП23-02-2003 [12]

=
= 1,48
Теплотехнический
расчет стены
Рисунок
12 - Конструкция стены
1. Кирпич керамический полнотелый одинарный на цементно-песчаном
растворе,



Таблица 1.6
Характеристики материалов
|
№
|
Наименование материала
|
 м.
|
|
|
1
|
Кирпич керамический
полнотелый одинарный на цементно-песчаном растворе
|
0,64
|
0,7
|
|
2
|
Штукатурка ТРиК г. Тюмень)
|
0,02
|
0,7
|
Расчетное сопротивление ограждения теплопередаче определяются по формуле 1.13

, (1.13)
где:
αн = 23
Вт/(м2* оС), - коэффициент теплоотдачи наружной
поверхности ограждающей конструкции, принимается согласно таблице 8 СП
23-101-2004 [13]. αв - 8,7 
коэффициент
теплоотдачи внутренней поверхности ограждающей конструкции, принимается
согласно таблице 7 СНиП 23-02-2003

- термическое
сопротивление стены Вт/(м2* оС)

=
+

=
+
= 1,19

<
;

<
3,036 - т.е. ограждение не удовлетворяет условию нормируемой теплопередачи.

<
;

< 1,48
- т.е. ограждение не удовлетворяет нормируемому условию
санитарно-гигиенического сопротивления теплопередаче.
Теплотехнический
расчет чердачного перекрытия
Рисунок
1.13 - Конструкция перекрытия
. Гидроизоляция
- Гидроизол 
. Цементно-стружечная
плита 
=10мм.
. Утеплитель
минераловатный прошивной, повышенной жесткости ППЖ в 3 слоя 
. Мембрана Tivek Solid 
0,2мм.
5. Пароизоляция
Изоспан В 
0,2мм.
. Бетон
легкий В15 
80мм.
. Лист
профилированный 
0,8мм
Таблица 1.7
Характеристики материалов
|
№
|
Наименование
|
 м.
|
|
|
1
|
Гидроизоляция - гидроизол
|
0,02
|
0,17
|
|
2
|
Цементно-стружечная плита
|
0,01
|
1,92
|
|
3
|
Утеплитель минераловатный
прошивной, повышенной жесткости ППЖ в 3 слоя
|
0,15
|
0,039
|
|
4
|
Мембрана Tivek Solid
|
0,002
|
0,15
|
|
5
|
Пароизоляция Изоспан В
|
0,002
|
0,038
|
|
6
|
Бетон легкий В15
|
0,08
|
0,92
|
|
7
|
Лист профилированный
|
0,008
|
52
|
Расчетное сопротивление ограждения теплопередаче определяются по формуле 1.13

где:
αн =23
Вт/(м2* оС),- коэффициент теплоотдачи наружной
поверхности О.К., принимается согласно таблице 8 СП 23-101-2004.
αв - 8,7 
коэффициент
теплоотдачи внутренней поверхности О.К., принимается согласно таблице 7 СНиП
23-02-2003

-
термическое сопротивление стены Вт/(м2* оС)

=
+
,

=
+
+ 
+ 
+ 
+ 
+ 
= 4,12

<
;
,28
< 3,036 - т.е. ограждение удовлетворяет условию нормируемой теплопередачи.

<
;
,28
< 1,48 - т.е. ограждение удовлетворяет нормируемому условию
санитарно-гигиенического сопротивления теплопередаче.
Вывод
по результатам теплотехнического расчета:
Конструкция
стены не удовлетворяет требованиям санитарной и тепловой защиты.
Конструкция
чердачного перекрытия удовлетворяет требованиям санитарной и тепловой защиты.
1.4
Решения по повышению эффективности проектных решений
.4.1
Альтернатива конструктивных решений
На основании данных, полученных в результате поверочного расчета,
предлагается рассмотреть два варианта решения:
Усиление простенков первого этажа устройством бандажей из композитных
материалов (углеволокно).
Устройство металлических стоек, воспринимающих нагрузку от крыши и
перекрытий.
Усиление простенков первого этажа устройством бандажей из композитных
материалов (углеволокно)
Расчет прочности усиленного простенка осуществляется по методике,
предложенной в диссертации Костенко А.Н, на тему: «Прочность и деформативность
центрально и внецентренно сжатых кирпичных и железобетонных колонн, усиленных
углеволокном» [14].
Прочности усиленной кладки определяется по формуле 1.14
Rs = Ro + Ryc, (1.14)
где: Rs - прочность усиленной кладки;
Ro -
прочность кладки до усиления;
Ryc -
приращение прочности кладки;
Рисунок
1.14 - Усиление углеволокном
Коэффициент
поверхностного армирования стен определяется по формуле 1.15
µпов
=
, (1.15)
арм
- площадь поперечного сечения полосы (бандажей) из углеволокна толщиной 
,
определяемая по формуле 1.16
арм=

, (1.16)
Формула
для определения площади участка длинной стороны простенка, приходящаяся на одну
полосу из углеволокна определяется по формуле 1.17
Sст=
, (1.17)
где:

- длина
большей стороны кирпичного простенка;

-
соответственно, высота и толщина полосы (бандажа из углеволокна);
b - расстояние
между полосами из углеволокна.
Формула
для определения приращения прочности кладки, усиленной полосами из углеволокна
определяется по формуле 1.18

, (1.18)
где:
Rуг - расчетное сопротивление растяжению углеволокна.
Исходные
данные:
Rпол = 34500
кгс/см2 (3450 МПа);
Rкл =
3,57кгс/см2 (0,35 ПМа) (кирпич - М50, раствор - 0);

= 
;
hпол = 6см
(высота кирпича);
b = 9см.
Расчет:
Sарм = 
Sст =
µ=

Ryc =
(0,737
МПа)
Rs = Rкл+Rус =
3,57+7,521=11,09 кгс/см2
Несущая
способность простенка после усиления составляет:
[N] = 
Δ = 
= 44,4% -
запас прочности после усиления составляет (20567,5 кг)
Устройство металлических стоек, воспринимающих нагрузку от крыши и
перекрытий
Подбор сечения стойки:
N = 
, (1.19)
N=
Вес
стойки:
Qст = 
Вес
главной балки:
Швеллер [20п / ГОСТ 8240-83 - данное сечение принимаем из конструктивных
соображений, для удобства сопряжения с балками перекрытия.
1м - 18,4 кг
Требуемая площадь сечения определяется по формуле 1.20
Атр
= 
, (1.20)
Атр
= 
Рисунок
1.15 - Расположение элементов металлокаркаса
Принимаем
трубу квадратного сечения
ГН
= 100х8 (ГОСТ 8639-82) - данное сечение принимаем из конструктивных
соображений, для удобства сопряжения с главной балкой.
Асорт
= 28,34 см2
Ух
= 392,65 см4
Ix = 
= 
= 3,73
Гибкость:
λ=
где:
lef - шаг гибких связей.
447,4
< 2450
Условие
устойчивости для данного сечения выполняется [15].
1.4.2 Сравнение вариантов
Достоинства и недостатки каждого варианта
Вариант I - Усиление простенков первого этажа
устройством бандажей из композитных материалов (углеволокно)
Преимущества:
Сохраняется полезная площадь помещения
Низкая трудоемкость производства работ
Практически отсутствует потребности в машинах и механизмах
Недостатки:
Высокая стоимость материалов
Необходимость обеспечения пожарной безопасности и защиты от повреждений
композитных материалов системы внешнего армирования, следует предусматривать
устройство защитного слоя из специальных огнеупорных составов, совместимых с
адгезивами на основе эпоксидной смолы.
Вариант II - Устройство металлических стоек,
воспринимающих нагрузку от крыши и перекрытий
Преимущества:
Низкая стоимость материалов
Отсутствие потребности в специализированных кадрах
Высокая скорость монтажа
Отсутствие мокрых процессов, что позволяет вести реставрацию в зимнее
время без устройства тепляков
Экологичность материалов
Недостатки:
Сокращение полезной площади помещений на 2,6 м2
- Потребность в строительных машинах
Сравнение стоимости вариантов по прямым затратам
Таблица 1.8
Сравнение вариантов по прямым затратам
|
Показатель
|
Устройство металлокаркаса
(руб.)
|
Усиление простенков
углеволокном (руб.)
|
|
Материалы
|
66185,64
|
330454,15
|
|
Эксплуатация машин и
механизмов
|
4063,22
|
235,3
|
|
Стоимость оплаты труда
|
3317
|
2170,3
|
|
Накладные расходы
|
2612,75
|
1836,2
|
|
Сметная прибыль
|
2467,6
|
1734,2
|
|
Итого:
|
78646,22
|
336430,5
|
Вывод: вариант устройства металлического каркаса на 257784,28 руб.
выгоднее усиления углеволокном. Большая разница в цене обусловлена высокой
стоимостью композитных материалов.
Вывод по результатам технического раздела
По результатам выполненной работы можно сделать следующие выводы:
физический износ здания составляет 75%, что свидетельствует об аварийном
состоянии объекта. По итогам оценки объемно-планировочных решений было выявлено
несоответствие площадей вестибюля и подсобного помещения пунктам СП
118.13330.2012. Результатом теплотехнического расчета является несоответствие
конструкции стены требованиям санитарной и тепловой защиты. В ходе
инструментального обследования была определена несущая способность кладки
наружных несущих стен, которая составила 3,57 кгс/см2. В результате
поверочного расчета, с учетом фактической прочности кирпичной кладки, был
выявлен дефицит несущей способности простенка первого этажа - 72,5%. С целью
устранения выявленных недостатков были предложены такие мероприятия как
усиление простенков первого этажа углеволокном и устройство несущего
металлокаркаса. В ходе сравнительного анализа данных мероприятий был сделан
вывод о том, что вариант устройства несущего металлокаркаса является
предпочтительнее с экономической и технической точки зрения.
конструктивный планировочный нормативный реставрация
Раздел 2.
Экономический
Проектом реставрации предусмотрено дальнейшее приспособление объекта
культурного наследия для размещения ГАОУ ДПО «Тюменский областной
государственный институт развития регионального образования». Финансирование
проекта осуществляется за счет средств бюджета Тюменской области в лице
Департамента образования и науки Тюменской области.
Цель: оценить социально-экономическую эффективность проекта
Задачи:
Социально-экономическое обоснование реставрации;
Затраты на реставрацию;
План-график поступления денежных средств из бюджета на реставрацию;
2.1 Социально-экономическое обоснование
Приспособление объекта для размещения ГАОУ ДПО «Тюменский областной
государственный институт развития регионального образования» обусловлено
современной обстановкой в системе образования. Необходимо внедрение современных
образовательных технологий. Также немаловажным аспектом является повышение
уровня воспитательной работы в школах. Организация работы по данным
направлениям реализовывалась в рамках приоритетного национального проекта
«Образование» (далее - ПНПО).
Проект разработан с целью обеспечения системных изменений по основным
направлениям развития образования России, эффективного содействия становлению
гражданского общества и современного образовательного менеджмента. Проект
призван способствовать открытости системы образования, обеспечению конструктивной
общественной заинтересованности в ускорении модернизации российской школы.
Проект содержит 6 основных направлений:
. Поддержка и развитие лучших образцов отечественного образования.
. Внедрение современных образовательных технологий.
. Создание национальных университетов и бизнес-школ мирового уровня.
. Повышение уровня воспитательной работы в школах.
. Развитие системы профессиональной подготовки в армии.
. Проект «Сельский школьный автобус».
ТОГИРРО реализует первые два инновационных направления проекта,
непосредственно связанных с внедрением новых инновационных технологий в
школьное образование и инновационный опыт лидеров ПНПО.
Первое направление «Поддержка и развитие лучших образцов отечественного
образования» включает следующие разделы:
Стимулирование общеобразовательных учреждений, активно внедряющих
инновационные образовательные программы
Предоставление грантов талантливой молодежи
Поощрение лучших учителей.
Второе направление проекта «Внедрение современных образовательных
технологий» сводится к информатизации образования и состоит из следующих
разделов:
Разработка и размещение в открытом доступе информационных образовательных
ресурсов
Развитие технической основы современных информационных образовательных
технологий
Оснащение школ учебно-наглядными пособиями и оборудованием.
На рисунке 2.1. представлена модель сетевого взаимодействия ТОГИРРО с
базовыми общеобразовательными площадками
Рисунок 2.1 - модель сетевого взаимодействия ТОГИРРО с базовыми
общеобразовательными площадками
На рисунке 2.2 представлена модель сетевого взаимодействия ТОГИРРО с
базовыми площадками дошкольного образования
Рисунок 2.2 - модель сетевого взаимодействия ТОГИРРО с базовыми
площадками дошкольного образования
По данным единой межведомственной информационно-статистической системы
численность педагогических работников учреждений, реализующих программы общего
образования по Тюменской области увеличивается с каждым годом. В таблице 2.1
представлена численность педагогических работников учреждений Тюменской
области, реализующих программы общего образования в динамике с 2011 по 2014 гг.
Таблица 2.1
Численность педагогических работников учреждений Тюменской области
|
2011
|
2012
|
2013
|
2014
|
|
Городские поселения
|
4 288
|
4 443
|
4 838
|
5 093
|
|
Сельская местность
|
5 097
|
5 107
|
5 191
|
5 172
|
|
Итого:
|
9385
|
9550
|
10029
|
10265
|
На рисунке 2.3. представлена численность педагогических работников
учреждений, реализующих программы общего образования в динамике с 2011 по 2014
гг.
Рисунок 2.3 - численность педагогических работников учреждений,
реализующих программы общего образования в динамике с 2011 по 2014 гг.
Количество потребителей, воспользовавшихся услугами (работами) учреждения
за 2013-2014 гг. представлено в таблице 2.2.
Таблица 2.2
Количество потребителей, воспользовавшихся услугами (работами) учреждения
за 2013-2014 гг.
|
Вид услуги
|
Общее количество
потребителей, воспользовавшихся услугами (чел.)
|
|
2013 г.
|
2014 г.
|
|
Курсы повышения
квалификации
|
6100
|
6338
|
|
Семинары
|
6152
|
7429
|
|
Итого:
|
12252
|
13767
|
Вывод: с каждым годом растет численность педагогических работников,
следовательно, увеличивается количество потребителей услуг, предлагаемых ГАОУ
ДПО «Тюменский областной государственный институт развития регионального
образования». В связи с этим, возникает потребность в усовершенствовании
материально-технической базы института, в новых площадях, приспособленных под
образовательную деятельность.
На данный момент в помещениях института общей площадью 1792,5 м2
размещаются: помещения 9 кафедр, 10 отделов, 3 центра аспирантуры, 7 лекционных
залов, 1 компьютерный класс и 1 мобильный класс библиотеки.
Проектом реставрации предусмотрено здание общей площадью 1653,7 м2
включающее в себя: 3 кафедры, 3 отдела, 5 современных аудиторий общей
вместимостью 78 человек, 2 компьютерных класса оснащенных современной
компьютерной техникой, общей вместимостью 28 человек, издательский центр,
конференц-зал вместимостью 80 человек.
Стоит отметить, что немаловажно сохранение объекта культурного наследия
регионального значения, представляющего историческую ценность для региона.
2.2 Затраты на реставрацию
Затраты на реставрацию определены на основании составленной сметной
документации.
Сметная документация составлена в соответствии с методикой определения
стоимости строительной продукции на территории РФ МДС 81-35.2004 [18],
методикой определения стоимости строительной продукции на территории Тюменской
области и методическими рекомендациями определения стоимости работ по
сохранению объектов культурного наследия на территории Российской Федерации
СРП-2007.7 [19].
Базовый уровень цен для определения стоимости реставрации принят: 1984
год с переводом в цены 1991 года с индексом 1,6, принятым согласно с письмом
Госстроя СССР от 6 сентября 1990 г. N 14-Д, с переводом в цены 2001 года с
индексом 9,73, принятым согласно письму №ВА-5079/06 от 15.10.04г.
Стоимость строительства определена в базовом и текущем уровне цен с
применением индексов удорожания 2 квартала 2014 года утвержденных приказом ГУС
ТО №318-од от 10.04.2014 г. и составляет по сводному сметному расчету 112488,85
тыс. рублей.
Сметная стоимость работ определялась на основании следующих документов:
сметно-нормативные сборники ТЕР-2001 для Тюменской области;
сборники сметных норм и единичных расценок на ремонтно-восстановительные
работы по памятникам истории и культуры (ССН-84) [20].
Нормы накладных расходов к сборникам ССН-84 приняты в соответствии с
Постановлением Совета министров СССР от 28.03.1983г. №249 в размере 21,9% на
ремонтно-реставрационные работы.
Нормы накладных расходов к сборникам ТЕР-2001 приняты в соответствии
МДС81-33.2004 [21].
Размер сметной прибыли к сборникам ССН-84 принят в соответствии с
Постановлением Совета министров СССР от 28.03.1983г. №249 в размере 8%, к
сборникам ТЕР-2001 принят согласно МДС81-25.2001 [22].
Районный коэффициент на заработную плату (для сборников 1984 года) принят
1,15 в соответствии с МДС 83-1.99 [23].
Объект находится на территории исторического центра г. Тюмени. Доступ к
нему затруднен и ограничен для всех видов работ. Условия расположения данного
объекта характеризуются как особо стесненные с наличием следующих факторов:
интенсивного движения транспорта и пешеходов в непосредственной близости
от места работ;
наличия эксплуатируемых исторических объектов, а также сохраняемых
насаждений в непосредственной близости от места работ;
стесненных условий складирования материалов.
Исходя из этих факторов к итогам смет к нормам затрат труда и затратам на
эксплуатацию машин применен коэффициент К = 1,15 на стесненные условия согласно
методике определения стоимости строительной продукции по Тюменской области.
В сводном сметном расчете учтено:
размер затрат на производство работ в зимнее время принят - 2,82%
согласно п.1.4 ГСНр 81-05-02-2001 [24];
временные устройство и обустройства - 1,2% согласно п.1.2 ГСНр
81-05-01-2001;
средства на покрытие затрат на добровольное страхование - 1% согласно
Постановлению Правительства РФ ОТ 31.05.2000 г. № 420.;
НДС - 18% согласно Налоговому кодексу РФ.
Итоги по разделам локальных смет на ремонтно-строительные и
реставрационные работы приведены в таблице 2.3.
Таблица 2.3
Итоги по разделам локальных смет
|
Локальная смета на
ремонтно-строительные работы
|
|
Наименование раздела
|
Итог в ценах 2001 г, руб.
|
|
Фундаменты
|
2640837
|
|
Устройство перекрытий
|
1387658
|
|
Инъецирование трещин
|
49893
|
|
Устройство отсечной
гидроизоляции
|
1135546
|
|
Вертикальная гидроизоляция
|
216150
|
|
Перегородки
|
491692
|
|
Кровля
|
906522
|
|
Заполнение проемов
|
967096
|
|
Лестницы
|
152697
|
|
Отделочные работы
|
2733515
|
|
Крыльца
|
117765
|
|
Устройство входных групп
|
67618
|
|
Лестничные ограждения
|
47688
|
|
Устройство отмостки
|
107542
|
|
Итого:
|
11022219
|
|
Локальная смета на реставрационные
работы
|
|
В ценах 1984г.
|
В ценах 1991г.
|
В ценах 2001г.
|
|
Фасады
|
22577
|
36123,2
|
351478,7
|
|
Дымовые трубы (часть над
крышей)
|
2313
|
3700,8
|
36008,8
|
|
Дверные ручки
|
1574
|
2518,4
|
24504
|
|
Водосточная воронка ВВ-1
|
927
|
1483,19
|
|
Дымники
|
1012
|
1619,2
|
15754,8
|
|
Входные группы
|
6278
|
10044,8
|
97735,9
|
|
Итого:
|
34681
|
55489,6
|
539913,8
|
2.2.1 Сравнение вариантов предлагаемых конструктивных решений
Локальная смета на устройство металлокаркаса
Наименование объекта: г. Тюмень, ул. Даудельная 1
Составлено в ценах: на 2 квартал 2015г.
Сметная з/плата: 3317 руб.
Сметная стоимость: 78646,22 руб.
Таблица 2.4
Локальная смета на устройство металлокаркаса
|
№ пп
|
Обосно-вание
|
Наименование работ, затрат,
ед. измерения
|
Кол-во
|
Стоимость единицы, руб.
|
Общая стоимость, руб.
|
Т/з рабочих, чел.-час
|
|
|
|
|
Всего ПЗ
|
ЭММ
|
Всего
|
СОТс
|
ЭММ
|
Т/з машинистов, чел.-час
|
|
|
|
|
в т.ч. СОТ с
|
в т.ч. СОТ м
|
|
|
в т.ч. СОТ м
|
на ед.
|
Всего
|
|
1
|
2
|
3
|
4
|
5
|
6
|
7
|
8
|
9
|
10
|
11
|
|
Раздел 1. Устройство
металлокаркаса
|
|
1
|
ТЕР09-01-001-12
|
Монтаж каркасов
многоэтажных гражданских зданий одно- и многоэтажных высотой до 25м., (т).
|
1,74
|
811,36
|
363,73
|
1411,76
|
452,19
|
632,9
|
24,75
|
43,06
|
|
|
|
|
259,88
|
37,06
|
|
|
64,48
|
2,94
|
5,11
|
|
2
|
ТСЦ 101-1871
|
Швеллеры, сталь спокойная
18сп, №18-24 , (т).
|
0,472
|
5768,61
|
|
2722,8
|
|
|
|
|
|
3
|
ТСЦ 101-0977
|
Сортовой и фасонный
горячекатанный прокат из стали углеродистой обыкновенного качества полосовой
толщиной 10-75 мм при ширине 100-200мм, сталь марки Ст4кп, (т).
|
1,27
|
5776,3
|
|
7324,3
|
|
|
|
|
|
|
Итого по разделу 1
|
|
|
|
11458,86
|
452,19
|
632,9
|
|
43,09
|
|
|
|
|
|
|
|
|
64,48
|
|
5,11
|
|
МДС 81-33.2004
|
Накладные расходы 90% от
СОТ
|
|
|
|
406,97
|
|
|
|
|
|
МДС 81.25.2001
|
Сметная прибыль 85% от СОТ
|
|
|
|
384,36
|
|
|
|
|
|
|
ВСЕГО ПО РАЗДЕЛУ 1
|
|
|
|
12250,19
|
452,19
|
632,9
|
|
43,06
|
|
|
|
|
|
|
|
|
64,48
|
|
5,11
|
|
|
|
|
|
|
12250,19
|
452,19
|
632,9
|
|
43,06
|
|
|
ВСЕГО ПО СМЕТЕ в ценах 2001
г.
|
|
|
|
|
|
64,48
|
|
5,11
|
|
|
В том числе:
|
|
|
|
|
|
|
|
|
|
|
МАТ
|
|
|
|
10309,29
|
|
|
|
|
|
|
ЭММ
|
|
|
|
632,9
|
|
|
|
|
|
|
СОТ
|
|
|
|
516,67
|
|
|
|
|
|
|
НР
|
|
|
|
406,97
|
|
|
|
|
|
|
СП
|
|
|
|
384,36
|
|
|
|
|
|
|
Всего в ценах на 2кв
2015г., руб (к=6,42) приказ ГУС ТО №336-од от 12.05.2015 г.
|
|
|
|
78646,22
|
|
|
|
|
|
|
МАТ Индекс к СМР 6,42
|
|
|
|
66185,64
|
|
|
|
|
|
|
ЭММ Индекс к СМР 6,42
|
|
|
|
4063,22
|
|
|
|
|
|
|
СОТ Индекс к СМР 6,42
|
|
|
|
3317
|
|
|
|
|
|
|
НР Индекс к СМР 6,42
|
|
|
|
2612,75
|
|
|
|
|
|
|
СП Индекс к СМР 6,42
|
|
|
|
2467,6
|
|
|
|
|
|
|
|
|
|
|
|
|
|
|
|
|
|
По результатам локального сметного расчета сумма на устройство металлокаркаса
составила 78646,22 руб.
Локальная смета на усиление простенков углеволокном
Наименование объекта: г. Тюмень, ул. Даудельная 1
Составлено в ценах: на 2 квартал 2015г.
Сметная з/плата: 2170,3 руб.
Сметная стоимость: 336430,5 руб.
Таблица 2.5
Локальная смета на усиление простенков углеволокном
|
№ пп
|
Обоснование
|
Наименование работ, затрат,
ед. измерения
|
Кол-во
|
Стоимость единицы, руб
|
Общая стоимость, руб
|
Т/з рабочих, чел.-час
|
|
|
|
|
Всего ПЗ
|
ЭММ
|
Всего
|
СОТс
|
ЭММ
|
Т/з машинистов, чел.-час
|
|
|
|
|
в т.ч. СОТ с
|
в т.ч. СОТ м
|
|
|
в т.ч. СОТм
|
на ед.
|
Всего
|
|
1
|
2
|
3
|
4
|
5
|
6
|
7
|
8
|
9
|
10
|
11
|
|
Раздел 1. Усиление
углеволокном
|
|
1
|
ТЕР13-03-005-05
|
Шпатлевка поверхностей
эпоксидной фиброшпатлевкой «Mape grout
thixotropic», 100м2
|
0,55
|
12706,53
|
64,55
|
6967,5
|
309,32
|
35,5
|
53,46
|
29,4
|
|
|
|
|
562,4
|
36,32
|
|
|
19,97
|
0,34
|
0,2
|
|
2
|
ТЕР13-05-003-05
|
Оклейка поверхностей
углеволокном на эпоксидной смоле «FibARM Resin
230», 100м2
|
0,416
|
156,57
|
2,77
|
65,13
|
8,46
|
1,15
|
1,8
|
0,75
|
|
|
|
|
20,34
|
0,78
|
|
|
0,32
|
0,04
|
0,016
|
|
3
|
Прайс-лист
|
Грунтовка «Sika epocem modul» 0,2 кг/м2,
(кг). 148,16/1,18/3,45
|
11
|
36,39
|
|
400,3
|
|
|
|
|
|
4
|
Прайс-лист
|
Фиброшпатлевка «Mape grout.
Thixotropic» 18 кг/м2, (кг). 34/1,18/3,45
|
990
|
8,35
|
|
8266,5
|
|
|
|
|
|
5
|
Прайс-лист
|
Эпоксидное связующее
«FibARM Resin 230» 1,1 кг/м2, (кг). 1254/1,18/3,45
|
60,5
|
308,03
|
|
18635,8
|
|
|
|
|
|
6
|
Прайс-лист
|
Углеродная лента «FibARM
Tape 230/300», (м.п.). 514/1,18/3,45
|
138,7
|
126,26
|
|
17512,1
|
|
|
|
|
|
|
Итого по разделу 1
|
|
|
|
51847,34
|
317,8
|
36,65
|
|
30,15
|
|
|
|
|
|
|
|
|
20,29
|
|
0,216
|
|
МДС 81-33.2004
|
Накладные расходы 90% от
СОТ
|
|
|
|
286,02
|
|
|
|
|
|
МДС 81.25.2001
|
Сметная прибыль 85% от СОТ
|
|
|
|
270,13
|
|
|
|
|
|
|
ВСЕГО ПО РАЗДЕЛУ 1
|
|
|
|
52403,5
|
317,8
|
36,65
|
|
30,15
|
|
|
|
|
|
|
|
|
20,29
|
|
0,216
|
|
|
|
|
|
|
52403,5
|
317,8
|
36,65
|
|
30,15
|
|
|
ВСЕГО ПО СМЕТЕ в ценах 2001
г.
|
|
|
|
|
|
20,29
|
|
0,216
|
|
|
В том числе:
|
|
|
|
|
|
|
|
|
|
|
МАТ
|
|
|
|
51472,61
|
|
|
|
|
|
|
ЭММ
|
|
|
|
36,65
|
|
|
|
|
|
|
СОТ
|
|
|
|
338,09
|
|
|
|
|
|
|
НР
|
|
|
|
286,02
|
|
|
|
|
|
|
СП
|
|
|
|
270,13
|
|
|
|
|
|
приказ ГУС ТО
|
Всего в ценах на 2кв
2015г., руб (к=6,42) №336-од от12.05.2015 г.
|
|
|
|
336430,5
|
|
|
|
|
|
|
МАТ Индекс к СМР 6,42
|
|
|
|
330454,15
|
|
|
|
|
|
|
ЭММ Индекс к СМР 6,42
|
|
|
|
235,3
|
|
|
|
|
|
|
СОТ Индекс к СМР 6,42
|
|
|
|
2170,3
|
|
|
|
|
|
|
НР Индекс к СМР 6,42
|
|
|
|
1836,2
|
|
|
|
|
|
|
СП Индекс к СМР 6,42
|
|
|
|
1734,2
|
|
|
|
|
|
|
|
|
|
|
|
|
|
|
|
|
По результатам локального сметного расчета сумма на усиление углеволокном
составила 336430,5 руб.
Далее представлена таблица сравнения вариантов конструктивных решений
Таблица 2.6
Сравнение вариантов конструктивных решений
|
Устройство металлокаркаса
(руб.)
|
Усиление простенков
углеволокном (руб.)
|
|
Материалы
|
66185,64
|
330454,15
|
|
Эксплуатация машин и
механизмов
|
4063,22
|
235,3
|
|
Стоимость оплаты труда
|
3317
|
2170,3
|
|
Накладные расходы
|
2612,75
|
1836,2
|
|
Сметная прибыль
|
2467,6
|
1734,2
|
|
Итого:
|
78646,22
|
336430,5
|
На рисунке 2.4 представлены диаграммы процентного соотношения стоимости
для каждого варианта
Рисунок 2.4 - диаграммы процентного соотношения стоимости для каждого
варианта
Вывод: вариант устройства металлического каркаса на 257784,28 руб.
выгоднее усиления углеволокном. Большая разница в цене обусловлена высокой
стоимостью композитных материалов.
2.2.3 Затраты на ремонтно-строительные и реставрационные
работы
Объектный сметный расчет №1 (объектная смета) на ремонтно-строительные
работы
Сметная стоимость 81677,45 тыс. руб.
Средства на оплату труда 1362,61 тыс. руб.
Расчетный измеритель единичной стоимости 1653,7 м2
Составлена в ценах по состоянию на 2 кв.2014г.
Таблица 2.7
Объектная смета на ремонтно-строительные работы
|
№ пп
|
Номера сметных расчетов
(смет)
|
Наименование работ и затрат
|
Сметная стоимость
|
Средства на оплату труда
|
Показатели единичной
стоимости
|
|
|
|
строит. работ
|
монтажн. работ
|
оборудов., мебели,
инвентаря
|
прочих/ всего
|
|
|
|
1
|
2
|
3
|
4
|
5
|
6
|
7/8
|
9
|
10
|
|
Локальные сметные расчеты
|
|
1
|
ЛС №02-01-01
|
Ремонтно-строительные
работы
|
11022,22
|
|
|
11022,22
|
1126,17
|
6,66
|
|
2
|
ЛС №02-01-03
|
водопровод (В0, В1)
|
65,58
|
16,57
|
|
82,15
|
5,65
|
0,05
|
|
3
|
ЛС №02-01-04
|
водопровод (Т3, Т4)
|
47,54
|
3,13
|
59,1
|
7,29
|
0,04
|
|
4
|
ЛС №02-01-05
|
бытовая канализация (К1)
|
42,34
|
|
24,3
|
66,64
|
3,31
|
0,02
|
|
5
|
ЛС №02-01-06
|
производственная
канализация (К3)
|
4,9
|
|
24,3
|
|
29,2
|
0,38
|
|
6
|
ЛС №02-01-07
|
напорная канализация (К1Н)
|
0,37
|
1,15
|
6,24
|
|
7,76
|
0,46
|
|
7
|
ЛС №02-01-08
|
автоматические установки
газового пожаротушения
|
5,08
|
6,88
|
172,28
|
|
184,24
|
0,8
|
|
8
|
ЛС №02-01-09
|
отопление
|
397,14
|
29,72
|
97,28
|
|
524,14
|
30,11
|
|
9
|
ЛС №02-01-10
|
вентиляция
|
410,91
|
72,44
|
2695,86
|
|
3179,21
|
64,19
|
|
10
|
ЛС №02-01-11
|
внутреннее электроснабжение
|
|
769,87
|
178
|
|
947,87
|
59,26
|
|
11
|
ЛС №02-01-12
|
слаботочные устройства
|
|
483,57
|
91,02
|
|
574,59
|
40,9
|
|
12
|
ЛС №02-01-13
|
автоматизация системы отопления
и пожаротушения
|
29,77
|
113,22
|
77,44
|
|
220,43
|
12,26
|
|
13
|
ЛС №02-01-14
|
пожарная сигнализация
|
|
134,82
|
|
|
134,82
|
11,83
|
|
|
Итого "Локальные
сметные расчеты"
|
12025,85
|
1631,37
|
3375,15
|
|
17032,37
|
1362,61
|
|
приказ ГУС ТО №318-од
|
Перевод цен до начисления
лимитированных затрат
|
5,38
|
5,38
|
2,43
|
|
|
|
|
|
Итого с учетом
"Локальные сметные расчеты" с учетом индекса
|
64699,07
|
8776,77
|
8201,61
|
|
81677,45
|
1362,61
|
По результатам объектного сметного расчета сумма на ремонтно-строительные
работы составила 81677,45 тыс. руб. в ценах по состоянию на 2 кв. 2014 г.
Объектный сметный расчет №2 (объектная смета) на реставрационные работы
Сметная стоимость 2904,76 тыс. руб.
Средства на оплату труда 7,89 тыс. руб.
Расчетный измеритель единичной стоимости 1653,7 м2
Составлена в ценах по состоянию на 2 кв. 2014 г.
Таблица 2.8
Объектная смета на реставрационные работы
|
№ пп
|
Номера сметных расчетов
(смет)
|
Наименование работ и затрат
|
Сметная стоимость
|
|
Средства на оплату труда
|
Показатели ед. стоим.
|
|
|
|
строит работ
|
монтажн. работ
|
оборуд., мебели, инвентаря
|
всего
|
|
|
|
|
|
|
|
|
|
|
|
|
|
|
|
|
|
|
|
|
|
1
|
2
|
3
|
4
|
5
|
6
|
8
|
9
|
10
|
|
Локальные сметные расчеты
|
|
|
1
|
ЛСР 02-02-02
|
Реставрационные работы
|
34,68
|
|
|
34,68
|
7,89
|
0,02
|
|
|
Итого "Локальные
сметные расчеты"
|
34,68
|
|
|
34,68
|
7,89
|
0,02
|
|
письмо Госстроя СССР от 6
сентября 1990 г. N14Д
|
Перевод цен до начисления
лимитированных затрат
|
1,6
|
|
|
|
|
|
|
|
Итого ценах 1984 г.
|
55,49
|
|
|
55,49
|
7,89
|
|
|
письмо №ВА-5079/06 от
15.10.04г.
|
Перевод цен до начисления
лимитированных затрат
|
9,73
|
|
|
|
|
|
|
|
Итого ценах 1991 г.
|
539,9
|
|
|
539,9
|
7,89
|
|
|
приказ ГУС ТО №318-од
|
Перевод цен до начисления
лимитированных затрат
|
5,38
|
5,38
|
2,43
|
|
|
|
|
|
Итого с учетом
"Локальные сметные расчеты" с учетом индекса
|
2904,76
|
|
|
2904,76
|
7,89
|
|
По результатам объектного сметного расчета сумма на реставрационные
работы составила 2904,76 тыс. руб. в ценах по состоянию на 2 кв.2014 г.
Сводный сметный расчет стоимости строительства
Составлена в ценах по состоянию на 2 кв.2014 г.
Сводный сметный расчет в сумме 112488,85 тыс. руб.
Таблица 2.9
Сводный сметный расчет
|
№ пп
|
Номера сметных расчетов и
смет
|
Наименование глав,
объектов, работ и затрат
|
Сметная стоимость, тыс.
руб.
|
Общая сметная стоимость
|
|
|
|
строительных работ
|
монтажн работ
|
оборудования, мебели,
инвентаря
|
прочих
|
|
|
|
|
|
|
|
|
|
|
|
|
|
|
|
|
|
|
1
|
2
|
3
|
4
|
5
|
6
|
7
|
8
|
|
Глава 1. Основные объекты
строительства
|
|
1
|
Объектная смета №1
|
Ремонтно- строительные
работы
|
64699,07
|
8776,77
|
8201,61
|
|
81677,45
|
|
2
|
Объектная смета №2
|
Реставрационные работы
|
2904,76
|
|
|
|
2904,76
|
|
|
Итого по Главе 2.
"Основные объекты строительства"
|
67603,83
|
8776,77
|
8201,61
|
|
84582,18
|
|
Глава 2. Структурные
кабельные сети
|
|
4
|
ЛС № 05-01-18
|
18 НС СКС
|
52,16
|
|
|
|
52,16
|
|
приказ ГУС ТО №318-од
|
|
3,88
|
|
|
|
|
|
|
с учетом индекса
|
202,38
|
|
|
|
202,38
|
|
|
Итого по Главе 5.
"Объекты транспортного хозяйства и связи"
|
202,38
|
|
|
|
202,38
|
|
Глава 3. Наружные сети и
сооружения водоснабжения, водоотведения, теплоснабжения и газоснабжения
|
|
5
|
ЛС № 06-01-15
|
15 Наружные сети
водопровода
|
261,92
|
|
|
|
261,92
|
|
приказ ГУС ТО №318-од
|
|
3,88
|
|
|
|
|
|
|
с учетом индекса
|
1016,25
|
|
|
|
1016,25
|
|
6
|
ЛС № 06-02-16
|
16 Наружные сети
канализации
|
422,81
|
|
|
|
422,81
|
|
приказ ГУС ТО №318-од
|
|
3,88
|
|
|
|
|
|
|
с учетом индекса
|
1640,5
|
|
|
|
1640,5
|
|
7
|
ЛС № 06-03-17
|
17 Наружные тепловые сети
|
148,39
|
|
|
|
148,39
|
|
приказ ГУС ТО №318-од
|
|
3,88
|
|
|
|
|
|
|
с учетом индекса
|
575,75
|
|
|
|
575,75
|
|
|
Итого по Главе 6.
"Наружные сети и сооружения водоснабж. водоотвед., теплоснабжения и
газоснабжения"
|
3232,5
|
|
|
|
3232,5
|
|
Глава 4. Благоустройство и
озеленение территории
|
|
8
|
ЛС № 07-01-19
|
19 Благоустройство
|
2682,47
|
|
|
|
2682,47
|
|
приказ ГУС ТО №318-од
|
|
5,19
|
|
|
|
|
|
|
с учетом индекса
|
13922,02
|
|
|
|
13922,02
|
|
|
Итого по Главе 7.
"Благоустройство и озеленение территории"
|
13922,02
|
|
|
|
13922,02
|
|
|
Итого по Главам 1-7
|
84960,73
|
8776,77
|
8201,61
|
|
101939,08
|
|
Глава 5. Временные здания и
сооружения
|
|
9
|
ГСНр 81- 05-01-2001 п.1.2
|
Временные здания и
сооружения - 1,2%
|
1019,53
|
105,32
|
|
|
1223,27
|
|
|
Итого по Главе 8.
"Временные здания и сооружения"
|
1019,53
|
105,32
|
|
|
1223,27
|
|
|
|
Итого по Главам 1-5
|
85980,26
|
8882,09
|
8300,03
|
|
103162,35
|
|
Глава 6. Прочие работы и
затраты
|
|
10
|
ГСНр 81-05-02-2001 п.1.4
|
Производство работ в зимнее
время - 2,82%
|
2424,64
|
250,47
|
234,06
|
|
2909,18
|
|
11
|
МДС 81-35.2004 прил.8 п.9.9
|
Добровольное страхование -
1%
|
|
|
|
1060,71
|
1060,71
|
|
|
Итого по Главе 9.
"Прочие работы и затраты"
|
2424,64
|
250,47
|
|
1060,71
|
3969,89
|
|
|
Итого по Главам 1-6
|
88404,9
|
9132,56
|
8534,09
|
1060,71
|
107132,24
|
|
Глава 7. Непредвиденные
затраты
|
|
14
|
Приказ Министерства
культуры РСФСР
|
Непредвиденные затраты - 5%
от 04.03.1992 №95 и п.4.96 МДС 81-35.2004
|
4484,16
|
456,63
|
380,93
|
53,03
|
5356,612
|
|
|
Итого "Непредвиденные
затраты"
|
4484,16
|
456,63
|
380,93
|
53,03
|
5356,612
|
|
15
|
|
Всего по сводному расчету
|
94167,33
|
9589,19
|
7618,69
|
1113,74
|
112488,85
|
|
|
|
|
|
|
|
|
|
|
По результатам сводного сметного расчета стоимость строительства
составила 112488,85 тыс. руб. в ценах по состоянию на 2 кв.2014 г.
2.2.4 План поступления денежных
средств на реставрацию
Прогнозные коэффициенты инфляции на 2015гг. для определения стоимости СМР
(приложение 8 к приказу Главного управления строительства по Тюменской области
от 09.04.2015 № 285-од) представлены в таблице 2.10.
Таблица 2.10
Прогнозные коэффициенты инфляции
|
Период
|
Прогнозный коэффициент
|
|
Апрель
|
1
|
|
Май
|
1,003
|
|
Июнь
|
1,006
|
|
Июль
|
1,009
|
|
Август
|
1,012
|
|
Сентябрь
|
1,015
|
|
Октябрь
|
1,018
|
1,022
|
|
Декабрь
|
1,026
|
План и график поступления денежных средств на реставрацию [25],
представлен в приложении А
Выводы по результатам экономического раздела
По результатам выполненной работы можно сделать следующие выводы:
реставрация объекта культурного наследия и его дальнейшее приспособление под
ГАОУ ДПО «Тюменский областной государственный институт развития регионального
образования» является актуальной и решает ряд таких задач, как реализация
некоторых направлений национального проекта «Образование», направленного на
совершенствование системы современного образования. Усовершенствование
материально-технической базы института. Создание дополнительной площадки для
проведения профильных мероприятий. Возможность привлечение новых
профессиональных кадров. Также немаловажно сохранение объекта культурного
наследия регионального значения, представляющего историческую ценность для
региона.
В данном разделе было рассмотрено сравнение вариантов конструктивных
решений, по результатам которого можно сделать вывод, что устройство
металлокаркаса выгоднее усиления на 257784,28 руб. вследствие высокой стоимости
композитных материалов.
Также был построен план и график поступления денежных средств, по
которому можно сказать, что финансирование проекта идет поэтапно.
Продолжительность реставрации составила 14 месяцев, на основании
календарного графика производства работ.
Общая стоимость реставрации составляет 128122,25 тыс. руб. на основании
плана поступления денежных средств, в период с 04.15 по 03.16.
Финансирование проекта осуществляется за счет средств бюджета Тюменской
области в лице Департамента образования и науки Тюменской области.
Раздел 3.
Управленческий
3.1 Цель:
рассмотреть организационно-управленческую структуру проекта реставрации объекта
культурного наследия
Задачи:
Контроль качества ремонтно-строительных работ
Организационно-техническая подготовка к реставрации
Описание технологии производимых работ
Потребность реставрации в основных ресурсах
3.2 Контроль качества
реставрационных работ
Контроль качества реставрационных работ должен осуществляться
специалистами или специальными службами, входящими в состав строительных
организаций или привлекаемыми со стороны и оснащенными техническими средствами,
обеспечивающими необходимую достоверность и полноту контроля [26].
Производственный контроль качества реставрационных работ должен включать:
входной контроль рабочей документации, конструкций, изделий, материалов и
оборудования;
операционный контроль отдельных строительных процессов или операций;
приемочный контроль реставрационных работ.
Входной контроль осуществляется службой ПТК генподрядчика, осуществляемый
с целью проверки качества строительных материалов, конструкций и оборудования,
поступающих на площадку реставрации.
Операционный контроль осуществляется производителем работ и мастерами и
направлен на обеспечение качества реставрационных работ после завершения каждой
производственной операции или строительного процесса.
Приемочный контроль включает контроль и оценку качества законченных
реставрацией зданий и сооружений или их частей.
Оценка качества законченной реставрации устанавливается при приеме
объекта в эксплуатацию приемочной комиссией в соответствии со СНиП 3.01.04-87
«Приемка в эксплуатацию законченных строительством объектов» [27].
3.3 Организационная структура
участников реализации проекта
Организационная структура участников реализации проекта выглядит
следующим образом:
Заказчиком является Государственное казенное учреждение Тюменской области
«Управление капитального строительства» действующего в интересах субъекта
Российской Федерации - Тюменской области в лице комитета по охране и
использованию историко-культурного наследия Тюменской области.
Экспертизу проектной документации осуществляет Управление государственной
экспертизы проектной документации ГУС. Также, заказчик взаимодействует с
органом строительного надзора.
В роли проектно-изыскательской организации выступает ФГБОУ ВПО «Тюменский
государственный архитектурно-строительный университет», взаимодействующий с
заказчиком на основании договора на проектирование и договора на авторский
надзор.
Генподрядчик взаимодействует с заказчиком на основании договора подряда.
Также, в отношении генподрядной организации осуществляется авторский надзор со
стороны заказчика и государственной инспекции строительного надзора.
В свою очередь, генподрядчик взаимодействует с субподрядными
организациями на основании договора субподряда и осуществляет приемочный
контроль работ.
Поставщики материалов, ресурсов и другого технического имущества
взаимодействуют с генподрядной организацией на основании договора поставки.
Также, со стороны генподрядчика осуществляется входной контроль материалов.
3.4 Организационно-техническая подготовка к реставрации
.4.1 Последовательность подготовки к реставрации
- рассмотрение и приемка утвержденного ПОР от Заказчика;
торги и определение Генподрядчика;
определение Субподрядчиков и заключение договоров субподряда;
определение источников поставки материалов;
согласование с местной администрацией вопросов обеспечение
энергетическими ресурсами от действующих источников;
назначение ответственных за организацию работ;
решение вопросов использования для нужд реставрации имеющихся автодорог;
решение вопросов о порядке использования местных строительных материалов
(соглашение с поставщиками оформляет заказчик);
аттестация рабочих и ИТР, участвующих в строительных работах;
приемка площадки реставрации от заказчика в натуре;
получение разрешения на реставрацию;
оформление финансирования реставрации;
оформление документов для получения разрешений и допусков на производство
работ;
изучение ИТР проектно-сметной документации;
разработка ППР;
укомплектование площадки реставрации материально-техническими ресурсами,
ИТР и рабочими в соответствии с ПОР и ППР.
Для обеспечения своевременной подготовки и соблюдения технологической
последовательности реставрации предусматриваются два периода строительства: подготовительный
и основной.
3.4.2 Подготовительные работы
На подготовительном этапе производят следующие работы [28]:
ограждение объекта;
подводка воды, электроэнергии, сжатого воздуха для производственных
целей;
организация санитарно-бытовых условий для рабочих;
оформление площадки реставрации наглядной информацией по технике
безопасности и первичными средствами пожаротушения;
устройство приобъектных складов и площадок;
определение на месте источников временного забора воды от действующего
ввода для полива строительного мусора и мытья колес а/машин.
В зону производства работ должен быть закрыт доступ для посторонних лиц,
непосредственно не связанных с производством работ по реставрации.
Перед началом работ подготовительного периода производятся:
изучение проектно-сметной документации;
осмотр конструкций технической комиссией в составе представителей
заказчика, проектировщика и подрядчика на предмет уточнения объема работ по
разборке и выявления дополнительных работ, пропущенных и не учтенных
проектно-сметной документацией. При осмотре следует обратить особое внимание на
общее состояние конструкций здания, их прочность и устойчивость в целях
принятия мер по предупреждению возможных обрушений в процессе выполнения работ;
доставка на площадку материалов для устройства временного ограждения и
временных складских построек;
доставка на площадку инвентаря, инструмента, приспособлений и механизмов.
Все работы подготовительного периода должны быть полностью закончены к
началу основного периода строительно-монтажных работ.
3.4.3 Основной период
Общая последовательность работ:
. На первом этапе необходимо произвести все демонтажные работы, включая
перегородки, перекрытия, конструкцию крыши.
. Далее производить ремонт и лечение трещин, замену кладки наружной
версты.
. Затем производить работы по усилению фундаментов и устройству
подвального этажа. Одновременно устраиваются проемы в существующих стенах
подвального этажа и приямки.
. Далее произвести устройство стального металлокаркаса и стальных балок
перекрытий, рационально выполнять это до устройства новой крыши, так как в этом
случае может быть применено крановое оборудование для монтажа балок через верх
стен.
. На следующем этапе произвести работы по устройству горизонтальной и
вертикальной гидроизоляции. Одновременно можно производить работы по устройству
лестниц.
. Следующий этап работ - устройство внутренних стен и перегородок.
. Далее произвести устройство новой крыши с сохранением исторических
геометрических размеров и внешнего облика.
. Следующий этап работ - замена окон, дверей и наружная отделка фасадов.
. Далее необходимо провести внутреннюю отделку помещений с реставрацией
внутреннего декора.
. Необходимо совмещать общестроительные работы с устройством инженерных
систем.
3.5 Описание технологии производимых работ
.5.1 Демонтажные работы
Порядок организации работ, регламентация обязанностей и ответственности
административно-технического персонала при производстве демонтажных работ, в
случае их производства, определяются следующими нормативными документами: СНиП
12-03-2001 «Безопасность труда в строительстве. Часть I. Общие требования»,
СНиП 12-04-2002 «Безопасность труда в строительстве. Часть II. Строительное
производство» [31], ПБ 10-382-00 «Правила устройства и безопасной эксплуатации
грузоподъёмных кранов» [32].
Общее руководство работой по охране труда и ответственность за состояние
техники безопасности при производстве демонтажных работ возлагается на лицо,
ответственное за безопасное производство работ и главного инженера организации,
выполняющей демонтаж.
Все работники, занятые на демонтаже, должны быть обучены, пройти вводный
инструктаж и инструктаж на рабочем месте.
На проведение огневых и сварочных работ должно выдаваться разрешение по
форме, утвержденной вышестоящей организацией. Список руководителей, имеющих
право выдавать разрешение, оформляется приказом по организации.
Все демонтажные работы должны выполняться в соответствии со специально
разрабатываемым проектом производства работ.
Демонтируемые изделия транспортируются на открытую площадку временного
складирования и хранения. В дальнейшем эти изделия подвергаются очистке,
выбраковке, ревизии.
Конструктивные особенности и местоположение площадок уточняется на стадии
ППР, выполняемой генеральной подрядной строительной организацией.
После проведения сноса должна быть проведена уборка мусора, вывоз
строительных остатков с территории ведения работ.
3.5.2 Работы по ремонту стен
Проектом предусмотрено проведение следующих работ:
устройство горизонтальной и вертикальной гидроизоляции;
лечение трещин, перекладка;
закладка проемов и ниш в стене первого этажа по оси «Б», «В», «1/2»,
«3/1» и по оси «3/2» и устройство проемов стенах, в том числе несущих;
наращивание кирпичной стены по оси «Б»;
устройство кирпичных стен по оси «1/1а», «3/2а»;
демонтаж существующих и монтаж новых перегородок.
Кирпичную кладку стен разрушенных участков, а также лечение трещин
выполнять полнотелым одинарным глиняным кирпичом. Использование исторического
кирпича на фасадных поверхностях обязательно, на оштукатуриваемых -
необязательно. Кладку выполняют после тщательной вычинки разрушенного кирпича с
предварительной очисткой и обеспыливанием поверхностей. Кладку выполняют
кирпичом, предварительно смоченным в воде в течении 10 секунд и подсохшим после
смачивания. Применять кирпич марки М100. Кладочный раствор применять сложный
реставрационный. Кладку отдельных участков вести с обязательным армированием
спиралевидными анкерами. Без армирования допускается выполнять участки глубиной
не более одного кирпича и площадью поверхности не более трех кирпичей.
3.5.3 Работы по усилению фундаментов
Устройство новых фундаментов в виде монолитных железобетонных кессонов и
инъекционных свай с контролируемым уширением необходимо по причине устройства
эксплуатируемого подвального этажа. Предусмотрено устройство окон с приямками и
эвакуационных выходов из подвала.
Устройство инъекционных свай с контролируемым уширением.
Инъекционные сваи устраиваются вдоль всех несущих стен. Для этого в
кирпичной стене сверлятся отверстия d102 под углом 10 град к вертикали, затем
после прохождения кирпичной стены бурится грунт основания шнеком d76.
В месте устройства стены для лестниц, сваи выполняются вертикально.
Инъектор представляет собой стальную трубу 57х3,5 с выполненной по стволу
перфорацией, закрытой резиновыми манжетами. На пяте сваи закрепляется
расширяющаяся резиновая мембрана, захватывающая ряд манжет. В процессе
нагнетания цементной смеси происходит процесс расширения резиновой мембраны,
что ведет к увеличению площади пяты и уплотнение околосвайного грунта, увеличивающей
несущую способность сваи.
Инъецирование производится нагнетанием цементного раствора (В/Ц=1:1) с
использованием пакера. В цементную смесь добавляется 3% Бентонита BENTOLUX
HORIZONT UN и 3% Силиката натрия (Жидкое стекло).
После набора прочности раствора сваи (10-12сут.) приступать к устройству
монолитного кессона.
Устройство монолитных железобетонных кессонов.
Монолитные железобетонные кессоны формируют подвальный этаж, являясь
не-сушей конструкцией, они сочетают в себе несущий периметр стен и пол, служащий
одновременно фундаментом.
Для устройства кессонов выборку грунта производят захватками, равными
помещениям подвала, перебор грунта при этом не допускается.
Для формирования дверных и оконных проемов на вертикальной стене
котлована устанавливаются листы полистирольного пенопласта, демонтируемые после
омоноличивания.
Для контроля уровня грунтовых вод устанавливаются стальные трубки,
располагаемые в углах помещений.
При бетонирование кессона использовать бетон В15, W8.
Для предотвращения проникновения грунтовой воды или атмосферных осадков
необходимо в холодный шов пола кессона и стены установить бетнотиновый шнур,
уложенный на сухое основание и закрепленный с помощью металлической сетки и
дюбелей.
Перед омоноличиванием стены кессона бентонитовый шнур предохранять от
увлажнения, в процессе омоноличивания - предотвратить от всплытия в бетонной
смеси. Необходимо максимально сократить время между монтажом и укладкой
бетонной смеси.
Произвести устройство приямков для окон и эвакуационных выходов
В приямках, служащих эвакуационными выходами, установить стремянки.
После выполнения всех фасадных работ устроить конструкцию ограждения
приямков.
3.5.4 Устройство стального металлокаркаса в осях Д-В;4.
Устройство стале-бетонных перекрытий
Работы по устройству металлокаркаса:
Установка гибких связей;
Устройство стальных стоек;
Устройство обвязочных балок;
Работы по устройству перекрытий:
Устройство перекрытия подвала;
Устройство перекрытия 1-го этажа.
Устройство перекрытия 2-го этажа.
Материал конструкции металлокаркаса и балок перекрытия - сталь С245 по
ГОСТ 277772-88*. Все открытые металлические поверхности покрыть краской
огнезащитной вспучивающейся краской S707-60. Толщина сухого слоя краски без
грунта должна составлять не менее 1,7 мм. Расход краски (без учета потерь) 2,97
кг/м2.
Поверхности металлических конструкций несущих элементов облицевать легким
бетоном (типа Поревит), далее оштукатурить по кладочной сетке слоем штукатурки
толщиной 20 мм.
Материалы монтажных болтовых соединений: болты Ø20
класса 5.6, (класс точности
В), из марки стали С245 по ГОСТ 277772-88*. Материалы монтажных сварных
соединений - электроды типа Э42 по ГОСТ 9467-75*.
Последовательность проведения работ
. Установить гибкие связи с шагом 1,5м по всей длине стойки.
2. Установить анкерные болты в выступающую часть железобетонного
кессона.
. Установить в проектное положение стойки металлокаркаса, оперев
их на выступающую часть железобетонного кессона с последующим закреплением.
. Установить обвязочные балки в уровне перекрытий первого и
второго этажей.
5. Приварить несущие балки перекрытия к обвязочным балкам в соответствии
с планами расположения балок .
. Приварить обвязочные и опорные стальные уголки к несущим балкам
перекрытия согласно отметкам.
. Опереть профилированный лист на стальные уголки и точечно приварить.
. Приварить стальные уголки-коротыши с шагом 1 м к балкам, приварить
стальные пластины-коротыши к верхнему поясу балок с шагом 0,5 м.
. Уложить сетки С1, С2 на пластины-коротыши между уголками.
. Залить легким бетоном до указанной отметки на каждом перекрытии.
. Для монолитной плиты перекрытия использовать легкий бетон марки В15.
. Поэтапно производить контроль качества устройства сталебетонного
перекрытия.
3.5.5 Гидроизоляция
Горизонтальная гидроизоляция выполняется по всем несущим стенам, включая
как внутренние так и наружные. Горизонтальная (отсечная) гидроизоляция
осуществляется методом инъекции жидкой смолой MAXCLEAR INJECTION (фирма
DRIZORO). Данный материал выполнен на силоксанах, которые при взаимодействии с
водой создают водоотталкивающую микроэмульсию.
Технология производства работ включает:
1. Предварительное выполнение защитной обмазки (возможно использование
последующего при отделке штукатурного состава) поверхности кирпичной кладки
вверх и вниз от линии шпуров на 150-200 мм, при однорядном бурении.
2. Сверление шпуров в стенах, согласно проектных решений.
. Очистка полости шпуров от продуктов бурения сжатым воздухом -
р=3-4 атм.
. Установка пакеров диаметром 12 мм специальным приспособлением.
. Иньекция специального цементного состава Maxgrout Injection,
насосом ВМР 6, под давлением р<10 атм.
. После иньектирования в шпур специального цементного состава
Maxgrout Injection, до его схватывания необходимо установить пруток из
металлической проволоки диаметром 4-5мм.
. После схватывания состава Maxgrout Injection, пруток удаляется.
. После этого в пакер диаметром 12 мм вставляется пакер диаметром
6,5 мм с ниппелем.
. Иньекционным насосом прокачивается жидкий гидроизолирующий
состав Maxclear Injection. Создаваемое давление должно прикладываться
равномерно и медленно. Максимальное давление не должно превышать 100 атм.
10.Отверстия можно заполнить гидроизоляционным цементным составом.
При восстановлении гидроизоляции одновременно решается ряд вопросов:
1. осушение стены;
2. упрочнение кладки и швов;
. теплоизоляция конструкций;
. гидроизоляция стен.
Для восстановления гидроизоляции необходимо вскрыть фундамент на отметку
-0,6м от уровня отмостки.
Выполнение вертикальной гидроизоляции
Устройство вертикальной гидроизоляции выполняют только после ремонта
цоколя с заменой деструктированных участков на новую кладку с армированием.
Для выполнения вертикальной гидроизоляции фундаментные конструкции
вскрываются на высоту 0,6м ниже планировочной отметки.
Стены тщательно очищаются от остатков гидроизоляционных обмазок,
продуктов разрушения кирпича и раствора кладки, швы кладки должны быть очищены
на глубину 20-25мм. Внешние углы здания закруглить или выполнить фаску под
углом 450, внутренние углы закруглить (радиус закругления 4см).
Подлежащие гидроизоляции поверхности должны обладать несущей
способностью, быть достаточно ровными. Не допускается наличие разрушенного
трещинами кирпича с шириной раскрытия более 0,5мм. Поверхность перед обработкой
должна быть обеспыленной и увлажненной.
Вертикальная гидроизоляция выполняется с применением материала Maxseal
Flex стандарт, представляющего собой 2-х компонентную эластичную массу.
Технология работ.
. К работам приступать после устройства отсечной (горизонтальной)
гидроизоляции.
2. Подготовить основание и тщательно увлажнить.
. Стена должна быть покрыта слоем грунтовки Максбонд и
оштукатурена раствором Термосан толщиной 30 мм.
. Выровнять поверхности и изготовить галтели-скругления.
. На обильно увлажненную стену нанести первый слой Макссил Флекс.
. Не раньше 16 часов, но и не позже чем через 3 суток нанести
второй слой Макссил Флекс. При распределении ремонтного состава на поверхности
стены слои распределяют в двух взаимно перпендикулярных направлениях
. Уход за твердеющим покрытием заключается в поддержании влажного
состояния покрытия в течение первых суток. Покрытие следует защитить от
воздействия прямых солнечных лучей.
. Вертикальную гидроизоляцию вывести на отметку верха цоколя
-0,495.
. Цокольную часть стеновой конструкции оштукатурить ремонтными
составами поверх гидроизолирующего слоя, если толщина штукатурки более 35мм
необходимо применять армирующие сетки. Для ремонта применить смеси, отвечающие
требованиям: морозостойкость - 75, прочность при сжатии - 10-12,5МПа, прочность
при растяжении - 2,5-3МПа.
. Окончательная отделка цоколя.
3.5.6 Наружная отделка стен
Как правило, при реставрации исторических объектов применяют однотипные
материалы и технологии, однако для данного объекта целесообразным решением
является:
) Замена окрасочного покрытия по кирпичу с сохранением текстуры с целью
повышения долговечности кирпичной кладки и увеличения межремонтного периода;
) На цокольных участках здания сохранить оштукатуривание поверхности, но
применить современные покрытия.
Фасады здания должны быть полностью очищены от всех окрасочных слоев до
чистой кирпичной кладки.
Водосточные трубы должны быть удалены не менее чем на 30 см от внутренних
углов здания.
Очищенную и отреставрированную кладку фасадов закрепить пропиточным
составом Ti 77. Финишным покрытием является окраска фасада составом RenoTop за
два раза цветом, соответствующим эскизному решению и паспорту отделки фасадов.
При проведении реставрационных работ внутренних поверхностей стен
необходимо учитывать, что в настоящее время поры кирпича кольматированы и новое
штукатурное покрытие будет сцепляться с материалом стены только по контактной
поверхности.
Следует применить известково-цементные смеси с комплексными добавками.
Качественное покрытие можно выполнить только после проведения ремонтных
работ по восстановлению горизонтальной и вертикальной гидроизоляции.
3.5.7 Работы по устройству крыши, кровли
1. Устройство новой крыши с сохранением исторических геометрических
размеров и внешнего облика.
. Устройство дымовых (вентиляционных) кирпичных труб;
. Установка водосточных труб, воронок, дымников, устройство слуховых
окон;
. Покрытие кровельной жестью покрытой полимерным составом всей кровли
здания, включая кровлю входных групп и декоративных аттиков и столбиков;
. Обработка древесины крыши био-огнезащитным составом.
Замена кровли здания должна выполняться в полном соответствии с
технологией данного вида работ. Заменяемые стропильные конструкции, мауэрлаты,
стропила, обрешетка должны применяться из хвойных пород (сосна, ель) не ниже
второго сорта. Построечная влажность древесины не должна превышать 15%.
Кровельный лист применять плоский с полимерным покрытием (гарантия на
покрытие должна быть не менее 20 лет), размерами 2100х700 мм. Цвет кровли
принять согласно эскизного проекта и раздела Рядовое сопряжение листов
выполнять одинарным стоячим фальцем.
В ендовах крыши прокладывать двойной кровельный лист. Стыки листов
соединяемых с листом ендовы выполнять двойным лежачим фальцем. Лист ендовы
выполнить сплошным по длине.
Обрешетку применять из доски толщиной 40мм, с зазором не более 20мм.
Необходимо снизить до минимума хождение по готовому покрытию и применять
деревянные трапы обернутые войлоком или дорнитом.
Окраску металлических элементов крыши: крюков, тавров, кронштейнов
водосточных труб выполнять лакокрасочным составом после тщательной очистки
металла от окалины, грязи, ржавчины, жировых пятен.
Зоны стыка листов с дымовыми трубами, листом ендовы и на других сложных
участках в процессе производства работ заполнять силиконовым герметиком.
Все деревянные элементы как существующие, так и устанавливаемые должны
быть обработаны огне-биозащитным составом.
При производстве работ исключить царапанье, удары острыми предметами
кровельного покрытия, для чего должны применяться соответствующая обувь рабочих
и защитные чехлы для инструмента.
3.5.8 Внутренняя отделка стен
Внутренние поверхности стен полностью очистить от штукатурного слоя и
после обеспыливания отработать по следующей технологии:
Стены с фактурным покрытием.
Удаление всего штукатурного слоя, очистка от пыли, грязи (при
необходимости кирпичную кладку промыть водой под давлением).
Нанесение санирующей штукатурки ТРИК (г. Тюмень). Расход ТРИК 18 кг на 1
м2, при толщине слоя 10 мм.
Нанесение шпаклевки Rotbant;
Покрытие цветным грунтом
Финишное покрытие
Стены с гладким покрытием.
Удаление всего штукатурного слоя, очистка от пыли, грязи (при
необходимости кирпичную кладку промыть водой под давлением).
Нанесение санирующей штукатурки ТРИК (г. Тюмень). Расход ТРИК 18 кг на 1
м2, при толщине слоя 10 мм.
Нанесение шпаклевки Rotbant;
Покрытие грунтом Tiefengrund Ti 77 (ZERO). Расход Tiefengrund Ti 77 -
0,15-0,3 литра на 1м2.
Финишное покрытие краской Maler Praxis Collection Color system (ZERO) за
два раза.
3.5.9 Окна, двери
Оконные и дверные проемы должны подлежать следующим ремонтным работам:
замена всех оконных блоков на новые;
вскрытие участков сопряжения блок-стена, установка пароизолирующих
прокладок и заполнение теплоизоляционной монтажной пеной;
штукатурка откосов;
установка подоконных сливов в соответствии с требованиями СНиП и ГОСТ
(окна).
.6
Потребность реставрации в основных ресурсах
3.6.1 Обоснование потребности в строительных кадрах
Потребность в кадрах для строительной организации на стадии ПОР
определяется по стоимости СМР и предполагаемой выработке рабочих (по данным
Территориального органа федеральной службы государственной статистики по
Тюменской области).
Соотношение работающих:
•ИТР- 10% от численности рабочих,
•младший обслуживающий персонал (МОП) и охрана- 2% от численности
рабочих.
Результаты расчетов представлены в таблице 3.1.
Таблица 3.1
Расчет общей численности работающих
|
Стоимость СМР, тыс. руб.
|
Нормативный срок
реставраци, мес.
|
Среднегодовая выработка на
одного рабочего, тыс. руб/чел. в год
|
Численность работающих на
СМР и вспомогательных работах, чел.
|
|
|
|
общая
|
в том числе
|
|
|
|
|
рабочих
|
ИТР
|
МОП
|
|
168 652,75
|
12
|
2272,4
|
55
|
49
|
5
|
1
|
3.6.2 Обоснование потребности во временных зданиях и
сооружениях
Потребность во временных зданиях и сооружениях устанавливается, исходя из
расчетной численности рабочих на строительной площадке в период максимального
разворота фронта работ.
В наиболее многочисленную смену число рабочих составляет 55 человека
(согласно расчету потребности в строительных кадрах).
Согласно расчету необходимо предусмотреть на площадке реставрации 2 инвентарных
вагончика - бытовки для рабочих размерами 9×3 м и один биотуалет.
Временные здания и сооружения для нужд реставрации возводятся
(устанавливаются) на площадке специально для обеспечения реставрации и после её
окончания подлежат ликвидации.
Таблица 3.2
Расчет площадей временных зданий и сооружений
|
№ п/п
|
Наименование помещений
|
Ед. измерения
|
Нормативный показатель
|
Кол-во работающих
|
Общая площадь
|
|
1. Служебные помещения
|
|
1
|
Прорабская
|
м2
|
4,8 на 1 чел.
|
5
|
24
|
|
2. Санитарно-бытовые
помещения
|
|
2
|
Гардеробная
|
м2
|
0,9 на 1 чел.
|
49
|
44,1
|
|
3
|
Помещение для согревания,
отдыха и приема пищи
|
м2
|
1 на 1 чел.
|
49
|
49
|
|
Продолжение таблицы 3.2
|
|
4
|
Умывальная
|
м2
|
0,05 на 1 чел.
|
49
|
2,45
|
|
5
|
Душевая
|
м2
|
0,43 на 1 чел.
|
49
|
21,07
|
|
6
|
Туалет
|
м2
|
0,07 на 1 чел.
|
55
|
3,85
|
Временные здания и сооружения, расположенные на площадке реставрации,
вводятся в эксплуатацию решением ответственного производителя работ по объекту.
Ввод в эксплуатацию оформляется актом или записью в журнале работ.
Ведомость потребности в основных строительных машинах, механизмах и
транспортных средствах представлена в таблице 3.3.
Таблица 3.3
Ведомость потребности в основных строительных машинах, механизмах и
транспортных средствах
|
№ п/п
|
Строительные машины и
механизмы
|
Характеристики машин и
механихмов
|
Всего машин и механизмов,
шт
|
|
Инструмент и приспособления
на остальных видах работ
|
|
1
|
Краны на автомобильном ходу
|
Q = 10 т
|
1
|
|
2
|
Автопогрузчики
|
Q = 5 т
|
1
|
|
3
|
Лебедка электрическая
|
Q до 3,2 т
|
1
|
|
4
|
Установки для сварки ручной
дуговой (постоянного тока)
|
|
2
|
|
5
|
Аппараты для газовой сварки
и резки
|
|
1
|
|
6
|
Преобразователи сварочные
|
J = 315…500 А
|
1
|
|
7
|
Компрессоры передвижные
|
Р = 686 кПа (7 ат) 5 м3/мин
|
1
|
|
8
|
Экскаватор
|
Hanix H15B-2
|
1
|
|
9
|
Установки и агрегаты
буровые на базе автомобилей
|
глубина бурения до 200 м
грузоподъемность 2,5 т
|
1
|
|
12
|
Вибраторы глубинные
|
|
1
|
|
13
|
Вибраторы поверхностные
|
|
1
|
|
14
|
1 м3/ч
|
1
|
|
15
|
Дрели электрические
|
|
2
|
|
16
|
Установки для сверления
отверстий в железобетоне диаметром до 160 мм
|
|
1
|
|
17
|
Молотки отбойные
пневматические
|
|
2
|
|
19
|
Пылесосы промышленные
|
|
1
|
|
20
|
Агрегаты окрасочные
высокого давления для окраски поверхностей конструкций
|
Р=1кВт
|
1
|
|
21
|
Автомобили бортовые
грузоподъемностью до 5 т
|
КАМАЗ 43255 (4х2)
|
1
|
3.6.3 Потребности реставрации в электрической энергии и воде
Для хозяйственно-питьевых нужд используется вода из ближайшей
водоразборной колонки, либо водопроводная. Вода должна удовлетворять
требованиям СНиП 2.1.4.027-95 «Питьевая вода и водоснабжение населенных мест»
[33].
Потребность площадки строительства в электроэнергии осуществляется от
существующих электролиний.
Электроснабжение площадки строительства производить от существующих сетей
согласно полученным техническим условиям.
Силовые и осветительные установки при работе по временной схеме
электроснабжения должны иметь напряжение 380/220 вольт.
Освещение площадки реставрации в вечернее и ночное время осуществлять в
соответствии с "ССБТ. Строительство. Нормы освещения строительных
площадок". На площадке реставрации должно быть предусмотрено охранное и
аварийное освещение.
Вопросы энергоснабжения для механизации строительства, схемы расстановки
опор освещения строительной площадки, распределительного шкафа, освещения
рабочих мест, временных электрических линий, мероприятия по рациональному
использованию и экономии электроэнергии, защитных мероприятий, техники
безопасности и охраны труда разрабатываются в составе проекта производства
работ.
Заключение по управленческому разделу
В результате разработки управленческого раздела были рассмотрены:
. Процедура контроля качества ремонтно-строительных работ.
2. Организационно-техническая подготовка к реставрации.
. Описание технологии производимых работ
. Потребность реставрации в основных ресурсах
Раздел 4.
Экологический
4.1 Цели и задачи экологического раздела
В данном разделе определены уровень загрязнения атмосферного воздуха
вредными веществами, содержащимися в выбросах объекта на период реставрации и
объем образовавшихся отходов на объекте в период реставрации и эксплуатации.
Объект культурного наследия регионального значения «3-я городская
больница горздравотдела» расположенная по адресу г. Тюмень, ул. Даудельная, 1,
Литера А, приспосабливается под «Тюменский областной институт развития
регионального образования». После проведения ремонтно-реставрационных работ
здание 2-х этажное с подвалом. Планировочное решение здания представляет собой
набор учебных, административных и бытовых помещений, имеющих выходы в общий
коридор, ведущий в лестничные клетки.
В процессе проектирования, необходимым условием является выявление
основных источников загрязнения окружающей среды, которые образуются при
строительстве объекта.
Основными целями разработки подраздела являлись:
Оценка воздействия объекта капитального строительства на атмосферный
воздух;
Оценка воздействия объектов капитального строительства на земельные ресурсы;
Оценка воздействия отходов объектов капитального строительства на
окружающую среду;
Перечень и расчет затрат на реализацию природоохранных мероприятий и
компенсационных выплат.
4.2 Краткая природно-климатическая характеристика
4.2.1 По расположению объекта
Климат на площадке реставрации континентальный, с теплым летом и суровой
продолжительной зимой, с поздними весенними и ранними осенними заморозками.
Проект разработан для строительства в 1 В климатическом подрайоне.
Снеговой район III, расчетное значение веса снегового покрова - 180
кг/м3.
Ветровой район II, нормативное значение ветрового давления - 30 кг/м2.
Зона влажности - сухая.
Расчетная зимняя температура наружного воздуха - минус 38ºС.
Метеорологические характеристики согласно данным СНиП 23-01-99, ОНД-86
приведены в таблице 4.1.
Таблица 4.1
Климатические характеристики района расположения объекта
|
Метеорологические
характеристики
|
Коэффициенты
|
Обоснование
|
|
Коэффициент, зависящий от
стратификации атмосферы, А
|
200
|
ОНД-86
|
|
Коэффициент рельефа местности
|
1
|
|
|
Температурный режим:
|
|
СНиП 23-01-99
|
|
Средняя температура воздуха
наиболее холодного месяца, Т°С
|
-17,4
|
|
|
Средняя температура воздуха
наиболее жаркого месяца, Т°
|
+18,2
|
|
|
Ветровой режим:
|
|
Справочник по климату СССР
|
|
Повторяемость направлений
ветра, %
|
|
|
|
Скорость ветра (по средним
многолетним данным), повторяемость, превышения которой составляет 5% (U),
м/сек
|
7
|
|
4.2.2 По уровню загрязнения атмосферного воздуха
Выбросы загрязняющих веществ в воздушный бассейн определяется по данным
таблицы МУ «Разборка вопросов охраны окружающей среды в дипломных работах
представлены в таблице 4.2 [34].
Таблица 4.2
Выбросы загрязняющих веществ в воздушный бассейн
|
Компоненты загрязнения
воздушного басейна
|
Дизели Кг/кг
|
|
Углекислый газ (СО2)
|
0,78
|
|
Оксид углерода (СО2)
|
0,05
|
|
Углеводороды (CnHn)
|
0,04
|
|
Оксиды азота (NO,NO2)
|
0,05
|
|
Сернистый газ (SO2)
|
0,002
|
|
Сажа
|
0,3
|
|
Бензапирен, мг/кг
|
0,3
|
Масса основных строительных материалов транспортируемых на объект и
строительный мусор:
) Бетон тяжелый - 1621,7т
) Раствор цементно-песчаный, готовый - 366,7т
) Песок природный для строительных работ - 312,5т
) Щебень из природного камня для строительных работ - 292,7т
) Кирпич керамический одинарный полнотелый - 252,7т
) Портландцемент - 180т.
) Блоки стеновые из пористых бетонов - 122т
) Пиломатериал из хвойных пород древесины - 87,4т
) Стальные конструкции 11т
) Сталь листовая оцинкованная - 10т
) Мусор строительный - 72,48т
Всего - 3329,18т
4.3 Загрязнение атмосферного воздуха при перевозке
строительных материалов
Расчеты при транспортировке основных строительных материалов сводятся к
определению общего транспортного пути при перевозке необходимой массы
соответствующих строительных материалов по формуле (4.1):
; (4.1)
где:
n - общий пробег автомобилей для перевозки массы груза
(км);
Мт
- масса груза (конструкций) которая необходима (m);
Скм
- пробег автомобилей за одну поездку (км).
Средняя
дальность транспортировки основных строительных материалов принята равной 20
км. Масса груза принимается согласно ведомости потребности в основных
строительных материалах равной 3329,18 т. Исходя из этого, общий пробег равен:
;
Имея
общий пробег автомобилей при перевозке строительных материалов, определим
расход горючего (Q) по формуле (4.2):
;(4.2)

- общий
расход горючего при перевозке определенного вида строительных материалов, (кг);
m - количество
сжигаемого автомобилем топлива при пробеге 100 км. Чтобы перевести расход
горючего л/час в кг/час, необходимо расход горючего л/час умножить на
соответствующий коэффициент: m=
кг/час, где дизельное топливо - 0,82.
n - общий пробег
автомобилей для перевозки массы груза (км);
=0,955т
4.4 Загрязнение атмосферного воздуха при работе строительной
техники
Расчет выбросов вредных веществ производится для крана на автомобильном
ходу ГКМ-6,5 МАЗ-500 с дизельным двигателем.
т.
В
итоге, общее количество топлива, потраченное строительной техникой составило:
Qобщ = Q1+ Q2
= 0,955 + 1,082 = 2,037т
Проводим
расчет выбросов вредных веществ в атмосферу от работающей строительной техники
MCO2
= 2,037·0,78 = 1,59 т
MCO =
2,037·0,05 = 0,102 т
MCnHn =
2,037·0,04 = 0,08 т
MNO,NO2 = 2,037·0,05 = 0,102 тSO2=2,037·0,002=0,0043тсажа=2,037·0,3=0,654тбензапирен=2,037·0,3·10-6=0,00000061т
4.5 Расчёт экономического ущерба от выбросов в атмосферу вредных
веществ от автотранспорта
Оценка ущерба наносимого в процессе строительства и эксплуатации объекта
атмосферному воздуху определялась в виде платы за возникающие выбросы
загрязняющих веществ. Плата за выбросы вредных веществ в атмосферу определена по
Базовым нормативам. Расчет платы произведен для периода строительства, за
загрязнение атмосферного воздуха механизмами. Экономический ущерб, применяемого
выбросами вредных веществ в атмосферный воздух, определяется по формуле (4.3):
,руб.;(4.3)
где
- константа, зависящая от курса рубля (2015 год) 50
рублей;
δ - показатель относительной опасности загрязнения над
различной территории δ = 8;
d - константа,
учитывающая природно-климатические условия d=1 ;
М
- приведенная масса газового выброса, определяется по формуле (4.4):
,усл.
т/год; (4,4)
где
Аi - относительная агрессивность примеси, рассчитывается
по формуле (4.5):
, усл.
т/год; (4,5)
где
Мi - масса газового выброса примеси i -
вещества в атмосферу, т/год;
N - общее число
примесей, выбрасываемых в атмосферу;
ПДКi
- предельно допустимая концентрация выбрасываемого в атмосферу загрязняющего
вещества.
Рассчитываем
агрессивность примеси выбрасываемых веществ:
Углекислый
газ: 
;
Оксид
углерода: 
;
Углеводороды:

;
Оксид
азота: 
;
Диоксид
серы: 
;
Сажа:

;
Бензопирен:

;
Приведенная
масса газовых выбросов:
MпрCO2 = 1,59·1 = 1,59 усл.т/год
MпрCO = 0,102·3
= 0,306 усл.т/год
MпрCnHn = 0,08·75
= 6,525 усл.т/год
MпрNO,NO2 =
0,102·75 = 7,56 усл.т/год
MпрSO2 = 0,0043·60 = 0,258
усл.т/год
Mпрсажа =
0,654·60 = 39,24 усл.т/год
Mпрбензапирен
= 0,00000061·20000 = 0,0122 усл. т/год
Рассчитываем
экономический ущерб:

;
; d = 1
УСО2
= 50·8·1·1,59 = 636 руб.
УСО
= 50·8·1·0,306 = 122,4 руб.
УCnHn = 50·8·1·6,525 = 2610 руб.
УNO,NO2 = 50·8·1·7,56 = 3024 руб.
УSO2 = 50·8·1·0,258 = 103,2
руб.
Усажа
= 50·8·1·39,24 = 15696 руб.
Убензопирен
= 50·8·1·0,0122 = 4,88 руб.
Общая
сумма экономического ущерба от выбросов вредных веществ в атмосферный воздух
составляет 22196,48 рубля.
Всего
с учётом коэффициента экологической значимости Кэ = 1,2 и коэффициента
индексации Ки=2,45 плата составит 65257,65 руб.
Вывод:
Принимая во внимание то, что строительные работы связанны с временным локальным
увеличением приземных концентраций вредных веществ в атмосфере и учитывая
фактор рассеивания в воздушных потоках, можно предположить, что загрязнение
атмосферного воздуха не повлечет за собой ухудшений экологической обстановки в
районе проектируемого объекта.
4.6 Плата за выбросы вредных веществ от автотранспорта
Плата за выбросы вредных веществ в атмосферу рассчитывается по формуле
(4.6):
; (4,6)
где: Мвыб - фактическое количество выбросов, т;- выбросы (i =
1...n);
Нδотхi - базовый норматив платы за 1 т
выбросов в атмосферу, руб/т;
δ0 - коэффициент экологической ситуации и экологической
значимости почв в регионе.
Расчет платы за выбросы вредных веществ представлен в таблице 4.3:
Таблица 4.3
Расчет платы за выбросы
|
Компоненты загрязнения
воздушного бассейна
|
Масса выброса i-го
компонента Mi, т
|
, руб./т
|
, руб.
|
|
Углекислый газ (СО2)
|
1,59
|
0,6
|
0,954
|
|
Оксид углерода (СО)
|
0,102
|
0,6
|
0,0612
|
|
Углеводороды (CnHn)
|
0,08
|
5
|
0,4
|
|
Окислы азота (NO/NO2)
|
0,102
|
32/ 52
|
3,264/ 5,304
|
|
Сернистый газ (SO2)
|
0,0043
|
205
|
0,8815
|
|
Сажа (C)
|
0,654
|
80
|
52,32
|
|
Бензапирен
|
0,00000061
|
2049801
|
1,25
|
|
Итого:
|
|
|
|
|
|
Плата за выбросы в атмосферу загрязняющих веществ составит 157,86 рублей.
4.7 Мероприятия по охране атмосферного воздуха
При реставрации объекта основную массу выбросов загрязняющих веществ
вносит строительная техника и передвижной транспорт. Поэтому мероприятия по
уменьшению выбросов загрязняющих веществ относятся к транспорту и строительной
технике.
В целях уменьшения загрязнения воздушного бассейна вредными веществами,
выбрасываемыми двигателями внутреннего сгорания строительной и транспортной
техники, рекомендуется проведение следующих технологических мероприятий:
осуществление визуального инструментального контроля оборудования и
материалов.
- свободные места от застройки и проездов благоустроены и озеленены
устройством газонов, посадкой деревьев, кустарников местных пород;
проезды и площадки на территории с твердым покрытием.
комплектация парка техники строительными машинами с силовыми установками,
обеспечивающими минимальные удельные выбросы загрязняющих веществ в атмосферу;
осуществление запуска и прогрева двигателей транспортных средств,
строительных машин по утвержденному графику с обязательной диагностикой выхлопа
загрязняющих веществ;
запрет на использование техники, не задействованной в технологии
строительства с работающими двигателями в ночное время;
заправка и ремонт техники на специально отведенных площадках;
Предлагаемые мероприятия позволят до минимума свести вредное воздействие
реставрируемого объекта на атмосферный воздух.
4.8 Охрана окружающей среды при складировании отходов
строительства
Задачей является выявление отходов, образующихся в процессе реставрации
памятника архитектуры, а также оценка степени влияния на природные среды
занимаемой площадки и прилегающей территории.
4.9 Характеристика объекта как источника образования
отходов
Подрядчик на период проведения работ по реставрации в соответствии с
Законом Российской Федерации «Об отходах производства и потребления» и
природоохранными нормативными документами РФ ведет учет наличия образования,
использование всех видов отходов производства и потребления, которые образуются
в результате строительства Центра.
Деятельность подрядчика должна быть направлена на сведение к минимуму
образование отходов, не подлежащих дальнейшей переработке, и захоронение их в
соответствии с действующим законодательством, а так же поиском потребителей,
для которых данные виды отходов являются сырьевыми ресурсами. Учету подлежат
все виды отходов. Количество образующихся отходов так же зависит от объема,
продолжительности проводимых работ и численности персонала. Расчет отходов
производства и потребления выполняется на основании раздела ПОС.
При начале строительных работ весь строительный мусор, полученный в
результате разрушения и распечатки строительных конструкций собирается и
удаляется на городскую свалку. Грунт для обратной засыпки по взаимной
договоренности привозят либо с других строительных площадок, либо из специально
разрабатываемых карьеров.
В период строительства образуются следующие виды отходов:
Строительный щебень, потерявший потребительские свойства;
- Отходы горбыля, рейки из натуральной чистой древесины;
Лом стальной не сортированный;
Лом оцинкованной стали несортированный;
Отходы изолированных проводов и кабелей;
Бой бетонных изделий, отходы бетона в кусковой форме;
Остатки и огарки стальных сварочных электродов;
Шлак сварочный;
Отходы толи;
Бой строительного кирпича;
Отходы цемента в кусковой форме;
Отходы полиэтилена в виде лома, литников;
Отходы стекловолокна;
Отходы рубероида;
Отходы песка, не загрязнённого опасными веществами;
Расчет трудноустранимых отходов и потерь материалов при строительстве
объекта представлен в таблице 4.4.
Таблица 4.4
Расчет трудноустранимых отходов и потерь материалов при строительстве
объекта
|
Наименование отхода
|
Количество исходного
материала, т
|
Удельный показатель
образования отхода, %
|
Кол-во отхода, т
|
Способ использования
|
|
|
|
|
Передано
|
Вывезено
|
|
Строительный щебень,
потерявший потребительские свойства
|
317,36
|
3
|
0,952
|
|
0,952
|
|
Лом оцинкованной стали
несортированный
|
10,45
|
2
|
0,021
|
Передача Вторчермету
|
|
|
Отходы горбыля, рейки из
натуральной чистой древесины
|
31,703
|
5
|
1,585
|
|
1,585
|
|
Лом стальной не
сортированный
|
2,237
|
2
|
0,045
|
Передача Вторчермету
|
|
|
Отходы изолированных
проводов и кабелей
|
11,234
|
1,5
|
0,169
|
Передача Вторчермету
|
|
|
Бой бетонных изделий,
отходы бетона в кусковой форме
|
1576,032
|
2
|
31,521
|
|
31,521
|
|
Остатки и огарки стальных
сварочных электродов
|
0,630
|
15
|
0,094
|
|
0,094
|
|
Шлак сварочный
|
0,094
|
60
|
0,057
|
|
0,057
|
|
Отходы толи
|
0,516
|
3
|
0,015
|
|
0,015
|
|
Бой строительного кирпича
|
467,544
|
1
|
4,675
|
|
4,675
|
|
Отходы цемента в кусковой
форме
|
399,768
|
2
|
7,995
|
|
7,995
|
|
Отходы полиэтилена в виде
лома, литников
|
1,305
|
2,5
|
0,033
|
|
0,033
|
|
Отходы стекловолокна
|
19,185
|
3
|
0,576
|
|
0,576
|
|
Отходы рубероида
|
0,465
|
3
|
0,014
|
|
0,014
|
|
Отходы песка, не
загрязнённого опасными веществами
|
343,281
|
3
|
10,298
|
|
10,298
|
|
ИТОГО
|
|
|
58,050
|
|
57,816
|
Расчет платы за размещение отходов проведен согласно Постановлению
Правительства РФ от 12 июня 2003 г. N344 «О нормативах платы за выбросы в
атмосферный воздух загрязняющих веществ стационарными и передвижными
источниками, сбросы загрязняющих веществ в поверхностные и подземные водные
объекты, размещение отходов производства и потребления» изменений внесенных
Постановлением Правительства РФ от 1 июля 2005 г. №410 [35].
Расчет платы за размещение отходов представлен в таблице 4.5
Всего с учётом коэффициента экологической значимости Кэ=1,2 и
коэффициента индексации Ки=2,45 ежегодная плата за размещение отходов в период
реставрации составит 68033,46 рублей.
Т
аблица 4.5
Расчет платы за размещение отходов
|
№
|
Вид отхода
|
Норматив платы, руб/т
|
Количество размещаемых
отходов, т
|
Коэф-т экологической
ситуации
|
Коэф-т, учитывающий
размещение отходов
|
Сумма, руб
|
|
1
|
Строительный мусор (V класс
опасности)
|
8
|
47,546
|
1,2
|
0,3
|
2,45
|
335,48
|
|
2
|
Строительный мусор (IV
класс опасности)
|
248,4
|
10,418
|
1,2
|
0,3
|
2,45
|
2282,47
|
|
ИТОГО
|
|
57,964
|
|
|
|
2617,94
|
4.10 Оценка воздействия отходов на окружающую среду
Отходы, образующиеся в процессе строительства и последующего
функционирования объекта, не оказывают существенного отрицательного воздействия
на состояние окружающей среды и здоровье людей, не нарушают экологическое
равновесие занимаемой площади и прилегающей территории, вследствие принятия
надлежащих мер, исключающих попадания самих отходов и их компонентов в
природные среды.
Отходы I, II, III класса
опасности на объекте в процессе строительства не образуются. Образующиеся ТБО и
строительный мусор отрицательного воздействия на окружающую среду не оказывают,
т.к. отходы собираются в контейнеры на специальной площадке. В атмосферный
воздух не происходит выделения загрязняющих веществ, так как вывоз мусора
происходит ежедневно (гниение отсутствует). На подземные и поверхностные воды
образующиеся отходы влияния не оказывают. При производстве
строительно-монтажных работ должны быть соблюдены требования по предотвращению
разлива жидких отходов, запыленности и загазованности воздуха.
Отходы, образующиеся в результате эксплуатации объекта, будут
накапливаться в местах временного хранения на территории, а затем вывозится на
полигон ТБО для окончательного размещения.
Таким образом, влияние загрязняющих веществ на почву в результате
эксплуатации объекта будет минимизировано, так как все виды образующихся
отходов на территории объекта будут храниться в соответствии с экологическими
требованиями:
на асфальтобетонных площадках;
раздельно по видам отходов;
при обеспечении беспрепятственного доступа к площадкам для вывоза
отходов.
Вывод: В силу того, что обращение с отходами в пределах объекта является
безопасным, исключающим загрязнение природных сред территории, не ведущим к
поражению людей и ухудшению экологической ситуации, реставрация и эксплуатация
объекта считается возможным.
4.11 Оценка воздействия объектов капитального
строительства на земельные ресурсы
4.11.1 Краткая характеристика земель района
расположения объекта
Воздействие проектируемых объектов на территорию их размещения выражается
в отчуждении земель для размещения объектов, изменение рельефа при выполнении
строительных и планировочных работ, увеличении нагрузки на грунты оснований от
веса сооружений, изменении гидрологических характеристик и условий
поверхностного стока.
В районе размещения объекта отсутствуют особо охраняемые территории.
Интересы землевладельцев и землепользователей при отчуждении земель для
строительства и эксплуатации объекта затронуты не будут.
Водных магистралей и искусственных водоемов на площадке строительства не
имеется. Территория паводковыми и весенними водами не затопляется.
Участок работ представляет собой застроенную территорию с наличием
подземных и надземных коммуникаций. Физико-геологических явлений, таких как
оползней, карста на данной и прилегающей к ней территории не наблюдается.
Сейсмическая активность, по шкале MSK-64 не регламентируется, район сейсмически
не активен.
В геоморфологическом отношении площадка приурочена к высокой
правобережной надпойменной трассе реки Тура.
Рельеф местности ровный, абсолютные отметки поверхности составляют
75,90-76,70 м.
Из физико-геологических явлений и процессов на исследуемой площадке,
наблюдается морозное пучение, обусловленное сезонным промерзанием и оттаиванием
грунтов в местах избыточного увлажнения.
В геолого-литологическом строении площадки принимают участие современные
техногенные отложения (QIV), представлены насыпными грунтами и
верхнечетвертичные аллювиальные песчано-глинистые отложения (QIII-IV),
представленные суглинками от тугопластичной до текучей консистенции с прослоями
песка мелкого, средней плотности, насыщенного водой, с прослоями супеси
пластичной и примесью органических веществ в нижней части разреза.
Согласно отчету «инженерно-геологические изыскания на земельном участке
объекта культурного наследия регионального значения площадка объекта сложена:
с поверхности залегает насыпной грунт, представленный суглинками
тугопластичными, перемешанными со строительным мусором мощностью 0,5-2,0 м.
Ниже насыпных грунтов залегают суглинки тугопластичные с прослоями
мягкопластичных, переслаивающиеся с песком мелким средней плотности, насыщенным
водой, мощностью 2,1-3,3 м.
По степени морозоопасности грунты в основании: сильнопучинистые и при
водонасыщении чрезмернопустынистые; суглинок тугопластичный с прослоями
мягкопластичных с расчетными характеристиками: у=1,92 г/см3, С = 26
кПа, Е = 12 МПа.
Подземные воды выявлены на глубине 3,0-3,8 м и являются
среднеагрессивными по отношению к бетону нормальной плотности (W4),
низкоагрессивными по отношению к свинцовой оболочке кабеля, и
среднеагрессивными - к алюминиевой.
Нормативная глубина промерзания - глинистых грунтов - 1,8 м, а насыпных 2
м.
4.11.2 Воздействие объекта на земельные
ресурсы
Изменение рельефа при выполнении строительных и планировочных работ не
предусматривается инженерной планировкой и благоустройством участков объектов.
Площадь отвода территории под строительство определена Планом
установления границ земельного участка.
Отсутствие изменения рельефа не повлияют на параметры поверхностного
стока (уровень и химический состав грунтовых вод).
Благоустройство территории данным проектом не предусматривается.
После завершения строительных работ на территории объекта должен быть
убран строительный мусор, ликвидированы ненужные выемки и насыпи, выполнены
планировочные работы.
Мероприятия по защите земельных ресурсов
В проекте предусмотрены следующие мероприятия по защите земельных
ресурсов в период строительства:
исключить хаотичный заезд транспорта и строительной техники, работы
должны вестись в строго ограниченной зоне существующего отвода;
вывоз отходов производится по сети существующих дорог;
отходы производства, по согласованию с местными органами власти, подлежат
захоронению в специально отведенных местах;
для предотвращения попадания горюче-смазочных материалов на плодородный
слой почвы, заправка автомобилей и строительной техники топливом и маслами
производится на стационарных заправочных пунктах, специально оборудованных для
этих целей;
при производстве реставрационных работ не допускается загрязнение
поверхности земли мусором, бытовыми отходами.
По окончании строительства предусмотрено удаление строительного мусора на
всей территории, оказавшейся в зоне влияния объекта, в места, согласованные с
Роспотребнадзором.
Таким образом, строительство и ввод в действие реставрируемого объекта не
противоречит требованиям природоохранного законодательства и не нарушает экологическую
ситуацию в районе строительства.
Вывод:
В процессе реализации намечаемых проектных решений неизбежно нарушение
земель, однако, принятие надлежащих мероприятий по защите земельных ресурсов
позволит минимизировать антропогенное воздействие.
Обращение с отходами на территории проведения работ является безопасным,
исключающим загрязнение природных сред и не ведущим к ухудшению ее
экологической ситуации.
Строительство и ввод в действие объекта не приведет к нарушению
территории и изменению характера землепользования в рассматриваемом районе.
4.12 Заключение по экологическому разделу
В проекте выполнена оценка воздействия объекта на окружающую среду по
составляющим компонентам:
- Оценка воздействия объекта капитального строительства на атмосферный воздух;
Оценка воздействия объектов капитального строительства на земельные
ресурсы;
Оценка воздействия отходов объектов капитального строительства на
окружающую среду;
Перечень и расчет затрат на реализацию природоохранных мероприятий и
компенсационных выплат.
Реализация данного проекта с точки зрения экологии не представляет угрозы
для здоровья человека и не приведет к необратимым изменениям в природной среде.
Раздел 5.
Правовой
5.1 Задачи правового раздела
Обзор нормативно-правовой базы
Договор подряда на выполнение проектных и изыскательских работ.
5.2 Обзор нормативно-правовой базы
Гражданский кодекс РФ: §4. Подряд на выполнение проектных и
изыскательских работ.
§ СНиП 2.01.07-85* «Нагрузки и воздействия»
Данные нормы распространяются на проектирование строительных конструкций
и оснований зданий и сооружений и устанавливают основные положения и правила по
определению и учету постоянных и временных нагрузок и воздействий, а также их
сочетаний.
§ СНиП 2.08.02-89* «Общественные здания и сооружения»
Настоящими нормами устанавливается комплекс обязательных нормативных
требований к эксплуатационным характеристикам зданий учреждений и организаций,
в том числе и в первую очередь к их безопасности и соответствию
санитарно-эпидемиологическим требованиям.
§ СНиП 3.03.01-87 «Несущие и ограждающие конструкции»
Данные нормы и правила распространяются на производство и приемку работ,
выполняемых при строительстве и реконструкции предприятий, зданий и сооружений,
во всех отраслях народного хозяйства.
§ СНиП II-22-81* Каменные и армокаменные конструкции (с Изменениями N1, 2).
Нормы настоящей главы должны соблюдаться при проектировании каменных и
армокаменных конструкций новых и реконструируемых зданий и сооружений.
§ СНиП 3.02.01-87 "Земляные сооружения, основания и фундаменты".
§ СНиП 23-01-99 «Строительная климатология»
Данные нормы устанавливают климатические параметры, которые применяют при
проектировании зданий и сооружений, систем отопления, вентиляции,
кондиционирования, водоснабжения, при планировке и застройке городских и
сельских поселений.
§ СНиП 23-02-2003 «Тепловая защита зданий»
Настоящие строительные нормы и правила устанавливают требования к
тепловой защите зданий в целях экономии энергии при обеспечении
санитарно-гигиенических и оптимальных параметров микроклимата помещений и
долговечности ограждающих конструкций зданий и сооружений.
§ СНиП 2.03.11-85 «Защита строительных конструкций от коррозии»
Настоящие нормы распространяются на проектирование защиты от коррозии
строи-тельных конструкций (бетонных, железобетонных, стальных, алюминиевых,
деревянных, каменных и асбестоцементных) зданий и сооружений при воздействии
агрессивных сред с температурой от минус 70 до плюс 50°С.
§ СНиП 2.01.02-85* «Противопожарные нормы» Настоящие нормы устанавливают
пожарно-техническую классификацию зданий и сооружений, их элементов,
строительных конструкций, материалов, а также общие противопожарные требования
к конструктивным и планировочным решениям помещений, зданий и сооружений
различного назначения.
§ СанПиН 2.4.3.1186-03 «Санитарно-эпидемиологические требования к
организации учебно-производственного процесса в образовательных учреждениях
начального профессионального образования». Данные нормативные правовые акты
устанавливают санитарно-эпидемиологические требования (в том числе критерии
безопасности и (или) безвредности для человека фак-торов среды его обитания,
гигиенические и иные нормативы), несоблюдение которых создает угрозу жизни или
здоровью человека, а также угрозу возникновения и распространения заболеваний.
§ СП 59.13330.2012 «Доступность зданий и сооружений для маломобильных групп
населения». Настоящие строительные нормы и правила устанавливают необходимые
требования для создания беспрепятственного доступа маломобильных групп
населения к жилым помещениям.
§ Закон Российской Федерации “Об охране окружающей среды” (с послед.
измен). Настоящий Федеральный закон регулирует отношения в сфере взаимодействия
общества и природы, возникающие при осуществлении хозяйственной и иной
деятельности, связанной с воздействием на природную среду в пределах территории
Российской Федерации, а также на континентальном шельфе и в исключительной
экономической зоне Российской Федерации.
§ ГОСТ 12.1.004-91* «ССБТ Пожарная безопасность. Общие требования» Данный
стандарт устанавливает общие требования пожарной безопасности к объектам защиты
различного назначения на всех стадиях их жизненного цикла.
5.3 Договор подряда на выполнение проектных и
изыскательских работ
В соответствии с Гражданским кодексом Российской Федерации, §4. Подряд на
выполнение проектных и изыскательских работ (ст.ст.758-762)
Статья 758. Договор подряда на выполнение проектных и изыскательских
работ
По договору подряда на выполнение проектных и изыскательских работ
подрядчик (проектировщик, изыскатель) обязуется по заданию заказчика
разработать техническую документацию и(или) выполнить изыскательские работы, а
заказчик обязуется принять и оплатить их результат.
Статья 759. Исходные данные для выполнения проектных и изыскательских
работ
. По договору подряда на выполнение проектных и изыскательских работ
заказчик обязан передать подрядчику задание на проектирование, а также иные
исходные данные, необходимые для составления технической документации. Задание
на выполнение проектных работ может быть по поручению заказчика подготовлено
подрядчиком. В этом случае задание становится обязательным для сторон с момента
его утверждения заказчиком.
. Подрядчик обязан соблюдать требования, содержащиеся в задании и других
исходных данных для выполнения проектных и изыскательских работ, и вправе
отступить от них только с согласия заказчика.
Статья 760. Обязанности подрядчика
. По договору подряда на выполнение проектных и изыскательских работ
подрядчик обязан:
выполнять работы в соответствии с заданием и иными исходными данными на
проектирование и договором;
согласовывать готовую техническую документацию с заказчиком, а при
необходимости вместе с заказчиком - с компетентными государственными органами и
органами местного самоуправления;
передать заказчику готовую техническую документацию и результаты
изыскательских работ.
Подрядчик не вправе передавать техническую документацию третьим лицам без
согласия заказчика.
. Подрядчик по договору подряда на выполнение проектных и изыскательских
работ гарантирует заказчику отсутствие у третьих лиц права воспрепятствовать
выполнению работ или ограничивать их выполнение на основе подготовленной
подрядчиком технической документации.
Статья 761. Ответственность подрядчика за ненадлежащее выполнение
проектных и изыскательских работ
. Подрядчик по договору подряда на выполнение проектных и изыскательских
работ несет ответственность за ненадлежащее составление технической
документации и выполнение изыскательских работ, включая недостатки,
обнаруженные впоследствии в ходе строительства, а также в процессе эксплуатации
объекта, созданного на основе технической документации и данных изыскательских
работ.
. При обнаружении недостатков в технической документации или в
изыскательских работах подрядчик по требованию заказчика обязан безвозмездно
переделать техническую документацию и соответственно произвести необходимые
дополнительные изыскательские работы, а также возместить заказчику причиненные
убытки, если законом или договором подряда на выполнение проектных и
изыскательских работ не установлено иное.
Статья 762. Обязанности заказчика
По договору подряда на выполнение проектных и изыскательских работ
заказчик обязан, если иное не предусмотрено договором:
уплатить подрядчику установленную цену полностью после завершения всех
работ или уплачивать ее частями после завершения отдельных этапов работ;
использовать техническую документацию, полученную от подрядчика, только
на цели, предусмотренные договором, не передавать техническую документацию
третьим лицам и не разглашать содержащиеся в ней данные без согласия
подрядчика;
оказывать содействие подрядчику в выполнении проектных и изыскательских
работ в объеме и на условиях, предусмотренных в договоре;
участвовать вместе с подрядчиком в согласовании готовой технической
документации с соответствующими государственными органами и органами местного
самоуправления;
возместить подрядчику дополнительные расходы, вызванные изменением
исходных данных для выполнения проектных и изыскательских работ вследствие
обстоятельств, не зависящих от подрядчика;
привлечь подрядчика к участию в деле по иску, предъявленному к заказчику
третьим лицом в связи с недостатками составленной технической документации или
выполненных изыскательских работ.
5.4 Заключение по правовому разделу
Договор подряда на выполнение проектных и изыскательских работ был
составлен в соответствии с Гражданским кодексом Российской Федерации, §4.
Подряд на выполнение проектных и изыскательских работ (ст.ст.758-762)
Заключение
В ходе разработки дипломного проекта были выполнены следующие разделы:
Технический раздел
Экономический раздел
Управленческий раздел
Экологический раздел
Правовой раздел
По результатам технического раздела можно сделать следующие выводы:
физический износ здания составляет 75%, что свидетельствует об аварийном
состоянии объекта. По итогам оценки объемно-планировочных решений было выявлено
несоответствие площадей вестибюля и подсобного помещения пунктам СП
118.13330.2012. Результатом теплотехнического расчета является несоответствие
конструкции стены требованиям санитарной и тепловой защиты. В ходе инструментального
обследования была определена несущая способность кладки наружных несущих стен,
которая составила 3,57 кгс/см2. В результате поверочного расчета, с
учетом фактической прочности кирпичной кладки, был выявлен дефицит несущей
способности простенка первого этажа - 72,5%. С целью устранения выявленных
недостатков были предложены такие мероприятия как усиление простенков первого
этажа углеволокном и устройство несущего металлокаркаса. В ходе сравнительного
анализа данных мероприятий был сделан вывод о том, что вариант устройства
несущего металлокаркаса является предпочтительнее с экономической и технической
точки зрения.
По результатам экономического раздела можно сделать следующие выводы:
реставрация объекта культурного наследия и его дальнейшее приспособление под
ГАОУ ДПО «Тюменский областной государственный институт развития регионального
образования» является актуальной и решает ряд таких задач, как реализация
некоторых направлений национального проекта «Образование», направленного на
совершенствование системы современного образования. Усовершенствование
материально-технической базы института. Создание дополнительной площадки для
проведения профильных мероприятий. Возможность привлечение новых
профессиональных кадров. Также немаловажно сохранение объекта культурного
наследия регионального значения, представляющего историческую ценность для
региона.
В данном разделе было рассмотрено сравнение вариантов конструктивных
решений, по результатам которого можно сделать вывод, что устройство
металлокаркаса выгоднее усиления на 257784,28 руб. вследствие высокой стоимости
композитных материалов.
Также был построен план и график поступления денежных средств, по
которому можно сказать, что финансирование проекта идет поэтапно.
Продолжительность реставрации составила 14 месяцев, на основании
календарного графика производства работ.
Общая стоимость реставрации составляет 128122,25 тыс. руб. на основании
плана поступления денежных средств, в период с 04.15 по 03.16.
Финансирование проекта осуществляется за счет средств бюджета Тюменской
области в лице Департамента образования и науки Тюменской области.
Организационная структура участников реализации проекта выглядит
следующим образом:
Заказчиком является Государственное казенное учреждение Тюменской области
«Управление капитального строительства» действующего в интересах субъекта
Российской Федерации - Тюменской области в лице комитета по охране и
использованию историко-культурного наследия Тюменской области.
Экспертизу проектной документации осуществляет Управление государственной
экспертизы проектной документации ГУС. Также, заказчик взаимодействует с
органом строительного надзора.
В роли проектно-изыскательской организации выступает ФГБОУ ВПО «Тюменский
государственный архитектурно-строительный университет», взаимодействующий с
заказчиком на основании договора на проектирование и договора на авторский
надзор.
Генподрядчик взаимодействует с заказчиком на основании договора подряда.
Также, в отношении генподрядной организации осуществляется авторский надзор со
стороны заказчика и государственной инспекции строительного надзора.
В свою очередь, генподрядчик взаимодействует с субподрядными
организациями на основании договора субподряда и осуществляет приемочный
контроль работ.
Поставщики материалов, ресурсов и другого технического имущества
взаимодействуют с генподрядной организацией на основании договора поставки.
Также, со стороны генподрядчика осуществляется входной контроль материалов.
Для обеспечения своевременной подготовки и соблюдения технологической
последовательности реставрации предусматриваются два периода строительства:
подготовительный и основной.
Также представлена технология производимых работ и потребность
реставрации в основных ресурсах.
В ходе реализации экологического раздела, была выполнена оценка воздействия
объекта на окружающую среду по составляющим компонентам:
- Оценка воздействия объекта капитального строительства на атмосферный
воздух;
Оценка воздействия объектов капитального строительства на земельные
ресурсы;
Оценка воздействия отходов объектов капитального строительства на
окружающую среду;
Перечень и расчет затрат на реализацию природоохранных мероприятий и
компенсационных выплат.
Общая сумма экономического ущерба от выбросов вредных веществ в
атмосферный воздух составляет 22196,48 рубля.
Всего с учётом коэффициента экологической значимости Кэ = 1,2 и
коэффициента индексации Ки = 2,45 плата составит 65257,65 руб.
Реализация данного проекта с точки зрения экологии не представляет угрозы
для здоровья человека и не приведет к необратимым изменениям в природной среде.
Итогами правового раздела является то, что договор подряда на выполнение
проектных и изыскательских работ был составлен в соответствии с Гражданским
кодексом Российской Федерации, § 4. Подряд на выполнение проектных и
изыскательских работ (ст.ст.758-762)
Список литературы
1. СНиП
23-01-99* Строительная климатология
. СНиП
2.01.07-85* Нагрузки и воздействия (с Изменениями N 1, 2)
. СНиП
3.02.01-87 "Земляные сооружения, основания и фундаменты".
. СНиП
2.03.11-85 «Защита строительных конструкций от коррозии»
. ГОСТ Р
53778-2010. Здания и сооружения. Правила обследования и мониторинга
технического состояния
. ВСН
53-86(р) Правила оценки физического износа жилых зданий
. СНиП
21-01-97* Пожарная безопасность зданий и сооружений (с Изменениями N 1, 2)
. СП
118.13330.2012 Общественные здания и сооружения. Актуализированная редакция
СНиП 31-06-2009 (с Изменением N 1)
. СанПиН
2.4.3.1186-03 «Санитарно-эпидемиологические требования к организации
учебно-производственного процесса в образовательных учреждениях начального
профессионального образования»
. СП
59.13330.2012 «Доступность зданий и сооружений для маломобильных групп
населения»
. ГОСТ
8462-85. Материалы стеновые. Методы определения пределов прочности при сжатии и
изгибе
. ГОСТ
5802-86 Растворы строительные. Методы испытаний
. ГОСТ 530-95
Кирпич и камни керамические. Технические условия
. СП
15.13330.2012 Каменные и армокаменные конструкции. Актуализированная редакция
СНиП II-22-81*
. СП
50.13330.2012 Тепловая защита зданий. Актуализированная редакция СНиП
23-02-2003
. СНиП
23-02-2003 Тепловая защита зданий
. СП
23-101-2004 Проектирование тепловой защиты зданий
. Костенко,
А.Н. Прочность и деформативность центрально и внецентренно сжатых кирпичных и
железобетонных колонн, усиленных углеволокном: дис. ... канд. тех. наук:
05.23.01. - М., 2010.
. СП
16.13330.2011. Стальные конструкции. Актуализированная редакция СНиП II-23-81*.
.
Металлические конструкции. Общий курс: Учебник для вузов. Под общей редакцией
А.П. Беленя. М.: Стройиздат, 1986.- 560 с.
.
Проектирование металлических конструкций. Спец. курс. Учебное пособие для
вузов/В.А. Бирюлев, И.И. Кошин, И.И. Крылов, А.В. Сильвестров. - Л.:
Стройиздат, 1990.-419с.
. МДС
81-35.2004 Методика определения стоимости строительной продукции на территории Российской
Федерации (с Изменениями от 16.06.2014)
. СРП-2007.7
Часть 7. Методические рекомендации определения стоимости работ по сохранению
объектов культурного наследия на территории Российской Федерации.
. ССН-84
Дополнения и изменения к Сборнику сметных норм и единичных расценок на
реставрационно-восстановительные работы по памятникам истории и культуры.
Выпуск VII. ДИЗ.
. МДС
81-33.2004 Изменения и дополнения к "Методическим указаниям по определению
величины накладных расходов в строительстве"
. МДС 81-25.2001
Методические указания по определению величины сметной прибыли в строительстве
. МДС 83-1.99
Методические рекомендации по определению размера средств на оплату труда в
договорных ценах и сметах на строительство и оплате труда работников
строительно-монтажных и ремонтно-строительных организаций.
.
ГСНр-2001-02 Сборник сметных норм дополнительных затрат при производстве
ремонтно-строительных работ в зимнее время.
. Вестник
Пермского университета. Серия «Экономика» 1. Научный журнал, Матыс Е.Г., Шкилева
А.А. Определение твердой договорной цены на строительство объектов социальной
сферы на территории Тюменской области
. Руководство
по контролю качества строительно-монтажных работ / В.М. Никитин и др.−
3-е изд., испр. и доп.− СПб: Изд. дом "KN+", 2002;
. СНиП
3.01.04-87 «Приемка в эксплуатацию законченных строительством объектов»
. СНиП
12-01-2004. Организация строительства
.
Реконструкция и капитальный ремонт жилищных и общественных зданий: Справочник
производителя работ / В.Л. Вольсон, В.А. Ильященко, Р.Г. Комиссарчик.−
М.: Стройиздат, 1999;
. Разработка
проектов организации строительства и проектов производства работ для
промышленного строительства (Справ. пособие к СНиП) / Центр. науч.-исслед. и
проект.-эксперим. ин-т орг., механизации и техн. помощи стр-ву.− М.:
Стройиздат, 1990;
. СНиП
12-03-2001 «Безопасность труда в строительстве. Часть I. Общие требования»
. ПБ
10-382-00 «Правила устройства и безопасной эксплуатации грузоподъёмных кранов»
. СНиП
2.1.4.027-95 «Питьевая вода и водоснабжение населенных мест».
. МУ
«Разборка вопросов охраны окружающей среды в дипломных работах.
.
Постановление Правительства РФ от 12 июня 2003 г. N344 «О нормативах платы за
выбросы в атмосферный воздух загрязняющих веществ стационарными и передвижными
источниками, сбросы загрязняющих веществ в поверхностные и подземные водные
объекты, размещение отходов производства и потребления» изменений внесенных
Постановлением Правительства РФ от 1 июля 2005 г. №410.
. Закон
Российской Федерации “Об охране окружающей среды” (с послед. измен)
.Практическое
пособие к СП 11-101-95 по разработке раздела "Оценка воздействия на
окружающую среду" при обосновании инвестиций в строительство предприятий,
зданий и сооружений;
. Гражданский
кодекс Российской Федерации.
. ГОСТ
2.105-95. ЕСКД. Общие требования к текстовым документам (2002) / Единая система
конструкторской документации. Основные положения: Сб. ГОСТов. - М.: ИПК
Издательство стандартов, 2001 год.
. ГОСТ
21.501-93. СПДС. Правила выполнения архитектурно-строительных рабочих чертежей
(2002) - М.: ИПК Издательство стандартов, 1996 год.
Приложение А
Таблица А.1
План поступления денежных средств из бюджета на
реставрацию
|
№ п/п
|
Наименование работ, затрат
|
Общая стоимость в текущих
ценах, т.р. /в базовых ценах, т.р.
|
Стоимость работ по периодам
строительства
|
|
|
|
Периоды строительства
|
|
|
|
04.15
|
05.15
|
06.15
|
07.15
|
08.15
|
09.15
|
10.15
|
11.15
|
12.15
|
1.16
|
2.16
|
3.16
|
|
1
|
Демонтажные работы
|
95,21 85,23
|
76,17 68,19
|
19,03 17,047
|
|
|
|
|
|
|
|
|
|
|
|
2
|
Земляные работы
|
671,11 599,52
|
|
60,88 54,5
|
273,98 245,26
|
275,12 245,26
|
61,13 54,5
|
|
|
|
|
|
|
|
|
3
|
Фундамент
|
15243,85 13608,18
|
|
|
5067,23 4536,06
|
5088,31 4536,06
|
5088,31 4536,06
|
|
|
|
|
|
|
|
|
4
|
Перекрытия
|
8269,44 7380,4
|
|
|
2274,49 2036,07
|
3711 3308,22
|
2283,95 2036,07
|
|
|
|
|
|
|
|
|
5
|
Гидроизоляция
|
8031,21 7272,1
|
|
|
2098.52 1983,3
|
3707,93 3305,5
|
2224,76 1983,3
|
|
|
|
|
|
|
|
|
6
|
Инъецирование трещин
|
301,1 268,42
|
|
|
|
|
301,1 268,42
|
|
|
|
|
|
|
|
|
7
|
Лестницы
|
1209.31 1078,06
|
|
|
|
|
1209.31 1078,06
|
|
|
|
|
|
|
|
|
8
|
Перегородки
|
2967,35 2645,3
|
|
|
|
1483,68 1322,65
|
1483,68 1322,65
|
|
|
|
|
|
|
|
|
9
|
Кровля
|
5503,49 4877,08
|
|
|
|
729,45 650,28
|
1458,9 1300,55
|
1823,62 1625,7
|
1491,52 1300,55
|
|
|
|
|
|
|
10
|
Проемы
|
5836,43 5202,98
|
|
|
|
|
2918,21 2601,49
|
2918,21 2601,49
|
|
|
|
|
|
|
|
11
|
Отделка
|
16804,27 14706,31
|
|
|
|
|
|
2749,46 2451,05
|
2810,96 2451,05
|
2810,96 2451,05
|
2810,96 2451,05
|
2810,96 2451,05
|
2810,96 2451,05
|
|
|
12
|
Реставрация
|
3331,29 2904,76
|
|
|
|
|
|
|
3331,29 2904,76
|
|
|
|
|
|
|
13
|
Входные группы
|
1118,78 997,36
|
|
|
|
|
|
1118,78 997,36
|
|
|
|
|
|
|
|
14
|
Отмостка
|
649 578,57
|
|
|
|
|
|
649 578,57
|
|
|
|
|
|
|
|
15
|
Устройство водопровода
|
824,55 735,06
|
|
|
|
|
|
824,55 735,06
|
|
|
|
|
|
|
|
16
|
Устройство канализации
|
443,75 395,59
|
|
|
|
|
|
443,75 395,59
|
|
|
|
|
|
|
|
17
|
Устройство системы
пожаротушения
|
541,78 482,98
|
|
|
|
|
|
541,78 482,98
|
|
|
|
|
|
|
|
18
|
Устройство отопления
|
2841,27 2532,9
|
|
|
|
|
|
2841,27 2532,9
|
|
|
|
|
|
|
|
19
|
Устройство вентиляции
|
10265,5 9151,36
|
|
|
|
|
|
10265,5 9151,36
|
|
|
|
|
|
|
|
20
|
Внутреннее электроснабжение
и слаботочные сети
|
9949,66 7397,22
|
|
|
|
|
|
|
9949,66 7397,22
|
|
|
|
|
|
|
21
|
Автоматизация системы
отопления и пожаротушения
|
1103,31 957,46
|
|
|
|
|
|
|
1098,05 957,46
|
|
|
|
|
|
|
22
|
Пожарная сигнализация
|
764,58 725,33
|
|
|
|
|
|
|
764,58 725,33
|
|
|
|
|
|
|
23
|
НС СКС
|
213,33 202,38
|
|
|
|
|
|
|
213,33 202,38
|
|
|
|
|
|
|
24
|
Наружные сети водопровода
|
1071,25 1016,25
|
|
|
|
|
|
|
1071,25 1016,25
|
|
|
|
|
|
|
25
|
Наружные сети канализации
|
1729,29 1640,5
|
|
|
|
|
|
|
|
1729,29 1640,5
|
|
|
|
|
|
26
|
Наружные тепловые сети
|
696,69 575,75
|
|
|
|
|
|
|
|
696,69 575,75
|
|
|
|
|
|
27
|
Благоустройство
|
13889,78 13922,02
|
|
|
|
|
|
|
|
|
|
2314,96 2320,33
|
9259,86 9281,32
|
2314,96 2320,33
|
|
28
|
Итого:
|
76,17 68,19
|
79,91 71,55
|
9714,22 8800,7
|
14995,49 13467,97
|
17029,35 15181,1
|
24175,9 21552,0
|
20721,64 16955
|
5236,94 4667,3
|
2810,96 2451,05
|
5125,92 4771,38
|
12070,8 11732,3
|
2314,96 2320,33
|
|
29
|
Временные здания и
сооружения 1,2%
|
1393,27 1223,27
|
0,914 0,818
|
0,96 0,858
|
116,57 105,6
|
186,187 161,61
|
219,8 182,17
|
289,36 258,62
|
248,66 203,46
|
62,84 56
|
33,78 29,41
|
61,5 57,25
|
144,85 140,79
|
27,78 27,08
|
|
30
|
Итого с временными зданиями
и сооружениями
|
117499,57 103162,34
|
77,08 69
|
80,87 72,4
|
9830,79 8906,3
|
15707,8 13629,58
|
18536,93 15363,27
|
24403,21 21810,68
|
20970,3 17158,46
|
5299,78 4723,3
|
2844,7 2480,46
|
5187,43 4828,62
|
12215,67 11873,16
|
2342,74 2348,06
|
|
31
|
Удорожание работ в зимнее
время 2,82%
|
3313,5 2909,18
|
2,17 1,946
|
2,28 2,042
|
277,23 251,16
|
442,96 384,35
|
522,74 433,244
|
688,17 615,06
|
591,36 474,59
|
149,45 133,2
|
80,22 69,94
|
146,28 136,17
|
344,48 334,82
|
66,06 66,21
|
|
32
|
Итого с зимним удорожанием
|
120813,06 106071,52
|
79,25 70,95
|
83,15 74,45
|
10108,02 9157,45
|
16150,76 14013,93
|
19059,67 15796,51
|
25091,38 22425,74
|
21561,66 17304
|
5449,23 4856,5
|
2934,9 2550,41
|
5333,71 4964,8
|
12560,15 12208
|
2408,8 2414,28
|
|
33
|
Добровольное страхование 1%
|
1208,13 1060,71
|
0,79 0,709
|
0,83 0,74
|
101,08 91,57
|
161,5 140,14
|
190,59 157,96
|
250,91 224,25
|
215,61 173,04
|
54,49 48,56
|
29,25 25,5
|
53,33 49,65
|
125,6 122,08
|
24,09 24,14
|
|
34
|
Итого с добровольным
страхованием
|
122021,19 107132,23
|
80,05 71,65
|
83,98 75,19
|
10209,1 9249
|
16312,26 14154,07
|
19250,27 15954,48
|
25342,3 22650
|
21777,28 17477,05
|
5503,73 4905,06
|
2954,16 2575,9
|
5387,05 5014,4
|
12685,75 12330,06
|
2432,9 2438,42
|
|
35
|
Непредвиденные затраты 5%
|
6101,06 5356,61
|
4,00 3,58
|
4,2 3,76
|
510,45 462,45
|
815,61 707,7
|
962,51 797,72
|
1267,11 1132,5
|
1088,86 873,85
|
275,18 245,25
|
147,7 128,79
|
269,35 250,72
|
634,29 616,5
|
121,64 121,92
|
|
36
|
Всего затрат
|
128122,25 112488,847
|
84,05 75,24
|
88,18 78,95
|
10719,55 9711,5
|
17127,88 14861,7
|
20212,78 16752,2
|
26609,4 23782,5
|
22866,14 18350,9
|
5778,9 5150,32
|
3101,87 2704,7
|
5656,4 5265,17
|
13320,04 12946,56
|
2554,54 2560,34
|
|
|
|
|
|
|
|
|
|
|
|
|
|
|
|
|
|
|
|
|
|
Рисунок А.1 - Графики поступления денежных средств
Приложение Б
Договор подряда на выполнение проектных и изыскательских
работ