Программное обеспечение узла телефонной связи

  • Вид работы:
    Дипломная (ВКР)
  • Предмет:
    Информатика, ВТ, телекоммуникации
  • Язык:
    Русский
    ,
    Формат файла:
    MS Word
    948,94 Кб
  • Опубликовано:
    2016-11-13
Вы можете узнать стоимость помощи в написании студенческой работы.
Помощь в написании работы, которую точно примут!

Программное обеспечение узла телефонной связи

Содержание

1. Понятие и общие сведения программного обеспечения ЭУС

.1 Языки программирования

.2 Функциональная структура ПО

. Структура ПО ЭУМ

.1 Внутреннее ПО

.2 Внешнее ПО

. Состав коммутационных программ

.1 Программы приёма информации

.2 Программы обработки вызова

.3 Программы выдачи последовательности периферийных команд

. Последовательность выполнения коммутационных программ в процессе обслуживания вызова

.1 Логическая и временная последовательность

.2 Обслуживание внутристанционного вызова

. Внешнее программное обеспечение

.1 Состав внешнего программного обеспечения

. Система автоматизации программирования

.1 Система автоматизации отладки программ (САОП). Этапы отладки программного обеспечения АТС. Требования к САОП

.2 Состав и функции системы испытательно-наладочных программ

. Практическая часть

. Контрольные вопросы

Введение

Общее направление научно-технического прогресса в современном обществе неуклонно ведет к усложнению взаимосвязи между различными звеньями общественного производства, увеличению информационных потоков в технической, научной, политической, культурной, бытовой и других сферах общественной деятельности.

Совершенно очевидно, что ни один процесс в жизни современного общества не может происходить без обмена информацией, для своевременной передачи которой используются различные средства и системы электрической связи. Прогресс коммутационной техники связан с новейшими достижениями и бурным развитием электронной и вычислительной техники и привел к созданию качественно новых систем автоматической коммутации. К таким системам относятся квазиэлектронные и электронные автоматические станции и узлы, в которых система управления построена на основе использования вычислительных средств.

Современные электронные системы коммутации строятся на основе временного деления каналов и использования импульсно-кодовой модуляции (ИКМ). Обычно системы такого типа называются интегрально-цифровыми системами связи ИЦСС, так как в основу их построения положен единый способ как передачи, так и коммутации дискретных сигналов.

Анализ особенностей отдельных сетей передачи информации, изучение требований пользователей, исследование тенденции развития новых информационных служб приводят к выводу, что средства связи могут стать наиболее эффективными только при условии объединения (интеграции) всех сетей связи в виде единой системы. Поэтому как у нас, так и за рубежом ведутся разработки основных концепций организации подробной интегральной сети, которая за рубежом по терминологии МККТТ названа Integrated Service Digital Network (интегральная сервисная цифровая сеть связи). В отечественной литературе используются некоторые термины, в частности цифровая сеть интегрального обслуживания ЦСИО. Главной целью ЦСИО является предоставление потребителю широкого круга услуг связи в рамках единой сети с высокими технико-экономическими показателями.

Выпускаемые в настоящее время электронные и квазиэлектронные системы коммутации имеют программный принцип построения управляющих устройств. Это означает, что в указанных системах все действия управляющих устройств заранее определены и регламентированы алгоритмом (программой) их функционирования, хранящимся в закодированном виде в памяти этих устройств.

 

1. Понятие и общие сведения программного обеспечения ЭУС


Выпускаемые в настоящее время электронные и квазиэлектронные системы коммутации имеют программный принцип построения управляющих устройств. Это означает, что в указанных системах все действия управляющих устройств заранее определены и регламентированы программой их функционирования, хранящейся в закодированном виде в памяти этих устройств.

Современные автоматические системы коммутации с программным управлением имеют ряд важных преимуществ, среди которых прежде всего следует отметить высокую надежность и малый объем оборудования АТС. Преимуществом новых систем коммутации является снижение эксплуатационных расходов за счет автоматизации и централизации процессов контроля за работоспособностью оборудования, поиска неисправностей и устранения повреждений путем переключения неисправного блока на резервный. Снижение эксплуатационных расходов обеспечивается также благодаря автоматизации процессов сбора статистических данных о параметрах поступающей телефонной нагрузки, качестве обслуживания вызовов и т.д.

Электронная управляющая система узла коммутации выполняет возложенные на неё функции, связанные с технической эксплуатацией в соответствии с заданными алгоритмами функционирования, под которыми понимают точные предписания о порядке выполнения его действий по реализации той или иной функции. Алгоритмы функционирования ЭУС могут быть описаны разными способами с различной степенью детализации: на естественном языке с необходимыми дополнениями графической и цифровой информацией либо на некотором формализованном языке. Совокупность описаний алгоритмов функционирования ЭУС образует алгоритмическое обеспечение АО.В принципе алгоритмическое обеспечение ЭУС может быть полностью или частично реализовано схемным или программным средствами. Соответствующий алгоритм функционирования должен быть представлен в виде программы, то есть в форме, воспринимаемой реализующей его ЭУМ. Приведенное определение программы является наиболее распространенным и может быть приемлемо при анализе программы с точки зрения алгоритмического и информационного содержания реализуемых ею процессов обработки информации. Однако в случае "алгоритмического" определения программы, последняя практически отождествляется с одним из видов программной документации (текстом программы в машинных кодах). В то же время представляется особым видом технических средств, к которым так же, как к аппаратурным средствам, применимы понятия проектирования, отладки (наладки), испытания, производства, технологии, эксплуатации, производительности, надёжности, экономичности и др. и на которые разрабатываются соответствующие виды конструкторской и эксплуатационной документации. Очевидно, что с этой точки зрения "алгоритмическое" определение программы является недостаточным. Так как оно не отражает большинства из перечисленных выше аспектов "технического" понимания программы. В смысле "технического" определения программа представляет собой специфическое техническое изделие, материализованное в памяти ЭУМ в виде совокупности машинных команд, реализующее заданный алгоритм преобразования исходной информации в нужный результат и сопровождаемое необходимым комплектом конструкторской и эксплуатационной документацией.

 

.1 Языки программирования


Программное обеспечение (ПО) ЭУМ - это совокупность программ и данных, обеспечивающих выполнение ЭУС основных, дополнительных и вспомогательных функций.

Часто под программным обеспечением подразумевается не только совокупность программ, но еще и сопроводительную документацию к ним (инструкции по использованию, описание используемых языков программирования и т. д.). Сама по себе сопроводительная документация не является программным продуктом, но без нее понять и разобраться в программном обеспечении, понимаемом в узком смысле этого слова не возможно.

В настоящее время разработаны и используются языки программирования: CHILL - язык высокого уровня, ориентированный на создание ПО систем реального времени (для написания и отладки программ);

SDL - язык описаний и спецификаций, описывающий алгоритмы работы СКПУ;

MML - язык общения (диалога) "человек - машина", на нем проектируются средства исполнительной ОС.

Перечисленные языковые средства составляют фундамент ПО СКПУ, так как являются по существу основой инструментальных средств для разработки алгоритмов, написания и отладки программ, эксплуатационно-технического обслуживания действующих СКПУ.

Элементарными структурными частями программы являются команды. Команда представляет собой минимальный по смысловому содержанию элемент программы, определяющий на некоторой промежуток времени действия ЭУМ по преобразованию (обработке) информации. Назовём информацию, преобразование которой выполняется ЭУМ по заданной программе или которая используется в процессе выполнения программ, данными.

Необходимо отметить, что программное обеспечение совместно с аппаратурой ЭУМ является средством обработки информации. Поэтому оперативные данные, преобразование которых выполняется ЭУМ с помощью программного обеспечения, то есть данные, являющиеся предметом обработки, не относятся к ПО.

1.2 Функциональная структура ПО


Как и в любом ПО большого объема в ПО СКПУ присутствуют все три его составляющие типа: инструментальное, прикладное и системное. Состав ПО СКПУ приведен на рис.1

Инструментальное программное обеспечение (ИПО) предназначено для автоматизации проектирования программ на различных уровнях - от уровня алгоритмов до уровня машинных команд. Автоматизация процесса проектирования программ основывается на использовании специальных систем автоматизации проектирования (САПР), соответствующих различным уровням разработки ПО. Объем и сложность ПО СКПУ диктует необходимость использования следующих САПР:

. САПР на основе языка спецификаций. Разработка любой программы начинается с проектирования алгоритма ее решения.

Рис.1 Состав программного обеспечения СКПУ.

Алгоритм задачи оформляется в виде блок-схемы, состоящей из ряда условных обозначений. В качестве первичных описаний алгоритмов функционирования СКПУ МККТТ рекомендует использовать язык SDL (Specification and Description Language), основанный на представлении систем коммутации в языке конечных автоматов.

Система автоматизации проектирования на основе языка SDL обеспечивает автоматическое преобразование алгоритма функционирования СКПУ, описанного в терминах языка SDL, в программу на одном из языков программирования. Такая САПР в качестве составных элементов содержит:

программу верификации, обеспечивающую автоматический поиск логических ошибок в первичном описании алгоритмов СКПУ;

программу структуризации, обеспечивающую автоматическое преобразование первичного описания алгоритмов СКПУ к структурному виду, соответствующему требованиям структурного программирования.

·   САПР на ЯВУ реального времени. В настоящее время разработаны несколько языков высокого уровня, специально ориентированных на создание программного обеспечения систем реального времени. Наиболее характерными примерами таких языков являются языки Ада, Модула и CHILL. Последний разработан под эгидой МККТТ и ориентирован на разработку ПО электронных СКПУ, что нашло свое отражение в названии этого языка CHILL - сокращение от CCITT High Level Language (язык высокого уровня МККТТ). Применение этого языка способствует увеличению производительности труда программистов, поскольку в нем используется целый ряд конструкций, специально предназначенных для разработки программ поддержки функционирования систем реального времени.

·   САПР на машинно-зависимом языке высокого уровня. Использование данного типа языков дает программисту все преимущества обычного ЯВУ и вместе с тем позволяет учитывать архитектурные особенности конкретной ЭВМ, входящей в состав управляющей системы. Примером может служить язык PL/M-86, на котором разработано практически все программное обеспечение ЭАТС-200. В рассматриваемую САПР входит программа компилятора, обеспечивающая перевод программ на язык машинных команд.

·   САПР на языке ассемблера. Языки низкого уровня типа ассемблера используются для разработки программ с нормированным временем выполнения. В состав САПР на языке ассемблер входят следующие программы:

транслятор, обеспечивающий автоматическое преобразование программ с языка ассемблера в язык машинных команд;

редактор связей (компоновщик), служащий для объединения различных частей одной программы в единый программный модуль.

Неотъемлемой частью САПР всех уровней являются программы работы с текстовой информацией. Эти программы предназначены для создания и редактирования текстов программ, написанных на различных языках программирования. В процессе редактирования текста можно производить, например, размножение отдельных строк, перемещение частей текста, контекстный поиск или замену, исправление информации в пределах одной или нескольких строк и т. д. Предусматривается возможность редактирования одновременно нескольких текстов, например созданных в различное время. В этом случае может производиться сравнение, сортировка, объединение текстов и т. д. Кроме того, программы работы с текстовой информацией дают возможность производить перенос текстов, запись и считывание на (внешние носители информации (магнитные диски, ленты и т.д.).

Работа с текстовой информацией осуществляется, как правило, в режиме диалога с программистом и с использованием так называемых экранных редакторов текста. Последние обеспечивают отображение на экране дисплея как самого текста, так и всех процедур по его редактированию, что дает пользователю максимум удобств.

Прикладное программное обеспечение (ППО) СКПУ (рис.1) может быть разбито на основное и вспомогательное. Основное прикладное программное обеспечение содержит программы и данные, предназначенные для обеспечения функционирования ЭВМ в процессе управления СКПУ, т. е. обеспечивает все этапы технологического процесса установления соединений. Вспомогательное ППО используется на этапе разработки основного ППО и подготовки АТС в эксплуатацию. Оно используется для автономной и комплексной отладки, испытания основного ППО, а также для генерации программного обеспечения каждого конкретного экземпляра АТС.

Основное ППО состоит из коммутационных, административных и программ техобслуживания. Коммутационные программы предназначены для управления процессом установления соединения на станции (определение состояния абонентской линии, прием номера вызываемого абонента, контроль за состоянием разговорного тракта, обработка всех видов сигнализации и т.д.). Административные программы служат для удовлетворения запросов абонентов и администрации сети связи (управление абонентскими и станционными данными, контроль телетрафика и сбор статистической информации, управление учетом стоимости разговора, выдача различного рода справок и т.д.). Программы техобслуживания обеспечивают поддержание в работоспособном состоянии аппаратно-программных средств СКПУ (контроль оборудования с целью выявления неисправностей, диагностика отказавшего устройства, локализация неисправности, включение в работу восстановленных устройств и т.д.).

Вспомогательное ППО содержит системы автоматизации отладки, испытательных программ и генерации основного ППО. В задачу системы автоматизации отладки входит прежде всего верификация, под которой понимают обнаружение и устранение допущенных при разработке основного ППО ошибок. Большой объем и сложность основного ППО СКПУ, необходимость работы в реальном масштабе времени и взаимодействие с многочисленными внешними устройствами делает процесс отладки чрезвычайно сложным. Система автоматизации отладки дает разработчику удобные и эффективные средства управления процессом выполнения отлаживаемых программ, включающие принудительную остановку их выполнения с выведением промежуточных результатов работы, имитацию необходимых для отладки ситуаций, учет временных соотношений и т. д. Система генерации основного ППО необходима для подготовки ПО для каждой конкретной станции. Эта система обеспечивает учет конкретных особенностей отдельных экземпляров АТС (емкость, число и коды направлений, категории абонентов и т.д.). Система испытательных программ предназначена для проверки правильности функционирования оборудования и ПО СКПУ после его установки на объекте без подключения на станцию реальной нагрузки (трафика). Эти же программы находят применение при расширении емкости станции, обеспечивая проверку работоспособности вновь установленного оборудования.

Согласно рассмотренному выше, ПО СКПУ содержит прикладное и инструментальное программное обеспечение. Вследствие этого системное программное обеспечение (СПО) можно разделить на исполнительную и инструментальную ОС (см. рис.1). Несмотря на кажущуюся общность назначения инструментальной и исполнительной ОС (поддержка функционирования соответствующих программ), между ними существует принципиальная разница, заключающаяся в степени участия человека в управлении ходом работы ЭВМ (степени интерактивности). В инструментальной ОС управление осуществляется главным образом посредством директив, полученных от оператора (программиста, пользователя), которые вызывают выполнение определенной последовательности действий. В исполнительной ОС выполнение действия вызывается в результате работы некоторой специальной управляющей программы ОС при минимальном участии человека. Применительно к СКПУ исполнительная ОС должна обеспечивать параллельное выполнение большого числа программных модулей с различными приоритетами и периодами запуска. Исполнительная ОС обеспечивает выполнение на ЭВМ пользовательских задач, или, более точно функционирование ППО. Инструментальные ОС предназначены для обеспечения работы ЭВМ в процессе выполнения ИПО.

Таким образом, средства интерактивного общения в случае инструментальной ОС имеют определяющее значение для ее функционирования, а в случае исполнительной ОС - лишь вспомогательное, например при возникновении аварийных ситуаций в СКПУ и проведении плановых контрольно-диагностических проверок. Интерактивные средства исполнительной ОС МККТТ рекомендует проектировать на основе языка MML [Man Machin Language - язык общения (диалога) человека с ЭВМ].

 

2. Структура ПО ЭУМ


Электронная управляющая машина выполняет основные функции по обслуживанию телефонных вызовов и вспомогательные функции, связанные с эксплуатацией и техническим обслуживанием узла коммутации с помощью входящих в ее состав аппаратурных средств под управлением программ и на основе данных, записанных в ее памяти.

В зависимости от степени участия в обеспечении процесса функционирования узла коммутации ПО ЭУС может быть разделено на две части, как показано на рисунке 2: внутренне ПО и внешнее ПО.

Рис.2 Состав программного обеспечения ЭУМ.

 

2.1 Внутреннее ПО


Внутреннее ПО - совокупность программ и данных, используемых для управления выполнением основных и вспомогательных функций ЭУМ в процессе функционирования узла коммутации и являющихся ее неотъемлемой составной внутренней частью. Внутреннее ПО различных образцов узлов коммутации может отличаться по составу программ, составу и содержанию постоянных и полупостоянных данных.

По функциональному назначению соответствующих программ внутреннее ПО подразделяется на следующие группы (системы) программ:

·   операционную систему ОС;

·   систему коммутационных программ СКП;

·   систему программ технического обслуживания СПТО;

·   систему административных программ САДМП.

Операционная система ОС предназначена для организации совместной работы ЭУМ управляющего комплекса и процессоров ЭУМ, управления обменом информацией между внешними устройствами и основной памятью ЭУМ, координации совместной работы систем СКП,СПТО и САДМП и распределения ресурсов машинного времени и памяти между ними. По отношению к остальным системам внутреннего программного обеспечения операционная система играет такую же роль, как ЦУУ по отношению к другим устройствам узла коммутации.

Рис.3 Функциональная структура внутреннего программного обеспечения.

Система коммутационных программ СКП осуществляет управляние установлением различных видов связи, предусмотренных на данном узле коммутации. Применительно к городской опорной АТС-это внутристанционная связь между абонентами; связь между абонентами подстанции и абонентами, включенными непосредственно в данную станцию, соединения для вызовов от других опорных АТС, узловых АТС и АМТС к абонентам данной станции при использовании различных типов соединительных линий, соединения для вызовов от абонентов данной станции к другим опорным АТС, узловым АТС и АМТС.

Система программ технического обслуживания СПТО используется для автоматизации процессов контроля и диагностики оборудования узла коммутации, а также для восстановления нормального режима работы оборудования после устранения обнаруженных неисправностей.

Система административных программ САДМП предназначена для автоматизации процессов эксплуатации узла коммутации и осуществляет сбор статистических данных о нагрузке, качестве обслуживания вызовов и работы оборудования, которые затем используются администрацией узла и сети связи для анализа и оптимизации качества обслуживания абонентов, загрузки оборудования, каналов и линий сети связи.

Система САДМП содержит также программы, используемые эксплуатационным персоналом узла коммутации для изменения абонентских и станционных данных при проведении работ по подключению новых абонентов, добавлению каких-либо приборов, блоков и устройств, изменению конфигурации связей между различными видами оборудования.

Системы СКП, СПТО и САДМП имеют между собой только информационные связи. Система СКП формирует для программ СПТО данные о номерах комплектов, блоков и устройств, занятых в неустановленных из-за неисправности оборудования соединениях, а также система СПТО информирует программы СКП о номерах заблокированных (или разблокированных) комплектов, блоков и устройств. Кроме того, система СПТО формирует для системы САДМП, осуществляющей сбор статистики о неисправностях, номера неисправных комплектов, блоков и устройств и информацию о типе обнаруженной неисправности. Система САДМП использует при учете нагрузки и тарификации данные, вырабатываемые системой СКП, и, в свою очередь, осуществляет при необходимости изменение абонентских и станционных данных, используемых программами СКП.

ОС осуществляет запуск периодических программ СКП, СТПО, САДМП по сигналам от датчика времени, программ СПТО по сигналам от схем контроля оборудования и заявкам от программ СКП, а также программ СПТО и САДМП по заявкам человека - оператора.

 

2.2 Внешнее ПО


Внешнее ПО представляет собой совокупность программ, данных, которые не используются на этапе нормальной эксплуатации узла коммутации и, таким образом, не являются ее внутренней составной частью, но применение которых на этапах составления, отладки, испытаний и производства программ и данных внутреннего ПО позволяет существенно сократить время и трудоемкость выполнения этих этапов.

Внешнее ПО состоит из следующих систем программ:

·   система автоматизации программирования САП;

·   система автоматизации отладки программ САОП;

·   система автоматизации производства внутреннего ПО САППО;

·   система испытательно-наладочных программ СИНП.

 

3. Состав коммутационных программ


Система коммутационных программ СКП, предназначенная для управления установлением соединений на коммутационном узле, является одной из основных частей внутреннего программного обеспечения ЭУМ. Принципы построения данной программы оказывают существенное влияние на тактико-технические и технико-экономические характеристики узла в целом (качество, обслуживания абонентов, пропускную способность, стоимость).

Коммутационные программы обладают большим функциональным разнообразием, однако они имеют одинаковую (или достаточно близкую друг к другу) структуру, которая является отражением структуры этапов обслуживания вызовов

Принципы построения системы СКП определяются: составом коммутационных программ, функциональной структурой памяти данных, используемых программами СКП, принципами взаимосвязи и взаимодействия программ СКП в процессе обслуживания вызова.

Процесс установления соединения на коммутационном узле представляет собой определенную для каждого вида соединения последовательности этапов.

С процессом установления соединения однозначно связан процесс обслуживания вызова так, что каждой паре соседних этапов установления соединения соответствует этап обслуживания вызова. На этом этапе осуществляется перевод вызова от одного этапа установления соединения к другому по определенному входному сигналу. При этом последовательность выполняемых на каждом этапе обслуживания вызова действий подразделяется на три процесса:

·   прием информации, включающий обнаружение поступающих входных сигналов и ввод соответствующей информации в память ЭУМ;

·   обработка информации, заключающаяся в анализе принятой информации и подготовке данных для перевода вызова на следующий этап установления соединения;

·   выдача информации, т.е. выдача последовательности периферийных команд в ПУУ для перевода вызова на заданный этап установления соединения.

 

3.1 Программы приёма информации


Программы приема информации обнаруживают поступление входных сигналов, как правило, путем периодического опроса (сканирования) соответствующих контрольных точек комплектов, в определителях и сравнения их текущего состояния с состоянием' на момент предыдущего опроса. Изменение состояния контрольных точек означает поступление определенных входных сигналов".

В этом случае программы приема информации формируют заявки на выполнение соответствующих принятым сигналам программ обработки вызова для перевода вызова на новый этап установления соединения.

Конкретный состав программ приема информации определяется набором возможных входных сигналов для того или иного вида соединения. Так, при установлении внутристанционного соединения (см. рис.4) используются следующие основные программы приема информации:

·   программа сканирования абонентских комплектов (АК), осуществляющая обнаружение сигналов вызова от абонентов;

·   программа сканирования комплектов приема номера (КПН), осуществляющая обнаружение изменения состояния контрольных точек КПН и прием импульсов (цифр) номера;

·   программа сканирования комплектов контроля посылки вызова (ККПВ), осуществляющая обнаружение сигнала отбоя вызывающего абонента на этапе посылки вызова;

·   программа сканирования комплектов посылки вызова (КПВ), осуществляющая обнаружение сигнала ответа вызываемого абонента;

·   программа сканирования шнуровых комплектов (ШК), осуществляющая обнаружение сигналов отбоя вызывающего и вызываемого абонентов на этапе разговора;

·   программа сканирования комплекта посылки сигнала занятости (КПЗ), осуществляющая обнаружение сигнала отбоя вызываемого (вызывающего) абонента на этапе отбоя после разговора вызывающего (вызываемого) абонента.

Рис.4 Граф установления внутристанционного соединения.

Кроме того, поскольку номер, набираемый абонентом, не может быть принят за один цикл выполнения программы сканирования КПН, а также в связи с тем, что вызывающий абонент может отказаться от дальнейшего набора номера или задержать набор очередной цифры на недопустимое время, в состав программ приема информации дополнительно вводятся:

·   программа определения межцифрового интервала (МЦИ) и отказа от продолжения набора номера.

·   программа определения задержки набора номера.

 

3.2 Программы обработки вызова


Программы обработки вызова по заявкам от программ приема информации осуществляют анализ принятой информации и данных о текущем этапе установления соединения для обслуживаемых вызовов, производят выбор следующего этапа установления соединения и выполняют поиск и занятие свободных комплектов нужного типа и соединительных путей в коммутационной системе между ними для нового этапа. При успешном обслуживании исходной заявки программы обработки вызова формируют заявки на выдачу последовательности периферийных команд в ПУУ, обеспечивающей требуемый переход вызова на новый этап установления соединения.

В соответствии с набором этапов обслуживания вызова для установления внутристанционного соединения (см. рис. 4) в состав системы СКП входят программы:

·   подключения КПН, организующая подключение КПН к АК вызывающего абонента и посылку ему сигнала готовности станции к приему номера;

·   анализа цифр номера, определяющая по набранному номеру вид вызова (внутристанционный, исходящий) или дополнительный вид обслуживания (ДВО), требуемый абонентом, а также осуществляющая для исходящего вызова выбор исходящего направления связи;

·   подключения КПВ и ККПВ, организующая подключение КПВ к АК вызываемого абонента и ККПВ к АК вызывающего абонента с выдачей абонентам соответственно сигналов посылки вызова и контроля посылки вызова;

·   установления разговорного тракта, организующая отключение комплектов КПВ и ККПВ и соответствующих сигналов и подключение к абонентским комплектам ШК, обеспечивающего проведение разговора абонентов;

·   подключения КПЗ, организующая отключение ШК и подключение КПЗ к АК абонента со снятой трубкой;

·   разъединения, организующая отключение занятых в соединении комплектов и приведение абонентских комплектов в исходное состояние.

Многие из перечисленных программ обработки вызова содержат общие части, которые для уменьшения общего объема занимаемой ими памяти выделяются в подпрограммы обработки вызова. Отличием подпрограмм обработки вызова от программ обработки, помимо выполняемых функций, является то, что обращение к ним осуществляется не с помощью записи заявки в определенную зону памяти, а путем непосредственной передачи управления по команде "Переход с возвратом". По окончании выполнения подпрограмма обработки вызова возвращает управление обратившейся к ней программе.

К числу основных относятся следующие подпрограммы:

·   пересчета, выполняющие пересчет номера АК в списочный номер абонента и его категорию, номера комплекта заданного типа в координаты его включения в КС, списочного номера абонента в номер его АК и другие виды пересчета;

·   поиска свободного соединительного пути в КС, осуществляющие поиск и занятие свободного соединительного пути в КС между двумя комплектами, заданными своими координатами включения в коммутационную систему;

·   предоставления ДВО, выполняющие специфические функции, связанные с предоставлением абонентам дополнительных видов обслуживания, таких, как установка на ожидание, "будильник", конференц-связь, и других.

 

3.3 Программы выдачи последовательности периферийных команд


Реализация каждого этапа обслуживания вызова заканчивается выдачей в ПУУ последовательности периферийных команд (ППК) для разъединения и (или) установления требуемых на этом этапе соединений. Осуществление указанных функций возлагается на программы выдачи ППК, которые по заявкам программ обработки вызова осуществляют формирование, выдачу и контроль выполнения ППК для перевода вызова на заданный этап установления соединения.

В связи с тем что процесс выдачи и контроля выполнения ППК одинаков для различных программ обработки вызова, а отличия заключаются только в содержании ППК (наборе и последовательности ПК, номерах комплектов, реле в комплектах, координатах коммутационных элементов в КС), состав программ выдачи ППК определяется не видами устанавливаемых с их помощью соединений, как состав программ обработки вызова, а выполняемыми ими в процессе выдачи ППК функциями.

Различают следующие основные программы, реализующие процесс выдачи ППК:

·   формирования ППК, которая по заявке, задающей вид разъединяемых и (или) устанавливаемых соединений и их параметры (типы и номера комплектов, координаты коммутационных элементов КС), формирует необходимую для осуществления заданных действий ППК;

·   выдачи ПК, которая поочередно выдает ПК в ПУУ из сформированной для вызова ППК;

·   контроля выполнения ПК, осуществляющая проверку правильности выполнения выдаваемых ПК соответствующими ПУУ на основе анализа состояния контрольных точек этих ПУУ.

Рис.5 Состав коммутационных программ.

Состав коммутационных программ приведен на рис.5 Приведенный состав коммутационных программ относится в основном к внутристанционному вызову. Для входящего и исходящего вызовов некоторые функции реализуются с помощью специальных программ, специфичных для этих видов вызовов, в связи с тем, что одному и тому же по смыслу этапу обслуживания внутристанционного и, например, входящего вызовов соответствует работа различных типов комплектов (например, прием номера от АТСДШ может производиться во входящем комплекте соединительной линии), а также в связи с появлением новых этапов обслуживания вызова (например, этапа передачи цифр номера).

 

4. Последовательность выполнения коммутационных программ в процессе обслуживания вызова


Процесс обслуживания каждого конкретного вызова заключается в выполнении для него определенной последовательности коммутационных программ (КП). Различают логическую и временную последовательности выполнения КП.

 

4.1 Логическая и временная последовательность


Логическая последовательность выполнения КП при обслуживании какого-либо вызова определяется алгоритмом установления соответствующего соединения. При этом вид соединения, требуемый вызовом, определяется, в свою очередь, на основе анализа поступающих от вызывающего абонента (линии) входных сигналов (сигнала вызова, цифр номера вызываемого абонента). Так, при поступлении вызова от АК вызов может быть в зависимости от номера вызываемого абонента либо внутристанционным, либо исходящим. При поступлении вызова от ВКСЛ (комплекта входящей соединительной линии) вызов может быть входящим (оканчивающимся на данной станции) или транзитным (оканчивающимся на другой станции).

Конкретный вариант алгоритма установления соединения нужного вида определяется поведением вызываемого и вызывающего абонентов, состоянием необходимых комплектов и элементов КС и других факторов. Так, внутристанционное соединение может закончиться разговором абонентов либо нормальное установление соединения может быть не закончено из-за занятости или неответа вызываемого абонента, занятости нужных комплектов или элементов КС, преждевременного отбоя вызывающего абонента и других причин.

Необходимая логическая последовательность выполнения КП для конкретного вызова в конкретных условиях реализуется благодаря информационным связям между программами через рассмотренные ранее зоны памяти данных (включая и заявки), используемые несколькими программами.

Временная последовательность выполнения КП определяется их распределением по приоритетным уровням и параметрами диспетчирования (относительными приоритетами, периодами запуска, частотой запуска и т.д.) на каждом уровне и реализуется соответствующими диспетчерами.

Следует отметить, что логические последовательности выполнения КП могут быть различными для различных вызовов, в то время как временная последовательность выполнения КП не зависит от вида обслуживаемых вызовов.

Учитывая невозможность обсуждения в данном случае всего многообразия различных видов соединений и их вариантов, ограничимся рассмотрением логической последовательности выполнения КП в процессе обслуживания вызова на примере только внутристанционного соединения, заканчивающегося разговором. Будем считать также для конкретности, что данные о текущем состоянии вызова группируются в регистры по комплектам и для хранения заявок к различным программам используются индивидуальные буферы или поля заявок для каждого вида заявок.

 

4.2 Обслуживание внутристанционного вызова


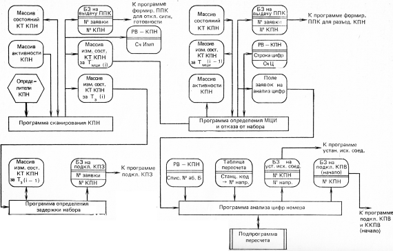
Первым этапом обслуживания внутристанционного вызова является этап подключения КПН, который начинается с обнаружения поступления вызова с помощью программы сканирования АК (рис. 3).

Рис.6 Логическая последовательность выполнения коммутационных программ на этапе подключения КПН.

Программа сканирования абонентских комплектов последовательно опрашивает группы контрольных точек АК, включенные в определители состояния АК. Количество одновременно опрашиваемых КТ в группе, как правило, совпадает с количеством разрядов слова памяти ЭУМ. Для исключения ложных сигналов вызова от занятых или заблокированных АК программа сканирования этих комплектов использует соответствующий массив состояний. С этой целью состояние группы КТ, полученное путем опроса определителя состояний АК, сравнивается с соответствующим этой группе словом в массиве состояний АК. В результате сигнал вызова принимается только от свободных и незаблокированных АК. При обнаружении вызова от какого-либо абонентского комплекта опрашиваемой группы программа сканирования АК отмечает соответствующий комплект занятым в массиве состояний для данного типа комплектов и записывает его номер в буфер заявок (БЗ) на подключение КПН.

Процесс подключения КПН так же, как и любого другого комплекта, состоит, в общем случае, из трех последовательно выполняемых фаз:

·   начальной фазы, на которой осуществляется поиск свободного комплекта нужного типа и свободного соединительного пути в КС;

·   завершающей фазы, на которой производятся проверка установления и (или) разъединения требуемых соединений и при необходимости фиксация нового состояния комплектов и элементов КС.

Начальная и завершающая фазы реализуются программой подключения комплекта, подразделяющейся, как правило, на две части: начало подключения и окончание подключения. Фаза непосредственного выполнения подключения комплекта реализуется программами выдачи ППК.

Рассмотрим теперь более подробно программную реализацию процесса подключения КПН.

Программа подключения КПН (начало) по номеру АК, записанному в БЗ, определяет с помощью подпрограммы пересчета категорию вызывающего абонента (абонента А). Категория абонента задает тип используемого им телефонного аппарата (с дисковым или тастатурным номеронабирателем) и соответственно тип необходимого КПН, возможности пользования различными ДВО, право выхода на АМТС и другие характеристики абонента. Затем программа находит свободный КПН требуемого типа, координаты его включения в КС и свободный соединительный путь в КС между АК и выбранным КПН, используя при этом соответствующую таблицу пересчета, массивы состояния КПН и промежуточных линий КС, а также подпрограммы пересчета и поиска свободного соединительного пути в КС.

Если свободный КПН и соединительный путь найдены, то они отмечаются в соответствующих массивах занятыми и в регистр РВ-КПН, закрепленный за выбранным КПН, записываются координаты соединительного пути АК-КПН и категория абонента А, после чего формируется заявка на выдачу последовательности периферийных команд для осуществления физического соединения АК-КПН и выдачи абоненту А сигнала готовности станции.

Если свободный КПН нужного типа или свободный соединительный путь между АК и несколькими последовательно выбираемыми свободными КПН отсутствует, то формируется заявка на посылку абоненту А зуммерного сигнала занято (подключение комплекта КПЗ).

При хранении используемых программой подключения КПН таблиц пересчета во внешней памяти на МБ все функции по организации считывания с МБ необходимой информации выполняются подпрограммой пересчета, которая формирует соответствующие заявки к программе ввода-вывода для НМБ и распределяет получаемую с МБ информацию по определенным для каждого вида пересчета ячейкам или зонам памяти.

Программа формирования ППК по заявке от программы подключения КПН осуществляет поиск свободного буфера периферийных команд БПК. Если свободный БПК отсутствует, то заявка возвращается в БЗ. Если программа находит свободный БПК, то она отмечает его занятым в массиве состояний БПК на основе номера заявки и информации, содержащейся в регистре РВ-КПН, формирует ППК, необходимую для установления и (или) разъединения требуемого соединения, заносит ее в выбранный БПК и записывает заявку к программе выдачи ПК. Заявки к программе выдачи ПК хранятся в поле заявок, которое представляет собой массив, каждый разряд которого соответствует БПК, с номером, равным номеру разряда в массиве.

Программа выдачи ПК, обнаружив заявку в каком-либо разряде поля заявок, обращается по номеру этого разряда к соответствующему БПК и последовательно выдает в ПУУ записанные там ПК. Если требуемое для выполнения ПК устройство занято, то эта команда не выдается и программа пытается выдать следующую в последовательности ПК. В том случае, когда ПУУ свободно и может принять ПК, команда выдается с одновременной отметкой занятия соответствующего ПУУ в массиве состояний ПУУ, отметкой выдачи этой команды в БПК и записью заявки на контроль выполнения ПК в поле заявок. Если все команды из ППК выданы в ПУУ, то заявка на выдачу ПК для данного БПК исключается из соответствующего поля заявок. В противном случае заявка на выдачу ПК в поле заявок сохраняется до следующего цикла выполнения программы выдачи ПК.

Программа контроля выполнения ПК запускается со сдвигом по отношению к программе выдачи ПК на величину времени выполнения ПУУ выданной в него ПК. Контроль выполнения ПК основан на анализе состояний КТ ПУУ, связанных со схемами контроля ПУУ, которые проверяют правильность приема ПК, ее дешифрации и формирования необходимых выходных сигналов.

При наличии заявки от программы выдачи ПК программа контроля выполнения ПК обращается к соответствующему БПК и поочередно проверяет состояние ПК, записанных в этом буфере. Если проверяемая ПК имеет отметку б выдаче, то программа производит опрос КТ того ПУУ, в который была выдана эта команда. При нормальном выполнении выданной команды соответствующее ПУУ отмечается свободным в массиве состояний ПУУ и программа переходит к контролю выполнения следующей по порядку ПК. Если выданная ПК не выполнена ПУУ, то программа записывает заявку к определенной программе технического обслуживания, сообщая ей номер БПК и порядковый номер невыполненной ПК, после чего переходит к контролю выполнения следующей ПК в БПК.

После проверки всех ПК, содержащихся в БПК, программа исключает заявку на контроль выполнения ПК для этого буфера из поля заявок. При этом, если все ПК из БПК выполнены, то программа контроля выдачи ПК формирует заявку на выполнение программы окончания подключения комплекта, тип которого определяется номером заявки в БПК, и освобождает БПК, делая об этом отметку в массиве состояний БПК.

Программа подключения КПН (окончание) проверяет установление соединения АК-КПН путем опроса КТ КПН, состояние которой должно указывать на наличие замкнутого шлейфа АК-КПН. Необходимость такой проверки вызывается возможностью неустановления соединения даже при правильном выполнении ПК ПУУ из-за неисправности точек коммутации КС н подключающего реле КПН. Если соединение АК-КПН не установлено, то программа формирует заявку к определенной программе техобслуживания. Если требуемое соединение установлено, то программа отмечает в массиве активности КПН факт подключения КПН с указанным в исходной заявке номером. Это означает, что с данного момента могут начаться прием и обработка информации, поступающей через КТ этого КПН.

Как только абонент А получит сигнал готовности станции к набору номера, он начинает набор номера, который принимается программой сканирования КПН, программой определения межцифрового интервала и отказа от набора и программой определения задержки набора номера (рис.4).

Программа сканирования КПН последовательно опрашивает группы КТ КПН, включенные в определители состояния комплектов. Полученное состояние группы КТ КПН сравнивается с соответствующим этой группе словом массива состояния КТ КПН, отражающим состояние этих КТ на момент предыдущего опроса. При обнаружении нужного вида изменения состояния какой-либо КТ (например, изменения состояния вида "1→0") и активности соответствующего КПН программа увеличивает на единицу содержимое счетчика импульсов (СчИмп) в регистре РВ-КПН, номер которого равен номеру разряда в массиве состояний КТ КПН, изменившему свое состояние. Если соответствующим КПН принят первый импульс, то программа формирует заявку на выдачу ППК для отключения сигнала готовности станции. Результат опроса группы КТ помещается на место соответствующего ей слова в массив состояний КТ КПН, а результат сравнения текущего и предыдущего состояний этой группы КТ (сумма по модулю 2) логически суммируется с соответствующими словами массивов изменения состояний КТ КПН за время и Т3, накапливающих информацию о КТ КПН, не изменивших свое состояние соответственно за время и Т3. При этом величины и представляют собой периоды выполнения соответственно программы определения межцифрового интервала (МЦИ) и программы определения задержки набора.

Рис.7 Логическая последовательность выполнения коммутационных программ при приёме и анализе номера.

Программа определения МЦИ и отказа от набора, получив управление, сравнивает массив изменений состояний КТ КПН, заполненный программой сканирования КПН за время к моменту текущего выполнения программы определения МЦИ, с аналогичным массивом, полученным к моменту предыдущего выполнения этой программы, после чего переписывает содержимое первого массива во второй. Если в результате сравнения оказывается, что некоторая КТ не изменила своего состояния за время 2 (300-7-500 мс), то это означает, что для соответствующего КПН имеет место ситуация межцифрового интервала (например, при состоянии КТ - "1") или отказа абонента А от продолжения набора номера (при состоянии КТ - "0").

При обнаружении МЦИ программа по номеру соответствующего разряда в исходных массивах обращается к нужному регистру РВ-КПН и переписывает содержимое СчИмп в строку регистра, используемую для хранения цифр номера, на место, определяемое содержимым счетчика цифр (СчЦ). Если анализ содержимого СчЦ показывает, что приняты все цифры номера, то программа записывает заявку в поле заявок на анализ цифр и стирает отметку об активности данного КПН для прекращения дальнейшего приема информации. Если приняты еще не все цифры номера, то программа увеличивает на единицу содержимое СчЦ.

В случае обнаружения отказа абонента А от продолжения набора программа формирует заявку на разъединение.

Программа обнаружения задержки набора номера путем сравнения массивов, аналогичных используемым программой определения МЦИ, определяет КТ КПН, не изменившие свое состояние за время 2Т 3 (20÷30 с), и формирует заявки на подключение к соответствующим абонентам КПЗ.

Программа анализа цифр номера, обнаружив заявку, по номеру соответствующего разряда в поле заявок определяет нужный регистр РВ-КПН, содержащий списочный номер вызываемого абонента (абонента Б). С помощью подпрограммы пересчета и таблицы пересчета станционного кода в номер направления программа анализа определяет требуемый вид соединения. Если вызывается абонент, включенный в данную станцию, то программа формирует заявку на подключение комплектов КПЗ и ККПВ. Если вызываемый абонент включен в другую станцию, то программа формирует заявку на установление исходящего соединения в требуемом направлении. алгоритм коммутация автоматизация телефонный

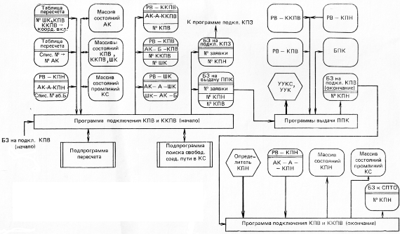
Программа подключения КПВ и ККПВ (начало) по заявке от программы анализа цифр номера обращается к регистру РВ-КПН, содержащему списочный номер абонента Б, и с помощью таблицы пересчета списочного номера абонента в номер АК и подпрограммы пересчета определяет номер АК абонента Б (рис.5).

Рис.8 Логическая последовательность выполнения коммутационных программ на этапе подключения КПВ и ККПВ.

По номеру АК-Б программа обращается к соответствующему разряду массива состояний АК и определяет свободен или занят абонент Б. Если абонент Б занят, то программа формирует заявку на подключение к АК-А комплекта КПЗ. Если абонент Б свободен, то программа, используя массивы состояний КПВ, ККПВ и ШК, находит свободные КПВ, ККПВ и ШК, определяет с помощью соответствующих таблиц пересчета координаты их включения в КС и отыскивает свободные соединительные пути в КС АК-А-ККПВ, КПВ-АК-Б, АК-А-ШК-АК-Б. Координаты и номера найденных соединительных путей в КС и комплектов заносятся программой в регистры РВ-ККПВ, РВ-КПВ и РВ-ШК, после чего формируется заявка на отключение КПН и подключение ККПВ и КПВ.

Следует отметить, что на рассматриваемом этапе обслуживания вызова подключения ШК к абонентским комплектам не производится и информация, хранящаяся в РВ-ШК, никак не используется. Однако для того, чтобы исключить ситуацию, когда в случае ответа абонента Б не оказывается свободного ШК или свободных соединительных путей в КС для установления разговорного тракта между абонентами А и Б, занятие ШК и соединительных путей АК-А-ШК-АК-Б осуществляется на данном этапе.

Программы выдачи ППК по этой заявке так же, как это было рассмотрено выше, формируют, выдают и контролируют выполнение ППК, необходимой для требуемого отключения и подключения комплектов, используя при этом в качестве исходной информации содержимое регистров РВ-КПН, РВ-ККПВ и РВ-КПВ.

Рис.9 Логическая последовательность выполнения коммутационных программ на этапе установления разговорного тракта.

Программа подключения КПВ и ККПВ (окончание) проверяет путем опроса КТ КПН его отключение от АК-А и при успешно" выполнении операции отключения отмечает освобождение КПН а промежуточных линий КС соединительного пути АК-А-КПН в соответствующих массивах состояний. В противном случае программа формирует заявку к определенной программе техобслуживания. С момента подключения КПВ и ККПВ абоненту Б поступает сигнал посылки вызова, а абоненту А - сигнал контроля досылки вызова. Для обнаружения на данном этапе установлена соединения отбоя абонента А и ответа абонента Б выполняются программы сканирования ККПВ и КПВ (рис. 6).

Программа сканирования ККПВ опрашивает КТ ККПВ ж. обнаружив размыкание шлейфа абонент А-ККПВ, формирует заявку на выдачу ППК для выполнения разъединения АК-А-ККПВ, КПВ-АК-Б.

Программа сканирования КПВ опрашивает КТ КПВ и обнаружив замыкание шлейфа, абонент Б-КПВ формирует заявку на выдачу ППК для выполнения разъединения AK-A-KKПВ,КПВ-АК-Б и установления соединения АК-А-ШК-АК-Б (установления разговорного тракта).

В связи с тем что на данном этапе отсутствует необходимость в поиске каких-либо свободных комплектов и соединительных путей в КС, отсутствует и начальная фаза процесса разъединения и процесса установления разговорного тракта.

Программы выдачи ППК по заявке от программы сканирования КПВ на основе информации, содержащейся в регистрах РВ-КПВ, РВ-ККПВ и РВ-ШК, формируют, выдают и контролируют выполнение ППК для осуществления разъединения АК-А-ККПВ, КПВ-АК-Б и установления соединения АК-А-ШК-АК-Б. При успешном выполнении ПУУ, выданных ПК, программа контроля выполнения ПК формирует заявку к завершающей фазе процесса установления разговорного тракта, реализуемой соответствующей программой.

Программа установления разговорного тракта (см. рис.6) проверяет отключение ККПВ, КПВ и подключение ШК и при положительном результате проверки освобождает отключенные ККПВ, КПВ и соответствующие промежуточные линии в КС. Если какой-либо из комплектов не отключился (шлейф, контролируемый КТ этого комплекта, остается замкнутым) или ШК не подключился к одному из АК (шлейф со стороны соответствующего абонента разомкнут), то программа формирует соответствующую заявку к определенной программе техобслуживания.

Окончание разговора абонентов определяется программой сканирования ШК. При этом программа выявляет две ситуации: трубку повесили (дали отбой) одновременно (в пределах одного периода выполнения программы) оба абонента и отбой поступил со стороны только одного абонента. В первом случае программа формирует заявку на разъединение АК-А-ШК-АК-Б. Во втором случае формируется.заявка на разъединение АК-А-ШК-АК-Б и подключение к АК абонента со снятой трубкой комплекта КПЗ.

 

Рис.10 Логическая последовательность выполнения коммутационных программ на этапах подключения КПЗ и разъединения.

Программа разъединения выполняет заявки от различных программ: сканирования ШК, ККПВ, КПЗ, определения МЦИ и отказа от продолжения набора номера. Алгоритм работы программы разъединения в основном одинаков для различных заявок. Имеющиеся в алгоритмах обслуживания различных видов заявок различия определяются по номеру заявки и касаются типов разъединяемых комплектов и структуры соответствующих регистров вызова. На рис. 7 в качестве примера приведена последовательность выполнения программ при обслуживании заявки на разъединение АК-А-ШК-АК-Б.

Программа подключения КПЗ также выполняет заявки от нескольких программ: подключения КПН, определения задержки набора номера, подключения КПВ и ККПВ и сканирования ШК. Принципы работы программы подключения КПЗ аналогичны ранее описанным для других программ подключения комплектов с учетом замечания, сделанного относительно обслуживания различных видов заявок программой разъединения.

Пример последовательности выполнения программ при обслуживании заявки от программы сканирования ШК приведен на рис.7.

Для определения поступления сигнала отбоя со стороны абонента, фиксируемого КТ КПЗ, подключенного к соответствующему АК, выполняется программа сканирования КПЗ. Эта программа, обнаружив поступление сигнала отбоя, формирует заявку на выдачу ПГ 1К для разъединения АК-КПЗ.

Как уже отмечалось, временная последовательность выполнения коммутационных программ, как правило, не совпадает с логической последовательностью их запуска и определяется распределенном программ по приоритетным уровням и параметрами диспетчирования. Распределение программ по приоритетным уровням и выбор их параметров диспетчирования производятся с учетом имеющихся для каждого этапа обслуживания вызова временных ограничений.

Рассмотренные коммутационные программы, связанные с обслуживанием внутристанционного вызова, распределяются обычно по приоритетным уровням следующим образом:

·   уровень Н - программа сканирования КПН;

·   уровень L - программы выдачи ППК, программа определения МЦИ и отказа от набора;

·   уровень В - все остальные коммутационные программы.

Выбранная периодичность запуска программ должна не только гарантировать выполнение заданных временных ограничений, в частности учитывать временные параметры входных сигналов, но и обеспечивать эффективное использование (загрузку) ЭУМ и коммутационного оборудования.

Для выполнения этого требования выбирают следующие периоды запуска коммутационных программ:

·   сканирования КПН - 5÷10 мс;

·   выдачи ППК (для КЭАТС) - 20÷25 мс;

·   определения МЦИ и отказа от набора - 120÷150 мс;

·   расположенных на основном уровне (за исключением программы определения задержки набора номера) - 100÷250 мс;

·   определения задержки набора номера - 10÷15 с.

 

5. Внешнее программное обеспечение

 

5.1 Состав внешнего программного обеспечения


Внешнее программное обеспечение представляет собой совокупность вспомогательных программ и данных, которые не используются на этапе нормальной эксплуатации узла коммутации и, таким образом, не являются внутренней составной частью ЭУС, но применение которых на этапе составления, отладки, испытаний и производства программ и данных внутреннего ПО позволяют повысить эффективность и качество. Существенно сократить время и трудоемкость выполнения этих этапов. Состав и функции внешнего ПО не зависят от конкретного образца узла коммутации, устанавливаемого на сети связи.

Внешнее ПО состоит из следующих систем программ:

·   автоматизации программирования САП;

·   автоматизации отладки программ САОП;

·   автоматизации производства внутреннего ПО САППО;

·   испытательно-наладочных программ СИНП.

Таким образом, внешнее ПО АТС предназначено для реализации функций автоматизации процессов составления программ внутреннего ПО, его отладки параллельно с разработкой АТС, отладки внутреннего ПО АТС с учетом ее работы в реальном времени, серийного производства внутреннего.

В связи с тем, что процесс создания внешнего ПО по своей трудоемкости сравним с процессом создания внутреннего ПО, а по времени должен опережать последний, внешнее ПО разрабатывается и вводится в эксплуатацию поэтапно. На первых порах создаются необходимые средства автоматизации программирования и отладки, а затем, по мере создания некоторого базового комплекса вспомогательных программных средств, на его основе реализуются остальные функции внешнего ПО в рамках единого центра разработки и производства программного обеспечения АТС.

6. Система автоматизации программирования


Система САП используется на этапе кодирования программ. Основой любой системы автоматизации программирования (САП) является алгоритмический язык программирования, который определяет ориентацию САП на решение задач того или иного класса. В настоящее время существует огромное количество языков и построенных на их основе систем автоматизации программирования. Но использование языка программирования требует дополнительного перевода программы, записанной на этом языке, в программу на машинном языке ЭУС. Такой перевод может быть выполнен автоматически на ЭВМ общего назначения с помощью специальной программы, называемой транслятором. Совокупность используемых при написании программ для ЭУС языков программирования и соответствующих трансляторов и образует САП.

САП является составной частью внешнего программного обеспечения АТС с управлением по записанной программе и используется для повышения производительности труда разработчиков внутреннего ПО при написании программ и составлении на них документации. Требования к САП определяются требованиями, предъявляемыми к ней со стороны различных частей внутреннего ПО. Работа системы коммутационных программ в условиях предельного использования ресурсов ЭУМ предъявляет к САП требование обеспечения записи программ без каких-либо потерь по памяти и быстродействию в процесс их трансляции на машинный язык. Это требование приводит к необходимости использования для программирования машинно-ориентированного языка низкого уровня типа языка Ассемблера. Для разработки алгоритмов работы и реализации программ ОС и СПТО наиболее целесообразно использовать язык Ассемблера.

Таким образом, необходимой составной частью САП является подсистема, построенная на базе языка Ассемблера. Основным ее элементом является программа, называемая обычно Ассемблером, которая переводит исходные программы, написанные в символическом виде на языке Ассемблера, в программы на машинном языке ЭУМ. Ассемблер характеризуется тем, что он осуществляет трансляцию исходных программ по принципу "один к одному", т.е. одной команде языка Ассемблера соответствует одна команда системы команд ЭУМ. Информация, распечатываемая во время работы Ассемблера, образует листинг программы. В листинге представлены обе версии программы - исходная и машинная, имеется список сообщений об ошибках и другая информация, необходимая пользователям. Листинг наряду с блок-схемой программы является одним из основных документов на программу. Кроме выдачи листинга САП должна обеспечивать также вывод на печать, перфокарты, перфоленту или запись во внешнюю память такой документации на ПО, как тексты машинных программ и массивов постоянной информации в заданных форматах в числовом виде и в виде, который требуется для их записи в ПЗУ. Среди требований, которым должен удовлетворить эффективный и удобный в использовании Ассемблер, можно выделить следующие:

·   формирование программных модулей в соответствии с принятыми для системы внутреннего ПО стандартами;

·   получение машинных программ в перемещаемой форме, т.е. в форме, позволяющей разместить их в любом месте памяти ЭУМ без изменения;

·   наличие эффективных средств обнаружения ошибок и информирования о них программистов;

·   возможность выдачи в листинге программы алфавитно-упорядоченной таблицы символов, в которой перечислены все символические имена, использованные в программе, и указаны связанные с ними числовые значения;

·   наличие средств управления вертикальным размещением листинга.

В процессе работы языком Ассемблера на основе анализа написанных с его помощью программ к языку следует добавить типичные для программ внутреннего ПО макрокоманды, разработать макроязык программирования и соответствующий макроассемблер. И, наконец, на базе этого макроязыка и на основе более углубленного опыта по их программированию должны быть разработаны язык программирования высокого уровня, ориентированный на коммутационные применения, и транслятор с этого языка на машинный язык ЭУМ.

Структурными элементами САП являются так же библиотеки: библиотека исходных программ (БИП), т.е. программ, написанных на используемом языке программирования, и библиотека машинных программ (БМП), т.е. программ, полученных в результате трансляции исходных. Эти библиотеки организуются во внешней памяти, обычно на магнитных лентах или дисках. Библиотека исходных программ предназначена для хранения и корректировки текстов программ на исходном языке. При работе САП исходные программы могут вызваться из БИП либо вводится непосредственно с перфокарт или перфолент. Библиотека машинных программ предназначена для хранения текстов программ на машинном языке. После трансляции программы могут выводиться на перфокарты, перфоленту, заноситься в БМП или с помощью специальной программы-загрузчика записываться непосредственно в память для дальнейшего использования.

Следует отметить, что рассмотренная схема построения и функционирования САП отличается от обычно используемой тем, что в ней отсутствует этап редактирования связей и соответствующий структурный элемент, называемый обычно редактором связей. В большинстве САП результатом работы транслятора является программный модуль, называемый объектным модулем, который преобразуется редактором связей в загрузочный модуль. В процессе преобразования объектного модуля в загрузочный редактор связей осуществляет в этом модуле формирование команд обращения к другим программным модулям и информационным массивам.

 

.1 Система автоматизации отладки программ (САОП). Этапы отладки программного обеспечения АТС. Требования к САОП


Система автоматизации отладки программ используется на этапах автономной и комплексной отладки программ ЭУС. Основными задачами отладки программного обеспечения АТС является поиск и исправление допущенных при разработке программ логических и временных ошибок.

Отладка представляет собой наиболее трудоемкую и ответственную часть всего процесса разработки программного обеспечения. На отладку затрачивается свыше 50% общего времени разработки. Недостатки в проведении отладки программного обеспечения проявляются обычно на завершающих этапах разработки. Поэтому необходимо создавать и активно использовать во время разработки специальные автоматизированные системы, позволяющие повысить эффективность процесса отладки ПО АТС.

Эффективность отладки определяется эффективностью методов обнаружения и исправления ошибок.

Часть ошибок обнаруживается системой автоматизации программирования во время их трансляции. Под отладкой понимают устранение таких ошибок, которые не обнаруживаются при трансляции программ, а проявляют себя только во время их выполнения. Процесс отладки программного обеспечения АТС делится на автономную отладку и комплексную отладку.

При проведении автономной отладки обеспечивается правильность функционирования отдельных программных модулей. Автономная отладка является наименее трудоемким этапом. Она осуществляется методом выполнения некоторого количества контрольных примеров и сравнения, полученных промежуточных и окончательных (если выполнение завершилось) результатов с заданными эталонами. В случае их несовпадения производится анализ текста отлаживаемого модуля или информации о его выполнении, выявляются и исправляются ошибки, а затем процесс повторяется снова.

Во время комплексной отладки осуществляется проверка совместного функционирования автономно отлаженных программных модулей. Особое внимание при этом уделяется вопросам правильности взаимодействия модулей, проверки интерфейсов между отдельными программами и комплексами программ. Комплексная отладка проводится в два этапа. На первом этапе производится комплексная отладка программного обеспечения без учета реального времени, которая обычно начинается с проверки совместного функционирования нескольких основных программ. Таким образом обеспечивается правильность функционирования программного обеспечения АТС без учета работы в реальном времени.

На втором этапе системной отладки, осуществляется проверка правильности функционирования программного обеспечения в процессе управления работой коммутационного оборудования в реальном времени. При этом основное внимание уделяется поиску так называемых временных ошибок, которые появляются в результате несоответствия временных параметров работы отдельных программ и систем программ, с одной стороны, и приборов и устройств коммутационного оборудования или внешних устройств - с другой. На этапе системной отладки производится также проверка функционирования программного обеспечения в экстремальных ситуациях. Это позволяет оценить и уточнить возможности программного обеспечения по управлению станцией. Системная отладка является завершающим и наиболее трудоемким этапом отладки программного обеспечения АТС.

6.2 Состав и функции системы испытательно-наладочных программ


Система испытательно-наладочных программ (СИНП) представляет собой совокупность программ и данных для ЭУМ. Предназначенных для облегчения и ускорения процесса испытания оборудования и программ при установке и расширении АТС. Функции и объем программ и данных СИНП могут быть различными для различных образцов АТС.

Прежде всего необходимо разработать обширный комплект испытательно-наладочных программ для проверки разработанного оборудования и программ для опытного образца АТС. Кроме того, составленные программы внутреннего ПО, содержат еще много ошибок, обнаружение которых при отладке с помощью моделирующих программ невозможно. Поэтому для того чтобы не задерживать введение в строй и серийное производство АТС, стадия испытаний опытного образца станций должна быть начата достаточно рано, чтобы обеспечить время для внесения необходимых изменений.

Комплекс программ СИНП для проведения испытаний опытного образца АТС является наиболее обширным, поскольку он должен обеспечивать не только проверку правильности функционирования оборудования и программ, но и позволять оценивать эффективность и эксплуатационные возможности разработанного оборудования и программ. Для серийных образцов АТС объем программ СИНП значительно уменьшается, так как отпадает необходимость испытания программ внутреннего ПО и оценки качественных характеристик оборудования и программ.

После установки АТС надобность в программах СИНП отпадает. Однако в процессе эксплуатации установленной АТС может возникнуть необходимость в расширении ее емкости, в введении новых комплектов и приборов для замены ранее установленных, а также новых функций. В этом случае используются соответствующие программы СИНП, обеспечивающие проверку работоспособности нового или дополнительного оборудования и правильности его подключения.

Основным принципом, который должен быть положен в основу разработки программ СИНП, является принцип "расширяющегося ядра", который заключается в том, чтобы начать проверку с простых испытаний основных схем, затем постепенно переходить к другим схемам.

Программы СИНП аналогичны контрольно-диагностическим программам СПТО, так как и те, и другие проверяют работоспособность одного и того же оборудования. Однако при проведении испытаний существует ряд факторов, приводящих к различиям в принципах построения программ СПТО и СИНП и их характеристиках.

Контрольно-диагностические программы СПТО имеют строго ограниченное время выполнения, так как они делят машинное время ЭУМ с коммутационными программами, обслуживающими вызовы в реальном времени. Программы СИНП, применяемые до включения АТС в эксплуатацию, могут использовать время ЭВМ целиком. Кроме того, программам СИНП не нужно делить память ЭУМ с программами внутреннего ПО. Эти обстоятельства упрощают задачу разработчика программ СИНП.

При разработке контрольно-диагностических программ СПТО предполагается, что в схеме может произойти в данный момент только одна неисправность. Это предположение позволяет составить диагностический словарь, который устанавливает соответствие между полученными результатами диагностической проверки и местом неисправности в проверяемой схеме. Однако в самом начале испытаний оборудование системы обладает множеством неисправностей, и техника словаря становится неприменимой. Поэтому программы СИНП должны быть более сложными для того, чтобы облегчить поиск сложных, неодиночных неисправностей.

В период испытания системы возможно применение вспомогательных наладочных и контрольных приборов и устройств, что в значительной степени облегчает задачу программ СИНП.

После фазы испытания оборудования АТС наступает фаза испытания программ внутреннего ПО.

Процесс испытания программ во многом аналогичен процессу испытания оборудования: в определенные для испытываемой программы ячейки памяти засылаются исходные данные и управление передается испытываемой программе, которая после выполнения запишет в определенных ячейках памяти полученные результаты и передаст управление программе СИНП. Последняя сравнивает полученные результаты с эталонными и выполняет в случае их отличия заданные оператором действия. После окончания проверки программ внутреннего ПО может начинаться эксплуатация АТС.

В связи с большим объемом работ по составлению программ СИНП (объем которых может составлять около 50000 команд) их разработка должна проводиться параллельно с разработкой оборудования АТС.

 

7. Практическая часть


Под узлом коммутации УК понимается совокупность технических средств, предназначенных для приёма и распределения информации по направлениям связи. Это определение справедливо для УК всех типов связи: телефонных и телеграфных, передачи данных и цифровых сетей интегрального обслуживания. Узел коммутации может использовать один из трёх режимов работы: коммутации каналов, коммутации сообщений, коммутации пакетов. Узлы коммутации в ЦСИО, как правило, используют комбинированный режим коммутации каналов и пакетов.

Рис.11 Общая структурная схема узла коммутации с программным управлением.

В общем виде УК (рис.10) можно представить состоящим из исполнительной ИС и управляющей УС систем. Исполнительная система состоит из комплектов К, коммутационного поля КП и промежуточного оборудования (периферийных устройств), обеспечивающего их совместную работу с УС, а УС - из управляющих устройств УУ. Комплекты принимают и передают сигналы, необходимые для установления и разъединения соединений: линейные сигналы (вызов, ответ, отбой и др..), акустические сигналы ("Ответ станции", "Занято", "Посылка вызова" и др.) и сигналов управления (сигналов набора номера, служебных сигналов для УУ другого УК). Через комплекты осуществляется также питание приборов абонентских аппаратов.

Комплекты включаются в коммутационное поле, с помощью которого осуществляется физическое соединение комплектов, а следовательно, подключенных к ним линий (каналов) между собой. Коммутационное поле может быть построено на основе пространственного или временного деления каналов, образующих соединительные пути между его входами и выходами. В качестве коммутационных элементов в КП с пространственным разделением каналов могут использоваться герконовые реле, ферриды, мини-МКС и др. Коммутационное поле с временным разделением каналов строится, как правило, на основе применения импульсно-кодовой модуляции ИКМ и использует в качестве элементов полупроводниковые ЗУ и логические интегральные микросхемы.

В современных УК все логические функции, связанные с установлением и разъединением соединений, возлагаются на управляющую систему, состоящую из программных УУ. Это означает, что в УС все действия УУ заранее определены и регламентированы алгоритмом их функционирования. Узлы коммутации с программными УУ называют узлами коммутации с программным управлением.

В зависимости от способа задания и хранения программы различают УУ с замонтированной программой и УУ с записанной программой.

В управляющем устройстве с замонтированной программой алгоритм функционирования, т.е. последовательность работы функциональных блоков УУ, задаётся схемной логикой, заложенной в специальном программном блоке, и изменить программу можно только путём перемонтажа этого блока.

В управляющем устройстве с записанной программой алгоритм функционирования в закодированном виде записывается и хранится в запоминающем устройстве УУ и изменяется программа путём перезаписи в нём соответствующей информации.

Специализированные ЭВМ в автоматической коммутации называют электронными управляющими машинами ЭУМ, а построенные на их основе УС - электронными управляющими системами ЭУС.

Из двух рассмотренных типов УУ наибольшее распространение в настоящее время получили УУ с записанной программой.

В процессе обслуживания вызовов ЭУС обнаруживает и принимает входные сигналы, поступающие от участников соединений по линиям (каналам) связи через комплекты ИС, анализирует их, отыскивает комплекты нужных типов и соединительные пути в КП, вырабатывает и выдаёт в ИС команды для установления - разъединения соединительных путей в КП, и выдачи требуемых ответных сигналов ("Ответ станции", "Занято", "Посылка вызова" и др.).

Процесс обслуживания вызова - многоэтапный, причём каждый этап инициируется входным сигналом, поступающим в УК от соответствующего участника соединения, и заключается в переводе ИС с помощью ЭУС из одного устойчивого состояния в другое.

Кроме основных функций обслуживания вызовов, ЭУС выполняет дополнительные функции по предоставлению абонентам дополнительных видов обслуживания, а также вспомогательные функции, обеспечивающие автоматизацию процессов эксплуатации и технического обслуживания УК (контроль за состоянием оборудования, определение места повреждений в неисправном оборудовании, учёт нагрузки и др.).

Электронная управляющая система узла коммутации представляет собой комплекс технических и программных средств, обеспечивающий выполнение возложенных на неё основных, дополнительных и вспомогательных функций и удовлетворяющий заданным техническим, эксплуатационным и экономическим требованиям.

Для построения ЭУС могут использоваться различные технические решения. На рис.12 приведена классификационная схема ЭУС, использующая три классификационных признака, отражающих возможные варианты построения и организации функционирования трёх основных компонентов ЭУС - периферийного интерфейса, управляющих устройств и системного интерфейса.

Рис.12 Классификация ЭУС узлов коммутации.

Периферийный интерфейс в ЭУС механических и квазиэлектронных УК содержит средства сопряжения, представляющие собой, как правило, несколько общих для всех периферийных устройств ПУ и УУ шин для передачи управляющих сообщений в ПУ и ответных информационных сообщений из ПУ в УУ, и адресующие устройства для выбора соответствующего ПУ.

В зависимости от используемого способа управления различают три основных типа ЭУС - централизованные, децентрализованные и иерархические.

Централизованная ЭУС состоит из одного центрального УУ (ЦУУ), осуществляющего управление установлением всех соединений в пределах всего УК (рис.13).

Рис.13 Централизованная ЭУС

Примерами централизованной ЭУС могут служить ЭУС отечественных квазиэлектронных УК типов "КВАРЦ", "КВАНТ" и "ИСТОК". Централизованные ЭУС являются наиболее простыми по принципам построения и позволяют наиболее экономично удовлетворять требованиям к производительности УК заданной фиксированной ёмкости. Однако для централизованных ЭУС возникают проблемы обеспечения требуемых живучести и гибкости. Так, выход из строя ЦУУ приводит к полной потере работоспособности УК в целом. Ограничена также возможность расширения ёмкости УК. При этом необходимо сразу устанавливать ЦУУ с производительностью, достаточной для управления УК максимальной проектируемой ёмкости, что снижает эффективность использования вычислительных ресурсов ЦУУ и его технико-экономические показатели в период с момента установки УК до момента достижения им максимальной проектируемой ёмкости.

Децентрализованная ЭУС состоит из нескольких УУ, каждое из которых выполняет только определённую часть функций по управлению установлением всех или определённой части соединений в пределах определённой части УК и равноправно с остальными УУ (рис.14). Примерами децентрализованной ЭУС служат УК DX-200 (Финляндия) и System-12 (США).

Рис.14 Децентрализованная ЭУС

К недостаткам децентрализованных ЭУС следует отнести сложность организации и координации совместной работы многих УУ. В частности возникают трудности с рациональным распределением функций между УУ, обеспечивающим их равномерную загрузку. В результате в ЭУС возникают "узкие" места по производительности, связанные с перегрузкой отдельных УУ, ограничивающие производительность УК в целом. Для координации совместной работы УУ в составе децентрализованной ЭУС требуется разработка специальных достаточно сложных программных средств и соответственно дополнительные затраты в каждом УУ памяти на их хранение и производительности на их функционирование. Кроме того, обеспечение требуемой достаточно высокой производительности ЭУС для УК большой ёмкости достигается использованием большого числа УУ, причём большая часть УУ функционально идентична. Это приводит к избыточности по общему объёму оборудования децентрализованных ЭУС, для УК большой ёмкости по сравнению с аналогичными централизованными ЭУС и соответственно к ухудшению их экономических показателей.

Компромиссным вариантом построения ЭУС является частичная децентрализация функций управления, осуществляемая в иерархической ЭУС, которая состоит из ЦУУ и нескольких групп периферийных УУ (ПУУ), находящихся между собой в отношении иерархического подчинения. Группа ПУУ, непосредственно подключённая к периферийному интерфейсу, образует самый низкий, а ЦУУ - самый высокий иерархический уровень управления. Управляющие устройства одного иерархического уровня не связаны между собой и работают независимо друг от друга, тогда как УУ соседних иерархических уровней имеют между собой информационные и функциональные связи через соответствующий системный интерфейс.

Иерархические ЭУС сочетают в себе простоту и экономичность централизованных ЭУС с возможностью наращивания производительности и достаточно высокой живучестью децентрализованных ЭУС. В то же время иерархическим ЭУС присущи, конечно, в значительно меньшей мере недостатки как централизованных, так децентрализованных ЭУС.

Примерами иерархической ЭУС являются ЭУС электронных цифровых УК ESS № 4 и № 5 (США), МТ-20\25 (Франция), АХЕ-10 (Швеция).

В последние годы в связи большими достижениями микроэлектроники в области построения и производства больших интегральных схем БИС и дешёвых, надёжных и компактных микропроцессоров, приспособленных для работы в системах управления, децентрализованные и иерархические ЭУС стали основными типами ЭУС узлов коммутации.

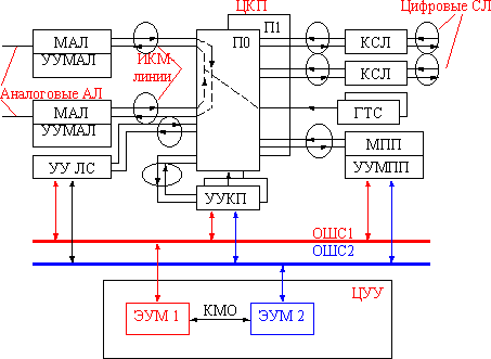
Рассмотрим основные принципы построения иерархических ЭУС электронных цифровых УК. Структурная схема такого УК приведена на рис.15, где показаны основные виды входящего в его состав оборудования. Узел коммутации иерархической ЭУС состоит из: МАЛ - модуль абонентских линий, ЦКП - цифровое коммутационное поле, КСЛ - комплект цифровых соединительных линий, ГТС - общестанционный генератор тональных сигналов, МПП - модуль приёмника - передатчиков, периферийных УУ и ЦУУ.

Рис.15 Структурная схема электронного узла коммутации с иерархической ЭУС

Аналоговые АЛ подключаются к ЦКП через МАЛ, в которых аналоговые речевые сигналы, поступающие по АЛ, преобразуются в цифровые. Кроме того, в МАЛ концентрируется абонентская нагрузка от большого числа (64,128) физических АЛ, включенных в МАЛ, к одной ИКМ-линии, соединяющей его с ЦКП. При этом для образования группового ИКМ - тракта в отечественных электронных цифровых УК используется система ИКМ-30\32, позволяющая создать на базе одной четырёхпроводной линии 30 разговорных каналов, один (16) для сигнализации и один (0) для синхронизации. Каждый МАЛ содержит абонентские комплекты, преобразующее, коммутационное и управляющее оборудование, а также схемы подключения к АЛ измерительных устройств и генератора вызывных сигналов.

Модули АЛ размещаются непосредственно на УК или выносятся в места сосредоточения абонентов с целью уменьшения расходов на линейные сооружения. В последнем случае МАЛ называется удалённым и соединяется с ЦКП через КСЛ, которые осуществляют приём и передачу сигналов цифровой синхронизации и аварийных сообщений о неисправностях линии по 0-му каналу внутристанционной ИКМ - линии в сторону ЦКП и по 0-му каналу ЦСЛ в сторону встречного УК.

Генератор тональных сигналов предназначен для формирования и выдачи в цифровом виде акустических сигналов "ответ станции", "Занято" и др. (всего до 16 сигналов). Для подключения ГТС к ЦКП используется односторонняя ИКМ - линия, каналы которой жёстко закреплены за определёнными видами сигналов. Поскольку ГТС является общестанционным устройством и выход его из строя приводит к невозможности организации нормального взаимодействия с абонентами в процессе установления соединений, для обеспечения требуемого качества обслуживания вызовов узлом коммутации производится дублирование ГТС.

Модуль приёмников и передатчиков представляет собой совокупность функциональных блоков, обеспечивающих приём номерной информации от абонентов, передаваемой по АЛ многочастотным способом в коде "2 из 8" и приём - передачу многочастотных сигналов управления и взаимодействия в коде "2 из 6" по ЦСЛ.

Каждый МПП подключается к ЦКП с помощью одной ИКМ - линии и, следовательно, может принимать и передавать многочастотные сигналы одновременно по 32 каналам. Число МПП рассчитывается исходя из поступающей нагрузки и установленных норм на качество обслуживания вызовов. Для обеспечения необходимой надёжности МПП резервируются по принципу "n + 1".

Коммутационное поле рассматриваемого УК является цифровым. Оно использует в общем случае пространственно - временной принцип деления каналов и имеет блочное строение. Для обеспечения требуемой надёжности ЦКП дублируется и соединение может быть независимо установлено через поле как П 0, так и П 1.

Иерархическая ЭУС электронного цифрового УК имеет в большинстве случаев два иерархических уровня: на нижнем уровне находятся ПУУ, непосредственно связанные с устройствами исполнительной системы; на верхнем уровне - ЦУУ.

ПУУ строятся в основном на базе микроЭВМ с невысокой производительностью, снабжённой необходимым для выполнения заданных функций комплексом программ, хранящихся в её собственном ЗУ.

Центральное УУ состоит, как правило, из двух ЭУМ, каждая из которых обладает достаточной производительностью для обеспечения обработки в реальном режиме времени сообщений (заявок), поступающих от всех ПУУ.

В зависимости от требований к надёжности и производительности ЦУУ, а также к достоверности обработки информации совместная работа обеих ЭУМ может быть организована в различных режимах. В процессе совместной работы ЭУМ обмениваются между собой информацией о занимаемых для обслуживания вызовов каналах внутренних ИКМ - линий и ЦСЛ, соединительных путях в ЦКП, абонентских линиях и др. через канал межмашинного обмена.

Обмен сообщениями между ЦУУ и ПУУ производится через системный интерфейс, который может быть реализован либо в виде дублированных общих шин, либо с помощью общего ЦКП узла коммутации.

 

8. Контрольные вопросы


) Перечислите языки программирования, составляющие основу ПО СКПУ?

) Что такое внутреннее ПО?

) Что такое внешнее ПО?

) Перечислите группы внутреннего ПО

) Перечислите группы внешнего ПО

) Какие программы используются при установление внутристанционного соединения?

) Какие программы входят в состав системы СКП?

) Перечислите подпрограммы СКП

) Какова задача системы автоматизации отладки программ?

) Какие программы включает в себя генератор внутреннего ПО?

) Что такое ПО ЭУМ?

) Для чего предназначены коммутационные программы?

Похожие работы на - Программное обеспечение узла телефонной связи

 

Не нашли материал для своей работы?
Поможем написать уникальную работу
Без плагиата!
Без нейросетей!